|
Наименование параметра
|
Буквенное обозначение
|
Единицы измерения
|
Численное значение
|
|
Межосевое расстояние
|
aw
|
мм
|
140
|
|
Делительный диаметр
|
шестерни
|
d1
|
мм
|
66,85
|
|
колеса
|
d2
|
мм
|
213,75
|
|
Диаметр окружности впадин
зубьев
|
шестерни
|
df1
|
мм
|
61,85
|
|
колеса
|
df2
|
мм
|
208,75
|
|
Нормальный модуль
|
mn
|
мм
|
2
|
|
Диаметр окружности вершин зубьев
|
шестерни
|
da1
|
мм
|
70,85
|
|
колеса
|
da2
|
мм
|
217,75
|
|
Число зубьев
|
шестерни
|
Z1
|
-
|
33
|
|
колеса
|
Z2
|
-
|
104
|
|
Ширина венца
|
шестерни
|
b1
|
мм
|
60
|
|
колеса
|
b2
|
мм
|
56
|
|
Окружная скорость
|
V
|
м/с
|
0,84
|
|
Степень точности
|
-
|
-
|
8
|
|
Окружное усилие
|
Ft1 =Ft2
|
Н
|
4020
|
|
Радиальное усилие
|
Fr1 = Fr2
|
Н
|
1500
|
|
Осевое усилие
|
Fa1 =Fa2
|
Н
|
850
|
4. ПРОЕКТНЫЙ РАСЧЁТ ВАЛОВ РЕДУКТОРА
Ведущий вал
Крутящий момент в расчётном сечении вала равен вращающему моменту на валу
Принимаем
допускаемое напряжение при кручении
Диаметр выходного конца вала
Так
как вал соединяется с валом электродвигателя через ремённую передачу
то для получения рациональной конструкции привода
необходимо, чтобы
Для
облегчения установки и снятия шкива, повышения надёжности соединения (можно
легко получить любой натяг) принимаем выходной конец коническим. Поэтому
согласуем с
конического
участка вала[4]
Принимаем
Диаметр вала под подшипники
Диаметр
буртика под подшипники
Диаметр
вала под шестерню не назначен, т.к. принимаем шестерню, выполненную за одно
целое с валом (вал-шестерня)
Диаметр резьбового участка вала
Вычисляем длины участков валов
Принимаем
согласно ряду нормальных линейных размеров
Минимальный диаметр конического участка вала

Рисунок
4
Эскиз ведущего вала
Рисунок 5
Ведомый вал
Крутящий момент в расчётном сечении вала равен вращающему моменту на валу
Принимаем допускаемое напряжение при кручении
Диаметр выходного конца вала
Диаметр вала под подшипники
Принимаем
Диаметр
буртика под подшипник
Диаметр вала под колесом
;
Вычисляем длины участков валов
Принимаем согласно ряду нормальных линейных размеров
Минимальный диаметр конического участка вала
Эскиз ведомого вала
Рисунок 6
Окончательные размеры длин участков вала определяют при конструировании
крышек подшипников, выбора типа уплотнения и при конструировании корпуса
редуктора
5. КОНСТРУКТИВНЫЕ РАЗМЕРЫ ЗУБЧАТОГО КОЛЕСА
двигатель привод редуктор нереверсивный
Принимаем зубчатое колесо кованное [1]
Рисунок
7
Определяем наружный диаметр ступицы колеса
Принимаем
Определяем
длину ступицы колеса
Определяем
толщину обода
Принимаем
Определяем толщину диска колеса
Определяем остальные размеры
Принимаем

Ведущий вал
Схема наружного вала
Рисунок 9
Исходные данные:
;
Определяем реакции опор в вертикальной плоскости
Проверка:
Реакции
определены, верно
Определяем
реакции опор в горизонтальной плоскости
Рисунок
11
Так как схема нагружена симметрично, то
Определяем суммарные радиальные опорные реакции
Выбираем тип подшипников - радиальный шариковый подшипник лёгкой серии
208: d = 40 мм; D = 80 мм; В = 18 мм [1]
Грузоподъемность Сr =
32000 H; Соr =17800 H
Рисунок 12
Намечаем минимальную долговечность подшипников
Для подшипника А воспринимающего осевую нагрузку [1]
где Х и Y - коэффициенты влияния радиальной и
осевой нагрузки
- базовая
статическая радиальная грузоподъёмность
где
- коэффициент вращения при вращающемся внутреннем
кольце подшипника
Окончательно
принимаем коэффициенты:
Эквивалентная
динамическая радиальная нагрузка на подшипник В
где
- коэффициент безопасности
-температурный
коэффициент (t<100°C)
Определяем эквивалентную динамическую радиальную нагрузку на подшипник A, который не воспринимает осевую силу
Расчётная долговечность наиболее нагруженного подшипника В
Подшипник
208 подходит.
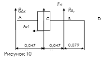
Ведомый вал
Схема нагружения вала
Рисунок 13
Исходные данные:
;
;
Определяем
реакции опор в вертикальной плоскости
Рисунок 14
Проверка:
Реакции определены, верно
Определяем реакции опор в горизонтальной плоскости
Рисунок 15
Так как схема нагружена симметрично, то
На выходе зубчатого редуктора стоит муфта
Рисунок 16
Проверка:
Реакции
определены, верно
Определяем суммарные радиальные опорные реакции
Выбираем
тип подшипников радиальный шариковый подшипник лёгкой серии 211: d =55
мм; D =100 мм; В =21 мм
Грузоподъемность Сr =
43600 H; Соr =25000 H
Рисунок 17
Намечаем
минимальную долговечность подшипников
Для подшипника В, воспринимающего осевую нагрузку

Окончательно
принимаем коэффициенты:
Эквивалентная динамическая радиальная нагрузка на подшипник А
Определяем
эквивалентную динамическую радиальную нагрузку на подшипник В, который не
воспринимает осевую силу
Расчётная
долговечность наиболее нагруженного подшипника В
Подшипник
211 подходит.
7. ПРОВЕРОЧНЫЙ РАСЧЁТ ВЕДОМОГО ВАЛА РЕДУКТОРА НА СОПРОТИВЛЕНИЕ УСТАЛОСТИ
Материал вала
Принимаем
сталь Ст5, диаметр заготовки любой, твёрдость не ниже 190 HB,
предел прочности
предел выносливости при симметричном цикле изгиба [1]
и кручении
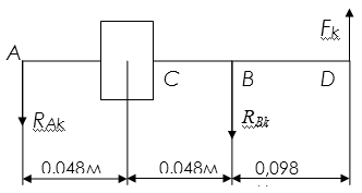
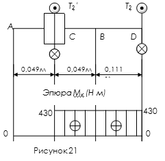
Эпюры
изгибающих и крутящих моментов для ведомого вала
Вертикальная плоскость
Горизонтальная плоскость
Изгиб
от силы
Кручение
Рисунок 21
В
соответствии с эпюрами
предположительно устанавливаем опасные сечения вала,
которые подлежат расчёту
Таких
сечений два:
-
1 под серединой ступицы колеса со шпоночным пазом;
2 - 2 под подшипник В на шейке вала
Сечение 1 - 1
Суммарный изгибающий момент в сечении
Крутящий
момент
Осевой
момент сопротивления сечения с учётом шпоночного паза
Полярный
момент сопротивления сечения
Амплитуда нормальных напряжений
Амплитуда касательных напряжений
Коэффициенты концентрации напряжений для сечения 1 - 1, обусловленных
наличием шпоночного паза
где
и
-
эффективные коэффициенты концентрации напряжений для вала со шпоночным пазом
- для
концевой фрезы
при
-
коэффициент влияния абсолютных размеров поперечного сечения детали: при изгибе
при кручении
-
коэффициент влияния шероховатости поверхности при
Коэффициенты
запаса прочности по нормальным
и
касательным
напряжениям
Результирующий коэффициент запаса прочности сечения 1 - 1
Прочность
сечения 1 - 1 на усталость обеспечена
Сечение
2 - 2
Суммарный
изгибающий момент в сечении
Осевой
момент сопротивления сечения
Полярный
момент сопротивления сечения
Амплитуда нормальных напряжений
Амплитуда касательных напряжений
Коэффициенты концентрации напряжений для сечения 2 - 2
где
- эффективные коэффициенты напряжений в местах
напрессовки подшипников при
Коэффициенты
запаса прочности по нормальным
и
касательным
напряжениям
Результирующий коэффициент запаса прочности
Прочность
сечения 2 - 2 на усталость обеспечена
Так
как прочность вала на усталость обеспечена, то его диаметры и выбранный
материал оставляем без изменения.
8. ПОДБОР И ПРОВЕРКА ПРОЧНОСТИ ШПОНОК
Ведущий вал
На ведущем валу устанавливаем шпонку под звездочку
Из таблицы ГОСТ принимаем шпонку призматическую со скруглёнными торцами
[4]
Эскиз
соединения
Рисунок
22
Принимаем
Принимаем
при стальной ступице и спокойной нагрузке
Прочность
шпонки обеспечена
Обозначение
шпонки: Шпонка 10х8х50 ГОСТ 23360-78
Ведомый вал
На ведомом валу устанавливаем шпонку под колесо
Из
таблицы ГОСТ принимаем шпонку призматическую со скруглёнными торцами
Принимаем
Прочность
шпонки обеспечена
Обозначение
шпонки: Шпонка 18х11х50 ГОСТ 23360-78
Принимаем
посадку под колесом:
На ведомом валу устанавливаем шпонку под муфту
Из
таблицы ГОСТ принимаем шпонку призматическую со скруглёнными торцами
Принимаем
Прочность
шпонки обеспечена
Обозначение
шпонки: Шпонка 16х10х56 ГОСТ 23360-78
Вычерчиваем
шпонки на миллиметровке сборочного чертежа редуктора
9. ПОДБОР МУФТЫ
Исходные данные:
На
тихоходном валу редуктора устанавливаем муфту упругую с торообразной оболочкой
такую, чтобы допускаемый крутящий момент
был не
менее заданного расчётного
и диаметр
отверстия
[1]
где
- коэффициент режима работы муфты при постоянной
нагрузке.
Выбираем: Муфта 500-48 ГОСТ 20884-93
Эскиз муфты
Рисунок 23
1 - резиновый упругий элемент;
2 - полумуфта;
3 - винт;
- кольцо;
- прижимное полукольцо;
- винт
Проверяем торообразную оболочку муфты на прочность по напряжениям среза
где
- диаметр опасного сечения;
-
наружный диаметр муфты;
- толщина
оболочки
при
Прочность
муфты обеспечена.
10. СМАЗКА ЗУБЧАТОЙ ПЕРЕДАЧИ И ПОДШИПНИКОВ
Для
смазки принимаем картерную систему смазки, которая осуществляется погружением
шестерни в масло, залитое в корпусе редуктора.
Применяем
масло индустриальное И-Г-А-68 для гидравлических систем без присадок с классом
кинематической вязкости 68 [1].
- глубина
масла под колесом
Уровни
погружения цилиндрических колес редуктора в масляную ванну
Подшипники смазываются брызгами масла залитого в корпус редуктора.
Контроль уровня масла осуществляется маслоуказателем.
ЛИТЕРАТУРА
. Дунаев П.Ф. Детали машин. Курсовое проектирование:
Учеб. пособие для машиностр. спец. учреждений среднего профессионального
образования / П.Ф. Дунаев, О.П. Леликов. - М. : Машиностроение, 2004. - 560 с.
. Техническая механика. Курсовое проектирование.
Расчетная часть проекта. Редукторы цилиндрические : метод. указания для
студентов специальностей 151001, 160203. В 2-х книгах. Книга 1 / авт.-сост.
Г.Ф. Фефилова - Ульяновск: УАвиаК, 2010.
. Техническая механика. Курсовое проектирование.
Расчетная часть проекта. Редукторы цилиндрические : метод. указания для
студентов специальностей 151001, 160203. В 2-х книгах. Книга 2 / авт.-сост.
Г.Ф. Фефилова - Ульяновск: УАвиаК, 2010.
. Шейнблит А.Е. Курсовое проектирование деталей
машин: Учеб. пособие для техникумов. - М., Высш. школа,, 1991. - 432 с.
. Чернавский С.А. Курсовое проектирование деталей
машин: Учеб. пособие для учащихся машиностроительных специальностей техникумов
/С.А. Чернавский, К.Н. Боков, И.П. Чернин и др. - 2-е изд., перераб. и доп. -
М.: Машино-строение, 1988. - 416 с.