Расчет силового трансформатора ТМ-250 кВА

  • Вид работы:
    Курсовая работа (т)
  • Предмет:
    Физика
  • Язык:
    Русский
    ,
    Формат файла:
    MS Word
    818,23 Кб
  • Опубликовано:
    2012-07-13
Вы можете узнать стоимость помощи в написании студенческой работы.
Помощь в написании работы, которую точно примут!

Расчет силового трансформатора ТМ-250 кВА

Введение

силовой трансформатор электрический замыкание

Трансформатором называется статическое электромагнитное устройство, имеющее две или более индуктивно связанные обмотки и предназначенное для преобразования посредством электромагнитной индукции одной или нескольких систем переменного тока в одну или несколько других систем переменного тока.

Назначение силовых трансформаторов состоит в преобразовании электроэнергии в электрических сетях и установках, предназначенных для приема и использования электроэнергии.

Силовой трансформатор является одним из важнейших элементов современной электрической сети во многом определяющим эффективность ее работы. Коэффициент полезного действия трансформаторов достаточно велик и для большинства из них составляет 98-99 %. Однако, вследствие многократной трансформации электроэнергии и размещения в системах электроснабжения трансформаторов с общей мощностью, в несколько раз превышающей мощность генераторов, общие потери энергии во всем парке трансформаторов достигают существенных значений. Поэтому одной из важнейших задач, стоящих в настоящее время перед разработчиками трансформаторов, является задача существенного уменьшения потерь энергии, т.е. потерь холостого хода и короткого замыкания. Не менее актуальной является задача снижения стоимости разрабатываемых и изготовляемых трансформаторов, решаемая за счет выбора рациональной конструкции и экономии основных используемых материалов.

В курсовом проекте предусматривается разработка силового двухобмоточного трансформатора типа ТМ, применяемого на цеховых трансформаторных подстанциях в системах электроснабжения промышленных предприятий.

Расчет основных электрических величин

Мощность одной фазы трехфазного трансформатора


где    Sн - номинальная мощность трансформатора, кВА;

m - число фаз трансформатора.

Мощность на одном стержне магнитопровода


где    с - число активных стержней.

Номинальный ток обмоток трехфазного трансформатора

 (1)

где    Uн - номинальное напряжение соответствующей обмотки, кВ.

В соответствии с выражением (1) получим


Фазный ток, в соответствии с предложенной схемой треугольник/звезда с нулем, определится, как


Фазное напряжение, в соответствии с предложенной схемой треугольник/звезда с нулем, определится, как

Uфв = Uнв = 10 кВ,


Определим активную составляющую напряжения короткого замыкания


где    Рк - потери короткого замыкания трансформатора, Вт.

Тогда реактивная составляющая напряжения короткого замыкания определится, как


где    Uк% - напряжение короткого замыкания, %.

Выбор конструктивной схемы трансформатора. Общая конструктивная схема трансформатора

В зависимости от взаимного расположения стержней, ярм и обмоток магнитопроводы разделяются на стержневые, броневые и бронестержневые. По взаимному расположению стержней и ярм магнитопроводы разделяются на плоские и пространственные.

Наибольшее распространение в практике трансформаторостроения получили магнитопроводы стержневого типа со ступенчатой формой поперечного сечения стержня, вписанной в окружность, и с обмотками в виде круговых цилиндров.

В соответствии с заданием необходимо спроектировать трехфазный трансформатор с номинальной мощностью 250 кВА. Для трансформатора подобной мощности выберем плоский стержневой магнитопровод.

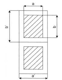
Общая конструктивная схема трансформатора с таким магнитопроводом представлена на рисунке 1.

1 - стержень, 2 - ярмо, 3 - обмотка НН, 4 - обмотка ВН.

Рисунок 1 - Общая конструктивная схема

По способу сборки различают следующие плоские магнитные системы:

-        шихтованные впереплет, ярма и стержни которых собираются из пластин как единая цельная конструкция;

-        стыковые, ярма и стержни которых, собранные и скрепленные раздельно, при сборке системы устанавливаются встык и скрепляются стяжными конструкциями.

Собранные впереплет плоские шихтованные магнитные системы благодаря простой и дешевой конструкции крепления и стяжки, а также относительной простоте сборки получили наибольшее распространение в трансформаторостроение. Поэтому для трансформатора выберем шихтованную впереплет магнитную систему.

Для шихтованной впереплет магнитной системы существует несколько планов шихтовки пластин. Средней по технологической сложности и параметрам холостого хода является схема с косыми стыками в четырех и комбинированными в двух углах. Несколько проще технология заготовки пластин и сборки магнитной системы с косыми стыками в четырех и прямыми стыками в двух углах, но такая магнитная система имеет более высокие потери и ток холостого хода. Наименьшие потери и ток холостого хода имеет магнитная система с шихтовкой пластин косыми стыками в шести углах.

Наибольшее практическое распространение получила схема, изображенная на рисунке 2.

Рисунок 2 - Шихтовка пластин косыми стыками в четырех и прямыми стыками в двух углах

Для дальнейшего расчета трансформатора выберем шихтовку пластин косыми стыками в четырех и прямыми стыками в двух углах.

Поперечное сечение стержня и ярма имеет вид симметричной ступенчатой фигуры (см. рисунок 1). Диаметр окружности, в которую можно вписать ступенчатую фигуру сечения стержня, называют диаметром стержня. Ступенчатое сечение стержня и ярма образуется сечениями пакетов пластин, где под пакетом понимают стопу пластин одного размера.

Определим параметры магнитной системы по рекомендациям, приведенным в таблице 2.1 /3, с. 12/. Рекомендуемое число ступеней и соответствующий ему коэффициент заполнения площади круга площадью ступенчатой фигуры kтр приведены в таблице 1.

Таблица 1 - Рекомендуемые параметры магнитной системы

Мощность трансформатора, кВА

Ориентировочный диаметр стержня, м

Без прессующей пластины



Число ступеней

kтр

250

0,20

7

0,918


Для разрабатываемого трансформатора выгоднее применить холоднокатаную, анизотропную, тонколистовую электротехническую сталь марки 3404, толщиной 0,30 мм.

Кроме коэффициента kтр стержень и ярмо магнитной системы характеризуются коэффициентом заполнения сечения стержня и ярма сталью kзап. Этот коэффициент равен отношению чистой площади стали (без учета изоляционного покрытия листов) к площади ступенчатой фигуры сечения, определенной с учетом изоляционного покрытия листов.

Определим значение kзап по рекомендациям, приведенным в таблице 2.2 /3, с. 13/. Рекомендуемое значение kзап приведено в таблице 2.

Таблица 2 - Коэффициент заполнения kзап для рулонной холоднокатаной стали по ГОСТ 21427 - 83

Марка стали

Толщина листа, мм

Вид изоляционного покрытия

kзап

3404

0,30

нагревостойкое

0,96


При мощности трансформатора Sн ≤ 630 кВА и диаметре стержня 0,22м прессовку стержней магнитной системы выполняем путем забивания деревянных клиньев (стержней и планок) между стержнем и обмоткой НН или ее жестким изоляционным цилиндром.

Наиболее рациональной формой сечения ярма плоской магнитной системы является многоступенчатая его форма с числом ступеней, равным активному сечению стержня.

Прессовка ярм в современных конструкциях плоских магнитных систем трансформаторов осуществляется при помощи стальных ярмовых балок, стягиваемых шпильками, вынесенными за пределы ярма.

Для обеспечения более равномерного сжатия ярма между прессующими ярмовыми балками обычно два - три крайних пакета выполняются одной ширины, несколько увеличивая этим сечение ярма. Это увеличение активного сечения ярма отражают коэффициентом усиления ярма kя, равным отношению площади сечения ярма Пя к площади сечения стержня Пс.

При выборе способа прессовки стержней и ярм воспользуемся рекомендациями, приведенными в таблице 2.3 /3, с. 14/. Результаты выбора представлены в таблице 3.

Таблица 3 - Способ прессовки стержней и ярм, форма сечения и коэффициент усиления ярма kя

Мощность трансформатора, кВА

Прессовка стержней

Прессовка ярм

Форма сечения ярма

kя

250

Расклиниванием с обмоткой

Балками, стянутыми шпильками, расположенными вне ярма

С числом ступеней на одну - две меньше числа ступеней стержня

1,02


Конструкция обмоток

Конструкции обмоток выбираются с учетом следующих основных параметров:

-        ток нагрузки одного стержня (фазный ток) Iф;

-        номинальная мощность трансформатора Sн;

         номинальное напряжение трансформатора Uн;

         поперечное сечение витка обмотки Пв.

Выбираем в качестве материала обмоток медь.

Ориентировочно сечение витка на начальной стадии проектирования определим как

 (2)

где    Jср - средняя плотность тока в обмотке, А/мм2, которая выбирается из таблицы 2.4 /3, с. 15/:

Jср = 2,0 А/мм2.

Подставляя численные значения в выражение (2), определим сечения витков:

-        обмотка НН


-        обмотка ВН


Далее по таблице 2.5 /3, с. 17/, выберем типы конструкций обмоток НН и ВН. Результаты выбора представлены в таблице 4.

силовой трансформатор электрический замыкание

Таблица 4 -Конструкции обмоток

Тип обмотки

Применение на стороне

Материал обмоток

Мощность трансформатора, кВА

Ток на стержень, А

Напряжение, кВ

Сечение витка, мм2

Число параллельных проводов

Схема регулирования напряжения

Цилиндрическая одно- и двуслойная из прямоугольного провода

НН

Алюминий

250

208,3

0,69

104,15

1

-

Цилиндрическая многослойная из круглого провода

ВН



8,35

10

4,18

1

рис. 4.2, а, б


Главная изоляция трансформатора

Для определения величин изоляционных промежутков между обмотками НН и ВН, а также между другими токоведущими и заземленными деталями трансформатора существенное значение имеют уровни испытательных напряжений, при которых проверяется электрическая прочность изоляции трансформатора. Испытательные напряжения определим для каждой обмотки по ее классу напряжения при помощи таблицы 2.6 /3, с. 45/. Значения испытательных напряжений представлены в таблице 5.


Таблица 5 - Испытательные напряжения

Обмотка НН

Класс напряжения, кВ

≤ 1

Испытательное напряжение, кВ

5

Наибольшее рабочее напряжение, кВ

-

Обмотка ВН

Класс напряжения, кВ

10

Испытательное напряжение, кВ

34

Наибольшее рабочее напряжение, кВ

12


Приведенные нормы испытаний учитывают значения, длительность и характер возможных в процессе эксплуатации перенапряжений и содержат необходимый запас прочности.

Главная изоляция обмоток определяется в основном электрической прочностью при 50 Гц и соответствующими испытательными напряжениями. На рисунке 3 показана конструкция главной изоляции обмоток масляных трансформаторов классов напряжения от 1 до 35 кВ (испытательные напряжения от 5 до 85 кВ).

Рисунок 3 - Главная изоляция обмоток ВН и НН

Изоляция между обмотками ВН и НН осуществляется жесткими бумажно-бакелитовыми или мягкими цилиндрами, намотанными при сборке трансформатора из электроизоляционного картона. Выступ цилиндра за высоту обмотки обеспечивает отсутствие разряда по поверхности цилиндра между обмотками или с обмотки на стержень. Между обмотками ВН соседних стержней устанавливается междуфазная перегородка из электроизоляционного картона.

Минимально допустимые изоляционные расстояния от обмотки до стержня и ярма, между обмотками, а также главные размеры изоляционных деталей с учетом конструктивных требований и производственных допусков, определенные по таблицам 2.7 и 2.8 /3, с. 46/, представлены в таблицах 6 и 7.

Таблица 6 - Минимальные изоляционные расстояния обмотки НН

Мощность трансформатора, кВА

Uисп для ОНН, кВ

Расстояние ОНН от ярма - l02, мм

Расстояние ОНН от стержня, мм




δ02

ац2

а02

l02

250

5

15

картон, 1 мм

-

4

-


Таблица 7 - Минимальные изоляционные расстояния обмотки ВН

Мощность трансформатора, кВА

Uисп для ОВН, кВ

Расстояние ОНН от ярма - l01, мм

Расстояние ОВН от ОНН, мм

Выступ цилиндра - lц1, мм

Расстояние ОВН от ОВН соседнего стержня - а11, мм




а12

δ12



250

25

30

27

3

15

10


Расчет основных размеров трансформатора

Проектируемый трансформатор характеризуется тремя основными размерами:

а) d - диаметр окружности, к которую вписано ступенчатое сечение стержня (условно называемый диаметром стержня);

б) L - высота обмоток (осевой размер);

в) d12 - средний диаметр витка двух обмоток (средний диаметр осевого канала между обмотками).

Осевой размер обмоток L обычно принимается одинаковым для ОВН и ОНН. Размер d12 связывает диаметр стержня d с радиальными размерами обмоток а1, а2 и с размером осевого канала между ними а12.

Полученные основные размеры позволяют определить (с помощью исходных данных и рекомендуемых изоляционных расстояний) все остальные размеры, определяющие форму и объем магнитной системы.

Диаметр стержня d определяется по выражению

 (3)

где    Sc - мощность на один стержень, кВА;

β - соотношение основных размеров, принимаемое по таблице 3.1 /3, с. 48/;

ар - приведенная ширина канала рассеяния, м;

kр - коэффициент приведения идеального поля рассеяния к реальному полю (коэффициент Роговского), принимаемый по рекомендациям /3, с. 49/;

f - частота питающей сети, Гц, равная промышленной;

Ukp - реактивная составляющая Uk, %;

Вс - рекомендуемое значение индукции в стержне, Тл, принимаемый по таблице 3.3 /3, с. 49/;

kc - коэффициент заполнения активной сталью площади круга, охватывающего сечение стержня.

Значение ар рассчитываем по выражению

 (4)

где    а1, а2 - радиальные размеры, мм, ОВН и ОНН соответственно.

Поскольку на данном этапе расчета а1 и а2 неизвестны, то можно воспользоваться приближенным расчетом приведенной ширины двух обмоток

 (5)

где    k - расчетный коэффициент, принимаемый по таблице 3.2 /3, с. 48/

Подставляя произведя замену и численные значения в выражение (4), получим


Коэффициент kс равен произведению коэффициентов

kс = kзап·kкр = 0,96·0,918 = 0,881.

Подставляя численные значения коэффициентов в выражение (3), определим диаметр стержня


Используя полученное значение диаметра, примем ближайшее стандартное его значение dн из нормализованного ряда, приведенного в таблице 3.4 /3, с. 50/:

dн = 0,180 м.

После этого по нормализованному значению dн скорректируем принятую ранее величину β


Средний диаметр осевого канала между обмотками определим, как

d12 = dн + 2·а02 + 2·а2 + а12. (6)

Неизвестный радиальный размер ОНН а2 на данном этапе расчета определим, как


Подставляя численные значения в выражение (6), определим средний диаметр осевого канала между обмотками

d12 = 0,180 + 2·4·10-3 + 2·0,026 + 27·10-3 = 0,267 м.

Высоту обмотки определим, как


Расчет обмоток. Определение общих параметров обмоток

Предварительным этапом расчета обмоток является определение напряжения одного витка. ЭДС одного витка представляет собой характеристику магнитопровода трансформатора и является общим параметром для обеих обмоток.

Напряжение витка определим, как

Uв = 4,44·f·Вc·Пс, (7)

где Bc - индукция в стержне магнитопровода, Тл;

f - частота питающей сети, Гц;

Пc - активное сечение стержня, м2, рассчитываемое по выражению


Подставим численные значения в выражение (7) и определим напряжение витка

Uв = 4,44·50·1,6·0,022407 = 7,95897 В.

Обмотка низкого напряжения. Предварительный расчет ОНН

Число витков на одну фазу ОНН определим по формуле


После округления числа витков скорректируем под него значение напряжения одного витка

а также индукцию в стержне


Далее во всех расчетах будем использовать только эти значения напряжения витка и индукции в стержне.

Среднюю плотность тока в обмотке определим по формуле

 (8)

где kd - коэффициент, учитывающий добавочные потери в обмотках, в отводах, в стенках бака и других металлических конструкциях от гистерезиса и вихревых токов, определяемый из таблицы 4.1 /3, с. 52/.

Pк - заданное значение потерь короткого замыкания, Вт;

Uв - напряжение витка, В;

Sн - номинальная мощность трансформатора, кВА;

d12 - средний диаметр канала между обмотками, м.

Подставляя численные значения в выражение (8), определим среднюю плотность тока в обмотке


Найденная величина средней плотности тока в обмотке лежит в пределах, указанных для трансформаторов соответствующей мощности и принятого материала обмоток в таблице 2.4 /3, с. 15/.

В процессе расчета обмоток необходимо контролировать их радиальный размер (толщину), так как он существенно влияет на тепловой режим обмотки, а также на величину добавочных потерь активной энергии в ней.

Предельно допустимое значение радиального размера обмотки для проектируемого трансформатора с естественным масляным охлаждением равно

 (9)

где qдоп - предельно допустимая плотность теплового потока на поверхности обмотки, Вт/м2, принимаемая по рекомендациям /3, с. 53/;

kзак - коэффициент закрытия, учитывающий закрытие части охлаждаемой поверхности обмотки конструктивными элементами, принимается по рекомендациям /3, с. 53/.

Подставляя численные значения в выражение (9), определим предельно допустимое значение радиального размера обмотки


Расчет одно- и двухслойных цилиндрических обмоткок из прямоугольного провода

Число витков в одном слое определяется


Ориентировочный осевой размер витка, м,


Ориентировочное сечение витка, мм2,


Запишем подобранные размеры провода без изоляции АПБ 2 х 4,5 х 12,5 для низкой стороны.

Полное сечение витка определяется по формуле


Действительная плотность тока в обмотке будет равна


Осевой (вертикальный) размер витка , мм, определяется в соответствии с рисунком 5:

,

где - размер провода с изоляцией.

Рисунок 5 - Определение высоты витка

hв2 - высота витка; а, б - размеры провода без изоляции;

а’ , б’ - размеры провода с изоляцией

Осевой размер обмотки, м,


Радиальный размер обмотки определим, как


Внутренний диаметр обмотки будет равен

D'2 = dн + 2·а02 = 0,18 + 2·4·10-3 = 0,188 м.

Наружный диаметр обмотки определим по формуле

D''2 = D'2 + 2·а2 = 0,188 + 2·0,015 = 0,216 м.

Полная охлаждаемая поверхность обмотки будет равна

По2 = 2∙с·kзак·(D'2 + D''2) ·L2·π = 2∙3·0,8·(0,188 + 0,216)·1,326·3,14 = 8,074 м2.

Обмотка высокого напряжения. Регулирование напряжения обмоток ВН

При выборе обмотки ВН следует учитывать необходимость выполнения в обмотке ответвлений для регулирования напряжения. В ГОСТ 16110-82 предусмотрены два вида регулирования напряжения силового трансформатора:

а) регулирование напряжения переключением ответвлений обмотки без возбуждения после отключения всех обмоток трансформатора от сети (устройство ПБВ);

б) регулирование напряжения без перерыва нагрузки и без отключения обмоток трансформатора от сети (устройство РПН).

Регулировочные ответвления на обмотках ВН трансформатора служат для поддержания нормального уровня напряжения у потребителей электрической энергии при колебаниях нагрузки. У понижающих трансформаторов при необходимости повысить (понизить) напряжение на стороне НН следует переходить на меньшее (большее) число витков на стороне ВН. У повышающих трансформаторов переходят на большее или меньшее число обмотки ВН при необходимости повысить или понизить напряжение на стороне ВН.

В масляных трансформаторах мощностью от 25 до 200000 кВА с ПБВ, к которым относится проектируемый трансформатор, ГОСТ 12022-76, ГОСТ 11920-85 и ГОСТ 12965-85 предусмотрено выполнение в обмотках ВН четырех ответвлений на +5 %; +2,5 %; -2,5 %; -5 % номинального напряжения помимо основного зажима с номинальным напряжением. Переключение ответвлений обмоток должно производиться специальными переключателями, встроенными в трансформатор, с выведенными из бака рукоятками управления.

На рисунке 6 представлена схема размещения регулировочных ответвлений.

Рисунок 6 - Схема выполнения ответвлений в обмотке ВН при регулировании напряжения без возбуждения (ПБВ)

Расчет обмоток ВН. Предварительный расчет обмоток

Число витков при номинальном напряжении определим, как


Число витков на одной ступени регулирования напряжения при соединении обмотки ВН в треугольник

где ΔU - напряжение на одной ступени регулирования обмотки, В.

Ступени регулирования напряжения будем выполнять равными между собой, а это обуславливает равенство числа витков на ступенях. В этом случае число витков обмотки на ответвлениях будет равно:

-        ступень напряжения +5 %

ω+5 % = ω1 = ωн1 + 2·ωр = 1250 + 2·32 = 1314 витков;

-        ступень напряжения +2,5 %

ω+2,5 % = ωн1 + ωр = 1250 + 32 = 1282 витков;

-        номинальное напряжение

ωн1 = 1250 виток;

-        ступень напряжения -2,5 %

ω-2,5 % = ωн1 - ωр = 1250 - 32 = 1218 витков;

-        ступень напряжения -5 %

ω-5 % = ωн1 - 2·ωр = 1250 - 2·32 = 1186 витков.

Осевой размер обмотки ВН

L1 = L2 = 0,676 м.

Плотность тока в обмотке ВН

J1 ≈ 2·Jср - J2 = 2·1,95-1,894=2,006 А/мм2.

Сечение витка обмотки ВН:



Расчет многослойной цилиндрической обмотки из круглого провода

Сечение витка обмотки ВН представлено на рисунке 7.

Рисунок 7 - Сечение витка ОВН

По найденному сечению витка обмотки ВН и сортаменту обмоточного провода для трансформаторов (см. таблицу 4.3) /3, с. 64/,подбираем провод подходящего сечения


где nв1 - число параллельных проводов.

Полное сечение витка, мм2

 

П1 = nв1·П"1 = 1·4,163 = 4,163 мм2,

где П"1 - сечение одного провода, мм2.

Плотность тока


Число витков в слое


где b'1 - диаметр провода в изоляции, мм.

Число слоев в обмотке

Рабочее напряжение двух слоев

Uмсл = 2·ωсл1·Uв = 2·244·7,96= 3884,48 В.

По рабочему напряжению двух слоев по таблице 4.4 /3, с. 65/ выбираем число слоев и общую толщину δмсл кабельной бумаги в изоляции между двумя слоями обмотки.

Численные данные выбранных величин представлены в таблице 8.

Таблица 8 - Межслойная изоляция в обмотке ВН

Суммарное рабочее напряжение двух слоев обмотки, В

Число слоев кабельной бумаги и толщина листа бумаги, шт. х мм

Выступ межслойной изоляции на торцах обмотки (на одну сторону), мм

6 х 0,12

22


Допустимость получаемого радиального размера обмотки по условиям охлаждения проверяется по выражению

d·nсл1 (10)

Подставляя численные значения в неравенство (10), получим


В нашем случае условие (10) выполняется.

Конструктивная схема ОВН представлена на рисунке 8.

Рисунок 8 - Конструктивная схема ОВН

Радиальный размер обмотки

а1 = d'1·nсл1 + δмсл·(nсл1 - 1) + а'11 = 2,76·5 + 0,72·(5 - 1) + 5 = 21,68 мм.

Внутренний диаметр обмотки

D'1 = D"2 + 2·а12 = 0,216 + 2·27·10-3 = 0,27 м.

Наружный диаметр обмотки

D"1 = D'1 + 2·а1 = 0,27 + 2·21,68·10-3 = 0,313 м.

Поверхность охлаждения

По1 = с·n·kзак·π ·(D'1 + D''1) ·L1 = 3·2·0,8·3,14 ·(0,27 + 0,313) ·0,676 = 5,94 м2,

где n = 2 и kзак = 0,8 - для обмотки, выполненной в виде двух катушек на рейках с каналом, приняты по рекомендациям /3, с. 66/.

Определение параметров короткого замыкания Потери короткого замыкания

Суммарные потери короткого замыкания выражаются формулой

Pк = Росн1·kд1 + Росн2·kд2 + Ротв1·kотв1 + Ротв2·kотв2 + Рв, (11)

где Росн1, Росн2, Ротв1, Ротв2 - основные потери в ОВН, ОНН, в отводах ОВН и отводах ОНН соответственно;

kд1, kд2, kотв1, kотв2 - коэффициенты добавочных потерь в ОВН, ОНН, в отводах ОВН и отводах ОНН соответственно;

Рв - потери в стенках бака и других ферромагнитных элементах конструкции трансформатора, вызванные полем рассеяния обмоток и отводов.

Масса металла обмотки НН без учета изоляции


где γ - плотность меди, равная 2700 кг/м3 /3, с. 73/.

Масса металла обмотки ВН без учета изоляции


Основные потери в обмотках

-        обмотка НН:

-       

Росн2 = 12,75·10-12·J22·Gн = 12,75·10-12·(1,894·106)2·28,463 = 1301,8 Вт;

-        обмотка ВН:

-       

Росн1 = 12,75·10-12·J12·Gв = 12,75·10-12·(2,006·106)2·38,581 = 1979,5 Вт.

Коэффициент добавочных потерь для обмотки НН определим, как

kд2 = 1 + 0,037·108·(b·kp/L)2·a4·n2, (12)

где а - размер провода в радиальном направлении обмотки, м;

n - число проводников обмотки;

L - высота обмотки, м;

kр - коэффициент Роговского;

b - осевое направление обмотки, м.

Подставляя численные значения в выражение (12), получим

kд2 = 1 + 0,037·108·(0,013·0,95/0,676)2·(5·10-3)4·502 = 1,002.

Коэффициент добавочных потерь для обмотки ВН определим, как

kд1 = 1 + 0,017·108·(d·y·kp/L)2·d4·n2, (13)

где d - диаметр провода без изоляции, м;

n - число проводников обмотки в радиальном направлении;

L - высота обмотки, м;

kд - коэффициент Роговского;

y - число слоев обмотки в осевом направлении.

Подставляя численные значения в выражение (13), получим

kд1 = 1 + 0,017·108·(2,76·10-3·81·0,95/0,676)2·(2,76·10-3)4·252 = 1,006.

Общая длина отводов обмотки НН

lотв2 = 7,5·L2 = 7,5·0,676 = 5,07 м.

Общая длина отводов обмотки ВН

lотв1 = 14·L1 = 14·0,676 = 9,464 м.

Масса металла проводов отводов обмотки НН

Gотв2 = lотв2·П2· γ = 5,07·110,8·10-6·2700 = 1,517 кг.

Масса металла проводов отводов обмотки ВН

Gотв1 = lотв1·П1· γ = 9,464·4,163·10-6·2700 = 0,106 кг.

Основные потери в отводах НН

Ротв2 = 12,75·10-12·J22·Gотв2 = 12,75·10-12·(1,894·106)2·1,517 = 69,383 Вт.

Основные потери в отводах ВН

Ротв1 = 12,75·10-12·J12·Gотв1 = 12,75·10-12·(2,006·106)2·0,106 = 5,438 Вт.

Ввиду малости массы металла в отводах основные потери в них составляют обычно не более 5-8 % суммарных потерь короткого замыкания, а добавочные потери - не более 5 % основных потерь в отводах. Это позволяет принять при расчетах коэффициенты добавочных потерь о отводах ОВН и ОНН kотв1 = kотв2 = 1.

Потери в баке и деталях конструкции определим, как

Рв = 0,175·Sн = 0,175·250 = 43,75 Вт.

Подставляя численные значения в выражение (11), получим

Pк = 1979,5·1,006 + 1301,8·1,002+ 5,438 ∙1+69,383·1 + 43,75 = 3614,4 Вт.

Полные потери короткого замыкания не должны отклоняются от технического условия на проект на 5 %, в нашем случае отклонение составляет 2,3%.

Напряжение короткого замыкания

Активная составляющая Uка в процентах от номинального напряжения

.

Реактивная составляющая Uкр в процентах от номинального напряжения


Определим полное напряжение короткого замыкания трансформатора


Расчетное напряжение короткого замыкания не должно отклоняться от технического условия на проект более чем на 5 %. В нашем случае отклонение составляет 1,6%.

Определение параметров холостого хода. Размеры и масса элементов магнитопровода

По таблице 6.1 /3, с. 100/ по диаметру стержня определим размеры пакетов, составляющих сечения стержня и ярма (см. рисунок 9).

Рисунок 9 - Сечения стержня и ярма

Полные площади ступенчатой фигуры поперечного сечения стержня - Пфс, ярма - Пфя и объем одного угла магнитной системы - Vу определим по

таблице 6.4 /3, с. 103/

Пфс = 0,02328 м2; Пфя = 0,02376 м2; Vу = 0,003452 м3.

Активное сечение стержня - Пс и ярма - Пя определим по формуле

Пс = kзап·Пфс = 0,96·0,02328= 0,02235 м2;

Пя = kзап·Пфя = 0,96·0,02376 = 0,0228 м2.

Длина стержня

lс = L + (l01 + l02) = 0,499 + (30·10-3 + 15·10-3) = 0,544 м.

Расстояние между осями соседних стержней определим, как

С = D"1 + а11 = 0,313 + 10·10-3 = 0,323 м.

Масса стали угла при многоступенчатой форме сечения

Gу = kзап·Vу·γст = 0,96·0,003452 ·7650 = 25,4 кг,

где γст - плотность трансформаторной стали, кг/м3.

Масса частей ярма, заключенных между осями крайних стержней

G'я = 2·(с-1)·С·Пя·γст = 2·(3-1)· 0,323·0,0228·7650 = 225,4 кг.

Масса стали ярм в углах

G"я = 2·Gу = 2·25,4 = 50,8 кг.

Полная масса двух ярм

Gя = G'я + G"я = 225,4+ 50,8 = 276,2 кг.

Масса стали стержней в пределах окна магнитной системы

G'с = с·Пс·lс·γст = 3·0,02235·0,544·7650 = 279,04 кг.

Масса стали в местах стыка пакетов стержня и ярма

G"с = с·(Пс·a·γст - Gу) = 3·(0,02235·175·10-3·7650 - 25,4) = 13,6 кг,

где a - ширина крайнего внутреннего пакета ярма, м.

Масса стали стержней при многоступенчатой форме сечения ярма

Gc = G'с + G"с = 279,04 + 13,6 = 292,64 кг.

Полная масса стали плоской магнитной системы

Gст = Gc + Gя = 292,64 + 276,2 = 568,84 кг.

Потери холостого хода

Определим индукцию в ярмах плоской шихтованной магнитной системы


Индукция в косых стыках


Площадь косого стыка


Потери холостого хода

Рх = [kпр·kпз·(рс·Gс + ря·Gя - 4·ря·Gу + kпу·Gу·(рс + ря)/2) + Σрз·nз·Пз]·kпя·kпп·kпш = 790 Вт.

где kпр - коэффициент, учитывающий увеличение удельных потерь в стали за счет возникновения внутренних механических напряжений в пластинах при резке стали повдоль на ленты и лент поперек на пластины /3, с. 109/;

kпз - коэффициент, учитывающий увеличение удельных потерь в стали от удаления заусенцев на линии отреза пластин /3, с. 109/;

рс - удельные потери в стали стержня, Вт/кг, определяемые по таблице 6.6 /3, с. 106/;

ря - удельные потери в стали ярма, Вт/кг, определяемые по таблице 6.6 /3, с. 106/;

kпу - коэффициент, учитывающий увеличение потерь в углах магнитопровода, определяемый по таблице 6.7 /3, с. 108/;

kпя - коэффициент, учитывающий увеличение потерь в стали от формы сечения ярма /3, с. 108/;

kпп - коэффициент, учитывающий зависимость уровня потерь в стали от выбранного способа прессовки стержня и ярма, определяемый по таблице 6.8 /3, с. 108/;

kпш - коэффициент, учитывающий увеличение потерь в стали от перешихтовки верхнего ярма при установке обмоток на магнитопровод /3, с. 109/.

Выражение Σрз·nз·Пз представляет собой сумму потерь в зане стыков пластин магнитной системы.

Рассчитываемая система имеет четыре угла на крайних стержнях и два на среднем. Следовательно, в ней имеется:

четыре косых стыка (nз = 4) с параметрами Пз = Пкос, Вз = Вкос и рз = f(Вкос);

два прямых стыка (nз = 2) с параметрами Пз = Пя, Вз = Вя и рз = f(Вя);

один прямой стык (nз = 1) с параметрами Пз = Пс, Вз = Вс и рз = f(Вс).

Величину удельных потерь в стыках определяем по таблице 6.6 /3, с. 106/.

Расчетные потери холостого хода равны 790 Вт, а техническое условие на проект 0,740 кВт. В нашем случае данное условие выполняется.

Ток холостого хода

Определим составляющую тока холостого хода, вызываемую наличием потерь холостого хода, в процентах от номинального тока


Полная намагничивающая мощность

Sх = [kтр·kтз·(sс·Gс + sя·Gя - 4·sя·Gу + kту· kтпл·Gу·(sс + sя)/2) + Σsз·nз·Пз]·kтя·kтп·kтш = 5712 ВА.

где kтр - коэффициент, учитывающий влияние резки полосы рулона на пластины /3, с. 114/;

kтз - коэффициент, учитывающий влияние срезания заусенцев /3, с. 114/;

sс - полная удельная мощность для стали стержня, Вт/кг, определяемая по таблице 6.9 /3, с. 112/;

sя - полная удельная мощность для стали ярма, Вт/кг, определяемая по таблице 6.9 /3, с. 112/;

kту - коэффициент, учитывающий увеличение потерь в углах магнитопровода, определяемый по таблице 6.11 /3, с. 115/;

kтпл - коэффициент, учитывающий ширину пластин в углах магнитной системы, определяемый по таблице 6.10 /3, с. 114/;

kтя - коэффициент, учитывающий форму сечения ярма /3, с. 114/;

kтп - коэффициент, учитывающий прессовку магнитной системы, определяемый по таблице 6.8 /3, с. 108/;

kтш - коэффициент, учитывающий перешихтовку верхнего ярма при установке обмоток /3, с. 114/.

Выражение Σsз·nз·Пз представляет собой сумму потерь в зане стыков пластин магнитной системы.

Рассчитываемая система имеет четыре угла на крайних стержнях и два на среднем. Следовательно, в ней имеется:

четыре косых стыка (nз = 4) с параметрами Пз = Пкос, Вз = Вкос и sз = f(Вкос);

два прямых стыка (nз = 2) с параметрами Пз = Пя, Вз = Вя и sз = f(Вя);

один прямой стык (nз = 1) с параметрами Пз = Пс, Вз = Вс и sз = f(Вс).

Величину удельных потерь в стыках определяем по таблице 6.9 /3, с. 112/.

Полный ток холостого хода в процентах от номинального тока


Реактивная составляющая тока холостого хода в процентах от номинального тока


Отклонение полученного полного тока холостого хода не должно превышать техническое условие на проект более чем на 15 %. В нашем случае данное условие выполняется.

Тепловой расчет трансформатора. Тепловой расчет обмоток

Потери, выделяющиеся в 1  общего объема обмотки НН

.

Потери, выделяющиеся в 1  общего объема обмотки ВН

.

Средняя условная теплопроводность обмотки ВН без учета межслойной изоляции:


где lиз - теплопроводность материала витков обмотки ВН, определяемая по таблице 7.1 /3, с. 122/.

Средняя теплопроводность обмотки НН

,

где lн - средняя теплопроводность обмотки без учета изоляции для обмотки НН, определяемая по таблице 7.1 /3, с. 122/;

lмсв - теплопроводность межслоевой изоляции обмотки ВН, определяемая по таблице 7.1 /3, с. 122/.

Средняя теплопроводность обмотки ВН


где lмсв - теплопроводность межслоевой изоляции обмотки ВН, определяемая по таблице 7.1 /3, с. 122/.

Полный внутренний перепад температуры обмотки НН


Полный внутренний перепад температуры обмотки ВН


Средний внутренний перепад температуры обмотки НН


Средний внутренний перепад температуры обмотки ВН


Плотность теплового потока обмотки НН


Плотность теплового потока обмотки ВН


Перепад температуры на поверхности обмотки НН

Qомн = 0,285·q20,6 = 0,285·161,60,6 = 6,024 0С.

Перепад температуры на поверхности обмотки ВН

Qомв = 0,285·q10,6 = 0,285·335,30,6 = 9,335 0С.

Среднее превышение температуры обмотки НН над средней температурой масла

Qомнср = Qонср + Qомн = 6,625+ 6,024 = 12,7 0С.

Среднее превышение температуры обмотки ВН над средней температурой масла

Qомвср = Qовср + Qомв = 1,029 + 9,335 = 10,4 0С.

Расчет системы охлаждения. Выбор конструкции и определение размеров бака

Суммарные потери в трансформаторе

ΣР = Рк + Рх = 3614,4+ 790= 4404,4 Вт.

По рекомендациям, приведенным в таблице 7.4 /3, с. 126/ выберем бак с навесными радиаторами с прямыми трубами.

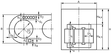
Рисунок 10 - Основные размеры бака

а) б)

а - изоляционные расстояния; б - размеры бака

Согласно рисунку 10 необходимо определить следующие минимальные расстояния:

S1 - изоляционное расстояние от изолированного отвода обмотки ВН до собственной обмотки;

S2 - изоляционное расстояние от изолированного отвода обмотки ВН до стенки бака;

d1 - диаметр изолированного провода обмотки ВН, равный 20 мм /3, с. 127/;

S3 - изоляционное расстояние от неизолированного отвода обмотки НН;

S4 - изоляционное расстояние от отвода обмотки до стенки бака;

d2 - размер неизолированного провода обмотки НН, равный 10 мм /3, с. 128/.

Изоляционные расстояния определим по таблицам 7.5 /3, с. 128/ и 7.6 /3, с. 129/:

S1 = 28 мм; S2 = 28 мм; S3 = 25 мм; S4 = 22 мм.

Минимальная ширина бака

Вб = D"1 + S1 + S2 + d1- S3 + S4 + d2 = 0,58 м.

Минимальная длина бака

Аб = 2·С + D"1 + 2·S5 = 2·С + D"1 + 2· (S3 + S4 + d2) = 2 ∙ 0,323 + 0,313 + 2 ∙ (0,025 + 0,022 + 0,015) = 1,083 м.

Высота активной части

Нач = lc + 2·а + n = 0,544 + 2 ∙175·10-3 + 0,04 = 0,934 м,

где n - толщина подкладки под нижнее ярмо /3, с. 129/.

Общая глубина бака

Нб = Нач + Няк = 0,934 + 160·10-3 = 1,094 м,

где Няк - расстояние от верхнего ярма трансформатора до крышки бака /3, с. 129/.

По таблице 7.10 примем стандартный размер радиатора

Ар = 900 мм.

Высота бака с навесными радиаторами должна удовлетворять следующему условию

Нб ≥ Ар + 0,185. (14)

Подставляя численные значения в неравенство (14), получим

1,094 > 1,085.

В нашем случае данное условие выполняется.

Расчет допустимого значения среднего превышения температуры стенки бака над температурой воздуха

Среднее превышение температуры масла, омывающего обмотки

Qмв = 65 - Qомвср = 65 - 12,7 = 52,3 0С.

Среднее превышение температуры стенки бака над температурой воздуха

Qбв = Qмв - Qмб = 52,3 - 6 = 46,3 0С,

где Qмб - величина перепада температуры между маслом и стенкой бака, определяемая по рекомендациям /3, с. 130/.

Полученное значение Qбв должно удовлетворять неравенству

1,2·(Qбв + Qмб) ≤ 60 0С. (15)

Подставляя численные значения в неравенство (15), получим

59,35 0С < 60 0С,

В нашем случае данное условие выполняется.

Определение площади поверхности охлаждения бака

Для овального в сечении гладкого бака без дополнительных элементов системы охлаждения поверхность излучения Пигл равна поверхности конвекции Пкгл и определяется, как

Пигл = Пкгл = Нб·[2·(Аб - Вб) + π·Вб] = 1,094 ∙ [2 ∙ (1,083 - 0,58) + 3,14 ∙ 0,58] = 3,093 м2.

Ориентировочная поверхность излучения бака с навесными радиаторами

Пи = k·Пигл = 1,75·3,093 = 5,4 м2,

где k - коэффициент, учитывающий отношение периметра поверхности излучения к поверхности гладкой части бака, определяемый по рекомендациям /3, с. 131/.

Ориентировочная поверхность конвекции бака


Поверхность конвекции крышки бака

Пккр = 0,5·[(Аб - Вб)·(Вб + 0,16) + π·(Вб + 0,16)2/4] = 0,5 ∙ [(1,083 - 0,58) ∙ (0,58 + 0,16) + 3,14 ∙ (0,58 + 0,16)2/4] = 0,401 м2.

Суммарная требуемая поверхность конвекции радиаторов

Пкр = П'к - Пкгл - Пккр = 9,3 - 3,093 - 0,401 = 5,806 м2.

Будем использовать радиатор с двумя рядами труб по двадцать труб в ряду (см. рисунок 11). Размеры Вр и Ср равны 505 и 253 мм соответственно /3, с. 137/.

Рисунок 11 - Трубчатый радиатор с прямыми трубами

Действительная поверхность конвекции бака с навесными радиаторами

Пкро = kф·Пктр + Пкк = 1,497 ∙ 2,733 + 0,34 = 4,431 м2,

где kф - коэффициент формы поверхности, определяемый по таблице 7.9 /3, с. 136/;

Пктр - поверхность конвекции труб радиатора, определяемая по таблице 7.10 /3, с. 138/;

Пкк - поверхность конвекции коллекторов радиатора, определяемая по примечанию к таблице 7.10 /3, с. 138/.

Требуемое количество выбранных радиаторов

nр = Пкркро = 1,31 ≈ 2 шт.

Действительная поверхность конвекции бака с принятым количеством навесных радиаторов

Пк = Пкгл + Пккр + nр·Пкро = 3,093 + 0,401 + 2 ∙ 4,431 = 12,36 м2.

Проверочный тепловой расчет трансформатора

Среднее превышение температуры стенки бака над температурой окружающего воздуха


Среднее превышение температуры вблизи стенки над температурой стенки бака


Превышение температуры масла в верхних слоях над температурой окружающего воздуха

Qмвв = 1,2·(Qбв + Qмб) = 1,2·(6,6 + 5,8) = 14,9 0С.

Превышение температуры обмотки НН над температурой окружающего воздуха

Qовн = Qонср + Qомн + Qбв + Qмб = 6,625 + 6,024 + 6,6 + 5,8 = 25,1 0С.

Превышение температуры обмотки ВН над температурой окружающего воздуха

Qовв = Qовср + Qомв + Qбв + Qмб = 1,029 + 9,335+ 6,6 + 5,8 = 22,8 0С.

Превышения температуры масла в верхних слоях и температуры обмоток над температурой окружающего воздуха не должны превышать допустимые значения для масляных трансформаторов по ГОСТ и ТУ /3, с. 130/. В нашем случае данные условия выполняются.

Оценка эксплуатационных свойств трансформатора

Основными характеристиками трансформатора, позволяющими в достаточной степени оценить его эксплуатационные качества, являются зависимости КПД трансформатора от величины его загрузки  и его внешняя характеристика .

Зависимость изменения КПД трансформатора от величины его загрузки позволяет судить об эффективности разработанного трансформатора как преобразовательного устройства, определять коэффициент загрузки, обеспечивающих максимум КПД, анализировать изменения КПД как от величины нагрузки, так и от её характера.

Выражение, по которому определяется КПД трансформатора в относительных единицах, выглядит следующим образом:

,

где Рк и Рх - расчетные потери холостого хода и короткого замыкания, кВт;

Sн - номинальная мощность трансформатора, кВА;

 - коэффициент мощности нагрузки, отражающих её характер;

Кзагр - коэффициент загрузки трансформатора в относительных единицах, равный отношению

.

Зададимся значениями cosφ= (0.7;0.8;0.9) и кзазр = от 0.2 до 1.5. Таким образом рассчитываются и строятся графики изменения КПД как для стандартного трансформатора с заданными величинами Рк и Рх так и для разработанного трансформатора с расчетными величинами Рк и Рх .

На основе анализа полученных зависимостей делается заключение об эффективности разработанного трансформатора в сравнении со стандартным, определяется максимальное значение его КПД, достижимое при принятых условиях, находится коэффициент загрузки, соответствующих максимуму КПД.

Последний параметр определяется либо графически, либо по формуле:

.

Примечание: Данный трансформатор будет работать в режиме перегрузки.

Внешняя характеристика трансформатора отражает изменение напряжения на выводах вторичной обмотки в зависимости от величины нагрузки определенного характера.

Поскольку обмотки обладают вполне определенным электрическим сопротивлением, то при протекании по ним тока возникает падение напряжения . Величину этого падения в процентах номинального напряжения можно рассчитать по формуле:

.

Тогда выражение для построения внешней характеристики, с учетом предыдущей формулы, выглядит следующим образом:


Построим график зависимости η=f(cosφ; кзазр )


Рисунок 11 - График зависимости η=f(cosφ; кзазр ) трансформатора

1 - КПД разработанного трансформатора при cos φ, равном 0,9;

- КПД разработанного трансформатора при cos φ, равном 0,8;

- КПД разработанного трансформатора при cos φ, равном 0,7;

Построим график внешней характеристики по формуле:


Рисунок 12 - График внешней характеристики трансформатора

1 - КПД разработанного трансформатора при cos φ, равном 0,9;

- КПД разработанного трансформатора при cos φ, равном 0,8;

- КПД разработанного трансформатора при cos φ, равном 0,7;

Заключение

В курсовом проекте произведен расчет силового трансформатора типа ТМ - 250/10. Разработанный трансформатор имеет магнитопровод стержневой конструкции, набранный из листов холоднокатаной электротехнической стали марки 3404 с толщиной листа 0,3 мм.

В качестве проводникового материала в обмотках использована алюминий. Конструктивное исполнение обмоток: ОНН - цилиндрическая одно- и двухслойная из прямоугольного провода; ОВН - цилиндрическая многослойная из круглого провода. Для изготовления трансформатора необходимо 568,8 кг электрической стали и 58,8 кг меди.

Расчетное значение потерь короткого замыкания Рк на 2,4% меньше требуемого ГОСТом. Расчетное значение потерь холостого хода Рх на 6,8 % больше заданного значения, что не превышает допустимого отклонения 7,5 %. Полученные величины потерь можно считать удовлетворительными, так как зависящие от них параметры трансформатора находятся в допустимых пределах:

плотность теплового потока на поверхности обмоток q1 = 335,3 Вт/м2 и q2 = 161,6 Вт/м2 меньше допустимой для трансформаторов естественным масляным охлаждением qдоп = 1300 Вт/м2;

превышение температуры обмоток над температурой окружающего воздуха Qовв = 22,8 0С и Qовн = 25,1 0С меньше допустимого для принятого класса изоляции.

Расчетный ток холостого тока Iх в расчетах получился практически такой же, как и в задании. В связи с этим, трансформатор будет более эффективен в процессе эксплуатации. Расчетное значение напряжения короткого замыкания Uк получился такой же, что и в задании, что не превышает 5%.

Литература

. Тихомиров П.М. Расчет трансформаторов: Учебное пособие для вузов.- 5-е изд., и доп.- М.: Энергоатомиздат. 1986.-528 с.

. Агеев А.Ю., Валеева Е.В., Груздева Л.А. Составление аннотации и заключения на иностранном языке: Руководство для студентов. - Северск.: СТИ ТПУ, 1997.-57 с.

. Токарев Б.В. Электрические машины. М.: Энергоатомиздат. 1990. - 638 с.


Не нашли материал для своей работы?
Поможем написать уникальную работу
Без плагиата!
Без нейросетей!