Проектирование силового трансформатора с цилиндрическими слоевыми обмотками и масляным охлаждением
Министерство образования Украины
Одесский национальный политехнический
университет
Кафедра электрических машин
Курсовая работа
по курсу
Основы автоматизированного
проектирования ЭМП и ЭМС
Тема:
Проектирование силового
трансформатора с цилиндрическими слоевыми обмотками и масляным охлаждением
Содержание
Задание на проект
. Предварительное определение
расчетных коэффициентов и технико-экономических показателей
. Предварительный расчет
основных размеров и конструктивных показателей трансформатора
. Исходные данные для расчета
с помощью САПР "Аметист"
. Оптимизация
электромагнитных показателей по одной управляемой переменной (УП)
. Оптимизация
электромагнитных показателей по двум управляемым переменным (УП)
. Оптимизационный вариант для
детального расчета трансформатора. Выводы:
. Определение конструктивных
параметров магнитопровода и размеров изоляции в окне
. Расчет среднего значения
плотности тока в обмотках. Определение плотности тока в обмотках НН и ВН
. Определение массы стали
магнитопровода. Определение потерь в стали и тока холостого хода
. Тепловой расчет обмоток
. Расчет стоимости
трансформатора и определение приведенных затрат на трансформацию электроэнергии
Литература
Задание на проект
Для выполнения предварительного оптимизационного расчета трансформатора
предоставлены следующие данные:
|
Sн
|
m
|
f
|
Uл1
|
Uл2
|
Диапазон регулирования
|
Uк
|
Bc
|
Материал обмотки
|
Схема соединения
|
Материал стали МП
|
Сс
|
СAl
|
|
кВА
|
-
|
Гц
|
кВ
|
кВ
|
%
|
%
|
Тл
|
-
|
-
|
марка/мм
|
грн/кг
|
грн/кг
|
|
250
|
3
|
50
|
10
|
0,69
|
2Ч2,5
|
5,5
|
1,6ч1,68
|
Al
|
Y/Y-0
|
Э3407/0,3
|
3,0
|
6,0
|
Трехфазный силовой распределительный трансформатор (Т);
Система охлаждения - масляное охлаждение с естественной циркуляцией
воздуха и масла (М);
Номинальная мощность, Sн - 250 кВА;
Число фаз, m - 3;
Количество обмоток - 2;
Частота питающей сети, f - 50 Гц;
Номинальное линейное напряжение обмотки ВН, Uл1 - 10
кВ;
Номинальное линейное напряжение обмотки НН, Uл2 - 0,69
кВ;
Схема и группа соединения обмоток - Y/Y-0;
Напряжение короткого замыкания, Uк - 5,5%;
Материал обмотки - алюминий (Al);
Материал магнитопровода - электротехническая сталь марки Э3407, толщиной
0,3 мм с термостойким магниефосфатным покрытием.
Диапазон регулирования - 2Ч2,5%.
Таким образом, предполагается рассчитать трансформатор типа ТМ 250/10,
предназначенного в для работы в режиме длительной нагрузки с регулированием
напряжения ПБВ (переключение ответвлений обмотки трансформатора без
возбуждения, т.е. после отключения всех обмоток трансформатора от сети).
1.
Предварительное определение расчетных коэффициентов и технико-экономических
показателей
Предварительная
оценка отношения стоимости обмоток к стоимости магнитопровода X0 и экономического отношения потерь ξ0
По
рекомендациям [1] принимаем отношение стоимостей обмоток к стоимости
магнитопровода равной:
.
Удельная
стоимость приведенной массы трансформатора рассчитывается как:
,
где:
К
- коэффициент отношения прейскурантной стоимости всего трансформатора (с
отводами, вводами, баком, арматурой, маслом и т.п.) к стоимости магнитопровода
с обмотками в собранном виде (выемной части трансформатора); для
рассчитываемого трансформатора номинальной мощностью Sн = 250
кВА и классом напряжения 10 кВ принимается равным 1,6;
Кст - коэффициент разности стоимости изготовленного
магнитопровода и стоимости его электротехнической стали принимается равным
1,35;
Cст - цена стали Э3407, принимается равной 3 грн/кг.
Тогда,
Согласно
п. 2.1.1 [1] по выбору конструктивных параметров магнитной системы и величины
индукции в стержне Bc для стали Э3407 толщиной 0,3 мм
рекомендуется значение находится в диапазоне (1,54ч1,7) Тл. Но следует
учитывать и номинальную мощность трансформатора Sн, которая в
нашем случае больше 160 кВА. Поэтому, согласно таблице 2.1 [1], подходит
диапазон (1,6ч1,68) Тл. Принимаем усредненное значение:
.
По
таблице А7 [1] для стали Э3407, толщиной 0,3 мм при значении индукции Bc
= 1,65 Тл, удельные потери составляют:
.
Удельная
намагничивающая мощность:
.
Удельные
потери в стыке:
.
Отсюда,
средние
удельные потери в стали собранного магнитопровода:
;
средняя удельная намагничивающая мощность магнитопровода:
;
коэффициент стоимости компенсации намагничивающей мощности
трансформатора:
,
Где
- удельные затраты на 1 кВт потерь холостого хода за
год;
-
годовая стоимость 1 кВАр часа реактивной энергии, вырабатываемой статическими
конденсаторами.
Экономическое
отношение потерь:
,
Где
- удельные затраты на 1 кВт потерь короткого замыкания
за год;
- для
трансформатора с цилиндрическими слоевыми обмотками;
Кд - коэффициент учета добавочных потерь.
Выбор
начального значения активной составляющей напряжения короткого замыкания Ua0
Величина
начального значения активной составляющей напряжения короткого замыкания, Ua0,
изменяется в пределах (3,0ч1,2)%. Для значения Sн = 250 кВА
выберем:
.
Предварительные
значения потерь в обмотках
Определим предварительные значения потерь в обмотках:
;
Предварительные
значения потерь в стали магнитопровода
Предварительные значения потерь в стали магнитопровода равны:
Масса
электротехнической стали магнитопровода
Рассчитаем предварительное значение массы электротехнической стали
магнитопровода:
;
Масса
проводникового материала обмоток
Определим массу проводникового материала обмоток:
,
где с0 - отношение стоимости 1 кг обмотки и
магнитопровода:
.
.
Предварительный расчет основных размеров и конструктивных показателей
трансформатора
Средняя
плотность тока в обмотках
Средняя плотность тока в обмотках равна:
.
Отношение полного числа витков в обмотке к номинальному числу витков при
диапазоне регулирования ±2Ч2,5%
найдем, выразив числа витков в относительных единицах (по отношению к
номинальному числу витков):
.
Для
отношения плотностей токов обмоток НН(
) и ВН(
) берем среднее значение из диапазона (0,75ч0,85),
т.е.:
.
С
учетом средней приближенной плотности токов обмоток
, регулировочных витков в обмотке ВН и выбранного
отношения
плотности токов каждой из обмоток соответственно
равны:
;
.
Определение
фазных токов и напряжений обмоток
Определим фазные токи и напряжения обмоток для схемы Y/Y:
;

;
;
Рассчитаем предварительные значения площади сечений витков обмоток НН и
ВН:
;
.
Произведем подбор провода обмотки НН. Для этого определим, что виток
будет состоять из 4-х проводов. Найдем площадь одного провода. Поскольку
площадь витка больше 16 мм2, то предварительно по таблице Б3 [1]
выберем алюминиевый прямоугольный провод марки АПБ сечением 32,5 мм2
и составим сечение витка:
.
Толщина изоляции на две стороны tв1 = 0,45 мм и
размерами: a1 = 13 мм, b1 = 2,5 мм. Величина толщины изоляции
провода на две стороны, с учетом допуска на толщину изоляции 0,1 мм,
определяется так:
.
Определим предварительное значение среднего коэффициента заполнения
ЦС-обмотки из провода прямоугольного сечения:
.
Сечение
витка обмотки ВН по предварительным расчетам составляет:
.
Провод
обмотки ВН целесообразно выбрать круглым, чтобы избежать проблем при
наматывании обмотки. По данным таблицы Б1 [1] к нашим расчетам наиболее
подходит провод марки АПБ диаметром d02 = 2,65 мм с сечением Sпр
= 5,515 мм2, причем виток будет состоять из двух элементарных
проводов:
.
Изоляция для данного провода tв2 = 0,3 мм, допуск на
толщину изоляции 0,1 мм, общая величина изоляции:
.
Расчетный диаметр изолированного провода:
.
Определим предварительное значение среднего коэффициента заполнения
ЦС-обмотки из провода круглого сечения с учетом толщины межслойной изоляции tм
= 0,36 мм:
.
Предварительно
предположим установку регулировочных витков в обмотке ВН(2) и примем:
,
а
ранее было рассчитано:
.
Рассчитаем
предварительное значение среднего коэффициента заполнения проводниковым
материалом сечений катушек как отношение суммарной площади проводников обмотки
в окне к полной площади сечения в окне катушки этой обмотки вместе с катушечной,
витковой и слоевой изоляцией:
.
По таблице 2.9 [1] значение коэффициента φk = 0,55. Отклонение расчетного φk от показателей значений серийных
трансформаторов составляет:
,
что допустимо.
Для рассчитываемого трансформатора классом номинального напряжения 10 кВ
устанавливается испытательное напряжение в 35 кВ, согласно таблице 2.5 [1].
Рассчитаем внутреннюю изоляцию масляного трансформатора (изоляцию
обмоток, отводов, переключателя в масле).
Внутренняя изоляция подразделяется на:
1. поперечную изоляцию между обмотками и изоляцию обмоток от стержня
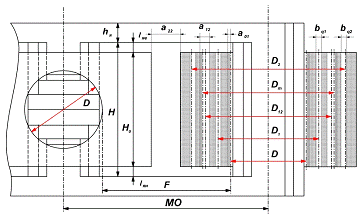
(изоляция поперек окна, см. рис. 2.). Общий размер изоляционных промежутков
поперек окна обозначается lq, мм:
.
2. продольную изоляцию между обмотками и ярмом - lq ,
мм:
Учитывая,
что Sн = 250 кВА и класс напряжения для обмоток НН 0,69 кВ
(т.е. до 1 кВ), согласно таблице 2.6 [1] выбираем минимально допустимый
изоляционный промежуток для обмоток НН от ярма:
,
и минимально допустимый изоляционный промежуток для обмоток НН от стержня:
.
|
Sн, кВА
|
Класс напряжения, кВ
|
НН от ярма 0,5l01, мм
|
НН от стержня a01, мм
|
|
250
|
0,69
|
15
|
4
|
Теперь определим минимально допустимые изоляционные расстояния для
обмоток ВН согласно таблицы 2.7 [1]:
|
Sн, кВА
|
Класс напряжения, кВ
|
ВН от ярма
|
Между ВН и НН
|
Между ВН и ВН
|
|
|
0,5l02, мм
|
a12, мм
|
t12, мм
|
lн2, мм
|
a22, мм
|
|
250
|
10
|
15
|
9
|
3
|
15
|
10
|
где:
t12 - толщина изоляционного цилиндра между обмотками НН и ВН;
lh2 - выступ этого цилиндра за высоту
обмоток.
Класс напряжения ВН (до 35 кВ) и номинальная мощность (в диапазоне 25ч400
кВА) рассчитываемого трансформатора не предусматривают наличие изоляционной
шайбы и междуфазной перегородки, поэтому в таблице данные величины не приведены
и при расчетах учтены не будут.
Расчетные значения a12 и a22 изоляционных промежутков будут
завышены в 2 раза с целью эксперимента.
Выберем схему радиального строения обмоток. Для Sн =
250 кВА рекомендуется схема, состоящая из 4-х концентров, с вертикальным
разделением охлаждающими каналами. При этом внутренний слой обмотки ВН
соприкасается непосредственно с жестким изоляционным цилиндром и в процессе
теплоотдачи не участвует. Значение коэффициента nq зависит от числа поверхностей
охлаждения обмоток НН и ВН и определяет схему размещения обмоток. Для данного
расчета количество поверхностей охлаждения 6,5:
.
Ширину
вертикальных охлаждающих каналов предварительно примем равной:
.
Определим
величину изоляционного промежутка между обмотками НН и ВН с учетом наличия
охлаждающих каналов:
.
Реактивная составляющая напряжения короткого замыкания равна:
,
где kR = 0,95 - коэффициент Роговского,
учитывающий эффект от действия поля рассеяния при отключении регулировочных
витков.
Расчетный коэффициент, характеризующий материал (массу, объем и
теплоотдачу) обмоток, в данном случае алюминий равен:
.
Общая
ширина обмоток в окне трансформатора
Определим общую ширину обмоток в окне трансформатора:
Уточним значение коэффициент nq:
.
Величина средней удельной тепловой нагрузки обмоток трансформатора q0m = 400 Вт/м2 определяет
срок службы изоляции и величину приведенных затрат. Правильный выбор данной
величины должен обеспечить перегрев обмоток по сравнению с маслом не более 25°C. Значение выбрано из таблицы 2.10
[1].
Полученное значение близко к предварительно выбранному:
,
что позволяет сделать выводы о правильном выборе схемы радиального
строения обмоток.
Ширина
каждой из обмоток в окне и ширина окна
Рассчитаем предварительную ширину каждой из обмоток в окне конструкции
магнитопровода (k = 2 - число
фаз в окне для трехфазных трансформаторов):
;
;
Определим суммарный размер изоляционных расстояний в окне по поперечной
оси:
.
Ширина окна равна:
.
Предварительное
значение коэффициента φ0
Исходя из условий задания и методических рекомендаций [1], для
трансформатора номинальной мощностью Sн = 250 кВА и классом
напряжения 10 кВ является конструктивное исполнение со стержневой магнитной
системой и цилиндрическими слоевыми обмотками из провода с прямоугольной или
круглой формой поперечного сечения.
Форма сечения стержня предполагается ступенчатой, вписываемой в
окружность диаметром D.
Рисунок
1. Сечение стержня магнитопровода
При ступенчатой форме сечения магнитопровода несколько снижается расход
обмоточного провода. Схема конструктивного исполнения магнитопровода и обмоток
приведена на рис. 2.
Значение D определяем по эмпирической формуле:
.
Поскольку D < 190 мм, конструкция рассчитываемого
трансформатора будет предусматривать механическое соединение прессовочных балок
верхнего и нижнего ярма внешними по отношению к обмоткам вертикальными
шпильками, без прессовочной пластины.
Теперь определим коэффициент использования площади круга Кг
- отношение площади ступенчатой фигуры сечения к площади описанной вокруг
стержня окружности:
.
Найдем коэффициент заполнения пакета электротехнической стали активной
(чистой) сталью Кз. Значение этого коэффициента зависит от
толщины листов стали, толщины изоляции стали и усилия опрессовки стержня.
Согласно таблице 2.2 [1] для стали Э3407 толщиной 0,3 мм Кз =
0,96.
Имея информацию о выше указанных коэффициентах, определим коэффициент
заполнения активной сталью площади поперечного сечения стержня магнитопровода:
Данный коэффициент φ0 является важным конструктивным
показателем магнитной системы трансформатора и фактически определяет отношение
площади активного сечения стержня магнитопровода к площади, ограниченной
окружностью, описанной вокруг ступенчатого сечения стержня.
Рисунок
2. Основные размеры магнитопровода и обмоток
Диаметр
стержня магнитопровода
Рассчитаем диаметр стержня магнитопровода.
;
;
;
.
Число
витков ВН
Рассчитаем число витков ВН:
;
Теперь определим высоту обмоток. Для этого определим ширину приведенного
канала рассеяния:
;
Теперь необходимо определить отношение среднего диаметра канала рассеяния
к диаметру стержня:
;
;
Геометрия
магнитопровода и обмоток
Высота обмоток равна:
.
Определим высоту окна магнитопровода:
;
Ширину
вертикальных охлаждающих каналов для 500 < Н = 901 < 1200 согласно
таблице 2.8 примем равной:
.
Межосевое
расстояние магнитоповода равно:
.
Масса
стали магнитопровода и проверка критерия правильности предварительного расчета
Определим массу стали магнитопровода и сравним с предварительно
рассчитанной:
Проверка
правильности произведенных расчетов
Полученная
величина
не должна отличаться от предварительно рассчитанной
более чем на 3%.
,
т.е. предварительный расчет выполнен верно.
. Исходные
данные для расчета с помощью САПР "Аметист"
|
Наименование и размерность исходной величины
|
Значение
|
|
Тип трансформатора
|
ТМ 250/10
|
|
Номинальная мощность, Sн ,кВА;
|
250
|
|
Число фаз, m
|
3
|
|
Отношение потерь, ζ0
|
7,63
|
|
Частота питающей сети, f -Гц;
|
50
|
|
Напряжение короткого замыкания, Uк ,%;
|
5,5
|
|
Отношение стоимости обмоток и магнитопровода, X0
|
0,9
|
|
Марка стали
|
Э3407
|
|
Толщина стали, мм
|
0,3
|
|
Материал обмотки
|
алюминий (Al)
|
|
Фазное напряжение обмотки НН, Uф1,кВ;
|
0,4
|
|
Фазное напряжение обмотки ВН, Uф2,кВ;
|
5,77
|
|
Тепловая нагрузка обмоток, q0m, Вт/м2
|
400
|
|
Изоляция между обмотками ВН и НН, a12, мм
|
18
|
|
Коэффициент заполнения обмоток, φk
|
0,58
|
|
Межфазная изоляция, a22, мм
|
20
|
|
Изоляция от стержня до обмотки НН, a01, мм
|
4
|
|
Охлаждающий канал в обмотках, bq, мм
|
8
|
|
Индукция в стержне, Bc, Тл
|
1,65
|
|
Изоляция НН от ярма, l0НН, мм
|
30
|
|
Изоляция НН от ярма, l0ВН, мм
|
60
|
трансформатор электромагнитный конструктивный тепловой
Результаты
предварительных расчетов трансформатора с помощью САПР "Аметист"
Исходные
данные
1. Тип трансформатора ТМ 250/10
. Мощность трансформатора, кВА 250.0
. Тип магнитной системы Трехфазная шихтованная конструкция
. Число фаз 3
. Частота питающей сети, Гц 50.0
. Линейное напряжение обмотки НН, кВ 0.69
. Линейное напряжение обмотки ВН, кВ 10.00
. Регулирование напряжения:
.1. Способ регулирования ПБВ
.2. Шаг регулирования 2.50, %
.3. Число ступеней регул. до 0-й точки 2
.4. Число ступеней регул. после 0-й точки 2
. Напряжение короткого замыкания, % 5.50, %
. Индукция в стержне, Тл 1.65, Тл
. Материал обмотки Алюминий
. Марка стали 3407 (0.3 мм)
. Схема соединения Y/Y-0
. Цена стали, грн/кг 3.00
. Цена провода, грн/кг 6.00
. Отношение стоимостей обмоток
к стоимости магнитопровода, о.е. 0.90
Результаты
оптимизационно-предварительного расчета
Геометрические размеры:
Диаметр стержня, мм126.8
Высота обмотки, мм972.6
Высота окна, мм1062.6
Ширина окна, мм184.7
Межосевое расстояние, мм311.5
Электромагнитные нагрузки:
Средняя плотность тока, А/мм21.42
Плотность тока в обмотке НН, А/мм21.61
Плотность тока в обмотке ВН, А/мм21.28
Индукция в стержне, Тл1.65
Teхнико-экономические показатели:
Удельная стоимость приведенной массы трансформатора6.48
Экономическое отношение потерь, ζ0 о.е7.630
Активная составляющая напряжения КЗ, %1.71
Реактивная составляющая напряжения КЗ, %4.966
Напряжения КЗ, %5.500
Масса обмоток, кг162.4
Масса стали, кг402.0
Потери в обмотках, Вт4275.97
Потери в стали, Вт500.82
Намагничивающая мощность, ВАр1680.46
Ток холостого хода, %0.7139
Приведенные затраты, грн/год. 2637.02
Коэффициент заполнения проводниковым материалом сечения
катушек:
Для обмотки НН, о.е.0.7200
Средний для обоих обмоток, о.е.0.5791
Размеры изоляции:
a01 = 4.0000 мм
a12 = 18.0000 мм
a22 = 20.0000 мм
t12 = 3.0000 мм
lon = 30.0000 мм
lov = 60.0000 мм
bq1 = 8.0000 мм
bq2 = 8.0000 мм
4.
Оптимизация электромагнитных показателей по одной управляемой переменной (УП)
Таблица
1
Оптимизация электромагнитных показателей по одной управляемой переменной
|
Порядковый номер итерации
|
Эл-маг. Параметры Тип УП
|
Bc, Тл
|
Х0, о.е.
|
ζ
|
Приведенные затраты, Зпр, грн/год
|
|
|
|
1.
|
Bc
|
1,592
|
0,9
|
7,63
|
2624,74
|
|
2.
|
Bc
|
1,598
|
0,9
|
7,63
|
2623,90
|
|
3.
|
Bc
|
1,600
|
0,9
|
7,63
|
2623,66
|
|
|
|
4.
|
Х0
|
1,650
|
0,583
|
7,63
|
2558.97
|
|
5.
|
Х0
|
1,650
|
0,592
|
7,63
|
2558.95
|
|
6.
|
Х0
|
1,650
|
0,590
|
7,63
|
2558.94
|
|
|
|
7.
|
ζ
|
1,650
|
0,9
|
5,512
|
2587,00
|
|
8.
|
ζ
|
1,650
|
0,9
|
5,477
|
2586,97
|
|
9.
|
ζ
|
1,650
|
0,9
|
5,469
|
2586,97
|
По результатам проведенных исследований можно сделать следующие выводы:
· каждая из трех величин - Bc, Х0,
ζ, влияет на величину приведенных
затрат;
· наиболее сильное действие на изменение Зпр,
оказывает отношение стоимости обмоток к стоимости магнитопровода Х0.
.
Оптимизация электромагнитных показателей по двум управляемым переменным (УП)
Таблица
2
Электромагнитные показателей по двум управляемым переменным (УП)
|
Порядковый номер итерации
|
Эл-маг. Параметры Тип УП
|
Bc, Тл
|
Х0, о.е.
|
ζ
|
Приведенные затраты, Зпр, грн/год
|
|
|
|
1.
|
ζ Bc
|
1,597
|
0,59
|
5,815
|
2515.78
|
|
2.
|
ζ Bc
|
1,588
|
0,59
|
5,847
|
2516.69
|
|
3.
|
ζ Bc
|
1,6
|
0,59
|
5,636
|
2516.49
|
|
|
|
4.
|
ζ X0
|
1,65
|
0,625
|
5.748
|
2526,29
|
|
5.
|
ζ X0
|
1,65
|
0,567
|
5,479
|
2527,25
|
|
6.
|
ζ X0
|
1,65
|
0,604
|
5,448
|
2526,34
|
|
|
|
7.
|
X0 Bc
|
1,587
|
0,557
|
5,5
|
2520,13
|
|
8.
|
X0 Bc
|
1,570
|
0,587
|
5,5
|
2522,33
|
|
9.
|
X0 Bc
|
1,597
|
0,650
|
5,5
|
2522,34
|
Как видно из таблицы 2, наиболее оптимальным по приведенным затратам
является вариант 1, который предположительно будет принят для детального
проектирования трансформатора.
6.
Оптимизационный вариант для детального расчета трансформатора
Значение и тип управляемых переменных:
1)Магнитная индукцияBc = 1.597, Тл
)Отношение потерь КЗ к потерям ХХKsi = 5.815, о.е.
Значение и тип заданного параметра:
1)Отношение стоимостей обмоток к стоимости магнитопроводаX0 = 0.590, о.е.
Геометрические размеры:
Диаметр стержня, ммDst = 155.3
Высота обмотки, ммHо = 539.7
Высота окна, ммH = 629.7
Ширина окна, ммF = 206.0
Межосевое расстояние, ммMo = 361.3
Электромагнитные нагрузки:
Средняя плотность токаDelta_m = 1.46
Плотность тока в обмотке ННDelta_1 = 1.65
Плотность тока в обмотке ВНDelta_2 = 1.32
Индукция в стержне, ТлBc = 1.60
Teхнико-экономические показатели:
Удельная стоимость приведенной массы трансформатора Gy = 6.48
Экономическое отношение потерь Ksi = 5.815
Активная составляющая напряжения КЗ Uka = 1.392
Масса обмоток, кг Gk = 125.8
Масса стали, кг Gс = 474.5
Потери в обмотках, Вт Pk = 3481.22
Потери в стали, Вт Po = 678.01
Намагничивающая мощность, ВАр Qo = 1931.33
Ток холостого хода, % Io = 0.8188
Приведенные затраты, грн/годZp = 2515.78
Выводы:
Несмотря на полученные данные по оптимизации электромагнитных показателей
по двум управляемым переменным и кажущееся существенное снижение приведенных
затрат (на 120 грн/год) следует не забывать о возникшей разнице в конструкции
магнитопровода трансформатора по оптимизированным оценкам и предварительно
рассчитанным:
|
Параметр
|
Предварительное значение
|
Оптимизированное значение
|
|
Диаметр стержня, мм
|
127.2
|
155.3
|
|
Высота обмотки, мм
|
930.5
|
538.7
|
|
Высота окна, мм
|
1020.5
|
629.7
|
|
Ширина окна, мм
|
190.4
|
206.0
|
|
Межосевое расстояние, мм
|
311.5
|
361.3
|
|
Масса стали, кг
|
395.6
|
474.5
|
|
Масса обмоток, кг
|
159.8
|
125.8
|
Исходя
лишь из изменений геометрии магнитопровода - уменьшения вертикальных размеров и
увеличение горизонтальных - очевидно увеличение массы магнитопровода и
уменьшение массы обмоток. Это может привести к тому, что при подборе проводов
для обмоток НН можно столкнуться с ситуацией отсутствия в сортаменте проводов
нужного соотношения a и b, для которых
. Поэтому
для детального расчета будет принята не оптимизированная, а предварительно
рассчитанная модель и ее параметры, хотя по оптимизационному показателю -
приведенным потерям - они уступают оптимизированной модели.
Ряд
данных из предварительно рассчитанной модели трансформатора будет принят при
детальном проектировании.
Основные
исходные данные для детального расчета
|
Sн
|
m
|
Uл1
|
Uл2
|
Uк
|
Материал обмотки
|
Схема соединения
|
МО
|
D
|
H
|
Bc
|
Диапазон регулирования
|
Материал стали МП
|
|
кВА
|
-
|
кВ
|
кВ
|
%
|
-
|
-
|
мм
|
мм
|
мм
|
Тл
|
%
|
марка/мм
|
|
250
|
3
|
0,69
|
10
|
5,5
|
Al
|
Y/Y-0
|
310
|
127
|
1100
|
1,65
|
2Ч2,5
|
Э3407/0,3
|
Геометрические параметры магнитопровода округлены до ближайших целых
значений второго порядка.
Определение
фазных напряжений и токов
Фазное напряжение обмотки ВН:
.
Фазное напряжение обмотки НН:
.
Фазный ток ВН для средней ступени напряжения:
.
Фазный ток НН:
.
.
Определение конструктивных параметров магнитопровода и размеров изоляции в окне
Сначала определим коэффициент использования площади круга Кг:
.
Это значение несколько отличается от предварительно рассчитанного
(0,922), но объясняется тем, что уменьшилось значение диаметра стержня.
Полученное значение Кг соответствует значению, указанному для
трансформатора рассчитываемой мощности согласно таблицы 2.4 [1].
Теперь найдем коэффициент заполнения пакета электротехнической стали
активной (чистой) сталью Кз. Значение этого коэффициента
зависит от толщины листов стали, толщины изоляции стали и усилия опрессовки
стержня. Согласно таблице 2.2 [1] для стали Э3407 толщиной 0,3 мм Кз =
0,96.
Имея информацию о выше указанных коэффициентах, определим коэффициент
заполнения активной сталью площади поперечного сечения стержня магнитопровода:
.
Определим
число ступеней (углов пакетов) nс в
площади окружности, описанной вокруг стержня.
Согласно таблице 2.4 [1] для номинальной мощности Sн = 250
кВА и величине коэффициента использования площади круга Кг =
0,915, число ступеней nс = 6.
Ширина
окна:
.
Высота обмоток:
;
.
Изоляционные расстояния для трансформатора с размещением обмоток по схеме
2 класса напряжения 10 кВ выбираем по таблицам 2.6 - 2.8 [1]:
· минимально
допустимый изоляционный промежуток для обмоток НН от стержня:
.
|
Sн, кВА
|
Класс напряжения, кВ
|
НН от ярма 0,5l01, мм
|
НН от стержня a01, мм
|
|
250
|
0,69
|
15
|
4
|
· минимально допустимые изоляционные расстояния для обмоток ВН
согласно таблицы 2.7 [1]:
|
Sн, кВА
|
Класс напряжения, кВ
|
ВН от ярма
|
Между ВН и НН
|
Между ВН и ВН
|
|
|
0,5l02, мм
|
a12, мм
|
t12, мм
|
lн2, мм
|
a22, мм
|
|
250
|
10
|
30
|
9
|
3
|
15
|
10
|
где: t12 - толщина изоляционного цилиндра
между обмотками НН и ВН;
lн2 - выступ этого цилиндра за высоту обмоток.
Класс напряжения ВН (до 35 кВ) и номинальная мощность (в диапазоне 25ч400
кВА) рассчитываемого трансформатора не предусматривают наличие изоляционной
шайбы и междуфазной перегородки, поэтому в таблице данные величины не приведены
и при расчетах учтены не будут.
Ширину
вертикальных охлаждающих каналов для 500 < Н = 629 < 1200 согласно
таблице 2.8 примем равной:
.
Сумма изоляционных расстояний в окне в радиальном направлении:
.
Суммарный размер обмоток поперек окна:
.
Значение предварительного расчета - 110 мм.
Определение
числа витков обмоток
Число витков обмотки НН на одну фазу:
.
Ранее рассчитанное значение - 92.
Уточненное значение Bc:
.
Число витков обмотки ВН на одну фазу для средней ступени напряжения:
.
Проверка коэффициента трансформации:
;
.
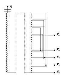
Число витков для регулирования напряжения (ПБВ):
;
;
;
;
;
.
Рисунок
3. Схема регулирования напряжения
. Расчет
среднего значения плотности тока в обмотках. Определение плотности тока в
обмотках НН и ВН
Средняя плотность тока в обмотках:
.
Полученное
значение отличается от результата предварительного расчета
и расчета с помощью САПР "Аметист"
. Согласно [1] рекомендуемое значение для алюминиевых
обмоток составляет
. Поскольку мы вправе воспользоваться значениями
предварительного расчета, принимаем значение средней плотности в обмотках:
Плотность тока в обмотке ВН:
.
Плотность тока в обмотке НН:
.
Предварительное значение средней тепловой нагрузки обмоток:
.
Данное значение входит в рекомендуемый диапазон для алюминиевых обмоток
трансформатора мощностью 250 кВА согласно таблице 2.10 [1].
Расчет
обмотки НН
Предварительное значение площади сечения витка:
.
Число витков в слое обмотки:
.
Вследствие намотки витков по винтовой линии по высоте слоя требуется
уложить w+1 витков. Для учета неплотностей при изготовлении обмотки и
стремлении спружинить после снятия ее с оправки вводится добавочный коэффициент
1,03.
Осевой размер витка с изоляцией:
.
Расчетный размер изоляции принимается на 0,1 мм больше истинного размера
для обеспечения рационального размещения обмоток в окне:
.
Осевой размер провода без изоляции:
.
Радиальный размер прямоугольного провода без изоляции:
,
где коэффициент 1,02 учитывает округление кромок проводов прямоугольного
сечения.
Требуется
выбрать провод с осевым размером
и
радиальным размером
. Такого провода в сортаменте (таблица Б3 [1])
отсутствует, поэтому составляем сечение витка из 6-ти параллельных проводов. По
высоте витка располагаются 3 проводника, по ширине - 2. По таблице сортамента
провода выбираем провод со следующими характеристиками:
;

.
Провод наматывается плашмя (см. рис. 4).
Рисунок 4. Сечение витка обмотки НН
Размеры и марка провода:
.
Проверка действительной высоты обмотки по выбранному сечению витка:
Полный радиальный размер обмотки, состоящей из двух слоев с учетом ширины
вертикального охлаждающего канала равен:
.
.
Уточняем действительную плотность тока в обмотке НН:
.
Расчет
обмотки ВН
Предварительное значение площади сечения витка:
.
По
таблице Б1 [1] сортамента круглого провода выбираем ближайшее сечение провода
и диаметр неизолированного провода при этом
составляет
.
Размеры
и марка провода:
,
где
- диаметр изолированного провода.
Уточняем
действительное значение плотности тока в обмотке по выбранному полному сечению
витка:
.
Разместим проводники по слоям обмоток.
Число витков в слое:
.
Число слоев обмотки:
.
Округление производим до ближайшего большего целого числа.
Разделим обмотку ВН каждой фазы на две катушки - Г и Д. Количество слоев
в частях обмоток отделенных каналом, выбираем пропорционально количеству
охлаждающих поверхностей этих катушек. Катушка Г имеет одну поверхность
охлаждения, а катушка Д - две, поэтому катушка Г выполняется из 2-х слоев, а
катушка Д - из пяти.
Толщина изоляции между слоями выбирается по суммарному рабочему
напряжению двух слоев:
.
Согласно таблице 3.1 [1] в качестве межслойной изоляции выбираем три слоя
кабельной бумаги толщиной по 0,12 мм. Толщина межслойной изоляции:
.
Радиальный размер обмотки (с каналом между слоями):
.
Радиальный размер катушки Г:
.
Радиальный размер катушки Г:
.
Радиальный размер обмотки без канала:
.
Радиальные размеры и размещение обмоток в окне:
Рисунок
5. Разделение обмотки ВН на катушки Г и Д
Расстояние
между осями обмоток - 273,1 мм, что меньше предварительно рассчитанной величины
МО. Существенное отличие ~8% объясняется тем, что при детальном расчете взяты
минимальные, а не удвоенные расстояния между НН и ВН. При пересчете с
удвоенными расстояниями существенно уменьшается значение F0 ,
qm0 и возрастают средние значения плотностей обмоток, а
значит и типоразмер проводов НН и ВН, причем при этом
, т.е. намотку провода придется производить на ребро,
что нежелательно с точки зрения технологической (сложность при намотке) и
экономической (возрастают потери).
Определение
площади поверхности охлаждения обмоток
Для обмотки НН и схемы на рис. 6:
Площадь охлаждаемой поверхности обмоток НН:
;
Рисунок
6. Радиальные размеры и размещение обмоток в окне
Площадь поверхности, закрытая рейками:
,
где
число реек по окружности обмотки для трансформатора
мощностью 100ч630 кВА;
обычная
ширина реек;
число
поверхностей обмотки НН, закрытых рейками;
Площадь
эффективной поверхности охлаждения обмоток НН:
.
Для обмотки ВН
Площадь охлаждаемой поверхности ВН:
Площадь
поверхности ВН, закрытая рейками:
,
где
число поверхностей обмотки ВН, закрытых рейками;
Площадь
эффективной поверхности охлаждения обмоток ВН:
.
Определение
массы обмоток, расчет основных и добавочных потерь в обмотках, отводах и баке.
Проверка величины напряжения короткого замыкания
Средний диаметр обмотки НН:
.
Средний диаметр обмотки ВН:
.
Средний диаметр канала рассеяния:
.
Масса обмотки НН:
.
Масса обмотки ВН:
.
Общая масса обмоток:
.
Основные потери в обмотках ВН и НН:
;
,
где
коэффициент, учитывающий регулировочные витки.
В
предварительных расчетах коэффициент Роговского принимался равным
. Теперь рассчитаем его значение:
.
Индукция потока рассеяния:
.
Добавочные потери в обмотке НН:
.
Добавочные потери в обмотке ВН:
.
Потери в отводах НН:
.
Потерями в отводах ВН пренебрегаем согласно рекомендациям п. 3.2.7 [1].
Приближенные потери в баке:
.
Суммарные потери короткого замыкания:
.
Активная составляющая напряжения короткого замыкания:
.
Ширина приведенного канала рассеяния для обмотки ВН:
;
.
Реактивная составляющая напряжения короткого замыкания:
.
Увеличение
реактивной составляющей за счет поперечного поля рассеяния:
.
Напряжение короткого замыкания:
.
Полученное значение существенно отличается от заданного (5,5%). Причина
состоит в том, что для низкой стороны задан несколько завышенное значение
напряжения короткого замыкания. Для серийных трансформаторов ТМ 250/10
напряжение короткого замыкания не превышает 4%.
Кроме
этого, как видно из расчетов, значение короткого замыкания существенно зависит
от величины каналов рассеяния, которые в свою очередь, зависят от выбора
величины изоляционных промежутков между обмотками. Поскольку по сравнению с
предварительным расчетом величины промежутка между ВН и НН уменьшены в 2 раза,
это сказывается на величине каналов рассеяния, а значит и на величине
напряжения короткого замыкания. Поэтому для дальнейших расчетов принимаем
.
Определение массы стали магнитопровода. Определение потерь в стали и тока
холостого хода
Масса ярм:
,
где
коэффициент усиления сечения ярма.
Масса
стержней:
.
Масса стали магнитопровода трансформатора:
.
Масса углов магнитопровода:
.
Для
значения индукции
удельные потери магнитопровода согласно таблицы А7
[1] составляют:
.
Удельные потери в стали магнитопровода с учетом добавочных потерь:
Потери в стали магнитопровода с учетом добавочных потерь:
.
Активная составляющая тока холостого хода:
.
Индукция в ярмах:
.
Среднее значение индукции:
.
Для
значения индукции
удельная намагничивающая мощность магнитопровода
согласно таблицы А7 [1] составляют:
.
Для
значения индукции
удельная намагничивающая мощность в стали (ярмах)
согласно таблицы А7 [1] составляют:
.
Для
значения индукции
удельная намагничивающая мощность в стыках (в
воздушных зазорах между пластинами) согласно таблицы А7 [1] составляют:
.
Реактивная составляющая тока холостого хода:
.
Ток холостого хода:
.
Удельная намагничивающая мощность с учетом увеличения ее за счет
немагнитных зазоров:
.
Расчет
механических напряжений в обмотках
Ударное значение тока внезапного короткого замыкания:
.
Радиальная сила, действующая на обмотки при коротком замыкании:
Напряжение на разрыв в проводнике обмотки:
,
что ниже предельно допустимого значения в 25 МПа.
. Тепловой
расчет обмоток
Плотность теплового потока по поверхностям обмотки НН:
.
Аналогично, для поверхностей ВН:
.
Средняя тепловая нагрузка обмоток:
,
что отличается от предварительного значения на
.
Перегрев
обмотки НН над температурой масла:
Перегрев обмотки BН над
температурой масла:
Внутренний перепад температуры в обмотке ВН:
,
где
теплопроводность бумажной пропитанной лаком изоляции
провода, погруженного в масло.
Потери,
выделяющиеся в 1 см2 общего объема обмотки ВН:
.
Условная теплопроводность обмотки ВН:
Средняя теплопроводность обмотки:
Внутренний перепад в обмотке ВН:
Средний температурный перепад в обмотке ВН:
.
Превышение температуры обмотки НН над средней температурой масла:
.
Превышение
температуры обмотки ВН над средней температурой масла:
.
. Расчет
стоимости трансформатора и определение приведенных затрат на трансформацию
электроэнергии
Стоимость
1 кг провода марки АПБ обмотки НН сечением более 20 мм2 согласно
таблицы Б2 [1]:
.
Стоимость
1 кг провода марки АПБ обмотки ВН сечением более 20 мм2 согласно
таблицы Б2 [1]:
.
Масса обмоток трансформатора с изоляцией:
;
.
Стоимость обмотки НН с изоляцией:
Стоимость обмотки BН с
изоляцией:
Стоимость трансформатора:
Коэффициент стоимости компенсации намагничивающей мощности
трансформатора:
,
Удельная стоимость приведенной массы трансформатора:
,
Средняя цена обмоточного провода в трансформаторе:
Отношение стоимости 1 кг обмотки и магнитопровода:
.
Условная приведенная масса активных материалов:
.
Приведенные затраты на трансформацию электроэнергии:
Литература:
1. Пуйло
Г.В., Крысенко С.И. Методические указания по курсовому и дипломному
проектированию силовых трансформаторов с цилиндрическими слоевыми обмотками и
масляным охлаждением для студентов специальностей 7.092206, 8.092206, 7.092202,
6.0922, 6.0906. Одесса: ОГПУ, 2000. - 66 с.
2. Тихомиров
П.М. Расчет трансформаторов. Учебное пособие для вузов. Издание 4-е,
переработанное и дополненное. М., "Энергия", 1976. - 544 с.
. Дымков
А. М. Расчет и конструирование трансформаторов. Учебник для техникумов М.,
«Высшая школа», 1971. - 264 с.