Переходные процессы
Министерство
образования и науки Республики Казахстан
Карагандинский
Государственный Технический университет
Контрольная
работа
По
дисциплине: Электротехника
тема:
«Переходные процессы»
Караганда
2012
Введение
Переходным процессом называется процесс перехода
от одного режима работы электрической цепи (обычно периодического) к другому
(обычно также периодическому), чем-либо отличающемуся от предыдущего, например
амплитудой, фазой, формой или частотой, действующей в схеме ЭДС, значениями
параметров схемы, а также вследствие изменения конфигурации цепи.
Периодическими являются режимы синусоидального и
постоянного тока, а также режим отсутствия тока в ветвях цепи.
Переходные процессы вызываются коммутацией в
цепи. Коммутация - это процесс замыкания или размыкания выключателей.
Физически переходные процессы представляют собой
процессы перехода от энергетического состояния, соответствующего
докоммутационному режиму, к энергетическому состоянию, соответствующему
послекоммутационному режиму.
Переходные процессы обычно являются быстро
протекающими; длительность их составляет десятые, сотые, а иногда даже
миллиардные доли секунд; сравнительно редко длительность переходных процессов
достигает секунд и десятков секунд. Тем не менее, изучение переходных процессов
важно, так как оно дает возможность установить, как деформируются по форме и
амплитуде сигналы при прохождении их через усилители и другие устройства,
позволяет выявить превышения напряжения на отдельных участках цепи, которые
могут оказаться опасными для изоляции установки, увеличения амплитуды токов,
которые могут в десятки раз превышать амплитуду токов установившегося
периодического процесса (и вызвать недопустимые механические усилия), а также
определить продолжительность переходного процесса.
Задание 1
Дана электрическая цепь, в которой происходит
коммутация. В цепи действует постоянная ЭДС Е. Параметры цепи приведены в табл.
1. Определить закон изменения во времени указанной в таблице величины (тока или
напряжения).
Задачу следует решать классическим методом. На
основании полученного аналитического выражения требуется построить график
изменения искомой величины в функции времени в интервале от t=0 до t=
,
где |Pmin| -меньший по модулю корень характеристического уравнения.
Таблица 1 - Исходные данные
|
Вариант
|
Рисунок
|
Е,
В
|
L,
мГн
|
С,
мкФ
|
R1
|
R2
|
R3
|
R4
|
Определить
|
|
|
|
|
|
0м
|
|
|
16
|
3,16
|
50
|
2
|
1670
|
1
|
2
|
2
|
4
|
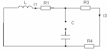
i2
|
Рисунок 1 - Исходная схема
Задание 2
Дана электрическая схема, на входе которой
действует напряжение, изменяющееся во времени по заданному закону U1(t).
Требуется определить закон изменения во времени тока в одной из ветвей схемы
или напряжения на заданном участке схемы. В таблице 3.2 в соответствии с
номером варианта указан номер рисунка, на котором приведен график изменения во
времени входного напряжения. Параметры цепи R, L, C заданны в буквенном виде.
Задачу требуется решить с помощью интеграла
Дюамеля. Искомую величину следует определить (записать ее аналитическое
выражение) для всех интегралов времени. В зависимости от условий задачи полный
ответ будет содержать два или три соотношения, каждое из которых справедливо
лишь в определенном диапазоне времени.
В каждом ответе следует выполнить приведение
подобных членов относительно е-b1t, е-b2t, t и выделить постоянную
составляющую.
Таблица 2 - Исходные данные
|
Вариант
|
Схема
|
График
|
Определить
|
|
16
|
3,24
|
3,29
|
i1
|
Рисунок 2 - Вариант задания
Расчет переходного процесса классическим
методом:
Суть классического метода состоит в том, что
решением дифференциального уравнения является сумма принужденной и свободной
составляющей, а определения постоянных интегрирования, входящих в выражение для
свободного тока (напряжения), производят путем совместного решения системы
линейных уравнений по известным значения корней характеристического уравнения,
а так же по известным значениям свободной составляющей тока (напряжения) и ее
производных при
Записываем искомую величину как сумму двух
слагаемых:
Находим принужденную составляющую (при
),
Методом входного сопротивления составляем
характеристическое уравнение (при
),
Рисунок 3 - Схема для нахождения Zвх
вх=
=
=
=0CL1
(R3+R4) + p(R1R3C+R1R4C+L1) + R1 + R3 + R4 = p2*1670*10-6*2*10-3 * 6 + p (2 *
1670 * 10-6+4*1670*10-6+2*10-3) +7=p2*20040*10-9+p12.02*10-3+7=
0*20040*10-9+p12.02*10-3+7= 0
.0002p2+0.01202p+7=0,2=
=-300.5±509.35j
Записываем полное значение
:
(1)
Записываем производную от уравнения (1):
cos (509.35+φ)
(2)
Составим систему уравнений из (1) и (2) при
:
i2(0)=Asinφ
Рассчитываем цепь до коммутации, находим ток в
катушке и напряжение на конденсаторе:
На основании начальных условий из пункта 7
строим схему замещения.
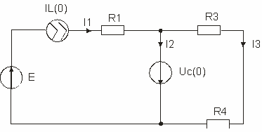
Рисунок 4 - Схема замещения
По схеме замещения находим интересующие значения:
A
Для первоначальной схемы составляем уравнения по
законам Кирхгофа:
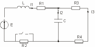
Рисунок 5 - Первоначальная схема
i1-i2-i3=0(R3+R4)-UC(0)=0
+i1R1+UC=E




(0)= 33.36В
Подставляем значения в систему пункта 6
=Asinφ
sin φ=0
=509.35Acos0
=509.35A=
=10.837
Записываем закон изменения тока:
Построим график изменения искомой величины в
функции времени в интервале от t=0 до t=
Рисунок 6 - График изменения исходной величины
|
τ
|
2τ
|
3τ
|
4τ
|
|
Время
|
3*10-6
|
6*10-6
|
9*10-6
|
12*10-6
|
|
i2
|
-0,3043
|
0,0623
|
-0,0139
|
-0,0019
|
Расчет переходных процессов
операторным методом
Суть операторного метода сводится к
преобразованию дифференциальных уравнений относительно функции вещественного
переменного, например, времени t,в алгебраическое уравнение относительно нового
переменного, пользуясь прямым преобразованием Лапласа, то есть из оригинала в
изображение этой функции. Затем полученное уравнение преобразуется обратно в
функцию времени с помощью обратного преобразований Лапласа.
Рассчитываем цепь до коммутации и определяем
начальные условия:
А С(0)=
*(R3+R4)
=5.56*6=33.36В
Составляем операторную схему с учетом ЭДС, т.е
сопротивления всех ветвей, источники ЭДС и тока схемы заменяем их
изображениями, а ненулевые начальные условия учитываем введением новых
источников энергии:
Рисунок 7 - Операторная схема
Из схемы замещения находим изображение искомой
величины:
Используя законы Кирхгоффа, составляем систему
трех уравнений:(p)-I3(p)-I2(p)=0
Из первого уравнения выражаем
I1(p):(p)-I3(p)-I2(p)=0
I1(p)=I3(p)+I2(p)
Подставив полученное выражение во второе
уравнение, получим:
Из третьего уравнения выражаем I3(p):
Подставив полученное выражение во второе
уравнение, получим:
Выразим искомую величину:
Определяем оригинал искомой величины:
=0,00004(-300.5+509.35j)+0.01202=
.01202+0,020374j +0,01202=0,020374j(p)
=0.001112(-300.5+509.35j) -0, 0001102=0, 001324-0,003154j
так как:
= -2
e-300.5t=10.8694
e-300.5t(p)=10.79e-300.5tcos(509.35t-90.010)=10.79
e-300.5tsin(509.35t-90.010+900)=10.79 e-300.5tsin(509.35t)
Рисунок 8 - График изменения исходной величины
|
τ2τ3τ4τ
|
|
|
|
|
|
Время
|
6*10-6
|
9*10-6
|
12*10-6
|
|
i2
|
-0,3043
|
0,0623
|
-0,0139
|
-0,0019
|
Расчет переходных процессов с
помощью интеграла Дюамеля
Интеграл Дюамеля применяется для расчета
процессов в ветвях при подключении к источнику ЭДС сложной формы. Для этого
необходимо знать переходные характеристики схемы
.g(t)
b k(t) - это соответственно ток и напряжение в исследуемой чисти ветви, если
схема питается от напряжения в1 В. Метод расчета сводится к определению этих
переходных характеристик классическим или операторным методом; вычислению
производной подынтегральной функции интеграла Дюамеля., для чего сначала определяют
производную по времени
, а затем заменяем
переменные интегрирования на
; завершающий этап
включает в себя подстановку полученных ранее функций в формулу интеграла
Дюамеля, интегрирование по переменной
и
подстановка пределов.
Таблица 3 - Исходные данные
|
Вариант
|
Схема
|
График
|
Определить
|
|
16
|
3,24
|
3,29
|
i1
|
Рисунок 9 - Вариант задания
Рисунок 10 - Исходная схема
. Составляем схему замещения:
Рисунок 11 - Схема замещения
Для расчета требуемого значения тока i1 найдем
переходную характеристику по току i(t), используя классический метод.
i1(t)=i1прин(t)+i св (t)
Находим i1прин:прин=
. Для нахождения iсв находим корни
характеристического уравнения:
*10-3p=-30
тогда:(t)=0.033+A*e-15*10-3t(0)=0.033+A
. Находим значение тока и напряжения в первый
момент после коммутации:
Рисунок 12 - Схема после коммутации
(0)=0(0+)=
.05=0.033+A=0.017
тогда:(t)=0.033+0.017e-15*10-3t
. Рассчитаем время интегрирования t1 и t2=
=
. Найдем закон изменения напряжения на участке
0<t< t1
=20-0.066*10-3k
=20-151.5*10-3t
. Находим интеграл Дюамеля на первом участке
=

. Находим интеграл Дюамеля на втором участке
. Находим интеграл Дюамеля на третьем участке
Рисунок 13 - График изменения исходной величины
Таблица 4 - Значения для графика изменения тока
|
t,
c
|
0
|
0,06*10-3
|
0,2*10-3
|
0,2*10-3
|
0,4*10-3
|
|
I,
A
|
1,009
|
2,36
|
2,506
|
0,704
|
0,0425
|
0,0021
|
Таблица 5 - Значения для графика изменения
напряжения
|
t,
c
|
0
|
0,06*10-3
|
0,2*10-3
|
0,2*10-3
|
0,4*10-3
|
|
U,
B
|
20
|
10
|
10
|
0
|
0
|
Заключение
переходной процесс интеграл дюамель
В ходе выполнения данной контрольной работы, для
решения заданий, были применены три метода: классический метод, операторный
метод и метод интеграла Дюамеля.
Классическим методом расчёта переходных
процессов называют метод расчёта, в котором решение дифференциального уравнения
представляет собой сумму принужденной и свободной состовляющих, а определение
постоянной интегрирования, входящих в выражение для свободного тока (напряжения),
производят путём совместного решения системы линейных алгебраических уравнений
по известным значениям корней характеристического уравнения, а также по
известным значения свободной состовляющей тока (напряжения) и её производных,
взятых при t=0+.
Операторный метод основан на использовании
понятия об изображении функций времени. В операторном методе каждой функции ρ,
и
наоборот - функции переменной ρ отвечает
определённая функция времени.
Переход от функции времени к функции ρ
осуществляют
с помощью преобразования (прямого) Лапласа.
Таким образом, операторный метод расчёта
переходных процессов представляет собой метод расчёта, основанный на
преобразовании Лапласа.
Операторный метод позволяет свести операцию
дифференцирования к умножению, а операцию интегрирования - к делению. Это
облегчает интегрирование дифференциальных уравнений.
При методе интеграла Дюамеля для того, что бы
найти ток в момент времени t, заменяют плавную кривую зависимости величины на
ступенчатую и просуммируют токи от начального напряжения u(0) и от всех
ступенек напряжения, вступающих в действие с запозданием во времени. Очевидно,
что чем большее число ступенек, тем лучше ступенчатая кривая заменяет плавную
кривую. С этой целью заменяют интервал времени Δτ на
бесконечно малый dτ и переходят
от суммы к интегралу:
Данную формулу называют интегралом Дюамеля.
Вот в этом суть использованных методик для
решения переходных процессов в линейных электрических цепях, которые применялись
для решения заданий курсовой работы.
Список использованной литературы
1.
Теоретические основы электротехники. Электрические цепи: учебник [текст] /
Л.А.Бессонов. - 11-е изд., перераб. И доп. - М.: Гардарики, 2006. - 231 - 310
с.