Классический метод расчета переходных процессов в линейных цепях
Содержание
1. Возникновение переходных процессов
и законы коммутации
2. Способы получение
характеристического уравнения
3. Особенности переходных процессов в
цепях с одним реактивным элементом
4. Переходные процессы в цепях с двумя
разнородными реактивными элементами
5. Временные характеристики цепей
6. Расчет реакции линейной цепи на входное
воздействие произвольного вида с применением временных характеристик цепи
Список используемых источников
1. Возникновение
переходных процессов и законы
коммутации
Для изучения темы
реферата необходимо знать
расчет установившихся режимов, т.е. таких, когда все токи и напряжения либо
постоянные, либо периодически повторяющиеся функции времени, но в любой схеме
могут происходить подключения и отключения ветвей (происходит коммутация).
Обозначают коммутацию:
.
В линейных цепях коммутация считается идеальной, т.е.:
1) ключ представляет собой
либо разрыв, либо провод;
2) длительность перехода
из одного состояния в другое равна нулю. Момент времени сразу после коммутации
обозначают
либо
, а момент времени
непосредственно перед коммутацией соответственно обозначают
,
. После коммутации цепь стремится под действием
источников схемы прийти к новому установившемуся режиму, но для этого ей
требуется время. Процессы, происходящие в цепи после коммутации, называются
переходными процессами.
Почему этот переход не может
произойти мгновенно? Дело в том, что в цепи имеются элементы L и C, в которых запасается определенная величина энергии WL=L
2/2
и WC=Cu2/2 соответственно. В новом установившемся режиме будет другой
запас энергии, и, т.к. скорость изменения энергии есть подводимая к элементу
мощность, получается, что требуется конечное время на изменение этого запаса
энергии (т.к. источников бесконечной мощности в реальной цепи нет). Из выражения
для WL и WC и того факта, что в цепях не
развивается бесконечная мощность, вытекают два фундаментальных условия, без
которых невозможно рассчитать ни один переходной процесс – это законы коммутации.
Получим их:
,
т.к. P
, L - конечное число,
L - конечное число, то
- скачка быть не может. Отсюда
вытекает один из законов коммутации: ток в индуктивности не может измениться
скачком, поэтому при коммутации:
. Дифференцируя dWC/dt, приходим ко 2-ому закону коммутации: напряжение на ёмкости
не может измениться скачком, поэтому при коммутации:
. Т.к.
= L
L,
, то можно использовать и такие функции:
,
.
Про остальные величины, в
том числе и про скорость изменения любых токов и напряжений при коммутации
заранее ничего не известно и их приходится рассчитывать. Т.к. и форма изменения
токов и напряжений неизвестна, приходится использовать самые общие выражения:
,
. Тогда уравнения, описывающие цепь после
коммутации, оказываются дифференциальными. В линейной цепи – это линейные
дифференциальные уравнения (ЛДУ). Существуют различные методы решения таких
уравнений, и соответственно различают различные методы расчета переходных процессов.
2 Способы получение
характеристического уравнения
Классический метод
Классический метод
основан на решении ЛДУ методом вариации произвольных постоянных. Любая система
ЛДУ может быть сведена к одному уравнению n –ого порядка. В цепях по схеме после коммутации порядок
определяется так: n = n L + n C – nОК
– nОС , где n L – число L; n C – число C; nОК – число особых контуров, т.е. таких,
которые состоят только из емкостей и источников ЭДС; nОС – число особых сечений (в простейшем случае, это узлы схемы,
к которым подключены только ветви с источником тока или с индуктивностями).
Решение уравнения
представляют в виде суммы частного решения неоднородного уравнения (ЛНДУ) и
общего решения линейного однородного дифференциального уравнения (ЛОДУ).
Частное решение определяется видом правой части уравнения. В цепях в правой
части уравнения стоят источники энергии схемы после коммутации. Физический
смысл частного решения уравнения в цепях – это новый установившийся режим, к
которому будет стремиться схема после коммутации под действием источников.
Поэтому частное решение ЛНДУ называют принужденной составляющей режима. Общее
решение ЛОДУ физического смысла не имеет. В противоположность принужденной
составляющей, его называют свободной составляющей переходного процесса.
Свободная составляющая записывается в виде суммы слагаемых, число и вид которых
определяются корнями характеристического уравнения.
После записи решения
необходимо рассчитать произвольные постоянные, вошедшие в выражение общего
решения. Это можно сделать, если известны начальные условия. Начальные условия
– это значения искомой функции времени и необходимого числа её производных по
времени в начале переходного процесса, т.е. при t=0.
Все начальные условия
делят на две группы:
- независимые начальные
условия, это
L(0) и uC(0), которые находятся по законам коммутации,
с помощью вычисленных ранее
L(0-) и uC(0-) в схеме до коммутации;
- все остальные начальные
условия – зависимые. Их приходится искать из цепи после коммутации в переходном
режиме по законам Кирхгофа для мгновенных значений токов и напряжений при t=0 с помощью независимых начальных условий.
Имея необходимое число начальных условий и рассматривая решение и его
производные по времени в момент
, получают систему линейных алгебраических
уравнений (СЛАУ) из которой находят произвольные постоянные.
В соответствии с
изложенным, порядок расчета переходного процесса классическим методом может
быть таким:
1) рассматривают
установившийся режим схемы до коммутации и находят
L(0-) и uC (0-);
2) рассматривают цепь
после коммутации в новом установившемся режиме и находят принужденную
составляющую переходного процесса;
3) тем или иным способом
получают характеристическое уравнение и находят его корни в соответствии с
которыми определяют вид свободной составляющей;
4) записывают решение в
виде суммы принужденной и свободной составляющих.Если характеристическое
уравнение n – ого порядка, то формируется
система линейных алгебраических уравнений (СЛАУ) n - ого порядка, включающая (n-1) производную решения. Переписывают СЛАУ для
;
5) рассматривают цепь
после коммутации в переходном режиме; рассчитывают необходимые начальные
условия (ННУ);
6) подставляют ННУ в СЛАУ
при
и находят
произвольные постоянные;
7) записывают полученное
решение.
Способы получения
характеристического уравнения
Существуют различные
способы получения характеристического уравнения.
Если цепь описывается
всего одним уравнением, то его алгебраизируют: d/dt заменяют на p,
dt
заменяют на 1/p, правую часть обращают в ноль и
получают характеристическое уравнение.
Если режим в цепи
описывается системой из нескольких уравнений, то методом подстановки их сводят
к одному и поступают точно также как описано выше (обычно так не делает).
Универсальный способ
Систему уравнений по
законам Кирхгофа для цепи после коммутации алгебраизируют и составляют
определитель системы, и приравняв его к нулю, получают характеристическое
уравнение.
Воспользуемся этим
способом.
Пусть схема после
коммутации имеет вид:
, ,
Если в схеме нет
управляемых источников и взаимных индуктивностей, то проще всего поступить так:
в схеме после коммутации все источники заменить их внутренним сопротивлением,
вместо индуктивности L
написать pL, вместо емкости C написать
.
а) Если в полученной
схеме нет ветви без сопротивления, томожно разомкнуть любую ветвь полученной
пассивной схемы и относительно точек разрыва записать выражение для нахождения
.
б) Если в полученной
схеме есть ветви без сопротивления, то размыкать надо именно ту ветвь, в
которой ищется переходный ток или напряжение и относительно точек разрыва
записывают
.
Характеристическое
уравнение имеет вид:
.
Для рассмотренного выше
примера получим:
Выражение для свободной
составляющей содержит столько слагаемых, сколько есть корней, а слагаемые имеют
такой вид:
а) каждому простому
вещественному корню
соответствует
слагаемое
.
Если два корня, то
процесс апериодический.
б) двум
комплексно-сопряженным корням:
и
соответствует A1ePx1 t
+A2ePx2 t, где A1, A2 – получаются комплексными числами, причем комплексно-сопряженными
числами. Поэтому с помощью формулы Эйлера этот результат можно записать в
другом виде (где не будет j):
.
По этому выражению не
очень удобно строить графики. Используя формулы тригонометрии его можно
преобразовать (либо в sin,
либо в cos): Ce-
t sin(
ct+
1)=De-
t cos(
c t+
2)
– затухающий во времени гармонический процесс – колебательный процесс.
в) среди корней есть m одинаковы[ (если таких корней два,
то переходный процесс называется критическим).
;
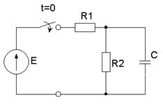
Пример: Дано: E=40В, R1
=R2=400 Ом, L=5Гн, C=5
мкФ. Найти
.
1) В схеме до коммутации стоит
постоянный источник, следовательно, ток в установившемся режиме постоянный.
t<0
,
.
Если источник ЭДС
синусоидальный, то эту часть задачи решают символическим методом.
t
Видно, что после
коммутации в схеме есть только постоянный источник ЭДС и поэтому в принужденном
режиме – постоянный ток.
.
3) получают
характеристическое уравнение
.
4) записывают решение
5) определяют начальные
условия
Для схемы после
коммутации записывают систему уравнений по законам Кирхгофа. Число этих
уравнений больше, чем число неизвестных, однако при t=0, известны все iL(0) и uC(0), поэтому при добавлении этих независимых условий из полученной при t=0 системы можно найти все остальные
зависимые начальные условия, например, методом подстановки.
При решении надо выразить
значения токов и напряжений в момент t=0, их производные по времени в момент t=0 через параметры элементов схемы и независимые начальные
условия.
Например, для нашей
задачи:
В нашей задаче для
расчета
надо найти 2
начальных условия, т.к. имеем 2 корня характеристического уравнения и 2
произвольные постоянные, поэтому надо знать
R(0) и
R(0).
Из (1):
,
Из (3):
,
.
6) расчет произвольных
постоянных
В нашем случае:

При
:
Тогда из (1)
Из (3)
(2)
Ответ:
, А.
3. Особенности переходных
процессов в цепях с одним реактивным элементом
В таких цепях
характеристическое уравнение будет первого порядка. Получить это уравнение
можно, например, так:
По способу Zвх(p)=0, при этом схемы могут иметь вид:
Рис (1)
,
,
Рис (2)
,
.
Видно, что корень
характеристического уравнения получается отрицательным, т.е. с течением времени
свободная составляющая
.
Ясно, что в разных схемах
различными получаются величина А, величина
, но свободная составляющая всегда будет иметь
вид затухающей экспоненты. Для таких функций вводятся специальная характеристика.
Постоянная времени цепи
(τ) – есть интервал времени, за который амплитуда свободной составляющей
уменьшается в e раз.
Воспользовавшись этим
определением, можно найти τ таким образом так как
, то
.
В цепи:
,
т.е. τ зависит
только от параметров рассматриваемой цепи (τ не зависит от начальных
условий и напряжений источника).
Используя понятие τ,
можно условно ввести понятие длительности переходного процесса. Так как
, то
|
t
|
τ
|
3τ
|
5τ
|
|
|
0,36
|
0,05
|
0,004
|
В соответствие с этой
таблицей принимают, что переходный процесс длится
. К концу этого времени график переходного
процесса практически сливается с принужденной составляющей.
Если известен график
переходного процесса, из него можно найти τ.
Проще всего сделать так:
на глаз определить, где кончается переходный процесс.
Длительность переходного
процесса делят на
. Это
и будет τ.
- Из графика переходного
процесса вычитают принужденную составляющую. Это будет график свободной
составляющей. Задаются моментом времени t1 и находят из графика xсв(t1). Делят эту величину на e и получают xсв(t1+ τ). Находят на графике эту
величину, из нее определяют время t2 и затем
находят τ как τ = t2 - t1
- τ есть величина
под касательной к графику переходного процесса. Подкасательная – это проекция
на ось времени от точки, в которой проведена касательная до точки пересечения
этой касательной с асимптотой.
Пример: Дано:
,
,
. Найти i(t), uc(t)
1) t<0
i(0_)=0, uc(0_)=0,
2) t→∞
,
,
Должен существовать
переходной процесс, в течении которого от источника энергия передается к конденсатору,
а по проводам идет ток, заряжающий конденсатор.
3)
,
4)
;
,
,
,

,
5) Расчет начальных
условий.
Тогда из
получают
6)
,
Пример: Дано:
,
,
. Найти
.
1)
,
,
2) Расчет принужденной
составляющей.
В данном случае
принужденный режим есть синусоидальный ток, поэтому расчет проведем
символическим методом.
,
Переходят к мгновенному
значению:
,
3)
;
,
4)
5)
6)
,
7)
,
График проще всего
построить по этапам:
1) принужденная
составляющая;
2) exp соответствует свободной составляющей
суммы этих графиков.
4. Переходные
процессы в цепях с двумя разнородными реактивными элементами
В этих цепях
характеристическое уравнение имеет второй порядок, следовательно, будет два
корня и две произвольные постоянные в свободной составляющей. Самое главное это
то, что у квадратного уравнения есть 3 типа корней (вещественные различные,
вещественные одинаковые и пара комплексно-сопряжённых), поэтому вид свободных
составляющих в разных цепях получается различным. Рассмотрим возможные варианты
на простейших примерах.
Пример:
1) iL(0_)
= 0, uc(0_)=0,
2) i пр = 0, uR пр = iпрR = 0
uC пр = E, uL
пр = 0
3) Будем искать ток в
цепи. Тогда надо иметь два начальных условия: i(0) и i΄(0).
Для цепи после
коммутации:
,
В данной схеме все 3
способа получения характеристического уравнения имеют одинаковую трудоёмкость.
,
,
,
.
В зависимости от величины
подкоренного выражения получаются разные типы корней.
Если
, то подкоренное выражение равно
нулю, и следовательно получим
. Из выражения (*) видно, что это получается
при некотором «критическом» значении сопротивления
.
Если же R > Rкр то подкоренное выражение положительно, и получим два
вещественных различных корня. Если R < Rкр, под корнем будет отрицательное
число, и получим пару комплексно сопряжённых корней.
1) R > Rкр (два вещественных различных корня) и тогда решение для тока
запишется в виде:
,
,
и при t = 0 получаем два уравнения для
расчёта произвольных постоянных:
Из (1):
, и подставляя в (2):
График проще построить по
частям (принуждённая составляющая и каждое слагаемое свободной составляющей, а
затем сложить).
Говорят, что это
апериодический процесс.
Аналогично можно получить
выражения и графики для напряжения на электродах:
2) R = Rкр
,

Графики имеют в этом
случае точно такой же вид, как и в предыдущем случае, но в первом случае процессы
идут медленнее, чем во втором. Этот случай называется критическим переходным
процессом.
3) R < Rкр
,
,
т.е. при α→ 0 ωc стремится к резонансной частоте
данной цепи.
Решение запишется в виде:
(классический метод)
(1) в (2):
(1)/(3):
, из (3)
Видно, что в данном
случае свободная составляющая представляет собой затухающую во времени
синусоиду. Такой переходной процесс называется колебательным или периодическим,
и график его проще построить так: симметрично относительно принуждённой составляющей
строим график амплитуды свободной составляющей (график огибающей процесса),
дальше в график огибающей вписывают синусоиду с её начальной фазой и периодом
свободных колебаний.
,
- коэффициент затухания,
- частота свободных колебаний.
Рассматривать цепи более
высокого порядка смысла нет, потому что у любого уравнения корни могут быть
трёх видов, а для каждого типа корней мы свободную составляющую уже получили.
5. Временные
характеристики цепей
Ранее мы рассматривали
частотные характеристики, а временные характеристики описывают поведение цепи
во времени при заданном входном воздействии. Таких характеристик всего две: переходная
и импульсная.
Переходная
характеристика
Переходная характеристика
- h(t) - есть отношение реакции цепи на входное ступенчатое
воздействие к величине этого воздействия при условии, что до него в цепи не
было ни токов, ни напряжений.
Ступенчатое воздействие
имеет график:
1(t) – единичное ступенчатое
воздействие.
Иногда используют
ступенчатую функцию, начинающуюся не в момент «0»:
Для расчёта переходной
характеристики к заданной цепи подключают постоянный ЭДС (если входное
воздействие – напряжение) или постоянный источник тока (если входное
воздействие – ток) и рассчитывают заданный в качестве реакции переходный ток
или напряжение. После этого делят полученный результат на величину источника.
Пример: найти h(t) для uc при входном воздействии в виде напряжения.
1)
,
2)
,
3)
,
,
,
,
Пример: ту же задачу решить при входном
воздействии в виде тока
1)
,
2)
,
3)
,
,
,
,
Импульсная
характеристика
Импульсная характеристика
- g(t) – есть отношение реакции цепи на входное воздействие в виде
дельта - функции к площади этого воздействия при условии, что до подключения
воздействия в схеме не было ни токов, ни напряжений.
δ(t) – дельта-функция, дельта-импульс,
единичный импульс, импульс Дирака, функция Дирака. Это есть функция:
Рассчитывать классическим
методом g(t) крайне неудобно, но так как δ(t) формально является производной
, то найти её можно из соотношения g(t)=h(0)δ(t) + dh(t)/dt.
Для экспериментального
определения этих характеристик приходится действовать приближённо, то есть
создать точное требуемое воздействие невозможно.
На вход падают
последовательность импульсов, похожих на прямоугольные:
tф – длительность переднего фронта (время нарастания
входного сигнала);
tи – длительность импульса;
К этим импульсам
предъявляют определённые требования:
а) для переходной
характеристики:
- tпаузы должно быть таким большим, чтобы к
моменту прихода следующего импульса переходный процесс от окончания предыдущего
импульса практически заканчивался;
- tи должно быть таким большим, чтобы переходный процесс,
вызванный возникновением импульса, тоже практически успевал заканчиваться;
- tф должно быть как можно меньше (так, чтобы за tср состояние цепи практически не
менялось);
- Xm должна быть с одной стороны такой
большой, чтобы с помощью имеющейся аппаратуры можно было бы зарегистрировать
реакцию цепи, а с другой: такой маленькой, чтобы исследуемая цепь сохраняла
свои свойства. Если всё это так, регистрируют график реакции цепи и изменяют
масштаб по оси ординат в Xm раз (Xm =5В, ординаты поделить на 5).
б) для импульсной
характеристики:
tпаузы – требования такие же и к Xm – такие же, к tф требований нет (потому что даже сама длительность
импульса tф должна быть такой малой, чтобы состояние цепи
практически не менялось. Если всё это так, регистрируют реакцию и изменяют
масштаб по оси ординат на площадь входного импульса
.
Итоги по классическому
методу
Основным достоинством является
физическая ясность всех используемых величин, что позволяет проверять ход
решения с точки зрения физического смысла. В простых цепях удаётся очень легко
получить ответ.
Недостатки: по мере
возрастания сложности задачи быстро нарастает трудоёмкость решения, особенно на
этапе расчёта начальных условий. Не все задачи удобно решать классическим методом
(практически никто не ищет g(t), и у всех возникают проблемы при
расчёте задач с особыми контурами и особыми сечениями).
До коммутации
,
.
Следовательно, по законам
коммутации uc1(0) = 0 и uc2(0)
= 0, но из схемы видно, что сразу после замыкания ключа: E= uc1(0)+uc2(0).
В таких задачах
приходится применять особую процедуру поиска начальных условий.
Эти недостатки удаётся
преодолеть в операторном методе.
6. Расчет реакции
линейной цепи на входное воздействие произвольного вида с применением временных характеристик
цепи
Раньше мы рассматривали
два вида входного воздействия:
1) xвх= δ(t)-на входе будет импульсная характеристика g(t);
2) xвх= 1(t)-переходная характеристика h(t).
При произвольном заданном
виде входного воздействия, в линейной цепи тоже можно найти реакцию. Для этого
годятся и g(t) и h(t) и передаточная функция H(p), но в зависимости от формы входного сигнала, сложности цепи
и того математического аппарата, которым располагаешь, более удобно будет
применить какую-то одну из этих характеристик.
Рассмотрим применение
переходной характеристики h(t):
1) На входе действуют
прямоугольным импульсом
Воспользуемся принципом
наложения и представим этот импульс в виде двух скачков Um1(t) и -Um1(t-tu).
Если нам известна
переходная характеристика на h(t), то реакция на каждый скачок
записывается очень просто Umh(t) и -Umh(t-tu) (h(t)=1-e-t/τ).
Вся реакция определяется
сложением этих двух графиков.
Т.е. для 0≤t<tu Uвых(t)=Umh(t), t≥tu Uвых(t)=Umh(t)–Umh(t-tu).
2) Входной сигнал –
функция, которая в некоторые моменты времени изменяется скачком, а между этими
моментами постоянно.
И в этом случае задача
решается просто: раскладываем входной сигнал на совокупность скачков и
записываем для каждого интервала времени свое выражение для реакции:
0≤t<10-3 xвых=5∙h(t)
10-3≤t<2∙10-3 xвых=5∙h(t)+10∙h(t-10-3)
t≥2∙10-3 xвых=5∙h(t)+10∙h(t -10-3) -18∙h(t -2∙10-3).
Все такие задачи решаются
с помощью h(t).
1) Входной сигнал в
некоторый момент времени имеет скачки, а между
этими моментами времени
плавно изменяется по тому-то закону (или вообще плавно изменяется без скачков).
Представим себе, что этот
сложный сигнал приближенно м.б. составлен из нескольких скачкообразных
воздействий (первое воздействие имеет амплитуду xвх(0) и возникает в момент t=0, второе воздействие возникает в некоторый момент t1 и имеет амплитуду xвх(t1)-xвх(0)=∆xвх(t1), третий сигнал поступает в момент t2 и имеет амплитуду ∆xвх(t2) и т.д.). Значит можно написать, что
для некоторого момента t:
xвх(t)≈xвх(0)1(t)+∑∆xвх(tj)1(t-tj)
(*).
В сумме учитывая все те
ступеньки, которые возникли до нашего момента времени t. Если ступеньки брать помельче, выражение будет получаться
поточнее, но все равно приближенно. Получим теперь точное выражение. В нашем
случае:
xвых(t)≈xвх(0)h(t)+∑∆xвх(tj)∙h(t-tj) (**).
Известно, что ∆xвх(tj)/∆tj≈x(tj) и
тогда (**) перепишется xвых(t)≈xвх(0)∙h(t)+∑xвх′(tj)∆tjh(t-tj).
Уменьшая ∆tj до dtj вместо суммы получим интеграл: (для
удобства записи tj→λ)
Если бы функция имела
скачки не только в момент 0, но и в какие-то другие моменты. Пришлось бы для
каждого интервала времени в котором функция непрерывна, записывать свои
выражения отличающиеся друг от друга наличием реакции на скачки случившиеся до
рассмотрения момента времени t.
Пример: Есть h(t)=0,5e-500t. Надо найти реакцию цепи на входное
воздействие.
Описывает входное
воздействие аналитически. В нашем случае можно считать, что в интервале от 0 до
10-3 Uвх1(t)=a+b∙t:
30=10+b∙10-3; a=10; b=2∙104.
Uвх2(t)=15+A∙e-t/τ ; τ=8∙10-4 ; t/τ=10-3/8∙10-4
;
Uвх2(t=10-3)=5=15+A∙e-1,25; A≈-30.
Теперь для каждого
интервала времени записываем свое выражение:
0≤t<10-3

.
Берем интеграл, приводим
подобные члены, строим графики. Но в рамках курса ТОЭ РГРТУ требуется ответ до
состояния
t≥10-3

Применение импульсных
характеристик
Известно, что
1) g(t)=
-1{H(p)},
2) xвых(p)=xвх(p)H(p),
3) 
=
,
Пусть
,
,
тогда
=
-1
=
Фактически это есть
другая форма интеграла Дюамеля, которая может быть получена используя связь g(t) и h(t). Порядок применения получения
выражения такой же, но при численном нахождении интеграла удобней использовать
собственно интеграл Дюамеля.
Применение
передаточной функции
Если известно H(p) и xвх(t), можно записать изображение xвх(p), вычислить xвых(p)=H(p)xвх(p) и перейти к
оригиналу.
Особенно удобно применять
H(p)тогда, когда xвх(t) имеет простой вид, позволяющий легко записать изображение xвх(p) либо сразу для всего сигнала, либо разложение его на более
простые компоненты и воспользовавшись принципом положения.
Например:
xвх(t)=10e-100t
,
,
,
,
,
,
,
,
,
Этот входной сигнал можно
представить в виде совокупности двух более простых. Тогда
,
2) Для t≥10-2,
t<2∙10-2
3)
.
Теперь умножая на H(p) находим изображающие реакции и затем переходим к оригиналу.
Список используемых
источников
1. Основы теории цепей.
Учебник для вузов./ Г.В. Зевеке, П.А. Ионкин, А.В. Нетушил, С.В. Страхов.-5-е
изд. перераб.-М.: Энергоатомиздат, 1989. 528 с.
2. В.П. Попов. Основы
теории цепей. Учебник для вузов. -М.: Высшая школа, 1985. 496 с.
3. Теория электрических
цепей: Методические указания к лабораторным работам / Рязан. гос. радиотехн.
акад.; Сост.: С.М. Милюков, В.П. Рынин; Под ред. В.П. Рынина. Рязань, 2002. 16
с.,2004. 20 с. (№3282, №3624)
4. Электротехника и
электроника: Методические указания к расчетно-графической работе / Рязан. гос.
радиотехн. акад.; Сост. Г.В. Спивакова. Рязань, 2005. 16 с. (№3665)
5. М.Р. Шебес. Теория
линейных электрических цепей в упражнениях и задачах. М.: Высшая школа, 1990.
528 с.
6. Матханов П.Н. Основы анализа
электрических цепей. Нелинейные цепи: Учеб. для электротехн. спец. вузов. –2-е
изд., перераб. и доп. –М.: Высш. шк., 1986. –352 с.
7. Каплянский А.Е. и др.
Теоретические основы электротехники. Изд. 2-е. Учеб. пособие для
электротехнических и энергетических специальностей вузов. –М.: Высш. шк., 1972.
-448 с.
8. Теоретические основы
электротехники. Т. 1. Основы теории линейных цепей. Под ред. П.А. Ионкина.
Учебник для электротехн. вузов. Изд. 2-е, перераб. и доп. –М.: Высш. шк., 1976.
–544 с.