Методы расчета электрических цепей, содержащих четырехполюсники и управляемые элементы
Методы расчета электрических цепей,
содержащих четырехполюсники и управляемые элементы
Содержание
1.
Индивидуальное задание
. Определение
параметров пассивного четырехполюсника и усилителя
.1 Схема
пассивного четырехполюсника
2.2 Расчет
параметров пассивного четырехполюсника
.2.1 Методом холостого хода
(хх) и короткого замыкания (кз)
.2.2 Проверка принципа
взаимности
.2.2 По законам Кирхгофа
.3 Схема активного
четырехполюсника (усилителя)
.4 Расчет А,B,C,D параметров
активного четырехполюсника (усилителя).
.4.1 По законам Кирхгофа
.4.2 Методом эквивалентных
преобразований матриц
.4.3 Методом холостого хода
(хх) и короткого замыкания (кз)
.5 Схема каскадного
соединения пассивного и активного четырехполюсников
.6 Расчет
параметров каскадного соединения четырехполюсников
.7 Расчет входного
сопротивления усилителя (Rвха) нагруженного на Rн
.7.1 Через А,B,C,D параметры
активного четырехполюсника
2.7.2 По
законам Кирхгофа для усилителя нагруженного на Rн
3. Расчет
коэффициентов передачи четырехполюсников и их каскадного соединения
3.1 Расчет
коэффициента передачи по напряжению (Кп) пассивного четырехполюсника,
нагруженного на сопротивление Rвха
3.1.1 Через
параметры пассивного четырехполюсника
.1.2 По законам Кирхгофа
.2 Расчет коэффициента
передачи по напряжению (КА) активного четырёхполюсника, нагруженного на
сопротивление Rн
.3 Расчет коэффициента
передачи по напряжению (Кк) каскадного соединения четырёхполюсников,
нагруженных на сопротивление Rвха
.3.1 Через
параметры каскадного соединения четырёхполюсников
.3.3 По коэффициентам
передачи Кп и КА четырёхполюсников
3.4 Расчет
комплексно-частотной характеристики (КЧХ) по напряжению для пассивного
четырёхполюсника [Кп(jw)], нагруженного на сопротивление Rвха
.5 Расчет КЧХ
по напряжению каскадного соединения пассивного и активного
четырёхполюсников[Кк(jw)].
. Анализ цепи
в переходном режиме
.1 Исходная
схема переходного процесса
.2 Условно
положительное направление токов и напряжений
.3
Независимые начальные условия (докоммутационная схема, законы коммутации)
.4
Характеристическое уравнение (послекоммутационная схема, без источников
питания)
.5 Зависимые
начальные условия (послекоммутационная схема, законы коммутации)
.5.1 Расчет
uвха(+0)
4.5.2 Расчет
.6 Расчет принужденной
составляющей входного напряжения uвха пр(t)
.7 Расчет постоянных
интегрирования A1 и A2
.8 Операторный метод
.9 Расчет напряжения uвых(t)
на резисторе Rн
. Список использованной
литературы
Приложение 1 (Electronics
Workbench)
1. Индивидуальное задание
-МХ-315-1
;
;
;
;
;
;
;
;
;
;
;
;
;
;
Усилитель
В;
;
;
;
.
2.
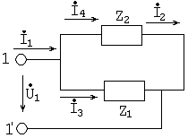
Определение параметров пассивного четырехполюсника и усилителя
.1
Схема пассивного четырехполюсника
Исходная
схема пассивного четырехполюсника
Используя полученное индивидуальное задание, построим схемы пассивного
четырёхполюс-ника, учитывая, что при R=0 данный участок цепи закорачивается, а
при С=0 - разрыв ветви.
Расчетная схема пассивного четырехполюсника
2.2
Расчет
параметров пассивного четырехполюсника
.2.1
Методом холостого хода (хх) и короткого замыкания (кз)
А-форма
уравнений
а)
ХХ по выходу (
):
Из формулы (2.1)
(2.5)
Из формулы (2.2)
(2.6)
б)
КЗ по выходу (
):
Рис. 2.5 Расчетная схема пассивного четырехполюсника для короткого
замыкания
Из формулы (2.3)
(2.7)
Из формулы (2.4)
(2.8)
.2.2 Проверка принципа взаимности
Все
линейные пассивные четырехполюсники подчиняются уравнению связи
.2.3
По законам Кирхгофа
Рис.
2.7 Расчетная схема пассивного четырехполюсника для законов Кирхгофа
По I закону Кирхгофа:
(1)
(2)
По II закону Кирхгофа:
(3)
(4)
(5)
Из
(4)
в
(1) под-ставляем (2)
Совпадают
с формулами (2.7) и
(2.8)
соответственно;
Из
(3)
Совподают
с формулами (2.5) и (2.6) соответственно.
2.3
Схема активного четырехполюсника (усилителя)
Рис. 2.8 Усилитель Рис 2.9 Линейная схема замещения с
зависимыми источниками
.4 Расчет А,B,C,D параметров активного четырехполюсника (усилителя)
.4.1 По законам Кирхгофа
ПоI закону Кирхгофа:
(1)
(2)
По II закону Кирхгофа:
(3)
(4)
Из (4)
Рис. 2.10 Расчетная схема усилителя для законов Кирхгофа
(6)
Из
(3)
(2.9);
(2.10);
Из
(1)
(2.11)
(2.12);
2.4.2
Методом эквивалентных преобразований матриц

Матрица
примет вид:
.
Матрица
примет вид:
.
Совпадает
с формулой (2.9);
Совпадает
с формулой (2.10);
Совпадает
с формулой (2.11);
Совпадает
с формулой (2.12);
Рис. 2.10 Расчетная схема усилителя для холостого хода
.4.3 Методом холостого хода (хх) и короткого замыкания (кз)
а)
ХХ по выходу (
):
ПоI закону Кирхгофа:
(1)
(2)
По II закону Кирхгофа:
(3)
(4)
Из
(3)
, тогда
Из
(4)
Совпадает
с формулой (2.9);
Совпадает
с формулой (2.11);
б)
КЗ по выходу (
):
Рис. 2.11 Расчетная схема усилителя для короткого замыкания
ПоI закону Кирхгофа:
(1)
(2)
По II закону Кирхгофа:
(3)
(4)
Совпадает
с формулой (2.9);
Совпадает
с формулой (2.12).
.5
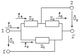
Схема каскадного соединения пассивного и активного четырехполюсников
Рис.
2.12 Расчетная схема каскадного соединения пассивного и активного четырехполюсников
.6
Расчет
параметров каскадного соединения четырехполюсников
.7
Расчет входного сопротивления усилителя (Rвха) нагруженного на Rн
.7.1
Через А,B,C,D параметры активного четырехполюсника
(2.13);
верим значение Rвха со значением, полученным, в Electronics Workbench
(Приложение 1, Рис. 7)
.7.2 По законам Кирхгофа для усилителя нагруженного на Rн
Рис. 2.13 Расчетная схема усилителя нагруженного на Rн
ПоI закону Кирхгофа:
(1)
(2)
По
II закону Кирхгофа:
(3)
(4)
(5)
Из
(5)
(6)
Из
(4)
(7)
Из
(3)
(8)
Из
(1)
(9)
Совпадает
с формулой (2.13).
3
Расчет коэффициентов передачи четырехполюсни-ков и их каскадного соединения
.1 Расчет коэффициента передачи по напряжению (Кп) пассивного четырехполюсника,
на-груженного на сопротивление Rвха
3.1.1
Через
параметры пассивного четырехполюсника
(2.14)
.1.2 По законам Кирхгофа
Рис. 3.1 Расчетная схема пассивного четырехполюсника для нахождения Rвха
четырехполюсник каскадный ток напряжение
По I закону Кирхгофа:
(1)
(2)
По II закону Кирхгофа:
(3)
(4)
(5)
Совпадает
с формулой (2.14).
3.2 Расчет коэффициента передачи по напряжению (КА) активного
четырёхполюсника, на-груженного на сопротивление Rн
Построим график зависимости КА(w) и ψ(w) и сверим их с графиками в
Electronics Workbench (Приложение 1, Рис. 9)
Рис. 3.2 График за-висимости КА(w) и ψ(w) для усилителя
.3 Расчет коэффициента передачи по напряжению (Кк) каскадного соединения
четырёх-полюсников, нагруженных на сопротивление Rвха
3.3.1
Через
параметры каскадного соединения четырёхполюсников
3.3.2 По коэффициентам передачи Кп и КА четырёхполюсников
3.4 Расчет комплексно-частотной характеристики (КЧХ) по напряжению для
пассивного четырёхполюсника [Кп(jw)], нагруженного на сопротивление Rвха
Построим график зависимости Кп(w) и сверим его с графиком в Electronics
Workbench (Приложение 1, Рис. 2)

Мы имеем
широкополосный фильтр (пропус-кает весь диапозон частот представлееных на
графике).
Построим график зависимости ψ(w) и сверим его с графиком в
Electronics Workbench (Приложение 1, Рис. 2)
|
Частота(Гц)
|
АЧХ
|
ФЧХ
|
Приложение 1
|
|
|
50
|
0,10893469
|
-1,64251757
|
Рис. 3
|
|
|
100
|
0,10729663
|
-1,17922786
|
Рис. 3
|
|
|
200
|
0,10664356
|
Рис. 4
|
|
|
400
|
0,10645527
|
-0,34131619
|
Рис. 4
|
|
|
800
|
0,10640638
|
-0,17201729
|
Рис. 5
|
|
|
1600
|
0,10639403
|
-0,08618009
|
Рис. 5
|
|
2.12 Расчет КЧХ по напряжению каскадного соединения пассивного и
активного четырёх-полюсников[Кк(jw)].
Построим
график зависимости Кк(w) и сверим его с графиком в Electronics Workbench
(Приложение
1, Рис. 11)
Построим
график зависимости ψ(w) и сверим его с графиком в Electronics Workbench
(Приложение 1, Рис. 11)
4. Анализ цепи в переходном режиме
4.1 Исходная схема переходного процесса
Рис. 4.1 Исходная схема переходного процесса
.2 Условно положительное направление токов и напряжений
Рис. 4.2 Условно положительное направление токов и напряжений
.3 Независимые начальные условия (докоммутационная схема, законы
коммутации)
Рис.
4.3 Докоммутационная схема
.4
Характеристическое уравнение (послекоммутационная схема, без источников
питания)
Рис. 4.4 Послекоммутационная схема
Приравняем характеристическое уравнение к нулю:
.5 Зависимые начальные условия (послекоммутационная схема, законы
коммутации)
.5.1 Расчет uвха(+0)
Так как переходный процесс в ветви содержащий элементы R1 и C1 (Рис. 4.5)
не влияет на изменение напряжения на элементе Rвха, то мы можем убрать эту
ветвь, тогда схема примет вид (Рис. 4.6).
Рис. 4.5 Послекоммутационная схема
Запишем уравнения Кирхгофа:
По I закону Кирхгофа:
По II закону Кирхгофа:
Подставляя независимые начальные условия получаем:

Из
(3)
(4)
Из
(2)
Из
(1)
.5.2
Расчет
Перейдем
к производным:
Заменяя
=
,
и
получаем
Из
системы уравнений находим, что
.6
Расчет принужденной составляющей входного напряжения uвха пр(t)
верим
значение модуля принужденной составляющей со значением, полученным, в
Electronics Workbench (Приложение 1, Рис. 19)
.7
Расчет постоянных интегрирования A1 и A2
Так
как переходный процесс в ветви содержащий элементы R1 и C1 не влияет на
изменение напряжения на элементе Rвха, то свободную составляющую напряжения
(uвха св(t)) определим в виде:
, а A2=0,
мВ;
4.8
Операторный метод
Рис.
4.7 Условно положительное направление токов и напряжений
а)
Условно положительное направление токов и напряжений
б)
Независимые начальные условия
в)
Операторная форма для послекоммутаци-онной схемы.
Решив
систему уравнений получаем, что



4.9
Расчет напряжения uвых(t) на резисторе Rн
верим
значение выходного напряжения на резисторе Rн со значением, полученным, в
Electronics Workbench (Приложение 1, Рис. 21).
Построим график зависимости uвх(t)
Построим график зависимости uвых(t)
Построим график зависимости свободной составляющей uсв(t)
Построим график зависимости принужденной составляющей uпр(t)
Приложение 1 (Electronics Workbench)
Рис 1
Рис 2
Рис. 3
Рис. 4
Рис. 5
Рис. 6
Рис. 7
Рис. 8
Рис. 9
Рис. 10
Рис.11
Список использованной литературы
1.
Л.А.Бессонов Теоретические основы электротехники. Электрические цепи:М.:Высшая
школа, 1996г. - 638 стр.;
. Методические
указания к курсовой работе по теории электрических цепей;
. Курс
лекций по теоретическим основам электротехники Крымской Т.М.