Кинематика точки и вращательное движение тела

  • Вид работы:
    Контрольная работа
  • Предмет:
    Физика
  • Язык:
    Русский
    ,
    Формат файла:
    MS Word
    575,58 Кб
  • Опубликовано:
    2012-06-29
Вы можете узнать стоимость помощи в написании студенческой работы.
Помощь в написании работы, которую точно примут!

Кинематика точки и вращательное движение тела

Задание 1. Кинематика точки


По заданным уравнениям движения точки М установить вид её траектории и для момента времени t=t1(с) найти положение точки на траектории, её скорость, полное, касательное и нормальное ускорения, а также радиус кривизны траектории.

Дано:

Уравнения движения

t1, с

x=x(t), см

y=y(t), см


-4t2 +1

-3t

1


1. Уравнение траектории. Для определения уравнения траектории точки исключим время  из заданных уравнений движения.

Воспользуемся свойством тригонометрических функций

.

Тогда ,

и

и .

Это уравнение параболы.

2. Скорость точки. Скорость найдем по ее проекциям на координатные оси:

, где

, . При =1 с

(см/с),  (см/с),

(см/с).

. Ускорение точки. Находим аналогично:

,

,

и при =1 с

(см/с2),

 (см/с2),

(см/с2).

4. Касательное ускорение. Найдем, дифференцируя равенство

.

Получим

,

откуда

и при =1 с

(см/с2).

. Нормальное ускорение.

(см/с2).

. Радиус кривизны траектории.

(см).

v

a

at

an

r

см/с

см/с2

см

1,43

0,49

-0,3

0,39

5,2

 

Задание 2. Вращательное движение тела


Вал электродвигателя, связанный со шкивом 1 ременной передачи, вращается равноускоренно в течение t секунд. Найти передаточные числа передач, угловые скорости и угловые ускорения звеньев, скорость и ускорения точки М для момента времени t1.


Кинематические пары механизма:

O(0-1); A(1-2); B(2-3);B(3-4); C(0-3); E(4-5);К(0-5) - вращательные пары 5 класса;

Число всех звеньев механизма:

m = 6.

Число подвижных звеньев механизма:

n = 5.

Число степеней свободы механизма:

W = 3×n - 2×P5 - P4= 3×5 - 2×7 - 0 = 1,

где P5 - число пар 5-го класса (низшие пары);

P4 - число пар 4-го класса (высшие пары).

Разложим механизм на группы Ассура

Рассмотрим группу (4-5)


К(0-5) - возможная пара;

Е(4-5) - действительная пара;

В(3-4) - возможная пара.

Wгр = 3×n - 2×P5 = 3×2 - 2×3 = 0,

где Wгр - степень свободы группы;

n - число подвижных звеньев группы;

Р5 - число пар 5-го класса, входящих в группу.

Формула группы:


Рассмотрим группу (2-3)


n = 2

А(1-2) - возможная пара;

В(2-3) - действительная пара;

В(3-4) - возможная пара.

Wгр = 3×n - 2×P5 = 3×2 - 2×3 = 0,

Формула группы:


Рассмотрим начальный механизм


n = 1;

W = 3×n - 2×P5 - P4;

O(0-1) - действительная пара

W = 3×1 - 2×1 = 1.

Формула механизма


Структурная формула механизма:


Механизм II класса 1 вида.

Планы скоростей строим повернутыми на 90о графо-аналитическим методом, решая системы векторных уравнений.

Определяем скорость точки М0 механизма:

VA = ω1×lAO = 15×0,06 = 0,9 м/с,

где VA - скорость точки А, м/с;

lAO - длина звена, м.

 

где mV - масштабный коэффициент плана скоростей, ;

Найдем скорость точки.

Точка принадлежит звеньям 2 и 3. Её положение на плане скоростей определяется как точка пересечения линий действия соответствующих векторов скоростей.




Так как точка С неподвижна, то:

Определим скорость точки Е, принадлежащей звеньям 4 и 5:




Точка К является неподвижной опорой:

где V - линейная скорость точки или звена, м/с;

- вектор скорости точки, или звена.

VB = pb × μV = 66,6 × 0,0198 = 1,32 м/с;

VE = pe × μV = 59,3× 0,0198 = 1,17 м/с;

VD = pd × μV = 96,2 × 0,0198 = 1,9 м/с;

VF = pf × μV = 117,7 × 0,0198 = 2,33 м/с;

VAB = ab × μV = 45,7 × 0,0198 = 0,9 м/с;

VDF = df × μV = 182,4 × 0,0198 = 3,61 м/с.

Угловые скорости звеньев определяются по формуле:


где w - угловая скорость звена, с-1;- скорость звена, м/с;- длина звена, м.

Массы звеньев 1, 2, 3, 5 не заданы, поэтому их силы тяжести не учитываем. Приведенный момент Mп представим в виде пары сил Pп с плечом AB. Приведение произведем с помощью “Рычага Жуковского”. Одна из составляющих пары сил Pп не будут иметь момента относительно полюса плана скоростей, поэтому ее не показываем. Величину и направление Pп определим из равенства - по величине и направлению - момента силы Pп сумме моментов сил GШ и GF относительно полюса.

Для положения 1:


где pa, ,  - плечи сил (снимаются с планов скоростей), мм;

Pпр - приведенная сила, Н;


Для положения 2:



Для положения 3:



Для положения 4:



Для положения 5:




Для положения 6:



Для положения 7:



Для положения 8:



Для положения 9:


Для положения 10:



Для положения 11:




Для положения 12:



Приведенный момент будем определять по формуле:


где Мс - приведенный момент сил сопротивления, Н×м.

Для расчетного положения:


Строим план ускорений для расчётного положения.

Ускорения точек звеньев будем определять по формуле:

,

где  - полное ускорение точки, ;

 - нормальное ускорение точки, ;

 - тангенциальное (касательное) ускорение точки, ;

Так как угловая скорость кривошипа постоянна, то .

Из произвольно выбранного полюса откладываем вектор . Найдём масштабный коэффициент плана ускорений:


Для нахождения ускорений точек звеньев используем графоаналитический метод.

Точка B принадлежит звеньям 2 и 3. Её положение на плане ускорений определяется как точка пересечения линий действия соответствующих векторов ускорений:



Точка b находится на пересечении линий действия ,.

 ();

Так как стойка неподвижна, то ac=0.

 ();

Точка Е принадлежит звеньям 4 и 5:



Точка e находится на пересечении линий действия , .

 ()

Положение точек на плане ускорений определим исходя из пропорциональности отношений длин звеньев c учетом обхода точек.


Ускорения точек и звеньев:


Тангенциальные ускорения:


Угловые ускорения звеньев:

,;

,

,

,

Силы инерции:

“-“ показывает направление силы инерции. Сила инерции направлена противоположно ускорению.

Приведенные моменты инерции:


Момент инерции звеньев:


Момент инерции направлен противоположно угловому ускорению.

Рассмотрим группу Ассура 4-5.

Тангенциальные реакции определим аналитически из уравнений моментов относительно точки Е звена 4:

;

;

где BF, EK,,,,- плечи соответствующих сил, снятые с плана положений, мм;

0;

Реакции () и () определим графически через сумму всех сил для всей группы:


Определим масштабный коэффициент плана сил:


где - масштабный коэффициент группы 4-5, Н/мм;

 - вектор силы GШ, принятый равным 100, мм;

 

Задание 3. Кинематика твердого тела

ускорение точка вал ползунный

Для внецентренного кривошипно-ползунного механизма выполнить кинематический анализ с использованием аналитического и графоаналитического способа.

Дано:

Заданы следующие параметры кривошипно-ползунного механизма

Yb =- 0,003 м

угловая скорость кривошипа ω1 = 240 с-1 = const. Направление движения кривошипа против часовой стрелки

m3 = m2, где m3 - масса ползуна 3; m2 - масса шатуна 2

Р = 2F1, где F1 - сила инерции кривошипа 1;

q = 10 - масса одного метра длинны звена


Построение плана 12 положений механизма

Определяем масштабный коэффициент длин, представляющий собой отношение действительной длины в метрах к длине отрезка на чертеже в миллиметрах. Изображаем длину кривошипа lОА на чертеже отрезком lОА, равным 51 мм. Тогда масштабный коэффициент будет иметь величину:

μl =  =  = 0,00333

Остальные длины звеньев, изображенные на чертеже, будут иметь следующие значения:

l′АВ =  =  = 150 ,

l′ВС =  =  = 75 ,

е′ =  =  = 30

Из произвольной точки О откладываем отрезок lОА = 51 мм. Далее проводим горизонтальную прямую Х, отстоящую от точки О по вертикали на величину е′. Из точки А раствором циркуля, равным lАВ, на оси Х делаем засечку, получая точку В. На продолжении линии АВ откладываем расстояние lВС и отмечаем точку С. Указываем положение центров масс S1, S2, S3,(для положений механизма 2 и 7) которые находятся в серединах отрезков ОА, АС, и в точке В. Аналогичным образом строим и другие положения механизма, которые отличаются величинами угла φ1. Получаем план 12 положений механизма. Положение механизма 2 и 7 выделяем толстыми линиями.

Построение плана скоростей положения механизма №2

Отдельно вычерчиваем положение механизма №2

Определяем скорость точки А.

 

VA = ω1lОА = 12 ∙ 0,17 = 2,04 .

Находим масштабный коэффициент скоростей, для чего полученную величину делим на длину вектора этой скорости, выбранную равной ра = 150 мм.

μV =  =  = 0,0136

Из произвольной точки р (полюса скоростей) проводим вектор A длиной 150 мм, который перпендикулярен кривошипу ОА и направлен в сторону его вращения. Скорость точки В находим графически, используя векторные уравнения:

B = A + BA, B = B+ BB

Здесь точка В′ принадлежит стойке Х.

Так как скорости точек О и В′ равны нулю, то точки о и b′ помещаем в полюсе. Уравнения решаются так. Из точки а проводим линию, перпендикулярную шатуну АВ, а из полюса - прямую, параллельную стойке Х. На пересечении ставим стрелки, получая векторы скоростей B и BA. Для нахождения положения точки с используем отношение:

 = , bc =  =  = 37,6 мм

Откладываем эту величину на продолжении линии аb. Полученную точку соединяем с полюсом, получая вектор скорости C. Численные значения скоростей получаем путем замер каждого вектора и умножения полученной величины на μV.

 

VB = pb ∙ μ V = 135,5 ∙ 0,0136 = 1,8

VВА = ba ∙ μ V = 75,5 ∙ 0,0136 = 1

VC = pc ∙ μ V = 145,5 ∙ 0,0136 = 2

Находим угловую скорость ω2 шатуна:

ω2 =  =  = 2

Направление этой скорости можно найти, поместив вектор BA в точку В и посмотрев, куда повернется шатун АВ относительно точки В. В данном случае - по часовой стрелке. Циркулем обозначим дуговую стрелку скорости ω2, ставя ножку циркуля в точку А.

Угловая скорость ω3 ползуна равна нулю.

Построение плана ускорений положения механизма №2

Ускорение точки А в общем случае складывается из двух составляющих:

āА =  +

 =  ∙ lОА = 122 ∙ 0,17 = 24,5  ;

 = ε1 ∙ lОА = 0, т.к. ε1 =  = 0

Следовательно, аА =  = 24,5

Масштабный коэффициент ускорений можно найти путем деления этой величины на длину πа вектора āА на чертеже, равную 150 мм.

μА =  =  = 0,163

Ускорение точки А направлено параллельно кривошипу ОА от точки А к центру О. Из произвольной точки π (полюса ускорений) проводим вектор āА длиной 150 мм. Ускорение точки В находим графоаналитически, решая систему векторных уравнений:

āВ = āА +  + , āВ = āВ′ +

Ускорения ā0 и āВ′ равны нулю, поэтому точки 0 и b помещаем в полюсе.

Определяем ускорение  :

 =  ∙ lВА = 22 ∙ 0,5 = 2

Это ускорение направлено параллельно шатуну ВА от точки В к точке А. Длина вектора этого ускорения:

ат =  =  = 12,3 мм

В конце вектора  проводим прямую, перпендикулярную шатуну АВ. Из полюса π направляем луч, параллельный стойке Х. На пересечении ставим стрелки, получая векторы  и āВ. Точка а и b соединяем и на продолжении от точки b откладываем отрезок bc, получаемый из соотношения:

 = , bc =  =  = 65 мм

Точку с соединяем с полюсом, получая вектор āС. В серединах отрезков оа и са находим положения точек s1 и s2, соединяя которые с полюсом, находим векторы ускорений āS1 и āS2. Вектор ускорения āS3 совпадает с вектором āВ.

Замеряя длины векторов неизвестных ускорений, находим их численные значения:

аB = 𝜋b ∙ μ А = 75 ∙ 0,163 = 12,2 ,

аС = 𝜋с ∙ μ А = 99 ∙ 0,163 = 16,1 ,

 = bт ∙ μ А = 129 ∙ 0,163 = 21 ,

aS1 = 𝜋 s1 ∙ μ А = 75 ∙ 0,163 = 12,2 ,S2 = 𝜋 s2 ∙ μ А = 82 ∙ 0,163 = 13,4 ,S3 = 𝜋 s3 ∙ μ А = 75 ∙ 0,163 = 12,2

Определяем угловое ускорение:

𝜀2 =  =  = 42

Переносим вектор  в точку В механизма и находим, что угловое ускорение направлено против часовой стрелки. Угловое ускорение 𝜀3 ползуна равно нулю.

Аналитическое исследование положения механизма №2

Для проверки точности результатов построения планов скоростей и ускорений найдем линейные и угловые скорости и ускорения аналитическим методом.

Представим звенья механизма в виде векторов, а углы их наклона укажем от положительного направления оси Х против хода часовой стрелки. Определим угол φ2 следующим образом.

Из треугольника АВЕ находим угол α

α = arcsin .

Но АЕ = AD - DE.

Величину AD найдем из треугольника OAD:

AD = OA ∙ sinφ1 = lОА ∙ sinφ1

Т.к. DE = e, то получим:

α = arcsin  = arcsin  = 5,4°

Следовательно, φ2 = 360° - 5,4° = 354,6°

Угловую скорость ω2 шатуна определим по формуле:

ω2 = - ω1  = - 12  = - 2,04

В этой формуле скорость ω1 подставляется со своим знаком. Знак минус указывает, что скорость ω2 направлена по часовой стрелке.

Угловое ускорение 𝜀2 шатуна находим по формуле:

𝜀2 =  = = 42,2

Скорость ползуна определится следующим образом:

VB = ω1 = 12  = - 1,87

Знак минус говорит о том, что скорость направлена в сторону, обратную направлению оси Х.

Ускорение ползуна вычисляем по формуле:

аВ = -  = - =

= -12,28

Отрицательное значение указывает на то, что оно направлено влево.

Сравнение результатов, полученных различными способами, говорит о том, что построения выполнены с высокой точностью.

Отдельно вычерчиваем положение механизма №2

Определяем скорость точки А.

VA = ω1∙ lОА = 12 ∙ 0,17 = 2,04 .

Находим масштабный коэффициент скоростей, для чего полученную величину делим на длину вектора этой скорости, выбранную равной ра = 150 мм.

μV =  =  = 0,0136

Из произвольной точки р (полюса скоростей) проводим вектор A длиной 150 мм, который перпендикулярен кривошипу ОА и направлен в сторону его вращения. Скорость точки В находим графически, используя векторные уравнения:

B = A + BA, B = B′ + BB′

Здесь точка В′ принадлежит стойке Х.

Так как скорости точек О и В′ равны нулю, то точки о и b′ помещаем в полюсе. Уравнения решаются так. Из точки а проводим линию, перпендикулярную шатуну АВ, а из полюса- прямую, параллельную стойке Х. На пересечении ставим стрелки, получая векторы скоростей B и BA. Для нахождения положения точки с используем отношение:

 = , bc =  =  = 70 мм

Откладываем эту величину на продолжении линии аb. Полученную точку соединяем с полюсом, получая вектор скорости C. Численные значения скоростей получаем путем замер каждого вектора и умножения полученной величины на μV.

VB = pb ∙ μ V = 23,3 ∙ 0,0136 = 0,3

VВА = ba ∙ μ V = 139,8 ∙ 0,0136 = 1,9

VC = pc ∙ μ V = 65 ∙ 0,0136 = 0,9

Находим угловую скорость ω2 шатуна:

ω2 =  =  = 3,8

Направление этой скорости можно найти, поместив вектор BA в точку В и посмотрев, куда повернется шатун АВ относительно точки В. В данном случае - против часовой стрелки. Циркулем обозначим дуговую стрелку скорости ω2, ставя ножку циркуля в точку А.

Угловая скорость ω3 ползуна равна нулю.

Построение плана ускорений положения механизма №7

Ускорение точки А в общем случае складывается из двух составляющих:

āА =  +

 =  ∙ lОА = 122 ∙ 0,17 = 24,5  ;

 = ε1 ∙ lОА = 0, т.к. ε1 =  = 0

Следовательно, аА =  = 24,5

Масштабный коэффициент ускорений можно найти путем деления этой величины на длину πа вектора āА на чертеже, равную 150 мм.

μА =  =  = 0,163

Ускорение точки А направлено параллельно кривошипу ОА от точки А к центру О. Из произвольной точки π (полюса ускорений) (рис. 2.7) проводим вектор āА длиной 150 мм. Ускорение точки В находим графоаналитически, решая систему векторных уравнений:

āВ = āА +  + , āВ = āВ′ +

Ускорения ā0 и āВ′ равны нулю, поэтому точки 0 и b помещаем в полюсе.

Определяем ускорение  :

 =  ∙ lВА = 3,82 ∙ 0,5 = 7,2

Это ускорение направлено параллельно шатуну ВА от точки В к точке А. Длина вектора этого ускорения:

ат =  =  = 44,2 мм

В конце вектора  проводим прямую, перпендикулярную шатуну АВ. Из полюса π направляем луч, параллельный стойке Х. На пересечении ставим стрелки, получая векторы  и āВ. Точка а и b соединяем и на продолжении от точки b откладываем отрезок bc, получаемый из соотношения:

 = , bc =  =  = 38,7 мм

Точку с соединяем с полюсом, получая вектор āС. В серединах отрезков оа и са находим положения точек s1 и s2, соединяя которые с полюсом, находим векторы ускорений āS1 и āS2. Вектор ускорения āS3 совпадает с вектором āВ.

Замеряя длины векторов неизвестных ускорений, находим их численные значения:

аB = 𝜋b ∙ μ А = 110,5 ∙ 0,163 = 18 ,

аС = 𝜋с ∙ μ А = 107,7 ∙ 0,163 = 17,5 ,

 = bт ∙ μ А = 62,6 ∙ 0,163 = 10,2 ,

aS1 = 𝜋 s1 ∙ μ А = 75 ∙ 0,163 = 12,2 ,S2 = 𝜋 s2 ∙ μ А = 117 ∙ 0,163 = 19 ,S3 = 𝜋 s3 ∙ μ А = 110,5 ∙ 0,163 = 18

Определяем угловое ускорение:

𝜀2 =  =  = 20,4

Переносим вектор  в точку В механизма и находим, что угловое ускорение направлено по часовой стрелке. Угловое ускорение 𝜀3 ползуна равно нулю.

Аналитическое исследование положения механизма №7

Для проверки точности результатов построения планов скоростей и ускорений найдем линейные и угловые скорости и ускорения аналитическим методом.

Представим звенья механизма в виде векторов, а углы их наклона укажем от положительного направления оси Х против хода часовой стрелки. Определим угол φ2 следующим образом.


α = arcsin .

Но АЕ = AD + DE

Величину AD найдем из треугольника OAD:

AD = OA ∙ sin(φ1 - 180°) = lОА ∙ sin(210° - 180°) = lОА ∙ sin30°

Т.к. DE = e, то получим:

 

α = arcsin  = arcsin  = 21,7°

Следовательно, φ2 = α = 21,7°

Угловую скорость ω2 шатуна определим по формуле:

ω2 = - ω1  = - 12  = 3,8

В этой формуле скорость ω1 подставляется со своим знаком. Знак плюс указывает, что скорость ω2 направлена против часовой стрелки.

Угловое ускорение 𝜀2 шатуна находим по формуле:

𝜀2 = = =

= - 20,6

Скорость ползуна определится следующим образом:

VB = ω1 = 12  = 0,3

Знак плюс говорит о том, что скорость направлена по направлению оси Х.

Ускорение ползуна вычисляем по формуле:

аВ = -  = - =

= 18,3

Положительное значение указывает на то, что оно направлено вправо.

Сравнение результатов, полученных различными способами, говорит о том, что построения выполнены с высокой точностью.

Изображаем механизм в положении №2 с обозначением масштабного коэффициента μl = 0,00333 . На механизм действуют следующие силы:

.        Сила полезного сопротивления , указываемая в задании. Она проложена в точке В ползуна 3 и направлена горизонтально.

.        Силы тяжести , определяемые через массы звеньев, которые можно условно найти по формуле m = q l, где q - единицы длины звена, l - длина звена:

m1 = q ∙ l1 = 10 ∙ 0,17 = 1,7 кг

m2 = q ∙ l2 = 10 ∙ 0,75 = 7,5 кг

m3 = m2 = 7,5 кг

Следовательно,

Q1 = m1 ∙ g = 1,7 ∙ 9,8 = 16,7 H

Q2 = m2∙ g = 7,5 ∙ 9,8 = 73,5 H

Q3 = m3 ∙ g = 7,5 ∙ 9,8 = 73,5 H

Силы тяжести прикладываются в центрах масс S1, S2, S3 и направлены вертикально вниз.

.        Силы инерции звеньев , определяемые по формуле F = m as

F1 = m1 = 1,7 ∙ 12,2 = 24,7 H

F2 = m2 = 7,5 ∙ 13,4 = 100,5 H

F3 = m3 = 7,5 ∙ 12,2 = 91,5 H

Эти силы прикладываются в центрах масс и направлены они в стороны, обратные ускорениям

4.      Моменты сил инерции М, которые можно найти по формуле

 

М = Is ε, где

 

Is - моменты инерции звеньев относительно центральных осей

М1 =  ∙ ε1 = 0, т.к. ε1 = 0

М2 =  ∙ ε2

М3 =  ∙ ε3 = 0, т.к. ε3 = 0

Моменты инерции звеньев определяем по формуле

Is =

 =  =  = 0,35 кгм2

Следовательно,

М2 =  ∙ ε2 = 0,35 ∙ 42,2 = 14,77 Нм

Моменты сил инерции направлены в стороны, обратные угловым ускорениям.

. Уравновешивающая сила у, прикладываемая в точке А кривошипа 1 и на - правленная перпендикулярно ему. В нашем случае она направлена вверх.

Изображаем отдельно структурную группу, состоящую из шатуна 2 и ползуна 3. Реакцию 12 направляем произвольно, а реакцию 03 - вертикально. Пусть она направлена вверх. Рассматриваем равновесие группы и записываем уравнение моментов относительно точки А. Для этого сначала из точки А проводим перпендикуляры ко всем силам, замеряем их длины в миллиметрах и умножаем на μl, получая их величины:

 =  ∙ μl = 112 ∙ 0, 00333 = 0,37 м

 =  ∙ μl = 54,2 ∙ 0, 00333 = 0,18 м

 =  ∙ μl = 149,3 ∙ 0, 00333 = 0,5 м

 =  ∙ μl = 14,2 ∙ 0, 00333 = 0,05 м

 =  ∙ μl = 149,3 ∙ 0, 00333 = 0,37 м

 =  ∙ μl = 14,2 ∙ 0, 00333 = 0,05 м

Уравнение равновесия будет иметь вид:

 = - Q2  + F2  - Q3 + F3  + R03  + P  -

M2 = 0

R03 = 03 =  = 107,16 H

Используя графическое условие равновесия группы = 0, составляем силовой многоугольник (рис. 3.3) в масштабе μF = 1 .

Вычисляем длины векторов сил:

=  =  = 73,5 мм

=  =  = 73,5 мм

=  =  = 73,5 мм

=  =  = 91,5 мм

=  =  = 49,4 мм

=  =  = 107,16 мм

Сначала строим силы одного звена, а затем силы действующие на другое звено. Начало первой силы (2) обозначаем точкой. Соединяем конец последней силы (03) с начало первой, получая вектор 12, который направлен в начало силы 2. Замеряем длину этого вектора в миллиметрах и умножаем на μF, получая величину силы 12.

R12 =  ∙ μF = 233,1 ∙ 1 = 233,1 H

Вектор 12 перечеркиваем и направляем его так, как он идет в многоугольнике.

Чтобы получить реакцию в шарнире В, нужно рассмотреть равновесие второго звена. Для этого начало силы 12 нужно соединить с концом силы 2. Получаем вектор 32, который идет в начало силы 12. Замеряем длину этого вектора и умножаем на μF, получая значение силы 32.

R32 =  ∙ μF = 145 ∙ 1 = 145 H

Изображаем отдельно кривошип 1 со всеми силами, причем реакцию 01 направляем пока произвольно, а сила 21 направлена в сторону, обратную силе 12, т.е. 21 = - 12. Из точки О проводим перпендикуляры ко всем силам, замеряем их и умножаем на μl. Получаем длины плеч сил.

 =  ∙ μl = 12,7 ∙ 0, 00333 = 0,04 м

 =  ∙ μl = 44,2 ∙ 0, 00333 = 0,15 м

Рассматривая равновесие кривошипа, записываем уравнение моментов относительно точки О.

 = - Q1  - R21  + Pу ∙ lОА = 0

Откуда

Ру =  =  = 209,6 H

Используя графическое условие равновесия кривошипа = 0, составляем силовой многоугольник в масштабе μF = 2 .

Находим длины векторов:

=  =  = 8,35 мм

=  =  = 116,5 мм

=  =  = 104,8 мм

Соединяем начало первой силы 1 и конец последней у, получаем вектор 01, который направлен в начало силы 1. Находим величину этой силы:

R01 =  ∙ μF = 68,7 ∙ 2 = 137,4 H

Вектор 01 перечеркиваем и направляем так, как он идет в многоугольнике.

Для проверки точности расчетов и построений найдем уравновешивающую силу по методу Жуковского. Момент силы инерции второго звена М2 заменяем парой сил  и  (рис. 3.1), действующих в точках А и С и направленных перпендикулярно шатуну АС. При этом направление пары сил совпадает с направлением момента М2.

Найдем величины этих сил:

 =  =  =  = 19,7 H

Переносим с первого листа курсовой работы план скоростей, на который помещаем все внешние силы (рис. 3.6), проложив их в соответствующие точки и повернув на 90° по часовой стрелке. Из полюса скоростей р проводим к силам перпендикуляры, которые являются плечами сил. Замеряем длины перпендикуляров и записывает уравнение моментов относительна полюса р.

= Q1 + F2  + Q2 + F3 ∙ pb + P ∙ pb -  ∙  - Pу ∙ pа -  ∙  = 0

Ру =

Pу =  =

= 107,16 H

Сравнение результатов, полученных двумя способами, говорит о том, что погрешность вычислений и построений незначительна.

 

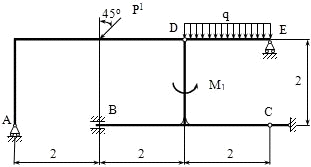
Задача 1. Статика


Дано:

P1=1kH1=28kH=1kH/mA RB RCD RE -?


(1)   ΣFkx=XD1-P1*Sin45o=0

(2)     ΣFky=RA+YD1-P1*Cos45o=0

(3)       ΣMD(Fk)=-RA*4+P1*2*Sin45o=0


(1)=>XD1=P1*Sin45o≈5.66(kH)

(3)=>RA=(2P1*Sin45o)/4≈2.83(kH)

(2)=>YD1=P1*Cos45o-RA≈2.83(kH)


(4) ΣFkx=XD2=0

(5) ΣFky=YD2+RE-Q=0

(6) ΣMD(Fk)=-Q*1+RE*2=0=q*2=2(kH)

(4)=>XD2=0(kH)

(6)=>RE=Q/2=1(kH)

(5)=>YD2=Q-RE=1(kH)

)

(7) ΣFkx=XD3+RC=0

(8) ΣFky=RBYD3=0

(9) ΣMB(Fk)=MB+M1+YD3*2-XD3*2=0

(10) XD1+XD2+XD3=0

(11) YD1+YD2+YD3=0

(10)=>XD3= -XD1-XD2= -5.66(kH)

(11)=>YD3= -YD1-YD2= -3.83(kH)

(7)=>RC= - XD3=5.66(kH)

(8)=>RB= - YD3=3.83(kH)

(9)=>MB= -M1-2*YD3+2*XD3= -31.66(kHm)

Проверка:

ΣFKX= -P1*Sin45O+RC= -5.66+5.66=0

ΣFKY=RA-P1*Cos45O+RE-Q+RB=2.83-8*Cos45O+1-2+3.83=0

ΣMD(FK)= -RA*4+P1*2* Sin45O-Q*1+RE*2+M1+MB-RB*2+RC*2= - 4*2.83+16* Sin45O-2+2*1+28-31.66-2*3.83+2*5.66=0

Ответ:

MB

RA

RB

RC

XD1

XD2

XD3

YD1

YD2

YD3

RE

-

+

+

+

+


-

+

+

-

+

31.66

2.83

3.83

5.66

5.66

0

5.66

2.83

1

3.83


kHm

kH

kH

kH

kH

kH

kH

kH

kH

kH

kH


Задача 2. Статика

 

Дано: М=100 Нм, 10 Н, 40 Н, l==0,5 м.

Найти: Реакции связей в т. А и В

 

РЕШЕНИЕ:

Рассмотрим равновесие жесткой рамы. На раму действуют силы: силы  и , пара сил с моментом М и реакции связей , , .

Неизвестны реакции связей , , .

Для полученной плоской системы сил составим три уравнения равновесия:

уравнение моментов относительно т.А

,

, отсюда

=

== 96 (Н);

уравнения проекций на оси координат

, , отсюда

== -28,7 (Н)

действительное направление реакции противоположно принятому на рисунке;

, , отсюда

== -66,4 (кН)

действительное направление реакции противоположно принятому на рисунке.

Похожие работы на - Кинематика точки и вращательное движение тела

 

Не нашли материал для своей работы?
Поможем написать уникальную работу
Без плагиата!
Без нейросетей!