Исследование влияния нагрузки в начальный момент трехфазного замыкания
Министерство образования Российской
Федерации
Томский политехнический университет
Электротехнический институт
ОТЧЕТ
По лабораторной работе №2
"Исследование влияния
нагрузки в начальный момент
трехфазного замыкания"
Выполнил: студент гр.9А93Т1
Гаврилов О.С.
Проверил: преподаватель
Заподовников К.И.
Томск 2012 г.
Анализ
схемы в программной среде QUCS (активно-индуктивная нагрузка)
Задача исследования: проверить влияние величины нагрузки на
значение тока ударного, периодического, апериодического.
Условие проведение опыта: T=const
Опыт 1) Активное сопротивление нагрузки принимаем 50 Ом,
индуктивность принимаем 0.16 Гн, которая имеет Активное сопротивление 50 Ом.
Опыт 2) Активное сопротивление нагрузки принимаем 25 Ома,
индуктивность принимаем 0.08 Гн, которая имеет Активное сопротивление 25 Ом.
При таком соотношение коэффициент мощности сети будет равен сos=0.7 что является
наиболее распространенным вариантом.
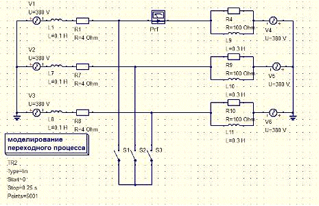
Опыт 1: Rн=50 Ом, Хl=50 Ом
Рис.1 Принципиальная схема (Активно-индуктивная нагрузка)
Рис.2 Осциллограмма токов трехфазного замыкания
(Активно-индуктивная нагрузка-50 Ом)
Расчеты и измерения, фаза "А":
Iуд=15.4 кА
Iп=12 кА
Iа=15.4-12=3.4 кА
Опыт 2: Rн=25 Ом, Хl=25 Ом
Рис.3 Принципиальная схема (Активно-индуктивная нагрузка)
Рис.4 - Осциллограмма токов трехфазного замыкания
(Активно-индуктивная нагрузка-25 Ом)
Расчеты и измерения, фаза "А":
Iуд=13.98 кА
Iп=11.9 кА
Iа=13.98-11.9=2.08 кА
Вывод:
Из опытов моделирования видно, что при увеличении
активно-индуктивной нагрузки ток ударный увеличивается, ток периодический
уменьшается, ток апериодический увеличивается.
Задание:
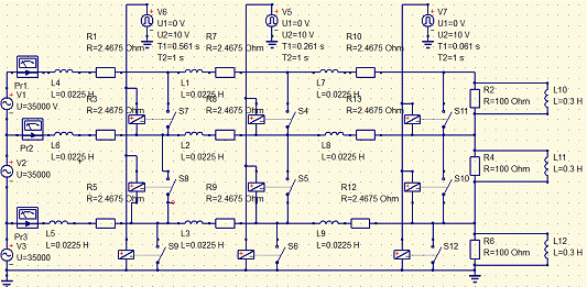
исследовать величину тока короткого замыкания в зависимости от удаленности
точки КЗ от источника питания.
Условие проведения опыта: нагрузка и источник питания неизменны
удаленность короткого замыкания моделируем изменением сопротивления.
Рис.5 - Принципиальная схема
Рис.6 - Осциллограмма действия токов короткого замыкания
Расчеты и измерения, фаза "А":
КЗ - 1
Iуд = 2179 А, Iп = 1491 А.
КЗ - 2
Iуд = 2652 А, Iп = 2362 А.
КЗ - 3
Iуд = 5536 А, Iп = 4707 А.
Вывод:
На осциллограмме показаны токи 3-х фазных замыканий на различных
участках линии электропередач, начиная от самой удаленной точки относительно
источника питания. По осциллограмме видно что величина тока короткого замыкания
уменьшается в зависимости с удалением от источника питания.
ток короткое замыкание компенсатор
Влияние
синхронного компенсатора на токи КЗ
Задача исследования: узнать влияние синхронного компенсатора
на токи КЗ
Даны два режима работы синхронного компенсатора:
· Когда он потребляет энергию из сети режим
нагрузки
· Когда он отдает энергию в сеть.
Опыт 1: Моделирование режима работы синхронного компенсатора
в режиме когда он отдает энергию в сеть:
Рис.7 Принципиальная схема
Характеристика примет вид:

Из характеристики видно, что ударный ток, когда синхронный
компенсатор вырабатывает энергию в сеть, равен 20 кА
Опыт 2: Моделирование режима работы синхронного компенсатора,
когда он потребляет энергию из сети:
Рис.9 Принципиальная схема
Характеристика примет вид:
Рис.10 Осцилограмма
Из характеристики мы наблюдаем, что в нормальном режиме
работы, когда синхронный компенсатор потребляет энергию из сети, ударный ток
равен 17 кА.
Из проделанных опытов следует, что при разных режимов работы
синхронного компенсатора будут изменяться ударные токи. Как оказалось при
вырабатывании энергии в сеть ударный ток будет большим, чем при нормальном
режиме компенсатора. При вырабатывании энергии в сеть синхронный компенсатор
будет подпитывать точку КЗ, тем самым увеличивать ударный ток.