Надежность электрической системы
Введение
электрический система
векторный замыкание
Надежность работы электрической
системы и ее отдельных элементов в значительной степени зависит от того,
насколько правильно и полно при ее проектировании учтены опасные проявления
переходных процессов.
Под переходными понимают процессы
перехода от одного режима работы электрической цепи к другому, отличающемуся от
предыдущего (например, амплитудой и фазой тока, частотой, значениями параметров
схемы).
Переходные процессы возникают в
электрических системах как при нормальной эксплуатации (включение и отключение
нагрузок, источников питания, отдельных цепей, производство испытаний), так и в
аварийных условиях (короткое замыкание, обрыв одной или двух фаз и др.).
Возникновение переходного процесса
связано, с одной стороны, с изменением электромагнитного равновесия
электрической системы, с другой - с нарушением баланса между электромагнитным
моментом и моментом на валу электрической машины.
Исследование переходных процессов
для многих задач можно в какой-то степени идеализировать, учитывая то
обстоятельство, что благодаря довольно большой постоянной инерции электрических
машин скорость протекания электромагнитных и электромеханических процессов
различная.
Это позволяет в принципе единые по
природе переходные процессы условно разделить на электромагнитные и
электромеханические.
1. Аналитический расчет
токов сверхпереходного и установившегося режимов в аварийной цепи при
трехфазном КЗ
1.1 Расчет токов
установившегося режима при трехфазном КЗ
Под установившимся режимом
понимают ту стадию процесса КЗ, когда все возникшие в начальный момент КЗ
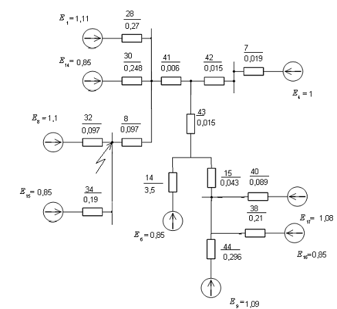
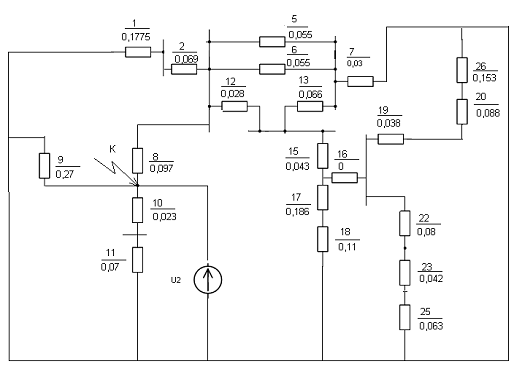
свободные токи практически затухли. На рис. 1 приведена схема заданной
электрической системы с указанием места трехфазного короткого замыкания. Расчет
ведем в относительных единицах, для того чтобы все ЭДС и сопротивления схемы
выразить в относительных единицах, задаемся базисными условиями: базисной
мощностью
МВ·А,
базисным напряжением в точке короткого замыкания
кВ. Отсюда базисный ток:
кА. (1)
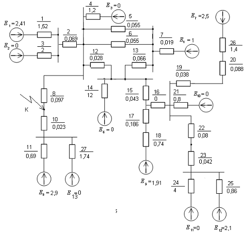
Составляем схему
замещения (рис. 2) и определяем ее параметры, приведенные к базисным условиям
для расчетной схемы.
Для генераторов:
(2)
где
-
ток возбуждения в относительных единицах.
, (3)
где
-
отношение короткого замыкания (задано в табл. 1);
-
номинальная мощность генератора, МВт;
- номинальный
коэффициент мощности генератора. Если задан номинальный ток генератора в
относительных единицах в режиме до короткого замыкания, то ЭДС генератора
рассчитывается по формуле:
, (4)
где
-
соответственно напряжение, ток в о.е. и коэффициент мощности, при которых
работал генератор до КЗ.
Исходная схема электроэнергетической
системы
Рис. 1. Расчетная схема
электрической системы
Используя формулы (2) - (4)
определяем параметры схемы замещения генераторов:
;
;
;
;
Рис. Схема замещения
системы
;
;
;
Система вводится в схему
замещения ЭДС и сопротивлением:
;
,
Линии электропередачи
представляются реактивным сопротивлением:
, (5)
где
-
удельное сопротивления воздушной линии электропередачи, Ом/км;
-
длина линии, км;
-
базисная мощность, МВ·А;
-
средненоминальное напряжение, взятое по стандартной шкале, кВ.
Пользуясь формулой (5)
рассчитываем сопротивления линий:
W1
и W2
,
W3
и W4
;
W5
;
W6
;
W7
.
W8
Нагрузка вводится в
схему замещения реактивным сопротивлением, а также ЭДС
:
, (6)
где
-
номинальная мощность нагрузки, МВ·А;
- сопротивление
нагрузки, выраженное в относительных единицах.
Пользуясь формулой (6)
рассчитываем сопротивления нагрузок:
H1
,
H2
,
H3
;
H5
H6
H7
Трансформаторы:
, (7)
где
-
напряжение короткого замыкания трансформатора, выраженное в процентах;
-
базисная мощность, МВ·А;
-
номинальная мощность трансформатора, МВ·А.
Используя формулу (7)
определяем сопротивления трансформаторов:
Т2
,
Т4
;
Т3
;
Т5
;
АТ1 обмотка
СН
,
так как
;
обмотка ВН
;
обмотка НН
,
где
;
;
.
Для определения установившегося тока
короткого замыкания сворачиваем схему замещения
ветви с Е1, Х1
и Е2, Х3 преобразуем в ветвь Е14, Х28
;
;
заменим последовательные
сопротивления Х28, Х2 одним Х29
ветви с Е14, Х29
и Е3, Х4 преобразуем в ветвь Е15, Х30
;
;
заменим параллельные
сопротивления Х5, Х6 одним Х31
ветви с Е8, Х11
и Е13, Х27 преобразуем в ветвь Е16, Х32
;
;
заменим последовательные
сопротивления Х32, Х10 одним Х33
;
заменим последовательные
сопротивления Х17, Х18 одним Х34
ветви с Е11, Х24
и Е12, Х25 преобразуем в ветвь Е17, Х35
заменим последовательные
сопротивления Х35, Х23, Х22 одним Х36
ветви с Е17, Х36и
Е10, Х21 преобразуем в ветвь Е18, Х37
заменим последовательные
сопротивления Х26, Х20, Х19 одним Х38
ветви с Е7, Х38 и
Е18, Х37 преобразуем в ветвь Е19, Х39
заменим последовательные
сопротивления Х39, Х16одним Х40
Преобразуем треугольник
сопротивлений 31, 12, 13 в эквивалентную звезду 41, 40, 43:
;
;
.
Преобразованная на
данном этапе схема представлена на рис. 3.
Рис. 3. Промежуточная схема свертки
ветви с Е19, Х40 и
Е9, Х34 преобразуем в ветвь Е20, Х44
заменим последовательные
сопротивления Х44, Х15одним Х45
заменим последовательные
сопротивления Х42, Х7 одним Х46
ветви с Е20, Х45 и
Е6, Х14 преобразуем в ветвь Е21, Х47
заменим последовательные
сопротивления Х47, Х43 одним Х48
ветви с Е21, Х48 и
Е4, Х46 преобразуем в ветвь Е46, Х48
заменим последовательные
сопротивления Х49, Х41 одним Х50
Полученная схема
представлена на рис. 4.
Рис. 4. Промежуточная
схема
ветви с Е22, Х50 и
Е15, Х30 преобразуем в ветвь Е23, Х51
заменим последовательные
сопротивления Х52, Х8 одним Х52
Рис. 5. Результирующая
схема
Суммарная ЭДС и
сопротивление:
;
.
Ток короткого замыкания
в установившемся режиме в относительных единицах исходя из результирующей схемы
замещения:
,
и в именованных:
кА.
1.2 Расчет токов
сверхпереходного режима при трехфазном КЗ
Особенностью начального момента
переходного процесса в синхронном генераторе является то, что синхронная ЭДС
претерпевает изменения. Поэтому необходимо в исследование ввести такие
параметры, которые в начальный момент оставались бы неизменными и тем самым
позволили бы связать предшествующий режим с переходным. Такими параметрами
являются переходные (сверхпереходные) ЭДС и реактивности синхронной машины.
Для определения влияния нагрузки на
ток КЗ раздельно сворачиваем ветви, содержащие генераторы и нагрузки. При
расчете токов сверхпереходного режима генераторы в схему вводятся следующими
параметрами:
, (8)
где
-
начальное сверхпереходное сопротивление;
- базисная мощность,
МВ·А;
-
номинальная мощность генератора, МВт;
, (9)
Определяем параметры
сверхпереходного режима генераторов используя формулы (8) и (9):
;
;
;
;
;
;
;
;
.
В схему замещения
нагрузка вводится ЭДС
и
сопротивлением, которое определяем по формуле:
, (10)
где
-
номинальная мощность нагрузки, МВ·А;
- сопротивление
нагрузки в сверхпереходном режиме, выраженное в относительных единицах.
Пользуясь формулой (10)
находим:
H1
;
;
H2
;
;
H3
;
;
Рис. 6. Схема замещения системы в
сверхпереходном режиме
H4
;
;
H5
;
;
H6
;
.
H7
;
.
Остальные элементы вводятся
сопротивлениями, рассчитанными в предыдущем пункте. Различными методами
преобразования приводим схему рис. 6 к результирующей, содержащей две ветви:
генераторную и нагрузочную. По методу коэффициентов распределения распределяем
сопротивление X2 между ветвями с Х1 и Х3 :
;
;
;
;
;
;
ветви с Е3, Х4 и
Е2, Х29 преобразуем в ветвь Е14, Х30
заменим параллельные
сопротивления Х5, Х6 одним Х31
По методу коэффициентов
распределения распределяем сопротивление X10
между ветвями с Х11 и Х27:
;
;
;
;
;
;
ветви с Е13, Х33 и
Е5, Х9 преобразуем в ветвь Е15, Х34
заменим последовательные
сопротивления Х22, Х23 одним Х35
По методу коэффициентов
распределения распределяем сопротивление X35
между ветвями с Х24 и Х25:
;
;
;
;
;
;
ветви с Е10, Х21 и
Е11, Х36 преобразуем в ветвь Е16, Х38
заменим последовательные
сопротивления Х26,Х20, Х19 одним Х39
ветви с Е7, Х39 и
Е12, Х37 преобразуем в ветвь Е17, Х40
заменим последовательные
сопротивления Х17, Х18 одним Х44
Преобразуем треугольник
сопротивлений 31, 12, 13 в эквивалентную звезду 41, 42, 43(возьмём из
предыдущих расчётов):
Рис. 7. Промежуточная
схема свертки
ветви с Е17, Х40 и
Е9, Х44 преобразуем в ветвь Е18, Х45
По методу коэффициентов
распределения распределяем сопротивление X15
между ветвями с Х38 и Х45:
;
;
;
;
;
;
заменим последовательные
сопротивления Х42, Х7 одним Х48
ветви с Е6, Х14 и
Е16, Х47 преобразуем в ветвь Е19, Х49
По методу коэффициентов
распределения распределяем сопротивление X43
между ветвями с Х46 и Х49:
;
;
;
;
;
.
ветви с Е18, Х50 и
Е4, Х48 преобразуем в ветвь Е20, Х52
По методу коэффициентов
распределения распределяем сопротивление X41
между ветвями с Х51 и Х52:
;
;
;
;
;
.
Схема, полученная на
данном этапе, представлена на рис. 8.
ветви с Е14, Х30 и
Е19, Х54 преобразуем в ветвь Е22, Х56
ветви с Е1, Х28 и
Е20, Х53 преобразуем в ветвь Е21, Х55
Рис. 8. Промежуточная
схема свертки
По методу коэффициентов
распределения распределяем сопротивление X8
между ветвями с Х55 и Х56:
;
;
;
;
;
;
Суммарная ЭДС и
сопротивление ветви нагрузки:
;
Суммарная ЭДС и
сопротивление генераторной ветви:
;
.
Исходя из результирующей
схемы рис. 9 токи по ветвям в относительных единицах:
;
,
Рис. 9. Результирующая
схема
в именованных единицах:
кА;
кА.
По полученным значениям токов КЗ по
ветвям можно сделать вывод, что нагрузка, удаленная от точки КЗ, оказывает
несущественное влияние на результирующий ток КЗ.
Суммарный ток:
кА.
Ударный ток:
кА, (11)
где
-
ударный коэффициент, показывающий превышение ударного тока над амплитудой
периодической слагающей.
2. Расчет по расчетным
кривым токов сверхпереходного и установившегося режимов в аварийной цепи при
симметричном и несимметричном КЗ
.1 Расчет симметричного
КЗ
В схеме рис. 10
генераторы представлены своими сверхпереходными сопротивлениями
и
полной номинальной мощностью
. Расчет ведем по
индивидуальному изменению тока, для чего раздельно сворачиваем ветви
турбогенераторов, гидрогенераторов и системы, используя метод коэффициентов
распределения.
Рис. 10. Схема замещения
системы
заменим последовательные
сопротивления Х22,Х23, Х25 одним Х28
;
заменим последовательные
сопротивления Х26,Х20, Х19 одним Х29
заменим последовательные
сопротивления Х17, Х18 одним Х30
;
заменим параллельные
сопротивления Х5, Х6 одним Х31
заменим последовательные
сопротивления Х1, Х2 одним Х32
заменим последовательные
сопротивления Х10, Х11 одним Х33
эквивалентируем ветви
турбогенераторов S2,
S5:
;
заменим сопротивления Х28,Х29,
Х26 одним Х34
;
Преобразуем треугольник
сопротивлений 31, 12, 13 в эквивалентную звезду 41, 42, 43(возьмём из
предыдущих расчётов):
Промежуточная схема
свертки указана на рис. 11.
Рис. 11. Промежуточная
схема свертки
заменим последовательные
сопротивления Х43, Х15 одним Х35
заменим последовательные
сопротивления Х42, Х7 одним Х36
Эквивалентируем ветви
турбогенераторов S25, S4 :
.
параллельные
сопротивления Х30, Х34 одним Х37
заменим последовательные
сопротивления Х37, Х35 одним Х38
По методу коэффициентов
распределения распределяем сопротивление X41
между ветвями с Х36 и Х38:
;
;
;
;
;
.
Эквивалентируем ветви
турбогенераторов S245,
S3 :
.
заменим параллельные
сопротивления Х32, Х39 одним Х44
По методу коэффициентов
распределения распределяем сопротивление X8 между ветвями с Х40 и Х44:
;
;
;
;
;
.
Результирующая схема с
указанием сопротивлений по ветвям и суммарной мощностью представлена на рис.
12.
Находим расчетные
сопротивления ветвей:
;
.
Рис. 12. Результирующая
схема
По полученному
расчетному сопротивлению из расчетных кривых для времени
и
определяем
периодические составляющие тока:
;
;
,
Номинальные токи по
ветвям:
кА; (11)
кА. (12)
Находим ток ветви
системы:
кА. (13)
Находим ток ветви
нагрузки:
кА
Для того чтобы найти
токи по ветвям в различных режимах в именованных единицах, умножаем
периодические составляющие токов по ветвям найденные по расчетным кривым на
соответствующие номинальные токи ветвей. Токи короткого замыкания в
установившемся режиме по ветвям:
кА;
кА;
в сверхпереходном:
кА;
кА.
Суммарные токи
сверхпереходного и установившегося режимов:
кА;
кА.
2.2 Расчет
несимметричного КЗ
Расчет несимметричного
КЗ ведем по методу симметричных составляющих. Схему замещения прямой
последовательности рассматривать не будем, так как результирующие ЭДС и
сопротивление по ветвям были определены ранее(п2.1,рис.12).
Схема замещения обратной
последовательности приведена на рис. 13, для которой нагрузка не учитывается, а
ЭДС всех генерирующих источников принимается равным нулю. Согласно табл. 2.1
[1] значения сопротивлений обратной последовательности для трансформаторов и
линий берутся из схемы прямой последовательности, за исключением сопротивления
системы обратной последовательности:
где
-
сопротивление системы обратной последовательности, выраженное в относительных
единицах.
Рис. 13. Схема замещения
обратной последовательности
Сворачиваем схему,
применяя известные приемы:
заменим последовательные
сопротивления Х1, Х2 одним Х28
;
заменим последовательные
сопротивления Х22,Х23, Х25 одним Х30
заменим параллельные сопротивления Х5,
Х6 одним Х31
;
заменим последовательные
сопротивления Х10, Х11 одним Х32
;
заменим последовательные
сопротивления Х17, Х18 одним Х33
Преобразуем треугольник
сопротивлений 31, 12, 13 в эквивалентную звезду 41, 42, 43(возьмём из
предыдущих расчётов):
заменим последовательные
сопротивления Х15, Х43 одним Х35
заменим последовательные
сопротивления Х42, Х7 одним Х36
заменим параллельные
сопротивления Х33, Х34 одним Х37
;
заменим последовательные
сопротивления Х37, Х35 одним Х38
заменим параллельные
сопротивления Х9, Х32 одним Х39
Полученная на данном
этапе расчета схема представлена на рис. 14.
Рис. 14. Промежуточная
схема свертки
заменим параллельные
сопротивления Х36, Х38 одним Х40
;
заменим последовательные
сопротивления Х40, Х41 одним Х44
заменим параллельные сопротивления Х44,
Х28 одним Х45
заменим последовательные
сопротивления Х45, Х8 одним Х46
результирующее
сопротивление обратной последовательности:
Рис. 15. Результирующая
схема
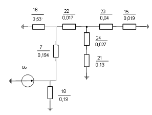
Схема замещения нулевой
последовательности представлена на рис. 16.
Определяем параметры
схемы замещения нулевой последовательности согласно табл. 2.1 [1] и табл. 2.2
[1]:
для системы
;
линии электропередачи
являются одноцепными с хорошо проводящими тросами, поэтому
,
,
,
;
сопротивление нулевой
последовательности трансформаторов равно сопротивлению прямой
последовательности:
,
,
,
;
- реактивность
намагничивания нулевой последовательности трансформатора:
;
линии электропередачи
двухцепные с хорошо проводящими тросами:
,
Рис. 16. Схема замещения нулевой
последовательности
Далее приводим схему рис. 16 к виду
рис. 18:
заменим последовательные
сопротивления Х1, Х2 одним Х16
заменим параллельные
сопротивления Х3, Х4 одним Х17
заменим последовательные
сопротивления Х8, Х9 одним Х18
заменим последовательные
сопротивления Х14,Х13, Х12 одним Х19
заменим параллельные сопротивления
Х19, Х11 одним Х20
заменим последовательные
сопротивления Х20, Х10 одним Х21
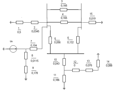
Преобразуем треугольник
сопротивлений 17,5, 6 в эквивалентную звезду 22, 23, 24:
;
;
.
Рис. 17.Преобразование схемы
замещения нулевой последовательности заменим последовательные сопротивления Х23,
Х15 одним Х25
заменим последовательные
сопротивления Х24, Х21 одним Х26
заменим параллельные
сопротивления Х25, Х26 одним Х27
заменим последовательные
сопротивления Х27, Х22 одним Х28
заменим параллельные
сопротивления Х28, Х16 одним Х29
заменим последовательные
сопротивления Х29, Х7 одним Х30
Суммарное сопротивление
нулевой последовательности (рис. 18):
Рис. 18. Схема замещения нулевой
последовательности
Находим дополнительную реактивность
для однофазного КЗ (табл. 2.3 [1]):
.
Согласно правилу Щедрина
распределяем дополнительную реактивность между ветвями (рис. 19):
;
;
;
;
;
;
;
.
Рис. 19. Схема замещения при
несимметричном КЗ
Рис. 20. Результирующая схема
замещения при несимметричном КЗ
Расчетные сопротивления по ветвям:
;
.
Номинальные токи ветвей:
кА;
кА.
По полученному
расчетному сопротивлению из расчетных кривых для времени
и
определяем
относительные токи прямой последовательности, для ветви гидрогенератора:
2,4
1,46;
Поскольку значение расчетного
сопротивления ТГ получились больше 3, то для турбогенератора относительные
значения токов прямой последовательности для моментов времени t=0 и t=¥ определяем по формуле:
кА;
Определяем относительное значение
токов прямой последовательности для моментов времени t=0 и t=¥ для луча системы:
кА;
Определяем величину периодической
слагающей тока в точке несимметричного КЗ. Коэффициент пропорциональности определяем в соответствии с табл.2.3 [1]:
где по табл. 2.3 [1]
коэффициент пропорциональности для однофазного
КЗ
.
3. Построение векторных
диаграмм токов и напряжений в именованных единицах в точке К при несимметричном
режиме
Рис. 21.
Аналитическим способом
определяем составляющие фазных токов и напряжений двухфазного КЗ на землю (в
относительных единицах). Сопротивления симметричных составляющих:
;
;
Граничные условия:
,
Расчет в относительных
единицах:
= -j12,464=12,464
= j8,716=8,716
= j3,747=3,747


=0,401
=1,203
Токи и напряжения в
именованных единицах
кА
кА
кА
кА
кА
кВ
кВ
На рис. 22 и 23
представлены векторные диаграммы токов и напряжений при двухфазном коротком
замыкании на землю.
Рис. 22. Векторная диаграмма
напряжений
Рис. 23. Векторная диаграмма токов
4. Аналитический расчет
токов КЗ в аварийной цепи 0,4 кВ
При составлении схем замещения в
качестве основной ступени следуем выбирать ступень напряжения, на которой
находится точка замыкания. Поскольку сопротивления большинства элементов
рассматриваемых сетей задаются в именованных единицах, то весь расчет обычно
ведут также в именованных единицах, при этом ввиду малости самих сопротивлений
их выражают в миллиомах.
Для элементов схемы рис. 24
определяем величины активных и индуктивных сопротивлений, которые затем сводим
в таблицу 2.
Рис. 24. Схема 0,4 кВ
Составим схему замещения:
Рис. 25
Активное и индуктивное сопротивления
трансформатора по (3.6-3.7) [1]:
мОм;
мОм,
где
кВт
- потери короткого замыкания трансформатора;
кВ·А - номинальная
мощность трансформатора;
%
- напряжение короткого замыкания трансформатора;
кВ - средненоминальное
напряжение в месте повреждения.
Индуктивное
сопротивление системы по [1], стр. 88:
мОм.
Активное и индуктивное
сопротивления воздушной линии ((3.8), (3.9) [1]):
мОм,
где
мОм/м
- удельное сопротивление алюминия;
- длина линии, км;
-
площадь поперечного сечения проводов, мм2.
мОм.
Поскольку среднее
геометрическое расстояние между шинами
мм по прил. П10 [2]
активное сопротивление шин
мОм; индуктивное
сопротивление шин:
мОм.
Таблица. Параметры сети
|
Элементы схемы
|
, мОм , мОм
|
|
|
Система
|
-
|
0,229
|
|
Трансформатор
|
3,06
|
14
|
|
Шины
|
2,12
|
3
|
|
Рубильник
|
0,08
|
-
|
|
Автомат
|
0,36+0,6=0,96
|
0,28
|
|
Трансформатор тока
|
0,19
|
0,17
|
|
Воздушные линии
|
1312,5
|
210
|
|
Результирующее сопротивление
|
1318,9
|
227,7
|
Рассчитываем ток трехфазного КЗ в
конце воздушной линии:
А,
если пренебречь
сопротивлениями шин и аппаратуры, ток КЗ будет равным:
А.
Определяем ток
однофазного КЗ, для чего рассчитываем суммарные активные и реактивные
сопротивления прямой и обратной последовательностей:
мОм;
мОм,
мОм;
мОм,
где
,
-
активное и реактивное сопротивления трансформатора нулевой последовательности,
табл. П10 [2]; 3,68 и 0,68 - коэффициенты, найденные по [4] для воздушной линии
(
)
мм2, и необходимые для нахождения сопротивлений воздушной линии
нулевой последовательности.
Ток однофазного короткого
замыкания:
А.
Список литературы
. Силюк С.М., Свита Л.Н. Электромагнитные переходные процессы в
электроэнергетических системах: методическое пособие к курсовой работе. - Мн.:
БНТУ, 2004. - 102 с.
. Ульянов С.А. электромагнитные переходные процессы в
электрических системах. - М.: Энергия, 1970. - 520 с.
. Силюк С.М., Свита Л.Н. электромагнитные переходные процессы:
Учебное пособие для вузов. - Мн.: Технопринт, 2000. - 262 с.
. Методы расчета КЗ в электроустановках переменного тока
напряжением до 1 кВ. - Мн.: 1995.