Аналитический расчет токов сверхпереходного и установившегося режимов
Введение
короткий замыкание ток
напряжение
Надежность работы электрической
системы и ее отдельных элементов в значительной степени зависит от того,
насколько правильно и полно при ее проектировании учтены опасные проявления
переходных процессов.
Под переходными понимают процессы
перехода от одного режима работы электрической цепи к другому, отличающемуся от
предыдущего (например, амплитудой и фазой тока, частотой, значениями параметров
схемы).
Переходные процессы возникают в
электрических системах как при нормальной эксплуатации (включение и отключение
нагрузок, источников питания, отдельных цепей, производство испытаний), так и в
аварийных условиях (короткое замыкание, обрыв одной или двух фаз и др.).
Возникновение переходного процесса
связано, с одной стороны, с изменением электромагнитного равновесия
электрической системы, с другой - с нарушением баланса между электромагнитным
моментом и моментом на валу электрической машины.
Исследование переходных процессов
для многих задач можно в какой-то степени идеализировать, учитывая то
обстоятельство, что благодаря довольно большой постоянной инерции электрических
машин скорость протекания электромагнитных и электромеханических процессов
различная.
Это позволяет в принципе единые по
природе переходные процессы условно разделить на электромагнитные и
электромеханические.
1. Аналитический расчет
токов сверхпереходного и установившегося режимов в аварийной цепи при
трехфазном КЗ
1.1 Расчет токов
установившегося режима при трехфазном КЗ
Под установившимся режимом понимают
ту стадию процесса КЗ, когда все возникшие в начальный момент КЗ свободные токи
практически затухли.
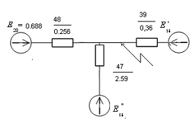
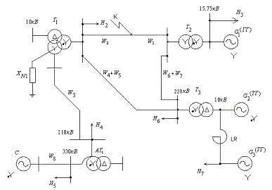
На рис. 1 приведена схема заданной
электрической системы с указанием места трехфазного короткого замыкания. В
табл. 1 указаны данные параметров элементов системы.
Рис. 1. Расчетная схема
электрической системы
Расчет ведем в
относительных единицах, для того чтобы все ЭДС и сопротивления схемы выразить в
относительных единицах, задаемся базисными условиями: базисной мощностью
МВ·А,
базисным напряжением в точке короткого замыкания
кВ. Отсюда базисный ток:
кА. (1)
Составляем схему
замещения (рис. 2) и определяем ее параметры, приведенные к базисным условиям
для расчетной схемы.
Для генераторов:
(2)
где
-
ток возбуждения в относительных единицах.
, (3)
где
-
отношение короткого замыкания (задано в табл. 1);
-
номинальная мощность генератора, МВт;
- номинальный
коэффициент мощности генератора.
Если задан номинальный
ток генератора в относительных единицах в режиме до короткого замыкания, то ЭДС
генератора рассчитывается по формуле:
, (4)
где
-
соответственно напряжение, ток в о.е. и коэффициент мощности, при которых
работал генератор до КЗ.
Таблица. Данные
параметров элементов системы Табл. 1
|
Элемент системы
|
Параметры
|
Элемент системы
|
Параметры
|
|
  
|
|
|
|
|
 CS=∞
|
|
|
|
AT1
T1
|
|
|
|
|
|
T2
|
T3
|
|
|
|
XN1
|
W1
|
|
|
|
LR
|
W2
|
|
|
|
H7
|
W3
|
|
|
|
H2
|
W4
|
|
|
|
H3
|
W5
|
|
|
|
H4
|
W6
|
|
|
|
H5
|
W7
|
|
|
|
H6
|
W8
|
|
|
Используя формулы (2) - (4)
определяем параметры схемы замещения генераторов:
;
;
;
;
;
Рис. 2. Схема замещения
системы
Система вводится в схему
замещения ЭДС и сопротивлением:
;
,
.
Линии электропередачи
представляются реактивным сопротивлением:
, (5)
где
-
удельное сопротивления воздушной линии электропередачи, Ом/км;
-
длина линии, км;
-
базисная мощность, МВ·А;
-
средненоминальное напряжение, взятое по стандартной шкале, кВ.
Пользуясь формулой (5)
рассчитываем сопротивления линий:
W1
,
W2
,
W4
и W5
;
W3
;
W8
;
W6
и W7
.
Нагрузка вводится в
схему замещения реактивным сопротивлением, а также ЭДС
:
, (6)
где
-
номинальная мощность нагрузки, МВ·А;
- сопротивление
нагрузки, выраженное в относительных единицах.
Пользуясь формулой (6)
рассчитываем сопротивления нагрузок:
H2
,
H3
;
H4
;
H5
H6
H7
Трансформаторы:
, (7)
где
-
напряжение короткого замыкания трансформатора, выраженное в процентах;
-
базисная мощность, МВ·А;
-
номинальная мощность трансформатора, МВ·А.
Используя формулу (7)
определяем сопротивления трансформаторов:
Т2
,
Т3
;
Т1 обмотка СН
Х8=
;
обмотка ВН Х9=
;
обмотка НН Х=
,
где Uкв%=0,5(Uквн-сн%+
Uквн-нн %- Uксн-нн%)=0,5(11+17.5-6.5)=11%
Uкс%=0,5(Uквн-сн%+ Uксн-нн
%- Uквн-нн%)=0,5(11+6.5-17.5)= 0%
Uкн%=0,5(Uквн-нн%+ Uксн-нн
%- Uквн-сн%)=0,5(17.5+6.5-11)= 6.5%
АТ1 обмотка
СН
,
так как
;
обмотка ВН
;
обмотка НН
,
где
;
;
.
Реактор:
где Хр -
сопротивление реактора в Ом
Для определения установившегося тока
короткого замыкания сворачиваем схему замещения.
заменим последовательные
сопротивления Х1, Х2 одним Х24
;
ветви с Е2, Х4
и Е1, Х24 преобразуем в ветвь Е11, Х25
;
;
заменим последовательные
сопротивления Х25, Х3, Х5 одним Х26
ветви с Е11, Х26
и Е3, Х6 преобразуем в ветвь Е12, Х27
;
;
заменим последовательные
сопротивления Х27, Х7, Х8, Х9 одним
Х28
;
ветви с Е12, Х28
и Е4, Х10 преобразуем в ветвь Е13, Х29
;
;
ветви с Е5, Х16
и Е6, Х17 преобразуем в ветвь Е14, Х30
заменим последовательные
сопротивления Х30, Х15 одним Х31
ветви с Е9, Х22
и Е10, Х23 преобразуем в ветвь Е15, Х32
заменим последовательные
сопротивления Х32, Х21 одним Х33
ветви с Е17, Х33
и Е7, Х20 преобразуем в ветвь Е18, Х34
заменим последовательные
сопротивления Х34, Х19 одним Х35
ветви с Е18, Х35
и Е8, Х18 преобразуем в ветвь Е19, Х36
Преобразованная на
данном этапе схема представлена на рис. 3.
Рис. 3. Промежуточная
схема свертки
Преобразуем звезду
сопротивлений 12, 14, 31 в треугольник сопротивлений 37, 38, 39:
;
;
.
Преобразованная на
данном этапе схема представлена на рис. 4.
Рис. 4. Промежуточная схема
Произведём рассечение узла А и
одновременно преобразуем треугольник сопротивлений 11, 13, 37 в звезду
сопротивлений 40, 41, 42:
;
;
.
Преобразованная на данном этапе
схема представлена на рис. 5.
Рис. 5. Промежуточная схема
заменим последовательные
сопротивления Х29, Х40 одним Х43
По методу коэффициентов
распределения распределяем сопротивление X42
между ветвями с Х36 и Х38 :
;
;
;
;
;
;
ветви с Е13, Х43
и Е19, Х44 преобразуем в ветвь Е20, Х46
По методу коэффициентов
распределения распределяем сопротивление X41
между ветвями с Х46 и Х45:
;
;
;
;
;
;
Преобразованная на
данном этапе схема представлена на рис. 6.
Рис. 6. Промежуточная схема
Обьединим рассечённый узел в один:
заменим параллельные сопротивления Х39,
Х47 одним Х49
Преобразованная на данном этапе
схема представлена на рис. 7.
Рис. 7. Промежуточная схема
Суммарная ЭДС и сопротивление:
ветви с Е20,
Х48 и Е14, Х49 преобразуем в ветвь
,
;
.
Рис. 8. Результирующая
схема
Ток короткого замыкания
в установившемся режиме в относительных единицах исходя из результирующей схемы
замещения:
,
и в именованных:
кА.
1.2 Расчет токов
сверхпереходного режима при трехфазном КЗ
Особенностью начального
момента переходного процесса в синхронном генераторе является то, что
синхронная ЭДС претерпевает изменения. Поэтому необходимо в исследование ввести
такие параметры, которые в начальный момент оставались бы неизменными и тем
самым позволили бы связать предшествующий режим с переходным. Такими
параметрами являются переходные (сверхпереходные) ЭДС и реактивности синхронной
машины.
Для определения влияния
нагрузки на ток КЗ раздельно сворачиваем ветви, содержащие генераторы и
нагрузки. При расчете токов сверхпереходного режима генераторы в схему вводятся
следующими параметрами:
, (8)
где
-
начальное сверхпереходное сопротивление;
- базисная мощность,
МВ·А;
-
номинальная мощность генератора, МВт;
, (9)
Определяем параметры
сверхпереходного режима генераторов используя формулы (8) и (9):
;
;
;
;
;
В схему замещения
нагрузка вводится ЭДС
и
сопротивлением, которое определяем по формуле:
, (10)
где
-
номинальная мощность нагрузки, МВ·А;
- сопротивление
нагрузки в сверхпереходном режиме, выраженное в относительных единицах.
Пользуясь формулой (10)
находим:
H2
;
;
H6
;
;
Рис. 9. Схема замещения
системы в сверхпереходном режиме
H3
;
;
H4
;
;
H5
;
.
H7
;
.
Остальные элементы вводятся
сопротивлениями, рассчитанными в предыдущем пункте.
Различными методами
преобразования приводим схему рис. 6 к результирующей, содержащей две ветви:
генераторную и нагрузочную.
заменим последовательные
сопротивления Х1, Х2 одним Х24
.
заменим последовательные
сопротивления Х3, Х5 одним Х25
.
По методу коэффициентов
распределения распределяем сопротивление X25
между ветвями с Х24 и Х4 :
;
;
;
;
;
;
ветви с Е3, Х6 и
Е2, Х27 преобразуем в ветвь Е11, Х28
заменим последовательные
сопротивления Х7, Х8, Х9 одним Х29
;
По методу коэффициентов
распределения распределяем сопротивление X29
между ветвями с Х26 и Х28 :
;
;
;
;
;
;
ветви с Е11,
Х31 и Е4, Х10 преобразуем в ветвь Е12,
Х32
По методу коэффициентов
распределения распределяем сопротивление X15
между ветвями с Х16 и Х17 :
;
;
;
;
;
;
По методу коэффициентов
распределения распределяем сопротивление X21
между ветвями с Х22 и Х23 :
;
;
;
;
;
;
ветви с Е7, Х20 и
Е10, Х35 преобразуем в ветвь Е13, Х43
По методу коэффициентов
распределения распределяем сопротивление X19
между ветвями с Х43 и Х36 :
;
;
;
;
;
;
ветви с Е8, Х18 и
Е9, Х45 преобразуем в ветвь Е14, Х46
Рис. 10. Промежуточная
схема свертки
Ввиду малости
сопротивления Х12 им пренебрегаем и дальнейший расчёт ведём без его учёта.
Преобразуем треугольник
сопротивлений X11, X13, X14 в эквивалентную звезду X47,
X48, X49:
;
;
.
По методу коэффициентов
распределения распределяем сопротивление X47
между ветвями с Х32 и Х30 :
;
;
;
;
;
;
По методу коэффициентов
распределения распределяем сопротивление X49
между ветвями с Х44 и Х46 :
;
;
;
;
;
.
ветви с Е12, Х51 и
Е14, Х53 преобразуем в ветвь Е15, Х54
ветви с Е1, Х50 и
Е13, Х52 преобразуем в ветвь Е16, Х55
По методу коэффициентов
распределения распределяем сопротивление X48
между ветвями с Х54 и Х55 :
;
;
;
;
;
.
Рис. 11. Промежуточная
схема свертки
Суммарная ЭДС и
сопротивление ветви нагрузки:
ветви с Е15,
Х57 и Е5, Х34 преобразуем в ветвь
,
;
.
Суммарная ЭДС и
сопротивление генераторной ветви:
ветви с Е16,
Х56 и Е6, Х33 преобразуем в ветвь
,
;
.
Исходя из результирующей
схемы рис. 12 токи по ветвям в относительных единицах:
;
,
Рис. 12. Результирующая
схема
в именованных единицах:
кА;
кА.
По полученным значениям
токов КЗ по ветвям можно сделать вывод, что нагрузка, удаленная от точки КЗ,
оказывает несущественное влияние на результирующий ток КЗ.
Суммарный ток:
кА.
Ударный ток:
кА, (11)
где
-
ударный коэффициент, показывающий превышение ударного тока над амплитудой
периодической слагающей.
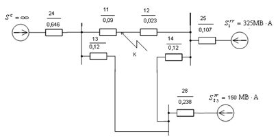
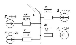
2. Расчет по расчетным
кривым токов сверхпереходного и установившегося режимов в аварийной цепи при
симметричном и несимметричном КЗ
.1 Расчет симметричного
КЗ
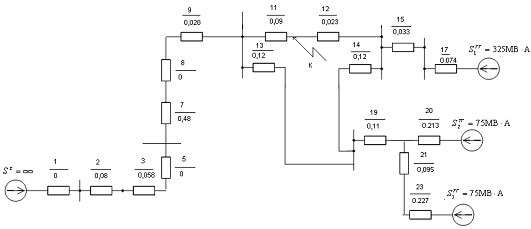
В схеме рис. 13
генераторы представлены своими сверхпереходными сопротивлениями
и
полной номинальной мощностью
. Расчет ведем по
индивидуальному изменению тока, для чего раздельно сворачиваем ветви
турбогенераторов, гидрогенераторов и системы, используя метод коэффициентов
распределения.
Рис. 13. Схема замещения
системы
заменим последовательные
сопротивления Х1, Х2, Х3, Х5, Х7,
Х8, Х9 одним Х24
;
заменим последовательные
сопротивления Х17, Х15 одним Х25
;
заменим последовательные
сопротивления Х21, Х23 одним Х26
;
эквивалентируем ветви
турбогенераторов S2,
S3:
;
заменим параллельные
сопротивления Х26, Х20 одним Х27
;
заменим последовательные
сопротивления Х27, Х19 одним Х28
;
Промежуточная схема
свертки указана на рис. 14.
Рис. 14. Промежуточная
схема свертки
Преобразуем звезду
сопротивлений 12, 14, 25 в треугольник сопротивлений 29, 30, 31:
;
;
.
Рис. 15. Промежуточная
схема свертки
Произведём рассечение
узла А и одновременно преобразуем треугольник сопротивлений 11, 13, 29 в звезду
сопротивлений 32, 33, 34:
;
;
.
Рис. 16. Промежуточная
схема свертки
заменим последовательные
сопротивления Х24,Х32 одним Х35
По методу коэффициентов
распределения распределяем сопротивление X34
между ветвями с Х28 и Х30:
;
;
;
;
;
.
По методу коэффициентов
распределения распределяем сопротивление X33
между ветвями с Х35,Х36 и Х37:
;
;
;
;
;
;
;
Обьединим рассечённый
узел в один:
Результирующая схема с указанием
сопротивлений по ветвям и суммарной мощностью представлена на рис. 17.
Находим расчетные сопротивления
ветвей с ГГ и ТГ:
;
.
Рис. 17. Результирующая
схема
По полученному
расчетному сопротивлению из расчетных кривых для времени
и
определяем
периодические составляющие тока КЗ для ветвей турбогенератора и
гидрогенератора:
;
;
;
;
Номинальные токи по
ветвям:
кА; (11)
кА. (12)
Определяем периодические
составляющие тока КЗ для моментов времени t=0 и t=¥ для луча системы:
кА. (13)
Суммарные токи
сверхпереходного и установившегося режимов:
2.2 Расчет
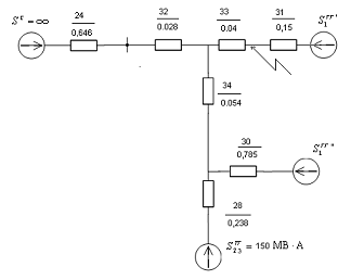
несимметричного КЗ
Расчет несимметричного
КЗ ведем по методу симметричных составляющих. Схему замещения прямой
последовательности рассматривать не будем, так как результирующие ЭДС и
сопротивление по ветвям были определены ранее(п2.1,рис.17).
Схема замещения обратной
последовательности приведена на рис. 18, для которой нагрузка не учитывается, а
ЭДС всех генерирующих источников принимается равным нулю. Согласно табл. 2.1
[1] значения сопротивлений обратной последовательности для трансформаторов и
линий берутся из схемы прямой последовательности.
Рис. 18. Схема замещения
обратной последовательности
Сворачиваем схему,
применяя известные приемы:
заменим последовательные
сопротивления Х1, Х2, Х3, Х5, Х7,
Х8, Х9 одним Х24
;
заменим последовательные
сопротивления Х17, Х15 одним Х25
;
заменим последовательные
сопротивления Х21, Х23 одним Х26
;
заменим параллельные
сопротивления Х26, Х20 одним Х27
;
заменим последовательные
сопротивления Х27, Х19 одним Х28
;
Полученная на данном
этапе расчета схема представлена на рис. 19.
Преобразуем звезду
сопротивлений 12, 14, 25 в треугольник сопротивлений 29, 30, 31:
;
;
.
Преобразуем звезду
сопротивлений 11, 13, 24 в треугольник сопротивлений 32, 33, 34:
;
;
.
Рис. 20. Промежуточная
схема свертки
заменим параллельные
сопротивления Х28, Х30 одним Х35
;
заменим параллельные
сопротивления Х32, Х29 одним Х36
заменим параллельные
сопротивления Х33, Х35 одним Х37
заменим последовательные
сопротивления Х37, Х36 одним Х38
заменим параллельные
сопротивления Х34, Х31 одним Х39
результирующее
сопротивление обратной последовательности:
заменим параллельные
сопротивления Х39, Х38 одним
Рис. 21. Результирующая
схема
Схема замещения нулевой
последовательности представлена на рис. 22
Определяем параметры схемы замещения
нулевой последовательности согласно табл. 2.1 [1] и табл. 2.2 [1]:
- для системы
;
линии электропередачи
являются одноцепными с хорошо проводящими тросами, поэтому
,
,
,
;
сопротивление нулевой
последовательности трансформаторов равно сопротивлению прямой
последовательности:
,
,
,
сопротивление нейтрали
трансформатора:
.
Рис. 22. Схема замещения
нулевой последовательности
заменим последовательные
сопротивления Х15, Х14, Х13 одним Х16
;
заменим параллельные сопротивления
Х16, Х12 одним Х17
заменим последовательные
сопротивления Х17, Х11, Х10, Х9, Х8
одним Х18
;
заменим параллельные
сопротивления Х18, Х1 одним Х19
заменим последовательные
сопротивления Х19, Х7 одним Х20
заменим последовательные
сопротивления Х3, Х5 одним Х21
Рис. 23. Промежуточная
схема свертки
Преобразуем треугольник
сопротивлений X2, X4, X21 в эквивалентную звезду X22,
X23, X24:
;
;
.
заменим последовательные
сопротивления Х6, Х24 одним Х25
заменим последовательные
сопротивления Х20, Х22 одним Х26
заменим параллельные
сопротивления Х25, Х26 одним Х27
Суммарное сопротивление
нулевой последовательности (рис. 24):
заменим последовательные
сопротивления Х27, Х23 одним Х
Рис. 24. Схема замещения
нулевой последовательности
Схема замещения прямой
последовательности является обычной схемой, которую составляют для расчета
симметричного КЗ. Ток прямой последовательности может быть определен как ток
при 3-х фазном КЗ в точке, удаленной от действительной точки КЗ на
дополнительную реактивность
, которая не зависит от
параметров схемы прямой последовательности и определяется результирующими
сопротивлениями обратной и нулевой последовательностей относительно
рассматриваемой точки схемы.
Находим дополнительную
реактивность для однофазного КЗ (табл. 2.3 [1]):
.
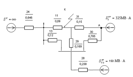
Согласно правилу Щедрина
распределяем дополнительную реактивность между ветвями с ГГ,ТГ и системы(рис.
25):
;
;
;
;
;
;
;
.
Рис. 25. Схема замещения
при несимметричном КЗ
Рис. 26. Результирующая
схема замещения при несимметричном КЗ
Расчетные сопротивления
по ветвям:
;
.
Номинальные токи ветвей:
кА;
кА.
По полученному
расчетному сопротивлению из расчетных кривых для времени
и
определяем
относительные токи прямой последовательности, для ветвей турбогенератора и
гидрогенератора:
;
;
;
;
Определяем относительное значение
токов прямой последовательности для моментов времени t=0 и t=¥ для луча системы:
кА;
Определяем величину периодической
слагающей тока в точке несимметричного КЗ c учетом коэффициента
пропорциональности. Коэффициент пропорциональности определяем в соответствии с
табл.2.3 [1]:
где по табл. 2.3 [1]
коэффициент пропорциональности для однофазного КЗ
.
3. Построение векторных
диаграмм токов и напряжений в именованных единицах в точке К при несимметричном
режиме
Рис. 27
Аналитическим способом определяем
составляющие фазных токов и напряжений однофазного КЗ (в относительных
единицах). Сопротивления симметричных составляющих:
;
;
;
;
;
;
ток в месте повреждения:
;
фазные напряжения в
месте повреждения:
Пересчитываем фазные
токи и напряжения в именованные единицы:
кА;
кА;
кВ;
кВ;
кВ;
кВ.
На рис. 21 и 22
представлены векторные диаграммы токов и напряжений при однофазном коротком
замыкании.
Рис. 28. Векторная
диаграмма напряжений
Рис. 29. Векторная
диаграмма токов
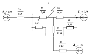
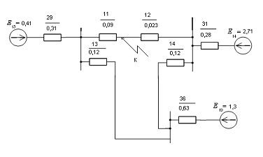
4. Аналитический расчет
токов КЗ в аварийной цепи 0,4 кВ
При составлении схем
замещения в качестве основной ступени следуем выбирать ступень напряжения, на
которой находится точка замыкания. Поскольку сопротивления большинства
элементов рассматриваемых сетей задаются в именованных единицах, то весь расчет
обычно ведут также в именованных единицах, при этом ввиду малости самих
сопротивлений их выражают в миллиомах.
Для элементов схемы рис.
30 определяем величины активных и индуктивных сопротивлений, которые затем
сводим в таблицу 2.
Рис. 30. Схема 0,4 кВ
Составим схему замещения:
Рис. 31
Активное и индуктивное сопротивления
трансформатора по (3.6-3.7) [1]:
мОм;
мОм,
где
кВт
- потери короткого замыкания трансформатора;
кВ·А - номинальная
мощность трансформатора;
%
- напряжение короткого замыкания трансформатора;
кВ - средненоминальное
напряжение в месте повреждения.
Индуктивное
сопротивление системы по [1], стр. 88:
мОм.
Активное и индуктивное
сопротивления воздушной линии ((3.8), (3.9) [1]):
мОм,
где
мОм/м
- удельное сопротивление алюминия;
- длина линии, км;
-
площадь поперечного сечения проводов, мм2.
мОм.
Поскольку среднее
геометрическое расстояние между шинами
мм по прил. П10 [2]
активное сопротивление шин
мОм; индуктивное
сопротивление шин:
мОм.
Параметры сети Табл. 2.
Таблица
|
Элементы схемы
|
,
мОм ,
мОм
|
|
|
Система
|
-
|
0,2
|
|
Трансформатор
|
5,5
|
18
|
|
Шины
|
2,12
|
3
|
|
Рубильник
|
0,08
|
-
|
|
Автомат
|
0,36+0,6=0,96
|
0,28
|
|
Трансформатор тока
|
0,19
|
0,17
|
|
Воздушные линии
|
60,4
|
42,3
|
|
Результирующее сопротивление
|
69,25
|
53, 95
|
Рассчитываем ток трехфазного КЗ в
конце воздушной линии:
А,
Определяем ток
однофазного КЗ, для чего рассчитываем суммарные активные и реактивные
сопротивления прямой и обратной последовательностей:
мОм;
мОм,
мОм;
мОм,
где
,
-
активное и реактивное сопротивления трансформатора нулевой последовательности,
табл. П10 [2]; 0,84 и 0,6 - коэффициенты, найденные по [4] для воздушной линии
(
)
мм2, и необходимые для нахождения сопротивлений воздушной линии нулевой
последовательности.
Ток однофазного
короткого замыкания:
А.
Список литературы
1. Силюк С.М., Свита Л.Н. Электромагнитные переходные процессы в
электроэнергетических системах: методическое пособие к курсовой работе. - Мн.:
БНТУ, 2004. - 102 с.
. Ульянов С.А. электромагнитные переходные процессы в
электрических системах. - М.: Энергия, 1970. - 520 с.
. Силюк С.М., Свита Л.Н. электромагнитные переходные процессы:
Учебное пособие для вузов. - Мн.: Технопринт, 2000. - 262 с.
. Методы расчета КЗ в электроустановках переменного тока
напряжением до 1 кВ. - Мн.: 1995.