Реконструкция пряничного цеха
ВВЕДЕНИЕ
Кондитерский рынок условно поделен аналитиками
на четыре типа потребления.
Первый - для быстрого утоления легкого голода.
Здесь потребитель предпочитает шоколадные батончики и плитки, а также вафли.
Второй - предпочтения выходного дня: вафельные
торты, кексы, рулеты.
Третий - для праздничного стола: кремовые торты
и пирожные.
Четвертый - кондитерские изделия для чаепития.
Вот здесь-то и первенствуют пряники. Без расчета на "монополию",
поскольку в серьезных конкурентах было и остается печенье. Вот еще один вывод
экспертов, и тоже не в пользу "угощенья знатного" [2].
В год россияне потребляют примерно 700 тыс. тонн
мучных кондитерских изделий. Наибольшая доля приходится на сладкое печенье -
60%, за ним идут пряники - 19%, далее вафельные изделия - 18%. Соленое печенье,
галеты и крекеры занимают небольшую нишу на рынке мучных кондитерских изделий -
всего 3%.
По данным исследований, около 50% потребителей
мучных кондитерских изделий составляют женщины после 30 лет (работающие, но
имеющие семью и детей), 30% - составляют дети и подростки в возрасте до 18 лет,
оставшиеся 20 % занимают мужчины, покупающие мучные кондитерские изделия для
чаепитий на работе [1].
На рынке в г. Владивостоке представлены
следующие производители пряников:
ООО «Роллекс» г. Новосибирск выпускает пряники
«Бурундучок», «Сан Банэ» весовые.
ООО «Кавалеровский хлебокомбинат» п. Кавалерово
выпускает пряники «Домашние», «Медовые», «Купеческие» в полиэтиленовых пакетах
300 г.
ЗАО «Кондитерское объединение “Любимый край”» г.
Отрадное Ленинградской области выпускает пряники «Штучки», «Классические»
шоколадные, медовые, мятные, в шоколадной глазури, с начинками в ассортименте в
полимерной таре, полиэтиленовых пакетах 300 - 500 г.
Фабрика «Старая Тула» г. Тула выпускает
«Тульский пряник» в пакетах.
ООО «Владхлеб» г. Владивосток выпускает пряники
заварные с начинкой в ассортименте, «Северные», «Южные», «Шоколадные»,
«Боярские», «Конкурент» в пакетах по 360 - 400 г.
ОАО «Большекаменский хлебокомбинат» г. Большой
Камень выпускает пряники «Южные», заварные с вишневой начинкой, заварные с
фруктовыми начинками в полиэтиленовых пакетах по 300 - 500 г.
В дипломном проекте планируется реконструкция
существующего пряничного цеха для производства пряников - «ИРЕК» и «Северные»
на предприятии ООО «Коралл», расположенному по адресу - ул. Пушкинская 10, с.
Черниговка, Черниговского района, Приморского края.
1. ТЕХНИКО-ЭКОНОМИЧЕСКОЕ ОБОСНОВАНИЕ
Технико-экономическая характеристика
предприятия, обоснование выбора ассортимента.
Предприятие ООО «Коралл», расположенное по
адресу - ул. Пушкинская 10, с. Черниговка, Черниговского района, Приморского
края, представляет собой мини - пекарню и занимается выпуском продукции
повседневного спроса - хлеба, хлебобулочных, мучных кондитерских и макаронных
изделий. Производство продукции в основном производится по заявкам клиентов.
В 1995 г 26 декабря было зарегистрировано ООО
«Коралл». Основал предприятие А. И. Логинов, а в последствие мини-пекарней
занялась Л. Н. Логинова.
Вначале был открыт только магазин «Лотос». В 1996
г открыли пекарню. Стали выпускать хлеб одного вида и булочные изделия трех
наименований. В дальнейшем ассортимент постепенно увеличивался.
В 1998 г построили и пустили в эксплуатацию
магазин «Коралл». В 2004 г открыли кондитерский цех.
ООО «Коралл» имеет 5 цехов:
хлебный;
булочный;
кондитерский;
пряничный;
макаронный.
Предприятие ООО « Коралл» выпекает хлеба около
30 - 35 т. в месяц, по заказу. Может изготавливать около 60 - 70 т.
Булочные изделия выпускают по заказу около 20 т.
в месяц.
Кондитерские изделия - 9 - 10 т. в месяц.
Пряничные изделия изготавливаются по заказу
около 7 т. в месяц, но может около 14 т.
Готовую продукцию реализует в собственные 4
магазина и по Приморскому краю: г. Владивосток (ярмарка), Уссурийская оптовая
база, Камень рыболов, с. Шмаковка, п. Сибирцево, с. Черниговка, г. Спасск -
Дальний, с. Алтыновка, с. Вадимовка.
Доставка готовой продукции осуществляется
транспортом предприятия.
Анализ рынка кондитерских изделий в Приморском
крае показывает, что в последние годы имеется устойчивая тенденция к росту
потребления пряников. Это обусловлено не только традиционными вкусами
населения, но и относительно малой стоимостью этих изделий при достаточной
калорийности. Поэтому экономически выигрывают предприятия, которые организовали
выпуск данной продукции, наряду с традиционными хлебобулочными изделиями [3].
В последние годы наметилась устойчивая тенденция
к повышению спроса населения на мучные кондитерские изделия с высокими
вкусовыми достоинствами, в том числе увеличенного срока годности. При этом
предпочтение отдается относительно недорогой продукции с преимущественным
использованием отечественного сырья.
Особенно большим спросом у населения пользуются
исконно русское, традиционное кондитерское изделие - пряники, несущие
историческую память о русских умельцах и уникальных технологиях. Чрезвычайно
важной задачей на современно этапе является восстановление традиций вкуса,
качества и увеличение срока годности пряников [4].
Расчет объема продаж пряничных изделий до (ОП1)
и после (ОП2) реконструкции проводится в таблице 1.1 [38].
Таблица 1.1 - Сравнительный объем продаж
|
Наименование
продукции
|
До
реконструкции
|
После
реконструкции
|
|
Выпуск
за год, т
|
Цена
за 1 т, тыс. руб.
|
Стоимость,
тыс. руб.
|
Выпуск
за год, т
|
Цена
за 1 т, тыс. руб.
|
Стоимость,
тыс. руб.
|
|
1.
Пряничные изделия
|
84
|
28
|
2352
|
500
|
35
|
17500
|
Расчет проектной мощности и режима работы
предприятия.
Годовой фонд рабочего времени представлен в
таблице 1.2 [5].
Таблица 1.2 - Годовой фонд рабочего времени
|
Распределение
дней
|
Производство
пряников
|
|
Число
календарных дней
|
365
|
|
Число
праздников
|
8
|
|
Число
выходных, включая 1 день за счет сокращения времени в предпраздничные дни
|
90
|
|
Остановка
на капитальный ремонт
|
17
|
|
Число
рабочих дней
|
250
|
|
Число
рабочих часов
|
250×24=6000
|
Годовая производственная мощность линии:
Пг=Пч´t´D´K/1000,
(1.1)
где Пг - годовая мощность, т/г;
Пч - часовая мощность, кг/ч;
- время работы в
сутки, ч;- число рабочих дней в году, сут;
Кл - поправочный коэффициент, учитывающий
снижение производительности в летнее время (Кл = 0,95 - 0,98).
Годовая производительность линии по производству
пряников «Северные»
Пг=150´8´250´0,98/1000=294,
т/г.
Годовая производительность линии по производству
пряников «ИРЕК»
Пг=100´8´250´0,98/1000=196,
т/г.
Годовая производственная мощность:
Пг. общ. = П1+П2, кг (1.2)
Пг = 294+196=490 кг.
Работа в 2 смены по 12 часов.
Режим работы предприятия и ассортимент отражены
в таблице 1.3.
Таблица 1.3 - Режим работы предприятия ООО
«Коралл»
|
Группа
изделий
|
Количество
рабочих дней в году
|
Количество
рабочих смен в сутки
|
Продолжительность
смены, ч
|
Производственная
мощность, т
|
|
|
|
|
в
сутки
|
в
год
|
|
1.
Пряники «Северные»
|
250
|
1
|
12
|
1,2
|
300
|
|
2.
Пряники «ИРЕК»
|
250
|
1
|
12
|
0,8
|
200
|
|
Всего
|
250
|
2
|
24
|
2,0
|
500
|
Заключение о целесообразности проекта.
Целесообразность выпуска пряничных изделий
обусловлено следующим:
в с. Черниговка нет ни одного производителя,
который бы выпускал пряничные изделия;
пряничные изделия пользуются большим спросом у
населения за счет приятных органолептических свойств и приемлемой стоимости;
пряники обладают достаточной калорийностью.
Планируемый объем производства пряничных изделий
составляет 2000 кг/см. Следовательно выпуск пряничных изделий в год составит
500 т. С выпуском такого количества пряников ООО «Коралл» сможет существенно
увеличить свою прибыль.
На сегодняшний день мини пекарня имеет свои
недостатки.
Площадь производственных цехов мала, необходимо
их расширить.
) Практически все оборудование на предприятии
устаревшего типа, поэтому есть небольшая вероятность сбоя и выхода из строя,
что может отрицательно сказаться на всем технологическом процессе. Необходима
по возможности модернизация оборудования.
) В основном применяется ручной труд.
) Отсутствие цеха упаковки продукции.
Предлагаемый проект реконструкции для
приготовления пряничных изделий обеспечит выпуск заварных пряников более
лучшего качества по органолептическим, физико - химическим и микробиологическим
показателям с наименьшими потерями сырья и затратами рабочей силы.
2. ТЕХНОЛОГИЧЕСКАЯ ЧАСТЬ
.1 Технологическая характеристика
сырья, требования к его качеству
Для производства пряников «СЕВЕРНЫЕ» и «ИРЕК»
используется следующее сырье: мука пшеничная 1 сорта, сахар - песок, молоко
цельное сгущенное с сахаром, маргарин, какао порошок, сода питьевая,
углеаммонийная соль, ванилин, патока, рафинированное дезодорированное
подсолнечное масло, эссенция. Эссенция полностью заменяется на ванилин.
Мука пшеничная 1 сорта.
Изготовитель муки - ОАО «Новосибирский комбинат
хлебопродуктов», г. Новосибирск, ул. Фабричная 17.
При оценке муки наибольшее внимание уделяют ее
хлебопекарным достоинствам, то есть способности давать изделия определенного
качества [6].
Хлебопекарное качество пшеничной муки в основном
определяется следующими ее свойствами:
Газообразующей способностью;
Способностью образовывать тесто, обладающее
определенными структурно-механическими свойствами, - силой муки;
Цветом муки и способностью ее к потемнению в
процессе приготовления из нее хлеба.
Существенное значение имеет и показатель
крупности частиц муки [7].
Крупнота помола влияет на пищевую ценность муки
и на ее хлебопекарные свойства. Крупные мучные частицы медленно набухают,
ферментативные и коллоидные процессы в тесте в этом случае происходят с меньшей
скоростью. Сильное измельчение нарушает структуру крахмальных зерен и белковых
частиц, создает лучшие условия для действия ферментов. Тесто из такой муки
быстрее образуется, но обладает худшими свойствами, чем тесто из муки
нормальной крупностью помола [8].
Органолептические показатели муки пшеничной
должны соответствовать ГОСТ 52189 - 2003 и представлены в таблице 2.1 [6].
Таблица 2.1 - Органолептические показатели
пшеничной муки
|
Наименование
показателя
|
Характеристика
и норма для пшеничной муки
|
|
Вкус
|
Свойственный
пшеничной муке, без посторонних привкусов, не кислый, не горький
|
|
Запах
|
Свойственный
пшеничной муке, без посторонних запахов, не затхлый, не плесневый
|
|
Массовая
доля влаги, %, не более
|
15,0
|
|
Наличие
минеральной примеси
|
При
разжевывании муки не должно ощущаться хруста
|
|
Металломагнитная
примесь, мг в 1 кг муки; размером отдельных частиц в наибольшем линейном
измерении 0,3 мм и (или) массой не более 0,4 мг, не более
|
3,0
|
|
Зараженность
вредителями
|
Не
допускается
|
|
Загрязненность
вредителями
|
Не
допускается
|
|
Примечание
- Массовая доля влаги пшеничной муки, предназначенной для районов Крайнего
Севера и приравненных к ним местностей, а также для длительного хранения,
должна быть не более 14,5 %.
|
Физико-химические показатели пшеничной муки
должны соответствовать ГОСТ 52189 - 2003 и представлены в таблице 2.2 [6].
Таблица 2.2 - Физико-химические показатели
пшеничной муки
|
Наименование
показателя
|
Характеристика
и норма
|
|
1
|
2
|
|
Сорт
муки
|
Первый
|
|
Цвет
|
Белый
или белый с желтоватым оттенком
|
|
Массовая
доля золы, в пересчете на сухое вещество, %,не более
|
0,75
|
|
Белизна,
условных единиц прибора РЗ-БПЛ, не менее
|
36,0
|
|
Массовая
доля сырой клейковины, %, не менее
|
30,0
|
|
Качество
сырой клейковины, условных единиц прибора ИДК
|
Не
ниже второй группы
|
|
Крупность
помола, %
|
Остаток
на сите по ГОСТ 4403, не более
|
2
из шелковой ткани №35 или из полиамидной ткани № 36/40 ПА
|
|
Остаток
на сите из проволочной сетки по НД [3], не более
|
-
|
|
Проход
через сито по ГОСТ 4403
|
Не
менее 80,0 из шелковой ткани №43 или из поли-амидной ткани № 45/50 ПА
|
|
Число
падения, «ЧП», с, не менее
|
185
|
Микробиологические показатели пшеничной муки
должны соответствовать СанПиН 2.3.2.1078 - 01 и представлены в таблице 2.3 [9].
Таблица 2.3 - Микробиологические показатели
пшеничной муки
|
Показатели
|
Допустимые
уровни, мг/кг, не более
|
|
1
|
2
|
|
Токсичные
элементы: свинец мышьяк кадмий ртуть
|
0,5
0,2 0,1 0,03
|
|
Микотоксины:
афлатоксин В1 дезоксиваленол Т - 2 токсин
|
0,005
0,7 0,1
|
|
зеараленон
|
0,2
|
|
Пестициды:
Гексахлорциклогексан (α,
β,γ - изомеры)
ДДТ и его метаболиты
|
0,5
0,02
|
|
Гексахлорбензол
Ртутьорганические пестициды 2,4 - Д кислота и ее соли, эфиры
|
0,01
не допускаются не допускаются
|
|
Радионуклиды:
Цезий - 137 Стронций - 90
|
60
30
|
|
Вредные
примеси Загрязненность, зараженность вредителями хлебных злаков (насекомые,
клещи)
|
Не
допускается
|
- суточный запас муки при температуре окружающей
среды не выше 25 °С и относительной влажности воздуха не выше 70 %. Применяется
тарный способ транспортировки и хранения муки. Мука хранится на поддонах 1200×900
[10].
Сахар.
Изготовитель сахара - песка - ОАО «Кирсановский
сахарный завод», г. Москва, Проходный проезд д. 4.
Сахар представляет собой химически чистую
сахарозу, физико-химические свойства которой и определяют технологический режим
производства многих видов изделий [11].
Сахар-песок должен иметь сладкий вкус, без
посторонних привкусов и запахов. Это сыпучий продукт, без комков, белого с
блеском цвета.
Для промышленной переработки допускается
сахар-песок с массовой долей влаги не более 0,15% и массовой долей сахарозы не
менее 99,55%, имеющий цветность до 1,5 ед.
Металлопримесей допускается не более 3 мг на 1
кг сахара с размерами не более 0,3 мм в наибольшем линейном измерении [7].
Органолептические и физико-химические показатели
сахара - песка должны соответствовать ГОСТ 21 - 94 и представлены в таблице 2.5
[11].
Таблица 2.4 - Органолептические и
физико-химические показатели сахара - песка
|
Наименование
показателя
|
Характеристика
и норма сахара - песка
|
|
Вкус
и запах
|
Сладкий,
без посторонних и запаха, как в сухом сахаре, так и в его водном растворе
|
|
Сыпучесть
|
Сыпучий,
допускаются комки, разваливающиеся при легком нажатии
|
|
Цвет
|
Белый
с желтоватым оттенком
|
|
Массовая
доля сахарозы (в пересчете на сухое вещество), %, не менее
|
99,85
|
|
Массовая
доля редуцирующих веществ (в пересчете на сухое вещество), %, не более
|
0,065
|
|
Массовая
доля золы (в пересчете на сухое вещество), %, не более
|
0,05
|
|
Цветность,
не более: Условных единиц Единиц оптической плотности (единиц CUMSA)
|
1,5
195
|
|
Массовая
доля влаги, %, не более
|
0,15
|
|
Массовая
доля ферропримесей, %, не более
|
0,0003
|
Микробиологические показатели и показатели
безопасности должны соответствовать СанПиН 2.3.2.1078 - 01 и представлены в
таблице 2.5 [9].
Таблица 2.5 - Микробиологические показатели и
показатели безопасности сахара - песка
|
Наименование
показателя
|
Норма
|
|
1
|
2
|
|
Количество
мезофильных аэробных и факультативно анаэробных микроорганизмов, КОЕ/г, не
более
|
1,0×103
|
|
Плесневые
грибы, КОЕ в 1 г, не более
|
1,0×10
|
|
Дрожжи,
КОЕ в 1 г, не более
|
1,0×10
|
|
Бактерии
группы кишечной палочки (колиформы), в 1 г
|
Не
допускается
|
|
Патогенные
микроорганизмы, в том числе бактерии рода сальмонеллы, в 25 г
|
Не
допускается
|
|
Содержание
тяжелых металлов и мышьяка, мг/кг, не более: Ртуть Мышьяк Медь Свинец Кадмий
Цинк Содержание пестицидов, мг/кг, не более: Гексахлоран ГХЦГ - гамма -
изомер ДДТ
|
0,01
0,5 1,0 1,0 0,05 3,0 0,005 0,05
|
На предприятие сахар - песок поступает в мешках.
Мешки укладывают на поддоны 600×1200
мм и хранят в сухом помещении, так как сахар очень гигроскопичен. Температура
хранения не более 40оС и относительная влажность воздуха на складе 60 - 70% [10].
Рафинированное дезодорированное подсолнечное
масло.
Изготовитель растительного масла - ЗАО
«Уссурийский масложирокомбинат», г. Уссурийск, ул. Комсомольская 120.
Масло, вырабатывают прессованием или экстракцией
семян подсолнечника. Приемка, отбор проб и определение показателей качества
растительных масел осуществляется в соответствии с ГОСТ 5471, ГОСТ 54472, ГОСТ
5481, ГОСТ Р 50456 - 92.
По органолептическим и физико-химическим
показателям подсолнечное масло должно соответствовать требованиям, указанным в
таблице 2.6 [12].
Таблица 2.6 - Органолептические и
физико-химические показатели подсолнечного масла
|
Наименование
показателя
|
Характеристика
масла подсолнечного рафинированного дезодорированного
|
|
1
|
2
|
|
Прозрачность
|
Прозрачное
без осадка
|
|
Запах
и вкус
|
Без
запаха; вкус обезличенного масла или с приятными слабоспецифичными оттенками
вкуса и запаха для масла, поставляемого в торговую сеть и на предприятия
общественного питания
|
|
Цветное
число, мг йода, не более
|
10
|
|
Кислотное
число, мг КОН/г, не более
|
0,35
|
|
Массовая
доля нежировых примесей, %, не более
|
отсутствие
|
|
Массовая
доля фосфорсодержащих веществ, %, не более: в пересчете на
стеароолеолецитин в пересчете на Р2О5
|
отсутствие
»
|
|
Массовая
доля влаги и летучих веществ, %, не более
|
0,10
|
|
Мыло
(качественная проба)
|
отсутствие
|
|
Температура
вспышки экстракционного масла, оС
|
234
|
|
Степень
прозрачности, фем, не более
|
25
|
|
Перекисное
число, (½)0
ммоль/кг не более:
|
10,0
|
По микробиологическим показателям подсолнечное
масло должно соответствовать требованиям СанПиН 2.3.2.1078 - 01, указанным в
таблице 2.7 [9].
Таблица 2.7 - Микробиологические показатели
подсолнечного масла
|
КМАФАнМ,
КОЕ/г, не более
|
БГКП
(коли-формы),
|
S.aureus
|
Патогенные,
В том числе сальмонеллы
|
Плесени
|
Дрожжи
|
|
1
|
2
|
3
|
4
|
5
|
6
|
7
|
|
Масло
подсолнечное рафинированное дезодорированное
|
500
|
1,0
|
1,0
|
25
|
100
|
1,0
|
Показатели безопасности подсолнечного масла
должны соответствовать требованиям, указанным в таблице 2.8 [9].
Таблица 2.8 - Показатели безопасности
подсолнечного масла
|
Наименование
показателя
|
Норма
|
|
Токсичные
элементы: Свинец Мышьяк Кадмий Ртуть
|
0,1
0,1 0,05 0,03
|
|
Пестициды:
гексахлорциклогексан
|
0,2
|
|
Радионуклиды:
Цезий - 137, Бк/кг Стронций - 90, Бк/кг
|
60
80
|
Подсолнечное масло в бутылках должно храниться в
закрытых затемненных помещениях. Гарантийный срок хранения подсолнечного масла
(со дня розлива): фасованного в бутылки - 4 мес [10].
Маргарин.
Изготовитель маргарина - ЗАО «Уссурийский
масложирокомбинат», г. Уссурийск, ул. Комсомольская 120.
Маргарин вырабатывается из растительных и
животных жиров. Вкусом, цветом и консистенцией напоминает сливочное масло [13].
Маргарин (ГОСТ 240 - 85) представляет собой
высокодисперсную, жироводную систему, в состав которой входят жиры, молоко,
соль, сахар, эмульгаторы и другие компоненты. В хлебопекарной промышленности
используют маргарины с содержанием жира не менее 82%, влаги не более 17%. При
использовании маргаринов с меньшим содержанием жира необходимо
руководствоваться «Указаниями к рецептурам на хлебобулочные изделия по
взаимозаменяемости сырья» [14].
По органолептическим и физико-химическим
показателям маргарин должен соответствовать ГОСТ 240 - 85, указанным в таблице
2.10 [13].
Таблица 2.9 - Органолептические и
физико-химические показатели качества маргарина «Сливочный»
|
Наименование
показателя
|
Характеристика
и норма для маргарина «Сливочный» высшего сорта
|
|
Вкус
и запах
|
Вкус
и запах чистый, молочнокислый со слабым привкусом введенного сливочного
масла. Посторонние привкусы и запахи не допускаются. легкоплавкий
|
|
Консистенция
при температуре около 18оС
|
Пластичная,
плотная, однородная. Поверхность среза блестящая или слабо блестящая, сухая
на вид
|
|
Цвет
|
Светло
- желтый, однородный по всей массе
|
|
Массовая
доля жира, %, не более
|
82,0
|
|
Массовая
доля влаги и летучих веществ, %, не более
|
17,0
|
|
Температура
плавления жира, выделенного из маргарина, оС
|
27
- 32
|
|
Массовая
доля соли, %
|
0,3
- 0,5
|
|
Кислотность
маргарина, оКеттсторфера, не более
|
2,5
|
|
Стойкость,
% выделившегося жира, не более
|
-
|
По микробиологическим показателям и показателям
безопасности маргарин должен соответствовать СанПиН 2.3.2.1078 - 01, указанным
в таблице 2.10 [9].
Таблица 2.10 - Микробиологические показатели и
показатели безопасности маргарина
|
Наименование
показателя
|
Норма
|
|
1
|
2
|
|
Количество
мезофильных аэробных и факультативно анаэробных микроорганизмов, КОЕ/г, не
более
|
нет
|
|
Плесневые
грибы, КОЕ в 1 г, не более
|
|
Дрожжи,
КОЕ в 1 г, не более
|
5×102
|
|
Бактерии
группы кишечной палочки (колиформы), в 1 г
|
0,01
|
|
Патогенные
микроорганизмы, в том числе бактерии рода сальмонеллы, в 25 г
|
25
|
|
Содержание
тяжелых металлов и мышьяка, мг/кг, не более: Ртуть Мышьяк Свинец Кадмий
Никель Пестициды, мг/кг, не более: гексахлорциклогексан Радионуклиды: Цезий
- 137, Бк/кг Стронций - 90, Бк/кг ДДТ и его метаболиты Микотоксины:
Афлатоксин В1
|
0,05
0,1 0,1 0,05 0,7 0,2 60 80 0,2 0,005
|
Фасованный маргарин упаковывают в ящики из
гофрированного картона по ГОСТ 13511. Масса нетто маргарина при упаковывании в
картонные ящики должна быть одинаковой и составлять не более 22 кг. Срок
хранения маргарина при температуре от - 20 оС до - 10 оС составляет 4 суток
(фасованного в пергамент) [14].
Патока.
Изготовитель патоки - ООО «Ярпатока»,
Ярославская область, Некрасовский район, пгт. Красный Профинтерн, ул.
Набережная 4.
Патока - это продукт гидролиза крахмала,
полученный кислотным, ферментативным или кислотно - ферментативным способом.
Содержание сухих веществ в патоке по ГОСТ 5194 - 91 и в унифицированных
рецептурах на кондитерские изделия - 78%.
При производстве пряников, подвергающихся
быстрому высыханию, следует применять высокоосахаренную патоку с содержанием
глюкозы более 35%. По органолептическим и физико-химическим показателям
крахмальная патока должна соответствовать требованиям, указанным в таблице 2.11
[15].
Таблица 2.11 - Органолептические и физико-химические
показатели крахмальной патоки
|
Наименование
показателя
|
Характеристика
и нормы для глюкозной высокоосахаренной патоки
|
|
Прозрачность
|
Прозрачная.
Допускается небольшая опалесценция. Леденец, получаемый при варке карамельной
пробы, должен быть прозрачным.
|
|
Вкус
и запах
|
Свойственный
патоке, без постороннего привкуса и запаха
|
|
Массовая
доля сухих веществ, %, не менее
|
78,0
|
|
Массовая
доля редуцирующих веществ в пересчете на сухие вещества, %.
|
44
- 60
|
|
Массовая
доля золы в пересчете на сухие вещества, %, не более
|
0,55
|
|
Температура
карамельной пробы, оС
|
4,6
|
|
Присутствие
свободным минеральных кислот
|
Не
допускается
|
|
Присутствие
механических примесей
|
Не
допускается
|
По микробиологическим показателям и показателям
безопасности патока должна соответствовать требованиям, указанным в таблице
2.12 [9].
Таблица 2.12 - Показатели безопасности патоки
крахмальной патоки
|
Наименование
показателя
|
Норма
|
|
1
|
2
|
|
Количество
мезофильных аэробных и факультативно анаэробных микроорганизмов, КОЕ/г, не
более
|
1×104
|
|
Плесневые
грибы, КОЕ в 1 г, не более
|
100
|
|
Дрожжи,
КОЕ в 1 г, не более
|
50
|
|
Бактерии
группы кишечной палочки (колиформы), в 1 г
|
1,0
|
|
Патогенные
микроорганизмы, в том числе бактерии рода сальмонеллы, в 25 г
|
25
|
|
Содержание
тяжелых металлов и мышьяка, мг/кг, не более: Ртуть Мышьяк Свинец Кадмий
|
0,02
0,5 0,5 0,1
|
|
Пестициды,
мг/кг, не более: Гексахлорциклогексан
|
0,1
|
|
Радионуклиды:
Цезий - 137, Бк/кг Стронций - 90, Бк/кг
|
400
100
|
|
ДДТ
и его метаболиты
|
0,05
|
Патока поступает на предприятие в деревянных
бочках. Хранят ее на поддонах в складе при температуре воздуха 8 - 12оС [15].
Молоко цельное сгущенное с сахаром.
Изготовитель молока цельного сгущенного с
сахаром - ЗАО «ОБЛМОЛПРОМ», Санкт - Петербург, ул. Цветочная д. 7.
Молоко цельное сгущенное с сахаром (ГОСТ 2903 -
78) - продукт, получаемый из пастеризованного коровьего молока выпариванием из
него части влаги и консервированием сахаров.
По органолептическим и физико-химическим
показателям должно соответствовать требованиям, указанным в таблице 2.14[16].
Таблица 2.13 - Органолептические и
физико-химические показатели молока цельного сгущенного с сахаром
|
Наименование
показателя
|
Характеристика
|
|
1
|
2
|
|
Вкус
и запах
|
Сладкий,
чистый с выраженным вкусом пастеризованного молока, без каких - либо
посторонних привкусов и запахов. Допускается наличие легкого кормового
привкуса
|
|
Консистенция
|
Однородная
во всей массе, без наличия ощущаемых органолептически кристаллов молочного
сахара. Допускается мучнистая консистенция и незначительный осадок лактозы на
дне банки при хранении
|
|
Цвет
|
Белый
с кремовым оттенком, равномерный по всей массе
|
|
Массовая
доля влаги, %, не более
|
26,5
|
|
Массовая
доля сахарозы, %, не менее
|
43,5
|
|
Общая
массовая доля сухих веществ молока, %, не менее
|
28,5
|
|
в
том числе и жира, %, не менее
|
8,5
|
|
Кислотность,
оТ, не более
|
48
|
|
Кислотность
в пересчете на процентное содержание молочной кислоты, не более
|
0,43
|
|
Вязкость
свежевыработанного продукта (до 2 мес хранения), Па·с
|
3
- 10
|
|
Вязкость
от 2 до 12 мес хранения, Па·с, не более
|
15
|
|
Чистота
восстановленного сгущенного молока по эталону, утвержденному для коровьего
молока, не ниже группы
|
11
|
|
Допускаемые
размеры кристаллов молочного сахара, мкм, не более
|
15
|
По микробиологическим показателям молоко цельное
сгущенное с сахаром должно соответствовать требованиям, указанным в таблице
2.14 [9].
Таблица 2.14 - Микробиологические показатели
молока цельного сгущенного с сахаром
|
Наименование
показателя
|
Норма
|
|
Бактерии
группы кишечной палочки в 1 г продукта, в потребительской таре в 0,3 г
продукта в транспортной таре и транспортных средствах
|
Не
допускаются Не допускаются
|
|
Патогенные
микроорганизмы, в том числе сальмонеллы в 25 г продукта
|
Не
допускаются
|
Применяется тарный способ транспортировки и
хранения молока цельного сгущенного с сахаром. Условия хранения: температура не
выше 20оС, относительная влажность воздуха не выше 85% - не более 1 месяца [16].
Ванилин.
Изготовитель ванилина - Компания «Жохай», Китай,
г. Борея.
Ванилин (ГОСТ 16599 - 71) представляет собой
белый или бледно - желтый порошок, состоящий из игольчатых кристаллов и обладающий
ароматом натуральной ванили.
Ванилин растворяют в воде при t = 80оС в
соотношении от 1:20 до 0,25:20. температура плавления ванилина 80,5 - 82,0оС.
По органолептическим и физико-химическим
показателям ванилин должен соответствовать требованиям, указанным в таблице
2.16 [17].
Таблица 2.15 - Органолептические и
физико-химические показатели ванилина
|
Наименование
показателя
|
Характеристика
и нормы
|
|
Внешний
вид
|
Кристаллический
порошок
|
|
Цвет
|
От
белого до светло - желтого
|
|
Запах
|
Ванили
|
|
Растворимость
в воде
|
В
соотношении 2:1 - в воде температурой до 80 оС
|
|
Растворимость
в спирте
|
в
95%-ном этиловом спирте при слабом нагревании
|
|
Растворимость
в серной кислоте
|
В
соотношении 1:20 - в серной кислоте при слабом нагревании
|
|
Температура
плавления, оС
|
80,5
- 82
|
|
Массовая
доля ванилина, %, не менее
|
99
|
|
Массовая
доля золы, %, не более
|
0,05
|
Ванилин транспортируют и хранят по ГОСТ 9069 -
73. Ванилин доставляется на предприятие в полиэтиленовых мешках, которые
вложены в металлические банки из белой жести массой нетто 0,25 - 0,50 кг [17].
Аммоний углекислый.
Изготовитель аммония углекислого - КОАО «АЗОТ»,
г. Кемерово, п. Предзаводской.
Аммоний углекислый (ГОСТ 9325 - 79) представляет
собой куски размером не более 15 см и кристаллы белого цвета, растворимые в
воде, спирте и глицерине. Молекулярная масса - 96,09 [18].
Аммоний углекислый используется в качестве
разрыхлителя [8].
По химическим показателям углекислый аммоний
должен соответствовать требованиям и нормам, указанным в таблице 2.16 [18].
Таблица 2.16 - Химические показатели углекислого
аммония
|
Наименование
показателя
|
Нормы
|
|
Аммиак
(NH3), %, не менее
|
30
|
|
Нерастворимые
в воде вещества, %, не более
|
0,010
|
|
Нелетучие
вещества, %, не более
|
0,010
|
|
Органические
вещества
|
Остаток
должен быть чисто - белого цвета
|
|
Сульфаты
(SO4) - общее количество сульфатов, тиосульфатов и сульфидов, %, не более
|
0,008
|
|
Хлориды
(CI), %, не более
|
0,0020
|
|
Железо
(Fe), %, не более
|
0,0005
|
|
Тяжелые
металлы (Pb), %, не более
|
0,0010
|
|
Мышьяк
(As), %, не более
|
Не
нормируется
|
Углекислый аммоний хранят в упаковке
изготовителя в крытых складских помещениях, вдали от нагревательных приборов.
Вид упаковки: Б - 1. Группа расфасовки 3, 4, 5, 6 не более 3000 г [18].
Какао - порошок.
Изготовитель какао - порошка - Фирма «JB COCOA
SDN BHD», Малайзия.
Какао - порошок - продукт, получаемый путем
тонкого измельчения какао - жмыха.
По органолептическим и физико-химическим
показателям какао - порошок должен соответствовать требованиям, указанным в
таблице 2. 18 [19].
Таблица 2.17 - Органолептические и
физико-химические показатели какао - порошка
|
Наименование
показателя
|
Характеристика
и нормы
|
|
Внешний
вид
|
Порошок
от светло - коричневого до темно - коричневого цвета, тусклый серый оттенок
не допускается
|
|
Вкус
и аромат
|
Свойственные
какао - порошку без посторонних привкусов и запахов
|
|
Влажность,
%, не более
|
6,0
|
|
При
хранении упакованного какао - порошка более месяца
|
7,5
|
|
Массовая
доля жира, %
|
В
соответствии с расчетным содержанием по рецептурам
|
|
Степень
измельчения - остаток после просева на шелковом сите № 38 по ГОСТ 4403 - 77 и
на металлическом сите № 016 по ГОСТ 6613 - 73, %, не более
|
1,5
При растирании между пальцами не должен давать ощущения крупинок
|
|
Дисперсность
- количество мелких фракций, %, не менее
|
90,0
|
|
Показатель
рН, не более
|
7,1
|
|
Массовая
доля общей золы, %, не более: в какао - порошке, необработанном углекислыми
щелочами в какао - порошке, обработанном углекислыми щелочами
|
6,0
9,0
|
|
Массовая
доля золы, нерастворимой в 10% - ном растворе соляной кислоты, %, не более
|
0,2
|
|
Металломагнитные
примеси (частицы не более 0,3 мм в наибольшем линейном измерении) на 1 кг
продукта, мг, не более
|
3,0
|
По микробиологическим показателям какао -
порошок должен соответствовать СанПиН 2.3.2.1078 - 01, указанным в таблице 2.18
[9].
Таблица 2.18 - Микробиологические показатели
какао - порошка
|
Наименование
показателя
|
Норма
|
|
Количество
мезофильных аэробных и факультативно анаэробных микроорганизмов, КОЕ/г, не
более
|
1×104
|
|
Плесневые
грибы, КОЕ в 1 г, не более
|
100
|
|
Дрожжи,
КОЕ в 1 г, не более
|
100
|
|
Бактерии
группы кишечной палочки (колиформы), в 1 г
|
0,01
|
|
Патогенные
микроорганизмы, в том числе бактерии рода сальмонеллы, в 25 г
|
25
|
|
Содержание
тяжелых металлов и мышьяка, мг/кг, не более: Ртуть Мышьяк Свинец Кадмий
Пестициды, мг/кг, не более: Гексахлорциклогексан ДДТ и его метаболиты
Радионуклиды: Цезий - 137, Бк/кг Стронций - 90, Бк/кг Микотоксины: Афлотоксин
В1
|
0,1
1,0 1,0 0,5 0,5 0,15 100 80 0,05
|
Какао порошок поступает на предприятие в
бумажных мешках по ГОСТ 2226 - 75 массой 25 кг. Какао - порошок должен храниться
в сухих, чистых, хорошо вентилируемых складах, не имеющих постороннего запаха,
не зараженных амбарными вредителями, при температуре 18±3оС и относительной
влажности воздуха не более 75%[19].
Сода (гидрокарбонат натрия).
Изготовитель соды - ОАО «СОДА», Россия,
Башкирия, г. Стерлитамак, ул. Бабушкина 7.
Сода (гидрокарбонат натрия) - кристаллический
порошок белого цвета без запаха.
Используется в производстве мучных кондитерских
изделий в качестве разрыхлителя. Разрыхляющее действие проявляется при нагревании,
когда разрыхлитель медленно разлагается с выделением диоксида углерода.
Наряду с диоксидом углерода при разложении
образуется и накапливается в тесте карбонат натрия, количество которого
обуславливает щелочность изделий и строго ограничено в связи с этим.
Гидрокарбонат натрия имеет сравнительно небольшую растворимость в воде.
По органолептическим показателям к
гидрокарбонату натрия предъявляются следующие требования. По внешнему виду
гидрокарбонат натрия должен представлять собой белый кристаллический порошок
без запаха[8].
По физико-химическим показателям гидрокарбонат
натрия должен соответствовать нормам ГОСТ 2156 - 76, указанным в таблице 2.19
[22].
Таблица 2.19 - Физико-химические показатели
гидрокарбоната натрия
|
Показатель
|
Норма
для гидрокарбоната натрия сорта 1
|
|
Массовая
доля, %, на СВ, не более: гидрокарбоната натрия* карбоната натрия влаги
хлоридов(в пересчете на NaCI) железа кальция сульфидов (в пересчете на SO4)
Наличие мышьяка
|
99,5
0,4 0,1 0,02 0,001 0,04 0,02 Выдерживает испытание
|
|
*массовую
долю гидрокарбоната натрия измеряют в процентах, не менее
|
|
Гидрокарбонат натрия, предназначенный для
использования в пищевой промышленности, не должен содержать более 0,0005%
тяжелых металлов в пересчете на свинец [8]. Гидрокарбонат натрия хранят в
закрытых помещениях, защищенных от атмосферных осадков. Гарантийный срок
хранения 10 месяцев со дня изготовления.
Вода. Вода является одним из основных
компонентов теста. Для приготовления мучных кондитерских изделий используют
обычную питьевую воду, которая должна иметь соответствующие органолептические
показатели и химический состав, быть безопасной в бактериальном отношении [20].
Существенное значение для ряда технологических
операций имеет жесткость воды. Жесткость воды - свойство воды, обусловленное содержанием
в ней ионов кальция и магния. Величина общей жесткости питьевой воды не должна
превышать 7 моль/м3.
Окисляемость воды характеризует загрязненность
ее органическими веществами и не должна превышать 3 мгО2/дм3.
Суммарным показателем качества питьевой воды
является содержание сухого остатка нелетучих неорганических и органических
веществ, не превышающее 1000 мг/дм3 [21].
Органолептические показатели питьевой воды
должны соответствовать ГОСТ 2874 - 82 и указаны в таблице 2.20 [20].
Таблица 2.20 - Органолептические показатели
питьевой воды
|
Наименование
показателя
|
Норма
|
|
Запах
при 20оС и при нагревании до 60оС, баллы, не более
|
2
|
|
Вкус
и привкус при 20оС, баллы, не более
|
2
|
|
Цветность,
градусы, не более
|
20
|
|
Мутность
по стандартной шкале, мг/дм3, не более
|
1,5
|
По микробиологическим показателям питьевая вода
должна соответствовать требованиям ГОСТ 2874 - 82, указанным в таблице 2.21
[20].
Таблица 2.21 - Микробиологические показатели
питьевой воды
|
Наименование
показателя
|
Норма
|
|
Число
микроорганизмов в 1 см3 воды, не более
|
100
|
|
Число
бактерий группы кишечных палочек в 1 дм3 воды (коли-индекс), не более
|
3
|
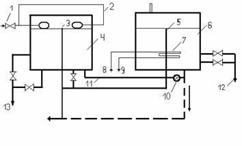
.2 Технологические схемы
производства, их обоснование и описание
Представленная на рисунке 2.1 технологическая
схема производства составлена на основе технологической инструкции [23].
Подготовка сырья к производству.
Поступающее в производство сырьё должно
подготавливаться к производству в соответствии с технологическими инструкциями
и "Инструкцией по предупреждению попадания посторонних предметов в продукцию".
Подготовка сырья к производству производится в
отдельном помещении.
Мука перед подачей в производство просеивается
на мукопросеивателе МПМХ -01. Сода и углеаммонийная соль предварительно
растворяют в солерастворителе С - 1,0 - 1,0. Из сахара готовится сироп в
варочном котле Б4 - ШКВ - 75 с мешалкой. Маргарин растворяют в
сахарожирорастворителе СЖР.
Остальное сырье протирают или фильтруют через
сита для удаления посторонних примесей. Характеристика сит представлена в
таблице 2.22.
Таблица 2.22 - Характеристика сит, применяемых
для просеивания и фильтрации сырья
|
Сырье
|
Размер
стороны отверстия в свету в ситах для просеивания, мм
|
Размер
стороны отверстия в фильтровальной поверхности, мм
|
|
Какао
порошок Углеаммон. соль Молоко сгущ. с сах. (разогр) Патока Растительное
масло Ванилин
|
не
более 1,5 1,5 - 2,0 - - - 1,5
|
-
- 1,5 2,0 2,0 -
|
Приготовление теста. Приготовление теста состоит
из следующих стадий:
приготовление сиропа;
приготовление теста.
Приготовление сиропа.
В варочный котел Б4 - ШКВ - 75 с мешалкой подают
воду, загружают сахар, патоку. При постоянном перемешивании сироп нагревают до
температуры 60 - 750С до полного растворения сахара. Готовый сироп охлаждают до
температуры 50 - 650С. Лучшее качество заварных пряников получается при
использовании для заварки муки сиропа с температурой 650С. Плотность сиропа для
замеса теста составляет 1320 - 1330 кг/м3.
Приготовление заварного теста.
На поточно-механизированных линиях, где заварка
муки, ее охлаждение и замес теста осуществляются в одной тестомесильной машине
ТМ - 70: в сироп с температурой не более 650С вносят молоко сгущенное с
сахаром, раствор углеаммонийной соли и соды и при перемешивании засыпают муку.
После перемешивания массы в течение 2 - 3 мин вносят ванилин, растопленный
маргарин и замес продолжают еще 3 - 4 мин до получения хорошо перемешанного
теста. Температура готового теста должна быть в пределах 28 - 360С, влажность в
зависимости от сорта 18 - 23%.
Формование теста. Для придания прянику
определенной формы готовое тесто формируется на машине ФПЛ - 3. Тесто после
замеса тесто поступает по транспортеру в воронку формующей машины, в которой
находится два рифленых вала, вращающихся навстречу друг другу. Эти валы
нагнетают тесто через шаблоны вырезом разнообразного контура, благодаря которым
тесто, выдавливаясь, приобретает определенную форму. Выжатое тесто отсекается
тонкой стальной проволочкой и укладывается ровными рядами на подставляемые
металлические трафаретные листы, а затем поступает в печь на выпечку.
Выпечка. Отформованные заготовки укладываются на
листы размером 650×530 мм,
предварительно зачищенные и смазанные растительным маслом и затем подают в печь
ПКЭ - 9. Режим выпечки - 7 - 12 мин при температуре 200 - 2400С.
Охлаждение. После выпечки пряники, идущие на
глазирование, охлаждают в течение 5 - 10 мин до температуры 45 - 500С.
Охлаждение производят на тележках к печи ПКЭ - 9 в естественных условиях.
Глазирование. Глазирование изделий состоит из
трех стадий:
приготовление сиропа для глазирования;
глазирование;
подсушка и выстойка глазированных изделий.
Приготовление сиропа для глазирования.
В варочный котел Б4 - ШКВ - 75 подают воду и
сахар из расчета 100 кг сахара на 40 л воды, какао - порошок и смесь при
периодическом перемешивании уваривают до содержания сухих веществ 77 - 78%. Плотность
готового сиропа 1340 - 1400 кг/м3.
Глазирование. Глазирование пряников осуществляют
в барабане для глазирования БТ - 600 следующим образом: загружают 150 кг
пряников и заливают рецептурным количеством сиропа, предназначенного для
глазирования. Залитые сиропом пряники перемешивают, глазируют во вращающемся
котле 1 - 2 мин, а затем выгружают на кассеты.
Подсушка и выстойка глазированных изделий.
Пряники после глазирования распределяют на
транспорте в один ряд и отправляют на подсушку. Пряники подсушивают в
специальной туннельной сушильной камере при температуре 600С и скорости воздуха
4 м/с в течение 5 мин, а затем при температуре 20 - 220С в течение 3 мин. После
подсушки пряники направляют на выстойку. Выстойка пряников происходит на
кассетах в специальном помещении не менее 2 ч.
Упаковка, маркировка, транспортирование и
хранение. Пряничные изделия фасуются в пакеты из полимерных пленок, разрешенных
к применению органами государственного санитарно - эпидемиологического надзора,
массой нетто 0,5 кг на упаковочном аппарате DXDK - 1000B. Пакеты с пряничными
изделиями укладывают в ящики из гофрированного картона по ГОСТ 13512 массой
нетто не более 15 кг [24].
На пакеты наносят маркировку, содержащую:
товарный знак и наименование предприятия - изготовителя, его местонахождение;
наименование продукта; состав; массу нетто; информацию о сертификации; дату
выработки; срок хранения и условия хранения; срок годности; информационные
сведения о пищевой и энергетической ценности 100 г продукта; обозначение
настоящего стандарта[24].
2.3 Требования к качеству готовой
продукции, вспомогательных, упаковочных материалов и тары
Пряничные изделия изготавливают в соответствии с
требованиями ГОСТ 15810 - 96 и технологическими инструкциями с соблюдением
действующих санитарных норм, утвержденных в установленном порядке.
По органолептическим показателям пряничные
изделия должны соответствовать требованиям ГОСТ 15810 - 96, указанным в таблице
2.23 [24].
Таблица 2.23 - Органолептические показатели
пряничных изделий
|
Наименование
показателя
|
Характеристика
|
|
Форма,
поверхность, цвет, вкус и запах
|
Свойственный
данному наименованию изделия, без постороннего привкуса.
|
|
Вид
в изломе
|
Пропеченное
изделие без следов непромеса, с равномерной пористостью
|
По физико-химическим показателям пряничные
изделия должны соответствовать требованиям ГОСТ 15810 - 96, указанным в таблице
2.24 [24].
Таблица 2.24 - Физико-химические показатели
пряничных изделий
|
Наименование
показателя
|
Норма
|
|
Массовая
доля влаги, %
|
В
соответствии с утвержденными рецептурами (11 - 12%)
|
|
Массовая
доля общего сахара (по сахарозе) в пересчете на сухое вещество, %
|
В
соответствии с расчетным содержанием по рецептуре с предельным отклонением в
сторону уменьшения не более 2,0
|
|
Массовая
доля жира в пересчете на сухое вещество, %
|
В
соответствии с расчетным содержанием по рецептуре с предельным отклонением в
сторону уменьшения не более 1,0
|
|
Щелочность,
градусы, не более
|
2,0
|
|
Массовая
доля золы, не растворимой в растворе соляной кислоты с массовой долей 10%, %,
не более
|
0,1
|
Толщина пряничных изделий должна быть, мм не
менее - 18.
По микробиологическим показателям пряничные
изделия должны соответствовать требованиям ГОСТ 15810 - 96, указанным в таблице
2.25 [9].
Таблица 2.25 - Микробиологические показатели
пряничных изделий
|
Наименование
показателя
|
Норма
для пряничных изделий без начинки
|
|
Мезофильные
аэробные и факультативно - аэробные микроорганизмы, КОЕ в 1 г продукта, не
более
|
5,0×103
|
|
Бактерии
группы кишечных палочек (колиформные) в 1 г продукта, не более
|
0,1
|
|
Дрожжи,
КОЕ в 1 г продукта, не более
|
5,0×10
|
|
Микроскопические
(плесневые) грибы, КОЕ в 1 г продукта, не более
|
5,0×10
|
|
Патогенные
микроорганизмы, в том числе сальмонеллы в 25 г продукта, не допускаются
|
Содержание токсичных элементов в пряничных
изделиях не должно превышать допустимые уровни, установленные органами
государственного санитарно - эпидемиологического надзора [24].
В таблице 2.26 приведены требования к качеству
вспомогательных, упаковочных материалов и тары.
Таблица 2.26 - Требования к качеству
вспомогательных, упаковочных материалов и тары
|
Наименование
материала и тары
|
Нормативный
документ
|
Область
применения
|
Показатель
качества
|
Параметр
|
|
1
|
2
|
3
|
4
|
5
|
|
Ящики
из гофрированного картона
|
ГОСТ
13511 - 91 «Ящики из гофрированного картона для кондитерских изделий.
Технические условия» [25]
|
Упаковка
пряников
|
Предельная
масса груза в ящике, кг Наружные размеры, мм длина×ширина×высота
Внутренние размеры, мм длина×ширина×высота
|
20
390×390×263 380×380×253
|
|
Пленка
полиэтиленовая
|
ГОСТ
10354-82 "Пленка полиэтиленовая. Технические условия"[26]
|
Расфасовка
пряников
|
Толщина
пленки, мм; Упругость; Прозрачность
|
0,03
|
|
Бумага
этикеточная
|
ГОСТ
7625-86 Бумага этикеточная. Технические условия [27]
|
Этикетирование
|
Белизна,
% Глянец покрытой стороны, % Непрозрачность, % отн. Влажность, %
|
90
60 85 50
|
|
Лента
полиэтиленовая с липким слоем
|
ГОСТ
20477 - 86 «Лента полиэтиленовая с липким слоем. Технические условия» [28]
|
Упаковка
|
Прочность
при разрыве, МПа; Прочность шва при склеивании ее лентой встык, Н;
Температура воспламенения, оС.
|
19,6
6,9 300
|
|
Оберточная
бумага
|
ГОСТ
8273 - 75 «Бумага оберточная. Технические условия» [35]
|
Выстилание
ящиков из гофрированного картона
|
Масса,
г/м2; Влажность, %; Форма рулона, мм.
|
150
7±2 840
|
|
Выстойка
пряников
|
Размеры
кассет, мм: длина×ширина×высота
Вместимость, кг
|
1000×850×100 15
|
Самоклеящиеся этикетки - обычно изготавливаются
методом флексографической печати и на этикетирование поступают на рулонной
ламинированной бумажной или пленочной подложке.
Этикетка легко отделяется и крепится на продукцию
с помощью клея, нанесенного на тыльную сторону этикетки.
К преимуществам самоклеящейся этикетки относят
несомненное удобство и простота их использования и в ручном, и
автоматизированном режимах этикетирования, больших полиграфические возможности [36].
Самоклейка является многослойным композиционным
материалом (МКМ) - совокупностью чаще бумажной и реже пленочной основы
(лицевого материала), клеевого слоя и защитной бумаги. Самоклеящийся материал
состоит из четырех слоев:
основы липкого материала - бумаги (этот слой
определяет толщину всего композиционного материала);
невысыхающего клеевого слоя;
антиадгезионного покрытия защитной бумаги;
основы защитной бумаги [27].
Полиэтиленовая пленка изготавливается методом
экструзии из полиэтилена высокого давления (низкой плотности) и композиций на
его основе, содержащих пигменты (красители), стабилизаторы, скользящие,
антистатические и модифицирующие добавки.
Пленка применяется в сельском хозяйстве, в
мелиоративном и водохозяйственном строительстве; в качестве упаковочного
материала в различных отраслях народного хозяйства; для изготовления товаров
народного потребления.
Пленку для упаковки пищевых продуктов
изготовляют из базовых марок полиэтилена и композиции с рецептурами добавок,
разрешенных органами здравоохранения для изделий, контактирующих с пищевыми
продуктами.
Условное обозначение пленки, допущенной для
контакта с пищевыми продуктами, дополняется словом "пищевая".
Пленка не является токсичным материалом.
Использование ее в нормальных комнатных или атмосферных условиях не требует мер
предосторожности [26].
Оберточная бумага - бумага, изготавливаемая из
различных волокнистых полуфабрикатов, для упаковывания пищевых продуктов и
готовых изделий [37].
Ленту получают нанесением на полиэтиленовую
пленку марки Т толщиной 0,080 и 0,100 мм клеевой композиции на основе
полиизобутилена валковым или поливным методом.
Ленту выпускают окрашенной или неокрашенной.
Цвет ленты определяется цветом окрашенной пленки-основы. При использовании
неокрашенной пленки-основы получают бесцветную ленту с оттенком цвета клеевой
композиции.
Условное обозначение ленты состоит из
сокращенного названия материала (лента ПЭ с липким слоем),толщины пленки-основы
и ширины в миллиметрах, указания о наличии или отсутствии красителя в основе (О
- окрашенная, Н - неокрашенная).
При работе с лентой (сматывание с рулонов,
протягивание через валки) возможно скопление зарядов статического
электричества. В момент прикосновения к ленте происходит электрический разряд,
вызывающий легкое покалывание.
Для предотвращения неблагоприятного воздействия
статического электричества на организм человека относительная влажность воздуха
в рабочих помещениях должна быть от 50 до 60 %.Все металлические конструкции
машины должны быть заземлены, рабочие места снабжены резиновыми ковриками [28].
Ящики из гофрированного картона предназначены
для упаковывания, транспортирования и хранения кондитерских изделий. Ящики
допускается применять для упаковывания другой продукции при условии обеспечения
ее сохранности.
Ящики изготавливаются с четырех клапанным дном и
крышкой по ГОСТ 9142 (исполнение А) или других исполнений по согласованию с
потребителем [25].
2.4 Управление качеством
производства и продукции
Управление качеством производства и продукции
включает стандартизацию и сертификацию, а также технохимический контроль
производства и продукции. Управлением качества производства и продукции
занимается зам. директора по производству.
На предприятии имеется договор с аккредитованной
испытательной лаборатория почв, кормов, агрохимикатов, сельскохозяйственной и
пищевой продукции ФГУ ГЦАС «Приморский» расположенной по адресу ул. Воложенина
30 - а, п. Тимирязевский, Уссурийского района, Приморского края на проведение
стандартизации и сертификации производства и продукции.
На основании договора ФГУ ГЦАС «Приморский»
проводит рабочий контроль продукции один раз в месяц и периодический контроль
продукции по показателям, предусмотренным правилами сертификации по данному
виду продукции. Технохимический контроль производства заключается в проверке
качества сырья, контроль технологического процесса и качества готовой
продукции. Технохимический контроль предупреждает использование
недоброкачественного сырья, нарушение рецептуры и технологического режима,
обеспечивает стандартное качество продукции.
Разработанная схема технохимического контроля
сырья, полуфабрикатов, производства и продукции представлена в таблицах - 2.27,
2.28, 2.29.
Таблица 2.27 - Схема технохимического контроля
сырья
|
Точка
контроля
|
Контролируемые
показатели
|
Метод
контроля
|
Периодичность
контроля
|
Кто
контролирует
|
НД
|
|
1
|
2
|
3
|
4
|
5
|
6
|
|
1.
Мука пшеничная 1 сорта
|
Качество
муки
|
○
Δ
|
Каждая
партия
|
Мастер
- технолог Лаборант ФГУ ГЦАС «Приморский»
|
ГОСТ
52189 -2003
|
|
2.
Сахар
|
Качество
сахара
|
○
Δ
|
Каждая
партия
|
Мастер
- технолог Лаборант ФГУ ГЦАС «Приморский»
|
ГОСТ
21 - 94
|
|
3.Рафинированное
дезодорированное подсолнечное масло
|
Качество
масла
|
○
Δ
|
Каждая
партия
|
Мастер
- технолог Лаборант ФГУ ГЦАС «Приморский»
|
ГОСТ
1129 - 93
|
|
4.Маргарин
|
Качество
маргарина
|
○
Δ
|
Каждая
партия
|
Мастер
- технолог Лаборант ФГУ ГЦАС «Приморский»
|
ГОСТ
240 -85
|
|
5.Патока
|
Качество
патоки
|
○
Δ
|
Каждая
партия
|
Мастер
- технолог Лаборант ФГУ ГЦАС «Приморский»
|
ГОСТ
5194 - 91
|
|
6.
Молоко цельное сгущенное с сахаром
|
Качество
молока сгущенного
|
○
Δ
|
Каждая
партия
|
Мастер
- технолог Лаборант ФГУ ГЦАС «Приморский»
|
ГОСТ
2903 - 78
|
|
7.
Ванилин
|
Качество
ванилина
|
○Δ
|
Каждая
партия
|
Мастер
- технолог Лаборант ФГУ ГЦАС «Приморский»
|
ГОСТ
16599 - 71
|
|
8.
Аммоний углекислый
|
Качество
аммония
|
○
Δ
|
Каждая
партия
|
Мастер
- технолог Лаборант ФГУ ГЦАС «Приморский»
|
ГОСТ
3770 - 75
|
|
9.
Какао - порошок
|
Качество
какао - порошка
|
○
Δ
|
Каждая
партия
|
Мастер
- технолог Лаборант ФГУ ГЦАС «Приморский»
|
ГОСТ
108 - 76
|
|
10.
Сода
|
Качество
соды
|
○Δ
|
Каждая
партия
|
Мастер
- технолог Лаборант ФГУ ГЦАС «Приморский»
|
ГОСТ
2156 - 76
|
Таблица 2.28 - Схема технохимического контроля
полуфабрикатов
|
Точка
контроля
|
Контролируемые
показатели
|
Метод
контроля
|
Периодичность
контроля
|
Кто
контролирует
|
НД
|
|
1.
Сироп сахаро - паточный
|
Влажность
Температура Плотность
|
○Δ
|
Каждый
замес
|
Технолог
|
ТИ
|
|
2.
Тесто
|
Время
замеса Температура теста Влажность теста
|
○ Δ
|
Каждый
замес
|
Технолог
|
ТИ
|
|
3.Сахарный
сироп для глазирования
|
Влажность
Плотность
|
○ Δ
|
Каждый
замес
|
Технолог
|
ТИ
|
Таблица 2.29 - Схема управления качеством
производства
|
Точка
контроля
|
Контролируемые
показатели
|
Метод
Конт-роля
|
Периодичность
контроля
|
Кто
контролирует
|
Нормативный
документ
|
|
1
|
2
|
3
|
4
|
5
|
6
|
|
1.
Прием сырья
|
Качество
сырья
|
○
|
Каждая
партия
|
Мастер
- технолог
|
ГОСТы
на сырье
|
|
2.
Хранение сырья
|
Условия
хранения
|
○
|
Один
раз в сутки
|
Кладовщик
|
ГОСТы
на сырье
|
|
3.Подготовка
сырья к производству
|
Качество
сырья
|
○
|
Каждый
замес
|
Кондитер
|
ГОСТы
на сырье
|
|
4.Приготовление
теста
|
Продолжительность
замеса Температура замеса Консистенция теста
|
Δ
Δ ○
|
Каждый
замес
|
Кондитер
|
ТИ
|
|
5.Формование
изделий
|
Масса
изделий Форма изделий
|
Δ
○
|
Каждый
замес
|
Кондитер
|
ГОСТ
15810 - 96
|
|
6.
Выпечка изделий
|
Температуру
в печи Время выпечки
|
Δ
Δ
|
Каждая
партия
|
Кондитер
|
ТИ
|
|
7.
Охлаждение
|
Время
охлаждения Температуру
|
Δ
Δ
|
Каждая
партия
|
Кондитер
|
ТИ
|
|
8.
Глазирование
|
Качество
сиропа Время выстойки
|
□
Δ
|
Каждая
партия
|
Кондитер
|
ГОСТ
15810 - 96 ТИ
|
|
9.
Упаковка, маркировка
|
Вес
Состояние упаковки
|
Δ
○
|
Каждая
партия
|
Кладовщик
|
ГОСТ
15810 - 96
|
|
10.
Хранение
|
Условия
хранения Сроки хранения
|
Δ
Δ
|
Каждая
партия
|
Кладовщик
|
ГОСТ
15810 - 96
|
Условные обозначения:
○ - органолептические показатели
Δ□ -
физические и химические показатели.
На предприятии имеется договор с ФГУЗ «Центр
гигиены и эпидемиологии в приморском крае», расположенный по адресу: ул.
Октябрьская 85, с. Черниговка, Черниговский район, Приморский край на
проведение микробиологического контроля. На основании договора ФГУЗ «Центр
гигиены и эпидемиологии в приморском крае» микробиологический контроль. Порядок
проведения микробиологического контроля производства осуществляется в
соответствии с инструкцией по санитарно - микробиологическому контролю
производства и требованиям нормативно - технической документации.
Микробиологический контроль санитарного
состояния производства пряников представлен в таблице 2.30.
Таблица 2.30 - Микробиологический контроль
санитарного состояния производства пряников
|
Объект
контроля
|
Микробиологические
определения
|
Допустимые
показатели
|
Периодичность
контроля
|
|
Вода
для технологической операции
|
КМАФАнМ,
КОЕ, не более БГКП (колиформы)
|
100
в 1 см3 не более 3 в 1 дм3
|
1
раз в месяц при централизованном водоснабжении
|
|
Оборудование,
инвентарь
|
КМАФАнМ,
КОЕ, не более БГКП (колиформы)
|
300
на 1 см2 поверхности отсутствие на 100 см2 поверхности
|
2
раза в месяц перед началом работы
|
|
Руки
рабочих
|
БГКП
(колиформы)
|
Отсутствие
|
2
раза в месяц перед началом работы
|
|
Воздух
|
КМАФАнМ,
КОЕ, не более Плесневые грибы, КОЕ, не более
|
150
- 200 на 100 дм3 воздуха 15 - 20 на 100 дм3 воздуха
|
1
раз в месяц
|
|
Стены
помещений цеха
|
Плесневые
грибы, КОЕ, не более
|
Отсутствие
на 100 см2 поверхности
|
1
раз в месяц
|
|
Тара
(внутренняя поверхность), упаковка
|
КМАФАнМ,
КОЕ, не более БГКП (колиформы)
|
5
в 1 см3 смывной воды Отсутствие во всей смывной жидкости
|
1
раз в месяц
|
3. ТЕХНОЛОГИЧЕСКИЕ РАСЧЕТЫ
3.1 Расчет расхода сырья и полуфабрикатов
Исходные данные:
Суточная производительность пряничного цеха 2 т.
Цех работает в две смены по 12 часов, выпекая в первую смену пряники «Северные»
- 1200 кг; во вторую пряники «ИРЕК» - 800 кг.
Расчет расхода сырья.
Унифицированная рецептура на пряники «Северные»
приведена в таблице 3.1[29].
Заварные пряники из муки 1 с. имеют круглую
форму. Поверхность глазированная. Выпекаются весовыми. Влажность 12,0% (±2,5%).
Таблица 3.1 - Рецептура на пряники «СЕВЕРНЫЕ»
|
Наименование
сырья и полуфабрикатов
|
Масс.
Доля сух. в, %
|
Расход
сырья, кг
|
|
|
На
1 т полуфабриката
|
На
полуфабрикат для 1 т незаверн. продукции
|
|
|
в
натуре
|
в
сух. в
|
в
натуре
|
в
сух. в
|
|
1
|
2
|
3
|
4
|
5
|
6
|
|
Рецептура
готовых пряников из полуфабрикатов на 1 т
|
|
Пряники
Сироп
|
88,00
78,00
|
874,28
147,50
|
769,37
115,05
|
874,28
147,50
|
769,37
115,05
|
|
Итого
Выход
|
-
88,00
|
1021,78
1000,00
|
884,42
880,00
|
1021,78
1000,00
|
884,42
880,00
|
|
Рецептура
полуфабриката - пряники на 874, 28 кг
|
|
Мука
пш. 1 сорта Мука пш. 1с. (подпыл) Сахар-песок Патока Маргарин Масло растит. Эссенция
Сода питьевая Углеаммон. соль
|
85,50
85,50 99,85 78,00 84,00 100,00 - 50,00 -
|
539,72
42,10 252,57 110,63 49,65 16,73 3,29 1,68 5,06
|
461,46
36,0 252,19 86,29 41,71 16,73 - 0,84 -
|
471,87
36,81 220,82 96,72 43,42 14,63 2,88 1,46 4,42
|
403,45
31,47 220,49 75,44 36,47 14,63 - 0,73 -
|
|
Итого
Выход
|
-
88,00
|
1029,43
1000,00
|
895,22
880,00
|
893,03
874,28
|
782,68
769,37
|
|
Рецептура
полуфабриката - сироп на 147,50 кг
|
|
Сахар-песок
|
99,85
|
894,74
|
893,40
|
116,98
|
116,80
|
|
Выход
|
78,00
|
1000,00
|
780,00
|
147,50
|
115,05
|
|
|
|
|
|
|
|
Сводная рецептура на пряники «Северные»
представлена в таблице 3.2.
Таблица 3.2 - Сводная рецептура
|
Наименование
сырья
|
Масс.
доля сух. в, %
|
Расход
сырья, кг
|
|
|
по
сумме полуфабриката для 1 т незаверн. продукции
|
на
1 т готовой продукции (без заверт. материала)
|
|
|
В
натуре
|
В
сух. в
|
В
натуре
|
В
сух. в
|
|
Мука
пш. 1 сорта Сахар-песок Патока Маргарин Масло растит. Эссенция Сода
питьевая Углеаммон. соль
|
85,5
99,85 78,00 84,00 100,00 - 50,00 -
|
508,68
337,80 96,72 43,42 14,63 2,88 1,46 4,42
|
434,92
337,29 75,44 36,47 14,63 - 0,73 -
|
510,95
339,30 97,15 43,61 14,70 2,89 1,46 4,45
|
436,86
338,79 75,78 36,63 14,70 - 0,73 -
|
|
Итого
Выход
|
-
88,00
|
1010,01
1000,00
|
899,48
880,00
|
1014,51
1000,00
|
903,49
880,00
|
Унифицированная рецептура на пряники «ИРЕК»
приведена в таблице 3.3 [29]. Заварные пряники из муки 1 сорта. Имеют круглую
форму. Поверхность глазированная. Выпускаются весовыми. В 1 кг содержится не
менее 30 штук. Влажность 11% (+3,55 - 1,0%).
Таблица 3.3 - Рецептура на пряники «ИРЕК»
|
Наименование
сырья и полуфабрикатов
|
Масс.
Доля сух. В, %
|
Расход
сырья, кг
|
|
|
На
1 т полуфабриката
|
На
полуфабрикат для 1 т незаверн. Продукции
|
|
|
в
натуре
|
в
сух. В
|
в
натуре
|
в
сух. В
|
|
Рецептура
готовых пряников из полуфабриката на 1 т
|
|
Пряники
Сироп
|
89,00
78,00
|
860,40
165,01
|
765,76
128,71
|
860,40
165,01
|
765,76
128,71
|
|
Итого
Выход
|
-
89,00
|
1025,41
1000,00
|
894,47
890,00
|
1025,41
1000,00
|
894,47
890,00
|
|
Рецептура
полуфабриката - пряники на 860, 40 кг
|
|
Мука
пш. 1 сорта Сахар-песок Молоко цельн. сгущ. с сах. Маргарин Какао порошок
Сода питьевая Углеаммон. соль Ванилин Патока
|
85,50
99,85 74,00 84,00 95,00 50,00 - - 78,00
|
569,84
154,90 207,27 47,18 34,53 1,88 4,81 0,23 47,18
|
487,21
154,67 153,34 34,63 32,80 0,94 - - 36,80
|
490,29
133,28 178,28 40,60 29,7 1,62 4,16 0,20 40,59
|
419,20
133,08 131,93 34,10 28,22 0,81 - - 31,66
|
-
89,00
|
1067,77
1000,00
|
905,39
890,00
|
918,73
860,40
|
779,00
765,76
|
|
Рецептура
полуфабриката - сироп на 165,01 кг
|
|
Сахар-песок
Какао порошок
|
99,85
95,00
|
706,46
91,03
|
705,40
86,48
|
116,57
15,02
|
116,40
14,27
|
|
Итого
Выход
|
-
78,00
|
797,49
1000,00
|
791,88
780,00
|
131,59
165,01
|
130,67
128,71
|
Сводная рецептура на пряники «ИРЕК» представлена
в таблице 3.4.
Таблица 3.4 - Сводная рецептура
|
Наименование
сырья
|
Масс.
доля сух. в, %
|
Расход
сырья, кг
|
|
|
по
сумме полуфабриката для 1 т незаверн. продукции
|
на
1 т готовой продукции (без заверт. материала)
|
|
|
В
натуре
|
В
сух. в
|
В
натуре
|
В
сух. в
|
|
1
|
2
|
3
|
4
|
5
|
6
|
|
Мука
пш. 1 сорта Сахар-песок Молоко цельн. сгущ. с сах. Маргарин Какао порошок
Сода питьевая Углеаммон. соль Ванилин Патока
|
285,50
99,85 74,00 84,00 95,00 50,00 - - 78,00
|
490,29
249,85 178,28 40,60 44,73 1,62 4,16 0,20 40,59
|
419,20
249,48 131,93 34,10 42,49 0,81 - - 31,66
|
492,51
250,98 179,08 40,77 44,93 1,62 4,25 0,20 40,77
|
421,10
250,60 132,52 34,25 42,68 0,81 - - 31,80
|
|
Итого
Выход
|
-
89,00
|
1050,32
1000,00
|
909,67
890,00
|
1055,11
1000,00
|
913,76
890,00
|
Производственная рецептура на пряники «Северные»
приведена в таблице 3.5.
Таблица 3.5 - Рецептура на пряники «Северные»
|
Наименование
сырья
|
Масс.
доля с. в, %
|
Расход
сырья в натуре, кг
|
|
|
На
1т незавернутой продукции
|
В
смену - сутки
|
В
год
|
|
Мука
пш. 1 с Сахар - песок Патока Маргарин Масло раст. Ванилин Сода питьевая
Углеаммон. соль
|
85,50
99,85 78,00 84,00 100,00 - 50,00 -
|
510,95
339,30 97,15 43,61 14,70 0,58 1,46 4,45
|
613,14
407,16 116,58 52,33 17,64 0,69 1,75 5,34
|
153285
101790 29145 13083 4410 867 438 1335
|
|
Итого
Выход
|
-
88,00
|
1012,20
1000,00
|
1217,52
1200,00
|
303660
300000
|
Производственная рецептура на пряники «ИРЕК» приведена
в таблице 3.6.
Таблица 3.6 - Рецептура на пряники «ИРЕК»
|
Наименование
сырья
|
Масс.
доля с. в, %
|
Расход
сырья в натуре, кг
|
|
|
На
1 т Незав. продукции
|
В
смену - сутки
|
В
год
|
|
1
|
2
|
3
|
4
|
5
|
|
Мука
пш. 1 с Сахар - песок Молоко цельн. сгущ. с сахаром Маргарин Какао - порошок
Сода питьевая Углеаммонийная соль Ванилин Патока
|
85,50
99,85 74,00 84,00 95,00 50,00 - - 78,00
|
492,51
250,98 179,08 40,77 44,93 1,62 4,25 0,20 40,77
|
394,01
200,78 143,26 32,62 35,94 1,30 3,40 0,16 32,62
|
98502
50196 35816 8154 8986 324 850 40 8154
|
|
Итого
Выход
|
-
89,00
|
1055,11
1000,00
|
844,09
800,00
|
211022
200000
|
Производственная рецептура на пряники «Северные»
и «ИРЕК» для каждого изделия в смену, в сутки, в год приведена в таблице 3.7.
Таблица 3.7 - Рецептура на пряники «Северные» и «ИРЕК»
для каждого изделия в смену, в сутки, в год
|
Наименование
сырья
|
Мас.
Доля с. в., %
|
Расход
сырья в натуре, кг
|
|
|
Пряники
«Северные»
|
Пряники
«ИРЕК»
|
Всего
|
|
|
В
смену - сутки
|
В
год
|
В
смену - сутки
|
В
год
|
В
смену - сутки
|
В
год
|
|
Мука
пш. 1 с Сахар - песок Патока Маргарин Масло раст. Ванилин Сода питьевая
Углеаммон. соль Молоко цельн. сгущ. с сахаром Какао - порошок
|
85,50
99,85 78,00 84,00 100,00 - 50,00 - 74,00 95,00
|
613,14
407,16 116,58 52,33 17,64 0,58 1,75 5,34
|
153285
101790 29145 13083 4410 174 438 1335
|
394,01
200,78 32,62 32,62 0,16 1,30 3,40 143,26 35,94
|
98502
50196 8154 8154 40 324 850 35816 8986
|
1007,15
607,94 149,2 84,95 17,64 0,74 3,05 8,74 143,26 35,94
|
251787
151986 37299 21237 4410 214 762 2185 35816 8986
|
Расчет расхода полуфабрикатов.
На производство 1 т. пряников «Северные»
согласно рецептуре необходимо 147,5 кг сиропа.
Производственная рецептура на полуфабрикаты для
пряников «Северные» приведена в таблице 3.8.
Таблица 3.8 - Рецептура полуфабриката - сироп на
пряники «Северные»
|
Наименование
сырья
|
Масс.
доля с. в, %
|
Расход
сырья в натуре, кг
|
|
|
На
1 т. продукции
|
В
смену - сутки
|
В
год
|
|
Сахар
- песок
|
99,85
|
116,98
|
140,38
|
35094,00
|
|
Выход
|
78,00
|
147,50
|
177,00
|
44250,00
|
На производство 1 т. пряников «ИРЕК» согласно
рецептуре необходимо 165,01 кг сиропа.
Производственная рецептура на полуфабрикаты для
пряников «ИРЕК» приведена в таблице 3.9.
Таблица 3.9 - Рецептура полуфабриката - сироп на
пряники «ИРЕК»
|
Наименование
сырья
|
Масс.
доля с. в, %
|
Расход
сырья в натуре, кг
|
|
|
На
1 т. продукции
|
В
смену - сутки
|
В
год
|
|
Сахар
- песок Какао-порошок
|
99,85
95,00
|
116,57
15,02
|
93,26
12,02
|
23314,00
3004,00
|
|
Итого
Выход
|
-
78,00
|
131,59
165,01
|
105,28
132,01
|
26318,00
33002,00
|
Производственная рецептура на полуфабрикаты для
пряников «Северные» и «ИРЕК» приведена в таблице 3.10.
Таблица 3.10
|
Наименование
сырья
|
Масс.
доля с.в., %
|
Расход
сырья, кг
|
|
|
Пряники
«Северные»
|
Пряники
«ИРЕК»
|
Всего
|
|
|
В
смену - сутки
|
В
год
|
В
смену - сутки
|
В
год
|
В
смену - сутки
|
В
год
|
|
Сахар
- песок Какао - порошок
|
85,50
95,00
|
140,38
|
35094,00
-
|
93,26
12,02
|
23314,00
3004,00
|
233,64
12,02
|
58408,00
3004,00
|
Выход готовой продукции (кг) определяется по
формуле [30]:
где ∑G - общее количество сырья, кг. ∑G
на пряники «ИРЕК» равно 844,09 (таблица 3.6), ∑G на пряники «Северные»
равно 1217,52 (таблица 3.5);ср - средневзвешенная влажность сырья, %; т -
влажность теста, % Wт = 23% (см. ТИ);
∆Gбр, ∆Gуп, ∆Gус - затраты
соответственно при брожении, выпечке (упек) и на усушку при остывании и
хранении хлеба, %.
При производстве пряников «Северные» и «ИРЕК»
отсутствует стадия брожения.
Затраты при приготовлении теста: упек - 6%;
усушка - 3 %.
% (3.2)
где M, G1, G2,…Gn - масса сырья по рецептуре, кг
(таблица 3.7);м - влажность муки, %; , W2, Wn - влажность сырья, % (таблица
3.7).
Средневзвешенная влажность пряников «Северные»:
Средневзвешенная влажность пряников «ИРЕК»:
Выход пряников «Северные»:
Выход пряников «ИРЕК»:
Выход теста (Gт.) определяется по формуле [30]:
где ∑G - общее количество сырья, кг
(формула 3.1);ср - средневзвешенная влажность сырья, % (формула 3.2);т -
влажность теста, %;
Выход теста пряников «Северные»:
Выход теста пряников «ИРЕК»:
Общее количество теста равно:общ = G1 +G2, кг
(3.4)
общ = 1419,6 +
953,9 = 2373,5 кг.
Количество воды для приготовления теста
определяется по разнице между массой теста и массой сырья [30]:
где Gт. - выход теста, кг (формула 3.3);
∑G - общее количество сырья, кг (формула
3.1);
Количество воды для замеса теста на пряники
«Северные»:
.
Количество воды, необходимое для приготовления
сиропа для заварки муки, рассчитывают исходя из предусмотренной влажности
заварки. Влажность заварки 20 % [8]. Таким образом для приготовление сиропа
необходимо 20 % воды. На приготовление сиропа необходимо сахара - песка -
407,16 кг и патоки - 116,58 кг (таблица 3.7).
Необходимое количество воды для приготовление
сиропа равно:
Вс = 523,74×20/100
= 104,75 кг.
Необходимое количество воды для растворения
углеаммонийной соли и питьевой соды равно:
Вр.1 = 202,08 - 104,75 = 97,33 кг.
Количество воды для замеса на пряники «ИРЕК»:
.
На приготовление сиропа необходимо сахара -
песка - 200,78 кг и патоки - 32,62 кг (таблица 3.7).
Необходимое количество воды для приготовление
сиропа равно:
,4×20/100
= 46,38 кг.
Необходимое количество воды для растворения
углеаммонийной соли и питьевой соды равно:
,81 - 46,38 = 63,43 кг.
Количество воды, необходимое для приготовления
сиропа для глазирования пряников, рассчитывают исходя из предусмотренной
влажности сиропа. Влажность сиропа на пряники «Северные» и «ИРЕК» равна 22 %
[таблица 3.8; 3.9].
На приготовление сиропа для глазирования на
пряники «Северные» необходимо сахара - песка - 140,38 кг (таблица 3.8).
Необходимое количество воды на приготовление сиропа для глазирования равно:
,38×22/100
= 30,88 кг.
На приготовление сиропа для глазирования на
пряники «ИРЕК» необходимо сахара - песка - 93,26 кг, какао - порошка - 12,02 кг
(таблица 3.10). Необходимое количество воды на приготовление сиропа для
глазирования равно:
,28×22/100
= 23,16 кг.
Расход воды на технологические нужды представлен
в таблице 3.11.
Таблица 3.11 - Расход воды
|
Наименование
|
Вода
на приготовления теста, кг
|
Вода
на сироп для глазирования, кг
|
|
Пряники
«Северные»
|
Пряники
«ИРЕК»
|
Пряники
«Северные»
|
Пряники
«ИРЕК»
|
|
Количество
воды, кг
|
202,08
|
109,81
|
30,88
|
23,16
|
|
Итого
|
365,93
|
Расчет потребности вспомогательных, упаковочных
материалов и тары
Пряничные изделия фасуются в пакеты из
полиэтиленовой пленки по 400 г. Пакеты с пряничными изделиями укладывают в
ящики из гофрированного картона № 23 по 40 пакетов.
На пакеты и ящики наклеиваются самоклеящиеся этикетки
с указанием: товарного знака и наименования предприятия - изготовителя, его
местонахождения; наименования продукта; состава; массы нетто; информации о
сертификации; дате выработки; срока хранения и условий хранения; срока
годности; информационных сведений о пищевой и энергетической ценности 100 г
продукта; обозначения настоящего стандарта.
Потребность вспомогательных, упаковочных
материалов показана в таблице 3.12.
Таблица 3.12 - Расчет вспомогательных материалов
и тары
|
Наименование
|
Ед.
измер.
|
Норма
расхода на 1 т готовой продукции
|
Расход
|
|
|
|
в
смену
|
в
год
|
|
Ящики
из гофрированного картона № 23 (Приложение 1 [32])
|
шт
|
167
|
334
|
83500
|
|
Лента
полиэтиленовая
|
кг
|
12,5
|
25
|
6250
|
|
Этикетки:
для упаковывания пряников в ящики для фасования пряников в пакеты
|
шт
шт
|
167
2500
|
334
5000
|
83500
2500000
|
|
Лента
полиэтиленовая с липким слоем
|
м
|
83,5
|
167
|
41750
|
|
Оберточная
бумага
|
кг
|
7,3
|
14,6
|
3650
|
Подбор и расчет технологического оборудования.
Для производства пряников «Северные» и «ИРЕК»
2000 кг/сут необходимо технологическое оборудование периодического действия,
указанное в таблице 3.13 [31].
Таблица 3.13 - Комплект технологического
оборудования для производства заварных пряников без начинки
|
Наименование
|
Марка
оборудования
|
Производи-тельность,
кг/ч
|
Мощ-ность,
кВт
|
Габаритные
размеры, мм
|
Кол-во
|
|
1
|
2
|
3
|
4
|
5
|
6
|
|
Холодильный
шкаф
|
ШХ
- 1,2
|
1,2
|
2
|
750×950×1800
|
2
|
|
1
|
2
|
3
|
4
|
5
|
6
|
|
Мукопросеиватель
|
МПМХ
- 01
|
250
|
0,12
|
750×600×800
|
1
|
|
Солерастворитель
|
С
- 1,0 - 1,0
|
-
|
1,0
|
Высота
- 1800
|
1
|
|
Сахарожирорастворитель
|
СЖР
|
-
|
0,6
|
950×745×1065
|
1
|
|
Сухаробробилка
|
ЦС
414
|
25
|
0,37
|
495×215×495
|
1
|
|
Котел
варочный медный
|
Б4
- ШКВ - 75
|
50
- 200
|
1,1
|
1275×830×1485
|
2
|
|
Тестомесильная
машина с паровой рубашкой
|
МТ
- 70
|
100
- 150
|
1,1
|
730×470×800
|
1
|
|
Формующая
машина
|
ФПЛ
- 3
|
150
- 250
|
0,75
|
1450×800×1320
|
1
|
|
Печь
ротационная
|
ПКЭ
- 9
|
150
|
35,5
|
2000×1220×2250
|
1
|
|
Барабан
для глазирования
|
БТ
- 600
|
150
л/час
|
0,37
|
1500×600×1500
|
|
Ленточный
транспортер
|
-
|
-
|
1,7
|
Ширина
ленты - 400 мм, длина конвейера - 1 м.
|
2
|
|
Туннельная
сушильная камера
|
-
|
-
|
20,0
|
12000×1400×1300
|
1
|
|
Упаковочный
аппарат
|
DXDK
- 1000B
|
20
упак/мин
|
2,5
|
730×1000×1650
|
1
|
|
Итого
|
|
|
67,11
|
|
16
|
Отделение приема и подготовки сырья.
Мукопросеиватель МПМХ - 01. Производительность -
250 кг/ч. В сутки необходимо просеять 1007,15 кг муки.
Количество часов работы просеивателя (ч) рассчитывается
по формуле:
Ч = Мз / П, ч (3.7)
где Мз - суточная потребномть муки, кг. Мз =
1007,15 кг (таблица 3.7);
П - производительность просеивателя, кг/ч. П =
250 кг/ч (таблица 3.12).
Ч = 1007,15/250 = 4,03 ч.
Котел варочный медный Б4 - ШКВ - 75. Производительность
- 100 кг/ч. В сутки необходимо растворить 607,94 кг сахара и 149,2 кг патоки
(талдбица 3.7). Работа котла варочного составит 7,6 ч.
Сухародробилка ЦС414. Производительность - 25
кг/ч. в сутки необходимо раздробить 8,74 кг углеаммонийной соли. Работа
сухародробилки составит 0,35 ч. Сухародробилка также предназначена для
дробления возвратных отходов.
Солерастворитель С - 1,0 - 1,0 предназначен для
растворения питьевой соды и углеаммонийной соли. Вместимость - 1 м3, масса
одной загрузки - 110 кг. В сутки необходимо растворить: углеаммонийной соли -
8,74 кг, питьевой соды - 3,05 кг.
Сахарожирорастворитель СЖР. В сутки необходимо
растворить - 84,95 кг маргарина. Вместимость СЖР - 210 кг.
Тестоприготовительное отделение.
Тестомесильная машина МТ - 70.
Производительность - 150 кг/ч. в сутки необходимо замесить теста 2373,5 кг.
Работа тестомесильной машины составит 15,8 ч.
Тесторазделочное отделение.
Расчет тестоделительной машины ФПЛ -3.
Производится по количеству тестовых заготовок. Сначала определим потребность в
тестовых заготовках (шт./мин) [30]:
где Pч - выработка готовой продукции, кг/ч;-
масса изделий, кг.
Рассчитаем число тестоделительных машин:
где х - коэффициент запаса на остановку (х =
1,05);д - производительность делителя, шт./мин (nд = 200×40/60
= 134 шт./мин).
Отделение глазировки пряников.
Котел варочный медный Б4 - ШКВ - 75.
Производительность - 100 кг/ч. В сутки необходимо приготовить сиропа для
пряников «ИРЕК» - 132,01 кг, для пряников «Северные» - 177,00 кг. Работа котла
варочного составит 3,09 ч.
Барабан для глазирования БТ - 600. количество
часов работы барабана для глазирования рассчитывается по формуле:
где В - объем выпускаемой продукции в сутки, кг
(В = 2000 кг);
Пт - производительность барабана для
глазирования, кг/ч. Пт = 150 кг/ч (таблица 3.12).
Упаковочное отделение.
Упаковочный аппарат DXDK - 1000В.
Производительность 20 упак/мин. В сутки необходимо упаковать пряники в 5000
пакетов. Работа упаковочного аппарата составит 5000/20 = 250 мин или 4,2 ч.
Расчет производительности печи.
Выпечка пряников осуществляется в ротационной
печи ПКЭ - 9. В печь закатывается стеллажная тележка с установленными на ней
листами с отформованными пряничными полуфабрикатами. Количество листов на
тележке 26 (размеры листа 650×530
мм). Разовая загрузка печи - 45 кг [31]. Продолжительность выпечки 7 - 12 мин
при температуре 200 - 240оС. На закатывание и выкатывание стеллажной тележки
затрачивается 3 мин.
Производительность печи при выработке пряников
массой 0,04 кг (в 1кг пряников должно быть не менее 30 шт. Принимаем 40
пряников в 1 кг.) определяют по формуле [34]:
Рч = (N·n·g·60)/ τ,
(3.11)
где N - количество листов на тележке, шт (N = 26
шт.);- количество изделий на листе, шт (n = 36 шт.);- масса одного изделия, кг
(g = 0,04 кг);
τ - продолжительность
выпечки, включая посадку и выгрузку, мин (τ
= 15 мин).
Рч = (26·36·0,04·60)/15 = 149,76 кг/ч.
Количество часов работы печи в сутки определяем
по формуле[34]:
Чп = В/Рч, ч (3.12)
Где В - суточная выработка пряничных изделий, кг
(В = 2000 кг);
Рч - производительность печи, кг/ч.
Чп = 2000/149,76=13,35ч.
Вспомогательное оборудование и транспортные
средства, весоизмерительная техника и инвентарь
Вспомогательное оборудование и транспортные
средства, весоизмерительная техника и инвентарь для производства заварных
пряников без начинки представлен в таблице 3.14.
Таблица 3.14 - Вспомогательное оборудование и
транспортные средства, весоизмерительная техника и инвентарь для производства
заварных пряников
|
Наименование
|
Габаритные
размеры, мм
|
Показатель
|
Кол-во
|
|
Длина
|
Ширина
|
Высота
|
|
|
|
Тележка
транспортная ХТ - 250
|
950
|
760
|
1020
|
Масса
- 45 кг; Грузоподъемность - 260 кг.
|
2
|
|
Ванна
моечная
|
530
|
530
|
870
|
-
|
3
|
|
Стол
производственный СР-2/1200
|
800
|
920
|
1250
|
-
|
2
|
|
Весы
платформные РП - 100 ШВ
|
650
|
560
|
200
|
Пределы
взвешивания - 5 - 100 кг; Цена деления - 50 г; Размеры платформы, мм: длина -
650, ширина - 450.
|
1
|
|
Весы
настольные ВТ - 8909 - 50
|
600
|
450
|
200
|
Предел
взвешивания - 0 - 50 кг; Точность взвешивания - 20 г.
|
2
|
|
Тележка
стеллажная к печи ПКЭ - 9
|
660
|
615
|
1850
|
Количество
листов - 26
|
4
|
|
Кассеты
для выстойки
|
1000
|
850
|
100
|
Вместимость
- 15 кг.
|
20
|
|
Стеллаж
для кассет
|
2100
|
950
|
2000
|
Количество
кассет - 10
|
2
|
|
Стеллажная
полка
|
1500
|
700
|
2000
|
|
5
|
|
Дежа
подкатная
|
790
|
790
|
725
|
Емкость
дежи - 140 л
|
1
|
|
Подъемник
LM - Y 0,3 - 9
|
2100
|
1000
|
9000
|
Грузоподъемность
- 300 кг; Высота подъема - 9 м; Время подъема - 72 с.; Мощность двигателя -
1,5 кВт.; Масса - 1200 кг;
|
1
|
4. РАСЧЕТ ПОТРЕБНОСТИ ПРЕДПРИЯТИЯ В
РАБОЧЕЙ СИЛЕ
Расчет численности производственных рабочих
ведется на основе сменных производственных заданий, норм выработки, баланса
рабочего времени одного рабочего и режима работы предприятия.
Подробный расчет численности работающих делается
только по производственным рабочим. По другим категориям работающих расчеты
производятся на основе типовых штатных расписаний в зависимости от объема
производства предприятия, учитывая группы хлебопекарных предприятий.
При определении численности производственных
рабочих исходят из условий наиболее полного использования рабочего времени
каждым исполнителем. Число рабочих в смену определяется делением
производственного задания на установленную норму выработки.
Расчет численности основных производственных
рабочих при условии: состав бригады в смену - 10 человек, предприятие работает
в 2 смены при непрерывной рабочей неделе. Расчет дан в таблице 4.1 [30].
Таблица 4.1 - Численность производственных
рабочих на линии по производству пряников
|
Наименование
должности
|
Число
рабочих в смену
|
Число
смен
|
Штатный
состав
|
|
1
|
2
|
3
|
4
|
|
Подсобные
рабочие
|
2
|
2
|
4
|
|
Тестовод
|
1
|
2
|
2
|
|
Машинист
тесторазделочной машины
|
1
|
2
|
2
|
|
Пекарь
|
2
|
2
|
4
|
|
Кондитер
|
2
|
2
|
4
|
|
Укладчик
- перевозчик готовой продукции
|
2
|
2
|
4
|
|
Мастер
- технолог
|
1
|
2
|
2
|
|
Кладовщик
|
1
|
2
|
2
|
|
Инженер
- энергетик
|
1
|
2
|
2
|
|
Повар
|
1
|
2
|
2
|
|
Уборщица
|
2
|
2
|
4
|
|
Директор
|
1
|
1
|
1
|
|
Всего
|
17
|
-
|
31
|
Среднесписочный состав рабочих определяется
умножением штатного состава на число месяцев работы и делением на 12 (число
календарных месяцев в году).
Определим число месяцев работы предприятия по
таблице 4.2. Оно составляет - 250/30=8,3 месяца. Таким образом среднесписочный
состав рабочих равен 31´8,3/12=22 человека.
5. РАСЧЕТ И ПОДБОР СКЛАДСКИХ,
ПОДСОБНО - ПРОИЗВОДСТВЕННЫХ, БЫТОВЫХ, АДМИНИСТРАТИВНО - ХОЗЯЙСТВЕННЫХ ПОМЕЩЕНИЙ
Запасы сырья на складах предприятий нужны для
обеспечения бесперебойного выпуска продукции в заданном количестве и
ассортименте. Недостаточные запасы сырья приводят к простоям в работе, срыву
выпуска изделий в ассортименте. Сверхнормативные запасы уменьшают оборачиваемость
средств предприятия, вызывают лишние потери сырья при длительном хранении и
требуют дополнительных складских площадей.
Расчет склада муки. Расход муки в сутки
составляет 1007,15 кг. Мучной склад должен вмещать 7- суточный запас муки.
Таким образом запас муки на складе составляет 7,05 т. Количество муки на 1 м2 -
1,75 т. Необходимая площадь для хранения 7050 кг муки составляет - 7,05/1,75 =
4,03 м2.
Расчет складов сырья приведен в таблице 5.1[32].
Таблица 5.1 - Расчет складов сырья
|
Сырье
|
Расход,
кг/сут
|
Норма
хранения, сут
|
Подлежит
хранению на складе, т
|
Количество
сырья на 1 м2, т
|
Необходимая
площадь, м2
|
|
Мука
пш. 1 с Сахар - песок Патока Маргарин Масло раст. Ванилин Сода питьевая
Углеаммон. соль Молоко цельн. сгущ. с сахаром Какао - порошок
|
1007,15
607,94 149,2 84,95 17,64 0,74 3,05 8,74 143,26 35,94
|
7
5 10 3 30 30 30 30 10 10
|
7,05
3,04 1,5 0,25 0,53 0,02 0,09 0,26 1,34 0,36
|
1,75
1,27 0,82 1,4 1 1 0,8 1,02 0,63 0,67
|
4,03
2,40 1,83 0,18 0,53 0,02 0,11 0,25 2,13 0,54
|
|
Всего
|
|
|
|
|
12,02
|
Склад для хранения тары, вспомогательных
материалов проектируется рядом с упаковочным отделением площадью 30 - 60 м2 в
зависимости от производительности предприятия [33]. Принимаем склад для
хранения тары, вспомогательных материалов - 10 м2.
Санитарно - бытовые помещения. Вестибюль
проектируется из расчета 0,15 м2 на 1 человека наибольшей смены, но не менее 18
м2. Принимаем вестибюль площадью 18 м2.
Гардероб для уличной одежды помещают в вестибюле
из расчета площади 0,1 м2 на 1 место вешалки. На 1 м вешалки располагается 5
крючков. Ширина проходов между вешалками предусматривается 1 м. На 10 человек
необходимо 2 вешалки. Принимаем площадь 0,2 м2
Гардеробный блок включает гардероб для домашней
одежды (в закрытых шкафах), преддушевую, душевую, гардероб для рабочей одежды,
умывальную. Гардеробный блок располагается на пути прохода рабочих на
производство.
Количество мест при хранении домашней одежды в
шкафах принимается равным списочному количеству всех работающих,
соприкасающихся с сырьем, полуфабрикатами, готовой продукцией.
Раздевальные для домашней одежды оборудуются
шкафами и скамейками. Шкафа делают закрывающимися глубиной 500 мм, шириной 330
мм, высотой 1650 мм, со скамьями шириной 300 мм.
Душевые оборудуются открытыми кабинами с
однорядным расположением. Одна душевая предназначена для 5 человек, работающих
в наиболее многочисленной смене, из условия прохождения душа сменой в течение
45 мин. Необходимо 2 душевые.
Размер кабин (в чистоте) 900×900
мм. Ширина прохода между кабинами и стеной 1200 мм.
Преддушевые предназначаются для вытирания после
душа. Они должны быть оборудованы скамьями шириной 0,3 м и длиной 0,4 м на 1
место из расчета 3 места на 1 душевую сетку.
Одевальные для рабочей одежды оборудуют шкафами
глубиной 250 мм, шириной 200 мм, высотой 1650 мм. Количество шкафов в
одевальных равно количеству шкафов в раздевальных. Расстояние между двумя
рядами шкафов 2000 мм, а между рядом шкафов и стеной 1300 мм.
Умывальные (из расчета 1 кран на 15 человек) при
гардеробном блоке должны размещаться смежно с гардеробом рабочей одежды,
допускается размещение умывальной и в гардеробной на расстоянии не менее 2 м от
шкафов.
Помещение для общественного питания.
При количестве работающих в наибольшей смене 30
человек и менее допускается по согласованию с Госсаннадзором предусматривать
комнату для приема пищи площадью из расчета 1 м2 на 1 человека, но не менее 12
м2. принимаем комнату для приема пищи - 12 м2.
Комната отдела кадров площадью 12 м2.
Комнаты администрации: кабинет директора,
главного инженера, главного механика - 18 м2, комната для технического
персонала - 12 м2.
Бухгалтерия площадью 12 м2 проектируется из
расчета 4 м2 на служащего.
6. ТЕПЛОЭНЕРГЕТИЧЕСКИЕ РАСЧЕТЫ
.1 Расчет воды
Вода на предприятии расходуется на:
технические и технологические нужды;
хозяйственно-бытовые.[41]
На технологические нужды требуется М1 = 365,93
кг воды или
М1 = 365,93 ·10-3 =0,366 м3 воды в сутки. [п.
3.1]
Расход воды на мойку полов, панелей стехн в
производственном помещении определяют, исходя из нормы 0,005 м3 в смену.
Площадь пола цеха 540 м2.
Расход воды на мойку полов в смену составляет:
Стены помещения цеха моются на высоту 1 м.
Расход воды на мойку стен составит:
(6.1)
где А - периметр цеха, м (А=(30+18)·2 =
96).
.
Расчёт воды на технические нужды берется из
технических характеристик машин. Технические характеристики машин приведены в
таблице 6.1.
Таблица 6.1 - Технические характеристики машин
|
Наименование
оборудования
|
Количество
|
Количество
воды, м3
|
|
Котел
варочный Б4 - ШКВ - 75 Сахарожирорастворитель СЖР Солерастворитель С - 1,0
- 1,0 Тестомесильная машина МТ - 70
|
2
1 1 1
|
75*10-3
= 0,075 200*10-3 = 0,2 1 м3 70*10-3 = 0,07
|
|
Итого
|
-
|
1,345
|
Расход воды для мойки определяют, исходя из их
объема по формуле:
(6.2)
где
-
коэффициент заполнения, равный 0,25-0,75;
-объем аппарата,
м3.
Суммарный расход М4 = 0,019 + 0,019 + 0,05 +
0,25 + 0,018 = 0,356 м3.
Расход воды на хозяйственно-бытовые нужды
определяется по соответствующим нормам:
для питья и личной гигиены одного рабочего
(кроме душа) расход воды составит 25·10-3 м3 на одного человека;
для душа расход воды составит 40·10-3 м3 на
одного человека;
Расход воды на хозяйственно-бытовые (мойка рук,
пользование туалетом) нужды рассчитывается по формуле:
(6.3)
где V - норма расхода воды на одного человека, л∕чел
(V=25·10-3 м3/смену);- количество человек (n = 15) в смене
Расход воды на личную гигиену рабочих
составляет:
.
Расход воды на помывку в душе рассчитывают по
формуле:
(6.4)
где V - норма расхода воды на одного человека, л
∕чел,V=40л/чел;- количество человек, n = 15;- кратность помывки, k=2 раза
в смену.
Расход воды на помывку в душе рабочих
составляет:
Суточный расход воды на предприятии приведен в
таблице 6.2.
Таблица 6.2 - Суточный расход воды
|
Статьи
расхода
|
Расход
воды, м3
|
|
Расход
на технологические нужды:
|
0,366
|
|
Расход
на технические нужды: - на мойку полов; -на мойку стен; - на мойку
оборудования
|
2,7
0,48 0,356
|
|
Расход
воды на хозяйственно-бытовые нужды - на личную гигиену; - на душ
|
0,38
1,2
|
|
ИТОГО:
|
5,482
|
Расход горячей воды принимается в количестве 40%
от расхода холодной воды. Расход горячей воды составит 5,482·40/100 = 2,2
м3 или 2200 кг.
Расход энергии на нагрев горячей воды:
(6.5)
где Q - расход энергии, кДж/с (кВт);- массовый
расход нагреваемой воды, кг/с G = 2200/(60·12) = 3,05 кг/с;
с - удельная теплоемкость воды при tср, кДЖ/кг·К,
с = 4,19 [33];к, tн - начальная и конечная температура воды, оС tк = 65 оС, tн
= 5 оС.
кДж/с.
Удельный расход на единицу продукции определяют
по формуле:
(6.6)
где Мобщ - общий сменный объём воды, м3 ∕
смену Мобщ = 5,482 + 2,2 = 7,7 м3;
П - мощность линии, кг ∕ сутки, П = 2000
кг/сутки.
Все статьи расхода воды сводятся в таблицу 6.3.
Таблица 6.3 - Расход воды, м3
|
Статьи
расхода
|
В
смену
|
В
сутки
|
В
год
|
|
Холодная
вода
|
|
Расход
на технологические нужды:
|
0,366
|
0,732
|
183
|
|
Расход
на технические нужды: - на мойку полов; -на мойку стен; - на мойку
оборудования
|
2,7
0,48 0,356
|
5,4
0,96 0,712
|
1350
240 178
|
|
Расход
воды на хозяйственно-бытовые нужды - на личную гигиену; - на душ
|
0,38
1,2
|
0,76
2,4
|
190
600
|
|
Горячая
вода
|
|
Расход
на технологические нужды:
|
0,146
|
0,292
|
73
|
|
Расход
на технические нужды: - на мойку полов; -на мойку стен; - на мойку
оборудования
|
1,08
0,192 0,142
|
2,16
0,384 0,284
|
540
96 71
|
|
Расход
воды на хозяйственно-бытовые нужды - на личную гигиену; - на душ
|
0,15 0,48
|
0,3 0,96
|
75 240
|
|
ИТОГО:
|
7,7
|
15,4
|
3850
|
6.2 Расчет пара
Расчет пара на горячее водоснабжение [33].
где Q - количество тепла на подогрев воды, кВт
(кДж/с) Q = 766,8 кВт;п - энтальпия пара, кДж/кг. iп = 2710 кДж/кг [33];к -
энтальпия конденсата, кДж/кг. iк = 212 кДж/кг [33];
ηб - к. п. д.
бойлера.
ηб
= 0,95 [33].
.
6.3 Расчет холода
Потребителем холода на предприятии является
холодильный шкаф ШХ-1,2 для хранения маргарина.
Расход холода на хранение скоропортящегося
сырья, Q1, Вт:
(6.8)
где G- суточный расход сырья, кг, G = 84,95 кг;
с - удельная теплоемкость сырья, Дж/(кг·К), с =
2,90 [32];
,
-
начальная и конечная температура охлаждаемого сырья, °С (
=15°С,
=
- 5°С).
Вт.
6.4 Расчет электроэнергии
Электроэнергия, потребляемая в цехе
подразделяется на следующие категории:
• производственные токоприемники, куда включают
установленную мощность всего использующего электроэнергию технологического
оборудования;
• осветительная электроэнергия. [41]
Производственные токоприёмники
Суммарную потребную мощность электродвигателей
вентиляторов в механической вентиляционной системе определяют по формуле [41]:
в = L ·H / 3600 ·ηв
· ηп,
(6.9)
где L - общее количество вентиляционного
воздуха, м3/ч;- полное давление вентиляторов, Н=0,5 кН/м2
ηв - КПД вентилятора
(0,65-0,7)
ηп - КПД передачи (1,0-0,9)
= m ·V, (6.10)
где m - кратность воздухообмена, m=3…5;-
внутренняя кубатура помещения, м3, V = 2592 м3.=4·2592= 10368 м3/ч.в =
10368·0,5/3600·0,65·0,9 = 2,46 кВт
Годовой расход электроэнергии на вентиляцию:
в.год = N·n1·n2, (6.11)
где n1 - продолжительность работы вентиляции в
сутки, ч,- количество дней работы вентиляции в году.в.год = 2,46·24·250
= 14760 кВт.
Установленная мощность - это арифметическая
сумма номинальной паспортной мощности токоприемников, установленных в цехе.
Установленная мощность представлена в таблице
6.4.
Таблица 6.4 - Определение установленной мощности
|
Наименование
оборудования
|
Количество
единиц, шт
|
Установленная
мощность на единицу, кВт
|
Установленная
мощность, кВт
|
|
Холодильный
шкаф ШХ - 1,2 Мукопросеиватель МПМХ - 01 Сахарожорорастворитель СЖР Котел
варочный Б4 - ШКВ - 75 Тестомесильная машина ТМ - 70 Формующая машина ФПЛ - 3
Печь ротационная ПКЭ - 9 Барабан для глазирования БТ - 600 Туннельная
сушильная камера Упаковочный аппарат DXDK - 1000B Подъемник
|
1
1 1 2 1 1 1 1 1 1 1
|
2
0,12 0,6 1,1 1,1 0,75 35,5 0,37 20,0 25 1,5
|
2
0,12 0,6 2,2 1,1 0,75 35,5 0,37 20,0 25 1,5
|
|
Итого
|
11
|
88,04
|
89,14
|
Расчетную потребную мощность Рп (кВт) определяют
по формуле:
Рп = Ру · кс, (6.12)
где Ру - суммарная установленная мощность, кВт;
кс - коэффициент спроса, 0,55-0,95, принимаем
для данного производства 0,8.
Рп = 89,14·0,8 = 71,3 кВт.
Реактивная мощность Рр определяют по формуле:
Рр = Рп · tg, (6.13)
где коэффициент парка двигателя по предприятию в
целом принимаем равным 0,8, т.е. cos = 0,8; тогда tg = 0,75, Рр = 0,75 · Рп
Рр = 0,75 ·71,3 = 53,5 кВт
Годовой расход :
Осветительная электроэнергия.
Выбираем источник света - люминесцентную лампу
ЛБ30, ее световой поток равен 1740 лм. Тип светильника - люминесцентный
светильник типа ОД. Он имеет решетчатый затенитель (защитный угол может быть до
15о). КПД светильника 75% [43].
Определяем величину свеса светильника[39]:
с = 0,2·hо,
где hо - расстояние от рабочей поверхность до
потолка, м.о = Н - hр = 4,8 - 0,8 = 4,0 м,
где hр - высота рабочей поверхности.с = 0,2·4,0
= 0,8 м.
Определяем расчетную высоту помещения [39]:
= Н - hс - hр.
h = 4,8 - 0,8 - 0,8 = 3,2.
Наивыгоднейшее отношение оптимального пролета
(расстояния между светильниками) к расчетной высоте помещения для светильника
ОД [39] :
К = Lo/h,
= 1,2·h = 1,2·3,2 = 3,84
К = 3,84/3,2 = 1,2
Определим число рядов светильников, которые
можно разместить по длине и по ширине помещения с указанным пролетом.Б = Б/ Lo
= 30/3,84 = 7,8 - принимаем 8 рядов.А = А/ Lo = 18/3,84 = 4,68 - принимаем 5
рядов.
Общее число мест установки светильников равно
[39]:= nБ · nА = 8·5 = 40.
где Б, А - длина и ширина помещения, м;
nБ, nА - число рядов светильников по длине и
ширине помещения.
Располагаем ряды светильников на плане
помещения, приняв расстояние от стены до первого светильника 0,5L. Длина
фактически принятого пролета по длине помещения будет равна [39] :Б = Б/ nБ =
30/8 = 3,75 мА = А/ nА = 18/5 = 3,6 м.
Так как предприятие представляет собой двух
этажное здание, то общее число мест установки светильников равно 40×2
= 80.
По формуле метода коэффициента использования
светового потока осветительной установки определяем число ламп в помещении
[39]:
= Ем·S·K·Z/Fл·u,
где n - число ламп в помещении, шт;
Ем = 200 лк - минимально допустимая освещенность
при люминисцентных лампах;= (30·18)·2 = 1080 м2 - площадь пола
предприятия ООО «Коралл»;- 1,4 - коэффициент запаса на старение и запыление
светильников и помещения;= 1,15 - коэффициент пересчета с минимальной на
среднюю освещенность;л = 1740 лм - световой поток лампы типа ЛБ30 [39];= 0,65 -
коэффициент использования светового потока осветительной установки.=
200·1080·1,4·1,15/1740·0,65 = 308.
Принимаем к установке в каждом светильнике по 4
лампы ЛБ30, будем иметь в помещении 80·4 = 320 ламп.
Общая мощность всех ламп равна [39]:
Робщ = n·Рл = 308·30 = 9240 Вт.
Удельная мощность:= Робщ/ S = 9240/1080 = 8,5
Вт/ м2 [39].
7. АВТОМАТИЗАЦИЯ ТЕХНОЛОГИЧЕСКИХ
ПРОЦЕССОВ И КОНТРОЛЯ ПРОИЗВОДСТВ
Объем и технический уровень автоматизации
производственных процессов предусмотрены в соответствии с требованиями «Норм
технологического проектирования предприятий хлебопекарной промышленности» и
«Указаний по проектированию автоматизации производственных процессов СН 281 -
6» и выполнен в соответствии с «Инструкциями по монтажу электрооборудования
пожароопасных установок напряжением до 1000 В». Средства автоматизации
базируются на приборах и регуляторах, обеспечивая надежность работы, простоту
обслуживания и наиболее экономическую целесообразность для производства мучных
кондитерских изделий. Для размещения щитовых приборов, средств автоматизации, а
также для размещения аппаратуры управления проектом реконструкции предусмотрены
щиты по ОСТ 3613 - 76, крупноблочные щиты и щиты в навесном исполнении.
Контроль и регистрация расхода воды поступающей
на установку осуществляется с помощью прибора позиции 1 - 1.
Измерение плотности сиропа в варочном котле Б4 -
ШКВ - 75 осуществляется с помощью прибора позиции 2 - 1.
Регулирование температуры в варочном котле Б4 -
ШКВ - 75 осуществляется с помощью прибора позиции, 3 - 1, 3 - 2.
Регулирование температуры в печи ПКЭ - 9
осуществляется с помощью прибора позиции 4 - 1, 4 - 2.
Преобразование температуры в печи ПКЭ - 9
осуществляется с помощью прибора позиции 5- 1.
Измерение плотности сиропа в варочном котле Б4 -
ШКВ - 75 осуществляется с помощью прибора позиции 6 - 1.
Регулирование температуры в туннельной сушильной
камере осуществляется с помощью прибора позиции 7 - 1, 7 - 2.
8. САНИТАРНО-ТЕХНИЧЕСКИЕ РАСЧЕТЫ
.1 Отопление
Помещения предприятия отапливаются водяным
отоплением. Источник теплоснабжения - КГУП «Примтеплоэнерго». Водяное отопление
имеет существенное преимущество перед паровым, состоящее в возможности
изменения температуры воды в зависимости от наружной температуры воздуха.
Температуры в помещениях приведены в таблице 8.1
[30].
Таблица 8.1 - Температура воздуха в помещениях
предприятий
|
Помещение
|
Температура,
оС
|
|
Производственные,
где ведутся основные технологические процессы Для хранения муки и подготовки
ее в производство Экспедиция Подсобно - производственные Административно -
бытовые
|
18
- 20 12 - 16 15 16 - 18 По общим нормам
|
Система отопления применена:
для производственных помещений;
для вспомогательных зданий;
для мелких производственных помещений.
В производственных и вспомогательных помещениях
в качестве нагревательных приборов применяются радиаторы с гладкой
поверхностью; в административно - бытовых - конвекторы; в помещениях с
пылевыделением (склад муки, весовое и просеивательное отделение) - гладкие
трубы [30].
Они установлены вдоль наружных стен, под окнами.
Разводка трубопроводов спроектирована
однотрубная, горизонтальная, проточная.
Ориентировочный расход удельной теплопотери
тепла 1 м3 на предприятии ООО «Коралл» составляет 0,35 Вт/(м3×К×r)
[33].
Часовой расход тепла на отопление основного
здания (в Вт):
где V - строительная кубатура здания по
наружному объему, м3 (число 0,8 учитывает неотапливаемую кубатуру и тепло,
подаваемое вентиляцией) V = 19,28´31,28´10,4
= 6,27 тыс. м3;¢н - расчетная зимняя
температура наружного воздуха для отопления (t¢н
= -30 оС);в - средняя температура воздуха в отапливаемых помещениях (tв = 16 -
18 оС);о - удельные теплопотери 1 м3 здания, Вт/(м3×К×r),
при разности температур внутренней и наружной 1 оС (qо = 0,35 Вт/(м3×К×r)).
Годовой расход тепла для отопления (в Вт):
где t¢¢н - средняя
температура отопительного периода (t¢¢н =
-8,1оС);о - число дней отопительного периода по справочнику (nо = 198 сут);
Т - время работы системы отопления в сутки, ч (Т
= 24 ч).
8.2 Вентиляция и кондиционирование
В производственных помещениях спроектирована
приточно-вытяжная механическая и естественная вентиляция, рассчитанная на
поглощение избытков тепла и влаги, а также удаление вредных выделений
оборудования, полуфабрикатов, готовой продукции, механизмов и т.п. вентиляция
рассчитывается на создание температурно-влажностных условий, благоприятных для
работающих и для технологического процесса.
Системы вентиляции приведены в таблице 8.2 [33].
Таблица 8.2 - Системы вентиляции в помещениях
предприятий
|
Помещение
|
Основные
вредные выделения в помещениях
|
Система
вентиляции
|
|
|
Вытяжная
|
Приточная
|
|
|
|
В
холодный и переходный период года
|
В
теплый период года
|
|
Просеивательное
отделение
|
Мучная
пыль
|
Местные
отсосы
|
Механическая
рассредоточенная с подачей в верхнюю зону воздуха с малыми скоростями
|
Естественная
|
|
Тестоприготовительное
отделение
|
Тепло,
влага
|
Механическая
общеобменная из верхней зоны в местные отсосы
|
То
же
|
-
|
|
Пекарное
отделение
|
Тепло,
газы, влага
|
То
же
|
Механическая
с подачей воздуха в зону обслуживания печи
|
Естественная
и механическая с подачей воздуха в зону печи
|
|
Экспедиция
|
-
|
Естественная
|
|
Помещение
для мойки
|
Тепло,
влага
|
Механическая
общеобменная из верхней зоны в местные отсосы
|
Механическая
сосредоточенная с подачей воздуха в верхнюю зону
|
Естественная
|
Вентиляция пекарного отделения предназначается
для удаления тепловыделений от печи ПКЭ - 9: водяных паров и газообразных
продуктов (СО2, СО, акролеин и др.), вырывающихся из пекарной камеры.
Тепло, выделяемое ограждениями печи (в кВт):
где q1 - тепловыделения от печи, кВт (q1 = 29,40
кВт) [33];
К - количество печей.
Тепло, выделяемое вследствие вентиляции пекарной
камеры (кВт):
где q2 - тепловыделения на 1 кг продукции,
кДж/кг (до 160);
Р - производительность печи, кг/ч (Р = 150
кг/ч);
h - коэффициент, учитывающий время открытия
дверцы печи и зависящий от типа печи и ассортимента, % (h
= 0,5) [33].
Тепло от горячих листов составляет 10 - 12 кДж
на 1 кг продукции. В сутки выпекается 2000 кг продукции. Тепло от горячих
листов составляет 2000×12 = 24000 кДж.
Тепло от горячей продукции (в Вт):
- тепловыделение от 1 кг продукции, Дж (q3 = 40
кДж) [33].
Вентиляция склада муки предусматривает борьбу с
запылением рабочих мест.
Вентиляция просеивательного отделения
производится при помощи местных отсосов. Количество отсасываемого воздуха от
просеивателя 300 м3/ч.
Вентиляция тестоприготовительного и
тесторазделочного отделений рассчитывается на двух - трехкратный обмен воздуха.
Ориентировочный расход тепла и электроэнергии на
вентиляцию. Общее количество вентилируемого воздуха (в м3/ч):
где V - объем здания по наружному объему (V =
6,27 тыс. м3);
- процент вентилируемых помещений;- средняя
кратность воздухообмена в час; принимается в пределах 3 - 5.
Расход тепла на вентиляцию (в Вт):
где r - плотность
воздуха, кг/м3 (r = 1,2);
с - удельная теплоемкость воздуха, кДж/(кг×К)
(с = 1,0);в - средняя температура вентилируемых помещений, оС (tв = 16 - 18
оС);н - расчетная отопительная температура, оС (средняя наиболее холодной
пятидневки - по справочнику для Черниговского района (- 30оС).
Годовой расход тепла на вентиляцию (в Вт):
где tсо - средняя температура отопительного
периода, оС (по справочнику - 8,1оС);
Т - продолжительность работы предприятия в
сутки, ч (Т = 24 ч);- количество рабочих дней за отопительный период (n = 198).
Установленная мощность электродвигателей в
приточных и вытяжных вентиляционных установках (в кВт):
где Н - среднее сопротивление приточных и
вытяжных систем вентиляции, Па (Н = 500);
h - к. п. д. вентилятора и привода (0,7 - 0,8);
1,2 - средний
коэффициент запаса на установленную мощность.
Годовой расход электроэнергии на вентиляцию (в
кВт×ч):
где T - количество рабочих часов в сутки (Т = 24
ч);- количество рабочих дней в году (n = 250).
8.3 Водоснабжение и
канализация
Водоснабжение.
ООО «Коралл» заключила договор с МУРОП
«Водоканал» на поставку холодной воды. Холодную воду используют на хозяйственно
- питьевые, технологические нужды, тушение пожаров и полив территории.
Объем воды на хозяйственно - бытовые нужды
определяется по норме расхода воды и коэффициенту часовой неравномерности
потребления воды, что показано в таблице 8.3 [40].
Таблица 8.3 - Норма расхода воды на хозяйственно
- питьевые нужды и коэффициент неравномерности
|
Здание
|
Потребление
воды на 1 человека, л
|
Коэффициент
часовой неравномерности потребления воды
|
|
среднесуточное
|
в
сутки наибольшего потребления
|
|
|
С
водопроводом, канализацией и душевыми, работающими с автономными водонагревателями
|
150
- 180
|
170
- 200
|
1,3
- 1,25
|
Норма расхода воды на производственные нужды
определяется в соответствии с требованиями технологического процесса.
Внутренний водопровод холодной воды
спроектирован из производственной сети - с питанием от бака холодной воды. Бак
установлен в отдельном помещении в наивысшей части здания.
Точки подвода воды. Технологическое
оборудование, требующее подвода воды: солерастворитель С - 1,0 - 1,0,
сахаражирорастворитель СЖР, котел варочный медный Б4 - ШКВ - 75, тестомесильная
машина МТ - 70.
Приготовление горячей воды предусматривается в
баке горячей воды. Для получения воды требуемой температуры в местах
потребления установлены водосмесительные бачки, автоводомеры, смесительные
краны с подводом к ним горячей и холодной воды.
Баки для холодной и горячей воды.
На рисунке 8.1 приведена схема горячего
водоснабжения. Баки холодной и горячей воды соединены между собой, как
сообщающиеся сосуды.
Рис. 8.1 - Схема внутреннего горячего водоснабжения
(установка баков с холодной и горячей водой): 1 - вводный патрубок холодной
воды; 2 - поплавковый регулятор уровня воды; 3, 5- переливная труба; 4 - бак
холодной воды; 6 - бак горячей воды; 7 - водоподогреватель; 8 - паропровод; 9 -
конденсатопровод; 10 - обратный клапан; 11 - соединительная труба; 12 -
расходный трубопровод горячей воды; 13 - расходный трубопровод холодной воды
Суммарная вместимость баков должна быть не менее
8 - часового расхода воды на все производственные нужды, включая расход воды на
души для одной смены, плюс резервный запас воды.
Расчет расхода воды приведен в пункте 6.1.
Расход воды представлен в таблице 8.4.
Таблица 8.4 - Расход воды, м3
|
Статьи
расхода
|
В
смену
|
В
сутки
|
В
год
|
|
|
1
|
2
|
3
|
4
|
|
|
Холодная
вода
|
|
|
Расход
на технологические нужды:
|
0,366
|
0,732
|
183
|
|
|
Расход
на технические нужды: - на мойку полов; -на мойку стен; - на мойку
оборудования
|
2,7
0,48 0,356
|
5,4
0,96 0,712
|
1350
240 178
|
|
|
Расход
воды на хозяйственно-бытовые нужды - на личную гигиену; - на душ
|
0,3
0,96
|
0,6
1,92
|
150
480
|
|
|
1
|
2
|
3
|
4
|
|
Горячая
вода
|
|
|
Расход
на технологические нужды:
|
0,146
|
0,292
|
73
|
|
|
Расход
на технические нужды: - на мойку полов; -на мойку стен; - на мойку
оборудования
|
1,08
0,192 0,142
|
2,16
0,384 0,284
|
540
96 71
|
|
|
Расход
воды на хозяйственно-бытовые нужды - на личную гигиену; - на душ
|
0,12 0,384
|
0,24 0,768
|
60 192
|
|
|
ИТОГО:
|
7,226
|
14,452
|
3613
|
|
|
|
|
|
|
|
|
Канализация.
Сброс производственных загрязненных и бытовых
стоков предусматривается в канализацию. С МУРОП «Водоканал» заключен договор на
откачку жидких бытовых отходов.
Приемниками сточной жидкости являются:.раковины,
унитазы, умывальники, трапы в моечных, в душевых.
Расстояние от приборов до стояков должно быть не
более значений, указанных в таблице 8.5.
Таблица 8.5 - Нормативы для внутренней
канализационной сети
|
Приборы
|
Диаметр
труб, мм
|
Максимальное
расстояние до стояка, м
|
|
Мойки,
раковины Трапы от душевых, моечных Спуск воды от водомерных бачков
|
50
100 38
|
10
7,5 Не нормируется
|
Канализационные трубопроводы внутри помещений
смонтированы из чугунных труб 50 - 100 мм, с уклоном 0,02 - 0,03.
Отвод стоков от машин, аппаратов производится
только с разрывом струи через сифон с воронкой или трап.
9. СТРОИТЕЛЬНАЯ ЧАСТЬ ПРОЕКТА
.1 Генеральный план предприятия
Предприятие ООО «Коралл», расположено по адресу
ул. Пушкинская 10, с. Черниговка, Черниговского района, Приморского края.
Генплан предприятия ООО «Коралл» - план участка
с размещением зданий и сооружений, подъездных путей, коммуникаций, площадок,
зеленых зон; выполнен в масштабе 1:100.
Предзаводская зона включает место перед мини
пекарней для подъезда и подхода к зданию; используется также под озеленение и
стоянку автомашин.
Производственная зона предназначается для
размещения производственных и подсобно - производственных зданий.
Сырьевая зона размещается у мест загрузки муки и
сырья. Здесь имеется свободная площадка, с удобным выездом для автомашин.
Экспедиционная зона примыкает к разгрузочному
фронту экспедиции; имеет удобный выезд на улицу.
Мусоросборник - выгороженное с трех сторон место
для металлических ящиков площадью 8 м2.
Выезд и въезд спроектированы таким образом,
чтобы удобно было пользоваться одним пропускным пунктом.
В соответствии с противопожарными требованиями
вокруг здания мини пекарни обеспечен проезд для пожарных машин.
Основные площадки, проезды асфальтированы,
остальная часть озеленена.
Основные технико - экономические показатели
генерального - плена - площадь территории, площадь и процент застройки и
озеленения, коэффициент застройки, озеленения и использования территории
определены по запланированному генеральному плану.
Коэффициент застройки - это отношение
застроенной зданиями и сооружениями площади к площади всей территории
предприятия. Коэффициент застройки для пищевых предприятий находится в пределах
0,25 - 0,45.
Коэффициент озеленения определяется отношением
площади зеленых насаждений к площади всей территории предприятия. Озеленение
территории не только улучшает санитарно - гигиенические условия производства,
но и показывает определенную эстетическую сторону предприятия.
Коэффициент использования территории - это
отношение площади зданий и сооружений, дорог, тротуаров к площади всей
территории предприятия.
9.2 Объемно-планировочные и
конструктивные решения зданий и помещений
Здание каркасного типа со сборными
железобетонными конструкциями. Длина пролетов - 6 м. Шаг колонн - 6 м. Размеры
здания: длина 30 м, ширина 18 м, высота 9,6 м.
Колонны - (сечения 500×500
мм) - сборные железобетонные.
Фундамент - бетонно-ленточный. Глубина заложения
фундамента 2250 мм от уровня пола.
Стены и их наружная отделка - кирпичные. Несущие
стены имеют кирпичную кладку толщиной в 2,5 кирпича - 640 мм. Навесные стены
собраны из панелей толщиной 300 мм. Панели опираются на специальные столики и
при помощи анкеров крепятся к закладным деталям колонн.
Проемы оконные - двух створные 1461×1759
мм. Окна открываются внутрь помещений на высоте 1 м от пола. Под окнами
предусмотрены отопительные приборы.
Проемы дверные - простые 1,4×2,3
м.
Междуэтажные перекрытия состоят из
железобетонных элементов: ригелей и плит.
Покрытия спроектированы балками, которые
являются несущими элементами и служат одновременно основанием, по которому
укладывается теплоизоляция и настилаются кровельные материалы. Для защиты
здания от температурных колебаний на покрытие уложен слой теплоизоляции.
Кровля. По основанию из цементного раствора,
уложенном по теплоизоляции, наложено 3 слоя рубероида на битумной мастике. По
рубероиду насыпан защитный слой из гравия, втопленного в битумную мастику.
Осадочный шов сделан в месте примыкания двух различных
объемов здания. Несущие и ограждающие конструкции для каждой части сделаны
самостоятельно.
Полы: в складских помещениях полы из литого
асфальтобетона. Полы в мокрых помещениях сделаны с уклоном к трапам и
прокладной гидроизоляции.
Лестницы. Служебная лестница расположена в
лестничной клетке. Лестница применена с высотой маршей 1650 мм (11 ступеней).
Размеры ступеней: проступи 300 мм, подступенька 150 мм; ширина марша 1150 мм.
Ширина двухмаршевой лестничной клетки равна ширине двух маршей плюс промежуток
между маршами 100 мм и равна 2400 мм.
Пожарная лестница - металлическая и устроена
снаружи.
Перегородки размещены по линии колонн, панельные
толщиной 100 мм.
Внутренняя отделка помещений. В производственных
отделениях стены, перегородки, колонны облицованы на высоту 1,8 м
глазурованными плитками, образуя так называемые панели; плоскости выше панелей
заштукатурены и забелены известковой краской. На потолках плоскости забелены
известковой краской.
В складах и подсобно - производственных
помещениях кирпичные плоскости заштукатурены; стены, колонны, потолки забелены
известковой краской.
В душевых и моечных стены облицованы
глазурованными плитками на всю высоту.
В коридорах и лестничной клетке сделаны панели
на высоту 1,8 м, окрашенные масляной краской, выше - клеевая побелка.
Расчет естественного освещения.
Способ расчета освещенности и размеров окон:
где Sо - суммарная площадь всех оконных проемов,
м2;- площадь пола, м2 (F = (30×18)×2
= 1080 м2);
Ос - освещенность, % (Ос = 10 %).
Количество возможных окон n определяется из
условия, что окна располагаются только в продольных стенах, симметрично
относительно поперечных осей.
Площадь окна:
= 1,461×1,759
= 2,57 м2.
шт.
10. БЕЗОПАСНОСТЬ И ЭКОЛОГИЧНОСТЬ
ПРОЕКТА
.1 Организация охраны труда
На предприятии ООО «Коралл» имеется лицо
ответственное за соблюдение безопасности жизнедеятельности - зам. директора по
производству.
При производстве заварных пряников к работам по
приготовлению теста допускаются мужчины и женщины, прошедшие обучение по
специальности.
Работники предприятия проходят инструктажи:
вводный, первичный на рабочем месте, периодический, целевой.
Вводный инструктаж включает в себе следующие
вопросы [42]:
особенности предприятия;
режим труда и отдыха;
трудовое законодательство: права, обязанности,
льготы;
управление охраной труда;
характерные вредные и опасные производственные
факторы;
безопасные пути передвижения;
обеспечение средствами защиты, спец. одеждой,
правила пользования;
о характерных несчастных случаях и их причинах;
оказание первой доврачебной помощи.
Первичный инструктаж на рабочем месте проводится
с каждым вновь принятым работником, практикантом, переведенным с одного места
работ на другое. Первичный инструктаж включает в себе следующие вопросы:
обязанности;
безопасность обслуживания оборудования с
наглядным показом.
Периодический инструктаж по безопасности труда
на рабочем месте работник проходит не реже 1 раза в 3 месяца. Периодический
инструктаж проводится по той же программе, что и первичный. Периодический
инструктаж проводится для восстановления знаний.
Внеплановый инструктаж проводится, если
произошел несчастный случай, вышли новые НД или требования, новое оборудование.
Внеплановый инструктаж проводится, если работник отсутствовал на рабочем месте
более 60 календарных дней.
Целевой инструктаж проходят работники,
выполняющие разовые работы, не касающиеся его основной работы по заданию
администрации.
На рабочем месте работник получает стажировку;
обучение устройству и правилам эксплуатации технологического оборудования; курс
по санитарно-гигиенической подготовке со сдачей зачета; проверку знаний в
объеме 1 группы по электробезопасности, теоретических знаний и приобретенных
навыков безопасных способов работы.
Во время работы работник проходит:
обучение безопасности труда по действующему
оборудованию каждые 2 года, а по новому оборудованию - по мере его поступления
на предприятие, но до момента пуска этого оборудования в эксплуатацию;
проверку знаний по электробезопасности -
ежегодно;
проверку санитарно - гигиенических знаний -
ежегодно;
периодический медицинский осмотр:
врачем-терапевтом - ежегодно, врачем-дерматовенерологом - 2 раза в год (с
учетом требований органов здравоохранения).
10.2 Характеристика опасных и
вредных производственных факторов и создание здоровых и безопасных условий
труда
На работника могут воздействовать опасные и
вредные производственные факторы (движущиеся механизмы, перемещаемые сырье,
полуфабрикаты, тара; повышенная запыленность воздуха рабочей зоны;
повышенный уровень шума на рабочем месте;
пониженная подвижность воздуха; повышенное значение напряжения в электрической
цепи; повышенный уровень статического электричества; острые кромки, заусеницы и
шероховатость на поверхностях инструмента, оборудования, инвентаря, тары;
физические перегрузки). Опасные и вредные производственные факторы являются
потенциальными причинами несчастных случаев, заболеваний и других негативных
проявлений повышенного производственного риска - текучести кадров, снижение
работоспособности, неудовлетворенности трудом. В соответствии с ГОСТ
12.0.002-74 ССБТ «Основные понятия. Термины и определения» опасным
производственным фактором называется такой производственный фактор, воздействие
которого на работающего приводит к травме. Вредным производственным фактором
называется такой производственный фактор, воздействие которого на рабочего
приводит к заболеванию.
Основными климатическими параметрами являются:
температура, влажность воздуха и скорость движения воздуха. Работу в
кондитерском цеху относят к работе средней степени тяжести. Микроклимат
хлебопекарных и кондитерских предприятий должен соответствовать требованиям
«Санитарных норм микроклимата производственных помещений». Микроклимат на
предприятии имеет большое значение для нормальной работы в цеху, не соблюдение
норм температуры, влажности и давлении влияет на состояние здоровья. При
температуре 18…25°С, при влажности 45…75 %, давлении 763 мм рт. ст. и скорости движения
воздуха до 0,3 м/с терморегуляции организма не происходит. Уровень шума на
рабочих местах производственного помещения соответствует санитарным нормам
допустимых уровней и не превышает 80 дБ. Освещенность рабочих помещений
соответствует требованиям действующего СНиП «Естественное и искусственное
освещение» и составляет от 200 до 400 лк в зависимости от целевого назначения
помещения.
Согласно протоколу измерений метеорологических
факторов, произведенному ФГУЗ «Центром гигиены и эпидемиологии в Приморском
крае», результаты санитарно-гигиенических требований к микроклимату
производственных помещений соответствуют нормативным требованиям.
Согласно протоколу измерений интенсивности
теплового облучения результаты исследования соответствуют СанПиН 2.2.4.548-96.
Для разрешения одной из важных задач обеспечения
необходимых условий микроклимата - служат системы отопления, вентиляции и
кондиционирования и др.
Мерами защиты от шума и вибрации являются
демпфирование тестомесильной машины МТ - 70, применение гасящих ковриков,
контроль уровней шума и вибрации, внедрение рациональных режимов труда и
отдыха.
При работе печи, барабана для глазирования БТ -
600, туннельной сушильной камеры происходит повышение температуры воздуха
рабочей зоны, нарушение параметров влажности.
Санитарная гигиена.
Работник обеспечен санитарной одеждой, обувью и
санпринадлежностями. Рекомендуемые нормы бесплатной выдачи санитарной одежды,
обуви и санпринадлежностей [41]:
куртка белая хлопчатобумажная - на 4 месяца;
брюки светлые хлопчатобумажные (юбка светлая
хлопчатобумажная для женщин) - на 4 месяца;
фартук белый хлопчатобумажный - на 4 месяца;
колпак белый хлопчатобумажный или косынка белая
хлопчатобумажная- на 4 месяца;
полотенце- на 4 месяца;
тапочки (туфли, ботинки) текстильные или
текстильно-комбинированные на нескользящей подошве ГОСТ 12.4.033 - 77 - на 6
месяцев.
Гигиена труда изучает воздействие трудовой
деятельности, производственной среды на организм человека; физиологические
изменения, возникающие в процессе труда; влияние режима труда и отдыха;
особенности производственных процессов, оборудования и материалов; санитарные
условия труда, которые включают параметры микроклимата, уровни шума и вибрации,
запыленности и загазованности воздушной среды, состояние освещенности в
производственных помещениях. При этом анализируют заболеваемость работников
различных профессий для выявления причин возникающих профессиональных
заболеваний.
На предприятии ООО «Коралл» обязательным
требованием к работникам является:
содержание тела в чистоте, что является важным,
так как кожа выполняет сложную функцию в жизни человека - участвует в
дыхательном процессе и выделении продуктов обмена. Загрязняясь от пота, кожного
жира, слушивающего эпителия, кожа плохо функционирует, ухудшая самочувствие
человека. Кроме того, грязь может стать причиной кожных заболеваний и
загрязнения продукции.
содержание рук в чистоте. Работники должны
приходить на работу с коротко остриженными ногтями, чистым подногтевым
пространством. Также не разрешается покрывать ногти лаком и носить ювелирные
украшения.
Курение в производственных помещениях
запрещается, так как при курении в цехе окурки и спички могут попасть в пищевые
продукты.
Все работники, вновь поступающие на м/п ООО
«Коралл» допускаются к работе только после ознакомления с правилами личной
гигиены и инструктажа.
На предприятии ООО «Коралл» осуществляется
производственный контроль за соблюдением санитарных правил и выполнением
санитарно - противоэпидемических мероприятий в процессе своей деятельности.
Контроль осуществляет филиал ФГУЗ «Центр гигиены и эпидемиологии в Приморском
крае в г. Спасске - Дальнем», расположенном по адресу - г. Спасск - Д, ул. Кустовиновская
д. 3.
При приготовлении теста не допускается носить
ювелирные изделия, покрывать ногти лаком.
Производить очистку оборудования от пыли щеткой
или пылесосом. Не применять для этой цели металлические предметы.
Для обеспечения пожаро - и взрывобезопасности не
пользоваться открытым огнем в помещении, где производится работа с мукой,
сахаром, крахмалом.
Для предупреждения и предотвращения
распространения желудочно-кишечных, паразитарных и других заболеваний работник
обязан: коротко стричь ногти; тщательно мыть руки с мылом перед началом работы,
после каждого перерыва в работе и соприкосновения с загрязненными предметами, а
также после посещения туалета (желательно дезинфицирующим).
10.3 Безопасное ведение
технологических процессов, безопасное устройство и эксплуатация
технологического оборудования, электробезопасность
Безопасность эксплуатации технологического,
электрического и другого оборудования во многом зависит от соблюдения
требований, предъявляемых как к самому оборудованию, так и к его размещению в
производственных помещениях. Немаловажное значение имеет организация
обслуживания оборудования в соответствии с установленными правилами техники
безопасности.
При конструировании производственного
оборудования с отступлением от требований безопасности труда, а также
неправильная его эксплуатация могут способствовать возникновению опасных и
вредных производственных факторов, таких как незащищенные и опасные для
человека подвижные элементы оборудования, повышенные уровни шума и вибрации,
повышенная запыленность, опасный уровень напряжения, статического
электричества.
Безопасность производственного оборудования -
это его свойство сохранять соответствие требованиям безопасности труда при
выполнении заданных функций в условиях, установленных нормативно-технической
документацией.
Производственное оборудование должно быть
безопасным при монтаже и демонтаже, эксплуатации, ремонте, транспортировании и
хранении, при использовании отдельно или в составе технологических систем.
Составные части производственного оборудования
выполняют с таким расчетом, чтобы исключалась возможность их случайного
повреждения, вызывающего опасность. Движущиеся части оборудования, если они
являются источником опасности, ограждают, за исключением частей, ограждение
которых не допускается их функциональным назначением. В случаях, если
исполнительные органы машин представляют опасность для людей и не могут быть
ограждены, предусматривают сигнализацию, предупреждающую о пуске машины в
работу, и средства останова и отключения от источников энергии.
Элементы конструкции производственного
оборудования не должны иметь острых углов, кромок и поверхностей с
неровностями, представляющих источник опасности, если их наличие не
определяется функциональным назначением оборудования. При конструировании
оборудования следует предусматривать сигнализацию, а в необходимых случаях -
средства автоматического останова или отключения от источника энергии.
Инструкции по технике безопасности при работе на
оборудовании.
Ответственным за соблюдением техники безопасности
работниками при работе на оборудовании является специалист по охране труда.
Техника безопасности при работе с ротационной
печью ПКЭ - 9.
Перед включением печи в работу необходимо
проверить: исправность ручек и прижимных пружин двери рабочей камеры, устойчивость
полок и прочность кронштейнов; наличие и целостность ограждающих поручней и
нижнего подового листа.
При эксплуатации печи ПКЭ - 9 необходимо
произвести: загрузку и выгрузку производить осторожно, не касаясь нагретых
металлических поверхностей; своевременно выключать печь, производить
регулировку мощности и температуры в пекарной камере; листы укладывать на
стеллажи так, чтобы углы их не выступали за габариты стеллажа.
При работе не допускается: использовать листы
или формы с нагаром; включать печь при отсутствии нижних подовых листов;
переводить лимб терморегулятора непосредственно с высокой температуры на низкую
без отключения печи для остывания; производить очистку включенного шкафа.
По окончании работы необходимо: выключить печь и
отсоединить его от электросети с помощью отключающего устройства на
распределительном щите; после полного остывания шкафа произвести уборку;
очистить камеру сухим способом, без применения воды; наружную поверхность
протереть слегка увлажненной тканью или промыть мыльным раствором и протереть
насухо; хромированные детали протереть сухой мягкой тканью.
При возникновении поломок угрожающих аварией на
рабочем месте, необходимо срочно прекратить его эксплуатацию, а также подачу к
нему электроэнергии и сообщить лицу, ответственному за безопасную эксплуатацию
оборудования или руководителю организации.
Техника безопасность при работе с холодильным
шкафом ШХ - 1,2.
Загрузку охлаждающего объема холодильного шкафа
осуществлять после пуска холодильной машины и достижения температуры,
необходимой для хранения продуктов. Количество загружаемых продуктов не должно
превышать норму, на которую рассчитана холодильный шкаф. Дверь холодильного
шкафа следует открывать на короткое время и как можно реже. При образовании на
охлаждаемых приборах инея толщиной более 5 мм выключить холодильный шкаф,
освободить его от продукта и произвести оттаивание инея. Очистку батареи при
оттаивании инея производить под наблюдением лица, ответственного за
эксплуатацию холодильного шкафа. Во время эксплуатации холодильного шкафа не
допускается: включать агрегат при отсутствии защитного заземления или зануления
электродвигателей; загромождать пространство возле холодильного шкафа;.
складировать товары, тару и другие предметы; самовольно передвигать холодильный
шкаф. Исключить пользование холодильным шкафом если: Ххолодильный шкаф не имеет
защитного заземления или зануления металлических частей, которые могут
оказаться под напряжением при нарушении изоляции; истек срок очередного
испытания и проверки изоляции электропроводов и защитного заземления или
зануления; обнаружено нарушение температурного режима, искрение контактов и т.
п. По окончании работы наружные стенки холодильного шкафа протереть охлажденной
тканью, пропитать вазелином.
Техника безопасность при работе с котлом
варочным Б4 - ШКВ - 75.
Перед эксплуатацией котла необходимо внимательно
ознакомиться с инструкцией по безопасности, элементами управления и надписями
на табличках. Следить за санитарным состоянием котла.
Лица, допущенные к обслуживанию котла, должны
пройти инструктаж по правилам эксплуатации и технике безопасности при работе с
котлом.
Электропроводка и заземляющие устройства должны
быть исправными. При замыкании на корпус немедленно отключить котел от
электросети и включить вновь только после устранения неисправностей.
Все работы по ремонту и чистке проводить только
после отключения котла от электросети.
Необходимо соблюдать осторожность при подъеме
крышки котла и при его загрузке.
Безопасность работ с подъемником.
Лицо, руководящее производством погрузочно-разгрузочных
работ, обязано:
перед началом работы обеспечить охранную зону в
местах производства работ, проверить внешним осмотром исправность
грузоподъемных механизмов, такелажного и другого погрузочно-разгрузочного
инвентаря. Работа на неисправных механизмах и неисправным инвентарем
запрещается;
при возникновении аварийных ситуаций или
опасности травмирования работников немедленно прекратить работы и принять меры
для устранения опасности.
В местах производства погрузочно-разгрузочных
работ содержание вредных веществ (аэрозолей, паров) и пыли в воздухе рабочей
зоны не должно превышать предельно допустимых концентраций по ГОСТ 12.1.005.
При размещении грузов должны соблюдаться размеры
отступов: от стен помещений - 0,7 м, от приборов отопления - 0,2 м (должны
увеличиваться по условиям хранения груза), от источников освещения - 0,5 м, от
пола - 0,15 м, между ящиками в штабеле - 0,02 м, между поддонами и контейнерами
в штабеле - 0,05 - 1 м.
При выполнении погрузочно-разгрузочных работ
кранами необходимо соблюдать следующие требования безопасности:
Работать грузоподъемными механизмами и
механизмами передвижения крана по сигналу стропальщика.
Немедленно приостанавливать работу по сигналу
"Стоп" независимо от того, кем он подан.
Подъем, опускание, перемещение груза, торможение
при всех перемещениях выполнять плавно, без рывков.
Перед подъемом или опусканием груза необходимо
убедиться в том, что вблизи груза, штабеля, железнодорожного сцепа, вагона,
автомобиля и другого места подъема или опускания груза, а также между грузом и
этими объектами не находится стропальщик или другие лица.
Груз во время перемещения должен быть поднят не
менее чем на 0,5 м выше встречающихся на пути предметов.
Опускать груз необходимо на предназначенное и
подготовленное для него место на подкладки, обеспечивающие устойчивое положение
груза и легкость извлечения из-под него стропов.
Безопасность работ с конвейерами.
Движущиеся части конвейеров, находящиеся на
высоте не более 2,5 м от пола и к которым возможен доступ обслуживающего персонала
и лиц, работающих вблизи конвейеров, должны быть ограждены.
В зоне возможного нахождения людей должны быть
ограждены: канаты и блоки натяжных устройств на высоту их перемещения, участок
пола под ними; загрузочные и приемные устройства; пересечения с проходами,
проездами и др.
На конвейерах, входящих в технологические линии,
должны предусматриваться автоматические устройства для остановки их привода при
аварийной ситуации.
Конвейеры в составе технологических линий или в
сочетании с другими машинами должны быть сблокированы так, чтобы при остановке
одного предыдущие в этой цепи машины и конвейеры автоматически отключались, а
последующие продолжали работать до полного схода с них транспортируемого груза.
Блокировки и предохранительная сигнализация
должны исключать возможности повторного включения привода до ликвидации
аварийной ситуации.
На участке трассы конвейеров, находящихся вне
зоны видимости оператора с пульта управления, должна быть установлена
двусторонняя звуковая или световая сигнализация, включающаяся автоматически
перед включением привода конвейера.
Электробезопасность.
Обеспечение электробезопасности от случайного
прикосновения к токоведущим частям достигается следующими способами и
средствами, используемыми отдельно или в сочетании друг с другом: защитные
оболочки, защитные ограждения (временные или стационарные); безопасное
расположение токоведущих частей; изоляция рабочего места; защитное отключение;
предупредительная сигнализация; блокировка; знаки безопасности.
Меры защиты от прикосновения к металлическим
нетоковедущим конструктивным частям электроустановок, оказавшимся под
напряжением: малое напряжение, изоляция токоведущих частей, защитное
заземление, зануление, отключение, средства защиты и предохранительные
приспособления.
В производственных помещениях предусматривается
применение двух напряжений - 12 и 36 В.
Напряжение до 36 В включительно применяется в
помещениях повышенной опасности, особо опасных и вне помещений для питания
ручного электрифицированного инструмента, переносных светильников.
Напряжение до 12 В включительно должно
применяться для питания ручных переносных ламп в особо опасных помещениях при
особо неблагоприятных условиях работы: в стесненных условиях, при
соприкосновении работающего с большими металлическими заземленными
поверхностями (работа в металлической емкости, сидя или лежа на токопроводящем
полу, в смотровой яме и др.).
Источниками напряжения на линии по производству
заварных пряников служат аккумуляторы, выпрямительные установки,
трансформаторы. Применение автотрансформаторов или реостатов запрещается, так
как в этом случае сеть малого напряжения электрически связана с сетью более
высокого напряжения.
Изоляция токоведущих частей - покрытие
токоведущих частей или отделение их от других частей слоем диэлектрика, обеспечивающее
протекание тока по требуемому пути и безопасную эксплуатацию электроустановок.
Рабочая изоляция - это изоляция токоведущих частей, обеспечивающая нормальную
работу электроустановки и защиту от поражения электрически током.
Изоляция обеспечивает безопасность благодаря
большому сопротивлению, которое должно быть не менее 0,5 МОМ, что препятствует
протеканию через неё значительных токов.
Защитное заземление - это преднамеренной
электрическое соединение с землей или ее эквивалентом металлических нетоковедущих
частей, которые могут оказаться под напряжением.
Оно является эффективной мерой защиты для
электрооборудования, питаемого напряжением до 1000 В от сетей с изолированной
нейтралью.
При замыкании токоведущих частей на
изолированный от земли корпус оборудования последний оказывается под
напряжением, и тогда прикосновение к нему будет так же опасно, как и к фазе.
Заземление электроустановок необходимо применено
во всех случаях при напряжении 380 В и выше для переменного и 440 В и выше для
постоянного тока, а также при напряжении свыше 42 В, но ниже 380 В для
переменного тока и 110 В для постоянного тока в помещениях повышенной
опасности, особо опасных и в наружных электроустановках.
Подлежащие заземлению объекты присоединяют к
заземляющей магистрали с помощью отдельного заземляющего проводника.
Зануление выполнено в электроустановках до 1 кВт
с глухозаземленным нулевым проводом. При этом способе защиты человека от
поражения током корпуса и другие нетоковедущие, но доступные для прикосновения
части электрооборудования соединяют с заземленным нулевым проводом.
Защитный эффект зануления состоит в уменьшении
длительности замыкания на корпус и, следовательно, в снижении времени
воздействия электрического тока на человека. При подключении корпусов электроустановок
к нулевому проводу любое замыкание на корпус становится однофазным коротким.
Зануление должно быстро (в течение 0,2 с)
отключить поврежденную электроустановку от сети и в то же время обеспечить
безопасность прикосновения человека к зануленному корпусу в аварийный период.
Защитной отключение - это быстродействующая
защита, обеспечивающая автоматическое отключение электроустановки при
возникновении опасности поражения человека электрическим током.
Защитное отключение должно осуществлять защиту:
от глухих или неполных замыканий на землю или корпус; при появлении опасных
токов утечки; при переходе высшего напряжения на сторону низшего.
Защитное отключение может применяться как
основная мера защиты вместе с защитным заземлением или занулением.
10.4 Пожарная безопасность
Предприятие по пожарной опасности относится к
«В» категории.
Основным видом взрывоопасного сырья на
предприятии ООО «Коралл» является мука. Мучная пыль, при содержании ее в
воздухе свыше 2000 мг/м3 взрывоопасна. Обладая плохой теплопроводностью, пыль,
осевшая на осветительных приборах, горячих трубопроводах нагревается и начинает
тлеть при температуре: пшеничная - 290С. При взметывании она может взорваться
как обычный аэрозоль. На предприятии ООО «Коралл» имеются взрыво- и
пожарно-опасные зоны. К наиболее пожароопасным относится помещение хранения
муки, весовое и просеивательное отделения, так как здесь могут образовываться
взрывоопасные паровоздушные смеси. Взрывоопасность возникает при недостаточной
герметизации оборудования. Повышенная пожароопасность возникает также из-за
высокой запыленности помещений. Для недопущения возникновения пожара
производится отвод мучной пыли с помощью пылесосов. Кроме того на предприятии
применяется большое количество горючей тары: тканевые и бумажные мешки, пакеты.
Также для многих технологических процессов нагрева, сушки используются
нагревательные огневые установки. Все это усугубляет пожарную опасность на
предприятии. Все производственные, складские, подсобные помещения, наружные
установки и сооружения обеспечены первичными средствами пожаротушения и
пожарным инвентарем. Весь пожарный инвентарь и средства пожаротушения ежегодно
проверяются и испытываются с занесением результатов проверки в специальный
журнал. Места для курения на предприятии определены приказом администрации.
Установлены знаки с запретами курения во взрыво- и пожароопасных зонах.
Ответственность за организацию и своевременное
выполнение мер пожарной безопасности, соблюдение требуемого противопожарного
режима на предприятии, исправное содержание пожарной техники и оборудования
возлагается на руководителя предприятия, который назначает ответственных лиц за
пожарную безопасность цехов, складов, лабораторий, мастерских и т. п. Таблички
с их фамилиями следует вывешивать на видных местах.
Для установления противопожарного режима на
предприятии, а также в каждом цехе, мастерской, складе, лаборатории и т. д.
должны быть разработаны противопожарные инструкции с учетом специфики
производства. Все рабочие и служащие предприятия обязаны знать и неуклонно
соблюдать правила пожарной безопасности, изложенные в инструкциях. Приказом
руководителя предприятия устанавливается порядок прохождения рабочими и
служащими первичных, повторных и последующих инструктажей.
Ежедневно перед закрытием цеха (склада, мастерской
и т. п.) начальниками, заведующими или мастерами должна проводиться тщательная
проверка рабочих мест и оборудования. Помещение закрывают и сдают под охрану
лишь после того, как осмотром установлено отсутствие угрозы возникновения
пожара. О результатах проверки делается запись в специальном журнале.
На предприятии ООО «Коралл» в кондитерском цехе
по производству заварных пряников определен порядок обеспечения пожарной
безопасности объектов в выходные, предпраздничные и праздничные дни, а также в
период остановки предприятия на ремонт.
При работе во время пожара в задымленных
помещениях нужно принимать меры предосторожности против отравления окисью
углерода и другими токсичными газами. С этой целью надо удалять дым с помощью
проветривания, чаще производить смену работающих и осуществлять за ними
медицинское наблюдение. Нельзя входить в задымленное помещение в обычном
противогазе, так как он не защищает от окиси углерода. Для защиты органов
дыхания можно использовать кислородные (воздушные) изолирующие противогазы.
10.5 Экологичность проекта
При производстве мучных кондитерских изделий
осуществляется природоохранные мероприятия в соответствии с Законом «Об охране
окружающей среды».
При заварных пряников отсутствуют
производственные отходы, но, несмотря на это технологический процесс, является
потребителем большого количества воды. Вода является составной частью
промышленной продукции, растворителем, средством для мойки сырья, систем
оборудования, а также вода используется для поддержания необходимых санитарно-
гигиенических условий в производственных помещениях.
Сточные воды пряничного цеха входят в сточные
воды всего производственного комплекса.
В процессе использования воды на различные
производственные нужды образуются сточные воды. Наиболее важными показателями,
характеризующими сточные воды, являются:
БПК (биологическое потребление кислорода) -
количество мг кислорода, необходимого для полного разложения присутствующих в 1
дм3 сточных вод органических веществ путем биохимического окисления.
ХПК (химическое потребление кислорода) -
количество кислорода в мг, необходимое для окисления химическим путем
загрязняющих примесей, содержащихся в 1 дм3 сточных вод.
Характеристика источников сточных вод.
Производственный сток.
Утвержденный расход средний сточных вод составляет
20,7 м3/ч.
Максимальный расход сточных вод составляет -
0,01 м /ч.
Показатели состава и свойств сточных вод
показаны в табл.10.1 [41].
Таблица 10.1 - Показатели состава и свойств
сточных вод
|
Показатели
воды
|
Фактическая
концентрация, мг/мл
|
|
БПК
|
50
|
|
ХПК
|
75
|
|
рН
|
7,2
|
|
Взвешенные
вещества
|
70
|
|
СПАВ
|
80
|
|
Сухой
остаток
|
5
|
|
Сульфаты
|
5
|
|
Хлориды
|
10
|
|
Азот
аммонийный
|
50
|
|
Фосфаты
|
30
|
|
Железо
|
50
|
Бытовой сток.
Утвержденный расход сточных вод составляет 1,28
м3/ч.
Максимальный расход сточных вод составляет -
0,0007 м3/ч.
Показатели состава и свойств бытовых стоков
приведена в таблице 10.2 [34].
Таблица 10.2 - Показатели состава и свойств
бытовых стоков
|
Показатели
воды
|
Фактическая
концентрация, мг/мл
|
|
БПК
|
200
|
|
ХПК
|
245
|
|
рН
|
7,2
|
|
СПАВ
|
85
|
|
Сухой
остаток
|
10
|
|
Сульфаты
|
10
|
|
Хлориды
|
15
|
|
Азот
аммонийный
|
50
|
|
Фосфаты
|
65
|
|
Железо
|
50
|
|
Взвешенные
вещества
|
120
|
На конечном этапе производства пряников получаем
большое количество сточных вод, которые необходимо подвергать обязательной
очистке.
Ежегодно предприятие заключает договор с ООО
«Водоканал» на отпуск воды и прием сточных вод.
Условия стока сточных вод в водоемы
регламентируется Правилами охраны поверхностных вод от загрязнения сточными
водами. Этими Правилами установлены ПДК загрязнений. Сточные воды очищаются на
очистных сооружениях. Сточные воды предприятия сбрасываются в канализационную
сеть без предварительной очистки. Условия сброса сточных вод согласовано с
органами и учреждениями госсанэпиднадзора. Проектом предусматриваются очистные
сооружения сточных вод производительность 5л/сек с последующим сбросом с
существующую сеть.
Одним из основных направлений охраны окружающей
среды от жидких промышленных выбросов на предприятии является очистка сточных
вод. Традиционная схема очистки жиросодержащих сточных вод включает песколовку,
жироуловитель, первичный отстойник-усреднитель, флотационный блок и вторичный
отстойник. Для отведения сточных вод в природные водоемы эта схема дополняется
блоком биологической очистки.
Ответственность за осуществление санитарных
правил, направленных на администрацию загрязнения окружающей среды возлагается
на администрацию предприятия (основании: ст.9 и ст.34 Закона РФ « О санитарно-
эпидемиологическом благополучии населения»).
Государственный контроль за выполнением
гигиенических и противоэпидемиологических мероприятий и планов предприятий
осуществляют органы госсанэпиднадзора России, государственного контроля за
выполнением природоохранных мероприятий и планов - учреждения Минприроды России
[41].
Экологический паспорт предприятия.
Экологический паспорт предприятия - комплексный
документ, содержащий характеристику взаимоотношений предприятия с окружающей
средой.
Экологический паспорт предприятия состоит из
двух частей.
Первая содержит общие сведения о предприятии,
используемое сырье, описание технологических схем выработка основных видов,
продукции, схем очистки сточных вод и выбросов в атмосферу, их характеристики
после очистки, данные о твердых и других отходах технологий, обеспечивающих
достижение наилучших удельных показателей по охране природы.
Вторая часть паспорта содержит перечень
планируемых предприятий, направленных на снижение нагрузки на окружающую среду,
с указанием сроков, объёмов затрат, удельных и общих объемов выбросов вредных
веществ да и после осуществления каждого мероприятия.
В экологическом паспорте предприятия находят
отражение три группы показателей:
показатель организационно- технологического
уровня природоохранной деятельностью предприятия;
показатель влияния предприятия на состояние
окружающей среды;
общие и частичные показатели анализа затрат на
природопользование.
Экологический паспорт подписывается
руководителем предприятия и руководителем районной организации охраны
окружающей среды и природных ресурсов. В последующем этот документ уточняется,
в него вносят необходимые изменения.
11. ЭКОНОМИЧЕСКАЯ ЭФФЕКТИВНОСТЬ
ПРОЕКТА
В данном проекте производится:
перенос цеха по производству пряничных изделий
на второй этаж предприятия ООО «Коралл», предварительно устранив макаронный цех
на первый этаж; увеличение производительности пряников «Северные» и «ИРЕК» до
2000 кг в сутки. Что существенно увеличивает объем продаж; частичная
механизация линии по производству пряников, которая приводит к улучшению
условий труда, замене ручного труда механизированным, ликвидации узких мест,
изменению технологии производства, улучшению потребительских характеристик. Для
определения экономической эффективности необходимо произвести расчеты всех
показателей, которые базируются на сравнении затрат действующей линии и затрат
проектируемой линии.
Капитальные затраты.
Капитальные затраты до реконструкции.
Капитальные затраты базового варианта (КЗ1)
представляют собой первоначальную балансовую стоимость оборудования (БЛ),
ликвидируемого вследствие реконструкции.
КЗ1 = БЛ
Расчет балансовой стоимости ликвидируемого
оборудования показан в таблице 11.1
Таблица 11.1 - Балансовая стоимость
ликвидируемого оборудования
|
Наименование
оборудования
|
Количество
единиц
|
Балансовая
стоимость, тыс. руб.
|
|
|
единицы
|
всего
|
|
тестомесильная
машина ТММ - 1М, 3 кВт/ч электрическая печь, 12 кВт/ч варочный котел КПЭ - 60
- 1, 9,45 кВт/ч дражеровочный котел ДР - 5М, 1 кВт/ч
|
1
1 1 1
|
41,5
20,0 35,0 25,0
|
41,5
20,0 35,0 25,0
|
|
Итого
|
|
|
121,5
|
КЗ1 = 41,5 + 20,0 + 35,0 + 25,0 = 121,5 тыс.
руб.
.1.2 Капитальные затраты после реконструкции.
Капитальные затраты после реконструкции
определяются исходя из балансовой стоимости нового оборудования и затрат,
связанных с ликвидацией оборудования, по формуле:
КЗ2 = БН + ЗС + ЗД + НЛ - РЛ,
где БН - балансовая стоимость нового
оборудования, тыс. руб.;
ЗС - стоимость строительных работ, тыс. руб.;
ЗД - затраты на демонтаж ликвидируемого
оборудования, тыс. руб.;
НЛ - неамортизированная часть ликвидированного
оборудования, тыс. руб.;
РЛ - стоимость по цене реализации ликвидируемого
оборудования, тыс. руб.
Балансовая стоимость нового оборудования
включает в себя стоимость оборудования по цене приобретения, затраты на
транспортировку, затраты на монтаж нового оборудования:
БН = СН + ТМ,
где БН - балансовая стоимость нового
оборудования, тыс. руб.;
СН - стоимость нового оборудования по цене
приобретения, тыс. руб.;
ТМ - затраты на транспортировку и монтаж нового
оборудования (30 - 60 % от стоимости оборудования по цене приобретения), тыс.
руб.
Расчет стоимости нового оборудования приводится
в таблице 11.2.
Таблица 11.2 - Стоимость нового оборудования по
цене приобретения
|
Наименование
оборудования
|
Количество
единиц
|
Стоимость
по цене приобретения, тыс. руб.
|
|
|
единицы
|
всего
|
|
мукопросеиватель
МПМХ - 01, 0,12 кВт/ч
|
1
|
12,5
|
12,5
|
|
солерастворитель
С - 1,0 - 1,0, 1 кВт/ч
|
1
|
55,0
|
55,0
|
|
сахарожирорастворитель
СЖР, 0,6 кВт/ч
|
1
|
76,0
|
76,0
|
|
сухародробилка
ЦС 414, 0,37 кВт/ч
|
1
|
15,5
|
15,5
|
|
котел
варочный Б4 - ШКВ - 75, 1,1 кВт/ч
|
2
|
135,0
|
270,0
|
|
тестомесильная
машина МТ - 70, 1,1 кВт/ч
|
1
|
62,5
|
62,5
|
|
Формующая
машина ФПЛ - 3, 0,75 Вт/ч
|
1
|
188,0
|
188,0
|
|
Барабан
для глазирования БТ - 600, 0,37 кВт/ч
|
1
|
65,0
|
65,0
|
|
Упаковочный
аппарат DXDK - 1000 B, 2,5 кВт/ч
|
1
|
90,0
|
90,0
|
|
туннельная
сушильная камера, 20,0 кВт/ч
|
1
|
102,0
|
102,0
|
|
Итого
|
|
|
936,5
|
Затраты на транспортировку и монтаж нового
оборудования (30%):
ТМ = 936,5*30/100 = 280,95 тыс. руб.
Балансовая стоимость нового оборудования:
БН = 936,5 + 280,95 =1217,45 тыс. руб.
Стоимость строительных работ, связанных с
реконструкцией (30%):
ЗС = 1217,45*30/100 = 365,235 тыс. руб.
Затраты на демонтаж ликвидируемого оборудования
(20%):
ЗД = 121,5*10/100 = 12,15 тыс. руб.
Неамортизированная часть стоимости
ликвидируемого оборудования (НЛ) рассчитывается по формуле:
НЛ = БЛ - [(БЛ*АО*СЭ],
где АО - норма амортизационных отчислений на
оборудование, % (АО = 10%);
СЭ - фактический срок эксплуатации
ликвидируемого оборудования, лет (СЭ = 12 лет).
НЛ = 121,5 - [121,5*10%*12лет] = 14580 = 14,58
тыс. руб.
Стоимость ликвидируемого оборудования по цене
реализации металлолома:
,772*4,0 = 7,088 тыс. руб.
где 1,772 т - вес ликвидируемого оборудования;
,0 тыс. руб. - цена за 1 т металлолома.
Кроме того реконструкция требует затрат по
переносу макаронного цеха, который включает демонтаж оборудования второго этажа
и его установку на первый этаж. Затраты составят 150 тыс. руб. И перенос части
пряничного цеха, который включает демонтаж оборудования первого этажа и монтаж
на второй этаж. Затраты составят 100 тыс. руб.
Капитальные затраты после реконструкции:
КЗ2 = 1217,45 + 365,235 + 12,15 + 14,58 - 7,088
+ 150 + 100 = 1852,33 тыс. руб.
Дополнительный объем продаж с учетом
конкурентных преимуществ.
Проектом реконструкции линии по производству
пряничных изделий предусматривается увеличение производительности пряников за
счет механизации процессов. Отпускные цены на проектируемые виды продукции
устанавливаются по данным маркетинговых исследований. Цены конкурентов на
пряничные изделия приведены в таблице 11.3.
Таблица 11.3 - Оценка цен конкурентов
|
Наименование
продукции
|
Основные
конкуренты
|
Цена
за 1 кг, руб.
|
Оценка,
баллы
|
|
|
|
Упаковка
|
Срок
хранения
|
Экологическая
чистота
|
|
пряничные
изделия
|
1.ООО
«Владхлеб»
|
37,20
|
5
|
5
|
5
|
|
2.ИП
«Симоненко»
|
35
|
4
|
5
|
4
|
Проектируемая отпускная цена на пряничные
изделия приведена в таблице 11.4.
Таблица 11.4 - Прогноз отпускной цены на
продукцию
|
Наименование
изделий
|
Отпускная
цена за 1 кг, руб.
|
|
минимальная
|
максимальная
|
ходовая
|
проектируемая
|
|
Пряничные
изделия
|
28
|
37,20
|
35
|
35
|
Расчет объема продаж пряничных изделий до (ОП1)
и после (ОП2) реконструкции проводится в таблице 11.5 [38].
Таблица 11.5 - Сравнительный объем продаж
|
Наименование
продукции
|
До
реконструкции
|
После
реконструкции
|
|
Выпуск
за год, т
|
Цена
за 1 т, тыс. руб.
|
Стоимость,
тыс. руб.
|
Выпуск
за год, т
|
Цена
за 1 т, тыс. руб.
|
Стоимость,
тыс. руб.
|
|
1.
Пряничные изделия
|
84
|
28
|
2352
|
500
|
35
|
17500
|
ДВ = ОП2 - ОП1,
где ОП1, ОП2 - объем продаж в стоимостном
выражении до и после реконструкции соответственно, тыс. руб.
ΔВ = 17500 - 2352 =
15148 тыс. руб.
.2.2 Экономия (убыток) от изменения
себестоимости продукции.
Проектируемая реконструкция ведет к изменению
численности производственных рабочих. Расчет численности рабочих приведен в
таблице 11.6.
Производственные затраты до реконструкции.
Статья 1. Амортизация оборудования (10%):
,5*10/100 = 12,15 тыс. руб.
Статья 5. Содержание и ремонт оборудования
(20%):
,5*20/100 = 24,3 тыс. руб.
Статья 2. Электроэнергия:
Затраты на электроэнергию определяются по
формулам:
ЗЭ1 = СМ1 * КЧ * КС * КД * 0,85 * ЦЭ,
где ЗЭ1, ЗЭ2 - затраты на электроэнергии до и
после реконструкции соответственно, тыс. руб.;
СМ1, СМ2 - суммарная мощность электродвигателей
ликвидируемого оборудования и нового оборудования соответственно, кВт/ч;
КЧ - длительность смены, ч (КЧ = 12 ч);
КС - количество смен в сутках (КС = 2);
КД - количество рабочих дней в году (КД = 250);
ЦЭ - стоимость 1 кВт/ч электроэнергии, руб (ЦЭ =
3,0 руб.).
СМ1 = 3 + 12 + 9,45 + 1 = 25,45 кВт/ч.
ЗЭ1 = 25,45 * 12 * 2* 250* 0,85 * 3,0 = 389,385
тыс. руб.
Расчет затрат на сырье, материалы, тару и тарные
материалы приведен в таблице 11.6.
Таблица 11.6 - Материальные затраты до
реконструкции
|
Наименование
продукции, выпуск за год
|
Наименование
материальных затрат
|
Норма
расхода на 1 т
|
Потребность
на весь выпуск
|
Цена
за единицу, руб.
|
Сумма
затрат, тыс. руб.
|
|
1.
пряники «Северные», 50 т в год
|
Сырье:
Мука пш. 1 с Сахар - песок Патока Маргарин Масло раст. Ванилин Сода
питьевая Углеаммон. соль
|
510,95
339,30 97,15 43,61 14,70 0,58 1,46 4,45
|
25547,5
16965 4857,5 2180,5 735 29 73 222,5
|
8,40
18,60 25,00 24,00 27,00 440,00 12,00 19,00
|
214,599
315,549 121,438 52,332 19,845 12,760 0,876 4,228
|
|
Итого
|
-
|
-
|
-
|
741,627
|
|
2.
пряники «ИРЕК», 34 т в год
|
Сырье:
Мука пш. 1 с Сахар - песок Патока Маргарин Ванилин Сода питьевая Углеаммон.
соль Молоко цельн. сгущ. с сах. Какао - порошок
|
492,51
250,98 40,77 40,77 0,20 1,62 4,25 179,08 44,93
|
16745,3
8533,3 1386,2 1386,2 6,8 55,1 144,5 6088,7 1527,62
|
8,40
18,60 25,00 24,00 440,00 12,00 19,00 36,50 58,00
|
140,660
158,719 34,655 33,269 2,992 0,661 2,746 222,238 88,602
|
|
Итого
|
-
|
-
|
-
|
684,542
|
|
Всего
|
-
|
-
|
-
|
1429,169
|
|
Тара
и тарные материалы: Ящики из гофрированного картона № 17, шт. Этикетки, шт.
|
66,7
66,7
|
5602,8
5602,8
|
9,69
0,80
|
54,291
4,482
|
|
Итого
|
-
|
-
|
-
|
58,773
|
|
Всего
(материальные затраты)
|
-
|
-
|
-
|
1487,942
|
Статья 4. Налог на имущество организаций (2,2
%):
,5 * 2,2/100 = 2,7 тыс. руб.
Итого производственные затраты до реконструкции:
,15 + 24,3 + 389,385 + 1487,942 + 2,7 = 1916,827
тыс. руб.
.2.2.2 Производственные затраты после
реконструкции.
Статья 1. Заработная плата рабочих:
чел.*4500 руб.*12 = 810 тыс. руб.
Статья 2. Социальные налоговые платежи:
Единый социальный налог (26%):
*26/100 = 210,6 тыс. руб.
Страховые взносы на обязательное социальное
страхование от несчастных случаев на производстве и профессиональных
заболеваний (0,4%):
*0,4/100 = 3,24 тыс. руб.
Итого социальные налоговые платежи:
,6 + 3,24 = 213,84 тыс. руб.
Статья 3. Охрана труда:
Расчет затрат на спецодежду рабочим приведен в
таблице 11.7.
Таблица 11.7 - Затраты на охрану труда
|
Наименование
спецодежды (спецобуви)
|
Количество,
чел.
|
Норма
выдачи спецодежды (спецобуви) на год, шт.
|
Потребность
на год, шт.
|
Цена
за единицу, руб.
|
Стоимость,
тыс. руб.
|
|
1.
Куртка белая хлопчатобумажная
|
15
|
3
|
45
|
350
|
15,75
|
|
2.
Брюки светлые хлопчатобумажные
|
15
|
3
|
45
|
350
|
15,75
|
|
3.
Фартук белый хлопчатобумажный
|
15
|
3
|
45
|
200
|
9,0
|
|
4.
Колпак белый хлопчатобумажный (косынка)
|
15
|
3
|
45
|
150
|
6,75
|
|
5.
полотенце
|
15
|
3
|
45
|
80
|
3,6
|
|
6.
тапочки (туфли, ботинки) текстильные
|
15
|
3
|
45
|
150
|
6,75
|
|
Итого
|
-
|
-
|
-
|
-
|
57,6
|
Статья 4. Амортизация оборудования (10%):
,45 * 10/100 = 121,7 тыс. руб.
Статья 5. Содержание и ремонт оборудования
(20%):
,45 * 20/100 = 243,49 тыс. руб.
Статья 6. Электроэнергия:
СМ2 = 1,0 + 0,12 + 0,6 + 0,37 + 1,1 + 1,1 + 0,75
+ 0,37 + 2,5 + 20,0 = 27,91 кВт/ч.
ЗЭ2 = 27,91 * 12 * 2 * 250* 0,95 * 3,0 = 477,261
тыс. руб.
Статья 7. Материальные затраты:
Расчет затрат на сырье, материалы, тару и тарные
материалы приведен в таблице 11.8.
Таблица 11.8 - Материальные затраты после
реконструкции
|
Наименование
продукции, выпуск за год
|
Наименование
материальных затрат
|
Норма
расхода на 1 т
|
Потребность
на весь выпуск
|
Цена
за единицу, руб.
|
Сумма
затрат, тыс. руб.
|
|
1
|
2
|
3
|
4
|
5
|
6
|
|
1.
пряники «Северные», 300 т в год
|
Сырье:
Мука пш. 1 с Сахар - песок Патока Маргарин Масло раст. Ванилин Сода
питьевая Углеаммон. соль
|
510,95
339,30 97,15 43,61 14,70 0,58 1,46 4,45
|
153285
101790 29145 13083 4410 174 438 1335
|
8,40
18,60 25,00 24,00 27,00 440,00 12,00 19,00
|
1287,594
1893,294 728,625 313,992 119,070 76,560 5,256 25,365
|
|
Итого
|
-
|
-
|
-
|
4449,756
|
|
2.
пряники «ИРЕК», 200 т в год
|
Сырье:
Мука пш. 1 с Сахар - песок Патока Маргарин Ванилин Сода питьевая Углеаммон.
соль Молоко цельн. сгущ. с сах. Какао - порошок
|
492,51
250,98 40,77 40,77 0,20 1,62 4,25 179,08 44,93
|
98502
50196 8154 8154 40 324 850 35816 8986
|
8,40
18,60 25,00 24,00 440,00 12,00 19,00 36,50 58,00
|
827,417
933,646 203,850 195,696 17,600 3,888 16,150 1307,284 521,188
|
|
Итого
|
-
|
-
|
-
|
4026,719
|
|
Всего
|
-
|
-
|
-
|
8476,475
|
|
2
|
3
|
4
|
5
|
6
|
|
Тара
и тарные материалы: Ящики из гофрированного картона № 23, шт. Этикетки
самоклеящиеся, шт. Лента полиэтиленовая, кг. Лента полиэтиленовая с липким
слоем, м.
|
167
2667 12,5 83,5
|
83500
1333500 6250 41750
|
14,46
2,0 65,5 1,5
|
1207,410
2667,0 409,375 62,625
|
|
Итого
|
-
|
-
|
-
|
4346,41
|
|
Всего
(материальные затраты)
|
-
|
-
|
-
|
12822,885
|
Статья 8. Налог на имущество организаций (2,2%):
,45 * 2,2/100 = 26,8 тыс. руб.
Итого производственные затраты после
реконструкции:
+ 213,84+ 57,6 + 121,7 + 243,49 + 477,261 +
12822,885 + 26,8 = 14773,58 тыс. руб.
Дополнительные затраты по проекту:
,58 -1916,827 = 12856,75 тыс. руб.
Прибыль от проекта:
- 12856,75 = 2291,25 тыс. руб.
Прибыль от проектируемой реконструкции линии,
остающаяся в распоряжении предприятия. Налог на прибыль организации (24%):
,25 * 24/100 = 549,9 тыс. руб. Чистая прибыль
предприятия:
,25 - 549,9 = 1741,35 тыс. руб.
.4 Чистый дисконтированный доход.
Чистый дисконтированный доход при норме дисконта
15%:
,35/ (1 + 15/100) = 1514,22 тыс. руб.
.5 Срок окупаемости капитальных затрат с учетом
дисконтирования.
,33/ 1514,22= 1,22 г.
Рост производительности труда.
Производительность труда в натуральном
выражении.
до реконструкции: 84 т/ 9 = 9,3 т/чел.;
после реконструкции: 500/(9 + 15) = 20,8 т/чел.
Рост производительности труда в натуральном
выражении:
(20,8 - 9,3)/9,3 * 100 = 124 %.
Производительность труда в стоимостном
выражении.
до реконструкции: 2352/ 9 = 261,3 тыс. руб./чел.
после реконструкции: 17500/ (9 + 15) = 729,17
тыс. руб./чел.
Рост производительности труда в стоимостном
выражении:
(729,17 - 261,3)/261,3 * 100 = 179 %.
Расчеты показали, что инвестиции, вложенные в
проектируемую реконструкцию, окупятся через 1,22 года. Реконструкция линии
сопровождается привлечением 15 человек производственных рабочих, что приводит к
значительному росту производительности труда. Все вышесказанное свидетельствует
об экономической целесообразности проектируемой реконструкции линии по
производству пряников «Северные» и «ИРЕК».
Показатели, характеризующие эффективность
проекта, приведены в таблице 11.9.
Таблица 11.9 - Экономическая эффективность
реконструкции линии по производству пряников «Северные» и «ИРЕК»
|
Наименование
показателей
|
Базовый
вариант
|
Проект
|
Отношение
|
|
|
|
Абсолютное
(+; -)
|
%
к базовому году
|
|
1.
Выпуск продукции за год, т 2. Цена за 1 кг продукции, руб. 3. Объем продаж,
тыс. руб. 4. Численность работающих, чел. 5. Производительность труда: - в
натуральном выражении, т/чел. - в стоимостном выражении. 6. Капитальные
затраты, тыс. руб. 7. Чистая прибыль предприятия, тыс. руб. 8. Чистый
дисконтированный доход, тыс. руб. 9. Срок окупаемости капитальных затрат, лет
|
84
28 2352 9 9,3 261,3 - - - -
|
500
35 17500 24 20,8 729,17 1852,33 1741,35 1514,22 1,22
|
+416
+7 +15148 +15 11,5 +467,87 - - - -
|
595
125 744 267 224 279 - - - -
|
ЗАКЛЮЧЕНИЕ
продукция тара технологический
процесс
В дипломном проекте предлагается реконструкция
кондитерского цеха на предприятии ООО «Коралл».
Целью реконструкции является внедрение новой
линии по производству пряников «Северные» и «ИРЕК», увеличение объема
производства за счет механизации процессов.
Качество пряничных изделий, выпускаемых в
соответствие с технологическими инструкциями по производству мучных
кондитерских изделий и рецептурами на пряники должно соответствовать ГОСТ 15810
- 96 «Изделия кондитерские пряничные. Общие технические условия».
При производстве заварных пряников «Северные» и
«ИРЕК» используется мука пшеничная первого сорта, такая мука содержит большое
количество сырой клейковины, чем другие сорта муки, что обеспечивает
мелкопористую структуру пряничного теста; патока, входящая в рецептуру пряников
сохраняет дольше свежесть пряничных изделий; маргарин, сгущенное молоко, масло
растительное повышают пищевую и энергетическую ценность пряников.
В проекте приведено описание технологической
схемы производства заварных пряников. Ее преимущество состоит в том, что на
операции приготовления теста заварка муки, ее охлаждение и замес теста
производятся в одной тестомесильной машине с водяной рубашкой, без
перекладывания теста. Это уменьшает обсемененность теста микроорганизмами,
облегчает труд рабочих.
Пряники «Северные» и «ИРЕК» выпускаются
глазированными. Глазурь полностью покрывает изделия, удерживает влагу внутри,
тем самым замедляя процесс черствения пряников.
В дипломном проекте изложены требования к
качеству сырья, готовой продукции, вспомогательным и упаковочным материалам и
таре, предъявляемые соответствующей нормативной документацией.
Также была разработана схема технохимического
контроля сырья, полуфабрикатов и производства. Технохимический контроль
обеспечивает стандартное качество продукции, микробиологический контроль направлен
на предотвращение выпуска недоброкачественной продукции.
В технологических расчах произведен расчет
расхода сырья, полуфабрикатов, вспомогательных материалов и тары для выпуска
заварных пряников «Северные» и «ИРЕК» в необходимом объеме - 2000 кг в
смену/сутки. На заданную производительность было подобрано оборудование, весо -
измерительная техника, транспортные средства, инвентарь.
Выполнены расчеты расхода воды, электроэнергии,
вентиляции, отопления, пара.
В дипломном проекте уделено внимание охране
труда на производстве. Изложены требования по безопасному ведению
технологических процессов и выполнению работ, меры пожарной безопасности и
электробезопасности. Предложена традиционная система очистки сточных вод,
образующихся при производстве заварных пряников.
Расчеты экономической эффективности показали,
что инвестиции, вложенные в проектируемую реконструкцию, окупятся через 1,22
года. Реконструкция линии сопровождается привлечением 15 человек
производственных рабочих, что приводит к значительному росту производительности
труда. Все вышесказанное свидетельствует об экономической целесообразности
проектируемой реконструкции линии по производству пряников «Северные» и «ИРЕК».
СПИСОК ИСПОЛЬЗОВАННОЙ ЛИТЕРАТУРЫ
1. Григорьев
В.И. Петров А.В. Кондитерская отрасль сегодня/ Хлебопечение России. №4, 2001,
23 - 24 с.
2. Кочетков
В., Аксенов А. Рациональная технология заварных пряников/ Хлебопродукты. №10,
2005.
. Мамедова
Т.Д. Продуктовые расчеты хлебопекарных производств. Владивосток, 2000, - 14 с.
. ГОСТ
52189 - 2003. Мука пшеничная. Технические условия. - ИПК: Издательство
стандартов, 2003. - 10 с.
. Ауэрман
Л.Я. Технология хлебопекарного производства. - М.: Пищевая промышленность,
1984. - 484 с.
. Апет
Т.К., Пашук З.Н. Технология производства кондитерских изделий. - Минск, 2002.
. СанПиН
2.3.2.1078 - 01. Гигиенические требования безопасности и пищевой ценности
пищевых продуктов. - М.: Информационно - издательский центр
Госкомсанэпиднадзора России, 2001. - 160 с.
. Дубцов
Г.Г. Технология приготовления пищи. - М.: Издательский центр «Академия», 2002.
- 272 с.
. ГОСТ
21 - 94. Сахар - песок. Технические условия. - ИПК: Издательство стандартов,
1994. - 11 с.
. ГОСТ
1129 - 93. Масло растительное. Технические условия. - ИПК: Издательство
стандартов, 1993. - 12 с.
. ГОСТ
240 - 85. Маргарин. Общие технические условия. - ИПК: Издательство стандартов,
1985. - 5 с.
. Цыганова
Т. В. Технология хлебопекарного производства. - М.: ИРПО. Издательский центр
«Академия», 2002. - 432 с.
. ГОСТ
5194 - 91. Патока крахмальная. Технические условия. - ИПК: Издательство
стандартов, 1991. - 8 с.
. ГОСТ
2903 - 78. Молоко цельное сгущенное с сахаром. Технические условия. - ИПК:
Издательство стандартов, 1978. - 10 с.
. ГОСТ
16599 - 71. Ванилин. Технические условия. - ИПК: Издательство стандартов, 1971.
- 5 с.
. ГОСТ
3770 - 75. Реактивы. Углекислый аммоний. - ИПК: Издательство стандартов, 1975.
- 10 с.
. ГОСТ
108 - 76. Какао - порошок. Технические условия. - ИПК: Издательство стандартов,
1976. - 5 с.
. ГОСТ
Р 51232 - 98 Вода питьевая. Общие требования организации и методов контроля
качества. М.: Издательство стандартов, 1998. - 8 с.
. Ковальская
Л.П. Технология пищевых производств. - М.: КОЛОС, 2001. - 752 с.
. Лурье
И.С., А.И. Шаров. Технохимический контроль в кондитерском производстве. - М.: КОЛОС,
2001. - 352 с.
. Сборник
технологических инструкций для производства мучных кондитерских изделий. - М.:
Прейскурантиздат, 1989. - 260 с.
. ГОСТ
15810 - 96. Изделия кондитерские пряничные. Общие технические условия. - ИПК:
Издательство стандартов, 1996. - 9 с.
. ГОСТ
13511 - 91. Ящики из гофрированного картона. Общие технические условия.
. ГОСТ
10354 - 82. Пленка полиэтиленовая. Технические условия.
. ГОСТ
7675 - 86. Бумага этикеточная. Технические условия.
. ГОСТ
20477 - 86. Лента полиэтиленовая с липким слоем. Технические условия.
. Рецептуры
на пряники. Всесоюзный научно - исследовательский институт кондитерской
промышленности. - М., 1986. - 192 с.
. Гришин
А.С., Покатило Б.Г., Молодых Н.Н. Дипломное проектирование предприятий
хлебопекарной промышленности. - М.: Агропромиздат, 1986. - 247 с.
. www.
gamma - techno.ru
. Олейникова
А.Я., Магомедов Г.О. Проектирование кондитерских предприятий. - СПб.: ГИОРД,
2004. - 416 с.
. Гатилин
Н.Ф. Проектирование хлебозаводов. - М.: Пищевая промышленность, 1975.
. Мамедова
Т.Д. Продуктовые расчеты хлебопекарных производств. Владивосток, 2000, - 14 с.
. www.
kartontol.ru
. Аверкиев
В., Круглипов А. Как наклеить этикетку/ Тара и упаковка. №1, 2005.
. www.
mirbumagi.ru
. Колесова
Л.С. Экономическая эффективность реконструкции технологической линии. -
Владивосток, 2006. - 34 с.
. Солнцев
В.Д., Ильиченко И.И. Теплоэнергетические расчеты в дипломном проектировании. -
Владивосток, 2003. - 60 с.
. Артюхов
И.Л. Ширяева Е.В. Основы инженерного строительного строительства и санитарной
техники. Учебное пособие. - Владивосток, 2006. - 104 с.
. Мамедова
Т.Д., Гусева Л.Б., Дацун В.М. Дипломное проектирование. - Владивосток, 2002. -
157 с.
. Мучкина
Н., Аксенов В.В. Пути снижения воздействия хлебопекарных производств на
окружающую среду./ Хлебопечение России, 2006.
. Гавриленков
А.М., Зарцына С.С., Зуева С.Б. Экологическая безопасность пищевых производств.
- СПб.: ГИОРД, 2005. - 272 с.
. Петров
И.К., Солошенко М.М., Царьков В.А. Приборы и средства автоматизации для пищевой
промышленности. - М.: Легкая и пищевая промышленности, 1981. - 416 с.