Цепи переменного электрического тока

  • Вид работы:
    Контрольная работа
  • Предмет:
    Информатика, ВТ, телекоммуникации
  • Язык:
    Русский
    ,
    Формат файла:
    MS Word
    658,95 kb
  • Опубликовано:
    2011-06-11
Вы можете узнать стоимость помощи в написании студенческой работы.
Помощь в написании работы, которую точно примут!

Цепи переменного электрического тока

ЗАДАЧИ

ПО ТЕМЕ ²ЦЕПИ ПеременнОГО ЭЛЕКТРИЧЕСКОГО ТОКА²

Задача № 2.1

Имеется цепь переменного тока частотой f = 50 Гц с активно-индуктивной нагрузкой (рис. 1). Показания приборов (амперметра, вольтметра, ваттметра) приведены в таблице 1.

Рис. 1. Схема к задаче 2.1

С учетом приведенных данных требуется определить (рассчитать):

- параметры резистора r1 и индуктивности L1 катушки;

- величины напряжений на резисторах и на участке bd;

- углы сдвига фаз между напряжением и током на входе цепи и на участке bd;

- параметры схемы для построения векторной диаграммы.

Таблица 1. Задание к задаче № 2.1

I, А

8,1

U, В

220

P, Вт

700

r2, Ом

6


Решение

1. На рис. 1 приведена электрическая схема.

. Определение различных параметров.

. Значение cos с учетом показания приборов:

P = UI cos;

.

. Значение угла , град: град.

. Значение угла , град: рад.

. Общее активное сопротивление R, учитывая, что ваттметр показывает активную мощность

Р: P = I 2(r1 + r2) = I 2R;

 Ом.

. Сопротивление

r1: R = r1 + r2:

 Ом.

. Модуль Z полного комплексного сопротивления:

Z = U/I;

Z = 220:8,1 = 27,16 Ом.

. Индуктивное сопротивление

XL: Z2 = R2 + XL2;

Ом.

10. Величина индуктивности

L: XL = 2fL;

Гн.

. Модуль полного сопротивления участка bd:

Zbd = (r12 + XL2)0,5;

Ом.

. Модуль комплексного напряжения Ů1 на резисторе R1:

U1 =IR1;

U1 = В.

. Модуль комплексного напряжения Ů2 на резисторе R2:

U2=IR2 ;

U2 = В.

. Модуль комплексного напряжения ŮL на индуктивности сопротивлением XL:

UL = IXL;

UL = В

. Проверить правильность расчета напряжений, сравнив модуль суммарного расчетного напряжения Uрасч с заданным U:

Uрасч = [(U1 +U2)2 + UL2]0,5;

Uрасч = В.

. Модуль комплексного напряжения Ubd на участке bd:

Ubd = IZbd;

Ubd = В.

. Сдвиг фаз

 = 1: 1 = arctg(XL/r1);

1 = град.

. Сдвиг фаз  = 1 в радианах: 1 = рад.

. Построение векторной диаграммы токов и напряжений цепи.

Векторная диаграмма строится по следующим этапам:

- выбираем масштабы для векторов напряжения и тока (рис. б, в), например, 1см - 1 А; 0,5 см - 100 В;

- рисуем оси +1 и +j (ось +j направляем, например, вверх);

- на комплексной плоскости отмечаем точку, от которой будем строить вектора напряжений и токов (этой точке соответствует точка а схемы);

- поскольку в задаче не дается начальный угол вектора тока İ, по умолчанию, принимаем его равным нулю, поэтому вектор İ направлен по оси +1;

- поскольку сдвига фаз между током и напряжением на резисторах нет, то вектора Ů1, Ů2 направлены по оси +1;

- поскольку вектор напряжения ŮL опережает ток İ на 90 о (идеальная индуктивность), то направляем вектор ŮL по оси +j;

-геометрическая сумма векторов Ů1, Ů2 направлена по оси +1; геометрическая сумма векторов Ů1, Ů2, ŮL дает суммарный вектор Ů; после построения с помощью транспортира, проверяем, равен ли угол геом, расчетному значению 

- вектор Ůbd находим, с учетом того, что он направлен из конца вектора Ů2 в конец вектора Ů.

Рис. 2. Векторная диаграмма

Задача № 2.2

К генератору переменного тока с фиксированным напряжением U подключена цепь, состоящая из последовательно соединенных катушки c активным сопротивлением R и индуктивностью L, а также конденсатора с емкостью С.

Параметры цепи приведены в таблице 2.2. Частота генератора = 2f может изменяться в широких пределах, так что при частоте f0 наступает режим резонанса напряжения.

При изменении частоты питающего генератора в пределах 0 < f0 < 2f0 рассчитать и построить:

- частотные характеристики элементов цепи R(f), XL(f), XC(f) и всей цепи в целом Z(f);

- зависимости I(f), UR(f), UL(f), UC(С), представив их анализ от рода нагрузки;

- фaзочастотную характеристику - зависимость сдвига фаз между напряжением U на клеммах генератора и током I в цепи от частоты f генератора;

- рассчитать коэффициент усиления напряжения К, добротность волновое сопротивление цепи ;

- параметры схемы для построения векторной диаграммы.

Рис. 3. Схема к задаче № 2.2

Таблица 2. Задание к задаче № 2.2

U, B

70

R, Ом

8

L, мГн

60

С, мкФ

60


Решение

1. Схема представлена на рис. 3.

. Задание к задаче приведено в таблице 2.

. Определить (рассчитать) значения всех параметров в системе СИ.

. Оценить, какой резонанс наблюдается в исследуемой цепи? Резонанс напряжений.

. Значение частоты f0 резонанса напряжений:

XC0 = 1/0C = ХL0 = 0L; f0 = 0/2=1/2CL)0,5;


f0 = = 83,93 Гц.

. Значение реактивного индуктивного сопротивления ХL0(f0) при резонансе:

ХL0 = 0L;

ХL0(f0) == 31,62 Ом.

. Значение реактивного емкостного сопротивления ХС0(f0) при резонансе:

XC0 = 1/0C;

ХС0(f0)= = 31,62 Ом.

. Модуль полного комплексного сопротивления цепи при резонансе:

Z(f0) = [R2 +(ХL0 - XC0)2]0,5;

Z(f0) == 8 Ом.

. Модуль тока İ при резонансе:

I(f0) = U/Z(f0);

I(f0) == 8,75 А.

. Модуль напряжения на индуктивности в режиме резонанса:

UL(f0) = I(f0)XL(f0)%;

L(f0) == 276,68 В.

11. Модуль напряжения на конденсаторе:

UС(f0) = I(f0)XС(f0);

UС(f0) == 276,68 В.

. Коэффициент усиления напряжения К:

К = UL/U = UС/U;

К == 3,95.

. Величина добротности:

Q = /R = XL/R = XLIрез/RIрез= К;

Q = 3,95.

14. Построить (табличным способом или в программе Excel) частотные характеристики элементов цепи R(f), XL(f), XC(f) и всей цепи в целом Z(f) в диапазоне частот 0 < f < 2f0 (рис. 4, а).

. Построить зависимости I(f), UR(f), UL(f), UC(С) и провести их анализ в различных диапазонах частот (рис. 4, б)

. Построить фaзочастотную характеристику - зависимость сдвига фаз между напряжением U на клеммах генератора и током I в цепи от частоты f генератора: f) = arctg[(XL − XC)/R] (рис. 4, в)

а)

б)

в)

Рис. 4. Характеристики к задаче 2.2.

Задача № 2.6

Цепь, представленная на рис. 2.6, а, находится в режиме резонанса тока. На входе цепи действует переменное напряжение u(t), оригинал которого равен u(t) = Umsin(t + U). При этом мгновенный ток i(t) в цепи изменяется по закону: i(t) = imsin(t + I). Параметры цепи приведены в таблице 6.

Рис. 6. Схема к задаче № 2.6

Таблица 3. Задание к задаче № 2.6

im, A

13

I , град

17

R, Ом

7

XL, Ом

4

0, рад/с

104


С учетом параметров цепи требуется определить:

- значение емкости конденсатора С;

- выражения для оригиналов токов i1(t), i2(t), u(t);

- мощности, потребляемые цепью в режиме резонанса;

- параметры схемы для построения векторной диаграммы токов цепи при резонансе.

Для электрической схемы, соответствующей номеру варианта, выполнить этапы следующие расчета.

. Зарисовать схему и записать задание, соответствующее номеру варианта (рис. 6, табл. 6).

. Определить (рассчитать) параметры схемы.

. Оригинал тока i(t), в соответствии с заданием варианта:

i(t) = 13sin(104t + 17о) А.

. Выражение для комплекса действующего значения тока İ (комплексного тока), соответствующего оригиналу в алгебраической и показательной формах: İ = (13/Ö2)e j17 = 9,286 e j17 = 8,88 + j2,71A

. Поскольку в цепи выполняется режим резонанса токов, учесть, что условие резонанса токов характеризуется равенством модулей реактивных проводимостей параллельных ветвей ImYbce = ImYbde. Для этого рассчитываются следующие величины.:

. Комплексное сопротивление Z1 ветви bce:

Z1= R+ jL; Z1= 7 + j4 = 8,05e j29,74Ом.

7. Комплексная проводимость Y1 ветви bce:

Y1 = 1/ Z1; Y1=0,124e- j29,74= 0,108- j0,0615 Cм.

. Модуль реактивной Y2 комплексной проводимости ветви bde:

ImY2 = ImY3; ImY2 = 0,0615 См.

. Величина емкости С:

ImY2 = 1/XC = 0C; C = 6,15 мкФ.

. Комплексное сопротивление Z2 ветви bde:

Z2= 0 - jXC =- j/C; Z2 = 16,26e -j90 = 0 - j16,26 Ом.

. Комплексная проводимость Y2 ветви bde:

Y2 = 1/Z2; Y2= 0,0615е j90 = 0 + j0,0615 Ом.

. Полная комплексная проводимость Y цепи ae:

Y = Y1 + Y2; Y = 0,108е j0 = 0,108 + j0 Cм.

. Комплексное напряжение Ů (комплекс действующего напряжения):

Ů = İ/Y = 85,98е j17 = 82,22 + j25,14 B.

. Комплекс напряжения Ům (комплексная амплитуда):

Ům = ŮÖ2; Ů = 120,37е j17= 115,11 + j35,19 B.

. Оригинал u(t):

u(t) = 120,37sin(104t + 17о) B.

. Комплексный ток İ1:

İ1 = Ů/Z1; İ1 = 14,95е j-12,74 = 14,58 - j3,3 А.

. Комплекс İ1m:

İ1m = İ1Ö2; İ1m = 20,93е j-12,74A.

. Оригинал i1(t):

i1(t) = 20,93sin(104t -12,74о) A.

. Комплексный ток İ2:

İ2 = Ů/Z2; İ2 = 5,29е j107 = -1,55 + j5,06 А.

. Комплекс İ2m:

İ2m= İ2Ö2; İ2m = 7,406е j107 A.

. Оригинал i2(t):

i2(t) = 7,406sin(104t + 107о) A.

22. Активная мощность при резонансе c учетом  = 0:

P = UIcos; P = 85,98*8,88 = 763,5 Вт.

. Реактивная мощность при резонансе c учетом  = 0:

Q = UIsin; Q = 0 вар.

. Полная мощность при резонансе:

S = (P2 + Q2)0,5; S = 763,5 ВА.

. Рисуем векторные диаграммы токов и напряжений для цепи при резонансе (рис. 7).

Рис. 7. Векторная диаграмма токов и напряжений

Задача № 2.10

Параметры схемы четырех проводной цепи переменного тока, представленной на рис. 8, приведены таблице 4. Приемники соединены звездой с нейтральным проводом (генератор не указан). Заданы: линейное напряжение Uл, активные ri, реактивные xiL или xiC (индекс ²L² - индуктивное, индекс ²С² - емкостное) сопротивления фаз a, b, c приемника.

Таблица 4. Задание к задаче № 2.10

Uл, В

127

ra, Ом

30

rb, Ом

10

rc, Ом

24

xaL, Ом

10

xbL, Ом

2

xcC, Ом

28


Необходимо рассчитать параметры приведенной сети для различных режимов:

- режим 1: четырех проводная сеть (с нейтральным проводом);

- режим 2: обрыв провода фазы А при наличии нейтрального провода;

- режим 3: короткое замыкание фазы В и обрыв нейтрального провода.

Для всех перечисленных режимов необходимо нарисовать схему, в соответствии с исследуемым режимом, а также рассчитать:

- комплексы фазных токов и напряжений;

- комплексные сопротивления;

- мощность трехфазной системы;

- построить векторные диаграммы фазных токов и напряжений;

Рис. 8. Схема к задаче № 2.10 (соединение звездой с нейтральным проводом)

Для электрической схемы, соответствующей номеру варианта, выполнить следующие этапы расчета.

. Зарисовать схему и записать задание, соответствующее номеру варианта (рис. 8, табл. 4).

. В соответствии со схемой предполагается наличие несимметричной нагрузки. Поэтому весь расчет производить для каждой из фаз, например. Условно принимаем, что вектор Ůа направлен по оси действительных величин , т.е. полагается, что начальная фаза фазного напряжения Ůа равна нулю.

. Определить (рассчитать) параметры цепи.

. Режим 1. Четырех проводная сеть (с нейтральным проводом) (рис. 8)

. Задаемся нулевой фазой для фазного напряжения Ůа; a = 0 град.

. Комплекс действующего фазного напряжения Ůа (пренебрегаем падением напряжения на линии):

Ůa = ĖA = Uae jа; Ůa = ĖA = 73,41e j0 = 73,41+ j0 B.

. Комплекс действующего фазного напряжения Ůb (пренебрегаем падением напряжения на линии):

Ůb = ĖB = Ube-j120; Ůb = ĖB = 73,41e-j120 = -36,7 - j63,57 B.

. Комплекс действующего фазного напряжения Ůc (пренебрегаем падением напряжения на линии):

Ůc = ĖC = Uce+j120; Ůc = ĖC = 73,41e+j120 = −36,7 + j63,57 B.

. Комплекс действующего линейного напряжения Ůаb на приемнике:

Ůab = Ůab = Ůa- Ůb; Ůab = 127e+j30 = 109,99 + j63,5 B.

. Комплекс действующего линейного напряжения Ůbc на приемнике:

Ůbc = Ůbc = Ůb- Ůc; Ůbc = 127e-j90 = 0 - j127 B.

. Комплекс действующего линейного напряжения Ůca на приемнике:

Ůca = Ůca = Ůc- Ůa; Ůca = 127e j150 = -109,99 + j63,57

. Комплексное сопротивление нагрузки Za фазы А:

Za = 30 + j10 = 31,58e+j18,43 Ом.

. Комплексное сопротивление нагрузки Zb фазы В:

Zb = 10 + j2 = 10,2e+j11,31 Ом.

. Комплексное сопротивление нагрузки Zc фазы С:

Zc = 24 - j28 = 36,92e-j49 Ом.

. Комплексный ток İa:

İa = Ůa/Za; İa = 2,2- j0,73 = 2,32e j-18,43 A.

. Комплексный ток İb:

İb = Ůb/Zb; İb =-4,75 − j5,4 = 7,2e-j131,31 A.

. Комплексный ток İc:

İc = Ůc /Zc; İc = -1,81 − j0,35 = 1,84e j169 A.

18. Комплексный ток в нейтральном проводе:

İN = İa + İb + İc ; İN = -4,36 − j6,48 = 7,79e-j56,07 A.

. C учетом полученных данных строится векторная диаграмма токов и напряжений (рис. 9).

Рис. 9. Векторная диаграмма токов и напряжений

. Определение мощностей системы (с нейтральным проводом)

21. Полная, активная, реактивная мощности фазы а:

Sa = ŮaIa*;

Sa = 170,31e j-18,43 = 161,57 - j53,84 ВА;

Ра = 161,57 Вт;

Qa = -53,84 вар.

. Полная, активная, реактивная мощности фазы b:

Sb = ŮbIb*;

Sb = 528,55e j-251.31 = -169,37 + j500,68 ВА;

Рb = -169,37 Вт;

Qb = 500,68 вар.

. Полная, активная, реактивная мощности фазы c:

Sc = ŮcIc*;

Sc= 135,07ej189 = -133,4 - j21,13 ВА;

Рс = -133,4 Вт;

Qс = −21,13 вар.

. Полная, активная, реактивная мощности на нагрузке трех фаз:

S = Sa + Sb + Sc;

= -141,2 + j 425,71 ВА;

Р = -141,2 Вт;

Q = 425,71 вАр.

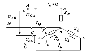
. Режим 2. Обрыв провода фазы А при наличии нейтрального провода (рис. 10).

Рис. 10. Схема к задаче № 2.10 (соединение звездой с обрывом фазы А с нейтральным проводом)

В случае наличия нейтрального провода векторы всех фазных токов и напряжений, как и в случае 1, имеют общее начало в т. N = n (рис. 10), поэтому ŮnN = ĖВ. При этом: фазные напряжения Ůa, Ůb, Ůc, рассчитанные в пп. 5-8 не изменяются; ток в фазе а - отсутствует. Следовательно: İа = 0; токи İb, İс в фазах b и с - не изменяются.

. Комплексный суммарный ток в нейтральном проводе:

İN = İa + İb + İc; İN = - 6,56 − j7,21 = 9,79 ej47,7 A.

. C учетом полученных данных строится векторная диаграмма токов и напряжений (рис. 11).

Рис. 11 Векторная диаграмма токов и напряжений

. Полная, активная, реактивная мощности фазы а:

Sa = ŮaIa*;

Sa = 0e j0 = 0 + j0 ВА; Ра = 0 Вт; Qa = 0 вар.

. Полная, активная, реактивная мощности фазы b;

Sb = Ůb Ib*;

Sb = 528,55e j-251.31 = -169,37 + j500,68 ВА;

Рb = -169,37 Вт;

Qb = 500,68 вар.

. Полная, активная, реактивная мощности фазы c:

Sc = ŮcIc*;

Sc= 135,07ej189 = -133,4 - j21,13 ВА;

Рс = -133,4 Вт;

Qс = −21,13 вар.

. Полная, активная, реактивная мощности на нагрузке трех фаз:

S = Sa + Sb + Sc;

= -302,77 + j 478,87 ВА;

Р = -302,77 Вт;

Q = 478,87 вАр.

. Режим 3. Короткое замыкание фазы В и обрыв нейтрального провода (рис. 12).

Рис. 12. Схема к задаче № 2.10 (соединение звездой с КЗ фазы В, обрыв нейтрали)

В данном режиме потенциалы точек n и b совпадают, поэтому на векторной диаграмме (рис. 14) нейтральная точка n ²сместится² в точку b. При отсутствии нейтрального провода нагрузка фаз А и С оказывается включенными на линейное напряжение, т.е.

Ůа = Ůab, Ůb = 0; Ůc = -Ůbc.

Сумма токов в точке n равна 0; значения Ůab, Ůbc рассчитаны в пп. 9, 10.

. Комплексный ток İa в фазе А:

İa = Ůа/Za = Ůab/Za; İa = 4,02e j11,57 = 3,94+ j0,11 A.

34. Комплексный ток İc в фазе C;

İc = Ůc/Zc = -Ůbc/Zc:

İc = 3,44e -j101 = −0,66 - j3,38A.

. Комплексный ток в İb в проводе фазы В:

İb = -(İa + İc); İb = -4,62e-j44,9 = -3,28 + j3,27 A.54.

C учетом полученных данных строится векторная диаграмма токов и напряжений (рис. 13).

. Полная, активная, реактивная мощности фазы а:

Sa = ŮabIa*;a = 510,51e j41,57 = 381,94 + j338,74 ВА;

Ра = 381,94 Вт;

Qa = 338,74 вар.

. Полная, активная, реактивная мощности фазы c:

Sc = −ŮBCIc*;

Sc = 436,88e-j49 = 286,62 - j329,72 ВА;

Рc = 286,62 Вт;

Qс = -329,72 вар.

. Полная, активная, реактивная мощности на нагрузке трех фаз:

S = Sa + Sc; S = 668,56 + j9,02 ;

Р1 = 668,56 Вт;1 = 9,02 вар.

Рис. 13 Векторная диаграмма токов и напряжений

Задача № 2.11

Параметры схемы трехфазной цепи переменного тока, представленной на рис. 14, приведены в таблице 5. Приемники соединены треугольником (генератор не указан). Заданы: напряжение U, активные ri, реактивные xiL или xiC (индекс ²L² - индуктивное, индекс ²С² - емкостное) сопротивления фаз ab, bc, cа приемника.

С учетом параметров цепи требуется определить:

- комплексы действующих фазных напряжений;

- комплексные сопротивления фаз приемника;

- комплексные фазные и линейные токи;

- параметры цепи для построения векторной диаграммы токов и напряжений.

Примечание: если в тексте не говорится, о каком напряжении U идет речь, то однозначно понимается, что имеется в виду линейное напряжение, т.е.

U = Uл.

Таблица 5, Задание к задаче № 2.11

Uл, В

380

rab, Ом

6

rbc, Ом

7

rca, Ом

5

xabLОм

3,2

xbcL, Ом

2

xcaC, Ом

6


Рис. 14. Схема к задаче № 2.11

Для электрической схемы, соответствующей номеру варианта, выполнить следующие этапы расчета.

. Зарисовать схему и записать задание, соответствующее номеру варианта (рис. 14; табл. 5).

. В соответствии со схемой предполагается: при несимметричной нагрузке каждую фазу схемы можно рассматривать независимо от других фаз. Условно принимаем, что вектор Ůbc направлен по оси действительных величин (рис. 15), т.е. полагается, что начальная фаза фазного напряжения Ůbс равна нулю.

. Определить (рассчитать) следующие параметры.

. Комплекс действующего фазного напряжения

Ůbс: Ů= Ue j0.

. Комплекс действующего фазного напряжения Ůab:

Ůab = 380e j120 = -190 + j329,09 B.

. Комплекс действующего фазного напряжения Ůca:

Ůca = 380e-j120 = -190 - j329,09 B.

. Комплексное сопротивление Zab фазы приемника:

Zab = rab + jxab; Zab= 6 + j3,2 = 6,82е j28,07 Ом.

. Комплексное сопротивление Zbс фазы приемника:

Zbc = rbc + jxbc; Zbc = 8 + j3 = 8,51е j20,56 Ом.

. Комплексное сопротивление Zca фазы приемника:

Zca = rca + jxca; Zca= 6 - j7 = 9,23е-j49,4 Ом.

. Комплексный фазный ток İab:

İab = Ůab/Zab; İab= 55,72e j91,33 = -1,88 + j55,7 A.

. Комплексный фазный ток İbc:

İbc = Ůbc/Zbc; İbc = 44,65e j0 = 44 ,65+ j0 A.

. Комплексный фазный ток İca:

İca = Ůca/Zca; İca= 41,17e-j70,6 = 13,68 - j38,83 A.

. Линейный ток İА по первому закону Кирхгофа:

İА = İab - İca; İА = -15,56 + j16,87 = -22,88e j-47,3 A.

14. Линейный ток İB по первому закону Кирхгофа:

İB = İbc - İab; İB = 46,53 - j55,7= 72,70e-j50,13 A.

15. Линейный ток İC по первому закону Кирхгофа:

İC = İca - İbc; İC = -30,97 - j38,83 = 49,95е-j51,42 A.

16. Комплекс мощности S1:

S1 = ŮAB I*А; S1 = 8694,4e j72,7 =2585,5 + j8301,07 ВА.

. Показание ваттметра W1 - активная мощность Р1:

Р1 = ReS11 = 2585,5 Вт.

. Комплекс мощности S2:

S2 = ŮcbIC* = -ŮbcIC*; S2 = 18981е j-231,42 = 11836,68- j14838,17 ВА.

19. Показание ваттметра W2 - активная мощность Р2:

Р2 = ReS2; Р2 =11836,68Вт.

. Активная мощность Р, потребляемая источником:

Р = Р1 + Р2; Р = 9250,5 Вт.

. Построить векторную топографическую диаграмму. Векторная топографическая диаграмма строится для всех фаз (рис. 15). Выбираем направления осей +1 и +j. Учтем, что Ů= 220e j0 = 220 + j0 B. Поэтому вектор фазного напряжения приемника Ůbс (в выбранном масштабе) направлен по оси +1. К его концу достраивается вектор Ůаb (с учетом его величины и угла) и т.д. Треугольники векторов токов строятся в вершинах соответствующих точек a, b, c.

Рис. 15 Векторная диаграмма токов и напряжений

Задача № 3.1

Однофазный и трехфазный трансформаторы, работающие как понижающие, имеют примерные параметры, представленные в таблицах 6, 7. Заданы: полная мощность Sн; номинальные напряжения на первичной U и вторичной U обмотках; активные мощности Р0 в режиме холостого хода и потерь Ркз в проводах обмотки при номинальной нагрузке; напряжение короткого замыкания uка.

Таблица 6 .Параметры исследуемых трансформаторов

Тип трансформатора

Sн, кВА

U, В

U, В

Р0, Вт

Ркз, Вт

uкз, %

Однофазный

6,3

400

230

45,2

156

2,65

Трехфазный

25

220

133

157

576

3,15


Таблица 7. Задание к задаче № 3.1

1

0,80

cos1

0,65

2

0,72

cos2

0,60


Используя параметры трансформаторов необходимо рассчитать:

- коэффициент трансформации n;

- номинальные токи первичной и вторичной обмотки;

- процент активной и реактивной части напряжения короткого замыкания;

- напряжение на вторичной обмотке U2 при активно-индуктивной нагрузке, составляющей 1 от номинальной нагрузки;

- значения сos1, КПД при cos2 и нагрузке, составляющей 2 от номинальной;

- годовой КПД, если с полной нагрузкой ( = 1) при cos1 трансформатор работает tр = 300 дней в календарном году.

Для условий задачи, соответствующей номеру варианта (таблица 7), выполнить следующие этапы расчета.

. Записать задание, соответствующее номеру варианта. Письменно пояснить физическое значение параметров Sн, U, U,Р0, Ркз, uкз, I0,1, соs1, 2, соs2 (табл. ).

. Определить (рассчитать) параметры трансформаторов:

Однофазный Трехфазный

. Коэффициент трансформации n:

n = U/U:

n = 1,74; n = 1,65.

. Номинальный ток I первичной обмотки:

для однофазного:

I= Sн/U ;

для трехфазного:

I= Sн/Ö3U:

I=15,75 А; I= 65,61 А.

. Номинальный ток I вторичной обмотки:

для однофазного:

I= Sн/U ;

для трехфазного:

I= Sн/Ö3U:

I= 27,4 А; I= 108,5 А.

. Расчет напряжения на вторичной обмотке U2 при активно-индуктивной нагрузке.

. Процент активной части напряжения короткого замыкания uка, %:

резистор катушка напряжение сопротивление

uка = Ркз100/Sн;

uка = 2,48 %; uка = 2,3 %.

. Процент реактивной части напряжения короткого замыкания uкр, %:

кр = (uкз2 − uка2)0,5;

кр = 0,94 %; uкр = 2,15 %.

. Относительные потери напряженияu21, %, при cos1 :

u2 = 1(uкаcos1 + uкрsin1);


u2 = = 1,89 %; u2 == 2,57 %.

. Относительные потери напряженияu22, %, при cos2 :

u2 = 1(uкаcos2 + uкрsin2);


u2 = = 1,79 %; u2 == 2,48 %.

. Напряжение на вторичной обмотке U21 при при cos1 :

U21 = U(1 -u21/100);

U2 = = 225,65 В; U2 = = 129,58 В.

. Напряжение на вторичной обмотке U22 при при cos2 :

U22 = U(1 -u22/100);

U2 = = 225,88 В; U2 == 129,70 В.

. Значение КПД при cos2 и нагрузкой 2:

h = 2Sнcos2/(2Sнcos2 + P0 + 22Pкз);

h == h =

=0,956 ; = 0,959.

. Расчет значения годового (за Т = 8760 час) КПД hг при полной нагрузке.

. Полезная мощность, отдаваемая трансформатором потребителю электроэнергии при номинальной нагрузке ( = 1) при cos1: Р= Sнcos1;

Р= = 4,01 кВт; Р= = 16,25 кВт.

. Энергия, отдаваемая трансформатором потребителю за год:

W2 = Рtр.

tр= 7200 час

W2 == 28872 кВт×ч; W2 == 180000 кВт×ч.

. Энергия, потребляемая трансформатором за год в режиме холостого хода:

W0 = Р0Т;

W0 == 395,95 кВт×ч; W0 == 1375,32 кВт×ч.

. Энергия, теряемая в проводах обмотки трансформатора при номинальной нагрузке за время tр:

Wкз = tрPкз;

Wкз == 1080 кВт×ч; Wкз == 4147,2 кВт×ч.

. Суммарная энергия, потребляемая трансформатором за год

W = W2 + W0 + Wкз;

W = 28872+395,95 +1080 = 30311,95 кВт×ч; W = 180000+1375,32 +4147,2 = 185522,52 кВт×ч.

. Годовой КПД hг:

hг = W2/ W;

hг == 95,25 %; hг = = 97,02 %.


Не нашли материал для своей работы?
Поможем написать уникальную работу
Без плагиата!
Без нейросетей!