Расчет и проектирование фундамента
Введение
Курсовое проектирование преследует цель практического применения
изучаемого в лекционно-теоретическом курсе материала, его закрепление на
практических занятиях и умение самостоятельно творчески мыслить.
В ходе курсового проектирования по дисциплине «Основания и фундаменты»
нужно научиться оценивать инженерно-геологические условия площадки
строительства с целью выбора наиболее оптимального варианта фундамента,
познакомиться с методикой расчета различных типов фундаментов.
В процессе выполнения курсового проекта необходимо приобрести навыки
работы с дополнительной технической и нормативно-справочной литературой.
1. Оценка инженерно-геологических условий площадки
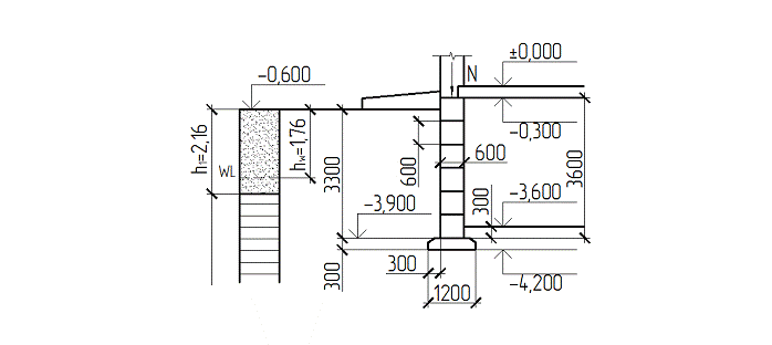
Рис. 1. Геологический разрез
Средняя планировочная отметка площадки:
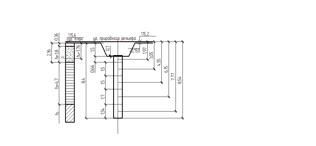
Рис. 2. Скважина №3
2. Физическое состояние грунта
Определяем характеристики физического состояния грунта для каждого слоя.
Наиболее неблагоприятная скважина №3.
Плотность сухого грунта
.
Коэффициент плотности
.
Удельный вес грунта с учетом взвешивающего действия воды
.
Степень влажности грунта
.
Число пластичности
.
Показатель текучести
.
,
где gс1 и gс2 - коэффициенты условий работы,
принимаемые по табл. 3 СНиП 2.02.01-83;
kн - коэффициент равный 1,1;
Mg, Mq, Mc - коэффициенты, принимаемые по табл.
4 СНиП 2.02.01-83;
b -
Условная ширина подошвы фундамента;
gII - удельный вес грунта под подошвой фундамента (при наличии подземных вод
определяется с учетом взвешивающего действия воды);
gII’ - удельный
вес грунта выше подошвы фундамента;
cII - удельное сцепление грунта, залегающего непосредственно под
подошвой фундамента;
d -
условная глубина заложение фундамента.
слой - песок пылеватый
;
;
;
- грунт водонасыщенный;




Для 


слой - глина
;
;
;
- грунт водонасыщенный;
;
-
глина тугопластичная;





Для 


слой - суглинок
;
;
;
- грунт водонасыщенный;
;
-
тугопластичный;





Для 


3. Расчет фундамента на естественном основании
.1 Определение глубины заложения подошвы фундамента
Определяем нормативную глубину сезонного промерзания
Для неоднородных сложений грунта (песок и глина)
Определяем расчетную глубину
- из табл. 1 СНиП 2.02.01-83*.
Глубина заложения фундамента
Принимаем глубину заложения фундамента -1,650 м относительно уровня
чистого пола.
3.2 Определение площади подошвы фундамента
,
где N - вертикальная нагрузка в уровне
обреза фундамента (в уровне планировочной поверхности земли);
Rусл - условное сопротивление под подошвой
фундамента;
gmt = 20 кН/м3 - средний удельный вес бетона и грунта на его
уступах;
d - глубина
заложения фундамента.

Для ж/б колонн площадью сечения 0,4×0,4 подбираем фундамент ФА 91-96,
высотой 1,5 м с размерами ступеней 4,2×3,0×0,3; 3,0×2,1×0,3; 2,1×1,5×0,3 подколонник площадью сечения 0,9×0,9 м, глубина стакана 0,8 м.
Определяем точное значение сопротивления грунта:
3.3 Проверка краевых давлений под подошвой фундамента
,
где А - площадь подошвы фундамента;
W -
момент сопротивления
;
Ntot - нагрузка, приведенная к центру тяжести подошвы фундамента
;
;
Mtot - момент, приведенный к центру тяжести подошвы фундамента
;
Проверяем условия:
,
где R - расчетное сопротивление грунта для
принятых размеров фундамента.


Все условия ограничения давления выполнены.
.4 Расчет осадки фундамента методом послойного суммирования
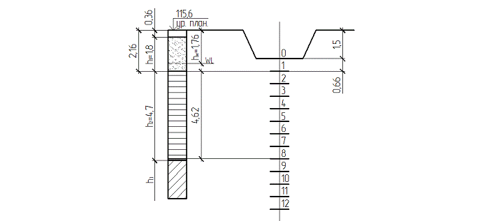
Рис 3. Деление грунта под подошвой фундамента
Осадка основания фундамента определяется по формуле:
,
где
- коэффициент, учитывающий боковое расширение грунта;
hi - толщина i-го слоя;
п - количество элементов слоев в пределах сжимаемой толщи;
σzpi mt - среднее вертикальное напряжение от
фундамента и конструкций;
Ei - модуль деформации i-го
слоя
Природное вертикальное напряжение на глубине подошвы фундамента от веса
грунта, считая от уровня планировки
.
Напряжение под подошвой фундамента от конструкций
.
Вертикальное напряжение на глубине z под подошвой фундамента от веса грунта
.
Вертикальные
напряжения на глубине z под подошвой фундамента от конструкций
, где α -
коэффициент, определяемый -по т.1 прил. 2 СНиП 2.02.0183
<file:///C:\СНиПы%20и%20ГОСТы\Основания%20зданий%20и%20сооружений%20(СНиП%202.02.01-83).DOC>
в зависимости от:
и
.
Нижняя
граница сжимаемой толщи основания принимается на глубине
, где выполняется условие
.
,
.
.
.
Таблица
1
|
№
|
z (м)
|
2z/b (м)
|
α
|
, кПа
|
, кПа
|
, кПа
|
Еi, МПа
|
|
1
|
0.00
|
0.00
|
1.000
|
134.93
|
33.44
|
6.69
|
11000
|
|
2
|
0.66
|
0.44
|
0.972
|
131.15
|
38.98
|
7.80
|
7500
|
|
3
|
1.32
|
0.88
|
0.848
|
114.42
|
43.92
|
8.78
|
7500
|
|
4
|
1.98
|
1.32
|
0.637
|
85.95
|
48.86
|
9.77
|
7500
|
|
5
|
2.64
|
1.76
|
0.485
|
65.44
|
53.80
|
10.76
|
7500
|
|
6
|
3.30
|
2.20
|
0.374
|
50.46
|
58.74
|
11.75
|
7500
|
|
7
|
3.96
|
2.64
|
0.286
|
38.59
|
63.68
|
12.74
|
7500
|
|
8
|
4.62
|
3.08
|
0.235
|
31.71
|
68.62
|
13.72
|
7500
|
|
9
|
5.28
|
3.52
|
0.180
|
24.29
|
75.59
|
15.12
|
22000
|
|
10
|
5.94
|
3.96
|
0.145
|
19.56
|
82.56
|
16.51
|
22000
|
|
11
|
6.60
|
4.40
|
0.12
|
16.60
|
89.53
|
17.91
|
22000
|
При расчете осадки основания фундамента должно выполняться условие:
,
где
- предельно допустимое значение осадки, определяется
-по табл. 1 прил. 4 СНиП 2.02.0183
<file:///C:\СНиПы%20и%20ГОСТы\Основания%20зданий%20и%20сооружений%20(СНиП%202.02.01-83).DOC>.
для одноэтажного промышленного здания с
железобетонным полным каркасом.
.
Условие
по расчету осадки методом послойного суммирования выполняется.
геологический фундамент грунт свая
4.
Расчет фундаментов на забивных железобетонных сваях
.1
Определение глубины заложения ростверка
Глубину
заложения ростверка принимаем ниже расчетной глубины промерзания грунта - такой
же, как и фундаментов мелкого заложения, равной -1,65 м относительно уровня
чистого пола первого этажа.
.2
Определение несущей способности сваи
Рис. 4. Забивная железобетонная свая
Принимаем типовую железобетонную забивную сваю С10-30 (ГОСТ 19804-74)
квадратного сечения 300×300 мм, длиной 10 м.
Несущая способность сваи определяется по формуле:
,
где g - коэффициент
условий работы сваи в грунте, принимаемый
;
R -
расчетное сопротивление грунта под нижним концом сваи, кПа, принимаемое по
табл. 1 СНиП 2.02.03-85;
A -
площадь поперечного сечения;
U -
периметр поперечного сечения сваи, м;
fi - расчетное сопротивление i-го слоя грунта основания на боковой поверхности сваи,
принимаемое по таблице 2 СНиП 2.02.03-85 в зависимости от средней глубины
расположения слоя z (расстояние от
середины слоя до уровня природного рельефа).
hi - толщина i-го слоя грунта,
соприкасающегося с боковой поверхностью сваи, принимаемая hi ≤ 2 (м);
gCR, gcfi - коэффициенты условий работы грунта
соответственно под нижним концом и по боковой поверхности сваи, принимаются по
табл. 3 СНиП 2.02.03-85.
Определяем методом интерполяции для суглинка (грунт под нижним концом
сваи) при
расчетное сопротивление
.
Определяем fi для
каждого слоя:
- для пылеватого песка и 
- для глины тугопластичной при
и
· 
· 
· 
- Для суглинка тугопластичного при
и
,
Площадь опирания сваи на грунт
, периметр
. Для сваи сплошного сечения, погружаемой
в грунт забивкой молотом по табл. 3
.
.3
Определение требуемого количества свай под одну колонну
Количество свай под одну колонну определяется по формуле:
,
где N - вертикальная нагрузка на
фундамент;
,2 - коэффициент, учитывающий наличие изгибающего момента;
,4 - коэффициент надежности;
Fd - несущая способность сваи;
- коэффициент надежности (по п. 3.10 СНиП 2.02.03-85
);
gmt - удельный вес бетона и грунта,
;
d -
глубина заложения подошвы ростверка от поверхности планировки;
a -
размер стороны сваи.
.
Принимаем количество свай под одну колонну равное 8.
.4 Определение размеров ростверка в плане
Все размеры ростверка в плане принимаются кратными 300 мм. Минимальное
расстояние между осями забивных висячих свай принимается не менее 3d и не более
6d (d - сторона поперечного сечения сваи).
Рис. 5 Ростверк
.5 Проверка несущей способности крайней сваи
Нагрузка, приходящаяся на крайние сваи:
, где
- нагрузка, приведенная к центру тяжести подошвы ростверка;
- количество свай под одну колонну;
- момент, приведенный к центру тяжести подошвы ростверка;
- расстояние между центром тяжести подошвы ростверка до
наиболее удаленной сваи (до оси сваи);
- расстояние между центром тяжести
подошвы ростверка до оси каждой сваи.


Необходимо, чтобы выполнялись условия:
;
Условия выполняются. Фундамент запроектирован с запасом.
.6 Расчет ростверка на продавливание колонной
Рис. 6 Пирамида продавливания
, где
- продавливающая сила, равная сумме реакций всех свай за
пределами пирамиды продавливания;
- расчетное сопротивление бетона растяжению;
- рабочая высота сечения (расстояние от подошвы ростверка до
дна стакана);
- размеры колонны;
- расстояния от грани колонны соответственно с размерами b и h до ее параллельной плоскости, проходящей по внутренней грани
ближайшего ряда свай, расположенных за пределами нижнего основания пирамиды
продавливания;
- коэффициент, учитывающий частичную передачу продольной силы
на плитную часть ростверка через стенки стакана.
, где
- площадь боковой поверхности колонны, заделанной в стакан.
.
, где
- реакция сваи от нагрузок на ростверк по верхней
горизонтальной грани, определяемая по формуле:
Класс бетона ростверка принимаем В20, тогда
(таблица 13 СНиП 2.03.01-84).
Колонна площадью сечения
; глубина стакана 0,9 м.
.
.
. Принимаем
.
Значения реакций свай от нагрузок на ростверк:
;
;
.
.
.
.
Условие расчета ростверка на продавливание выполняется.
.7 Определение горизонтального перемещения головы сваи
Принимаем шарнирное опирание ростверка на сваю. Сваи заглубляются в
ростверк на 100 мм.
и - перемещение головы сваи
;
y - угол поворота головы сваи
.

, где
Н0 - поперечная сила, приходящаяся на 1 сваю
- горизонтальное перемещение сечения сваи в уровне подошвы
ростверка от поперечной силы Н = 1;
- горизонтальное перемещение сечения сваи в уровне подошвы
от действия момента М = 1;

Е - модуль упругости бетона в свае (для марки бетона В20
);;
I -
момент инерции поперечного сечения сваи;
Ао и В0 - безразмерные коэффициенты, определяемые
по табл. 5 прил. 1 к СНиП 2.02.03-85 в зависимости от приведенной длины сваи
, где
l - длина сваи;
- коэффициент деформации
, где
k -
коэффициент пропорциональности, определяемый по прил. 1 СНиП 2.02.03-85 в
зависимости от вида грунта под подошвой ростверка. Для пылеватого песка
;
bp - расчетная ширина сваи.
.
.
Определяем коэффициенты
и
при приведенной длине погружения сваи
.
.
.
Условие выполняется.
4.8 Расчет устойчивости грунта, окружающего сваю
Расчет устойчивости основания, окружающего сваю, производится по условию
ограничения расчетного давления, передаваемого на грунт боковыми поверхностями
сваи:
, где
- расчетное давление на грунт боковой поверхностью сваи,
определяемое на следующих глубинах z, отсчитываемых при высоком ростверке от поверхности грунта, а при низком
ростверке - от его подошвы. При приведенной длине
- на двух глубинах, соответствующих
и
; при
на глубине
, где
- коэффициент деформации;
- расчетный удельный вес грунта на глубине z;
- расчетные значения соответственно угла внутреннего трения
грунта и удельного сцепления грунта по первой группе предельных состояний;
- коэффициент, принимаемый для забивных свай и свай-оболочек
, а для всех остальных видов свай
;
- коэффициент, равный единице, кроме случаев расчета
фундаментов распорных сооружений, для которых
;
- коэффициент, учитывающий долю
постоянной нагрузки в суммарной нагрузке, определяемый по формуле:
Мс - момент от внешних постоянных нагрузок в уровне плоскости
нижнего конца сваи;
Мf - то же, от внешних временных
расчетных нагрузок;
- коэффициент, принимаемый
, за исключением случаев расчета:
, где
- высота фундамента;
- длина погружения сваи в грунт.

Расчетное давление, передаваемое на грунт боковыми поверхностями сваи:
, где
- приведенная глубина, определяемая в зависимости от
значения действительной глубины z, для которой определяются значения давления
. Определяется по формуле:
;
и- горизонтальное перемещение головы сваи в ростверке (при шарнирном
опирании ростверка на сваю);
y - угол поворота головы сваи в ростверке.
А1, В1, D1 -
коэффициенты, значения которых принимаются по табл. 4 прил. 1 СНиП 2.02.03-85 в
зависимости от
.
.
.
,
,
.



Устойчивость грунта, окружающего сваю обеспечена.
.9 Расчет осадки свайного фундамента
Расчет осадки свайного фундамента производится по методу эквивалентного
слоя.
Определяю средний угол внутреннего трения грунта
,
;
Определяю краевые давления под подошвой условного фундамента
,
Gf - вес фундамента = вес ростверка + вес всех свай;- вес грунта в объеме
условного фундамента
Вес ростверка:
Вес грунта в объеме условного фундамента:
,
hусл = lсваи+hf =
7+1,5=8,5 м - условная высота сваи;
- средневзвешенное значение удельного веса грунта выше
подошвы условного фундамента, т.е. выше острия свай
Определяю расчетное сопротивление грунта под подошвой условного
фундамента
= 1,2 -
коэффициент условий работы, таб.3 СНиП 2.02.01-83;
= 1-
коэффициент условий работы, таб.3 СНиП 2.02.01-83;
k = 1,1
-
коэффициенты, принимаемые по таб.4 СНиП 2.02.01-83;
Условия
по краевым давлениям выполняются.
Определяем
осадку грунта.
.
;
.
Мощность
эквивалентного слоя определяем по табл. 6.10 (Далматов)
.
.
Мощность
активно сжимающей толщи
.
Определение
коэффициента относительной сжимаемости грунта
.
.
Условие
расчета по деформациям выполняется.
5.
Фундамент на буронабивных сваях
.1
Определение глубины заложения ростверка
Глубину
заложения ростверка принимаем ниже расчетной глубины промерзания грунта равной
-1,65 м относительно уровня чистого пола.
.2
Определение несущей способности сваи
Принимаем
буронабивную сваю круглого сечения диаметром 500 мм, длиной 7 м.
Несущая
способность одной сваи определяется по формуле:
,
где
g - коэффициент условий работы сваи в грунте,
принимаемый
;
gCR - коэффициент условий работы грунта под нижним концом
сваи, принимаемый по п. 4.6. gCR = 1;
gcf -
коэффициент условий работы грунта по боковой поверхности сваи, зависящий от
способа образования скважины и условий бетонирования, принимаемый по таблице 5.
Для буронабивных свай ;
R - расчетное
сопротивление грунта под нижним концом сваи, кПа, принимаемое по табл. 1 СНиП
2.02.03-85 gcf = 0,8;
A - площадь
опирания сваи на грунт (для свай без уширения);
U - периметр
поперечного сечения сваи, м;
fi -
расчетное сопротивление i-го слоя грунта основания на боковой поверхности сваи,
принимаемое по таблице 2 СНиП 2.02.03-85 в зависимости от средней глубины
расположения слоя z (расстояние от середины слоя до уровня природного
рельефа).
Определяем
методом интерполяции для суглинка (грунт под нижним концом сваи) при
расчетное сопротивление
.
Определяем
fi для
каждого слоя:
- для пылеватого песка и 
- для глины тугопластичной при
и
· 
· 
· 
- Для суглинка тугопластичного при
и
,
Площадь опирания сваи на грунт
,
периметр
.
.3
Определение требуемого количества свай под одну колонну
Принимаем 4 буронабивных свай под одну колонну.
.4 Определение габаритов ростверка
Все размеры ростверка в плане принимаются кратными 300 мм. Минимальное
расстояние в свету между буронабивными сваями одного ряда не менее 1000 мм.
Рис. 7 Ростверк
.5 Проверка несущей способности крайней сваи
Нагрузка, приходящаяся на крайние сваи:
, где

Необходимо, чтобы выполнялись условия:
;
Проверка по несущей способности крайней сваи выполняется.
.6 Расчет ростверка на продавливание
, где
, где
.
, где
- реакция сваи от нагрузок на ростверк по верхней
горизонтальной грани, определяемая по формуле:
Класс бетона ростверка принимаем В20, тогда
(таблица 13 СНиП 2.03.01-84).
Колонна площадью сечения
; глубина стакана 0,9 м.
.
.
. Принимаем
.
Значения реакций свай от нагрузок на ростверк:
;
.
.
Условие расчета ростверка на продавливание выполняется.
.7 Определение горизонтального перемещения головы сваи
.
Определяем коэффициенты
и
при приведенной длине погружения сваи
.
.
Условие выполняется.
.8 Расчет устойчивости грунта, окружающего сваю
Расчет устойчивости основания, окружающего сваю, производится по условию
ограничения расчетного давления, передаваемого на грунт боковыми поверхностями
сваи:
.
.
,
,



Устойчивость грунта, окружающего сваю обеспечена.
.9 Расчет осадки фундамента на буронабивных сваях
Расчет осадки свайного фундамента производится по методу эквивалентного
слоя.
Определяю средний угол внутреннего трения грунта
,
;
Определяю краевые давления под подошвой условного фундамента
,
Gf - вес фундамента = вес ростверка + вес всех свай;- вес грунта в объеме
условного фундамента
Вес ростверка:
Вес грунта в объеме условного фундамента:
,
hусл = lсваи+hf =
7+1,5=8,5 м - условная высота сваи;
- средневзвешенное значение удельного веса грунта выше
подошвы условного фундамента, т.е. выше острия свай
Определяю расчетное сопротивление грунта под подошвой условного
фундамента
= 1,2 -
коэффициент условий работы, таб.3 СНиП 2.02.01-83;
= 1-
коэффициент условий работы, таб.3 СНиП 2.02.01-83;
k = 1,1
- коэффициенты,
принимаемые по таб.4 СНиП 2.02.01-83;
Условия
по краевым давлениям выполняются.
Определяем
осадку грунта.
.
;
.
Мощность
эквивалентного слоя определяем по табл. 6.10 (Далматов)
.
.
Мощность
активно сжимающей толщи
.
Определение
коэффициента относительной сжимаемости грунта
.
.
Условие
расчета по деформациям выполняется.
Расчет
подвала
Рис. 8. Подвал
.10 Определение ширины фундамента
, где
N -
нагрузка в уровне обреза стен подвала (по заданию);
- расчетное условное сопротивление грунта под подошвой
фундамента;
- средний удельный вес материала (бетона) фундамента (для
ленточного фундамента);
- глубина заложения подошвы фундамента от уровня земли.
Принимаю: фундаментную плиту ФЛ12-12-2 (b = 1200 мм, l = 1180 мм, h = 300
мм), по табл. 2.2. уч. Далматов «Проектирование фундаментов зданий и подземных
сооружений».
5.11 Проверка
несущей способности основания
Определение интенсивности горизонтального давления в уровне обреза
фундамента
Определение расчетных усилий в стенах подвала в уровне обреза фундамента
-
коэффициент учитывающий податливость верхней опоры
= 8,4х104
кПа - модуль упругости материала стены
- толщина
стены подвала
Е
- модуль упругости грунта под подошвой ленточного фундамента
Определение изгибающего момента относительно центра тяжести подошвы
фундамента
- вес грунта и временной нагрузки над уступом фундамента
- эксцентриситет
Определение угла наклона равнодействующей к вертикальной оси
Вывод: Дальнейшая проверка не требуется, достаточно проверки на сдвиг.
.12Проверка краевых давлений под подошвой фундамента
,
где
,
.
Напряжение в уровне подошвы фундамента:
,
где
- уд. вес грунта обратной засыпки.
;
- коэффициент надежности по нагрузке;
- высота столба грунта.
,
где
- угол внутреннего трения грунта обратной засыпки.
.
Напряжение
от нагрузки
:
.
Напряжения
от сил сцепления:
,
где
- удельное сцепление грунта обратной засыпки
.
Результирующее
напряжение в уровне подошвы фундамента:
.
Результирующее
напряжение в уровне планировки:
.
Высота
суммарной эпюры напряжений:
.
.
.
.
.
Определение
точного значения расчетного сопротивления грунта
,
где
- глубина подвала. При ширине подвала (B)
менее 20 м
, если
, то
;
-
приведенная глубина заложения фундамента относительно пола.
,
где
- расстояние от подошвы фундамента до низа плиты
подвала;
- толщина
плиты подвала
;
-
удельный вес пола подвала;
-
удельный вес грунта, залегающего между подошвой фундамента и подвалом.
.
Для
выполнения проверки по краевым давлениям должно выполняться условия:
;
Условия
проверки по краевым давлениям выполняются.
.13
Расчет осадки методом послойного суммирования
Расчет
осадки ленточного фундамента производится по методу эквивалентного слоя.
Осадка
грунта определяется по формуле:
,
где
- напряжение от фундамента и конструкций
;
-
мощность эквивалентного слоя
,
где
- коэффициент эквивалентного слоя, зависящий от формы
подошвы фундамента и грунта
(таблица
6.10 - Далматов);
-
мощность сжимающей толщи;
-
коэффициент относительной сжимаемости грунта в пределах сжимающей толщи,
определяемый по формуле:
-
среднее значение относительной сжимаемости грунта под подошвой фундамента,
для глин.
,
.
.
;
.
.
.
Условие
расчета по деформациям выполняется.
.14
Расчет устойчивости стены подвала против сдвига
- удельное
сцепление грунта обратной засыпки, но не более 7 кПа. Принимаем
;
- угол
внутреннего трения грунта обратной засыпки;
-
удельный вес грунта обратной засыпки выше подошвы фундамента;
-
удельный вес сухого грунта;
-
коэффициент пористости;
-
удельный вес грунта с учетом взвешивающего действия воды;
d = 3,6 м -
глубина заложения
Определение горизонтального давления на стену подвала от собственного
веса грунта
,
где
- высота столба грунта, м;
- коэффициент надежности при нагрузке
- коэффициент активного давления
грунта;
,
, где
- коэффициент надежности при нагрузке (таб.7.1 Сорочан);
q -
равномерно-распределенная нагрузка, приложенная на расстоянии (а) от стены, по заданию
.
Определение горизонтального давления связности
Определение полного горизонтального давления на верхнюю часть стены
подвала
суммарное горизонтальное давление в уровне поверхности
фундамента
давление = 0;
- полное горизонтальное давление в уровне подошвы фундамента;
- высота суммарной эпюры горизонтального давления.
Определение сдвигающей силы в уровне подошвы фундамента
Определение проекций всех сил на вертикальную плоскость
,
где
- нагрузка по заданию;
- вес
фундамента длиной 1 м (блоки ФБС + плиты фундамента);
,
где
- удельный вес бетона;
-
габаритные размеры фундаментных стеновых блоков, м;
-
габаритные размеры фундаментной плиты,
,
где
Определение проекций всех сил на горизонтальную плоскость
,
где
- коэффициент надежности;
Проверка:
,
-
коэффициент условия работы грунта (для суглинок)
-
коэффициент надежности по назначению сооружения (II класс)
Вывод:
устойчивость на сдвиг обеспечена.
Определение
агрессивности подземных вод
Определение
степени агрессивности подземных вод производим согласно СНиП 2.03.11-85 «Защита
строительных конструкций от коррозии»
|
Бикарбонатная щелочность
|
-
|
|
Водородный показатель
|
3,8
|
|
Содержание свободной углекислоты
|
10 мг/л
|
|
Сульфаты
|
190 мг/л
|
|
Аммонийные соли
|
15 мг/л
|
|
Магний
|
360 мг/л
|
|
Хлор
|
990 мг/л
|
|
Щелочи
|
36 г/л = 36000 мг/л
|
Показатели агрессивности (см. т. 5. 6. 7)
Бикарбонатная щелочность - слабоагрессивная среда
Водородный показатель рН - 0≤3,8≤4 - сильноагрессивная среда
Содержание свободной углекислоты - 10≤10≤40 -
слабоагрессивная среда
Магний - 360≤1000 - неагрессивная среда
Аммонийные соли - 15≤100 - неагрессивная среда
Щелочи - 36000≤50000 - неагрессивная среда
Сульфаты
(портландцемент по ГОСТ 10178-76) - 190≤250- неагрессивная среда
принимаем портландцемент по ГОСТ
10178-76+0,25хSO42-=990+0,25х190=1038 мг/л (уровень грунтовых вод постоянный)
500≤1038≤5000
- неагрессивная среда
Вывод:
Анализируя степень агрессивных вод, выяснили, что среда слабооагрессивная и
поэтому принимаем материал - портландцемент по ГОСТ 10178-76.
Защитное
покрытие (прил. 5) при сильной степени агрессивного воздействия среды для
конструкций фундаментов принимаем как битумно-латексные
эмульсии, а для забивных свай - битумные
покрытия холодные и горячие.
Заключение
В результате курсового проектирования выполнен расчет оснований и
фундаментов одноэтажного промышленного здания. В состав курсового проекта вошли
графическая часть и пояснительная записка. Мной были выполнены оценка
инженерно-геологических условий строительной площадки, расчет фундаментов на
естественном основании, расчет свайного фундамента, расчет фундамента на
буронабивных сваях, расчет подвала одноэтажного промышленного здания, оценка
агрессивности подземных вод.
Библиографический
список
Учебно-методическая
литература
1. Оценка
инженерно-геологических условий площадки строительства. Методические указания к
курсовому и дипломному проектированию / Сост.: Ю.В. Михайлов, А.Ю. Ситникова. -
Н. Тагил: ГОУ ВПО УГТУ-УПИ НТИ, 2004. - 24с.
2. Расчет
и проектирование оснований и фундаментов / А.Ю. Ситникова. - г. Екатеринбург,
УГТУ - УПИ, 2002. - 18 с.
. Аверьянова
А.Н. и др. Расчет и проектирование оснований и фундаментов промышленных зданий:
Учеб. пособие. - Екатеринбург: УГТУ-УПИ, 1993. - 120 с.
. Проектирование
фундаментов зданий и подземных сооружений: Учеб. пособие / Под ред. Б.И.
Далматова; 2-е изд. - М.: Изд-во АСВ; СПб.: СПбГАСУ, 2001. - 440с.
. Основания
и фундаменты. Ч.2. Основы геотехники : Учебник/ Авторы Б.И. Далматов, В.Н.
Бронин и др. / Под ред. Б.И. Далматова. - М. : Изд-во АСВ; СПбГАСУ, 2002. -
392с.
. Берлинов
М.В., Ягупов Б.А. Расчет оснований и фундаментов: Учеб. пособие. - М.
Стройиздат, 2004. - 272с.
. Механика
грунтов, основания и фундаменты: Учеб.пособие / Под ред. С.Б. Ухова. - 2-е
изд., перераб. и доп. - М.: Высш.шк., 2002. - 566с.
. Малышев
М.В., Болдырев Г.Г. Механика грунтов. Основания и фундаменты : Учеб. пособие. -
Изд-во АСВ. - М. 2001. - 328с.
. Справочник
проектировщика. Основания, фундаменты и подземные сооружения. / Под ред. Е.А.
Сорочана и Ю.Г. Трофименкова. - М. : Стройиздат, 1985. - 479с.
. Основания
и фундаменты. Справочник / Под. ред. Г.И. Швецова, - М.: Высш. шк., 1991. -
383с.
Нормативная
литература
11. СНиП
2.02.01-83* Основания зданий и сооружений / Госстрой Росии, М. 1995
12. СниП
2.02.03-85* Свайные фундаменты. М.: Стройиздат, 1986.
. СНиП
2.03.11-85 «Защита строительных конструкций от коррозии».
. СП
50-101-2004. Проектирование и устройство оснований и фундаментов зданий и сооружений.
- М. : ФГУП ЦПП, 2005.
. СП
50-102-2003. Проектирование и устройство свайных фундаментов. - М. : ФГУП ЦПП,
2004.