Исследование симметричных и несимметричных режимов работы трехфазной цепи переменного напряжения при соединении фаз источника и приемника по схеме "звезда"

  • Вид работы:
    Практическое задание
  • Предмет:
    Физика
  • Язык:
    Русский
    ,
    Формат файла:
    MS Word
    88,77 kb
  • Опубликовано:
    2010-11-18
Вы можете узнать стоимость помощи в написании студенческой работы.
Помощь в написании работы, которую точно примут!

Исследование симметричных и несимметричных режимов работы трехфазной цепи переменного напряжения при соединении фаз источника и приемника по схеме "звезда"

Министерство образования Российской Федерации

Пермский Государственный Технический Университет

Кафедра электротехники и электромеханики





Лабораторная работа № 5

Исследование симметричных и несимметричных режимов работы

трехфазной цепи переменного напряжения при соединении фаз источника и приемника по схеме «звезда»



Выполнил: студент гр.

Проверил: ст. преподаватель

Цель работы: Приобретение практических навыков соединения фаз приемников по схеме «звезда»; опытное исследование распределений токов, линейных и фазных напряжений при сим-метричных и несимметричных режимах работы трехфазной цепи; выяснение роли нейтрального провода.

п/п

Наименованное

прибора

Заводской

номер

Тип

Система

измерения

Класс

точности

Предел

измерений

Цена деления

1

Вольтметр


Э34

ЭМ

1.0

300 В

10 В

2

Вольтметр


Э34

ЭМ

1.0

300 В

10 В

3

Вольтметр


Э34

ЭМ

1.0

300 В

10 В

4

Вольтметр


Э30

ЭМ

1.5

150 В

5 В

5

Амперметр


Э34

ЭМ

1.0

7.5 А

0.2 А

6

Амперметр


Э34

ЭМ

1.0

7.5 А

0.2 А

7

Амперметр


Э34

ЭМ

1.0

0.2 А

8

Амперметр


Э30

ЭМ

1.5

5 А

0.2 А

табл. 1. Паспортные данные электроизмерительных приборов.

Теоретические сведения

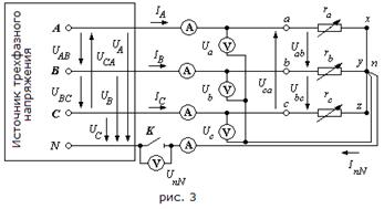
Отдельные фазы трехфазных источников и приемников электрической энергии принято на практике соединять по схеме «звезда» или схеме «треугольник». Для получения соединения «звезда» концы отдельных фаз источника (приемника) электрически соединяют между собой. Образующаяся при таком соединении общая точка называется нейтралью источника (приемника). На электрических схемах нейтраль источника принято обозначать буквой N, а нейтраль прием-ника буквой n.

Передача электрической энергии от источника, может осуществляться посредством трех-проводной (рис. 1) или четырехпроводной (рис. 2) воздушной или кабельной линии.


В трехфазной трехпроводной системе начала фаз источника А, В, С соединяются с помощью трех проводов линии электропередачи с началами фаз a, b, c трехфазного приемника. Нейтраль источника N и нейтраль приемника n при этом между собой непосредственно не соединены. В трехфазной четырехпроводной системе, наряду с тремя проводами, соединяющими начала фаз источника и приемника, используется четвертый провод, соединяющий нейтраль источника N с нейтралью приемника n, получивший название нейтрального.

Трехфазные источники электрической энергии вырабатывают симметрическую систему фазных напряжений. Симметрия фазных напряжений источника обуславливает симметрию его линейных напряжений.

Напряжения на фазах трехфазного приемника, токи и мощности фаз, углы сдвига фаз между фазными напряжениями, фазными токами, между напряжениями и токами одноименных фаз зависят от величины активных, индуктивных и емкостных сопротивлений фаз приемника и от числа проводов линии, соединяющей трехфазный источник и трехфазный приемник.

В случае симметричного трехфазного приемника, для которого справедливы следующие три равенства: , , , в трехфазной цепи, как трехпроводной, так и четырехпроводной, устанавливается симметричный режим работы. В этом режиме напряжения на фазах приемника, токи в фазах, активные, реактивные и полные мощности фаз, углы сдвига фаз между фазными напряжениями, фазными токами, между напряжениями и токами одноименных фаз равны по величине. В нейтральном проводе ток отсутствует, т.е. нейтральный провод не используется и поэтому необходимость в нем в симметричном режиме работы трехфаз-ной системы отпадает. Другими словами, передачу от трехфазного источника симметричному трехфазному приемнику целесообразно осуществлять с помощью трехпроводной линии.

Если трехфазный приемник является несимметричным, т.е. сопротивления фаз отличаются или по величине, или по характеру, или одновременно и по величине и по характеру, то в трехфаз-ной системе, как трехпроводной, так и четырехпроводной, устанавливается несимметричный ре-жим работы. В этом режиме работы как трехфазной трехпроводной, так и трехфазной четырех-проводной системы токи в фазах приемника, активные, реактивные и полные мощности фаз, углы сдвига фаз между токами, между токами и напряжениями одноименных фаз в общем случае различны по величине. Напряжения на фазах приемника в трехфазной трехпроводной цепи образуют несимметричную систему. Степень несимметрии напряжений фаз приемника определя-ется параметрами его фаз, т.е. величинами активных, индуктивных и емкостных сопротивлений. Несимметрия напряжений фаз приемника негативно сказывается на его работе и является недопустимой. Применение нейтрального провода, т.е. переход к трехфазной четырехпроводной системе, позволяет устранить несимметрию напряжений фаз приемника и, как следствие, улуч-шить рабочие характеристики приемника. Поэтому передача энергии от трехфазного источника несимметричному трехфазному приемнику осуществляется посредством четырехпроводной линии электропередачи.

Рабочее задание

1. В качестве источника питания используется источник трехфазного переменного напря-жения. Действующие значения напряжений фаз , ,  равны 127 В, а действующие значе-ния линейных напряжений , ,  равны 220 В. Функции приемников электрической энергии выполняют лампы накаливания трех ламповых реостатов. На схеме (рис. 3) ламповые реостаты замещены регулируемыми по величине активными сопротивлениями , , , соединенными в «звезду». Напряжения на фазах потребителя измеряются вольтметрами элект-ромагнитной системы с пределом измерения 300 В. Напряжение между нейтралью источника N и нейтралью приемника n измеряется вольтметром электромагнитной системы с пределом измерения 150 В. Токи в фазах потребителя и ток в нейтральном проводе измеряются амперметрами электромагнитной системы с пределом измерения 7,5 и 5 А. Однополюсной вы-ключатель К в цепи нейтрального провода позволяет исследовать режимы работы трехфазной трехпроводной системы (выключатель К отключен) и режимы трехфазной четырехпроводной системы (выключатель К включен). Сопротивления проводов, соединяющих источник и при-емник, в лабораторных условиях могут быть приняты равными нулю. При этом линейные напря-жения на зажимах потребителя , ,  по величине становятся равными линейным напря-жениям источника и образуют в совокупности симметричную трехфазную систему с действу-ющим значением 220 В.

2. Исследуем работу электрической цепи в режимах, указанных в табл. 2. Показания электро-измерительных приборов, снятых при проведении работы, занесем в табл. 3.

Режимы работы

Положение выключателя К

Число включенных ламповых реостатов в фазе

откл.

вкл.

1

Симметричный режим трехфазной трехпроводной системы.

X


6

6

6

2

Симметричный режим трехфазной четырехпроводной системы.


X

6

6

6

3

Несимметричный режим трехфаз-ной трехпроводной системы.

X


6

4

3

4

Несимметричный режим трехфаз-ной четырехпроводной системы.


X

6

4

3

5

Несимметричный режим трехфаз-ной трехпроводной системы, обусловленный обрывом фазы  потребителя.

X


6

6

6

Несимметричный режим трехфаз-ной четырехпроводной системы, обусловленный обрывом фазы  потребителя.


X

6

6

7

Несимметричный режим трехфаз-ной трехпроводной системы, обусловленный коротким замыка-нием фазы потребителя.

X

4

4

8

Несимметричный режим трехфаз-ной трехпроводной системы, обусловленный включением в фазу  потребителя батареи конденсаторов.

X


Батарея конден-саторов, емкостью 40 мкФ

6

4

9

Несимметричный режим трехфаз-ной четырехпроводной системы, обусловленный включением в фазу  потребителя батареи конденсаторов.


X

Батарея конден-саторов, емкостью 40 мкФ

6

4

табл. 2. Режимы работы.

3. Рассчитаем, используя полученные данные, сопротивления фаз потребителя по формулам, например, для 3-его опыта:


Результаты расчета записываем в табл. 3.

В

А

В

А

Ом

1

115

115

115

3,1

3,1

3,1

0

0

37,1

37,1

37,1

-

2

115

115

115

3,1

3,1

3,1

0

0

37,1

37,1

37,1

-

3

80

130

150

2,65

2,2

33

0

30,2

59,1

90,9

-

4

118

120

116

3,1

2,1

1,5

0

1,21

38,1

57,1

77,3

-

5

180

105

105

0

2,9

2,8

58

0

36,2

37,5

-

6

120

120

115

0

3,1

3,1

0

3,1

38,7

37,1

-

7

0

210

210

5,45

3,2

3,15

120

0

0

65,6

66,6

-

8

175

150

60

2,05

3,5

1,5

62

0

-

42,9

40,0

9

120

120

115

1,5

3,1

2,15

0

2,82

-

38,7

53,5

80

табл. 3. Опытные и расчетные данные.

Проведем дополнительные исследования несимметричных режимов работы электрической цепи (табл. 2, опыты 8 и 9). С этой целью вместо лампового реостата, включенного в фазу  приемника, включается батарея конденсаторов емкостью 40 мкФ.

По полученным данным рассчитываем активные сопротивления rb и rc, емкостное сопротивле-ние xab. При расчете емкостного сопротивления используем выражение, например, для восьмого опыта:


Вывод: при работе системы в режиме симметричной нагрузки нет необходимости в использо-вании нейтрального провода, т.к. напряжения смещения нейтрали при этом равно 0.

При возникновении несимметрии в нагрузке происходит перераспределение напряжения: на фазе с малой нагрузкой напряжение увеличивается, и наоборот. При использовании нейтрального провода фазные напряжения на источнике и потребителе выравниваются. Чем нагрузка более несимметрична, тем больше напряжение смещения нейтрали: при обрыве фазы A напряжение сме-щения UnN = 60 В, а при коротком замыкании в этой же фазе UnN = 120 В, т.е. в два раза больше. В большей степени, чем величина нагрузки, на несимметрию влияет ее характер: активная, емкост-ная или индуктивная.

Необходимость использования нейтрального провода возникает только при несимметричной нагрузке.

Похожие работы на - Исследование симметричных и несимметричных режимов работы трехфазной цепи переменного напряжения при соединении фаз источника и приемника по схеме "звезда"

 

Не нашли материал для своей работы?
Поможем написать уникальную работу
Без плагиата!
Без нейросетей!