Проектирование одноэтажного однопролетного промышленного здания

  • Вид работы:
    Курсовая работа (т)
  • Предмет:
    Строительство
  • Язык:
    Русский
    ,
    Формат файла:
    MS Word
    426,47 Кб
  • Опубликовано:
    2017-09-16
Вы можете узнать стоимость помощи в написании студенческой работы.
Помощь в написании работы, которую точно примут!

Проектирование одноэтажного однопролетного промышленного здания

ФЕДЕРАЛЬНОЕ ГОСУДАРСТВЕННОЕ БЮДЖЕТНОЕ ОБРАЗОВАТЕЛЬНОЕ УЧЕРЕЖДЕНИЕ ВЫСШЕГО ПРОФЕСИОНАЛЬНОГО ОБРАЗОВАНИЯ «МОСКОВСКИЙ ГОСУДАРСТВЕННЫЙ СТРОИТЕЛЬНЫЙ УНИВЕРСИТЕТ»









КУРСОВОЙ ПРОЕКТ

Кафедра: МЕТАЛЛИЧЕСКИЕ КОНСТРУКЦИИ

Тема: ОДНОЭТАЖНОЕ ОДНОПРОЛЕТНОЕ ПРОМЫШЛЕННОЕ ЗДАНИЕ









Москва 2017 г

 

Оглавление

1. Исходные данные

. Компоновка поперечного разреза здания

2.1 Вертикальные размеры здания

.2 Горизонтальные размеры здания

3. Расчет поперечной рамы

3.1 Определение ветровой нагрузки

.2 Определение вертикальных нагрузок

.3 Определение крановых нагрузок

4. Статический расчет поперечной рамы

4.1 Расчет на постоянные нагрузки

.2 Расчет на нагрузку от снега

4.3 Расчет на вертикальную нагрузку от мостовых кранов

4.4 Расчет на горизонтальные воздействия мостовых кранов

.5 Расчет на ветровую нагрузку

5. Расчет и конструирование ступенчатой колонны

5.1 Исходные данные для расчета ступенчатой колонны

.2 Определение расчетных длин колонны

.3 Подбор сечения верхней части колонны

.4 Подбор сечения нижней части колонны

.5 Расчет и конструирование узла сопряжения верхней и нижней частей колонны

.6 Расчет и конструирование базы колонны

6. Проектирование стропильной фермы

6.1 Определение узловых нагрузок, действующих на ферму

.2 Определение усилий в стержнях фермы

.3 Подбор и проверка сечений стержней фермы

.4 Расчет и конструирование узлов стропильных ферм

7. Расчет и конструирование подкрановой балки

Список литературы

1. Исходные данные


Длина здания - 72,0м;

Шаг поперечных рам В = 12,0м;

Климатический район строительства - Cургут;

Здание -отапливаемое;

Тип кровли - утеплитель по ж/б панелям;

Режим работы крана - 7К;

Грузоподъемность крана - Q = 50т;

Высота до головки подкранового рельса - Н1 = 16м;

Класс бетона фундамента - В10;

Пролет здания - L = 18,0м;

Два мостовых электрических крана;

Конструкция колонн: верхняя часть - сплошного сечения, нижняя часть - сквозного сечения;

Материал несущих конструкций - по указаниям СНиП II-23-81*;

Соединения элементов конструкций - заводские и монтажные, на сварке и на болтах;

Стены проектируемого здания - самонесущие.

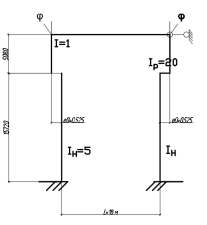
2. Компоновка поперечного разреза здания

Рис. 1. Поперечный разрез здания

.1 Вертикальные размеры здания

Высота до головки подкранового рельса Н1 = 16м,

Высота от головки подкранового рельса до низа несущей конструкции

Н2 = [(Нкр + 100) + f];

где: Нкр - высота крана из ГОСТа на кран в зависимости отгрузоподъемности (для Q=50тн, Нкр = 3150мм)

мм - запас- возможная величина прогиба конструкций ( 200 … 400мм)

Н2 = [(3150 + 100) + 200] = 3450

Высота от уровня чистого пола до низа несущей конструкции

Н0 = Н1 + Н2 = 16000+ 3450 = 19450м

Н0 принимаем 19.8- что кратно 0.6м (высота стеновой панели)

Высота верхней части колонны

Нв = hп.б. + hр + Н2;

где: hп.б. - высота подкрановой балки (hп.б. ≈ В/10, в курсовом принимаем по прилож.1,[1]: hп.б.= 1500мм),р - высота рельса, в курсовом принимаем по прилож.1, [1]:р.= 130мм - КР-80.

Нв = 1500 + 130 + 3450= 5080мм

Высота нижней части колонны

Нн = Н0 - Нв + hз;

где: hз = 600…1000мм - заглубление колонны ниже уровня чистого пола.

Нн =19800 - 5080 + 1000 = 15720мм

Н=5080+15720=20800м

2.2 Горизонтальные размеры здания

Привязка наружной грани колонны к оси колонны 0,500 мм.


Высота сечения верхней части ступенчатой колонны принимаем h=700мм.

Для того, чтобы кран при движении вдоль цеха не задевал ограждение расстояние от оси подкрановой балки до оси колонны должно быть не менее:

l³ В1 + (hв - а) + 75 = 400+450 + (700 - 500) + 75 =1125мм Þ1250 мм.

где 75 - зазор между краном и ограждением, по требованиям безопасности принимаемый по ГОСТу на краны.

Пролеты кранов lк имеют модуль 500 мм, поэтому размер должен быть кратным 250 мм.

Ось подкрановой ветви колонны совмещаем с осью подкрановой балки, тогда высота сечения нижней части колонны:

bН = l+a= 1250+ 500 = 1750 мм


1456 - удовлетворяет условию жёсткости.

Пролет мостового крана lк = l - 2* = 18000 - 2*1250 = 15500 мм

3. Расчет поперечной рамы


Расчетная схема:

Рис. 3. Расчетная схема поперечной рамы

В расчетной схеме принято жесткое крепление колонн в железобетонный фундамент и жесткое крепление колонн с фермой.

Условные обозначения нагрузок:

) Вертикальные нагрузки:

постоянная равномерно-распределенная нагрузка qп

временная равномерно-распределенная снеговая нагрузка qсн

давление от постоянной и снеговой нагрузки, передаваемое на стойки

Рамы

собственный вес верхней части колонны (без учета веса стеновыхпанелей) F1

собственный вес нижней части колонны (без учета веса стеновыхпанелей) F2

соответственно максимальное и минимальное давление от двух кранов

(временная нагрузка) Dmax и Dmin

соответственно максимальный и минимальный изгибающий момент от вертикального давления крана, относительно центра тяжести нижней части колонны Мmax и Мmin

) Горизонтальные нагрузки:

временная горизонтальная нагрузка, вызванная торможением крана (тележки) ±Т

временные эквивалентные ветровые нагрузки соответственно с наветренной и подветренной стороны здания qэкв и q’экв

сосредоточенные ветровые нагрузки, приложенные не отметке низа фермы (ось ригеля совпадает с отметкой низа фермы) Fв и F’в

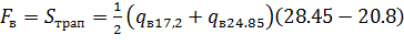
3.1 Определение ветровой нагрузки

Рис.4. Приведение ломаной эпюры ветровой нагрузки к эквивалентной равномерно-распределенной по высоте

Расчетная ветровая нагрузка на i-ой отметке высоты здания:

в= Yf*W0*K*C*B;

где: Yf = 1,4 - коэффициент надежности по нагрузке,- нормативное значение ветрового давления (см. прилож. 2 [1]), в зависимости от климатического района (для Новосибирск W0 = 0,6кН/м2, ІІІ р-н)

К - коэффициент, учитывающий высоту здания и защищенность от ветра другими строениями,

С = 0,8 - аэродинамический коэффициент с наветренной стороны,

С = 0,6 - аэродинамический коэффициент с подветренной стороны,

В = 12 м - шаг рам.

Для упрощения расчета заменяем многоугольную эпюру на прямоугольную с ординатой:

экв = qв10 * α,

где: qв10 - ордината на отметке 10м.

α = 1,17 - при высоте здания 25м < H < 30м

в10 = 1,4 * 0,6кН/м2 * 0,65 * 0,8 * 12м = 5,2кН/м

экв =5,2кН/м * 1,17 = 6,08кН/м

С подветренной стороны здания:

’экв = qэкв *(0,6/0,8) =6,08кН/м*(0,6/0,8) = 4,5кН/м

Так как распределенная ветровая нагрузка посчитана до отметки ригеля, а ригель совпадает с отметкой низа фермы, то мы не учливетровую нагрузку выше этой отметки (т.е. до отметки верха фонаря).

Определим силу Fв, как площадь трапеции ветровой нагрузки.

qв20 = 1,4 * 0,6кН/м2 * 0,85 * 0,8 * 12м = 6,85 кН/м

qв30 = 1,4 * 0,6кН/м2 * 0,98 * 0,8 * 12м = 7,9 кН/м

,

,

,,

,

С подветренной стороны:

,

3.2 Определение вертикальных нагрузок

1.Постоянная нагрузка от покрытия на 1 м2

Таблица 1

Наименование нагрузки

Нормативная кН/м2

γf

Расчетная кН/м2

1. Защитный слой из гравия, втопленного в битумную мастику, t=15 мм.

0,3

1,3

0,4

2. Гидроизоляция - трехслойный рубероидный ковер.

0,15

1,3

0,2

3. Пароизоляция

0,05

1,3

0,06

4.Утеплитель керамзит

0,4

1,2

0,48

5. ж/б панели

1,8

1,1

2

6. Собственный вес стропильной фермы

0,24

1,05

0,25

7. Связи покрытия

0,04

1,05

0,04

Итого:

2,84

-

3,2


Определяем постоянную нагрузку от покрытия на 1 м.п.:

qпр = γn * q р* В / cosα; [кН/м]

где: Yn = 0,95 - коэффициент надежности по назначению здания,р - расчетная нагрузка из табл. 1,

В = 12м - шаг рам

соs α = 1, так как α < 25º

,

Снеговая нагрузка временная расчетная:

qснр =γn Р0 с В

где: γn = 0,95 - коэффициент надежности по назначению здания,

Р0 = 1.2кН/м2 - расчетная нагрузка по приложению 2 [1] (IV р-н),

с = 1, коэффициент перехода от нагрузки на земле к нагрузке на покрытие, при α < 25º,

В = 12 м - шаг рам.

qснр = 0,95 * 1,2кН/м2 * 1 * 12м = 13,68кН/м ≈ 13,68кН/м.

Расчетная нагрузка от веса стеновых панелей и остекления и собственного веса колонны:

=(gпн∑hпн+qост∑hост)•В+Gк,

Gк =0,5•B•L•h•b•γf,

где gпн - вес 1м2 стеновых панелей, равный 1,1 кН/м2; ∑hпн - суммарная высота полос стеновых панелей; gост - вес 1м2 остекления, равный 0,175 кН/м2; ∑hост - суммарная высота остекления; Gк - собственный вес колонны, кН/м2; qкн - расход стали на колонну, кН/м2; В - шаг колонн, м; L - пролет здания, м; γf - коэффициент надежности по нагрузке, равный 1,05.

Для верхнего участка колонны:

Gк =0,5•12•30•0,2•0,35•1,05=13,23кН.

Gв=(1,1•4,837+0,175•1,8)•12+13,23=33,3кН.

Для нижнего участка колонны:

к =0,5•12•30•0,8•0,35•1,05=52,92кН.

Gн=(1,1•18+0,175•1,8)•12+52,92 =294,3кН.

3.3 Определение крановых нагрузок

1.Вертикальные крановые нагрузки. Так как крановая нагрузка подвижная, то для ее определения строим линии влияния для изгибающих моментов и поперечных сил.

За расчетный пролет принимаем шаг рам В х 2 (два расчетных пролета)


Максимальное давление на колесе

Вес крана с тележкой

Вес тележки

Нормативный вес подкрановой балки

Расчетное максимальное давление от двух сближенных кранов


Минимальное давление колеса крана


Расчетное минимальное вертикальное давление от двух сближенных кранов


Сосредоточенные моменты от внецентренного приложения  и


Нормативное горизонтальное усилие от поперечного торможения тележки


Расчетное горизонтальное давление на колонну


Условно принимаем, что сила Т приложена в уровне уступа колонны

4. Статический расчет поперечной рамы


Целью статического расчета поперечной рамы является определение расчетных усилий (изгибающих моментов, продольных и поперечных сил),которые необходимы для конструктивного расчета элементов рамы, сопряжений, узлов и т.п.

Поперечная рама, представляющая собой плоскую конструкцию, является основным расчетным элементом металлического каркаса промышленного здания. Статический расчет такой рамы выполним методом сил и перемещений из строительной механики.

Расчет производим отдельно от каждой нагрузки. Результаты расчета сводим в таблицу.

4.1 Расчет на постоянные нагрузки

В соответствии с конструктивной схемой (рис. 1), выбираем ее расчетную схему и основную систему:




е0 = 0,5 * (bн - bв) = 0,5*(1750 - 700) = 525мм = 0,525м - расстояние между центрами тяжести нижнего и верхнего участков колонн.

Соотношение моментов инерции: Iн/ Iв = 5; Iр/Iн = 4. Тогда если Iв = 1, то Iн=5, Iр = 20.

Сопряжение ригеля с колонной назначаем жестким.пр = 36,48кН/м - постоянная нагрузка на ригель рамы (см. п. 2.2)= qпр *L/2 = 36,48кН * 18м/2 = 328,3кН - опорная реакция от опирания ригеля.

Сосредоточенный момент из-за смещения осей верхней и нижней частей колонны:

М = - (FR + F1) * е0

М = - (328,32кН + 33,3кН) * 0,525 = - 189,9 кН.м;

По табл. 12.4 [1], находим параметры n = Jв/Jн=1/5 = 0,2;

α = Hв/Н = 5,08/20.8 = 0,25

Каноническое уравнение имеет вид: r11* φ + r1p = 0.

- Моменты от поворота углов на φ = 1 равны:

МА = kA* i = 0,858 * i;

Мc = kc* i = - 0,621 * i;

Мв = kв* i = - 1,114 * i;

Мвр = 2*Е*Ip/L = 2*E*4*Iн*H/LH = 8*i*H/L = 8*20.8*i/18 = 9.2*i

- Моменты от нагрузки на стойках Мр:

МА = kA* М = 0,393 * (-189,9) = - 74.6 кНм;

МВ = kВ* М = -0,084 * (-189,9) = 15.9 кНм;

Мcн = kc* М = -0,715 * (-189,9) = 135.8 кНм

Мcв = (kc + 1) * М = (-0,715+1) * (-189,9) = -54.1 кНм.

- Моменты на опорах ригеля (защемленная балка постоянного по длине сечения):

МВр = - qp* L2/12 = - 36,48кН * 182 / 12 = -985 кНм.

Определение r11 и r1p:

11 = МВ + МВр = 1,114* i +9.2* i = 10.314* i (поэпюреМ1);p = МВ + МВр = - 15.9- 985 = - 1000.9 (по эпюре Мр).

Угол поворота:

φ = - r1p/ r11 = 1000.9/10.314* i = 97/ i

Моменты от фактического угла поворота (М1*φ) равны:

МА = 0,858*i *97/ i = 83.2кНм;

МВ = -1,114*i *97/ i = -108.1кНм;

МC = -0,621*i *97/ i = -60.2кНм;

МВр = 9.2*i * 97 i = 892.4кНм.

Эпюра моментов (М1* φ + Мр) от постоянной нагрузки:

МА = -74.6+83.2 =8.6кНм;

МВ = -108.1+15.9= -92.2кНм

МВр = 892.4-985 = -92.6 кНм.

Мcв = -60.2-54.1 = -114.3 кНм.

Мcн = -60.2+135.8 = 75.6кНм;


Проверкой правильности расчета служит равенство моментов в узле В:

МВ = -92.2 кНм ≈ Мвр = -92.6 кНм.

Равенство перепада эпюры моментов в точке С внешнему моменту:

МCB - МCH = -114.3 - 75.6 = -189.9кНм = М = 189.9 кНм

Равенство поперечных сил на верхней и нижней частях колонны:

QAC = - (8.6 -75.6)/15.72= -4.3кН;= - (92.6-114.3)/5,08= -4.3кН.риг лев = FR = 328.3 кН;риг прав = -FR = -328.3 кН;

Продольные силы:

NВ = - FRп = - 328.3кН;С = NВ + F1 = -328.3-33.3 = -361.6кНА = NС + F2 = -361.6-294.3 = -655.9кН

4.2 Расчет на нагрузку от снега


Расчет производим аналогично расчету на постоянные нагрузки.

Сосредоточенный момент на колонне:

М = FRсн*e0;

где: FRсн = qснр *L/2 = 13.68кН * 18м/2 = 123.12кН - опорная реакция отопирания ригеля.

qснр = 20,5кН/м - снеговая нагрузка на ригель рамы (см. п. 2.2)

М = -123.12 * 0,525 = -64.6кНм.

Моменты от нагрузки на стойках Мр:

МА = kA* М = 0,393 * (-64.6) = - 25.4кНм;

МВ = kВ* М = -0,084 * (-64.6) = 5.4 кНм;

Мcн = kc* М = -0,715* (-64.6) =46.2 кНм

Мcв = (kc + 1) * М = (-0.715 +1) * (-64.6) = -18.4 кНм.

Моменты на опорах ригеля (защемленная балка постоянного по длинесечения):

МВр = - qсн*L2/12 = - 13.68*182/12 = -369.4 кНм.

Определение r11 и r1p:

11 = МВ + МВр = 1.114* i + 9.2* i = 10.314* i (поэпюреМ1);p= МВ + МВр = - 5.4- 369.4 = - 374.94 (по эпюре Мр).

Угол поворота:

φ = - r1p/ r11 = 374.94 / 10.314 * i = 36.4 / i.

Моменты от фактического угла поворота (М1*φ) равны:

МА = 0,858*i *36.4/ i = 31,2кНм;

МВ = -1.114*i *36.4/ i = -40.5кНм;

МC = -0,621*i *36.4/ i = -22.6кНм;

МВр= 9.2*i * 36.4i = 334.9кНм.


Эпюра моментов (М1* φ + Мр) от снеговой нагрузки:

МА = 31.2-25.4 = 5.8кНм;

МВ = - 40.5+5.4 = - 35.1 кНм;

МВр = 334.9 - 369.4 = -34.5 кНм;

МCB = - 22.6- 18.4= -41 кНм;

МCH = -22.6+ 46.2 = 23,6кН

Проверим равенство моментов в узле В:

МВ = -35.1 кНм ≈ Мвр = -34.5кНм.

Равенство перепада эпюры моментов в точке С внешнему моменту:

МCB - МCH = -41-23.6 = -64.6 кНм = М = -64.6 кНм;

Поперечные силы:

QAC = - (5.8 -23.6)/15.72 = -1.13 кН= - (35.1 - 41)/5,08 = -1.16 кН

Продольные силы:

NB = NA = FRсн = -123.12 кН; Np = -0,7кН.

4.3 Расчет на вертикальную нагрузку от мостовых кранов

При расположении тележки крана у левой стойки. Основная система исхема нагрузки приведены на рис.13.


Проверку возможности считать ригель абсолютно жестким, производим по формуле:

,

где: μ = Iн - 1 = 5 - 1 = 4

,

Моменты и реакции от смещения верхних узлов на Δ = 1 (рис.14, а) находим по табл. 12.4, [1]:

= 2 * FRB = 2*k’B *t/H = 2 * 6,315 * t / 20.8= 0,6*t

МА = kA* t = - 4,343 * t;

Мc = kc* t = 0,392 * t;

Мв = kв* t = 1.972 * t;

Моменты и реакции на левой стойке от нагрузки равны:

 = kA*M = 0,393 * 806 = 316.8кНм;

MB = kB*M = - 0,084 * 806 = - 67.7кНм;

MCH = kC*M = - 0,715 *806 = - 576.3кНм;

MCB = (kC +1)* M = (-0.715 + 1)* 806= 229.7кНм;

FRB = k’B*M/H = -0.6 * 806/20.8 = -23.3кН.

Усилия на правой стойке можно получить аналогично или умножая усилия левой стойки на соотношение:

Mmin/Mmax = 265/806 = 0,32

Реакции верхних концов стоек:

r1p = FRBлев - FRBпр = -23.3 + (23.3*0,32) = - 15.8 кН.

Смещение узлов плоской рамы:

Δ = - r1р/ r11 = 15.8 / 0.6*t = 26.3 /t;

В расчете на крановые нагрузки учитываем пространственную работу каркаса, определяя αпр и Δпр.С учетом крепления связей на сварке (краны тяжелого режима работы)для кровли из ж/б плит можно принять: ΣIн/Iп =1/40.

Коэффициент:

d = k’B/12 = 0,53; k’B = 6,315 [1], табл. 12.4.

По формуле:

β = b3Σ Iн*d/H3* Iп

где b - шаг поперечных рам,

Н - высота колонны,н - момент инерции нижней части колонны,-коэффициент приведения ступенчатой колонны к колонне постоянного сечения, эквивалентной по смещению.п - момент инерции горизонтальных элементов (покрытия).

β = 123*1*0,53/20.83*4 = 0,09

По табл. 12.2 [1]: α = 0,63; α' = - 0,258

По формуле 12.20 [1]:

αпр = 1 - α - α' *(n0/Σy - 1) = 1 - 0,63 + 0,258 * (2/2,865 - 1) = 0,29

где: α, α’ - коэффициенты по табл. 12.2 [1];

n0 - число колес кранов на одной нитке подкрановых балок,

Σy - сумма ординат линии влияния реакции рассматриваемой рамы.

Δпр = αпр·Δ = 0,29 * 26.3/t = 7.6/t.

Моменты от фактического смещения (М1*Δпр), с учетом пространственной работы каркаса равны:

МА = - 4,343 *t * 7.6 /t = -33кНм;

МВ = 1.972*t *7.6/t = 13.6кНм;

МC = 0,392*t * 7.6/t = 2.98 кНм;

Суммарная эпюра левой стойки (М = Мр + М1*Δпр):

МА = 316.8 - 33= 283.8Нм;

Мв = - 67.7 + 13.6= 54.1кНм.

Mcв = 229.7 + 2.98= 232.68кНм;

Мсн = - 576.3 + 2.98= -573.32кНм;

Стойка справа:

МА = 101.4 + 33 = 134.4кНм;

Мв = - 21.7 -13.6 = -35.3кНм.

Mcв = 73.5 -2.98= 70.52кНм;


Поперечные силы:

л = - (54.1 +232.68)/5,08 = - 56.4 кН;

QАл = - (283.8+ 573.32)/15.72 = - 54.5 кН;

QBпр = (35.3 +70.52)/5,08= 20.8кН;

QАпр = (134.4+181.42)/15.72 = 20.1 кН.

Разница в значениях нормальной силы у левого и правогоконцов ригеля получилась из-за передачи горизонтальных сил на соседниерамы вследствие учета пространственной работы каркаса.


4.4 Расчет на горизонтальные воздействия мостовых кранов

Основная система, эпюра М1, каноническое уравнение, коэффициент αпр здесь такие же, как и при расчете на вертикальную нагрузкуот мостовых кранов.

Моменты и реакции в основной системе от силы Т = 36кН (Мр):

МА = kA*T*H = - 0,077*36*20.8= - 57.7кНм;

МВ = kВ*T*H = - 0,101*36*20.8 = - 75.6кНм;

МС = kС*T*H = 0,075*36*20.8 = 56.2кНм;= kB’*T = - 0,775* 36 = - 27.9кНм.

Смещение верха колонн с учетом пространственной работы (М1·Δпр):


Δпр = -α пр*r1p/r11 = 0,29*27.9 / 0,6*t = 13.5/t.

МА = - 4,343*t * 13.5/t = -58.6кНм;

МВ = 1.972*t * 13.5/t = 26.6кНм;

МC = 0.392*t * 13.5/t = 5.3кНм;

Суммарная эпюра (М = Мр + М1·Δпр):

МА = -57.7- 58.6 = -116.3кНм;

МB= -75.6+ 26.6 = - 49кНм;= 56,2 + 5.3 = 61.5кНм;

Поперечные силы:

QBл = - (49-+61.5)/5,08 = -21.75 кН;Ал = +(61.5 +116.3)/15.72 = 11.3кН;пр = (2.4- 23)/5,08 = 4.1кН;Апр = (23-77.6)/15.72 =- 3.5 кН.

Проверка правильности решения:

21.75+11.3 = 33.05кН ≈ Т = 36 кН,

а на правой стойке поперечные силы в верхней и нижней частях равны: 4.1 ≈ 3.5 кН.

4.5 Расчет на ветровую нагрузку

Основная система и эпюра М1 такие же, как и для крановых воздействий. Эпюра Мр на левой стойке qэ=6,08кН/м:

МА = kА*qэ*Н2 = - 0,101 * 6,08 * 20.8 2 = -265.7кНм;

МВ = kВ*qэ*Н2 = - 0,053 * 6,08* 20.82 = -139.4кНм;

МС = kС*qэ*Н2 = 0,029* 6,08* 20.82 = 76.3 кНм;= kB’*qэ*Н = - 0,451 * 6,08 * 20.8 = -57кН.

На правой стойке усилия определяем умножением усилий на левой стойке на коэффициент:

qэподв/qэнав= 4,5/6,08 = 0,74

Коэффициенты канонического уравнения:

= 2 * FRB = 2*k’B *t/H = 2 * 6,315 * t / 20.8 = 0,6*t;p= -(FRBнав + FRBподв + FBнав + FBподв) = -(56.1+42.1+57+42.18) =-197.38кН

Смещение рамы (ветровая нагрузка с одинаковой интенсивностью воздействует на все рамы здания, поэтому αпр = 1) равно:

Δ = - r1p/ r11 = 197.38/ 0,6*t = 329/ t.

Моменты М1Δ:

МА = - 4,343*t * 329/t = -1428.8кНм;

МВ = 1.972*t * 329/t = 648.8 кНм;

МC = 0,392*t * 329/t = 129 кНм;

Эпюра М = Мр + М1Δ

Левая стойка:

МА = -(265.7+1428.8) = - 1694.5 кНм;

МВ = -139.4+ 648.8= 509.4 кНм;

МС = 76.3 + 129 = 205.3 кНм;

Правая стойка:

МА = (196.6 + 1428.8) = 1625.4 кНм;

МВ = 103.2 - 548.8 = -445.6кНм;

МС = -56.5 - 129 = -185.5кНм;

Эпюра Q (рис.17, г) на левой стойке:

QАл=( -МА + МВ)/Н + qэ*Н/2 = (1694.5+509.4)/20.8 + 6,08*20.8/2 = 169.2кНл = QАл - qэН = 169.2- 6,08*20.8 = 42.7 кН.

На правой стойке:

QАпр = (1625.4 + 445.6)/20.8 + 4,5*20.8/2 = 116.4 кН;Впр = 146.4 -4,5*20.8= 52.8 кН.

При правильном решении сумма всех горизонтальных нагрузок должна равняться сумме реакций эпюр (сумме поперечных сил в нижних сечениях колонн):

QАл + QАпр = 169.2+ 116.4 =285.6кН ≈ (qэподв + qэнав)*Н + FBнав + FBподв =(4,5 + 6,08)*20.8 + 56.1+42.1= 318.3 кН;Вл + QВпр =42.7+52.8 = 95.5кН ≈ FBнав + FBподв=56.1+42.1=98.2кН


Далее приступаем к составлению сводной таблицы расчетных усилий(табл. 2), содержащей расчетные усилия (M, N, Q) для наиболеехарактерных сечений левой колонны рамы. Поскольку поперечная сила Qнужна лишь при расчете усилий в ферме и стержней решетки сквозныхколонн, то ее вычисляем только для сечений 1-1 и 4-4.

Нагрузки и комбинации усилий

Сечения стойки

 нагрузки



1-1

2-2

3-3

4-4

 



M

N

M

N

M

N

M

N

Q

1

Постоянная

1

-92,6

-328,3

-114,3

-361,6

75,6

-361,6

8,6

-655,9

-4,3

2

Снеговая

1

-35,1

-123,12

-41

-123,12

23,6

-123,12

5,4

-123,12

-1,1



0,9

-31,59

-110,808

-36,9

-110,808

21,24

-110,81

4,86

-110,808

-0,99

3

Dmax

на левую стойку

1

-54,1

0

232,68

0

-573,32

-806

283,8

-806

-56,4




0,9

-48,69

0

209,412

0

-515,988

-725,4

255,42

-725,4

-50,76

3*


на правую стойку

1

35,3

0

70,52

0

-181,42

-265

134,4

-265

-20,8




0,9

31,77

0

63,468

0

-163,278

-238,5

120,96

-238,5

-18,72

4

Т

на левую стойку

1



0



0



0



0






0,9



0



0



0



0



4*


на правую стойку

1



0



0



0



0






0,9



0



0



0



0



5

ветровая

слева

1

1509,4

0

205,3

0

205,3

0

-1694,5

0

169,2




0,9

1358,46

0

184,77

0

184,77

0

-1525,05

0

152,28

5*


справа

1

-445,6

0

-185,5

0

-185,5

0

1625,4

0

-116,4




0,9

-401,04

0

-166,95

0

-166,95

0

1462,86

0

-104,76

Первая комбинация

+Mmax,

=1

N нагрузок

-

1,3,4+

1,5

1,5*

 


Nсоотв.


Усилия

-

-

179,88

-361,6

280,9

-361,6

1634

-655,9

 


 

=0,9

N нагрузок

-

1,3,4+,5

1,2,5

1,2,3,4+,5*

 


 


Усилия

-

-

335,232

-361,6

281,61

-472,41

1836,41

-1492,11

 

Вторая комбинация

-Mmax,

=1

N нагрузок

1,3,4-

1,2

1,3,4-

1,5

 


Nсоотв.


Усилия

-192,7

-328,3

-155,3

-484,72

-559,22

-1167,6

-1685,9

-655,9

 


 

=0,9

N нагрузок

1,2,3,4-,5*

1,2,5*

1,3,4-,5*

-

 


 


Усилия

-615,32

-439,108

-318,15

-472,408

-662,688

-1087

-

-

 

Третья комбинация

Nmax, +Mсоотв.

=1

N нагрузок

-

1,3,4+

1,2

1,3,4+

 




Усилия

-

-

179,88

-361,6

99,2

-484,72

408,7

-1461,9

 



=0,9

N нагрузок

-

1,3,4+,5

1,2,5

1,2,3,4+,5*




Усилия

-

-

335,232

-361,6

281,61

-472,41

1836,41

-1492,11

 

Четвертая комбинация

Nmax, -Mсоотв.

=1

N нагрузок

1,2

1,2

1,3,4-

1,5

 




Усилия

-127,7

-451,42

-155,3

-484,72

-559,22

-1167,6

-1685,9

-655,9

 



=0,9

N нагрузок

1,2,3,4-,5*

1,2,5*

1,2,3,4-,5*

1,2,3,4-,5

 




Усилия

-615,32

-439,108

-318,15

-472,408

-662,688

-1087

-1347,16

-1492,11

 

Для анкерных болтов

Nmin, +Mсоотв.

=1

N нагрузок

 

 

 

1,5*

 




Усилия

 

 

 

 

 

 

1634

-655,9

 


Nmin, -Mсоотв.

=1

N нагрузок

 

 

 

1,5

 




Усилия

 

 

 

 

 

 

-1685,9

-655,9

 

Qmax

=0,9

N нагрузок

 

 

 

 

1,2,3,4-,5*



Усилия

 

 

 

 

 

 

 

 

-170,98



5. Расчет и конструирование ступенчатой колонны

5.1 Исходные данные для расчета ступенчатой колонны

Расчет и конструирование ступенчатой колонны

Рассчитываем ступенчатую колонну со сплошным сечением в верхней части и сквозным в нижней (ригель имеет жесткое сопряжение с колонной).

Расчетные усилия

для верхней части колонны:

в сечении 1-1 М1=-615.32кН*м; N1=-439.108 кН;

в сечении 2-2 М2=-318,15 кН*м (загружение №№ 1, 3, 4, 5),

для нижней части колонны:

в сечении 3-3 М3=-662,688кН*м; N3=-1087 кН

в сечении 4-4 М4=1836,41 кН*м; N4=-1492.11 кН

Соотношение жесткостей верхней и нижней части колонны IB/IH=0.1.

Материал колонны - сталь марки С245 (Ry=240 МПа), бетон фундамента марки В10

5.2 Определение расчетных длин колонны

Так как Hв/Hн=l2/l1=50800/15720=0,44<0.6, Nн/Nв=1120,95/340,43=3,3>3 и в однопролетной раме с жестким сопряжением ригеля с колонной верхний конец последней закреплен только от поворота, то для нижней части колонны μ1=2, для верхней - μ2=3.

Расчетные длины для нижней и верхней частей колонны в плоскости рамы:

lx1=μ1*l1,=μ2*l2.

lx1=2*15720=31440мм,=3*5080=15240мм.

Расчетные длины для нижней и верхней частей колонны из плоскости рамы:

ly1=Нн,=Нв-hп.б.=15720мм,=5080-1500=3580 мм.

5.3 Подбор сечения верхней части колонны

 

Выбор типа сечения верхней части колонны

Сечение верхней части колонны принимаем в виде сварного двутавра высотой hв=700 мм (рисунок 3.1).

Для симметричного двутавра:

ix≈0,42*hв,

ρх≈0,35*hв.≈0,42*700=294 мм;

ρх≈0,35*700=245 мм.

Условная гибкость:

=(lx2/ix)*(Ry/E)0.5,

=(15240/294)*(240/206000)0.5=1.82.

Относительный эксцентриситет:

mx=ex/ρx=M1/(N1*ρx),=615.32*103/(439.108*245)=4.7.

Примем в первом приближении Аf/Аw=1, тогда коэффициент влияния формы сечения:

η=(1.90-0.1*mx)-0.02*(6-mx)*,

η=(1.90-0.1*4.7)-0.02*(6-4.7)*1.82 =1.38.

Приведенный относительный эксцентриситет:

=η*mx,

mxef=1.38*4.7=6.5

По таблице 74 СНиП II-23-81* находим φе=0.135.

Требуемая площадь сечения надкрановой части колонны:

Атр=N1/(φе*Ry),

Атр=439.108*103/(0.135*240)=13553мм2.

 

Компоновка сечения.

Принимаем толщину полок tf=18 мм.

Высота стенки:

hw=hв-2*tf,w=700-2*18=664 мм.

Условие местной устойчивости стенки при >0.8 и mx>1:

hw/tw≤(0.36+0.8*)*(E/Ry)0.5,/tw≤(0.36+0.8*1.82)*(206000/240)0.5=53.2,≥hw/58.6=664/53.2=12.5 мм.

Принимаем толщину стенки tw=10 мм.

Требуемая площадь полки:

Аf.тр=(Атр-tw*hw)/2,

Аf.тр=(13553-10*664)/2=3456.5 мм2.

Задаемся шириной полки из условия устойчивости верхней части колонны из плоскости действия момента:

bf≥ly2/20,≥3580/20=186.5 мм, примем bf=220 мм.

Условие местной устойчивости полки:

bсв/tf≤(0.36+0.1*)*(E/Ry)0.5,

где bсв=(bf-tw)/2=(220-10)/2=105, тогдасв/tf≤(0.36+0.1*1.82)*(206000/240)0.5=15.87 тогда≥bсв/16.6=105/15.87=6.6 мм.

 

Принимаем сечение надкрановй части колонны - сварной двутавр с размерами:

bf=220 мм;=18 мм;

Аf=220*18=3960 мм2>Аf.тр=3456.5 мм2;

hw=664 мм;w=10мм;

Аw=664*10=6640 мм2.

 

Геометрические характеристики сечения.

Полная площадь сечения:

А0=2*Аf+Аw,

А0=2*3960+6640=14560мм2.

Моменты инерции сечения относительно осей х и y:

=tw*hw3/12+2*bf*tf*[(hв-tf)/2]2,=2*tf*bf3/12.

Ix=10*6643/12+2*220*18*[(700-18)/2]2=1164907973 мм4,

Iy=2*18*2203/12=31944000мм4.

Момент сопротивления сечения относительно оси х:

=Ix/(0.5*hв),

Wx=1164907973/(0.5*700)=3328308 мм3.

ρx=Wx/А0=3328308/14560=229 мм.

Радиусы инерции сечения относительно осeй х и y:

=(Ix/А0)0,5,

iy=(Iy/А0)0,5.

ix=(1164907973/14560)0,5=283 мм,

iy=(31944000/14560)0,5=47 мм.


Предельная условная гибкость стенки


Рисунок 2.2. Сечение верхней части колонны

 

Проверка устойчивости верхней части колонны

Проверка устойчивости верхней части колонны в плоскости действия момента.

Расчет на устойчивость внецентренно-сжатого элемента постоянного сечения в плоскости действия момента выполняем по формуле:

1/(φe*A0)≤Ry*γc,

φe - коэффициент определяемый по табл. 74 СНиП II-23-81* и зависящий от условной гибкости =λx*(Ry/E)0.5 и приведенного относительного эксцентриситета mеf определяемого по формуле:

mef x=η*mx,

где η - коэффициент влияния формы сечения,определяемый по табл. 73 СНиП II-23-81*,x=Mx/(N1*ρx) - относительный эксцентриситет.

λx=lx2/ix=15240/283=55.4

=55.4*(240/206000)0.5=6.5, 5<<10

mx=615.32*103/(439.108*229)=5.1

Аf/Аw=3960/6640=0.55≈0.5.

Коэффициент влияния формы сечения:

η=(1,75-0,1*mx)-0,02*(5-mx)*,

η=(1,75-0,1*5.1)-0,02*(5-5.1)*6.5=1.25=1.25*5.1=6.375.

По таблице 74 СНиП II-23-81* находим φe=0.87.

σ=439.108(0.88*240)=208 МПа <Ry=240 МПа.

Проверка устойчивости верхней части колонны из плоскости действия момента.

Расчет на устойчивость внецентренно-сжатых элементов постоянного сечения из плоскости действия момента выполняем по формуле:

1/(с*φy*A0)≤Ry*γc,

где φy- коэффициент определяемый по табл. 72 СНиП II-23-81*.

Определим коэффициенты с и φy.

λy=ly2/iy=3580/47=79, по табл. 72 СНиП II-23-81* находим φy=0.605.

Максимальный момент в средней трети расчетной длины стержня:

1/3=M2+(l2-ly2/3)*(M1-M2)/l2,

Mx1/3=-318,15+(5080-3580/3)*(-510.443-228.648)/5080= 792кН*м.

IMx1/3I>IМmax/2I=792/2=396 кН*м.

Относительный эксцентриситет:

=Mx1/3*A0/(N1*Wx),

mx=-792*14560/(439.108*3328308)=7.89.

При 5<mx<10 коэффициент с, учитывающий влияние момента Мх при изгибно-крутильной форме, вычисляется по формуле:

с=c5(2-0.2mx)+c10(00.2mx-1)=(β/(1+αvmx)+1/(1+mx(φy/ φy))=1/(1+1.12*7.89)+1/(1+7.89(0.605/1)=0.24

λy=79<λс=3.14*(E/Ry)0.5=3.14*(206000/240)0.5=92 => β=1,

mx=7.89>1 => α=0,65+0,05*mx=0,65+0,05*7.89=1.0445.

Поскольку hw/tw=664/10=64<3.8*(E/Ry)0.5=3,8*(206000/240)0.5=111, то Aрасч=14560 мм2.

σ=439.108/(0.24*0.605*14560)=146 МПа <Ry=240 МПа

Недонапряжение:

∆=100*(240-146)/240=39 %.

5.4 Подбор сечения нижней части колонны

 

Выбор типа сечения нижней части колонны

Сечение нижней части колонны сквозное, состоящее из двух ветвей, соединенных решеткой (рисунок 5.3). Высота сечения hн=1750 мм. Подкрановую ветвь колонны принимаем из горячекатаного двутавра с параллельными гранями полок по ГОСТ 26020-83, наружную - из составного сварного сечения из трех листов.

Рисунок 5.3. Сечение нижней части колонны


Определим ориентировочное положение центра тяжести.

Принимаем z0=57 мм, тогда расстояние между центрами тяжестей сечений ветвей:

0=h-z0,

h0=1750-57=1693 мм.

Положение центра тяжести найдем приближенно в предположении, что площади ветвей пропорциональны усилиям в них, тогда расстояние между центрами тяжести сечения подкрановой ветви и сечения всей колонны y1 и между центрами тяжести сечения наружной ветви и сечения всей колонны y2 равны:

,=h0-y1.

y1=1836,41*1693/(662,688+1836,41)=1198 мм;=1693-1198=495 мм.

Усилие в подкрановой ветви:

в1=N3*y2/h0+M3/h0,

Nв1=-1087*495/1693+(-662,688)*103/1693=-605.8 кН.

Усилие в наружной ветви:

в2=N4*y1/h0-M4/h0,

Nв2=-1429,11*1198/1693-1836,41*103/1693=-1708кН.

Требуемая площадь подкрановой ветви:

Ав1=Nв1/(j*Ry),

задаемся j=0.8; Ry=240 МПа.

Ав1=605.8*103/(0.8*240)=3155 мм2.

 

Принимаем подкрановую ветвь - двутавр 40Б2 с параллельными гранями полок (ГОСТ 26020-83):

Ав1=7029 мм2,

ix1=35.2 мм,

iy=163мм,

h=396мм,

b= 165мм,

t=11.5мм.

Требуемая площадь наружной ветви:

Ав2=Nв2/(j*Ry),

задаемся j=0.737; Ry=240 МПа.

Ав2=1708*103/(0.737*240)=9656мм2,

Для удобства прикрепления элементов решетки просвет между внутренними гранями полок принимаем таким же, как в подкрановой ветви (hвн=h-2*t=396-2*11.5=373 мм). Толщину стенки швеллера для удобства ее соединения встык с полкой надкрановой части колонны принимаем tw=12 мм; высота стенки из условия размещения сварных швов hw=450 мм.

Тогда требуемая площадь полки:

Af=(Aв2-tw*hw)/2,

Af =(7297-12*450)/2=948. мм2.

Условие местной устойчивости полки швеллера:

bсв/tf≤(0.36+0.1*)*(E/Ry)0.5≈18,

 

Принимаем наружную ветвь - сварной швеллер с размерами:f=220 мм,f=12 мм (bсв/tf=12.2≤18),

Af=2640 мм2,

tw=18 мм,

hw=450 мм,

Aw=8100 мм2.

Геометрические характеристики наружной ветви:

Площадь сечениянаружной ветви:

А в2=2*Аf+Аw,

Ав2=2*3960+8100=16020 мм2.

Расстояние между наружной гранью стенки швеллера и осью сечения швеллера:

0=[hw*tw*tw/2+2*Аf*(bf/2+tw)]/Ав2,

z0=[450*12*12/2+2*2640*(220/2+12)]/16020=42.2 мм.

Расстояние между осью стенкой швеллера и осью сечения швеллера:

=z0-0,5*tw,

e=42.2-0,5*12=36.2 мм.

Расстояние:

=tw+bf/2-z0,

c=12+220/2-42=80мм.

Моменты инерции сечения наружной ветви относительно осей х2 и y:

=2*tf*bf3/12+hw*tw*e2+2*bf*tf*c2,=tw*hw3/12+2*tf*bf*((hвн+tw)/2)2.2=2*12*2203/12+450*12*362+2*220*12*802= 62086400мм4.

Iy=12*4503/12+2*12*220*((562+12)/2)2=526033320 мм4.

Радиусы инерции сечения наружной ветви относительно осeй х2 и y:

2=(Ix2/Ав2)0,5,

iy=(Iy/Ав2)0,5.

ix2=(62086400/16020)0,5=62.3 мм,

iy=(1526033320/16020)0,5=571 мм.

Уточняем положение центра тяжести сечения колонны:

h0=hн-z0=1750-42=1678 мм;

y1=Ав2*h0/(Ав1+Ав2)=16020*1678/(7029+16020)=1166 мм;=h0-y1=1678-1166=512мм.

Уточняем усилия в ветвях колонны.

Усилие в подкрановой ветви:

Nв1=-1087*512/1678+(-662,688)*103/1678=-622кН.

Усилие в наружной ветви:

в2=N4*y1/h0-M4/h0=-1492.11*1166/1678-1836,41*103/1678=-1740 кН.

Проверка устойчивости нижней части колонны

Проверка устойчивости ветвей из плоскости рамы (относительно оси y-y).

Подкрановая ветвь:

ly=ly1/iy=15720/163=73.4; jy=0.703;

s=Nв1/(jy*Aв1)=622*103/(0.703*7029)=125 МПа < Ry=240 МПа.

Наружная ветвь:

ly=ly1/iy=11790/163=66.5; jy=0.824;

s=Nв2/(jy*Aв2)=1740*103/(0.824*16020)=131.8 МПа < Ry=240 МПа.

Из условия равноустойчивости подкрановой ветви в плоскости и из плоскости рамы определяем требуемое расстояние между узлами решетки:

lx1=lв1/ix1=lу=70.5;

lв1=lx1*ix1=70.5*49.2=3470 мм.

Принимаем lв1=3140 мм (число панелей - n=5).

Проверка устойчивости ветвей в плоскостирамы (относительно осей х1-х1 и х2-х2).

Для подкрановой ветви:

lx1=lв1/ix1=3140/35.2=89.2; jx=0.618;

s=Nв1/(jx*Aв1)=622*103/(0.618*7029)=183.4 МПа < Ry=240 МПа.

Для наружной ветви:

lx2=lв1/ix2=3140/62.3=50.4; jx=0.850;

s=Nв2/(jx*Aв2)=1740*103/(0.85*16020)=94.5 МПа < Ry=240 МПа.

 

Расчет решетки подкрановой части колонны

Поперечная сила в сечении колонны: Qmax=170,98кН.

Условная поперечная сила:

усл=0,2*A=0,2*(Aв1+Aв2),

Qусл=0,002*(7029+16020)=46 кН<Qmax.

Расчет решетки проводим на Qmax.

Усилие сжатия в раскосе:

=Qmax/2*sina,

где sina=hн/lp=hн/(hн2+(lв1/2)2)0,5=1750/(17502+(3140/2)2)0,5=0.74.

Угол наклона раскоса a=аrcsin=48˚.

=170,98/2*0.74=121.75 кН.

Задаемся lр=92.3; j=0.594

Тогда требуемая площадь раскоса:

Ар=Nр/(j*Ry*γс),

где gс=0,75 - для сжатого уголка, прикрепляемого одной полкой.

Ар=121,75/(0.594*240*0.75)=863 мм2.

 

Принимаем решетку: ∟125´8 со следующими характеристиками:

Ар=1970мм2,=24.9мм,

lmax=lp/imin=2351/24.9=94.4, j=0.580.

Напряжения в раскосе:

s=Nр/(j*Ар)=121.75*103/(0.580*)=150.3 МПа < Ry*gс=240*0,75=180 МПа.

 

Проверка устойчивости колонны в плоскости действия момента как единого стержня

Площадь сечения:

А=Ав1+Aв2,

А=7029+16020=23049 мм2.

Момент инерции сечения:

Ix=Aв1*y12+Aв2*y22,

Ix=7029*11662+16020*5122=13755866004 мм4.

Радиус инерции:

=(Ix/А)0,5=(13755866004/23049)0,5=773 мм.

Гибкость:

lx=lx1/ix=23940/773=30.9

Приведенная гибкость:

lпр=(lx2+α1*А/Арl)0.5,

где Ар1=2*Ар=2*1970=3940 мм2 - площадь сечения раскосов по двум граням сечения колонны; сечение колонна подкрановый балка

α1=10*lр3/(hн2*lв1)=10*23513/(17502*3140)=13.5,

где lр - длина раскоса,

hн - проекция длины раскоса на горизонталь,


lпр=(30.92+13.5*23079/3940)0.5=42.5.

Условная приведенная гибкость:

=λпр*(Ry/E)0.5,

=42.5*(240/20600)0.5=1.45.

Для комбинации усилий, догружающих наружную ветвь:

М4=1836,41 кН*м; N4=-1492.11 кН.

Приведенный относительный эксцентриситет:

=М4*A*(y2+z0)/(N4*Ix),=1836,41*103*23049*(512+42)/(1492.11*13755866004)=0.41

По таблице 75 СНиП II-23-81* находим: φе=0.535.

σ=N4/(jе*А)=1492.11 /(0.535*23049)=121МПа < Ry=240 МПа.

Для комбинации усилий догружающих подкрановую ветвь:

М3=-662,688кН*м; N3=-1087 кН.

Приведенный относительный эксцентриситет:

=М3*A*y1/(N3*Ix),=662,688*23049*1166/(1087*13755866004)=0.87.

По таблице 75 СНиП II-23-81* находим: φе=0.519.

σ=N3/(jе*А)=1087/(0.519*23049)=90.9МПа < Ry=240 МПа.

Устойчивость сквозной колонны как единого стержня из плоскости действия момента не проверяем, т.к. она обеспечена проверкой устойчивости отдельных ветвей.

5.5 Расчет и конструирование узла сопряжения верхней и нижней частей колонны

М=-179,88 кН*м; N=-361.6 кН; (1,3,4)

М=-155,3 кН*м N=-484,72кН; (загружение №№ 1, 2),

Давление кранов Dmax=921 кН.

Прочность стыкового шва (ш1, рис.24) проверяем по нормальным напряжениям в крайних точках сечения надкрановой части. Площадь шва равна площади сечения колонны.

1-я комбинация М и N.

Наружная полка:

σwН.п.=N/А0+IMI/Wх=-361.6*103/14560-179,88*106/3328308=-204.4 МПа.

IσwН.п.I=I-204.4I МПа< Ry=240МПа.

Внутренняя полка:

σwВ.п.=N/А+IMI/W=-361.6*103/14560+155,3*106/3328308=164.9 МПа.

IσwВ.пI=I164.9I МПа< Ry=240МПа.

 

2-я комбинация М и N:

Наружная полка:

σwН.п.=N/А0-M/Wх=-484,72*103/14560-(-179,88)*106/3328308=-36.8 МПа.

IσwН.п.I=II МПа< Ry=240МПа.

Внутренняя полка:

σwВ.п.=N/А+M/W=-484,72*103/14560+(-155,3)*106/3328308=-93.8 МПа.

IσwВ.пI=I-93.8I МПа< Ry=240МПа.

Толщину стенки траверсы определяем из условия смятия:

тр≥Dmax/(lсм*Rb*g),

где lсм=bop+2*tпл=300+2*20=340 мм,

bop=300 мм; tпл=20 мм; Rр=360 МПа.

тр≥921/(340*360*1)=17.2 мм, принимаем tтр=20 мм по ГОСТ 82-70*.

Усилие во внутренней полке верхней части колонны (2-ая комбинация):

п=N/2+M/hв,

Nп=-361.62+(-155,3)*103/700=-882 кН.

Длина шва крепления вертикального ребра траверсы к стенке траверсы (ш2):

ш2=Nп/(4*kf*βf*Rwf*gwf)<85*βf.*kf,

Lш2=882/(4*8*0,9*180*1)=170мм < 85*0,9*8=612 мм.

Принимаем полуавтоматическую сварку проволокой марки Св-08А, d=1,4...2 мм.

В стенке подкрановой ветви делаем прорезь, в которую заводим стенку траверсы.

Для расчета шва крепления траверсы к подкрановой ветви (ш3) принимаем вторую комбинацию усилий, дающую наибольшую опорную реакцию траверсы F:

М=155,3 кН*м; N=-361.6 кН.=N*hв/2*hн+M/hн-0,9*Dmax.=-484,72*700/(2*1750)+(-155,3)*103/1750-0,9*921=-1109 кН.

Требуемая длина шва:

ш3=F/(4*kf*βf*Rwf*gwf) < 85*βf.*kf,

Lш3=1109 /(4*9*0,9*180*1)=190мм < 85*0,9*9=688.5 мм.

Из условия прочности стенки подкрановой ветви в месте крепления траверсы определяем высоту траверсы hтр:

тр≥F/(2*tw*Rs*g),

где tw=17.5 мм - толщина стенки двутавра подкрановой ветви.

тр≥1109 *103/(2*11.5*140*1)=344мм.

Принимаем высоту траверсы hтр=1000 мм.

Проверим прочность траверсы как балки, нагруженной усилиями N, M, Dmax. Максимальная поперечная сила в траверсе:

=N*hв/2*hн+M/hн-k*0,9*Dmax/2,

где k=1,2 - коэффициент, учитывающий неравномерную передачу усилия Dmax.

Qmax=-361.6*700/(2*1750)+(-155,3)/1750-1,2*0,9*921/2=-570кН.

Касательное напряжение:

τтр=Qmax/(tтр*hтр),

τтр=570/(20*1000)=30 МПа <Rs=140 МПа.

5.6 Расчет и конструирование базы колонны

 

Определение расчетных усилий

Расчетные комбинации усилий в нижнем сечении колонны (сечение 4-4):

1) M=-1836,41м; N=-1492.11кH (для расчета базы наружной ветви);

) M=-1685,9кH*м; N=-655.9 кH (для расчета базы подкрановой ветви).

Усилия в ветвях колонны:

в подкрановой ветви:

в1=N*y2/h0+M/h0,

Nв1=1492.11*512/1678+1179.1*103/1678=1158кН;

Nв2=N*y1/h0+M/h0,

Nв2=655.9*1166/1678+1685,9*103/1678=1007 кН.

База наружной ветви

Подберем плиту базы и траверсы наружной ветви колонны.

Требуемая площадь плиты:

Апл.тр=Nв2/(Rb*γ),

Апл.тр=1007/(8.5*1.2)=98725мм2.

По конструктивным соображениям свес плиты с2принимаем не менее 40 мм. Тогда:

В³bk+2*с2=396+2*152=700 мм, принимаем В=700 мм, тогда

с2=(В-bk)/2=(700-396)/2=152 мм.

Требуемая длина плиты:

Lтр=Апл.тр/В,тр=98725/700=141 мм, принимаем L=500 мм.

Фактическая площадь плиты:

Апл.факт=B*L,

Апл.факт=700*500=350000 мм2.

Среднее напряжение в бетоне под плитой:

sb=Nв2/Апл.факт,

sb=1007*103/350000=2.87МПа.

Из условия симметричного расположения траверс относительно центра тяжести ветви расстояние между траверсами в свету равно:

=2*(bf+tw-z0),

p=2*(220+12-42)=380 мм.

Толщину траверсы принимаем tтрав=14 мм, тогда свес плиты с1 будет равен:

c1=(L-p-2*tтрав)/2,=(500-380-2*14)/2=46 мм.

Определяем изгибающие моменты на отдельных участках плиты (на 1 м):

участок 1 (консольный свес с=с1=55 мм):

1=σb*c12/2=2.87*462/2=30.36 кН*м;

- участок 2 (консольный свес с=с2=51.5 мм):

2=σb*c22/2=2.87*1522/2=34.4 кН*м;

- участок 3 (плита, опертая на четыре стороны):

/a=474/220=2.15 =>α=0.125.=α*σb*a2=0.125*2.87*2202*10-3=55.9кН*м;

- участок 4 (плита, опертая на четыре стороны):

=p-tw-a=362-12-220=124мм,/d=474/124=4.5 => α=0.125,

M4=α*σb*d2=0.125*2.87*1242= кН*м.

Принимаем для расчета Мmax=55.9 кН*м.

Требуемая толщина плиты (с учетом припуска на фрезеровку - 2 мм):

tпл=(6*Mmax/Ry)0,5+2,

tпл=(6*103*55.9/240)0,5+2=39.4 мм, принимаем по ГОСТ 82-70* tпл=40 мм.

Высоту траверсы определяем из условия размещения шва крепления траверсы к ветви колонны. В запас прочности все усилия в ветви передаем на траверсу через 4 угловых шва. Сварка полуавтоматическая проволокой марки Св-08А; d=1,4…2 мм; bf=0,9. Назначаем kf=14 мм.

Определяем требуемую длину шва:

тр=Nв2/(4*kf*βf*Rwf*γwf) < 85*βf*kf,

lfтр=1007*103/(4*14*0.9*180*1)=233.13 мм < 85*0,9*14=1071 мм

Принимаем hтр=300 мм.

База подкрановой ветви

Подберем плиту базы и траверсы подкрановой ветви колонны.

Требуемая площадь плиты:

Апл.тр=Nв1/(Rb*γ),

Апл.тр=1158/(8.5*1.2)=113529мм2.

По конструктивным соображениям свес плиты с2принимаем не менее 40 мм. Тогда:

В³bk+2*с2=474+2*152=700 мм, принимаем В=700 мм, тогда

с2=(В-bk)/2=(700-396)/2=152 мм.

Требуемая длина плиты:

Lтр=Апл.тр/В,тр=1113529/700=177мм, принимаем L=400 мм.

Фактическая площадь плиты:

Апл.факт=B*L,

Апл.факт=700*400=280000 мм2.

Среднее напряжение в бетоне под плитой:

sb=Nв1/Апл.факт,

sb=1158*103/280000=8.18 МПа.

Расстояние между траверсами в свету равно: p=230 мм.

Толщину траверсы принимаем tтрав=14 мм, тогда свес плиты с1 будет равен:

c1=(L-p-2*tтрав)/2,=(400-230-2*14)/2=71 мм.

Определяем изгибающие моменты на отдельных участках плиты (на 1 м):

участок 1 (консольный свес с=с1=71 мм):

1=σb*c12/2=8.18*712/2=20.6 кН*м;

- участок 2 (консольный свес с=с2=51.5 мм):

2=σb*c22/2=8.18*51.52/2=10.8 кН*м;

- участок 3 и 4 (плита, опертая на четыре стороны):

/a=562/115=4.9 =>α=0.125.=α*σb*a2=0.125*8.18*1152*10-3=13.5кН*м.

Принимаем для расчета Мmax=20.6 кН*м.

Требуемая толщина плиты (с учетом припуска на фрезеровку - 2 мм):

пл=(6*Mmax/Ry)0,5+2,

tпл=(6*20.6*103/240)0,5+2=24.7 мм, принимаем по ГОСТ 82-70* tпл=25 мм.

Высоту траверсы определяем из условия размещения шва крепления траверсы к ветви колонны. В запас прочности все усилия в ветви передаем на траверсу через 4 угловых шва. Сварка полуавтоматическая проволокой марки Св-08А; d=1,4…2 мм; bf=0,9. Назначаем kf=10 мм.

Определяем требуемую длину шва:

тр=Nв2/(4*kf*βf*Rwf*γwf) < 85*βf*kf,

lfтр=1158*103/(4*10*0.9*180*1)=353.5 мм < 85*0,9*10=765 мм.

Принимаем hтр=400 мм.

Подберем анкерные болты.

Для определения анкерных болтов базы подкрановой ветви принимаем следующие комбинации усилий:

Mмакс вн=-1836,41 кН*м, Nмин сжим вн=-655 кН.

Усилие в болтах базы подкрановой ветви:

Fа вн=(Mмакс вн-Nмин сжим вн*y2)/h0,

Fа вн=(1836,41-655.9*512*10-3)*103/1678=366 кН.

Требуемая площадь нетто одного болта:

Aнтрвн=Fа вн/(n*R),

где n - количество болтов в базе, шт,

R - расчетное сопротивление растяжению фундаментного болта, МПа.

нтрвн=366*103/(2*185)=989 мм2.

 

Принимаем по ГОСТ 24379.0-80 в базе подкрановой ветви фундаментные болты 2Æ56 с площадью одного болта Aн вн=1874.0 мм2.

Подберем анкерные плитки.

Расчетный момент:

=0,5*Fа вн*p/2,

M=0,5*989*230*10-3/2=56.9 кН*м.

Требуемый момент сопротивления сеченияанкерной плитки с одной стороны от ветви колонны:

тр=M/(2*Ry),

Wтр=56.9*106/(2*240)=100541 мм3.

Примем два швеллера 12У по ГОСТ 8240-97 с суммарным моментом сопротивления Wx=101200 мм3.

Проверка прочности:

σ=M/(2*W)<Ry,

σ=62.1*106/(2*101200)=185.9 МПа <Ry=240 МПа.

6. Проектирование стропильной фермы


Параметры здания и нагрузки исходные данные и п.1.

Материал стержней ферм - сталь С245, Ry=240МПа = 24кН/см2 (t ≤ 20 мм); материал фасонок - С255. Решетка и пояса - из уголков.

6.1 Определение узловых нагрузок, действующих на ферму

В узлах верхнего пояса фермы передается нагрузка от собственного веса покрытия и снега. Схема узловых нагрузок на стропильную ферму указана на рис.6.1.

Рис. 6.1. Схема узловых нагрузок на стропильную ферму.

 

Постоянная нагрузка.

Состав кровли см. табл.№1 (выше в расчете поперечной рамы).

Нагрузка от покрытия (за исключением веса фонаря):

qn = (qкр - γg*qфон )*В = (3.2 - 1,05*0,15)*12 = 36.51кН/м2.

Вес фонаря, в отличие от расчета рамы, учитываем в местах фактического опирания фонаря на раму. Вес каркаса фонаря на единицу площади горизонтальной проекции фонаря:

qфон = 0,1кН/м2.

Вес бортовой стенки и остекления на единицу длины стенки:

qб.ст. = 2,0кН/м.

Длина панели нижнего пояса - 12м;

Длина панели верхнего пояса - 3м.

Заменяем равномерно распределенную нагрузку сосредоточенными силами, приложенными в узлах фермы:

4 = P3' = qn*3 + (qб.ст + qфон*1,5)*3 = 36.51*3 + (2 + 0,1*1,5)*12 = 135.33 кН;=qкр(0,5d+d)B+q’фонB(0.5d+d)=36.51(0.5*3+3)+0.15*12(0.5*3+3)=172.395кН

Реакции опор:

RA =RB = ΣP/2 = ( 109.53*2 + 135.33*2 +172.395) / 2 =331.06кН.



 

Снеговая нагрузка.

Расчетная нагрузка:

qсн = 0,95 * 1,2кН/м2 * 1 * 12м = 13.68кН/м.

Рассматриваем 1 случай, когда на фонаре часть снега сдуло ветром. Около фонарей обычно образуются снеговые мешки, поэтому:

qсн2 = qсн*μ2 = 13.68* 1,1 = 15.048кН/м - где μ2=1+0,1(а/b)=1+0,1*(6/6) = 1,1сн1 = qсн* μ1 = 13.68 * 0,8 = 10.944 кН/м;

Узловые силы:

P2 = P2' = qсн2*3 = 15.048 * 3 = 45.144 кН;

P4 = P3' = qсн2*6 + qсн1 *6 = 15.048 * 3 + 10.944 * 1,5 = 61.56 кН;

P5= qсн1 * 6 = 10.944 * 3 1= 32.832 кН.= RB = ΣP/2 = ( 45.144*2 +61.56*2 +32.832)/2 = 123.12 кН.

Аналогично, как и для постоянной нагрузки, строим диаграмму

Диаграмма усилий от снеговой нагрузки

Рассматриваем 2 случай, когда на фонаре снега нет. Около фонарей образуются снеговые мешки, поэтому:

q’сн1 = qсн*μ3 = 13.68 * 2 =27.36 кН/м

где μ3=1+0,5(а/bl)=1+0,5*(6/3) = 2’сн2 = qсн* μ = 20..5 * 1 = 20.5кН/м;

Узловые силы:

P2 = P2' = q’сн2 * 1,5 + q’сн1 * 1,5 =13.68 * 1,5 + 27.36 * 1,5 = 61.56 кН;= P3' = q’сн1 * 1,5 = 27.36 * 1,5 =41.04 кН;

Реакции опор:

RA = RB = ΣP/2 = (27.36*2 + 61.56*2 + 41.04*2)/2 = 129.96 кН.

Максимальные усилия в стержнях фермы от снеговой нагрузки (за исключением стоек в местах образования снеговых мешков) получаются, как правило при 1-м варианте загружения. Поэтому в курсовом проекте можно ограничиться построением диаграмм усилий от первого варианта снеговой нагрузки, а по второму варианту определить только усилия в стойках. Эти усилия равны узловым нагрузкам.

Определение усилий от рамных моментов

Так как крепление ригеля с колонной жесткое, то необходимо учитывать рамные моменты (см. табл. 2).

Первая комбинация:

М1max = -510.443кНм (сочетание 1, 2, 3*, 4, 5*) - левая стойка,соот = 287.5 кНм (сочетание 1, 2, 3, 4*, 5) - правая стойка.

Вторая комбинация (без учета снеговой нагрузки):

М2 = -510.443- (-32.94) = -477.503кНм,соот = 287.5 - (-32.94) = 254.56 кНм

Нагрузка от распора рамы. Первая комбинация:

Н1 = 3.4 + (0.9+24.3+19.2+107.6)*0,9 =140.2кН

Н2 = 3.4 + (0.9+66.6+2.8+122.5)*0,9 = 176.92кН

Вторая комбинация:

Н’1 = 3.4+ (24.3+19.2+107.6)*0,9 = 139.39кН

Для удобства прикладываем единичный момент М = 1кНм

6.2 Определение усилий в стержнях фермы

Таблица 6.1 Расчетные усилия в стержнях фермы

Элемент

№ стержней

Усилия от постоянной нагрузки

Усилия от снеговой нагрузки

Усилия от опорных моментов


Расчетные усилия




1

0,9

S от М=1

S2 от М2=1

S1M1 M1=-510.443 (-287.5)

S2M2 M2=477.503 (254.56)


растяжение

сжатие



1



3

4




Верхний пояс

A-1

0



-0.465

0

237,36

-222,04

3

237,4

-


B-3

-691

-288

-259.2

-0.354

-0.107

180,70

-169,04

1,2а

-

-979,0


C-4

-691

-288

-259.2

-0.354

-0.068

180,70

-169,04

1,2а

-

-979,0

Нижний пояс

H-2

391

177

159.3

0.402

0.067

-205,20

191,96

1,2а

568,0

-


H-5

837

306

275.4

0.32

0.21

-163,34

152,80

1,2а

1143,0

-

Раскосы

1-2

-576

-254.8

-229.35

0.025

0.025

-12,76

11,94

1,2а

-

-830,8


2-3

425

161.4

145.26

-0.028

0.028

14,29

-13,37

1,2а

586,4

-


4-5

-239

-34

-30.6

0.02

-0.028

-10,21

9,55

1,2а,3,4

-

-273,7

Стойки

3-4

-691

-92.25

113.625

0

0

0,00

0,00

1,2а

43,1



6.3 Подбор и проверка сечений стержней фермы

После расчета и подбора стержней все данный сносятся в таблицу 6.1

При подборе сечений стержней фермы особое внимание следует обратить на определение их расчетных длин и компоновку сечений.С целью обеспечения равноустойчивости сжатых стержней при lx= 0,8l целесообразно применение равнобоких уголков, а при lx= lyследует скомпоновать стержень из двух неравнобоких уголков, соединенных большими полками. Исключение может составить верхний пояс фермы, у которого lx= ly, его целесообразно составить из двух равнобоких уголков, что обеспечит ему большую устойчивость из плоскости при перевозке и монтаже (причем, сечение верхнего пояса делается переменным, и меняется один раз в узле 6). Нижний пояс фермы рекомендуется скомпоновать из неравнобоких уголков, соединенных меньшими полками (причем, сечение нижнего пояса делается переменным, и меняется один раз в узле 5). Растянутые раскосы решетки обычно составляют из двух равнобоких уголков.

Толщину фасонок при усилии в опорном раскосе N = 272,6кН принимают равной 12мм.

Для определения сечения сжатых стержней необходимо предварительно задаться их гибкостью в пределах lз= 80…100 (Зададимся lз= 80). По принятому значению lз найдем значение коэффициента продольного изгиба φз (по табл. 37 «Нормативных и справочных материалов» для lз= 80 коэффициент продольного изгиба φз=0,686). Определяем требуемую площадь сечения стержня.

Требуемую площадь двух уголков сжатого стержня определяют по формуле:

,

где N-расчетное усилие в стержне;

Ry-расчетное сопротивление стали;Rу= 24кН/см2;

gc - коэффициент условий работы, определяемый по табл.29 «Нормативных и справочных материалов»; для верхнего пояса фермы gc= 0,95;для стоек фермы gc= 0,8;для сжатых раскосов кроме опорного gc= 0,8;для опорного раскоса gc= 0,95;

По сортаменту подбираем близкие по требуемой площади уголки, из которых в соответствии с приведенными выше рекомендациями компонуем сечение стержня (следует стремиться принимать уголки с возможно более тонкими полками). Выписываем необходимые геометрические характеристики сечения A, ixиiy, и определяем гибкости стержня в плоскости и из плоскости фермы lx, ly по формулам:

; .

Гибкость сжатых стержней ограничена; она не должна превышать значений гибкости, приведенных в табл. 5.3 «Методических указаний». Т.е. для верхнего пояса и опорного раскоса [l] = 120; для остальных восходящих раскосов и стоек [l] = 150. Удовлетворив условия предельной гибкости, проверяем напряжения в стержне по формуле:

,

где N-расчетное усилие в стержне;

φmin- коэффициент продольного изгиба, принимаемый по большей из найденных гибкостей lx, ly;

А - площадь сечения двух принятых уголков;

Ry-расчетное сопротивление стали;Rу= 23кН/см2;

gc - коэффициент условий работы.

При большом запасе в прочности необходимо уменьшить сечение принятого уголка и пересчитать величины lx, ly и σ при новых значениях A, ixиiy, подбирая более подходящее сечение стержня.

Стержни а-1,в-3,с-4:

Сечение этих стержней принимается одинаковым по наибольшему усилию в стержнях N4-6:

см2;

Принимаем сечение стержней 2-3, 3-4, 4-6 из 2-х уголков  160х12 (А = 237.4 = 74.8см2, ix= 4.94см, iy = 6.95см при t1 = 12мм). Определяем гибкости стержня:

;       ;

Значения гибкостей элементов не превосходят предельной гибкости [l] = 120. По максимальной гибкости lmax = lx = 61 находим коэффициент φmin = 0,799. Проверяем напряжения в самом нагруженном стержне 4-6:

кН/см2;

 

Стержень 1-2 (опорный раскос):

см2;

Определяем требуемые радиусы инерции:

λ=70÷100; ;

Принимаем сечение стержня 1-2, из 2-х уголков 125х12 (А = 2∙28.9 = 57.8см2, ix=3,82см, iy = 5.55 см при t1 = 12мм). Определяем гибкости стержня:

; ;

Значения гибкостей элемента не превосходят предельной гибкости [l] = 120. По максимальной гибкости lmax = lx = 78 находим коэффициент φmin = 0,699. Проверяем напряжения в стержне:

кН/см2 - верно;

 

Стержень 4-5

см2;

Принимаем сечение стержня 5-6 из 2-х уголков  90х6 (А = 210,6 = 21,2см2, ix = 2,78см, iy = 4,11см при t1 = 12мм). Определяем гибкости стержня:

;;

Значения гибкостей элемента не превосходят предельной гибкости [l] = 150. По максимальной гибкости lmax = lx = 123 находим коэффициент φmin = 0,403. Проверяем напряжения в стержне:

кН/см2 - верно;

Стержни 3-4;

Определяем требуемые минимальные радиусы инерции:

;

Гибкость стержня слишком большая, необходимо изменить сечение. Принимаем сечение стержня 3-4 из 2-х уголков 90х6 (А = 210,6 = 21,2см2, ix = 2,7см, iy =4,04см при t1 = 12мм). Определяем гибкости стержня:

; ;

Значения гибкостей элемента не превосходят предельной гибкости [l] = 150. По максимальной гибкости lmax = lx = 90 находим коэффициент φmin = 0,612. Проверяем напряжения в стержне:

кН/см2

;

Требуемая площадь сечения растянутых стержней определяется по формуле:

,

где N - расчетное усилие в стержне;

Ry - расчетное сопротивление стали;Rу= 23кН/см2;

gc - коэффициент условий работы, определяемый по табл.29 «Нормативных и справочных материалов»; для нижнего пояса фермы gc = 0,95; для растянутых раскосов gc = 0,95;

По сортаменту определяем ближайшие большие по площади уголки, компонуем в соответствии с рекомендациями, сечение и выписываем геометрические характеристики сеченияA, ixиiy. После этого определяем гибкости стержня в плоскости и из плоскости фермы lx, ly по формулам:

; .

Гибкость растянутых стержней не должна превышать [l] = 400. Далее проверяем прочность стержней по формуле:

,

где N - расчетное усилие в стержне;

А - площадь сечения двух принятых уголков;

Ry - расчетное сопротивление стали;Rу= 23кН/см2;

gc - коэффициент условий работы; gc = 0,95 (для всех растянутых элементов).

Стержень Н-5:

 

см2;

Принимаем сечение стержня 1-5 из 2-х уголков 125х12(А = 2∙28.9 =87.8см2, ix= 3,82см, iy = 5,55см при t1 = 12мм). Определяем гибкости стержня:

; ;

Значения гибкостей элементов не превосходят предельной гибкости [l] = 400. Проверяем прочность стержня:

кН/см2  .

Стержень 2-3:

см2;

Принимаем сечение стержня 3-5 из 2-х уголков 100х8 (А = 215.4 = 30.8см2, ix= 3.07см, iy = 4,47см при t1 = 12мм). Определяем гибкости стержня:

; ;

Значения гибкостей элементов не превосходят предельной гибкости [l] = 400. Проверяем прочность стержня:

кН/см2

Подбор и проверка сечений стержней фермы

При конструировании стержней следует обратить внимание на размещение соединительных прокладок, обеспечивающих совместную работу двух уголков, составляющих стержень.

Соединительные прокладки в сжатых стержнях ставятся на расстояниях lп ≤ 40∙iyои не менее двух прокладок на стержне, а в растянутых ставятся на расстояниях lп ≤ 80∙iyо и не менее одной прокладки на стержне (iyо- радиус инерции одного уголка относительно оси, параллельной плоскости прокладки).

Таблица 6.2

Элемент фермы

Обозначение стержня

Сечение (2 уголка)

Площадь А, см2

Расчетное усилие N, кН

Расчетные длины, см

Радиусы инерции, см

Гибкости

Коэффициент условий работы gc

Коэффициент φ для сжатых стержней

Напряжение σ, кН/см2






lx

ly

ix

iy

lx

ly

[l]



-

+

1

2

3

4

5

6

7

8

9

10

11

12

13

14

15

16

Пояса

верхний

A-1

160х12

74.8

237.4

300

300

4.94

6.95

61

43

120

0,95

-

0

-



B-3



-979

300

300

4.94

6.95

61

43

120

0,95

0,799

17.5

-



C-4



-979

300

300

4.94

6.95

61

43

120

0,95

0,799

17.5

-


нижний

H-2

125x12

87.8

+568

600

600

3.82

5.55

1555

104

400

0,95

-

-

13.3



H-5


87.8

+1143

600

600

3.82

5.55

1555

104

400

0,95

-

-

13.3

Раскосы

1-2

125х12

87.8

-830.8

214

428

3.82

5.55

56

78

120

0,95

0,699

21.7

-


2-3

100х8

30.8

+568.4

342

428

3.07

4.47

111

85

400

0,95

-

-

20.6


4-5

90х6

21,2

-273.7

342

428

2,78

4,11

123

104

150

0,8

0,403

17.8

-



75х7

20,2

0

342

428

3,47

2,53

149

123

400

0,95

-

20,1

0

Стойки

3-4

90х6

21,2

-43.1

244

305

2,78

4,04

90

76

150

0,8

0,612

10.8

-


6.4 Расчет и конструирование узлов стропильных ферм

Порядок конструирования и расчета узлов стропильных ферм следующий:

провести осевые линии элементов гак, чтобы они сходились в центре узла;

к осевым линиям «привязать» поясные уголки. Для этого определить по сортаменту размер Zo от центра тяжести уголка до обушка и округлить его по правилу округления до 5 мм, получив тем самым расстояние от обушка уголка до осевой линии. Таким же образом нанести контурные линии стержней решетки. Расстояние между краями элементов решетки и пояса в узлах следует принимать равным a = 6∙t - 20 мм, но не более 80 мм (здесь t - толщина фасонки, мм);

рассчитать прикрепление стержней решетки к фасонкам угловыми швами. Усилие N, действующее в прикрепленном стержне, распределяется между швами по перу и обушку уголка (рис. 6.6).

Рис. 6.6. К расчету сварных швов.

Усилия, действующие на сварные швы по обушку и по перу, определяются по формуле:

    ,

где N - расчетное усилие в стержне;

α - коэффициент распределения усилий по сварным швам, принимаемый приближенно: для равнобоких уголков α = 0,3; для неравнобоких уголков, прикрепляемых узкой полкой, α = 0,25; для неравнобоких уголков, прикрепляемых широкой полкой, α = 0,35.

Требуемая длина сварных швов определяется по формулам:

- для шва по перу:

;

- для шва по обушку:

,

где Nоб - расчетное усилие на шов по обушку;

Nп - расчетное усилие на шов по перу;

βf- коэффициент глубины проплавления шва, определяемый по табл.20 «Нормативных и справочных материалов». Для полуавтоматической сварки при катете шва до 8мм βf = 0,9;

- катет углового шва по обушку, принимаемый равным: для опорного раскоса 1,0см; для следующего раскоса 0,8см; для третьего раскоса 0,6см; для остальных раскосов и стоек 0,4см;

- катет углового шва по перу, принимаемый равным: для опорного раскоса 0,8см; для следующего раскоса 0,6см; для остальных раскосов и стоек 0,4см;

Rwf- расчетное сопротивление углового шва, определяемое по табл.19 «Нормативных и справочных материалов». Для сварки электродами Э-42 Rwf = 18кН/см2.

Расчет сварных швов в узлах фермы для удобства выполним в табличной форме (табл. 6.2). Размеры фасонок зависят от длины швов крепления к ней стержней решетки.

Таблица 6.2.

Элемент

Обозначение стержня

Расчетные усилия N, кН

Шов по обушку

Шов по перу




, кН

, см

, см

, кН

, см

, см

Раскосы

1-2

879,8

0

1

0,00

263,94

0,8

11,18


2-3

635,4

0

0,8

0,00

190,62

0,6

10,81


4-5

188,7

132,09

0,6

6,79

56,61

0,4

5,37

Стойки

3-4

139,7

45,934

0,4

3,54

41,91

0,4

4,23


Должны соблюдаться следующие условия: lw ≤ 85∙ βfKf; lw≥ 4∙Kf;lw≥ 40мм. Первое условие выполняется во всех случаях. Где не выполняется второе и третье условие, длину швов принимаемlw= 40мм. Полученные значения длин швов округляются в большую сторону до целого числа.

Расчет и конструирование опорных узлов

Верхний опорный узел (рисунок 3.7).

В опорном сечении фермы возникает отрицательный момент (-Mmax). Для расчета узла опорный момент заменяем парой сил H:

=I-MmaxI/h0,

где: h0=2,15м - плечо для двускатных ферм.

=510.443/2,15=249 кН.

Требуемую площадь болтов нормальной точности определяем по формуле:

ΣAb=H/Rbt,

где: Rbt - расчетное сопротивление болта на растяжение, принимаемое в зависимости от класса болта. Принимаем класс болтов 5.6 (Rbt=210 МПа).

ΣAb=249*1000/210=1190мм2.

Минимальное количество болтов:

=ΣAb/A,

где А=303 мм2 - площадь сечения одного болта по нарезке резьбы болта с наружным диаметром dнар=22 мм.

n=1190/303=3,6, принимаем n=4.


,

tфл=(3*249*90*1000/(4*280*240))0,5=15.8 мм <tфлmin=16 мм, принимаем tфл=16 мм.

Швы, прикрепляющие фасонку к фланцу, работают на срез. Так как длина швов известна, то при заданной толщине шва kf можно проверить прочность:

,

или из условия прочности определить kf:

,

kf≥249*103/(0.9*180*2*(280-10)=2.8 мм, принимаем kf=5 мм.

Требуемая длина сварных швов из условия прочности угловых швов на условный срез по металлу шва определена в таблице 6 для стержня В-1.

Рисунок 6.7 Верхний опорный узел

Нижний опорный узел (рисунок 6.2).

Толщину фланца нижнего опорного узла принимаем равной толщине фланца верхнего опорного узла: tфл=16 мм. Ширину фланца принимаем конструктивно: bфл=180 мм.

Проверяем условие прочности торцевой поверхности на смятие:

,

где Rр - расчетное сопротивление на смятие торцевой поверхности с пригонкой по ГОСТ 27772-88, Rр=360 МПа;

V=367,65 кН - опорная реакция фермы.

σ=367,65*103/(180*16)=116.7 МПа <Rр=360 МПа.

В швах, прикрепляющих фасонку к фланцу, возникают срезающие напряжения:

от опорной реакции вдоль шва:

,

τwv=367,65*103/[2*(450-10)*0.9*6]=70.7 МПа;

- от распора Н перпендикулярно шву:

,

τwH=173,4*103/[2*(450-10)*0.9*6]=52.0 МПа;

- от изгибающего момента вследствие эксцентричного действия силы H, создающей момент M=e*H:

,

τwM=6*150*173,4*103/[2*(450-10)2*0.9*6]=106.3 МПа.

Прочность швов при условном срезе проверяют по формуле:

,

τef=[70.72+(52.0+106.3)2]0.5=173.4 МПа <Rwf=180 МПа - условие прочности выполняется.

Для крепления фермы к колонне предусматривают болты нормальной точности, которые работают на растяжение. С целью унификации наружный диаметр болтов нижнего узла принимают, как и для верхнего - dнар=22 мм.

Опорный столик передает опорную реакцию V на колонну. Из условия прочности сварных швов на срез при известном значении катета шва определяем длину столика:

 мм,

где 2/3 - учитывает возможный эксцентриситет приложения опорной реакции.

ст=2/3*36065*103/(0.9*10*180)+10=148.3 мм.

Принимаем lст=160 мм.

Ширину столика принимаем конструктивно:

bs=bфл+(50…100) мм,=180+40=220 мм.


7. Расчет и конструирование подкрановой балки


вес поднимаемого груза - Q=50 кН,

пролет крана - 14,5 м,

база крана -5600 мм,

ширина крана - 3150 мм,

нагрузка на колесо 380 кН,

вес тележки Gт=132 кН,

вес крана с тележкой G=475 кН,

Нормативный вес подкрановой балки

Fк,max=380

=380*0,1=38к= 380*1,1*1,1=459.8кН,

Tk=1,1*38=41.8 кН



= α∑ Fkyi; Mу= ∑ Tkyi;

α=1,05;

=1.05*0.95*459.8*5.57=2554.68кНм

Mx=0,95*41.8*5.57=221.19кНмх=1,02*0,95*459.8*2.856=1272.5кНy=0,95*41.8*2.856=113.4кН

Подбор сечения балки

W=Mγβ/R=255468*1.14*0.95/24=11528см3

Λ=h/t=120


Минимальная высота балки


Где Мх-момент от загружения балки одним краном


Принимаем

Зададимся толщиной поясов


Определяем минимальную толщину стенки

из условия среза


Принимаем толщину стенки

Находим требуемую площадь поясов

Принимаем  

Геометрические характеристики принятого сечения главной балки равны:




А затем, геометрические характеристики тормозной балки относительно оси у-у ( в состав тормозной балки входит верхний пояс, тормозной лист и швеллер)


Проверка нормального напряжения


Прочность стенки на действие касательных напряжений на опоре обеспечена, так как принятая толщина стенки больше определенной из условия среза.

Жесткость балки также обеспечена, так как принятая высота балки

Проверим прочность стенки балки от действия местных напряжений под колесом крана


Проверка стенки на совместное действие нормальных, касательных и местных напряжений на уровне верхних поясных швов


При проверке прочности стенок подкрановых балок особого режима работы следует учитывать все компоненты напряженного состояния


Устойчивость стенки подкрановой балки проверяется с учетом нормальных напряжений


Список литературы


1. Кудишин Ю.И. Металлические конструкции. 2007.

. Металлические конструкции. Под ред. Г. С. Веденикова. М., 1998.

. СНиП II-23-81*. Нормы проектирования. Стальные конструкции. М.,1996.

. СНиП 2.01.07-85*.Нормы проектирования. Нагрузки и воздействия.М.,2003.

. Пособие по проектированию стальных конструкций (к СНиП II-23-81*.Стальные конструкции). М., 1985.

. Справочник проектировщика. Металлические конструкции. КузнецовВ.В. и коллектив. М., изд-во АСВ, 1998.

. Свод правил СП 53-102-2004. Общие правила проектированиястальных конструкций., 2005.

Похожие работы на - Проектирование одноэтажного однопролетного промышленного здания

 

Не нашли материал для своей работы?
Поможем написать уникальную работу
Без плагиата!
Без нейросетей!