Расчет переходных процессов в электроэнергетической системе
ИНСТИТУТ
промышленных технологий и инжиниринга
Кафедра
электроэнергетики
Расчет
переходных процессов в электроэнергетической системе
ПОЯСНИТЕЛЬНАЯ
ЗАПИСКА
к
курсовой работе
Реферат
В данной курсовой работе методом симметричных
составляющих определяются токи и напряжения режимов работы сети при поперечной
(двухфазное, однофазное и двухфазное замыкания на землю) и продольной
несимметрии (обрыв одной и двух фаз).
Введение
Переходным процессом в электроэнергетической
системе называют процесс, при котором происходит переход параметров режима
системы из одного установившегося состояния в другое. Переходные процессы в
системах электроснабжения чаще всего возникают вследствие переключений
(коммутаций), обрывов фаз и коротких замыканий. Переходные процессы
сопровождаются всплесками токов и выбросами напряжений в системе, что оказывает
негативное действие на все элементы электроэнергетических систем из-за общности
режима генерации и потребления электрической энергии.
. Общая часть
Исходные данные
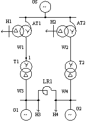
Схема системы электроснабжения приведена на рис.
1.
Рисунок 1 - Схема сети
Параметры элементов схемы электроснабжения:
Система
Генераторы G1 и G2 - ТВС-32У3
Автотрансформатор АТ1 -
АТДЦТН-63000/220/110
Автотрансформатор АТ2 -
АТДЦТН-63000/220/110
Трансформаторы Т1 и Т2 -
ТДН-40000/110
Реактор LR1 - РБДГ-10-4000-0,18У3
, кВт
Нагрузки
Воздушная линия W1 - АС-150
(двухцепная без тросов)
Воздушная линия W2 - АС-150
(двухцепная без тросов)
Воздушная линия W3 - АС-120
(двухцепная со стальными тросами)
Воздушная линия W4 - АС-120
(двухцепная со стальными тросами)
Расчет режима поперечной несимметрии
Определяем приведенные к базисному
напряжению параметры схемы замещения прямой последовательности в именованных
единицах. Схема замещения и последовательность ее преобразования приведены на
рис. 2.
В качестве базисного напряжения
принимаем среднее напряжение в месте КЗ
Система
Воздушные линии
Трансформаторы
Автотрансформатор АТ1



Автотрансформатор АТ2



Генераторы
Реактор LR1
Нагрузка
Последовательно сворачивая схему
замещения прямой последовательности, определяем результирующее индуктивное
сопротивление относительно точки КЗ

Рисунок 2 - Схема замещения прямой
последовательности для расчета поперечной несимметрии





Соответственно эквивалентное
реактивное сопротивление и ЭДС прямой последовательности
Аналогично определяем эквивалентное
активное сопротивление прямой последовательности, исключая при этом элементы,
активные сопротивления которых неизвестны (активные сопротивления генераторов и
системы принимаем равными нулю)
Соответственно эквивалентное активное
сопротивление
Т.к. результирующее реактивное
сопротивление составляет по величине менее 10% от результирующего активного
сопротивления, при дальнейших расчетах активным сопротивлением пренебрегаем.
Действующее значение периодической
составляющей тока трехфазного короткого замыкания в начальный момент времени
составляет
Определяем значение ударного тока в
точке
Угол сдвига фаз между ЭДС источника
питания и периодической составляющей тока КЗ любой из фаз цепи
Принимаем начальную фазу напряжения
источника питания
Волновые диаграммы в фазе А будут иметь вид
Рисунок 3 - Волновые диаграммы в
фазе А
Волновые диаграммы в фазе B будут
иметь вид

Рисунок 4 - Волновые диаграммы в фазе B
Волновые диаграммы в фазе С будут иметь вид
Рисунок 5 - Волновые диаграммы в
фазе С
Определяем эквивалентное
сопротивление обратной последовательности. Схема замещения обратной
последовательности и ее преобразование аналогичны прямой последовательности,
только вместо источников ЭДС заземления, а ЭДС обратной последовательности
приложено в точке КЗ. При этом учитываем, что сопротивление обратной
последовательности для синхронных генераторов отличается
Определяем эквивалентное
сопротивление обратной последовательности



Соответственно эквивалентное реактивное
сопротивление обратной последовательности
Сопротивления воздушных линий
нулевой последовательности значительно отличаются от сопротивлений прямой и
обратной последовательностей. При этом в расчете не участвуют элементы,
находящиеся за обмотками трансформаторов, соединенными по схеме треугольник.
Определяем сопротивления элементов нулевой последовательности.
Определяем эквивалентное
сопротивление нулевой последовательности (рис. 6)

Рисунок 6 - Схема замещения нулевой
последовательности для расчета поперечной несимметрии
Соответственно эквивалентное
реактивное сопротивление нулевой последовательности
Определяем ток короткого замыкания
при двухфазном коротком замыкании. Дополнительное реактивное сопротивление для
данного вида КЗ
Ток прямой последовательности в фазе
А (неповрежденной)
Ток обратной последовательности в
фазе А
Ток двухфазного КЗ в фазах В и С
определяется использованием соотношения между током прямой последовательности и
током двухфазного КЗ
Для построения векторной диаграммы
определяем векторы токов и напряжений каждой составляющей. Составляющие тока в
фазе А

Составляющие тока в фазе B
Составляющие тока в фазе C
Фактические токи в фазах
Составляющие напряжения в фазе А
Составляющие напряжения в фазе B
Составляющие напряжения в фазе С
Фактические напряжения в фазах
Рисунок 7 - Векторная диаграмма при
двухфазном КЗ
Определяем ток короткого замыкания
при однофазном коротком замыкании. Дополнительное реактивное сопротивление для
данного вида КЗ
Ток прямой последовательности в фазе
А
Ток обратной последовательности в
фазе А
Ток нулевой последовательности в
фазе А
Ток однофазного КЗ в фазах В и С
определяется использованием соотношения между током прямой последовательности и
током однофазного КЗ
Для построения векторной диаграммы
определяем векторы токов и напряжений каждой составляющей. Составляющие тока в
фазе А
Составляющие тока в фазе B
Составляющие тока в фазе C
Фактические токи в фазах
Составляющие напряжения в фазе А
Составляющие напряжения в фазе B
Составляющие напряжения в фазе С
Фактические напряжения в фазах
Рисунок 8 - Векторная диаграмма при однофазном
КЗ
Определяем ток короткого замыкания при
двухфазном коротком замыкании на землю. Дополнительное реактивное сопротивление
для данного вида КЗ
Ток прямой последовательности в фазе
А (неповрежденной)
Ток обратной последовательности в
фазе А
Ток нулевой последовательности в
фазе А
Ток однофазного КЗ в фазах В и С
определяется использованием соотношения между током прямой последовательности и
током однофазного КЗ
Для построения векторной диаграммы
определяем векторы токов и напряжений каждой составляющей. Составляющие тока в
фазе А


Составляющие тока в фазе B
Составляющие тока в фазе C
Фактические токи в фазах
Составляющие напряжения в фазе А
Составляющие напряжения в фазе B
Рисунок 9 - Векторная диаграмма при
однофазном КЗ
Составляющие напряжения в фазе С
Фактические напряжения в фазах
Расчет режима продольной несимметрии
Схема замещения прямой
последовательности и последовательность ее преобразования приведены на рис. 10.
Определяем сопротивление нагрузки
Сворачиваем схему замещения

Рисунок 10 - Схема замещения прямой
последовательности для расчета продольной несимметрии



Соответственно эквивалентное
реактивное сопротивление и ЭДС прямой последовательности
Определяем эквивалентное
сопротивление обратной последовательности

Соответственно эквивалентное
реактивное сопротивление обратной последовательности
Определяем сопротивления элементов
нулевой последовательности (рис. 11).
Соответственно эквивалентное
реактивное сопротивление нулевой последовательности
Определяем токи и напряжения при
обрыве одной фазы. Дополнительное реактивное сопротивление для данного вида
повреждения
Ток прямой последовательности в
неповрежденной фазе
Абсолютное значение тока в
неповрежденной фазе
Рисунок 11 - Схема замещения нулевой
последовательности для расчета продольной несимметрии
Для построения векторной диаграммы
определяем векторы токов и напряжений каждой составляющей. Составляющие тока в
фазе А

Составляющие тока в фазе B
Составляющие тока в фазе C
Фактические токи в фазах
Составляющие напряжения в фазе А
Составляющие напряжения в фазе B
Рисунок 12 - Векторная диаграмма при
обрыве одной фазы
Составляющие напряжения в фазе С
ток напряжение замыкание
фаза
Фактические напряжения в разрыве
Определяем токи и напряжения при
обрыве двух фаз. Дополнительное реактивное сопротивление для данного вида
повреждения
Ток прямой последовательности в
неповрежденной фазе
Абсолютное значение тока в
неповрежденной фазе
Для построения векторной диаграммы
определяем векторы токов и напряжений каждой составляющей. Составляющие тока в
фазе А
Составляющие тока в фазе B
Составляющие тока в фазе C
Фактические токи в фазах
Составляющие напряжения в фазе А
Составляющие напряжения в фазе B
Составляющие напряжения в фазе С
Рисунок 13 - Векторная диаграмма при
обрыве двух фаз
Фактические напряжения в обрыве
Заключение
В результате проделанной работы были определены
токи короткого замыкания в заданной точке и токи и напряжения неполнофазного
режима работы сети. Результаты расчетов сведены в табл. 2 и 3
Таблица 1 - Величины токов КЗ
|
Вид
КЗ
|
Величина
тока КЗ, кА
|
|
Трехфазное
|
1,5739
|
|
Двухфазное
|
1,3629
|
|
Однофазное
|
1,7954
|
|
Двухфазное
на землю
|
1,7174
|
Таблица 2 - Параметры неполнофазного режима
|
Вид
КЗ
|
Величина
тока в неповрежденной фазе, кА
|
Напряжения
между выводами оборванной фазы
|
|
Обрыв
одной фазы
|
0,076
|
2,57
|
|
Обрыв
двух фаз
|
0,08
|
2,89
|
Список использованных источников
Heклeпaeв
Б.Н. Электрическая часть электростанций и подстанций. - М.: Энергоатомиздат,
2006. - 640 с.;
Коновалова
Л.Л., Рожкова Л.Д. Электроснабжение промышленных предприятий и установок. - М.:
Энергоатомиздат, 2014. - 528 с.
Правила
устройства электроустановок Москва: КНОРУС, 2014.- 487 c.
Рожкова
Л.Д., Козулин B.C. Электрооборудование станций и подстанций. - М.: Энергия,
2003. - 599 с.;
Руководящие
указания по расчёту токов коротких замыканий, выбору и проверке аппаратов и
проводников по условиям короткого замыкания.- МЭИ, 2008.
Руководящие
указания по расчету токов короткого замыкания и выбору электрооборудования:
Руководящий документ - Изд. офиц. - М.: Издательство НЦ ЭНАС, 2008.
Руководящий
технический материал. Указания по расчету электрических нагрузок: РТМ
36.18.32.4-01. - Тяжпромэлектропроект, 30 июля 2001.
Справочник
по проектированию электрических систем. / Под редакцией С.С. Рокотяна и И.М.
Шапиро. - М.: Энергия, 2000. - 248 с.;
Справочник
по проектированию электроснабжения/ Под редакцией Ю.Г. Барыбина, JI.E.
Фёдорова, М.Г. Зименкова, А.Г. Смирнова. - М.: Энергоатомиздат, 2010. - 576 с.