Расчет параметров подстанции
Введение
электрический подстанция
трансформатор технологический
Электричество - это самое
распространённая форма энергия. Её очень легко переправлять из одного места в
другое, а также преобразовывать в энергию тепла, света и другие. Электричество
очень плотно вошло в нашу жизнь и без него просто невозможно развитие, как
человеческого общества, так и энергетики в целом.
Электричество проходит множество
этапов, прежде чем попасть к потребителю электроэнергии. Для начала её нужно
произвести, затем её нужно передать, преобразовать до необходимых величин и
распределить между потребителями.
Электрическая энергия,
вырабатываемая на электростанциях, бывает различных типов.
Передача электроэнергии
осуществляется по воздушным и кабельным линиям электропередач, а также по
шинопроводам. В процессе передач электроэнергии на большие расстояния она имеет
свойство теряться. Для обеспечения меньшего количества потерь, при передаче
электроэнергии, осуществляется её преобразование путём применения силовых
трансформаторов, которые не только преобразовывают электроэнергию, но и
применяются для распределения электроэнергии.
Для обеспечения правильной работы
основного и вспомогательного электрооборудования, необходимо правильно выбирать
оборудование и основные части трансформаторной подстанции. А именно: силовой
трансформатор, токоведущие части, автоматические выключатели, оборудование на
стороне 10 кВ. Правильный выбор оборудования трансформаторной подстанции
обеспечивает надёжное функционирование электрических сетей, а также бесперебойное
питание потребителей 1, 2 и 3-ей категории.
На дисциплине «Электрооборудование
подстанций промышленных предприятий» мы изучаем совокупность установок по
выработке, распределению и потреблению электроэнергии и теплоты, связанных
между собой электрическими и тепловыми сетями. Их называют энергетической
системой, а часть энергосистемы (генераторы, распределительные устройства,
линии электропередачи и приемники электроэнергии) - электрической системой.
Одним из этапов данного курсового
проекта является получение учащимися навыков по проектированию понизительной
подстанции 10/0.4 кВ и выбору оборудования для неё. Полученные знания
необходимы для написания дипломной работы и подготовки будущих специалистов в
сфере элекроэнергетики.
1. Общая часть
.1 Общие сведения об
электроустановках
Энергетической системой называется
совокупность электростанций электрических и тепловых сетей,
соединённых между собой и связанных общностью режима в непрерывном процессе
производства, преобразования и распределения электроэнергии и тепла при общим
управлении этим режимом. В её состав входят трансформаторы, приемники
электрической энергии, электрические генераторы, линии электропередачи,
аппаратура защиты, управления и регулирования.
Электростанция - это предприятия или
установки, преобразующие один вид энергии в электроэнергию.
В зависимости от вида энергии,
потребляемая первичным двигателем электростанциями могут быть определены на
следующие основные типы: тепловые, атомные, гидроэлектростанции и
газотурбинные.
Электроустановка - это совокупность
машин, аппаратов, линий и вспомогательного оборудования, (включая сооружения и
помещения, где они установлены) которые предназначены для производства,
преобразование, трансформации, передачи, распределения электрической энергии и преобразование
ее в другой вид энергии. Электрические генераторы с вспомогательным
устройствами, линии электропередачи, электрические подстанции, все это
относится к электроустановкам.
Существует 2 вида электрических
установок: до 1кВ и свыше 1 кВ. Такое разделение связано, с различием типов и
конструкций аппаратов, а также с разницей в условиях безопасности и
требованиях, предъявляемых при сооружении и эксплуатации электроустановок
различных напряжений.
Распределительное устройство - это
электрическая установка, предназначенная для приема и распределения
электроэнергии и содержащая электрические аппараты, шины и вспомогательные
устройства. Распределительные устройства бывают двух типов: закрытые
распределительные устройства (ЗРУ) и открытые распределительные устройства
(ОРУ). ЗРУ - это распределительные устройства находящиеся внутри здания. ОРУ -
это распределительное устройство находящиеся на открытым воздухе.
Линия электропередачи (ЛЭП) - это
электроустановка, состоящая из проводников тока и различных вспомогательных
устройств, и предназначена для передачи электрической энергии на расстояние.
Различают воздушные, кабельные и различные линии электропередачи по
конструктивному исполнению. Основной металл, служащий для изготовления проводов
ЛЭП - это медь и алюминий. Электрической сетью называют совокупность
электрических подстанций и линий электропередачи.
Электроприёмником называется
аппарат, агрегат, механизм, предназначенный для преобразования электроэнергии в
другой вид энергии.
К ним относятся электрические лампы,
электродвигатели и т.д.
Заводом-изготовителем предназначен
каждый электроприёмник для работы при номинальном режиме. Таким режимом
эксплуатации называют такой режим, при котором значение мощности, напряжения и
силы тока, указанные в паспорте электроприёмника, совпадают со значениями этих
же характеристик и величин при работе электроприёмника.
Силовые трансформаторы предназначены
для преобразования электроэнергии с одного напряжения на другое. Наибольшее
распространение получили трехфазные трансформаторы, так как потери в них на
12-15% ниже, а расход активных материалов и стоимость на 20-25% меньше, чем в
группе трех однофазных трансформаторов такой же суммарной мощности. К основным
параметрам трансформатора относятся номинальные мощность, напряжение, ток,
напряжение КЗ., ток XX, потери XX и КЗ.
Номинальной мощностью трансформатора
называется указанное в паспорте значение полной мощности, на которую непрерывно
может быть нагружен трансформатор в номинальных условиях места установки и
охлаждающей среды при номинальных частоте и напряжении.
Разъединители - это контактный
коммутационный аппарат, предназначенный для отключения и включения
электрических цепей без тока или незначительным током, и который в цепях
безопасности между контактами в отключенном положении имеет изоляционный
промежуток. При проведении ремонтных работ разъединитель создаёт видимый
разрыв.
Разъединителем нельзя отключать токи
нагрузок. Перед операцией разъединения разъединителя, цепь должна быть
выключена выключателем.
Выключатель - это коммутационный
аппарат, преднозначенный для включения и отключения тока. Выключатель является
основным аппаратом в электорустановках, он служит для отключения и включения
цепи в любых режимах: длительная нагрузка, перегрузка, короткое замыкание,
холостой ход, несинхронная работа. Характерной
особенностью этого аппарата является наличие дугогасительного устройства (ДУ),
которое обеспечивает гашение дуги, возникающей в цепи высокого напряжения при
ее размыкании.
1.2 Требования к
электрическим сетям
Электрическая сеть - совокупность
подстанций, распределительных устройств и соединяющих их электрических линий,
размещённых на территории района, населённого пункта, потребителя электрической
энергии.
Сети напряжением до 380В
включительно представляют собой четырехпроводную трехфазную систему обычно с
глухо заземлённой нейтралью. Глухо заземлённая нейтраль - нейтраль
трансформатора или генератора, присоединенная к заземляющему устройству
непосредственно. Глухо заземлённым может быть также вывод источника однофазного
переменного тока или полюс источника постоянного тока в двухпроводных сетях, а
также средняя точка в трёхпроводных сетях постоянного тока. Электрические лампы
и электробытовые приборы (электроплиты, холодильники, радиоприемники,
телевизоры и др.) включают между одним из фазовых и нулевых проводов.
Номинальное напряжение таких сетей обозначают двумя числами, например, 220/127
или 380/220 В, где числитель дроби соответствует линейному, а знаменатель -
фазному напряжению сети. Электрические сети принято классифицировать по
назначению масштабным признакам, и по роду тока.
Назначение:
сети общего назначения:
электроснабжение бытовых, промышленных, сельскохозяйственных и транспортных
потребителей.
сети автономного электроснабжения:
электроснабжение мобильных и автономных объектов (транспортные средства, суда,
самолёты, космические аппараты, автономные станции, роботы и т.п.)
сети технологических объектов:
электроснабжение производственных объектов и других инженерных сетей.
сети связывающие отдельные регионы, страны
и их крупнейшие источники, и центры потребления. Характерны сверхвысоким и
высоким уровнем напряжения и большими потоками мощности (гигаватты).
сети масштаба региона (области,
края). Имеют питание от магистральных сетей и собственных региональных источников
питания, обслуживают крупных потребителей (город, район, предприятие,
месторождение, транспортный терминал). Характерны высоким и средним уровнем
напряжения и большими потоками мощности (сотни мегаватт, гигаватты).
сети распределительные. Имеют питание
от региональных сетей. Обычно не имеют собственных источников питания,
обслуживают средних и мелких потребителей (внутриквартальные и поселковые сети,
предприятия, небольшие месторождения, транспортные узлы). Характерны средним и
низким уровнем напряжения и небольшими потоками мощности (мегаватты).
сети распределяют электроэнергию на
небольшом пространстве - в рамках района города, села, квартала, завода.
Зачастую имеют всего 1 или 2 точки питания от внешней сети. При этом иногда
имеют собственный резервный источник питания. Характерны низким уровнем
напряжения и небольшими потоками мощности (сотни киловатт, мегаватты).
сети самого нижнего уровня -
отдельного здания, цеха, помещения. Зачастую рассматриваются совместно с
внутренними сетями. Характерны низким и бытовым уровнем напряжения и маленькими
потоками мощности (десятки и сотни киловатт).
1.3 Выбор главной схемы
подстанции
Выбор главной схемы трансформаторной
подстанции (ТП) 10/0,4 кВ
Главная схема электрических
соединений (подстанции) - это совокупность основного электрооборудования
(генераторов, трансформаторов, линий, компенсаторов), сборных шин,
коммутационных и другой первичной аппаратуры, со всеми выполненными между ними
соединениями.
Выбор главной схемы является
определяющим при проектировании электрической части подстанции, так как он
определяет полный состав, перечень элементов и связей между ними.
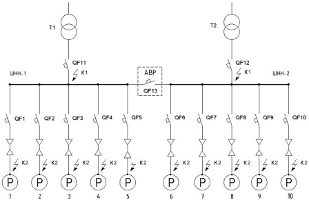
В данном курсовом проекте будет
рассмотрена схема закрытой двух трансформаторной подстанции тупикового типа.
Выбор ТП закрытого типа связан с тем,
что данная подстанция является понизительной; сторона высокого напряжения - 10
кВ, сторона низкого - 0,4 кВ, а подстанции на такое напряжение изготавливаются
в закрытом исполнении. Это связано с их месторасположением. А, как правило,
закрытая трансформаторная подстанция (ЗТП) возводятся в больших населённых
пунктах и в городах. В таких населённых пунктах трансформаторная подстанция
возводится именно закрытого типа, чтобы не оставлять токоведущие части без
ограждения, тем самым, не подвергать опасности население, находящегося вблизи
подстанции.
Также выбор трансформаторной
подстанции 10/0,4 кВ закрытого типа связан ещё с тем, что для её эксплуатации и
обслуживания не требуется специального оборудования, которое присутствует на
подстанциях более высокого напряжения.
Возводится помещение определённого
размера, затем внутри него устанавливается электроаппаратура.
Небольшие габариты
электрооборудования позволяют использовать помещения для трансформаторной
подстанции 10/0,4 кВ.
В ЗТП создаются нормальные условия
для обслуживания электрооборудования, т.к. эти условия в малой степени зависят
от погодных условий района (высоты снежного покрова, нормативной снеговой
нагрузки и т.д.). Тупиковая трансформаторная подстанция - это подстанция,
получающая электрическую энергию от одной электроустановки по одной или
нескольким линиям.
Тупиковый вид выбран, потому что в
схеме ввода данной подстанции используется не более 2 линии. В основном, тупиковый тип принимается
на трансформаторных подстанциях среднего напряжения (10/0,4 кВ).
В задании указана первая категория
электроснабжения потребителей электроэнергией. А это значит, что
электроприёмники 1 категории электроснабжения должны обеспечиваться питанием от
2-х независимых
источников, и перерыв в
энергоснабжении допустим лишь на время срабатывания защитных устройств и
автоматического восстановления питания.
При рассмотрении главной схемы
данной ТП в курсовом проекте было обращено внимание на факторы, которые
являются определяющими при выборе варианта главной схемы подстанции, а также её
нормальной работы. Это факторы: надежность, экономичность, безопасность,
значение и роль подстанции для энергосистемы
Надёжность - это свойство схемы
выполнять свои функции в разнообразных условиях эксплуатации при сохранении
заданных параметров процесса.
Экономичность - это требование сил,
материальных затрат, ресурсов и времени содержания распределительных устройств
при минимальных ежегодных затратах.
Безопасность - это возможность
лёгкого подхода к схеме, ремонта электрооборудования, не требующая специальных
мер по защите, и обеспечивающая безопасность обслуживающего персонала при
эксплуатации электроустановок.
Выбор главной схемы, исходя из
фактора экономичности, определяется количеством силовых трансформаторов и
высоковольтных выключателей, используемых в трансформаторной подстанции. Эти
элементы схемы требуют самых значительных материальных затрат, ресурсов и
времени на их установку.
Так же в этой схеме будем
использовать разъединители (это обеспечивает безопасную, для обслуживающего
персонала, эксплуатацию электроустановки), высоковольтные выключатели (это
контактный коммутационный аппарат, служащий для отключения токов нагрузки в
сети высокого напряжения в любом из режимов работы: длительный режим,
перегрузки, КЗ, ХХ и несинхронной работы), шинный мост (представляют собой
металлоконструкцию, собранную из двух рам установленными на них изоляторами,
шинодержателями и шинами). На данном мосту будут присутствовать разъединители
для секционирования сборных шин.
Разъединитель на стороне высшего напряжения
устанавливается по обеим сторонам высоковольтного выключателя и служит для
включения и отключения цепи высокого напряжения либо при токах, значительно
меньших номинальных, либо в случаях, когда отключается номинальный ток, но
напряжение на контактах аппарата недостаточно для образования дуги.
Согласно правилам техники
безопасности оборудование, выводимое в ремонт, должно быть отключено. Между
выводами отключенного аппарата и цепью, оставшейся под напряжением, должен быть
создан видимый воздушный промежуток, гарантирующий безопасные условия работы
обслуживающего персонала.
При работе электрических установок
возникают напряжения, которые могут значительно превышать номинальные значения
(перенапряжения). Эти перенапряжения могут пробить электрическую изоляцию
элементов оборудования и вывести установку из строя. Чтобы избежать пробоя
электрической изоляции, она должна выдерживать эти перенапряжения, однако
габаритные размеры оборудования получаются чрезмерно большими, так как
перенапряжения могут быть во много раз больше номинального напряжения.
С целью облегчения изоляции,
возникающие перенапряжения ограничиваем с помощью вентильных разрядников.
Основным элементом разрядника является искровой промежуток. При появлении
перенапряжения промежуток должен пробиться раньше, чем изоляция защищаемого
оборудования. Для удобства измерения тока в установках высокого напряжения и
изоляции измерительных приборов и устройств релейной защиты от высокого
напряжения устанавливаем трансформаторы тока.
Через первичную обмотку пропускается
измеряемый ток, вторичная обмотка подключается к измерительным приборам и реле.
Первичная обмотка изолирована от вторичной в соответствии с классом изоляции
аппарата.
Все перечисленное
электрооборудование предназначено для осуществления коммутации силовых цепей
трансформаторной подстанции, защиты электрооборудования и измерения параметров
электрической сети.
1.4 Требования к
основному оборудованию подстанций
Распределительные устройства
По конструктивному выполнению РУ
делят на открытые и закрытые. Они могут быть комплектными (сборка на
предприятии-изготовителе) или сборными (сборка частично или полностью на месте
применения).
Открытое распределительное
устройство (ОРУ) - такое устройство, у которого все или основное оборудование
расположено на открытом воздухе;
Закрытое распределительное
устройство (ЗРУ) - устройство, оборудование которого расположено в здании.
Комплектное распределительное устройство (КРУ) - распределительное устройство,
состоящее из шкафов, закрытых полностью или частично, или блоков со встроенными
в них аппаратами, устройствами защиты и автоматики, измерительными приборами и
вспомогательными устройствами, поставляемое в собранном или полностью
подготовленном для сборки виде и предназначенное для внутренней установки.
Комплектное распределительное
устройство наружной установки (КРУН) - это КРУ, предназначенное для наружной
установки.
Комплектная трансформаторная
(преобразовательная) подстанция (КТП) - подстанция, состоящая из
трансформаторов (преобразователей) и блоков КРУ или КРУН, поставляемых в
собранном или полностью подготовленном для сборки виде.
Распределительный переключательный
пункт (РП) - распределительное устройство, предназначенное для приема и
распределения электроэнергии на одном напряжении без преобразования и
трансформации.
Камера - помещение, предназначенное
для установки аппаратов и шин: закрытая камера закрыта со всех сторон и имеет
сплошные (не сетчатые) двери; огражденная камера имеет проемы, защищенные
полностью или частично не сплошными ограждениями.
Каждая подстанция имеет три основных
узла: РУ высшего напряжения, трансформатор и РУ низшего напряжения.
Силовые трансформаторы
С помощью трансформаторов
осуществляют повышение напряжения до величин (110, 220, 330. 500 кВ),
необходимых для линий электропередач энергосистем, а также многократное
ступенчатое понижение напряжений до величин, применяемых непосредственно в
приемниках электроэнергии (10; 6,3; 0,66; 0,38; 0,22; 0,127 кВ).
Для компенсации потерь напряжения, в
электрических сетях повышающие трансформаторы имеют высшее напряжение на 10%
выше номинального напряжения сети, а понижающие трансформаторы - низшее
напряжение на 5 - 10% выше номинального напряжения сети. На повысительных и
понизительных подстанциях применяют трехфазные трансформаторы или группы
однофазных трансформаторов с двумя или тремя раздельными обмотками. В
зависимости от числа обмоток трансформаторы делят на двух- и трех обмоточные.
Каждый трансформатор характеризуется номинальными данными: мощностью, токами
первичной и вторичной обмоток, потерями холостого хода, потерями короткого
замыкания, напряжением короткого замыкания, током холостого хода, а также
группой соединения.
Номинальные токи обмоток
трансформатора указывают в каталогах. Под номинальной следует понимать
нагрузку, равную номинальному току (номинальной мощности), которую
трансформатор может нести непрерывно в течение всего срока службы при
номинальных температурных условиях. Эти условия соответствуют максимальной
температуре (+400С) и среднегодовой (+50С) при установке
трансформатора на открытом воздухе.
В зависимости от мощности в
трансформаторах применяют различные виды охлаждения: естественное масляное (М);
масляное с воздушным дутьем (Д); то же, с принудительной циркуляцией масла
(ДЦ); масляно-водяное с естественной циркуляцией масла (MB), то же, с
принудительной циркуляцией масла (Ц); с естественным воздушным охлаждением в
трансформаторах с сухой изоляцией (С), с негорючим диэлектриком (Н).
Аппараты для отключения и включения
В электроустановках напряжением до
1000 В применяют аппараты для отключения, выключения, переключения
электрических цепей и защиты их от сверхтоков при перегрузках и коротких
замыканиях в электрических цепях. Самыми простыми аппаратами для отключения и
включения электрических цепей являются рубильники и неавтоматические
выключатели, а для переключения - переключатели. При этом для защиты
электрических цепей от сверхтоков применяют плавкие предохранители. Более
совершенные аппараты - автоматические воздушные выключатели, магнитные
контакторы и пускатели.
Выключатели. При передаче и
распределении электрической энергии напряжением выше 1000В включение,
отключение и переключение электрических цепей производятся под нагрузкой при
помощи выключателей. Выключатель должен включать и отключать токи как в
нормальном, гак и в аварийных режимах работы электроустановки, которые
сопровождаются обычно большим увеличением токов. Поскольку при разрыве
электрической цепи тока возникает электрическая дуга в выключателях
предусмотрены средства ее гашения. Выключатели выпускают для наружной и
внутренней установки на различные номинальные напряжения и токи. Наиболее
широко применяют масляные выключатели, в которых дуга гасится с помощью
минерального масла, воздушные выключатели, где дуга гасится струей сжатого
воздуха, элегазовые выключатели, в которых дуга гасится с помощью шестифористой
серы и вакуумные выключатели, в котором вакуум служит средой для гашения дуги.
2. Расчётная часть
.1 Расчет и выбор
силовых трансформаторов
Определяем активную мощность всех
потребителей по формуле 1:
Sp=
;
(1)
кВА.
Определяем сумму
мощностей по формуле 2:
(2)
Находим значение реактивной
расчётной мощности по формуле 3:
; (3)
Зная значение
коэффициента активной мощности
=0,85 определяем
значение
=
0.6 по формуле 4:

кВар; (4)
По расчётной мощности и
требуемой категории электроснабжения (2 категория) выбираем
двухтрансформаторную подстанцию с суммарной мощностью трансформаторов 444 Вар.
Так как у нас вторая категория
надёжности потребителей выбираем 2 трансформатора
Определяем значение полной мощности,
отбираемой от каждого трансформатора в отдельности по формуле 5:
; (5)
где, S - расчётное значение полной
мощности одного из трансформаторов;
n - число трансформаторов в группе.
Мощности трансформаторов в группе
равны, следовательно:
S=
кВ
По полученной мощности
выбираем трансформатор ТСЗ-250/10 с номинальной мощностью 160 кВА.
Коэффициент загрузки
трансформатора составляет:
Кзагр=
;
Кзагр=
=0,7%
Исходя из расчётных
данных, выбираем 2 силовых трансформатора марки ТСЗ 250/10 - Трансформатор
силовой, 3-х фазный, 2-х обмоточный; сухой в защитном кожухе; номинальная
мощность составляет 250 кВт; ВН - 10 кВ, НН - 0,4 кВ; Uк = 5,2%; Iхх = 3,5%;
соединение обмоток: первичная - звезда, вторичная - звезда с заземлённой
нейтралью; Выбор именно 2-х трансформаторной электрической подстанции связан со
второй категорией электроснабжения электроприёмников. Номинальная мощность
трансформатора составляет 250 кВ*А и взята с запасом на случай расширения
данной ТП, и увеличения числа и мощности нагрузки потребителей
2.2 Расчёт и выбор
токоведущих частей с проверкой по потере напряжения, по формуле 6
; (6)
Определяем расчётный ток для первого
потребителя по формуле 7:
Iр=
=51
A; (7)
Выбираем кабель ААВГ с алюминиевыми
жилами и алюминиевой оболочкой и изоляцией или обмоткой из поливинилхлорида.
Остальные токоведущие части
рассчитываем и выбираем аналогичным образом, данные сведены в таблицу 1:
Таблица 1. Расчет и выбор кабелей
|
№ токоведущей части
|
Марка и сечение, мм
|
Расчётный ток Iр,
(А)
|
Допустимый ток Iд,
(A)
|
Сечение кабеля, мм
|
Активное сопротивление, Oм
r0
|
Индуктивное сопротивление, Ом х0
|
Результаты расчёта, %
|
|
1
|
АВВГ
|
51
|
55
|
16
|
1,84
|
0,068
|
1,2
|
|
2
|
АВВГ
|
169,77
|
200
|
95
|
0,31
|
0,06
|
1,1
|
|
3
|
АВВГ
|
152,8
|
200
|
95
|
0,31
|
0,06
|
0,7
|
|
4
|
АВВГ
|
152,8
|
200
|
95
|
0,31
|
0,06
|
0,7
|
|
5
|
АВВГ
|
135,82
|
200
|
95
|
0,31
|
0,06
|
0,2
|
|
6
|
АВВГ
|
84,8
|
105
|
50
|
0,59
|
0,063
|
0,8
|
|
7
|
АВВГ
|
102
|
105
|
50
|
0,59
|
0,063
|
4,3
|
|
8
|
АВВГ
|
169,77
|
200
|
95
|
0,31
|
0,06
|
1,1
|
|
9
|
АВВГ
|
102
|
105
|
50
|
0,59
|
0,063
|
2,5
|
|
10
|
АВВГ
|
135,82
|
200
|
95
|
0,31
|
0,06
|
1,3
|
Рассчитываем потери напряжения в
токоведущих частях по формуле 8:
; (8)
Потери напряжения на токоведущих
частях не должно превышать допустимого значения, которое составляет:н=±5%
Значение расчетного токаI_р,
активного сопротивленияr_0, коэффициента активной мощности cos𝝋 - беру из раздела [2.2
Расчет и выбор токоведущих частей].
Определяем потери напряжения в
токоведущих частях для первого потребителя по формуле 9:
U=
=1,2%;
(9)
Потери напряжения в данной
токоведущей части не превышает допустимого значение, следовательно, токоведущая
часть выбрана правильно.
2.3 Расчёт и выбор
аппаратов защиты
Выбираем автоматический выключатель
для каждого потребителя:
Расчетные токи берем из предыдущих
расчетов [Раздел 2.2 расчет и выбор токоведущих частей]:
QF1: Iр1=53,6 А
Выбираю автоматический выключатель
по условию:
Iн>Iр1
Выбираю автоматический выключатель
марки ВА57-35 с номинальным током 40А
На электромагнитном расцепителе ток
трогания установлен на 440А
Определяем пусковой ток по формуле
10:
Iп=1,1 × Iр1 × 7; (10)
где: Iр1 - расчетный ток;
Iп=1,1 × 53,6 × 7 =412,72 А
Определяем максимальный
кратковременный ток по формуле 11:
Iкр=Iп × 1,25; (11)
Iкр=412,72 x 1,25 = 515,9 А
,9>51
Выключатели QF11-12 рассчитываются по
сумме токов:р11,12=Iр1+Iр2+Iр3+Iр4+Iр5+Iр6+Iр7+Iр8+Iр9+Iр10=53,6+179+143+107+71,6+125,3+35,7+50+143+107=1015,2
A
Выбираем выключатель ВА57-39, с
током теплового расцепителя 500 А и уставкой срабытывания электромагнитного
расцепителя 10Iном. и максимальным током
отключения 15000А
Выключатели к другим потребителям
рассчитаны аналогичным образом, данные сведены в Таблицу 2
Таблица 2. Расчет автоматических выключателей
|
№ автоматического выключателя
|
Расчетный ток, А
|
Номинальный ток, А
|
Марка выключателя
|
Кратко временный ток, А
|
Ток на электромагнитном расцепителе, А
|
|
QF1
|
53,6
|
8
|
ВА57-35
|
469
|
2500
|
|
QF2
|
179
|
250
|
ВА57-35
|
1957,8
|
1250
|
|
QF3
|
143
|
200
|
ВА57-35
|
1251,25
|
2000
|
|
QF4
|
107
|
160
|
ВА57-35
|
936,25
|
2000
|
|
QF5
|
71,6
|
100
|
ВА57-35
|
626,5
|
1600
|
|
QF6
|
125,3
|
160
|
ВА57-35
|
1096,3
|
800
|
|
QF7
|
35,7
|
50
|
ВА57-35
|
312,4
|
2000
|
|
QF8
|
50
|
63
|
ВА57-35
|
437,5
|
2500
|
|
QF9
|
143
|
200
|
ВА57-35
|
1251,25
|
1600
|
|
QF10
|
107
|
160
|
ВА57-35
|
936,25
|
2000
|
|
QF11-12
|
1015,2
|
1600
|
ВА 88-40
|
-
|
-
|
|
QF13
|
460,4
|
800
|
ВА 88-40
|
-
|
-
|
2.4 Расчет токов
короткого замыкания
Расчет токов короткого замыкания и
выбор оборудования на стороне 0,4 кВ.
Для расчёта тока короткого замыкания
на стороне 0,4 кВ составим расчётную схему:
Для расчёта тока короткого замыкания
на стороне 0,4 кВ составим схему замещения:
Рассчитаем ток короткого замыкания
для точек к1и к2 по формуле 12:
; (12)
где, UН - напряжение номинальное, В;
Zк - общее сопротивление;
Ом.
Рассчитываем сопротивление
трансформатора для точек по формуле 13:
; (13)
где, UK - напряжение к.з%;
STP-номинальная
мощность трансформатора, В*А;
Oм
Находим общее
сопротивление для точки к1 по формуле 14:
; (14)
Находим общее сопротивление для
точки к2 по формуле 15:
; (15)
где, r2 - сопротивление шины, Ом;
r4
- сопротивление кабеля, Ом;
Oм
Общее сопротивление в точке к2 для
остальных потребителей рассчитываю аналогичным образом, данные сведены в
таблицу 3.
Находим ток короткого замыкания для
точки к1 по формуле 16:
A; (16)
Находим токи короткого замыкания для
точки к2 по формуле 17:
A;
(17)
Токи короткого замыкания
для остальных потребителей в точке к2 рассчитаны аналогичным образом, данные
сведены в таблицу 3.
Таблица 3. Расчёты токов короткого
замыкания
|
№ линии
|
Активное/индуктивное
сопротивление
|
Общее сопротивление Уч.1 Ом
|
Общее сопротивление Уч.2 Ом
|
Ток КЗ Уч.1
|
Ток КЗ Уч. 2
|
Чувствительность
|
|
L1
|
0,11/0,004
|
0,0086
|
0,1215
|
2689
|
1903
|
|
L2
|
0,06/0,012
|
0,0086
|
0,0754
|
2689
|
3076
|
6,2
|
|
L3
|
0,018/0,003
|
0,0086
|
0,0349
|
2689
|
6625
|
13,3
|
|
L4
|
0,093/0,018
|
0,0086
|
0,2016
|
2689
|
4587
|
9,2
|
|
L5
|
0,027/0,005
|
0,0086
|
0,0408
|
2689
|
5667
|
11,3
|
|
L6
|
0,041/0,004
|
0,0086
|
0,0535
|
2689
|
4321
|
8,6
|
|
L7
|
0,177/0,018
|
0,0086
|
0,1897
|
2689
|
1218
|
2,4
|
|
L8
|
0,062/0,012
|
0,0086
|
0,0734
|
2689
|
3150
|
6,3
|
|
L9
|
0,106/0,011
|
0,0086
|
0,1186
|
2689
|
1949
|
3,9
|
|
L10
|
0,031/0,006
|
0,0086
|
0,0434
|
2689
|
5328
|
10,7
|
Расчет расчёт тока короткого
замыкания на стороне 10 кВ
Для расчётов токов короткого
замыкания на стороне 10кВ составим расчётную схему:
Для расчёта токов короткого
замыкания на стороне 10 кВ составим схему замещения:
Для выбора кабеля находим рабочий
ток по формуле 18:
; (18)
где
- номинальная мощность
подстанции;

-номинальное напряжение.
Iр=40,8
A
По расчетному току выбираем кабель
АС-35/6,2 с сечением жилы 16 мм2, со следующими параметрами:
R0=1,84 Ом/км;
X0=0,068 Ом/км.
Сопротивление трансформатора:
Xтр=0,007 Ом
Рассчитаем активное сопротивление
вводного кабеля по формуле 19:
Rк=R0×L; (19)
Где: R0-удельное индктивное сопротивление кабеля, Ом/км;
L-протяженность кабельной линии ввода, км.
Rк=1,84×10=18,4 Ом
Рассчитываем индуктивное
сопротивление вводного кабеля по формуле 20:
Xk=X0×L; (20)
Где: Х0-удельное
индуктивное сопротивление кабеля, Ом/км;
L-протяженность кабельной линии ввода, км.
Хк=0,068×1,3=0,68 Oм
Рассчитываем полное сопротивление
линии по формуле 21:
; (21)
Где Rk-активное
сопротивление кабеля, Ом;
Rр-активное сопротивление
контактов разъединителя, Ом (Rр=0,003Oм);
Rв-активное сопротивление
контактов выключателя, Ом (Rр=0,005 Ом);
Xk-индуктивное сопротивление кабеля, Ом;
Xтр- индуктивное
сопротивление кабеля, Ом.
Ом;
Определяем ток короткого
замыкания по формуле 22:
; (22)
A;
Определяем ударный ток
по формуле 23:
; (23)
где 
-ударный коэффициент. (Ky=1,02).
Ударный коэффициент
определяем из отношения реактивного сопротивления кабеля к активному, Ky= 1,02
470 A
Определяем тепловой
импульс по формуле 24:
; (24)
где 
-время действия,
108241 кА2×сек;
2.5 Выбор оборудования
на стороне 10 кВ
Выбор оборудования на стороне 10 кВ
представлен в таблице 4:
Таблица 4
|
Расчетные данные
|
Каталожные данные
|
|
КСО-305-1-630
|
КСО-305-2-630
|
ШМР-305-1-630
|
|
UУСТ=10,5
кВ
|
Uном=10
кВ
|
Uном=10
кВ
|
Uном=10
кВ
|
|
Umax= 10.5кВ
|
Umax= 12кВ
|
Umax= 12кВ
|
Umax= 12кВ
|
|
Ip=40,8
А
|
630А
|
630А
|
630А
|
|
iу=470
А
|
21кА
|
21кА
|
21кА
|
|
Bк
= 108241, А2*сек
|
30
|
30
|
30
|
Выбираем:
1. Предохранители ПКТ103-6
(10)- - 20 (FU1-FU6);
. Выключатель нагрузки:
ВНА-10/630з с приводом ПР-10, ВНВР-10/630-20з с приводами ПРС-10,
ВНМ-10/630-20з с приводом ПП-16М (Q1, Q2, Q5, Q6);
. Трансформатор силовой (T1, T2);
2.6 Выбор оборудования
на стороне 0,4 кВ
На основе предыдущих расчётов выбираем
распределительные щиты:
ЩО-70-3-05 МД - 2 шт.
ЩО-70-3-20 МД с током 630А - 2 шт.
ЩО-70-3-АВР - 1 шт.
Выбираем автоматические выключатели,
выбор и расчёт которых был произведён в теме [2.3 Расчёт и выбор аппаратов
защиты].
3. Требования по ОТ и ТБ
при эксплуатации РУ подстанций
Устройство электроустановок, зданий
и сооружений, в которых они размещаются, организация их эксплуатации и ремонта
должны отвечать требованиям системы стандартов безопасности труда (ССБТ) и
правилам техники безопасности.
Средства защиты, приспособления и
инструмент, применяемые при обслуживании электроустановок, должны подвергаться
осмотру и испытаниям в соответствии с действующими НТД по охране труда.
Персонал электрохозяйства должен
руководствоваться инструкциями по охране труда, устанавливающими требования
безопасности при выполнении работ в электроустановках и на электрооборудовании
в объеме, обязательном для работников данной должности (профессии). Инструкции
разрабатываются в соответствии с Положением о разработке инструкции по охране
труда».
Каждый работник электрохозяйства
обязан знать и выполнять требования безопасности труда, относящиеся к
обслуживаемому оборудованию и организации труда на рабочем месте.
На каждом предприятии работа по
созданию безопасных условий труда должна соответствовать положению о системе
управления охраной труда, устанавливающему единую систему организации и
безопасного производства работ, функциональные обязанности лиц из
электротехнического, технологического и другого персонала, их взаимоотношения и
ответственность по должности. Руководитель предприятия и ответственные за
электрохозяйство (главные энергетики, начальники отделов, служб
электроснабжения) несут персональную ответственность за создание безопасных
условий труда для работников электрохозяйств и организационно-техническую
работу по предотвращению случаев поражения персонала электрическим током.
Ответственные за электрохозяйство структурных подразделений предприятий
(начальники электроцеха, подстанций, служб, лабораторий, мастера и т.д.) должны
обеспечивать проведение организационных и технических мероприятий по созданию
безопасных и здоровых условий труда, инструктаж с наглядным показом и обучение
персонала безопасным методам работы, а также систематический контроль за
соответствием оборудования требованиям ССБТ, соблюдением персоналом требований
безопасности труда и применением им предохранительных приспособлений,
спецодежды и других средств индивидуальной защиты в зависимости от характера
выполняемой работы.
Персонал, находящийся в помещениях с
действующим оборудованием (за исключением щитов управления, релейных и им
подобных), в закрытых и открытых распределительных устройствах, колодцах,
камерах, каналах и туннелях электростанций, электрических сетей, на
строительной площадке и в ремонтной зоне, а также при обслуживании воздушных
линий электропередачи должен надевать защитные каски.
При эксплуатации электроустановок
должны приниматься меры для предупреждения или ограничения прямого и косвенного
воздействия на окружающую среду выбросов загрязняющих веществ в атмосферу и
сбросов сточных вод в водные объекты, снижения звукового давления и сокращения
потребления воды из природных источников.
Выброс загрязняющих веществ в
атмосферу должен быть не выше предельно допустимых или временно согласованных
выбросов, сброс загрязняющих веществ в водные объекты - норм предельно
допустимых сбросов, шумовое воздействие - норм звуковой мощности, установленных
для каждого объекта.
На предприятии, эксплуатирующем
электрооборудование с большим объемом масла (трансформаторы, масляные реакторы,
выключатели и т.д.), должны быть разработаны мероприятия по предотвращению
аварийных и иных залповых выбросов его в окружающую среду.
Предприятия, на которых при
эксплуатации электроустановок образуются токсичные отходы, должны обеспечивать
их своевременную утилизацию, обезвреживание и захоронение.
Эксплуатация электроустановок без
устройств, обеспечивающих соблюдение установленных санитарных норм и
природоохранных требований, или с неисправными устройствами, не обеспечивающими
соблюдение этих требований, запрещается.
При эксплуатации электроустановок, в
целях охраны водных объектов и атмосферы от загрязнения, необходимо
руководствоваться: «Основами водного законодательства», государственными и
отраслевыми стандартами по охране водных объектов от загрязнения, «Инструкцией
о порядке согласования и выдачи разрешений на специальное водопользование»,
«Правилами охраны поверхностных вод от загрязнения сточными водами»,
«Рекомендациями по приемке, пуску и наладке установок очистки производственных
сточных вод», государственными и отраслевыми стандартами, регламентирующими
загрязнение атмосферы, законом «Об охране атмосферного воздуха».
В процессе выполнения
курсового проекта была разработана трансформаторная подстанция 10/0,4 кВ с РУ
на 10 кВ. Произведен расчёт и выбор мощности и количества трансформаторов ГПП.
Расчитаны и выбраны токоведущие части, ставлена схема электроснабжения ГПП.
Рассчитаны токи короткого замыкания на шинах ГПП, с помощью которых выбрано и
проверено основное оборудование ГПП (выключатели, трансформаторы тока и
напряжения, разъединители, проходные и опорные изоляторы, сборные шины). Так же
выполняя курсовое проектирование пользовался справочной литературой, ГОСТами,
едиными нормами и расценками, таблицами, приобретая навыки составления
технико-экономических записок, подготавливаясь к дипломному проектированию.
В связи с широким развитием
электрификации промышленности, электроустановки на любом промышленном
предприятии являются важным звеном, от которого в большей мере зависит
нормальная работа предприятия.
Эксплуатация электроустановок должна
производиться при минимальных затратах материальных средств и рабочей силы, а
выполнение рабочей программы должна достигаться путем совершенствования
технологических процессов производства при наименьшем расходе электроэнергии.
Одним из наиболее действующих
способов поддержания оборудования в должном техническом состоянии и продления
срока службы является качественный и своевременный ремонт.
Литература
1. Б.Ю. Липкин «Электроснабжение промышленных предприятий и
установок», Москва, «Высшая школа», 1990 г.
. Л.Д. Рожкова, В.С. Козулин «Электрооборудование станций и
подстанций», Москва, «Энергия», 1969 г.
. Конспект лекций по предмету «Электрооборудование подстанций и
промышленных предприятий».
. Конспект лекций по предмету «Электроснабжение».