Выбор электрооборудования и релейной защиты системы внутризаводского электроснабжения

  • Вид работы:
    Курсовая работа (т)
  • Предмет:
    Физика
  • Язык:
    Русский
    ,
    Формат файла:
    MS Word
    172,96 Кб
  • Опубликовано:
    2017-06-08
Вы можете узнать стоимость помощи в написании студенческой работы.
Помощь в написании работы, которую точно примут!

Выбор электрооборудования и релейной защиты системы внутризаводского электроснабжения

Введение

Системы электроснабжения промышленных предприятий относятся к большим сложным системам и обладают характерными свойствами, которые нужно учитывать при проектировании для обеспечения устойчивой работы СЭ как в нормальных, так и в переходных режимах.

Поэтому в области электроснабжения потребителей важной задачей является повышение уровня проектно-конструкторских разработок, внедрение и эксплуатация высоконадежного электрооборудования, снижение непроизводительных расходов электроэнергии при ее передаче, распределении и потреблении.

Распределительные электрические сети являются важным звеном в системе производства, передачи и потребления электрической энергии. Большое значение для надёжной работы электросетей имеет правильное выполнение и настройка устройств релейной защиты и противоаварийной автоматики (РЗА) и в том числе правильный выбор рабочих параметров срабатывания (рабочих уставок) аппаратуры РЗА.

Курсовая работа является одной из важнейших составных частей общего курса РЗА. В процессе выполнения данной работы выбираются защиты и рассчитываются уставки для цеховых (заводских) распределительных сетей, производится согласование защит для обеспечения надёжности, максимального быстродействия и селективности.

Рис. 1

1. Выбор ЛЭП системы электроснабжения

.1       Выбор ВЛ W1,W2 питающей трансформатор T1,T2

 

Питание РУ осуществляется по двум ВЛЭП длиной 3 км. В свою очередь РУ питает 2 трансформатора ТДН-4000/10. Номинальный ток трансформатора равен:

 А.

Максимально возможный ток (ток в ПАР) равен:

Iн.max=2·Iном.Т=2·219,94=439,886А.

Выбираем провод марки АС сечением 240 мм2 - Iдоп=610 А

.2       Выбор кабеля W3,W4 питающего асинхронный двигатель М1,М2

Номинальный ток АД серии АТД исполнения 2АЗМ1-400/6000УХЛ4

 А,

где: кВт - номинальная активная мощность АД.

 кВ - номинальное напряжение АД.

 - коэффициент мощности.

 - номинальный коэффициент полезного действия АД.

Выбираем кабель на 6 кВ марки ААШв-3Ч25 для прокладки в земле (температура среды +350 С).

А.

Расчётный длительно допустимый ток кабеля:

 А.

Условие выполняется:

Iном.М=42,27 А < Iдоп=60,9 А.

Определяем экономически целесообразное сечение:

мм2 > 25 мм2.

Однако, учитывая небольшую длину линии, окончательно принимаем кабель с сечением жил 25 мм2.

 кА.

.3       Выбор кабеля W5,W6 питающего трансформатор T3,T4

Кабель питает цеховую ТП с двумя трансформаторами Т3, Т4 по 0,4МВА=400 КВА каждый.

Номинальный первичный ток трансформатора равен:


В нормальном режиме работы длительный ток нагрузки составит:

Iн=0,7 · Iном.Т3,4=25,66 А

Максимальный ток нагрузки ПАР равен:

Iн.max=1,4 · Iном.Т3,4=51,32 А

Выбираем кабель марки ААГ-3Ч25 для прокладки в канале (температура окружающей среды +350 С).

Iдоп. ном=70 А.

Расчетный длительный допустимый ток кабеля:

Iдоп=Кс.н.·Кср·Iдоп.ном=1,0·0,87·70=60,9 А,

где: Кс.н=1,0; Кср=0,87.

Условие выполняется: Iн.max=51,32 А < Iдоп=60,9 А.

Определим экономически целесообразное сечение:

 мм2 <25 мм2,

где: Jэ=1,3 (А/мм2) для Tmax=1750 ч.

Допустимый ток термической стойкости кабеля для времени действия 0,1 с основной релейной защиты (МТО) на Q9 равен:

 кА,

где: С=94 А·с2/мм2 - для кабелей с алюминиевыми однопроволочными жилами; tс.з.=0,1 с - предполагаемое время действия основной релейной защиты; to.Q=0,1 c - полное время отключения выключателя КЛЭП; фа=0,01 с - постоянная времени апериодической составляющей тока КЗ.

.4       Выбор ВЛ W7,W8, питающей трансформатор T5,T6

 

Питание осуществляется по двум ВЛЭП длиной 0,35 км, питает 2 трансформатора мощностью 250 КВА. Номинальный ток трансформатора равен:

 А.

Максимально возможный ток (ток в ПАР) равен:

Iн.max=2·Iном.Т=2·22,91=45,82А.

Выбираем провод марки АС сечением 10 мм2 - Iдоп=53 А.

.5       Выбор кабеля W9(W10), W11(W12) питающего трансформатор T7,Т9 и Т8,Т10

 

Кабель КЛЭП W9(W10) питает трансформатор Т7(Т8) мощностью 0,1МВА и трансформатор Т9(Т10) мощностью 0,1МВА

В нормальном режиме работы, при коэффициенте загрузки трансформаторов равном 0,7, ток нагрузки будет равен:


Максимальный ток нагрузки ПАР равен:

Iн.max=2 · Iн,W9,W10=36,65 А

Выбираем кабель марки ААГ-3Ч16 для прокладки в канале (температура окружающей среды +350 С).

Iдоп. ном=50 А.

Расчетный длительный допустимый ток кабеля:

Iдоп=Кс.н.·Кср·Iдоп.ном=1,0·0,87·50=43,5 А,

где: Кс.н=1,0; Кср=0,87.

Условие выполняется: Iн.max=36,65 А < Iдоп=43,5 А.

Определим экономически целесообразное сечение:

 мм2 <16 мм2,

где: Jэ=1,3 (А/мм2) для Tmax=1750 ч.

Допустимый ток термической стойкости кабеля для времени действия 0,1 с основной релейной защиты (МТО) на Q13 равен:

 кА,

где: С=94 А·с2/мм2 - для кабелей с алюминиевыми однопроволочными жилами; tс.з.=0,1 с - предполагаемое время действия основной релейной защиты; to.Q=0,1 c - полное время отключения выключателя КЛЭП; фа=0,01 с - постоянная времени апериодической составляющей тока КЗ.

Кабель КЛЭП W11(W12) питает трансформатор Т9(Т10) мощностью 0,1МВА:


Максимальный ток нагрузки ПАР равен:

Iн.max=2 · Iн,W11,W12=18,32 А

Выбираем кабель марки ААГ-3Ч10 для прокладки в канале (температура окружающей среды +350 С).

Iдоп. ном=42 А.

Расчетный длительный допустимый ток кабеля:

Iдоп=Кс.н.·Кср·Iдоп.ном=1,0·0,87·42=36,54 А,

где: Кс.н=1,0; Кср=0,87.

Условие выполняется: Iн.max=18,32 А < Iдоп=36,54 А.

Определим экономически целесообразное сечение:

 мм2 <10 мм2,

где: Jэ=1,3 (А/мм2) для Tmax=1750 ч.

Допустимый ток термической стойкости кабеля для времени действия 0,1 с основной релейной защиты (МТО) на Q13 равен:

 кА.

2. Предварительный расчет токов КЗ

Исходная схема замещения для расчёта токов КЗ представлены на рис. 2.

Рис. 2. Схема замещения прямой (обратной) последовательности

Произведем расчет токов КЗ для выбора аппаратов и проводников, их проверки по условиям термической и электродинамической стойкости при КЗ.

.1. Расчет сопротивлений элементов схемы замещения.

Расчет токов КЗ производится в именованных единицах. Определяются сопротивления схемы замещения, приведенные к напряжению Uб=6,3 кВ.

Сопротивление системы:

 Ом,

Сопротивление ВЛЭП 10,5 кВ (W1,W2):

Ом,

где: Ом/км - удельное сопротивление линии; кВ - среднее напряжение на котором находится система.

Сопротивление трансформаторов Т1 и Т2 ТДН-4000/10:

Ом.

Активное и реактивное сопротивления кабельных линий W3 и W4:

Ом;

Ом,

где: xуд, rуд - удельные сопротивления кабеля.

Сопротивление асинхронных двигателей М1 и М2 (Pном.М1 =400 кВт) при номинальной нагрузке:

электроснабжение трансформатор ток номинальный

Ом.

Активное и реактивное сопротивления кабельных линий W5 и W6:

Ом;

Ом,

Реактивное сопротивление линий W7 и W8:

Ом;

Активное и реактивное сопротивления кабельных линий W9 и W10:

Ом;

Ом,

Активное и реактивное сопротивления кабельных линий W11 и W12:

Ом;

Ом.

.2 Расчет тока КЗ в точке К-1

Суммарное сопротивление от энергосистемы до точки К-1 равно:

Ом.

Начальное значение периодической составляющей тока в месте КЗ со стороны системы:

кА.

Начальное значение периодической составляющей тока в месте КЗ со стороны синхронных двигателей М1 и М2:

кА.

Определяем необходимость учета подпитки от АД:

,

что больше 2 и подпитка от АД учитывается.

Номинальный ток АД серии АТД исполнения 2АЗМ1-400/60000УХЛ4:

 А,

где: кВт - номинальная активная мощность АД,  кВ - номинальное напряжение АД,  - коэффициент мощности,  - номинальный коэффициент полезного действия АД.

Суммарное значение периодической составляющей тока в точке К-1 (в начале КЛЭП W9):

 кА < кА.

Суммарный ток КЗ в цепи АД также не превышает допустимый ток термической стойкости:

 кА < кА.

.3 Расчет тока КЗ в точке К-2

Суммарное сопротивление от энергосистемы до точки К-4 равно:

 Ом.

Полное сопротивление равно:

Ом.

Начальное значение периодической составляющей тока в точке К-2:

кА кА > кА.

В данном случае, условие термической стойкости кабеля не выполняется. Нужно принять меры по ограничению действия тока КЗ. Целесообразно увеличить сечение КЛЭП до ближайшего стандартного сечения 16 мм2, т.к.


3. Расчет токов КЗ и токов самозапуска промышленной нагрузки для выбора уставок РЗ

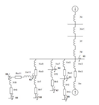
Рис. 3. Схема замещения распределительной сети

.1 Расчет тока КЗ в точке К-1

Рассчитаем реактивные сопротивления силового трансформатора ГПП с учётом работы устройства РПН.

Напряжения, соответствующие крайним ответвлениям:

кВ;

кВ,

где: ΔUрпн=10 % - ступень регулирования трансформатора.

Так как напряжение Uвн.max больше максимально допустимого напряжения для данной сети (11,5), то принимаем Uвн.max=11,5 кВ.

Сопротивления трансформаторов в максимальном и минимальном режимах:

Ом;

Ом,

где: Uk%T1max=6,9 -максимальное напряжение короткого замыкания трансформатора;

Uk%T1min=6,2 - минимальное напряжение короткого замыкания трансформатора.

Наименьшее и наибольшее сопротивления схемы замещения участка сети, приведенные к Uб=10,5 кВ:

Ом,

где:

 Ом,

Ом,

Ом,

где:

 Ом,

Определим максимальные и минимальные первичные токи, проходящие через защищаемый трансформатор при КЗ между тремя фазами на шинах 6 кВ:

кА;

кА;

Определим токи трехфазного КЗ за силовым трансформатором, приведенные к стороне 6,3 кВ. Максимальный ток трехфазного КЗ приводится к нерегулируемой стороне НН:

кА;

Минимальный ток КЗ в точке К-1, приведенный к стороне НН:

кА;

Минимальный ток двухфазного КЗ в точке К-1 равен:

кА;

Результирующее сопротивление от ЭС до точки К-1 в максимальном режиме, приведенное к Uб=6,3 кВ будет равно:

Ом;

Результирующее сопротивление от ЭС до точки К-1 в минимальном режиме:

Ом.

.2 Расчет тока КЗ в точке К-2

Максимальное и минимальное значения тока при металлическом трёхфазном КЗ в точке К-2:

кА;

кА.

Минимальный ток двухфазного КЗ в точке К-2:

кА.

.3 Расчет тока КЗ в точке К-3

Максимальное и минимальное значения тока при металлическом трёхфазном КЗ в точке К-3:

кА;

кА.

Минимальный ток двухфазного КЗ в точке К-3:

кА.

.4 Расчет тока КЗ в точке К-4

Максимальное и минимальное значения тока при металлическом трёхфазном КЗ в точке К-4:

кА;

кА.

Минимальный ток двухфазного КЗ в точке К-4:

кА.

.5 Расчет тока КЗ в точке К-5

Результирующее сопротивление от системы до точки К-5 максимальном и минимальном режимах:


Максимальное и минимальное значения тока при металлическом трёхфазном КЗ в точке К-5:

кА;

кА.

Минимальный ток двухфазного КЗ в точке К-4:

кА.

.6 Расчет тока КЗ в точке К-6

Определим полное сопротивление трансформатора Т3 ТМ-400, приведенное к стороне ВН:

Ом.

Активное сопротивление трансформатора Т3, приведенное к стороне ВН:

Ом.

Индуктивное сопротивление трансформатора Т3, приведенное к стороне ВН:

Ом.

Результирующее полное сопротивление от системы до точки К-6 в максимальном режиме:


Максимальное значение тока при металлическом трёхфазном КЗ в точке К-6 приведенное к стороне ВН (Uвн=6.3 кВ):

кА.

Максимальное значение тока при металлическом трёхфазном КЗ в точке К-6 приведенное к стороне НН (Uнн=0,69 кВ):

кА.

Суммарное активное сопротивление цепи КЗ, приведенное к стороне НН:

Ом,

где:

Ом - активное сопротивление от системы до цехового трансформатора отнесенное к стороне НН;

Ом - активное сопротивление цехового трансформатора, приведенное к стороне НН;

Ом - активное сопротивление шинопровода типа ШМА4-1600 от трансформатора до секции шин 0,69 кВ, протяженностью 10 м.

гкв=0,00014 Ом - активное сопротивление токовых катушек и контактов автоматического выключателя.

rк=0,001мОм - активное сопротивление контактов коммутационных аппаратов цепи КЗ;

rп=0,007 Ом - активное переходное сопротивление дуги в разделке кабеля, отходящего от секции шин 0,69 кВ.

Суммарное индуктивное сопротивление цепи КЗ, приведенное к стороне НН:

Ом,

где:

Ом - индуктивное сопротивление от системы до цехового трансформатора в минимальном режиме приведенное к стороне НН;

Ом - индуктивное сопротивление от системы до цехового трансформатора в минимальном режиме приведенное к стороне ВН;

Ом - индуктивное сопротивление цехового трансформатора, приведенное к стороне НН;

Ом - индуктивное сопротивление шинопровода от трансформатора до секции шин 0,69 кВ, протяженностью 10 м.

xкв=0,00008 Ом - индуктивное сопротивление токовых катушек и контактов автоматического выключателя.

Минимальное значение тока трехфазного КЗ вблизи секции шин 0.4 кВ с учетом активного сопротивления дуги:

кА.

Минимальное значение тока трехфазного КЗ в точке К-6, отнесенное к стороне ВН:

кА.

.7 Расчет тока КЗ в точке К-7

Определим полное сопротивление трансформатора Т3 ТМ-250, приведенное к стороне ВН:

Ом.

Активное сопротивление трансформатора Т3, приведенное к стороне ВН:

Ом.

Индуктивное сопротивление трансформатора Т3, приведенное к стороне ВН:

Ом.

Результирующее полное сопротивление от системы до точки К-7 в максимальном режиме:


Максимальное значение тока при металлическом трёхфазном КЗ в точке К-7 приведенное к стороне ВН (Uвн=6,3 кВ):

кА.

Максимальное значение тока при металлическом трёхфазном КЗ в точке К-7 приведенное к стороне НН (Uнн=0,69 кВ):

кА.

Суммарное активное сопротивление цепи КЗ, приведенное к стороне НН:

Ом,

где:

Ом - активное сопротивление от системы до цехового трансформатора отнесенное к стороне НН;

Ом - активное сопротивление цехового трансформатора, приведенное к стороне НН;

Ом - активное сопротивление шинопровода типа ШМА4-1250 от трансформатора до секции шин 0,69 кВ, протяженностью 10 м;

гкв=0,00025 Ом - активное сопротивление токовых катушек и контактов автоматического выключателя. rк=0,001Ом - активное сопротивление контактов коммутационных аппаратов цепи КЗ; rп=0,012 Ом - активное переходное сопротивление дуги в разделке кабеля, отходящего от секции шин 0,69 кВ. Суммарное индуктивное сопротивление цепи КЗ, приведенное к стороне НН:

Ом,

где:

Ом - индуктивное сопротивление от системы до цехового трансформатора в минимальном режиме приведенное к стороне НН;

Ом - индуктивное сопротивление от системы до цехового трансформатора в минимальном режиме приведенное к стороне ВН;

Ом - индуктивное сопротивление цехового трансформатора, приведенное к стороне НН;

Ом - индуктивное сопротивление шинопровода от трансформатора до секции шин 0,69 кВ, протяженностью 10 м.

xкв=0,0001 Ом - индуктивное сопротивление токовых катушек и контактов автоматического выключателя.

Минимальное значение тока трехфазного КЗ вблизи секции шин 0.4 кВ с учетом активного сопротивления дуги:

кА.

Минимальное значение тока трехфазного КЗ в точке К-7, отнесенное к стороне ВН:

кА.

3.7 Расчет тока КЗ в точке К-8

Определим полное сопротивление трансформатора Т3 ТМ-100, приведенное к стороне ВН:

Ом.

Активное сопротивление трансформатора Т3, приведенное к стороне ВН:

Ом.

Индуктивное сопротивление трансформатора Т3, приведенное к стороне ВН:

Ом.

Результирующее полное сопротивление от системы до точки К-8 в максимальном режиме:


Максимальное значение тока при металлическом трёхфазном КЗ в точке К-8 приведенное к стороне ВН (Uвн=6,3 кВ):

кА.

Максимальное значение тока при металлическом трёхфазном КЗ в точке К-8 приведенное к стороне НН (Uнн=0,69 кВ):

кА.

Суммарное активное сопротивление цепи КЗ, приведенное к стороне НН:

Ом,

где:

Ом - активное сопротивление от системы до цехового трансформатора отнесенное к стороне НН;

Ом - активное сопротивление цехового трансформатора, приведенное к стороне НН;

Ом - активное сопротивление шинопровода типа ШМА4-1250 от трансформатора до секции шин 0,69 кВ, протяженностью 10 м.

гкв=0,00025 Ом - активное сопротивление токовых катушек и контактов автоматического выключателя.

rк=0,001Ом - активное сопротивление контактов коммутационных аппаратов цепи КЗ;

rп=0,012 Ом - активное переходное сопротивление дуги в разделке кабеля, отходящего от секции шин 0,69 кВ.

Суммарное индуктивное сопротивление цепи КЗ, приведенное к стороне НН:

Ом,

где:

Ом - индуктивное сопротивление от системы до цехового трансформатора в минимальном режиме приведенное к стороне НН;

Ом - индуктивное сопротивление от системы до цехового трансформатора в минимальном режиме приведенное к стороне ВН;

Ом - индуктивное сопротивление цехового трансформатора, приведенное к стороне НН;

Ом - индуктивное сопротивление шинопровода от трансформатора до секции шин 0,69 кВ, протяженностью 10 м.

xкв=0,0001 Ом - индуктивное сопротивление токовых катушек и контактов автоматического выключателя.

Минимальное значение тока трехфазного КЗ вблизи секции шин 0,69 кВ с учетом активного сопротивления дуги:

кА.

Минимальное значение тока трехфазного КЗ в точке К-8, отнесенное к стороне ВН:

кА.

.9 Расчет тока КЗ в точке К-9

Сопротивление трансформатора Т9 ТМ-100, приведенное к стороне ВН:

Ом.

Активное сопротивление трансформатора Т3, приведенное к стороне ВН:

Ом.

Индуктивное сопротивление трансформатора Т3, приведенное к стороне ВН:

Ом.

Результирующее полное сопротивление от системы до точки К-9 в максимальном режиме:


Максимальное значение тока при металлическом трёхфазном КЗ в точке К-9 приведенное к стороне ВН (Uвн=6,3 кВ):

кА.

Максимальное значение тока при металлическом трёхфазном КЗ в точке К-9 приведенное к стороне НН (Uнн=0,69 кВ):

кА.

Суммарное активное сопротивление цепи КЗ, приведенное к стороне НН:

Ом,

где:

Ом - активное сопротивление от системы до цехового трансформатора отнесенное к стороне НН;

Ом - активное сопротивление цехового трансформатора, приведенное к стороне НН;

Ом - активное сопротивление шинопровода типа ШМА4-1250 от трансформатора до секции шин 0,69 кВ, протяженностью 10 м.

гкв=0,00025 Ом - активное сопротивление токовых катушек и контактов автоматического выключателя.

rк=0,001Ом - активное сопротивление контактов коммутационных аппаратов цепи КЗ;

rп=0,012 Ом - активное переходное сопротивление дуги в разделке кабеля, отходящего от секции шин 0,69 кВ.

Суммарное индуктивное сопротивление цепи КЗ, приведенное к стороне НН:

Ом,

где:

Ом - индуктивное сопротивление от системы до цехового трансформатора в минимальном режиме приведенное к стороне НН;

Ом - индуктивное сопротивление от системы до цехового трансформатора в минимальном режиме приведенное к стороне ВН;

Ом - индуктивное сопротивление цехового трансформатора, приведенное к стороне НН;

Ом - индуктивное сопротивление шинопровода от трансформатора до секции шин 0,69 кВ, протяженностью 10 м.

xкв=0,0001 Ом - индуктивное сопротивление токовых катушек и контактов автоматического выключателя.

Минимальное значение тока трехфазного КЗ вблизи секции шин 0,69 кВ с учетом активного сопротивления дуги:

кА.

Минимальное значение тока трехфазного КЗ в точке К-9, отнесенное к стороне ВН:

кА.

Расчётные значения токов КЗ во всех точках схемы сведены в таблице 3.1.

Таблица 3.1

Ток КЗ

К-2

К-3

К-4

К-5

К-6

К-7

К-8

К-9

, кА

3,17

2,87

3,01

2,97

1,84

1,06

0,72

0,22

0,22

, кА

3,13

2,83

2,97

2,93

1,82

0,61

0,41

0,13

0,13

, кА

2,75

2,45

2,58

2,53

1,58

-

-

-

-


3.10 Расчет тока самозапуска линии W5

Сопротивление обобщенной нагрузки, отнесенное к номинальной мощности трансформатора и среднему значению междуфазного напряжения стороны ВН:

Ом,

В соответствии со схемой замещения (рис. 2), эквивалентное сопротивление при самозапуске равно:

Ом

Ток самозапуска:

А.

Коэффициент самозапуска:

,

где:

А - номинальный ток трансформатора Т3.

.11 Расчет тока самозапуска линии W7

Сопротивление обобщенной нагрузки, отнесенное к номинальной мощности трансформатора и среднему значению междуфазного напряжения стороны ВН:

Ом,

В соответствии со схемой замещения (рис. 2), эквивалентное сопротивление при самозапуске равно:

Ом

Ток самозапуска:

А.

Коэффициент самозапуска:

,

где:

А - номинальный ток трансформатора Т5.

.12 Расчет тока самозапуска линии W9

Сопротивление обобщенной нагрузки, отнесенное к номинальной мощности трансформатора и среднему значению междуфазного напряжения стороны ВН:

Ом,

В соответствии со схемой замещения (рис. 2), эквивалентное сопротивление при самозапуске равно:

Ом

Ток самозапуска:

А.

Коэффициент самозапуска:

,

где:

А - номинальный ток трансформатора Т7.

.13 Расчет тока самозапуска линии W11

Сопротивление обобщенной нагрузки, отнесенное к номинальной мощности трансформатора и среднему значению междуфазного напряжения стороны ВН:

Ом,

В соответствии со схемой замещения (рис. 2), эквивалентное сопротивление при самозапуске равно:

Ом

Ток самозапуска:

А.

Коэффициент самозапуска:

,

где:

А - номинальный ток трансформатора Т9.

4. Выбор выключателей и защит на стороне НН цеховых трансформаторов

.1 Выбор вводного QF1(QF2) и секционного QF3 выключателей и расчет их уставок

Номинальный ток обмотки НН силового трансформатора Т3 равен:

А.

Этому значению соответствует ток самозапуска:

А,

где: kсзп=2,47 - коэффициент самозапуска линии W5.

С учетом допустимой перегрузки трансформатора максимальный ток нагрузки равен:

А.

Максимальное и минимальное значения тока при трехфазном КЗ за трансформатором в точке К-6, отнесенные к напряжению 0,69 кВ, равны:

кА,

кА.

Ток срабатывания защиты от перегрузки вводного выключателя серии ВА с полупроводниковым расцепителем БПР равен:

А.

Принимаем выключатель ВА55-39 с номинальным током Iном.в=630 А. Выбираем номинальный ток расцепителя:

А,

что соответствует току срабатывания защиты от перегрузки:

А,

Уставку по шкале времени принимаем 4 с при токе 6Iном.расц, при которой время срабатывания защиты от перегрузки tс.п в режиме самозапуска при кратности тока 827/630=1,31 по характеристике немного превышает 50 с. Таким образом, условие для тяжелых условий пуска (самозапуска) нагрузки выполняется:

 т. е. .

Произведем выбор тока срабатывания селективной отсечки вводного выключателя QF1.

По условию несрабатывания при самозапуске нагрузки:

А.

По условию несрабатывания защиты питающего секцию ввода QF1, при действии АВР секционного выключателя QF3, подключающего к этой секции нагрузку другой секции, потерявшей питание:

А,

где: kо=1,5 - коэффициент отстройки.

Iсзп2 - ток самозапуска секции, потерявшей питание и включившейся от АВР.

kз=0,7 - коэффициент загрузки трансформатора.

Принимаем уставку по шкале равной 3, что соответствует току срабатывания отсечки:

А.

Чувствительность отсечки при КЗ в точке К-6:

,

где: 1,1 - коэффициент запаса;  - коэффициент разброса срабатывания отсечки по току. Условие чувствительности выполняется.

Произведем проверку выбранного выключателя по условию электродинамической стойкости при значении kуд=1.7:

кА.<ПКС=47,5кА

Условие электродинамической стойкости при КЗ выполняется.

4.2 Выбор вводного QF4(QF5) и секционного QF6 выключателей и расчет их уставок

Номинальный ток обмотки НН силового трансформатора Т5 равен:

А.

Этому значению соответствует ток самозапуска:

А,

где: kсзп=2,5 - коэффициент самозапуска линии W7.

С учетом допустимой перегрузки трансформатора максимальный ток нагрузки равен:

А.

Максимальное и минимальное значения тока при трехфазном КЗ за трансформатором в точке К-7, отнесенные к напряжению 0,69 кВ, равны:

кА,

кА.

Ток срабатывания защиты от перегрузки вводного выключателя серии ВА с полупроводниковым расцепителем БПР равен:

А.

Принимаем выключатель ВА55-37 с номинальным током Iном.в=400 А. Выбираем номинальный ток расцепителя:

А,

что соответствует току срабатывания защиты от перегрузки:

А,

Уставку по шкале времени принимаем 4 с при токе 6Iном.расц, при которой время срабатывания защиты от перегрузки tс.п в режиме самозапуска при кратности тока 522/400=1,31 по характеристике немного превышает 50 с. Таким образом, условие для тяжелых условий пуска (самозапуска) нагрузки выполняется:

 т. е. .

Произведем выбор тока срабатывания селективной отсечки вводного выключателя QF4 по следующим условиям.

По условию несрабатывания при самозапуске нагрузки:

А.

По условию несрабатывания защиты питающего секцию ввода QF4, при действии АВР секционного выключателя QF6, подключающего к этой секции нагрузку другой секции, потерявшей питание:

А,

где: kо=1,5 - коэффициент отстройки.

Iсзп2 - ток самозапуска секции, потерявшей питание и включившейся от АВР.

kз=0,7 - коэффициент загрузки трансформатора.

Принимаем уставку по шкале равной 3, что соответствует току срабатывания отсечки:

А.

Чувствительность отсечки при КЗ в точке К-7:

,

где: 1,1 - коэффициент запаса;

 - коэффициент разброса срабатывания отсечки по току.

Условие чувствительности выполняется.

Произведем проверку выбранного выключателя по условию электродинамической стойкости при значении kуд=1.7:

кА.<ПКС=32,5кА

Условие электродинамической стойкости при КЗ выполняется.

4.3 Выбор вводного QF7(QF8) и секционного QF9 выключателей и расчет их уставок

Номинальный ток обмотки НН силового трансформатора Т7 равен:

А.

Этому значению соответствует ток самозапуска:

А,

где: kсзп=2,4 - коэффициент самозапуска линии W9.

С учетом допустимой перегрузки трансформатора максимальный ток нагрузки равен:

А.

Максимальное и минимальное значения тока при трехфазном КЗ за трансформатором в точке К-8, отнесенные к напряжению 0,69 кВ, равны:

кА,

кА.

Ток срабатывания защиты от перегрузки вводного выключателя серии ВА с полупроводниковым расцепителем БПР равен:

А.

Принимаем выключатель ВА57-33 с номинальным током Iном.в=160 А. Выбираем номинальный ток расцепителя:

А,

что соответствует току срабатывания защиты от перегрузки:

А,

Уставку по шкале времени принимаем 4 с при токе 6Iном.расц, при которой время срабатывания защиты от перегрузки tс.п в режиме самозапуска при кратности тока 201/128=1,57 по характеристике не превышает 50 с. Таким образом, условие для тяжелых условий пуска (самозапуска) нагрузки выполняется:

 т. е. .

Произведем выбор тока срабатывания селективной отсечки вводного выключателя QF7.

По условию несрабатывания защиты питающего секцию ввода QF7, при действии АВР секционного выключателя QF9, подключающего к этой секции нагрузку другой секции, потерявшей питание:

А,

где: kо=1,5 - коэффициент отстройки.

Iсзп2 - ток самозапуска секции, потерявшей питание и включившейся от АВР.

kз=0,7 - коэффициент загрузки трансформатора.

Принимаем уставку по шкале равной 3, что соответствует току срабатывания отсечки:

А.

Чувствительность отсечки при КЗ в точке К-8:

,

где: 1,1 - коэффициент запаса;

 - коэффициент разброса срабатывания отсечки по току.

Условие чувствительности выполняется.

Произведем проверку выбранного выключателя по условию электродинамической стойкости при значении kуд=1.7:

кА.<ПКС=32,5кА

Условие электродинамической стойкости при КЗ выполняется.

.3 Выбор вводного QF10(QF11) и секционного QF12 выключателей и расчет их уставок

Номинальный ток обмотки НН силового трансформатора Т9 равен:

А.

Этому значению соответствует ток самозапуска:

А,

где: kсзп=2,4 - коэффициент самозапуска линии W9.

С учетом допустимой перегрузки трансформатора максимальный ток нагрузки равен:

А.

Максимальное и минимальное значения тока при трехфазном КЗ за трансформатором в точке К-8, отнесенные к напряжению 0,69 кВ, равны:

кА,

кА.

Ток срабатывания защиты от перегрузки вводного выключателя серии ВА с полупроводниковым расцепителем БПР равен:

А.

Принимаем выключатель ВА57-33 с номинальным током Iном.в=160 А. Выбираем номинальный ток расцепителя:

А,

что соответствует току срабатывания защиты от перегрузки:

А,

Уставку по шкале времени принимаем 4 с при токе 6Iном.расц, при которой время срабатывания защиты от перегрузки tс.п в режиме самозапуска при кратности тока 201/128=1,57 по характеристике не превышает 50 с. Таким образом, условие для тяжелых условий пуска (самозапуска) нагрузки выполняется:

 т. е. .

Произведем выбор тока срабатывания селективной отсечки вводного выключателя QF10.

По условию несрабатывания защиты питающего секцию ввода QF10, при действии АВР секционного выключателя, при условии, что линя W10 выведена в ремонт, а секционный выключатель QF12 включен:

А,

где: kо=1,5 - коэффициент отстройки.

Iсзп2 - ток самозапуска секции, потерявшей питание и включившейся от АВР.

kз=0,7 - коэффициент загрузки трансформатора.

Принимаем уставку по шкале равной 3, что соответствует току срабатывания отсечки:

А.

Чувствительность отсечки при КЗ в точке К-9:

,

где: 1,1 - коэффициент запаса;

 - коэффициент разброса срабатывания отсечки по току.

Условие чувствительности выполняется.

Произведем проверку выбранного выключателя по условию электродинамической стойкости при значении kуд=1.7:

кА.<ПКС=32,5кА

Условие электродинамической стойкости при КЗ выполняется.

Основные параметры вводных и секционных выключателей типа ВА с реле БПР представлены в таблице 4.1.

Таблица 4.1

Выключатели

Тип выключателя

Ток срабатывания

Время срабатывания , с

QF1, QF2

ВА-55-39

1890

0,3

QF3

ВА-55-39

1890

0,2

QF4,QF5

ВА-55-37

1200

0,3

QF6

ВА-55-37

1200

0,2

QF7,QF8

ВА-57-33

384

0,3

QF9

ВА-57-33

384

0,2

QF10,QF11

ВА-57-33

422

0,3

QF12

ВА-57-33

422

0,2

5. Выбор защиты цеховых трансформаторов со стороны ВН

Расчет максимальной токовой защиты.

Ток защиты на Q9 выбирается по наиболее тяжелому условию обеспечения несрабатывания на отключение защиты линии W5 при послеаварийных перегрузках.

Первичный ток срабатывания МТЗ на Q9 при отключении трехфазного КЗ на отходящем элементе (точка К-6) заведомо меньше, чем при других послеаварийных режимах.

Первичный ток срабатывания МТЗ на Q9 при восстановлении питания действием АВР (QB1) после бестоковой паузы:

A,

где: Iн.max=1.4  Iном.Т5=1.4  36,65=51,32 А - максимальный ток нагрузки линии W5.

Первичный ток срабатывания МТЗ на Q9 при действии АВР (0,4):


где:  - коэффициент отстройки; - коэффициент возврата; kн - коэффициент, учитывающий увеличение тока двигателей не терявшей питание секции при снижении напряжения вследствие подключения нагрузки другой секции. При небольшой доле двигательной нагрузки равен 1,5; kз=0,7 - коэффициент загрузки трансформатора; - коэффициент самозапуска линии W5. Исходя из условия согласования по току с предохранителями принимаем А.

Ток срабатывания реле РТВ равен:

А,

где nT=100/5=20 - коэффициент трансформации ТТ (по максимальному рабочему току защищаемого трансформатора).

Производится согласование МТЗ на Q9 магистрального участка с отсечкой автоматического выключателя QF1. Определим ток срабатывания автоматического выключателя QF1, приведенный к стороне 6,3 кВ:

А.

По условию селективности с токовой отсечкой автоматического выключателя QF1 ток срабатывания МТЗ на Q9 определяется по выражению

А .

где:  - коэффициент надежности согласования с автоматическим выключателем ВА.

Как видно из расчетов, ток срабатывания МТЗ на Q9 блока W5-Т3 необходимо увеличить, приняв его равным =320А.

При ступени селективности 0,6 с МТЗ на Q9 должна иметь выдержку времени в независимой части:

tс.з.Q9 ≥ tпл+tгор+Δt=0.05+0.05+0.6=0.7 c,

где: tпл=0.05 с - время плавления предохранителя, tгор=0.05 с - время горения дуги; Δt=0.6 с - ступень селективности.

Чувствительность МТЗ на Q9 в основной зоне:

>1,5

Расчет селективной токовой отсечки.

Отстройка от максимального тока внешнего КЗ:

кА.

Проверяется надежность отстройки отсечки от броска тока намагничивания трансформаторов:

А.

Коэффициент чувствительности отсечки определяется при двухфазном КЗ на выводах 6 кВ силового трансформатора (точка К-4):

.

Расчет токовой защиты от однофазных замыканий на землю в обмотке или на выводах трансформатора, а так же питающей линии 6 кВ.

Емкостный ток линии W5 определяется как:

А.

Первичный ток срабатывания защиты выбирается из условия несрабатывания защиты от броска собственного емкостного тока линий при внешнем перемежающемся замыкании на землю:

А,

где: ko=1.2 - коэффициент отстройки; kб=2.5 - коэффициент, учитывающий бросок собственного емкостного тока.

Чувствительность защиты:

.

Расчет специальной токовой защиты нулевой последовательности на стороне НН трансформаторов Т3.

) Ток срабатывания специальной токовой защиты нулевой последовательности от КЗ на землю на стороне НН трансформатора Т3 выбирается из условия отстройки токов небаланса в нулевом проводе, куда включен трансформатор тока с реле KAZ:

А,

где: =1,5…2 - коэффициент отстройки; 0,751 - допустимое значение тока небаланса для трансформаторов Δ/Y

Коэффициент чувствительности:

≥1,5,

где Nт - коэффициент трансформации силового трансформатора.

Выбор плавких предохранителей для защиты трансформаторов Т3 и Т5 магистрального участка сети.

На стороне 6 кВ трансформатора Т3 выбираем кварцевый предохранитель 6 кВ типа ПКТ103-6-80-31,5У3, номинальный ток которого Iном=80 А. Ток отключения 31,5 кА значительно больше, чем максимальный ток КЗ в точке К-3, равный 3,01 кА.

6. Защита асинхронных двигателей напряжением выше 1000 В

На асинхронных электродвигателях напряжением выше 1000 В устанавливают защиту от следующих видов повреждений и ненормальных режимов: многофазных КЗ в обмотке статора и на ее выводах; замыканий на землю в обмотке статора; токов перегрузки; потери питания. Защиту от многофазных замыканий устанавливают на всех АД, она действует на отключение АД.

Защита от междуфазных повреждений.

В качестве основной защиты от междуфазных КЗ предусматриваем токовую отсечку.

Составляющая сверхпереходного тока от электродвигателя, протекающая через трансформатор тока при внешнем КЗ при условии, что до КЗ электродвигатель работал с номинальной нагрузкой:

А,

где: А - номинальный ток АД;

 - кратность пускового тока АД.

Ток срабатывания отсечки рассчитывается по выражению:

А,

Ток срабатывания реле отсечки:

А

где:  - коэффициент отстройки, учитывающий апериодическую составляющую тока КЗ и погрешность реле РТ-80;

 - коэффициент однорелейной схемы;

 - коэффициент трансформации трансформатора тока.

Определяем чувствительность защиты:

.

Защита от замыкания на землю обмотки статора.

Емкость фазы статора двигателя определяется по выражению:

Ф,

где: МВА - номинальная полная мощность электродвигателя;

Uном.М3=6 кВ - номинальное напряжение электродвигателя.

Собственный емкостной ток электродвигателя вычисляется по формуле:

А,

Емкостной ток линии, входящей в зону защиты, определяется по выражению:

А,

где: А/км - собственный емкостной ток единицы длины линии сечением 25 мм2. l=0,25 км - длина линии; m=1 - число проводов кабелей в фазе линии.

Установившееся значение собственного емкостного тока защищаемого присоединения определяется как сумма емкостных токов электродвигателя и линии;

А.

Первичный ток срабатывания защиты определяем по выражению:

А,

где: kо=1,3 - коэффициент отстройки, принимаемый равным 1,2…1,3; kбр=2,5 - коэффициент, учитывающий бросок собственного емкостного тока в момент зажигания дуг.

Так как полученное значение А оказывается меньше А для ТНП типа ТЗЛ, то ток срабатывания защиты принимается А. Согласно ПУЭ не требуется проверка чувствительности защиты ЭД от однофазных замыканий на землю. Рекомендуется обеспечивать условие:

Защита от перегрузки.

Ток срабатывания защиты МТЗ электродвигателя рассчитывается по выражению:

А,

Ток срабатывания реле МТЗ электродвигателя рассчитывается по выражению:

А,

 - коэффициент возврата индукционной части реле серии РТ-80.

 - коэффициент однорелейной схемы;

Выдержка времени МТЗ от перегрузки выбирается из условия надёжного несрабатывания защиты при пуске электродвигателя:

 с,

где: с - время пуска для электродвигателя.

7. Релейная защита на секционном выключателе

Расчет тока срабатывания МТЗ.

По условию согласования с наиболее грубой МТЗ на выключателе Q13 магистрального участка

А,

где: kн.с.=1,5 - для реле типа РТВ.

По условию обеспечения несрабатывания МТЗ при восстановлении питания после безтоковой паузы:


где: ko=1,2...1,4. Принимаем образом, А.

Коэффициенты чувствительности при КЗ в точках К-1, К-2, К-3, К-4 и К-5 больше требуемых, например для точки К-5:


С учётом редкого режима работы через QB2 уставка по времени МТЗ-3 может быть принята  с.

 

Рис. 3. Карта селективности

Заключение

1. Выбранная коммутационная и защитная аппаратура обеспечивает термическую и электродинамическую стойкость электрооборудования и силовых кабелей при возникновении токов КЗ.

. Зависимые времятоковые характеристики защитных устройств на смежных элементах сети согласуются между собой по условию селективности и обеспечивают достаточное быстродействие при близких КЗ. Чувствительность релейной защиты внутризаводского электроснабжения удовлетворяет требованию ПУЭ.

. Принятые технические решения отвечают требованиям действующих директивных материалов, ГОСТ и ПУЭ.

Литература

1. Скрипко В.К. Релейная защита и автоматика систем электроснабжения промышленных предприятий: Методические указания к курсовой работе. - Омск: ОмГТУ, 1994 г. - 32с.

2. Справочник по проектированию электроэнергетических систем: Под ред. Рокотяна С.С. и Шапиро И.М. - М.: Энергоатомиздат, 1985 г. - 352с.

3. Рожкова Л.Д., Козулин В.С. Электрооборудование станций и подстанций. - М.: Энергоатомиздат, 1987 г. - 648с.

4. Справочник по электрическим установкам высокого напряжения: Под ред. И.А. Баумштейна, С.А. Бажанова. - М.: Энергоиздат, 1989 г. - 768с.

5. А.А. Федоров, Л.Е. Старкова. Учебное пособие для курсового дипломного проектирования. - М.: Энергоатомиздат, 1987 г. - 368с.

6. Неклепаев Б.Н., Крючков Н.П. Электрическая часть электростанций и подстанций. - М.: Энергоатомиздат, 1989 г. - 608с.

7. Справочник по электроснабжению промышленных предприятий. / А.С. Овчаренко и др. Киев: Технiка, 1985 г. - 279с.

8. Шабад М.А. Расчёты релейной защиты и автоматики распределительных сетей. - Л.: Энергоатомиздат, 1985 г. - 296с.

9. Беляев А.В. Выбор аппаратуры, защит и кабелей в сетях 0,4 кВ. - Л.: Энергоатомиздат, 1988 г. - 176с.

10. Голоднов Ю.М. Самозапуск электродвигателей. - М.: Энергоатомиздат, 1985 г. - 136с.

11. Сборник директивных материалов по эксплуатации энергосистем (электрическая часть). - М.: Энергоиздат, 1981 г. - 632с.

12. Скрипко В.К. Выбор электрооборудования и релейной защиты внутризаводского электроснабжения промышленных предприятий: Учебное пособие. - Омск: ОмГТУ, 2000 г. - 80с.

Похожие работы на - Выбор электрооборудования и релейной защиты системы внутризаводского электроснабжения

 

Не нашли материал для своей работы?
Поможем написать уникальную работу
Без плагиата!
Без нейросетей!