Расчет электрической передачи тепловоза

  • Вид работы:
    Курсовая работа (т)
  • Предмет:
    Транспорт, грузоперевозки
  • Язык:
    Русский
    ,
    Формат файла:
    MS Word
    1,77 Мб
  • Опубликовано:
    2017-01-06
Вы можете узнать стоимость помощи в написании студенческой работы.
Помощь в написании работы, которую точно примут!

Расчет электрической передачи тепловоза

Исходные данные для выполнения курсового проекта


Назначение и род работы тепловоза - грузовой;

Nе = 2900 кВт - эффективная мощность дизеля;

n= 850 об/мин - номинальная частота вращения коленчатого вала дизеля;

Pсц = 1500 кН - сцепной вес тепловоза;

Dк = 1,25 м - диаметр движущих колес;

С = 6 - число тяговых электродвигателей;

V = 120 км/ч - максимальная (конструкционная) скорость тепловоза.

 

Введение


Передачей называется совокупность устройств, передающих вращающий момент от силовой установки к движущим колесам. Любой локомотив имеет силовую установку - дизель, бензиновый двигатель, газотурбинную установку и др., которая обладают своими специфическими характеристиками. Эти характеристиками далеко не всегда отвечают условиям реализации требуемой тяговой характеристики.

На тепловозах, в основном, применяются три вида передач: электрическая, гидравлическая и механическая.

Наибольшее распространение на тепловозах получила электрическая передача. Она бывает нескольких видов:

–        электромеханическая.

–        электрическая передача постоянно-постоянного тока.

–        электрическая передача переменно-постоянного тока.

–        электрическая передача переменно-переменного тока.

Электрическая передача постоянно-постоянного тока состоит из тягового генератора, приводимого во вращение дизелем, тяговых электродвигателей, расположенных на движущих колёсных парах тепловоза, а также ряда вспомогательных машин и аппаратов, связанных электрической схемой.

Несмотря на высокую стоимость, значительную массу, большой расход дефицитных материалов, около 80% мирового парка автономных локомотивов составляют тепловозы с электропередачей постоянного тока. Такое широкое применение электропередачи постоянного тока обусловлено особенностью ее характеристик, способностью при постоянных значениях момента и частоты вращения на входном валу изменять непрерывно в широком диапазоне момент и частоту на выходном валу, т. е. на осях движущих колесных пар.

Электрическая передача обеспечивает сочленённую работу нескольких секций (по системе многих единиц), управляемых с одного поста.

Характерной особенностью электрических передач, создаваемых в настоящее время, является увеличение их мощности и надежности при снижении удельных масс, габаритных размеров и стоимости механических элементов. В данном курсовом проекте изложен проект электрической передачи переменного тока с двумя ступенями ослабления возбуждения поля тягового генератора грузового тепловоза, конструкционная скорость которого равна 100 км/ч.

 

1. Определение основных параметров электрической передачи

скоростной магнитный тормозной тепловоз

Расчётная сила тяги определяется из условия реализации для тепловозов коэффициентов тяги на расчётном подъёме:

Fкр=Pсц yкр                                                                                    (1)

где Pсц - сцепной вес тепловоза, кН;

yкр - коэффициент тяги на расчётном подъёме.

Для тепловозов с электрической передачей расчётная сила тяги принимается равной длительной:

Fкр=Fк дл или yкр=yк дл.                                                             (2)

Таким образом, на расчётном подъёме перегрузочная способность электрических машин не используется, и тепловоз может двигаться в данном режиме неограниченное время.

В ряде случаев, например при разгоне поезда, или при движении по короткому участку с подъемом, превышающим расчетный, тепловоз развивает силу тяги, большую, чем длительную. Реализация такой силы тяги возможна за счет использования перегрузочной способности электрических машин, учитывая, что такие режимы непродолжительны и ограничение по нагреванию, вследствие тепловой инерции не успевает наступить.

Расчетный коэффициент тяги для грузовых тепловозов, в связи с непрерывным увеличением их удельной мощности и соответственно стремлением возить более тяжелые поезда, с достаточно высокими скоростями на расчетном подъеме имеет тенденцию к росту.

Для грузовых тепловозов мощностью более 2250 кВт величина расчётного коэффициента тяги принимается в пределах:

yкр=0,2-0,24.

Принимаем yкр=0,22.

Тогда расчетная сила тяги будет:

Fкр=1,5×0,22 =0,33 МН.

Длительная сила тяги определяется из выражения:

                                                                                        (3)

где Кпр - коэффициент перегрузки по силе тяги на расчетном подъеме,

Кпр =1,05...1,2.

Длительная сила тяги тепловоза будет:

 МН

Скорость тепловоза на расчетном подъеме определяется по формуле:

                                                                              (4)

где Nдг - мощность дизеля, передаваемая генератору, МВт;

hп - КПД электрической передачи.

hп=hг hд hз ηву                                                                               (5)

где hг - КПД тягового генератора при расчетном режиме принимаем 0,96;

hд - КПД тяговых электродвигателей при расчетном режиме принимаем 0,89 [1];

hз - КПД зубчатой передачи тягового редуктора, принимаем 0,99 [1];

ηву - КПД выпрямительной установки принимаем 0,98 [1];

Свободная мощность дизеля, МВт;

Nдг= Nе - Nвсп                                                                                 (6)

где Nвсп - мощность, потребляемая вспомогательными агрегатами тепловоза, МВт.

Nвсп = (0,08¸0,11) Nе                                                                       (7)

Таким образом,

Nдг= 2,9 - 0,09×2,9 = 2,639 МВт,

hп = 0,96×0,89×0,99·0,98 = 0,84

Мощность на зажимах тягового генератора (мощность, отдаваемая генератором тяговым электродвигателям), МВт,

                                                                                       (8)

Подставляя численные значения, получим

Максимальная мощность тепловозного генератора постоянного тока определяется коммутационными условиями и зависит от номинальной угловой скорости якоря; она ориентировочно может быть определена из соотношения

Ргн nд £ 2×106 кВт×об/мин                                                                (9)

где nд - частота вращения коленчатого вала дизеля, об/мин.

Таким образом,

,533·850×103 = 2,153×106 кВт·об/мин.

Так как полученное значение 2,153×106 > 2×106, то из всех видов электрических передач для проектируемого тепловоза выбираем передачу переменно тока.

Мощность на выходе из выпрямительной установки

                                                                              (10)

где ηсг - КПД синхронного генератора принимаем 0,96.

Мощность на зажимах тягового двигателя, МВт,

                                                                                    (11)

где С - число тяговых электродвигателей.

Таким образом

Мощность на валу тягового электродвигателя, МВт

Pд= Pпд hд                                                                                       (12)

Pд= 0,414×0,89=0,368 МВт.

2. Выбор схемы соединения тяговых электродвигателей


Основными факторами, определяющими выбор схемы соединения двигателей, являются схема управления их работой, коэффициент регулирования генератора Кг и максимальная скорость тепловоза при которой еще используется полная мощность его дизель-генератора V¢max .

Кг = (1,4¸1,6)                                                                                    (13)

Скорость максимального использования мощности современных тепловозов для грузового движения

V¢max= Vmax

откуда

V¢max= 120 км/ч.

 

.1 Постоянная схема соединения тяговых электродвигателей без ослабления поля


Если пренебречь падением напряжения в обмотках тягового электродвигателя, скорость движения тепловоза при постоянной схеме соединения тяговых электродвигателей без ослабления поля определяется по формуле

V`max=Vp∙Кр2/Кппн max                                                                 (14)

где Кппн max - степень насыщения магнитной системы электродвигателя при длительном (номинальном) режиме по отношению к режиму максимальной скорости V`max.

Значение Кппн max определяем из универсальной магнитной характеристики [1] следующим образом.

Задаваясь коэффициентом регулирования генератора для Кг токов Iппв min=100% / Кг и Iн=100%, проводят вертикальные линии до пересечения с кривой намагничивания (точки В и С на рисунке 1). Затем из начала координат ведут лучи ОВ и ОС до пересечения с горизонтальной линией АD.

Степень насыщения

Кппн max=tg∙γдл/ tg∙γппmin=AC/AB                                       (15)

Кппн max=100/78=1,282

Тогда, исходя из формулы (12) имеем

V`max=23,864∙1,62/1,282=47,652 км/ч.

2.2 Постоянная схема соединения тяговых электродвигателей с ослаблением поля


Максимальную скорость полного использования мощности тепловоза в этом случае определяют по формуле

V`max= Vp∙Кр2/(α∙Копн max)                                                          (16)

где α - коэффициент ослабления возбуждения;

Копн max - степень насыщения магнитной системы электродвигателя при длительном (номинальном) режиме по отношению к режиму ослабления поля при скорости V`max.

Степень насыщения определяют с помощью кривой намагничивания (см. рисунок 1)

Копн max= tg∙γдл/ tg∙γопmin=AC/AE                                                (17)

Копн max=100/49=2.041.

Минимальный ток возбуждения при ослаблении поля

Iопв min=α∙(100%/Кг)                                                                       (18)

Iопв min=0,25∙(100/1,6) =15.625%.

Тогда, исходя из формулы (14) имеем

V`max=23.864∙1,62/0,25∙2.041=119.724 км/ч.

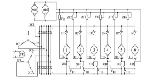
На рисунке 1 изображена схема соединения тяговых электродвигателей.

Рисунок - 1 Схема соединения тяговых электродвигателей

Обозначение на рисунке 1: ГС - тяговый синхронный генератор; 1-6 - тяговые электродвигатели; П1-П6 - силовые контакторы; Ш11-Ш61 и Ш12-Ш62 - контакторы ослабления возбуждения соответственно первой и второй ступени

В передаче мощности переменно-постоянного тока тяговый синхронный генератор ГС и тяговая выпрямительная установка образуют систему, напряжение которой подводится к тяговым электродвигателям постоянного тока 1-6. Выпрямленное напряжение имеет, кроме постоянной составляющей, спектр высших гармонических, частота и амплитуда которых определяются свойствами этой системы.

Пульсации тока на выходе выпрямительной установки неблагоприятно сказываются на коммутации тяговых электродвигателей и на КПД передачи мощности, поэтому целесообразно, насколько это возможно, уменьшать их амплитуду и увеличивать частоту.

 


3. Определение основных параметров электрических машин


Максимальное напряжение в силовой цепи принимают ниже установленного максимума, учитывая возможные перенапряжения в переходных процессах. Для тепловозов с параллельным соединением тяговых электродвигателей к генератору и большой мощностью

Uг max = 700 ¸ 750 В                                                                        (19)

Принимаем максимальное напряжение главного генератора проектируемой передачи Uг max = 725 В.

Определяем напряжение и ток тягового генератора в продолжительном режиме.

Напряжение и ток при длительном режиме

                                                                                      (20)


                                                                                    (21)

где Р гн - мощность генератора при номинальном (длительном) токе, кВт;

                                                                                     (22)

Таким образом,

Ргн = 2.39·0,96 = 2.533 МВт,

Максимальный пусковой ток принимают, исходя из перегрузочной способности электрических машин

Iг max = (1,3¸1,5)Iг н                                                                        (24)

Принимаем

Iг max = 1,4×5191= 7827 А.

Минимальное напряжение и ток генератора

                                                                            (25)

                                                                             (26)

где P²г - мощность генератора при максимальном токе, кВт,

P²г = Nдг h²max                                                                               (27)

P²г = 2639×0,96 = 2533 кВт,

Максимально допустимый ток по условиям коммутации А,

Iг ком » 2×Iг н                                                                                   (28)

Iг ком = 2×5591=11180 А.

Длительная мощность, соответствующая номинальному режиму работы электродвигателя, кВт


 


4. Построение внешней характеристики тягового генератора


Внешняя характеристика генератора Uг = f(Iг) имеет вид гиперболы и строиться по трем точкам с координатами (Iг.min, Uг.max); (Iг.дл, Uг.дл); (Iг.max, Uг.min). Справа и сверху она ограничивается отрезками, соответствующими ограничениями по максимальному току и напряжению генератора. Внешняя характеристика генератора показана на рисунке 2.

Рисунок 2 - Внешняя характеристика тягового генератора

5. Построение регулировочных характеристик передачи


Степень регулирования электрической передачи по скорости тепловоза характеризуется коэффициентом регулирования, представляющего собой отношение максимальной (конструкционной) скорости тепловоза к скорости продолжительного режима (расчетной),

                                                                                   (29)

Ослабление возбуждения тяговых электродвигателей является наиболее простым и распространенным методом повышения диапазона регулирования электрической передачи по скорости тепловоза.

Первоначально определяем минимальное значение коэффициента ослабления возбуждения тяговых электродвигателей, необходимое для обеспечения работы электрической передачи во всем диапазоне скоростей движения, вплоть до конструкционной скорости. Величина этого коэффициента определяется по формуле

                                                                         (30)

Подставляя численные значения, получаем

Коэффициент промежуточной ступени определяем по формуле

                                                                                         (31)

Скорость, до которой действует ограничение по сцеплению, а соответственно и ограничение по максимальному току рассчитываем по формуле

                                                                             (32)

Скорости переходов можно найти по формулам:

ослабления поля первой ступени

                                                                               (33)

ослабления поля второй ступени

                                                                          (34)


Задаваясь значениями скорости в диапазоне от 0 до V.max , строим регулировочные характеристики по формулам:

режим полного поля (ПП):

                                                                               (35)

                                                                                       (36)

где V - текущая скорость тепловоза, км/ч;

режим первой ступени ослабления возбуждения (ОП1):

                                                                       (37)

                                                                      (38)

режим второй ступени ослабления возбуждения (ОП2):

                                                                       (39)

                                                                     (40)

Регулировочные характеристики электрической передачи изображены на рисунке 3.

Рисунок 3 - Регулировочные характеристики электрической передачи при постоянном соединении тяговых двигателей с двумя ступенями ослабления поля

 


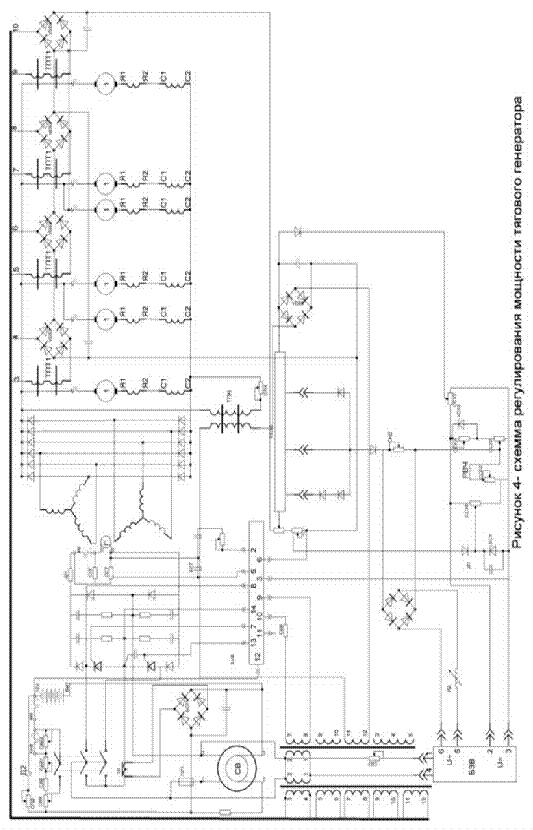
6. Разработка схемы регулирования мощности тягового генератора


Скорость тепловоза и тяговое усилие регулируется возбуждением тягового генератора и изменением частоты вращения вала дизеля. В качестве источника возбуждения тягового генератора применен однофазный синхронный генератор переменного тока СВ, напряжение которого выпрямляется в управляемом выпрямительном мосте УВВ и подается на обмотку возбуждения тягового генератора. Выпрямленное напряжение регулируется в управляемом выпрямительном мосте УВВ изменением момента открытия управляемых тиристоров, установленных в двух плечах моста.

Регулированием тока возбуждения тягового генератора предусматривается автоматическое поддержание постоянной мощности в рабочем диапазоне внешней характеристики, а также ограничения тока и напряжения тягового генератора при превышении максимально допустимых величин. Осуществляется это совместной объединенного регулятора дизеля, тахометрического блока задания БЗВ, узла обратной связи по току и напряжению выпрямителя ВУ генератора, селективного узла СУ и блока управления возбуждением БУВ.

Объединенный регулятор дизеля поддерживает установленную частоту вращения вала дизеля и совместно с индуктивным датчиком ИД и тахометрическим блоком БЗВ поддерживает заданную по позициям контроллера машиниста уровень мощности. Узел обратной связи по току и напряжению выпрямителя генератора состоит из трансформаторов постоянного тока ТПТ1 - ТПТ4 и напряжения ТПН с выпрямительными мостами на выходе.

При выходе из строя системы автоматического регулирования возбуждения в электрической схеме предусмотрен аварийный режим, при котором переключателем шунтируются тиристоры управляемого моста УВВ и он работает как обычный неуправляемый выпрямительный мост. На рисунке 4 представлена схема регулирования мощности тягового генератора.

 


7. Определение передаточного числа тягового редуктора


На современных тепловозах применяется индивидуальный привод колёсных пар, при котором каждая движущая ось имеет свой отдельный тяговый электродвигатель.

Применяем опорно-рамный способ подвешивания тяговых электродвигателей

Рисунок 5 - Опорно-осевое подвешивание ТЭД

Передаточное отношение зубчатой передачи определяют из условия получения конструкционной скорости тепловоза при максимально возможной окружной скорости якоря электродвигателя,

                                                                       (41)

где nд - частота вращения якоря электродвигателя, об/мин;- частота вращения оси колёсной пары, об/мин;

Vа max - максимально допустимая окружная скорость якоря, м/с;

Vamax = 70 м/с [1];

Da - диаметр якоря тягового электродвигателя, м; Da= 560 мм [1].

Частота вращения якоря тягового электродвигателя в номинальном (продолжительном) режиме работы nн, об/мин, и соответствующая ей скорость тепловоза Vр, км/ч, связаны соотношением

                                                                    (42)

где Dк - диаметр бандажей колесной пары по кругу катания, мм;

m - передаточное число тягового редуктора,

Предварительно полученное передаточное отношение проверяем на возможность размещения зубчатой передачи.

Максимально возможное по условиям размещения передаточное число

                                                                     (44)

где Dз и dз - диаметры делительных окружностей большого и малого зубчатых колес, мм; Zmax и zmin - соответственно их числа зубьев.

Минимальное число зубьев малой шестерни

                                                                                (45)

где dз min - минимальный диаметр делительной окружности шестерни, мм;

m - модуль зубчатой передачи;

Модуль зубчатой передачи m определяется из табл. 3, [1], в зависимости от величины номинального момента на валу электродвигателя.

Минимальный диаметр делительной окружности шестерни, мм

                                                                              (46)

где Dз max - максимально возможный диаметр делительной окружности большого зубчатого колеса, мм.

Номинальный момент определяем по расчетному значению силы тяги и предварительно полученному передаточному отношению тягового редуктора

                                                                      (47)

Таким образом, m = 10мм.

Максимально возможное число зубьев большого зубчатого колеса

                                                                                   (48)

где D3max - максимально возможный диаметр делительной окружности большого зубчатого колеса.

Dз max = Dк - 2×(h’+h”)                                                                     (49)

где h’ - расстояние между нижней точкой кожуха зубчатой передачи

и головкой рельса, мм; h’ = 130 мм;

h” - минимальное расстояние между делительной окружностью большого зубчатого колеса и нижней поверхностью кожуха; h” = 20мм.

Тогда

Dз max = 1250 - 2×(130+20) = 950мм.

Таким образом,

8. Определение основных размеров тягового электродвигателя


Централь передачи

    (50)

где Z и z - подобранные ранее числа зубьев зубчатого колеса и шестерни соответственно.

Централь опорно-рамной подвески должна быть увязана с диаметром якоря электродвигателя, который предварительно определяют в мм по формуле

   (51)

где Кя - коэффициент пропорциональности для с изоляцией класса F принимаем Кя = 600;

Рдн - мощность электродвигателя в номинальном режиме работы;

    (52)

Максимально возможный диаметр якоря

  (53)

где КD - коэффициент пропорциональности принимаем КD = 1,5[1];

do - диаметр оси колесной пары, do = 315 мм [2].

Выбираем нормализованную величину диаметра якоря, обеспечивающую минимальные отходы при штамповке листов железа якоря, а также вписывание двигателя в габариты. Принимаем Da = 560 [1].

Правильность выбора диаметра якоря тягового двигателя проверяем по допустимой максимальной окружной скорости V a max

   (54)

где nmax - максимальное число оборотов тягового электродвигателя, соответствующее конструкционной скорости тепловоза, об/мин

     (55)

Таким образом,

Ширина (диаметр) остова тягового электродвигателя связана с диаметром якоря соотношением

B = КD Dа                                                                                           (56)

B = 1,5×0,56=0,84

Максимально возможная ширина (диаметр) остова ограничивается величиной централи передачи и необходимостью размещения оси колесной пары.

         (57)

Высота остова обычно равна ширине и не должна быть больше

Нmax = Dк - 2×(а - x)                                                                           (58)

где а - расстояние от нижней части станины двигателя до головки рельса, а = 150 мм [1];

x - превышение оси вала электродвигателя над осью колёсной пары, x = 20 мм [1];

Нmax = 1250 - 2×(150 -20) = 990 мм.

Приведенный объём якоря равен

                                                      (59)

где Da - диаметр якоря генератора, м;

La - длина якоря, м;

at - расчётный коэффициент полюсного перекрытия, at = 0,68 [1];

А - линейная нагрузка якоря, А = 500 А/см [1];

Вd - магнитная индукция в воздушном зазоре, Вd = 0,9 Тл [1].

Таким образом,

Длина сердечника якоря, см

                                                                                           (60)

Таким образом,

Полюсное деление якоря, см,

                                                                                         (61)

где р - число пар полюсов электродвигателя.

Тогда

Принимаем простую петлевую двухслойную обмотку. В этом случае число параллельных ветвей обмотки 2а = 2р, а ток параллельной ветви определится по формуле

                                                                                (62)

Число проводников обмотки якоря

                                                                                    (62)

Тогда

Так как при двухслойной обмотке с каждой коллекторной пластиной связаны два проводника обмотки якоря, то число коллекторных пластин

                                                                                             (64)

Найденное число коллекторных пластин проверяется по допустимому среднему напряжению между ними при максимальном напряжении на зажимах тягового электродвигателя

                                                                     (65)

Далее предварительно оцениваем диаметр коллектора, мм,

Dкол = (0,8 - 0,85) Da                                                                       (66)

Dкол = 0,825 × 560=462 мм.

Определяем коллекторное деление

                                                                                      (60)

Число пазов якоря Z выбираем по графику (рисунок 7) [1]. По условиям симметрии Z/p должно быть числом целым, а для снижения амплитуды пульсаций магнитного потока в воздушном зазоре тягового электродвигателя - нечетным. Принимаем Z = 48.

Число коллекторных пластин на паз якоря электродвигателя

                                                                                             (67)

Число пазов уточняем проверкой объема тока по пазу

×nk×ia£1800 A                                                                                     (68)

×4×218,4=1747,2 A.

После того как все вышеперечисленные условия были удовлетворены, определяем число проводников якоря окончательно

N = 2×nk×Z                                                                                         (69)

N = 2× 4×50= 400

Определяем принятое ранее значение линейной нагрузки якоря в А/см

                                                                                        (70)

Таким образом,

Основной магнитный поток тягового электродвигателя, Вб,

                                                                                  (71)

где Едн - ЭДС тягового электродвигателя в продолжительном режиме, В,

Едн = 0,96×Uдн                                                                                 (72)

где Uдн - напряжение на зажимах тягового электродвигателя в продолжительном (номинальном) режиме.

Едн = 0,96×483,3=464 В.


9. Расчёт и построение характеристик тягового электродвигателя

 

.1 Магнитная характеристика (характеристика холостого хода)


Пересчет универсальной характеристики тепловозного тягового электродвигателя в натуральные значения производится по формулам:

                                                                                 (73)

                                                                                    (74)

где Фо% - значение основного магнитного потока, %;

Фо - значение основного магнитного потока, Вб;

Iд - ток тягового электродвигателя, А;

Iд % - ток тягового электродвигателя, %.

Расчёт сводим в таблицу 1, а по её данным строим характеристику холостого хода тягового электродвигателя. Она изображена на рисунке 6.

Таблица 1 - Расчет магнитной характеристики тягового электродвигателя

Iд% ,%

10

30

50

70

100

120

140

160

Iд ,А

87,36

262

436

611

873

1223

1398

Ф0%,%

15

55

75

90

100

106

111

114

Ф0,Вб

0,022

0,081

0,11

0,132

0,147

0,156

0,163

0,167



Рисунок 6 - Характеристика холостого хода тягового электродвигателя

9.2 Скоростная характеристика


Определяем точку продолжительного режима, соответствующую Iд = Iдн, км/ч,

                                                                       (75)

Задаваясь значениями Iд, определяем соответствующие им значения скорости тепловоза по формулам:

при полном поле (ПП)

                                                                           (76)

при первой ступени ослабления возбуждения (ОП1)

                                                                     (77)

при второй ступени ослабления возбуждения (ОП2)

                                                                 (78)

Расчёт сводим в таблицу 3, данным строим скоростные характеристики тягового электродвигателя. Они изображены на рисунке 6.

Таблица 3 - Расчет скоростной характеристики тягового электродвигателя

0,4Iдн

0,6Iдн

0,8Iдн

1Iдн

1,2Iдн

1,4Iдн

1,6Iдн

v(ПП)

94,2

51,3

33,3

23,8

18,1

14,4

11,8

v(OП1)

140,8

76,6

49,8

35,6

27,1

21,5

17,6

v(ОП2)

210,6

114,6

74,4

53,3

40,5

32,2

26,3


9.3 Тяговая характеристика электродвигателя


Расчетная сила тяги электродвигателя в продолжительном режиме

                                                           (79)

где hоб.к.н.=hдн×hз=0,92×0,99=0,911 - КПД тягового двигателя на ободе колеса

в продолжительном режиме.

Задаваясь значениями тока якоря двигателя такими же, как и в случае определения скоростных характеристик, вычисляем соответствующие значения силы тяги двигателя по формулам:

при полном поле (ПП):

                                                                        (80)

при первой ступени ослабления возбуждения (ОП1):

                                                             (81)

при второй ступени ослабления возбуждения (ОП2):

                                                  (82)

Расчёт сводим в таблицу 4, а по её данным строим тяговые характеристики тягового электродвигателя. Они изображены на рисунке 7.

Таблица 4 - Расчет тяговой характеристики тягового электродвигателя

0,4

0,6

0,8

1

1,2

1,4

1,6

Fд(ПП)

14,7

27

41,6

58,1

76,4

96,3

117,6

Fд(ОП1)

9,8

18,1

27,8

38,9

51,1

64,4

78,7

Fд(ОП2)

7,3

13,3

20,5

28,7

37,7

47,5

58,1

 

9.4 Характеристика КПД тягового электродвигателя


КПД тягового электродвигателя в функции тока якоря рассчитывается по аппроксимирующей формуле

             (83)

где Iд - ток якоря двигателя в %.

Расчёт сводим в таблицу 5, а по её данным строим характеристики КПД тягового электродвигателя. Они изображены на рисунке 7.

Таблица 5 - Расчет характеристики КПД тягового электродвигателя тепловоза

Iд, %

40

60

80

100

120

140

160

180

η(ПП)

0,879

0,902

0,905

0,893

0,87

0,841

0,809

0,78

η(ОП1)

0,906

0,94

0,952

0,948

0,93

0,904

0,875

0,846

η(ОП2)

0,896

0,934

0,951

0,949

0,935

0,912

0,884

0,857



Рисунок 7 - Рабочие характеристики тепловозного тягового электродвигателя

 


10. Расчёт и построение тяговой характеристики тепловоза по рабочих характеристикам тягового электродвигателя


Для расчета и построения тяговой характеристики тепловоза по рабочим характеристикам тягового электродвигателя пользуемся графическим методом.

Задаемся значением скорости тепловоза, сносим точку скорости по горизонтали на скоростную характеристику, соответствующую режиму работы тягового электродвигателя (ПП, ОП1, ОП2), далее по вертикали сносим точку на соответствующую тяговую характеристику электродвигателя (ПП, ОП1, ОП2) и, проведя горизонтальную линию с осью ординат Fд, определяем соответствующую этой скорости силу тяги, развиваемую двигателем на ободе колеса. Касательную силу тяги тепловоза определяем, умножив Fд на число тяговых двигателей тепловоза

                                                                                         (84)

Расчёт сводим в таблицу 6.

Таблица 6 - Расчет тяговой характеристики тепловоза


ПП

ОП1

V

10

14.4

20

23.8

30

34.3

40

45

50

55

60

63.9

140

104

75

62.5

49

42

35

34

30

28.5

25.5

23.5

840

624

450

375

294

252

210

204

180

171

153

141

N

2333

2496

2500

2479

2450

2401

2333

2550

2500

2612

2550

2503

V

70

75

80

85

90

95

100

105

110

115

119

120

22,5

20,5

20

19

18

17,5

16,5

15,5

14

13,5

13

12,5

135

123

120

114

108

105

99

93

84

81

78

75

N

2625

2563

2667

2692

2700

2771

2750

2712

2567

2587

2578

2500


На график тяговой характеристики тепловоза наносим:

- кривую ограничения по сцеплению, рассчитываемую по формуле,

                                                                                      (85)

где yк - расчетный коэффициент по сцеплению:

                                                                         (86)

- линию ограничения силы тяги по максимальному току тягового генератора (по условию коммутации тяговых электрических машин), соответствующую Vок и определяемую по токовой регулировочной характеристике как скорость, при которой Iг =Iгmax;

- линию продолжительного режима (ограничение по нагреву электрических машин), соответствующую Fк=Fкр;

- линию ограничения тяговой характеристики по конструкционной скорости v=vmax.

На этом же планшете для каждого из режимов наносим кривые мощности тепловоза в функции скорости. Расчет ведем по формуле

                                                                                      (87)

На рисунке 8 представлена тяговая характеристика тепловоза и зависимость Nк=f(v).

Рисунок 8 - Тяговая характеристика тепловоза и зависимость Nк=f(v)

 


11. Тормозные характеристики электрической передачи мощности тепловоза


При переводе тяговых электродвигателей в тормозной режим они отключаются от тягового генератора, их якорные обмотки присоединяются к тормозным резисторам, а обмотки возбуждения к источнику питания.

Тяговый электродвигатель в тормозном режиме, также как и в тяговом, имеет ряд ограничений, которыми определяются пределы регулирования тормозной силы, поэтому тормозные характеристики разделяют на два вида: предельные (ограничивающие) и регулировочные (частичные).

Предельные характеристики определяются некоторыми максимально допустимыми параметрами электрического торможения, к которым относятся:

- максимальный ток возбуждения тягового двигателя, допустимый по условиям нагревания катушек главных полюсов;

- максимальный тормозной ток, ограничиваемый нагреванием обмотки якоря тягового электродвигателя и тормозных резисторов;

- максимальная тормозная сила по условиям сцепления колес с рельсами;

- максимальное значение реактивной ЭДС в секции обмотки якоря.

В курсовой работе необходимо определить предельные характеристики электрического тормоза тепловоза по первым трем параметрам. Максимальный ток возбуждения и максимальный тормозной ток (максимальный ток якоря) принимаются равными току продолжительного режима тягового электродвигателя. Поэтому сила торможения будет равна силе тяги продолжительного режима

                                                                                      (88)

Максимальная тормозная мощность может быть получена при условии

                                                                (89)

Тогда линия ОА (рисунок 9) опишется уравнением

                                                                                       (90)

Линия АС, представляющая собой гиперболу, во всех точках которой тормозная мощность (произведение тормозной силы и скорости) постоянна, описывается уравнением

                                                                                  (91)

Тормозная мощность, кВт

                                                                       (92)

Таким образом,

Мощность системы электрического торможения на выводах тяговых электродвигателей

                                                                                    (93)

где hдт - КПД тягового электродвигателя в тормозном режиме, hдт= 0,91 [1].

Тогда

Напряжение на сопротивлении тормозного резистора, В

                                                                                      (94)

где Iа = Iдн - ток якоря в тормозном режиме при постоянной тормозной моности.

Эквивалентное тормозное сопротивление, Ом,

                                                                                        (95)

Подставляя численные значения, получим

Кривая ограничения тормозной силы по сцеплению при электрическом торможении рассчитываем по формуле

                                                                               (96)

где yк - расчетный коэффициент сцепления при торможении:

                                                                          (97)

Рисунок 10 - Области тормозных режимов тепловоза

При разработке схемы системы электрического торможения необходимо выполнять следующие требования: минимальные изменения в схеме электрической передаче мощности, использование серийного тепловозного оборудования, простоту схемы и минимальное количество коммутационной аппаратуры, стабильность и устойчивость тормозных характеристик.

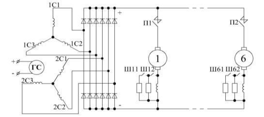
Якорь каждого тягового электродвигателя включается на отдельный тормозной резистор (рисунок 11). В качестве возбудителя используется тяговый генератор Г, к которому подсоединяются обмотки возбуждения тяговых электродвигателей, соединенных последовательно.

Так как цепь обмоток возбуждения имеет малое сопротивление, то для устойчивой работы тягового генератора цепь обмоток возбуждения включаются балластные резисторы. Кроме того, балластные резисторы снижают постоянную времени цепи, что повышает устойчивость систем регулирования скорости движения и тормозной силы при электрическом торможении. Для охлаждения тормозных резисторов используются два вентилятора с электродвигателями последовательного возбуждения. Электродвигатели получают питание от цепи тормозных резисторов. Каждый двигатель включен на часть тормозного резистора, секции этих резисторов включены параллельно с уравнительными соединениями для выравнивания токов в тормозных резисторах.

Перевод передачи мощности из тягового режима в тормозной осуществляется тормозным переключателем ТП в обесточенном состоянии. Питание обмотки возбуждения тягового синхронного генератора происходит от возбудителя СВ через управляемый выпрямитель УВВ.

Рисунок 11 - Принципиальная схема силовой цепи системы электрического торможения тепловозов с передачей переменно-постоянного тока. Обозначения на рисунке 11.2: ГС - тяговый синхронный генератор; 1-6 тяговые электродвигатели; П1-П6 - силовые контакторы; ОВ - обмотки возбуждения двигателей; ТП - тормозной переключатель;RТ1-RТ6 - тормозные резисторы; МВ1-МВ2 - мотор-вентиляторы

 

12. Расчет весовых и технико-экономических показателей проектируемых машин


Масса (вес) электрической машины постоянного тока ориентировочно определяется по следующей формуле:

                                                                              (98)

где Кm - коэффициент пропорциональности, принимаем для тягового элетродвигателя Кm = 10.

Подставляя численные данные, получаем

Удельная масса электрической машины постоянного тока определяется по следующим формулам:

                                                                                           (99)

                                                                                          (100)

Подставляя численные значения, получаем:


Список использованных источников


1. Невзоров, В. В. Проектирование и расчёт электрической передачи. учебно - методическое пособие для курсового проектирования В. В. Невзоров, С. В. Телегин - Гомель: БелГУТ, 2002. - 39 с.

2. Филонов, С. П. Тепловоз 2ТЭ116: учебник для вузов ж.-д. трансп./ С. П. Филонов, А. И. Гибалов, И. А. Черноусов; под ред. С. П. Филонова. - М.: Транспорт, 1977. - 320 с.

3. Луков Н. М. Передачи мощности тепловозов: учебник для вузовов ж.-д. трансп./ Н. М. Луков , В. В. Стрекопытов, К. И. Рудая; под ред. Н. М. Лукова. М.: Транспорт, 1987, - 279 с.

Похожие работы на - Расчет электрической передачи тепловоза

 

Не нашли материал для своей работы?
Поможем написать уникальную работу
Без плагиата!
Без нейросетей!