Проект реконструкции ПТБ ООО 'ГазпромТрансгаз Ухта' Шекснинское ЛПУ МГ с детальной разработкой участка уборочно-моечных работ

  • Вид работы:
    Дипломная (ВКР)
  • Предмет:
    Транспорт, грузоперевозки
  • Язык:
    Русский
    ,
    Формат файла:
    MS Word
    82,39 Кб
  • Опубликовано:
    2017-07-10
Вы можете узнать стоимость помощи в написании студенческой работы.
Помощь в написании работы, которую точно примут!

Проект реконструкции ПТБ ООО 'ГазпромТрансгаз Ухта' Шекснинское ЛПУ МГ с детальной разработкой участка уборочно-моечных работ

Введение

автомобиль технический ремонт производственный

Автомобильный транспорт является непременным условием жизни общества. В нашей стране автотранспорт - это основная составляющая часть всей транспортной системы государства. Без его участия не обходится ни одна отрасль народного хозяйства. Первостепенная роль принадлежит автотранспорту в создании материально-технической базы нашей страны. Значительный рост всех отраслей промышленности и культурно-бытовых потребностей населения в условиях рыночной экономики требует перемещения большого количества грузов и пассажиров [1].

Для повышения эффективности транспортных перевозок необходимо ускорять внедрение новой техники и технологий, повышать квалификацию персонала, улучшать условия его труда и быта, укреплять материально-техническую и ремонтную базу. Одновременно необходимо повышать безопасность движения, снижать отрицательное воздействие автотранспорта на окружающую среду.

Для продолжительной и безотказной службы автомобилей необходимо своевременно и точно выполнять все виды ТО и ремонта, руководствуясь рекомендациями завода-изготовителя. Надежность каждой единицы подвижного состава зависит от надежности всех ее узлов и агрегатов.

От безотказной работы автотранспорта зависит эффективность работы промышленных предприятий, выполнение поставленных задач, сроки выполнения обязательств. Особенно важна надёжная работа транспорта для крупных предприятий, имеющих высокий грузооборот и дальность перевозок. Транспортная составляющая имеет большой вклад в себестоимость продукции, а значит развитие, совершенствование, модернизация систем транспортного обслуживания промышленных предприятий является важной задачей.

Для создания благоприятных условий эксплуатации и обеспечения бесперебойной работы подвижного состава, предприятия автомобильного транспорта располагают производственно-технической базой (ПТБ), состояние и развитие которой должны всегда соответствовать численности и потребности подвижного состава предприятия.

ПТБ действующих предприятий автомобильного транспорта должна отвечать современным требованиям научно-технического прогресса и условиям рыночной экономики.

Современный уровень развития предприятий автомобильного транспорта, а также техники и технологии машиностроения, требует от специалистов высокого уровня знаний и навыков проектирования и реконструкции предприятий автомобильного транспорта.

Целью настоящей выпускной квалификационной работы (ВКР) является проект реконструкции проект реконструкции ПТБ ООО «ГазПромТрансГазУхта» Шекснинское ЛПУ МГ с детальной разработкой участка УМР.

В ходе выполнения ВКР рассчитывается производственная программа предприятия, число производственных и вспомогательных рабочих, административно-управленческий персонал, производственные зоны и участки, складские помещения, стоянки, компоновка производственного корпуса и генплана предприятия; а также количество, вид, расстановка необходимого технологического оборудования. Выполняется экономическое обоснование проекта.


1. Технико-экономическое обоснование проекта

.1 Характеристика предприятия и перспективы его развития

Шекснинское линейное производственное управление магистральных газопроводов (ЛПУ МГ) - филиал общества с ограниченной ответственностью «Газпром трансгаз Ухта» находится по адресу: Вологодская обл., поселок Шексна, компрессорная станция 1.

Основными задачами Общества являются транспорт газа по системе магистральных газопроводов, бесперебойная поставка газа промышленным и коммунально-бытовым потребителям [2].

Самый эффективный способ доставки природного газа потребителю - трубопроводный транспорт. Вологодская область давно стала «коридором», по которому он поставляется в другие регионы и за рубеж.

Газораспределительная система Вологодчины выполняет важнейшую социально-экономическую задачу - транспортировку этого природного топлива потребителям: промышленности, коммунально-бытовому сектору и населению.

Шекснинское линейное производственное управление магистральных газопроводов - это крупное, современное предприятие газовой отрасли, имеющее важное значение не только для Вологодской области, но и для всей страны.

Главная задача коллектива - обеспечение устойчивого газоснабжения потребителей и надежного функционирования газотранспортной системы, поставка газа потребителям, развитие производств, способствующих эффективной работе газотранспортной системы.

Шекснинское ЛПУ МГ - самое молодое линейное производственное управление на территории региона. Отчет своей деятельности оно ведет с 1 февраля 1979 года, когда из Вологодского ЛПУ МГ производственного объединения «Ухтатрансгаз» было выделено обособленное Бабаевское ЛПУ. Шекснинским же оно стало с июля 1986 года - именно в это время администрация предприятия и все основные службы окончательно передислоцировались в одноименный район.

Филиал ООО «Газпром трансгаз Ухта» Шекснинское ЛПУМГ обслуживает 5 магистральных газопроводов:

-       Горький - Череповец Ду 700;

-       Вологда - Череповец Ду 700;

-       Грязовец - Ленинград I Ду 1000;

-       Грязовец - Ленинград II Ду 1200;

-       СЕГ - 1 Ду 1400;

-       СЕГ - 2 Ду 1400.

Общая длина трубопроводов в однониточном исполнении составляет 1222 километра.

В составе Шекснинского ЛПУ МГ две компрессорных станции - КС -21 «Шексна» (4 цеха), КС -22 «Бабаево» (4 цеха) и бескомпрессорная промплощадка в Череповце.

В Шекснинском ЛПУ 16 газораспределительных станций, которые снабжают газом шесть районов области: Вологодский, Шекснинский, Череповецкий, Кадуйский, Бабаевский, Чагодощенский.

В ближайшем будущем планируется строительство газопровода - отвода на Вытегру длиной 380 км, с которой газ будет подаваться на ГРС «Кириллов», «Липин Бор», «Вытегра» и «Пудож». Так же в планах - строительство газопровода-отвода на Устюжну и ГРС «Устюжна», газ с которой будет транспортироваться не только на Устюженский район, но и в Ярославскую и Тверскую область.

Благодаря энергии и целеустремленности рабочего коллектива, Шекснинское линейное производственное управление превратилось в современное, стабильно работающее предприятие, где успешно решаются не только производственные, но и социальные проблемы. Много внимания уделяется развитию социальной инфраструктуры: благоустройству территории, оснащению и оборудованию рабочих мест, бытовых помещений.

Здание ремонтно-эксплуатационного блока (РЭБ) с открытой площадкой для стоянки техники предназначено для обеспечения надлежащего технического состояния машинной техники.

Здание ремонтно-эксплуатационного блока (РЭБ) представляет собой здание переменной этажности, прямоугольное в плане, размерами 15 х 64 м с открытым навесом размерами 15 х 12 м. Под навесом располагается открытый сварочный пост. Здание разделено противопожарной стеной первого типа на две части: административная часть и мастерская. Мастерская часть - одноэтажная, высота до низа конструкций 8 м. Административная часть - двухэтажная, высота этажа 3 м.

Организация мастерских предусматривает ведение производственно-хозяйственной деятельности производственных звеньев ЛПУМГ.

Мастерская включает в себя:

ремонтный бокс;

сварочный пост;

открытый навес для сварочного поста.

Для работающих на ЛПУ предусмотрены бытовые помещения, которые обеспечивают нормальные условия труда и быта работников. В комнате приема пищи предусмотрена необходимая бытовая техника (микроволновая печь, чайник, холодильник, плита, мойка), место для питьевой воды.

Время работы РЭБ: круглогодично, круглосуточно.

Максимальное количество персонала, работающего в рабочую смену, в сумме обслуживающий и инженерно-технический - 20 человек (18 мужчин и 2 женщины). Работа мастерских организована в одну смену.



1.2 Основные показатели работы предприятия и их анализ

автомобиль технический ремонт производственный

Коллектив Шекснинского ЛПУМГ работает стабильно, выполняет и перевыполняет планы по основным показателям. Так, суммарная годовая наработка газоперекачивающих агрегатов в 2016 году составила 77645 машино-часов. Аварийных пусков резервных электростанций по причине сбоев в работе электроснабжения не было.

На предприятии числится 252 единицы техники, в том числе:

66 единиц спецтехники;

22 прицепа;

107 единиц автомобилей общего назначения;

57 автомобилей специального назначения (пожарные - 5; краны - 17; специальные -35).

Парк техники постоянно увеличивается (рисунок 1).

Рисунок 1.1. Изменение количества подвижного состава Шекснинского ЛПУ МГ по годам (на 01 января каждого года)

Как видно из рисунка 1.1 больше всего техники было приобретено в 2015 году (18 единиц) и в 2014 году (29 единиц).

В планах предприятия дальнейшее увеличение объемов производства, поэтому парк подвижного состава будет увеличиваться с каждым годом.

Возрастная структура парка автомобилей, принадлежащих Шекснинскому ЛПУ МГ представлена на рисунке 1.2.

Рисунок 1.2. Возрастная структура подвижного состава Шекснинского ЛПУ МГ

Как видно из рисунка 1.2 больше всего подвижного состава эксплуатируется в возрасте от 5 до 10 лет. Но очень большой процент техники в возрасте старше 20 лет, и даже 30 лет. Таким образом, происходит старение автомобильного парка. И хотя техника постоянно закупается, обновление идет не такими быстрыми темпами, как это необходимо. Поэтому объем работ по техническому обслуживанию и ремонту возрастает.

Структура подвижного состава Шекснинского ЛПУ МГ представлена на рисунке 1.3.



Рисунок 1.3. Структура подвижного состава Шекснинского ЛПУ МГ

Затраты не техническое обслуживание и ремонт подвижного состава предприятия растут с каждым годом. Это связано как со старением техники, так и с растущей стоимостью на запасные части, агрегаты и материалы. На рисунке 1.4 представлено изменение количества затрат на ТО и ТР по годам на Шекснинском ЛПУ МГ.

Рисунок 1.4. Затраты на техническое обслуживание и ремонт подвижного состава Шекснинского ЛПУ МГ

1.3 Обоснование необходимости темы дипломного проекта

В связи с растущими затратами предприятие вынуждено искать пути уменьшения издержек на обслуживание техники.

Основной задачей дипломного проекта является реконструкция ПТБ предприятия путем введения участка уборочно-моечных работ (УМР) на предприятии с очистными сооружениями.

На предприятии в настоящее время мойка автотранспорта осуществляется в сторонних организациях. В ходе выполнения ВКР предлагается разработать участок УМР и производить мойку автомобилей общего назначения на территории предприятия своими силами. Это позволит сэкономить денежные средства предприятия и направить их на покупку новой техники для обновления парка. Для этих целей предлагается отвести помещение, используемое в настоящее время под стоянку легковых автомобилей.

Для удобства расчета подвижной состав объединяем в технологически однородные по составу работ и по трудоемкости группы (таблица 1.1). В расчеты включены автомобили, находящиеся территориально в п. Шексна.

Таблица 1.1. Подвижной состав Шекснинского ЛПУ МГ для проекта участка УМР

Подвижной состав

Количество, ед.

Грузовые автомобили

КАМАЗ-53212

4

КАМАЗ-54117

3

ГАЗ-3307

3

Самосвалы:


КАМАЗ-65111

10

Седельные тягачи:


КАМАЗ-65116

7

Автобусы

Особо малого класса: УАЗ-3909

10

Малого класса: ПАЗ-3204

3

Среднего класса: КАВЗ-4238

4

Большого класса: НЕФАЗ-5299

7

Легковые

УАЗ Патриот

9




2. Технический проект реконструкции ПТБ ООО «Газпромтрансгазухта» шекснинское ЛПУ МГ

.1 Расчет производственной программы по ТО и ТР подвижного состава

Выбор и корректирование нормативной периодичности ТО и ресурсного пробега

Для расчёта производственной программы предварительно необходимо для данного АТП выбрать нормативные значения пробегов подвижного состава до КР и периодичности ТО-1 и ТО-2, которые установлены положением для определённых, наиболее типичных условий, а именно: I категории условий эксплуатации, базовых моделей автомобилей, умеренного климатического района [3].

Для конкретного АТП эти условия могут отличаться, поэтому в общем случае нормируемые расчетные ресурсный пробег Lр и периодичность ТО-1 и ТО-2 Li определяются с помощью коэффициентов, учитывающих категорию условий эксплуатации - k1; модификацию подвижного состава - k2; климатические условия - k3, т.е.:

Lр= Lр(н)·k1·k2·k3, км, (2.1)

Li = Li (н)·k1·k3, км, (2.2)

где Lр(н) - нормативный ресурсный пробег автомобиля, км;

Li (н) - нормативная периодичность ТО i-го вида, км.

Количество дней работы автомобиля за цикл (Дц) рассчитывается по формуле, дн.

Дц=Lр/lcc, дн., (2.3)

где lcc - среднесуточный пробег автомобиля, км.

Количество дней работы автомобиля за цикл равно:

Количество дней работы автомобиля до ТО (ДТОр) определяется по формуле:

автомобиль технический ремонт производственный

ДТОр= Li/ lcc, дн., (2.4)

Скорректированный пробег до списания Lр равен:

                                                  (2.5)

где ДЦ(окр) - округленное до целого количество дней работы автомобилей за цикл.         

Скорректированный пробег до ТО (Li) равен:

LiТОi (окр) ∙ lсс, км.                  (2.6)

Результаты расчета представлены в таблице 2.1.

Таблица 2.1. Расчет нормативной периодичности ТО и ресурсного пробега

Показатели

КАМАЗ-53212

КАМАЗ-54117

ГАЗ-3307

КАМАЗ-65111

КАМАЗ-65116

УАЗ-3909

ПАЗ-3204

КАВЗ-4238

НЕФАЗ-5299

УАЗ Патриот

Нормативный ресурсный пробег Lр(н), км

500000

500000

300000

500000

350000

350000

400000

500000

500000

400000

К1

0,8

0,8

0,8

0,8

0,8

0,8

0,8

0,8

0,8

0,8

К2

1

1

1

0,85

0,95

1

1

1

1

1

К3

1

1

1

1

1

1

1

1

1

1

Среднесуточный пробег lcc, км

120

110

125

150

160

115

110

110

110

90

Расчетный ресурс-ный пробег Lр, км

400000

400000

240000

340000

266000

280000

320000

400000

400000

320000

Количество дней работы автомобиля за цикл Дц

3333

3636

1920

2267

1663

2435

2909

3636

3636

3556

Скорректированный расчетный ресурсный пробег Lр, км

399960

399960

240000

340050

266080

280025

319990

399960

399960

320040

Нормативная периодичность ТО-1 LТО-1 (н), км

10000

10000

10000

10000

10000

15000

15000

15000

15000

10000

Нормативная периодичность ТО-2 LТО-2 (н), км

30000

30000

30000

30000

30000

30000

30000

30000

30000

20000

Расчетная периодичность ТО-1 LТО-1 (н), км

8000

8000

8000

8000

8000

12000

12000

12000

12000

8000

Количество дней работы автомобиля за цикл Дц

67

73

64

53

50

104

109

109

109

89

Расчетная периодичность ТО-2 LТО-2 (н), км

24000

24000

24000

24000

24000

24000

24000

24000

24000

16000

Количество дней работы автомобиля за цикл Дц

200

218

192

160

150

209

218

218

218

178

Скорректированная периодичность ТО-1 LТО-1 (н), км

8040

8030

8000

7950

8000

11960

11990

11990

11990

8010

Скорректированная периодичность ТО-2 LТО-2 (н), км

24000

23980

24000

24000

24000

24035

23980

23980

23980

16020



Расчёт числа ТО за год

Так как пробег автомобиля за год отличается от его пробега за цикл, а производственную программу предприятия обычно рассчитывают за год, то для определения числа ТО за год необходимо сделать соответствующий перерасчёт полученных значений NТО-1, NТО-2, NЕос, NЕот за цикл к значениям NТО-1г, NТО-2г, NЕОсг, NЕОтг за год:

NТО-1ги×Lг×(1/L1 - 1/L2), ед., (2.7)

NТО-2г = Аи×Lг/L2 - 1, ед., (2.8)

NЕОс г = Аи×Драб.г.×aт, (2.9)

NЕОт г = å(N+åN)×1,6, ед., (2.10)

где    Lг - годовой пробег автомобиля, км;

Nгод - количество списаний автомобиля за год, ед.

Годовой пробег автомобиля находится по формуле:

Lг= lсс·Драб·αТ, (2.11)

где    Драб - количество дней работы автомобиля в году, Драб=307;

αТ - коэффициент технической готовности автомобиля.

При реконструкции АТП и использовании нормативов и системы их корректирования в соответствии с Положением [4] коэффициент aт определяется по формуле:

, (2.12)

где ДТО-ТР - удельная норма простоя подвижного состава в ТО на 1000 км пробега;

ДК - норматив простоя в капитальном ремонте, дней;

k4 - коэффициент корректирования простоев подвижного состава в ТО и ТР в зависимости от пробега с начала эксплуатации;

kк - коэффициент, учитывающий долю подвижного состава отправляемого в КР от их расчетного количества.

На практике в из-за различий в техническом состоянии и пробегах подвижного состава с начала эксплуатации не все автомобили, достигшие нормативного пробега до КР, направляются в капитальный ремонт, что приводит к появлению поломок на линии в технической системе подвижного состава. Если все автомобили достигли нормативного пробега Lк и направляются в капитальный ремонт, то kк = 1 и наоборот, если автомобили достигли Lк и продолжают эксплуатироваться, то kк = 0. Доля подвижного состава, направляемого в капитальный ремонт, устанавливается по отчетным данным АТП, а при отсутствии последних может быть принята для автобусов равной kк = 0,3 - 0,6 [3].

Следует отметить, что эксплуатация подвижного состава после достижения нормативного пробега значительно увеличивает простои его в ТО и ТР, что является следствием более частых отказов и текущих ремонтов. Для отдельных марок подвижного состава разный коэффициент готовности, следовательно и разный годовой пробег.

Расчет числа ТО за год представлен в таблице 2.2.

Таблица 2.2. Расчёт числа ТО за год

Показатели

КАМАЗ-53212

КАМАЗ-54117

ГАЗ-3307

КАМАЗ-65111

КАМАЗ-65116

УАЗ-3909

ПАЗ-3204

КАВЗ-4238

НЕФАЗ-5299

УАЗ Патриот

ДТО-ТР

0,48

0,6

0,35

0,53

0,53

0,2

0,25

0,3

0,35

0,22

k4

1,4

1,2

1,2

1,55

0,8

0,8

0,8

0,8

1

ДК






15

18

18

20


kк






0,5

0,5

0,5

0,5


αт

0,925

0,921

0,95

0,913

0,884

0,979

0,976

0,972

0,968

0,981

Lг

34077

31102

36456

42044

43422

34564

32960

32824

32689

27105

NТО-1г

11

8

9

35

25

15

4

5

10

15

NТО-2г

5

3

4

17

12

13

3

4

9

14

NЕОс г

1136

848

875

2803

1900

3006

899

1194

2080

2711

NЕОт г

26

18

21

83

59

45

11

14

30

46


Количество диагностических воздействий за год

Согласно ОНТП [5] диагностирование как отдельный вид обслуживания не планируется, и работы по диагностированию подвижного состава входят в объём работ ТО и ТР. Поэтому производственная программа диагностических воздействий определяется для принятия решения по организации технологического процесса ТО и ТР с применением диагностирования подвижного состава и может быть использована для расчета числа постов диагностики.

В соответствии с Положением [4] предусматриваются диагностирования подвижного состава Д-1 и Д-2.

Диагностирование Д-1 предназначено, главным образом, для определения технического состояния агрегатов, узлов и систем автомобиля, обеспечивающих безопасность движения. Д-1 проводится, как правило, с периодичностью ТО-1.

Таким образом, программа Д-1 на весь парк за год:

∑NД-1=1,1·NТО-1+NТО-2, ед, (2.13)

Число автомобилей, диагностируемых при ТР, согласно опытным данным, составляет примерно 10% от программы ТО-1 за год.

Диагностирование Д-2 предназначено для определения мощностных и экономических показателей автомобиля при ТО-2, а также для выявления объёмов ТР. Исходя из этого программа Д-2 на весь парк за год:

∑NД-2=1,2·NТО-2, (2.14)

Число автомобилей, диагностируемых при ТР, принято равным 20% от годовой программы ТО-2.

Расчет количества диагностических воздействий за год представлен в таблице 2.3.

Таблица 2.3. Расчёт числа диагностических воздействий за год

Показатели

КАМАЗ-53212

КАМАЗ-54117

ГАЗ-3307

КАМАЗ-65111

КАМАЗ-65116

УАЗ-3909

ПАЗ-3204

КАВЗ-4238

НЕФАЗ-5299

УАЗ Патриот

∑NД-1

17

12

14

56

40

30

7

10

20

31

∑NД-2

6

4

5

20

14

16

4

5

11

17


Определение суточной программы по ТО и диагностике

Суточная производственная программа является критерием выбора метода организации технического обслуживания (на отдельных универсальных постах или поточных линиях) и служит исходным показателем для расчета числа постов и линий ТО.

По видам ТО и диагностирования суточная производственная программа находится:

Nсут i=∑Niгодрабi, ед, (2.15)

где ∑Niгод - годовая программа по каждому виду ТО или диагностики в отдельности;

Драбi -годовое число рабочих дней зоны, предназначенной для выполнения того или иного вида ТО и диагностирования автомобилей.

Для АТП число дней работы в году зон ЕО принимается равным числу дней работы подвижного состава на линии. Преимущественно работа зон ЕО организуется в 2 смены. Для других зон и участков АТП при Аи<300 автомобилей рекомендуется в основном принимать Драб.г = 255 дней (одна 8-часовая смена), а при Аи>300 автомобилей Драб. г=305 дней (2 смены по 7 ч) [3].

Принимаем число дней работы для зоны ЕО ДрабгЕО =307, для других зон и участков ДрабгТО,Д =255.

Результаты вычислений заносим в таблицу 2.4.

Таблица 2.4. Расчет суточной программы по ТО и диагностике

Показатели

КАМАЗ-53212

КАМАЗ-54117

ГАЗ-3307

КАМАЗ-65111

КАМАЗ-65116

УАЗ-3909

ПАЗ-3204

КАВЗ-4238

НЕФАЗ-5299

УАЗ Патриот

NТО-1 сут, ед.

0,04

0,03

0,04

0,14

0,10

0,06

0,02

0,02

0,04

0,06

NТО-2 сут, ед.

0,02

0,01

0,02

0,07

0,05

0,05

0,01

0,02

0,04

0,05

NЕОс сут, ед.

3,70

2,80

2,90

9,10

6,20

9,80

2,90

3,90

6,80

8,80

NЕОт сут, ед.

0,08

0,06

0,07

0,27

0,19

0,15

0,04

0,05

0,10

0,15

NД-1 сут, ед.

0,07

0,05

0,05

0,22

0,16

0,12

0,03

0,04

0,08

0,12

NД-2 сут, ед.

0,02

0,02

0,02

0,08

0,05

0,06

0,02

0,02

0,04

0,07


2.2 Расчёт годового объёма работ

Годовой объем работ по АТП определяется в человеко-часах и включает объемы работ по ЕО, ТО-1, ТО-2, ТР и самообслуживанию предприятия. На основе этих объемов определяется численность рабочих производственных зон и участков.

Для расчета годового объема работ предварительно для подвижного состава проектируемого АТП устанавливают нормативные трудоемкости ТО и ТР, а затем их корректируют с учетом конкретных условий эксплуатации соответствующими коэффициентами.

Выбор и корректирование нормативных трудоёмкостей

При реконструкции действующего АТП пользуются нормативами Положения [4].

Расчетная нормативная (скорректированная) трудоемкость ЕО:

tЕО = tЕОн k2 k'5, чел.·ч., (2.16)

где tЕО - нормативная трудоемкость ЕОс, чел.· ч;

k2 - коэффициент, учитывающий модификацию автомобилей;

k'5 - коэффициент корректирования нормативов трудоемкости ТО и ТР в зависимости от количества обслуживаемых и ремонтируемых автомобилей на АТП и количество технологически совместимых групп подвижного состава.

Расчетная нормативная (скорректированная) трудоемкость ТО-1 и ТО-2:

ti = tiн k2 k'5, чел.·ч., (2.17)

где tiн - нормативная трудоемкость ТО-1 или ТО-2, чел.· ч;

Удельная расчетная нормативная (скорректированная) трудоемкость текущего ремонта:

tтр = tтрн k1 k2 k3 k'4 k'5, чел.·ч., (2.18)


где tтрн - нормативная удельная трудоемкость ТР, чел.·ч/1000 км;

k′4 - коэффициент корректирования нормативов удельной трудоемкости ТР в зависимости от пробега с начала эксплуатации;

k'5 - коэффициент корректирования нормативов трудоемкости ТО и ТР в зависимости от количества обслуживаемых и ремонтируемых автомобилей на АТП и количество технологически совместимых групп подвижного состава.

Результаты расчёта нормативных (скорректированных) трудоемкостей ЕО, ТО-1, ТО-2, ТР представлены в таблице 2.5.

Таблица 2.5. Скорректированные трудоемкости ЕО, ТО-1, ТО-2

Показатели

КАМАЗ-53212

КАМАЗ-54117

ГАЗ-3307

КАМАЗ-65111

КАМАЗ-65116

УАЗ-3909

ПАЗ-3204

КАВЗ-4238

НЕФАЗ-5299

УАЗ Патриот

tЕОс(н), чел.∙ч.

0,4

0,6

0,3

0,5

0,5

0,25

0,3

0,4

0,5

0,25

tЕОт(н), чел.∙ч.

0,2

0,3

0,15

0,25

0,25

0,125

0,15

0,2

0,25

0,125

tТО-1(н), чел.∙ч.

7,5

10

3,6

7,8

7,8

4,5

6

7,5

9

3,4

tТО-2(н), чел.∙ч.

24

35

14,4

31,2

31,2

18

24

30

36

13,5

k2

1

1

1

1,15

1,1

1

1

1

1

1

k'5

1,2

1,2

1,2

1,2

1,2

1,2

1,2

1,2

1,2

1,2

tЕОс, чел.∙ч.

0,5

0,7

0,4

0,7

0,7

0,3

0,4

0,5

0,6

0,3

tЕОт, чел.∙ч.

0,24

0,36

0,18

0,345

0,33

0,15

0,18

0,24

0,3

0,15

tТО-1, чел.∙ч.

9,0

12,0

4,3

10,8

10,3

5,4

7,2

9,0

10,8

4,1

tТО-2, чел.∙ч.

28,8

42

17,28

41,184

21,6

28,8

36

43,2

16,2

tТР(н), 57,52,85,85,82,52,93,541,9











k1

1,2

1,2

1,2

1,2

1,2

1,2

1,2

1,2

1,2

1,2

k2

1

1

1

1,15

1,1

1

1

1

1

1

k3

1

1

1

1

1

1

1

1

1

1

k'4

1,4

1,3

1,2

1,2

1,55

0,8

0,8

0,8

0,8

1

k'5

1,2

1,2

1,2

1,2

1,2

1,2

1,2

1,2

1,2

1,2

tТР, 10,0814,044,8411,5314,242,883,344,034,612,74












Определение годового объёма работ по ТО и ТР

Объём работ по ЕОс, ЕОт, ТО-1 и ТО-2 (ТЕос, ТЕот, ТТО-1, ТТО-2) за год определяется произведением числа ТО на нормативное (скорректированное) значение трудоёмкости данного вида ТО:

ТЕО,ТОг=NЕО,ТОг·ti, чел.·ч, (2.19)

Годовой объём работ по ТР равен:

ТТРг=Lг·Аu·tTP/1000, чел.·ч, (2.20)

Результаты вычислений сводим в таблицу 2.6.

Таблица 2.6. Годовой объём работ по ТО и ТР

Показатели

КАМАЗ-53212

КАМАЗ-54117

ГАЗ-3307

КАМАЗ-65111

КАМАЗ-65116

УАЗ-3909

ПАЗ-3204

КАВЗ-4238

НЕФАЗ-5299

УАЗ Патриот

Итого

ТЕОс, чел.·ч

545,3

610,6

315,0

1934,1

1254,0

901,8

323,6

573,1

1248,0

813,3

8518,8

ТЕОт, чел.·ч

6,2

6,5

3,8

28,6

19,5

6,8

2,0

3,4

9,0

6,9

92,6

ТТО-1, чел.·ч

99,0

96,0

38,9

376,7

257,4

81,0

28,8

45,0

108,0

61,2

1192,0

ТТО-2, чел.·ч

144,0

126,0

69,1

732,0

494,2

280,8

86,4

144,0

388,8

226,8

2692,1

ТТР, чел.·ч

1374,0

1310,0

529,2

4845,9

4328,4

995,4

330,3

529,4

1054,4

667,4

15964,4


Суммарная трудоёмкость ТО и ТР равна:

∑ТТО-ТР = 28459,9 чел.·ч.

Распределение объёма работ ТО и ТР по производственным зонам и участкам

Распределение объёма работ ЕО, ТО и ТР по видам работ%, согласно ОНТП-01-91 [5] производим в таблице 2.7.

Таблица 2.7. Распределение объёма работ ЕО, ТО и ТР по видам работ

Виды работ

Трудоемкости, чел.-ч


Грузовые

Автобусы

Легковые

Итого


%

КАМАЗ-53212

КАМАЗ-54117

ГАЗ-3307

КАМАЗ-65111

КАМАЗ-65116

%

УАЗ-3909

ПАЗ-3204

КАВЗ-4238

НЕФАЗ-5299

%

УАЗ Патриот


ТЕХНИЧЕСКОЕ ОБСЛУЖИВАНИЕ

ЕОс (выполняются ежедневно):

-уборочные

14

76,3

85,5

44,1

270,8

175,6

20,0

180,4

64,7

114,6

249,6

25

203,3

1464,9

-моечные

9

49,1

55,0

28,4

174,1

112,9

10,0

90,2

32,4

57,3

124,8

15

122,0

846,0

-заправочные

14

76,3

85,5

44,1

270,8

175,6

11,0

99,2

35,6

63,0

137,3

12

97,6

1085,0

-контрольно-диагност.

16

87,2

97,7

50,4

309,5

200,6

12,0

108,2

38,8

68,8

149,8

13

105,7

1216,7

-ремонтные

47

256,3

287,0

148,1

909,0

589,4

47,0

423,8

152,1

269,4

586,6

35

284,7

3906,2

Итого:

100

545,3

610,6

315,0

1934,1

1254,0

100,0

901,8

323,6

573,1

1248,0

100

813,3

8518,8

ЕОТ (выполняются перед ТО и ТР):

-уборочные

40

2,5

2,6

1,5

11,5

7,8

55,0

3,7

1,1

1,8

5,0

60

4,1

41,6

-моечные

60

3,7

3,9

2,3

17,2

11,7

45,0

3,0

0,9

1,5

4,1

40

2,8

51,0

Итого:

100

6,2

6,5

3,8

28,6

19,5

100,0

6,8

2,0

3,4

9,0

100

6,9

92,6

ТО-1:

-общее диагно-стирование Д1

10

9,9

9,6

3,9

37,7

25,7

8,0

6,5

2,3

3,6

8,6

15

9,2

117,0

-крепёжные, регулировочные смазочные

90

89,1

86,4

35,0

339,1

231,7

92,0

74,5

26,5

41,4

99,4

85

52,0

1075,0

Итого:

100

99,0

96,0

38,9

376,7

257,4

100,0

81,0

28,8

45,0

108,0

100

61,2

1192,0

-углублённое диагностирование Д-2

10

14,4

12,6

6,9

73,2

49,4

7,0

19,7

6,0

10,1

27,2

12

27,2

246,7

- крепёжные, регулировочные смазочные

90

129,6

113,4

62,2

658,8

444,8

93,0

261,1

80,4

133,9

361,6

88

199,6

2445,3

Итого:

100

144,0

126,0

69,1

732,0

494,2

100,0

280,8

86,4

144,0

388,8

100

226,8

2692,1

ТЕКУЩИЙ РЕМОНТ

Постовые работы:

-общее диагност. Д1

1

13,7

13,1

5,3

48,5

43,3

1,0

10,0

3,3

5,3

10,5

1

6,7

159,6

- углублённое диагностирование Д2

1

13,7

13,1

5,3

48,5

43,3

1,0

10,0

3,3

5,3

10,5

1

6,7

159,6

-регулировочные разборочно-сборочные

35

480,9

458,5

185,2

1696,1

1514,9

27,0

268,8

89,2

142,9

284,7

33

220,3

5341,4

-сварочные:

4

55,0

52,4

21,2

193,8

173,1

5,0

49,8

16,5

26,5

52,7

4

26,7

667,7

-жестяницкие

3

41,2

39,3

15,9

145,4

129,9

2,0

19,9

6,6

10,6

21,1

2

13,3

443,2

-окрасочные

6

82,4

78,6

31,7

290,8

259,7

8,0

79,6

26,4

42,4

84,4

8

53,4

1029,4

Итого по постам:

50

687,0

655,0

264,6

2422,9

2164,2

44,0

438,0

145,3

232,9

463,9

49

327,0

7801,0

Участковые работы:

-агрегатные

18

247,3

235,8

95,2

872,3

779,1

17,0

169,2

56,2

90,0

179,3

17

113,5

2837,8

-слесарно-механические

10

137,4

131,0

52,9

484,6

432,8

8,0

79,6

26,4

42,4

84,4

10

66,7

1538,3

-электро-технические

5

68,7

65,5

26,5

242,3

216,4

7,0

69,7

23,1

37,1

73,8

5

33,4

856,4

-аккумуляторные

2

27,5

26,2

10,6

96,9

86,6

2,0

19,9

6,6

10,6

21,1

2

13,3

319,3

-ремонт приборов системы питания

4

55,0

52,4

21,2

193,8

173,1

3,0

29,9

9,9

15,9

31,6

3

20,0

602,8

-шиномонтажн.

1

13,7

13,1

5,3

48,5

43,3

2,0

19,9

6,6

10,6

21,1

1

6,7

188,7

-вулканизац.

1

13,7

13,1

5,3

48,5

43,3

2,0

19,9

6,6

10,6

21,1

1

6,7

188,7

-кузнечно-рессорные

3

41,2

39,3

15,9

145,4

129,9

3,0

29,9

9,9

15,9

31,6

2

13,3

472,3

-медницкие

2

27,5

26,2

10,6

96,9

86,6

2,0

19,9

6,6

10,6

21,1

2

13,3

319,3

-сварочные

1

13,7

13,1

5,3

48,5

43,3

2,0

19,9

6,6

10,6

21,1

2

13,3

195,4

-жестяницкие

1

13,7

13,1

5,3

48,5

43,3

2,0

19,9

6,6

10,6

21,1

2

13,3

195,4

-арматурные

1

13,7

13,1

5,3

48,5

43,3

3,0

29,9

9,9

15,9

31,6

2

13,3

224,5

-обойные

1

13,7

13,1

5,3

48,5

43,3

3,0

29,9

9,9

15,9

31,6

2

13,3

224,5

Итого по участкам:

50

655,0

264,6

2422,9

2164,2

56,0

557,4

185,0

296,5

590,5

51

340,4

8163,5

Всего по ТР

100

1374,0

1310,0

529,2

4845,9

4328,4

100,0

995,4

330,3

529,4

1054,4

100,00

667,4

15964,4


Годовой объём вспомогательных работ составит:

Твсп=0,25·∑ТТО-ТР, чел.·ч, (2.21)

Годовой объём Твсп равен:

Твсп=0,25· 28459,9=7115 чел.·ч.

Распределение объёма вспомогательных работ по видам представлено в таблице 2.8.

Таблица 2.8. Распределение объёма вспомогательных работ по видам работ

Вид работ

%

Трудоёмкость, чел.·ч

Ремонт и обслуживание технологического оборудования, оснастки, инструмента

20

1423,0

Ремонт и обслуживание инженерного оборудования, сетей и коммуникаций

15

1067,2

Транспортные

10

711,5

Перегон автомобилей

15

1067,2

Приёмка, хранение и выдача материальных ценностей

15

1067,2

Уборка производственных помещений и территорий

20

1423,0

Обслуживание компрессорного оборудования

5

355,7

Итого:

100

7115,0


2.3 Определение численности рабочих и водителей

Расчет численности производственных рабочих

К производственным рабочим относятся рабочие зон и участков, непосредственно выполняющие работы по ТО и ТР подвижного состава. Различают технологически необходимое (явочное) и штатное (списочное) число рабочих.

Технологически необходимое (Рт) число рабочих:

Ртгодiт, чел., (2.22)

где Тгодi - годовой объём работ по зонам ТО, и или участку, чел.·ч;

Фт - годовой фонд времени технологически необходимого рабочего при 1-сменной работе, ч;

Фш - годовой фонд времени штатного рабочего, ч.

В практике проектирования для расчёта технологически необходимого числа рабочих годовой фонд времени Фт принимают 2070 ч. - для производств с нормальными условиями труда, 1830 ч. - для производств с вредными условиями труда.

Штатное (Рш) число рабочих:

Ршгодiш, чел., (2.23)

где Фш - годовой (эффективный) фонд времени штатного рабочего, ч.

Для зоны ЕО количество рабочих равно:

Рт=(8518,8+92,6)/2070=4 чел.;

Рш=(8518,8+92,6)/1820=5 чел.

Для зоны ТО-1 количество рабочих равно:

Рт=1192/2070=0,6 чел.;

Рш=1192/1820=0,7 чел.

Для зоны ТО-2 количество рабочих равно:

Рт=2692,1/2070=1,3 чел.;

Рш=2691,2/1820=1,5 чел.

Согласно ОНТП [5] годовой (эффективный) фонд времени «штатного» рабочего для маляров составляет 1610 ч, а для всех других профессий рабочих - 1820 ч.

Годовой фонд времени технологического рабочего на постах ТР рассчитывается по формуле:

Фт = тну ∙ а + Фтну ∙ b), час., (2.24)

где a, b - число работ с нормальными и вредными условиями труда, %.

Годовой фонд времени Фт на постах ТР:

Фт легк =(2070·37+1830·(4+8))/49=2011 час.

Фт авт=(2070·31+1830·(5+8))/44=1999 час.

Фт груз =(2070·40+1830·(4+6))/50=2022 час.

Годовой фонд времени штатного рабочего на постах ТР рассчитывается по формуле:

Фш = шост ∙с + Фшмd) / (c + d), (2.25)

где c, d - количество работ всех рабочих и маляров, %.

Годовой фонд времени Фш на постах ТР:

Фш легк=(1820·41+1610·8)/49=1786 час.

Фш авт=(1820·36+1610·8)/44=1782 час.

Фш груз=(1820·44+1610·6)/50=1795 час.

Годовой фонд времени технологического рабочего на участки ТР:

Фт легк=(2070·43+1830·(2+2+2+2))/51=2032 час;

Фт авт=(2070·47+1830·(2+3+2+2))/56=2031 час.

Фт груз=(2070·42+1830·(2+3+2+1))/50=2032 час.

Фш =1820 час.

Результаты расчёта сведены в таблицу 2.9.

Таблица 2.9. Количество производственных рабочих по зонам

Зона

Технологически необходимое число рабочих, чел.

Штатное число рабочих, чел.

ЕО

4

5

ТО-1

2

2

ТО-2



Посты ТР

4

4

Участки ТР

8

9

Итого:

18

20


Расчет численности вспомогательных рабочих

Списочное число вспомогательных рабочих определяется в процентном отношении от штатной численности производственных рабочих (20 - 30%), и составляет при Рш <50 человек - 25% [3].

Рвсп=0,25·20=5 чел.

Распределение численности вспомогательных рабочих по видам работ представлено в таблице 2.10.

Таблица 2.10. Распределение численности вспомогательных рабочих по видам работ

Вид работ

%

Количество рабочих, чел

Ремонт и обслуживание технологического оборудования, оснастки, инструмента

20

1

Обслуживание компрессорного оборудования

5


Ремонт и обслуживание инженерного оборудования, сетей и коммуникаций

15

1

Транспортные

10

1

Перегон автомобилей

15


Приёмка, хранение и выдача материальных ценностей

15

1

Уборка производственных помещений и территорий

20

1

Итого:

100

5




2.4 Технологический расчет производственных зон, участков и складов

Расчёт постов ТО и ТР

Так как работа на постах ТО производится в 1 смену, то расчёт количества постов ХТО производится по формуле:

, пост, (2.25)

где    Тiг - годовой объём работ, выполняемых на постах, чел.∙ч;

φ - коэффициент, учитывающий неравномерность поступления автомобилей на посты;

ηп - коэффициент использования рабочего времени поста;

Драб.т. - число рабочих дней в году - 255 дней для постов ТО;

Тсм - продолжительность смены - 8 ч.

С - число смен - 1.

η - коэффициент использования рабочего времени поста 0,7-0,9.

Рср - среднее число рабочих на посту, одновременно работающих.

ХЕО = (8518,5+92,6)∙1,25/307∙7∙2∙0,85∙2 = 1,18 поста.

ХТО-1 = 1192∙1,25/255∙8∙1∙0,85∙2= 0,4 поста.

ХТО-2 = 2692,1∙1,25/255∙8∙1∙0,85∙2= 0,97 поста.

ХТР = 7801∙1,25/307∙7∙2∙0,85∙2= 1,2 поста.

Итоговое количество постов:

ХЕО=1 пост.

ХТО=1 пост.

ХТР=1 пост.


2.5 Расчёт площадей помещений зон АТП

Расчёт площадей зон ТО и ТР

Площадь зоны ТО и ТР находится по формуле:

Fз=fa ∙Хз∙Кп, (2.26)

где fa - площадь, занимаемая автомобилем в плане, м2;

Хз - число постов зоны обслуживания, ед;

Кп - коэффициент плотности расстановки постов:

Кп=6÷7 при одностороннем расположении постов;

Кп=4÷5 при двухстороннем расположении постов и поточном методе обслуживания.

Расчет площадей ведется по наибольшему автомобилю (НЕФАЗ-5299: lа = 11,76 м; bа = 2,5 м) [6].

Площадь зон ТО и ТР равна:

FТО-ТР=29,4∙2∙5=294 м2;

FЕО=29,4∙1∙5=147 м2.

Расчет площадей производственных участков

Для приближённых расчётов площади участков могут быть определены по числу работающих на участке в наиболее загруженную смену, рассчитывается по формуле:

Fуч=f1+f2∙(Pт-1), (2.27)

где    f1 - площадь участка на одного работающего, м2;

f2 - площадь участка на каждого последующего работающего, м2;

Рт - число технологически необходимых рабочих:

Ртгодiтгод, (2.28)

где    Тгодi - трудоёмкость на i-ом участке, чел.∙ч;

Фтгод - годовой фонд времени технологического рабочего, час.

Ввиду того, что реконструкция участков не производится, принимаем по данным предприятия существующие площади:

сварочный участок - 188 м2.

Расчёт площадей складских помещений

Площади складов рассчитываем по удельной площади складских помещений на десять единиц подвижного состава.

Площадь склада рассчитывается по формуле:

Fскл= 0,1∙Асп∙fу∙к(с)1∙ к(с)2∙ к(с)3∙ к(с)4∙ к(с)5∙к(с), (2.29)

где Асп - списочное количество автомобилей,

fу - удельная нормативная площадь склада данного вида на 10 единиц подвижного состава (таблица 2.9 [3]);

К(с)1, К(с)2, К(с)3, К(с)4, К(с)5 - коэффициенты корректирования площади склада в зависимости от среднесуточного пробега (таблица 2.10 [3]), числа единиц технологически совместимого подвижного состава (таблица 2.11 [3]), типа подвижного состава (таблица 2.12 [3]), высоты складирования (таблица 2.13 []), категории условий эксплуатации (таблица 2.14 [3]).

К(с) - коэффициент, учитывающий уменьшение площади склада (К(с)1=0,4-0,5).

Суммарная площадь всех складских помещений АТП равна:

Fск АТП=95 м2.

Расчет площадей вспомогательных и технических помещений

Площади вспомогательных и технических помещений принимаются соответственно в размере 3% и 5% от общей производственно-складской площади [3].

На предприятии имеются следующие вспомогательные и технические помещения:

котельная - 30 м2;

тепловой пункт - 15 м2;

серверная - 20 м2;

электрощитовая - 21 м2;

вентиляционная камера - 40 м2;

очистные - 40 м2;

калориферная - 39 м2.

Расчёт площадей хранения автомобилей

При укрупнённых расчётах площадь зоны хранения автомобилей находится:

Fx=fa∙Аст∙Кп, м2, (2.30)

где    fa - площадь занимаемая автомобилем в плане, м2;

Аст - число автомобиле-мест хранения, ед;

Кп - коэффициент плотности расстановки автомобиле-мест хранения.

Величина Кп зависит от способа расстановки мест хранения и принимается равной 2,5÷3 [3].

Предприятие обладает достаточным числом мест стоянки для автомобилей и перерасчет площадей не требуется.

Расчёт площадей административно-бытовых помещений

Административно-бытовые помещения реконструкции не подлежат.

На данный момент существующие помещения:

Раздевалки - 65 м2;

Санузлы - 16 м2;

Душевые - 25 м2;

Сушилка - 36 м2;

Кабинет мастера участка - 40 м2;

Кабинет начальника участка - 40 м2;

Помещение для приема пищи - 41 м2;

Помещение для персонала - 31 м2.

2.6 Компоновка производственного корпуса

Технологическая планировка производственного корпуса представляет собой план расстановки постов, автомобиле-мест ожидания и хранения, технологического оборудования, производственного инвентаря, подъемно-транспортного и прочего оборудования и является технической документацией проекта, по которой расставляется и монтируется оборудование. Степень проработки и детализации технологической планировки зависит от этапа проектирования.

Для разработки общего объемно-планировочного решения зданий предприятия в ряде случаев недостаточно иметь только площади отдельных помещений, рассчитанных по удельным показателям, а необходимо знать геометрические размеры и конфигурацию отдельных зон и участков, что требует укрупненной проработки их планировочных решений. Это, прежде всего, относится к зонам ТО и ТР.

Здание производственного корпуса переменной этажности, прямоугольное в плане, размерами 15 х 64,23 м. Здание разделено противопожарной стеной первого типа на две части: административная часть и мастерская. Мастерская часть - одноэтажная, высота до низа конструкций 8,000 м. Административная часть - двухэтажная, высота этажа 3,000 м.

Все помещения отделены друг от друга перегородками из гипсокартона толщиной 100 мм. Внутренние стены из силикатного кирпича толщиной 250 мм. Производственный корпус представлен в графической части проекта (лист №3).


2.7 Генеральный план и общая планировка помещений

Все требования, которые предъявляются к земельным участкам промышленных предприятий, на Шекснинском ЛПУ МГ соблюдены.

Общая площадь территории предприятия равна:

Fуч= 93587 м2.

Генеральный план предприятия представлен в графической части проекта (лист №1).

2.8 Детальный расчет участка УМР

Технологическая планировка участка УМР представляет собой план расстановки технологического оборудования, производственного инвентаря, подъёмно-транспортного и прочего оборудования и является технической документацией проекта, по которой расставляется и монтируется оборудование [7].

Оборудование, выбранное для участка УМР, представлено в таблице 2.11 [8].

Таблица 2.11. Оборудование участка УМР

Наименование

Марка, модель

Количество, ед.

Размеры, м

Площадь, м2

Мощность, кВт





единицы

всего


Стеллаж

Ferrum

1

2х0,7

1,4

1,4


Мойка высокого давления

Karcher HDS 10/20-4 M

2

1,33х0,75

1

2

7,8

Продолжение таблицы 2.11

Наименование

Марка, модель

Количество, ед.

Размеры, м

Площадь, м2

Мощность, кВт





единицы

всего


Пылесос

Starmix HS

1

0,57х0,49

0,28

0,28

2,6

Пылесос моющий

Nilfisk Alto

1

0,375x0,385

0,14

0,14

2,8

Пеногенератор

DELVIR Ferro 50

1

0,4х0,44

0,18

0,18

2,2

Модуль повышения давления

МПД 00.01-33

1

0,6х0,7

0,42

0,42

0,7

Система очистки воды

СОРБ -2/800-Р

1

2,150х0,95

2,04

2,04

1,2

Настенный шланговый подвес 12 м (комплект)

Karcher

2

-

-

-

-

Ларь для ветоши


1

0,7х0,3

0,21

0,21


ИТОГО





6,67



Площади участков рассчитывают по площади помещения, занимаемой оборудованием и коэффициенту плотности его расстановки по формуле:

Fуч=fоб ∙кп, м2, (2.31)

где fоб - суммарная площадь горизонтальной проекции по габаритным размерам оборудования, м2;

кп - коэффициент плотности расстановки оборудования.

Fуч=(6,67+29,4)∙4=144 м2.



3. Разработка процесса уборочно-моечных работ грузового автомобиля

.1 Классификация и характеристика загрязнений автомобильной техники

В процессе эксплуатации автомобильная техника подвергается значительным загрязнениям, т.е. её наружные и внутренние поверхности порываются нежелательными веществами, которые затрудняют или делают невозможным дальнейшую правильную эксплуатацию автомобиля, снижают её надежность, эффективность использования, ухудшают эстетические показатели, санитарно-гигиенические условия труда, мешают проведению технического обслуживания и ремонта автомобилей, вызывают коррозию, старение материалов деталей и агрегатов, приводят к порче перевозимых грузов [9].

Очистка автомобильной техники, её сборочных единиц и деталей заключается в удалении с наружных и внутренних поверхностей агрегатов, узлов и деталей загрязнений до такого уровня, при котором оставшиеся загрязнения не препятствуют выполнению осмотра, ТО или ремонта, а также последующей эксплуатации. Очистка состоит не только в удалении загрязнений с поверхности машин, агрегатов и деталей, но и в исключении процесса повторного осаждения загрязнений на очищенные поверхности.

По своему составу и свойствам загрязнения представляют сложные продукты взаимодействия как органических, так и неорганических соединений, различных по природе образования и условиям формирования.

По трудоемкости удаления различают загрязнения слабосвязанные, среднесвязанные и прочносвязанные. Для удаления слабосвязанных загрязнений (пыль, песок, примеси глины) достаточно использовать воду без применения моющих и чистящих средств. Для удаления среднесвязанных (глинистых, соляных и маслянистых), а также прочносвязанных (масла, битум, смолы и др.) загрязнений требуется применение различных моющих и чистящих средств - шампуней или аэрозолей. Моющие средства наносятся на поверхность кузова автомобилей при помощи пульверизаторов, моечных пистолетов или обтирочного материала, после чего производится споласкивание чистой водой. В водяной пленке, остающейся на поверхности кузова после применения моющих средств, можно наблюдать слабосвязанные пылевидные соединения. Частицы пыли после высыхания воды образуют на поверхности налет в виде беловатых пятен. Для предотвращения образования налета необходимо использовать эффективную сушку, удаляющую влагу струей холодного или теплого воздуха.

3.2 Цели и задачи уборочно-моечных работ

Для поддержания должного внешнего вида автомобиля, удаления с поверхности его деталей грязи, солей и химикатов, обеспечения качественного выполнения контрольно-диагностических работ по возвращении автомобиля с линии проводятся уборочно-моечные работы, предназначенные для удаления загрязнений кузова, салона, узлов и агрегатов автомобилей. В том числе и для создания благоприятных условий при выполнении других работ ТО и ТР; поддержания требуемого санитарного состояния внутри кузова и салона автомобилей; поддержания наружных поверхностей кузова в состоянии, отвечающем эстетическим требованиям [10].

Мойка автомобиля включает предварительное ополаскивание, мойку спецсоставом и(или) водой, окончательное ополаскивание, сушку и протирку, нанесение защитных покрытий, полировку.

Предварительное ополаскивание необходимо для размягчения загрязнений. При мойке спецсоставом или водой осуществляется очистка автомобиля от загрязнений. Окончательное ополаскивание необходимо для удаления с поверхности автомобиля оставшейся грязной воды или спецсостава.

Целью мойки автомобилей в процессе эксплуатации является:

обеспечение выполнения санитарно-гигиенических требований при перевозке грузов, а также при производстве работ по ТО и текущему ремонту; поддержание внешнего вида автомобиля на уровне эстетических требований к его конструкции;

предупреждение или замедление развития процессов коррозии и старения материалов конструкции;

обеспечение нормального теплового режима двигателя;

сокращение скорости изнашивания пар трения за счет периодического удаления загрязнений из картерных пространств и систем смазывания:

повышение надежности и безотказности работы систем электрооборудования, питания, тормозных систем;

обеспечение осмотра, высокого качества регулировочных работ, текущего ремонта и ТО;

Уборка салона и кузова автомобиля заключается в удалении загрязнений и мусора, протирке стекол, внутренних поверхностей и оборудования. Для уборки применяют щетки, обтирочный материал, пылесосы, в том числе моющие. Для повышения качества очистки и восстановления декоративных свойств поверхностей применяют специальные моющие и полирующие средства.

Под влиянием различных факторов внешней среды лакокрасочное покрытие кузова тускнеет, теряет эластичность, приобретает механические повреждения. Результат - образование микротрещин и сколов, обнажение металла, способствующее его коррозии. Для создания эффективного защитного слоя на поверхности кузова, уменьшающего агрессивное воздействие окружающей среды, производят полирование поверхности лакокрасочного покрытия и нанесение защитных покрытий на восковой основе. Кроме того, для восстановления декоративных свойств покрытий применяют полироли на абразивной основе.

Мойка днища, рамы и других поверхностей автомобилей, загрязненных, в основном, глинистыми, песчаными, органическими примесями, образующими прочную корку, обычно производится моечными установками высокого давления али струйными мойками. Мойка нижних поверхностей автомобиля в зимнее время предназначена для снижения коррозионной активности загрязнений на кузове из-за применения на дорогах соляных растворов.

3.3 Разработка технологического процесса уборочно-моечных работ грузового автомобиля

Перечень работ УМР грузовых автомобилей:

. Установить автомобиль в зону мойки.

. В зимнее время перед началом мытья следует удалить снег и лед, образовавшиеся на поверхности отдельных участков грузового автомобиля.

. Выполнить предварительную мойку автомобиля с помощью аппарата высокого давления для удаления пыли, грязи, снега с кузова машины, снаружи и внутри колесных дисков. Необходимо убрать абразивы (песок, пыль) с поверхности лакокрасочного покрытия.

. Нанести на поверхность автомобиля специальные чистящие средства при помощи пеногенератора. Для активации химического состава и его вступления в реакцию с загрязнением требуется до 5 минут, - как правило, этого времени хватает для обработки всего грузового автомобиля, после чего можно приступать к смыванию чистящего средства.

. Тщательно смыть пену с помощью аппарата высокого давления.

. Высушить автомобиль.

Влагу с двигателя и приборов системы зажигания после мойки снимают сжатым воздухом с помощью специального пистолета при давлении 10 кгс/см2. Наружные поверхности кабины, капота, облицовки, крыльев, фар, подфарников, сигнальных знаков грузовых автомобилей протирают обтирочным материалом, а полированную поверхность кузова - замшей или байкой.

. Вымыть коврики:

извлечь коврики из автомобиля;

струей под давлением вымыть коврики;

высушить коврики сжатым воздухом.

. Очистить пластиковые детали:

нанести на ткань жидкость для обработки пластиковых деталей;

втереть в пластиковые элементы кузова данный состав;

после обработки протереть пластиковые элементы ворсистой тканью.

. Очистить стекла:

нанести состав для очистки стекол на стекло;

обработать стекло ворсистой тканью до полного удаления пятен и разводов.

Особая тщательность требуется при уходе за окнами из органического стекла. В случае загрязнения стекол краской их следует мыть уайт-спиритом. Грязь с органических стекол следует смывать мыльным раствором, а затем протирать замшей или чистой мягкой тряпкой.

. Провести уборку кабины автомобиля.

Во время уборки удаляют пыль и мусор из кабин и платформ грузовых автомобилей, протирают двигатель, щитки и внутреннюю сторону капота, а также очищают шасси от комков грязи, снега и льда.

Пыль с обивки удаляют пылесосами или щетками. Уход за обивкой, изготовленной из кожзаменителя, заключается в периодической промывке ее слабым раствором двууглекислой соды в теплой воде или с нейтральным мыльным раствором при помощи мягкой волосяной щетки с последующей протиркой ее насухо мягкой чистой тряпкой. Пятна на обивке можно очищать бензином или четыреххлористым углеродом, После удаления пятен следует протереть всю поверхность чистой тряпкой, смоченной той же жидкостью, чтобы избежать разницы оттенков очищенной и неочищенной поверхностей. Для очистки сильно загрязненных мест обивки, которые не очищаются мойкой, можно применять автоочистители.

10. Провести полировку автомобиля.

Под влиянием различных факторов внешней среды лакокрасочное покрытие кузова тускнеет, теряет эластичность, приобретает механические повреждения. Результат - образование микротрещин и сколов, обнажение металла, способствующее его коррозии. Для создания эффективного защитного слоя на поверхности кузова, уменьшающего агрессивное воздействие окружающей среды, производят полирование поверхности лакокрасочного покрытия и нанесение защитных покрытий на восковой основе. Кроме того, для восстановления декоративных свойств покрытий применяют полироли на абразивной основе.

Для сохранения лакокрасочного покрытия автомобилей в хорошем состоянии, предотвращения потери блеска и цвета следует периодически применять полирующие составы. Полирующие составы состоят из смеси тонких абразивов, масел, воска, хозяйственного мыла, воды, растворителя и других компонентов. Абразивы шлифуют и полируют покрытие, воск заполняет поры и микроскопические неровности, а растворитель выводит остатки жировых пятен и загрязнений.

Полирующие составы наносят на хорошо промытую и сухую поверхность кузова, установленного в защищенном от солнца и пыли месте. Вследствие того, что полирующий состав быстро засыхает, полировать лакокрасочные покрытия необходимо мягкими тканями вручную или с помощью специальных приборов по участкам круговыми движениями. Полирующие составы можно наносить марлей, тампонами, мягкими тканями.

Если лакокрасочное покрытие находится в хорошем состоянии, то для полировки 1-2 раза в месяц применяют полировочную воду №1. Паста №2 применяется для профилактики и частичного восстановления блеска. Ее используют весной, летом и осенью один раз в месяц, а в зимнее время один раз 2-3 месяца. Состав №3 применяют один раз в 2-3 месяца для покрытий, частично утративших блеск. После применения состава №3 обязательно следует отполировать покрытие пастой №2. Если покрытие не восстанавливается составом №3, можно применять пасту №290 один-два раза в год, а затем снова отполировать пастой №2 или полировочной водой №1. Для профилактики лакокрасочных покрытий из синтетических эмалей применяют пасту 6/7, автобальзам, автсполиш, кариме, клинерполиш и другие составы.

Новые или хорошо сохранившиеся хромированные части автомобиля консервируют и регулярно полируют препаратом автобальзам. Он образует на обработанной поверхности защитный водоотталкивающий слой, который придает хрому блеск.

Потускневшие, загрязненные или замасленные хромированные части автомобиля очищают, полируют и консервируют препаратом неоксид. Аналогично обрабатывают и остальные декоративные детали из легких и цветных металлов.

Поверхность хромированных частей автомобиля, сильно разрушенную коррозией, обрабатывают препаратами АРВА и клинерполиш. Для этого на вымытую сухую поверхность хрома наносят тряпочкой препарат АРВА, еще влажную поверхность споласкивают водой и высушивают чистой тряпочкой. Затем на этой поверхности растирают, слегка прижимая, клинерполиш до удаления загрязнений так, чтобы обработанная поверхность стала гладкой. После высыхания нанесенного слоя полируют поверхность сухой тряпочкой из фланели. Для придания поверхности большего блеска и повышенной водоустойчивости растирают по обработанной поверхности неоксид. После засыхания нанесенного слоя поверхность полируют сухой тряпочкой из фланели.

При отсутствии указанных препаратов хромированные детали можно поддерживать в хорошем состоянии, периодически очищая их мягкой тканью, смоченной в бензине или керосине, с последующим проживанием влажной мягкой тканью, затем - сухой. Появившуюся коррозию можно удалять мелом или зубным порошком, нанесенным на мягкую ткань. Чистую поверхность покрывают прозрачным лаком.

. Уложить на место коврики.

. Произвести чистку и обтирку зеркал заднего вида, номерных знаков.

. Вымыть двигатель:

открыть капот;

подвести установку высокого давления;

нанести моющее средство;

напором воды окатить двигатель.

3.4 Используемые эксплуатационные материалы

Средства, применяемые для мойки автомобиля, представлены в таблице 3.1.

Таблица 3.1. Средства, применяемые для мойки автомобиля

№ п/п

Средство

Описание

Способ применения

1

Моющее средство для бесконтактной мойки DLS 125

Концентрированное средство на основе особых ПАВ отлично очищает поверхность, образуя обильную и густую пену, которая глубоко проникает в жирные пятна и полностью растворяет их. Моющие харак-теристики продукта остаются неизменными даже при использовании жесткой воды. Продукт легко смывается, не оставляет разводов и не препятствует высыханию

Ввести дозатор в разбавленный продукт (5-10 частей воды)

2

Очиститель ткани, велюра LINTAP, PROFI Max (Италия)

Концентрированное средство для химчистки велюра и ткани. Идеально подходит для удаления грязи с тканевых ковриков, обивки дверей и сидений, потолка и других элементов отделки салона автомобиля. Благодаря особой структуре продукта, он вытягивает глубоко въевшуюся грязь на поверхность, разрушает ее связь с материалом и мгновенно растворяет ее. Не растворяет клеевую основу обивки, не обесцвечивает и не повреждает ткань.

1:10/15 для стандартной химчистки.

3

Очиститель двигателя Engine Cleaner

Средство предназначено для очистки моторного блока и частей двигателя от масляных пятен, потеков смазки, налипшей пыли и другой дорожной грязи. Новая бесщелочная формула на водной основе с применением эффек-тивных органических растворителей и ком-плекса поверхностно-активных веществ является абсолютно безопасной для рук и лакокрасочного покрытия автомобиля. Не вызывает коррозии алюминиевых деталей.

Концентрат развести из расчета 200 г./л воды. Сбить с поверхности верхний слой грязи, после чего нанести из распылителя разбавленный состав, выдер-жать 1-2 минуты, затем тщательно смыть водой под высоким давлением. Для удаления застарелых загрязнений средство применять в концентрированном виде

4

Очиститель салона Textyle-cleaner

Профессиональный низкопенный моющий состав для очистки салона автомобиля от любых загрязнений. С его помощью можно чистить ткань, велюр, искусственную кожу, пластик и стекла.

Перед проведением влажной чистки тканевой поверхности ее пропылесосить. Средство развести с водой 50-150 г./л, затем нанести на поверхность из распылителя с расстояния 15-20 см., взбить пену щеткой.

5

Активный воск SITRALUX

Предназначен для финишной обработки кузова автомобиля после мойки. Ускоряет время сушки, создает глубокий блеск, придает кузову водоотталкивающие свойства, защищает лакокрасочное покрытие, образуя полимерную микропленку

Разводится водой в пропорции 10-20 мл на 10 л воды.

6

Cleanol «Оптик»

Средства для мытья стекол

Нанести на поверхность и обработать до полного удаления пятен и разводов.

7

Atas Rox

Антизапотеватель для стекол, гарантирует прекрасную видимость

Нанести на поверхность.


3.5 Подбор технологического оборудования

. Мойка высокого давления  Karcher HDS 10/20-4 M.

. Пылесос для сухой уборки Starmix.

. Пылесос моющий Nilfisk Alto.

. Пеногенератор DELVIR.

. Пистолет воздушный продувочный 60В;

. Система очистки воды СОРБ -2/800-Р.

. Модуль повышения давления МПД 00.01-33.

.6 Техническое нормирование трудоемкости УМР

Производственные процессы УМР представляют собой мелкосерийный или единичный тип производства. Им присущи такие основные черты, как широкая номенклатура работ, закрепленных за одним рабочим, нестабильная загрузка рабочего на протяжении смени, низкий уровень разделения и кооперации труда. При нормировании трудозатрат по УМР руководствуются «Положением о ТО и ремонте подвижного состава автомобильного транспорта» и Типовыми нормами времени на УМР автомобилей в условиях АТП и СТО. Значительная вариация трудозатрат на выполнение одних и тех же работ при различном состоянии автомобиля требует широкого использования укрупненных норм труда, установления средних затрат времени на операции или их комплексы [11].

Техническая норма времени на операцию рассчитывается по формуле:

tшт = tосн + tвсп. + tдоп, ч·мин, (3.1)


где tшт - штучное время на операцию, чел.∙мин;

tосн - основное время, в течение которого выполняется заданная работа (регламентируется Положением), чел.∙мин;

tвсп - (3-5%) tосн - вспомогательное время на производство подготовительных воздействий на изделие, чел.∙мин;

tдоп = tобс + tотд - дополнительное время, состоящее из:

tобсл = (3 - 4%) tосн - время на обслуживание оборудования и рабочего места, чел.∙мин;

tотд = (4 - 6%) tосн - время на отдых и личные нужды, чел.∙мин.

Tосн = 0,48 чел.·ч = 0,39 · 60 = 28,8 чел.·мин.

Оплата труда ремонтных рабочих производится по штучно-калькуляционному времени:

tштк = tшт + (tп-з / Nп), ч·мин, (3.2)

где tп-з = (2 - 3%) Tсм - подготовительно - заключительное время на получение задания, ознакомление с технической документацией, получение задания, ознакомление с технической документацией, получение и сдачу инструмента, сдачу работы и т.п. (Tсм = 7 ч - продолжительность смены),

Nп - число изделий в одной, последовательно обрабатываемой, партий (количество производимых УМР за смену).

Количество УМР за смену определяем по формуле:

Nп = Tсм · Nрл / Tосн, (3.3)

где Nрл = 2 - количество рабочих.

Подставляя числовые данные, получим:

Nп = 7 · 2 / 0,48 = 29 моек за смену.

Результаты расчетов приведены в таблице 3.2.

Таблица 3.2. Трудоемкость УМР грузового автомобиля

№ операций

tосн, ч-мин

tвсп, ч-мин

tобсл, ч-мин

tотд, ч-мин

tшт, ч-мин

Число рабочих на постах

tп-з, ч-мин

tштк, ч-мин

Подготовка к УМР

3,35

0,10

0,12

0,17

3,74

2

0,1

3,84

Мойка автомобиля

12,35

0,37

0,43

0,62

13,77


0,37

14,14

Уборка салона

7,35

0,22

0,26

0,37

8,20


0,22

8,42

Мойка двигателя

5,75

0,17

0,20

0,29

6,41


0,17

6,58

Всего:

28,8

0,86

1,01

1,44

32,11

2

0,86

32,97


Технологический процесс УМР автомобилей оформляем на маршрутных картах по ГОСТ 3.1118-82 (см. Приложение 1), а одну из операций на операционной карте по ГОСТ 3.1407-86 (см. Приложение 2) и составляем для нее карту эскизов по ГОСТ 3.1404-81.


4. Конструкторская часть

.1 Анализ конструкций моечных устройств с высоким давлением

Аппараты высокого давления очень эффективны, безопасны для лакокрасочной поверхности кузова автомобиля. Обладают экономичностью как в отношении воды, так и в потреблении электроэнергии. Имеют универсальность, мобильность, занимают очень малую площадь на участке уборочнро-моечных работ.

Конструктивно мойки высокого давления схожи. Основа аппарата - насос высокого давления и приводящий двигатель.

В зависимости от потребностей может применяться электрический двигатель или двигатель внутреннего сгорания (рисунок 4.1). Второй вариант, как правило, используется в тех случаях, когда нет доступа к электроэнергии, например, в полевых условиях.

Рисунок 4.1. Установка высокого давления с приводом ДВС Karcher G 4.10M


В конструкции насосы применяется двух типов:

аксиальный плунжерный насос с приводом косой шайбой (рисунок 4.2);

поршневой кривошипно-шатунный (рисунок 4.3).

Рисунок 4.2. Плунжерный аксиальный насос

Рисунок 4.3. Поршневой насос кривошипно-шатунного действия

Для моек бытового класса (рисунок 4.4), как правило, используется аксиально-плунжерный насос. Он имеет более простую конструкцию и более компактен. Для профессиональных моек (рисунок 4.5) могут использоваться оба типа, но для наиболее производительных установок применяют поршневые кривошипно-шатунные насосы, т.к. они имеют лучшие характеристики по давлению, производительности и, главное, больший ресурс.

Рисунок 4.4. Мойка высокого давления Karcher К5 Компакт

Рисунок 4.5. Установка профессиональная Karcher HDS 10/20-4


Подача воды к установке производится исключительно через фильтр тонкой очистки, потому как требуют все детали насоса. Они очень чувствительны к абразиву.

Насосы обязательно оснащаются реле давления, позволяющего отключать работу двигателя при закрытом пистолете.

Катушка для намотки рукава высокого давления применяется в основном на бытовых мойках, т.к. смотка рукава применяется только при хранении установки. Профессиональные мойки, чаще всего используются без катушки, что позволяет упростить конструкцию и повысить её надёжность за счет отсутствия лишних элементов.

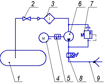
4.3 Гидравлическая схема установки

Гидравлическая схема разрабатываемой мойки высокого давления отражена на рисунке 4.6.

Рисунок 4.6. Схема гидравлическая

Мойка используется вместе с системой рециркуляции и очистки воды. Забор воды производится системой очистки из бака (1) через кран (2) фильтр тонкой очистки (3). Очищенная вода поступает в насос высокого давления (6), приводимый в действие электродвигателем (4) через муфту (5). Через клапан пистолета (8) вода под давлением поступает на эжектор (9). При закрытом клапане пистолета, перепускной клапан (7) направляет воду обратно в систему, не позволяя получить насосу гидроудар.

4.4 Расчет и подбор деталей и узлов мойки

Подбор насоса

Основным рабочим органом мойки высокого давления является насос.

Для сравнения представлены насосы в таблице 4.1.

Таблица 4.1ю Основные характеристики кривошипно-шатунных насосов


HAWK NST1012R

HAWK 150/14 HD1415R

IPG WS102

HAWK NMT1820RN

Расход воды максимальный, л/мин

10

14

21

18

Давление максимальное, бар

150

150

180

200

Потребляемая мощность, кВт

2,2

4,0

4.4

6.7

Частота вращения вала, мин-1

1450

2800

750

1450

Масса, кг

7.6

9.6

14.5

10.6


Все насосы имеют схожую трёх-поршневую конструкцию, латунную головку и керамические поршни, что положительно сказывается на ресурсе проектируемой мойки.

Два основных параметра для автомобильной мойки высокого давления - производительность и максимальное давление. Эти два параметра взаимосвязаны и влияют на качество и эффективность работы.

Высокое давление необходимо для удаления сложных загрязнений, но при этом избыточное давление опасно для ЛКП. Для бытовых моек, как правило, достаточно давления 100-110 атм., для профессиональных необходимо большее, т.к. от этого зависит в т.ч. и производительность и, как правило, профессиональные мойки применяют с более сложными загрязнениями (в данном случае глинистые загрязнения), при этом мойки с давлением более 150-160 атм. следует применять только с регулятором давления.

Второй важный параметр - производительность. Бытовые мойки имеют её на уровне 300-550 л/час, что достаточно для обычной мойки легкового автомобиля. Но для грузовой техники такого параметра будет недостаточно, т.к. низкая производительность работы будет приводить к увеличению времени затрачиваемому на мойку каждого автомобиля, что в случае данного предприятия может вызвать необходимость организации второго поста мойки, что нецелесообразно. Оптимальной производительностью для профессиональной мойки считается 600-1000 л/час.

С учетом вышенаписанного, из представленных в таблице 4.1 насосов, следует выбрать оптимальный по характеристикам насос HAWK 150/14 HD1415R, имеющий производительность 840 л/час при давлении 150 атм.

Выбор электродвигателя привода насоса              

Для выбранного насоса необходимо подобрать соответствующий его параметрам электродвигатель. Параметры для выбора электродвигателя:

- максимальная мощность;

номинальная частота вращения вала двигателя;

напряжение питания.

С учетом выбранного насоса HAWK 150/14 HD1415R, выбираем электродвигатель трехфазный RAM112M2, номинальной мощностью 4,0 кВт и частотой вращения вала 2880 мин-1. С учетом места использования степень защиты IP55, класс нагревостойкости изоляции F. Климатическое исполнение У3.

Выбор соединительной муфты

Насос соединяется с двигателем посредством упругой муфты, что защищает как двигатель, так и насос от ударных нагрузок. Муфта подбирается по максимальному крутящему моменту на валу двигателя.

Максимальный крутящий момент на валу выбранного электродвигателя RAM112M2 следует рассчитать по формуле [12]:

, (4.1)

где     - максимальная мощность электродвигателя, кВт;- частота вращения, мин-1.

.

Выбираем муфту упругую втулочно-пальцевую 125-1-УЗ ГОСТ 21424-93, максимальным передаваемым крутящим моментом 125 Н∙м, отверстием под вал 28 мм, полумуфты исполнения 1 выполненны из стали, климатического исполнения У, категории 3 [12].

Выбор гибкого шланга высокого давления

Гибкие шланги применяются для соединения элементов тех гидросистем, которые в процессе эксплуатации меняют положение относительно друг друга.

Выбор шланга высокого давления осуществляется по максимальному давлению в гидросистеме.

Исходя из рекомендаций [12], при максимальном давлении 150 атм, выбираем гибкий резинотканевый шланг Bosch F016800360 проходным сечением 13 мм, максимальным статическим давлением 300 атм, максимальным ударным давлением 180 атм, минимальный радиус закругления шланга - 70 мм.

Расчет трубопроводов

Трубопроводы высокого давления необходимо рассчитать на прочность, т.е. определить минимальную толщину стенки.

Минимальная толщина стенки трубопровода рассчитывается по формуле [13]:

, (4.2)

где    С1 - коэффициент учитывающий колебание размеров при изготовлении и коррозию материала, С1=1,15;

 - расчетная толщина стенки, мм.

Расчетная толщина стенки определяется по формуле:

, (4.3)

где    k - запас прочности, принимаем k=1,7;

 - внешний диаметр трубопровода, мм;

 - максимальное давление в трубопроводе, МПа;

 - предел прочности материала, для армированной резины=60 МПа.

Принимаем внешний диаметр =13 мм, тогда:

.

Принимаем толщину стенки трубопровода 2,6 мм.

Расчет распылителя

Найдем сечение насадки распылителя при заданном давлении и расходе воды.

Скорость истечения струи из насадки найдем по уравнению Бернулли [14]:

, (4.4)

где    h - высота столба воды, h=1530 м вод. ст.;

 - коэффициент равный для турбулентного движения =1,1;

 - коэффициент сопротивления насадки, =0,05;

 - коэффициент сопротивления при входе в шланг, =0,5;

 - коэффициент, принимаемый для данного шланга, =0,025;- длина шланга, l=10 м;- диаметр сечения шланга, d=0,013 м.

Подставив значения, получим:

.

С учетом расхода воды, можно найти диаметр сечения насадки по формуле [14]:

 (4.5)

где    Q - расход воды за секунду, при производительности 14 л/ч, расход за секунду составит Q=0,000233 м3.

Тогда диаметр насадки будет:

.

Расчет балки крепления электродвигателя

Электродвигатель установлен на двух поперечных балках. Крепится с помощью болтов.

Балка рассчитывается на изгиб по формуле [14]:

, (4.6)

где    М - изгибающий момент в опасном сечении, Н·м;

 - момент сопротивления сечения при изгибе, м3;

 - допустимое напряжение на изгиб, МПа.

Схема сил, действующих на балку представлена на рисунке 4.7.

Сила P действующая на балку создается весом двигателя.

Масса двигателя  равна 39,0 кг.

Так как электродвигатель установлен на 2 балках и прикреплен 4 болтами, то нагрузка распределяется равномерно и равна:

. (4.7)

Для вычисления M прежде всего необходимо найти реакции. На рисунке 4.7. намечено предполагаемое направление этих реакций RА, НА и RB.

Рисунок 4.7. Расчетная схема балки

Из условия равенства нулю суммы проекций всех сил балку получаем:

НА =0.

Составляя сумму моментов сил относительно точки В, получаем:

;

отсюда:

,

.

Из условия равенства нулю суммы проекций всех сил на балку:

,

отсюда:

,

.

Наибольший изгибающий момент имеет место в месте крепления болтами электродвигателя:

.

Момент сопротивления сечения полого квадратного сечения ослабленного отверстием под болт, находим по формуле:

, м3, (4.8)

Принимаем размеры сечения (рисунок 4.8):=20 мм, H=20 мм, b=16 мм, h=16 мм, а=12 мм.

Рисунок 4.8ю Сечение балки

По формуле (4.8):

.

Допустимое напряжение изгиба для балки из Ст3 380-2005 [14]. Условие прочности при изгибе:

.

Произведем расчет:

.

Таким образом, условие выполняется:

.

Расчет сварных соединений

Балки крепления электродвигателя приварены к общей раме мойки.

Для расчета сварных соединений используем следующие данные:

нагрузка на один сварной шов Р=95,6 Н;

допустимое касательное напряжение [τ] = 100 МПа [13].

Для расчета используют следующую формулу [14]:

, МПа, (4.9)

где    t - толщина сварного шва, равна толщине свариваемой детали;- длина сварного шва.

Принимаем:

Профиль №2, следовательно, t=0,2 см.=8 см.

Подставив значения в формулу, получим:

 МПа.

Условие прочности:

.

Таким образом, условия прочности выполняются:

.

Расчет осей колес на срез

Наибольшая нагрузка на оси колес по линии контакта с рамкой. Ось поворотных колес испытывает напряжение среза [14]:

, МПа, (4.10)

где     - максимальное усилие, действующее на ось колеса, Н;

 - площадь сечения оси, м2.

Диаметр оси равен 18 мм, т.е. .

Для расчета примем, что вся масса мойки полностью воздействует на ось, тогда .

Условие прочности на срез:

, МПа,                                   (4.11)

где     - предельно допустимое напряжение на срез, для материала Сталь 25 ГОСТ 1050-2001 .

Напряжение среза:

.

Условие прочности на срез выполняется:

Проверка прочности шпоночного соединения

Шпонка 8×7×20 ГОСТ 8788-77.

Расчет на напряжение смятия:

, МПа, (4.12)

где  - допускаемое напряжение смятия, 140 МПа;

Мк - крутящий момент, Нм;

d - диаметр вала в месте установки шпонки, мм;

h - высота шпонки, мм;

 - рабочая длина шпонки, мм.

Рабочая длина шпонки рассчитывается по формуле:


где l - длина шпонки, l=20 мм;

b - ширина шпонки, b=8 мм.

Рабочая длина шпонки равна: .

Напряжение смятия равно:

.

Расчет на срез:

, МПа, (4.14)

где  - допускаемое напряжение на срез,

Напряжение среза равно:

Условия прочности на срез и смятия соблюдаются.

4.5 Требования к эксплуатации

Подготовительный процесс к процессу мойки.

- Установить АПВ на ровной поверхности.

Проверить состояние фильтр на входе и выходе.

Соединить штуцер с рукояткой пистолета.

Расправить шланг высокого давления.

Соединить рукоятку раздаточного узла с шлангом.

Открыть кран подачи воды для вытеснения воздуха из аппарата.

Подать напряжение в розетку и включите аппарат.

Вращая насадку, настраиваем требуемой давление струи.

- При засорении сопла необходимо обесточить и отсоединить распылитель от ручного пистолета. Прочистить сопло при помощи специального инструмента.

4.6 Требования к водоснабжению

Диаметр шланга для питание воды должен быть не менее 13 мм.

Интенсивность подачи воды должна быть больше расхода воды.

Интенсивность подачи можно определить, измерив количество воды, поступающее за 1 минуту в мерную ёмкость.

Температура подаваемой воды не должна превышать 60°С.

Никогда не использовать воду с примесью растворителей, разбавителей.

Использовать только чистую воду. В мойку не должны попасть частицы грязи и пыли.

Использовать фильтр тонкой очистки воды.

4.7 Требования безопасности при работе с мойкой

При эксплуатации мойки следует соблюдать основные предписания по технике безопасности.

.        Ознакомиться с Руководством перед началом работы. В случае несоблюдения техники безопасности аппарат может стать источником опасности.

.        Не направлять струю на людей, животных, электроприборы, розетки, а также на сам аппарат.

.        Не допускается к использованию моющего аппарата лиц, не изучивших данный раздел.

.        Во время работы аппарат должен находиться в горизонтальном положении.

.        Использовать только чистую воду и нейтральное моющее средство.

.        Во избежание удара электрическим током не использовать аппарат под дождём и во время грозы.

.        При использовании аппарат должен быть заземлён и оборудован устройством защитного отключения тока.

.        Чтобы минимизировать риск травм, во время работы следить за тем, чтобы поблизости не было детей. В рабочей зоне не должно быть людей и животных.

.        Убедиться, что рабочий знает, как произвести аварийную остановку и быстро стравить давление.

.        Использовать защитные очки.

.        Не использовать кислоты, горючие растворители и иные легковоспламеняющиеся материалы. Эти вещества могут причинить вред здоровью оператора и вызвать необратимые нарушения в работе аппарата.

.        Не работать в состоянии переутомления, алкогольного или наркотического опьянения, а также под воздействием лекарственных препаратов.

.        Аппарат не предназначен для использования лицами с ослабленным физическим здоровьем и ограниченными умственными способностями, а также лицами с недостаточным опытом и знаниями.

.        Номинальное напряжение питания аппарата должно соответствовать напряжению электросети.

.        Использовать только удлинители, предназначенные для наружных работ, розетка должна быть влагозащищённой.

.        Обратиться к профессиональному электрику при необходимости заменить вилку или кабель электропитания. Для остановки аппарата сначала отключить питание, затем выньте вилку электропитания.

.        В целях безопасности использовать исключительно оригинальные запасные части.

.        При поломке любой важной части аппарата, например, кабеля, шланга высокого давления, рукоятки или устройства безопасности, прекратить использование аппарата.

.        Если шнур питания поврежден, в целях безопасности он должен быть заменен производителем, сервисной службой производителя или квалифицированным специалистом.

.        Во избежание поражения электрическим током следить за тем, чтобы все кабельные соединения были сухими и ни в коем случае не лежали на земле. Не прикасаться к сетевому штепселю мокрыми руками.


5. Экономическая часть

.1 Оценка инвестиций на реконструкцию проект ПТБ ООО «ГазПромТрансГазУхта» Шекснинское ЛПУ МГ

Для реконструкции зоны УМР необходимо произвести затраты на ремонт помещения, устройство системы оборотного водоснабжения, приобретение технологического оборудования, его доставку и монтаж.

Стоимость реконструкции зоны УМР площадью 186 м2 составляет 465000 руб., из расчета 2500 руб./м2, в том числе санитарно-технические работы и электромонтажные работы.

Для реконструкции зоны УМР необходимо дополнительно приобрести оборудование и инструмент, указанный в таблице 5.1.

Таблица 5.1. Перечень оборудования и инструмента

Название

Марка, модель

Цена, руб.

Кол-во

Итого стоимость, руб.

Стеллаж

Ferrum

10000

1

10000

Мойка высокого давления

Karcher HDS 10/20-4 M

180000

2

36000

Пылесос

Starmix HS

20000

1

20000

Пылесос моющий

Nilfisk Alto

29000

1

29000

Пеногенератор

DELVIR Ferro 50

21000

1

21000

Модуль повышения давления

МПД 00.01-33

42000

1

42000

Система очистки воды

СОРБ -2/800-Р

177500

1

177500

Настенный шланговый подвес 12 м (комплект)

Karcher

3800

2

7600

Ларь для ветоши


700

1

700


Сумма затрат на приобретение оборудования составит 667800 рублей.

Затраты на транспортировку оборудования принимаются 4% от стоимости соответствующего закупаемого оборудования [16]:

Зтр = 0,04 ∙Зоб, руб.,                           (5.1)

Зтр = 0,04 · 667800 = 26712 руб.

Затраты на монтаж оборудования (Зм) принимаются 8% от стоимости соответствующего оборудования. Из перечисленного оборудования необходимость в монтаже имеют модуль повышения давления и система очистки воды. Монтаж включает в себя сборку, установку, подключение и настройку [16]:

Зм = 0,08·Зоб.м., руб.,                           (5.2)

Зм = 0,08 · 219500 = 17560 руб.

Сумма инвестиций рассчитывается по формуле:

И = Зрек + Зоб + Зтр + Зм, руб.,                     (5.3)

где    Зрек - затраты на реконструкцию, руб.;

Зоб - затраты на приобретение оборудования, руб.;

Зтр - затраты на транспортировку оборудования, руб.;

Зм - затраты на монтаж оборудования, руб.

И = 465000+667800+26712+17560=1177072 руб.

5.2 Оценка изменения эксплуатационных затрат

Дополнительные текущие эксплуатационные затраты включают в себя отчисления на амортизацию, затраты на ремонт оборудования, затраты на электроэнергию, на заработную плату, накладные расходы и так далее.

Отчисления на амортизацию здания рассчитываются по формуле [16]:

, руб., (5.4)

где    На - норма амортизации.

Норма амортизации рассчитывается по формуле:

, (5.5)

где    Тэкс - период эксплуатации, год.

Принимаем срок эксплуатации здания 20 лет, тогда норма амортизации равна:

.

Отчисления на амортизацию здания равны:

 руб.

Отчисления на амортизацию оборудования рассчитываются по формуле:

       (5.6)

Принимаем срок эксплуатации оборудования 8 лет, тогда норма амортизации равна:

.

Амортизации подлежит оборудование стоимостью более 100000 руб. и сроком использования более 12 месяцев.

Отчисления на амортизацию оборудования равны:

 руб.

Затраты на ремонт оборудования составляют 8% от его стоимости и рассчитываются по формуле:

Зрем = 0,08 · Зоб, руб.,                         (5.7)

руб.

Затраты на электроэнергию определяются по формуле:

Зэл.э = М · N · Tэф ·Кс·Ккор· Цэл.э., руб.,                (5.8)

где    М - установленная мощность электроустановок, кВт (М=25,1 кВт);

N - количество постов, N=1 пост;

Тэф - эффективный годовой фонд времени работы оборудования, ч (Тэф = =7·2·307 = 4298 ч);

Кс - коэффициент использования, Кс=0,3;

Цэл.э. - стоимость 1 кВт∙ч электроэнергии, руб., Цэл.э.=5,6 руб.

Числовые значения корректирующих коэффициентов в зависимости от размера предприятия (по ОНТП-01-91 [5]) приведены в таблице 5.2.

Таблица 5.2. Коэффициент коррекции

Размер предприятия (расчетная единица - один рабочий пост)

Числовые значения корректирующих коэффициентов Ккор установленной мощности

до 5

1,15

св. 5 до 10

1,0

св. 10 до 20

0,9

св. 20 до 30

0,85

св. 30

0,75




Тогда:

Зэл.э = 25,1·1·4298·0,3·1,15·5,6=208424 руб.

Дополнительных затрат на освещение не требуется.

Затраты на подвод и отвод воды определяются по формуле:

Зв = (Vсут подв×Сподв+ V сут отв ×Сотв)×N×Драб, руб., (5.9)

где Vсут подв и Vсут отв - подводимый и отводимый суточный объем воды, м3 (по ОНТП-АТП-01-91 [5] данные объемы воды принимаются равными соответственно 3 м3/сутки и 1,25 м3/сутки на один рабочий пост);

Сподв и Сотв - стоимость одного м3 подводимой и отводимой воды, руб. (Сподв = 35,98 руб. [17], Сотв = 23,7 руб. [18]);- количество рабочих постов, шт. (N=1).

Нормы расхода воды корректируется в зависимости от мощности предприятия и от типа подвижного состава. При числе постов до 5, корректирующий коэффициент равен для потребляемой воды 1,05, для сточной - 1,04.

Зв = (3·1,05·35,98 + 1,25·1,04·23,7)·1·307 = 44253 руб.

В связи с реконструкцией и увеличением объема работ необходимо нанять дополнительно 5 мойщиков.

Фонд заработной платы:

ФЗПрем = Nрем·12·ΣЗПрем·1,15, руб.,                    (5.10)

ФЗПрем = 12·13000·5·1,15 = 897000 руб.

Тарифы страховых взносов в Пенсионный фонд РФ, Фонд социального страхования РФ, Федеральный фонд обязательного медицинского страхования и территориальные фонды обязательного медицинского страхования на 2017 год - 30%. Страхование от несчастных случаев и профзаболеваний - 0,4%.

Таким образом, в общая сумма страховых взносов составит 30,4 процента:

С = 0,304∙ФЗПрем, руб.,                   (5.11)

Страховые взносы:

С = 0,304·897000 = 272688 руб.

Общие затраты на заработную плату:

ЗЗП=ФЗПрем + С, руб.                      (5.12)

Общие затраты на заработную плату работников предприятия:

ЗЗП = 897000 + 272688 = 1169688 руб.

Налог на имущество:

Ним = 0,022∙Зрек, руб.              (5.13)

Ним = 0,022·465000 = 10230 руб.

Дополнительные затраты на эксплуатацию рассчитываются по формуле:

Здоп.= Аздоб + Зрем.+ Зэлэ + ЗВ + ЗЗП + Ним, руб. (5.14)

Здоп = 23250+71650+53424+208424+44253+1169688+10230=1580919 руб.

Дополнительные накладные расходы составляют 10% от дополнительных затрат на эксплуатацию участка:

Знр= 0,1∙Здоп, руб.                            (5.15)

Знр = 0,1∙1580919 = 158092 руб.

Тогда дополнительные текущие эксплуатационные затраты составят:

Сэ = Здоп+ Знр, руб., (5.16)

Сэ = 1580919+158092 = 1739011 руб.

5.3 Оценка экономической целесообразности проекта

На данный момент времени уборочно-моечные работы проводятся в сторонних организациях.

Годовая экономия на затратах на проведение УМР в сторонних организациях рассчитывается по формуле:

ЭЗ =TГ сторон∙Сн-ч., руб.,            (5.17)

где    Сн-ч - стоимость нормо-часа, руб.;

TГ сторон - годовой объем работ, выполняемый в сторонних организациях, чел.·час.

ЭЗ = 2310,9 ∙950=2195355 руб.

Экономический эффект от реконструкции будет:

ЭФ = ЭЗ + А - Сэ, руб. (5.18)

ЭФ = 2195355+94900-1739011=551244 руб.

Одним из важнейших показателей проекта является срок окупаемости инвестиций. Чем он меньше, тем эффективнее используются инвестиции в организацию предприятия.

Определение реальной ценности и срока окупаемости проекта производится с учётом дисконтирования, т.е. приведения экономических показателей разных лет к сопоставимому во времени виду (к началу реализации проекта) путем их умножения на коэффициенты дисконтирования.

Предварительно рассчитаем дисконтируемый экономический эффект:

ЭФД = ЭФ ∙ КД, руб.,                              (5.19)

где    ЭФ - экономический эффект, руб.;

КД - коэффициент дисконтирования.

,                                   (5.20)

где    r - процентная ставка, %;- годы (1,2,3,4…).

r = rf + rp,                                          (5.21)

где    rf - безрисковая базовая норма дисконта (обычно это Ключевая ставка ЦБ);

rp - премия за риск, принимаем rp=3% (для первого года).

Ключевая ставка ЦБ РФ с 02.05.2017 г. составляет 9,25%.

Для первого года r = (9,25+3)%, для второго года r = 9,25%.

КД для: первого года работы - 0,89; второго - 0,84; третьего - 0,77, и т.д.

Использование кредитных средств не требуется.

Результаты расчёта даны в таблице 5.3.

Таблица 5.3. Расчет срока окупаемости инвестиций

Показатели

Годы


0

1

2

3

Инвестиции, руб.

1177072

0

0

0

Экономический эффект, руб.

0

551244

551244

551244

Коэффициент дисконтирования

1

0,89

0,84

0,77

Дисконтированный экономический эффект, руб.

0

490607

463045

424458

Чистая текущая стоимость, руб.

-1177072

-686465

-223420

201038


Как видно из таблицы 5.3, при единовременном вводе мощностей и неизменных величинах экономии и текущих затрат по годам проект окупит себя через 2,5 (2+(223420/424458)) года после ввода в эксплуатацию.

Нормативные сроки окупаемости представлены в таблице 5.4.

Таблица 5.4. Нормативные сроки окупаемости инвестиций при механизации производства

Мероприятия

Максимальный срок окупаемости, лет

Малая механизация и автоматизация производства с внедрением простых видов оборудования и оснастки, с установкой приспособлений на действующих агрегатах и т.п.

1-1,5

Механизация и автоматизация отдельных процессов и операций, модернизация и частичная замена оборудования

2-3

Внедрение комплексно-механизированных и автоматизированных процессов, создание автоматических линий и цехов (без пересмотра технологической схемы)

4-5

Комплексная механизация и автоматизация производственных процессов в рамках участков, цехов и предприятий с полным переоборудованием и пересмотром технологической схемы

6


Т.к. план реконструкции предполагает ремонт помещений и внедрение оборудования, то значение срока окупаемости в 2,5 года попадает в рамки нормативных сроков окупаемости инвестиций и является экономически целесообразным.


Заключение

В ходе выполнения выпускной квалификационной работы по реконструкции ПТБ ООО «ГазПромТрансГазУхта» Шекснинское ЛПУ МГ с детальной разработкой участка уборочно-моечных работ в первом его пункте было выполнено обоснование темы ВКР, в котором приводится характеристика предприятия, основные показатели работы предприятия, обоснование необходимости выполнения темы дипломного проекта. Основной задачей ВКР является реконструкция ПТБ предприятия путем введения участка уборочно-моечных работ с очистными сооружениями.

Во втором пункте проекта приводится технологический расчёт предприятия, в процессе которого произведён расчёт производственной программы, расчет годового объема работ по ТО, ТР, рассчитано количество производственных рабочих. Рассчитано количество постов, число автомобиле-мест хранения. Определена площадь производственной зоны, зоны хранения, рассчитана площадь участка уборочно-моечных работ, площадь складов и стоянок, административно-бытовых помещений и земельного участка предприятия.

В третьем пункте разработан технологический процесс уборочно-моечных работ для грузового автомобиля, приведен перечень работ УМР, подобрано необходимое оборудование для проведения УМР, эксплуатационные материалы, рассчитаны нормы времени.

В четвертом пункте (конструкторская часть) приводится конструкция мойки высокого давления, описание устройства и принципа работы, а также необходимые расчеты.

В экономической части произведена оценка экономической эффективности реконструкции предприятия, в частности рассчитаны инвестиции на проведение реконструкции, дополнительные текущие эксплуатационные затраты, произведена оценка показателей экономической эффективности.

В результате расчетов получили, что проект способен окупится примерно за 2,5 года, что делает привлекательным данный проект для инвестиций.



Список использованных источников

1. Техническая эксплуатация автомобилей: учебник для вузов / Е.С. Кузнецов, А.П. Болдин, В.М. Власов и другие - Москва.: Наука, 2001. - 535 с.

2. О компании ООО «Газпром трансгаз Ухта» [Электронный ресурс]: официальный сайт. - Режим доступа: http://ukhta-tr.gazprom.ru

3. Пикалев, О.Н. Проектирование предприятий автомобильного транспорта: методические указания для выполнения курсового и дипломного проектирования. - Вологда: ВоГТУ, 2011. - 47 с.

4. Положение о техническом обслуживании и ремонте подвижного состава автомобильного транспорта. - Москва: Транспорт, 1986. - 48 с.

5. ОНТП-01-91. Отраслевые нормы технологического проектирования предприятий автомобильного транспорта: утверждены Росавтотранс. - Введены 07.08.91. - Москва: Гипроавтотранс, 1991. -184 с.

6. Кисуленко, Б.В. Краткий автомобильный справочник НИИАТ. Том 2. Грузовые автомобили / Б.В. Кисуленко. - Москва: Финпол, 2004. - 667 с.

7. Светлов, М.В. Техническое обслуживание и ремонт автомобильного транспорта. Дипломное проектирование: учебно-методическое пособие / М.В. Светлов. - М.: КНОРУС, 2011. - 320 с.

8. РД 46448970-1041-99. Перечень основного технологического оборудования, рекомендуемого для оснащения предприятий, выполняющих услуги (работы) по техническому обслуживанию и ремонту автотранспортных средств. - Москва: ФТОЛА-НАМИ, 1999. - 32 с.

9. Вишневецкий Ю.Т. Техническая эксплуатация, обслуживание и ремонт автомобилей: Учебник - 3-е изд. - М.: Издательско-торговая корпорация «Дашков и К°», 2006. - 380 с.

10. Сарбаев, В.И. Техническое обслуживание и ремонт автомобилей: механизация и экологическая безопасность производственных процессов / В.И. Сарбаев, С.С. Селиванов, В.Н. Коноплев, Ю.Н. Демин. - Ростов на Дону: Феникс, 2004. - 448 с.

11. Иванов, В.Б. Справочник по нормированию труда на автомобильном транспорте / В.Б. Иванов, А.Г. Ковалик. - Киев: Тэхника, 1991. - 174 с.

12. Анурьев, В.И. Справочник конструктора-машиностроителя, в 3-х т. - 8-е изд. перераб. и доп. / Под ред. И.Н. Жестковой. - М.: Машиностроение, 2001. - 936 с.

13. Дарков А.В., Шпиро Г.С. Сопротивление материалов: Учебное пособие. - М.: Высш. шк., 1989. - 624 с.

14. Курсовое проектирование деталей машин/ А.Е. Шейнблит - М.: Высшая школа, 1991. - 432 с.

15. Чекмарёв, А.А. Справочник по машиностроительному черчению / А.А. Чекмарёв, В.К. Осипов. - М.: Высшая школа; Изд. центр «Академия», 2000. - 493 с.

16. Оценка экономической целесообразности проекта: методические указания по выполнению экономической части ВКР. - Вологда: ВоГУ, 2017. - 24 с.

17. Региональная энергетическая комиссия Вологодской области Приказ от 02.12.2015 №732 «Об установлении тарифов на питьевую воду (питьевое водоснабжение) ООО «Шексна-Водоканал» для потребителей Шекснинского района»

18. Региональная энергетическая комиссия Вологодской области Приказ от 02.12.2015 №733 «Об установлении тарифов на водоотведение ООО «Шексна-Водоканал» для потребителей Шекснинского района»

Похожие работы на - Проект реконструкции ПТБ ООО 'ГазпромТрансгаз Ухта' Шекснинское ЛПУ МГ с детальной разработкой участка уборочно-моечных работ

 

Не нашли материал для своей работы?
Поможем написать уникальную работу
Без плагиата!
Без нейросетей!