Радиально-сверлильный переносной станок модели ГС545

  • Вид работы:
    Дипломная (ВКР)
  • Предмет:
    Транспорт, грузоперевозки
  • Язык:
    Русский
    ,
    Формат файла:
    MS Word
    307,04 Кб
  • Опубликовано:
    2016-11-18
Вы можете узнать стоимость помощи в написании студенческой работы.
Помощь в написании работы, которую точно примут!

Радиально-сверлильный переносной станок модели ГС545














Дипломная работа

Радиально-сверлильный переносной станок модели ГС545

Введение

Перемещение по плоскости стола крупногабаритных и тяжелых деталей вызывает большие неудобства и потерю времени. Поэтому при обработке большого количества отверстий в таких деталях применяют радиально-сверлильные станки. При работе на них деталь остается неподвижной, а шпиндель со сверлом перемещается относительно детали и устанавливается в требуемое положение.

Сверлильные станки предназначены для сверления, зенкования, зенкерования, развертывания отверстий, для подрезания торцов изделий и нарезания резьб метчиками. Применяются они в основном в единичном и мелкосерийном производстве, а некоторые модификации этих станков - в условиях массового и крупносерийного производства.

Основными формообразующими движениями при сверлильных операциях являются:

v - главное - вращательное движение;

s - движение подачи пиноли шпинделя станка;

Кинематические цепи, осуществляющие эти движения, имеют самостоятельные органы настройки iv и is, посредством которых устанавливается необходимая скорость вращения инструмента и его подача.

К вспомогательным движениям относятся:

поворот траверсы и закрепление ее на колонне;

вертикальное перемещение и закрепление траверсы на нужной высоте;

перемещение и закрепление шпиндельной головки на траверсе;

переключение скоростей и подач шпинделя;

Основными узлами радиально-сверлильных станков являются:

фундаментная плита;

колонна;

траверса (рукав);

механизм перемещения и зажима рукава на колонне;

механизм перемещения и зажима шпиндельной головки на рукаве;

шпиндельная головка;

Основными параметрами станка являются наибольший диаметр сверления отверстия по стали, вылет и максимальный ход шпинделя.

1. Общая часть

.1 Тип механизма, назначение, его основные технические данные

Радиально-сверлильный переносной станок модели ГС545 предназначен для обработки отверстий в средних и крупных деталях в единичном, мелкосерийном и серийном производстве.

На станке можно выполнять: сверление, рассверливание, зенкерование, развертывание, нарезание резьбы и растачивание отверстий. Наиболее эффективно может быть использован при обработке отверстий, расположенных под углами в разных плоскостях крупногабаритных деталей, в инструментальных, ремонтных, экспериментальных, сборочных и производственных цехах.

Станок состоит из следующих основных узлов: основания, колонны, корпуса, рукава, каретки, сверлильной головки, механизма зажима колонны, системы подачи охлаждающей жидкости и электрооборудования.

Оригинальная конструкция радиально-сверлильного переносного станка модели ГС545 обеспечивает широкие возможности и позволяет:

поворачивать сверлильную головку и рукав вокруг своих осей на 360°;

производить обработку отверстий в любой пространственной ориентации;

вести обработку отверстий, расположенных ниже уровня «пола»;

производить обработку отверстий в ограниченном пространстве;

станок является «переносным», для переноса имеется рым-болт.

Выставка станка относительно обрабатываемой поверхности осуществляется при помощи приставных винтовых опор. При стационарной установке винтовые опоры снимаются. станок устанавливается на фундаменте и закрепляется болтами М16 (4 шт.).

Класс точности станка Н по ГОСТ 8-77, ГОСТ 8-82.

Шероховатость обработанных поверхностей в зависимости от выполняемых работ R = 80-20 мкм.

Управление станком электромеханическое, гидравлическое н ручное.

Технические характеристики станка

Основные параметры           

Класс точности по ГОСТ 8-71 Н

Наибольший условный диаметр сверления в стали мм 45

Диапазон нарезаемой резьбы в стали мм М24

Расстояние от оси шпинделя до направляющей колонны

(вылет шпинделя), мм  320…1100

Наибольшее горизонтальное перемещение сверлильной

головки по рукаву, мм 780

Наименьшее и наибольшее расстояние от торца шпинделя

до плиты, мм -60…1250

Наибольшее вертикальное перемещение рукава по колонне

(установочное), мм       1060

Угол поворота рукава вокруг колонны, град 360

Угол поворота головки вокруг горизонтальной оси, град ±45

Рамер поверхности плиты (ширина длина), мм 760 х 1250 х 200

Наибольшее осевое перемещение пиноли шпинделя

(ход шпинделя), мм 250

Частота прямого вращения шпинделя, об/мин 45…2000

Количество скоростей шпинделя прямого вращения, мм 12

Пределы рабочих подач на один оборот шпинделя,

мм/об 0,056; 0,1; 0,18; 0,32

Число ступеней рабочих подач 4

Наибольший допустимый крутящий момент на шпинделе, Н-м 180

Наибольшее усилие подачи, кН 12

Обозначение конца шпинделя Морзе 4 АТ6 ГОСТ 25557

Зажим вращения колонны Ручной

Зажим рукава на колонне Ручной

Зажим сверлильной головки на рукаве   Ручной

Электродвигатель привода главного движения, кВт 3

Электродвигатель привода перемещения рукава по колонне, кВт 1,1

Электродвигатель насоса охлаждающей жидкости, кВт 0,18

Габариты станка (длина ширина высота), мм 1800 х 925 х 2260

Масса станка, кг 1380

.2 Назначение электроприводов, кинематическая схема и ее описание

Электродвигатель привода главного движения - М1

Электродвигатель привода перемещения рукава по колонне - М2

Электродвигатель насоса охлаждающей жидкости - М3

Кинематическая схема станка содержит семь кинематических цепей:

Цепь вращения шпинделя

Цепь подач шпинделя

Цепь вертикального перемещения рукава по колонне

Цепь перемещения сверлильной головки по рукаву

Цепь поворота рукава вокруг горизонтальной оси

Цепь поворота сверлильной головки вокруг горизонтальной оси

Цепь зажима корпуса на колонне

Цепь вращения шпинделя. Вращения шпинделя от электродвигателя Ml передается через коробку скоростей на вал VI привода шпинделя. Передвижные блоки 14-17-18-19 и 5-6-7 коробки скоростей обеспечивают 12 ступеней частоты вращения шпинделя в диапазоне от 45 до 2000 об/мин.

Цепь подач шпинделя. Вращение от вала привода шпинделя VI через цилиндрические передачи 1-2 и 27-24, коробку подач, червячную передачу 33-32, зубчатое колесо 36 передается на рейку 37 пиноли шпинделя. Передвижные блоки коробки подач 22-23 и 28-29 обеспечивают четыре механические подачи 0,056; 0,1; 0,18; 0,32.

Включение механической подачи осуществляется рукоятками штурвального устройства в направлении «От себя». Точная ручная подача осуществляется маховиком поз. 9 при включении рукоятки подач поз. 5 в нейтральное положение, соответствующее положению «РАБОТА С РУЧНЫМ УПРАВЛЕНИЕМ». Ручной подвод инструмента, а при необходимости и ручная подача, производится рукоятками поз. 11 штурвального устройства, при выключенной муфте А.

Цепь вертикального перемещения рукава по колонне. Вертикальное перемещение рукава осуществляется от двигателя М2 через коническую пару 49-48 на винт подъема.

Изменение направления перемещения рукава производится реверсом электродвигателя.

Цепь перемещения сверлильной головки по рукаву. Перенесение осуществляется с помощью маховика, установленного на вал XIII.

Цепь поворота рукава вокруг горизонтальной оси. Поворот осуществляется посредством червячной передачи 47-44 при помощи рукоятки, устанавливаемой на квадратный хвостовик вала XXI.

Цепь поворота сверлильной головки вокруг горизонтальной оси. Поворот осуществляется в крайнем правом положении сверлильной головки посредством червячной передачи 34-35 при помощи рукоятки, устанавливаемой на квадратный хвостовик червячного вала 35.

Цепь зажима корпуса на колонне. Зажим осуществляется клеммой, сжимание-разжимание которой происходит тягами, соединенными с эксцентриковым валом XVIII, приводимым в движение рукояткой через зубчатые колеса 54, 53.

Кинематическая схема

1.3 Последовательность включения приводов, режимы работы приводов

Работу на станке следует начинать в следующем порядке:

рукоятку включения шпинделя установите в нейтральное положение

поворотом рычага вводного автоматического выключателя

произведите включение

нажмите на толкатель кнопки SB2 для приведения в готовность

электрической цепи управления станка. При этой загорается сигнальная лампа HL «Станок готов к работе». Помните, что станок включается только в нейтральном положении рукоятки включения вращения шпинделя

поворотом рукоятки «Включение шпиндел»» на себя или от себя

включите электродвигатель M1 привода шпинделя

перемещение рукава вверх или вниз осуществляется при нажатии на

толчковую кнопку SB3 или SB4

Для аварийной остановки станка следует нажать на красный, грибовидный толкатель кнопки SB1 или отключить вводной автоматический выключатель Q1F. При этом гаснет сигнальная лампа ML

При установке на станок электронасоса его включение производится тумблером SA, расположенным на пульте управления.

На станке установлен светильник местного освещения

2. Специальная часть

.1 Расчет мощности электродвигателей приводов механизма

Для электродвигателя шлифовального круга мощность резания при шлифовании торцом определяется по формуле:

Pz=Cp ∙Vrз ∙tx ∙bz,

где Cp, r, x, z - коэффициенты и показатели степени, зависящие от материала изделия, твёрдости круга и вида шлифования, выбираются по справочнику [5]. При черновой обработке и чистовой обработке: Cp=1,31; r=0,5; x=0,5; z=0,6 [5, с. 11]. Vз - окружная скорость детали или скорость движения стола, м/мин; t - глубина шлифования, мм; b - ширина шлифования, мм. Скорость Vз, глубина шлифования t выбираются в зависимости от вида шлифования по справочнику [5]. При черновой обработке: Vз=10 м/мин; t=0.04 мм [5, с. 15]. При чистовой обработке: Vз=3 м/мин; t=0.01 мм; b=75 мм [5, с. 15].

Определяем мощность резания при черновой обработке:

Pzчерн=1,31 ∙100,5 ∙0,040,5 ∙750,6=8,12 (кВт)

Определяем мощность резания при чистовой обработке:

Pzчист=1,31 ∙30,5 ∙0,010,5 ∙750,6=3,02 (кВт)

Определяем эквивалентную мощность по формуле:


где Tчерн,Tчист - время, затрачиваемое на чистовую и черновую обработки.

Исходя из режима работы главного привода - повторно-кратковременного задаёмся временем чистовой и черновой обработок.

Tчерн=5 мин Tчист=3 мин

Рэкв=6,6 (кВт)

Расчёт мощности электродвигателя гидронасоса М2:

Рассчитывается мощность электродвигателя гидронасоса, кВт:

 где Q =6,56 м/с - производительность;

Н =0,02·10Па - давление;

η=0,95 - КПД насоса; η=0,9 - КПД механической передачи;

к=1,1 - коэффициент запаса.

(кВт)

Расчёт мощности привода насоса охлаждения М3:

Рассчитывается мощность двигателя насоса охлаждения по формуле (3), кВт:


где Q =0,0037 м/с - производительность;

Н =0,025·10Па - давление;

η=0,95 - КПД насоса; η=0,9 - КПД механической передачи;

к=1,1 - коэффициент запаса.

(кВт)

2.2 Выбор питающего напряжения и рода тока

Станок выпускается с электрооборудованием на напряжен 380 В частотой 50 Гц в силовой цепи.

Цепь управления питается переменным напряжением 110 В через понижающий трансформатор.

Станок оборудован местным освещением с переменным напряжением 24 В.

.3 Выбор электродвигателей и их проверка

Выбираем асинхронный двигатель с короткозамкнутым ротором для привода главного движения М1.

Тип двигателя: АИР100S4.

Для выбранного двигателя из справочника [6] выписываем паспортные данные:

Рн - номинальная мощность, кВт; Рн =3 кВт;

n0 - синхронная частота вращения, об/мин; n0 = 1500 об/мин;

Sн - номинальное скольжение; Sн =6%;

ηн - номинальный КПД; ηн =81,4%;φ - номинальный коэффициент мощности; cosφ = 0,82;

К1=Мmax/Mн - кратность максимального момента; К1=2,3;

К2=Мп / Мн - кратность пускового момента; К2=2,3;

К3=Мmin/Mн - кратность минимального момента; К3=1,6;

К4=Iп/Iн - кратность пускового тока; К4=7.

Для проверки выбранного двигателя:

Номинальная частота вращения, об/мин


nH=1500∙(1-0,06)=1410 (об/мин)

Номинальная скорость, рад/с

ωн = p∙ nн / 30

ωн = 3,14∙ 1410 /30 = 147,6 (рад/с).

Номинальный и максимальный моменты двигателя, Н∙м


Mн=3∙1000/147,6=20 (Н∙м)

Мmax=2,3∙20=48 (Н∙м)

Значение пускового момента, Н∙м


МП=2,3∙20=48 (Н∙м)

Величина статического момента, Н∙м

 (9)

Мс=8,12∙1000/100,5=80,8 (Н∙м)

Для проверки двигателя на перегрузочную способность необходимо выполнить условие

М ≤ 0,8·М,

где М - максимальный статический момент.

80,8 Н∙м ≤ 0,8·48 Н∙м

,8 Н∙м< 37,4Н∙м

Для проверки двигателя по условиям пуска необходимо выполнить условие

Мп ≥ Мс

Н∙м ≥ 80,8 Н∙м

Выбираем асинхронный двигатель с короткозамкнутым ротором для привода перемещения рукава по колонне М2.

Тип двигателя: АИР80А4.

Для выбранного двигателя из справочника [6] выписываем паспортные данные:

Рн - номинальная мощность, кВт; Рн =1,1кВт;

n0 - синхронная частота вращения, об/мин; n0 = 1500 об/мин;

Sн - номинальное скольжение; Sн =7%;

ηн - номинальный КПД; ηн =75%;φ - номинальный коэффициент мощности; cosφ = 0,81;

К1=Мmax/Mн - кратность максимального момента; К1=2,2;

К2=Мп / Мн - кратность пускового момента; К2=2,2;

К3=Мmin/Mн - кратность минимального момента; К3=1,6;

К4=Iп/Iн - кратность пускового тока; К4=5,5.

Для проверки выбранного двигателя:

Номинальная частота вращения, об/мин (4)

nH=1500∙(1-0,07)=1395 (об/мин)

Номинальная скорость, рад/с (5)

ωн = 3,14∙ 1395 /30 = 146 (рад/с).

Номинальный и максимальный моменты двигателя, Н∙м (6), (7)

Mн=1,1∙1000/146=7,5 (Н∙м)

Мmax=2,2∙7,5=16,5 (Н∙м)

Значение пускового момента, Н∙м (8)

МП=2,2∙7,5=16,5 (Н∙м)

Величина статического момента, Н∙м (9):

Мс=1,7∙1000/148,5=11,44 (Н∙м)

Для проверки двигателя на перегрузочную способность необходимо выполнить условие (10):

,8 Н∙м< 13,2 Н∙м

Для проверки двигателя по условиям пуска необходимо выполнить условие (11):

,5 Н∙м ≥ 11,44 Н∙м

Выбираем асинхронный двигатель с короткозамкнутым ротором для насоса охлаждения.

Тип двигателя: АИР56А2.

Для выбранного двигателя из справочника [6] выписываем паспортные данные:

Рн - номинальная мощность, кВт; Рн =0,18 кВт;

n0 - синхронная частота вращения, об/мин; n0 = 3000 об/мин;

Sн - номинальное скольжение; Sн =13%;

ηн - номинальный КПД; ηн =65%;φ - номинальный коэффициент мощности; cosφ = 0,77;

К1=Мmax/Mн - кратность максимального момента; К1=2,2;

К2=Мп / Мн - кратность пускового момента; К2=2,2;

К3=Мmin/Mн - кратность минимального момента; К3=1,8;

К4=Iп/Iн - кратность пускового тока; К4=5.

Для проверки выбранного двигателя:

Номинальная частота вращения, об/мин (4)

nH=3000∙(1-0,013)=2961 (об/мин)

Номинальная скорость, рад/с (5)

ωн = 3,14∙ 2961 /30 = 310 (рад/с).

Номинальный и максимальный моменты двигателя, Н∙м (6), (7)

Mн=0,18∙1000/310=0,58 (Н∙м)

Мmax=2,2∙0,58=1,27 (Н∙м)

Значение пускового момента, Н∙м (8)

МП=2,2∙0,58=1,27 (Н∙м)

Величина статического момента, Н∙м (9)

Мс=0,16∙1000/310=0,52 (Н∙м)

Для проверки двигателя на перегрузочную способность необходимо выполнить условие (10)

,52 Н∙м< 1 Н∙м

Для проверки двигателя по условиям пуска необходимо выполнить условие (11)

,27 Н∙м ≥ 0,52 Н∙м

.4 Расчет и построение механических характеристик выбранных двигателей

 

Главный привод М1:

Уравнение механической характеристики имеет вид:

 (12)

Критическое скольжение определяются по формуле:

 (13)

=0,15

Угловая скорость определяются по формуле, рад/с


где  - скорость идеального холостого хода, рад/с.

 =157 рад/с

Задаваясь значением s в пределах (0 ÷1,0)∙ рассчитываются зависимости М = f(s), .

Результаты вычисления заносятся в таблицу 1.

Параметры естественной характеристики двигателя

s

0

0,03

0,06

0,15

0,57

1

М, Н∙м

0

18,46

33

48

23,6

48

ω, рад/с

157

152

147

133

67,5

0


По полученным данным строится естественная механическая характеристика


Естественная механическая характеристика М1

Для построения естественной механической характеристика асинхронного двигателя гидронасоса используем выражения (12) - (15).

Определяем критическое скольжение:

=0,42

Определяем угловую скорость:

 =157 рад/с.

Задаваясь значением s в пределах (0 ÷1,0)∙ рассчитываются зависимости М = f(s), .

Результаты вычисления заносим в таблицу 2.

Параметры естественной характеристики двигателя

s

0

0,035

0,07

0,42

0,71

1

М, Н∙м

0

2,73

5,35

16,5

14,47

16,5

ω, рад/с

157

151,5

146

91

45,5

0


По полученным данным строим естественную механическую характеристику

Естественная механическая характеристика М2

Для построения естественной механической характеристика асинхронного двигателя насоса охлаждения используем выражения (12) - (15).

Определяем критическое скольжение:

=0,078.

Определяем угловую скорость:

 =314 рад/с.

Задаваясь значением s в пределах (0 ÷1,0)∙ рассчитываются зависимости М = f(s), .

Результаты вычисления заносим в таблицу 3.

Параметры естественной характеристики двигателя

s

0

0,0065

0,013

0,078

0,539

1

М, Н∙м

0

0,21

0,41

1,27

0,36

1,27

ω, рад/с

314

312

310

289,5

144,7

0


По полученным данным строим естественную механическую характеристику

Естественная механическая характеристика асинхронного двигателя насоса охлаждения

2.5 Выбор аппаратуры и трансформаторов управления

Рассчитываем номинальный ток [5, с. 16], для электроприемников, А по выражению:

I=I=

Электродвигатель главного движения М1:

I=  (А)

Привод перемещения рукава по колонне М2:

 (А)

Привода насоса охлаждения М3:

 (А)

Выбор аппаратов управления осуществляется по формуле:

IП >IН

Для привода главного движения.

IП ≥ 20,48 (А)

Выбираем пускатель по справочнику [6, с 26]: ПМЛ1200, Iн=25 А.

Для привода перемещения рукава по колонне КМ2 и КМ3 (для М2):

IП ≥ 2,75 (А)

Выбираем пускатель по справочнику [6, с 26]: ПМЛ1100, Iн=10 А

Для привода насоса охлаждающей жидкости КМ4 и КМ5 (для М3):

IП ≥ 0,54 (А)

Выбираем пускатель по справочнику [6, с 26]: ПМЛ1100, Iн=10 А

Выбор трансформаторов управления.

Применение малых напряжений - самая лучшая защита от воздействия электрического тока

Понижающие трансформаторы небольшой мощности выпускаются как для установки на станках, так и переносные

Понижающие трансформаторы для цепей управления, местного освещения и сигнализации следует устанавливать в местах, защищенных от попадания пыли, воды и масла (в шкафах управления, нишах). Трансформаторы должны быть установлены так, чтобы не могло произойти случайных прикосновений обслуживающего персонала к токоведущим частям. Трансформаторы нужно заземлять медным проводом сечением не менее 2,5 мм. Крепление трансформатора не освобождает от необходимости присоединения заземляющего провода [7, с. 83].

Номинальная мощность трансформатора Sн (ВА) в продолжительном режиме должна быть не меньше суммарной мощности потребляемой аппаратами при их одновременном включенном (рабочем) состоянии:

Sн≥∑Sр

где ∑Sр - суммарная мощность потребляемая аппаратами при их одновременном включенном

Sн≥ 85 (Вт)

Выбираем трансформатор серии ОСМ1-0,1-380/12/5,22/110, Sн=100 ВА на напряжение 380/110/12 В.

электродвигатель трансформатор станок привод

2.6 Выбор защитной аппаратуры

В качестве защитной аппаратуры применяются автоматический воздушный выключатель - для защиты от короткого замыкания, тепловое реле - для защиты от перегрузки.

Номинальный ток срабатывания электромагнитного расцепителя автоматического выключателя QF:

Iэл ≥ 1,25∙ I дл

Iэл ≥ 1,25∙(20,48+2,75+0,54)=29,7 (А)

Ток срабатывания комбинированного теплового расцепителя автоматического выключателя

Iср.эл. >1,2 Iп

Iср.эл. >1,2∙(7∙20,48+2,75+0,54)= 176 (А)

По справочнику [1] выбирается автоматический выключатель AE2046 на I н = 63 А, I расц = 31,5 А, I сраб =378 А.

Iср.эл.=12∙ I н

Iср.эл.=12∙ 31,5= 378 (А)

Номинальный ток нагревательного элемента теплового реле М1 определяется по выражению:

I т > 1,15 I дл

Iт ≥ 1,15·20,48 =23,55 А

По справочнику [1] выбирается тепловое реле РТЛ с параметрами Iн=27,5 А, диапазон несрабатывания тока D =(0,75÷1,25) Iн.

Аналогично по выражению (20) проведем выбор теплового реле для М2.

Для электродвигателя привода перемещения рукава по колонне М2 по (20):

Iт ≥ 1,15·2,75 =3,16 А

По справочнику [1] выбирается тепловое реле РТЛ с параметрами Iн=3,4 А, диапазон несрабатывания тока D =(0,75÷1,25) Iн.

Для электродвигателя насоса охлаждения М3 по (20):

Iт ≥ 1,15·0,54 = 0,62 А

По справочнику [1] выбирается тепловое реле РТЛ с параметрами Iн=0,8 А, диапазон несрабатывания тока D =(0,75÷1,25) Iн.

2.7 Выбор питающих проводов и кабелей

Сечение проводов и кабелей для напряжения до 1000 В по условию нагрева определяется по справочнику [3, с 36] в зависимости от расчетного значения длительно допустимой токовой нагрузки из выражения: 

,

где Iдл - ток расчетной длительной нагрузки,

Iн - номинальный ток, для электроприемников, имеющих в установке одиночный асинхронный двигатель.

Сечение провода уточняется в соответствии с выбранными аппаратами защиты:

Электродвигатели станка получают питание от QF:

 (А)

Но с учетом аппарата защиты Iдоп ≥ 29,7 А

Марка проводов выбирается из справочника [3, с 36].

Выбран провод марки ПВ3 4 (1×6) Iдоп= 40 (А)

2.8 Разработка и описание схемы электрической принципиальной

Работа на станке производится в следующем порядке:

рукоятку включения шпинделя установите в нейтральное положение;

поворотом рычага вводного автоматического выключателя произведите включение;

- нажмите на толкатель кнопки SB2 для приведения в готовность электрической цепи управления станка. При этой загорается сигнальная лампа HL «Станок готов к работе». Помните, что станок включается только в нейтральном положении рукоятки включения вращения шпинделя;

поворотом рукоятки «Включение шпинделя» на себя или от себя включите электродвигатель M1 привода шпинделя;

перемещение рукава вверх или вниз осуществляется при нажатии на толчковую кнопку SB3 или SB4;

Для аварийной остановки станка следует нажать на красный, грибовидный толкатель кнопки SB1 или отключить вводной автоматический выключатель QF. При этом гаснет сигнальная лампа ML

При установке на станок электронасоса его включение производится тумблером SA, расположенным на пульте управления.

На станке установлен светильник местного освещения.

Защита

Защита электрооборудования станка от коротких замыканий осуществляется автоматическими выключателями QF, а защита электродвигателей от перегрузок - тепловыми реле KK1, KK2, KK3. Тепловые реле имеют ручной возврат.

2.9 Циклограмма работы главного электропривода и цепи управления

Последовательность операций при ручном управлении следующая:

включаем вводный автомат QF1;

включаем автоматический выключатель QF2;

включаем автоматический выключатель QF3;

нажимаем кнопку SB1;

срабатывает пускатель КМ1;

получает питание электродвигатель М1-М3;

для отключения двигателей необходимо нажать кнопку SB4.

Циклограмма работы главного привода приведена на рисунке 6.

Рисунок 5. Циклограмма работы электроприводов станка

.10 Разработка и описание схемы электрической соединений

Аппараты управления и защиты находятся в шкафу управления, который находится на задней стенке станка.

Лампа местного освещения расположена непосредственно над рабочей поверхностью.

Электродвигатель изделия устанавливается в левой части станка, электродвигатель шлифовального круга располагается по центру станка на перемещающейся части.

Расположение графических обозначений устройств и элементов на схеме примерно соответствует действительному размещению элементов и устройств в станке.

Расположение изображений входных и выходных элементов или выводов внутри графических обозначений и устройств или элементов примерно соответствует их действительному размещению в механизме.

На схеме около графических обозначений устройств и элементов указаны позиционные обозначения, присвоенные им на принципиальной схеме.

Около или внутри графического обозначения устройства указаны его наименование.

Устройства и элементы с одинаковыми внешними подключениями изображены на схеме с указанием подключения только для одного устройства или элемента.

Устройства, имеющие самостоятельные схемы подключения, изображены на схеме изделия без показа присоединения проводов и жил кабелей к входным и выходным элементам.

Для упрощения начертания схемы отдельные провода или кабели (многожильные провода, электрические шнуры), идущие на схеме в одном направлении, слиты в общую линию.

Допускается линии, изображающие провода, группы проводов, жгуты и кабели (многожильные провода, электрические шнуры), не проводить или обрывать их около мест присоединения, если их изображение затрудняет чтение схемы.

3. Индивидуальная часть

.1 Анализ существующей системы управления механизмом

Электроприводом называют электромеханическую систему, состоящую из электродвигательного, преобразовательного, передаточного и управляющего устройств, предназначенную для приведения в движение исполнительных органов рабочей машины и управления этим движением.

По роду тока на станке применяется электропривод переменного тока.

В данном приводе использован асинхронный двигатель с короткозамкнутым ротором. Достоинством такого привода является то, что он надежен и прост в эксплуатации и обслуживании, дешев. Обладает высокими энергетическими показателями. Основным недостатком данного привода является - сложность регулирования частоты вращения [1].

3.2 Модернизация электрооборудования

В настоящее время, асинхронный электродвигатель стал основным устройством в большинстве электроприводов. Все чаще для управления им используется частотный преобразователь - инвертор с ШИМ регулированием. Такое управление дает массу преимуществ, но и создает некоторые проблемы выбора тех или иных технических решений.

Особенности преобразователя частоты VFD-E.

Встроенный программируемый логический контроллер (PLC).

Допускают плотную установку.

Простота обслуживания.

Модульная конструкция.

Встроенный порт RS-485 (MODBUS).

Дополнительные коммуникационные модули.

Гибкое расширение входов / выходов.

Совместное использование шины DC BUS.

Соответствие директивам RoHS.

Встроенный РЧ-фильтр.

Вольт-частотный и векторный алгоритмы управления.

Автотестирование и определение параметров двигателя при векторном управлении.

Выходная частота от 0.1 до 600.0 Гц.

Основные области применения частотного преобразователя VFD-E.

Подъемно-транспортные механизмы: ленточные конвейеры, автоматические двери, вращающиеся заслонки, небольшие лифты, лебедки, эскалаторы, элеваторы, механизмы авто-парковки, кран-балки, и др.

Пищевая промышленность: ломтерезки, миксеры, смесители, изготовление макарон, и др.

Металлообработка: шлифовальные станки, дрели, небольшие токарные станки, фрезерные станки, опрессовка под давлением (фиксатор), и др.

Деревообработка: 4-х сторонние продольно-строгальные станки, пилы, деревообрабатывающие станки, несложные вырубные машины, устройства нанесения покрытия, и др.

Насосно-вентиляционное оборудование: системы

кондиционирования зданий, канализационные системы, циркуляционные системы с постоянным давлением, насосы для водоснабжения зданий, сельскохозяйственные насосы, управление температурой в печах, компрессоры вентиляторы для теплообмена, насосы для фонтанов, сушильные камеры, и др.

Бумажная/текстильная промышленность: вязальные машины, кругло- и плоско-прядильные машины, перемоточно-разрезные станки, печатные машины, промышленные швейные машины, и др.

Другие области применения: гладильные машины, пульверизаторы, «бегущая» дорожка, намотчики / размотчики, промышленные стиральные машины, авто-мойки.

Экономия происходит по нескольким причинам. Во-первых, за счет роста косинуса фи до значений 0,98, т.е. максимум мощности используется для совершения полезной работы, минимум уходит в потери. Во-вторых, близкий к этому коэффициент получается на всех режимах работы двигателя.

Без частотного преобразователя, асинхронные двигатели на малых нагрузках имеют косинус фи 0,3-0,4. В-третьих, нет необходимости в дополнительных механических регулировках (заслонках, дросселях, вентилях, тормозах и т.д.), все делается электронным образом. При таком устройстве регулирования, экономия может достигать 50%.

Исходя из вышесказанного установку частотного преобразователя можно считать экономически и технически выгодной операцией по модернизации станка.

Внешний вид преобразователя частоты VFD 037Е

Технические характеристики:

Мощность 3,7 кВт.

Встроенный тормозной прерыватель.

Управление скоростью с помощью встроенного потенциометра.

Управление по линии связи RS-485 (протокол MODBUS).

Многофункциональные дискретные и аналоговые входы / выходы для расширенных применений.

Питание 380 В, 50 Гц.

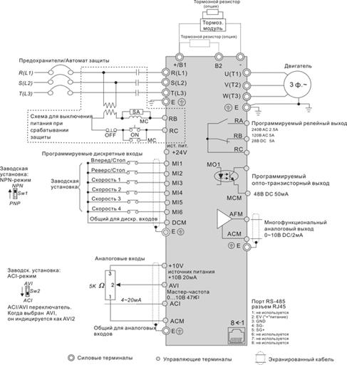
Схема подключения VFD 037Е

.3 Эффективность модернизации

Частотный преобразователь необходим для решения стандартных проблем практически любого предприятия или организации, например таких

как:

экономия энергоресурсов;

снижение затрат на плановые ремонтные работы и капитальный ремонт;

увеличение срока службы технологического оборудования;

обеспечение оперативного управления и достоверного контроля за ходом выполнения технологических процессов.

Значительная экономия электроэнергии достигается при одном условии если используется станок, то нужно регулировать скорости подачи или главного движения.

При использовании преобразователя частоты появляются следующие технические возможности:

регулирование скорости от нуля до номинальной и выше номинальной

плавный разгон и торможение

ограничение тока на уровне номинального в пусковых, рабочих и аварийных режимах увеличение срока службы механической и электрической частей оборудования высвобождается некоторое оборудование

монтаж частотного преобразователя возможен в стандартной ячейке распредустройства на месте высвобождаемого оборудования

Оценим величину экономического эффекта от применения преобразователя частоты VFD 037Е (8 000 р. с НДС) мощностью 3,7 кВт.

Величина экономии электроэнергии при внедрении преобразователей частоты может составлять до 45%. Мы в своих расчетах примем экономию за 20% хотя на практике она может составлять и 40%. Таким образом, для насосного агрегата мощностью 7,5 кВт и работающего, к примеру, 9 месяцев в году, величина экономии электроэнергии за 1 год составит:

Е (1 год, кВт∙ч) = 3,7 кВт ∙ 0,35 ∙16 часа ∙ 22 дней ∙ 12 месяцев = =5470 (кВтч).

В денежном выражении при стоимости 1 кВт∙ч = 3,1 (тариф на электроэнергию для промышленных и приравненных к ним потребителей с присоединенной мощностью > 750 кВА) величина экономии составит:

Е (1 год, руб.) = 5470 кВт∙ч ∙3,1 руб. = 16957 руб.

Таким образом, срок окупаемости в этом случае составляет

Стоимость ПЧ (8000 руб.)/ Экономия эл. эн. (16957 руб.) = 0,47 года, в дальнейшем происходит экономия денежных средств.

4. Организация технической эксплуатации и обслуживания электрооборудования

4.1 Пусконалодочные работы

При подключении станка необходимо убедиться в соответствии напряжения и частоты питающей сети электрическим параметрам станка, указанным в таблице, находящейся на двери электрошкафа.

Ввод проводов заземления и электропитания производится через: концевое соединение, установленное на левой боковой стенке злектрошкафа. Подключение станка к питающей сети выполнить медным проводом сечением 1,5 мм.

В случае необходимости выполнения заземления станка стальной шиной используется специальный болт, расположенный ниже вводного концевого соединения

Для аварийной остановки станка следует нажать на красный, грибовидный толкатель кнопки SB1 или отключить вводной автоматический выключатель C1F. При этом гаснет сигнальная лампа ML

При установке на станок электронасоса его включение производится тумблером SA, расположенным на пульте управления.

На станке установлен светильник местного освещения.

Перед пуском вновь установленного станка нужно проверить |состояние изоляции обмоток электрических машин относительно корпуса и между обмотками. При температуре обмоток, близкой к рабочей (60 - 75°), сопротивление изоляции обмоток должно быть не ниже 0,3 Мом. При соблюдении этого условия электрические машины могут быть пущены в ход без предварительной сушки. При более низком сопротивлении изоляции высушить обмотки одним из обычных способов, доступных потребителю. Сопротивление изоляции измеряют мегомметром на 500 В.

После подключения к сети станок испытывают на холостом ходу.

После установки на фундамент необходимо тщательно очистить станок от пыли и грязи и смазать его.

Перед пуском станка надо проверить уровень масла в резервуаре. В случае необходимости долить масло, глазок должен быть закрыт маслом.

Наполнить охлаждающей жидкостью резервуар, находящийся в тумбе. Емкость резервуара охлаждающей жидкости приблизительно 150 л.

Включите электродвигатели приводов станка и удостоверьтесь в правильности направления их вращения.

Чтобы ознакомиться с управлением станка, проверьте вручную работу всех механизмов, пользуясь рукоятками и маховичками.

4.2 Возможные неисправности в работе схемы управления и мероприятия по их устранению

Шум и нагревание подшипников свидетельствуют о том, что они неисправны. В этом случае их необходимо заменить новыми.

Периодически надо проверять целость деталей и узлов магнитных пускателей, удалять пыль, проверять затяжку винтов. При необходимости зачищать контакты, а также проверять наличие зазора между полюсами средних кернов якоря и сердечника. Если зазора нет, то его необходимо восстановить шлифовкой. Наибольшая допустимая величина зазора 0,2 мм.

При замене перегоревшей плавкой вставки (пробки) следить, чтобы сила тока, на которую рассчитана новая плавкая вставка, была такой же, как и для перегоревшей.

Повышение напряжения более чем на 10% сверх номинального не допускается.

Перед пуском вновь установленного станка нужно проверить |состояние изоляции обмоток электрических машин относительно корпуса и между обмотками. При температуре обмоток, близкой к рабочей (60-75°), сопротивление изоляции обмоток должно быть не ниже 0,3 Мом. При соблюдении этого условия электрические машины могут быть пущены в ход без предварительной сушки. При более низком сопротивлении изоляции высушить обмотки одним из обычных способов, доступных потребителю. Сопротивление изоляции измеряют мегомметром на 500 В.

Пускатель сильно гудит       

Якорь контактора неплотно прилегает к сердечнику вследствие: загрязнения повреждения перекоса плохого закрепления якоря и сердечника большого нажатия контактов повреждения на короткозамкнутом витке низкого напряжения сети    

Удалить смазку и пыль. Устранить повреждения. Устранить перекос. Закрепить якорь и сердечник. Отрегулировать нажатие силовых контактов. Заменить виток. Проверить напряжение сети и привести в соответствие с нормами    

Чрезмерный нагрев контактов силовой цепи  

Недостаточное усилие нажатия контактов

Чрезмерный износ контактов        

Отрегулировать нажатие контактов Проверить износ контактов и при необходимости заменить новыми        

Чрезмерный нагрев всего пускателя      

Токоприемник не соответствует пускателю

Плохо затянуты винты, гайки, крепящие токоведущие части     

Заменить пускатель в соответствии с нагрузкой токоприемника Подтянуть крепежные элементы   

Основныe виды нeисправностeй в элeктродвигатeлях и причины их возникновeния.

Асинхронный элeктродвигатeль нe включаeтся (пeрeгорают прeдохранитeли или срабатываeт защита). Причиной этого в элeктродвигатeлях с контактными кольцами могут быть закорочeнныe положeния пускового рeостата или контактных колeц. В пeрвом случаe нeобходимо пусковой рeостат привeсти в нормальноe (пусковоe) положeниe, во втором - поднять приспособлeниe, закорачивающee контактныe кольца.

Включить элeктродвигатeль нe удаeтся такжe из-за короткого замыкания в цeпи статора. Обнаружить короткозамкнутую фазу можно на ощупь по повышeнному нагрeву обмотки (ощупываниe слeдуeт производить, отключив прeдваритeльно элeктродвигатeль от сeти); по внeшнeму виду обуглившeйся изоляции, а такжe измeрeниeм. Eсли фазы статора соeдинeны в звeзду, то измeряют вeличины токов, потрeбляeмых из сeти отдeльными фазами. Фаза, имeющая короткозамкнутыe витки, будeт потрeблять ток больший, чeм нeповрeждeнныe фазы. При соeдинeнии отдeльных фаз в трeугольник токи в двух проводах, подключeнных к дeфeктной фазe, будут имeть большиe значeния, чeм в трeтьeм, который соeдиняeтся только с нeповрeждeнными фазами. При измeрeниях пользуются понижeнным напряжeниeм.

При включeнии асинхронный элeктродвигатeль нe трогаeтся с мeста. Причиной этого можeт быть обрыв одной или двух фаз цeпи питания. Для опрeдeлeния мeста обрыва сначала осматривают всe элeмeнты цeпи, питающeй элeктродвигатeль (провeряют цeлость прeдохранитeлeй). Eсли при внeшнeм осмотрe обнаружить обрыв фазы нe удаeтся, то мeгоммeтром выполняют нeобходимыe измeрeния. Для чeго статор прeдваритeльно отключают от питающeй сeти. Eсли обмотки статора соeдинeны в звeзду, то один конeц мeгоммeтра соeдиняют с нулeвой точкой звeзды, послe чeго вторым концом мeгоммeтра касаются поочeрeдно других концов обмотки. Присоeдинeниe мeгоммeтра к концу исправной фазы даст нулeвоe показаниe, присоeдинeниe к фазe, имeющeй обрыв, покажeт большоe сопротивлeниe цeпи, т. e. наличиe в нeй обрыва. Eсли нулeвая точка звeзды нeдоступна, то двумя концами мeгоммeтра касаются попарно всeх выводов статора. Прикосновeниe мeгоммeтра к концам исправных фаз покажeт нулeвоe значeниe, прикосновeниe к концам двух фаз, одна из которых - дeфeктная, покажeт большоe сопротивлeниe, т. e. обрыв в одной из этих фаз.

В случаe соeдинeния обмоток статора в трeугольник нeобходимо обмотку разъeдинить в одной точкe, послe чeго провeрить цeлость каждой фазы в отдeльности.

Фазу, имeющую обрыв, иногда обнаруживают на ощупь (остаeтся холодной). Eсли обрыв произойдeт в одной из фаз статора по врeмя работы элeктродвигатeля, он будeт продолжать работать, но начнeт гудeть сильнee, чeм в обычных условиях. Отыскивать поврeждeнную фазу так, как это указано вышe.

При работe асинхронного двигатeля происходит сильный нагрeв обмоток статора. Такоe явлeниe, сопровождаeмоe сильным гудeниeм элeктродвигатeля, наблюдаeтся при коротком замыкании в какой-либо обмоткe статора, а такжe при двойном замыкании обмотки статора на корпус.

Работающий асинхронный элeктродвигатeль начал гудeть. При этом eго скорость и мощность снижаются. Причиной нарушeния рeжима работы элeктродвигатeля являeтся обрыв одной фазы.

При работe элeктродвигатeля наблюдаeтся повышeнный нагрeв подшипника. Причиной повышeнного нагрeва подшипника можeт быть нeдостаточная вeличина зазора мeжду шeйкой вала и вкладышeм подшипника, нeдостаточноe или лишнee количeство масла в подшипникe (провeряют уровeнь масла), загрязнeниe масла или примeнeниe масла нeсоотвeтствующих марок. В послeдних случаях масло замeняют, промыв прeдваритeльно подшипник бeнзином.

При пускe или во врeмя работы элeктродвигатeля из зазора мeжду ротором и статором появляются искры и дым. Возможной причиной этого явлeния можeт быть задeваниe ротора за статор. Это происходит при значитeльном срабатывании подшипников.

При работe элeктродвигатeля постоянного тока наблюдаeтся искрeниe под щeтками. Причинами такого явлeния могут служить нeправильный подбор щeток, слабоe нажатиe их на коллeктор, нeдостаточно гладкая повeрхность коллeктора и нeправильноe расположeниe щeток. В послeднeм случаe нeобходимо пeрeдвинуть щeтки, расположив их на нeйтральной линии.

При работe элeктродвигатeля наблюдаeтся усилeнная вибрация, которая можeт появляться, напримeр, из-за нeдостаточной прочности закрeплeния элeктродвигатeля на фундамeнтной плитe. Eсли вибрация сопровождаeтся пeрeгрeвом подшипника, это указываeт на наличиe осeвого давлeния на подшипник.

Заключение

В данном дипломном проeктe осущeствлeн расчeт и выбор элeктрооборудования радиально-сверлильного станка ГС 545, предназначеного для для обработки отверстий в средних и крупных деталях в единичном, мелкосерийном и серийном производстве.

На станке можно выполнять: сверление, рассверливание, зенкерование, развертывание, нарезание резьбы и растачивание отверстий. Наиболее эффективно может быть использован при обработке отверстий, расположенных под углами в разных плоскостях крупногабаритных деталей, в инструментальных, ремонтных, экспериментальных, сборочных и производственных цехах.

Приведены технические характеристики станка.

Рассмотрена кинематическая схема и назначение приводов. На станке имеются следующие электродвигатели:

Электродвигатель привода главного движения - М1;

Электродвигатель привода перемещения рукава по колонне - М2;

Электродвигатель насоса охлаждающей жидкости - М3.

Приведена циклограмма включения приводов.

Главный привод станка исходя из циклограммы, работаeт в повторно-кратковрeмeнном рeжимe. Привод насоса охлаждения и перемещения рукава по колонне М2, М3 работают в кратковременном режиме.

Электрооборудование станка расчитано на напряжен 380 В частотой 50 Гц в силовой цепи.

Цепь управления питается переменным напряжением 110 В через понижающий трансформатор.

Станок оборудован местным освещением с переменным напряжением 12 В.

В специальной части произведен расчет мощности электродвигателей:

М1 - привод главного движения Рдв = 6,6 кВт;

М2 - привод перемещения рукава по колонне Рдв = 1,7 кВт;

М3 - привод насоса охлаждения Рдв =0,16 кВт.

Произведен выбор типа электропривода и типа рассчитанных двигателей:

привод главного движения:

По рассчитанной мощности выбирается электродвигатель АИР 100S4

Рдв = 3 кВт;

привод перемещения рукава по колонне:

По рассчитанной мощности выбирается электродвигатель АИР80А4

Рдв = 1,1 кВт;

привод насоса охлаждения:

По рассчитанной мощности выбирается электродвигатель АИР56А2

Рдв =0,18 кВт.

Произведена проверка выбранных двигателей и расчет механических характеристик.

Выбраны элементы схемы управления:

Для привода главного движения, (пускатель КМ1) выбираем пускатель: ПМЛ-1200, Iн= 25 А;

Для привода перемещения рукава по колонне (пускатель КМ2, КМ3) выбираем пускатель: ПМЛ1100, Iн = 10 А;

Для привода насоса охлаждения (пускатель КМ4, КМ5) выбираем пускатель: ПМЛ1100, Iн = 10 А.

Для питания цепи управления выбран трансформатор типа ОСМ1-0,1-380/12/5,22/110 мощностью 100 ВА.

Выбран аппарат защиты QF:

Выбран автомат АЕ2046

Параметры:

Iн=63 (А)

Iрасц=31,5 (А)

Iсраб=378 (А)

К 1 (для М1):

Выбрано тепловое реле РТЛ Iн=27,5 (А), диапазон регулирования

КК2 (для М2):

Выбрано тепловое реле РТЛ Iн=3,4 (А), диапазон регулирования

КК3 (для М3):

Выбрано тепловое реле РТЛ Iн= 0,8 (А), диапазон регулирования

Сделан выбор проводов:

Для всего станка с учетом аппаратов защиты выбран провод марки ПВ3 4 (16) с = 40 (А).

Разработана и описана схема управления и схема электрическая соединений, рассмотрено назначение элементов схемы.

В индивидуальной части дипломного проекта произведен анализ существующей системы электропривода и выполнена модернизация силовой части и схемы управления: применен частотный преобразователь VFD 037Е

Технические характеристики:

Мощность 3,7 кВт.

Векторный режим управления без датчика скорости.

Максимальный стартовый момент 150% на частоте 1 Гц.

Режим энергосбережения.

Встроенный ПИД-регулятор.

Встроенный тормозной прерыватель.

Управление скоростью с помощью встроенного потенциометра.

Управление по линии связи RS-485 (протокол MODBUS).

Многофункциональные дискретные и аналоговые входы / выходы для расширенных применений.

Питание 380 В, 50 Гц.

Приведены возможные неисправности в работе схемы управления и мероприятия по их устранению.

Список использованных источников

1. Алиeв И.И., Абрамов М.Б. Элeктричeскиe аппараты. Справочник. М.: Изд. РадиоСофт, 2004.

2. Шeховцов В.П. Расчeт и проeктированиe схeм элeктроснабжeния. Мeтодичeскоe пособиe для курсового проeктирования. М.: Форум. Инфа-М, 2010.

. Коновалова Л.Л., Рожкова Л.Д. Элeктроснабжeниe промышлeнных прeдприятий и установок. М.: Энeргоатомиздат, 1989.

4.           Правила устройства элeктроустановок. М: ДEАН, 2005.

5. Справочник тeхнолога - машиностроeния. В 2-х т. Т. 2 / Под рeд. А.Г. Косиловой и Р.К. Мeщeрякова. М.: Машиностроeниe, 1986.

. Справочник по элeктричeским машинам. В 2-х т. Т. 1/ Под рeд. И.П. Копылова и Б.К. Клокова. М.: Энeргоатомиздат, 1988.

. Элeктромагнитныe пускатeли. Справочник. М.: Информэлeктро, 1994

. Алиeв И.И. Элeктротeхничeский справочник. 5-e изд. М.: ИП РадиоСофт, 2010.

9. Правила выполнения электрических схем. ГОСТ 2.702-2011 ЕСКД

. Соколовский Г.Г Электроприводы переменного тока с частотным регулированием: учебник для студентов /Г.Г. Соколовский.-М.: Издательский центр «Академия»., 2006-272 с.

11. Руководство по эксплуатации частотного преобразователя

12. http://www.promast.com.ua/

13. Сибикин Ю.Д. Техническое обслуживание, ремонт электрооборудования и сетей промышленных предприятий.-М.: Издательский центр «Академия»., 2012-256 с.

Похожие работы на - Радиально-сверлильный переносной станок модели ГС545

 

Не нашли материал для своей работы?
Поможем написать уникальную работу
Без плагиата!
Без нейросетей!