Разработка коробки скоростей радиально-сверлильного станка

  • Вид работы:
    Курсовая работа (т)
  • Предмет:
    Другое
  • Язык:
    Русский
    ,
    Формат файла:
    MS Word
    809,77 Кб
  • Опубликовано:
    2014-10-10
Вы можете узнать стоимость помощи в написании студенческой работы.
Помощь в написании работы, которую точно примут!

Разработка коробки скоростей радиально-сверлильного станка

Введение

Перед станкостроением всегда будет стоять задача - создание металлорежущих станков, отвечающих современным требованиям машиностроения и всего народного хозяйства. Следовательно, требуется создание станков высокой производительности, точности и экономичности.

Целью данного курсового проекта является разработка коробки скоростей радиально-сверлильного станка, переключение передач в которой осуществляется с помощью ручного управления.

Расчёт коробки скоростей включает определение диапазона регулирования скоростей, построение структурной сетки и, в соответствии с ней, графика частот вращения и кинематической схемы, определение чисел зубьев зубчатых колёс коробки, определения требуемой эффективной мощности коробки скоростей, определения модулей и параметров зубчатых колёс, определение параметров валов и уточнённый расчёт на усталость самого нагруженного вала, выбор шпоночных или шлицевых соединений, передающих крутящий момент, выбор ручного управления, выбор подшипниковых опор валов, выбор системы смазки, расчёт динамических характеристик обеспечивающих заданную точность обработки.

1. Общая характеристика радиально-сверлильного станка

На сверлильных станках сверлят, зенкеруют и развертывают отверстия, подрезают торцы, снимают фаски, растачивают канавки.

Применение комбинированных инструментов позволяет выполнять несколько переходов за один рабочий ход, а закрепление инструментов в быстросменных патронах позволяет производить последовательно ряд переходов обработки с минимальными затратами времени.

Сверление обеспечивает точность диаметральных размеров в пределах 5 - 7 квалитета.

Станок радиально-сверлильный 2Л53У предназначен для сверления, рассверливания, зенкерования, развертывания, растачивания отверстий, нарезания резьбы метчиками резьбы реверсом электродвигателя, подрезки торцов резцом, а также выполнения других аналогичных операций при обработке различных корпусных деталей в механических цехах единичного, мелкосерийного и серийного производства, а также в сборочных цехах заводов тяжелого транспортного машиностроения. При оснащении станка приспособлениями и специальным инструментом его можно использовать для высокопроизводительной обработки крупногабаритных деталей в крупносерийном производстве.

Рукав станка не имеет перемещения по колонне, а сверлильная головка перемещается по горизонтальным направляющим рукава и вместе с рукавом поворачивается вокруг колонны.

Бочка с поворотным столом поворачивается вокруг колонны на 320° и перемещается вертикально по ней. Поворотный стол имеет возможность поворачиваться вокруг горизонтальной оси. На торце рукава смонтирован электрошкаф. Органы управления сосредоточены в удобном для работы месте: на сверлильной головке и электрошкафу. Электронасос охлаждения монтируется на фундаментной плите.

Станок может обрабатывать детали, установленные вне плиты.

При изготовлении фундамента в местах установки фундаментных болтов должны быть пирамидальные колодцы размером 130 x130 мм в верхней части и 180 x180 мм в. нижней части, глубиной 300 мм.

Глубина заложения фундамента выбирается в зависимости от грунта, но не менее 400 мм.

Точность установки станка в продольном и поперечном направлениях 0,05 мм на длине 1000 мм.

После выверки станка фундаментные болты заливаются цементным раствором 1 : 3, и после затвердевания бетона следует затянуть гайки фундаментных болтов, проверяя положение станка по уровню.

Класс точности станка Н по ГОСТ 8-71. Шероховатость обработанной поверхности Rа 2,5 мкм.

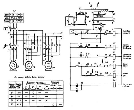
Электрическая схема радиально-сверлильного станка 2Л53У



Технические характеристики сверлильного станка 2Л53У

Наименование параметра

2Л53У

Основные параметры станка


Класс точности станка

Н

Наибольший условный диаметр сверления в стали 45, мм

35

Наибольший условный диаметр сверления в чугуне, мм


Диапазон нарезаемой резьбы в стали 45, мм


Расстояние от оси шпинделя до направляющей колонны (вылет шпинделя), мм

290..1000

Наибольшее горизонтальное перемещение сверлильной головки по рукаву, мм

710

Наименьшее и наибольшее расстояние от торца шпинделя до плиты, мм

1120

Наименьшее и наибольшее расстояние от торца шпинделя до стола, мм

15..630

Наибольшее вертикальное перемещение рукава по колонне (установочное), мм

-

Наибольшее вертикальное перемещение стола по колонне, мм

340

Скорость вертикального перемещения рукава по колонне, м/мин

-

Угол поворота рукава вокруг колонны, град

330

Размер поверхности плиты (ширина длина), мм

800 х 1500

Подъемный стол


Размер поверхности стола (ширина длина), мм

450 х 800

Угол поворота стола вокруг колонны, град

360

Угол поворота стола вокруг горизонтальной оси, град

-80, +90

Скорость перемещения стола по колонне, мм/мин

314

Шпиндель


Наибольшее осевое перемещение пиноли шпинделя (ход шпинделя), мм

325

Обозначение конца шпинделя по ГОСТ 24644-81

Морзе 4

Частота прямого вращения шпинделя, об/мин

35,5..1400

Количество скоростей шпинделя прямого вращения

8

Частота обратного вращения шпинделя, об/мин


Количество скоростей шпинделя обратного вращения


Пределы рабочих подач на один оборот шпинделя, мм/об

0,1..1,1

Число ступеней рабочих подач

6

Перемещение шпинделя на одно деление лимба, мм

1

Перемещение шпинделя на оборот лимба, мм

94,2

Наибольший допустимый крутящий момент, кгс*см

1800

Наибольшее усилие подачи, кН

8

Зажим вращения колонны

Ручной

Зажим рукава на колонне

Ручной

Зажим сверлильной головки на рукаве

Ручной

Электрооборудование. Привод


Количество электродвигателей на станке

3

Электродвигатель привода главного движения, кВт

2,2

Электродвигатель привода перемещения рукава, кВт

-

Электродвигатель привода перемещения стола, кВт

0,56

Электродвигатель привода гидрозажима колонны, кВт

-

Электродвигатель привода гидрозажима сверлильной головки, кВт

-

Электродвигатель насоса охлаждающей жидкости, кВт

0,125

Электродвигатель набора скоростей, кВт

-

Электродвигатель набора подач, кВт

-

Суммарная мощность установленных электродвигателей, кВт


Габариты и масса станка


Габариты станка (длина ширина высота), мм

1850 х 800 х 2430

Масса станка, кг

2100



2. Определение диапазона регулирования подач

Определение числа скоростей привода главного движения

Частоты вращения шпинделя  образуют отрезок геометрического ряда со знаменателем φ. Число ступеней частот - z.

Число ступеней частоты вращения шпинделя определяется по формуле

 

где φ - знаменатель геометрического ряда, равный для сверлильных станков.= 12

Число ступеней частоты вращения шпинделя определяется по формуле

 

 

Тогда 1.38

3. Выбор структурной формулы коробки скоростей

коробка скорость вал сверлильный

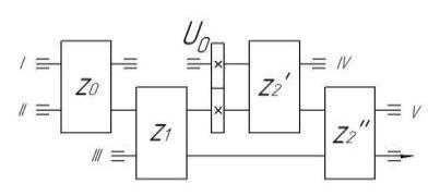
По числу ступеней коробки скоростей знаменателю геометрической прогрессии φ=1,38 из таблицы 5.1 (2, с.24) выбираем вид структуры БIII-2. При этом структурная формула имеет вид:

= 2(0+2+2∙2)

По рисунку 5.4 (2, с. 27) выбираем типовую кинематическую схему привода:

Рисунок 3.1 - типовая кинематическая схема привода

По таблице 5.1 выбираем следующие параметры:

КШ=12 - число шестерен коробки;

КВ=5 - количество валов;

КБ=4 - количество блоков;

КМ=0 - количество муфт;кц=6 - количество ступеней подачи передаваемых по короткой кинематической цепи; Частота прямого вращения шпинделя, об/мин - 35,5..1400.

В соответствии со знаменателем прогрессии φ=1,38 выбираем стандартный ряд частот вращения шпинделя: 35,5; 49; 68; 93; 129; 178; 245; 338; 467; 644; 889; 1227; Строим структурную сетку и график частот вращения по полученным данным.

Рисунок 3.2 - Структурная сетка коробки скоростей и график частот вращения коробки скоростей

4. Выбор чисел зубьев зубчатых колес коробки скоростей

Исходя из найденных по графику частот вращения передаточных отношений а также из кинематической схемы коробки определяем числа зубьев зубчатых колес. Например между I и II валами передаточные отношения i1= , i2= , i3= . По таблице 6 (3, с. 102-103) определяем числа зубьев Z1=20, Z2=64, Z3=24, Z4=60, Z5=28, Z5=56.

Аналогично определяем числа зубьев всех остальных передач по их передаточным отношениям, полученные числа зубьев заносим в таблицу 4.1.

Таблица 4.1 - Числа зубьев зубчатых колес

Валы

Передаточные отношения

Zi

I-II

i1=

84

20

64


i2=


24

60


i3=


28

56

II-III

i4 = 1

96

48

48


i5 = 2


64

32

II- IV

U0=

95

19

76

IV-V

i6=

90

18

72


i7=


30

60


i8= 1


45

45

II-III

i9=

105

21

84


i10= 2


70

35



Таблица 4.2 - Проверка получаемых частот

Номинальная частота, об/мин.

Поучаемая частота, об/мин

Погрешность, %

35,5

36,1

2.4

49

48,5

0,2

68

68

0

93

94,1

0,8

129

130

0,7

178

178

0

245

244

0.8

338

338

0

467

467

0

644

642

0,8

889

890

0,2

1227

1230

1,2



5. Расчет эффективной мощности коробки скоростей

Эффективная мощность коробки скоростей определяется по формуле:

эф=

где Pос - усилие резания. Определяем по формуле:

ос=10CpDqsykp

Для определения усилия резания выбираем черновую обработку углеродистой стали 45 при t=10 мм и подаче s=0.35 мм/об. Вид обработки - сверление.

По таблице 22 (1, с. 273) определяем коэффициенты Cp=68; у=0,7; q=1.

Коэффициент kp определяем по формуле:

=kMPkφpkγpkλpkrp

где kMP - коэффициент влияния обрабатываемого материала.φp, kγp, kλp, krp - коэффициенты влияния геометрических параметров инструмента.

Для материала Сталь 45, как для эталонного, все перечисленные коэффициенты = 1.- скорость резания, м/с. Определяем по формуле:

 V=  ∙

где по таблице 17 (1, с. 269) определяем Сv=9.8; уv= 0.5; mv=0.2; qv=0.4.- стойкость резца, мин. Т=60 мин.

=kmvknvkuv

- коэффициент учитывающий влияние материала заготовки.- коэффициент учитывающий состояние поверхности заготовки.- коэффициент учитывающий влияние материала инструмента.

Для материала Сталь 45, как для эталонного, все перечисленные коэффициенты = 1.=1∙1∙1=1=  ∙1= 24.209 мм/мин

Определяем частоту вращения шпинделя:=10∙68∙351∙0,350,7∙1=6522.086 Нэф=  = 2.58 кВт

Берем электродвигатель с частотой вращения вала n=1400 об/мин, и мощностью в N=4 кВ.

Рассчитаем крутящий момент для первого вала коробки скоростей. Промежуточным элементом между валом электродвигателя и валом коробки примем муфту. Тогда мощность на первом валу коробке передач будет равна

Мкр1=9550

Где ηп - КПД подшипника качения 0,99

ηм - КПД муфты 0,95

ηз - КПД зубчатой передачи 0.99

тогда

Мкр1=9550  = 22.23 H/м

Аналогично производим расчет для второго вала

Мкр2=9550

Мкр2=9550  = 54.78 H/м

Аналогично производим расчет для третьего вала

Мкр3=9550

Мкр3=9550  = 788.17 H/м

Аналогично производим расчет для четвертого вала

Мкр3=9550

Мкр3=9550  = 209.29 H/м

Аналогично производим расчет для пятого вала

Мкр3=9550

Мкр3=9550  = 203.074 H/м

6. Расчет передач

 

.1 Расчет цилиндрических зубчатых передач


Назначение твердости и вида термической обработки зубчатых колес

Так как к габаритам привода предъявляются жесткие требования, принимаем в качестве термической обработки - объемную закалку [5]. Твердость поверхности зубьев - HRC 40…50.

Выбор материала зубчатых колес

Материал выбирается по таблице 2.2 [5] в зависимости от вида ТО.

Выбираем материал шестерни и колеса:

сталь 40Х ГОСТ 4543-71:;  = 1000 МПа;  = 600 МПа;

 = 630 МПа;  = 600 МПа.

Допустимые напряжения при расчете на изгибную прочность:

Х: [σ]F=  =  = 270 МПа

где  - придел изгибающей выносливости;

 - коэффициент, для реверсивных передач равен KFC;

 - коэффициент запаса прочности, =1.7;

 - коэффициент долговечности,


где  - при ТО: объемной закалке;

 - базовое число циклов;

 - эквивалентное число циклов,

циклов

 - коэффициент эквивалентного нагружения;

 - срок службы привода, .

При  ;  

Допустимые напряжения при расчете на контактную прочность:

Х: [σ]H=  =  = 500 МПа

где  - придел контактной выносливости;

 - коэффициент запаса прочности, ;

 - коэффициент долговечности,


где  - базовое число циклов;

 - эквивалентное число циклов, ;

При  ;

. Принимаем KHL=1

Проектный расчет.

При расчёте зубчатых колёс коробки скоростей модуль рассчитывается для каждой из передач в отдельности исходя из прочности зубьев на изгиб и прочности зубьев на контакт.

Расчет модулей передач производятся, по формулам:изг≥, мм

где  - допускаемые напряжения на изгиб;

 - коэффициент формы зуба (выбирается из таблиц 2.3 [5]);

 - число зубьев меньшего колеса;

 - момент на валу меньшего колеса;

- коэффициент ширины зубчатого колеса (рекомендуется принимать

);

- коэффициент нагрузки который учитывает изменение нагрузки по сравнению с номинальной от действия различных факторов. Данный коэффициент выбирается из таблицы 3.2 [5]

кр= , мм

где σH - допускаемые напряжения на контакт, Н/см2. σH=200 Н/см2,

С - коэффициент наклона зубьев. Для прямозубых С=310кр - крутящий момент на валу.

Ккр - коэффициент напряжения. Ккр=1.5,- передаточное число (принимается i≥1, т. е. для замедляющих передач берется величина обратная передаточному отношению).

ψа - коэффициент ширины зубчатого колеса.

ψа=

где b - ширина шестерни, мм

Принимаем ψ=0.1.

а) Расчет модуля передач, с первого на второй валы.изг1≥ = 0.293 мм,кр1=  = 0.231 мм.

б) Расчет модуля передач, со второго на четвертые валы.изг2≥ = 0.471 мм,кр2=  = 0.349 мм.

в) Расчет модуля передач, с четвертого на пятый вал.изг3≥ = 0.475 мм,кр3=  = 0.349 мм.

г) Расчет модуля передач, с пятого на третий вал.изг4≥ = 0.7 мм,кр4=  = 0.58 мм.

д) Расчет модуля передач, со второго на третий вал.изг5≥ = 0.532 мм,кр5=  = 0.298 мм.

Предварительный расчет валов.

Предварительный расчет вала позволяет примерно определить его диаметр для проверки условия сборки, поэтому все коэффициенты принимают слегка завышенными.

D=

Где  - крутящий момент на валу.

-допустимые касательные напряжения. Принимаем =25МПа.

Расчет первого вала: D1=  = 16.443 мм. Принимаем D1=25 мм

Расчет второго вала: D2=  = 22.21 мм. Принимаем D2=30 мм

Расчет третьего вала: D3=  = 54.019 мм. Принимаем D3=60 мм

Расчет четвертого вала: D4=  =34.721 мм. Принимаем D4=40 мм

Расчет пятого вала: D5=  = 34.374 мм. Принимаем D5= 40 мм

7. Определение параметров зубчатых колес

Определение основных параметров зацепления

К основным параметрам зубчатых колес относятся модуль, межосевое расстояние, ширина зубчатых колес, диаметр делительной окружности, диаметр вершин зубьев и диаметр впадин зубьев [5].

Диаметр делительной окружности

=zi∙m;

Диаметр окружности вершин

=m∙(zi+2);

Диаметр окружности впадин

=m∙(zi-2.5);

Межосевое расстояние

=m∙∑zi

Ширина зубчатого венца


Таблица 7.1 - Значение параметров зубчатых колес

Номер колеса

Количество зубьев

Dw, мм

Da, мм

Df, мм

Z1

20

80

70

Z2

64

256

246

264

Z3

24

96

86

104

Z4

60

240

230

248

Z5

28

112

102

120

Z6

56

224

214

232

Z7

48

192

182

200

Z8

48

192

182

200

Z9

64

256

246

264

Z10

32

128

118

136

Z11

19

76

66

84

Z12

76

304

294

312


Межосевое расстояние между первым и вторым валами:

=m∙∑z1=4∙84=168 мм.

Межосевое расстояние между вторым и третьим валами:

=m∙∑z2=4∙96=192 мм.

Межосевое расстояние между вторым и четвертым валами:

=m∙∑z3=4∙95=190 мм.

Межосевое расстояние между четвертым и пятым валами:

=m∙∑z4=4∙90=180 мм.

Межосевое расстояние между пятым и третьим валами:

=m∙∑z5=4∙105=210 мм.

Толщину зубчатых колес принимаем: b=m∙ψm=4∙0.5=20 мм.

8. Уточненный расчет второго вала

.1 Определение нагрузок действующих на вал

Нагрузки, действующие со стороны цилиндрических передач (рисунок 4):

Окружная сила

=

где  - диаметр делительной окружности шестерни.

Радиальная сила= Fti∙tg α

Первая передача=  = 489.108 H,= 489.108∙tg 20 = 178.021 H.

Вторая передача=  = 570.625 H,= 570.625∙tg 20 = 207.691 H.

Третья передача=  = 1441.58 H,= 1441.58∙tg 20 = 524.692 H.

Как было указано в подразделе 3.4, проверочный расчет ведем по первой передаче, которая обеспечивает частоту вращения nII=630 об/мин

.2 Эпюры изгибающих и крутящих моментов

Рассмотрим вал (рисунок 5) в двух плоскостях: горизонтальной и вертикальной, в которых действуют радиальная и окружная силы.

Составим уравнение равновесия вала в вертикальной плоскости.

∑F=0

 = 0

=0

= 0

 =  =  =64.613 H

=  =-178.021+207.691+64.613=94.283 H

Составим уравнение равновесия вала в горизонтальной плоскости.

∑F=0

 = 0

=0

= 0

 =  =  =177.522 H

=  = -489.108+570.625+177.522=259.04 H

По найденным реакциям строим эпюру изгибающих и крутящих моментов (рисунок 6)

Рисунок 8.1 - Эпюры изгибающих и крутящих моментов

Определение полной реакции в опорах:

 =  = 188.915 H,

 =  = 275.665 H.

9. Выбор элементов передающих крутящий момент

К элементам передающим крутящий момент относят детали в соединениях зубчатых колес с валами, передающие крутящий момент, и электромагнитные муфты.

В качестве сединительных элементов в соединении зубчатых колес с валами принимаем шпоночные соединения.

Параметры шпонок установленных на валах имеют следующие значения:

На первом валу:=7x7x10мм, t1=4мм, t2=3.3мм

На втором валу:=10x8x10мм t1=5мм, t2=3.3мм

На четвертом валу:=12x8x8мм, t1=5мм, t2=3,3мм.

На пятом валу:=12x8x8мм, t1=5мм, t2=3,3мм.

Проверяем выбранные шпонки на прочность.

Шпонки подлежат проверке на смятие, которая проводится по формуле


sсм =  £ [sсм]

где    Мкр -крутящий момент на валу, принимается согласно таблицы 1.2;- диаметр вала;- высота шпонки;р - рабочая длина шпонки;

[sсм] - допускаемые напряжения смятия для материала шпонки, для стали

[sсм] = 150 МПа.

Рабочая длина шпонки определяется по формуле:

р = lшп - b

где lшп - длина шпонки;- ширина шпонки.

для шпонки на первом валу:

sсм = =50.811 £ 150 МПа

для шпонки на втором валу:

sсм =  =91.3 £ 150 МПа

для шпонки на четвертом валу:

sсм =  = 132,7 £ 150 МПа

для шпонки на пятом валу:

sсм =  = 131,7 £ 150 МПа

Все выбранные шпонки соответствуют условию прочности при проверке на смятие.

Проверка на прочность шлицевого вала

Шлицы подлежат проверке на смятие, которая проводится по формуле:

σсм=≤[σ]см

где [] - допускаемые напряжения смятия для материала шлицев, для стали, [] = 150 МПа.

-крутящий момент на валу, Нмм;число зубьев шлицевого соединения;,d-наружный и внутренний диаметры соединения соответственно, мм;ст- длина ступицы насаженной на вал, мм.

Выбираем шлицевое соединение средней серии 8×52×60

σсм= 41.888 МПа.

Выбранные шлицы соответствуют условию прочности при проверке на смятие.

10. Разработка системы управления

Для управления коробкой скоростей станка применяются контактные электромагнитные муфты ЭМ…2 и бесконтактные электромагнитные муфты ЭМ…4. Применение таких муфт позволяет осуществлять переключение передач во время работы станка, как в холостом режиме работы, так и под нагрузкой [3].

Для питания электромагнитных муфт обычно применяются селеновые выпрямители. На рисунке 8 показана система питания группы электромагнитных муфт. Муфты включают и отключают по посредством управляющих контактов УК1, УК2 и т. д. При отключении муфты исчезающее магнитное поле наводит в её катушке э. д. с. Большой величины. Она может вызвать пробой изоляции катушки. Чтобы понизить э. д. с. нужно замедлить уменьшение магнитного поля. Это достигается применением резисторов R1, R2. Э. д. с. самоиндукции направлена в сторону убывающего тока; под ее действием по замкнутому через резистор контуру будет некоторое время протекать затухающий ток, который замедлит изменение магнитного потока и уменьшит величину э. д. с. Часто применяют вентили В1, В2. Они не пропускают тока через разрядные резисторы R1, R2, когда муфты включены, и в это время не будет потерь энергии в резисторах.

Для переключения передач выбираем электромагнитные муфты с магнитопроводящими дисками с контактным токопроводом (5, с.324). Исходными данными для выбора электромагнитных муфт являются передаваемый крутящий момент и посадочный диаметр.

Для первого вала: одна муфта ЭМ2-05: D=25, nдоп=25 H∙м.

Для первого вала: одна муфта ЭМ2-07: D=30, nдоп=63 H∙м.

Для первого вала: одна муфта ЭМ2-11: D=40, nдоп=400 H∙м.

Для первого вала: одна муфта ЭМ2-11: D=40, nдоп=400 H∙м.

Для первого вала: одна муфта ЭМ2-13: D=60, nдоп=1000 H∙м.

11. Выбор подшипников

В качестве диаметров шипов под подшипники принимаем диаметры соответствующих валов. Закрепление будет осуществляться стопорными кольцами и дистанционными втулками.

Учитывая элементы расположенные на валах а также по полученным диаметрам шипов, выбираем подшипники, пользуясь справочником [9].

Первый вал

Радиально-упорный роликовый подшипник ГОСТ 27365-87.

: D=62 мм, d=25 мм, B=17 мм

Радиальный шариковый подшипник ГОСТ 8338-75

: D=37 мм, d=25 мм, B=19 мм.

Второй вал

Радиально-упорный роликовый подшипник ГОСТ 27365-87.

: D=72 мм, d=30 мм, B=17 мм

Радиальный шариковый подшипник ГОСТ 8338-75

: D=42 мм, d=30 мм, B=7 мм.

Третий вал

Радиально-упорный роликовый подшипник ГОСТ 27365-87.

: D=130 мм, d=60 мм, B=31 мм

Радиальный шариковый подшипник ГОСТ 8338-75

: D=78 мм, d=60 мм, B=10 мм.

Радиальный роликовый подшипник ГОСТ 7634-75

: D=95 мм, d=60 мм, B=26 мм

Четвертый вал

Радиально-упорный роликовый подшипник ГОСТ 27365-87.

: D=90мм, d=40 мм, B=23 мм

Радиальный шариковый подшипник ГОСТ 8338-75

: D=52 мм, d=40мм, B=7 мм.

Пятый вал

Радиально-упорный роликовый подшипник ГОСТ 27365-87.

: D=90мм, d=40 мм, B=23 мм

Радиальный шариковый подшипник ГОСТ 8338-75

: D=52 мм, d=40 мм, B=7 мм.

12. Определение системы смазки

 

Смазочная система станка служит для подачи смазочного материала ко всем трущимся поверхностям.

Существует несколько схем подвода смазочного материала к трущимся поверхностям. На практике принимают индивидуальную и централизованную системы смазок.

Индивидуальная схема служит для подвода смазочного материала к одной смазочной точке, централизованная к нескольким точкам. В нераздельной схеме нагнетательное устройство присоединено к смазочной точке постоянно, в раздельной оно подключается только на время подачи смазочного материала. В проточной системе жидкий или пластичный материал используется один раз. В циркуляционной системе жидкий материал подается повторно. В системах дроссельного дозирования объем смазочного материала, подаваемого к смазочной точке регулируется дросселем. В системах объемного дозирования могут регулироваться не только доза, но и частота подачи. В комбинированных системах могут быть предусмотрены объемное и дроссельное регулирование. Системы с жидким смазочным материалом в зависимости от способа его подачи к поверхностям трения могут быть разбрызгивающими, струйными, капельными, аэрозольными.

Для данной коробки скоростей принимаем централизованную систему смазки: непрерывную, путем разбрызгивания. Данное устройство располагают выше мест смазывания.

В качестве смазки применяем масло индустриальное И-20А ГОСТ 20799-75. Данная марка масла применяется для станков и машин с малыми или средними размерами, что и необходимо в рассматриваемом случае.

Заключение

В результате проделанной работы был произведен расчет коробки скоростей радиально-сверлильного станка 2Л53У станка, выбор и расчет параметров отдельных ее элементов: электромагнитных муфт, обеспечивающих автоматическое переключение передач коробки; подшипников качения, служащих опорами валов; системы смазки и смазочного материала, обеспечивающих непрерывный подвод смазочного материала ко всем механизмам станка. Был произведен расчет шпинделя, в результате которого выяснили, что прогиб шпинделя не будет влиять на точность обработки. Были разработаны компоновочная схема и чертеж коробки скоростей с указанием его основных элементов.



Список литературы

1.   Справочник технолога машиностроителя. В 2-х т. Т.2/ Под ред. А.Г. Косиловой и Р.К. Мещерякова. - 4-е изд., перераб. и доп. - М.: Машиностроение, 1985. - 496 с.

2.      Методические указания к курсовому проекту по курсу «Металлорежущие станки и промышленные роботы» (для студентов специальности 0501) / Сост.: Ю.А. Сапронов, В.Г. Кочергин, Н.В. Вяльцев, А.Е. Горша. - Донецк: ДПИ, 1987. - 48 с.

.        Кочергин А.И. Конструирование и расчет металлорежущих станков и станочных комплексов. Курсовое проектирование: Учеб. пособие для вузов. Мин.: Выш. шк., 1991. - 382 с.

.        Решетов Д.Н. Детали машин: Учебник для студентов машиностроительных и механических специальностей вузов. - 4-е изд., перераб. и доп. - М.: Машиностроение, 1989. - 496 с.

.        Проектирование механических передач: Учебно-справочное пособие для вузов /С.А. Чернавский, Г.А. Снесарев, Б.С. Козинцов и др. - 5-е изд., перераб. и доп. - М.: Машиностроение, 1984. - 560 с.

.        Подшипники качения: Справочник/ Под. ред. В.Н. Нарышкина и Р.В. Коросташевского. - М.: Машиностроение, 1984 - 280с.

.        Свирщевский Ю.И., Макейчик Н.Н. Расчет и конструирование коробок скоростей и подач. Минск, Вышейш. школа, 1976.

.        Справочник технолога-машиностроителя. В 2-х т. Т.1/под ред.

.        А.М. Дальского, А.Г. Косиловой, Р.К. Мещерякова, А.Г. Суслова. -5-е изд., перераб. и доп. -М.: Машиностроение-1, 2001. -912 с.: ил.

.        Справочник технолога-машиностроителя. В 2-х т. Т.2/под ред. Чернавский С.А., Боков К.Н., Чернин И.М., Ицкович Г.М.,

.        Козинцов В.П. Курсовое проектирование деталей машин. -М.: ООО ТИД «Альянс», 2005. -416 с.

Похожие работы на - Разработка коробки скоростей радиально-сверлильного станка

 

Не нашли материал для своей работы?
Поможем написать уникальную работу
Без плагиата!
Без нейросетей!