Разработка и изготовление устройства инфракрасного управления

  • Вид работы:
    Дипломная (ВКР)
  • Предмет:
    Информатика, ВТ, телекоммуникации
  • Язык:
    Русский
    ,
    Формат файла:
    MS Word
    632,12 Кб
  • Опубликовано:
    2016-12-07
Вы можете узнать стоимость помощи в написании студенческой работы.
Помощь в написании работы, которую точно примут!

Разработка и изготовление устройства инфракрасного управления

Введение


Широкое развитие радиоэлектроники и внедрение её во все отрасли науки и техники является реалией нашего времени. Применение радиоэлектронной аппаратуры во многом обуславливает огромный рост эффективности производства, повышение качества продукции, дает возможность научным достижениям. Практически во всех областях знаний прогресс немыслим без широкого использования электроники. Именно поэтому радиоэлектроника, зародившаяся всего несколько десятилетий назад, является бурно развивающейся областью техники. За это время радиоэлектронная аппаратура прошла несколько этапов развития, каждый из которых позволял резко увеличивать количество функций, которые выполняет аппаратура, повышать их сложность и одновременно при этом сокращать вес и размеры аппаратуры, повышать ее надежность и снижать потребление энергии.

Каждому этапу развития соответствует свое поколение аппаратуры. К аппаратуре первого поколения относят радиоэлектронную аппаратуру, построенную на основе использования электронных ламп.

Сложность технологии электровакуумных приборов, небольшой срок службы, значительные габаритные размеры и масса, большое потребление электроэнергии послужили появлению второго поколения. К нему относится аппаратура, основу которой составляли полупроводниковые приборы.

Разработка и использование интегральных схем среднего уровня интеграции привели к появлению третьего поколения аппаратуры, в которой резко уменьшилось количество элементов и соединений между ними. В связи с этим во много раз уменьшились масса и габариты, повысилась надежность радиоэлектронных изделий.

Четвертое поколение - это аппаратура, построенная с использованием интегральных схем повышенной степени интеграции; аппаратура, в которой применяются большие интегральные схемы с программируемой логикой (микропроцессорные комплекты), позволяющие использовать цифровую обработку информации.

В настоящее время развиваются РЭС пятого поколения, в которых находят применение приборы функциональной электроники.

Современную микроэлектронику трудно представить без такой важной составляющей, как микроконтроллеры. Они незаметно завоевали весь мир.

Микроконтроллерные технологии очень эффективны. Одно и то же устройство, которое раньше собиралось на традиционных элементах, будучи собрано с применением микроконтроллеров, становиться проще. Оно не требует регулировки и меньше по размерам.

Кроме того, с применением микроконтроллеров появляются практически безграничные возможности по добавлению новых потребительских функций и возможностей к уже существующим устройствам.

К основным тенденциям и перспективам развития технологии производства РЭС относятся:

освоение производства РЭС на безвыводных ЧИП-ЭРЭ и миниатюрных ЭРЭ с применением поверхностного монтажа;

внедрение новых и высоких технологий на базе новых материалов;

интенсивное внедрение систем автоматизированного проектирования технологических процессов (САПР ТП).

Технология (от греческого «techne» - мастерство и «logos» - учение) - это совокупность знаний о способах и средствах проведения производственных процессов, а также сами процессы (технологические процессы), при которых происходят качественные изменения обрабатываемого объекта.

Новая технология - это, обладающая более высокими качественными характеристиками по сравнению с лучшими аналогами, доступными на данном рынке, пользующаяся спросом и удовлетворяющая формирующимся или будущим потребностям человека и общества.

Высокая технология - это, обладающая наивысшими качествами показателями по сравнению с лучшими мировыми аналогами, пользующаяся спросом и удовлетворяющая формирующимся или будущим потребностям человека и общества.

Практической направленностью дипломного проекта является разработка и изготовление устройства ИК управления, достижение его высокой надёжности и технологичности.

1. Общая часть

.1       Анализ технического задания

Анализ исходных данных, указанных в техническом задании, позволяет определить основные параметры разрабатываемого устройства ИК управления, а также уяснить назначение устройства и условия эксплуатации. Устройство предназначено для управления персональным компьютером и освещением в помещение.

Данное устройство характеризуется основными техническими характеристиками микроконтроллера и эксплуатационными параметрами устройства.

Технические характеристики устройства:

а) потребляемый ток - 0,1А;

б) напряжение питания - 220В;

в) рабочая частота - 36кГц;

г) максимальная коммутируемая нагрузка - 100Вт;

д) интерфейс подключения к ПК - USB.

Устройство должно эксплуатироваться в умеренном климате. При этом категория условий эксплуатации - в помещениях с искусственным климатом (4). В закрытом помещении с искусственным регулированием климатических условий (вентиляция <#"902984.files/image001.jpg">

Рисунок  1 - Схема электрическая структурная устройства ИК управления

.3 Разработка схемы электрической принципиальной

Принципиальная электрическая схема разрабатывается на основании анализа исходных данных принятой структурной схемы.

Задачей разработки схемы электрической принципиальной проектируемого устройства, является: выбор и обоснование принципиальных схем каскадов для реализации структурной схемы.

Принципиальная схема устройства должна быть выполнена с использованием различной элементной базы и различных схемных решений.

Вначале производится анализ известных схемных решений проектируемого каскада, приводится схема одного из них. И на основании анализа исходных данных и принятой структурной схемы выбирается наиболее подходящая электрическая схема. Критерии выбора: простота, надежность, дешевизна при выполнении заданных требований. Она может быть дополнена, усовершенствована новыми схемными решениями.

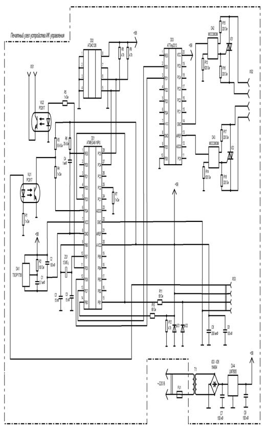
Исходя, из разработанной структурной схемы устройства ИК управления принципиальная схема состоит из следующих функциональных узлов:

-     ИК приемник;

-        микроконтроллер;

         модуль управления нагрузками;

         модуль управления питанием компьютера;

-        EEPROM-память.

В качестве ИК приемника целесообразно выбрать TSOP 1736. Устройство содержит в своем корпусе приемник, усилитель сигнала и демодулятор, на выходе получаем стандартный сигнал величиной в пределах 0.3-6В.

TSOP1736 часто применяется в системах дистанционного управления (в основном в бытовой технике) совместно с протоколом RC5 <#"902984.files/image002.jpg">

Рисунок 2 - Структура приемника TSOP1736

В качестве центрального управляющего устройства был выбран микроконтроллер фирмы ATMEL, семейства MEGA - ATMega8. Имеет удобный для разводки платы и пайки корпус DIP. Расстояния между ножками относительно большое. Широко доступен в продаже. Часто применяется во многих устройствах. Данный микроконтроллер имеет на борту два 8-ми битных таймера-счетчика, один 16-ти битный таймер-счетчик, три ШИМ канала, АЦП, аппаратный интерфейс USART.

Рисунок 3 - Условно графическое обозначение микроконтроллера

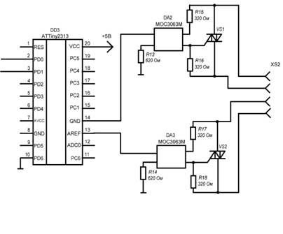
В модуле управления нагрузками применен микроконтрллер ATTiny2313 для управления нагрузками в автономном режиме. Данный микроконтроллер относительно недорогой. Широко распространен.

В качестве оптоэлектронной развязки применен популярный симисторный оптрон MOC3063M широкого применения с коммутацией нагрузки в момент перехода сетевого напряжения через ноль. Оптрон MOC3063 применяется для управления симисторными и тиристорными ключами. Схема коммутации нагрузки в момент перехода сетевого напряжения через ноль минимизирует уровень создаваемых устройством помех.

В качестве силового ключа применен мощный симистор BT138 для управления мощной нагрузкой. При коммутации нагрузки с током не более 15 ампер радиатор для BT138 не обязателен, при условии естественной конвекции. То есть при обычном использовании в корпусе с отверстиями для вентилирования.

Рисунок 4 - Схема модуля управления нагрузками

В качестве модуля управления питанием компьютера применен популярный транзисторный оптрон с высоким коэффициентом передачи тока - PC817A. Оптроны с другими буквенными индексами отличаются другими значениями CTR (коэффициент передачи). Данный оптрон подключен непосредственно к кнопке питания ПК, таким образом Микроконтроллер может включать или выключать компьютер, а также выполнять другие функции, назначенные на кнопку питания.

Рисунок 5 - Схема модуля управления питания компьютера

В качестве внешней памяти применена двухпроводный последовательный EEPROM емкостью 128 кбит.

Микросхема AT24C128 содержит 131072 бит последовательного электрически стираемого и программируемого постоянного запоминающего устройства EEPROM с организацией памяти в виде 16384 слов по 8 бит в каждом. Микросхема содержит входы задания адреса на последовательной двухпроводной шине, которые позволяют подключить к одной последовательной шине до 4 микросхем. Микросхемы оптимизированы под использование во многих промышленных и коммерческих приложениях, где важны малая потребляемая мощность и работа при низком напряжении питания.

Рисунок 6 - Структурная схема EEPROM-памяти AT24C128

Таким образом, общая схема электрическая принципиальная устройства ИК управления имеет вид, приведенный на рисунке 7.

Рисунок 7 --  Схема электрическая принципиальная устройства ИК управления

1.4 Выбор элементной базы

Выбор электрорадиоэлементов (ЭРЭ) должен быть сделан так, чтобы обеспечить надежную работу узла, блока. При этом, необходимо стремиться к выбору недорогих элементов и, имеющих широкое применение в современном аппаратостроении и добиваться максимальной простоты сборки и электрического монтажа, регулировки и эксплуатации.

Все ЭРЭ выбираются по справочной литературе и техническим условиям:

а) ИМС выбираются по функциональному назначению (аналоговые, многофункциональные, усилители, преобразователи, стабилизаторы, цифровые), по рабочему диапазону частот, рабочему напряжению, потребляемому току, температурной стабильности.

б) резисторы выбираются:

1) по величине рассеиваемой мощности (Кн = 0,5 - 0,6);

) по типу проводящего слоя - непроволочные, проволочные;

) по максимальному рабочему напряжению (например, МЛТ - 2 Вт имеет Uраб max > 750. В, а МЛТ - 1 Вт имеют Uраб max < 750 В);

) по классу точности от - 0,1% до 20%;

) по температурному коэффициенту сопротивления (ТКР).

в) конденсаторы выбираются:

1) по типу (электролитические, керамические и прочие);

) по номинальному напряжению;

3) по классу точности от 1% до 90%;

4) по температурному коэффициенту емкости (ТКЕ).

г) диоды выбираются:

1) по максимально выпрямляемому току Iо max;

) максимально допустимому обратному напряжению Uобр max;

) прямой рассеиваемой мощности Pпр.

д) стабилитроны выбираются по напряжению стабилизации (Uст), пределам рабочего тока стабилизации (Iст min и Iст max) и как правило выбираются по наименьшему току стабилизации с целью экономии потребляемого тока:

) по напряжению срабатывания (Ucp);

) по максимально допустимому току (Imax).

В соответствии с разработанной принципиальной схемой, выбираем электрорадиоэлементы для проектируемого устройства.

ИМС:

DD1 - микроконтроллер ATMega8;

Электрические параметры:

.        тактовая частота - 8МГц;

.        память - 8кБ;

.        разрядность - 8;

.        напряжение питания - 5В.

DD2 - EEPROM-память;

Электрические параметры:

.        напряжения питания - 2-5В;

.        интерфейс - последовательный;

.        время доступа - 100нс;

.        число циклов записи - 106.

DD3 - микроконтроллер ATTiny2313;

Электрические параметры:

.        тактовая частота - 8МГц;

.        память - 2кБ;

.        разрядность - 8;

.        напряжение питания - 5В.

DA1 - TSOP1736;

Микросхема представляет собой фотоприемник.

Электрические параметры:

.        информационный сигнал - 3-6В;

.        несущая частота - 36кГц;

.        напряжение питания - 3-5В;

.        рабочее расстояние - 45м.

DA2, DA3 - MOC3063M;

Микросхема представляет собой оптопару, тип оптопары - фототиристор.

Электрические параметры:

.        постоянное прямое входное напряжение - 1,3В;

.        максимальное коммутируемое напряжение - 600В;

.        количество каналов - 1шт.;

.        максимальное входное обратное напряжение, Uвх.обр.макс. - 6В.

DA4 - 78L05.

Микросхема представляет собой мощный стабилизатор.

Электрические параметры:

.        выходное напряжение - 5В;

.        номинальный выходной ток - 0,1А;

.        максимальное входное напряжение - 40В.

Резисторы:

R1 - R14 - МЛТ 0,125Вт;

R15 - R18 - МЛТ 0,5 Вт.

Резистор постоянный металлодиэлектрический общего назначения для работы в цепях постоянного, переменного и импульсного тока, с аксиальными выводами, для печатного монтажа с установкой параллельно плате.

Электрические параметры:

.        номинальная мощность - 0,125-0,25Вт;

.        предельное импульсное напряжение - 750В;

.        максимальная резонансная частота - 3000Гц.

Конденсаторы:

С2-С5, С8 - К10-17;

Керамический;

Электрические параметры:

.        рабочая температура - -55-125С;

.        допуск номинала - 5%;

.        номинальное напряжение - 50В.

- С1, С6, С7,С9 - К50-35.

Электролитический;

Электрические параметры:

.        допуск номинальной емкости - 20%;

.        номинальная ёмкость - 10-220мкф;

.        номинальное напряжение - 16В.

Стабилитроны:

- VD1, VD2 - BZV85C3V6.

Электрические параметры:

.        номинальное напряжение стабилизации - 3.6В;

.        номинальный ток стабилизации - 69мА;

.        максимальный ток стабилизации - 252мА.

Диоды:

VD3-VD6 - 1N4007.

Электрические параметры:

.        Максимальное постоянное обратное напряжение - 1000В;

.        Максимальный прямой ток - 1А;

.        Максимальный допустимый прямой импульсный ток - 30А.

Оптопары:

VU1, VU2 - PC817.

Тип оптопары - транзисторная.

Электрические параметры:

.        максимальный прямой ток - 50мА;

.        максимальное входное напряжение - 35В;

.        время включения/выключения - 3-4мкс.

Тиристоры:

VS1, VS2 - BT138-600.

Электрические параметры:

.        максимальное обратное напряжение - 600В;

.        наименьший постоянный ток управления - 25мА;

.        время включения - 2мкс.

Кварцевый резонатор:

- ZQ1 - KX-3HT <#"902984.files/image008.gif">,                                                        (4)

.

переполнение таймера происходит при поступлении 255 счетных импульсов, т.е. на 255-ом такте.

,                                         (5)

.

 - время, за которое таймер-счетчик 0 переполнится и сработает внутреннее прерывание, т.к. данное время очень мало, нужно применить блок предделителя.

Для того, чтобы упростить написание программы разработчиками контроллеров создан специальный аппаратный блок задержки - блок предделителя. Наличие этого блока обеспечивает задержку изменения содержимого счетного регистра в зависимости от константы - числа предделителя.

Fg - частота поступающая на счетный регистр после прохождения делителя.

,                                                    (6)

 

 

Количество прерываний в секунде высчитывается по формуле:

    ,                                                       (7)

.

 - количество прерываний, вызванных таймером-счетчиком по переполнению за 1 секунду.

Если необходимо с помощью контроллера подсчитывать временные интервалы, то нужно использовать его на минимально низких частотах с максимально возможными значениями числа предделителя.

.2 Расчет надежности изделия

Надежность - свойство изделия сохранять во времени в установленных пределах значения всех параметров, характеризующих способность выполнять требуемые функции в заданных режимах и условиях применения, технического обслуживания, ремонта и транспортирования. В общем случае надежность - это свойство изделия сохранять способность выполнять заданные функции.

Надежность РЭС в конечном итоге зависит от количества и качества входящих в него электрорадиоэлементов, качества сборки, условий эксплуатации и от своевременности обслуживания и ремонта.

Качественными характеристиками надежности являются безотказность, ремонтопригодность, долговечность, сохраняемость.

Безотказность - свойство изделия непрерывно сохранять работоспособность в течение некоторого времени или некоторой наработки.

Ремонтопригодность - свойство изделия, заключающееся в его приспособленности к предупреждению и обнаружению возможных причин возникновения отказов, повреждений, и устранению их последствий путем проведения ремонтов и технического обслуживания.

Долговечность - свойство изделия сохранять работоспособность до наступления предельного состояния при выполнении установленных требований по техническому обслуживанию и ремонту.

Сохраняемость - свойство изделия сохранять непрерывно исправное и работоспособное состоянии в течение, и после хранения или транспортировки.

Предельное состояние - это состояние устройства, при котором его дальнейшая эксплуатация должна быть прекращена.

Если при работе или хранении аппаратуры произошло нарушение работоспособности изделия, то такое событие называют отказом. Отказы могут быть внезапными и постепенными.

Все эти характеристики дают представление о качественной стороне надежности. Чтобы сравнить различные типы изделия или образцы изделий одного и того типа, на практике используют количественные характеристики надежности.

Одной из таких характеристик является вероятность безотказной работы - это величина, показывающая, какая часть изделий будет работать исправно в течение заданного времени работы tр (0 < Р(tр) < 1).

Вероятность безотказной работы на практике определяется по формуле:

P(tр) = b/a,                                                 (8)

где b - количество ЭРЭ, работающих исправно;

a - общее количество ЭРЭ.

Для большинства изделий РЭС и их компонентов вероятность их безотказной работы Р(tр) зависит от длительности работы по экспоненте:

P(tр) = e-λtр,                                                (9)

где    e - основание логарифма,

λ - интенсивность отказов,- время безотказной работы.

Производится анализ исходных данных в таблице 1.

Таблица 1 - Перечень, тип и количество используемых компонентов

Наименование компонента

Тип

Количество

Стабилитроны

BZV85C3V6

2

Резисторы

МЛТ-0,25 МЛТ-0,5

14 4

Конденсаторы

К10-17 К50-35

5 4

Микросхемы

ATMega8 ATTiny2313 AT24C128 TSOP1736 MOC3063M 78L05

1 1 1 1 2 1

Оптопары

PC817

2

Тиристоры

BT138-600

2

Кварцевый резонатор

KX-3HT

1

Диоды

1N4007

4

Предохранитель

H520

1

Соединители

DG-306-5.0

3

Трансформатор

ОСМ-0,16-12

1

Пайка


174


Коэффициент нагрузки рассчитывается для каждого компонента.

Резисторы:

Кн = Рф / Рн, (10)

где Рф - фактическая мощность, рассеиваемая на резисторе,

РН - номинальная мощность, рассеиваемая на резисторе.

Микросхемы:

Кн = Uпп / Uппmax, (11)

где    Uпп - фактическое напряжение питания ИМС,

Uппmax - максимальное напряжение питания ИМС.

Транзисторы:

Kн = Рк.фак / Рк.max, (12)

где Рк.max - максимальная мощность рассеивания на коллекторе,

Pк.фак - фактическая мощность рассеивания на коллекторе.

Стабилитроны:

Kн = I0cр / I0max, (13)

где    I0max - максимальный выпрямленный диодом ток,

I0cр - фактическая выпрямленный диодом ток.

Конденсаторы:

Кн=Uф/Uном, (14)

где    Uф - фактическое напряжение на конденсаторе,

Uном - номинальное напряжение на конденсаторе.

Оптопары:

Кн = Uф/Uном, (15)

где    Uф - фактическое напряжение,

Uном - номинальное напряжение.

Тиристоры:

Кн = Uф/Uном, (16)

где    Uф - фактическое напряжение на тиристоре,

Uном - номинальное напряжение на тиристоре.

По таблице 2 интенсивности отказов определяется значение  (интенсивность отказов) для каждого радиокомпонента.

Таблица 2 - Интенсивность отказов радиокомпонентов

Наименование радиокомпонента

λо  10 - 6, 1/ч

Диоды кремниевые: Выпрямительные Импульсные Стабилитроны

 0,2 0,5 0,1

Транзисторы кремниевые малой мощности: Низкочастотные Среднечастотные Высокочастотные

 0,5 0,25 0,2

Конденсаторы: Керамические, пленочные Электролитические алюминиевые

 0,05 0,5

ИМС

0,7

Резисторы непроволочные

0,04

Трансформаторы

0,8

Оптопары

0,7

Тиристоры

0,4

Соединители

0,01

Кварцевый резонатор

0,05

Предохранитель

1

Пайка

0,005


Исходные данные:

резисторы                    λ0 = 0,04×10-6                            N = 18;

микросхемы                           λ0 = 0,7×10-6                              N = 7;

стабилитроны                        λ0 = 0,1×10-6                               N = 2;

конденсаторы                        λ0 эл = 0,5×10-6                          N = 4;

λ0Cк =0,05×10-6     N = 5;

- оптопары                    λ0 = 0,7×10-6                  N = 2;

диоды                                    λ0 = 0,2×10-6                  N = 4;

тиристоры                    λ0 = 0,4×10-6                  N = 2;

кварцевый резонатор   λ0 = 0,05×10-6                 N = 1;

предохранитель            λ0 = 1×10-6                     N = 1;

соединители                           λ0 = 0,01×10-6                 N = 3;

трансформатор             λ0 = 0,8×10-6                  N = 1;

пайка                             λ0 = 0,005×10-6                         N=174.

Из таблицы 2 определяются также для каждого компонента дополнительный коэффициент α, учитывающий значение температуры и коэффициента нагрузки (заносится в таблицу 3). Затем рассчитывается λi (интенсивность отказов с учетом температуры и коэффициента нагрузки) по формуле:

λi = λ0 × α,                      (17)

где    α - коэффициент влияния температуры,

λ0 - интенсивность отказов для группы компонентов.

Таблица 3 - Учет влияния температуры

Т, °C

Значение α при Кн равном:


0,1

0,3

0,5

0,8

1

КРЕМНИЕВЫЕ ПОЛУПРОВОДНИКОВЫЕ ПРИБОРЫ

40

0,05

0,15

0,30

1

-

КЕРАМИЧЕСКИЕ КОНДЕНСАТОРЫ

40

0,20

0,30

0,50

1,00

1,4

ЭЛЕКТРОЛИТИЧСКИЕ АЛЮМИНИЕВЫЕ КОНДЕНСАТОРЫ

40

0,65

0,80

0,90

1,1

1,2

40

0,45

0,60

0,80

1,1

1,35

СИЛОВЫЕ ТРАНСФОРМАТОРЫ

40

0,42

0,5

0,6

0,9

1,5

ОПТОПАРЫ И КОМУТИРУЮЩИЕ ЭЛЕМЕНТЫ

40

0,2

0,5

0,65

0,7

0,8


Рассчитывается  для каждого элемента:

- резисторы                            λi = 0,04×10-6 × 1,1 = 0,044×10-6;

λi = 0,04×10-6 × 0,7 = 0,028×10-6;

микросхемы                           λi = 0,7×10-6 × 1 = 0,7×10-6;

λi = 0,7×10-6 × 0,2 = 0,14×10-6;

стабилитроны                        λi = 0,1×10-6 × 1 = 0,1×10-6;

конденсаторы                        λi = 0,5×10-6 × 0,7 = 0,35×10-6;

λi = 0,05×10-6 × 0,2 = 0,01×10-6;

- оптопары                    λi = 0,7×10-6 × 0,68 = 0,48×10-6;

тиристоры                    λi = 0,4×10-6 × 0,57 = 0,23×10-6;

диоды                                    λi = 0,2×10-6 × 0,8 = 0,16×10-6;

кварцевый резонатор   λi = 0,05×10-6 × 0,9 = 0,045×10-6;

предохранитель            λi = 1×10-6 × 0,72 = 0,72×10-6;

соединители                           λi = 0,01×10-6 × 0,68 = 0,007×10-6;

трансформатор             λi = 0,8×10-6 × 0,3 = 0,24×10-6.

Рассчитывается λС (интенсивность отказов всех ЭРЭ) для каждой группы компонентов по формуле:

λс = n  λi , (18)

где    n - число компонентов, входящих в группу,

λi - интенсивность отказов группы компонентов.

резисторы                    λc = 0,044×10-6 × 4 =0,176×10-6;

λc = 0,028×10-6 × 14 =0,392×10-6;

микросхемы                           λc = 0,7×10-6 × 6 =4,2×10-6;

λc = 0,14×10-6 × 1= 0,14×10-6;

стабилитроны                        λc = 0,1×10-6 × 2 = 0,2×10-6;

конденсаторы                        λc = 0,35×10-6 × 4 = 1,4×10-6;

λc = 0,01×10-6 × 5 = 0,05×10-6;

оптопары                               λc = 0,48×10-6 × 2 = 0,96×10-6;

тиристоры                    λc = 0,23×10-6 × 2 = 0,46×10-6;

диоды                                    λc = 0,16×10-6 × 4 = 0,64×10-6;

кварцевый резонатор            λc = 0,045×10-6 × 1 = 0,045×10-6;

предохранитель                     λc = 0,72×10-6 × 1 = 0,72×10-6;

соединители                           λc = 0,007×10-6 × 3 = 0,021×10-6;

трансформатор                      λc = 0,24×10-6 × 1 = 0,24×10-6.

Рассчитывается значение интенсивности отказа λ∑ для всего блока:

λ∑ = λRDAVUVDCXSVSZQп,                 (19)

где λR, λDA, λVD, λC, λVU, λFU, λT , λXS , λZQ - интенсивность отказов для резисторов, микросхем, конденсаторов, оптопар, предохранителя, трансформатора, соединителей, кварцевого резонатора, пайки.

λ∑=(0,176+0,392+4,2+0,14+0,2+1,4+0,05+0,96+0,46+0,64+0,045+0,72+0,021++0,24+0,005) ×10-6 = 10,51 × 10-6.

Все рассчитанные и исходные данные заносятся в таблицу 4, которая служит основанием для дальнейших расчетов.

Таблица 4 - Расчет надежности изделия

Наименование

Тип

Количество n

t, C0

Фактическое значение параметра, определяющего надежность

Номинальное значение параметра, определяющего надежность

КН

α

λ0, 1/ч 10-6

λi = α× λ0

λc = n× λi

Резисторы

МЛТ

4

40

Р = 0,2 Вт

Р = 0,25 Вт

0,8

1,1

0,04

0,044

0,176


МЛТ

14

40

Р = 0,05 Вт

Р = 0,125 Вт

0,4

0,7

0,04

0,028

0,392

Микросхемы

КМОП

6

40

Uф=4,9В

Uном=6В

0,81

1

0,7

0,7

4,2


78L05

1

40

Uф=12В

Uном=30В

0.4

0,2

0,7

0,14

0,14

Стабилитроны

BZX

2

40

I0cр=0,01А

I0max=0,0125А

0,8

1

0,1

0,1

0,2

Диоды

1N4007

4

40

I0cр=0,09А

I0max=0,125А

0,72

0,8

0,2

0,16

0,64

Кварцевый резонатор

KX-3HT

1

40

Uф=4,9В

Uном=5В

0,98

0,9

0,05

0,045

0,045

Конденсаторы

К10-17

5

40

Uф=5В

Uном=50В

0,1

0,2

0,05

0,01

0,05


К50-35

4

40

Uф=5В

Uном=25В

0,2

0,7

0,5

0,35

1,4

Оптопары

PC817

2

40

Uф=5В

Uном=6,5В

0,77

0,68

0,7

0,48

0,96

Тиристоры

BT138

2

40

Uф=220В

Uном=600В

0,37

0,57

0,4

0,23

0,46

Предохранитель

H520

1

40

Uф=220В

Uном=250В

0,88

0,72

1

0,72

0,72

Соединители

DG

3

40

Uф=220В

Uном=300В

0,73

0,68

0,01

0,007

0,021

Трансформатор

OCT

1

40

Iф=0,1А

Imax=2А

0,05

0,3

0,8

0,24

0,24

Пайка

-

174

0

-

-

-

-

0,005

0,005

0,87

Итого:

10,51


Рассчитывается средняя наработка на отказ:ср = 1 / λ∑ , (20)

где λ∑ - интенсивности отказа для всего блока.ср = 1 / 10,51 ×10-6 = 95140 ч.

Рассчитывается значение вероятности безотказной работы для четырех значений времени работы узла РЭС по формуле:

P(tр) = eλtр, (21)

Рассчитанные данные заносим в таблицу 5 которая служит основанием для построения графика безотказной работы изделия.

Таблица 5 - Расчет вероятности безотказной работы

Время работы (tр), ч

Вероятность безотказной работы Р(tр)

100

0,9989

1000

0,9896

10000

0,9002

100000

0,3496


Общую зависимость вероятности безотказной работы от времени отражает график изображенный на рисунке 8.

Рисунок 8 - График вероятности безотказной работы изделия

2.3 Расчет размера печатной платы

При выполнении расчетов используются справочные данные о габаритных размерах электрорадиоэлементов, или проводят измерения установочных размеров всех электрорадиоэлементов с учетом выбранного способа размещения и крепления их на печатной плате.

Для обеспечения оптимизации размещения электрорадиоэлементов на печатной плате, размер платы должен выбираться (рассчитываться) с определенным запасом. Коэффициент запаса (коэффициент плотности монтажа) для большинства узлов РЭС выбирают в пределах КЗ = 1,0 … 2,7. Выбираем КЗ = 2,5.

Расчет площади, занимаемой всеми ЭРЭ данного типа в проектируемом узле:

SR(C,VD,VT,DA,HG,ZQ,L,K,SB) = nR(C,VD,VT,DA,HG,ZQ,L,K,SB)*Si, (22)

где    n - количество ЭРЭ данного типа (таблица 6),

Si - площадь ЭРЭ данного типа (мм²).

Таблица 6 - Количество и установочная площадь применяемых ЭРЭ

Наименование элемента

Количество

Установочная площадь, мм2

Резисторы

18

50

Конденсаторы

9

35

Диоды

4

25

Стабилитроны

2

15

Микросхемы

7

150

Оптопары

2

80

Тиристоры

2

40

Кварцевый резонатор

1

35

Соединители

3

80

Трансформатор

1

4000


В результате расчета получены следующие данные:

площадь, занимаемая резисторами SR = 19·50=950 мм²;

- площадь, занимаемая конденсаторами SC = 9·35=315 мм²;

- площадь, занимаемая ИМС SDA =5·150=1050 мм²;

- площадь, занимаемая стабилитронами SVD = 2·15=30 мм²;

- площадь, занимаемая диодами SVD = 4·25=100 мм²;

- площадь, занимаемая оптопарами SVU=2·80=160 мм²;

площадь, занимаемая трансформатором SТ=1·4000=4000 мм²;

- площадь, занимаемая тиристорами SVS=2·80=160 мм²;

- площадь, занимаемая кварцевым резонатором SZQ=1·35=35 мм²;

- площадь, занимаемая соединителями SXS=3·80=240 мм²;

- площадь уголков и монтажных проводов Sуг + Sмп = 670 мм².

Расчет общей площади элементов монтажа:

Sобщ = SR+SC+SDА+SVD+ SVU+ ST + SVS + SZQ + SXS +Sмп = 7710 мм².

Расчет площади печатной платы с учетом коэффициента плотности монтажа при Кз = 2,5:

SПП = Sобщ • КЗ, (23)

SПП = 7710 • 2,5 = 20000 мм².

Соотношение сторон по удобству расположения и крепления платы в конструкции узла РЭС выбирается: 1:1.

Расчет размера сторон платы:

SПП = X×Y = 2Х² откуда Х =,               (24)

X == 100(мм);

Y = X; Y = 100(мм).

По результатам расчета получены следующие данные:

длина платы: 100 мм;

ширина платы: 100 мм.

.4 Расчет печатного монтажа

Исходные данные для расчета:

максимальное напряжение на печатном проводнике относительно общего провода составляет 12 В;

максимально возможный ток через печатный проводник равен максимальному потребляемому нагрузкой току, и составляет по исходным данным порядка 0.1А;

в качестве материала печатной платы применяется односторонний фольгированный стеклотекстолит марки СФ-1-35-1,5;

метод изготовления печатной платы выбираем химический;

в качестве метода получения проводящего рисунка используем офсетную печать;

размер печатной платы равен 100×100 мм;

резистивное покрытие печатных проводников (лужение) осуществляется низкотемпературным сплавом Розе.

Минимально допустимая ширина печатного проводника равна:

Bmin ≥ Imax / (hп • Iдоп), (25)

где    hп = hф+hпм+hг - толщина печатных проводников,

hф - толщина фольги (0,035 мм),

hпм толщина предварительно осажденной меди (0,005 мм),

hг - толщина наращенной гальванической меди (0,05 мм),

Iдоп - допустимое значение плотности тока (30 А/мм²),

Imax - берется из исходных данных (0,4 А).

Bmin ≥ 0,1 / (0,09 • 30) ≥ 0,15 мм.

Минимальное расстояние между печатными проводниками определяется из соображений обеспечения электрической прочности. Расчёт минимального расстояния между двумя печатными проводниками производится исходя из максимального рабочего напряжения в электрической схеме. Для напряжения питания 12В, при использовании стеклотекстолита в качестве основания печатной платы, минимальное расстояние между проводниками составляет 0,15 мм.

Для изготовления печатных плат используют фольгированный гетинакс и фольгированный стеклотекстолит, которые могут быть односторонними и двусторонними. Выбор материала выбирается из конструктивных соображений. Следует помнить, что гетинакс дешевле стеклотекстолита, но если плата должна быть двусторонней или изделие будет эксплуатироваться в условиях повышенной влажности, повышенных механических нагрузок или в тяжелом температурном режиме, то следует использовать стеклотекстолит. Кроме того, сцепление фольги со стеклотекстолитом лучше, чем с гетинаксом, и фольгированный стеклотекстолит выдерживает большее число перепаек, не отслаиваясь. Наиболее распространенные марки фольгированных диэлектриков следующие: ГФ-1-35, ГФ-1-50, ГФ-2-50, СФ-1-35, СФ-1-50, СФ-2-35, СФ-2-50, где первые две буквы означают вид диэлектрика, первая цифра говорит о том односторонний или двусторонний фольгированный диэлектрик, следующие две цифры указывают на толщину фольги в микрометрах.

Выбрано следующее:

- материал печатной платы: односторонний фольгированный стеклотекстолит марки СФ-1-35-1,5;

метод изготовления печатной платы: химический;

метод получения проводящего рисунка: офсетная печать;

резистивное покрытие печатных проводников: сплав «Розе».

Сопротивление печатного проводника рассчитывается по формуле:

,                                                     (26)

где l - длина проводника (для наиболее длинного - 0,07 м),

ρ -удельное сопротивление печатного проводника (0,0175Ом×мм²/м),

t - минимальная ширина проводника (0,08 мм),

h -толщина проводника.

Суммарная площадь печатных проводников в виде линий вычисляется по формуле:

Sпр = b×l,                                                 (27)

где    Sпр - суммарная площадь печатных проводников в виде линий,

b - ширина печатного проводника в мм,

l - общая длина печатных проводников в мм.

Sпр = 0,8×600 = 480мм2.

Суммарная площадь контактных площадок вычисляется по формуле:

Sкпл = n×(R2к-R2отв.),                                   (28)

где    Sкпл - суммарная площадь контактных площадок,

Rк - радиус контактной площадки, равен 2мм,

Rотв - радиус отверстия, равен 1мм,

N - количество контактных площадок, 174.

Sкпл = 174×(3,14×22-3,14×12) = 1639,1 мм2..

Суммарная площадь печатных проводников вычисляется по формуле:

Sпп = Sкпл+Sпр,                                      (29)

где    Sкпл - площадь контактных площадок,

Sпп - суммарная площадь печатных проводников, мм2,

Sпр - суммарная площадь печатных проводником в виде линий.

Sпп = 480+1639,1=2119 мм2.

Паразитная емкость печатной платы вычисляется по формуле:

C = 9 ×10 -3 ε SПП ε ∕ hп,                                       (30)

где    ε - диэлектрическая проницаемость диэлектрика,

h - толщина платы (1,5 мм),

SПП - суммарная площадь печатных проводников, мм².

С = 9 ×10-3 ×5×2119/1,5=63 пФ.

Поскольку маркировка ЭРЭ и условное обозначение платы выполняется краской, то площадь металлизации равна площади проводящего слоя.

Площадь металлизации вычисляется по формуле:

Sмет = Sпп,                                               (31)

Sмет = 2119 мм².

Рассчитанное значение Sмет заносится в технические требования монтажа печатной платы (графическая часть ДП).

Паразитная поверхностная емкость между соседними проводниками вычисляется по формуле:

C = k × ε × lп,                                          (32)

где    k - коэффициент, зависящий от ширины проводников и их взаимного расположения,

ε - диэлектрическая проницаемость материала платы,

lп - длина взаимного перекрытия проводников.

C = 0,6 × 5 × 80 = 240 пФ.

Масса печатной платы определяется по формуле:

m = mп + mф,                                               (33)

где    mп - масса платы,ф - масса фольги.

Масса печатной платы и массу фольги рассчитываются по формуле:

= r×V,                                             (34)

где    r - удельная плотность, кг/м3,

V - объем, .

Значения определяются по справочникам:

толщина фольги - hф = 0.035 мм,

удельная плотность фольги - 2,6*103кг/м3,

- удельная плотность стеклотекстолита - 1700 - 1800кг/м3,

толщина платы - Н = 1,5 мм.п = 1700*0,1*0,1*0,0015 = 25,5г,ф = 2,6*103*0,1*0.1 *0,035*10-3 = 0,91мг.

Так как масса фольги на три порядка меньше массы платы, массой фольги можно пренебречь.

Определяется масса печатной платы с элементами. Результаты расчетов записываются в таблицу 7.

Таблица 7 - Вес отдельных элементов устройства

Наименование

Тип

Вес, гр

Кол-во, шт

Общий вес, гр.

Резисторы

МЛТ 0,25 МЛТ 0,5

0.15 0,25

14 4

2,1 1

Конденсаторы

К50-35

1,5

4

6


К10-17

1

5

4

Микросхемы

ATMega8 ATTiny2313 78L05 MOC3063M TSOP1736 AT24C128

4 2,5 2,5 1 0,3 1,1

1 1 1 2 1 1

4 2,5 2,5 2 0,3 1,1

Диоды

1N4007

0,7

4

3,2

Стабилитроны

BZV85C3V6

3

2

6

Оптопары

PC817

5

2

10

Трансформатор

ОСМ-0.16-12

150

1

150

Соединители

DG-306-5.0

7

3

21

Кварцевый резонатор

KX-3HT

1.2

1

1,2

Пайка


0,001

174

0,174

ИТОГО:

217,1


Общая масса элементов: mэ = 217,1 г.

Общая масса устройства вычисляется по формуле:

= mэ+ mп,                                         (35)

= 217,1 +25,5 =242,6 г.

.5 Расчет технологичности изготовления изделия

Согласно ГОСТ 14.205-83 «Технологичность конструкции изделий. Термины и определения»: технологичность конструкции изделия - это совокупность свойств конструкции изделия, определяющих ее приспособленность к достижению оптимальных затрат труда, при производственном изготовлении и техническом обслуживании для заданных показателей качества объема выпуска и условий выполнения работ.

Количественной оценкой технологичности конструкции является суммарный показатель, в состав которого входят конструкторские и технологические показатели деталей и узлов изделия.

Согласно ОСТ 4ГО.091.219 81, все блоки по технологичности делятся на четыре основные группы: электронные, радиотехнические, электромеханические, коммутационные.

Для оценки технологичности используют систему относительных частных показателей (Кi) и комплексный показатель (Кк) который сравнивается с нормативным комплексным показателем технологичности (Кн), разрабатываемым как среднестатистический для данного класса изделий и приведенным в таблице 8. Если Кк>Кн, то конструкция считается технологичной.

Таблица 8 - Значения нормативных показателей технологичности

Наименование класса изделий

Кн

1. Электронные приборы

0,5-0.7

2. Радиотехнические приборы

0.4-0.6

3. Электромеханические приборы

0,45-0,65


Различают производственную, эксплуатационную и ремонтную технологичность конструкции.

Производственная технологичность определяет объем работ по технологической подготовке производства (ТПП), сложность изготовления, удобство монтажа вне предприятия - изготовителя.

Количественной оценкой производственной технологичности конструкции является суммарный показатель, в состав которого входят конструкторские и технологические показатели деталей и узлов изделия.

Конструкторские показатели определяют конструктивную преемственность - совокупность свойств изделия, характеризуемую повторяемостью в нем составных частей, относящихся к изделиям данной классификации группы, и применяемостью новых составных частей, обусловленных его функциональным назначением, а также сложностью сборки.

Технологические показатели определяют технологическую преемственность конструкции, приспособленность её к механизации и автоматизации при изготовлении, а также сложностью обработки деталей. Под технологической преемственностью понимают совокупность свойств изделия, характеризуемую применяемостью и повторяемостью технологических методов выполнения узлов и их конструктивных элементов, относящихся к изделиям данной классификационной группы. Основные конструкторские и технологические показатели конструкции приведены в таблице 9.

Таблица 9 - Основные показатели технологичности РЭС

Классификация показателей

Наименование показателя

Обозначение

Конструкторские

Коэффициент освоенности деталей и сборочный единиц (ДСЕ)

КОСВ ДСЕ


Коэффициент использования микросхем и микросборок

КИСП ИС


Коэффициент повторяемости типовых электрорадиоэлементов (ЭРЭ)

КПОВ ЭРЭ


Коэффициент применяемости типоразмеров оригинальных деталей

КПР ОР Д


Коэффициент сложности сборки

КСЛ СБ

Технологические

Коэффициент механизации подготовки ЭРЭ к монтажу

КМП ЭРЭ


Коэффициент автоматизации и механизации монтажа изделия

КАМ


Коэффициент применяемости типовых техпроцессов

КПОВ ЭРЭ


Коэффициент автоматизации и механизации контроля и настройки изделия

КАМ КН


Коэффициент использования материалов

КИМ


Коэффициент сложности обработки

КСЛ


Коэффициент точности обработки

КТЧ


Коэффициент прогрессивности формообразования деталей

КПФ


Для каждого типа блоков из общего состава, приведенного в таблице 9, определяется семь показателей технологичности, оказывающих наибольшее влияние (таблица10), каждый из которых имеет свою весовую характеристику, определяемую в зависимости от порядкового номера частного показателя таблица 11.

Таблица 10 - Показатели технологичности радиотехнических устройств

qi

Коэффициенты

Обозначение

φi

1Т

Автоматизации и механизации монтажа

КАМ

1,0

2Т

Автоматизации и механизации подготовки ЭРЭ к монтажу

Кмп ЭРЭ

1,0

3К

Освоенности ДСЕ

Косв

0,8

4К

Использования микросхем и микросборок

Кисп ис

0,5

5К

Повторяемости ЭРЭ

Кпов эрэ

0,3

6Т

Применения типовых техпроцессов

Ктп

0,2

7Т

Автоматизации и механизации регулировки и контроля

Км кн

0,1


Примечание: в графе qi буквы нижнего индекса означают: «т» - технологический показатель, «к» - конструкторский показатель.

Таблица 11 -Весовые характеристики

g

f

g

f

1 2 3 4

1,0 1,0 0,8 0,5

5 6 7

0,3 0,2 0,1


Весовая характеристика рассчитывается по формуле:

F = g/, (36)

где g - порядковый номер последовательности частных показателей.

Для радиотехнических устройств рассчитываются семь следующих соответствующих коэффициентов:

а) коэффициент автоматизации и механизации монтажных соединений:

Кам = Намм , (37)

где    Нам - число монтажных соединений, выполненных с использованием механизации и автоматизации,

Нм - общее число монтажных соединений.

Кам = 174/174 = 1.

б) коэффициент механизации и автоматизации подготовки ЭРЭ к монтажу:

Кмп эрэ = Нмп эрээрэ , (38)

где    Нмп эрэ - число ЭРЭ, подготовленных механизировано к монтажу,

Нэрэ - общее число ЭРЭ в изделии.

Кмп эрэ = 41/49 = 0,85.

в) коэффициент освоенности деталей и сборочных единиц:

Косв = 1 - Дор / Д,                                       (39)

где    Дор - число оригинальных деталей,

Д - общее число деталей.

Косв = 1 - 7/ 10 = 0,3.

г) коэффициент использования ИС и микросборок:

Кисп ис = Нис / (Нис + Нэрэ), (40)

где    Нис - количество ИС и микросборок,

Нэрэ - количество остальных электрорадиоэлементов.

Кисп ис = 7 / ( 7 + 42) = 0,14.

д) коэффициент повторяемости типовых ЭРЭ:

КПОВ ЭРЭ = 1 - Нт эрэ / НЭРЭ, (41)

где    Нт эрэ - число типовых ЭРЭ в изделии (R, С, VD, VT),

Нэрэ - общее число ЭРЭ в изделии.

Кпов ЭРЭ = 1 - 11/ 49 = 0,77.

е) коэффициент применения типовых процессов (ТП):

Ктп = Нтп / Нп,                 (42)

где    Нтп - число типовых ТП,

Нп - общее число ТП.

Ктп = 6 /9 = 0,67.

ж) коэффициент автоматизации и механизации регулировки и контроля:

Км кн = Нм кн / Нкн, (43)

где    Нм кн - число операций автоматизированного контроля и настройки,

Нкн - общее число операций контроля и настройки.

Км кн = 4 / 7 = 0,57.

Технологичность конструкции РЭС определяем с помощью комплексного показателя разрабатываемого изделия:

,                      (44)

где    К1 … Кn - базовые показатели, номенклатура которых зависит от типа блока (электронный, радиотехнический, соединительный, коммутационный, электромеханический, механический); радиотехнические блоки отличаются от электронных наличием приемопередающих и антенно-фидерных устройств;

 коэффициенты весовой значимости каждого базового показателя, выбираемые в пределах , по ГОСТ 14.202 (т.е. коэффициенты степени влияния на трудоемкость изготовления изделия).

Все рассчитанные конструкторские и технологические показатели технологичности приведены в таблице 12.

Таблица 12 - Значения рассчитанных показателей технологичности

Показатель

KAM

KМП ЭРЭ

КОСВ

КИСП ИС

КПОВ ЭРЭ

КТП

КАМ КН

Значение Ki

1

0,85

0,3

0,14

0,77

0,67

0,57

Fi, вес

1

1

0,8

0,5

0,3

0,2

0,1


Определяем комплексный показатель технологичности:

,

Ккр = 2,571/3,9= 0,66.

Технологичность разрабатываемого изделия оценивается по формуле:

Q = Ккрн ,          (45)

где    Кн - нормативный комплексный показатель технологичности,

Ккр - достигнутый комплексный показатель технологичности.

Для радиотехнических изделий нормативный показатель технологичности находиться в пределах 0,4…0,6. Примем Кн = 0,5, тогда:

Q = 0,66/0,5 = 1,32.

Q > 1 - значит конструкция разрабатываемого устройства ИК управления технологична.

Существуют следующие способы повышения технологичности:

повышение числа деталей;

максимальное использование ранее освоенных ДСЕ;

унификация и нормализация сборочных единиц;

расчленение РЭС на самостоятельные сборочные узлы;

выбор соответствия параметров ДСЕ по точности и качеству поверхности;

выбор удобной и простой компоновки.

. Конструкторская часть

.1 Формирование конструкторского кода обозначения изделия

Обозначение проектируемому изделию присваивают индивидуально в соответствии с классификатором ЕСКД по ГОСТ 2.201-80.


Каждое обозначение начинается с четырёхбуквенного кода организации-разработчика. Например, для отделения «радиотехническое» Брестского государственного политехнического колледжа применяется аббревиатура «БГПК» и точка после четырех букв. Далее следует шесть цифр кода классификационной характеристики и точка после них.

Класс «46» - средства радиоэлектронного управления, связи, навигации и вычислительной техники;

Подкласс «7» -составные части функциональные, обмена данными с ЭВМ;

Группа «1» - обмен данными с ЭВМ;

Подгруппа «1» - мультиплексные, байтовые;

Вид «3» - с функциями устройств управления.

Порядковый регистрационный номер присваивают по классификационной характеристике от 001 до 999, для изделия спроектированного в ДП - последние две цифры зачетной книжки - 049.

Окончательно сформированный код данного изделия будет иметь вид: «БГПК.467113.049».

Для не основного конструкторского документа, например схемы добавляют к обозначению код (шифр) этого документа не более четырех знаков, например для схемы электрической структурной -ДП Э1, схемы электрической принципиальной - ДП Э3, перечня элементов - ПЭ3, сборочного чертежа - ДП СБ, пояснительной записки - ДП ПЗ.

Код пояснительной записки ПЗ ДП содержит четырёхзначный код организации-разработчика - «БГПК.», шестизначный код специальности - «390202.», трёхзначный порядковый номер учебной группы - «Р35» и шифр (код) документа - не более четырех знаков - «ДП ПЗ». Полученный код пояснительной записки:

«БГПК.390202.P35 ДП ПЗ».

Код структурной схемы формируется путем добавления шифра ДП Э1 к основному коду изделия, полученный код структурной схемы:

«БГПК. 467113.049 ДП Э1».

Код принципиальной схемы формируется путем добавления шифра ДП Э3 к основному коду изделия, полученный код принципиальной схемы:

«БГПК. 467113.049 ДП Э3».

Код перечня элементов формируется путем добавления шифра ПЭ3 к основному коду изделия, полученный код перечня элементов:

«БГПК. 467113.049 ПЭ3».

Код сборочного чертежа формируется путем добавления кода 9135 к коду класса, а также шифра ДП СБ к основному коду изделия, полученный код сборочного чертежа:

«БГПК. 469135.049 ДП СБ».

Код спецификации формируется путем добавления кода 9135 к коду класса, при этом шифр не применяется, полученный код спецификации:

«БГПК. 469135.049».

Код чертежа печатной платы формируется путем установления кода по классификатору в зависимости от характеристик и параметров применяемого материала печатной платы.

Формирование кода печатной платы.

Код ПП определяют по отдельному классификатору класса «75» - «детали электрорадиоэлектронные, крепежные». В этот класс печатные платы (ПП) включены - как детали.

Класс «75» - детали радиоэлектронные крепёжные.

Подкласс «8» - крепёжные, радиоэлектронные платы печатные.

Группа «7» - крепёжные, радиоэлектронные платы печатные.

Подгруппа «1» - в плате прямолинейные с печатными проводниками, односторонние.

Вид «4» - ширина 50-80 мм.

Окончательный код печатной платы имеет вид: «БГПК.758714.049».

.2 Выбор и обоснование конструкции изделия

Методология поиска оптимального варианта конструкции РЭС основана на использовании системного подхода. Сущность системного подхода при конструировании современных РЭС заключается в том, что отыскивается оптимальное решение при одновременном учете нескольких различных групп факторов и ограничений, которые раньше учитывались на различных этапах проектирования. При этом структура РЭС, его конструкция и технология изготовления рассматриваются с точки зрения оптимальности всей системы.

Задачи и методы их решения на этапе проектирования схемы электрической структурной:

достигнуть хорошего качества выходных характеристик разрабатываемого устройства. Для этого в первую очередь в устройстве применены высокостабильные электрорадиоэлементы с наименьшими показателями паразитных емкостей и индуктивностей, которые приводят к искажению характеристик;

- добиться максимальной простоты изготовления приемника портативного, получить высокие качественные показатели и устойчивость работы. Для этого в устройстве применена типовая схема. Плата устройства должна иметь как можно меньшие габаритные размеры.

Принципы конструирования и проектирования, заложенные в схеме электрической принципиальной:

в качестве всех активных элементов применять в устройстве интегральные микросхемы;

коэффициенты усиления подбираются при регулировке с помощью подбора некоторых резисторов и конденсаторов, регулировки подстроечных элементов;

применение интегральных микросхем позволяет значительно сократить элементную базу разрабатываемого устройства, уменьшить габариты устройства, а также повысить ремонтопригодность генератора звуковых частот.

Выбор элементов схемы выполняется по следующим параметрам:

резисторы и конденсаторы должны быть подобранны не хуже ±20%;

уменьшение наводок со стороны внешних возбудителей - правильная «раскладка» топологии печатной платы и земляного провода;

обеспечение минимальных размеров печатной платы приводит к повышению технологичности изделия. При изготовлении изделия могут возникнуть некоторые технологические трудности, поэтому можно допустить изменения некоторых параметров, если это не повлияет на характеристики и работоспособность изделия.

Все элементы имеют обозначение, что облегчает доступ к ним.

.3 Выбор и обоснование материалов

Выбор материалов производится на основании технологических показателей и условий эксплуатации изделия.

Материалами для печатных плат могут служить фольгированные текстолиты, стеклотекстолиты и гетинаксы. Выбор материала для печатной платы производится по ГОСТ 21931-76 «Материалы электроизоляционные, фольгированные для печатных плат». В качестве материала для печатной платы используется односторонний фольгированный стеклотекстолит марки СФ-1-35-1,5, имеющий следующие параметры:

а) удельное объёмное сопротивление р = 5×1012 Ом×см;

б) тангенс угла диэлектрических потерь tg S ≤ 0,03;

в) прочность сцепления фольги с основанием 10 Н/см².

Для выполнения монтажных работ выбираем припой ПОС-61 ГОСТ 2.62460-89, содержащий 61% олова, 39% - свинец, имеющий температуру плавления 190ºC и предназначенный для пайки деталей, когда недопустим или нежелателен высокий нагрев в зоне пайки, а также, когда требуется повышенная механическая прочность.

Для очистки поверхности платы от окислов при пайке используются вспомогательные материалы - флюсы. Они должны:

а) растворять и удалять окислы и загрязнения с поверхности спаиваемых материалов;

б) защищать в процессе пайки расплавленный припой от окисления;

в) уменьшать поверхностное напряжение расплавленного припоя.

Для очистки поверхности платы при пайки применяется флюс спиртоканифольный КЭ, содержащий 20% канифоли, остальное - этиловый спирт.

При производстве устройства ИК управления используем материалы, указанные в таблице 13.

Таблица 13 - Выбранные материалы

Наименование материала

ГОСТ, ТУ

Стеклотекстолит СФ-1М-35-1,5

ГОСТ 21931-76

Канифоль

ГОСТ 797-64

Припой ПОС-61

ГОСТ 2.62460-89

Спиртонефрасовая смесь

ТУ 3-66-65



. Технологическая часть

.1 Формирование технологического кода обозначения изделия

Обозначение проектируемому изделию присваивают индивидуально каждому и только одному изделию (документу) в соответствие с классификатором ЕСКД по ГОСТ 2.1103-82.


Код технологического документа, например, маршрутной карты (МК) выбирается по ГОСТ 3.1201-85 и проставляется в блоке Б1 основной надписи по ГОСТ 3.1103-82.

Первая цифра - назначение технологического документа:

код «1» - для основных документов;

код «2» - для вспомогательных документов;

код «З» - для произвольных документов.

Вторая цифра - носитель информации:

код «1» - бумажный носитель;

код «2» - магнитный диск;

код «З» - магнитная лента.

Третья цифра - вид вносимой информации:

код «1» - текстовые документы;

код «2» - документы с текстом, разбитым на графы;

код «З» - графические документы.

Четвертая цифра - принцип построения формы документа:

код «1» - блочно-модульный;

код «2» - блочный.

Пятая и шестая цифры - вид документа (11 - сводный документ).

Седьмая и восьмая цифры - вид метода изготовления по ГОСТ 3.1201-85, для маршрутной карты код состоит из двух цифр: 10.

Девятая и десятая цифры - порядковый регистрационный номер технологического документа.

Таким образом, код технологического документа (маршрутной карты) будет иметь вид: «БГПК.11211.11049».

.2 Выбор и обоснование способов установки и крепления ЭРЭ

Способы установки и крепления ЭРЭ определяются ГОСТ 29137-91.

Выбор способов установки и крепления ЭРЭ производится для обеспечения прочности, устойчивости и надежности конструкции печатных узлов. Правильный выбор способов установки также дает возможность правильно выполнить компоновку и удобно расположить печатные узлы в корпусе изделия.

В некоторых случаях тот или иной способ установки ЭРЭ обеспечивает его правильное охлаждение, что является необходимым для поддержания рассчитанной надежности. Некоторые позиции установки обеспечивают хорошую ремонтопригодность всего печатного узла.

Рисунок 5 - Варианты установки ЭРЭ на печатную плату

На рисунке 5а) вариант установки электролитических конденсаторов и кварца. Данный метод установки позволяет минимизировать площадь занимаемую ЭРЭ, и повысить механическую прочность.

На рисунке 5б) вариант установки микроконтроллера, оптопары и других ИМС на печатной плате.

На рисунке 5в) вариант установки стабилизатора и тиристоров на печатной плате.

На рисунке 5г) вариант установки резисторов, стабилитронов и диодов на печатную плату. Данный метод установки обеспечивает максимальную прочность и устойчивость детали к механическим нагрузкам.

.3 Выбор и обоснование оснастки и оборудования

При подготовке к сборке и монтажу узлов РЭС навесные электрорадиоэлементы перед установкой и закреплением на печатной плате должны быть соответствующим образом подготовлены: выводы выпрямлены, подрезаны, загнуты и облужены. Эти трудоемкие процессы осуществляются на специальных автоматических или полуавтоматических установках.

Все, что предусматривается на рабочем месте для выполнения работы, называется оснасткой.

Она бывает нескольких видов:

а) приспособление - это составная часть оснастки, предназначенная для более быстрого выполнения операции;

б) инструмент - дополнительная оснастка, с помощью которой непосредственно выполняется операция.

Оснастка может быть двух видов:

а) нормальная или универсальная;

б) специальная.

Для успешной работы участка сборки проектируемого изделия применим следующее оборудование и инструменты:

полуавтомат для подготовки к лужению выводов ЭРЭ с осевыми проволочными выводами и цилиндрической формой корпуса;

автомат для П - образной формовки выводов ЭРЭ;

устройство для обрезки и образования «зига» на ленточных радиальных выводах ЭРЭ.

установка для укладки ЭРЭ на плату;

установка групповой пайки погружением;

установка пайки «волной припоя»;

сверлильный станок с набором сверл;

термостат для расплавления сплава Розе;

паяльник 36 В, 25 Вт, пинцет, кусачки;

шкаф сушильный, при формировании печатных проводников.

Применение вышеперечисленного оборудования, инструмента и оснастки обеспечивает достаточный уровень автоматизации производства.

.4 Разработка техпроцесса, сборки и монтажа изделия, маршрутных карт (МК)

Проектирование технологического процесса сборки и монтажа радиоэлектронной аппаратуры делят на следующие этапы:

- изучение прибора и технологическая доработка его конструкции и схемы;

сборка и монтаж эталонного образца шасси прибора;

расчленение процесса сборки и монтажа на операции.

При производстве радиоэлектронной аппаратуры широко применяется эскизно-операционная технология сборки и монтажа.

Эскизно-операционная технология предполагает расчленение всего процесса сборки и монтажа радиоэлектронной аппаратуры на отдельные простые операции, на которых используются исполнители более низкой квалификации, чем исполнители всего процесса. Она способствует повышению производительности труда, улучшению качества выпускаемой продукции, а также снижению разрядности работ.

При разработке эскизно-операционной технологии на каждую операцию составляется технологическая карта, которая содержит эскиз, краткое описание работы, перечень деталей и используемых материалов.

Блочно-модульный принцип построения формуляров-абзацев заключается в том, что при построении форм документов используются только типовые блоки информации. Их состав может быть различен и в каждом случае определяется разработчиком, исходя из назначения документа. Отдельные типовые блоки информации (2 и более) объединяются по своему информационному назначению и образуют информационный модуль информации, который по аналогии с типовым блоком информации может повторяться неограниченное количество раз в привязке к каждой операции.

Нумерация строк выполняется арабскими цифрами от 01. Состав и назначение служебных символов в формах маршрутной карты применительно к формату A4 дается в буквах русского алфавита от «А» до «Я».

Таблица 14 - Построение информационного модуля, применяемого в маршрутных картах

А

Цех

Уч.

РМ

ОПЕР.

Код, наименование операции

Б

Код, наименование оборудования

«А» - наименование операции;

«Б» - наименование оборудования;

«К» - комплектовочная;

«М» - материалы;

«Т» - технологическая оснастка;

«О» - операционный текст;

«Р» - режим техпроцесса.

Карта эскиза (КЭ) должна показывать ту часть сборки или монтажа, которая выполняется на данной операции. Она исключает необходимость пользования сборочными чертежами, монтажными схемами, а также описанием работы.

Краткое описание работы, приводимое в технологической карте, должно указывать объем и последовательность ее выполнения. Кроме того, описание работы поясняет и уточняет некоторые подробности сборочно-монтажного процесса, которые трудно показать на эскизе.

При разработке эскизно-операционной технологии операции процесса делают равными или кратными по длительности, что способствует быстрому переходу на серийный или массовый поточный метод производства.

Технологическая ведомость позволяет быстро формировать технологические операции необходимой трудоемкости, определять номенклатуру необходимого оборудования, инструмента, вспомогательных материалов, а также облегчает определение общей трудоемкости сборочно-монтажных работ.

Технологический процесс сборки и монтажа устройства ИК управления записывается в стандартных маршрутных картах формы №1 и №2 по ГОСТ 3.1118-82. Маршрутная карта помещена в «ПРИЛОЖЕНИИ В» данного дипломного проекта.

Маршрутная карта изготовлена блочно-модульным методом.

5. Экономическая часть

.1 Формирование исходных данных

Таблица № 15 - Сводная таблица исходных данных

Наименование показателя

Код Показателя

Единицы измерения

Числовое значение

Месячная программа: выпуска, запуска.

Nвып Nзап.

шт. шт.

650 663

Трудоемкость работ: сборки, монтажа, регулировки.

Q q сб qм qрег

норма-час норма-час норма-час норма-час

2,6 0,7 0,6 1,3

Разряд выполняемых работ: сборка, монтаж, регулировка.

Рсб Рм Рр

разряд разряд разряд

4 5 6

Тарифные коэффициенты: 4 разряда, 5 разряда, 6 разряда.

Тк4хКк Тк5хКк Тк6хКк

- - -

1,57×2,66 1,73×2,15 1,90×2,15

Часовые тарифные ставки: сборщика, монтажника, регулировщика

Сб См Ср

 тыс. руб. тыс. руб. тыс. руб.

4,77 4,25 4,66

Процент выполнения норм одним рабочим

ПВК

%

105

Стоимость комплектующих элементов на 1 изделие

Ск

тыс. руб.

42,3

Стоимость материалов на 1-о изделия

См

тыс. руб.

0,66

Количество руководителей, специалистов цеха.

N

чел.

8

Месячный фонд оплаты труда ИТР

Зитр

тыс. руб.

3817,7

Норматив рентабельности.

Р

%

9,7

Норма амортизации: активной части ОПФ, пассивной части ОПФ.

nа nа

% %

1 1


.2 Характеристика типов производств

По признаку широты номенклатуры, стабильности объема выпуска различных изделий, производство бывает:

единичное производство - когда процесс изготовления одного или нескольких изделий либо вовсе не повторяется, либо повторяется через неопределенные промежутки времени;

серийное производство - выпуск значительной, но вполне определенной номенклатуры изделий;

массовое производство - это непрерывное изготовление продукции с соблюдением равномерного выпуска.

На основании характеристик типов производства изготовление устройства демонстрационного можно отнести к серийному производству.

.3 Расчет параметров поточной линии

Если одна и та же деталь используется в одном или нескольких изделиях, то производство этой детали целесообразно организовать поточным методом.

Поточное производство - это такая форма организации производства, при которой все операции согласованы во времени, все рабочие места специализированы и расположены, согласно технологического процесса. В поточном производстве время выполнения каждой операции равно или кратно друг другу. Обработка деталей идет непосредственно, при синхронности передачи предметов труда по рабочим местам. Поточный метод и поточные линии имеют следующие характерные параметры:

а) программа выпуска и программа запуска Nвып дана в задании:

Nзап = 1.02 · Nвып = 1,02·650 = 663 шт,                         (46)

б) Такт поточной линии:

= (Т - tп)·60/Nзап,                                              (47)

где    Т - норма времени одного рабочего в месяц (182-186 ч.),

tп - время регламентированных перерывов (2 часа в месяц.),

Nвып - месячная норма выпуска, шт.= (184 - 2)·60/663 = 16,47 мин.

в) определяем количество рабочих мест на конвейере:

РМ = tоп · 60 · К/ Z,                                   (48)

где    tоп (Q= qсб+ qм+ qрег) - трудоемкость выполнения изделия,- такт поточной линии, мин,

К - коэффициент перевыполнения нормы.

РМ=2.6·60·1,05/16,47=10 мест.

г) рассчитываем рабочую длину конвейера:

Lраб = L(РМ/2 + 1) +3,                                        (49)

где    L - шаг конвейера,

метр и 3 метра - страховые запасы,

РМ - количество рабочих мест на конвейере.б = 1,2 · (10/2 + 1) + 3 = 10,2 м.

д) скорость конвейера:

V = Lраб/Z,                                       (50)

где    Z - такт поточной линии, мин,б - рабочая/ длина конвейера.= 10,2/16,47 = 0,62 м/мин.

е) ритм конвейера:

R = (Tсм - tп) · 60/Z,                                   (51)

где    Тсм - фонд рабочего времени в смену (8 ч.),п - время регламентированных перерывов (2 часа в месяц.),- такт поточной линии, мин.= (8 - 2)·60/16,47= 22 раз в смену.

.4 Расчет стоимости комплектующих изделий и материалов на единицу изделия

Расчет производим в табличной форме:

а) расчет стоимости комплектующих изделий на единицу изделия;

Таблица 16 - Расчет стоимости комплектующих изделий на единицу изделия

Наименование элементов

Кол-во (шт.)

Стоимость одной штуки (тыс. руб.)

Полная стоимость (тыс. руб.)

Микросхема:




DD1

1

22

22

DD2

1

18

18

DD3

1

15,7

15,7

DA1

1

6,2

6,2

DA2, DA3

2

3,8

7,6

DA4

1

2

2

Конденсаторы:




C1-С8

8

1

8

Резисторы:




R1-R18

18

0,3

5,4

Кварц:




ZQ1

1

6

6

Оптопары:




VU1-VU2

2

7

14

Тиристор:




VS1-VS2

2

6,5

13

Соединители:




DG-306-5.0

3

1

3

Диоды:




VD1-VD6

6

0,4

2,4

Итого на 1 изделие:



123,5


б) расчет стоимости материалов на единицу изделия.

Таблица 17 - Стоимости материалов на единицу изделия

Наименование материалов

Единицы изм.

Стоимость материалов тыс. руб.

Норма расхода материалов на одну пайку

Норма расхода на одно изделие

Полная стоимость тыс. руб.

Припой

кг

450 за 1кг

0,0001

0,0098

4,41

Стеклотекстолит

кв.м

750 за 1кв.м

-

-

75

Флюс

л

200 за 1л

0,00005

0,0008

0,16

Лак

л

50 за 1л

-

-

-

Итого на 1 изделие:

79,57


.5 Расчет численности работающих в цеху

Численный состав работающих в цеху складывается из:

основных (Ро) и вспомогательных рабочих (Рв), выполняющих производственные задания и инженерно - технических работников (ИТР);

количество основных рабочих (Ро) равно количеству рабочих мест, расчитанных в разделе 5.3;

Ро = РМ = 10 чел.

количество вспомогательных рабочих Рв = 10% Ро.

Рв = 0,1 · 10 = 1 чел.

Рв = 1 чел.

Численность ИТР принимаем согласно исходных данных. ИТР = 8 чел.

Общая численность работающих в цеху. Робщ = 10 + 1 + 8 = 19 чел.

.6 Расчет заработной платы ИТР цеха

Суммарный месячный размер заработной платы ИТР зависит от их количества, работающих в цеху и тарифного разряда, по которому они тарифицируются, согласно Единого тарифно-квалификационного справочника (ЕТКС).

Расчет выполняется в таблице.

Таблица 18 - Расчет заработной платы ИТР цеха

Должность

Кол-во

Тарифн разряд

Тарифный коэф/корр. коэф.

Мес. оклад тыс. руб.

Суммарная зарплата в мес.тыс.руб.

Нач.цеха

1

14

3,25/1,31

680,2

680,2

Мастер

2

11

2,65/1,54

379,06

758,12

Начальник технического бюро

1

14

3,25/1,31

655,2

655,2

Инженер

1

10

2,48/1,628

492

492

Начальник труда и заработной платы

1

7

3,25/1,31

352

352

Диспетчер

1

10

2,48/1,628

390

Ст. диспетчер

1

7

2,03/1,89

490,2

490,2

Итого по цеху Зитр:

8




3817,72


Месячный оклад рассчитан на основании принятой ставки первого разряда 250000 рублей.

.7 Расчет площади проектируемого цеха и стоимости строительства цеха

Общая площадь цеха определяется по формуле:

общ = Sпр + Sвс + Sадм + Sскл,                                 (52)

где    Sпр - рабочая площадь, т.е. производственная,всп - площадь необходимых проходов и проездов,адм - административная площадь,скл - площадь складских и бытовых помещений.

Таблица 19 - Расчет общей площади цеха

Наименование площади цеха

Формула расчета

Результат, кв.м.

Производственная

РМ·5м2 = Sпр

50

Проходов и проездов.

25% · Sпр

12,5

Административная

10% · Sпр

5

Складская

40% · Sпр

20

Бытовая

20% · Sпр

10

Итого площадь цеха:

Sц = 97,5


Для определения стоимости строительства цеха определяем строительный объем проектируемого здания по формуле:

Vзд = Sц ·Нц,                                           (53)

где    Нц - высота цеха,

Sц - площадь цеха, м2.

Vзд = 97,5·5 = 487,5 м3.

Стоимость строительства цеха определяется по формуле:

Сц = Vзд ·97·i ,                                         (54)

где    97 - стоимость строительства 1куб.м здания в базисных ценах 1991г.,

i - индекс перевода к действующим ценам, учитывающий суммарный уровень инфляции с 1991г.,

Vзд - строительный объем проектируемого здания.

Сц = 487,5·97·600 =28372,5 тыс. руб.

Годовые амортизационные отчисления:

Аог = Сц · na,                                           (55)

где    na - годовая норма амортизации 1%,

Сц - стоимость строительства цеха.

Аог = 463417500 · 0,01 = 283,725 тыс.руб.

Месячные амортизационные отчисления на пассивную часть:

Аом= Аог/12 = 23,64375 тыс.руб.                               (56)

5.8 Расчет стоимости активной части основных производственных фондов цеха


Стоимость активной части ОПФ определяется исходя из стоимости 1 метра рабочего конвейера, которая принимается 12 млн. руб. за метр (см. таблицу 13).

Рассчитываем годовые амортизационные отчисления по активной части:

Аакт.о. = Сакт · na ,                                           (57)

где    na - годовая норма амортизации;

Сакт - стоимость активной части ОПФ.

Аакт.о. = 168860·0,01= 1688 тыс. руб.

Таблица 20 - Расчет активной части основных производственных фондов

Наименование активной части основных производственных фондов

Формула расчёта

Стоимость тыс.руб.

Основное оборудование

Со = 12·Lраб

122400

Инструмент

Сц = 25%·Со

30600

Инвентарь

Синв = 6%·Со

7340

Транспортные средства

Ст = 5%·Со

6120

Прочие

Спр = 2%·Со

2440

Итого:

Сакт

168860


Ежемесячные амортизационные отчисления:

Аакт.о. мес. = Аакт.о/12,                                   (58)

где Аакт.о. - годовые амортизационные отчисления.

Аакт.о. мес. =1688 /12 = 140,7 тыс.руб.

.9 Расчет комплексной расценки на 1 изделие и месячного фонда оплаты труда

Среднечасовая тарифная ставка данного изделия определяется по формуле:

Си.ср. = Чсб ·qсб+Чм ·qм + Чрег ·qрег ,                            (59)

где    Чсб, Чм, Чрег - часовая тарифная ставка соответственно на сборку, монтаж, регулировку (тыс. руб),

qсб, qм, qрег - трудоемкость операции, соответственно на сборку, монтаж, регулировку (н. час).

C сб = (225·1,57·2,321)/184 = 4,77 тыс.руб.

C м = (225·1,73·2,15)/184 = 4,25 тыс.руб.

C рег = (225·1,9·1,99)/184 = 4,66 тыс.руб.

Си.ср. = 4,77 ·0,7 + 4,25 ·0,6 + 4,66 ·1,3 = 11,947 тыс.руб/н.час.

Рассчитываем величину сдельной расценки на 1 изделие по формуле:

Рсд = Си.ср. · Q ,                                     (60)

где    Q - суммарная трудоемкость работ по всем операциям на 1 изделие,

Си.ср. - среднечасовая тарифная ставка.

Рсд = 11,947· 2,6 = 31,06 тыс.руб/шт.

Рассчитываем величину комплексной расценки на одно изделие по формуле:

Рк = (Рсд + Зитр/Nвып)·1,5,                              (61)

где Рсд - сдельная расценка (тыс. руб / шт),

итр - суммарная месячная зарплата ИТР - работников цеха (тыс. руб),

Nвып - месячная норма выпуска.

Рк = (11,947 + 3817,72/650)·1,5 = 26,73 тыс.руб./шт.

Рассчитываем месячный фонд оплаты труда:

ФОТ = Рк · Nзап,                                               (62)

где Nзап - месячная норма запуска.

ФОТ = 26,73·663= 17721,99 тыс. руб.

.10 Расчет месячных общепроизводственных расходов

Общепроизводственные расходы состоят из:

А - расходов на содержание и эксплуатацию машин;

Б - расходов по организации и управлению производства.

Расчет выполняется в таблице.

Таблица 21 - Расчет общепроизводственных расходов

Наименование показателя

Формула расчета

Стоимость тыс.руб.

А - Расходы по содержанию и эксплуатации машин и оборудования

Амортизация оборудования

Аакт.о. мес. (см. 8)

140,7

Эксплуатация оборудования

Эо= 2% Аакт.о. мес.

2,81

Ремонт оборудования

Ро = 1% Аакт.о. мес.

1,4

Внутризаводское перемещ. Грузов

Пг = 10% Аакт.о. мес.

14,1

Прочие расходы

Пр= 1% Аакт.о. мес.

1,4

Итого по разделу А:

160,4

Б - Расходы по организации и управлению производством.

Содержание аппарата управления цеха

Зитр*1,5

5726,58

Амортизация зданий и сооружений

Азд.ом.= (см. 7.4)

23,64375

Содержание зданий и сооружений

Сзд = 150% Азд.ом.

35,465625

Испытание новых образцов, изобретательство и рационализация

И = 0,1% п.6

572,658

Охрана труда

О = 0,01% п.6

57,2658

Итого по разделу Б:

6415,61

Итого по А + Б:

6576


Цеховые расходы на единицу выпуска:

ед.ц. = (A+В)/Nвып,                                           (63)

где    А - расходы на содержание и эксплуатацию машин,

Б - расходы по организации и управлению производства,

Nвып - месячная норма выпуска.ед.ц. = 6576/650 = 10,12 тыс.руб./шт.

.11 Расчет месячных общехозяйственных расходов

Месячные общехозяйственные (заводские) расходы рассчитываются в % от общепроизводственных (цеховых) расходов.

Для предприятии радиоаппаратостроения они составляют 50%:

Рзав = 50% Рц,                                                   (64)

где P.ц. - цеховые расходы на единицу выпуска.

Рзав = 10,12 ·0,5 = 5,06 тыс.руб.

Рассчитываем заводские расходы на единицу изделия:

Ред.зав. = Рзав/Nзап,                                         (65)

где    Рзав - месячные общехозяйственные (заводские) расходы,

Nзап - месячная норма запуска.

Ред.зав. = 5,06/663 = 0,007 тыс.руб/шт.

.12 Расчет калькуляции стоимости единицы изделия

Таблица 22 - Калькуляция стоимости единицы изделия

Наименование затрат

Формула расчета

+/- расходы

Результат, тыс.руб.

1

2

3

4

Сырье и материалы

Р1.4б

+

79,57

Комплектующие изделия

Р1.4а

+

123,5

Возвратные отходы

2% (п.l + п.2)

-

4,0614

Топливо и энергия на технолог. нужды

30%(п.1+п.2)

+

60,921

Земельный налог

10% п.l

+

7,957

Экологический налог

12% п.l

+

9,5484

Основная зарплата рабочих

р.9 п.2

+

31,06

Дополнительная зарплата рабочих

50%п.7

+

15,53

Общепроизводственные (цеховые) расходы, в том числе: амортизационные отчисления (Ао) расходы по оплате труда прочие расходы

р.10п.2 15%п.9 82%п.9 3% п.9

+

10,12 1,518 8,2984 0,3036

Общепроизводственные (заводские) расходы, в том числе: амортизационные отчисления Ао расходы по оплате труда прочие расходы

р.11п.2 15%п.10 82%п.10 3% п.10

+

0,007 0,00105 0,00574 0,00021

Отчисления в бюджетные и внебюджетные фонды от средств по оплате

п.7 + п.8 + п.9.2 + п.10.2


54,89

труда (фонд оплаты труда): отчисления на соц. страхование отчисления в фонд занятости отчисления в чрезвычайный налог

 35%п.11 1% п.11 4% п.11


 19,213 0,549 2,196

Потери от брака. П1+…+п8+п9(первое)+п10(первое)+п11(последние три числа)

2% (п.1÷п.11.1+ п.11.2+ п.11.3)

+

 7,12

Коммерческие расходы

1% (п1÷п.12)

+

4,03

Полная производственная себестоимость

∑п.1÷п.13


407,28

Нормативная прибыль

20% п.14

+

81,46

Местный налог по общему нормативу, в том числе: в стабилизационный фонд в жилищно - инвестиционный фонд в фонд на содержание и ремонт жилого фонда

2,5%(п.14+п.15)  40% п.16 20% п.16 40% п.16

+

12,2185  4,89 2,46 4,89

Республиканский объединенный налог, в том числе: сельхоз налог отчисления в дорожный фонд

2%(п.14+п.15+п.16)  50%п.17 50%п.17

+

10  5 5

Отпускная цена без НДС

∑п.14÷п.17


764,5

Налог на добавочную стоимость

20 % п.18

+

152,9

Отпускная цена завода - изготовителя

∑п.18÷п.19


917,4


5.13 Расчет технико-экономических показателей работы цеха

Таблица 23 - Месячные технико-экономических показатели работы цеха

Показатели

Формула расчета

Результат

Месячная программа выпуска, шт.

Табл. 1 п.2

650

Отпускная цена 1 шт., тыс.руб.

Раздел 12 п. 20

917,4

Товарный объем выпуска за месяц, тыс.руб.

п.1 · п.2

596310

Численность работающих в цехе, чел.

Разд. 5 п.1

18

В том числе рабочих, чел.


10

ИТР, чел.


8

Месячный фонд оплаты труда работающих в цехе, тыс.руб.

Раздел 9 п.4

17721,99

Средняя зарплата на 1 работающего, тыс.руб.

п.7/п.4

984,6

Рентабельность продукции, %

Разд. 12 п.15х100%/ разд. 12 п.20-п.15

9,7%


.14 Диаграмма отпускной цены единицы изделия

Таблица 24 - Сводная таблица данных для диаграммы отпускной цены

Мат-ные затраты

ЗП

Заводские расходы

Цеховые расходы

Налоги в себестоимости

Прочие расходы

Нормативная прибыль

Налоги в цене

259,9

46,59

0,007

10,12

39,47

5,307

81,46

64,42


Рисунок 9 - Диаграмма отпускной цены

.15 Выводы

При выполнение экономической части были рассчитаны технико-экономические показатели работы цеха по производству устройства ИК управления с годовой программой выпуска 650 штук, поточным методом. Товарный месячный объем составляет 596310 тыс. руб., отпускная цена равна 917,4 тыс.руб., рентабельность продукции 9,7 %, численность рабочих 18 человек. Среднемесячная зарплата составляет 984,6 тыс. руб.

6. Ресурсосбережение

Ресурсы - это природные или созданные человеком ценности, которые предназначены для удовлетворения производственных и непроизводственных потребностей. Из этого определения следует, что:

Материальные ресурсы - это комплекс вещественных элементов, предназначенных для обработки в процессе труда.

Ресурсосбережение - это процесс обеспечения роста объема полезных результатов при относительной стабильности материальных затрат.

Экономия материальных ресурсов - это экономическая категория, которая характеризуется снижением удельного расхода материальных ресурсов на единицу продукции по сравнению с базисным или текущим периодом, но без снижения качества и технического уровня продукции.

Рациональный (латинское слово rationalis) - разумный, целесообразный, обоснованный. Так что рациональное потребления материальных ресурсов является качественной характеристикой процесса разумного потребления материальных ресурсов.

Рационализация - усовершенствование, улучшение, введение более целесообразной организации чего-либо. Рационализация производства представляет собой комплекс мероприятий, направленный к более целесообразной организации производственного процесса с целью достижения наивысшей производительности труда при наименьших затратах производственных ресурсов.

Под рациональным потреблением обычно понимают процесс осознанного, общественно необходимого потребления материалов. Этот процесс - явление непрерывного характера, связанное с развитием человеческой мысли и деятельности. Поэтому то, что еще вчера было рациональным, сегодня может стать нерациональным в результате научных достижений.

Основной задачей ресурсосбережения является экономия материальных ресурсов. Экономить материальные ресурсы можно по-разному: можно их меньше тратить (для этого устанавливают нормы), а можно внедрять новые технологии.

Всемерное улучшение использования материальных ресурсов - одна из важнейших задач промышленных предприятий. Чем лучше используются сырьё, топливо, вспомогательные материалы, тем меньше их расходуется для выработки определённого количества продукции, тем самым создаётся возможность увеличить объём производства промышленной продукции.

Для характеристики эффективности использования материальных ресурсов применяется система показателей, к которым относятся материалоемкость и материалоотдача.

Материалоемкость продукции представляет собой величину затрат материальных ресурсов на производство единицы продукции:

МЕ=МЗ/ВП, (66)

где    МЕ - материалоемкость продукции,

МЗ - материальные затраты на производство продукции,

ВП - стоимость произведенной продукции.

Материалоотдача определяется делением стоимости произведенной продукции на сумму материальных затрат:

МО=ВП/МЗ, (67)

Материалоемкость, так же как и материалоотдача, зависит от объёма валовой (товарной) продукции и суммы материальных затрат на её производство. В свою очередь объем товарной продукции в стоимостном выражении может изменятся за счет количества произведенной продукции, её структуры и уровня отпускных цен. Сумма материальных затрат также зависит от объёма произведенной продукции, её структуры, расхода материалов на единицу продукции и стоимости материалов. В итоге общая материалоемкость зависит от структуры произведенной продукции, нормы расхода материалов на единицу продукции, цен на материальные ресурсы и отпускных цен на продукцию.

В цеху по производству устройств ИК управления материальные затраты составляют 28% от полной себестоимости изготавливаемого изделия. Товарный объем выпуска за месяц - 596,3млн. рублей, рентабельность продукции - 9,7%

Увеличение материальных затрат может происходить в результате отклонений фактического расчета материалов от норм расхода; несовпадения уровня фактических транспортно-заготовительных расходов с плановым; изменение оптовых цен на сырье и материалы, покупные полуфабрикаты и тарифов на электрическую и тепловую энергию.

Материалоемкость товарной продукции может изменяться под влиянием отклонений фактического расхода от установленной в плане комплектации изделий, их недоброкачественности, повреждений, потерь.

Существенное влияние на уровень материалоемкости товарной продукции оказывают возвратные отходы и потери от брака. Чем больше отходов и потерь от брака по сравнению с планом (или другим периодом), тем больше материальных затрат будет отнесено на единицу изделия и товарный выпуск продукции, так как снижается разница между ценой потребляемого сырья и материалов и ценой возможного использования возвратных отходов и неисправимого брака.

Основными мероприятиями по ресурсосбережению, реализация которых позволит снизить стоимость выпускаемой продукции, могут быть:

применение при производстве продукции ресурсосберегающих технологий;

совершенствование структуры материальных норм и нормативов;

упорядочение процесса формирования норм на различных уровнях управления производством;

совершенствование контроля над нормами расхода материальных ресурсов;

ликвидация дублирования при расчете норм.

Всемерное улучшение использования материальных ресурсов - одна из важнейших задач промышленных предприятий. Чем лучше используются сырьё, топливо, вспомогательные материалы, тем меньше их расходуется для выработки определённого количества продукции, тем самым создаётся возможность увеличить объём производства промышленной продукции.

Рациональное сочетание этих факторов на каждом отдельном предприятии позволят планомерно снизить материалоёмкость выпускаемой продукции, сокращать используемые и неиспользуемые технологические отходы, снижать себестоимость выпускаемой продукции.

7. Охрана труда и окружающей среды

.1 Мероприятия по технике безопасности на рабочем месте

Охрана труда - это система законодательных, социально-экономических, организационных, технических, гигиенических, лечебно-профилактических мероприятий и средств, обеспечивающих безопасность, сохранение здоровья и работоспособности человека в процессе труда (ГОСТ 12.0.002-80).

Для рассмотрения охраны труда выберем одно из структурных подразделений предприятия - цех монтажный по производству стереофонических передатчиков.

Главной особенностью работы монтажников является работа с припоем при расплавлении которого выделяются химически вредные пары, работа проводиться, с приборами находящимися под напряжением, имеющие высокую температуру накала. На основании вышесказанного разрабатываются следующие мероприятия по охране труда:

б) во время работы рекомендуется носить комбинезон. Одежда не должна иметь свисающих концов, которые могут быть захвачены движущимися частями станков и автоматов. Манжеты рукавов должны плотно прилегать к руке. Волосы необходимо тщательно убрать под головной убор;

в) все электроприборы и оборудование должны быть заземлены. Запрещается работать с неисправными и незаземлёнными приборами и оборудованием;

г) все движущиеся части оборудования должны быть закрыты специальными экранами или установлены защитные ограждения;

д) верстак должен быть прочным и устойчивым, а его высота - соответствовать росту рабочего. Инструмент должен быть исправен и проверен. Работать нужно только исправным инструментом;

е) рабочее место следует держать в чистоте и порядке. Не требующиеся для работы приспособления и инструмент необходимо хранить в инструментальной кладовой, в верстаках или на специальных стеллажах;

ж) если в цехе производятся работы по зачистке деталей абразивными кругами, электросварка, газовая резка, пайка и т.д., то необходимо обеспечить местную или общую вытяжную вентиляцию для отсоса вредных веществ;

з) обо всех замеченных неисправностях станков, оборудования, приборов и установок необходимо сообщить мастеру или другому ответственному лицу.

Должно запрещаться:

а) допуск к проведению операций людей, не прошедших предварительный инструктаж по безопасным приемам работы;

б) использование рабочих не по специальности;

в) неправильная организация технологических процессов;

г) неисправность применяемых машин и механизмов и неправильные способы их эксплуатации;

д) неисправность или отсутствие защитных ограничений;

Все мероприятия по охране труда следует проводить планомерно, в течение всего периода производства работ.

.2 Мероприятия по защите окружающей среды на участке или предприятии радиотехнической (электронной) промышленности

Защита окружающей среды - это комплекс мероприятий, направленных на уменьшение или полное исключение антропогенных (обусловленных человеческой деятельностью) вредных воздействий на биосферу.

Охране окружающей среды во всем мире с каждым годом придается все большее значение, что обусловлено в первую очередь резким возрастанием количеством вредных выбросов промышленности, наносящих биосфере огромный, часто непоправимый ущерб.

В результате хозяйственной деятельности человека наиболее массировано загрязняется вредными веществами воздушная среда. Воздух загрязняется различными газами, среди которых наиболее широко распространены: окись углерода, серистый ангидрид и окислы азота, парами углеводородов, кислот, металлов и разнообразными пылями, имеющими органическое и неорганическое происхождение.

В радиопромышленности существуют вредные производственные факторы, оказывающие отрицательные воздействия на окружающую среду. К вредным производствам прежде всего относятся цеха по изготовлению печатных плат, гальванические, лакокрасочные, обрабатывающие цеха. Большие проблемы возникают также в вопросе утилизации отходов в производстве радиоэлектронных средств.

В травильных и гальванических цехах промышленных предприятий, использующих в технологических целях химические и электрохимические процессы, образуются жидкие отходы, наиболее вредные в санитарном отношении. Также загрязнения являются сильными ядами, способными в определённых условиях уничтожать всякую жизнь в водоёмах. Наиболее часто встречающимися загрязнениями такого рода являются неорганические кислоты, их соли и щёлочи.

Для очистки сточных вод в настоящее время применяется электрические системы регулирования, в которых электрические сигналы измерительных датчиков передаются к соответствующим исполнительным механизмам.

Очистка загрязнённого воздуха и отходящих газов, образуемых при технологических процессах и выбрасываемых в атмосферу, от содержащихся в них вредных твёрдых, жидких и газообразных примесей является основным способом охраны воздушного бассейна от загрязнений.

Задача промышленной очистки заключается в извлечении или нейтрализации вредных веществ из газовых выбросов.

Под методами охраны окружающей среды от загрязнения отходами производства понимают совокупность технических и организационных мероприятий, позволяющих уменьшить или полностью исключить антропогенные (обусловленные человеческой деятельностью) вредные воздействия на биосферу.

Сложность состоящих перед охраной труда и окружающей среды задач требует использования последних достижений и выводов многих научных дисциплин, прямо или косвенно связанных с задачами создания здоровых и безопасных условий проживания и взаимодействия организмов, в том числе и человека, с окружающей средой.

Каждый должен выполнять требования охраны труда и окружающей среды и имеет право на условия безопасного и здорового труда и жизнедеятельности.

. Энергосбережение

В условиях мирового финансового кризиса и ограниченности ресурсного потенциала повышение эффективности использования топливно-энергетических ресурсов приобретает для Республики Беларусь особую значимость.

Экономия становится не просто обязательным принципом хозяйствования, но важнейшим требованием поддержания национальной безопасности страны.

Энергосбережение - реализация организационных, правовых, технических, технологических, экономических и иных мер, направленных на уменьшение объема используемых энергетических ресурсов при сохранении соответствующего полезного эффекта от их использования (в том числе объема произведенной продукции, выполненных работ, оказанных услуг).

Энергетическая эффективность - характеристики, отражающие отношение полезного эффекта от использования энергетических ресурсов к затратам энергетических ресурсов, произведенным в целях получения такого эффекта, применительно к продукции, технологическому процессу, юридическому лицу, индивидуальному предпринимателю.

Энергоэффективность - технический показатель, отражающий эффективность использование энергии в производстве. Обычно основным индикатором энергоэффективности служит энергоемкость.

В цеху по производству устройств ИК управления при полной производственной себестоимость одного изделия 407,28 тысяч рублей, затраты на топливо и энергию составляют 60,921 тысяч рублей, что составляет 14%. В целях мероприятий по энергосбережению составлен план позволяющий снизить затраты на данный вид энергии. План мероприятий по энергосбережению включает в себя следующие мероприятия:

внедрение новых энергоэффективных технологий, оборудования, технологических процессов при производстве разрабатываемого устройства;

использование местных, нетрадиционных возобновляемых источников энергии;

использование современного теплогенерирующего оборудования, такого как конденсационные котлы и тепловые насосы;

максимальное использование дневного света (повышение прозрачности и увеличение площади окон, дополнительные окна);

применение энергосберегающих ламп(люминесцентных, в том числе компактных люминесцентных , светодиодных);

применение устройств управления освещением (датчиков движения и акустических датчиков, датчиков освещенности, таймеров);

использование устройств регулировки температуры в помещениях, в том числе устройств автоматического включения и отключения, снижения мощности в зависимости от температуры, временных таймеров;

подбор мощности и места установки кондиционера, исходя из объема помещения, количества и расположения человек, присутствующих в помещении и другие мероприятия.

Реализация запланированных мер позволит в значительной степени повысить энергетическую безопасность страны, модернизировать и обеспечить высокую надежность основных производственных фондов топливно-энергетического комплекса, диверсификацию видов потребляемого топлива и стран его поставщиков, оптимизировать топливно-энергетический баланс за счет увеличения использования местных видов топлива и возобновляемых источников энергии, повысить эффективность использования энергоресурсов, снизить издержки при добыче, транспортировке и потреблении топливно-энергетических ресурсов, и повысить конкурентоспособность отечественной продукции.

Своевременное решение этих задач позволит достичь реального снижения потребления энергетических ресурсов в промышленности.

9. Экспериментальная часть

.1 Описание конструкции изготовленной платы узла РЭС

Корпус устройства имеет вид прямоугольника. Крепление печатной платы производится с помощью винтов, что позволяет неподвижно закрепить плату относительно корпуса. Плата с органами управления соединяется монтажными проводами.

Плата данного устройства выполнена из фольгированного, одностороннего однослойного стеклотекстолита СФ1-35-1,5. Соотношение сторон платы 1:1, размеры: ширина - 100 мм, длинна - 100 мм.

Плата изготавливается химическим методом. Нанесение печатного рисунка производится тонером с помощью лазерного принтера. Травление свободных участков фольги выполняется в растворе Fe2Cl3.

Конструкция печатной платы рассчитана на эксплуатацию в нормальных климатических условиях:

температура воздуха 25 ± 10 С°;

относительная влажность воздуха 40-80 %.

Устройство полностью отвечает эксплуатационным требованиям, обеспечивает оперативность и удобство обслуживания, механическую прочность.

.2 Проверка работоспособности

Устройство ИК управления питается от сети 220В. При подключение устройства, выполняется инициализация всех интерфейсов и каналов.

Далее подключается к компьютеру через USB интерфейс. Компьютер найдет новое устройство с названием «IR Server». Далее нужно установить драйвера устройства. Управление компьютером через устройство происходит с помощью программы AmbiBox. В данной программе имеется большой набор функций по управлению компьютером.

После установки программы, драйверов можно сразу приступать к использованию всех функций. Устройство не нуждается в предварительной настройке.

Команды с ИК приемника поступают на микроконтроллер для дальнейшей обработки.

Микроконтроллер, приняв команды, сравнивает их с таблицей команд запрограммированных для работы в автономном режиме. Если команда совпала с одной из перечисленных, то в данном случае микроконтроллер выполняет соответствующее действие (включение или выключение того или иного блока). В случае если принятая команда не распознана, тогда микроконтроллер отправляет данные о команде на ПК по USB интерфейсу.

Программа AmbiBox на ПК будет принимать команды, отправленные микроконтроллером, и в соответствие с заданными параметрами пользователем, будет осуществляться соответствующая функция.

В программе AmbiBox также есть возможность обновления ПО устройства. В соответствующей вкладке программы выбирается файл обновленной прошивки, далее по нажатию на кнопку «Прошить», файл загружается в EEPROM-память через микроконтроллер. Далее после перезагрузки устройства, файл прошивки из EEPROM-памяти по линиям SDA и SCL загружается в микроконтроллер, после чего устройство снова перезагружается и начинает функционировать на основе обновленной программной части.

Рисунок 10 - Схема проверки работоспособности

Заключение

В ходе работы над дипломным проектом были выполнены все необходимые разделы и пункты.

Во введении описан современный уровень развития РЭС и дальнейшие перспективы, описаны основные технологические направления и тенденции в производстве РЭС.

В общей части на основании проведенного анализа схемных решений выбраны самые оптимальные, надежные и простые схемы. Также были разработаны структурная и принципиальная схемы устройства ИК управления, выбрана элементная база для его изготовления.

В расчетной части произведен расчет трансформатора, фильтра и стабилизатора напряжения. Была рассчитана надёжность печатного узла (Tср = 95140 ч.). Рассчитаны размеры печатной платы (Х=100 мм, Y=100 мм) и печатного монтажа. Оптимизация размеров платы достигалась путем оптимального размещения и способа крепления электрорадиоэлементов на ней.

В конструкторской части сформирован конструкторский код обозначения изделия: код изделия - БГПК.467113.049, код пояснительной записки - БГПК.390202.Р35 ДП ПЗ, код электрической структурной схемы - БГПК. 467113.049 ДП Э1, код электрической принципиальной схемы - БГПК. 467113.049 ДП Э3, код перечня элементов - БГПК. 467113.049. ПЭ3, код сборочного чертежа - БГПК. 469135.049 СБ, код спецификации - БГПК. 467113.049, код чертежа печатной платы - БГПК.758714.049. Выбрана и обоснована конструкция изделия, выбраны и обоснованы материалы.

В технологической части сформирован технологический код документа. Расчет технологичности показал, что изделие технологично, так как нормативный показатель Ккрн >1 и составил 1,292. Выбраны и обоснованы способы установки и крепления ЭРЭ и оснастка оборудования, разработан техпроцесс сборки и монтажа изделия, разработаны маршрутные карты.

В экономической части проведен полный экономический расчет изготавливаемого устройства. Цех по производству устройств ИК управления - с месячной программой 650 штук организован на основе поточного метода производства. Отпускная цена единицы изделия - 917,4 тыс.руб.шт. В цеху работает 18 человек, в т.ч. рабочих - 10 человек, ИТР - 8 человек. Среднемесячная оплата труда на одного работающего составляет 0,98 млн. руб. Рентабельность продукции выпускаемой цехом = 9,7 %

В разделе «Ресурсосбережение» были рассмотрены основные понятия ресурсосбережения и показатели использования материальных ресурсов.

В разделе «Охрана труда и окружающей среды» описаны мероприятия по технике безопасности на рабочем месте, а также мероприятия по защите окружающей среды на участке или предприятии радиотехнической (электронной) промышленности.

В разделе «Энергосбережение» были рассмотрены основные понятия в энергосбережении, а также вопросы рационального использования энергоресурсов. В экспериментальной части описана конструкция ПП. Произведено описание конструкции, проверена работоспособность изделия, причём результаты, полученные экспериментально соответствуют требованию технического задания.

Устройство ИК управления полностью удовлетворяет предъявляемым требованиям, а также является простым, надежным, экономичным изделием.

Список использованных источников

[1] Буловский, П.И. Технология и оборудование производства электроизмерительных приборов / П.И. Бусловский. М.,1983.

[2]       Галкин, В.И. Полупроводниковые приборы / В.И. Галкин [и др.]. Мн., 1987.

[3]       Грумбина, А. Б. Электрические машины и источники питания радиоэлектронных устройств / А.Б. Грумбина. М., 1990.

[4]       Гусев, В.П. Технология радиоаппаратостроения / В.П. Гусев. М., 1972.

[5]       Единая система технологической документации: справочное пособие. М.,1992

[6]       Калинка А.А. Экономика предприятия / А.А. Калинка. Мн., 1999

[7]       Ненашев, А.П. Конструирование радиоэлектронных средств / А.П. Ненашев. М.,1990.

[8]       Норенков, И.П. Основы теории и проектирования САПР / И.П. Норенков, В.Б. Маничев. М., 1990.

[9]       Усатенко, С.Т. Выполнение электрических схем по ЕСКД / С.Т. Усатенко [и др.] . М., Стандарты, 1989.

[10]     Фрумкин, Г.Д. Расчет и конструирование радиоаппаратуры / Г.Д. Фрумкин. М., 1989.

[11]   Шамгин, Ю.В. Монтаж радиоэлектронной аппаратуры и приборов / Ю.В. Шамгин, В.М. Алефиренко. М., 1998.

[12] Экономика предприятия. Учебник /Под ред.общ. ред. А.И. Руденко -М., 1995.

[13] Datasheet микроконтроллера ATMega8.

Похожие работы на - Разработка и изготовление устройства инфракрасного управления

 

Не нашли материал для своей работы?
Поможем написать уникальную работу
Без плагиата!
Без нейросетей!