Разработка аналогово-цифровых преобразователей
ОГЛАВЛЕНИЕ
ПЕРЕЧЕНЬ УСЛОВНЫХ ОБОЗНАЧЕНИЙ
ВВЕДЕНИЕ
. АНАЛОГО-ЦИФРОВЫЕ ПРЕОБРАЗОВАТЕЛИ
.1 АЦП ПОСЛЕДОВАТЕЛЬНОГО СЧЕТА
.2 ПАРАЛЛЕЛЬНЫЕ АЦП
.3 АЦП ПОСЛЕДОВАТЕЛЬНОГО ПРИБЛИЖЕНИЯ
.4 МНОГОСТУПЕНЧАТЫЕ АЦП
.5 КОНВЕЙЕРНЫЕ АЦП
.6 ИНТЕГРИРУЮЩИЕ АЦП
.6.1 АЦП МНОГОТАКТНОГО
ИНТЕГРИРОВАНИЯ
.6.2 СИГМА-ДЕЛЬТА АЦП
.7 ОСНОВНЫЕ ХАРАКТЕРИСТИКИ АЦП
. РАЗРАБОТКА МОДЕЛИ АЦП С
СИГМА-ДЕЛЬТА МОДУЛЯТОРОМ
.1 СИГМА-ДЕЛЬТА МОДУЛЯТОР
.2 РАЗРАБОТКА МОДЕЛИ СИГМА-ДЕЛЬТА
АЦП
.3 МОДЕЛИРОВАНИЕ СИГМА-ДЕЛЬТА АЦП
. РАЗРАБОТКА СИГМА-ДЕЛЬТА МОДУЛЯТОРА
.1 ПРОЕКТИРОВАНИЕ ОСНОВНЫХ БЛОКОВ
СИГМА-ДЕЛЬТА МОДУЛЯТОРА НА КМОП-СТРУКТУРАХ
.1.1 ВЫЧИТАТЕЛЬ НАПРЯЖЕНИЙ
.1.2 ИНТЕГРАТОР
.1.3 КОМПАРАТОР
.1.4 ОДНОРАЗРЯДНЫЙ ЦАП
.1.5 D-ТРИГГЕР
.2 МОДЕЛИРОВАНИЕ СИГМА-ДЕЛЬТА
МОДУЛЯТОРА НА КМОП-СТРУКТУРАХ В СОСТАВЕ АЦП
ЗАКЛЮЧЕНИЕ
СПИСОК ИСПОЛЬЗОВАННОЙ ЛИТЕРАТУРЫ
ПРИЛОЖЕНИЕ ЗАДАНИЕ НА ВЫПОЛНЕНИЕ
ДИПЛОМНОЙ РАБОТЫ
Перечень условных
обозначений
модулятор преобразователь аналоговый
цифровой
ЦАП - цифро-аналоговый преобразователь
АЦП - аналого-цифровой преобразователь
БИС - большая интегральная схема
fтакт -
частота тактовых импульсов
УВХ - устройство выборки-хранения
РПП - регистр последовательного приближения
СБИС - сверхбольшая интегральная схема
Vref - опорное напряжение
LSB - величина
наименьшего значащего разряда
ВЧ - высокочастотный
НЧ - низкочастотный
ОУ - операционный усилитель
АЧХ - амплитудно-частотная характеристика
ЛАЧХ - логарифмическая амплитудно-частотная
характеристика
ИМС - интегральная микро схема
ВАХ - вольтамперная характеристика
dB - децибел
Gnd - земля
ВВЕДЕНИЕ
В настоящее время аналого-цифровые
и
цифро-аналоговые преобразователи очень широко используются в устройствах
обработки информации. Часто требуется преобразовать
аналоговый сигнал в число, пропорциональное амплитуде сигнала и наоборот. Это
играет важную роль в тех случаях, когда компьютер или процессор регистрируют
или контролируют ход эксперимента или технологического процесса, или всякий
раз, когда цифровая техника используется для выполнения традиционно аналоговой
работы. Аналогово-цифровое преобразование также следует использовать в тех
областях, где для обеспечения помехоустойчивой и шумозащищенной передачи
аналоговая информация преобразуется в промежуточную цифровую форму (например,
«цифровая звукотехника»). Даже в относительно простой электронной аппаратуре
существует масса возможностей для применения аналого-цифрового и
цифро-аналогового преобразования[1].
Современная тенденция развития АЦП
преобразователей - увеличение скорости преобразования и разрешающей способности
обработки сигналов при уменьшении уровня потребляемой мощности и напряжения
питания. В настоящее время перспективным является класс АЦП, использующий
сигма-дельта преобразование, который обладает целым рядом преимуществ:
позволяют значительно увеличить разрядность и снизить требования к отдельным
блокам, поэтому именно
он был выбран в качестве объекта исследований.
Цель данной дипломной работы - анализ принципов
построения аналогово-цифровых преобразователей и разработка сигма-дельта
модулятора на КМОП-структурах для аналогово-цифровых преобразователей.
1. Аналогово-цифровые
преобразователи
Аналогово-цифровой преобразователь - один из
самых важных электронных компонентов в измерительном и тестовом оборудовании.
АЦП преобразует напряжение (аналоговый сигнал) в код, над которым микропроцессор
и программное обеспечение выполняют определенные действия. Даже если Вы
работаете только с цифровыми сигналами, скорее всего Вы используете АЦП в
составе осциллографа, чтобы узнать их аналоговые характеристики.
Существует несколько основных типов архитектуры
АЦП, хотя в пределах каждого типа существует также множество вариаций.
Различные типы измерительного оборудования используют различные типы АЦП.
Например, в цифровом осциллографе используется высокая частота дискретизации,
но не требуется высокое разрешение. В цифровых мультиметрах нужно большее
разрешение, но можно пожертвовать скоростью измерения. Системы сбора данных
общего назначения по скорости дискретизации и разрешающей способности обычно
занимают место между осциллографами и цифровыми мультиметрами. В оборудовании
такого типа используются АЦП последовательного приближения либо сигма-дельта
АЦП. Существуют также параллельные АЦП для приложений, требующих скоростной
обработки аналоговых сигналов, и интегрирующие АЦП с высокими разрешением и помехоподавлением[1].
На рис. 1.1. показаны возможности основных
архитектур АЦП в зависимости от разрешения и частоты дискретизации. Однако
остановимся более подробно на типах АЦП.
Рис. 1.1 Типы АЦП - разрешение в зависимости от
частоты дискретизации
1.1 АЦП
последовательного счета
Этот преобразователь является типичным примером
последовательных АЦП с единичными приближениями и состоит из компаратора,
счетчика и ЦАП (рис. 1.2.). На один вход компаратора поступает входной сигнал,
а на другой - сигнал обратной связи с ЦАП.
Рис. 1.2 Структурная схема АЦП последовательного
счета
Работа преобразователя начинается с прихода
импульса запуска, который включает счетчик, суммирующий число импульсов,
поступающих от генератора тактовых импульсов ГТИ. Выходной код счетчика
подается на ЦАП, осуществляющий его преобразование в напряжение обратной связи
Uос. Процесс преобразования продолжается до тех пор, пока напряжение
обратной связи сравняется со входным напряжением и переключится компаратор,
который своим выходным сигналом прекратит поступление тактовых импульсов на
счетчик. Переход выхода компаратора из 1 в 0 означает завершение процесса
преобразования. Выходной код, пропорциональный входному напряжению в момент
окончания преобразования, считывается с выхода счетчика.
Время преобразования АЦП этого типа является
переменным и определяется входным напряжением. Его максимальное значение
соответствует максимальному входному напряжению и при разрядности двоичного
счетчика N и частоте тактовых импульсов fтакт равно
tпр.макс=(2N-1)/
fтакт
Например, при N=10 и fтакт=1 МГц tпр.макс=1024
мкс, что обеспечивает максимальную частоту выборок порядка 1 кГц.
Статическая погрешность преобразования
определяется суммарной статической погрешностью используемых ЦАП и компаратора.
Частоту счетных импульсов необходимо выбирать с учетом завершения переходных
процессов в них.
При работе без устройства выборки-хранения
апертурное время совпадает с временем преобразования. Как следствие, результат
преобразования чрезвычайно сильно зависит от пульсаций входного напряжения. При
наличии высокочастотных пульсаций среднее значение выходного кода нелинейно
зависит от среднего значения входного напряжения. Это означает, что АЦП данного
типа без устройства выборки-хранения пригодны для работы с постоянными или
медленно изменяющимися напряжениями, которые за время преобразования изменяются
не более, чем на значение кванта преобразования.
Таким образом, особенностью АЦП
последовательного счета является небольшая частота дискретизации, достигающая
нескольких килогерц. Достоинством АЦП данного класса является сравнительная
простота построения, определяемая последовательным характером выполнения
процесса преобразования.
1.2 Параллельные АЦП
АЦП этого типа осуществляют квантование сигнала
одновременно с помощью набора компараторов, включенных параллельно источнику
входного сигнала. На рис. 1.3. показана реализация параллельного метода
АЦ-преобразования для 3-разрядного числа.
Рис. 1.3 Схема параллельного АЦП
С помощью трех двоичных разрядов можно
представить восемь различных чисел, включая нуль. Необходимо, следовательно,
семь компараторов. Семь соответствующих эквидистантных опорных напряжений
образуются с помощью резистивного делителя.
Так как результаты АЦ-преобразования
записываются, как правило, в запоминающее устройство, существует вероятность
получить полностью неверную величину. Решить эту проблему можно, например, с
помощью устройства выборки-хранения (УВХ). Некоторые ИМС параллельных АЦП,
например МАХ100, снабжаются сверхскоростными УВХ, имеющими время выборки
порядка 0,1 нс. Другой путь состоит в использовании кода Грея, характерной
особенностью которого является изменение только одной кодовой позиции при переходе
от одного кодового значения к другому. Наконец, в некоторых АЦП (например,
МАХ1151) для снижения вероятности сбоев при параллельном АЦ-преобразовании
используется двухтактный цикл, когда сначала состояния выходов компараторов
фиксируются, а затем, после установления состояния приоритетного шифратора,
подачей активного фронта на синхровход выходного регистра в него записывают
выходное слово АЦП.
Благодаря одновременной работе компараторов
параллельный АЦП является самым быстрым. Например, восьмиразрядный
преобразователь типа МАХ104 позволяет получить 1 млрд отсчетов в секунду при
времени задержки прохождения сигнала не более 1,2 нс. Недостатком этой схемы
является высокая сложность. Действительно, N-разрядный параллельный АЦП сдержит
2N-1 компараторов и 2N согласованных резисторов. Следствием этого является
высокая стоимость (сотни долларов США) и значительная потребляемая мощность.
Тот же МАХ104, например, потребляет около 4 Вт.
1.3 АЦП
последовательного приближения
Преобразователь этого типа, называемый в
литературе также АЦП с поразрядным уравновешиванием, является наиболее
распространенным вариантом последовательных АЦП.
В основе работы этого класса преобразователей
лежит принцип дихотомии, т.е. последовательного сравнения измеряемой величины с
1/2, 1/4, 1/8 и т.д. от возможного максимального значения ее. Это позволяет для
N-разрядного АЦП последовательного приближения выполнить весь процесс
преобразования за N последовательных шагов (итераций) вместо 2N-1 при
использовании последовательного счета и получить существенный выигрыш в
быстродействии. Так, уже при N=10 этот выигрыш достигает 100 раз и позволяет
получить с помощью таких АЦП до 105...106 преобразований в секунду. В то же
время статическая погрешность этого типа преобразователей, определяемая в
основном используемым в нем ЦАП, может быть очень малой, что позволяет
реализовать разрешающую способность до 18 двоичных разрядов при частоте выборок
до 200 кГц (например, DSP101 фирмы Burr-Brown).
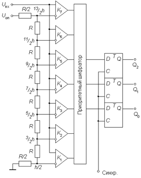
Рис. 1.4 Структурная схема АЦП последовательного
приближения
Рассмотрим принципы построения и работы АЦП
последовательного приближения на примере классической структуры (рис. 1.4)
4-разрядного преобразователя, состоящего из трех основных узлов: компаратора,
РПП и ЦАП.
Рис. 1.5 Временная диаграмма АЦП
последовательного приближения
После подачи команды "Пуск" с приходом
первого тактового импульса РПП принудительно задает на вход ЦАП код, равный
половине его шкалы (для 4-разрядного ЦАП это 10002=810).
Благодаря этому напряжение Uос на выходе ЦАП (рис. 1.5)
Uос=23h.
где h - квант выходного напряжения ЦАП,
соответствующий единице младшего разряда (ЕМР). Эта величина составляет
половину возможного диапазона преобразуемых сигналов. Если входное напряжение
больше, чем эта величина, то на выходе компаратора устанавливается 1, если
меньше, то 0. В этом последнем случае схема управления должна переключить
старший разряд d3 обратно в состояние нуля. Непосредственно вслед за
этим остаток
Uвх - d3
23
h
таким же образом сравнивается с ближайшим
младшим разрядом и т.д. После четырех подобных выравнивающих шагов в регистре
последовательного приближения оказывается двоичное число, из которого после
цифро-аналогового преобразования получается напряжение, соответствующее Uвх
с точностью до 1 ЕМР. Выходное число может быть считано с РПП в виде
параллельного двоичного кода по N линиям. Кроме того, в процессе преобразования
на выходе компаратора, как это видно из рис. 1.5., формируется выходное число в
виде последовательного кода старшими разрядами вперед.
Быстродействие АЦП данного типа определяется
суммой времени установления tуст ЦАП до установившегося значения с
погрешностью, не превышающей 0,5 ЕМР, времени переключения компаратора tк
и задержки распространения сигнала в регистре последовательного приближения tз.
Сумма tк + tз является величиной постоянной, а tуст
уменьшается с уменьшением веса разряда. Следовательно для определения младших
разрядов может быть использована более высокая тактовая частота. При
поразрядной вариации fтакт возможно уменьшение времени
преобразования tпр на 40%. Для этого в состав АЦП может быть включен
микроконтроллер.
При работе без устройства выборки-хранения
апертурное время равно времени между началом и фактическим окончанием
преобразования, которое так же, как и у АЦП последовательного счета, по сути
зависит от входного сигнала, т.е. является переменным. Возникающие при этом
апертурные погрешности носят также нелинейный характер. Поэтому для
эффективного использования АЦП последовательного приближения, между его входом
и источником преобразуемого сигнала следует включать УВХ. Большинство
выпускаемых в настоящее время ИМС АЦП последовательного приближения (например,
12-разрядный МАХ191, 16-разрядный AD7882 и др.), имеет встроенные устройства
выборки-хранения или, чаще, устройства слежения-хранения (track-hold),
управляемые сигналом запуска АЦП. Устройство слежения-хранения отличается тем,
что постоянно находится в режиме выборки, переходя в режим хранения только на
время преобразования сигнала.
Данный класс АЦП занимает промежуточное
положение по быстродействию, стоимости и разрешающей способности между
последовательно-параллельными и интегрирующими АЦП и находит широкое применение
в системах управления, контроля и цифровой обработки сигналов.
1.4 Многоступенчатые
АЦП
В многоступенчатом АЦП процесс преобразования
входного сигнала разделен в пространстве. В качестве примера на рис. 1.6.
представлена схема двухступенчатого 8-разрядного АЦП.
Рис. 1.6 Структурная схема двухступенчатого АЦП
Верхний по схеме АЦП осуществляет грубое
преобразование сигнала в четыре старших разряда выходного кода. Цифровые
сигналы с выхода АЦП поступают на выходной регистр и одновременно на вход
4-разрядного быстродействующего ЦАП. Во многих ИМС многоступенчатых АЦП
(AD9042, AD9070 и др.) этот ЦАП выполнен по схеме суммирования токов на
дифференциальных переключателях, но некоторые (AD775, AD9040A и др.) содержат
ЦАП с суммированием напряжений. Остаток от вычитания выходного напряжения ЦАП
из входного напряжения схемы поступает на вход АЦП2, опорное напряжение
которого в 16 раз меньше, чем у АЦП1. Как следствие, квант АЦП2 в 16 раз меньше
кванта АЦП1. Этот остаток, преобразованный АЦП2 в цифровую форму представляет
собой четыре младших разряда выходного кода. Различие между АЦП1 и АЦП2
заключается прежде всего в требовании к точности: у АЦП1 точность должна быть
такой же как у 8-разрядного преобразователя, в то время как АЦП2 может иметь
точность 4-разрядного.
Грубо приближенная и точная величины должны,
естественно, соответствовать одному и тому же входному напряжению Uвх(tj).
Из-за наличия задержки сигнала в первой ступени возникает, однако, временное
запаздывание. Поэтому при использовании этого способа входное напряжение
необходимо поддерживать постоянным с помощью УВХ до тех пор, пока не будет
получено все число.
1.5 Конвейерные
АЦП
Быстродействие многоступенчатого АЦП можно
повысить, применив конвейерный принцип многоступенчатой обработки входного
сигнала. В обыкновенном многоступенчатом АЦП (рис. 1.6.) вначале происходит
формирование старших разрядов выходного слова преобразователем АЦП1, а затем
идет период установления выходного сигнала ЦАП. На этом интервале АЦП2 простаивает.
На втором этапе во время преобразования остатка преобразователем АЦП2
простаивает АЦП1. Введя элементы задержки аналогового и цифрового сигналов
между ступенями преобразователя, получим конвейерный АЦП, схема 8-разрядного
варианта которого приведена на рис. 1.7.
Рис. 1.7 Структурная схема конвейерного АЦП
Роль аналогового элемента задержки выполняет
устройство выборки-хранения УВХ2, а цифрового - четыре D-триггера. Триггеры
задерживают передачу старшего полубайта в выходной регистр на один период
тактового сигнала CLK.
Рис. 1.8 Диаграмма работы конвейерного АЦП
Сигналы выборки, формируемые из тактового
сигнала, поступают на УВХ1 и УВХ2 в разные моменты времени (рис. 1.8.). УВХ2
переводится в режим хранения позже, чем УВХ1 на время, равное суммарной
задержке распространения сигнала по АЦП1 и ЦАП. Задний фронт тактового сигнала
управляет записью кодов в D-триггеры и выходной регистр. Полная обработка
входного сигнала занимает около двух периодов CLK, но частота появления новых
значений выходного кода равна частоте тактового сигнала.
Таким образом, конвейерная архитектура позволяет
существенно (в несколько раз) повысить максимальную частоту выборок
многоступенчатого АЦП. То, что при этом сохраняется суммарная задержка
прохождения сигнала, соответствующая обычному многоступенчатому АЦП с равным
числом ступеней, не имеет существенного значения, так как время последующей
цифровой обработки этих сигналов все равно многократно превосходит эту
задержку. За счет этого можно без проигрыша в быстродействии увеличить число
ступеней АЦП, понизив разрядность каждой ступени. В свою очередь, увеличение
числа ступеней преобразования уменьшает сложность АЦП. Действительно, например,
для построения 12-разрядного АЦП из четырех 3-разрядных необходимо 28 компараторов,
тогда как его реализация из двух 6-разрядных потребует 126 компараторов.
Конвейерную архитектуру имеет большое количество
выпускаемых в настоящее время многоступенчатых АЦП. В частности, 2-ступенчатый
10-разрядный AD9040А, выполняющий до 40 млн. преобразований в секунду (МПс),
4-ступенчатый 12-разрядный AD9220 (10 МПс), потребляющий всего 250 мВт, и др.
При выборе конвейерного АЦП следует иметь в виду, что многие из них не
допускают работу с низкой частотой выборок. Например, изготовитель не рекомендует
работу ИМС AD9040А с частотой преобразований менее 10 МПс, 3-ступенчатого
12-разрядного AD9022 с частотой менее 2 МПс и т.д. Это вызвано тем, что
внутренние УВХ имеют довольно высокую скорость разряда конденсаторов хранения,
поэтому работа с большим тактовым периодом приводит к значительному изменению
преобразуемого сигнала в ходе преобразования.
1.6 Интегрирующие АЦП
.6.1 АЦП многотактного
интегрирования
Упрощенная схема АЦП, работающего в два основных
такта (АЦП двухтактного интегрирования), приведена на рис. 1.9.
Рис. 1.9 Упрощенная схема АЦП двухтактного
интегрирования
Преобразование проходит две стадии: стадию
интегрирования и стадию счета.
Однако, не будем подробно рассматривать этот тип
АЦП. Лишь отметим, что можно различить две главные группы интегральных АЦП:
· схемы с параллельным или
последовательным выходом для сопряжения с микропроцессорами (например, ICL7109,
выходное слово которого включает 12 бит плюс знак в параллельном 14-ти или 8-ми
разрядном коде, или 18-разрядный плюс знак МАХ132 с последовательным
интерфейсом);
· схемы с двоично-десятичными
счетчиками с дешифраторами для управления семисегментными индикаторами, в том
числе мультиплексированными. Такие АЦП применяются в качестве основы для
цифровых вольтметров. Примерами могут служить ICL7106 (отечественный аналог -
572ПВ5) с диапазоном +/-2000 отсчетов или ICL7135 (отечественный аналог -
572ПВ6) с диапазоном +/-40000 отсчетов.
АЦП многотактного интегрирования имеют ряд
недостатков. Во-первых, нелинейность переходной статической характеристики
операционного усилителя, на котором выполняют интегратор, заметным образом
сказывается на интегральной нелинейности характеристики преобразования АЦП
высокого разрешения. Для уменьшения влияния этого фактора АЦП изготавливают
многотактными. Например, 13-разрядный AD7550 выполняет преобразование в четыре
такта. Другим недостатком этих АЦП является то обстоятельство, что
интегрирование входного сигнала занимает в цикле преобразования только
приблизительно третью часть. Две трети цикла преобразователь не принимает
входной сигнал. Это ухудшает помехоподавляющие свойства интегрирующего АЦП.
В-третьих, АЦП многотактного интегрирования должен быть снабжен довольно
большим количеством внешних резисторов и конденсаторов с высококачественным
диэлектриком, что значительно увеличивает место, занимаемое преобразователем на
плате и, как следствие, усиливает влияние помех.
1.6.2 Сигма-дельта АЦП
Недостатки АЦП многотактного интегрирования во
многом устранены в конструкции сигма-дельта АЦП (в ранней литературе эти
преобразователи назывались АЦП с уравновешиванием или балансом зарядов). Своим
названием эти преобразователи обязаны наличием в них двух блоков: сумматора
(обозначение операции - S) и интегратора (обозначение операции - D). Один из
принципов, заложенных в такого рода преобразователях, позволяющий уменьшить
погрешность, вносимую шумами, а следовательно увеличить разрешающую способность
- это усреднение результатов измерения на большом интервале времени.
Рис. 1.10 Блок-схема сигма-дельта модулятора
Основные узлы АЦП - это сигма-дельта модулятор и
цифровой фильтр. Блок-схема n-разрядного сигма-дельта модулятора первого
порядка приведена на рис. 1.10. Работа этой схемы основана на вычитании из
входного сигнала Uвх(t) величины сигнала на выходе ЦАП,
полученной на предыдущем такте работы схемы. Полученная разность интегрируется,
а затем преобразуется в код параллельным АЦП невысокой разрядности.
Последовательность кодов поступает на цифровой фильтр нижних частот.
Порядок модулятора определяется численностью
интеграторов и сумматоров в его схеме. Сигма-дельта модуляторы N-го порядка
содержат N сумматоров и N интеграторов и обеспечивают большее соотношение
сигнал/шум при той же частоте отсчетов, чем модуляторы первого порядка.
Примерами сигма-дельта модуляторов высокого порядка являются одноканальный
AD7720 седьмого порядка и двухканальный ADMOD79 пятого порядка.
Рис. 1.11 Структурная схема сигма-дельта АЦП
Наиболее широко в составе ИМС используются
однобитные сигма-дельта модуляторы, в которых в качестве АЦП используется
компаратор, а в качестве ЦАП - аналоговый коммутатор (рис. 1.11). Принцип
действия пояснен в табл. 1. на примере преобразования входного сигнала, равного
0,6 В, при Uоп=1 В. Пусть постоянная времени интегрирования
интегратора численно равна периоду тактовых импульсов. В нулевом периоде
выходное напряжение интегратора сбрасывается в нуль. На выходе ЦАП также
устанавливается нулевое напряжение. Затем схема проходит через показанную в
табл. 1. последовательность состояний.
Таблица 1
Принцип работы сигма-дельта АЦП
|
Uвх=0,6
В
|
Uвх=0
В
|
|
N
такта
|
US,
В
|
Uи,
В
|
Uк,
бит
|
UЦАП,
В
|
N
такта
|
US,
В
|
Uи,
В
|
Uк,
бит
|
UЦАП,
В
|
|
1
|
0,6
|
0,6
|
1
|
1
|
1
|
1
|
1
|
1
|
1
|
|
2
|
-0,4
|
0,2
|
1
|
1
|
2
|
-1
|
0
|
0
|
-1
|
|
3
|
-0,4
|
-0,2
|
0
|
-1
|
3
|
1
|
1
|
1
|
1
|
|
4
|
1,6
|
1,4
|
1
|
1
|
4
|
-1
|
0
|
0
|
-1
|
|
5
|
-0,4
|
1,0
|
1
|
1
|
5
|
1
|
1
|
1
|
1
|
|
6
|
-0,4
|
0,6
|
1
|
1
|
6
|
-1
|
0
|
0
|
-1
|
|
7
|
-0,4
|
0,2
|
1
|
1
|
7
|
1
|
1
|
1
|
1
|
|
8
|
-0,4
|
-0,2
|
0
|
-1
|
8
|
-1
|
0
|
0
|
-1
|
|
9
|
1,6
|
1,4
|
1
|
1
|
9
|
1
|
1
|
1
|
1
|
|
10
|
-0,4
|
1,0
|
1
|
1
|
10
|
-1
|
0
|
0
|
-1
|
|
11
|
-0,4
|
0,6
|
1
|
1
|
11
|
1
|
1
|
1
|
1
|
|
12
|
-0,4
|
0,2
|
1
|
1
|
12
|
-1
|
0
|
0
|
-1
|
|
13
|
-0,4
|
-0,2
|
0
|
-1
|
13
|
1
|
1
|
1
|
1
|
|
14
|
1,6
|
1,4
|
1
|
1
|
14
|
-1
|
0
|
0
|
-1
|
|
15
|
-0,4
|
1,0
|
1
|
1
|
15
|
1
|
1
|
1
|
1
|
|
16
|
-0,4
|
0,6
|
1
|
1
|
16
|
-1
|
0
|
0
|
-1
|
В тактовые периоды 2 и 7 состояния системы
идентичны, так как при неизменном входном сигнале Uвх=0,6 В цикл
работы занимает пять тактовых периодов. Усреднение выходного сигнала ЦАП за
цикл действительно дает величину напряжения 0,6 В:
1-1+1+1+1)/5=0,6.
Для формирования выходного кода такого
преобразователя необходимо каким-либо образом преобразовать последовательность
бит на выходе компаратора в виде унитарного кода в последовательный или
параллельный двоичный позиционный код. В простейшем случае это можно сделать с
помощью двоичного счетчика. Возьмем в нашем примере 4-разрядный счетчик.
Подсчет бит на выходе компаратора за 16-титактный цикл дает число 13. Несложно
увидеть, что при Uвх=1 В на выходе компаратора всегда будет единица,
что дает за цикл число 16, т.е. переполнение счетчика. Напротив, при Uвх=-1
В на выходе компаратора всегда будет нуль, что дает равное нулю содержимое
счетчика в конце цикла. В случае, если Uвх=0 то, как это видно из
табл. 2, результат счета за цикл составит 810 или 10002.
Это значит, что выходное число АЦП представляется в смещенном коде. В
рассмотренном примере верхняя граница полной шкалы составит 11112
или +710, а нижняя - 00002 или -810. При Uвх=0,6
В, как это видно из левой половины табл. 1, содержимое счетчика составит 1310
в смещенном коде, что соответствует +5. Учитывая, что +8 соответствует Uвх=1
В, найдем
·1/8=0,625> 0,6 В.
При использовании двоичного счетчика в качестве
преобразователя потока битов, поступающих с выхода компаратора, необходимо выделять
фиксированный цикл преобразования, длительность которого равна произведению Kсч
fтакт. После его окончания должно производиться считывание
результата, например, с помощью регистра-защелки и обнуление счетчика. В этом
случае с точки зрения помехоподавляющих свойств сигма-дельта АЦП близки к АЦП
многотактного интегрирования. Более эффективно с этой точки зрения применение в
сигма-дельта АЦП цифровых фильтров с конечной длительностью переходных
процессов.
С ростом числа каскадов
интегрирования и суммирования в ΣΔ-модуляторе
достигается лучший эффект при формировании кривой распределения шума
квантования и лучшее эффективное число разрядов при фиксированном коэффициенте
избыточной дискретизации. Блок-схема сигма-дельта АЦП
второго порядка представлена на рис. 1.12.
Рис. 1.12 Блок-схема сигма-дельта модулятора
второго порядка
Повышенная разрешающая способность
может быть достигнута за счет увеличения коэффициента избыточной дискретизации
и/или за счет использования модулятора более высокого порядка.
В сигма-дельта АЦП обычно применяются цифровые
фильтры с амплитудно-частотной характеристикой (АЧХ) вида (sinx/x)3.
Передаточная функция такого фильтра в z-области определяется выражением
где М - целое число, которое
задается программно и равно отношению тактовой частоты модулятора к частоте
отсчетов фильтра. (Частота отсчетов - это частота, с которой обновляются
данные). Например, для АЦП AD7714 это число может принимать значения от 19 до
4000. В частотной области модуль передаточной функции фильтра
(*)
На рис. 1.13. приведен график
амплитудно-частотной характеристики цифрового фильтра, построенной согласно
выражению (*) при fтакт=38,4 кГц и М=192, что дает значение частоты
отсчетов, совпадающей с первой частотой режекции фильтра АЦП, fотсч=50
Гц. Сравнение этой АЧХ с АЧХ коэффициента подавления помех АЦП с двухкратным
интегрированием показывает значительно лучшие помехоподавляющие свойства
сигма-дельта АЦП.
В то же время применение цифрового
фильтра нижних частот в составе сигма-дельта АЦП вместо счетчика вызывает
переходные процессы при изменении входного напряжения. Время установления
цифровых фильтров с конечной длительностью переходных процессов, как следует из
их названия, конечно и составляет для фильтра вида (sinx/x)3 четыре
периода частоты отсчетов, а при начальном обнулении фильтра - три периода. Это
снижает быстродействие систем сбора данных на основе сигма-дельта АЦП. Поэтому
выпускаются ИМС AD7730 и AD7731, оснащенные сложным цифровым фильтром,
обеспечивающие переключение каналов со временем установления 1 мс при
сохранении эффективной разрядности не ниже 13 бит (так называемый Fast-Step
режим). Обычно цифровой фильтр изготавливается на том же кристалле, что и
модулятор, но иногда они выпускаются в виде двух отдельных ИМС (например,
AD1555 - модулятор четвертого порядка и AD1556 - цифровой фильтр).
Рис. 1.13 АЧХ цифрового фильтра сигма-дельта АЦП
Сравнение сигма-дельта АЦП с АЦП многотактного
интегрирования показывает значительные преимущества первых. Прежде всего,
линейность характеристики преобразования сигма-дельта АЦП выше, чем у АЦП
многотактного интегрирования равной стоимости. Это объясняется тем, что
интегратор сигма-дельта АЦП работает в значительно более узком динамическом
диапазоне, и нелинейность переходной характеристики усилителя, на котором
построен интегратор, сказывается значительно меньше. Емкость конденсатора
интегратора у сигма-дельта АЦП значительно меньше (десятки пикофарад), так что
этот конденсатор может быть изготовлен прямо на кристалле ИМС. Как следствие,
сигма-дельта АЦП практически не имеет внешних элементов, что существенно
сокращает площадь, занимаемую им на плате, и снижает уровень шумов. В
результате, например, 24-разрядный сигма-дельта АЦП AD7714 изготавливается в
виде однокристалльной ИМС в 24-выводном корпусе, потребляет 3 мВт мощности и
стоит примерно 14 долларов США, а 18-разрядный АЦП восьмитактного
интегрирования HI-7159 потребляет 75 мВт и стоит около 30 долларов. К тому же
сигма-дельта АЦП начинает давать правильный результат через 3-4 отсчета после
скачкообразного изменения входного сигнала, что при величине первой частоты
режекции, равной 50 Гц, и 20-разрядном разрешении составляет 60-80 мс, а
минимальное время преобразования АЦП HI-7159 для 18-разрядного разрешения и той
же частоты режекции составляет 140 мс. В настоящее время ряд ведущих по
аналого-цифровым ИМС фирм, такие как Analog Devices и Burr-Brown, прекратили
производство АЦП многотактного интегрирования, полностью перейдя в области
АЦ-преобразования высокого разрешения на сигма-дельта АЦП.
Сигма-дельта АЦП высокого разрешения имеют
развитую цифровую часть, включающую микроконтроллер. Это позволяет реализовать
режимы автоматической установки нуля и самокалибровки полной шкалы, хранить
калибровочные коэффициенты и передавать их по запросу внешнего процессора[2].
1.7 Основные
характеристики АЦП
Существуют общие определения, которые принято
использовать в отношении аналого-цифровых преобразователей. Правильный выбор
оптимального по сочетанию своих характеристик АЦП для конкретного приложения
требует точной интерпретации данных, приводимых в технической документации.
Наиболее важным параметром является разрешающая
способность. Для АЦП разрешение представляет собой меру того, на какое
количество сегментов может быть поделен входной диапазон измеряемого
аналогового сигнала (например, для 8-разрядного АЦП это 28=256 сегментов).
Также еще важным параметром является точность, она характеризует суммарное
отклонение результата преобразования от своего идеального значения для данного
входного напряжения. То есть, разрешающая способность характеризует
потенциальные возможности АЦП, а совокупность точностных параметров определяет
реализуемость такой потенциальной возможности.
АЦП преобразует входной аналоговый сигнал в
выходной цифровой код. Для реальных преобразователей, изготавливаемых в виде
интегральных микросхем, процесс преобразования не является идеальным: на него
оказывают влияние как технологический разброс параметров при производстве, так
и различные внешние помехи. Поэтому цифровой код на выходе АЦП определяется с
погрешностью. В спецификации на АЦП указываются погрешности, которые дает сам
преобразователь. Их обычно делят на статические и динамические. При этом именно
конечное приложение определяет, какие характеристики АЦП будут считаться
определяющими, самыми важными в каждом конкретном случае.
Статическая погрешность.
В большинстве применений АЦП используют для измерения медленно изменяющегося,
низкочастотного сигнала (например, от датчика температуры, давления, от
тензодатчика и т.п.), когда входное напряжение пропорционально относительно
постоянной физической величине. Здесь основную роль играет статическая
погрешность измерения. В спецификации АЦП этот тип погрешности определяют
аддитивная погрешность (Offset), мультипликативная погрешность (Full-Scale),
дифференциальная нелинейность (DNL), интегральная нелинейность (INL) и
погрешность квантования. Эти пять характеристик позволяют полностью описать
статическую погрешность АЦП.
Идеальная передаточная
характеристика АЦП. Передаточная характеристика АЦП -
это функция зависимости кода на выходе АЦП от напряжения на его входе. Такой
график представляет собой кусочно-линейную функцию из 2N "ступеней",
где N - разрядность АЦП. Каждый горизонтальный отрезок этой функции
соответствует одному из значений выходного кода АЦП (см. рис. 1.14.). Если
соединить линиями начала этих горизонтальных отрезков (на границах перехода от
одного значения кода к другому), то идеальная передаточная характеристика будет
представлять собой прямую линию, проходящую через начало координат.
Рис. 1.14 Идеальная передаточная характеристика
3-х разрядного АЦП
Рис. 1.14. иллюстрирует идеальную передаточную
характеристику для 3-х разрядного АЦП с контрольными точками на границах
перехода кода. Выходной код принимает наименьшее значение (000b) при значении
входного сигнала от 0 до 1/8 полной шкалы (максимального значения кода этого
АЦП). Также следует отметить, что АЦП достигнет значения кода полной шкалы
(111b) при 7/8 полной шкалы, а не при значении полной шкалы. Т.о. переход в
максимальное значение на выходе происходит не при напряжении полной шкалы, а
при значении, меньшем на наименьший значащий разряд (LSB), чем входное
напряжение полной шкалы. Передаточная характеристика может быть реализована со
смещением -1/2 LSB. Это достигается смещением передаточной характеристики
влево, что смещает погрешность квантования из диапазона -1... 0 LSB в диапазон
-1/2... +1/2 LSB.
Рис. 1.15 Передаточная характеристика 3-х
разрядного АЦП со смещением на -1/2 LSB
Из-за технологического разброса параметров при
изготовлении интегральных микросхем реальные АЦП не имеют идеальной
передаточной характеристики. Отклонения от идеальной передаточной
характеристики определяют статическую погрешность АЦП и приводятся в
технической документации.
Аддитивная погрешность.
Идеальная передаточная характеристика АЦП пересекает начало координат, а первый
переход кода происходит при достижении значения 1 LSB. Аддитивная погрешность
(погрешность смещения) может быть определена как смещение всей передаточной
характеристики влево или вправо относительно оси входного напряжения, как показано
на рис. 1.16. Таким образом, в определение аддитивной погрешности АЦП намеренно
включено смещение 1/2 LSB.

Рис. 1.16 Аддитивная погрешность (Offset Error)
Мультипликативная погрешность
(погрешность полной шкалы) представляет собой разность между идеальной и
реальной передаточными характеристиками в точке максимального выходного
значения при условии нулевой аддитивной погрешности (смещение отсутствует). Это
проявляется как изменение наклона передаточной функции, что иллюстрирует рис.
1.17.
Рис. 1.17 Мультипликативная погрешность
(Full-Scale Error)
Дифференциальная нелинейность.
У идеальной передаточной характеристики АЦП ширина каждой "ступеньки"
должна быть одинакова. Разница в длине горизонтальных отрезков этой
кусочно-линейной функции из 2N "ступеней" представляет собой
дифференциальную нелинейность.
Величина наименьшего значащего разряда у АЦП
составляет Vref/2N, N - разрешение АЦП. Разность напряжений между каждым
кодовым переходом должна быть равна величине LSB. Отклонение этой разности от
LSB определяются как дифференциальная нелинейность. На рисунке это показано как
неравные промежутки между "шагами" кода или как
"размытость" границ переходов на передаточной характеристике АЦП.
Интегральная нелинейность
- это погрешность, которая вызывается отклонением линейной функции передаточной
характеристики АЦП от прямой линии, как показано на рис. 1.18. Обычно передаточная
функция с интегральной нелинейностью аппроксимируется прямой линией по методу
наименьших квадратов. Часто аппроксимирующей прямой просто соединяют наименьшее
и наибольшее значения. Интегральную нелинейность определяют путем сравнения
напряжений, при которых происходят кодовые переходы. Для идеального АЦП эти
переходы будут происходить при значениях входного напряжения, точно кратных
LSB. А для реального преобразователя такое условие может выполняться с
погрешностью. Разность между "идеальными" уровнями напряжения, при
которых происходит кодовый переход, и их реальными значениями выражается в
единицах LSB и называется интегральной нелинейностью.
Рис. 1.18 Интегральная нелинейность (INL)
Погрешность квантования.
Одна из наиболее существенных составляющих ошибки при измерениях с помощью АЦП
- погрешность квантования - является результатом самого процесса
преобразования. Погрешность квантования - это погрешность, вызванная значением
шага квантования и определяемая как 1/2 величины наименьшего значащего разряда
(LSB). Она не может быть исключена в аналого-цифровых преобразованиях, так как
является неотъемлемой частью процесса преобразования, определяется разрешающей
способностью АЦП и не меняется от АЦП к АЦП с равным разрешением.
Динамические характеристики
АЦП обычно определяют с помощью спектрального анализа, по результатам выполнения
быстрого преобразования Фурье над массивом выходных значений АЦП,
соответствующих некоторому тестовому входному сигналу.
На рис. 1.19. представлен пример частотного
спектра измеряемого сигнала. Нулевая гармоника соответствует основной частоте
входного сигнала. Все остальное представляет собой шум, который содержит
гармонические искажения, тепловой шум, шум 1/f
и шум квантования. Некоторые составляющие шума генерируются самим АЦП,
некоторые могут поступать на вход АЦП из внешних цепей. Гармонические искажения,
например, могут содержаться в измеряемом сигнале и одновременно генерироваться
АЦП в процессе преобразования.
Рис. 1.19 Результат выполнения быстрого
преобразования Фурье над выходными данными АЦП
Отношение "сигнал/шум"
- это отношение среднеквадратического значения величины входного сигнала к
среднеквадратическому значению величины шума (за исключением гармонических
искажений), выраженное в децибелах:
Это значение позволяет определить
долю шума в измеряемом сигнале по отношению к полезному сигналу.
Рис. 1.20 Отношение "сигнал/шум"
Шум, измеряемый при расчете, не включает
гармонические искажения, но включает шум квантования. Для АЦП с определенным
разрешением именно шум квантования ограничивает возможности преобразователя
теоретически лучшим значением отношения сигнал/шум, которое определяется как:
Спектр шума квантования АЦП
стандартных архитектур имеет равномерное распределение по частоте. Поэтому
величина этого шума не может быть уменьшена путем увеличения времени
преобразования и последующего усреднения результатов. Шум квантования может
быть снижен только путем проведения измерений с помощью АЦП большей
разрядности.
Особенность сигма-дельта АЦП состоит
в том, что спектр шума квантования у него распределен по частоте неравномерно -
он смещен в сторону высоких частот. Поэтому, увеличивая время измерения (и,
соответственно, количество выборок измеряемого сигнала), накапливая и затем
усредняя полученную выборку (фильтр нижних частот), можно получить результат
измерений с более высокой точностью. Естественно, что при этом общее время
преобразования будет возрастать.
Изучив и проанализировав типы АЦП, а
также их характеристики, выбрал сигма-дельта АЦП в качестве объекта
исследований. Данный АЦП обладает рядом преимуществ: не предъявляет жестких
требований к отдельным блокам, имеет достаточно высокую разрешающую способность
при достаточно высокой скорости обработки сигнала. В силу того, что цифровые
фильтры и дециматор, обычно используемые в сигма-дельта АЦП, сложны для
понимания и также сложно реализуются, целью работы является разработка
сигма-дельта модулятора.
2. Разработка модели
АЦП с сигма-дельта модулятором
.1 Сигма-дельта
модулятор
Как было описано в главе 1, сигма-дельта
модулятор включает в себя сумматор напряжений, интегратор, компаратор
(одноразрядный АЦП), D-триггер
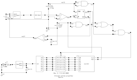
и одноразрядный ЦАП. Модель сигма-дельта модулятора представлена на рис. 2.1.
Принцип его работы сигма-дельта модулятора был рассмотрен в предыдущей главе,
однако, остановимся более детально на работе схемы.
Рис. 2.1 Модель сигма-дельта модулятора
Схема работает по тактам, управляющим записью в
триггер. Каждый такт схемы можно описать следующим образом. Входной сигнал
поступает на сумматор напряжений, который вычитает из этого сигнала сигнал на
выходе ЦАП с предыдущего такта работы схемы, полученный сигнал поступает на
интегратор, где он интегрируется и с помощью компаратора преобразуется в
цифровой код (логический 0 или 1). Далее код сохраняется в двухтактный
D-триггер, на следующем такте преобразованный в аналоговый сигнал (для ‘0’ это
+Vref для ‘1’ это -Vref) этот код будет вычтен из входного сигнала и работа
схемы повторится. В схеме напряжение Vref составляет 1.5В, а соответственно,
напряжение логической единицы было выбрано 3В. В результате мы получим
последовательность импульсов, записываемых в триггер. Для определения кода,
соответствующего входному сигналу, используются цифровой фильтр и дециматор (их
работа описана в главе 1), однако, они очень сложно реализуются и в большинстве
случаев используются микроконтроллеры, поэтому для оцифровки будем использовать
восьмиразрядный счетчик (получим восьмиразрядный код), с помощью которого будем
подсчитывать количество значений ‘1’ на выходе триггера. Через 256 тактов
работы счетчика в нем будет храниться смещенный код входного сигнала, затем
счетчик нужно обнулить и выполнить подсчет заново.
Будем оцифровывать входной сигнал в диапазоне
-Vref - +Vref.
Соответственно, для сигнала -Vref будет соответствовать код “00000000”, а для
+Vref - “11111111”. Разработка сигма-дельта модулятора и АЦП на его основе
производилась в пакете Cadence с использованием библиотеки ahdllib (для
моделирования идеальных устройств), analoglib (для использования элементов
аналоговой схемотехники, а также различных источников тока и напряжений) и
библиотеки PRIMELIB (для
использования n- и p-транзисторов с проектными нормами 0.35мкм).
Схема сигма-дельта модулятора была дополнена до
сигма-дельта АЦП. Выходной сигнал с модулятора подается на восьмиразрядный
счетчик и подсчитывается количество импульсов. Счетчик строился на идеальных
триггерах и не влияет на работу сигма-дельта модулятора, ведь целью работы
является разработка и исследование самого модулятора. Счетчик тактируется
сигналом CLK, а сброс производится сигналом RST. Счетчик строился по методике,
изученной в курсе системотехники. На входы подаются функции, зависящие от
выходов триггеров и сигнала RST. Функции входов описываются выражениями:


Схема счетчика, его работа и символ
продемонстрированы на рис. 2.3., рис 2.4. и рис. 2.5. соответственно. Из рис.
2.4. видно, что при RST='1', счетчик работает в счетном режиме и с приходом
каждого нового такта значение счетчика увеличивается на 1. Сброс производится с
приходом первого такта при RST='0'.
Рис. 2.3 Восьмиразрядный счетчик
Рис. 2.5 Моделирование счетчика
Рис. 2.6 Символ восьмиразрядного счетчика
Выходной сигнал с АЦП необходимо записать в
регистр и с помощью ЦАП преобразовать в аналоговый сигнал для того, чтобы
работу АЦП и можно было снять характеристики построенного АЦП. Для этой цели
были взяты идеальные элементы в библиотеке ahdllib, символы которых
представлены на рис. 2.7. Элементы являются идеальными и не имеют никаких
задержек, а значит не влияют на работу АЦП.
а)
б)
Рис. 2.7 Символы а) восьмиразрядного регистра б)
восьмиразрядного ЦАП.
В качестве всех элементов питания, тактовых
сигналов и сигналов сброса были взяты идеальные элементы источников напряжений
библиотеки analoglib, ведь целью работы являлась разработка сигма-дельта
модулятора, хотя все эти устройства могут быть реализованы.
2.2 Разработка модели
сигма-дельта АЦП
Сигма-дельта АЦП был построен на основе модулятора
с использованием счетчика и регистра. Модель АЦП представлена на рис. 2.8.
Рис. 2.8 Модель сигма-дельта АЦП
В силу того, что счетчик считает с
приходом каждого нового фронта, выходную последовательность триггера (она может
представлять постоянное значение, равное '1' когда, например входной сигнал
близок к +Vref), нужно преобразовать в последовательность импульсов. Для сброса
счетчика необходимо подавать тактирующий сигнал вместе с приходом импульса
сброса. Для этих целей схема была дополнена идеальными элементами логики: И-НЕ
(в качестве инверторов), И и ИЛИ. В результате, на вход счетчика подается
комбинация сигналов RST, CLK и выхода триггера Q.
Математически ее можно описать так:
В модель АЦП используется идеальный
восьмиразрядный регистр (рис. 2.7.а).
2.3
Моделирование сигма-дельта АЦП
Модель АЦП была дополнена идеальным
ЦАП, с помощью которого выходной сигнал АЦП преобразуется в аналоговый сигнал,
это позволило не проверять соответствие кода, полученного с помощью
преобразования разработанной моделью АЦП, а сравнивать выходной сигнал ЦАП с
входным сигналом, подвергшимся преобразованию.
Выходной сигнал с ЦАП необходимо
сгладить, чтобы можно было сравнить его со выходным сигналом, для этих целей
была взята RC-цепочка с постоянной времени
, позволяющая достаточно хорошо
сгладить выходной сигнал с ЦАП. Схема АЦП представлена на рис. 2.9., а
результат ее моделирования в зависимости от времени - на рис. 2.10.
Рис. 2.9 Схема сигма-дельта АЦП с ЦАП и
RC-цепочкой
Входной сигнал представляет собой синусоиду с
частотой 100кГц, а период следования тактовых импульсов (он определяет частоту
передискретизации) равен 1нс. Эти параметры выбраны для отладки работы модели и
у реальных АЦП гораздо меньше. Из рис. 2.9. можно пронаблюдать, что
представляет собой выход ЦАП (это последовательность прямоугольных импульсов),
а также сглаженный выходной сигнал ЦАП. В силу того, что преобразование
происходит с задержкой, а вызвано это тем, что результат предыдущей обработки
сигнала появляется только на следующем такте (эта задержка равна 256нс, ведь
счетчик считает ровно 256 тактов по 1нс), выходной сигнал запаздывает. Можно
сделать вывод, что модель АЦП работает правильно и, следовательно, заняться
разработкой блоков модулятора. Все блоки сигма-дельта модулятора будем
разрабатывать в библиотеке элементов КМОП с проектными нормами 0.35мкм в связи
с тем, что сигма-дельта АЦП как правило находиться на одном кристалле вместе с
цифровым фильтром и дециматором[3].
Рис. 2.10 Результаты моделирования сигма-дельта
АЦП
3. Разработка
сигма-дельта модулятора
.1 Проектирование
основных блоков сигма-дельта модулятора на КМОП-структурах
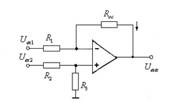
.1.1 Вычитатель
напряжений
Для работы сигма-дельта модулятора используется
вычитатель напряжений (его можно назвать и сумматором напряжений), так как из
входного сигнала вычитается сигнал на выходе ЦАП с предыдущего такта работы
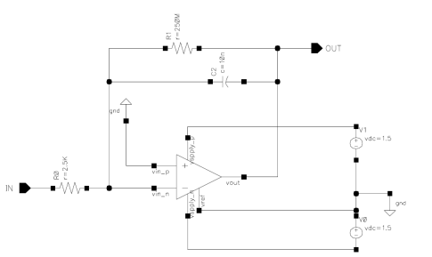
сигма-дельта модулятора. Схема вычитателя строится на ОУ и приведена на рис.
3.1.
Рис. 3.1 Вычитатель напряжений на ОУ
Будем полагать, что ОУ обладает свойствами
идеального ОУ, тогда:
,
,
.
Вычитатель, используемый с схеме
сигма-дельта модулятора должен обладать единичным коэффициентом, в силу этого
выбираются равные сопротивления резисторов[4]. Действительно, при
,
коэффициенты
, а
соответственно, и выходное напряжение представляет собой разность выходных.
Схема вычитателя напряжений была
спроектирована на быстродействующем ОУ и представлена на рис. 3.2. Не будем
вдаваться в методику проектирования ОУ, а лишь отметим, что он обладает
достаточно большим усилением и хорошим быстродействием, что в принципе и
необходимо для вычитателя. В качестве сопротивлений R было взято 100кОм.
Рис. 3.2 Схема вычитателя напряжений
Символ вычитателя приведен на рис. 3.3.
Рис. 3.3 Символ вычитателя напряжений
Рис. 3.4 Работа
вычитателя
Вычитатель был отмоделирован на
входных синусоидальных сигналах, снята зависимость напряжений от времени,
результаты моделирования представлены на рис. 3.4. Из рисунка заметим, что
выход вычитателя (на рисунке синусоида с наибольшей амплитудой) представляет
собой разность входных IN+ и IN- напряжений (двух других
синусоид). Погрешность вычисления можно оценить, как
что меньше
1%. Данный вычитатель будем использовать в схеме сигма-дельта модулятора.
3.1.2
Интегратор
Интегратор - это элемент
электрической цепи или аналоговой вычислительной схемы, выходной сигнал
которого пропорционален интегралу от входного сигнала. В качестве простейшего
пассивного интегратора можно использовать интегратор с RC-цепью (рис).
а)
б)
Рис. 3.5 Схемы интеграторов а) с ОУ, б) с
пассивной RC-цепью
На рис. 3.6. показаны АЧХ интегратора с ОУ, и
АЧХ пассивной интегрирующей RС-цепочки.
Рис. 3.6 АЧХ интеграторов
Как видно из рис. 3.6, область интегрирования
интегратора с ОУ значительно шире области интегрирования простейшей RC-цепочки,
в силу этого интегратор был разработан на ОУ с большим коэффициентом усиления.
Схема интегратора представлена на рис. 3.7.
Рис. 3.7 Схема интегратора
В представленной на рис. 3.7. схеме
решен один недостаток интеграторов, строящихся по схеме на рис. 3.5.а,
связанный с тем, что выходное напряжение имеет тенденция к дрейфу,
обусловленному сдвигами ОУ и током смещения (обратной связи по постоянному
току). Входной резистор обладает сопротивлением 2.5кОм, а к конденсатору
подключен
резистор
с
сопротивлением 250кОм, который обеспечивает стабильное смещение за счет
обратной связи по постоянному току[5]. Однако, такое подключение ведет к
ослаблению интегрирующих свойств на очень низкой частоте:
. ЛАЧХ
спроектированного и идеального интегратора, используемого в модели сигма-дельта
модулятора, приведена на рис. 3.8.
Рис. 3.8 ЛАЧХ реального и идеального
интеграторов
Из рисунка видно, что ЛАЧХ реального интегратора
находиться ниже идеального, а значит он обладает меньшим коэффициентом
интегрирования, что несомненно скажется на работе модулятора.
Символ интегратора приведен на рис. 3.9.
Рис. 3.9 Символ интегратора
3.1.3 Компаратор
Компаратор - это сравнивающее устройство.
Аналоговый компаратор предназначен для сравнения непрерывно изменяющихся
сигналов. Входные аналоговые сигналы компаратора суть Uвх -
анализируемый сигнал и Uоп - опорный сигнал сравнения, а выходной Uвых
- дискретный или логический сигнал, содержащий 1 бит информации:
Выходной сигнал компаратора почти
всегда действует на входы логических цепей и потому согласуется по уровню и
мощности с их входами. Таким образом, компаратор - это элемент перехода от
аналоговых к цифровым сигналам, поэтому его иногда называют однобитным
аналого-цифровым преобразователем[6].
Неопределенность состояния выхода
компаратора при нулевой разности входных сигналов нет необходимости уточнять,
так как реальный компаратор всегда имеет либо конечный коэффициент усиления
(рис. 3.10.а), либо петлю гистерезиса (рис. 3.10.б).
а)
б)
Рис. 3.10 Переходные характеристики компараторов
Рис. 3.11 Процессы переключения компараторов
Чтобы выходной сигнал компаратора
изменился на конечную величину
при бесконечно малом изменении
входного сигнала, компаратор должен иметь бесконечно большой коэффициент
усиления (эпюра 1 на рис. 3.11) при полном отсутствии шумов во входном сигнале.
Такую характеристику можно имитировать двумя способами - или просто
использовать усилитель с очень большим коэффициентом усиления, или ввести
положительную обратную связь[6].
Рассмотрим первый путь. Как бы
велико усиление не было, при Uвх близком к нулю характеристика будет
иметь вид рис. 3.10.а. Это приведет к двум неприятным последствиям. Прежде
всего, при очень медленном изменении Uвх выходной сигнал также будет
изменяться замедленно, что плохо отразится на работе последующих логических
схем (эпюра 2 на рис. 3.11.). Еще хуже то, что при таком медленном изменении Uвх
около нуля выход компаратора может многократно с большой частотой менять свое
состояние под действием помех (так называемый "дребезг", эпюра 3).
Это приведет к ложным срабатываниям в логических элементах и к огромным
динамическим потерям в силовых ключах. Для устранения этого явления обычно
вводят положительную обратную связь, которая обеспечивает переходной
характеристике компаратора гистерезис (рис. 3.10.б). Наличие гистерезиса хотя и
вызывает некоторую задержку в переключении компаратора (эпюра 4 на рис. 3.11.),
но существенно уменьшает или даже устраняет дребезг Uвых.
Сигма-дельта модулятор не
предъявляет серьезных требований к компаратору. Компаратор можно выполнять без
петли гистерезиса, однако необходимо позаботиться о скорости переключения, для
чего ОУ, на котором строиться компаратор необходимо сделать быстродействующим и
обладать достаточно высоким коэффициентом усиления.
Для компаратора был спроектирован
следующий ОУ.
Рис. 3.12 Схема ОУ для компаратора
Рис. 3.13 ЛАЧХ разработанного ОУ
Из рис. 3.13. нетрудно найти
коэффициент усиления ОУ - это
, что соответствует примерно 4500,
это легко посчитать, зная определение децибела:
, откуда 
Схема компаратора приведена на рис.
3.14. Выход ОУ подается на n- и p-транзисторы, формирующие выходные
уровни логических нуля и единицы.
Рис. 3.14 Схема компаратора на ОУ
Рис. 3.15 Моделирование компаратора
Компаратор был отмоделирован на входном
синусоидальном сигнале, который сравнивался с нулевым потенциалом, Из рис.
3.15. видно, что задержка переключения компаратора составляет 2.4нс (это delta,
она определяется разностью между линиями А и В), что конечно же отразиться на
работе сигма-дельта модулятора, однако вполне приемлемо.
Символ компаратора приведен на рис. 3.16. IN1
- входной сигнал, IN2
- опорный сигнал.
Рис. 3.16 Символ компаратора
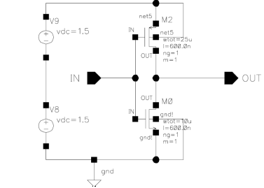
.1.4 Одноразрядный ЦАП
На одноразрядный ЦАП поступает выходной сигнал с
D-триггера и
преобразуется в аналоговый сигнал. Одноразрядный ЦАП представляет собой
устройство, на вход которого подают цифровой сигнал (либо логическую 1 либо 0),
а на выходе получают аналоговый сигнал, который равен опорному напряжению
(положительному либо отрицательному, в зависимости от цифрового кода поданного
на вход ЦАП). Одноразрядный ЦАП обладает высокой линейностью, имеет низкий
уровень шума, а точность во многом определяется точностью внешнего источника
опорного напряжения[7]. Одноразрядный ЦАП выполнен на двух n- и p-транзисторах.
Так как логическому нулю соответствует 0В, а логической единице - 3В,
необходимо сделать p-транзистор намного более широким, чем n-транзистор это
позволит при входном нуле и обоих открытых транзисторах сформировать на выходе
напряжение сколь угодно мало отличающееся от +Vref в силу того, что сопротивление
открытого p-транзистора будет намного меньше, чем n-транзистора. При подаче
единицы p-транзистор будет закрыт, а n-транзистор открыт, и выход примет
значение -Vref. Схема одноразрядного ЦАП представлена на рис. 3.16.
Спроектированный одноразрядный обладает достаточно большим быстродействием и
точностью для того, чтобы использовать его в составе сигма-дельта модулятора.
Рис. 3.16 Схема одноразрядного ЦАП
3.1.5 D-триггер
Сигма-дельта модулятор работает по тактам. Для
того, чтобы результат предыдущего такта работы схемы поступал на вычитатель,
необходимо его хранить, для чего используется D-триггер. Схема D-триггера
представлена на рис. 3.17. Это двухтактный D-триггер, работающий по переднему
фронту. Инверторы реализованы по схеме согласно рис. 3.18.
Рис. 3.17 Схема D-триггера
Рис. 3.18 Схема инвертора
Триггер был отмоделирован для определения
задержки записи в него. Временная диаграмма работы триггера показана на рис.
3.19. Из рисунка видно, что время записи в триггер составляет 1нс, что вполне
подходит для использования в сигма-дельта модуляторе. Символ триггера
представлен на рис. 3.20.
Рис. 3.19 Работа триггера
Рис. 3.20 Символ триггера
3.2 Моделирование
сигма-дельта модулятора на КМОП структурах в составе АЦП
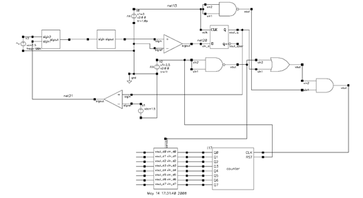
В исходной модели сигма-дельта АЦП (рис. 2.1.)
содержались все идеальные компоненты (вычитатель, интегратор, компаратор,
триггер, одноразрядный ЦАП). Все идеальные блоки в модели были заменены
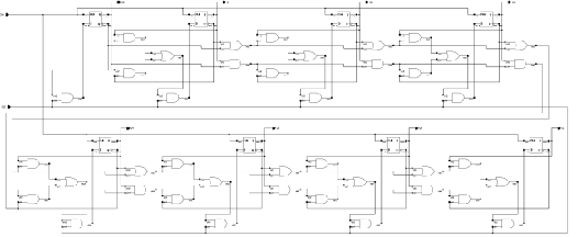
реальными. Схема сигма-дельта АЦП представлена на рис. 4.5.
Рис. 3.21 Схема сигма-дельта АЦП, построенного
на реальных блоках
Так как целью разработки являлся сигма-дельта
модулятор, все опорные напряжения и источники сигналов тактирования и сброса не
были детализированы, однако они должны обладать температурной независимостью и
достаточно высокой точностью. Схема была исследована с использованием идеальных
источников опорных напряжений и сигналов.
Моделирование проводится при
различных входных сигналах и на различных участках времени. Из-за того, что
схема очень сложная и содержит много элементов, ее моделирование происходит
достаточно долго (порядка нескольких часов), поэтому для снятия характеристик
были выбраны минимально возможные времена моделирования. Была определена
частота передискретизации, для чего схема моделировалась с разной частотой
следования тактовых импульсов. Частота передискретизации, на которой схема
работает корректно, составила 10 МГц (период следования тактовых импульсов
составил 10нс). Корректностью работы сигма-дельта модулятора считалась запись в
триггер значений '0' и '1', соответствующих выходу компаратора, который в свою
очередь успевал переключаться. При частотах ниже частоты 10МГц выходной сигнал
компаратора не успевает записываться в триггер. Результат моделирования схемы
на частоте 10МГц приведен на рис. 3.22. Выходные сигналы подписаны. На рисунке
показан сигнал синхронизации, запись в триггер, работа компаратора,
интегратора, а также выход вычитателя, все сигналы показаны в порядке
следования сверху вниз. При более высокой частоте передискретизации компаратор
не успевает сравнивать сигнал с выхода интегратора с нулевым потенциалом, а
также в триггер не происходит записи нужного сигнала, а как следствие,
результат преобразования, выполняемого данным АЦП, сне соответствует входному
сигналу. Из-за того, что сигнал из модулятора подается на счетчик, работающий
на протяжении 256 тактов следования синхросигнала, частота выборок отсчетов
составляет
Эта частота
дискретизации АЦП.
Рис. 3.22 Работа сигма-дельта модулятора на
частоте 10МГц
Для измерения точности
преобразования, выполняемого сигма-дельта АЦП, схема была отмоделирована на
постоянном входном напряжении, равном +0.8В и -0.8В, и частоте
передискретизации 10МГц. Погрешность преобразования постоянном входном сигнале
можно определить, как
.
Погрешность была посчитана для напряжений +0.8В, -0.8В и было выбрано
максимальное значение. Из-за того, что схема моделируется достаточно долго,
пришлось ограничиться лишь этими значениями входного сигнала, однако их тоже
вполне достаточно, чтобы говорить о погрешности преобразования. Результаты
моделирования АЦП представлены на рис. 3.23., рис. 3.24., рис. 3.25. Погрешность
преобразования была вычислена согласно следующей формуле
что равно
0.5%.
Рис. 3.23 Моделирование АЦП на входном сигнале
+0.8В
Рис. 3.24 Моделирование АЦП на входном сигнале
-0.8В
Рис. 3.25 Моделирование АЦП на входном сигнале
0В
Для измерения статических характеристик АЦП была
снята передаточная характеристика (см. главу 1 п. 1.7.). Входной сигнал
изменялся в диапазоне от 0 до +Vref. Характеристика было снята не для всех 256
значений выхода ЦАП, что представляется очень сложно и долго реализуемым, а для
5 значений. В результате, вычислены погрешности. Мультипликативная,
дифференциальная и интегральная погрешности не превышают ½
LSB, достигается это
строгим тактированием модулятора и равномерным сбросом счетчика, однако при
использовании реальных источников входных сигналов тактирования эти значения
могут заметно ухудшиться. Была так же измерена аддитивная погрешность, она
составляет порядка 1.2мкс. Результаты представлены на рис. 3.26.
Рис. 3.26 Передаточная характеристика
сигма-дельта модулятора
В разработанном АЦП коэффициент
избыточной дискретизации (передискретизации) составляет 256, чего более чем
достаточно, ведь уже при избыточной дискретизации в 64, идеальный цифровой
фильтр
способен
обеспечить отношение сигнал/шум на уровне 80 дБ[10]. Этим
подразумевается, что значение эффективного числа разрядов для данного
модулятора при использовании цифрового фильтра и дециматора составит 13
разрядов[11].
Откуда,
заключим, что при использовании цифрового фильтра и дефиматора построенный АЦП
будет обладать частотой дискретизации, равной
Заключение
В данной работе были
проанализированы и систематизированы сведения об аналогово-цифровых
преобразователях, приведена их классификация по схемотехническим признакам.
Разработана модель сигма-дельта АЦП на основе
сигма-дельта модулятора первого порядка, включающая восьмиразрядный счетчик и
параллельный регистр.
Был спроектирован в КМОП реализации сигма-дельта
модулятор. Построенная на этом модуляторе, модель 8 разрядного АЦП имеет
частоту передискретизации 10МГц, частоту дискретизации 39кГц,
мультипликативная, дифференциальная и интегральная погрешности данного АПЦ не
превышают ½ LSB,
а аддитивная погрешность составляет 1.2мкс.
Спроектированный сигма-дельта АЦП может
использоваться для построения сигма дельта АЦП с цифровым фильтром и
дециматором, что обеспечит отношение сигнал/шум на
уровне 80 дБ, а эффективное
число
разрядов
составит 13. Частота дискретизации такого АЦП будет равна 156 кГц, а
соответственно, он будет пригоден для оцифровки звука.
Список использованной
литературы
1. Волович Г.И., Cхемотехника
аналоговых и аналого-цифровых электронных устройств - М.: Издательский дом
"Додэка-XXI", 2005, 528 с.
. Гнатек Ю.Р., Справочник по
цифро-аналоговым и аналого-цифровым преобразователям: Пер. С англ./Под ред.
Ю.А. Рюжина. М.: Радио и связь, 1982, 552 с.
3. Sigma-delta ADCs and
DACs//Application Note AN-283. Analog Devices. 1997,
16 pp.
4. Швец В.В., Нищирет Ю.А.,
Архитектура сигма-дельта АЦП и ЦАП: АО "Инструментальные системы":
Статья в журнале CHIP News, N1 1998.
. Хоровиц П., Хилл У.,
Искусство схемотехники: Т.2. Пер. с англ. Изд. 3-е. М.: Мир 1983, 590 с.
. Титце У., Шенк К.,
Полупроводниковая схемотехника: Справочное руководство. Пер. с нем. М.:
Мир,1982. 512 с.
7. Ефимов И.Е., Козырь И.Я.,
Горбунов Ю.И. Микроэлектроника. М.: Высшая школа, 1987г.
8. Behzad
Razavi, Design
of Analog
CMOS Integrated
Circuits - International Edition 2001.
9. <http://www.wbc-europe.com/en/services/pim_application_guide.html>.
. Steven R. Norsworthy, Richard Schreier,
and Gabor C. Temes,Eds., Delta-Sigma Data Converters: Theory, Design, and
Simulation, IEEE Press, 1996.
. S. A. Jantzi, M. Snelgrove & P. F.
Ferguson Jr., A 4th-Order Bandpass Sigma-Delta Modulator, IEEE Journal of Solid
State Circuits, Vol. 38, No. 3, March 1993, pp. 282-291.