Реконструкция административного здания по адресу с. Устье, ул. Октябрьская, 8
ВВЕДЕНИЕ
Для ВКР выбрана тема «Реконструкция
административного здания по адресу: с.Устье ул.Октябрьская 8».
Проект реконструкции разрабатывается для
административного здания. Год постройки здания - 2013. Рассматриваемое здание
предусмотрено под реконструкцию в 2016 г.
В ходе реконструкции произведена пристройка
дополнительных объемов, для увеличения полезной площади здания администрации.
Актуальность темы обоснована тем, что в
существующем здании администрации имеется недостаточное количество кабинетов и конференц-залов,
оснащенных современным оборудованием для проведения совещаний, семинаров,
вэбинаров любой сложности, а также требуется площадь для размещения архива и
места ожидания для посетителей.
Проектом предусмотрены решения, для того чтобы
маломобильная часть населения так же беспрепятственно могла в полном объеме
пользоваться всем спектром услуг, не чувствуя дискомфорта.
Село Устье Вологодской области относится в
соответствии с [1] к IV снеговому району с весом снегового покрова на 1 м2
горизонтальной поверхности земли Sg= 2,4 кПа и к I ветровому району с w0=0,23
кПа.
1. АРХИТЕКТУРНО-СТРОИТЕЛЬНЫЙ РАЗДЕЛ
.1 Технический паспорт здания
Технический паспорт здания составляем в
табличной форме, таблица 1.1.
Таблица 1.1 - Технический паспорт здания, с.
Устье, ул. Октябрьская д.8
|
Характеристика
здания
|
По
типовому проекту до реконструкции
|
Предусмотрено
проектом реконструкции
|
|
1
|
2
|
3
|
|
Здание
администрации
|
2013
|
2016
|
|
Пристройка
|
Не
производилась
|
Пристройка
дополнительных объемов в 2 этажа
|
|
Планировка
|
Зальная
(общественное здание)
|
Зальная,
пристройка в 2 этажа
|
|
Количество
этажей
|
2
|
2
|
|
Площадь
этажа
|
Первый
этаж - 413,9 м2, Второй этаж - 424,0 м2
|
Первый
этаж - 259,8 м2, Второй этаж - 231,5 м2
|
|
Фундаменты
|
Сборный
железобетонный по ГОСТ 13579-78; 13580-85*
|
Сборный
железобетонный по ГОСТ 13579-78; 13580-85*
|
|
Наружные
стены
|
Облегченной
кладки из кирпича (380мм) с утеплителем «URSA» толщиной 120мм
|
Кирпичные
толщиной 380мм, с наружным утеплением Rockwool ВЕНТИ БАТТС, толщиной 100мм.
|
|
Внутренние
стены
|
Кирпичные
|
Кирпичные
с гипсовой штукатуркой Кератекс
|
|
Перегородки
|
Гипсокартон
|
Гипсокартон
«ТИГИ-KNAUF» 100 мм по ГОСТ 6266-97
|
|
Перекрытия
|
Железобетонные
многопустотные плиты толщиной 220 мм по серии 1.141-1/64
|
Железобетонные
многопустотные плиты толщиной 220 мм
|
|
Кровля
|
Многоскатная
из оцинкованной стали
|
Многоскатная
из оцинкованной стали Rannila Classic S
|
|
Водосток
|
Организованный,
наружный.
|
Организованный,
наружный.
|
|
Двери
наружные
|
Двупольные
остекленные по ГОСТ 24698-81*
|
Двупольные
остекленные по ГОСТ 24698-81*
|
|
Двери
внутренние
|
Однопольные
остекленные по ГОСТ 23747-88
|
Однопольные
остекленные по ГОСТ 23747-88
|
|
Окна
|
ПВХ
по ГОСТ 30674-99
|
ПВХ
по ГОСТ 30674-99
|
|
Полы
|
Керамическая
плитка и линолеум
|
Керамическая
плитка и линолеум
|
|
Отделка
наружная
|
Облицовка
фасадной плиткой
|
Облицовка
фасадной системой КраспанСтоун, фасадная грунтовка Финнколор
|
|
Отделка
внутренняя
|
Облицовка
стен плиткой по ГОСТ 6141-91, стеновые панели «Вега Пласт» серия 8402, обои
под покраску на флизелиновой основе, водно-дисперсионная краска ФИННКОЛОР; подвесной
потолок
|
Облицовка
стен плиткой по ГОСТ 6141-91, стеновые панели «Вега Пласт» серия 8402,
акриловое фактурное покрытие «ЛАЭС» Суперфайн, обои под покраску на
флизелиновой основе, водно-дисперсионная краска ФИННКОЛОР; подвесной потолок
«ARMSTRONG», подшивной потолок «ТИГИ-KNAUF»
|
|
Подвал
|
Высотой
2,4м
|
Высотой
2,4м
|
|
Лифты
|
нет
|
нет
|
|
Лестницы
|
Железобетонные
наборные ступени по ГОСТ 8717.0-84 на металлических косоурах
|
Железобетонные
наборные ступени по ГОСТ 8717.0-84 на металлических косоурах
|
|
Стропила
|
Деревянные
из сдвоенной доски 50х150, выполнены из древесины хвойных пород и обработаны
антисептиком
|
Деревянные
из сдвоенной доски 50х150, выполнены из древесины хвойных пород и обработаны
антисептиком
|
|
Инженерное
оборудование
|
|
а)
отопление
|
Централизованное
|
Централизованное
|
|
б)
водопровод
|
Хозяйственно-питьевой,
совмещенный с противопожарным
|
Хозяйственно-питьевой,
совмещенный с противопожарным
|
|
в)
канализация
|
Хозяйственно-фекальная
в наружную сеть
|
Хозяйственно-фекальная
в наружную сеть
|
|
г)
газификация
|
нет
|
нет
|
|
д)
электроснабжение
|
360/220
от наружной сети
|
360/220
от наружной сети
|
|
е)
горячее водоснабжение
|
горячее
водоснабжение от водонагревателя, расположенного в тепловом пункте
|
горячее
водоснабжение от водонагревателя, расположенного в тепловом пункте
|
|
ж)
телефонная антенна
|
есть
|
есть
|
|
з)
противипожарная сигнализация
|
По
ГОСТ 26342-82
|
По
ГОСТ 26342-82
|
1.2 Оценка технического состояния здания
Нормативный срок эксплуатации здания
определяется по основным несущим конструкциям (до реконструкции).
Фундамент - сборный ж/б; стены наружные -
кирпичные толщиной 380 мм; перекрытия - железобетонные многопустотные толщиной
220 мм.
Здание относится ко III группе капитальности с
нормативным сроком эксплуатации 125 лет.
Уровень ответственности здания определяем по
[6]. Здание относится ко 2 группе ответственности - нормальный γn=1.0,
поэтому в дальнейших расчетах условно учитывать его не будем.
.2.1 Определение физического износа здания
Определение физического износа здания по срокам
эксплуатации.
Здание было построено в 2013 году. На момент
реконструкции фактический срок службы составил:
Тэ = 2016 - 2013 = 3 года,
где 2016 г. - год планируемой реконструкции;
г. - год постройки.
Физический износ определяем по [7]:
Фз = (Тэ / Т ) ∙100,%, (1.1)
Фз = (3 / 125)∙100 % = 2,4 %
Данный метод является приближенным, т.к. не
оценивает фактических повреждений и дефектов конструкций. Его можно
использовать для составления планов обследования зданий и проведения
капитальных ремонтов.
При реконструкции здания требуется более точная
оценка состояния основных несущих конструкций.
Определение физического износа здания по
удельным весам стоимости конструкции.
В процессе обследования конструкций здания были
выявлены дефекты и повреждения, на основании которых составлена таблица 1.2
физического износа конструкций здания.
Таблица 1.2 - Физический износ конструкций
здания
|
Наименова-ние
элемента
|
Признаки
износа
|
Количествен-ная
оценка
|
Физ.
износ, %
|
Примерный
состав работ
|
|
1
|
2
|
3
|
4
|
5
|
|
1.
Фунда-мент сборный ж/б
|
Мелкие
трещины, местные нарушения штукатурного слоя цоколя и стен
|
Ширина
трещин до 1,5 мм
|
3
|
Затирка
трещин
|
|
2.
Стены кирпичные
|
Отдельные
трещины и выбоины
|
Ширина
тре-щины до 1 мм
|
1
|
Заделка
трещин и выбоин
|
|
3.Перего-родки
|
Мелкие
трещины в местах сопряжения перегородок с перекрытиями, редкие сколы
|
Ширина
трещин до 2 мм. Пло-щадь поврежде-ний до 10%
|
1
|
Уплотнение
и заделка примыканий
|
|
|
4.Перек-рытия
|
Трещины
в местах примыканий к стенам
|
Ширина
трещин до 0,5 мм
|
0
|
Заделка
трещин
|
|
|
5.
Кровля, крыша
|
Ослабление
крепления отдельных листов к обрешетке, отдельные протечки
|
-
|
0
|
Постановка
заплат и заделка свищей в местах повреждений, крепление кляммерами
|
|
|
6.
Полы
|
|
|
-
из керамических плиток
|
Мелкие
сколы и трещины отдельных плиток
|
Повреждения
на площади до 20%
|
1
|
Замена
отдельных плиток
|
|
|
-
линолеум
|
Отставание
материала в стыках и вздутие местами, мелкие повреждения плинтусов
|
Повреждения
на площади до 10%
|
3
|
Подклейка
материала, ремонт плинтуса с добавлением нового материала до 20%
|
|
|
8.
Окна
|
Мелкие
трещины в местах сопряжения коробок со стенами, истертость или щели в
притворах. Замазка местами отстала, частично отсутствуют штапики, трещины
стекол, мелкие повреждения отливов
|
|
2
|
Конопатка
сопря-жений коробок со стенами. Восстанов-ление отсутствующих штапиков,
замазки стекол, отливов с добавлением нового материала до 15 %
|
|
|
9.
Двери
|
Мелкие
поверхностные трещины в местах сопряжения коробок (колод) со стенами и
перегородками, стертость дверных полотен или щели в притворах
|
|
5
|
Уплотнение
сопряжений, постановка дополнительных накладок с острожкой
|
|
|
10.
Отделочные покрытия
|
|
|
-
окраска водными составами
|
Местные
единичные повреждения окрасочного слоя, царапины
|
-
|
2
|
-
|
|
|
-
оклейка обоями
|
Отставание
и повреждение кромок местами
|
-
|
2
|
Подклейка
отдельных кромок
|
|
|
-
плитка облицо-вочная
|
Мелкие
трещины и сколы в плитках
|
-
|
3
|
Затирка
отдельных сколов
|
|
|
|
|
|
|
|
|
|
|
|
|
|
Физический износ здания определяем в табличной
форме, таблица 1.3.
Таблица 1.3 - Физический износ здания
|
Укрупненные
конструктивные элементы здания
|
Удельный
вес элемента по сборнику 28, %
|
Удельный
вес элемента по приложению, %
|
Расчетный
удельный вес элемента %
|
Физический
износ, %
|
|
|
|
|
По
результа- там обследования
|
Средне-взвешен.
износ
|
|
1.
Фундаменты
|
6
|
-
|
6
|
3
|
0,5
|
|
2.
Стены
|
23
|
80
|
18,4
|
1
|
0,5
|
|
3.
Перегородки
|
|
20
|
4,6
|
1
|
0,5
|
|
4.
Перекрытия
|
8
|
-
|
8
|
0
|
0
|
|
5.
Кровля
|
4
|
40
|
1,6
|
0
|
0
|
|
|
60
|
2,4
|
0
|
0,5
|
|
6.
Окна
|
9
|
56
|
5,04
|
2
|
0,5
|
|
7.
Двери
|
|
44
|
3,96
|
5
|
0,5
|
|
8.
Полы: -линолеум -керамическая плитка -бетон
|
12
|
70
|
8,4
|
3
|
0,5
|
|
|
10
|
1,2
|
1
|
0,5
|
|
|
20
|
2,4
|
2
|
0,5
|
|
9.
Отделочные работы: -плитка -штукатурка -окраска водными составами
|
19
|
20
|
3,8
|
3
|
0,5
|
|
|
30
|
5,7
|
2
|
0,5
|
|
|
50
|
9,5
|
2
|
0,5
|
|
12.
Инженерное оборудование
|
13
|
-
|
13
|
10
|
1,5
|
|
13.
Лестницы Остальное
|
6
|
40
|
2,4
|
1
|
0,5
|
|
|
60
|
3,6
|
5
|
0,5
|
|
Итого
|
100
|
|
100
|
|
8
|
Общий физический износ конструкций здания
составляет 8%. В целом здание в соответствии с [7] находится в работоспособном
состоянии и проведения капитального ремонта требуется в соответствии с планом
проведения капитального ремонта.
Но по желанию заказчика, с целью увеличения
площади здания производиться реконструкция здания.
.2.2 Определение морального износа здания
Моральный износ здания определяем в соответствии
с [8].
Моральный износ здания определяется по трем
показателям:
отклонения от нормативных требований
архитектурно-планировочного решения;
отсутствие отдельных видов инженерного
оборудования;
несоответствие материала конструкций современным
нормативным требованиям.
Определение морального износа
архитектурно-планировочных решений выполняем в табличной форме, таблица 1.4.
Таблица 1.4 - Определение морального износа
планировки
|
Наименование
показателей
|
Нормативное
значение
|
Фактическое
значение
|
Отклонение
от нормы
|
Моральный
износ, %
|
|
1
|
2
|
3
|
4
|
5
|
|
1.Наличие
утепленных тамбуров на входе
|
Двойной
тамбур
|
Имеется
|
Отсутствует
|
0%
|
|
2.Помещение
для дежурного
|
3,5
м2
|
Имеется
|
Отсутствует
|
0%
|
|
3.Наличие
мероприятий входной группы для маломобильных групп населения
|
Пандус,
лифт
|
Имеется
|
Отсутствует
|
0%
|
|
4.Размер
крыльца
|
1,2х1,2;
наличие навеса над крыльцом
|
Имеется
|
Отсутствует
|
0%
|
|
5.Ширина
коридоров
|
Не
менее 1,2 м
|
Имеется
|
Отсутствует
|
0%
|
|
6.Ширина
маршей лестниц
|
1,35
м
|
Имеется
|
Отсутствует
|
0%
|
|
7.
Высота помещений от пола до потолка
|
3,0
м
|
Отсутствует
|
0%
|
|
8.Отметка
пола помещения у входа в здание
|
выше
отметки тротуара перед входом ≥0,15 м
|
Имеется
|
Отсутствует
|
0%
|
|
9.Минимальная
площадь отдельных помещений
|
Не
менее 6 м2
|
Не
имеется
|
Присутствует
|
1%
|
|
10.Оптимальная
этажность здания
|
2
этажа - площадь свыше 1500 м2
|
Имеется
|
Отсутствует
|
0%
|
|
11.Тип
лестниц
|
Л1,
наличие естественного освещения в стенах на каждом этаже
|
Не
имеется
|
Присутствует
|
1%
|
|
12.Площадь
проема для освещения на лестничной площадке
|
1,2
м2 на каждом этаже
|
Имеется
|
Отсутствует
|
0%
|
|
13.Аварийных
выход
|
Не
менее 2
|
Имеется
|
Отсутствует
|
0%
|
Отсутствие отдельных видов инженерного
благоустройства выполнено в табличной форме, таблица 1.5.
Таблица 1.5 - Моральный износ инженерного
оборудования здания
|
Наименование
показателей
|
Фактическое
значение
|
Отклонение
от нормы
|
Моральный
износ, %
|
|
1.Отопление
|
Имеется
|
Отсутствует
|
0%
|
|
2.Горячее
водоснабжение
|
Имеется
|
Отсутствует
|
0%
|
|
3.Наличие
оборудования для маломобильных групп населения
|
Имеется
|
Отсутствует
|
0%
|
|
4.Наличие
пожарной сигнализации
|
Имеется
|
Отсутствует
|
0%
|
|
5.Наличие
охранной сигнализации
|
Не
имеется
|
Присутствует
|
1%
|
|
6.Наличие
неоновой рекламы
|
Не
имеется
|
Присутствует
|
1%
|
|
7.Радиотрансляционная
сеть
|
Не
имеется
|
Присутствует
|
0,4%
|
|
8.Коллективная
телевизионная антенна
|
Не
имеется
|
Присутствует
|
1,7%
|
|
9.Телефонный
ввод
|
Имеется
|
Отсутствует
|
0%
|
Полный моральный износ составляет 6 %.
В реконструируемом здании администрации имеются
отклонения в планировочном решении: отсутствует охранная сигнализация, неоновая
реклама, радиотрансляционная сеть, коллективная телевизионная антенна.
1.2.3 Общее заключение о техническом состоянии
реконструируемого здания
По результатам обследования здания и определения
физического износа по удельным весам стоимости конструкции физический износ
составляет 8 %. Моральный износ здания составляет 6 %
В целом состояние здания в соответствии с [7]
находится в работоспособном состоянии, в связи с расширением требуется
реконструкция. Проведение реконструкции данного объекта допустимо.
.3 Объемно-планировочное решение здания
Проектом предусматривается реконструкция
административного здания. Размеры здания в осях 38,8х13,2 м.
Существующее здание состоит из 2 этажей с
техническим подпольем. Высота помещений технического подполья -1,6м, 1-го этажа
3,3м, 2-го этажа- 3,3 м. За отметку ±0,000 принят уровень чистого пола первого
этажа. Проектируемое здание пристраивается к существующему зданию
администрации. Все помещения в здании расположены с учетом их функциональной
принадлежности и с учетом обеспечения необходимого комфорта работников. Первый
и второй этажи соединяют 2 лестницы, выход наружу осуществляется через
вестибюль. Также с первого этажа имеются дополнительные эвакуационные выходы с
торца здания и со второго этажа 2 металлические лестницы.
В состав помещений административного здания
входят: кабинеты, холлы, вспомогательные помещения, архивы, конференц-залы,
приемные. Все помещения в здании расположены с учетом их функциональной
принадлежности и с учетом обеспечения необходимого комфорта работающих людей и
посетителей.
1.4 Конструктивное решение
.4.1 Стены и перегородки
Конструктивная схема - с продольными несущими
стенами. Наружные стены выполнены из керамического полнотелого кирпича М-150 на
цементно-песчаном растворе М-100. Толщина наружных стен без отделочных слоев
380 мм. В проекте предусмотрено наружное утепление стен с помощью утеплителя
Rockwool ВЕНТИ БАТТС системы вентилируемого фасада «Краспан». Выполнен
теплотехнический расчет ограждающих конструкций.
Внутренние стены выполнены из керамического
кирпича М150 на цементно-песчаном растворе М100. Перегородки из гипсокартона
«ТИГИ-KNAUF» толщиной 120 мм по ГОСТ 6266-97.
.4.2 Фундаменты
Существующие фундаменты здания сборные
железобетонные, ленточные.
Фундаменты укладываются на уплотненную песчаную
подготовку. Глубина заложения фундаментов -3.000м.
Ширина подушки 1,2 под наружные и внутренние
стены; под стену 640 мм блоки шириной 800 мм. Уровень грунтовых вод выше
подошвы фундаментов и расположен на глубине 1,5м от поверхности рельефа.
Горизонтальная гидроизоляция из двух слоев
рубероида на битумной мастике выполнена по всему периметру стен.
Для отвода поверхностных вод по периметру здания
устроена асфальтобетонная отмостка шириной 1000мм по гравийно-песчаному
основанию толщиной 150мм.
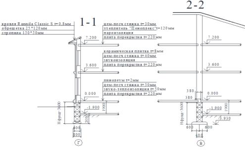
.4.3 Кровля
Конструкция крыши - стропильная. Кровля
запроектирована из металлочерепицы Rannila Classic S t=0.6мм по обрешетке из
сдвоенной доски сечением 50*150мм.
Ограждение кровли металлическое. На чердаке
предусмотрены 5 слуховых окон для проветривания.
.4.4 Перекрытия, лестницы
Перекрытия над этажами запроектированы из
сборных железобетонных плит. Плиты уложены по цементному раствору М100, швы
между ними заделаны раствором М100. Лестница состоит из лестничного марша и
площадок. Железобетонные наборные ступени по металлическим косоурам и площадки
из панелей перекрытия.
.4.5 Окна, двери и полы
Окна принимаются по ГОСТ 30674-99 [9] из
поливинилхлорида одинарной конструкции со стеклопакетом. Двери наружные
двупольные остекленные по ГОСТ 24698-81* [10]. Двери внутренние однопольные
остекленные принимаются по ГОСТ 23747-88 [11].
Полы запроектированы в соответствии с
санитарно-гигиеническими, архитектурными требованиями. В качестве покрытия
полов используются износостойкий линолеум, керамическая плитка.
.4.6 Внешнее и внутреннее оформление здания
Стены -вентилируемый фасад системы «Краспан»;
Подоконные фартуки - сливы - выполнить из
оцинкованной стали.
Внутренняя поверхность кирпичных стен
оштукатуривается улучшенной штукатуркой. Все строительные и отделочные
материалы безвредны для здоровья.
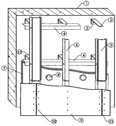
Рисунок 1.1 - Конструкция вентилируемого фасада
«КРАСПАН»:
- горизонтальный каркас; 2 - вертикальный
профиль с уплотняющей лентой;
- кронштейн; 4 - существующая стена здания; 5 -
теплоизоляция с гидро- и ветрозащитой; 6 - облицовочная плита.
Для отделки потолков в помещениях с обычным
режимом эксплуатации используют подвесной потолок «ARMSTRONG» и подшивной
потолок «ТИГИ-KNAUF».
Карниз и плинтус в этих помещениях -
керамические.
Внутренние двери и дверные откосы окрашиваются
масляной краской за 2 раза.
.4.7 Инженерное оборудование
Отопление
Проектом предусмотрена двухтрубная
горизонтальная система отопления с горизонтальным и вертикальным
распределением. В качестве нагревательных приборов в помещениях здания
администрации приняты стальные трубчатые радиаторы Arbonia и напольные
конвекторы Zehnder Radiavector (Германия). Регулирование температуры воздуха в
помещениях осуществляется с помощью термостатических вентилей, установленных на
радиаторах. Разводка системы отопления выполнена из металлопластиковых труб
Oventrop.
В качестве источника теплоснабжения принята
тепловая сеть.
Рисунок 1.2 - Напольные конвекторы Zehnder
Radiavector (Германия)
Водоснабжение
Так как пристройка представляет собой
дополнительный объем здания администрации и имеет небольшой санитарный узел, то
для холодного водоснабжения не нужно делать отдельный вход. Подсоединимся к
магистральной трубе диаметром 25 мм существующей системы. Магистральный
трубопровод будет идти по потолку цокольного этажа. Водопровод выполнен из
стальных электросварных труб.
Противопожарный водопровод совмещен с
хозяйственно-питьевым водопроводом. Секундный расход воды на одну струю - 2,5
л/с. На этажах установлены пожарные краны d=50мм. Наружное пожаротушение
предусмотрено от двух гидрантов, расположенных в существующих колодцах.
В здании предусмотрено горячее водоснабжение,
которое поступает от водонагревателя, расположенного в тепловом пункте.
Источником водоснабжения является существующий
водопровод по ул. Октябрьская.
Канализация
В соответствии с техническими условиями, сброс
стоков предусматривается в существующий коллектор бытовой канализации d=300 по
ул. Октябрьская. Сети бытовой канализации выполнены из труб ПВХ ГОСТ 18599-01
[14] d=150мм.
Смотровые колодцы приняты из сборных
железобетонных конструкций по типовому проекту 902-09-22.84 d=1000мм.
Вентиляция
Проектом предусмотрена вытяжная система
вентиляции с механическим побуждением. Приток воздуха в помещениях -
естественный через открывающиеся окна и форточки. Вентиляция помещений 1 и 2-го
этажей здания администрации осуществляется при помощи центробежного вентилятора
СТ 450-6 фирмы Systemair (Швеция), вытяжка из санузлов осуществляется при
помощи канального вентилятора. Вентиляционные агрегаты располагаются на чердаке
здания.
Удаление воздуха из помещений здания
администрации осуществляется через потолочные диффузоры ДПУ-М («Арктос»).
.5 Теплотехнический расчет ограждающих
конструкций
.5.1 Теплотехнический расчет стены
Рисунок 1.3 - Конструкция наружной стены
Место проектирования: Российская Федерация, Вологодская
область, с.Устье.
Данные по слоям:
Слой № 1: Фиброцементные плиты
Толщина слоя - 8 мм
Расчетный коэффициент теплопроводности - λут.=0,93
Вт/(м∙оС)
Слой № 2: Утеплитель - ROCKWOOL ВЕНТИ БАТТС
Толщина слоя - по расчету
Расчетный коэффициент теплопроводности - λут.=
0,045 Вт/(м∙оС)
Слой № 3: Кирпичная стена
Толщина слоя - 380 мм
Расчетный коэффициент теплопроводности - λут.=0,81
Вт/(м∙оС)
В соответствии с п. 5.3 [6] приведенное
сопротивление теплопередаче Rо ограждающих конструкций следует принимать не
менее нормируемых значений Rred, определяемых по табл. 4 [6] в зависимости от
градусо-суток района строительства Dd.
Определим градусо-сутки отопительного периода -
Dd в соответствии с [6] по формуле
= (tint - tht)∙zht, ˚С∙сут,
(1.5.1)
где tint - расчетная средняя температура
внутреннего воздуха здания, принимаемая по [4]:
= +18 ˚С;
- средняя температура наружного воздуха для
периода со средней суточной температурой наружного воздуха не более 8 ˚С,
принимаемая по [6]:
= -4,1 ˚С;
- продолжительность отопительного периода для
периода со средней суточной температурой наружного воздуха не более 8 ˚С,
принимаемая по [6]:
= 231 день;= (18-(-4,1))∙231=51051˚С∙сут.
Определим нормируемое значение сопротивления
теплопередаче наружной стены - Rred по табл. 4 [6]: Rred = 2,727 м2∙˚С/Вт.
Определим приведенное сопротивление
теплопередаче Rо в соответствии с п. 9.1 [13] по формуле
о = 1/αint+Rк+1/αext,
м2∙˚С/Вт, (1.5.2)
где αint
- коэффициент теплоотдачи внутренней поверхности ограждающей конструкции,
принимаемый по табл. 7 [6]:
αint = 8,7 Вт/(м2∙оС);
αext - коэффициент
теплоотдачи (для зимних условий) наружной поверхности ограждающей конструкции,
принимаемый по табл. 8 [4]:
αext = 23 Вт/(м2∙оС);
к - термическое сопротивление ограждающей
конструкции;
о = 1/8,7+0,38/0,81+0,008/0,93+1/23=0,636 м2∙˚С/Вт.
Определим толщину утеплителя t определим по
формуле
t = (Rred- Rо)∙
λут
, м,
(1.5.3)
t = (2,727-0,636)∙0,045=0,094 м
Принимаем толщину утеплителя t=100 мм.
1.5.2 Расчет утеплителя чердачного перекрытия
Рисунок 1.3 - Конструкция чердачного перекрытия
Для утепления чердачного перекрытия принимаем
плиты “ Rockwool ЛАЙТ БАТТС”. Плотность плит составляет 30кг/м3, коэффициент
теплопроводности l=0,041 Вт/м×К.
Размеры плит 1000х600 мм t= 50-200 мм, группа горючести-НГ.
Должно выполняться условие Rreqтр < Rreq= 0,9
по таблице 6 в соответствии с [4];
∆tn = 3 °C по таблице 5 в соответствии с
[4];
Градусо-сутки отопительного периода:
от= -4 °С;от= 221 сут/год;
в - расчетная температура
внутреннего воздуха здания, °С;
в= 23 °С.
ГСОП = (23 - (-4))∙221 = 5967
°С·сут/год.
Определим базовое значение
требуемого сопротивления теплопередаче ограждающей конструкции. Для чердачного
перекрытия жилого здания:
а=0,00045; b=1,9.=0,00045∙5967+1,9=4,585
м2·°С/Вт
Определим приведенное сопротивление
теплопередаче Rо. Для чердачного перекрытия αн = 12 Вт/(м2∙оС).
Конструкция по слоям:
1 слой - железобетонная плита
перекрытия t = 220 мм,
= 2,04 Вт/(м
×°С);
2 слой - теплоизоляция «Rockwool»,
=0,041 Вт/(м
×°С);
3 слой - цементно-песчаная стяжка t
= 30 мм,
= 0.93 Вт/(м
×°С);
м2.0С/Вт
х = 118 мм.
Принимаем толщину утеплителя
«Rockwool ЛАЙТ БАТТС» 120 мм.
.6 Основные решения по генеральному
плану
Генеральный план здания
администрации разработан с учетом зонирования территории и соблюдения
санитарных, противопожарных и технологических норм.
В составе рабочего проекта
разработан план благоустройства территории, который решен с учетом существующей
застройки. Проект благоустройства территории предусматривает:
проектируемые газоны засеять
травосмесью;
устройство парковки на 7м/м;
устройство тротуаров и площадок с
плиточным покрытием;
Ширина проезда принята 3,6м, радиус
закругления 6м. В конце проезда имеется возможность для маневра мусоровозной
машины. Проектируемые тротуары шириной 1,5м.
Расчет мест парковки:
Определим количество необходимых
парковочных мест. Согласно СНиП 2.07.01-89* приложение 9 [15] на 100 работающих
необходимо 5-7м/м. Парковка у здания администрации предполагает размещение
7м/м. Требованиями [15] на 1маш/место (наземные стоянки) предусматривается 25м2
, таким образом площадь парковки 175 м2.
.7 Технологические решения
Назначение проектируемого объекта:
административное здание.
Расчетные нормативы площадей
помещений административного здания приняты согласно [5].
В техническом этаже расположены:
водомерный узел, тепловой пункт, электрощитовая.
На первом этаже расположен вестибюль
с гардеробом и пунктом охпаны, временный и постоянный архивы, конференц-залы,
кабинеты общей площадью 314,3 м2, также актовый зал на 100 мест, санитарные
узлы и вспомогательные помещения.Первый и второй этажи соединяют две лестницы.
На втором этаже расположены:
кабинеты площадью 225,3 м2, приемные, кабинет главы администрации с комнатой
отдыха и санитарным узлом, кабинеты заместителей, зал совещаний на 30 мест и
конференц-зал на 70 мест.
2. РАСЧЕТНО-КОНСТРУКТИВНЫЙ РАЗДЕЛ
.1 Проверочный расчет фундамента здания
.1.1 Общая характеристика конструкции фундамента
Фундамент существующего здания ленточный.
Глубина заложения фундаментов -3,6 м.
В основании фундаментов залегают грунты: песок
средней крупности, супесь пластичная, суглинок тугопластичный, глина
текучепластичная.
Характеристики грунта представлены в таблице
2.1.
Таблица 3.1 - Характеристики грунтов
|
Наименование
грунтов
|
Плотность,
г/см3
|
Показа-тель
текучести
|
Коэффи-циент
пористости
|
Модуль
деформации, МПа
|
Удельное
сцепление, кПа
|
Угол
внутреннего трения, град.
|
Глубина
залега-ния, м
|
|
1.Песок
мелкий
|
1,8
|
-
|
0,59
|
24
|
3
|
34
|
0,8
|
|
2.Супесь
пластичная
|
2,1
|
0,56
|
0,56
|
12
|
25
|
19
|
2,0
|
|
3.Суглинок
тугопластичный
|
1,80
|
0,34
|
0,7
|
20
|
22
|
18
|
2,8
|
|
4.Глина
текучепластичная
|
1,70
|
0,48
|
0,76
|
-
|
15
|
6
|
10,0
|
Материал фундаментов: бетон класса В15. Здание
по уровню ответственности относится ко 2 уровню - нормальный уровень, поэтому
коэффициент γn, учитывающий
уровень ответственности, равен 1и в дальнейших расчетах учитываться не будет.
.1.2 Расчетные сечения для проверки фундамента
Расчет фундаментов производим по двум сечениям:
по наружной несущей стене;
по внутренней несущей стене.
Расчетные сечения представлены на рисунке 2.1.
Рисунок 2.1 - Расчетные сечения
.1.3 Сбор нагрузки на покрытие и перекрытие
Сбор нагрузки выполняется в табличной форме,
таблица 2.2
Таблица 2.2 - Сбор нагрузки на кровлю, кН/м2
Наименование
нагрузки Нормативная нагрузка
,

Расчетная нагрузка
|
,
|
|
|
|
|
1
|
2
|
3
|
4
|
|
Постоянная
|
|
1.
Кровля - оцинкованная сталь t=0,6мм ; ρ=7850
кг/м3
|
0,047
|
1,05
|
0,0495
|
|
2.
Обрешетка 25*120мм ρ=500
кг/м3 ; 0,8-коэффициент, учитывающий разреженность обрешетки
|
0,1
|
1,1
|
0,11
|
|
3.
Стропильные ноги 150*50 ρ=500
кг/м3
|
0,75
|
1,1
|
0,83
|
|
Итого
|
0,9
|
|
0,99
|
|
|
Временная
|
|
Снеговая
S0=0,7∙1∙1∙2,4∙1
|
1,68
|
1,4
|
2,35
|
|
Итого
|
2,58
|
|
3,34
|
|
|
|
|
|
|
|
Таблица 2.3 - Сбор нагрузки на междуэтажное
перекрытие, кН/м2
Наименование
нагрузки Нормативная нагрузка
, 
Расчетная нагрузка
|
,
|
|
|
|
|
Постоянная
|
|
1.Плитка
керамическая t=8мм ; ρ=20
кг/м3
|
0,16
|
1,2
|
0,192
|
|
2.
Цементно-песчаная стяжка t=40мм ; ρ=20
кг/м3
|
0,8
|
1,3
|
1,04
|
|
3.
Звукоизоляция
|
0,02
|
1,2
|
0,024
|
|
4.
Железобетонная плита t=110мм ; ρ=25
кг/м3
|
2,75
|
1,1
|
3,025
|
|
5.Вес
перегородок не менее 0,5 кПа в соответствии с п. 3.6 [1]
|
0,5
|
1,1
|
0,55
|
|
Итого
|
4,23
|
|
4,83
|
|
Временная
|
|
|
|
|
Общественные
здания с архивами
|
5
|
1,2
|
6
|
|
Итого
|
9,23
|
|
10,83
|
Таблица 2.4 - Сбор нагрузки на перекрытие
первого этажа, кН/м2
Наименование
нагрузки Нормативная нагрузка
, 
Расчетная нагрузка
|
,
|
|
|
|
|
1
|
2
|
3
|
4
|
|
Постоянная
|
|
1.Линолеум
t=2мм ; ρ=15 кг/м3
|
0,03
|
1,2
|
0,036
|
|
2.
Цементно-песчаная стяжка t=50мм ; ρ=20
кг/м3
|
1,0
|
1,3
|
1,3
|
|
3.
Слой звуко-теплоизоляции t=50мм ; ρ=8
кг/м3
|
0,4
|
1,2
|
0,48
|
|
4.
Железобетонная плита tприв=110мм ; ρ=25
кг/м3
|
2,75
|
3,025
|
|
5.Вес
перегородок не менее 0,5 кПа в соответствии с п. 3.6 [1]
|
0,5
|
1,1
|
0,55
|
|
Итого
|
4,68
|
|
5,43
|
|
Временная
|
|
|
|
|
Общественные
здания с архивами
|
5
|
1,2
|
6
|
|
Итого
|
9,68
|
|
11,39
|
Таблица 2.5- Сбор нагрузки от конструкции чердачного
перекрытия, кН/м2
Наименование
нагрузки Нормативная нагрузка
, 
Расчетная нагрузка
|
,
|
|
|
|
|
Постоянная
|
|
1.
Цементно песчаная стяжка t=30мм ; ρ=20
кг/м3
|
0,6
|
1,3
|
0,78
|
|
2.
Утеплитель «Roockwool» Лайт Баттс t=120мм ; ρ=30
кг/м3 ;
|
0,036
|
1,2
|
0,0432
|
|
3.
Пароизоляция - пленка ПВХ
|
0,01
|
1,2
|
0,012
|
|
4.
Железобетонная плита tприв=110мм ; ρ=25
кг/м3
|
2,75
|
1,1
|
3,025
|
|
Итого
|
3,396
|
|
3,864
|
|
Временная
|
|
Холодные
чердачные помещения
|
0,7
|
1,3
|
0,91
|
|
Итого
|
4,096
|
|
4,77
|
.1.4 Сбор нагрузки по сечениям
Сбор нагрузки по сечению 1-1
Полная нагрузка в сечении 1-1 будет
складываться:
Нагрузка от кровли, определяемая по формуле
, кН/м (2.6.1)
Нормативное значение:
N1n=qтб1n·l1/2·1/cosα=2,58∙2,8/2·1/cosα=4,02 кН/м;
Расчетное значение: N1= qтб1 ·l1/2·1/cosα = 3,34∙2,8/2·1/cosα=5,2 кН/м
Нагрузка от перекрытия, определяемая
по формуле
, кН/м (2.6.2)
Нормативное значение: N2 n = (9,23∙1+
9,68+4,096) ∙6/2 =69,02 кН/м;
Расчетное значение: N2 = (10,83∙1+11,39+4,77)∙6/2
= 80,97 кН/м
Нагрузка от наружной стены:
В наружной стене имеются оконные
проемы, что приводит к уменьшению нагрузки на фундамент. Необходимо ввести
коэффициент проемности (остекления). Вырезается фрагмент стены, представленный
на рисунке В сечении имеется оконный и дверной проемы, поэтому мы вводим
коэффициент остекления.
Коэффициент проёмности определяется
в соответствии с рисунком 2.2.
Рисунок 2.2- Схема для определения
проемности
Коэффициент проёмности
рассчитывается по формуле:
(2.6.3)
Нормативная нагрузка от стены определяется по
формуле:
(2.6.4)
Расчетная нагрузка от стены (по
рисунку 12) определяется по формуле (2.6.5)
(2.6.5)
Нагрузка от фундамента:
Высоту фундамента принимаем по
рисунку 2.1
Нагрузка от фундаментов определяется
по формуле = δф∙Нф∙1∙ρ∙ γf, кН/м
(2.6.6)
Нормативное значение: N4n =0,6∙3,63∙1∙24=52,27
кН/м;
Расчетное значение: N4=0,6∙3,63∙1∙24∙1,1=57,5
кН/м.
Рассчитываем полную нагрузку по
сечению 1-1:
Нормативная: N1-1=ΣN=4,02+69,02+47,37+52,27=172,68 кН/м;
Расчетная: N1-1=ΣN=5,2+80,79
+52,14+57,5=195,63кН/м.
Нормативное значение: N2 n = (9,23∙1+
9,68+4,096) ∙6 =138,04 кН/м;
Расчетное значение: N2 = (10,83∙1+11,39+4,77)∙6
= 161,94 кН/м
Нагрузка от стены:
Нормативная:
Расчетная:
Нагрузка от фундамента:
Нормативная:
Расчетная:
Полная нагрузка по сечению:
Нормативная:
251,69
Расчетная:
.1.5 Проверка несущей способности
фундаментов
По сечению 1-1 действует суммарная
нормативная нагрузка:-1=172,68 кН/м;
В данном сечении ширина подошвы
фундамента в=0,8м
Требуемая ширина подошвы фундамента
после реконструкции определяется по формуле:
По сечению 2-2 действует суммарная
нормативная нагрузка: -2=251,69
;
В данном сечении ширина подошвы
фундамента в=1,2м
2.1.6 Расчет осадки фундамента
(сечение 2 - 2)
Полученные значения ординат эпюры
природного давления и вспомогательной эпюры наносим на геологический разрез
(см. рис. 2.3). Ординаты эпюры дополнительного давления определяем по формуле
(2.6.7). Вычисление ведем в табличной форме (таблица 2.6).
Таблица 2.6 - Значения ординат эпюры
дополнительных давлений
|
|
|
α
|
|
Слой
основания
|
|
0
0,12 0,32
|
0
0,12 0,32
|
1
0,9931 0,9816
|
152
151 149,2
|
III
|
|
0,52
0,92 1,32 1,72 2,12 2,52 2,92 3,32 3,72 4,12 4,52 4,92 5,32 5,72 6,12 6,52
6,92 7,4
|
0,52
0,92 1,32 1,72 2,12 2,52 2,92 3,32 3,72 4,12 4,52 4,92 5,32 5,72 6,12 6,52
6,92 7,32
|
0,9482
0,8432 0,7211 0,6144 0,5281 0,4599 0,4062 0,3629 0,3277 0,2982 0,2734 0,2523
0,2342 0,2185 0,2044 0,1927 0,182 0,1705
|
144,13
128,2 109,61 93,4 80,3 70 61,74 55,2 49,8 45,33 41,56 38,35 35,6 33,2 31,1
29,3 27,7 25,92
|
IV
|
Давление на границах пластов основания
вычисляются интерполяцией. Полученные значения ординат эпюры наносим на
геологический разрез. В точке пересечения эпюры дополнительных давлений со вспомогательной
эпюрой находим нижнюю границу сжимаемой толщи. Т.к. пересечения нет, то Hc =7,4
м. Сжимаемую толщу по высоте разбиваем на слои таким образом, чтобы в пределах
каждого слоя был грунт одинаковой сжимаемости.
Определяем осадку каждого слоя:
см,(2.6.7)
где b - безразмерный коэффициент равный 0,8;
szp,i
- среднее значение доп. нормального напряжения в i-ом слое грунта;и Ei -
соответственно толщина и модуль деформации i-ого слоя грунта;- число слоев, на
которое разбита сжимаемая толща основания в пределах Hакт.
Толщину грунта ниже подошвы
фундамента разбиваем на условные слои hi , соблюдая условие: hi
0,4b
,
Основание на большую глубину сложено
однородным грунтом - глиной, поэтому при его расчленении на элементарные слои
не нужно учитывать границы между различными инженерно-геологическими элементами
szq,0 -
вертикальное напряжение от собственного веса грунта на уровне подошвы
фундамента.(z=0)
к Па, (2.6.8)
где gi - удельный вес грунта расположенного выше
подошвы;- толщина слоя.
Далее определяем дополнительное
(вертикальное) напряжение в грунте под подошвой фундамента по формуле
,кПа,(2.6.9)
Вычисляем ординаты эпюры природного
давления и вспомогательной эпюры 0,2
: на поверхности земли:
0,2
;
На контакте I и II слоев (глубина
0,8 м):
0,2
на контакте II и III слоев (глубина
2,0 м):
0,2
на контакте III и IV слоев (глубина
2,6 м):
0,2
в IV слое на уровне подземных вод
(глубина 3,0 м):
0,2
в IV слое (глубина 10 м):
0,2
Рисунок 2.3 - К расчёту осадки по
методу элементарного суммирования:
- эпюра природного давления грунта;
2 - эпюра дополнительного давления;
Дополнительных вертикальных
напряжений в грунте для различных глубин zi откладываемых от подошвы фундамента
определяем по формуле:
(2.6.10)
где a - коэффициент, принимаемый по табл. 1 [11] в
зависимости от формы подошвы фундамента, соотношения сторон прямоугольного
фундамента и относительной глубины, равной:
x=2×z/b(2.6.11)
Нижняя граница сжимаемой толщи
основания принимается на глубине z = Накт, где выполняется условие szp≈0.2×szq.
Под всеми осями осадка не
превосходит предельное значение(s=0.10м).
Средняя осадка
.
Осадка III слоя:
Осадка IV слоя:
Полная осадка фундамента:
что допустимо, т. к. s < |s| = 10
см.
.2 Расчет элементов стропильной
крыши
Расчет стропил выполняется согласно
[16]. Стропильные ноги рассчитывают как свободно лежащие балки на двух опорах с
наклонной осью. Нагрузка на стропильную ногу собирается с грузовой площади,
ширина которой равна расстоянию между стропильными ногами. Расчетная временная
нагрузка q должна быть расположена на две составляющие: нормальную к оси
стропильной ноги и параллельно к этой оси.
.2.1. Расчет обрешетки
Расчет обрешетки под кровлю из
металлочерепицы. Обрешетка из сосновых брусков. Шаг стропильных ног 0,8 м.
Уклон кровли i=26°. Принимаем
листы t=0.6мм.
Принимаем бруски 2 сорта с расчетным
сопротивлением R
=13х10
Па и модуль
упругости Е=1х10
Па. Условия
эксплуатации А1, m
=1, m
=1.2 - для
нагрузки при изгибе. Коэффициент надежности по назначению g
=1, плотность древесины r=500 кг/м
.
Коэффициент надежности по нагрузке от веса маталлочерепицы g
=1.05, от веса брусков g
=1,1. Расчетный вес снегового
покрова на 1м
S
=2400 Па.
Угол наклона кровли a=26°; cosa=0.939, sina=0.342.
Расчет обрешетки под кровлю ведется
на две комбинации загружения:
а) Равномерно распределенная
постоянная нагрузка от собственного веса обрешетки и сосредоточенная монтажная
нагрузка.
б) Равномерно распределенная постоянная
и временные нагрузки;
В качестве расчетной схемы обрешетки
принимается двухпролетная балка (рисунок 2.4). За грузовую площадь принимается
ширина равная шагу брусков.

Рисунок 2.4 - Расчётная схема
обрешётки:
а- при первом сочетании нагрузок; б-
при втором сочетании нагрузок
Расчет при первом сочетании нагрузок.
Принимаем шаг обрешётки а=0,25 м. Сечение
25х120мм.
Сбор нагрузок на обрешетку приведён в таблице
2.7
Таблица 2.7 - Сбор нагрузок на
обрешетку, Н/м
Постоянная
-металлочерепица 6х10
х78500
собственный
вес обрешетки (ориентировочно)
(0.025х0.12х5000)/0.25
.8
.05
,1
.94
|
55
|
|
|
|
|
Итого:
|
=112.8 =120.94
|
|
|
Временная
-снеговая нагрузка
|
 =16801,4 =2352
|
|
|
|
|
Всего:
|
1792.8
|
|
2472,94
|
Вертикальная нагрузка при первом сочетании
(постоянная + снеговая):
нормативное значение:
;
где а- шаг обрешётки, м.
расчетное значение
Наибольший изгибающий момент равен:
где М - изгибающий момент от
погонной нагрузки в обрешётке, Н·м;- погонная нагрузка, Н/м- расчётная длина
элемента обрешётки, равная шагу стропил 0,8м.
Момент сопротивления бруска:
где W - момент сопротивления бруска,
см3;- высота и ширина бруска, м.
Проверка прочности нормальных
значений при косом изгибе:
где Mx и My - составляющие расчетного
изгибающего момента относите
главных осей X и Y;=13 МПа - расчетное сопротивление древесины
изгибу;
gn=1
- коэффициент
надежности по назначению.
где R
-расчетное сопротивление изгибу
Момент инерции бруска:
,
где в-ширина бруска, см;высота
бруска, см.
Прогиб в плоскости, параллельный
скату:
где Е - модуль упругости балки (для
дерева 1010),- момент инерции бруска, см4.
Прогиб в плоскости, перпендикулярный
скату:
Полный прогиб:
Относительный прогиб:
Расчет по 2 сочетанию нагрузок.
Принимаем расчетное значение
монтажной сосредоточенной нагрузки Р=1200 Н,
Изгибающий момент равен:
Проверка прочности нормальных
сечений:
где Rи - расчётное сопротивление
древесины на изгиб,в - коэффициент условий эксплуатации,н - коэффициент
монтажной нагрузки.
gn=1
- коэффициент
надежности по назначению.
При расчете по второму сечению
проверка изгиба бруска не требуется.
Принимаем бруски сечением 25х120мм с
шагом 250мм.
.2.2 Расчет стропильной ноги
Стропильные ноги представляют собой
наклонные балки. При углах наклона кровли a>10° - в качестве расчетной схемы
принимают двух пролетную шарнирно-опертую балку с наклонной осью. Ширина
грузовой площади (а) равна шагу стропил (0,8м).
Высота стропил в коньке:
Длина верхнего и нижнего участков
стропильной ноги:
Длина подкоса:
Рисунок 2.5 - Расчетная схема двух
пролетных стропил
Таблица 2.8 - Сбор нагрузок на
стропильную ногу, Н/м
|
Наименование
нагрузок
|
q ,
Н/м g q,Н/м
|
|
|
|
1
|
2
|
3
|
4
|
Постоянная
1.Металлочерепица 6х10
х78500
.Обрешетка
0.025х0.12х5000/0.25
.Собственный
вес стропильной ноги (ориентировочно) 0.05х0.15х5000/0,8
.8
,75
.05
.1
.1
.94
|
103,125
|
|
|
|
|
Итого:
|
=206,55 =224,07
|
|
|
|
Временная
1.Снеговая
нагрузка
|
=16801,4S=2352
|
|
|
|
Всего:
|
=1886,55 =2576,07
|
|
|
Погонная нормативная нагрузка:

Погонная расчетная нагрузка:
где l - шаг стропильных ног.
Производим статический расчет
стропильной ноги как двух пролетной балки, нагруженной равномерно
распределенной нагрузкой.
Изгибающий момент равен:
Момент сопротивления сечения стропильной ноги:
Принимаем ширину стропильной ноги
=25x2мм
По сортаменту принимаем h=150 мм, W
x=375 см 3, I x=2813 см 4 .
Прочность сечения проверяем по
формуле:
Проверяем сечение в середине каждого
нижнего участка под действием момента М 1 и М 2 соответственно:
Проверяем напряжение на первом
участке:
Проверяем напряжение на втором участке:
Условие выполняется на втором
участке.
Проверка жесткости наклонной
стропильной ноги:
Условие выполняется оставляем
сечение 50х150мм.
3. ТЕХНОЛОГИЧЕСКИЙ РАЗДЕЛ
.1 Область применения
Технологическая карта разработана на устройство
вентилируемого фасада «КРАСПАН» для 2-этажного здания администрации с
пристройкой. Работы ведутся в одну смену.
Вентилируемые фасады - это многослойная
конструкция отделки наружных стен и утепления с вентилируемым воздушным зазором
между слоем наружной отделки фасада и слоем утеплителя. Система состоит из
несущего каркаса, утеплителя, фиброцементных плит "КРАСПАН" и ряда
фасонных элементов для устройства швов, оконных откосов.
Рисунок 3.1 - Схема установки вентилируемого
фасада:
- фасадная плита; 2 - вентилируемый зазор; 3 -
несущая подоблицовочная конструкция; 4 - утеплитель; 5 - наружная стена.
Система вентилируемого фасада «КРАСПАН» имеет
множество достоинств таких, как:
хорошая вентиляция стен здания;
защита от атмосферных осадков и перепадов
температур;
несложность монтажа;
возможность монтажа круглый год;
обеспечение хорошей звуко- и теплоизоляции;
долговечность;
большой ассортимент выбора цвета;
простота ухода во время эксплуатации;
красота и эстетичность здания
Для реконструируемого здания администрации были
выбраны фасадные плиты «КРАСПАН Фиброцемент Колор».
Архитектурные детали в виде поясов, обрамлений
проемов и карнизов выполняются из предварительно подготовленных стальных
оцинкованных листов. Эти детали крепят к несущему каркасу системы
вентилируемого фасада.
Основанием для системы вентилируемого фасада
«КРАСПАН» являются несущие наружные стены здания администрации из кирпича.
.2 Технология и организация выполнения работ
Работы по монтажу вентилируемого фасада
осуществляются в соответствии с требованиями [17], технических условий
разработчиков системы ,нормативных документов и рекомендаций по проектированию
и монтажу многослойных систем утепления фасадов зданий.
Работы по монтажу системы «КРАСПАН» осуществляют
компании, работники которых обладают навыками и имеют разрешение на выполнение
данных работ. В данной технологической карте установлена последующая
очередность исполнения основных технологических операций монтажа системы:
прием/сдача приготовленного к монтажу основания;
разделение сооружения на захватки, установление
режима и очередности передвижения монтажников с одной захватки на другую;
маркировка фасада, согласно которой будут
крепиться профили и кронштейны к основанию стены;
высверливание отверстий для дюбелей с целью
крепления кронштейнов к основанию с помошью анкерных болтов;
установка и соединение горизонтальных профилей
на крепления (кронштейны);
установка утеплителя в установленные
горизонтальные профили;
установка влаго- ветрозащитной пленки поверх
плит утеплителя;
установка вертикальных профилей;
монтаж отделочных фиброцементных плит.
Монтаж системы начинается с установки маяков,
согласно которых будут крепиться горизонтальные профили и кронштейны к
основанию. Маркировка маяков производится с помощью геодезических приборов,
отвеса и уровня. Крепление горизонтальных и вертикальных профилей, а также
кронштейнов в пределах одной захватки производиться снизу вверх и наоборот в
связи с установленными технологическими решениями.
Конструктивное решение стены показано на рисунке
3.2
Рисунок 3.2 - Схема конструктивного решения
фасадной системы "КРАСПАН":
- основание (наружная стена); 2 - кронштейны; 3
- анкерный болт; 4 - горизонтальный несущий профиль; 5 - вертикальный профиль;
6 - вертикальный профиль (половинный); 7 - утеплитель; 8 - дюбель для крепления
утеплителя; 9 - фасадная плита "КРАСПАН"; 10 - заклепка для крепления
фасадных плит; 11 - металлическая планка вертикального шва; 12 - паронитовая
прокладка
Уже после маркировки фасада в нем высверливают
отверстия для дюбелей с целью крепления к основанию кронштейнов НК1 с помощью
анкерных болтов АК. Установка дюбелей в швы кладки запрещена и расстояние от
центра дюбеля до ложкового шва ≥ 35мм, а до тычкового - 60мм.
Установка кронштейнов определяется проектом,
рекомендуемые шаги которых: по горизонтали - 600 мм, по вертикали - 995 мм и
595 мм (чередующийся шаг).
Несущий каркас содержит в себе соответствующее
компоненты:
крепления (кронштейны) НК 1;
вертикальные НК2, НК3 и горизонтальные НК4
профили;
контурные профили оконных откосов НК 5;
профили для отделки карнизов НК 6.
Кронштейны НК 1 являются более загруженными
компонентами каркаса и закрепляются с основанием с помощью анкерных болтов.
С целью ликвидации мостиков холода под
кронштейны устанавливают изолирующие паронитовые прокладки.
С помощью стальных заклепок на кронштейны крепятся
горизонтальные профили НК 4, которые являются основой для устройства
облицовочного слоя.
Установка плит утеплителя к профилям НК4
осуществляется пластмассовыми дюбелями тарельчатого типа.
В данном проекте используется негорючий плитный
утеплитель «Rockwool ВЕНТИ БАТТС», толщина которого определена теплотехническим
расчетом и составляет 100мм. Размеры минераловатных плит утеплителя «Rockwool
ВЕНТИ БАТТС» - 600x1000 мм.
Монтаж плит утеплителя ведется снизу вверх
плотно друг к другу.
Наиболее целесообразна устанавка горизонтальных
профилей с шагом равным высоте плит утеплителя с минусовым допуском (10-15мм),
что практически исключит обрезку плит утеплителя.
В данном проекте используется
влаго-ветрозащитная пленка «Tyvek», которая раскладывается с натягом по
поверхности плит утеплителя и фиксируется на стене с помощью дюбелей. Полотна
пленки укладываются в внахлест (150мм)и проклеиваются лентой на бутиловой
основе.
Рисунок 3.3 - Схема закрепления полотен пленки «Tyvek®»
Установка вертикальных профилей производится
после монтажа плит утеплителя, а проверка вертикальности и совпадения уровней
производится соответственно отвесом и уровнем.
Вертикальные профили НК 2 монтируются в местах
вертикальных стыков фасадных плит, а профили НК 3 (половинные) - в средней
части фасадных плит, конструкциях наружного и внутреннего углов здания и
боковых откосах окон. Соединение несущих вертикальных профилей производится с
зазором 15 мм, предусматривающим температурные деформации.
В период монтажа облицовочных плит необходимо
следить за чистотой воздушного зазора(t=60мм) позади плит.
Во время строительства и эксплуатации здания не
разрешается крепить непосредственно к отделочным плиткам каких-либо деталей или
устройств.
Между листами и вертикальными компонентами
каркаса вводится специализированная резиновая прокладка, в виде сплошной
полоски.
П-образный профиль НК6 используется в
конструкциях карнизов и служит для крепления плит карнизов к профилю.
.3 Требования к качеству и приемке работ
На всех этапах строительно-монтажных работ (СМР)
необходимо осуществлять производственный контроль качества СМР. Он состоит из:
- входного контроля рабочей документации, продуктов, конструкций, используемых
материалов и оснащения;
операционного контроля единичных строительных
процессов и производственных операций;
приемочный контроль циклов работ.
Контроль качества СМР осуществляется экспертами
или службами, входящими в структуру строительных организаций, оснащенными
техническими устройствами, обеспечивающими полную достоверность и
всесторонность контроля.
В рабочую документацию системы наружных
ограждений с вентилируемой воздушной прослойкой включаются следующие разделы:
пояснительная записка;
архитектурная часть;
конструкторская часть;
раздел с решением архитектурных деталей;
специальные части.
В пояснительную записку входят:
схема архитектурного решения фасадов и
элементов;
сведения о конструктивном решении системы;
сведения о постановлении устройств на фасаде;
данные об эффективности энергосбережения
установленных технических решений и результаты теплотехнических расчетов;
экологическая оценка системы;
технико-экономические показатели системы.
В архитектурную часть входят чертежи фасадов
здания и отдельных архитектурных узлов и элементов.
Конструкторская часть состоит из:
чертежей конструктивных элементов системы, с
узлами и деталями;
полной спецификации применяемых изделий и
материалов.
Специальная часть состоит из:
чертежей фасадов с привязкой мест размещения
специальных устройств;
узлов и деталей конструкций крепления этих
устройств на фасаде;
спецификации оборудования, изделий и материалов.
При входном контроле строительных конструкций,
материалов, продуктов, изделий и оснащения необходимо проверять внешним
осмотром их соответствие требованиям стандартов, рабочей документации, других
нормативных документов, наличие и содержание паспортов, сертификатов
соответствия, сроки годности, а также выполнение условий, определенных в
договорах на поставку.
Используемые системы вентилируемых фасадов
«КРАСПАН» должны иметь Техническое Свидетельство Госстроя РФ, при отсутствии
которого невозможно применение систем вентилируемых фасадов.
Результаты входного контроля отмечаются в
журнале учета результатов входного контроля.
Операционный контроль осуществляется в ходе
исполнения строительных процессов и производственных операций с целью
обеспечения своевременного выявления дефектов и принятия мер по их устранению.
Производственный операционный контроль качества
выполняется поочередно по операциям технологического процесса.
Качество производства работ обеспечивается
исполнением технических условий на производство работ, соблюдением
последовательности при выполнении взаимосвязанных работ, техническим контролем
работы.
При операционном контроле необходимо
контролировать выполнение заданной в проектах производства работ технологии
СМР; соответствие исполняемых работ строительным нормам и правилам, рабочим
чертежам.
Основными документами при операционном контроле
являются:
нормативные документы СНиП;
схемы операционного контроля качества;
технологические карты.
Приемочный контроль выполняется с целью проверки
и оценки качества завершенных строительством объектов, а также скрытых работ..
Все скрытые работы подлежат приемке с
составлением актов их освидетельствования, которые составляются на каждый
завершенный процесс непосредственно перед производством последующих работ.
Управление качеством СМР осуществляется
строительными организациями и включает мероприятия, средства и способы,
нацеленные на обеспечение соответствия качества СМР и законченных
строительством объектов требованиям проектной документации и нормативных
документов.
Контроль осуществляется производителем работ,
представителем проектной организации, представителем заказчика.
.4 Техника безопасности
Производство работ по монтажу
навесных фасадных систем (НФС) выполняется с обязательным соблюдением правил
техники безопасности, пожарной безопасности и охраны труда по требованиям [18]
<#"902930.files/image120.gif"> , (4.2)
где Рпож = 10 л/с − расход
воды на пожаротушение;
Рб = Рб' + Рб'' − расход воды
на бытовые; (4.3)
;
− расход воды на принятие
душа, (4.4)
где а - норма водопотребления на 1
человека пользующегося душем: при отсутствии канализации 30 литров, а при ее
наличии-80 литров;
к1 = 0,3
0,4 -
коэфф., учитывающий количество моющихся;= 0,75 ч - время работы душевой
установки в часах;
= 0,73
− расход воды на умывание,
принятия пищи и др. нужды, (4.5)
где b - норма водопотребления на 1
чел. в смену, при наличии канализации − 20 литров;
к2 = 1,2
1,3 - коэфф.
неравномерности потребления воды;= 8,2 ч - продолжительность смены;
= 0,072
Рб = 0,72 + 0,072 = 0,792
.
;
− расход воды на
производственные нужды, (4.6)
где 1,2 - коэффициент на неучтенные
потребности;
к3 = 1,3
1,5 -
коэффициент неравномерности водопотребления;
Σq = 190×570.24+8×4500 =
144345.6
;
= 8.8
Р = 10 + 0,5 × (0,792 +
8,8) = 14,8
Диаметр трубопровода временного
водопровода:
, (4.7)
где v = 2 м/с − скорость воды
во временном водопроводе;
= 98,53 мм,
Принимаем Д = 102 мм.
.10.2 Расчёт потребности в
электроэнергии
Требуемая мощность трансформатора
для строительной площадки определяется:
, (4.8)
где 1,1 − коэфф., учитывающий
потери в сети;
ΣРС, ΣРтех, ΣРОВ, ΣРОН −
сумма мощностей всех потребителей, см. в таблице 4.4;
сosφ1 = 0,6; сosφ2 = 0,75 −
коэфф. мощности, зависящие от загрузки потребителей;
к1 = 0,3
0,8; к2 =
0,7; к3 = 0,8; к4 = 1 - коэффициент спроса учитывающих не совпадение нагрузок;
Выбор монтажного крана
Вылет крюка крана определяем,
используя разрез.
,
где:
a - конструктивный размер, определяемый строительными чертежами и схемой
производства работ, a = 6,9м- размер, принимаемый равным 0,2 м.- размер,
определяемый по таблице 3 СНиП, принимается равным = 3,25м- конструктивный
размер конкретного крана, предварительно задаёмся величиной 2 м., с последующим
уточнением
Принимаем
кран МКГ-25БР грузоподъемность 25т, вылет стрелы 15м.
Таблица
4.4 Расчет потребности в электроэнергии
|
Наименование
|
Мощность,
кВт
|
|
Силовые
потребители: кран МКГ-25БР Технологические потребители: вибратор глубинный
И-18 сварочный аппарат ТД-300 электрокраскопульт СО-61 растворонасос СО-496
виброрейка СО-47 полотерная машина СО-37 Наружное освещение: прожектор
ПКН-1000 с лампой ПЖ-53 Внутреннее освещение: - помещения временные
|
60
0,8 20 0,27 4,0 0,6 1,1 4 20,9
|
= 93,6 кВт.
Принимаем одну передвижную
комплексную трансформаторную подстанцию закрытой конструкции:
СКТП-100-6/10/0,4 Р=100кВт
3,05x1,55м
Сечение проводов во временной электросети
из условия прочности принимаем 6 мм.
.10.3 Расчет потребности в сжатом
воздухе
Требуемая мощность компрессорной
установки:
= 1,3 × Sq × к, м3/мин
(4.9)
где Sq - суммарный расход воздуха приборами;
,3 - коэффициент учитывающий потери
в сети;
к - коэффициент одновременно
работающих аппаратов:
при 1 аппарате к = 1; 2 - 3 к = 0,9;
4 - 6 к = 0,8;= 1,3 × 3,4× 0,9 = 3,98
м3/мин.
Принимаем компрессоры ПКС-3М - 4 шт.
Определяем Ø подводящих
шлангов: 
= 5,0 см
.10.4 Расчет потребности в тепле
Общая потребность тепла для
строительных нужд:
, кДж/час (4.10)
где Q1 - расход тепла на отопление
здания;- расход тепла на технологические нужды;
к1 - коэффициент учитывающий потери
в сети, к1 = 1,15;
к2 - коэффициент неучтенные расходы
тепла, к2 = 1,2.
= a × q × V× (tв - tн), кДж/час (4.11)
где а - коэффициент зависящий от
расчетной температуры наружного воздуха: tн ³ - 10 0С Þ а = 1,2; tн ³ - 20 0С Þ а = 1,1; tн ³ - 30 0С Þ а = 1.- удельная тепловая характеристика
здания;- объем здания по наружному обмеру, м3;в и tн -расчетная температура
внутри помещения и наружного воздуха;= 0 - зависит от времени, вида и объема
работ.
= 1 × 1,6 × 5148 × (21 - (- 32)
= 436 550,4 кДж/часобщ = (436 550,4 + 0) × 1,15 × 1,2 = 602
439,6 кДж/час
.10.5 Расчет потребности в
транспортных средствах
Требуемое количество маш.-см. работы
автотранспорта:
, м-см (4.12)
где Q - количество перевозимого
однородного вида груза, т;
Рсм = пр × q × кгр −
сменная производительность транспортной единицы,т/см;
пр - количество рейсов в смену;-
паспортная грузоподъемность машины, т;
кгр - коэфф. использования
грузоподъемности машины в зависимости от вида груза, в данном случае равен 1;
, (4.13)
где nр- количество рейсов в смену;
Т - продолжительность смены, час;-
продолжительность погрузочно-разгрузочных операций, час;- расстояние перевозки,
км ; - средняя скорость движения транспорта, км/ч;
Для перевозки кирпича принимаем
машину КАМАЗ-5511 с грузоподъемностью q=10 т.
,
Рсм =7 × 10 × 1 = 70 т/см
,
Для возведения данного здания
требуется 648330 шт. кирпича. Принимаем массу 1 кирпича=4,7 кг.
=648330 ×
4,7/1000=3047,15 т.
, маш. см.
.11 Расчет площадей складов
материалов, изделий и конструкций
Требуется площадь склада для
хранения однородного груза:
, м2 (4.14)
, (4.15)
где Р - запас материалов в натуральных единицах
;- количество однородных материалов для объекта (в натуральных единицах);-
продолжительность выполнения работ с использованием данного материала, дн.;-
норма запаса материалов, дн.;
к - коэффициент неравномерности снабжения, к =
1,2;- норма хранения материала на 1 м2 площади;
кп - коэффициент учитывающий проходы на складах:
закрытые - кп = 0,5 - 0,7
открытые - кп = 0,4 - 0,5;
При автомобильных перевозках n = 2 - 5 дн.
Складские помещения:
Кирпич:=(648330/91,5)х3х1,2=25508
шт,=25508/750х0,5= 68,02 м2 в 2 яруса.
Фундаментные блоки:
=(570/36) х 3х 1,2=57 м3,=57/2,5х0,5= 45,6м2.
.12 Технико-экономические показатели
Механовооруженность труда:
М
, (4.16)
где N
-среднесписочное количество рабочих
на объекте в день.
С
=
, (4.17)
где С
- рыночная стоимость машины;
Т
- нормативная продолжительность
работы в году;время работы машины на объекте.
Для бульдозера:
С
=
руб.
Для экскаватора:
С
=
руб.
Для крана:
С
=
руб.
М
=13034 руб.
Энерговооруженность труда:
, (4.18)
где W
- мощность двигателя машины (кВт).
=6,4 кВт.
5. ТЕХНИЧЕСКАЯ ЭКСПЛУАТАЦИЯ ЗДАНИЙ
.1 Контроль технического состояния здания в
процессе эксплуатации
Контроль за техническим состоянием здания в
течение всего срока эксплуатации осуществляется при проведении осмотров здания
[2].
В процессе эксплуатации проводятся общие и
частичные осмотры:
общие, в ходе которых проводится осмотр здания в
целом;
частичные - осмотры, которые предусматривают
осмотр отдельных элементов здания и инженерного оборудования.
Общие осмотры должны производиться два раза в
год: весной и осенью (до начала отопительного периода).
Частичные осмотры будут проводиться в сроки,
указанные в таблице 5.1.
Таблица 5.1 - Сроки проведения частичных
осмотров
|
Элементы
и помещения здания и объекта
|
Периодичность
осмотров, мес.
|
Примечания
|
|
1
|
2
|
3
|
|
Крыши
|
3-6
|
|
|
Деревянные
конструкции и столярные изделия
|
6-12
|
|
|
Каменные
конструкции
|
12
|
|
|
Железобетонные
конструкции
|
12
|
|
|
Стальные
закладные детали с антикоррозийной защитой
|
Через
15 лет, затем через каждые 3 года
|
|
|
Вентиляционные
каналы
|
12
|
|
|
Внутренняя
и наружная отделка
|
6-12
|
|
|
Полы
|
12
|
|
|
Перила
и ограждающие решетки на окна лестничных клеток
|
6
|
|
|
Системы
водопровода, канализации, горячего водоснабжения
|
3-6
|
|
|
Системы
центрального отопления: -в основных функциональных помещениях объектов
коммунального и социально-культурного назначения -на чердаках, в подпольях,
на лестницах
|
3-6
2
|
Осмотр
проводится в отопительный период
|
|
Тепловые
вводы, котлы и котельное оборудование
|
2
|
|
|
Электрооборудование:
-скрытая электропроводка -светильники во вспомогательных помещениях (на
лестницах, в вестибюлях)
|
6
3
|
|
|
Системы
дымоудаления и пожаротушения
|
Ежемесячно
|
|
|
Внутридомовые
сети, оборудование и пульты ОДС
|
3
|
|
|
Лестницы,
тамбуры, вестибюли, подвалы, чердаки и прочие вспомогательные помещения
объектов коммунального и социально-культурного назначения
|
12
|
|
После ливней, ураганных ветров, обильных
снегопадов проводят внеочередной осмотр элементов зданий, а также в случае
аварий на внешних линиях оборудования, нарушающих условия нормальной
эксплуатации.
При осмотрах проводят визуальный и
инструментальный контроль конструктивных элементов и инженерного оборудования.
Перечень элементов, конструкций и технических
систем здания, подлежащих инструментальному контролю в процессе плановых и внеочередных
осмотров здания, следует принимать по таблице 5.2.
Таблица 5.2 - Инструментальный контроль
элементов здания
|
Конструкция
и измеряемый
параметр
|
Объем
измерений
|
Периодичность
|
|
Отмостка
|
|
Уклон
отмостки, %.
|
По
периметру здания в пяти местах по каждой стороне фасада.
|
|
|
Основания
и фундаменты
|
|
Деформации
оснований фундаментов.
|
По
периметру здания.
|
По
мере необходимости. Периодичность устанавливается проектной организацией, но
не реже 1 раза в год.
|
|
Стены
|
|
Ширина
раскрытия трещин.
|
Осмотр
всего фасада с измерением наиболее заметных повреждений.
|
|
Балконы
и выступающие части фасада
|
|
Уклон
верха балконной плиты (козырька). Ширина
раскрытия трещин
|
Осмотр
всех балконов, козырьков и других выступающих частей, измерение наиболее
заметных на глаз повреждений. То же.
|
Первый
осмотр через три года после начала эксплуатации и далее по мере
необходимости. То же
|
|
Техподполье
|
|
Температура
и влажность воздуха.
|
В
пределах одной секции
|
То
же
|
|
Крыша
|
|
Температура
и влажность воздуха в чердачном помещении.
|
В
пределах одной секции.
|
Ежегодно
при весеннем осмотре.
|
|
Жилые
и подсобные помещения
|
|
Температура
и влажность воздуха. Объем воздуха, удаляемого из помещения через
воздухоприемные устройства.
|
В
помещениях, в которых в течение года имелись жалобы. Тоже.
|
То
же. Ежегодно при весеннем или осеннем осмотре
|
|
Лестничная
клетка
|
|
Температура
воздуха
|
В
одной лестничной клетке на площадках 1, среднего и последнего этажей.
|
То
же
|
|
Закладные
металлические детали и связи крепления балконов, карнизных блоков, панелей
наружных стен
|
|
степень
повреждения коррозией.
|
Не
менее 5 узлов на фасадах различной ориентации, включая места, подвергавшиеся
длительному увлажнению.
|
В
период проведения сплошного обследования.
|
|
Деревянные
конструкции и детали
|
|
влажность
древесины, степень поражения дереворазрушающим и грибками.
|
В
одном из помещений или узлов конструкции подвергшихся длительному увлажнению.
|
В
период проведения сплошного обследования жилищного фонда.
|
|
Система
отопления
|
|
Температура
наружного воздуха. Температура
воды в подающем трубопроводе тепловой сети.
То
же, в обратном трубопроводе Температура
воды в подающем трубопроводе системы отопления. Температура
полотенцесушителей. Свободный
напор у водоразборных кранов Качество тепловой изоляции разводящей и
циркуляционной магистралей, стояков и теплотехнического оборудования
То
же, в обратном трубопроводе Температура
поверхности отопительных стояков у оснований (верхнего и нижнего).
Температура поверхности отопительных приборов температура поверхности
подводок (подающих и об ратных) к отопительным приборам.
Температура
воздуха в отапливаемых помещениях давление в подающем трубопроводе тепловой
сети.
|
В
районе здания. На узле
теплового ввода (пункта) до смесительного устройства (при его наличии) или
после вводной задвижки. На
узле теплового ввода (пункта) после смесительного устройства (при его
наличии) или перед вводной задвижкой. На узле теплового ввода (пункта) после
теплового пункта стояках. То
же В квартирах верхнего этажа на наиболее удаленных от теплового пункта
стояках На узле теплового ввода (пункта), чердак, техническое подполье,
контрольные квартиры устройства (при его наличии) На
узле теплового ввода (пункта) до смесительного устройства (при его наличии) Все
стояки. По два замера с интервалом 5 мин. В контрольных квартирах
То
же То же. На узле теплового ввода (пункта) до смесительного устройства (при
его наличии) или после вводной задвижке.
|
2
раза в год, при весеннем и осеннем (при пробном пуске) осмотрах То же. То
же. То
же. То
же. То же. То же. То же. То
же. То же.
То
же. То же. То же. То же.
|
|
То
же, в обратном. Давление в
подающем трубопроводе системы отопления То же, в обратном Качество
тепловой изоляции поводящей магистрали главного стояка и теплотехнического
оборудования (по проекту)
|
На
узле теплового ввода (пункта) после смесительного устройства (при его
наличии) или перед вводной задвижкой На
узле теплового ввода (пункта) после смесительного устройства. На узле
теплового ввода (пункта) до смесительного устройства. Чердак
или техническое подполье в зависимости от конструкции системы отопления (с
верхней или нижней разводящей магистралью); лестничная клетка, канал штроба и
т. п. (в зависимости от места прокладки главного стояка по проекту)
|
То
же. То
же. То
же.
|
|
Система
холодного водоснабжения
|
|
Давление
в подающем трубопроводе.
|
На
узле ввода.
|
То
же
|
|
Свободный
напор у водоразборных кранов
|
В
квартирах верхнего этажа на наиболее удаленных от ввода стояков
|
То
же
|
|
Система
горячего водоснабжения
|
|
Температура
воды в подающей магистрали тепловой сети То же, в обратном трубопроводе
Температура горячей воды, подаваемой на водоразбор Температура циркуляционной
воды. Температура сливаемой воды из водоразборных кранов.
|
В
местном тепловом пункте здания. Четыре замера с интервалом 1 ч То же На выходе
из водонагревателей II ступени или на вводе в здание То же, у нижних
оснований циркуляционных стояков. Контрольные квартиры и квартиры на наиболее
удаленных от ввода в здание.
|
2
раза в год, при весеннем и осеннем (при пробном пуске) осмотрах. То же. То
же. То же. То же, а в последующие годы 1 раз в год.
|
В состав работ при выполнении технических
осмотров входят:
а) Работы, выполняемые при проведении
технических осмотров и обходов отдельных элементов и помещений зданий:
устранение незначительных неисправностей в
системах водопровода и канализации;
устранение незначительных неисправностей в
системах центрального отопления и горячего;
устранение незначительных неисправностей
электротехнических устройств;
регулировка и наладка систем вентиляции;
очистка и промывка водопроводных кранов;
регулировка и наладка систем автоматического
управления инженерным оборудованием;
проверка наличия тяги в дымовентиляционных
каналах;
проверка заземления оболочки электрокабеля,
замеры сопротивления изоляции проводов;
осмотр пожарной сигнализации и средств тушения;
осмотр системы инженерной защиты объектов и
территории торгового центра.
б) Работы, выполняемые при подготовке зданий к
эксплуатации в весенне-летний период:
промывка и опрессовка системы центрального
отопления;
ремонт просевших отмосток.
в) Работы, выполняемые при подготовке зданий к
эксплуатации в осенне-зимний период:
утепление оконных проемов;
утепление входных дверей;
ремонт, регулировка и испытание систем
центрального отопления;
утепление и прочистка дымовентиляционных
каналов;
замена разбитых стекол окон и дверей;
утепление трубопроводов в подвальном помещении;
проверка состояния продухов в подвале;
ремонт и укрепление входных дверей.
г) Работы, выполняемые при проведении частичных
осмотров:
проверка наличия тяги в вентиляционных каналах;
смена прокладок в водопроводных кранах;
прочистка внутренней канализации;
укрепление расшатавшихся санитарно-технических
приборов, приборов в местах их присоединения к трубопроводу;
набивка сальников в вентилях, кранах, задвижках;
мелкий ремонт изоляции;
протирка электролампочек, смена перегоревших
электролампочек на лестничных клетках, чердаках и в технических подпольях;
устранение мелких неисправностей
электропроводки;
смена (исправление) штепсельных розеток и
выключателей;
смена перегоревших фонарей наружного освещения;
осмотр холодильного оборудования каждые 270
часов работы, проверка давления, устранение неисправностей электрооборудования;
устранение неисправностей полов торговых залов и
подсобных помещений (замена отдельных плиток, заделка трещин, затирка швов).
д) Прочие работы:
подготовка здания к праздникам;
озеленение территорий, уход за зелеными
насаждениями;
удаление с крыш снега и наледей;
очистка кровли от мусора, грязи, листьев;
уборка торговых, подсобных и вспомогательных
помещений;
уборка и очистка прилежащей территории;
мытье удаление пыли с окон, полов, лестничных
маршей, площадок;
удаление мусора из здания и его вывоз.
.2 Проведение текущих и капитальных ремонтов
Продолжительность эксплуатации до текущего и капитального
ремонта указана для нормальных и благоприятных условий эксплуатации [15].
Проведение текущего ремонта для
реконструируемого здания рекомендовано через 3-5 лет, а капитального ремонта
через 20-25 лет.
Текущий ремонт зданий
В соответствии с приложением 2 [15] текущие
ремонты рекомендуется проводить через 3-5 лет.
Общая площадь здания после реконструкции
составляет: S=1670м2.
Расчет продолжительности выполнен в табличной
форме, таблица 5.3.
Таблица 2.3 - Расчет продолжительности текущего
ремонта
|
Вид
текущего ремонта
|
Единица
измерения
|
Продолжи-тельность,
дн.
|
Фактическая
продолжи-тельность, дн.
|
|
Плановый
|
1000
м2 общей площади
|
22
|
37
|
|
Подготовка
к эксплуатации в весенне-летний период (с учетом наладочных работ)
|
1000
м2 общей площади
|
5
|
9
|
|
Подготовка
к эксплуатации в зимний период
|
1000
м2 общей площади
|
8
|
14
|
При выполнении текущего ремонта выполняются
следующие виды работ: реконструкция
здание конструкция фундамент
а) Работы по ремонту фундаментов:
заделка и расшивка швов, трещин;
устранение местных деформаций путем перекладки,
усиления;
восстановление участков гидроизоляции
фундаментов;
пробивка (заделка) отверстий, гнезд, борозд;
устройство и проверка вентиляционных продухов
смена или ремонт отмостки.
б) Работы по ремонту стен:
заделка трещин, расшивка швов, перекладка
отдельных участков кирпичных стен;
пробивка (заделка) отверстий, гнезд, борозд;
смена элементов фасада (панели Краспан),
укрепление, утепление;
в) Работы по ремонту перекрытий:
временное крепление перекрытий;
окраска металлических элементов перекрытия;
заделка швов в стыках сборных железобетонных
перекрытий, деформационных швов монолитных участков.
г) Работы по ремонту крыши:
все виды работ по устранению неисправностей
(кроме полной замены покрытия), включая все элементы примыкания к конструкциям,
покрытия парапетов, колпаки и зонты под трубами;
укрепление и замена водосточных труб и мелких
покрытий по фасаду;
устройство или восстановление слоя
гидроизоляции.
д) Работы по ремонту окон и дверей:
смена, восстановление отдельных элементов,
частичная замена оконных и дверных заполнений;
смена оконных и дверных приборов.
е) Работы по ремонту лестницы:
заделка выбоин, трещин ступеней и площадок;
замена отдельных ступеней, проступей, подступенков;
частичная замена и укрепление металлических
перил.
ж) Работы по ремонту полов и внутренней отделки:
замена отдельных участков покрытия полов;
замена (устройство) гидроизоляции полов в
отдельных санитарных узлах с полной заменой покрытия
восстановление штукатурки стен и потолков
отдельными местами;
восстановление облицовки стен и полов
керамической и другой плиткой отдельными местами.
з) Работы по ремонту наружной отделки:
восстановление участков штукатурки и облицовки
существующего здания;
укрепление или восстановление облицовочных
панелей системы Краспан.
и) Работы по ремонту центрального отопления:
схема отдельных участков трубопроводов, секций,
отопительных приборов, запорной и регулировочной арматуры;
утепление труб, приборов, восстановление разрушенной
теплоизоляции;
смена при необходимости арматуры,
контрольно-измерительных приборов;
промывка радиаторов (по стояку) и в целом
системы центрального отопления;
регулировка и наладка систем центрального
отопления.
к) Работы по ремонту водопровода и канализации:
уплотнение соединений, устранение течи,
утепление, укрепление трубопроводов, ликвидация засоров, смена отдельных
участков трубопроводов, гидравлическое испытание системы, ликвидация засоров;
смена отдельных водоразборных кранов,
смесителей, душей, запорной арматуры, умывальников, унитазов;
замена внутренних пожарных кранов.
л) Работы по ремонту электроснабжения и
электротехнических устройств:
замена неисправных участков электрической сети
здания.
замена вышедших из строя электроустановочных изделий
(выключатели, розетки), светильников;
замена предохранителей, автоматических
выключателей, пакетных переключателей вводно-распределительных устройств,
щитов,
м) Работы, связанные с внешним благоустройством:
восстановление разрушенных участков тротуаров,
проездов, наливных дорожек и площадок, отмосток по периметру здания;
разработка детской площадки, площадок для отдыха
взрослого населения, для отдыха персонала;
устройство и восстановление газонов, клумб,
посадка деревьев и кустов, посев трав;
укрепление, замена отдельных участков ограждений
у площадок и навесов для контейнеров-мусоросборников и т.д.;
восстановление дорожной разметки территории
стоянки автомашин.
н) Разные работы:
регулировка и наладка систем автоматического
управления инженерным оборудованием, систем диспетчеризации, дымоудаления и
пожаротушения.
.2.2 Проведение капитального ремонта зданий
Капитальный ремонт зданий - замена или
восстановление отдельных частей или целых конструкций (за исключением полной
замены основных конструкций, срок которых определяет срок службы здания в
целом) и инженерно-технического оборудования зданий в связи с их физическим
износом и разрушением, а также устранение, в необходимых случаях, последствий
функционального (морального) износа конструкций и проведения работ по повышению
уровня внутреннего благоустройства, т. е. проведение модернизации зданий.
Капитальный ремонт подразделяется на 2 вида;
комплексный капитальный ремонт (это ремонт с
заменой конструктивных элементов и инженерного оборудования и их модернизацией.
Он включает работы, охватывающие всё здание в целом или его отдельные секции,
при котором возмещается их физический и функциональный износ);
выборочный капитальный ремонт (это ремонт с
полной или частичной заменой отдельных конструктивных элементов зданий и
сооружений или оборудования, направленные на полное возмещение их физического и
частично функционального износа).
Таблица 5.4 - Минимальная продолжительность
эксплуатации конструкций и продолжительность эксплуатации до капитального
ремонта
|
Элементы
зданий
|
Нормативный
срок службы в годах
|
Срок
службы до кап.ремонта в годах
|
|
1
|
2
|
3
|
|
А.
Конструктивные элементы и внутренняя отделка зданий
|
|
1.Фундаменты-ленточные
железобетонные
|
125
|
60
|
|
2.
Стены - каменные обыкновенные
|
125
|
40
|
|
3.
Перекрытия - железобетонные сборные - железобетонные монолитные
|
125
125
|
80
80
|
|
4.
Полы: -из линолеума -цементные с мраморной крошкой -из керамогранитной
плитки по бетонному основанию
|
20
80 40
|
5
20 30
|
|
5.
Несущие элементы крыши
|
50
|
50
|
|
6.
Кровля: - из оцинкованной стали - система водоотвода: система HUNTER
|
25
12
|
15
5
|
|
7.
Перегородки: - кирпичные оштукатуренные
|
60
|
60
|
|
8.Окна
и двери -Оконные заполнения: -Дверные заполнения: входные внутренние двери
|
40
40 50
|
30
30 35
|
|
9.
Внутренние отделочные работы: облицовка керамическими
плитками оклейка обоями окраска безводными составами стен, потолков, полов
радиаторов, трубопроводов
|
30
8 5
|
30
4 3
|
|
10.
Отделка фасадов здания - Система КРАСПАН Стоун
|
20
|
10
|
|
Б.Инженерное
оборудование здания
|
|
11.
Водопровод и канализация: -полипропиленовые трубы
(канализация) -водоразборные краны -полиэтиленовые и стальные трубы (в/пр)
-туалетные краны -умывальники керамические -унитазы керамические -задвижки и
вентили из чугуна -водомерные узлы
|
40
15 30 5 20 15 8 15
|
30
5 25 5 15 10 8 10
|
|
12.
Центральное отопление, горячее водоснабжение:
нагревательные приборы, радиаторы трубопроводы горячей воды изоляция
трубопроводов смесители вентили и пробковые краны из латуни трубопроводы
(стояки) трубопроводы (магистрали) задвижки вентили
|
40
30 10 10 15 30 20 10 10
|
35(25)
15 10 8 12 25 12 8 8
|
|
13.
Вентиляция: вытяжные каналы
|
30
|
30
|
|
14.
Электрооборудование: электропроводка скрытая
вводно-распределительные устройства внутренние сети при скрытой проводке сеть
освещения помещений производственно-технического назначения
|
30
30 30 10
|
20
20 15 10
|
При капитальном ремонте выполняются следующие
виды работ:
обследование здания и изготовление
проектно-сметной документации (независимо от периода проведения ремонтных
работ);
ремонтно-строительные работы по смене, восстановлению
или замене элементов здания (кроме полной замены каменных и бетонных
фундаментов, несущих стен и каркасов);
модернизация здания при их капитальном ремонте
(перепланировка с учетом расширения торговой площади за счет вспомогательных
помещений);
полная замена существующих систем центрального
отопления, горячего и холодного водоснабжения;
благоустройство прилежащей территории
(замощение, асфальтирование, озеленение, устройство ограждений, оборудование
хозяйственно-бытовых площадок);
утепление наружных ограждений здания (работы по
улучшению теплозащитных свойств ограждающих конструкций, устройство оконных
заполнений с тройным остеклением);
авторский надзор проектных организаций за
проведением капитального ремонта здания с полной или частичной заменой
перекрытий и перепланировкой.
5.3 Мероприятия, предусмотренные для
маломобильных групп населения
При проектировании административного здания
учитывались требования СНиП 31-06-2009 «Общественные здания и сооружения»,
СП59.13330.2012 «Доступность зданий и сооружений для маломобильных групп
населения», СНиП 35-103-2001 «Общественные здания и сооружения, доступные
маломобильным посетителям».
Указанные нормативные документы разработаны в
соответствии с принципами Конвенции ООН о правах инвалидов и устанавливает
требования по доступности зданий, сооружений и объектов инфраструктуры для
маломобильных групп населения.
В соответствии с требования данных документов
вход на участок следует оборудовать доступными для маломобильных групп
населения элементами информации об объекте. На всём протяжении пешеходного пути
имеющиеся перепады, выполненные в виде лестниц, должны быть продублированы
пандусами. Лестницы и пандусы ограждаются перилами. Опасные для инвалида
участки следует огораживать бортовым камнем высотой не менее 5 см.
Рисунок 5.1 - Схемы пандусов
В местах пересечения пешеходных путей с проезжей
частью улиц и дорог высота бортового камня тротуара не должна превышать 4 см.
Съезды с тротуаров должны иметь уклон не более 1:10. Толщина швов между
бетонными плитами - не более 1,5 см.
Максимальная высота одного подъема (марша)
пандуса не должна превышать 0,8 м при уклоне не более 8%.
В случае невозможности оборудования пандуса
должна быть установлена кнопка вызова, которая располагается на высоте от 0,85
до 1 м от уровня земли и на расстоянии не менее 0,4 м от выступающих частей
(например, первой ступеньки лестницы). Кнопку вызова следует выполнить в
антивандальном исполнении (утопить в стене и т.д.), защитить от осадков. Кроме
того, предусмотреть возможность подъезда на коляске к кнопке вызова, обозначив
пиктограммой «Инвалид».
В здании должен быть как минимум один вход
доступный для маломобильных групп населения, который должен быть обозначен
знаком доступности. Дверь должна открываться в сторону, противоположную от
пандуса; ширина дверного проема должна быть не менее 90 см.
Двери в здании и помещения на путях движения не
должны иметь порогов, а при необходимости их устройства, высота порога не
должна превышать 2,5 см.
Визуальная информация для инвалидов по зрению
должна быть выполнена крупным (высота прописных букв не менее 7,5 см)
рельефно-контрастным шрифтом (на белом или жёлтом фоне) и продублирована
шрифтом Брайля. Звуковая информация для инвалидов по слуху должна быть продублирована
на светодинамических табло или других средствах вывода оперативной информации.
Поручни лестниц должны быть непрерывны по всей
длине; завершающие части поручня должны быть длиннее марша или наклонной части
пандуса на 30 см, высота поручней - 90 см; на верхней или боковой внешней по
отношению к маршу, поверхности поручней перил должны предусматриваться
рельефные обозначения этажей.
Размеры цифр должны быть, не менее: ширина -
0,01 м, высота - 0,0 15 м, высота рельефа цифр - не менее 0,002 м.
Для предупреждения инвалидов по зрению о начале
лестничного марша необходимо выделить контрастным цветом (желтым или белым)
нижнюю и верхнюю ступени. Ступени должны быть глухие, ровные, с нескользящей
поверхностью, одинаковой геометрии.
Вдоль обеих сторон всех лестниц устанавливаются
ограждения с поручнями на высоте 0,9 и 0,7 м. Для детей дошкольного возраста
поручни устанавливаются на высоте 0,5 м.
Помещения, предназначенные для пребывания
граждан с ограниченными возможностями должны быть оснащены визуальной, звуковой
и тактильной информацией.
Во всех зданиях, где имеются санитарно-бытовые
помещения, должны быть предусмотрены специально оборудованные для маломобильных
групп населения места в раздевальных, универсальные кабины в уборных и душевых,
ванных. Универсальная кабина уборной общего пользования должна иметь размеры не
менее, м: ширина - 1,65; глубина - 1,8. Не менее одной из раковин в умывальной
при общественном туалете устанавливается на высоте не более 0,8 м от уровня
пола и на расстоянии от боковой стены не менее 0,2 м. В туалетных, ванных и
других местах общего пользования, где установлены раковины умывальников,
следует предусматривать поручни для опоры инвалидов при пользовании
умывальников.
Для маломобильных посетителей следует применять
унитазы с высотой от уровня пола до верха сидения не ниже 450 мм и не выше 600
мм. Возле унитаза следует предусмотреть пространство для размещения
кресла-коляски; должны присутствовать поручни (один стационарный, один
откидывающийся). Кабина туалета должна быть оборудована поручнями, которые
следует располагать на высоте 0,75 м, а также крючками для одежды, костылей и
т.п. Дверь санитарно-гигиенической комнаты должна открываться наружу; замок
двери санитарно-гигиенической комнаты должен предусматривать возможность открытия
снаружи при наступлении экстренного случая. В кабине туалета должно быть
предусмотрено наличие кнопки вызова экстренной помощи.
Установлено, что на каждой стоянке (остановке)
автотранспортных средств, в том числе около предприятий торговли, сферы услуг,
медицинских, спортивных и культурно-зрелищных учреждений, выделяется не менее
10 процентов мест (но не менее одного места) для парковки специальных
автотранспортных средств инвалидов, которые не должны занимать иные
транспортные средства. Местами для парковки специальных автотранспортных
средств инвалиды пользуются бесплатно.
Принимая во внимание положения действующих
строительных норм и правил Российской Федерации, к местам парковочных мест для
инвалидов должен быть обеспечен беспрепятственный доступ, исключающий высокие
бордюры, узкие проходы (проезды); ширина зоны для парковки автомобиля инвалида
должна быть не менее 3,5 м.; парковочное место выделяется разметкой (желтого
цвета) и обозначается специальными символами (пиктограмма «Инвалид»); съезд
(пандус схода) инвалида на коляске с тротуара на парковку должен быть
оборудован путем понижения бордюра; стоянка, оборудованная для инвалидов,
должна быть обозначена специальным дорожным знаком.
Исходя из вышеперечисленных требований в
реконструируемом здании администрации предусмотрены следующие условия:
центральное крыльцо административного здания
имеет пандус с уклоном 1:12 с поручнями;
входные двери в проектируемый центр имеют ширину
более 0,9м и не имеют порогов;
перепад высот между уровнем первого этажа и входного
тамбура (также тамбура и крыльца) составляет 0,025м, нижняя часть дверных
полотен центрального входа на высоту 0,3м от уровня пола защищена
противоударной полосой;
на первом этаже здания с входом непосредственно
из вестибюля расположено помещение для дежурного приема маломобильных
посетителей. Дверной проем не имеет порогов шириной 1м и перед входом в
помещение есть буферная зона 1,6*1,8м;
высота бортового камня в месте пересечения
тротуара, площадок с проезжей частью не превышает 3см, что облегчает
перемещение маломобильных групп населения;
личный автотранспорт инвалида может подъехать
непосредственно ко входу в административное здание.
6. БЕЗОПАСНОСТЬ ЖИЗНЕДЕЯТЕЛЬНОСТИ
.1 Расчет времени эвакуации
Расчетное время эвакуации людей из здания администрации
определяется согласно расчету времени движения 1 или нескольких людских потоков
через эвакуационные выходы от наиболее удаленных зон размещения людей в
соответствии с [44].
При расчете весь путь перемещения потока людей
подразделяется на участки (дверной проем, коридор, проход, лестничный марш,
тамбур) длиной li и шириной δi.
Исходными участками являются проходы среди рабочих мест, оснащения, рядов
кресел.
Для определения расчетного периода длина и
ширина каждой зоны пути эвакуации принимаются в соответствии с
архитектурно-строительными решениями. Протяженность пути в дверном проеме равна
0.
Также при расчете времени эвакуации следует
принимать во внимание интервал времени от возникновения пожара до начала
эвакуации людей, тнэ, которое определяется в соответствии с таблицей 1.1
(Приложение 1)
Расчётное время эвакуации людей:
, (6.1)
где
- время перемещения потока людей на
1 участке, мин;
- время перемещения потока людей на
каждом из следующих после 1 участка пути, мин.
Время перемещения потока людей по 1
участку пути:
, (6.2)
где
- скорость перемещения потока людей
по горизонтальному пути на 1 участке, зависит от плотности D, м/мин.
Плотность потока
на 1
участке пути, имеющем длину
и ширину
, равна:
, (6.3)
где
- количество людей на 1
участке;средняя площадь горизонтальной проекции человека.
=23*0.1/8=0,29 чел. ;
=5 м/мин;
=100 м/мин;
=8/100=0,08 мин.
Значение скорости
перемещения
потока людей на участках пути, следующих после 1-го, принимаем по таблице в
зависимости от интенсивности перемещения потока людей по каждому из этих
участков пути:
, (6.4)
где
- ширина рассматриваемого (i) и
предшествующего ему (i-1) участка пути, м;
- значения интенсивности перемещения
потока людей по рассматриваемому (i) и предшествующему (i-1) участкам пути.
м/мин;
значение интенсивности перемещения
потока людей на 1 участке пути
определяется согласно таблице по
значению
. Если
≤
, то время
перемещения по участку пути:
. (6.5)
При этом
необходимо
принимать: для горизонтальных путей 16.5 м/мин, при передвижении по лестнице
вниз 16.0 м/мин. Если
>
, то ширину
данного
участка пути необходимо увеличивать на такую величину, чтобы выполнялось
условие
≤
. При
невозможности соблюдения условия интенсивность и скорость перемещения потока
людей по участку пути (i) определяют согласно таблице по значении D≥0.3.
При слиянии в начале участка (i)
2-ух и более потоков людей интенсивность передвижения людей:
(6.6)
где
- интенсивность перемещения потока
людей, сливающихся в начале участка (i), м/мин;
- ширина участка пути до слияния, м;
- ширина (i) участка пути, м.
=2*(32,34*1,5)/1,3=37,3 м/мин (16.0
м/мин ).
=8 м/мин;
=16,0/8=2
мин
0,08+0,37+2=2,45 мин.
Вывод: полученное время эвакуации не
превышает предельного, равного 3 минуты (в соответствии со СНиП).
6.2 Действия персонала в чрезвычайных ситуациях
Весь персонал вне зависимости от должности,
обязан знать и выполнять порядок действий при угрозе возникновения чрезвычайных
ситуаций (ЧС) мирного и военного времени и не допускать действий, вызывающих
угрозу жизни персонала и посетителей.
ЧС техногенного и природного характера могут
возникать внезапно или после различного по длительности периода угрозы
возникновения. Период опасности возникновения ЧС должен быть в максимальной
мере использован для полного избежание ЧС или уменьшения вероятного ущерба. С
данной целью, отталкиваясь от режима функционирования территориальной или
местной подсистемы Единой государственной системы предупреждения и ликвидации
ЧС (РСЧС), малый объект переводится в режим повышенной готовности или в
чрезвычайный режим.
При смещении ситуации в худшую сторону и
получении данных об угрозе возникновения ЧС на время приостановить
осуществление повседневных задач и сконцентрировать все силы на выполнении
работ по предотвращению или уменьшению последствий возникшей опасности в
соответствие с таблицей 6.1.
Таблица 6.1- Мероприятия по предотвращению ЧС
|
Мероприятие
|
Время
выполнения
|
|
1
|
2
|
|
В
случае срабатывания взрывного устройства
|
|
1
|
Незамедлительно
перейти к организации и производству аварийно-спасательных и иных срочных
работ (АСДНР), проинформировать о факте взрыва оперативному инспектору
Управления по делам ГО и ЧС
|
Незамедлительно
|
|
При
возникновении пожара
|
|
1
|
Незамедлительно
проинформировать о появлении пожара в пожарную охрану города
|
Незамедлительно
|
|
2
|
Организовать
локализацию и ликвидацию пожара имеющимися средствами и силами
|
Незамедлительно
|
|
3
|
Отключить
подачу электроэнергии
|
Ч
+ 5 мин.
|
|
4
|
Эвакуировать
людей из прилегающих к месту пожара помещений
|
Ч
+ 15 мин.
|
|
5
|
Отключить
вентиляционные системы, закрыть окна и двери в районе возникновения пожара
|
Ч
+ 15 мин.
|
|
6
|
Начать
вынос документации и имущества из помещений, прилегающих к месту пожара
|
Незамедлительно
|
|
7
|
Организовать
тщательный контроль всех задымленных и горящих помещений с целью выявления
потерпевших людей, оказать пострадавшим первую медицинскую помощь и доставить
их в ЛПУ
|
Незамедлительно
|
|
8
|
Организовать
приезд пожарной команды, проинформировать старшего пожарной команды о
сведениях, об очаге возгорания и принятых мерах
|
по
прибытию
|
|
9
|
Установить
охрану за вынесенной документацией и имуществом
|
с
момента выноса
|
|
10
|
Сообщить
о сложившейся ситуации, числе пострадавших и принятых мерах по устранению
пожара в Управление по делам ГО и ЧС округа, окружную комиссию по ЧС
|
Ч
+ 30 мин.
|
|
При
аварии на энергетических, инженерных и технологических системах объекта
|
|
1
|
Проинформировать
персонал объекта и обеспечить его вывод из опасной зоны
|
Ч
+ 1 5 мин.
|
|
2
|
Сообщить
об аварии инспектору по Управлению по делам ГО и ЧС округа и, по
необходимости, вызвать аварийные бригады соответствующих служб города
|
Ч
+ 30 мин.
|
|
3
|
Установить
пострадавших при аварии и оказать им первую медицинскую помощь и доставить в
ЛПУ
|
Ч
+ 1 час.
|
|
4
|
Организовать
вынос документации и имущества из прилегающих к месту аварии помещений
|
по
обстановке
|
|
5
|
Подготовиться
к эвакуации по необходимости персонала
|
по
обстановке
|
|
При
стихийных бедствиях
|
|
1
|
Осуществить
непрерывный контроль состояния окружающей среды и происходящих в ней
изменений
|
постоянно
|
|
2
|
Остановить
производственную деятельность объекта, вывести посетителей за его территорию.
Не допускать паники персонала и запретить сотрудникам покидать служебные
помещения
|
Незамедлительно
|
|
3
|
Организовать
противопожарные мероприятия, отключить неиспользуемое оборудование, следить
за состоянием помещений объекта
|
Ч
+ 10 мин.
|
|
4
|
При
смещении ситуации в худшую сторону или угрозе затопления вывести материальные
ценности, документацию и имущество из опасной зоны
|
по
обста-новке
|
|
5
|
Оказать
первую медицинскую помощь пострадавшим и направить их в ЛПУ. Осуществить
жизнеобеспечение сотрудников объекта
|
постоянно
|
|
6
|
Организовать
непрерывную связь с Управлением по делам ГО и ЧС округа, окружной комиссией
по ЧС
|
постоянно
|
|
При
массовых пищевых отравлениях и особо опасных ситуациях
|
|
1
|
В
случае возникновения признаков массового отравления сотрудников или других
инфекционных заболеваний незамедлительно вызвать скорую медицинскую помощь
|
по
факту
|
|
2
|
Оказать
помощь бригаде скорой медицинской помощи в оказании срочной помощи
пострадавшим
|
Незамедлительно
|
|
3
|
Сообщить
о признаках заболевания или инфекции в Управление по делам ГО и ЧС
муниципального образования, комиссию по ЧС
|
Ч
+ 10 мин
|
|
4
|
При
возникновении в округе инфекционных заболеваний обеспечить строгое выполнение
сотрудниками объекта противоэпидемических требований, предписанных
Управлением здравоохранения и Санитарно-эпидемиологической службой округа
|
Постоянно
|
|
|
|
|
7. ЭКОЛОГИЧЕСКИЙ РАЗДЕЛ
.1 Мероприятия по обеспечению экологических
требований при реконструкции здания общественного назначения
При разработке проектной документации объектов
строительства и реконструкции здания администрации вопросы о защите от шума и
вибрации рассматриваются и документально заверяются в последующих разделах:
"Технологические решения": при выборе
технологического оборудования, оснащения и мест его размещения в производственных
цехах и на территории предприятия, обеспечивающих предельно вероятное
сокращение шума на рабочих местах. По мере возможности следует выбирать
малошумное оборудование.
"Строительные решения" по результатам
акустического расчета уровней шума на рабочих местах дается оценка соответствия
расчетных уровней и допустимых уровней шума. В случае превышения последних
следует организовать строительно-акустические мероприятия по защите от шума;
"Архитектурно-строительные решения"
выполняются расчеты уровней шума в помещениях и нормируемых уровней шума.
Определяется требуемая звукоизоляция воздушного и ударного шума ограждающими
конструкциями здания и разрабатываются технические решения;
"Инженерное оборудование" по
результатам расчета уровней шума, создаваемого инженерным оборудованием,
намечаются и проектные решения по звуко- и виброизоляции инженерного
оборудования по расчетам.
В общем случае мероприятия по защите от шума
должны учитывать:
а) на рабочих местах промышленных предприятий:
рациональное с акустической точки зрения решение
генплана промышленного объекта;
рациональное объемно-планировочное решение
производственных зданий;
использование при реконструкции ограждающих
конструкций с требуемой звукоизоляцией, звукоизолирующих кожухов на шумных агрегатах,
звукопоглощающих конструкций, звукоизолирующих кабин наблюдения и
дистанционного управления, акустических экранов, виброизоляции технологического
оборудования, глушителей шума в системах вентиляции, кондиционирования воздуха;
б) в помещениях жилых и общественных зданий:
рациональное объемно-планировочное решение
здания;
применение при реконструкции ограждающих
конструкций, звукопоглощающих облицовок, глушителей шума в системах
принудительной вентиляции и кондиционирования воздуха, виброизоляции инженерного
и санитарно-технического оборудования зданий;
в) на территории жилой застройки:
применение оптимальных способов планировки и
застройки городов и поселений;
соблюдение санитарно-защитных зон промышленных и
энергетических предприятий, автомобильных и железных дорог, аэропортов;
постройка шумозащитных зданий;
строительство придорожных шумозащитных экранов и
устройство шумозащитных полос зеленых насаждений;
г) в помещениях, требующих специального
акустического благоустройства и создания оптимальных условий для восприятия
аудиоинформации:
оптимальное объемно-планировочное решение зала;
применение ограждающих конструкций,
обеспечивающих требуемую звукоизоляцию от внутренних и внешних источников шума,
звукоотражающих и звукорассеивающих конструкций, звукопоглощающих материалов,
глушителей шума в системах принудительной вентиляции и кондиционирования
воздуха.
При акустическом расчете производятся следующие
операции:
) обнаружение источников шума и установление их
характеристик;
) отбор мест, для которых необходимо осуществить
расчет;
) установление путей распространения шума от
источника до расчетных точек. Расчет потерь звуковой энергии по каждому из
путей;
) установление прогнозируемых уровней шума в
расчетных местах;
) установление необходимого уменьшения уровней
шума на основе сравнения прогнозируемых уровней шума с допустимыми;
) создание мероприятий по обеспечению
необходимого уменьшения уровней шума;
) проверочный расчет достаточности
запланированных шумозащитных мероприятий с целью защиты объекта от шума.
.1.1 Рекомендации по проектированию ограждающих
конструкций, обеспечивающих нормативную звукоизоляцию
Элементы ограждающих конструкций необходимо
проектировать с использованием материалов с плотной структурой, которые не
имеют сквозных пор. Иначе ограждения должны содержать наружные слои из плотного
материала, бетона или раствора.
Внутренние стены и перегородки из кирпича
проектируются с заполнением швов на всю толщину и оштукатуриваются с 2 сторон
безусадочным раствором.
Ограждающие конструкции следует проектировать
таким образом, для того чтобы в ходе строительства и эксплуатации в их стыках
не присутствовало даже минимальных сквозных щелей и трещин. Образующиеся в ходе
строительства щели и трещины после их расчистки устраняются конструктивными
мерами и заделкой невысыхающими герметиками и иными материалами на всю глубину.
.1.2 Звукоизоляция ограждающих конструкций кабин
наблюдения, дистанционного управления, укрытий
Звукоизолирующие кабины необходимо использовать
в промышленных цехах и в зонах, где допустимые уровни превышены, с целью защиты
от шума рабочих и обслуживающего персонала. В звукоизолирующих кабинах
необходимо устанавливать пульты контроля и управления процессами и
оборудованием, рабочие места мастеров и начальников цехов.
В зависимости от требуемой звукоизоляции кабины
проектируются из обычных строительных материалов или имеют сборную конструкцию,
создаваемую из ранее изготовленных деталей из стали, пластика, фанеры или
листовых материалов на сборном или сварном каркасе.
Звукоизолирующие кабины устанавливаются на
резиновых виброизоляторах с целью избежания передачи вибраций на ограждающие
конструкции и каркас кабины.
Звукоизолирующие ограждения машин и
технологического оснащения, звукоизолирующие кожухи, изготовленные из
тонколистовых материалов, необходимо использовать с целью уменьшения уровней
шума на рабочих местах, находящихся у источника шума в месте, где использование
иных строительно-акустических мероприятий нецелесообразно. Акустическую
эффективность системы кожуха оценивают его звукоизоляцией Rк, дБ.
.1.3 Звукопоглощающие конструкции, экраны,
выгородки
Звукопоглощающие системы такие, как подвесные и
навесные потолки, облицовка стен необходимо использовать с целью уменьшения
уровней шума на рабочих местах и в зонах долговременного пребывания людей в
общественных зданиях. Площадь звукопоглощающих облицовок и число отдельных
поглотителей определяется расчетом.
Штучные поглотители необходимо использовать, в
случае если облицовок недостаточно для получения требуемого снижения шума, а
кроме того взамен звукопоглощающему подвесному потолку, если его установка
невозможна (большая высота помещения, наличие мостовых кранов).
Как неотъемлемые мероприятия по снижению шума и
обеспечению наилучших акустических характеристик помещений звукопоглощающие
системы используются в шумных цехах производственных предприятий, машинных
залах вычислительных центров, коридорах и холлах школ, больниц, пансионатов,
звукоизолирующих кабинах.
Экраны, используемые между источником шума и
рабочими зонами персонала, необходимо ставить с целью защиты рабочих мест от
прямого звука. Использование экранов достаточно эффективно только лишь в
комбинации со звукопоглощающими системами.
Выгородка - это экран, находящийся вокруг
источника шума со всех сторон. Их рационально использовать для источника шума,
уровни звуковой мощности которого ≥15 дБ, чем у других источников шума.
Варианты экранов и выгородка представлены на
рисунке 7.1.
<#"902930.files/image185.gif">
Рисунок 8.1 - Конструкция наружной стены
.2 Технологический процесс по устройству
утепления наружных стен
Рисунок 8.2 - Фрагмент конструктивного решения
фасадной системы "КРАСПАН":
- основание; 2 - кронштейн; 3 - анкерный болт; 4
- горизонтальный несущий профиль; 5 - вертикальный профиль; 6 - вертикальный
профиль (половинный); 7 - утеплитель; 8 - дюбель полимерный для крепления
утеплителя; 9 - фасадная плита "КРАСПАН"; 10 - заклепка стальная для
крепления фасадных плит; 11 - металлическая планка вертикального шва; 12 -
паронитовая прокладка
ЗАКЛЮЧЕНИЕ
В выпускной квалификационной работе на тему
«Реконструкция административного здания по адресу, с.Устье, ул. Октябрьская
д.8» запроектирована пристройка дополнительных объемов.
В архитектурно-строительном разделе произведено
описание объемно-планировочного решения, конструктивного технологического
решения, так же выполнен теплотехнический расчет ограждающих конструкций,
выбрана наружная и внутренняя отделка.
В расчетно-конструктивном разделе произведены
расчеты ленточного фундамента и элементов стропильной крыши.
В технологическом разделе разработана
технологическая карта на устройство навесных вентилируемых фасадов «КРАСПАН».
В организационном разделе разработан
стройгенплан, выполнен расчет численности персонала, временных зданий и
сооружений, а также необходимых для строительства ресурсов.
В разделе технической эксплуатации рассмотрен
вопрос эксплуатации помещений административного здания и инженерного
оборудования.
В разделе безопасности жизнедеятельности выполнен
расчет времени эвакуации из здания и действия персонала во время ЧС.
В разделе экологии проекта рассмотрены вопросы
влияния шума и вибраций, а также вопрос загрязнения окружающей среды.
В целом, проект выполнен в учебных целях в
полном объеме и дает необходимую характеристику производимых работ.
СПИСОК ИСПОЛЬЗУЕМЫХ ИСТОЧНИКОВ
1.
СП 20.13330.2011. Свод правил. Нагрузки и воздействия: актуализированная
редакция СНиП 2.01.07-85*: утв. министерством регионального развития РФ от
27.12.2010 . - М.: ОАО «ЦПП», 2011.- 80 с.
.
СП 44.13330.2011. Свод правил. Административные и бытовые здания:
актуализированная редакция СНиП 2.09.04-87*: утв. министерством регионального
развития РФ от 27.12.2011 . - М.: Минстрой России, 2014.- 30 с.
.
СП 20.13320.2011. Свод правил. Общественные здания и сооружения:
актуализированная редакция СНиП 31.06-2009: утв. министерством регионального
развития РФ от 29.12.2011 . - М.: ОАО «ЦПП», 2011.- 108 с.
.
СП 50.13330.2012. Свод правил. Тепловая защита зданий: актуализированная редакция
СНиП 23-02-2003: утв. министерством регионального развития РФ от 30.06.2012
.-М.: Минрегион России, 2012.- 139 с.
.
СНиП 31-05-2003. Строительные нормы и правила. Общественные здания
административного назначения- Введ. 01.09.2003. ./ Госстрой России. - М.: ГУП
ЦПП , 2004.- 65 с.
.
СП 131.13330.2012. Свод правил. Строительная климатология: актуализированная
редакция СНиП 23-01-99*: утв. министерством регионального развития РФ от
30.06.2012 .-М.: Минрегион Росии, 2012.- 113 с.
.
Правила оценки физического износа жилых зданий: ВСН 53 - 86 (р)/ Гражданстрой -
М.: Прейскурант издательство, 1988. - 72с.
.
СП 13-102-2003. Свод правил. Правила обследования несущих строительных
конструкций зданий и сооружений: утв. постановлением Госстроя России от
21.08.2003 .-М.: ГУП ЦПП, 2004.- 33 с.
.
ГОСТ 30674-99 Блоки оконные из поливинилхлоридных профилей. Технические
условия. .- Введ. 01.01.2001.- М.: Госстрой России, 2000.- 25с.
.
ГОСТ 24698-81* Двери деревянные наружные для жилых и общественных зданий. .-
Введ. 01.01.84.- М.: Изд-во стандартов, 1981.- 19с.
.
ГОСТ 23747-88 Двери из алюминиевых сплавов. .- Введ. 01.01.89.- М.: Госстрой
СССР, 1988.- 23с.
.
СП 51.13330.2011. Свод правил. Защита от шума: актуализированная редакция СНиП
23-03-2003: утв. министерством регионального развития РФ от 28.12.2010 .-М.:
Минрегион Росии, 2010.- 46 с.
.
СНиП 2.07.01-89*. Строительные нормы и правила. Планировка и застройка
городских и сельских поселений- Введ. 01.01.90. -Госстрой СССР. - М.: ЦИТП
Госстроя СССР, 1989. - 100 с.
.
ГОСТ 18599-01 Трубы напорные из полиэтилена. Технические условия. .- Введ.
01.04.01.- М.: Изд-во стандартов, 2002.- 23с.
.
СП 42.13330.2011. Свод правил. Градостроительство. Планировка и застройка
городских и сельских поселений: актуализированная редакция СНиП 2.07.01-89*:
утв. министерством регионального развития РФ от 28.12.2011 . - М.: Минрегион
России, 2011.- 30 с.
.
СП 64.13330.2011. Свод правил. Деревянные конструкции: актуализированная
редакция СНиП II-25-80: утв. министерством регионального развития РФ от
28.12.2010 . - М.: Минрегион России, 2011.- 92 с.
.
СНиП 12-03-2001. Строительные нормы и правила. Безопасность труда в
строительстве. Часть 1. Общие требования- Введ. 01.09.2001. - Госстрой России.
- М.: ГП ЦПП, 2001. - 71 с.
.
СНиП 12-04-2002. Строительные нормы и правила. Безопасность труда в
строительстве. Часть 2. Строительное производство- Введ. 01.01.2003. - Госстрой
России. - М.: ГП ЦПП, 2001. - 53 с.
.
ГОСТ 12.4.011-89 Система стандартов безопасности труда. Средства защиты
работающих. Общие требования и классификация. .- Введ. 01.07.90.- М.: Изд-во
стандартов, 2001.- 8с.
.
СНиП 21-01-97*.Строительные нормы и правила. Пожарная безопасность зданий и
сооружений.- Введ. 1998 - 01 - 01, с изм. 01.07.2002.-М.: ГУП ЦПП, 2002.- 26с.
.
СНиП 3.01.01-85*. Строительные нормы и правила. Организация строительного
производства- Введ. 01.01.86. -Госстрой СССР. - М.: ЦИТП Госстроя СССР, 1985. -
56 с.
.
СП 59.13330.2012. Свод правил. Доступность зданий и сооружений для
маломобильных групп населения: актуализированная редакция СНиП 35-01-2001: утв.
министерством регионального развития РФ от 27.12.2011 . - М.: Минрегион России,
2013.- 48 с.
.
СП 113.13330.2012. Свод правил. Стоянки автомобилей: актуализированная редакция
СНиП 21-02-99*: утв. министерством регионального развития РФ от 29.12.2011 . -
М.: Минстрой России, 2015.- 32 с.
.
СН 2.2.4/2.1.8.562-96. Санитарные нормы. Шум на рабочих местах, в помещениях
жилых, общественных зданий и на территории жилой застройки - Введ. 31.10.96. -
Госкомсанэпиднадзора России. - М.: Минрегион России, 2010.- 37 с.
.
СН 2.2.4/2.1.8.566-96. Санитарные нормы. Производственная вибрация, вибрация в
помещениях жилых и общественных зданий. - Введ. 31.10.96. -
Госкомсанэпиднадзора России. - М.: Минрегион России, 2010.- 42 с.
.
Гн 2.2.5.1313-03. Гигиенические нормативы. Предельно допустимые концентрации
(пдк) вредных веществ в воздухе рабочей зоны. - Введ. 30.04.03. - Минздрав
России. - М.: Минрегион России, 2003.- 115 с.
.
Эксплуатация и капитальный ремонт зданий. Реконструкция зданий и сооружений:
метод. указания к практическим занятиям, контрольной работе и курсовому проекту
«Расчет ленточного фундамента и его усиления» / сост. Н. В. Михалевич, О. С.
Плотникова, Е.Н. Шахова. - Вологда: ВоГТУ, 2011. - 32 с.
.
Положение об организации, проведении реконструкции, ремонта и технического
обследования жилых зданий объектов коммуникационного хозяйства и
социально-культурного назначения. Нормы проектирования. ВСН 58-88(р) /
Госкомархитектура. - Москва: ГосКомитет по архитектуре и градостроительству при
Госстрое СССР, 1990. - 32 с.
30.
Официальный сайт компании Isover: <http://www.isover.ee/ru/products/>
.
Официальный сайт компании URSA:http://www.ursa.ru/products/ursa-geo-p-20/
.
Строительные краны: Справочник/ В.П. Станевский, В.Г. Моисеенко, И.П. Колесник,
В.В. Кожушко; Под общ. ред. канд. техн. наук В.П. Станевского.- К.: Будивельник, 1984.- 240 с.
ПРИЛОЖЕНИЕ 1
Таблица 1.1 - Время задержи начала эвакуации
|
Тип
и характеристика здания
|
Время
задержи начала эвакуации, мин, при типах систем оповещения
|
|
W1
|
W2
|
W3
|
W4
|
|
Административные,
торговые и производственные здания (посетители находятся в бодрствующем
состоянии, знакомы с планировкой здания и процедурой эвакуации)
|
<1
|
3
|
>4
|
<4
|
|
Магазины,
выставки, музеи, досуговые центры и другие здания массового назначения,
(посетители находятся в бодрствующем состоянии, но могут быть не знакомы с
планировкой здания и процедурой эвакуации)
|
<2
|
3
|
>6
|
<6
|
|
Общежития,
интернаты (посетители могут находиться в состоянии сна, но знакомы с
планировкой здания и процедурой эвакуации)
|
<2
|
4
|
>5
|
<5
|
|
Отели
и пансионаты (посетители могут находиться в состоянии сна, и быть не
знакомыми с планировкой здания и процедурой эвакуации)
|
<2
|
4
|
>6
|
<5
|
|
Госпитали,
дома престарелых и другие тому подобные заведения, (значительное число
посетителей может нуждаться в помощи)
|
<3
|
5
|
>8
|
<8
|
|
Примечание:
Характеристика системы оповещения W1 - оповещение и управление эвакуацией
оператором; W2 - использование записанных заранее типовых фраз и
информационных табло; W3 - сирена пожарной сигнализации; W4 - без оповещения.
|
Таблица 1.2 - Площадь проекции человека
|
Характеристика
движущегося человека
|
Значение,
м2/чел.
|
|
Взрослый
человек в домашней одежде
|
0,1
|
|
Взрослый
человек в зимней одежде
|
0,125
|
|
Взрослый
с ребенком на руках
|
0,26
|
|
Взрослый
с сумкой
|
0,16
|
|
Взрослый
с чемоданом
|
0,35
|
|
Подросток
|
0,07
|
Таблица 1.3 - Зависимость скорости и
интенсивности движения от плотности людского потока
|
Плотность
потока D, м2/м2
|
Горизонтальный
путь
|
Дверной
проем, интенсивность q, м/мин
|
Лестница
вниз
|
Лестница
вверх
|
|
скорость
V, м/мин
|
интенсивность
q, м/мин
|
|
скорость
V, м/мин
|
интенсивность
q, м/мин
|
скорость
V, м/мин
|
интенсивность
q, м/мин
|
|
0,01
|
100
|
1,0
|
1,0
|
100
|
1,0
|
60
|
0,6
|
|
0,05
|
100
|
5,0
|
5,0
|
100
|
5,0
|
60
|
3,0
|
|
0,1
|
80
|
8,0
|
8,7
|
95
|
9,5
|
53
|
5,3
|
|
0,2
|
60
|
12,0
|
13,4
|
68
|
13,6
|
40
|
8,0
|
|
0,3
|
47
|
14,1
|
15,6
|
52
|
15,6
|
32
|
9,6
|
|
0,4
|
40
|
16,0
|
18,4
|
40
|
16,0
|
26
|
10,4
|
|
0,5
|
33
|
16,5
|
19,6
|
31
|
15,6
|
22
|
11,0
|
|
0,6
|
27
|
16,2
|
19,0
|
24
|
14,4
|
18
|
10,6
|
|
0,7
|
23
|
16,1
|
18,5
|
18
|
12,6
|
15
|
10,5
|
|
0,8
|
19
|
15,2
|
17,3
|
13
|
10,4
|
13
|
10,4
|
|
0,9
и более
|
15
|
13,5
|
8,5
|
8
|
7,2
|
11
|
9,9
|
|
Примечание
- табличное значение интенсивности движения в дверном проеме при плотности
потока 0,9 и более, равное 8,5 м/мин, установлено для дверного проема шириной
1,6 м и более, а при дверном проеме меньшей ширины δ
интенсивность движения следует определять по формуле q = 2,5 + 3,75δ
.
|
Таблица 1.4 - Интенсивность движения людей
|
Вид
пути
|
Интенсивность
движения, м/мин
|
|
Горизонтальный
|
16,5
|
|
Дверной
проем
|
19,6
|
|
Лестница
вниз
|
16
|
|
Лестница
вверх
|
11
|