Физкультурно-оздоровительный комплекс с бассейном в г. Грязовец
Содержание
Введение
. Архитектурно-строительный раздел
.1 Исходные данные
.1.1 Климатические условия района строительства
.1.2 Грунтовые условия
.2 Генеральный план
.3 Объемно-планировочное решение
.4 Конструктивное решение здания
.5 Наружная и внутренняя отделка
.6 Инженерное оборудование
. Расчетно-конструктивный раздел
.1 Расчет стального прогона
.1.1 Исходные данные
.1.2 Сбор нагрузок на 1 погонный метр прогона
.1.3 Статический расчет
.1.4 Проверка прочности
.1.5 Проверка жесткости
.2 Расчет стальной фермы Ф2
.2.1 Исходные данные
.2.2 Сбор нагрузок на 1 погонный метр фермы
.2.3 Подбор сечений стержней фермы
.2.4 Проверка сечений
.2.5 Конструирование и расчет узлов фермы
. Технологический раздел
.1 Область применения технологической карты
.2 Организация и технология выполнения строительного процесса
.2.1 Определение объемов земляных работ
.2.2 Указания по производству работ
.3 Требования к качеству приемки работ
.4 Указания по технике безопасности
.5 Потребность в ресурсах
.6 Технико-экономические показатели
. Организационный раздел
4.1 Общие данные
.1.1 Характеристика условий строительства
4.1.2 Природно-климатические условия строительства
.2 Описание методов выполнения основных строительно-монтажных
работ
.3 Стройгенплан
.3.1 Описание организации строительной площадки
.3.2 Расчет и выбор временных зданий и сооружений
.3.3 Расчет площадей складов
.3.4 Проектирование и расчет временного водоснабжения
.3.5 Проектирование и расчет временного электроснабжения
.3.6 Потребность в строительных машинах
.3.8 Технико-экономические показатели по стройгенплану
. Безопасность и экологичность проекта
.1 Анализ опасных и вредных производственных факторов при
организации отделочных работ
.2 Расчет устойчивости монтажного крана
.3 Меры пожарной безопасности при эксплуатации здания
.4 Мероприятия по предотвращению загрязнения грунтовых вод и
почвы
Заключение
Список использованных источников
Приложение
Введение
На сегодняшний день очень остро стоит проблема заболевания детей. По
статистике каждый третий школьник выпускается из школы с рядом серьезных
заболеваний. В связи с этим была разработана Федеральная целевая программа
«Развитие физической культуры и спорта в Российской Федерации на 2016-2020
года», которая планирует строительство спортивных и физкультурных комплексов в
стране. Поэтому я выбрала тему дипломного проекта «Физкультурно-оздоровительный
комплекс с бассейном в г. Грязовец ».
В ходе проектирования были решены задачи по подбору новых строительных
материалов, разработка более современных методов технологического изготовления
и монтажа элементов здания.
Проектируемое здание переменной этажности различного функционального
значения: административно-тренерский блок, бассейн и спортивный зал.
Административно-тренерский блок - трехэтажный, в исполнении метало-каркаса,
бассейн - двухэтажный, в кирпичном исполнении, спортивный зал - одноэтажный -
металло-каркас.
1. Архитектурно-строительный раздел
.1 Исходные данные
.1.1 Климатические условия района строительства
1. Назначение здания - Физкультурно-оздоровительный комплекс
. Место строительства - г.Грязовец Вологодской области
3. Степень огнестойкости - 3
. Степень здания по функциональной пожарной опасности - Ф2.1
. Уровень ответственности здания - нормальный
. Нормативная глубина промерзания - 1,5м
. Климатический район - 2В
. Расчетная температура наружного воздуха - 32 0С
. Преобладающие ветра - Ю.З.
. Грунтовые условия - суглинок
1.1.2 Грунтовые условия
Рисунок 1- Инженерно-геологический разрез
1.2 Генеральный план
Проектируемое здание располагается на участке площадью
,0 м2. Главным фасадом здание ориентировано на северную
сторону. Его расположение принято согласно направлению господствующих
юго-западных ветров для города Грязовца, а также с учетом инсоляции.
Планируемые отметки здания рассчитаны с учетом рельефа местности.
Вертикальная планировка выполнена с учетом организации нормального стока
поверхностных вод в пониженные места естественного рельефа.
Комплекс работ по благоустройству предусматривает устройство
заасфальтированных въездов, шириной 3,0м, к зданию и на стоянку для
автомобилей, пешеходных дорожек из брусчатки, шириной 1,0м, устройство
ограждения в виде забора. Проезды и тротуар ограждены бордюрным камнем высотой
150мм. Свободная от застройки территория озеленяется путем устройства газонов и
посадки лиственных деревьев.
Проектирование транспортных и пешеходных связей, озеленение территории,
размещение площадок различного назначения, покрытия приняты по всем требованиям
и правилам [39].Генплан участка строительства приведен на листе 1 графической
части.
Рельеф местности спокойный с небольшим уклоном.
ТЭП
Площадь участка в границах благоустройства 45311 м2.
Площадь застройки 2336,6 м2.
Площадь проездов 2225,6 м2.
Площадь тротуаров 896,7 м2.
Площадь озеленения 2754,2 м2
Площадь отмостки 288,2 м2.
Площадь хозплощадок 4,5 м2.
1.3 Объемно-планировочное решение
Проектируемое здание имеет сложную форму в плане. Габаритные размеры 61,4
м * 60,0 м. Спортивный зал в осях 5/1-11 и В-Ж одноэтажный; бассейн в осях 2-5
и Ж-П двухэтажный; административно-тренерский блок в осях 1-5 и Б-Ж
трехэтажный. Полная экспликация помещений приведена в приложении 1.
Сообщение между этажами осуществляется при помощи двухмаршевой лестницы
из металлических косоуров и бетонных ступеней.
Путями для эвакуации служат главный вход, служебные входы. Степень
огнестойкости здания III.
.4 Конструктивное решение здания
.4.1 Конструктивная схема здания
Конструктивная схема здания ФОКа - металлический рамный каркас. В
качестве ограждающих конструкций приняты трехслойные сэндвич-панели
производства завода строительных биоконструкций «Armax». Применены стеновые и кровельные панели класса «Bukker». Для установки оконных и дверных
блоков предусмотрен стеновой фахверк.
.4.2 Фундамент
В проектируемом здании разработаны фундаменты монолитные ж/б столбчатые
под колонны. Поверху фундаментов укладываются фундаментные балки. Глубина
заложения фундамента составляет 2,4м. Фундаменты защищаются от пучения грунтов
с помощью керамзитового гравия.
При производстве работ предусмотреть следующие мероприятия:
пристенный дренаж выполнять одновременно с устройством фундаментов;
фундаменты выполнить из бетона класса В15, по водонепроницаемости марки W4, по морозостойкости марки F50;
предусмотреть под фундаменты бетонную подготовку толщиной 100мм из бетона
кл. В7,5, выполняемую по уплотненной песчаной подготовке t=100мм из крупнозернистого песка;
гидроизоляцию из слоя цементного раствора состава 1:2 толщиной 20 мм
выполнять по верху фундаментных балок, а также в уровне пола 1 этажа;
для отвода поверхностных вод по периметру здания устраивается
асфальтобетонная отмостка шириной 1000мм: (мелкозернистый асфальтобетон - 30мм
по гравийно-песчаной смеси толщиной 120мм);
подсыпку под полы выполнить сухим непучинистым грунтом с послойным
трамбованием, строго соблюдая требования
СП 131.13330.2012 [3].
толщину защитного слоя принять не менее 25 мм;
Арматура должна монтироваться в последовательности, обеспечивающей
правильное ее положение и закрепление. Перед установкой на ней должны быть
закреплены прокладки (сухарики из цементного раствора) для обеспечения фиксации
защитного слоя согласно табл.9 СП 126.13330.2012 [4]. Стыковые и крестообразные
сварные соединения следует выполнять в соответствии с ГОСТ 14098-91[5].
.4.3 Стены
В проектируемом здании в качестве ограждающей конструкции стен приняты
сэндвич-панели класса «BURKKER»
толщиной 120мм, производства ООО «Завод строительных биоконструкций «АРМАКС»
г.Санкт-Петербург. Сэндвич-панели крепятся к конструкциям каркаса согласно
«Технического каталога» завода-производителя стеновых панелей. Комплектация
фасонных элементов в узлах соединения выполняется заводом-производителем.
Рисунок 2- Узлы крепления стеновых панелей
Также в проектируемом здании предусмотрены наружные стены из кирпича.
Толщина стены принята по конструктивным соображениям и составляет 380мм. Кладка
выполнена из кирпича КОРПо 1НФ/100/2,0/50 ГОСТ 530-2007 [6] на цементном
растворе М 75, с наружным утеплением (Rockwool Венти Баттс Д” - 130мм) и навесным вентилируемым фасадом
КРАСПАН. Для удобства установки оконных блоков и уменьшения инфильтрации холодного
воздуха кладка простенков выполнена с четвертями - выступами наружного ряда
кладки в сторону проема на четверть длины кирпича. По верху проемы перекрыты
сборными железобетонными перемычками. Перемычки запроектированы
комбинированными из нескольких самонесущих или сочетания самонесущих и несущих.

Рисунок 3- Конструкция стены: 1- утепление наружной стены; 2- узел
крепления кирпичной стены к колонне; 3- узел крепления стеновой панели к
колонне.
Таблица 1.4 - Спецификация стеновых панелей
1.4.4 Перегородки
Перегородки в здании двух типов: кирпичные и гипсовые пазогребневые.
Кирпичные перегородки выполняются толщиной 120 мм, из кирпича марки КОРПо
1НФ/100/2,0/50 на растворе М50 с прокладкой в горизонтальных швах арматуры 2ф6
АI через 5 рядов кладки. Для связи
кирпичных перегородок со стенами предусмотрены выпуски арматуры 2ф6 АI длиной 500мм. Кирпичные перегородки
крепятся к стенам и между собой по серии 2.230-1, в.5 Перегородки устанавливают
на плиты перекрытия и защемляют чистым полом. В процессе возведения их не
доводят до несущих конструкций перекрытий на 20-30 мм во избежание передачи на
них нагрузки. Зазоры заполнить упругим материалом полиэтиленовые уплотняющие
прокладки «Вилатерм-СМ» или «Вилатерм-ТМ».
Так же принимаются гипсовые пазогребневые перегородки системы
"КНАУФ" толщиной 80мм (шифр М:25.55/2002) [8]. Соединение перегородок
осуществляется за счет пазов и гребней на клею.
Рисунок 4- Деталь устройства перегородки
1.4.5 Перекрытия
В проектируемом здании приняты перекрытия над этажами из сборных
железобетонных плит серии 1.141.1-в64 [9] и 1.141.1-в60[10] .
В проекте использовано 13 типов плит перекрытия, выбранные марки плит
перекрытий представлены в таблице 1.2. Монтаж плит производится по выровненному
слою цементного раствора М100 с тщательной заделкой швов между плитами
раствором М100.
Таблица 1.2 - Спецификация элементов перекрытия
В качестве сборного перекрытия используются круглопустотные
железобетонные плиты толщиной 220мм. Опираются плиты перекрытия по коротким
сторонам, минимальная величина опирания 100 мм. Анкеровка плит перекрытий на
наружных стенах и внутренних стенах (между собой) выполнена через один шов.
Анкерные связи сварены при плотном зацеплении за монтажные петли с последующим
отгибанием петель и изоляцией всех металлических элементов слоем цементного
раствора М100 t=30мм. Необходимые отверстия в
панелях для пропуска сетей инженерного оборудования просверлены по месту, не
нарушая несущих ребер, с последующей заделкой их цементным раствором М100. При
пропуске труб отопления и водопровода через перекрытия на каждой трубе
предусматривается гильза из обрезков труб большего диаметра. Зазор между
гильзой и конструкцией перекрытия заделывается жестким цементно-песчаным
раствором на всю толщину перекрытия.
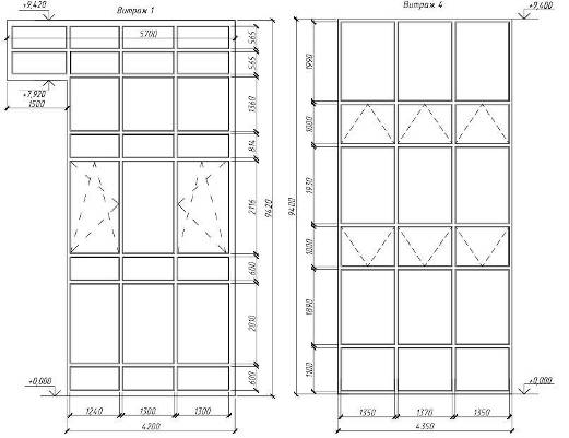
.4.6 Окна и витражы
Проемы для установки оконных и дверных блоков назначены в соответствии с
объемно-планировочным решением здания и увязаны с размерами стандартных
столярных блоков.
Окна принимаются раздельно-спаренной конструкции по индивидуальному
заказу. Остекление тройное, поскольку в холодный период года в городе Грязовец
средняя температура наружного воздуха составляет -32 0С.
Окна выполнены на заказ из ПВХ профиля, они отличаются особой прочностью
и долговечностью.
Вставляются оконные блоки в проем и крепятся ершами и антисептированными
деревянными пробками размером 250х120х88мм по 4шт, заложенными в кладку. Крепление
оконных блоков выполняется по ГОСТ 30971-2002 [11]. Зазор между кладкой и
оконными блоками заполняется монтажной пеной. Со стороны улицы устраивают
заведенный в паз коробки слив из оцинкованной стали. Со стороны помещения
устраивается подоконная доска.
Индивидуальные оконные рамы имеют следующий вид:
Витражи принимаются с двухкамерным стеклопакетом 7 типоразмеров серии
4М1-8-4М1-8-4М1 по ГОСТ 21519-2003[12]. Установка стеклопакетов (стекол) в
рамочные элементы изделий и уплотнение притворов производят при помощи
эластичных полимерных уплотняющих прокладок, устанавливаемых в пазы профилей в
натяг по всему периметру притвора.

Рисунок 5- Оконные рамы
Зазоры в стыках прокладок не допускаются. Прилегание прокладок должно
быть плотным, препятствующим проникновению воды. Соединение профилей
осуществляется при помощи угловых и Т-образных металлических крепежных элементов
(уголков) с использованием винтов, самонарезающих шурупов или путем опрессовки.
Для повышения герметичности и прочности соединения заполняют
клеями-герметиками, не вызывающими коррозии металлических деталей соединений.
Витражи имеют следующий вид:

Рисунок 6- Витражи
Рисунок 7- Витражи
Рисунок 8- Витражи
.4.7 Двери
В проектируемом здании приняты индивидуальные двери из алюминиевых
сплавов. Двери с обозначением Д-1, Д-11, Д-12, Д-13,13* выполнены с пределом
огнестойкости, установлены с приспособлениями для самозакрывания, с уплотнением
в притворах и с армированным стеклом. Дверные блоки с обозначением В-3, В-6,
В-7 установлены с приспособлениями для самозакрывания с уплотнением в
притворах; не имеют запоров, препятствующих их свободному открыванию изнутри.
Двери с обозначением Д-11, Д-13,13* изготовлены с пределом огнестойкости Е160.
Размеры дверных блоков перед изготовлением уточняются по фактическим размерам
проемов. Двери приняты однопольные и двупольные. Также в зависимости от
назначения помещения запроектированы остекленные и глухие двери.
Крепление осуществляется при помощи стальных ершей и антисептированных
пробок размером 250х120х88мм по 6 шт., заложенных в кладку. Зазор между стеной
и дверной коробкой заполняется монтажной пеной и закрывается наличником.
Индивидуальные дверные блоки имеют следующий вид:
Рисунок 9- Дверные блоки
.4.8 Полы
В проектируемом здании приняты 5 типов полов: керамические, бетонные,
дощатые, брусковые и линолеум. Конструкции полов приведены в таблице 1.3
Таблица 1.3 - Экспликация полов
.4.9 Крыша, кровля
В проектируемом здании для крыши принята конструкция висячих стропил.
Основными элементами, которой являются: фермы, прогоны и балки покрытий.
Кровля выполнена из кровельных панелей класса «BUKKER» толщиной 200,250мм, шириной 1000мм производства ООО
«Завод строительных биоконструкций «АРМАКС» г.Санкт-Петербург по сплошному
настилу из металлического профилированного настила Н75-750-0,9 , установленного
по стальным прогонам. Отверстия под веншахты выполняются по месту.
Ограждение крыши металлическое серии 1.100.2-5 в.1[13]. Выход на крышу
осуществляется по металлической пожарной лестнице.
Стропильная конструкция изготовлена из стали марки С245. Элементы ферм,
соприкасающиеся с кладкой, изолируют 2 слоями рубероида на битумной мастике.
Таблица 1.4 - Спецификация кровельных панелей
.4.10 Лестница
В проектируемом здании принята двухмаршевая ж/б лестница по металлическим
косоурам.
Изготовление и монтаж конструкций производится в соответствии с
требованиями СП 70.13330.2012[14]. Заводские соединения приняты сварными.
Монтажные соединения приняты на монтажных болтах М16 и монтажной электросварке.
Сварка производится электродами типа Э-42. Высота катета шва не менее 4 мм.
Перед покраской металлические изделия подвергаются 3-ей степени очистки от
окислов согласно. Все металлические конструкции окрашиваются двумя слоями эмали
ПФ-115 по грунтовке ГФ-021. Профильный прокат принимается из стали С235 .
Так же предусмотрены ограждения лестниц высотой 1,5 м, крепятся на
сварке. Спецификация элементов лестницы приведена в приложении 3.
1.4.11 Теплотехнический расчет наружной стены
Рисунок 10 - Конструкция наружной стены
В ходе расчета определяется требуемое сопротивление теплопередаче Rreqтр (минимально допустимое) и
сопротивление теплопередаче наружного ограждения Rreq. Должно выполняться условие Rreqтр < Rreq. Rreqтр должно быть не менее значений:
а) исходя из условий энергосбережения; определяют с учетом градусо-суток
отопительного периода:
Dd = (tint - tht)*zht ;
(0C*сут), (1.1)
где tint - расчетная температура внутреннего
воздуха, 0C;
tht, - средняя температура наружного воздуха периода со средней
суточной температурой воздуха ниже или равной 8 0C, 0C;
zht - продолжительность отопительного периода со среднесуточной
температурой воздуха ниже или равной 80C, сут.
tint = 15 0C,ht = - 4,1 0C,ht
= 231 сут.d= (15+4,1)*231=4412,1 (0C*сут)
Rтр
; м2*0С/Вт, (1.2)
где а и b - коэффициенты, по табл. 4 [3].
а = 0,0003; b = 1,2.
Rreqтр =0,0003*4412,1 + 1,2 =
2,524 м2*
/Вт.
б) Rreqтр исходя из санитарно-гигиенических
(комфортных) условий:
Rreqтр=
; м2*0С/Вт, (1.3)
где
n - коэффициент, принимаемый в зависимости от положения
наружной поверхности по отношению к наружному воздуху. tint
- расчетная температура внутреннего воздуха, 0C;
text
- расчетная зимняя температура наружного воздуха, равная средней температуре
наиболее холодной пятидневки с обеспеченностью 0,92 ( по табл. 1 [4]), 0C;
-
нормативно-температурный перепад между температурой внутреннего воздуха и
температурой внутренней поверхности ограждающей конструкции (по [3]), 0C;
-
коэффициент теплоотдачи внутренней поверхности ограждающих конструкций (по
[3]).
n = 1 ext = - 32 0C
=
4,5 0C
=
8,7 Вт/(м2*0C)reqтр =
(м2* 0С/Вт)
Из полученных значений выбираем наибольшее, т.е.
Rreqтр = 2,524 м2*
/Вт
Rreq определяем в зависимости от конструкции стены:
, (1.4)
где
αext, Вт/(м2*0C) - коэффициент
теплоотдачи внутренней поверхности;
Rk -
термическое сопротивление отдельных слоев.
αext = 23
Вт/(м2*0C)
Rk = R1 + R2 + …+ Rn,
где
n - количество слоев.
R = δ/λ.,
где
δ
- толщина слоя, м;
λ - расчетный коэффициент теплопроводности материала слоя, Вт/(м2*0C).
Горячеоцинкованную
тонколистовую сталь толщиной 0,5 мм в расчету учитывать не будем.
Rreq=
м.
Принимаем толщину утеплителя 150 мм.
Суммарная толщина конструкции t = 151 мм.
1.4.12 Теплотехнический расчет покрытия
Рисунок 1.2 - Конструкция покрытия
а) исходя из условий энергосбережения:
Dd= (15+4,1)*231=4412,1 (0C*сут) (по 1.1)
а = 0,0004; b = 1,6.
Rreqтр =0,0004*4412,1 + 1,6 =
3,365 м2*
/Вт (по 1.2)
б) Rreqтр исходя из санитарно-гигиенических
(комфортных) условий:
n = 1
= 4 0C
= 8,7
Вт/(м2*0C)
Rreqтр =
(м2* 0С/Вт) (по 1.3)
Из полученных значений выбираем наибольшее, т.е.
Rreqтр = 3,365 м2*
/Вт
αext = 23 Вт/(м2*0C)
Горячеоцинкованную тонколистовую сталь толщиной 0,5 мм в расчету
учитывать не будем.
Rreq=
м.
Принимаем толщину утеплителя 200 мм.
Суммарная толщина конструкции t = 201 мм.
.5 Наружная и внутренняя отделка
Стены во влажных помещениях отделываются плиткой на всю высоту, в
общественных и рабочих кабинетах обои под покраску, в спортзале и тренажерном
зале сэндвич-панели. Полы в санузлах выкладываются плиткой, полы в помещениях
общественного назначения керамической гранитной плиткой, полы в спортзале и
тренажерном зале - деревянные. Потолок подвесной типа «Armstrong», клеевая побелка.
Наружная отделка входной группы, спортзала и тренажерного зала:
сэндвич-панели, двух расцветок (белый и серый), отделка здания бассейна -
навесной фасад.
Подробно ведомости отделки фасадов и помещений приведены в приложении 2.
1.6 Инженерное оборудование
Инженерные коммуникации -водопровод, канализация, отопление приняты в
виде трубопроводов, подводятся к проектируемому зданию под землей.
В проектируемом здании планируется хозяйственно-питьевой водопровод от
внешних городских сетей. От наружного водопроводного колодца прокладывается
трубопровод с холодной водой под уклоном 0,005% (ввод в здание). В здании
располагается водомерный узел, который состоит из водосчетчика, задвижек,
контрольно-спускного крана, насосная установка. Далее идет магистральный
трубопровод, по которому вода поступает к сантехническим приборам и к
оборудованию моечных камер. На всех ответвлениях от магистрального трубопровода
устанавливается запорная арматура. Манометры устанавливаются до и после насоса,
термометры - до и после водонагревателя. Трубопроводы системы водоснабжения - стальные
оцинкованные.
Хозяйственно-бытовая канализация - с выводом во внешнюю городскую
канализацию через канализационный выпуск, который устраивается под уклоном
0,003% к колодцу. Каждый сантехнический прибор оборудуется гидрозатвором. На
канализационном выпуске, на каждом этаже устанавливается ревизия, которая
позволяет очищать трубу в обоих направлениях. Канализационные трубопроводы -
чугунные.
Отопление - водяное централизованное с температурой воды-теплоносителя 950
С. На входе в здание его температура равна 700С. На подающей
магистрали устанавливается элеватор. Далее идет главный стояк, от которого
отходят разводящие магистрали. От них теплоноситель поступает к отопительным
приборам - стальным штампованным радиаторам. От прибора вода идет к обратной
магистрали, проходя через водомер. Термометры и манометры устанавливаются до и
после элеватора и до водомера.
Вентиляция - механическая, непрерывно действующая приточно-вытяжная, при
которой загрязненный воздух удаляется из помещений через специальные трубыс обеспечением
гарантированного подпора воздуха и кратностью воздухообмена не менее 8 объемов
помещения в час. Система вентиляции в процессе эксплуатации обеспечивает
температуру воздуха, кратность и нормы воздухообмена в различных помещениях в
соответствии с установленными требованиями. При достижении критического порога
содержания транспортируемого газа в воздухе помещений автоматически включаются
аварийная вытяжная вентиляция. Вводы в помещения оборудованы вентиляционной
установкой (ВУ) и вентиляционно-распределительным устройством (ВРУ). В
помещениях насосных и компрессорных, аварийная вентиляция должна обеспечивать
-кратный воздухообмен дополнительно к постоянно действующей механической
общеобменной вентиляции.
Вентиляционные камеры должны быть вентилируемыми, поэтому приточные
камеры - имеют подпор, вытяжные - естественную вытяжку.
Осветительные сети подводятся от внешнего источника и выполняются
скрытыми под штукатуркой.
здание стальной водоснабжение
2. Расчетно-конструктивный раздел
.1 Расчет стального прогона
.1.1 Исходные данные
Прогон служит для опирания кровельных панелей.
Пролет: l = 6м
Шаг прогонов: а = 3м
Сечение: швеллер №24,
Вес погонного метра = 24 кг.
Марка стали: С245
Уклон крыши: α - 6 0
.1.2 Сбор нагрузок на 1погонный метр балки
Таблица 2.1- Сбор нагрузок, Па
|
Поз.
|
Вид нагрузки
|
Нормативная gn, кН/м2
|
Коэффициент надежности по
нагрузке γf
|
Расчетная g,
кН/м2
|
|
1
|
Кровельные панели «Армакс»
|
342
|
1,2
|
410,2
|
|
2
|
Временная снеговая S0 =0,7*Sg*m*Ce*Ct= 0,7*2400*1*0,8*1
|
1344
|
1,4
|
1881,6
|
|
3
|
Итого полная
|
1686
|
|
2291,8
|
sq - расчетный вес снегового покрова земли (тб.10.1 СП
20.13330.2011); sq=2400
Па
m - коэффициент перехода от снегового покрова земли к
снеговому покрову крыши; m=1
Нормативная нагрузка от прогона Gпр = 24 * 6
=144 =1,44 кН
Полная нагрузка на 1 погонный метр:
Полная нормативная
qn = q n * а + Gпр
qn = 1,686 * 3 + 1,44 = 6,498 кН/м
Полная расчетная
q = q * а * Ggh *
γf ,
где, γf - коэффициент, учитывающий степень ответственности здания;
γf = 1,05
q=2,2918
* 3 + 1,44 =8,387 кН/м
.1.3 Статический расчет
= q * l2 / 8
где, l - расчетный пролет прогона. l = 6 м.
M = 8,387 * 62
/ 8 =
35,269 кНм
Мn = qn2*l2
/ 8
Mn = 6,4982*5,82 / 8 = 42,224 *33,64/8 =
177,55 кНм
Mx = M * cosα
Mx = 177,55 * 0,995 = 176,577 кНм
My = M * sinα
My = 177,55 * 0,104 = 18,559 кНм
2.1.4 Проверка прочности
Прогон работает на косой изгиб
Геометрические характеристики сечения:
Wx = 242 см3
Wy = 31,6 см3
Yx = 2900 см4
Yy=208см4
Рисунок 10- Схема сечения прогона
Mx = M * cosα
Mx = 6,081 * 0.995 = 35,093 кНм
My = M * sinα
My = 6,081 * 0,104 = 3,686 кНм
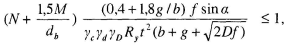
σ =
Mx / Wy + My / Wx ≤ Ry γc
σ=35,093/242*10 -6+3,686/31,6*10
-6=0,23167*106=231,67МПа<Ry
γc =240Мп
Вывод: условие выполняется, прочность обеспечена.
Рисунок 11- Расчетная схема прогона
.1.5 Проверка жесткости
. Расчетный прогиб:
x = 176,577*5,82 / 10*2*108 * 2900*10-8
= 0,1024 мy= 18,559*5,82 /
10*2*108 * 208*10-8 = 0,15 м= √fx2+ fy2 = √0,10242
+ 0,152 = 0,015 м
1. Предельно-допустимый прогиб:
fu = l / 250 = 0,029 м
2. Условие жесткости:
f ≤ fu
,015 < 0,029 см
Вывод: условие выполняется, жесткость обеспечена.
.2 Расчет стальной фермы Ф2
.2.1 Исходные данные
Ферма покрытия в осях В-Ж:
Пролет l=21 м.
Шаг ферм s=6 м.
Кровля-сэндвич-панели ‘’Армакс’’ по стальным прогонам(швеллер 24).
Шаг прогонов-а=3 м.
Марка стали С245
Сечение из сварных гнутых прямоугольных труб, верхний и нижний пояс из
цельной трубы, стыкуются в середине фермы.
.2.2 Сбор нагрузок на 1 погонный метр фермы
Таблица 2.3- Сбор нагрузок, Па
|
Поз.
|
Вид нагрузки
|
Нормативная gn, кН/м2
|
Коэффициент надежности по
нагрузке γf
|
Расчетная g,
кН/м2
|
|
1
|
Кровельные панели «Армакс»
|
342
|
1,2
|
410,2
|
|
2
|
342
|
|
410.2
|
|
2
|
Временная снеговая S0 =0,7*Sg*m*Ce*Ct=0,7*2400*1*0,8*1
|
1344
|
1,4
|
1881,6
|
|
3
|
Итого полная
|
1686
|
|
2291,8
|
sq - расчетный вес снегового покрова земли(тб.10.1 СП 20.13330.2011); sq=2400 Па
m - коэффициент перехода от снегового покрова земли к
снеговому покрову крыши; m=1
Нагрузка от прогона Gпр = 24 * 6 =144 =1,44 кН
.2.3 Побор сечений стержней фермы
Усилия в стержнях фермы определены графическим способом и представлены на
листе 6 графической части.
Алгоритм подбора сечений:
1. Расчетные длины стержней фермы определяем по табл. 24 [19] :
Для нижнего пояса lefx = 1∙l; lefу - по схеме связей по нижнему поясу.
Для верхнего пояса lefx = 1∙l; lefу - по схеме связей по верхнему поясу.
Для
элементов решетки lefx = 0,9∙l; lefу = 0,9
.
2. Подбор сечений растянутых стержней:
Определение требуемой площади сечения стержня:
, (2.1)
где
N - расчетное усилие в стержне, кН;
Rу - расчетное сопротивление стали, МПа;
γс - коэффициент условий работы.
Определение требуемых радиусов инерции:
;
, (2.2)
где lefx,y - расчетная длина стержня, м;
[λ] - предельная гибкость растянутых элементов,
определяется по таблице 33 [19].
По требуемой площади и радиусам инерции подбираем квадратную трубу
подходящего сечения.
Определяем гибкость и выполняем проверку по II группе предельных состояний:
Определяем
прочность:
, (2.3)
.
Подбор сечений сжатых стержней:
Задаемся
гибкостью:
[λ] = 180 – 60·a - для сжатых поясов, опорных
стоек и раскосов,
где
- коэффициент принимаемый не менее 0,5
Определяем
требуемую площадь сечения стержня:
, (2.4)
где
N - расчетное усилие в стержне, кН;
φ=
-
коэффициент продольного изгиба при сжатии, определяется по таблице Д.1 [19];
Rу - расчетное сопротивление стали, МПа;
γс -
коэффициент условий работы.
Определяем
требуемые радиусы инерции по формуле (2.2).
По
требуемой площади и радиусам инерции подбираем квадратную трубу по ГОСТ
30245-94 [20].
Определяем
коэффициент продольного изгиба, φmin.
Проверка
устойчивости ( I группа предельных состояний):
(2.5)
По II группе предельных состояний:

(2.6)

- для
поясов

- для
решетки
.2.4
Проверка сечений
.
Растянутые.
а)
стержень л-10; усилие N=412.5кН; сечение 140х6
σ=N/A ≤ Ry
γc
Ry =240МПа=240*10-3
γc=1
σ =412.5кН/32.1*10-4м2=12.85*104кПа=128.5МПа<240Мпа
2.Сжатые.
а)
стержень е-9; усилие N=-399кН
Определяем
требуемую площадь сечения стержня по формуле (2.4)
[λ] = 180 – 60*1.003=119.82
По
формуле (2.2) определяем требуемые радиусы инерции
Подбираем
квадратную трубу 70х70х6
ix,y=2.57
см А=14.43 см2
φ= 0.437
По
I группе предельных состояний (2.5)
.03
МПа<240 МПа
б)стержень
1-2; усилие N=126кН; сечение 120х5
σ=N/A*ϕ ≤ Ry γc
Ry =240МПа=240*10-3
γc=1
ϕ
по тб. В зависимости от λmax=lo/imin
lox=0.9 lгеом loy=lгеом
lox=0.9*1.2=0.96м=96см loy=1.2м=120см
ix=4.66см iy=4.66см
λх=96см/4.66см=20.6 λy=120см/4.66см=25.75
λmax=25.75 ϕ=0.949
σ=126кН/(0.949*22.9*10-4м2)=5.83*104кПа=58.3МПа<240МПа
в)стержень 2-3; усилие N=-129кН;
сечение 100х3
σ=N/A*ϕ≤< Ry γc
Ry =240МПа=240*10-3
γc=1
ϕ по тб. В зависимости от λmax=lo/imin
lox=0.9lгеом loy=lгеом
lox=0.9*1.9=1.52м=152см loy=1.9м=190см
ix=3.94см iy=3.94см
λх=152см/3.94см=38.58 λy=190см/3.94см=48.22
λmax=48.22 ϕ=0.860
σ=129кН/(0.860*11.6*10-4м2)=12.93*104кПа=129.3МПа<240МПа
г)стержень 6-7;усилие N=-24кН;
сечение 100х3
σ=N/A*ϕ≤< Ry γc
Ry =240МПа=240*10-3
γc=1
ϕ по тб. В зависимости от λmax=lo/imin
lox=0.9lгеом loy=lгеом
lox=0.9*2.4=1.92м=192см loy=2.4м=240см
ix=3.94см iy=3.94см
λх=192см/3.94см=48.73 λy=240см/3.94см=60.91
λmax=60.91 ϕ=0.800
σ=24кН/(0.800*11.6*10-4м2)=2.586*104кПа=25.86МПа<240МПа
Рисунок 12 - Геометрическая схема фермы
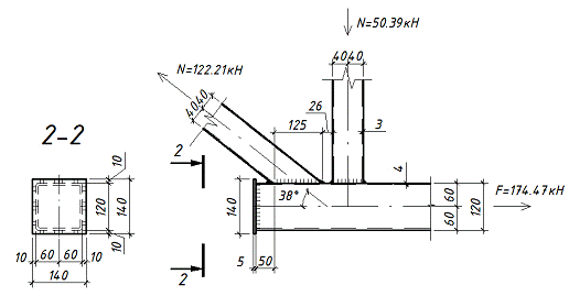
.2.5 Конструирование и расчет узлов фермы
Расчет ведем по приложению Л [19]
В узлах ферм с непосредственным прикреплением элементов решетки к поясам
следует проверять:
продавливание (вырывание) участка стенки пояса, контактирующей с
элементом решетки;
несущую способность участка боковой стенки пояса (параллельной плоскости
узла) в месте примыкания сжатого элемента решетки;
несущую способность элемента решетки в зоне примыкания к поясу;
прочность сварных швов прикрепления элемента решетки к поясу.
Узел 1
Рисунок 13 - Узел 1
) В случае примыкания к поясу одного элемента в опорных узлах при d /D ≤ 0,9 (d/D = 80/120 = 0,666) и g / b ≤ 0,25 (g/b = 13/118 = 0,11) продавливание
(вырывание) участка стенки пояса, контактирующей с элементом решетки, следует
проверять по формуле:
(2.11)
где N - усилие в примыкающем элементе (решетки), кН;
М - изгибающий момент от основного воздействия в примыкающем элементе,
кНм;
Ry - расчетное сопротивление стали пояса, МПа;
t = 3
мм - толщина стенки (полки) пояса;
α = 430 - угол примыкания элемента решетки к поясу;
γd - коэффициент влияния знака усилия в
примыкающем элементе, принимаемый равным 1,2 при растяжении и 1,0 - в остальных
случаях;
γd - коэффициент влияния продольной
силы в поясе, определяемый при сжатии в поясе, если |F| / (ARy) > 0,5, по формуле γd = 1,5 - |F| / (ARy), в остальных случаях γd = 1,0;
|F| / (ARy) = 176,06 / (32,16*10-4*240*103)
= 0,228 < 0,5, γd = 1,0;
b =
118 мм - длина участка линии пересечения примыкающего элемента с поясом в
направлении оси пояса, равная db / sin α;
g = 13
мм - половина расстояния между смежными стенками соседних элементов решетки или
поперечной стенкой раскоса и опорным ребром;
f = (D-d) /2 = (120-80)/2 = 20 мм
2)
Несущую способность боковой стенки в плоскости узла в месте примыкания сжатого
элемента при d / D > 0,85 следует проверять по формуле
(2.12)
d/D =
80/160 = 0,5 < 0,85
Проверка
не требуется.
)
Несущую способность элемента решетки вблизи примыкания к поясу следует
проверять:
(2.13)
где k - коэффициент, принимаемый по п.Л.2.4 [7]:
(td/db)2 - Ryd/E = 4(3/80)2
- 240/(2,1*105) = 0,0045, тогда k = 1
)
Прочность сварных швов, прикрепляющих элементы решетки к поясу, следует
проверять:
(2.14)
где βf
= 0,9 по таблице 39 [7];f = 5 мм по таблице 38 [7];wf =
180МПа, марка проволоки Св-08А, тип электрода Э42.
Узел 2
1) Продавливание (вырывание) участка стенки пояса, контактирующей с
элементом решетки, при d /D ≤ 0,9 и g / b ≤ 0,25 проверяем по формуле 2.11.
d/D = 80/120 = 0,666<0,9, g/b = 13/80 = 0,163<0,25,
|F| / (ARy) = 276,8 / (32,16*10-4*240*103)
= 0,359 < 0,5, γd = 1,0;
Рисунок 14 - Узел 2
g/b = 13/113 = 0,115<0,25,
2) Несущую способность элемента решетки вблизи примыкания к поясу
проверяем по формуле 2.13.
4(td/db)2 - Ryd/E = 4(3/80)2
- 240/(2,1*105) = 0,0045, k = 1;
3) Прочность сварных швов, прикрепляющих элементы решетки к поясу,
следует проверять по формуле 2.14.
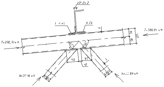
Узел 3
1) Продавливание (вырывание) участка стенки пояса, контактирующей с
элементом решетки, при d /D ≤ 0,9 и g / b ≤ 0,25 проверяем по формуле 2.11.
Рисунок 15 - Узел 3
d/D = 80/120 = 0,666<0,9, g/b = 24,5/128 = 0,19<0,25,
|F| / (ARy) = 376,71 / (32,16*10-4*240*103)
= 0,478 < 0,5, γd = 1,0;
g/b = 24,5/103 = 0,238<0,25
)
Несущую способность элемента решетки вблизи примыкания к поясу проверяем по
формуле 2.13.
4(td/db)2 - Ryd/E = 4(3/80)2
- 240/(2,1*105) = 0,0045, k = 1;
3) Прочность сварных швов, прикрепляющих элементы решетки к поясу,
следует проверять по формуле 2.14.
Узел 4
Рисунок 16 - Узел 4
) Продавливание (вырывание) участка стенки пояса, контактирующей с
элементом решетки, при d /D ≤ 0,9 и g / b ≤ 0,25 проверяем по формуле 2.11.
d/D = 80/120 = 0,666<0,9, g/b = 15/113 = 0,133<0,25,
|F| / (ARy) = 386,84 / (32,16*10-4*240*103)
= 0,498 < 0,5, γd = 1,0;
g/b = 15/97 = 0,15<0,25
2) Несущую способность элемента решетки вблизи примыкания к поясу
проверяем по формуле 2.13.
4(td/db)2 - Ryd/E = 4(3/80)2
- 240/(2,1*105) = 0,0045, k = 1;
)
Прочность сварных швов, прикрепляющих элементы решетки к поясу, следует
проверять по формуле 2.14.
Узел
5
Рисунок
17 - Узел 5
) Продавливание (вырывание) участка стенки пояса, контактирующей с
элементом решетки, при d /D ≤ 0,9 и g / b ≤ 0,25 проверяем по формуле 2.11.
d/D = 80/120 = 0,666<0,9, g/b = 15/113 = 0,133<0,25,
|F| / (ARy) = 386,84 / (32,16*10-4*240*103)
= 0,498 < 0,5, γd = 1,0;
g/b = 15/97 = 0,15<0,25
2) Несущую способность элемента решетки вблизи примыкания к поясу
проверяем по формуле 2.13.
4(td/db)2 - Ryd/E = 4(3/80)2
- 240/(2,1*105) = 0,0045, k = 1;
)
Прочность сварных швов, прикрепляющих элементы решетки к поясу, следует
проверять по формуле 2.14.
Узел
6
Рисунок
18 - Узел 6
) Продавливание (вырывание) участка стенки пояса, контактирующей с
элементом решетки, при d /D ≤ 0,9 и g / b ≤ 0,25 проверяем по формуле 2.11.
d/D = 80/120 = 0,666<0,9, g/b = 13/125 = 0,104<0,25,
γd = 1,0;
g/b = 13/80 = 0,16<0,25
2) Несущую способность элемента решетки вблизи примыкания к поясу
проверяем по формуле 2.13.
4(td/db)2 - Ryd/E = 4(3/80)2
- 240/(2,1*105) = 0,0045, k = 1;
)
Прочность сварных швов, прикрепляющих элементы решетки к поясу, следует
проверять по формуле 2.14.
Узел 7
Рисунок 19 - Узел 7
) Продавливание (вырывание) участка стенки пояса, контактирующей с
элементом решетки, при d /D ≤ 0,9 и g / b ≤ 0,25 проверяем по формуле 2.11.
d/D = 80/120 = 0,666<0,9, g/b = 13/125 = 0,104<0,25,
γd = 1,0;
g/b = 13/114 = 0,114<0,25
2) Несущую способность элемента решетки вблизи примыкания к поясу
проверяем по формуле 2.13.
4(td/db)2 - Ryd/E = 4(3/80)2
- 240/(2,1*105) = 0,0045, k = 1;
Узел
8
Рисунок
20 - Узел 8
) Продавливание (вырывание) участка стенки пояса, контактирующей с
элементом решетки, при d /D ≤ 0,9 и g / b ≤ 0,25 проверяем по формуле 2.11.
d/D = 80/120 = 0,666<0,9, g/b = 13/114 = 0,114<0,25,
γd = 1;
g/b = 13/103 = 0,126<0,25
2) Несущую способность элемента решетки вблизи примыкания к поясу
проверяем по формуле 2.13.
4(td/db)2 - Ryd/E = 4(3/80)2
- 240/(2,1*105) = 0,0045, k = 1;
Узел
9
Рисунок
21 - Узел 9
) Продавливание (вырывание) участка стенки пояса, контактирующей с
элементом решетки, при d /D ≤ 0,9 и g / b ≤ 0,25 проверяем по формуле 2.11.
d/D = 80/120 = 0,666<0,9, g/b = 10/103 = 0,097<0,25,
γd = 1;
g/b = 10/97 = 0,103<0,25
2) Несущую способность элемента решетки вблизи примыкания к поясу
проверяем по формуле 2.13.
4(td/db)2 - Ryd/E = 4(3/80)2
- 240/(2,1*105) = 0,0045, k = 1;
Узел 10
Рисунок 22 - Узел 10
Расчетное усилие Qbh, которое может быть воспринято каждой поверхностью трения
элементов, стянутых одним высокопрочным болтом, определяется по формуле:
, ()
где
Rbh = 0,7´ Rbun
- расчетное сопротивление растяжению высокопрочного болта, здесь Rbun - нормативное сопротивление стали болтов,
μ и γh
- коэффициенты трения и надежности,
γb -
коэффициент условий работы,
Abn -
площадь болта нетто,
Принимаем
болт d = 20 мм.
Abn =
2,45 см2, Rbun = 1100 МПа
Принимаем
способ обработки соединяемых поверхностей - дробеметный с консервацией, при
способе регулирования натяжения болтов по углу поворота гайки: μ = 0,5.
При
разности номинальных диаметров отверстий и болтов δ = 1-4 мм: γh = 1,02.
γb = 1
Qbh =
= 92,475 кН
Необходимое
количество высокопрочных болтов для крепления накладки в стыке поясов вычисляют
по формуле:
n = ,
где
Nf =
- усилие
в поясе;
здесь
М - полный изгибающий момент в месте стыка,
Mw -
момент, воспринимаемый стенкой, вычисляется по формуле:
Mw =
mтр - количество поверхностей трения в стыке.
I w = =
=
6,75*10-7 м4w
=
= 376,932 кН·мf =
=
2236,154 кН =
= 12,09
Принимаем
14 болтовых соединений в одну сторону стыка.
а* = (1,3¸4)dотв = 28,6 ¸88 мм а*min = 30 мм а*max = 85 мм
а = (2,5¸8)dотв = 55¸176 мм аmin = 55 мм аmax = 175 мм
3. Технологический раздел
.1 Область применения техкарты
Технологическая карта разработана на нулевой цикл в летний период,
глубина котлована 2,1 м, размеры смотреть технологическую карту, и устройство
монолитных столбчатых фундаментов стаканного типа для трехэтажного здания
физкультурно-оздоровительного комплекса. Для разработки котлована и траншей
использованы одноковшовый экскаватор с гидравлическим приводом ЭО-3122 -
обратная лопата на гусеничном ходу, для планировки территории - бульдозер ДЗ-28
на базе трактора Т-130. Укладка бетонной смеси производится
автобетоносмесителем СБ-92В-2 и автобетононасосом СБ-170-1, укладка щитов
опалубки и арматуры производится краном стреловым МКГ 25.01. Арматурные сетки и
щиты опалубки завозятся на объект в готовом виде.
.2 Организация и технология выполнения строительного процесса
График производства работ.
Работы выполняются комплексными бригадами землекопов-12 человек, а также
машинистами 6р-2ч. Это специалисты разных квалификаций и разрядов. Работы выполняются
последовательно.
Схемы производства работ.
Перед выполнением работ проводится геодезическая разбивка на местности, а
также подготовительные работы, в состав которых входит предварительная
планировка с созданием уклона рельефа, с целю отведения ливневых вод.
Разработка котлована ведется с помощью экскаватора ЭО 3122 -который копает
грунт на транспорт и в отвал. Завозятся элементы опалубки ,а затем производятся
высотная и плановая разбивка фундамента.
3.2.1 Определение объемов земляных работ
Таблица 3.1- Сводная ведомость объемов работ
|
Наименование работ
|
Ед. изм.
|
Кол-во
|
Формулы
|
|
Срезка растительного слоя
грунта бульдозером
|
1000м2
|
4,1856
|
по проекту
|
|
Планировка площадки под
застройку бульдозером
|
1000м2
|
4,1846
|
по проекту
|
|
Разработка грунта экскаватором
"обратная лопата" емкостью ковша 0,5 м3 с погрузкой в транспортное
средство
|
100 м3
|
2,4987
|
по проекту
|
|
тоже в отвал
|
100 м3
|
1,373
|
по проекту
|
|
Перемещение грунта
бульдозером на 10 м
|
100 м3
|
1,373
|
по проекту
|
|
Ручной добор грунта
|
м3
|
81
|
по проекту
|
|
Обратная засыпка пазух
фундамента вручную с уплотнением
|
м3
|
27,46
|
по проекту
|
|
Обратная засыпка пазух
фундамента бульдозером
|
100 м3
|
1,098
|
по проекту
|
|
Уплотнение грунта
трамбовками
|
м3
|
109,8
|
по проекту
|
|
Устройство песчаной
подготовки под фундаменты
|
100 м2
|
4,23
|
по проекту
|
|
Устройство железобетонных
фундаментов общего назначения под колонны объемом до 3 м3
|
2,154
|
по проекту
|
|
Устройство железобетонных
фундаментов общего назначения под колонны объемом до 5 м3
|
100 м3
|
1,2615
|
по проекту
|
|
Укладка балок фундаментных
длинной до 6 м
|
100 шт
|
0,43
|
по проекту
|
|
Устройство горизонтальной
изоляции
|
100 м2
|
1,486
|
по проекту
|
|
Устройство вертикальной
гидроизоляции - обмазка битумной мастикой на 2 слоя
|
100 м2
|
5,635
|
по тех. карте
|
.2.2 Указания по производству работ
Подготовительный период производства земляных работ ведется
механизированным способом при помощи одноковшового экскаватора с гидравлическим
приводом ЭО-3122 -обратная лопата на гусеничном ходу и бульдозера ДЗ-28 на базе
трактора Т130. Экскаватор производит работы ниже уровня своей стоянки. Погрузка
происходит частично на транспорт, частично в отвал. Был произведен расчет
транспортных средств необходимых для отвоза грунта на расстояние 12 км -
получилась одновременная работа 5 автосамосвалов камаз 5511.
После подготовительных работ (планировка территории, отведение ливневых
вод) производится разбивка основных осей и контуров котлована сначала на
площадке.
Разработка грунта ведется экскаватором обратная лопата со стоянками через
2м, с погрузкой грунта в автосамосвалы и в отвал. При разработке котлована
устраиваются откосы шириной 1.41м., при разработке траншей - 0,67 м.
Перед бетонированием, устанавливается деревянная опалубка с помощью крана
стрелового МКГ25.01. Последовательность установки опалубки указывается в
технологической карте. Затем укладывается и сваривается арматура.
Перед укладкой бетонной смеси необходимо:
проверить надежность основания, правильность установки опалубки, арматуры
и закладных деталей; составить акты скрытых работ;
очистить основания и опалубку от грязи и мусора, арматуру от ржавчины.
Укладка бетонной смеси производится «на себя», горизонтальными слоями.
Каждый вышележащий слой должен укладываться до начала схватывания предыдущего.
.3 Требования к качеству приёмки работ
Контроль за качеством работ по укладке и уплотнению грунта должен
осуществлять производитель работ.
Качество оснований должно быть освидетельствовано и оформлено актом в
соответствии с требованиями проекта.
Для контроля за качеством уплотнения грунта применяют метод режущих
колец, основанный на взятии проб уплотнённого грунта для определения массы и
влажности.
Переборы грунта в отдельных местах должны быть заполнены песком, гравием
или щебнем. В особо ответственных местах переборы следует заполнять тощим
бетоном.
При приемке законченных бетонных и ж/б конструкций или частей сооружений
следует проверять:
соответствие конструкции рабочим чертежам;
качество бетона по прочности, а при необходимости по морозостойкости,
водонепроницаемости и другим показателям;
качество применяемых в конструкции материалов, полуфабрикатов и изделий.
Приемку законченных бетонных и ж/б конструкций или частей сооружений
следует оформлять в установленном порядке актом на приемку соответствующих
конструкций.
Отклонения в положении бетонных и ж/б конструкций не должны превышать
указанных в таблице «Допустимые отклонения» (таблица представлена на листе 7
графической части)
Технический контроль качества работ нулевого цикла производится в
процессе строительства. Контроль состоит из постоянного наблюдения за
соответствием работ проекту и соблюдением требований СП 45.13330.2012[23].
Акты освидетельствования скрытых работ составляют:
на основание под фундаменты;
нарезку уступов;
планировку поверхности слоя насыпи.
Таблица 3.2 - Перечень технологических процессов, подлежащих контролю
|
Наименование
технологических процессов, подлежащих контролю
|
Предмет контроля
|
Способ контроля и
инструмент
|
Время проведения контроля
|
Ответственный за контроль
|
Технические характеристики
оценки качества
|
|
Подготовительные работы
|
выполнение вертикальной
планировки поверхности строительной площадки (по необходимости)
|
Визуально стальной рулеткой
|
До разработки котлована
|
Мастер или прораб
|
допустимое отклонение
0,05м; не допускается образование замкнутых понижений на спланированной
площадке.
|
|
Механизированная разработка
грунта
|
отклонение отметок дна
котлована от проектных крутизна откосов отклонение отметок бровки
|
геодезический инструмент и
измерительный инструмент
|
В процессе разработки
котлована
|
Геодезическая служба
|
не должна превышать 0,05м.
не допускается Величина допускаемых отклонений 0,05м
|
|
Приемка выполненных работ
|
Качество грунтов основания
(при необходимости) геодезические размеры котлована.
|
Лабораторный измерительный
инструмент
|
В процессе разработки
котлована После планировки дна котлована
|
Мастер Геолог
|
технический осмотр всей
поверхности основания. Соответствие физико-механических характеристик грунта
требованиям проекта
|
|
Установка опалубки
|
Соответствие проекту
элементов опалубки и крепежных элементов, правильность установки и надежность
закрепления, соблюдение размеров между опалубкой и арматурой, герметичность
стыков, смазка палубы, наличие паспортов на опалубку
|
Рулетка, метр, нивелир,
визуально
|
В процессе работы
|
Мастер или прораб
|
|
|
Установка арматуры
|
Соответствие геометрических
размеров арматурной стали проекту, плановых и высотных отметок по отношению к
осям здания, качество основания под плиту, качество соединения арматурной
стали, наличие паспортов на арматурную сталь. Отклонения от проектной толщины
защитного слоя бетона. Отклонение в расстоянии между рядами арматуры
|
Рулетка, метр, нивелир,
визуально
|
В процессе работы
|
Мастер или прораб
|
+15 мм; -5 мм ±20 мм
|
|
Бетонирование фундаментной
плиты
|
Марка бетона, его
прочность, морозостойкость, плотность, водонепроницаемость, деформативность,
непрерывность бетонирования, качество уплотнения, уход за бетоном,
сохранность установленной арматуры, устройство «рабочих» швов, защита бетона
от попадания атмосферных осадков или потери влаги
|
Отбор проб, визуально
|
В процессе работы
|
Мастер или прораб
|
|
.4 Указания по технике безопасности
Для обеспечения безопасных условий производства земляных работ особое
влияние следует уделять запросам эксплуатации землеройных и транспортных машин
и установок, работам в зонах расположения действующих подземных коммуникаций, правилам
разработки выемок с откосами и креплениями, мероприятиям по электробезопасности
разработки грунта механическим и взрывным способами.
Исходя из этого, необходимо соблюдать основные условия
безопасного производства работ:
земляные работы в зоне расположения действующих подземных коммуникаций
могут производиться только с письменного разрешения организаций, ответственных
за их эксплуатацию;
до начала разработки котлованов или траншей подземные коммуникации должны
быть перенесены или огорожены;
техническое состояние землеройных машин должно регулярно проверяться,
обнаруженные неисправности своевременно устраняться;
экскаватор во время работы должен стоять на спланированной поверхности;
во время работы экскаватора запрещается пребывание людей в пределах призмы
обрушения и в зоне разворота стрелы экскаватора (радиус + 5м);
при рытье котлованов и траншей в местах, где происходит движение людей и
транспорта, устанавливают ограждения с предупредительными знаками, в ночное
время предусматривается освещение.
Передвижение копра с поднятой стрелой разрешается производить только в
процессе перемещения к очередной погружаемой свае. Категорически запрещается
передвигать копры с поднятым молотом.
Не допускается производить косые и нецентарльные удары молота по свае при
ее забивке, т.к. это может привести к поломке свай.
3.5 Потребность в ресурсах
.5.1 Выбор экскаватора
Для разработки котлована глубиной 2,1м подобран экскаватор одноковшовый
ЭО 3122
Таблица 3.3 - Техническая характеристика экскаватора
|
ЭО-3122
|
|
Глубина копания
|
5,2м
|
|
Высота выгрузки
|
5,05м
|
|
Радиус выгрузки
|
-
|
|
Радиус резания
|
8,1м
|
|
Мощность двигателя
|
59кВт
|
|
Масса
|
14,5т
|
|
Вместимость ковша
|
0,63м3
|
Рисунок 23- Схема ЭО 3122
.5.2 Выбор бульдозера
Расчистку территории строительства от снега, планировку и срезку
растительного слоя выполняют бульдозером ДЗ-28 на базе трактора Т-130
траншейным способом.
Характеристика трактора Т-130
мощность двигателя 117.7кВт
колея-1880мм
продольная база, мм 2478
дорожный просвет, мм 415
ширина башмаков, мм 500
удельное давление на почву с задним механизмом навески, МПа (кгс/см2)
0,05 (0,5)
габаритные размеры, мм 5193 x 2475 x 3085
масса конструктивная, кг 14320
.5.3 Расчет и подбор транспортных средств для отвозки грунта
Экскаватор ЭО-3122 с ковшем емкостью е=0,63м3
Грунт - суглинок.
Объем грунта в плотном теле в ковше экскаватора:
Vгр=Vковш*Кнап/Кпр=0,63*1/2,71=0,18
Кнап-коэффициент наполнения ковша =1
(ЕНиР. Сборник Е2, прил.3) [24].
Кпр=2,4. Плотность грунта γ=2,71т/м3
Масса грунта в ковше экскаватора:
Q=0,18*2,71=0,48т
Количество ковшей грунта, загружаемых в кузов самосвала. Принимаем
автомобиль грузоподъемностью 10т - КАМАЗ-5511
n=П/Q=10/0,48=21 ковш
Объем грунта в плотном теле, загружаемый в кузов автосамосвала:
V=Vгр*n
V=0,18*21=3,78т
Продолжительность одного цикла работы автосамосвала:
Тц=tп+60L/Vг+ tр+60L/Vп+tм
Тц=16,8+60*12/19+2+60*12/30+2=82,7
Время погрузки самосвала. Объем грунта в кузове самосвала.
Vк.с.=0,48*21=10,08м3
tn=(V* Hвр)/100=(0,48*2,8)/100=16,8 мин
Требуемое количество автосамосвалов составит:
N= Тц/
tn
N=82.7/16.8=4.9=5
автосамосвалов
Рисунок 24- Схема самосвала КАМАЗ - 5511: 1 - кабина водителя; 2 - кузов;
3 - ходовая часть.
3.5.5 Выбор стрелового крана
(Монтаж фундаментов)
Требуемая грузоподъемность крана:
Qкр
Qэ + Qпр + Qгр
где Qэ - масса монтируемого элемента.
Qпр - масса монтажных приспособлений.
Qгр - масса грузозахватного
приспособления.
Самый тяжелый элемент стальная ферма - 1,72т.
Траверса Qстр= 500кг. Hстр= 2,2 м.
Qкр
1,72+0,5 = 2,22 т.
Требуемая высота подъема стрелы:
Hст = h0 + h3 + hэ + hст + hп
где h0 - превышение монтажного горизонта над
уровнем стоянки крана,
h3 = 0,5м - запас по высоте для
обеспечения безопасности монтажа (не менее 1 м).
hэ - высота и толщина монтируемого
элемента, м. hэ = 0,22м,
hст = 5,5м- высота строповки (от верха
элемента до крюка крана), м
hп =2м - длина грузового полиспаста
крана (принимается от 2 до 5 м)
Hкр = 1,5+0,5+0,22+5,5+2=9,72 м (для
плит перекрытия над подвалом)
Требуемый вылет стрелы:
Lтр=в/2+с+d, м
Lтр=5м+10,65м=15,65
м
в/2+с = 5м-расстояние от выступающих частей здания до оси крана.
Учитывая полученные характеристики, выбираем кран МКГ 25.01
Таблица 3.4 Технические характеристики монтажного крана МКГ 25.01
|
Технические характеристики
крана
|
|
Грузоподъемность
максимальная, т
|
25
|
|
Максимальный грузовой
момент, тм
|
125
|
|
Длина стрелы, м
|
6,8 - 36,8
|
|
Длина гуська, м
|
5; 10; 15,2
|
|
Высота подъёма груза
максимальная, м
|
36
|
|
Частота вращения поворотной
части, об/мин
|
0,3…1,0
|
|
Полная масса с основной
стрелой, т
|
34
|
Рисунок 25- Технические параметры МКГ 25.01 с основной стрелой и его
грузовая характеристика: а - для стрелы 16,8 м с гуськом; б - для стрелы 21,8 м
с гуськом; в - для стрелы 26,8 м; г - для стрелы 31,8 м; д - для стрелы 36,8 м
Рисунок 26- Привязка крана к зданию
Привязка крана к зданию: lстр-d+σ=15,65-10,65+0,15=5,2м
в/2+lбез+0,6+1,61=2,3+3+0,6+1,61=8,56м
.5.4 Выбор захватных приспособлений
Таблица 3.4- Приспособления для монтажа сборных конструкций
|
Наименование
приспособления.
|
Эскиз
|
Грузоподъемность, т.
|
Вес, т.
|
Расчетная высота, м.
|
|
Двухветьевой строп 2СК-1,6
|
|
1,6
|
0,028
|
3
|
|
Строп канатный петлевой
СКП1-1,6
|
1,60,012
|
|
|
|
|
Четырехветьевой строп
4СК-3,2.
|
|
3,2
|
0,058
|
3
|
|
Траверса для монтажа ферм.
|
|
10
|
0,35
|
1,25
|
|
Балочная траверса
|
|
6,3
|
0,02
|
1,5
|
.6 Технико-экономические показатели
Затраты труда на строительный процесс - Q, чел.-дн.:
Q =
180,9 чел.-дн.
Продолжительность процесса - Т=29,5 дн.:
Количество рабочих, занятых в процессе - R = 13 (В данном случае определено по графику).
Выработка на 1-го рабочего в день:
машиниста бульдозера 6-го разряда (ДЗ-28 на базе трактора Т-130) при
планировке территории:
В=4185,6/1*0,5=8371,2 м2
машиниста бульдозера 6-го разряда (ДЗ-28 на базе трактора Т-130) при срезке
растительного слоя:
В=4185,6/1*0,5=8371,2 м2
машиниста экскаватора 6-го разряда (ЭО-3122) при разработке котлована:
В=2634/(1*1,5)=1756 м3
рабочего землекопа при ручном доборе грунта:
В=57,6/(12*1)=4,8 м3
землекопа при уплотнении грунта электротрамбовкой:
В=109,85/(12*0,5)=18,3 м3
Общая заработная плата Зобщ = 55,427 тыс. руб.
Уровень механизации строительного процесса (в%):
Ум=6/9*100%=66,5%
Уровень затрат ручного труда:
Узрт=33,5%
4. Организационный раздел
.1 Общие данные
Исходными материалами для составления ППР служат:
ранее утвержденный проект;
данные о поставке сборных конструкций, деталей, изделий и полуфабрикатов;
данные о поставке технологического, энергетического и другого
оборудования;
данные строительных и монтажных организаций о наличии парка машин и
механизмов, возможности его расширения и использования;
действующие нормативные документы: СП, инструкции и указания по
производству и приемке строительных, специальных и монтажных работ, в т.ч. по
охране труда в строительстве.
ППР состоит из трех основных видов технологических документов: графиков
(календарных планов), СГП и технологических карт.
Объемы работ в ППР определяют по РД, спецификациям и сметам. Расчеты всех
видов ресурсов ведут по производственным нормам.
ППР на подготовительные работы выполняют в той же номенклатуре, что и для
основных работ, но в меньшем объеме.
Для объектов строящихся по типовым размерам в состав РД входят основные
положения по производству СМР.
При строительстве комплекса зданий разрабатываются сводные поточные
графики на весь объем строительства.
.1.1 Характеристика условий строительства
Район строительства - г. Грязовец;
Характер строительства - новое;
Существующая застройка - не имеется;
Источником покрытия потребности в рабочей силе являются кадровые рабочие
СУ . Обеспечение строительства металлическими изделиями и конструкциями
производится заводами г. Череповца, ж/б изделиями и конструкциями - заводом ЖБИ
г. Вологда. Кирпич поставляется на стройку из г. Вологда, производитель ООО
«Вологодский кирпичный завод №2». Строительными механизмами строительство
обеспечивается предприятиями ПМК Вологдастроя. Доставка на объект строительства
основных материалов, конструкций и деталей производится автомобильным
транспортом. Среднее расстояние подвозки основных материалов составляет 50 км.
Условной отметке ±0,000 чистого пола соответствует абсолютная отметка 186,70.
.1.2 Природно-климатические условия строительства
Температура наружного воздуха наиболее холодных суток - 37о С;
Температура наружного воздуха наиболее холодной пятидневки - 320 С;
Продолжительность отопительного периода - 231 суток;
Нормативное давление ветра для I ветрового района - 230 Па;
Вес снегового покрова для IV
снегового района - 2400 Па;
Нормативная глубина промерзания грунтов - 1,8 м;
Рельеф местности - ровный;
В основании фундамента залегает глина легкая мягкопластичная, глина
легкая тугопластичная, суглинок тяжелый пылеватый мягкопластичный.
Фундаменты здания приняты на естественном основании.
Особые условия отсутствуют.
.2 Описание методов выполнения основных СМР с указаниями по технике
безопасности
.2.1 Подготовительный и основной периоды строительства
Строительство проектируемого объекта выполняется в два периода:
подготовительный и основной.
В состав подготовительного периода входят работы, связанные с подготовкой
строительной площадки:
1. Ограждение строительной площадки;
2. Монтаж инвентарных временных административно-складских зданий,
создание общего хозяйства на площадке строительства;
. Создание временной площадки для размещения бытового городка и
временного складирования материалов с последующим перебазированием на площадку
строительства;
. Инженерная подготовка территории строительства, планировка
участка, устройство временного дренажа поверхностных стоков
. Устройство подъездных и внутриплощадочных дорог, прокладка сетей
водоснабжения, канализации, теплоснабжения и электроснабжения и септика;
. Создание геодезической разбивочной основы для строительства;
. Для внутрипостроечных нужд следует использовать существующие
дороги и временные внутрипостроечные дороги. Временные дороги - плиты ж/б.
Ширина временной дороги при одностороннем движении - 3,5 м, а в двух
направлениях - 6 м.
. Временное освещение территории строительства производится
светильниками или прожекторами, установленными на опорах. Временное освещение
выполняется в соответствии с [28];
. Во избежание доступа посторонних лиц строительная площадка
ограждается временным забором. Конструкции ограждения выполняются в
соответствии требованиям [14]. Ограждения, примыкающие к местам массового
прохода людей, оборудованы сплошным защитным козырьком.
У въезда на строительную площадку необходимо установить дорожные знаки
ограничения скорости движения автотранспорта и предупреждения о въезде и входе
в опасную зону. Оградить опасную зону сигнальными ограждениями, вывесить в
соответствующих местах плакаты «Осторожно. Работает кран», «Стой! Проход
запрещен», «Опасно! Возможно падение груза».
Складирование материалов и конструкций необходимо выполнять в
соответствии с требованиями технических условий и стандартов на материалы,
изделия и конструкции на выровненных площадках, принимая меры против
самопроизвольного смещения, просадки и раскатывания материалов и конструкций.
Основной период строительства делится на две стадии:
) нулевой цикл, включающий сооружение подземной части здания, подземных
коммуникаций, т.е. работ, производимых ниже относительной отметки ± 0.000;
) возведение надземной части здания.
.2.2 Земляные работы
До начала производства земляных работ в местах расположения действующих
подземных коммуникаций должны быть разработаны и согласованы с организациям,
эксплуатирующими эти коммуникации, мероприятия по безопасным условиям труда, а
расположение подземных коммуникаций на местности обозначено соответствующими
знаками или надписями.
Производство земляных работ в зоне действующих подземных коммуникаций
следует осуществлять под непосредственным руководством прораба или мастера, а в
охранной зоне кабелей, находящихся под напряжением, или действующего
газопровода, кроме того, под наблюдением работников электро- или газового
хозяйства.
При обнаружении взрывоопасных материалов земляные работы в этих местах
следует немедленно прекратить до получения разрешения от соответствующих
органов.
Места прохода людей через траншеи должны быть оборудованы переходными
мостиками, освещаемыми в ночное время.
Грунт, извлеченный из котлована или траншеи, следует размещать на
расстоянии не менее 0,5 м от бровки выемки.
Валуны и камни, а также отслоения грунта, обнаруженные на откосах, должны
быть удалены.
Рытье котлованов и траншей с вертикальными стенками без креплений в
нескальных и незамерзших грунтах выше уровня грунтовых вод и при отсутствии
вблизи подземных сооружений допускается на глубину не более 1,50 м - в
суглинках и глинах.
Производство работ в котлованах и траншеях с откосами, подвергшимися
увлажнению, разрешается только после тщательного осмотра производителем работ
(мастером) состояния грунта откосов и обрушения неустойчивого грунта в местах,
где обнаружены "козырьки" или трещины (отслоения).
Перед допуском рабочих в котлованы или траншеи глубиной более 1,3 м
должна быть проверена устойчивость откосов.
Погрузка грунта на автосамосвалы должна производиться со стороны заднего
или бокового борта.
Односторонняя засыпка пазух у свежевыложенных подпорных стен и
фундаментов допускается после осуществления мероприятий, обеспечивающих
устойчивость конструкции, при принятых условиях, способах и порядке засыпки.
Снятие плодородного слоя и работы по обратной засыпке производить
бульдозером ДЗ-27. Отрыв траншей коммуникаций и земляные работы по отрывке
котлована рекомендуется выполнять экскаватором Э-652 Б с емкостью ковша 0,65 м3
и 4 автосамосвалами КамАЗ 5511.
.2.3 Устройство фундаментов
К производству работ по устройству оснований и фундаментов можно приступать
только после разбивки котлованов, траншей, земляных сооружений, привязки осей и
высотных отметок на имеющейся геодезической основе и закрепления необходимых
разбивочных знаков.
При устройстве фундаментов необходимо контролировать глубину их
заложения, размеры и расположение их в плане, устройство отверстий и ниш,
выполнение гидроизоляции и качество применяемых материалов и конструкций.
В проекте приняты фундаменты монолитные ж/б столбчатые под колонны
здания. Фундаменты выполняются из бетона В15, W4, F50.
Монтаж фундаментов:
1. Под фундаменты выполнить бетонную подготовку из бетона класса В7,5
толщиной 100 мм, выполненную по песчаной уплотненной подсыпке t=100 мм из средне- и крупнозернистого
песка. Размер бетонной подготовки должен быть больше подошвы фундамента на 100
мм во все стороны;
2. Под ж/б фундаментные балки выполнить подбетонку из бетона В15,
выведенную до отметки опирания балки;
. Подбетонку выполнять одновременно с устройством фундамента. При
раздельном устройстве фундамента и подбетонки в тело фундамента заложить
арматурные стержни d=6 мм A-III с шагом 300 мм для связи подбетонки с фундаментом;
. Размер опалубки фундаментов выставлять с учетом подбетонки;
. Зазор между торцом фундаментной балки и подколонником фундамента
зачеканить бетоном В7,5.
Для создания цоколя здания на подбетонку столбчатых фундаментов
укладываются фундаментные балки. Кладку бетонных блоков выполняют на цементном
растворе М100, толщина горизонтальных и вертикальных швов должна быть не более
20 мм. Отдельные участки между бетонными блоками заделывать бетоном В7,5.
.2.4 Монтаж здания
Возведение надземной части здания производится автомобильными кранами
КС-55729В и КС-65713-1. Для
погрузочно-разгрузочных работ с автотранспорта используется этот же кран. При
монтаже надземной части здания необходимо руководствоваться. Для монтажа
конструкций здания предусмотрено использование типовой монтажной оснастки,
позволяющей осуществлять подъем, временное крепление и выверку элементов.
Монтаж здания осуществляется методом наращивания. Подъем конструкций
рекомендуется осуществлять на «весу» со сложным перемещением крана. Для монтажа
конструкций здания предусмотрено использовать типовую монтажную оснастку,
позволяющую осуществлять подъем, временное крепление и выверку элементов.
Плиты перекрытий должны монтироваться после возведения колонн на
выровненное, очищенное от мусора основание с установкой всех анкеров и связей,
предусматриваемых проектом, замоноличивание стыков, устройства монолитных
участков.
Монтаж сэндвич-панелей класса «BUKKER» производства завода строительных биоконструкций «ARMAX» производится специализированной
организацией.
.2.5 Отделочные работы
Отделочные работы делятся на следующие циклы:
) штукатурные работы;
) подготовка под окраску и окраска поверхностей;
) установка приборов к дверям и окнам, остекление оконных и дверных
блоков;
) устройство чистых полов;
) окончательная отделка и окраска поверхностей.
Общая готовность здания к началу работ должна соответствовать.
Производство штукатурных и облицовочных работ организуется поточно-расчетным
методом, что обеспечивает наиболее полное использование рабочих по их
квалификации.
Отделочные работы можно начинать выполнять после полного окончания работ
на первом этапе, а затем по мере завершения работ на захватках, расширять фронт
отделочных работ. Раствор и шпаклевку на отделываемые поверхности наносят
механизированным способом. Нанесение раствора вручную допускается лишь в
небольших помещениях и праи млом объеме штукатурных работ. Водные составы для
окраски стен и потолков рекомендуется наносить механизированным способом.
Ручную окраску стен и столярных изделий рекомендуется производить кистями и
валиком.
Качество применяемых отделочных материалов (краски, лаки, шпатлевки)
должны удовлетворять требованиям [29].
Средства подмащивания, применяемые при штукатурных или малярных работах в
местах, под которыми ведутся другие работы или есть проход, должны иметь настил
без зазоров.
При производстве штукатурных работ с применением растворонасосных
установок необходимо обеспечить двустороннюю связь оператора с машинистом
установки.
Для просушивания помещений строящихся зданий и сооружений при
невозможности использования систем отопления следует применять
воздухонагреватели (электрические или работающие на жидком топливе). При их
установке следует выполнять требования Правил пожарной безопасности при
производстве строительно-монтажных работ.
Запрещается обогревать и сушить помещение жаровнями и другими
устройствами, выделяющими в помещение продукты сгорания топлива.
Малярные составы следует готовить, как правило, централизованно. При их
приготовлении на строительной площадке необходимо использовать для этих целей
помещения, оборудованные вентиляцией, не допускающей превышения предельно
допустимых концентраций вредных веществ в воздухе рабочей зоны. Помещения
должны быть обеспечены безвредными моющими средствами и теплой водой.
Эксплуатация мобильных малярных станций для приготовления окрасочных
составов, не оборудованных принудительной вентиляцией, не допускается. Не
допускается приготовлять малярные составы, нарушая требования инструкции
завода-изготовителя краски, а также применять растворители, на которые нет
сертификата с указанием характера вредных веществ.
.2.6 Транспортные работы
Организация - владелец транспортных средств обязана обеспечить их
своевременное техобслуживание и ремонт.
Транспортировка длинномерных, тяжеловесных, крупногабаритных грузов
осуществляется на специализированном транспорте.
Груз должен быть размещен и закреплен в соответствии с техническими
условиями погрузки и крепления.
Подача автомобиля задним ходом в зоне работ производится по команде
работающих.
.2.7 Благоустройство территории
Мероприятия по благоустройству территории проектируемого здания
выполняются после окончания монтажа наружных сетей.
Комплекс мероприятий по благоустройству территории проектируемого здания
направлен на создание комфортных условий для населения, отвечающих утвержденным
нормативам, и включает в себя следующие виды работ:
устройство проездов и тротуаров с асфальтобетонным покрытием и установкой
бортового камня;
озеленение всех свободных от застройки покрытий, площадок участков путем
посадки деревьев, кустарника, устройства газона с последующим засевом его
травосмесью из расчета 200 кг/га;
устройство необходимых площадок внешнего благоустройства различного
назначения с установкой на них малых архитектурных форм.
Согласно требованиям градостроительного плана участка проектом
предусмотрено благоустройство участка улицы Революционная от ул. Газовиков до
пер. Юбилейного.
Общее число мусороконтейнеров на площадке составляет 2 шт.
На территории предусмотрены места для отдыха с установкой скамеек и урн.
При озеленении территории предусматривается высаживание деревьев и кустарников.
Растительный слой на площадке строительства срезается и складируется в
отвал для использования при последующем благоустройстве территории, излишки
грунта вывозятся и используются для благоустройства близлежащих территорий
.3 Стройгенплан
.3.1 Описание организации строительной площадки
Порядок построения стройгенплана:
· Наносим проектирующееся здание в масштабе М 1:200;
· Проектируем опасную зону вблизи строящегося здания равную 5м
СНиП 12.03-2001 [30].
· Определяем безопасное расстояние от выступающих частей здания
до оси движения крана- 5м (определяется как сумма заднего габарита крана и
1м-запас)
· Проектируем монтажную зону крана, учитывая стесненные условия
· Проектируем зону возможного перемещения груза,т.к стройгенплан
разработан в стесненных условиях, то зона возможного перемещения груза
рассчитывается индивидуально для крайних плит, с целью предотвращения появления
зоны отлета груза за забор стройплощадки.
· При производстве работ в местах ограничения поворота стрелы
устанавливают специальные знаки для машинистов.
· При ведении работ в восточной части здания опасные зоны при
монтаже конструкций (зона вылета стрелы, зона возможного перемещения груза и
опасная зона крана) выходят за ограждение строй площадки. За забором находится
жилой участок, строения не попадают в вышеперечисленные зоны по этому
необходимо ознакомить под роспись хозяев участка о времени проведения работ,
опасности, и на время ведения работ на данном участке осуществить ограждение
(предупреждающая лента) и поставит одного рабочего, с целью наблюдения за
безопасным проведением работ.
· По всей площади стройплощадки необходимо установить знаки:
-«Осторожно работает кран»
«Осторожно падение груза»
«Знак ограничения скорости»
«запрещающие знаки о пожарной безопосности»
знаки рельсовых путей
предупредительные знаки
· При проведении кладочных работ следует устанавливать защитные козырьки на
расстоянии 1,5 м от дома, т.к существует возможность падения строй материала.
появления зоны отлета груза за забор стройплощадки.
· Проектируем опасную зону работы крана СНиП 12.03-2001 табл. г1( левая
колонка) [30] При высоте здания 10-20м- 7м.
· Проектируем проезд, который имеет площадку для разворота
транспорта.
Проезд запроектирован шириной 6м, радиус закругления соблюден 12 м в
соответствии с требованиями СНиП 12.03-2001[30].
А) В процессе размещения механизированных установок и монтажных кранов на
стройгенплане решают следующие основные задачи:
обеспечение бесперебойной доставки на строительную площадку материалов и
полуфабрикатов;
обеспечение чёткой ритмичной работы размещаемых монтажных кранов и
связанных с ним других строительных машин;
обеспечение безопасности условий труда машинистов, строительных машин и
обслуживаемых ими рабочих;
снижение себестоимости и трудоёмкости работ;
сокращение времени на монтаж установок и устройство путей к ним.
Б) Площадь строительной площадки должна быть минимальной.
В) Протяжённость коммуникаций должна быть минимальной..
Г)Открытый склад должен располагаться в зоне действия крана.
Д) Закрытые склады располагаются в подвальном и первом построенных
этажах, с целью экономии площади стройгенплана, навесы должны располагаться вне
зоны действия кранов, но недалеко от неё (2-3м) обязательно у проездов (1м).
Е) Монтаж ведется башенным краном КБ 308А: монтажных конструкций-с колес,
кирпича и раствора-с временной отгрузкой на открытый склад и подачей на место с
запасом на 1-2 дня.
Ж) Временные здания и сооружения должны располагаться компактно и все они
должны быть электрифицированы.
З) Временная дорога принята шириной 4м, с уширением для заезда
автомобилей с материалами, с уширением в месте омывки колес, и местом разгрузки
шириной 6м
И) Грузовые полосы (проезды) должны иметь сквозной проезд или площадку
для разворота транспорта.
К) Для пожаротушения должны быть предусмотрены пожарные гидранты.
Гидранты устанавливают у дороги на 2-3 м и ограждают с трёх сторон, располагают
не ближе 5м от здания, но не больше 25 метров, не более 150м друг от друга.
Л) Силовой кабель должен проходить от объектного трансформатора к
распределительному щиту, который устанавливается на здание или рядом.
М) Провода должны располагаться на временных опорах через 25-30 метров,
причем линия должна быть закольцована.
Н) Светильники и прожекторы должны располагаться таким образом, чтобы
освещались проходы, проезды и рабочее место.
.3.2 Расчет и выбор временных зданий и сооружений
Временные здания и сооружения возводят обычно лишь на период
строительства, поэтому их объем и стоимость должны быть минимальными.
Количество и номенклатура временных зданий и сооружений определяется в
зависимости от объекта и характера СМР, строительного расположения и местных
условий строительства. Площади административно-бытовых помещений зависят от
количества работающих на площадке. Количество рабочих берётся по графику
движения рабочих. Количество инженерно-технических работников и младшего
обслуживающего персонала принимается от числа рабочих 13% - ИТР, 2% - МОП.
Определение количества работающих:
Rобщ=Rмакс+0,24*Rмакс =25 человек
Снижения стоимости можно добиться путем:
использования зданий, намеченных к сносу;
размещения их в ранее выстроенном здании;
возведения временных зданий из сборно-разборных элементов;
использовании передвижных зданий.
Однако эти мероприятия не должны отрицательно сказаться на обслуживании
рабочих и условиях строительного производства.
Потребность во временных зданиях определяется расчетом.
Расчет площадей зданий производится по максимальному количеству рабочих,
занятых в смену на строительстве.
Определение площадей по формуле:
F = N * R, м2
N -
норма площади на 1 человека, м2
R -
количество работающих человек.
Таблица 4.1- Расчет временных помещений
|
Поз.
|
Наименование ЗиС
|
Ед. изм.
|
Размеры в плане
|
Площадь м2 общ
на 1ч
|
Примеч
|
|
1
|
Контора
|
м2
|
3×2,3
|
7
|
3,25
|
Передв. Вагон 420-01-03
|
|
2
|
Гардеробная с сушкой
(женск.)
|
м2
|
6,71*2,97
|
4,2
|
0,7
|
Передв. Вагончик 31315
|
|
3
|
Гардеробная с сушкой (муж.)
|
м2
|
6,71*2,97
|
6,3
|
0,7
|
Передв. Вагончик 31315
|
|
4
|
Помещения для принятия пищи
и отдыха
|
м2
|
9*2,7
|
25
|
1
|
Передв. Вагончик 420-01-3
|
|
5
|
Уборные
|
м2
|
2*2,5
|
2,5
|
0,1
|
Сборно-разборн. контейнер
|
Здания рассчитаны исходя из количества человек, занятых в производстве, и
нормативных площадей временных зданий, помещений на строительной площадке.
Подбор временных зданий произведен по каталогам Главмоспромстроя, в
зависимости от назначения здания и его площади.
.3.3 Расчёт площадей складов
Стоимость строительных материалов и конструкций составляет более половины
всей стоимости строительства, поэтому вопросу правильной организации
складирования должно уделяться большое внимание. На территории площадки
необходимо предусматривать склады:
1) закрытые (для хранения инструментов.)
2) навесы (для рулонных материалов, столярных изделий)
) открытые (для крупногабаритных строительных материалов)
Размеры складов находят, учитывая способ укладки данного материала в
штабель, который определяет нагрузку на 1м2 полезной площади склада.
При определении общей площади склада учитывают дополнительную площадь,
необходимую для проходов между штабелями, установки весов и перегрузочных
материалов, для размещения помещений, обслуживающего материала и т.п.
Площадь склада определяется по формуле:
F = Q/q м2
Q -
количество материалов, подлежащее хранению на складе;
q -
норма укладки на 1 м2 S
склада.
Расчетная площадь склада с проходами, м2:
S = F / K
K -
коэффициент использования склада
для закрытых складов - 0,3 - 0,4
для открытых - 0,5 - 0,6
для навесов - 0.5 - 0,6
Таблица 4.2- Ведомость расчета площадей и складов
|
Наименование
|
Ед. изм
|
Кол.
|
Норм. укл
|
Коэф.
|
Общ. площ.
|
Разм.
|
Спос. хран
|
|
Открытый
|
20*6
|
В штабе лях
|
|
Под навесом 1.Полотна дверные 2 Коробки дверные
3.Коробки оконные 4.Фермы, балки прогоны
|
м3 п.м. п.м. м3
|
44,31 461,1 446,4 73,87
|
44 208 200 45
|
0,5 0,5 0,5 0,5
|
2,01 4,5 4,5 3,29
|
5×3
|
|
|
Закрытый
|
В помещениях 1 этажа
|
.3.4 Проектирование и расчет временного водоснабжения
На строительной площадке вода расходуется на производственные,
хозяйственные и противопожарные нужды. Источником водоснабжения является
городская сеть. Расчёт потребности в воде определяется с учётом календарного
плана, в котором выбирается период наиболее интенсивного водопользования на
производственные и хозяйственные нужды .Расчёт заключается в определении
диаметра трубопровода, для чего нужно знать расчётный расход воды (л/с),
определяемый по формуле:
Вобщ = Впр + Вхоз + Впож;
где В - расчётный расход воды, л/с;
Впр - расход воды на производственные нужды, л/с;
Вхоз - расход воды на хозяйственные нужды, л/с;
Впож - расход воды на нужды пожаротушения, л/с;= 10 л/с
Вобщ = 8,12/с + 0,032л/с + 10л/с = 18,16л/с
Подбираем
трубы обык. по ГОСТ 3262-75 Dнар. = 140мм, условный проход 125,масса 1 метра 15,04
кг.
Таблица
4.3- Ведомость потребного количества воды
|
№ п/п
|
Потребители воды
|
Объём работ
|
Расход воды в литрах
|
|
|
ед. изм
|
к-во
|
На ед. изм
|
общий
|
|
|
|
|
|
л/с
|
л
|
|
1
|
1. Расход воды на
производство:
|
|
|
|
|
|
|
1.1. штукатурные работы
|
1м
|
13784
|
8
|
3,82
|
110272
|
|
1.2. поливка кирпича
|
1000шт
|
1031,9
|
100
|
3,58
|
103190
|
|
1.3. малярные работы
|
1м
|
13436
|
0,5
|
0,23
|
6718
|
|
1.4. посадка деревьев
|
на 1 дер.
|
15
|
600
|
0,31
|
9000
|
|
1.5. посадка кустов
|
на 1 куст.
|
20
|
200
|
0,15
|
4000
|
|
1.6. работа экскаватора
|
1 маш.ч
|
46
|
15
|
0,023
|
690
|
|
Итого:
|
|
|
|
8,12
|
|
|
2
|
2. Расход воды на
хоз.нужды:
|
|
|
|
|
|
|
2.1. хоз.-питьевые нужды
|
на 1 раб
|
45
|
25
|
0,04
|
1125
|
|
Итого:
|
|
|
|
0,04
|
|
|
3
|
3.Расход воды на
пожаротушение
|
|
|
|
|
|
|
3.1. Пожаротушение
|
|
|
|
10
|
10
|
|
Итого:
|
|
|
|
10
|
|
.3.5 Проектирование и расчёт временного электроснабжения
Основным видом энергии, используемой при строительстве зданий является
электроэнергия. Силовая электростанция применяется для питания машин и
механизмов, электросверла и т. д. Кроме того, она необходима для освещения
места производства работ, территорий строительства. Источниками снабжения
строительных площадок электроэнергией являются высоковольтные сети 3000, 6000 и
10000В, от которых напряжение 380-220 получается через трансформаторы,
установленные в постоянных или временных трансформаторных подстанциях, или
городские сети, передвижные электростанции. Необходимое количество
электроэнергии определяется по мощности силовых установок, мощности наружного и
внутреннего освещения и потребности.
Таблица 4.4- Ведомость потребного количества электроэнергии
|
Потребители электроэнергии
|
Объём работ
|
Мощность
|
|
ед. изм
|
к-во
|
удельная на единицу кВТ
|
общая кВт
|
|
1. Электродвигатели:
|
|
|
|
|
|
1.1. Машина сверлильная
ИЭ-1022В
|
шт
|
2
|
0,4
|
0,8
|
|
1.2. Машина штукатурная
затирочная СО - 86А
|
шт
|
2
|
0,2
|
0,4
|
|
1.3. Вибратор ИВ-47В
|
шт
|
1
|
0,75
|
0,75
|
|
1.4.Заглаживающая машина
СО-170
|
шт
|
1
|
1,1
|
1,1
|
|
1.5.Работа электродвигателя
крана
|
шт
|
1
|
95
|
95
|
|
1.6. Электротрамбовка
|
шт
|
2
|
0,4
|
0,8
|
|
Итого:
|
|
|
|
98,85
|
|
2. Производственные
нужды:
|
|
|
|
|
|
2.1. сварочный
трансформатор
|
шт
|
1
|
19,4
|
19,4
|
|
Итого:
|
|
|
|
19,4
|
|
3. Наружное освещение:
|
|
|
|
|
|
3.1. охранное освещение 12
прожекторов мощностью 0,15кВт
|
км
|
15
|
0,15
|
1,8
|
|
Итого:
|
|
|
|
1,65
|
|
4. Внутреннее освещение:
|
|
|
|
|
|
4.1. конторские и
общественные помещения
|
м2
|
82,6
|
0,015
|
1,23
|
|
4.2. склады
|
м2
|
135
|
0,0005
|
0,07
|
|
Итого:
|
|
|
|
1,3
|
Расчёт мощности трансформатора необходимого для стройплощадки
производится по формуле:
, кВт
где
1,1 - коэффициент, учитывающий потери мощности в сетях;
∑Рэд
- сумма мощностей электродвигателей машин, механизмов, электрифицированных
установок.
∑Рпр
- сумма мощностей на технологические нужды, а также сварка.
∑Ро.в.
- сумма мощностей внутреннего освещения;
∑Ро.н.
- сумма мощностей наружного освещения;
Cosϕ1; Cosϕ2 - средний коэффициент мощности по группам потребителей.
К1;2;3
- коэффициенты спроса.
Принимаем
трёхфазный силовой трансформатор с масляным охлаждением ТСМ 180/10 мощностью
180кВт.
.3.6
Потребность в строительных машинах
Выбор башенно-стрелового крана
Требуемая грузоподъемность крана:
Qкр= Qэ+Qстр, (т)
Qкр=1,75+0,5=2,22т
Требуемая высота подъема крюка:
Ht= ho+hз+hстр+hэ = 8,3м+0,5м+2,25м+2м=13,05м
ho -
высота опоры монтируемого элемента, определяется по чертежам.
hз -
расстояние от опоры до элемента, регламентируется ТБ.
hэ -
высота элемента.(последний монтируемый элемент -металлическая ферма)
hт -
высота траверсы.
Требуемый вылет стрелы:
Lтр=в/2+с+d, м
Lтр=5м+10,65м=15,65
м
в/2+с = 5м-расстояние от выступающих частей здания до оси крана.
Учитывая полученные данные требуемого крана, выбираем башенно-стреловой
кран ДЭК 251, так как стоимость машино-смены ниже,требуемый вылет стрелы близок
к расчетному, и при минимальном вылете кран монтирует ближайшие плиты
перекрытия. Численные привязки крана смотреть лист 5 графической части.
Привязка крана к зданию:
lстр-d+σ=15,65-10,65+0,15=5,2м
в/2+lбез+0,6+1,05=2,3+3+0,6+1,05=6,95
Кран ДЭК-251грузоподъемностью 25 т с электрическим приводом предназначен
для строительно-монтажных и погрузочно-разгрузочных работ, а также для
перегрузки сыпучих мелкокусковых материалов канатным грейфером вместимостью 2,5
м3. Возможна работа крана с электромагнитом. Кран оснащен основной решетчатой
стрелой длиной 14 м, которую с помощью дополнительных вставок длиной 5 м (2
шт.) и 8,75 м (1 шт.) можно удлинить до 32,75 м.

Рисунок 27- Гусеничный кран ДЭК 251
.3.7 Мероприятия по охране окружающей среды, технике безопасности,
противопожарной защите
До начала строительных работ на площадке выполняют комплекс работ,
направленных на профилактику травматизма. Площадку ограждают забором, засыпают
углубления и выбоины, предусматривают отвод поверхностных вод, устройство
подъездных путей и внутриплощадочных дорог и проездов.
Эффективным средством в борьбе с травматизмом является применение знаков
безопасности и подмостей. Знаки: запрещающие, предупреждающие, предшествующие,
указывающие.
Для правильной организации движения транспорта вывешивают схему движения
и устанавливают указатели проездов и дорожные знаки с обозначением допустимой
скорости, мест стоянок, разворотов и разгрузки материалов, ограничения поворота
стрелы и вылета стрелы крана. Так, чтобы знаки было хорошо видно и днём и
ночью.
Охранное освещение - столбы через 30м с фонарями, вокруг строительной
площадки.
Временные коммуникации в местах пересечения с дорогами заглубляют в землю
или устраивают по высоте, обеспечивающей безопасное прохождение людей и
транспорта.
Колодцы закрывают прочными щитами и ограждают их.
Временные сооружения и склады располагают так, чтобы пожар, возникший на
одном не перекинулся на другие. Для этого объекты строят с пожарными
разворотами и устраивают проезды.
Нужно обеспечить склады и места производства работ средствами
пожаротушения. Территория ограждается забором.
.3.8 Технико-экономические показатели по стройгенплану.
Общая площадь площадки - 3029,5 м2
Площадь временных зданий и сооружений - 90,2 м2
Площадь открытого склада S =
112 м2
Площадь закрытых складов - -//-
Протяженность временных электрических сетей - 0,265 км
Протяженность временного водопровода-0,047 м
Протяженность проездов - 0,09 км
Протяженность ограждения - 0,255 км
5. Безопасность и экологичность проекта
5.1 Анализ опасных и вредных производственных факторов при организации
отделочных работ.
На предприятиях работающие могут подвергаться воздействию различных
опасных и вредных производственных факторов.
Вредный производственный фактор- фактор среды и трудового процесса,
воздействие которого на работающего при определенных условиях может вызвать
профессиональное заболевание, временное или стойкое снижение работоспособности,
повысить частоту соматических и инфекционных заболеваний, привести к нарушению
здоровья потомства.
Опасный производственный фактор- фактор среды и трудового процесса,
который может быть причиной острого заболевания или внезапного резкого
ухудшения здоровья, смерти.
Опасные и вредные производственные факторы подразделяются по ГОСТ
12.0.003 на следующие классы: физические, химические, биологические и
психофизиологические. Такая классификация необходима для выявления опасных и
вредных производственных факторов, которые могут иметь или имеют место на
производстве, и в конечном итоге для полной нейтрализации или уменьшения
влияния этих факторов.
При наличии опасных и вредных производственных факторов безопасность
отделочных работ должна быть обеспечена на основе выполнения содержащихся в
организационно технологической документации (ПОС, ППР и др.) следующих решений
по охране труда: способы и средства подачи материалов на рабочие места;
организация рабочих мест, обеспечение их необходимыми средствами подмащивания и
другими средствами малой механизации, необходимыми для производства работ; -при
применении составов, содержащих вредные и пожароопасные вещества, должны быть
решения по обеспечению вентиляции и пожаробезопасности.
При выполнении отделочных работ следует выполнять требования настоящих
норм и правил, при выполнении окрасочных работ следует выполнять требования
межотраслевых правил по охране труда.
Отделочные составы и мастики следует готовить, как правило,
централизованно. При их приготовлении на строительной площадке необходимо
использовать для этих целей помещения, оборудованные вентиляцией, не
допускающей превышение предельно допустимых концентрацией вредных веществ в
воздухе рабочей зоны. Помещения должны быть обеспечены безвредными моющими
средствами и теплой водой. Эксплуатация мобильных малярных станций для
приготовления окрасочных составов, необорудованных принудительной вентиляцией,
не допускается.
Меры по обеспечению безопасных и здоровых условий труда при организации
отделочных работ при строительстве технического блока.
. Рабочие места для выполнения отделочных работ на высоте должны
быть оборудованы средствами подмащивания и лестницами - стремянкам и для
подъема на них. [31].Средства подмащивания, применяемые при штукатурных или
малярных работах, в местах, под которыми ведутся другие работы или есть проход,
должны иметь настил без зазоров.
. При работе с вредными или огнеопасными и взрывоопасными
материалами следует непрерывно проветривать помещения вовремя работы, а также в
течение 1ч после ее окончания, применяя естественную или искусственную
вентиляцию.
. Места, над которыми производятся стекольные или облицовочные
работы, необходимо ограждать.
. В местах применения окрасочных составов, образующих
взрывоопасные пары, электропроводка и электрооборудование должны быть
обесточены или выполнены во взрывобезопасном исполнении, работа с
использованием огня в этих помещениях не допускается [32].
. При применении воздухонагревателей (электрических или работающих
на жидком топливе) для просушивания помещений зданий и сооружений необходимо
выполнять требования ППБ 01. Запрещается обогревать и сушить помещения,
жаровнями и другими устройствами, выделяющими в помещения продукты сгорания
топлива.
. При выполнении работ с растворами, имеющими химические добавки,
необходимо использовать средства индивидуальной защиты (резиновые перчатки,
защитные мази, защитные очки) согласно инструкции завода-изготовителя
применяемого состава.
. При сухой очистке поверхностей и других работах, связанных с
выделением пыли и газов, а также при механизированной шпатлевке и окраске
необходимо пользоваться респираторами и защитными очками.
. При очистке поверхностей с помощью кислоты или каустической соды
необходимо работать в предохранительных очках, резиновых перчатках и кислотостойком
фартуке с нагрудником.
. При нанесении раствора на потолочную или вертикальную
поверхность следует пользоваться защитными очками.
. При выполнении всех работ по приготовлению и нанесению
окрасочных составов, включая импортные, следует соблюдать требования инструкций
предприятий-изготовителей в части безопасности труда. Все поступающие исходные
компоненты и окрасочные составы должны иметь гигиенический сертификат с
указанием наличия вредных веществ, параметров, характеризующих
пожаровзрывоопасность, сроков и условий хранения, рекомендуемого метода
нанесения, необходимости применения средств коллективной и индивидуальной
защиты.
. Не допускается применять растворители на основе бензола,
хлорированных углеводородов, метанола.
. При выполнении окрасочных работ с применением окрасочных
пневматических агрегатов необходимо: - до начала работы осуществлять проверку
исправности оборудования, защитного заземления, сигнализации; - в процессе
выполнения работ не допускать перегибания шлангов и их прикосновения к
подвижным стальным канатам; - отключать подачу воздуха и перекрывать воздушный
вентиль при перерыве в работе или обнаружении неисправностей механизма
агрегата. Отогревать замерзшие шланги следует в теплом помещении. Не
допускается отогревать шланги открытым огнем или паром.
. Тару с взрывоопасными материалами (лаками, нитрокрасками ит. п.)
вовремя перерывов в работе следует закрывать пробками или крышками и открывать
инструментом, не вызывающим искрообразования.
. При работе с растворонасосом необходимо: -следить, чтобы
давление в растворонасосе не превышало допустимых норм, указанных в его
паспорте; -удалять растворные пробки, осуществлять ремонтные работы только
после отключения растворонасоса от сети и снятия давления; -осуществлять
продувку растворонасоса при отсутствии людей в зоне 10миближе; -держать
форсунку при нанесении раствора под небольшим углом к оштукатуриваемой
поверхности и на небольшом расстоянии от нее.
. Подъем и переноску стекла к месту его установки следует
производить с применением соответствующих приспособлений или в специальной
таре.
5.2 Расчет устойчивости стрелового крана
Для обеспечения устойчивости машин необходимо некоторое превышение
момента удерживающих сил Муд над моментом опрокидывающих сил Мопр,
то есть, принимаем коэффициент Ку.
Проверим кран ДЭК 251 на устойчивость. Максимальный вылет крюка - 12м,
при монтаже стойки 3, максимальный груз - 300кг.
Рисунок 28 - Схема крана
Коэффициент грузовой устойчивости крана проверяют для трех случаев:
При стреле, перпендикулярной к ребру опрокидывания, при наклоне крана в
сторону опрокидывания, действии ветра и сил инерции, уменьшающих удерживающий
момент при одновременном разгоне(торможении) механизмов подъема, передвижения,
изменения вылета и вращения:
(5.1)
где
Q - грузоподъемность, кг;
G - вес груза,
Н;
Gk -
вес крана, Н;
mk -
масса крана, кг;
Rmax
- наибольший вылет при грузоподъемности Q, м;
γ - угол наклона подкранового основания к горизонту, град;
υ1, υ2 -
скорость подъема или спуска груза и передвижения крана соответственно, м/с;
n - частота
вращения крана, об/мин;
Pв.к. и Pв.г. -
ветровая нагрузка рабочего состояния на кран и груз, Н;
-
скорости вертикального и горизонтального перемещения точки подвеса груза при
работе механизма изменения вылета, м/с;
t1-t4 - время
торможения механизмов подъема, передвижения, изменения вылета и вращения, с;
h1, h2, h3, - плечи сил, м;
h0 - длина подвеса, м.
(5.2)
где
- нормативная ветровая нагрузка;
где
q0=125 Па -
скоростной ветровой напор;
к=0,9
- коэффициент, учитывающий изменения скоростного напора по высоте с учетом типа
местности;
с=1,49
- аэродинамический коэффициент сопротивления для прямоугольных конструкций.
-
наветренная поверхность груза.
При
тех же условиях, но при стреле, расположенной под углом 45 град. к ребру
опрокидывания, с учетом составляющей касательной силы инерции Fи.к. и центробежной силы Fи.ц. при торможении и пуске механизма вращения коэффициент
грузовой устойчивости определяют по формуле:
При
стреле, перпендикулярной к ребру опрокидывания, при расположении крана на
горизонтальной плоскости и отсутствия сил инерции и ветра:
(5.3)
Все
три условия грузовой устойчивости стрелового крана выполняются. Проверим
собственную устойчивость:
(5.4)
Проверка
выполняется, устойчивость крана обеспечена.
5.3 Меры пожарной безопасности при эксплуатации здания
. Территории, промплощадки, здания, сооружения и помещения должны
отвечать требованиям правил пожарной безопасности нормативных документов, а
оборудование их - также требованиям технических условий и другой проектной
документации[1], [15], [17].
. Между объектами должны соблюдаться разрывы в соответствии со [15],
санитарными и противопожарными нормами [17].
. Предприятие обязано иметь масштабные планы своих коммуникаций с точными
привязками и надежными реперами. Предприятия, владельцы отчужденной территории
обязаны на этих планах иметь также планы подземных коммуникаций и других
предприятий, действующих на данной территории. В планы должны в 3 - 10-дневный
срок вносить изменения и дополнения.
. Вход посторонних лиц на территорию объекта магистральных газопроводов и
нахождение их на рабочих местах допускается только с разрешения руководства
предприятия, в сопровождении специально назначенного лица из числа
эксплуатационного персонала и после прохождения инструктажа.
. Территория основного производственного объекта должна быть ограждена и
иметь не менее двух выездов (выходов) на дороги общего пользования. Ограждение
должно постоянно поддерживаться в исправном состоянии, препятствующем доступу
посторонних лиц на территорию. У входа (въезда) на территорию объекта и по
периметру ограждения должны быть знаки безопасности и соответствующие надписи.
Ворота должны быть заперты.
. В ночное время территорию объектов необходимо освещать. Электроосвещение
должно отвечать требованиям ПУЭ и обеспечивать освещенность не ниже
установленных норм.
. Оборудование на объектах должно располагаться так, чтобы была
возможность удобного и безопасного его обслуживания и ремонта. Расстояние от
одного оборудования до другого, а также расстояние от оборудования до стен
здания должно быть не менее 1 м, а ширина рабочего прохода - 0,75 м.Рабочим
проходом считается минимальное расстояние между выступающими частями
оборудования или между оборудованием и стеной здания.
. Объекты должны быть обеспечены надежной телефонной и радиосвязью с
постоянным вызовом.
. На объектах, расположенных далеко от баз, необходимо иметь пятидневный
запас продуктов питания (воды) для всех работников. Удаленность объекта
определяется руководством предприятия по согласованию с профсоюзным комитетом.
. Проезды, проходы и подходы к зданиям и сооружениям, а также к узлам
управления запорной арматуры необходимо своевременно очищать от грязи, снега
(льда), песка.
. Помещения производственных объектов должны иметь не менее двух выходов,
расположенных в противоположных сторонах.
. В местности с суровым климатом вход в помещение должен иметь тамбур или
другое устройство, предохраняющее работающих от сквозняка и резкого понижения
температуры.
. Окна и двери помещения должны открываться наружу. Полы должны быть из
огнестойких материалов.
. Площадки, переходы и углубления в помещениях, а также узлы
оборудования, расположенные на высоте более 0,75 м, должны иметь лестницы с
перильным ограждением.
. Снаружи входной двери должны быть вывешены знак безопасности и надпись
"Вход посторонним воспрещен", а также классификация помещений по
пожаровзрывоопасности.
. Колодцы, в том числе водопроводные и канализационные, подземные
помещения и закрытые каналы (далее - колодцы), расположенные на промплощадках и
вдоль газопроводов на расстоянии 15 м от них по обе стороны, являются газо- и
взрывоопасными. Проверять их на загазованность должны по графику не реже 1 раза
в квартал, а в первый год их эксплуатации - не реже 1 раза в месяц. Кроме того,
проверять их на загазованность должны каждый раз перед спуском работников в
колодцы.
. Колодцы должны быть постоянно закрыты специальными крышками. На
территории неохраняемых площадок подземные помещения должны быть заперты на замок.
Ключи от замков должны быть у эксплуатационного персонала.
. Колодец, в котором проводится какая-либо работа, должен быть на
поверхности огражден с установкой знака безопасности, освещаемого в ночное
время.
. Во избежание скопления газа в колодце и облегчения отбора проб воздуха
без спуска в него в его крышке должно быть отверстие диаметром 20 - 30 мм.
. Колодцы должны предохранять от попадания в них поверхностных и
грунтовых вод. При необходимости должен быть организован дренаж с выпуском
стоков в промышленную канализацию через гидравлический затвор. Необходимо
своевременно проверять исправность затвора.
. Осмотр и очистку колодцев должны проводить с выполнением требований
даже после удовлетворительного анализа на загазованность.
. Персонал, обслуживающий колодцы, в которых возможна загазованность выше
ПДК, должен знать схему коммуникаций, размещение колодцев, способы определения
загазованности, признаки отравления вредными веществами, правила работ в
загазованной среде, пользования СИЗОД, эвакуации пострадавших и оказания им
доврачебной помощи.
. Оборудование, трубопроводы, инструмент, необходимо эксплуатировать в
соответствии с технологическими инструкциями, составленными на основе
инструкций заводов-изготовителей. Изменять эти инструкции допускается лишь по
согласованию с проектной организацией и заводом-изготовителем.
. Устройство и эксплуатация резервуаров, баллонов и сосудов с рабочим
давлением выше 0,07 МПа (0,7 кгс/кв. см) должны соответствовать требованиям
Правил устройства и безопасной эксплуатации сосудов, работающих под давлением.
. Оборудование, а также арматура должны иметь порядковую нумерацию, четко
различимую с рабочих мест. Вспомогательное оборудование, непосредственно
связанное с основным оборудованием, должно иметь ту же нумерацию, что и
основное.
. Запрещается в случае аварийной остановки (отключения) оборудования,
трубопроводов, КИПиА повторный пуск их в работу до выявления и устранения
причины нарушения, вызвавшей аварийную остановку (отключение).
. Движущиеся и вращающиеся части оборудования должны быть надежно
ограждены.
. Допускается временно снимать ограждения движущихся и вращающихся
частей, а также сильно нагревающихся (охлаждающихся) поверхностей оборудования
на период осмотра и ремонта. Запрещается пуск этого оборудования в работу со
снятыми ограждениями.
. Запрещается при работе оборудования, трубопроводов становиться на
барьеры площадок, кожухи муфт и подшипников, а также на конструкции, не
предназначенные для прохода.
. Горячая поверхность оборудования и трубопровода должна быть покрыта
тепловой изоляцией, температура поверхности которой не должна превышать внутри
помещения 45 °С и вне его 60 °С. Теплоизоляцию нужно периодически проверять и
поддерживать в хорошем состоянии. Горячая поверхность в местах, где на нее при
аварии может попасть масло или газоконденсат, должна иметь защитный кожух.
. Опробование или испытание после ремонта запорной, регулирующей или
предохранительной арматуры должно быть оформлено актом.
. Постоянные и временные заглушки, устанавливаемые на технологических
трубопроводах, должны быть стальными. Привариваемая заглушка должна быть
сферической, толщина заглушки определяется расчетом.
. Заглушки, устанавливаемые между фланцами трубопроводов, должны иметь
хвостовики, выступающие за пределы фланцев, и должны быть поставлены на
прокладки из материалов, соответствующих условиям эксплуатации и
транспортируемой среде. На хвостовике заглушки должен быть выбит ее инвентарный
номер, диаметр, толщина, рабочее давление, марка стали.
. Утечки газа из сварных и других соединений оборудования, трубопроводов
и арматуры обнаруживают с помощью мыльного раствора, специальными приборами или
другим методом без применения открытого огня.
. В производственном подразделении (объекте) должно быть назначено лицо,
ответственное за контроль воздуха рабочей зоны промплощадок, зданий, сооружений
и колодцев. Результаты проверок регистрируются в журнале контроля воздушной
среды.
.4 Мероприятия по предотвращению загрязнения грунтовых вод и почвы
Грунтовые воды и в особенности верховодка более всего подвержены
загрязнению, так как они не защищены сверху толщей водоупорных пород от
проникновения загрязняющих веществ.
Наиболее часто встречается химическое и бактериальное загрязнение
подземных вод. Значительно реже наблюдается радиоактивное, механическое и
тепловое загрязнение.
Химическое загрязнение - наиболее распространенное, стойкое и далеко
распространяющееся. Оно может быть органическим (фенолы, нафтеновые кислоты,
ядохимикаты и др.), неорганическим (соли, кислоты, щелочи), токсичным (мышьяк,
соли цинка, ртути, свинца и др.) и нетоксичным. Вредные химические вещества при
фильтрации в пласте сорбируются частицами пород, окисляются и
восстанавливаются, выпадают в осадок и т. д., однако, как правило, полного
самоочищения загрязненных вод не происходит. Наибольшего распространения (до 10
км и более) очаг химического загрязнения достигает в сильно проницаемых грунтах
и при значительных уклонах подземного потока, т. е. при хорошем оттоке
подземных вод.
Бактериальное загрязнение выражается в появлении в подземных водах
патогенных бактерий, вирусов (до 700 видов), простейших и др. Этот вид
загрязнения носит временный характер. Его интенсивность зависит от величины
начального загрязнения, водопроницаемости грунтов и времени выживания бактерий
и вирусов.
Весьма опасно содержание в подземных водах, даже при очень малых
концентрациях, радиоактивных веществ, вызывающих радиоактивное
загрязнение. Наиболее вредны «долгоживущие» радиоактивные элементы, обладающие
повышенной способностью к передвижению в подземных водах (стронцй-90, уран,
радий-226, цезий и др.). Радиоактивные элементы могут проникать в подземные
воды как в результате их взаимодействия с радиоактивными горными породами, так
и при выпадении на поверхности земли радиоактивных продуктов и отходов.
Механическое загрязнение характеризуется попаданием в подземные воды
механических примесей, содержащихся в сточных водах (песок, шлак и др.),
преимущественно по крупным трещинам и пустотам. Механические примеси могут
значительно ухудшать органолептические показатели подземных вод.
Тепловое загрязнение связано с повышением температуры подземных вод в
результате их смешивания с более нагретыми поверхностными, технологическими
сточными водами.
Возможными источниками загрязнения подземных вод могут быть бытовые и
хозяйственные стоки.
На стадии строительно-монтажных работ для защиты грунтовых вод от
загрязнения предусмотрены следующие мероприятия:
) для отвода стоков умывальных и душевых предполагается их подключение к
существующей канализационной сети через временный трубопровод;
) использование биотуалетов, до ввода в эксплуатацию постоянной сети
канализации (запрещается устройство выгребных туалетов);
) строительный мусор вывозить по мере накопления на свалку промышленных
отходов;
) для складирования бытового мусора и отходов на территории строительной
площадки должен находиться контейнер, для которого предусматривается
специальное место. Площадка для установки контейнеров должна быть с бетонным
покрытием и иметь с трех сторон ограждение высотой 1,0-1,2м, чтобы исключить
попадание мусора на прилегающую территорию;
) стоянку и заправку строительных механизмов горюче-смазочными
материалами производить на специальных площадках, не допуская их пролив и
попадание в грунт.
Отвод поверхностных вод с территории строительной площадки осуществляется
в пониженные участки местности, при этом выпуск воды непосредственно на склоны
без надлежащей защиты от размыва не допускается.
По канализации сточные воды поступают на городские очистные сооружения,
где перед сбросом в реку проходят полную биологическую очистку.
Раньше считалось, что если грунтовые воды загрязнены, то они утрачены
практически навсегда, так как способов очистки водоносных горизонтов не
существует, требуются сотни лет для вымывания из них отходов. Недавно разработана
новая технология восстановления качества грунтовых вод, которая теперь широко
распространяется. В общих чертах она предусматривает бурение скважин, откачку
загрязненных грунтовых вод, их очистку на химических поглощающих фильтрах и
закачивание обратно в водоносный горизонт.
.4.1 Борьба с подтоплением грунтовыми водами
Отвод поверхностных вод с территории проектирования предусмотрен по
лоткам проезжей части на внутриквартальный проезд и далее на дорогу по улице
Циолковского (с учетом общего по данной территории уклона в направлении с
северо-востока на юго-запад).
Одним из наиболее распространенных способов водопонижения является
устройство скважин, оборудованных насосами. Глубина таких скважин зависит от
мощности водоносного горизонта, глубины залегания грунтовых вод, свойств породы
(способность фильтрации), и собственно проектной необходимости - величины
понижения вод. Применение таких скважин возможно практически во всех
гидрогеологических условиях.
Дренажные скважины, расположенные вертикально формируют для
перенаправления воды с верхнего слоя в нижний, более проницаемый водоносный
горизонт. Особенность работы при устройстве таких скважин заключается в том,
что осушаемый и поглощающий водные горизонты необходимо оборудовать фильтровыми
звеньями.
При проектировании дренажных систем предпочтение следует отдавать
системам дренажа с отводом воды самотеком. Дренажные системы с принудительной
откачкой воды требуют дополнительного обоснования.
В зависимости от гидрогеологических условий надлежит применять горизонтальные,
вертикальные и комбинированные дренажи.
Дренажная система должна обеспечивать требуемый по условиям защиты
уровненный режим грунтовых вод.
Применение дренажной системы следует обосновывать изучением водного, а
для аридной зоны - и солевого баланса грунтовых вод.
Выполнение горизонтального дренажа открытым траншейным и бестраншейным
способом определяется экономической целесообразностью.
В случае устройства открытых горизонтальных дренажей при глубине до 4 м
от поверхности земли следует учитывать глубину промерзания грунтов, а также
возможность их зарастания.
Во всех случаях применения вертикального дренажа его водоприемную часть
следует устраивать в грунтах с высокой водопроницаемостью.
Открытые дренажные каналы и траншеи следует устраивать в тех случаях,
когда требуется осушение значительных по площадям территорий с одно-,
двухэтажной застройкой небольшой плотности. Их применение также возможно и для
защиты от подтопления наземных транспортных коммуникаций.
Если грунт сильно затоптан и перемят, он будет вести себя как
песок-плывун. В этом случае очень трудно создать площадку для возведения
фундамента, особенно осенью. Продолжать углублять котлован (траншею) возможно
лишь после смены уровня приемного и сборного колодцев, а также заглубления дрен.
Грунт следует вынимать в противоположном от потока грунтовых вод
направлении, так как задерживаемый при этом поток будет размывать грунт.
Появление признаков суффозии должно послужить сигналом к окончанию работ по
отрытому водопонижению. Если не обратить на это внимание, грунт можно легко
сделать непригодным для строительства фундамента.
Чтобы вода не залила котлован, грунтовые воды удерживают на одном уровне
за счет постоянного откачивания, либо откачку воды производят через
определенные промежутки времени. Если вода хлынет в котлован, это может
привести к непредсказуемым последствиям, например, к разрушению еще не
укрепленных конструкций.
Имея это в виду, следует особое внимание уделить системе откачки воды,
чтобы застраховать себя от серьезных проблем. При открытом водопонижении, когда
идет дождь, рекомендуется включать насосы, при этом лучше использовать такие
модели, в которых предусмотрена функция автоматического управления.
Для крепления откосов открытых дренажных канав и траншей необходимо
использовать бетонные или железобетонные плиты или каменную наброску. В
укрепленных откосах надлежит предусматривать дренажные отверстия.
В закрытых дренажах в качестве фильтра и фильтровой обсыпки следует
применять песчано-гравийную смесь, керамзит, шлак, полимерные и другие
материалы.
Дренажные воды следует отводить по траншеям или каналам самотеком.
Устройство водосборных резервуаров с насосными станциями перекачки
целесообразно в тех случаях, когда рельеф защищаемой территории имеет более
низкие отметки, чем уровень воды в ближайшем водном объекте, куда должен
отводиться поверхностный сток с защищаемой территории.
Заключение
В данной выпускной квалификационной работе разработан проект на тему
«Физкультурно-оздоровительный комплекс с бассейном в г. Грязовец».
Проектируемое здание переменной этажности различного функционального
значения: административно-тренерский блок, бассейн и спортивный зал.
Административно-тренерский блок - трехэтажный, в исполнении метало-каркаса,
бассейн - двухэтажный, в кирпичном исполнении, спортивный зал - одноэтажный -
металло-каркас, разработан генплан, фасады, объемно-планировочные и
конструктивные решения объекта.В проекте выполнен теплотехнический расчет
ограждающих конструкций.
В расчетно-конструктивном разделе произведен расчет стального прогона и
стальной фермы.
Выполнена технологическая карта на нулевой цикл. Организована
строительная площадка.
В данном проекте произведен анализ и приняты меры по обеспечению
безопасных и здоровых условий труда при организации отделочных работ на
объекте, выполнен расчет устойчивости монтажного крана, проведены мероприятия
по предотвращению загрязнения грунтовых вод .
Список использованных источников
1. Федеральный закон от 30.12.2009г.№384-ФЗ «Технический
регламент о безопасности зданий и сооружений; введ. 31.12.2009.
. СП 56.13330.2011.Производственные здания. Актуализированная
редакция СНиП 31-03-2001: утв. Минрегионом России 30.12. 2010 г. № 850; введ.
20.05.2011. - М: ФАУ ФЦС,2011г.-13с.
. СП 131.13330.2012. Свод правил. Строительная климатология.
Актуализированная редакция СНиП 23-01-99*: утв. Минрегионом России 30.06.
2012г. №275. - Взамен СНиП 23-01-99*; введ. 01.01.2013. - М: ФАУ ФЦС, 2012.г -
109с.
4. СП 126.13330.2012. Свод правил. Геодезические работы в
строительстве . Актуализированная редакция СНиП 3.01.03-84: утв. Минрегионом
России 29.12. 2011г.; введ. 01.01.2013-76с.
5. ГОСТ 14098-91 Соединения сварные арматуры и закладных
изделий железобетонных конструкций. Технические условия: утв. и введ. ЦНИИПСК
01.07.1992г.
. ГОСТ 530-2007 Кирпич и камень керамический. Технические
условия: утв. и введ.МНТКС 24.05.2007г.
. СП 42.13330.2011. Градостроительство. Планировка и
застройка городских и сельских поселений.Актуализированная редакция СНиП
2.07.01-89*:утв. Минрегионом России 28.12.2010 г. № 820; введ. 20.05.2011г. -
М.:Департамент архитектуры, строительства и градостроительной политики РФ.
. Серия 1.031.9-2.99 - Перегородки системы "Knauf"
поэлементной сборки из гипсокартонных листов на металлическом и деревянном
каркасах для жилых, общественных и производственных зданий: утв.
Госгражданстрой 2000. - 120 с.
. Серия 1.141-1 в. 64- Плита перекрытия ПК 60-12-4AIVT-a.
. Серия 1.141-1 в.60- Плиты перекрытия пустотные
железобетонные.
. ГОСТ 30971-2002 Швы монтажные узлов примыканий оконных
блоков к стеновым проемам. Технические условия: утв. и введ.МНТКС 24.04.2002г.
. ГОСТ 21519-2003 Блоки оконные из алюминиевых сплавов.
Технические условия: утв. и введ.МНТКС 14.05.2003г.
. Серия 1.100.2-5 в.1-Металлические изделия жилых зданий.
. СП 70.13330.2012 Несущие и ограждающие конструкции.
Актуализированная редакция СНиП 3.03.01-87: утв. Минрегионом России ; введ.
01.07.2013г.
. СанПиН 2.2.1/2.1.1.1200-03 Санитарные правила и нормы.
Санитарно-защитные зоны и санитарная классификация предприятий, сооружений и
иных объектов (с изменениями на 25.04.2014.г): утв. и введ. постановлением
Главного государственного санитарного врача РФ 25.09. 2007 г. № 74 - 53с.
. СНиП 23-02-2003. Строительные нормы и правила. Тепловая
защита зданий: утв. и введ. 01.10.2003 - М: ФГУП ЦПП Госстроя России, 2004. -
27с.
. СП 5.13130.2009 Свод правил. Установка противопожарной
защиты: утв. и введ. МЧС России 25.03.2009 г. № 175 - 107с.
. СНиП 2.03.11-85 Строительные нормы и правила. « Защита
строительных конструкций от коррозии»: утв. и введ. 01.10.87-М: ФГУП ЦПП
Госстроя России, 1999.г - 24с.
. СП 16. 13330.2011 Строительные правила. Стальные
конструкции. Актуализированная редакция СНиП II -23-81*: утв. и введ.
Минрегионом России от 27.12.2011.г№ 791 - 171с.
. ГОСТ 24045-94 Профили стальные листовые гнутые с
трапециевидными гофрами для строительства. Технические условия: утв. и введ.
ЦНИИПСК 17.11.1994.г - 19с
. ГОСТ 30245-2003 Профили стальные гнутые замкнутые сварные
квадратные и прямоугольные для строительных конструкций. Технические условия:
утв. и введ. ЦНИИПСК 22.10.2003.г - 15с.
. СП 53-102-2004 Строительные правила. Общие правила
проектирования стальных конструкций; утв. и введ. 01.01.2005 М.: ФГУП ЦПП,
2005г. - 100с.
. СП 45.13330.2012 Земляные сооружения, основания и
фундаменты. Актуализированная редакция СНиП 3.02.01-87: утв. Минрегионом России
29.12.2011№635/2; введ. 01.01.2013. - ФАУ ФЦС, 2013. -113с.
. . ЕНиР 2 Механизированные и ручные земляные работы СССР
28.09.1989 г. № 139/327/20-46 .
. ЕНиР 4 Монтаж сборных и устройство монолитных
железобетонных конструкций: утв. Государственного строительного комитета СССР
05.12.1986.г № 43/512/29-50 - 133с. - 28с.
. ЕНиР 11 Изоляционные работы: утв. Государственного
строительного комитета СССР 5.12.1986 г. № 43/512/29-50.
. СНиП 14-4-80* Техника безопасности в строительстве: утв.
Госстроем России 28.08.1997.г №18-40 - 239с.
.СП 52.13330.2011 Естественное и искусственное освещение.
Актуализированная редакция СНиП 23-05-95**: утв. и введ. Росстандарт
20.05.2011г.
. СНиП 3.04.01-87 Изоляционные и отделочные покрытия.Госстрой
СССР 1988г.
. СНиП 12-03-2001 Безопасность труда в строительстве: утв. и
введ.Госстрой 09.08.2001г.
. ГОСТ 12.4.059-89 ССБТ. Строительство. Ограждения
предохранительные инвентарные. Общие технические условия: утв. Постановлением
Государственного строительного комитета СССР от 13.04.89 № 66 - 11с.
. . СП 4.13130.2013 Ограничение распространения пожара на
объектах защиты: утв. Министерством Российской Федерации по делам гражданской
обороны, чрезвычайным ситуациям и ликвидации последствий стихийных бедствий
(МЧС России) 24.04. 2013 г. № 288 - 187с
. №7 ФЗ «Об охране окружающей среды»: утв. 10.01.2002 - 1с.
. №89 ФЗ «Об отходах производства и потребления»: утв.
24.06.1998.г -2с.
. СП 2.2.1.1312-03 Гигиенические требования к проектированию
строящихся и реконструируемых промышленных предприятий: утв. Постановлением
Правительства Российской Федерации № 554 24.06.2000.г - 76с.
. СП 23-101-2004 Свод правил . Проектирование тепловой защиты
зданий: утв. и введ. ОАО "ЦНИИпромзданий" и ФГУП ЦНС1.06. 2004 г. №
01. - М: .ОАО ЦПП,2004. - 178 с.
. СП 20.13330.2011. Свод правил. Нагрузки и воздействия.
Актуализированная редакция СНиП 2.01.07-85*: утв. Минрегионом России 27.12.
2010г. №787. - Взамен СНиП 2.01.07-85*; введ. 20.05.2011. - М: ФГУП ЦПП, 2011.
- 80 с.
. ГОСТ 17.4.3-85 Охрана природы. Почвы. Общие требования к
методам определения загрязняющих веществ: утв. Госстрой СССР 02.12.1985 № 3798.
- введ. 01.01.1987. - М: Стандартинформ, 1987. - 2 с.
. СП 113.13330.2012. Свод правил. Стоянки автомобилей.
Актуализированная редакция СНиП 21-02-99*: утв. Минрегионом РФ от 29.12.2011 №
635/9. - Взамен СНиП 21-02-99*; введ. 01.01.2013. - М: ОАО ЦНИИпромзданий,
2013. - 20 с.
. ГОСТ 17.5.3.06-85 Охрана природы. Земли. Требования к
определению норм снятия плодородного слоя почвы при производстве земляных
работ: утв. Госстрой СССР 17.07.1985 № 2256. - введ. 01.07.1986. - М.
Стандартинформ, 1986. - 4 с.
Приложение 1
Экспликация помещений
Приложение 2
Наружная и внутренняя отделка
Приложение 3
Спецификация элементов лестницы