Розробка міської телефонної мережі з використанням аналогових систем комутації

  • Вид работы:
    Курсовая работа (т)
  • Предмет:
    Информатика, ВТ, телекоммуникации
  • Язык:
    Украинский
    ,
    Формат файла:
    MS Word
    703,92 Кб
  • Опубликовано:
    2016-11-06
Вы можете узнать стоимость помощи в написании студенческой работы.
Помощь в написании работы, которую точно примут!

Розробка міської телефонної мережі з використанням аналогових систем комутації

МІНІСТЕРСТВО ОСВІТИ І НАУКИ, МОЛОДІ ТА СПОРТУ УКРАЇНИ

ПОЛТАВСЬКИЙ НАЦІОНАЛЬНИЙ ТЕХНІЧНИЙ УНІВЕРСИТЕТ

імені ЮРІЯ КОНДРАТЮКА

Кафедра комп’ютерної інженерії





КУРСОВИЙ ПРОЕКТ

з дисципліни

«Системи комутації в електрозв’язку»

на тему:

“Розробка міської телефонної мережі з використанням аналогових систем комутації”


Виконав: студент групи 302ТТ

Курись Юрій Олександр

Перевірив: доцент кафедри КІ

Петрянін Владислав Миколайович




Полтава-2011

ЗАВДАННЯ ТА ПОЧАТКОВІ ДАНІ

для курсового проекту з дисципліни

«Системи комутації в електрозв’язку»

на тему:

“Розробка міської телефонної мережі з використанням аналогових систем комутації”

Варіант № 32

Розділ 1.

Синтезувати двокаскадний комутаційний блок (КБ) на БКЗ з параметрами: N´VAB´М, де N - кількість входів; VAB - кількість промліній; М - кількість виходів.

Тип ПВ-ПВ, який працює в режимі вільного шукання, з кількістю входів N = 100, VAB=50; М=20; тип БКЗ каскаду А, В : БКЗА: 10´10´4; БКЗВ: 20´10´4.

Тип ВП-ВП, який працює в режимі групового шукання, з кількістю виходів N=60; VAB=30; М = 100; тип БКЗ каскаду А, В : БКЗА: 10´10´4; БКЗВ: 20´10´4.

Привести функціональну схему КБ. На схемі зазначити комутаційні параметри блока (N, VAB, М) й типи БКЗ каскадів А та В.

Визначити структурні параметри комутаційного блока: kA, kB - кількість комутаторів на відповідному каскаді; nA, nB - кількість входів до одного комутатора; mA, mB - кількість виходів з одного комутатора; fAB - зв'язність схеми.

Зобразити схему КБ координатним і символічним способами На схемі зазначити кількість входів (N), промліній (VAB), виходів (M), кількість комутаторів (kA та kB), параметри кожного комутатора та зв'язність. На схемі в символічному вигляді прямокутниками розмежувати БКЗ і зазначити їхні номери, а також порядкові номери вертикалей та виходів контактного поля.

. Визначити кількість точок комутації (ТК) на одному каскаді.

.        Зобразити комутаційний граф. Для блоків типу ВП-ВП оберати значення параметра напрямку q порівнюваним 1 чи 2. Визначити значення миттєвої доступності D.

Розділ 2.

Дані стосовно міської телефонної мережі (МсТМ).

МсТМ з п'ятизначною нумерацією складається з трьох районних АТС (РАТС):

РАТС-2. декадно-крокової системи типу АТС-54 ємністю N2 номерів;

РАТС-3, квазіелектронної системи, типу «Квант» ємністю N3 номерів;

РАТС-4, координатної системи типу АТСК-У ємністю N4 номерів.

У РАТС-4 ввімкнено координатну підстанцію (ПС) типу ПСК-1000К. Зазначені станції обслуговують центральну частину міста. Обладнання вузла спецслужб (ВСС) розташовано в приміщенні РАТС-2.

На телефонній мережі передбачається вихід на міжміську цифрову телефонну АТС (АМТС) КВАНТ за допомогою міжміських з’єднувальних ліній (МЗЛ) при вхідному міжміському зв’язку та замовно-з’єднувальних ліній (ЗЗЛ) при вихідному міжміському зв’язку.

Дані стосовно проектованої РАТС.

Проектовану РАТС-5 координатної системи АТСК-У, ємністю N5 номерів призначено для обслуговування віддаленого мікрорайону. Внутрішньостанційне з'єднання має здійснюватися через одну ступінь групового пошуку. Відстані до існуючих РАТС становлять L5-2, L5-3, L5-4, кілометрів. У проектовану РАТС-5 необхідно ввімкнути:

абонентські лінії від індивідуальних телефонних апаратів;

лінії від таксофонів, частка яких становить 0,015 від ємності проектованої РАТС;

з'єднувальні лінії від виробничої АТС (ВАТС) квазіелектронної системи типу «Квант» ємністю NВАТС номерів, з яких 50% абонентів не мають права виходу на МсТМ. Відстань поміж РАТС-5 та ВАТС - LВАТС.

Вихідні дані стосовно МсТМ :=10000 номерів;=2048 номерів;-4=8,5 км;ВАТС=10024 номерів;ВАТС=2,4 км;=7000 номерів;=7000 номерів;-2=9 км;-3=8 км.

Завдання.

. Визначити тип з'єднувальних ліній (ЗЛ) між РАТС даної МсТМ.

Зобразити структурну схему МсТМ у масштабі 1 см = 1 км, зазначивши наявні у центрі міста РАТС, ВСС у приміщенні РАТС-2, проектовану РАТС-5 у віддаленому мікрорайоні, довільно обрати місця розташовування ПСК-1000К. На схемі зазначити типи станцій, їхню ємність, нумерацію абонентських ліній, напрямок зв'язку по 3Л та відстані, між РАТС.

Скласти таблиці розподілу напрямків з поля ступеня 1ГП РАТС-2 та РАТС-5 і зазначити максимально можливу кількість резервних напрямків.

Зобразити функціональну схему РАТС-5. На схемі зазначити ввімкнення на ступені АП двох тисячних абонентських груп (першу й останню), а також ввімкнення ліній від таксофонів, ВАТС, РАТС.

Використовуючи схему МсТМ за п. 2 цього завдання зобразити функціональну схему з'єднувального тракту зв'язку абонента А з абонентом Б. Станції, куди ввімкнено абонентів: А - РАТС-5; В - РАТС-2.

Розділ 3.

Завдання

У РАТС-5 ввімкнено виробничу АТС (ВАТС) типу «Квант» ємністю Nвatc=1024. Відстань від опорної РАТС-5 до ВАТС LВАТС=2,4 км. максимальна довжина абонентської лінії LАЛ=150 м.

. Розробити схему групоутворення ВАТС. На схемі подати перший, другий та останній блоки БАЛ та БЗЛ. Зазначити нумерацію блоків, кількість міжблокових зв'язків, а також нумерацію АЛ. В абонентських номерах виокремити цифри номера, що набираються при внутрішньостанційному зв'язку. Визначити кількість шнурових комплектів.

. Зобразити функціональну схему з'єднувального тракту зв'язку абонентів А(увімкнених до станції ВАТС) та Б (увімкнених до станції РАТС-2).

ВСТУП

Сучасне суспільство не може існувати без обміну інформацією, об'єм якої безперервно і дуже інтенсивно росте. Зростають також вимоги до швидкості і достовірності передачі інформації. Оснащення промисловості і сільського господарства новітніми засобами виробництва приводить до створення нових методів управління, як в окремих галузях так і державі в цілому. Це призводить до появи нових виглядів джерел інформації і збільшення потоків інформації. Аналіз потоків інформації за довгий час показує, що зростання об'єму передавання інформації, яку необхідно передавати для нормального функціонування виробництва країни, пропорційне квадрату об'єму виробництва. Добре налагоджений зв'язок здатний в багато разів підвищити продуктивність праці.

Електрозв'язок включає телеграфну, телефонну, телевізійну, радіо та інші види зв'язку. За об'ємом передавання інформації телефонний зв'язок є основним видом зв'язку. Його роль не обмежується, як в недавньому минулому, сферою управління економікою, державним управлінням, задоволенням оборонних потреб країни і обслуговуванням населення. Телефонний зв'язок перетворюється на невід'ємний елемент виробничо-технологічного процесу в промисловості, транспорті, в енергосистемах, газо- і нафтопроводах та інших галузях господарства країни.

Стандартні телефонні канали використовуються так само як канали для передачі дискретної інформації для обчислювальних центрів, систем телекерування, телеметрії і телесигнализации.

Розвиток техніки багатоканального електрозв'язку - створення могутніх систем передачі по кабельних і радіорелейних лініях, використання супутникового зв'язку - дозволяє задовольнити потреби суспільства в передачі все зростаючого потоку різної інформації. Канали зв'язку, по яких передається інформація, можуть ефективно використовуватися тільки за наявності засобів автоматичної комутації, бездоганно зроблених як з технічної, так і з економічної точок зору.

Курсове проектування є етапом вивчення дисципліни «Системи комутації в електрозв’язку» (СКЕЗ). Метою курсового проекту є:

а) закріплення і розширення знань по дисципліні СКЕЗ;

б) придбання навиків застосування теоретичних знань для вирішення конкретних технічних задач;

в) отримання навиків самостійного виконання деяких завдань інженерної роботи;

г) вироблення навиків оформлення технічної документації, складання записки пояснення і розробки ілюстративного матеріалу і креслень.

РОЗДІЛ 1

У двохланкових КБ комутація входу з виходом виконуються через дві ТК. Якщо в одноланковий КБ вхід може бути сполучений тільки з одним виходом, то в двохланкових КБ - з одним з декількох виходів, тобто ТК використовується значно краще.

У координатних АТС використовуються три типи двохланкових схем:

ПВПВ на ступенях АП исх і РП;

ВПВП на ступенях АП вх і ГП;

ПВВП на ступенях РП.

На рис. 1.1. наведено функціональну схему КБ типу ПВПВ. На схемі зазначені комутаційні параметри блока (N, VAB, М) і типи БКЗ каскадів А та В.

Рисунок 1.1. Функціональна схема 2-ланкового КБ на ступені абонентського пошуку 100´50´20

Розрахуємо структурні параметри комутаційного блока:A і n B - число входів в комутатори ланки А і В;А і m В - число виходів з комутаторів ланок А і В;А і КВ - число комутаторів ланок А і В;АВ - зв'язність - число промліній, що зв'язують один комутатор ланки А з одним комутатором ланки В;АВ - кількість проміжних ліній;

s А і s В - коефіцієнт розширення комутаторів ланки А і В;max - максимальна доступність в напрямі.

Для схем ПВПВ спочатку задамося значеннями  і. Це необхідно для повного використання поля вертикалі заданого типу МКС.

nA= mмкс-A=10; (1.1)=mмкc-B=10; (1.2)=N/ nA=100/10=10;         (1.3)= VAB/ nB=50/10=5          (1.4)=VAB/ KA=50/10=5; (1.5)=M/ KB=20/5=4 (1.6)

(1.7)

 (1.8)=MA/KB=5/5=1. (1.9)

На рис. 2.1. зображена схема КБ координатним (рис. 1.2. а) та символічним (рис. 1.2. б) способами.

Кількість точок комутації на одному каскаді дорівнює добуткові точок комутації одного комутатора на кількість комутаторів у цьому каскаді.

Кількість ТК каскаду А: 50*10=500;

Кількість ТК каскаду В: 40*5=200.

а)

б )

Рисунок 1.1. Зображення схеми комутаційного блоку типу ПВПВ:

а) координатним способом; б) символічним способом.

В результаті внутрішніх блокувань доступність змінюється від Dmax до Dmin по наступній закономірності:

Dmax=mBKB (1.10)

При цьому: D1=Dmax , D2=Dmax - mB , D3=Dmax - 2mB і т. д. до тих пір поки не будуть зайняті всі промлінії.

Зміну доступності зручно визначати по комутаційному графу, на якому зображуються ТК в будь-якому комутаторі ланки А, промлінії, зв’язуючі комутатор з комутаторами каскаду В і виходи з комутаторів каскаду В (рис. 1.2.).

В схемах ПВПВ nA завжди більше mA, тому Dmin=0; Dmax =4*5=20

Рисунок 1.2. Комутаційний граф двокаскадного КБ типу ПВПВ

На рис. 1.1. наведено функціональну схему КБ типу ПВПВ. На схемі зазначені комутаційні параметри блока (N, VAB, М) і типи БКЗ каскадів А та В.

Рисунок 1.3. Функціональна схема 2-ланкового КБ на ступені групового пошуку 60´30´100

Розрахуємо структурні параметри комутаційного блока:A і n B - число входів в комутатори ланки А і В;А і m В - число виходів з комутаторів ланок А і В;А і КВ - число комутаторів ланок А і В;АВ - зв'язність - число промліній, що зв'язують один комутатор ланки А з одним комутатором ланки В;АВ - кількість проміжних ліній;

s А і s В - коефіцієнт розширення комутаторів ланки А і В;

Н max - максимальне число напрямів;max - максимальна доступність в напрямі.

Для схем ВПВП спочатку задамося значеннями  і. Це необхідно для повного використання поля вертикалі заданого типу МКС.

mA= mмкс-A=10; (1.11)=mмкc-B=10; (1.12)= VAB// mA=30/10=3;         (1.13)= V/ mB=100/10=10     (1.14)=N/ KA=60/3=20; (1.15)= VAB// KA=30/10=3 (1.16)

(1.17)

 (1.18)=MA/KB=10/10=1. (1.19)

На рис. 2.1. зображена схема КБ координатним (рис. 1.2. а) та символічним (рис. 1.2. б) способами.

Кількість ТК на каскаді А: 200*3=600;

Кількість ТК на каскаді В: 30*10=300.

а )

б)

Рисунок 1.4. Зображення схеми комутаційного блоку типу ПВПВ:

а) координатним способом; б) символічним способом.

Комутаційний граф зображено на рис. 1.5.

Рисунок 1.5. Вихідні лінії одного напрямку.

Максимальне число напрямків Нmax=10, максимальна доступність в напрямку (коли виклики на вході КБ відсутні) може дорівнювати:

Dmax=q*KB (1.20)

При q=1 за формулою (1.20):

Dmax=1*10=10;

При q=2:=2*10=20.

Зміна доступності у разі внутрішніх блокувань від максимального до мінімального значень підкорюється закономірності: для першого виклику D1 = Dmax= q ´ КВ, для другого D2= Dmax       -q = (КВ-1) ´ q    і т. д. до тих пір, поки не будуть зайняті всі виходи комутаторів каскаду А.

Значення миттєвої доступності D для схем ПВПВ визначається за виразом (2.21):

D= Dmax-2 q (2.21)= 10-2*1=8 - для q=1;= 20-2*2=16 - для q=2.

РОЗДІЛ 2

Визначимо тип з’єднувальних ліній (ЗЛ) між РАТС даної МсТМ.

Тип з'єднувальних ліній між РАТС залежить від їхньої довжини. При відстанях меньше 10 км використовуються фізичні ЗЛ. При цьому, якщо відстань більше 1,5 км, то ЗЛ - двопроводові, при відстані менше 1,5 км - трипроводові. Якщо відстань більше 8 км, доцільним є застосовування з'єднувальних ліній, ущільнених системою передавання ІКМ (СП ІКМ).

В задачі курсового проекту задано довжини ЗЛ від РАТС-5 до інших станцій мережі. Для визначення відстані між існуючими АТС будемо враховувати, що схема МсТМ зображується в масштабі 1 см = 1 км.

Тип ЗЛ, використовуваних для місцевого зв'язку за з'єднань РАТС з МсТМ та ВАТС може бути визначено у два способи:

виходячи з розподілу норм затухання на телефонній мережі;

залежно від відстані.

Ми будемо застосовувати другий варіант.

На телефонній мережі передбачається вихід на міжміську цифрову телефонну АТС (АМТС), яка буде з'єднуватися з існуючими РАТС з'єднувальними лініями, ущільненими системою передавання ІКМ (СП ІКМ).

Зв'язок з ПСК-1000К організується по трьом пучкам ЗЛ: два пучка двопроводових вихідних (від ПСК) і вхідних (на ПСК) ЗЛ місцевого зв'язку і пучок трипроводових для вхідного міжміського зв'язку. Аналогічно три пучка організуються для зв'язку з ВАТС.

Зобразимо структурну схему МсТМ у масштабі 1 см = 1 км (рис. 2.1), зазначивши наявні у центрі міста РАТС, ВСС у приміщенні РАТС-2, проектовану РАТС-5 у віддаленому мікрорайоні, довільно оберемо місця розташовування ПСК-1000К. На схемі зазначимо типи станцій, їхню ємність, нумерацію абонентських ліній, напрямок зв'язку по 3Л та відстані, між РАТС. При зображенні структурної схеми будемо використовувати умовні позначення, приведені у Додатку 1.

Розглянута МсТМ - мережа з п'ятизначною нумерацією. Усі РАТС на мережі з'єднуються за принципом "кожна з кожною" двома пучками однобічних з'єднувальних ліній, проводність яких визначено в п. 1 завдання.

Місце розташовування АТС та АМТС обиремо довільно, ВСС розташуємо поруч з РАТС-2, де він знаходиться відповідно до умови.

Номери АЛ ВАТС, які мають право виходу на МсТМ та ПС, входять до складу нумерації тієї РАТС, до якої їх увімкнено. Таксофони не мають абонентських номерів, їх вмикають «понад» номерну ємність РАТС.

Ємності та діапазони номерів всіх станцій, включених в МсТМ наведені в таблиці 2.1.

комутаційний блок телефонний мережа абонент

Таблиця 2.1

Ємності та діапазони номерів АТС


Розподіл напрямків з поля ступеня 1ГП РАТС-5.

На ступенях ГП здійснюється режим групового шукання. Маркер блоку ГП перш за все вибирає потрібний напрям відповідно до отриманої з регістра адресної інформації у вигляді однієї або декількох цифр. Потім МГП по обхідних шляхах виконує обумовлене вільне шукання, вибираючи вільну витікаючу лінію у вибраному раніше напрямі, доступну входу блоку через вільну, що викликав ПЛ. Після закінчення шукання МГП включає електромагніти БКЗ в ланках блоку і звільняється. Час заняття маркера блоку ГП приблизно 0,6 с .

До основних комутаційних параметрів блоків ГП відносяться число напрямів Н і доступність у напрямі D. Важливою перевагою ступеня ГП в координатних АТС є електричний розподіл поля блоку на напрями. Це забезпечується вмонтованою програмою маркера і дозволяє підвищувати доступність для всіх або декількох напрямів за рахунок зменшення загального числа напрямів. Таким чином гнучко використовується ємність поля ГП і забезпечується підвищена доступність для крупних пучків довгих сполучних ліній.

Таблиця розподілу напрямків з поля І ГП складається для п’ятизначної РАТС-5, тут перелічуються всі напрямки, які включаються в ступінь І ГП відповідно до структурної схеми МсТМ. Оскільки задана МсТМ містить невелику кількість РАТС, то є доцільним виконати внутрішньостанційний зв'язок через один (перший) ступінь ГП. За такого способу у виходи ступеня і 1ГП, окрім ЗЛ до РАТС, АМТС та ВСС, вмикаються напрямки до тисячних груп АП та ВАТС великої ємності.

Дня кожного напрямку зазначаються: код (цифри номера, які приймає маркер ІГП для обирання даного напрямку); максимальна доступність Dmax.

Оскільки дана МсТМ з п'ятизначною нумерацією, то величини доступностей D будемо визначати : у напрямках до тисячних груп ступеня АП - 20, до ВАТС та ВСС - 20, до інших РАТС - 40 , до АТМС - 20 .

При виборі доступності слід пам'ятати, що ємність блока ГП-3, застосовуваного на ступеню 1ГП, становить М = 400 виходів. Отже, є неодмінне виконання умови:

 (2.1)

Максимальну доступність  обраховуємо як суму всіх доступностей від всіх напрямків. Для РАТС-5: Dmax=300; для РАТС-2: Dmax=280.

а)

б)

Рисунок 2.2. Групоутворення для 5-ти значної РАТС з одним ступенем ГП: а) РАТС-5; б) РАТС-2.

Максимально можлива кількість резервних напрямків: для РАТС-5 - 5напрямків; для РАТС-2 - 6 напрямків.

Функціональна схема РАТС-5 зображена на рис. 2.3.

Типи комплектів РЗЛ, ЗЛ для зв'язку з АТС наведено в дод. 1, табл. Д-1.1 і Д-1.2.

Проектована РАТС-5 координатної системи АТСК-У, ємністю N5 =7000 номерів призначена для обслуговування віддаленого мікрорайону. Вона дозволяє організовувати зв’язок із вузлом спецслужб (ВСС), АМТС, ВАТС, таксофонами та іншими РАТС з безпосереднім, регістровим та програмним управлінням. Станція складається з однієї ступені абонентського пошуку (АП). Ланка АВ використовується при вихідному зв’язку й працює в режимі вільного пошуку (ВП),тобто відбувається вибір вільного обслуговуючого приладу (ОП), в даному випадку вихідного шнурового комплекту (ВШК). При ВП здійснюється концентрація навантаження, тобто перехід від низьковикористовуваних АЛ до високовикористовуваних ОП. Ланка CD і AB використовується при вхідному зв’язку й працює в режимі лінійного(вимушеного) пошуку (ЛП), тобто відбувається з’єднання раніше вибраного обслуговуючого приладу з конкретним абонентом, якого викликають. В даному випадку відбувається розширення навантаження, тобто перехід від високо використовуваних ОП до низко використовуваних АЛ.

АТСК-У має дві ступені групового пошуку (ГП) : І ГП та ІІ ГП. На вхід І ГП підключаються ВШК, ВШК від таксофонів (ВШКТ) та ЗЛ від ПСК через підключаючий комплект підстанції (ПКП) , а на вихід підключається вхідні ШК (ВхШК), ЗЛ до АТС через реле ЗЛ вихідне (РЗЛВ). На вхід ІІГП підключаються ЗЛ від інших АТС через РЗЛВх. До виходу ІІ ГП підключаються ВхШК.

У виходи ступеня II ГП увімкнено запаралелені зі ступенем І ГП напрямки внутрішнього зв'язку (до тисячних груп АП), пучки ЗЛ до ПС та ВАТС середньої (потужної) ємності. З ступеня II ГП також може бути виділено напрямок до ступені ГПК-ГПКМ. У поле ГПК-ГПКМ вмикаються ЗЛ до ВАТС малої ємності (N < 100 номерів), тому даний ступінь доцільно встановити на проектованій РАТС лише за наявності в завданні ВАТС малої ємності, ввімкнених до АТСК-У. У напрямку кожної ВАТС з виходів ступеня ГПК-ГПКМ виділяються два пучки - ЗЛ та ЗЛМ.

Отже, при складанні функціональної схеми проектованої РАТС слід стежити, щоб кількість напрямків зв'язку до інших РАТС, провідність ЗЛ та типи РЗЛ відповідали умовам задачі.

Рис 2.3. Функціональна схема АТСК-У (РАТС - 5)ємністю N=7000

Структурна та функціональна схеми з’єднувального тракту зображені на рисунках 2.4. та 2.5. відповідно.

Типи комплектів РЗЛ, ЗЛ для зв'язку з АТС наведено в дод. 1, табл. Д-1.1 і Д-1.2.

Зобразимо функціональну схему з'єднувального тракту зв'язку абонента А, який підключений до станції РАТС-5 (АТСК-У) з абонентом Б, який підключений до станції РАТС-2 (АТС ДК).

Рис 2.4. Структурна схема з’єднувального тракту від аб. А розміщеного на РАТС-5 (АТСК-У) з аб. Б (АТС ДК).

Рис 2.5. Функціональна схема з’єднувального тракту від аб. А розміщеного на РАТС-5 (АТСК-У) з аб. Б (АТС ДК).

РОЗДІЛ 3

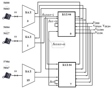
У РАТС-5 ввімкнено виробничу АТС (ВАТС) типу «Квант» ємністю Nвatc=1024. Відстань від опорної РАТС-5 до ВАТС дорівнює LВАТС =2.4 кілометра, максимальна довжина абонентської лінії - LАЛ =180 метрів.

Схема групоутворення ВАТС зображена на рис. 3.1.

За ємністю ВАТС визначаємо тип БЗЛ, який будемо використовувати. При NВАТС > 512 номерів використовується БЗЛ-06 з параметрами 64´64´64.

Кількість приймачів набирання номера (ПНн), комплектів з’єднувальних ліній (КЗЛВИХ, КЗЛВХ), приймачів та передавачів багаточастотних (ПРМБЧ, ПРДБЧ) залежить під відповідного телефонного навантаження на ці комплекти та норм втрат викликів. ПНН, КЗЛВХ, КЗЛВИХ, ПРМБЧ, ПРДБЧ рівномірно розподіляються по всіх блоках БЗЛ і вмикаються до каскаду D. Кількість даних станційних комплектів у задачі не обчислюємо.

Входи каскаду С розподіляються між міжблоковими перемичками, зв'язність яких становить fБАЛ-БЗЛ, fБЗЛ-БЗЛ, та внутрішньо-блоковими перемичками, зв'язність яких - fБЗЛ .

Кількість блоків БАЛ визначається за формулою:

gБАЛ = NВАТС / NБАЛ=1024/64=16, (3.1)

де NБАЛ = 64 - кількість АЛ, ввімкнених до блока БАЛ.

Кількість блоків БЗЛ визначається таким чином:

gБЗЛ = gБАЛ/ 2=16/2=8 (3.2)

Обраховуємо зв'язність fБАЛ-БЗЛ (fБЗЛ-БАЛ ) :

fБАЛ-БЗЛ = МвихБАЛ/ gБЗЛ = 16/gБЗЛ =1/8=2 (3.3)

Число входів у каскад С одного БЗЛ від усіх БАЛ дорівнює:

NБАЛ-БЗЛ=fБАЛ-БЗЛ* gБАЛ = 2*8=16 (3.4)

Інші входи до каскаду С розподіляються між міжблоковими перемичками БЗЛ-БЗЛ та внутрішньо-блоковими перемичками усередині БЗЛ. Значення зв'язності fБЗЛ-БЗЛ та fБЗЛ визначаються за допомогою наступного співвідношення :

БЗЛ-БЗЛ = NБЗЛ - NБАЛ-БЗЛ = 64 - NБАЛ-БЗЛ =64-16=48 (3.5)БЗЛ-БЗЛ =fБЗЛ + (gБЗЛ- 1) fБЗЛ-БЗЛ = fБЗЛ + 7* fБЗЛ-БЗЛ (3.6)

Наведене співвідношення враховує, що перемички усередині БЗЛ займають два входи до каскаду С, а міжблокові перемички позв'язують БЗЛ один з одним за принципом «кожний з кожним». Для прискорення визначення візьмемо значення fБЗЛ-БЗЛ =4. З виразу (3.6):

fБЗЛ= NБЗЛ-БЗЛ - 7* fБЗЛ-БЗЛ =48-7*4=20. (3.7)

Кількість ВихШК та ВхШК зумовлено параметрами БАЛ: 64x32x16/16. Загальна кількість ВШК та ВхШК на ВАТС дорівнює:

VВШК= VВхШК * gБАЛ ´ 16= VВхШК * 16 ´ 16=256 VВхШК. (3.8)

Рисунок 3.1. Схема групоутворення ВАТС «Квант» ємністю 1024 номера.

Функціональна схема з’єднувального тракту зображена на рис. 3.3

Необхідно зобразити структурну та функціональну схему з'єднувального тракту зв'язку абонентів А, увімкненого до ВАТС та Б, увімкненого до РАТС-2.

Рис 3.2. Структурна схема з’єднувального тракту від аб. А розміщеного на ВАТС типу “КВАНТ”з аб. Б АТС ДК.

Рис 3.3. Функціональна схема з’єднувального тракту від аб. А розміщеного на ВАТС типу “КВАНТ”з аб. Б ПСК-1000К

ВИСНОВОК

При виконанні курсового проекту ми закріпили та розширили свої знання по дисципліні «Системи комутації в електрозвязку»; придбали навики застосування теоретичних знань для вирішення конкретних технічних задач; отримали навики самостійного виконання деяких завдань інженерної роботи; виробили навики оформлення технічної документації, складання пояснювальної записки і розробки ілюстративного матеріалу і креслень.

В першому розділі ми навчилися синтезувати двокаскадний комутаційний блок на БКЗ. Розраховували тип ПВ-ПВ, який працює в режимі вільного пошуку і тип ВП-ВП, який працює в режимі групового пошуку. Розраховували структурні параметри використовуючи відповідні формули. Зобразили схему КБ координатним і символічним методом.

У другому розділі ми навчилися визначати тип з’єднувальних ліній відповідно до їхньої довжини. Зобразили структурну схему МсТМ, склали таблицю розподілу напрямків з поля ступеня 1ГП РАТС-5 та РАТС-2 і зазначили максимально можливу кількість резервних напрямків. Закріпили свої знання зображуючи функціональну схему з'єднувального тракту зв'язку абонента А з абонентом Б.

У третьому розділі ми розробили схему групоутворення ВАТС; зазначили нумерацію блоків, кількість міжблокових зв'язків, а також нумерацію АЛ. Визначили кількість шнурових комплектів, використовуючи необхідні формули; а також зобразили функціональну схему з'єднувального тракту зв'язку абонентів А та Б, увімкнених до відповідних станцій.

ПЕРЕЛІК УМОВНИХ СКОРОЧЕНЬ

АЛ - абонентська лінія

АК - абонентський комплект

АМТС - автоматична міжміська телефонна станція

АТС - автоматична телефонна станція

АТСЕ        - автоматична телефонна станція електронна

АТСК        - автоматична телефонна станція координатна

АТСКЕ      - автоматична телефонна станція квазіелектронна

БАЛ - блок АЛ

БКЗ - багатократний координатний з'єднувач

БЗЛ - блок ЗЛ

ВАТС - відомча автоматична телефонна станція

ВЕ - вибираючий електромагніт

ВК - вузол комутації

ВП - вільний пошук

ВР - вибираюча рамка

ВСС - вузол спецслужби

ВШК - вихідний шнуровий комплект

ВхШК- вхідний шнуровий комплект

ГП - ступінь групового пошуку

ЗЛ - з’єднувальна лінія

ЗЛМ - з'єднувальна лінія міжміська

ІКМ - імпульсно-кодова модуляція

КБ - комутаційний блок

КП -комутаційне поле

КПВ - сигнал “контроль посилання виклику”

МГП - маркер блоку групового пошуку

МсТМ - міська телефонна мережа

МТС - міжміська телефонна станція

ЛП - лінійний (вимушений ) пошук

ПНН - приймач набору номеру

ПКП- підключаючий комплект підстанції

ПС - підстанція

ПСК - підстанція координатного типу

ПУП - проміжний управляючий пристрій

ПЩ - промщит

РАТС - районна автоматична телефонна станція

РЗЛ - комплект реле з’єднувальних ліній

РЗЛВ3 - комплект реле з’єднувальних ліній вихідний трипроводовий

РЗЛВ4 - комплект реле з’єднувальних ліній вихідний чотирипроводовий

РЗЛВх3 - комплект реле з’єднувальних ліній вхідний трипроводовий

РЗЛВх4 - комплект реле з’єднувальних ліній вхідний чотирипроводовий

РП - ступінь регістрового пошуку

РПА - ступінь регістрового пошуку абонентського

РПВх- ступінь регістрового пошуку вхідного

СП - система передачі

ТА - телефонний апарат

УЕ - утримуючий електромагніт

ЦУП - центральний управляючий пристрій

СПИСОК ВИКОРИСТАНОЇ ЛІТЕРАТУРИ

1. Автоматические системы коммутации: Учебник для вузов / О.Н. Иванова, М.Ф. Копп, З.С. Коханова. Г.Б. Метельский; Под ред. О.Н. Ивановой. - М-: Связь, 1978.

. Автоматическая коммутация: Учебник для вузов /О.Н.Иванова, М-Ф-Копп, З.С.Коханова, Г.М.Метельский; Под ред. О.Н.Ивановой. -М.: Радио и связь, 1988.

. Костін Ю.С., Різуненко А.О., Козелков О.О. Телефонні апарати. Навчальний посібник. - Полтава: ПВІЗ, 2007.

. Станционные сооружения городских телефонных сетей /Ю.Н. Кор-нышев, А.Л. Маркович, М.Н. Пискер, В.М. Романцов; Под ред. Ю. Н. Корнышева: Учебник для рабочих связи. - М.: Радио и связь, 1987.

. Станционное оборудование сельской телефонной связи: Учебник для рабочих связи / Ю.Н. Корнышев, А.Я. Маркович, М.Н. Пискер, В.М. Романцов; Под ред. Ю.Н. Корнышева. 2-е изд., перераб. и доп. - М.: Радио и связь, 1990.

. Костін Ю. С. Основи побудови аналогових систем комутації:

Навч. посіб., - Полтава: Видавництво ПВІЗ, 2006.

. Костін Ю. С., Одарущенко О. М. Методичний посібник з дисципліни "Системи комутації в електрозв'язку" (частина 1) Методичний посібник. - Полтава: ПВІЗ, 2004.

. Квазиэлектронная АТС «КВАНТ»/ В.О. Жогло, А.А. Иванов, А.П. Иванов и др.; Под ред. Я.Я. Лочмелиса. - М.: Радио и связь, 1987.

. Костин Ю. С., Одарущенко О. Н. Квазиэлектронные АТС. Учебное пособие (лекции). -Полтава:ПВИС,2003.

. Васильев Е.К.,.Симкин Л. М. Квазиэлектронные и электроннные телефонные станции. Учебное пособие для рабочих. -М.: Радио и связь, 1991.

ДОДАТОК

УМОВНІ ПОЗНАЧЕННЯ

Д-1.1. УМОВНІ ПОЗНАЧЕННЯ СТАНЦІЙ


Похожие работы на - Розробка міської телефонної мережі з використанням аналогових систем комутації

 

Не нашли материал для своей работы?
Поможем написать уникальную работу
Без плагиата!
Без нейросетей!