Исследование схемы мультивибратора

  • Вид работы:
    Практическое задание
  • Предмет:
    Информатика, ВТ, телекоммуникации
  • Язык:
    Русский
    ,
    Формат файла:
    MS Word
    53,79 Кб
  • Опубликовано:
    2015-06-18
Вы можете узнать стоимость помощи в написании студенческой работы.
Помощь в написании работы, которую точно примут!

Исследование схемы мультивибратора














Лабораторная работа № 5

Тема: «Исследование схемы мультивибратора»

Цель работы: экспериментально исследовать схемы автоколебательных мультивибраторов на транзисторах и интегральных микросхемах.

Используемое оборудование и аппаратура: осциллограф С1-68, источник напряжения постоянного тока.

Теоретические сведения

Мультивибратор - релаксационный генератор сигналов электрических прямоугольных сигналов с короткими фронтами. Мультивибратор является одним из самых распространённых генераторов импульсов прямоугольной формы, представляющий собой двухкаскадный резистивный усилитель <#"891974.files/image001.gif">

Симметричный транзисторный мультивибратор.

Измерим ток коллектора с помощью осциллографа. Просуммировав время открытого и закрытого состояния получим Т-период. Зная период, вычислим частоту сигнала.=5.5 мс=1/T=5,5 кГц

Вид сигнала мультивибратора

Транзисторы не мгновенно переходят из открытого состояния в закрытое из-за времени зарядки конденсатора.

Подключим дополнительный конденсатор к C1. Время в открытом состоянии увеличилось. Если доп. Конденсатор поставим к C2 - увеличится время в закрытом состоянии.

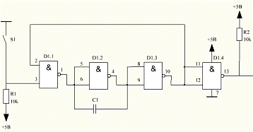
Подключим питание ко второму мультивибратору.

-K155ЛА8

Видя сигнал на экране осциллографа определим частоту:=220 мкс=1/T=4.45 ГГц.


При подключении дополнительного конденсатора увеличится и время паузы, и время сигнала

При нажимании кнопки S1 сигнала не будет.

Вывод: В ходе выполнения лабораторной работы мы исследовали 2 схемы мультивибратора - симметричного мультивибратора на транзисторах p-n-p типа и на интегральных микросхемах (И-НЕ).

Контрольные вопросы

1. Чем ограничивается величина максимальной частоты генерации мультивибраторов в схемах, приведенных в работе?

Ёмкостью конденсаторов.

. Что такое скважность генерируемых сигналов?

Скважность - отношение периода следования (повторения) электрических импульсов к их длительности. Скважность определяет соотношение между пиковой и средней мощностью импульсов напряжения или тока, что необходимо учитывать при выборе режима эксплуатации радиоэлектронных устройств.

. Как можно плавно регулировать частоту генерации мультивибратора на первой схеме?

Для  плавного регулирования частоты создается смещение на базах транзисторов отдельным источником, напряжение которого можно регулировать.

. Как будет вести себя вторая схема, если отключить ёмкость С?

Частота колебаний мультивибратора увеличится.

Похожие работы на - Исследование схемы мультивибратора

 

Не нашли материал для своей работы?
Поможем написать уникальную работу
Без плагиата!
Без нейросетей!