Цех по производству ребристых плит
Министерство образования Республики
Беларусь
Учреждение образования
Светлогорский государственный
индустриальный колледж
Специальность 2-70 02 01
«Промышленное и гражданское строительство»
КУРСОВАЯ РАБОТА
по дисциплине: «Гражданские и
промышленные здания»
Тема:
Цех по производству ребристых плит
Разработал Коропенко С.В.
Группа ЗС-15-10
г. Светлогорск, 2012 г.
Содержание
Ведомость
документов
Введение
.
Промышленные здания
.1
Характеристика здания
.1.1
Объемно-планировочное решение здания и ТЭП к нему
.2
Конструктивные решения здания
.2.1
Фундаменты
.2.2
Фундаментные балки
.2.3 Колонны
.2.4
Стропильные и подстропильные фермы
.2.5 Стены
.2.6 Покрытие
(кровля)
1.2.7 Фонари
1.2.8
Деформационные швы и связи
.2.9 Полы
.2.10 Окна
.2.11 Ворота
и двери
.2.12
Наружная и внутренняя отделка
.
Спецификация сборных железобетонных изделий и конструкций
.
Антикоррозионные мероприятия
. Охрана
окружающей среды
Литература
Ведомость документов
|
Обозначение
|
Наименование
|
Прим.
|
|
Задание на курсовую работу.
Пояснительная записка к КР
|
|
|
КР 2-70 02 01.04.15.10-АС
|
Фасад 1-15; план на отметке
0,000; продольный разрез 1-1; поперечный разрез 2-2; узлы и детали
|
Лист 1
|
|
КР 2-70 02 01.04.15.10-АС
|
Схема расположения колонн,
подкрановых балок, стропильных и подстропильных ферм; фундаментов и
фундаментных балок; плит покрытия; план крыши; узлы
|
Лист 2
|
Введение
Задачи, решаемые белорусскими строителями - ускорение
социально-экономического развития страны, неразрывно связаны с
совершенствованием строительства и строительной техники. Введение новых типов
сборных конструкций и эффективной технологии, их монтажа позволяет обеспечить
рост производства в строительстве. В 2006 году темп роста производства
продукции промышленности строительных материалов в целом по стране достиг 114%,
при прогнозе на год 109,5-111%. Увеличен выпуск таких строительных материалов,
как цемент (110,9%), стеновые строительные материалы (119,7%), сухие
строительные смеси (125,6%), сантехнические керамические изделия (130,9%). Все
это обеспечило необходимые условия для ритмичной работы строительных
организаций.
Внедряются новые прогрессивные методы организации
труда и строительства. Совершенствуются формы и методы управления капитальным
строительством. Производительность труда работников, занятых на строительно-монтажных
работах и в подсобных производствах, в январе-ноябре 2006 года по сравнению с
аналогичным периодом 2005 года возросла на 9,7%.
Промышленные предприятия делят на отрасли
производства, которые являются составной частью народного хозяйства. Они
состоят из промышленных зданий и сооружений, которые предназначены для
осуществления производственно-технологических процессов, прямо или косвенно
связанных с выпуском определенного вида продукции. Независимо от отрасли
промышленности, здания подразделяют на: основание, подсобно производственные,
складские, энергетические, транспортные и вспомогательные. Здания должны
удовлетворять следующим основным требованиям: функциональным, техническим,
архитектурно-художественным, экономическим, противопожарным и индустриальным
Проектируемое здание «Цех по производству ребристых
плит» расположено на территории свободной от застройки. Район строительства -
город Могилёв, относится ко второму климатическому району. Температура наиболее
холодных суток - 31°С, с обеспеченностью 0,92; наиболее холодной пятидневки -
26°С, с обеспеченностью 0,92. Глубина промерзания грунтов - 130 см. Уровень
грунтовых вод - ниже подошвы фундамента. Грунты - суглинок. Грунтовые воды - не
агрессивные. Снеговая нагрузка - 0,8 кПа, ветровая нагрузка - 0,23 кПа.
По огнестойкости здание относится к I степени, по долговечности - II степень.
1. Промышленные здания
.1 Характеристика здания
.1.1 Объемно-планировочное решение здания и ТЭП к нему
По конфигурации цех имеет прямоугольную форму с размерами в осях
А-В-48,00 м; 1-14-78,00 м. Шаг средних колонн - 12 м. Шаг крайних колонн - 6 м.
Количество шагов - 13. Ширина пролета - 24 м. Количество пролетов - 2. В здании
предусмотрен подвесной кран грузоподъемностью - 0,25 т. Высота до низа несущей
конструкции покрытия - 7,20 м. Высота здания 12,60м.
Здание образованно продольными и поперечными рамами. Продольные рамы
состоят из колонн, подстропильных ферм и связей. Поперечные - из колонн,
стропильных ферм. Пространственная жесткость промышленного здания
обеспечивается совместной работой продольных и поперечных рам, а так же
устройством вертикальных и горизонтальных связей. В качестве вертикальных
связей приняты крестовые и портальные связи, установленные между колоннами.
Функцию горизонтальных связей выполняют железобетонные ребристые плиты
покрытия, соединенные с несущими конструкциями покрытия и с замоноличенными
стыками между плитами
Несущей конструкцией покрытия является ферма безраскосная.
В проектируемом здании приняты стеновые панели из легких бетонов толщиной
300 мм, покрытые с наружной стороны фактурным слоем цементно-песчаного раствора
толщиной 20мм.
Запроектирован фундамент столбчатый стаканного типа. По верху фундамента
под самонесущие стены предусмотрены фундаментные балки таврового сечения.
Остекление с деревянными переплётами.
Предусмотрены зенитно-точечные фонари. В здании приняты распашные ворота
с неметаллическими полотнами размером 3,6 х 3,6 м.
Технико-экономические показатели объемно планировочного и конструктивного
решения:
. Площадь застройки = 4030 м ²
2. Строительный объем = 50778 м ³
3. Полезная площадь = 3744м ²
4. Рабочая площадь = 3596,5 м ²
К1 = S раб. / S пол. = 0,96
К2 = V стр. / S раб. = 14,12
.2 Конструктивные решения здания
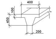
.2.1 Фундаменты
Заливка стаканов после устройства колонн производится бетоном марки 200
на мелком гравии.
Фундаменты подобраны по серии КЭ-01-52
Фундамент под колонну сечением
400х400 мм
Ф-1 БФ 18.15.18-3АІV Н СТБ 1076-97
Размеры сечения подколонника 900х900
мм
Размеры стакана: глубина 800 мм
в плане по низу 500х500 мм
по верху 550 х 550 мм
а х в = 1800 х 1500 мм
С 8/10 (Мб 100)
Vб = 1,8 м
m = 2,3 т
H = 1800 мм
Фундамент под колонны в
деформационных швах
Ф-3 БФ 18.15.18-3АІV Н СТБ 1076-97
Размеры сечения подколонника 900х900
мм
Размеры стакана: глубина 800 мм
в плане по низу 500х500 мм
по верху 550 х 550 мм
а х в = 1800 х1500мм
С 8/10 (Мб 100)
Vб = 1,8 м
m = 2,3 т
H = 1800 мм
Ф-2 ФБМ 18.20.18-3АІV
Н СТБ 1076-97
Размеры сечения подколонника 900 х
1400 мм
Размеры стакана: глубина 800 мм
в плане по низу 500х500 мм
по верху 550 х 550 мм
а х в = 2800 х 2400 мм
С 8/10 (Мб 100)
Vб = 4,3 м
m = 9,1 т
H =
1800 мм
1.2.2 Фундаментные балки
В проектируемом здании под самонесущие стены приняты фундаментные балки
таврового сечения, которые опираются на бетонные столбики (приливы). По верху
фундаментных балок предусмотрена горизонтальная гидроизоляция из двух слоев
изола. У торцов зданий и у температурных швов применяют укороченные балки. Под
балку принята подсыпка из крупнозернистого песка. Фундаментные балки защищают
пол от продувания в случае просадки отмостки. Крепление фундаментных балок
между собой осуществляется за счёт устройства монолитных участков на самом
фундаменте.
Фундаментные балки подобраны по серии 1.415.1-2
Расчетная длинна балок:
Lб=L-2(вк/2)-2аз
Lб=6000-2(1200/2)-2х10=4780 мм;
Lб=6000-2(1200/2)-2х10 - 500 =4280 мм.
Имея расчетную длину балок, подбираем их по каталогу.
ФБ-1
3БФ 51 ГОСТ 28737-90
L = 4760 мм
Vб= 0,57 м 3
С
12/15 (Мб 200)
m = 1,4 т
ФБ-2 3БФ 43 ГОСТ 28737-90
L =
4300 мм
Vб=
0,51 м 3
С 12/15 (Мб 200)
m =
1,3 т
.2.3 Колонны
В проектируемом здании приняты колонны квадратного сечения, Колонна
крайнего ряда имеет сечение 400×400, а колонны среднего ряда сечение 600×600
мм. Шаг колонн крайнего
ряда 6 м, а колонн среднего ряда 12 м. Колонна среднего ряда ниже на 600 мм,
чем колонна крайнего ряда. Они устанавливаются в стакан фундамента и
замоноличиваются мелкозернистым бетоном М 200. Железобетонные фахверковые
колонны сечением 400х400мм, устанавливаются в торцах здания для крепления
стеновых панелей.
Колонны армируются сварными или вязаными каркасами. Закладные элементы,
заанкеренные в бетон или приваренные, имеются во всех колоннах в местах
опирания стропильных конструкций, в крайних колоннах - на уровне швов стеновых
панелей, в связевых колоннах - в местах примыкания продольных связей. Низ
колонны имеет борозды для жесткого сцепления с бетоном. Колонны подобраны по
серии КЭ-01-49
Смотреть узел №1 лист 1.
конструктивный здание железобетонный плита
К-1 К7.2-2АІV СТБ 1178-99 К-2 К7.2-2АІV СТБ 1178-99
H=8100
мм H=8100 мм
А=400 мм А=400 мм
В=500мм В=500мм
V=0,63
м 3 V=0,72 м 3
С 20/25 (М300) С 20/25 (М300)
m=2,6
т m=2,7 т
К-3 КФ84 -2АІV СТБ 1178-99
А=400 мм
В=500мм
V=0,65
м 3
С 12/15 (М200); m=1,8
т
1.2.4 Стропильные и подстропильные фермы
В здании предусмотрены железобетонные безраскосные стропильные фермы
длиной 24 м, равной ширине пролета. Они представляют собой составные стержневые
конструкции с круговым очертанием верхнего пояса.
Стропильная ферма является несущей конструкцией покрытия, на нее
опираются плиты покрытия. Для крепления плит покрытия на верхнем поясе ферм
предусмотрены закладные детали с шагом 3 м, в зависимости от ширины плит
покрытия. Фермы крепят к колоннам каркаса сваркой закладных деталей и анкерными
болтами. Так как шаг стропильных ферм 6 м и шаг колонн среднего ряда 12 м, в
здании предусмотрены подстропильные фермы.
Подстропильные фермы перекрывают 12-метровые шаги колонн и образуют
промежуточные опоры для расположенных с 6-метровым шагом стропильных конструкций.
Стропильные фермы подобраны по серии 1.463-3
Безраскосная ферма
ФБС 24-14АІІІ В=23940 мм=3300 мм=280 мм=7,3 м3
С 30/37 (Мб500)
т=18,2 т
Подстропильная ферма
ФСП12-3К7=11960 мм=2225 мм=550 мм=4,5 м3
С 40/50 (Мб600)
т=11,3 т
.2.5 Стены
В проектируемом здании приняты стеновые панели из легких бетонов толщиной
300 мм, покрытые с наружной стороны фактурным слоем цементно-песчаного раствора
М100, толщиной 20 мм. Горизонтальные и вертикальные швы заполняются гернитом, а
с наружной стороны дополнительно мастикой - типа УМС - 50. Крепление стеновых
панелей к колонам каркаса осуществляют с помощью сварки закладных деталей и
металлическими стержнями. Стеновые панели подобраны по серии 1.432-14 выпуск I. Смотреть узел №4 лист 2
ПНС
60.18.3,0-6.Л
L = 5980 мм
B = 300 мм
H = 1785 мм
С20/25
(Mб 300)
V = 0,21 м3
m = 4,12 т
ПНС
635.18.30
L = 6350 мм
B = 300 мм
H = 1750 мм
С20/25
(Mб 300)
V = 2,93 м3
m = 4,45 т
ПНС 30.18.3,0-6.Л
L = 2980 мм
B = 300 ммH = 1785 мм
С20/25 (Mб 300)
V = 1,45 м3
m = 2,06 т
ПНС 15.18.3,0-6 Л
L =
1480 мм; B = 300 мм; H = 1785 мм
С20/25 (Mб 300)
V =
0,82 м3
m =
1,03 т
.2.6 Плиты покрытия
В качестве покрытия в здании приняты железобетонные ребристые плиты
покрытия размером 3х6 м с утеплителем из минераловатных плит марки ПС 200,
толщиной 100 мм и двухслойной кровли.
Кровля в здании рулонная, состоит из двух слоев биполикрина марки
К-СТ-БЭ-К/ПП-4,5.
Крепление плит покрытий осуществляется с помощью сварки закладных деталей
расположенных на стропильной ферме через 3 м. Швы заделывают мелкозернистым
бетоном марки М200.
П-1 ПКР 60.30.30 СТБ 1383-2003= 5970 мм; B = 2980 мм; H = 300 мм
С 20/25 (Mб 300)б = 1,07 м 3= 2,65 т
П-2 ПКР 60.30.30 СТБ 1383-2003
L =
5970 мм; B = 2980 мм; H = 300 мм
С 20/25 (Mб 300)
Vб = 0,91 м 3
m = 2,00 т
В здании предусмотрен внутренний организованный водоотвод, состоящий из
водоприемных воронок, водосточных труб, собирающих и отводящих воду в ливневую
канализацию.
Привязка воронок к координационным осям:
Количество воронок

1.2.7
Фонари
Для
обеспечения верхнего освещения производственных площадей в здании предусмотрены
зенитно-точечные фонари. Они состоят из стального стакана трапециевидного
сечения, установленного над отверстием в покрытии; деревянной опорной рамы,
заведённой в верхнюю часть стакана, и светопроницаемого ограждения в виде
двухслойных куполов или сводов. Теплоизоляционные свойства покрытия сохраняются
за счёт герметизированной воздушной прослойки, расположенной между оболочками
из оргстекла.
Водоотвод
с фонарей запроектирован наружный. В местах стекающей с фонаря воды, для защиты
покрытия, предусмотрена гравийная засыпка по мастике. Фонари подобраны по серии
1.464-10
1.2.8
Деформационные швы и связи
Во
избежание появления в стенах здания трещин от неравномерной осадки здания или
от возникающих усилий в элементах каркаса при температурных и других
воздействий, устраивают деформационные швы. В проектируемом здании
предусмотрены температурные швы. Температурные швы образованы двумя рядами
колонн. Их устраивают в местах примыкания температурных блоков и разделяют
здание до обреза фундамента.
В
середине каждого блока устраивают вертикальные связи между колоннами. В данном
здании при шаге колонн 12 м устраивают портальные связи, а при шаге колонн 6 м
- крестовые, которые приваривают к закладным частям колонн с помощью косынок.

Портальные
связи
Крестовые
связи
.2.9
Полы
Таблица 4
Экспликация полов
|
Тип пола
|
Схема пола или тип пола по
серии
|
Данные элементов пола
(наименование, толщина, основание и др.), мм
|
Площадь, м2
|
|
1
|
2
|
3
|
4
|
|
Бетонный
|
1. Цементно-песчаное покрытие 50 мм
|
2890,56
|
|
|
|
2. Бетонная подготовка h =100 мм
|
|
|
|
3. Уплотненный грунт
|
|
.2.10 Окна
В здании принято остекление с деревянными переплётами
ОК-2 ПГОС - 12.30 СТБ 939-93
1.2.11 Ворота и двери
Для пропуска средств напольного транспорта в наружных стенах
промышленного здания устроены ворота. В проектном здании приняты ворота
размером 3,6х3,6 м. По конструктивному решению ворота распашные с
неметаллическими полотнами. В полотнах ворот предусмотрены калитки для пропуска
людей. В здании предусмотрена отмостка из асфальтобетона шириной 1 м и i=3° Для въезда транспорта в цех
предусмотрен пандус размером 5 х 2 м и уклоном 1:10. Ворота подобраны по серии
ТУ36-1965-66
ВП-1-С-кдп-Рп-лк-36-36 СТБ 1394-2003
1.2.12 Наружная и внутренняя отделка
Таблица 6
Ведомость отделки помещений
|
Наименование или номер
помещения
|
Вид отделки элементов интерьера
|
Прим
|
|
Колонны
|
S, м2
|
Стены
|
S, м2
|
|
|
Известковая побелка
|
605,8
|
Штукатурка кирпичных стен
|
148,45
|
|
|
|
|
Известковая побелка
|
11326
|
|
|
|
|
Затирка
|
3235
|
|
С наружной стороны стены покрыты фактурным слоем цементно-песчаного
раствора М100, толщиной 20 мм., который был выполнен в заводских условиях.
2. Спецификация сборных железобетонных изделий и конструкций
Таблица 7
Спецификация сборных железобетонных изделий и конструкций
|
Поз
|
Обозначение
|
Наименование
|
Кол.
|
Масса ед., т
|
Прим
|
|
Фундаменты
|
|
Ф-1
|
Серия КЭ-01-52
|
БФ 18.15.18-3АІV Н
|
33
|
4,3
|
|
|
Ф-2
|
|
ФБМ 18.20.18-3АІV
Н
|
3
|
9,1
|
|
|
Ф-3
|
|
БФ 18.15.18-3АІV Н
|
6
|
4,3
|
|
ФБ-1
|
Серия 1.415.1-2
|
3БФ 51
|
22
|
1,4
|
|
|
ФБ-2
|
|
3БФ 43
|
12
|
1,3
|
|
|
Колонны
|
|
К-1
|
Серия КЭ-01-49
|
К7.2-2АІV
|
30
|
2,6
|
|
|
К-2
|
|
К7.2-2АІV
|
9
|
2,7
|
|
|
К-3
|
|
КФ7,3-2АІV
|
12
|
1,8
|
|
|
Стропильные и
подстропильные фермы
|
|
СФ
|
Серия 1.463-3
|
5ФСБ24-14 АІІІВ
|
30
|
18,2
|
|
|
ПСФ
|
|
1ФСП12-ЭК7
|
6
|
11,3
|
|
|
Стеновые панели
|
|
1
|
Серия 1.432-14
|
ПНС 60.18.3,0-6.Л
|
192
|
4,12
|
|
|
2
|
|
ПНС 635.18.30
|
24
|
4,45
|
|
|
3
|
|
ПНС 30.18.3,0-6.Л
|
36
|
2,06
|
|
|
4
|
|
ПНС 15.18.3,0-6 Л
|
16
|
1,03
|
|
|
Плиты покрытия
|
|
П-1
|
Серия
|
ПКР 60.30.30
|
180
|
2,65
|
|
|
П-2
|
|
ПКР 60.30.30
|
28
|
1,68
|
|
Для зенитно-точечного фонаря
3. Антикоррозионная защита
Современные методы борьбы с коррозией предусматривают комплекс
мероприятий на всех стадиях производства, применения и эксплуатации
металлических изделий.
Для защиты металлических конструкций применяют следующие методы защиты от
коррозии.
Механическая защита предусматривает изоляцию деталей подверженных
коррозии от внешней среды. На строительной площадке и на заводе для
предохранения армокаркасов предусматривают защитный слой бетона. Существует
также способ металлизации, когда детали покрывают тонким слоем другого металла
путем электролиза, либо погружают деталь в ванну с другим расплавленным металлом.
В заводских условиях для элементов проектируемого здания используем
легирование. Легирование - это введение в металл легирующих добавок, которые
повышают коррозионную стойкость сплава. Так, введение меди и хрома (менее 1%)
повышает сопротивление, стали коррозии. Высокой стойкостью к коррозии обладают
высоколегированные нержавеющие стали, которые содержат до 20% различных
легирующих добавок.
При эксплуатации используем лакокрасочные покрытия, которые позволяют
получить на поверхности конструкций плотную пленку, которая изолирует металл от
воздействия окружающей среды. Металлические поверхности окрашивают
синтетическими эмалями, лаками, цветными нитроэмалями, красками на основе
растительных масел и др. Перед нанесением любого вида покрытия поверхность металла
очищают от ржавчины, окалины и обезжиривают.
4. Охрана окружающей среды
В городах стран СНГ сконцентрировано более 75% основных фондов народного
хозяйства и сосредоточена основная часть промышленных предприятий. Промышленные
территории занимают в отдельных случаях до 40-50% городских территорий.
Во избежание воздействия вредных выделений промышленных предприятий на
селитебной территории города и на другие предприятия следует соблюдать
необходимые санитарные разрывы и создавать озеленённые санитарно-защитные зоны.
В зависимости от выделения вредностей и условий тенологическ5ого процесса, а
также с учётом проведения мероприятий по очистке выбросов в атмосферу
промышленные предприятия в соответствии с СН 245-71 делят на пять классов,
соответственно которым устанавливаются размеры санитарно-защитных зон.
Специфика организации санитарно-защитных зон в сложившихся городах
определяется, с одной стороны, градостроительными условиями размещения
промышленного предприятия, с другой - историческими особенностями планировки и
застройки самих городов. Первый фактор определяет в основном конфигурацию и
площадь территории санитарно-защитных зон, второй - функциональное содержание
территории, отчуждаемых под защитные зоны.
Литература
1. П.Г. Буга
«Гражданские, промышленные и сельскохозяйственные здания» Москва «Высшая школа»
1987 г.
2. Е.Г.
Кутухтин «Конструкции промышленных и сельскохозяйственных зданий».
. И.А.
Шерешевский «Конструкции промышленных зданий и сооружений», Москва,2005г
. ГОСТ
21.501-93 «Правила выполнения архитектурно строительных чертежей».
. ГОСТ
21.100-93 «Основные требования к рабочей документации».
. ГОСТ
21.101-93 «Основные требования к рабочей документации»
. ГОСТ
Методические рекомендации по оформлению и составлению пояснительной записки для
курсовой работы
. ГОСТ
21.501-93 «Правила выполнения архитектурно-строительных рабочих чертежей»
. СНБ
1.03.02-96 «Состав порядок разработки и согласование проектной документации в
строительстве»
. СНиП
2.09.01-85 «Производственные здания».
. СНиП
201.01-82 «Строительная климатология и геофизика».
. Каталог
сборных ж/б изделий и конструкций для промышленного строительства.