Технологическая карта на устройство монолитной лестницы
ТЕХНОЛОГИЧЕСКАЯ КАРТА НА УСТРОЙСТВО МОНОЛИТНОЙ ЛЕСТНИЦЫ
опалубочный арматурный
бетонный лестничный
1. Область
применения
1.1 Настоящая технологическая карта разработана на устройство монолитных
лестничных маршей при строительстве многоквартирных многоэтажных жилых домов со
встроенными помещениями общественного назначения, трансформаторными
подстанциями, распределительным пунктом со встроенной трансформаторной
подстанцией, канализационной насосной станцией», по ул. Большевистская в
Октябрьском районе г. Новосибирска.
.2 Карта предназначена для производителей работ, мастеров и бригадиров,
занимающихся устройством монолитных лестничных маршей, а также работников
технического надзора заказчика и инженерно-технических работников строительных
организаций, связанных с производством и контролем качества.
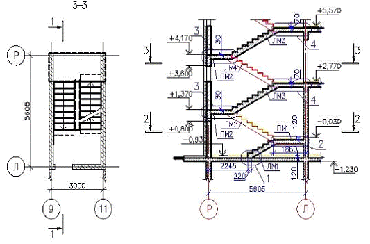
.3 В настоящей технологической карте представлен лестничный марш размером
в плане 5,605×3,000 м из монолитного железобетона при высоте типового этажа
Н = 2,8 м, конструкция которого представлена на рисунке 1.
.4 Климатический район II А,
зона сухая, расчетная температура наружного воздуха -41°С.
.5 Работы ведутся в 2 смены.
.6 В технологической карте представлены:
· схема устройства опалубки лестничных маршей;
· арматурные работы;
· бетонные работы;
· уход за бетоном;
· демонтаж опалубки;
· контроль качества и приемки работ;
· требования безопасности и охраны труда;
· потребность в машинах, механизмах и приспособлениях;
· технико-экономические показатели;
· вспомогательные работы (разгрузка, складирование, сортировка
арматуры и комплектов опалубки).
Рисунок 1.1 - Конструкция лестничного марша
2.
Подготовительные работы
2.1 До начала производства работ по устройству опалубки лестничных маршей
и укладки арматуры необходимо:
выполнить бетонирование монолитного перекрытия нижележащего этажа с
набором бетоном 80 % прочности от проектной, выше которого будут выполняться
работы по бетонированию лестничных маршей;
забетонировать стены лестничных клеток с формированием специальных ниш
для опирания промежуточных лестничных площадок посредством закладки специальных
шпонок, которые при демонтаже опалубки стен удаляются;
выставить временное инвентарное ограждение по периметру перекрытия,
проемов лестничных клеток и лифтовых шахт, при этом монтажник, производящий
установку временного ограждения, должен быть закреплен предохранительным поясом
за страховочный канат, который закрепляется к перекрытиям в местах, указанных
мастером или прорабом;
организовать площадки складирования основных элементов опалубки
перекрытия (стойки, главные и второстепенные балки, щиты фанеры);
выполнить противопожарные мероприятия;
выполнить мероприятия, обеспечивающие безопасность производства работ.
завезти арматурные сетки и комплекты опалубки в количестве,
обеспечивающем бесперебойную работу не менее, чем в течение 2 смен;
.2 Поступившие на строительную площадку элементы опалубки размещают в
зоне действия крана. Все элементы опалубки должны храниться под навесом в
условиях, исключающих их повреждения, рассортированные по маркам и типам
размеров. Балки и щиты опалубки укладывают в штабели на деревянные прокладки.
Стойки и крепежные элементы складируются в металлических ящиках.
3. Инвентарь,
оснастка, инструмент, материально-технические ресурсы
3.1 Исходными данными для расчета являются: выбранные марки подъемных и
транспортных машин, расчетный численно-квалификационный состав комплексной
бригады; состав работ, охватываемый технологической картой; нормокомплект
инструмента, приспособлений и инвентаря.
.2 Количество и виды коллективных и индивидуальных средств защиты
принимают из расчета обеспечения безопасного выполнения работ на захватке.
.3 Для выбора оборудования необходимо воспользоваться рекомендациями [5]. Выбранное оборудование сводится в таблицу 3.1.
Инструмент и приспособления для работ - таблица 3.1
|
Наименование инструментов,
приспособлений
|
ГОСТ, ТУ
|
Кол-во, шт.
|
Назначение
|
|
1
|
2
|
3
|
4
|
|
1. Молоток плотничный типа
МПЛ
|
ГОСТ 11042-83
|
3
|
Для нанесения ударов при
рубке, пробивании отверстий, клепке, правке
|
|
2.Ножовка
|
ГОСТ 26215-84
|
2
|
Для перепиливания древесины
|
|
3.Разводка для пил
|
ГОСТ 7210-75
|
2
|
|
|
4.Зубило слесарное
|
ГОСТ 7210-75
|
2
|
Для рубки металла
|
|
5.Напильник
|
ГОСТ 1465-80
|
2
|
Для заточки инструментов
|
|
6.Рулетка РС-20
|
ГОСТ 9416-83
|
1
|
Для измерения материалов
|
|
7.Плоскогубцы -обычные
-комбинированные
|
ГОСТ 7236-73 ГОСТ-5547-86
|
1 1
|
|
|
8. Щетка из стальной
проволоки
|
ГОСТ 17-830-80
|
5
|
|
|
9.Складной метр
металлический
|
ГОСТ 427-75
|
2
|
Производство линейных
измерений
|
|
10. Рулетка в закрытом
корпусе типа ЗПКЗ-20АУТ/2
|
ГОСТ 7502-80
|
2
|
|
|
11. Топоры строительные в
сборе типов Б1, Б2
|
ГОСТ 18578-73
|
2
|
|
|
12. Кернер слесарный
|
ГОСТ 7213-72
|
2
|
Разметка листового
материала
|
|
13. Клещи строительные
типов КС-250, КС-225, КС-180
|
ГОСТ 14184-83
|
2
|
|
|
14. Ломы-гвоздодеры типов
ЛГ16.ЛГ20, ЛГ24
|
ГОСТ 1405-83
|
2
|
|
|
15. Скребок металлический
|
ТУ 22-4629-80
|
2
|
|
|
16. Ломы монтажные типов
ЛМ20, ЛМ24, ЛМ24А, ЛМ32
|
ГОСТ 1405-83
|
2
|
|
|
17. Отвертки
слесарно-монтажные
|
ГОСТ 17199-71
|
2
|
|
|
18. Шнур разметочный -
отвес
|
ТУ 22-5076-81
|
2
|
|
|
19. Отвес стальной
строительный типа ОТ400
|
ГОСТ 7948-80
|
2
|
|
|
20. Угольник металлический
|
ТУ 22-4400-79
|
1
|
|
|
21. Уровни строительные
типов УС2. УС6-1, УС6-2
|
ГОСТ 9416-83
|
2
|
|
|
22. Зубила слесарные
|
ГОСТ 7211-72
|
5
|
|
|
23. Уровень гибкий
(водяной)
|
|
|
|
|
24. Кусачки торцовые
|
ГОСТ 7282-75
|
2
|
|
|
25. Кусачки боковые
|
ГОСТ 22306-77
|
2
|
|
|
26. Молоток слесарный с
круглым бойком массой 0,8 кг
|
ГОСТ 2310-77
|
1
|
|
|
27. Штангенциркуль типа
ШЦ-1
|
ГОСТ 166-80
|
2
|
|
|
28. Гладилки прямоугольные
типов ГП-1, ГП-2, ГП-3, ГП-4
|
ГОСТ 10403-80
|
2
|
|
|
29. Гребок для бетонных
работ ИР-758
|
ТУ 22-4945-81
|
1
|
|
|
30. Лопата растворная типа
ЛР
|
ГОСТ 3620-76
|
4
|
|
|
31. Кельма для бетонных и
каменных работ типа КБ
|
ГОСТ 9533-81
|
4
|
|
|
32. Лопаты совковые типов
ЛС-1, ЛС-2, ЛС-3
|
ГОСТ 3620-76
|
3
|
|
|
33. Резак инжекторный для
ручной кислородной резки
|
ГОСТ 5191-79 Е
|
1
|
|
|
34. Ключ гаечный разводной
|
ГОСТ 7275-76
|
5
|
|
|
35. Циркуль разметочный с
дугой
|
ГОСТ 24472-80 Е
|
3
|
|
|
36. Дрель электрическая
|
|
2
|
|
|
37. Укороченные подмости
|
|
2
|
|
|
38.Четырехветвевой строп
|
|
2
|
|
|
39. Теодолит
|
|
1
|
|
|
Продолжение таблицы 3.1
|
|
40. Нивелир
|
|
1
|
|
|
41. Правило длиной 2 м
|
|
1
|
|
|
42. Ящик для инструмента
|
|
1
|
|
|
43. Бадья объемом 1,0 м3
|
|
1
|
|
|
44. Стойки телескопические
|
|
18
|
|
|
Средства защиты
|
|
1. Ограждение инвентарное
|
|
|
|
|
2. Ограждение инвентарное
|
|
|
|
|
3. Временное ограждение
лестничных маршей и площадок
|
|
|
|
|
4. Пояс предохранительный
|
ГОСТ Р 50849-96
|
|
|
|
5. Каска строительная
|
ГОСТ 12.4.087-84
|
|
|
|
6. Костюм брезентовый
|
|
|
|
|
7. Перчатки диэлектрические
|
|
|
|
|
8. Сапоги резиновые
|
|
|
|
|
9. Рукавицы рабочие х/б
(верхонки)
|
|
|
|
|
10. Костюмы х/б
|
|
|
|
.4 Потребность в материально-технических ресурсах определяется на 1 этаж
(типовой). Объемы работ приведены в табице3.2.
Потребность в материально-технических ресурсах- Таблица 3.2
|
N п/п
|
Наименование
|
Количество
|
Примечание
|
|
1
|
Комплект опалубки на один
этаж
|
17,12 м
|
|
|
2
|
Арматура
|
0,406 т
|
|
|
3
|
Бетон
|
2,31 м
|
|
|
4
|
Электроды
|
8 кг
|
|
|
5
|
Саморезы 70 мм
|
1 кг
|
|
.5 Потребность в машинах и механизмах приведена в таблице 3.3
Потребность в машинах и механизмах- Таблица 3.3
|
N п/п
|
Наименование
|
Марка, техническая
характеристика
|
Количество
|
Примечание
|
|
1
|
Башенный кран
|
Potain MR 90B
|
1
|
|
|
2
|
Автобетоносмеситель
|
СБ-127
|
2
|
|
|
3
|
Электровибратор глубинный
|
ИВ-78
|
2
|
|
|
4
|
Трансформатор понижающий
|
ИВ-10
|
1
|
|
|
5
|
Преобразователь частоты
|
ИЭ-9403
|
1
|
|
|
6
|
Защитно-отключающее
устройство
|
ИЭ-9802
|
1
|
|
|
7
|
Электросварочный аппарат
|
ТС-500
|
1
|
|
4. Заявка на
материалы
Таблица 4.2- Заявка на материалы
|
№ п/п
|
Наименование материала
|
Ед. изм.
|
Количество
|
Стоимость ед. изм., руб.
|
Общая стоимость материала
|
|
1
|
Бетон
|
м3
|
2,31
|
3960
|
9147,6
|
|
Арматурные изделия:
|
|
|
|
|
|
2
|
Арматурные стержни ∅12 А500С, L=2170
|
шт.
|
6
|
54,25
|
325,5
|
|
3
|
Арматурные стержни ∅12 А500С, L=2080
|
шт.
|
6
|
52
|
312
|
|
4
|
Арматурные стержни ∅6 А240, L=230
|
шт.
|
476
|
23
|
10948
|
|
5
|
Арматурные стержни ∅6 А240, L=1170
|
шт.
|
993
|
11,7
|
11618
|
|
6
|
Арматурные стержни ∅6 А240, L=1350
|
шт.
|
14
|
13,5
|
189
|
|
7
|
Арматурные стержни ∅6 А240, L=1390
|
шт.
|
476
|
13,9
|
6616,4
|
|
8
|
Арматурные стержни ∅6 А240, L=1950
|
шт.
|
14
|
19,5
|
273
|
|
9
|
Арматурные стержни ∅12 А500С, L=2220
|
шт.
|
14
|
55,5
|
777
|
|
10
|
Арматурные стержни ∅18 А500С, L=1650
|
шт.
|
344
|
113,85
|
39164,4
|
|
11
|
Арматурные стержни ∅12 А500С, L=3850
|
шт.
|
6
|
71,25
|
427,5
|
|
12
|
Арматурные стержни ∅12 А500С, L=4070
|
шт.
|
6
|
51,75
|
310,5
|
|
13
|
Арматурные стержни ∅8 А500С, L=3210
|
шт.
|
68
|
32,1
|
2182,8
|
|
14
|
Арматурные стержни ∅8 А500С, L=900
|
шт.
|
238
|
9
|
2142
|
|
15
|
Арматурные стержни ∅8 А500С, L=780
|
шт.
|
238
|
7,8
|
1856,4
|
|
16
|
Арматурные стержни ∅12 А500С, L=3240
|
шт.
|
96
|
81
|
7777,6
|
|
17
|
Арматурные стержни ∅12 А500С, L=3450
|
шт.
|
96
|
86,25
|
8280
|
|
18
|
Арматурные стержни ∅12 А500С, L=3280
|
96
|
82
|
7872
|
|
19
|
Арматурные стержни ∅12 А500С, L=3560
|
шт.
|
96
|
89
|
8544
|
|
20
|
Арматурные стержни ∅12 А500С, L=4420
|
шт.
|
6
|
110,5
|
663
|
|
21
|
Арматурные стержни ∅12 А500С, L=4630
|
шт.
|
6
|
115,75
|
694,5
|
|
22
|
Арматурные стержни ∅12 А500С, L=1620
|
шт.
|
14
|
40,5
|
567
|
|
Доски для опалубки:
|
|
|
|
|
|
23
|
Брус 150×100 мм
|
м3
|
0,338
|
5000
|
1690
|
|
24
|
Доска 40×150 мм
|
м3
|
0,135
|
5000
|
675
|
|
25
|
Доска 25×100 мм
|
м3
|
0,009
|
5000
|
45
|
|
26
|
Доска 40×100 мм
|
м3
|
0,012
|
5000
|
60
|
|
27
|
Доска 40×180 мм
|
м3
|
0,013
|
5000
|
65
|
|
28
|
Доска 40×160 мм
|
м3
|
0,05
|
5000
|
250
|
|
29
|
Фанера δ=18-21 мм
|
шт.
|
7
|
870
|
6090
|
|
30
|
Электроды
|
кг
|
8
|
50
|
400
|
|
31
|
Саморезы 70 мм
|
кг.
|
1
|
220
|
220
|
|
31
|
Итого:
|
|
|
|
130183,2
|
5.
Организация выполнения работ
5.1 До начала работ на строительную площадку должны быть приготовлены
места складирования материала и инвентаря, завезены все строительные материалы
и приспособления для выполнения всех работ по возведению монолитных лестниц,
проведено обеспечение временным электроснабжением и освещением.
5.2 Работы выполняются в 2 смены.
.3 Разгрузку и раскладку арматурных сеток, стержней арматуры, опалубки,
демонтаж опалубки производят с помощью башенного крана Potain MR 90B (выбор
крана и его характеристики см. пункт 6.5 пояснительной записки)
.4 Опалубку и инвентарь доставляют на строительную площадку комплектно в
состоянии, пригодном к сборке и эксплуатации.
.5 Транспортирование бетонной смеси осуществляют автобетоносмесителями с
разгрузкой в поворотные бункеры вместимостью 1,0 м3. Количество
автобетоносмесителей принимают по расчету в зависимости от дальности
транспортировки бетонной смеси. Схема разгрузки бетонной смеси в бункер
приведена на рисунке 5.1:
Рисунок 5.1 - Выгрузка бетонной смеси в бадью
.6 Подачу бетонной смеси к месту укладки производят в поворотных бункерах
башенным краном Potain MR 90B
.7 Строповку бункера производят двухветвевым стропом 2СК-3,2 грузоподъемностью
3,2 т. и длиной стропа 1400-1600 мм. Схема подачи бадьи с бетонной смесью
приведена на рисунке 3:
Рисунок 5.2 - Подача бадьи с бетонной смесью
.8 Подбор состава бетонной смеси производится строительной лабораторией.
.9 Для уплотнения бетонной смеси используется глубинный вибратор ИВ-78 с
радиусом вибрирования 40 см.
.10 Все работы по организации строительных процессов выполняются по СП
48.13330.2011 «Организация строительства»
.11 Состав каждого звена, выполняющего определенный вид работ выбираем по
ЕНиР (см. таблицу 6.7.1) :
для разгрузочных работ по ЕНиР Е1 «Внутрипостроечные транспортные
работы»;
для опалубочных работ по ЕНиР Е4 «Здания и промышленные сооружения»;
для арматурных работ по ЕНиР Е4 «Здания и промышленные сооружения»;
для бетонных работ по ЕНиР Е4 «Здания и промышленные сооружения»;
5.12 Технико- экономические показатели приведены в п.
6.7 пояснительной записки.
6. Технология
выполнения работ.
6.1 Опалубочные работы.
.1.1 Основными составляющими опалубки лестничного марша являются
элементы, представленные на рисунке 6.1:
опалубка ступеней;
стойки опалубки (инвентарные телескопические стойки);
опорные стойки из бруса 100×100 мм;
прогоны из бруса 150×100 мм;
листы фанеры толщиной 18 ÷ 21 мм (либо деревянные щиты).
Рис.
6.1 - Вариант установки основных элементов опалубки лестничного марша
Поддерживающая
конструкция опалубки лестничного марша состоит из одного или двух рядов
прогонов из брусьев сечением 150×100 мм, опирающихся на деревянные опоры (опорные стойки из бруса 100×100 мм) или стальные опоры (инвентарные
телескопические стойки).
Однако
наклонное положение плит лестничного марша затрудняет размещение опор на
наклонной части лестницы, располагающихся вертикально в соответствии с
вертикальным давлением бетона, а это, в свою очередь, затрудняет установку
брусьев на оголовки опор. В связи с этим иногда предпочитают наклонное
положение опор, при этом под нижней поверхностью плит лестничного марша они
стоят вертикально.
Опалубка
нижней стороны плит лестничного марша и площадок, а также боковин лестницы
устраивается из досок или щитов. Кроме этого, может быть использована
бакелизированная фанера толщиной 18 - 21 мм. На верхней стороне лестницы
необходима опалубка для передних сторон ступенек. Она состоит из досок,
крепящихся к опалубке боковин короткими прижимными брусками.
Особое
внимание следует уделять тщательному креплению стоек с прогонами и наклонных
брусьев в целях обеспечения восприятия сдвигающих усилий.
Опалубка
ступеней показана на рисунке 6.2.
Рис.
6.2 - Опалубка ступеней лестничного марша
.1.2
Если при широких лестницах возникает опасность прогиба щитов ступенек из-за
большого расстояния между конечными точками крепления, то необходимо установить
посередине дополнительный брус с планками на каждой ступеньке. Схема опалубки
ступеней с дополнительным бруском показана на рисунке 6.3.
Этот
дополнительный элемент жесткости соединяется проволочной стяжкой с брусьями
поддерживающей конструкцию. Его необходимо закрепить на нижнем конце для
предотвращения сдвига вдоль лестницы. Для этого его крепят подпорками к
существующим стенам. Можно также крепить к закладным, заделанным в бетон
площадкам, если бетон к моменту бетонирования ступенек набрал достаточную
прочность.
Рис.
6.3 - Опалубка ступеней лестничного марша с дополнительным бруском
.1.3
Фанера, применяемая в качестве палубы опалубки, должна иметь водостойкое
покрытие, пропитку или другую обработку рабочих поверхностей. Торцы фанеры и
древесные материалы формирующих элементов опалубки должны быть защищены от
механических повреждений и проникновения влаги герметиком.
.1.4
Установку элементов опалубки лестничных маршей выполнять в следующей
технологической последовательности:
выставить
временное инвентарное ограждение по всему периметру перекрытия с ограждением
всех монтажных проемов, а также проемов лифтовых шахт и лестничных клеток;
установить
на нижележащий лестничный марш инвентарные телескопические стойки опалубки или,
там где это невозможно, стойки из бруса 100×100 мм, а по ним укладывать прогоны из бруса сечением 150×100 мм (поперек лестничного марша);
при
помощи винтовых устройств инвентарных стоек выставить прогоны по высоте, прогоны
укладывать с инвентарных площадок монтажника Н = 1,5 м;
на
прогоны внахлестку уложить брусья сечением 100×150 (h) мм (вдоль лестничного марша). Схема расстановки
опорных стоек и раскладки опорных брусьев в продольном и поперечном
направлениях показана на рисунке 6.4;
Рис.
6.4 - Схема расстановки опорных стоек и раскладки опорных брусьев в продольном
и поперечном направлениях
уложить
на брусья листы фанеры (палубу) с закреплением их к поперечным балкам шурупами
или гвоздями;
выставить
торцевую опалубку сбоку лестничного марша высотой 190 мм.
установить
опалубку ступеней, закрепив ее с палубой из фанеры;
произвести
смазку палубы и торцевых поверхностей опалубки;
сдать
опалубку по акту приемки-сдачи.
Схема
установки опалубки лестничного марша смотри на рисунке 6.2.
.1.5
Плоскости опалубки до начала работ по ее установке должны быть очищены от
остатков старого бетона, грязи, ржавчины, наледи и снега и смазаны
антиадгезионной смазкой. Все резьбовые соединения должны быть проверены и
смазаны. Установка опалубки производится по чертежам проекта производства
работ. Смонтированная опалубка должна быть принята по акту.
Опалубку,
установленную в проектное положение, удобнее смазывать распылительными удочками
типа 6943/9Б и УС-2. Вязкие смазки наносят с помощью валиков или пистолетов.
.1.6
Все элементы опалубки перекрытия (опорные стойки, балки и листы фанеры)
подавать в контейнерных ящиках, имеющих монтажные петли. Все элементы
укладывать в ящики по высоте менее 100 - 150 мм его верхнего бортового
ограждения.
Схемы
строповки элементов опалубки даны на рисунке 6.5.
Рис.
6.5 - Схемы строповки грузов
6.2 Арматурные работы.
.2.1 Выполнению работ по сборке и монтажу арматурного каркаса и отдельных
арматурных стержней для бетонирования плиты фундамента предшествует комплекс
организационно-технических мероприятий и подготовительных работ, таких как:
установлена и принята заказчиком по Акту опалубка;
произведена геодезическая разбивка мест установки сеток и закладных деталей;
изготовлены арматурные сетки, каркасы и закладные детали;
на лицевую сторону опалубки нанесена пленкообразующая смазка;
обозначены пути движения и рабочие стоянки монтажного крана;
доставлены в зону монтажа конструкций необходимые монтажные приспособления,
инвентарь и инструменты и полуфабрикаты.
.2.2 В условиях строительной площадки выполняются:
приемка арматурных изделий, сортировка и складирование;
подготовка к монтажу, при необходимости укрупнение и объединение в
арматурно-опалубочные блоки;
установка, выверка арматуры и окончательное соединение стыков;
приемка работ с составлением акта скрытых работ.
.2.3. Арматура - это совокупность стальных стержней, связанных сваркой
или проволокой и располагаемых в толще бетона для повышения его несущей способности.
.2.4. По назначению - рабочая, распределительная, монтажная и хомуты:
рабочая воспринимает растягивающие, а иногда и сжимающие усилия;
распределительная служит для равномерного распределения нагрузок между
рабочими элементами и фиксации рабочей арматуры;
монтажная предназначена для сборки отдельных стержней и других элементов
в арматурный каркас и удержания всей арматуры в проектном положении;
хомуты предназначены для восприятия усилий и скрепления арматурного
каркаса.
Рис.6.6
Виды арматурной стали
.2.5.
Перед монтажом арматуры должен быть произведен контроль правильности установки
опалубки. Технологической картой предусмотрен монтаж арматуры плоскими
каркасами, сетками и отдельными стержнями.
.2.6.
Арматурные работы выполняются в следующей очередности:
устанавливают
нижние сетки из стержней с шагом 200 мм на фиксаторы, обеспечивающие защитный
слой бетона по проекту;
укладывают
арматурные поддерживающие объемные каркасы;
устанавливают
верхние сетки из стержней на каркасы;
укладывают
отдельные арматурные стержни;
арматурные
стержни маршей связываются с арматурными стержнями площадки и перекрытия.
.2.7.
Арматуру следует монтировать в последовательности, обеспечивающей правильное ее
положение и закрепление. При монтаже арматуры необходимо обеспечивать защитный
слой бетона, т. е. расстояние между внешними поверхностями арматуры и бетона.
Для фиксации арматуры от смещений и обеспечения заданной толщины защитного слоя
бетона готовую нижнюю сетку поднимают и к ее стержням вязальной проволокой
прикрепляют бетонные подкладки (сухарики) с шагом 2,0х2,0 м. Для этих целей
применяют также подставки из металла или пластмассовые фиксаторы. Особо
высокими технологическими свойствами характеризуются надеваемые на арматуру
пластмассовые кольца-фиксаторы. Во время установки пластмассовое кольцо
благодаря присущей ему упругости немного раздвигается и плотно охватывает
стержень. Запрещается применение подкладок из обрезков арматуры, деревянных
брусков и щебня. Правильно устроенный защитный слой надежно предохраняет
арматуру от коррозионного воздействия внешней среды. Верхний и нижний ряды
сеток соединяются в каркас при помощи плоских вертикальных сеток, изготовленных
из отдельных стержней на месте строительства. После установки вертикальных
поддерживающих каркасов и крепления их к нижней арматуре укладывают верхние
продольные стержни с одновременной установкой пластмассовых фиксаторов для
верхнего защитного слоя. При стыковании стержней гладкого профиля в растянутой
зоне должны отгибаться крюки.
.2.8.
Подачу арматурных стержней и каркасов в зону производства работ осуществляют
башенным краном. Каркасы устанавливают при одной или двух открытых сторонах
опалубки. Для предохранения каркасов от смещения их временно закрепляют.
Крепления снимают по мере укладки бетонной смеси.
Рис.6.7.
Схема установки арматурной сетки
.3 Бетонные работы.
6.3.1 До начала работ по укладке бетона следует подготовить к работе
оборудование для подачи бетона и проверить его исправность.
.3.1 До начала производства работ, начальник участка должен уточнить:
время доставки бетона с завода на объект, наличие документации, подтверждающей
соответствие показателей бетонной смеси и бетона требованиям настоящей
«Технологической карты». Представитель строительной лаборатории должен
проверить наличие на объекте стандартного конуса для определения подвижности
бетонной смеси, термометров для замеров температуры бетонной смеси и наружного
воздуха, прибора для определения количества вовлеченного воздуха в бетонной
смеси и достаточность форм для изготовления контрольных кубиков из бетона.
.3.3 Между бетонным заводом и сооружаемым объектом должна быть
установлена действенная оперативная связь, обеспечивающая доставку бетонной
смеси в полном соответствии с требованиями проекта и настоящей «Технологической
карты».
.3.4 Доставку бетонной смеси на строительную площадку необходимо
осуществлять автобетоносмесителями. Количество автобетоносмесителей необходимо
назначать из условий объема бетонируемых конструктивных элементов,
интенсивности укладки бетонной смеси, расстояния её доставки, сроков
схватывания бетона. Суммарное время доставки бетонной смеси на строительную
площадку, укладки её в конструктивные элементы не должно превышать срока её
схватывания.
.3.5 Подача бетонной смеси к месту укладки может осуществляется с помощью
крана- бадьи.
.3.6 Интенсивность бетонирования должна быть определена строительной
лабораторией с учетом свойств бетонной смеси, дальности доставки бетона.
.3.7 При производстве работ в зимний период времени перед бетонированием
каждого элемента, основание и верхнюю зону ранее забетонированных элементов
следует отогреть до температуры не ниже плюс 5 °C на глубину не менее 0,5 м.
.3.8 Для предупреждения появления температурных трещин в конструкциях,
значение температур отогрева ранее забетонированных элементов увязывают с
температурой поступающей бетонной смеси в соответствии с таблицей 6.3.1.
Таблица 6.3.1- Нормативная температура б.с.
|
Температура поверхности
жесткого основания, на которое укладывается бетон, град. C
|
Допустимая температура
укладываемой бетонной смеси по условию предупреждения температурных трещин, °C
|
|
+5
|
+10 (не более)
|
|
+10
|
+10 ... 20 (не
более)
|
|
+15…20
|
+10 ... 25*
|
Примечание: При среднесуточной температуре окружающей среды выше плюс 25
°C, толщине бетонируемых конструкций
более или равной 1 м максимальное значение температуры укладываемой бетонной
смеси ограничивается величиной плюс 20 °C
.3.9 Перед бетонированием очищенные поверхности необходимо обильно
смочить водой или обработать 2 ... 5 % раствором полимера «Акрил 100».
.3.10 Перед началом уплотнения каждого укладываемого слоя бетонная смесь
должна быть равномерно распределена по его поверхности. Высота отдельных
выступов и впадин над общим уровнем поверхности распределения бетонной смеси не
должна превышать 10 см. Использовать вибраторы для перераспределения и
выравнивания бетонной смеси запрещается.
.3.11 Вибрирование бетонной смеси в каждом слое и на каждой позиции
перестановок наконечника глубинного вибратора производят до прекращения
оседания бетонной смеси и появления на поверхности блеска цементного теста.
.3.12 При производстве работ по бетонированию необходимо исключать
возможность расслаивания бетонной смеси в конце каждой полосы бетонируемого
слоя и неизбежного при этом вытекания, погружать в смесь бетона на расстоянии
50 - 70 см от края полосы. Тщательную совместную проработку оставшейся у края
полосы зоны производят после укладки очередной дозы бетонной смеси.
.3.13 Укладка бетонной смеси в монолитной лестнице производится снизу
вверх, от нижних ступеней к верхним.
.3.14 Виброуплотнение бетонной смеси производят с отставанием на 1,0 -
1,5 м от места подачи краном-бадьей.
Строго последовательное распределение бетонной смеси горизонтальными
слоями, исключающими возможность ее расслоения при виброобработке, является
важнейшим фактором, обеспечивающим качество и однородность бетона в
конструкции. Выбор вибратора и его технические характеристики см. пункт 6.5.4
.3.15 После укладки и уплотнения бетона в верхнем слое по всей открытой
поверхности бетонной конструкции необходимо произвести его доводку и отделку до
обеспечения проектных параметров по уклонам, ровности и качеству поверхности.
Заглаживание открытой поверхности уложенного бетона производим мастерками. Схема
заглаживание приведена на рис.6.8.
Рис.6.8. Заглаживание открытой поверхности бетона
6.3.16 После схватывания бетона (через 1,5 - 2 часа после укладки) на
открытые поверхности бетона необходимо уложить влаготеплозащитное покрытие,
состоящее из полиэтиленовой пленки, двух слоев дорнита и верхнего слоя
полиэтиленовой пленки.
.3.17 При возведении бетонных конструкций, учитывая повышенные требования
к качеству бетона возводимых конструкций, особое внимание следует уделить
условиям и продолжительности выдерживания бетона.
.3.17 После периода с максимальным разогревом бетона, на стадии снижения
температуры, дополнительное брезентовое укрытие опалубки может быть снято.
.3.18 При этом за расчетную температуру окружающей среды следует
принимать минимальную прогнозируемую температуру наружного воздуха на ближайшие
24 часа.
.3.19 При выдерживании бетона прогнозируемая прочность бетона должна
подтверждаться контрольными испытаниями образцов, укладываемых под
тепловлагозащитным покрытием.
.3.20 Замеры температур твердеющего бетона конструкции в первые трое
суток после бетонирования, осуществляют первые сутки - через каждые 4 часа,
затем через каждые 8 часов и обязательно - перед снятием тепловлагозащитных
покрытий и опалубки.
6.4 Демонтаж опалубки.
.4.1 Демонтаж опалубки лестничного марша согласно СП 70.13330.2011
«Несущие и ограждающие конструкции» при пролете до 6 м разрешается производить
только после достижения бетоном не менее 70 % проектной прочности. Снятие
опалубки следует производить после предварительного отрыва от бетона при
отсутствии нагрузок на марш, превышающих допустимые.
При распалубке лестничных маршей палубу вместе с продольными и
поперечными балками при помощи винтовых устройств опор отрывают от бетона и
опускают. Затем извлекают опалубку ступеней, опалубку боковых поверхностей и
устанавливают стойки переопирания. Стойки переопирания устанавливают в
наклонном положении, при этом под нижней поверхностью лестничного марша они
стоят вертикально. На опорной поверхности их снабжают подкладками и
заклинивают.
Схема переопирания стоек показана на рисунке 6.9.
Рисунок
6.9 - Схема переопирания стоек
.4.2
Демонтаж всех элементов опалубки выполняется вручную со складированием их на
перекрытии, последующей укладкой их в металлические ящики, строповкой их краном
и переносом на новый участок работ.
.4.3
Все листы фанеры каждый раз после демонтажа надо очищать от налипшего
цементного раствора, при необходимости смазать. Смазку следует наносить не
более чем за 2 часа перед следующим бетонированием.
.4.4
В качестве дополнительных средств подмащивания при демонтаже элементов опалубки
необходимо использовать площадку монтажника Нр.н. = 1,50 м (проект 4624 ГП
Мосоргстрой).
.4.5
При разборке опалубки необходимо принимать меры против случайного падения
элементов опалубки, обрушения поддерживающих лесов и конструкций.
.4.6
Монтаж опалубки лестничного марша следующего участка начинать после установки
стоек переопирания на предыдущем участке.
.4.7
Монтаж и демонтаж основных элементов опалубки следует производить, соблюдая
правила производства и приемки работ согласно СП70.13330.2011 «Несущие и
ограждающие конструкции».
6.5 Выбор механизмов.
6.5.1 Выбираем транспорт для доставки бетонной смеси. Для нашего случая я
выбрал автобетоносмеситель СБ-92-1А на базе автосамосвала КамАЗ-5511. Объем
перевозимой приготовляемой смеси 3м3.
6.5.2 Выбираем бадью, чтобы объем бетонной смеси, перевозимой
транспортным средством, входил не менее чем в две бадьи. Выберем бадью вместимостью
1 м³.
Таблица 6.5.1- Технические характеристики поворотных бадей
|
Наименование показателей
|
Вместимость номинальная, м3
|
|
1
|
|
Размеры выгрузочного
отверстия, мм х мм
|
350x350
|
|
Тип затвора
|
Челюстной, ручной
|
|
Допустимая перегрузка по
вместимости для бетонной смеси, % номинальной вместимости
|
25
|
|
Габариты, мм:
|
|
|
длина
|
3512
|
|
ширина
|
1232
|
|
высота
|
1040
|
|
Масса, кг
|
490
|
.5.3 Подбор требуемого башенного крана производим по минимальным
требуемым характеристикам. К таким техническим параметрам крана относятся:
требуемая грузоподъемность,
наибольшая высота подъема крюка Н,
наибольший вылет стрелы А.
На основании указанных данных определяют элемент, который характеризуются
максимальными техническими параметрами. Требуемая грузоподъемность крана Qтр
складывается из массы самого тяжелого элемента Qэл, строповочных приспособлений
Qстр и массы монтажной оснастки Qосн:
тр ≥ Qэл + Qстр + Qосн,
Высота подъема крюка:
Нкр = h3 + hп+hэл + hстр,
где hп - длина грузового полиспаста крана, м (2,0 м); hз - запас по
высоте для обеспечения безопасности монтажа, м (0,5 м); hэл - высота (или
толщина) монтируемого элемента, м; hстр - высота строповки (от верха элемента
до крюка крана), м. Вылет стрелы для крана:
А = lстр =13,6 м.
Длину стрелы определяют по формуле:
Найдем необходимые величины для выбора крана:
Нкр = h3 + hп+hэл + hстр= 0,5+2,0+3,2+1,6+47,88=55,18 мтр = Qэл + Qстр +
Qосн=2,4+0,51+0,09=3,0 т
По полученным данным выбираем башенный кран Potain MR 90B. Его
технические характеристики приведены в таблице 6.5.1:
Таблица 6.5.1- Технические характеристики крана Potain MR 90B
|
Максимальная
грузоподъемность, т
|
8
|
|
Макс. радиус, м
|
40
|
|
Грузоподъемность на конце
стрелы, т
|
2,1
|
|
Высота подъема крюка, м
|
56,2
|
Рисунок 6.5- Potain MR 90B
6.5.4 Глубинный вибратор выбираем ИВ-78.
Таблица 6.5.2- Технические характеристики ИВ-78
|
Двигатель трехфазный
асинхронный
|
|
|
Номинальная мощность, кВт
|
0,27
|
|
Напряжение, В
|
42
|
|
Частота
вращения, мин-1
|
2850
|
|
Вибронаконечник:
|
|
|
наружный диаметр
корпуса, мм
|
50
|
|
длина, мм
|
412
|
|
Частота
колебаний, Гц
|
200
|
|
Гибкий вал:
|
|
|
длина, м
|
3…10
|
|
допустимый
радиус изгиба, мм
|
200
|
|
Общая масса рабочего
комплекта, кг
|
21,8
|
.6 Технико- экономические показатели.
.6.1 Производственная калькуляция является основанием для составления
аккордного наряда, календарного графика и расчета технико-экономических
показателей. Подсчет выполнен по «Единым нормам и расценкам на строительные, монтажные
и ремонтно-строительные работы», введенным в действие в 1987 г. и приведен в
таблице 6.6.1
.6.2 Затраты труда и машинного времени подсчитаны из расчета установки
элементов опалубки лестничного марша на один этаж здания.
.6.3 Состав звена приведен в таблице 6.6.1.
Таблица 6.6.1 - Калькуляция затрат труда и машинного времени на
устройство лестничного марша.
|
Обосн-е по ЕНиР
|
Наименование процессов
|
Ед. Изм. м (т)
|
Кол-во единиц
|
Нвр чел.-ч.
|
Затраты тру-да, чел.-ч
|
Состав звена
|
|
|
|
|
рабочих
|
машиниста
|
рабочих
|
машиниста
|
|
|
Опалубочные работы
|
|
|
|
|
|
|
|
|
Е1-5
|
Разгрузка элементов
опалубки с транспорта
|
100
|
0,0032
|
22
|
11
|
0,07
|
0,04
|
Машинист 6 разр.; 2
такелажника 2 разр.
|
|
Е5-1-1
|
Сортировка опалубки
|
1
|
0,32
|
0,65
|
|
0,21
|
|
2 монтажника констр-й 3,4
разр.
|
|
Е1-6
|
Подача элементов опалубки к
месту монтажа
|
100
|
0,0032
|
36,44
|
18,22
|
0,12
|
0,06
|
Машинист 6 разр.; 2
такелажника 2 разр.
|
|
Е4-1-37
|
Монтаж опалубки
|
1
|
0,32
|
0,39
|
|
0,12
|
|
3 строит-х слесаря (2,3,4
разр.)
|
|
|
|
|
|
Итого:
|
0,52
|
0,09
|
|
|
Арматурные работы
|
|
|
|
|
|
|
|
|
Е1-5
|
Разгрузка арматурных изделий
|
0,0406
|
22
|
11
|
0,89
|
0,45
|
Машинист 6 разр.; 2
такелажника 2 разр.
|
|
Е5-1-1
|
Сортировка арматурных
изделий
|
1
|
0,406
|
0,65
|
|
0,26
|
|
Монтажник конструкций 3
разр.
|
|
Е22-1-2
|
Сварка конструкций
|
10
|
0,0406
|
4,9
|
|
0,20
|
|
Электросварщики ручной
сварки 3,4,5,6 разр.
|
|
Е1-6
|
Подача арматуры к месту
монтажа
|
100
|
0,0406
|
36,44
|
18,22
|
1,48
|
0,74
|
Машинист 6 разр.; 2
такелажника 2 разр.
|
|
Е4-1-44
|
Установка и вязка арматуры
отдельными стержнями
|
1
|
0,406
|
27,5
|
|
11,17
|
|
Арматурщик 5
разр-1;арматурщик 2 разр-1;
|
|
|
|
|
|
Итого:
|
14,00
|
1,19
|
|
|
Бетонные работы
|
|
|
|
|
|
|
|
|
Расчет .ТК
|
Прием БС из бетоносмесителя
|
100
|
0,0231
|
|
3,32
|
|
0,08
|
Машинист 4 разр.
|
|
Е1-6
|
Подача БС
|
100
|
0,0231
|
6,864
|
3,462
|
0,16
|
0,08
|
Машинист 6 разр.; 2
такелажника
|
|
Е4-1-49
|
Укладка БС
|
1
|
2,31
|
0,26
|
|
0,60
|
|
2 бетонщика (2,4 разр).
|
|
|
|
|
|
Итого:
|
0,76
|
0,16
|
|
|
Демонтаж опалубки
|
|
|
|
|
|
|
|
|
Е4-1-40
|
Демонтаж укрупненных
панелей опалубки
|
1
|
0,32
|
0,12
|
|
0,04
|
|
Строительный слесарь 3
разр. Строительный слесарь 2 разр.
|
|
Е1-6
|
Подача панелей опалубки на
площ-ку складирования
|
100
|
0,0032
|
36,44
|
18,22
|
0,12
|
0,06
|
Машинист 6 разр.; 2
такелажника 2 разр.
|
|
|
|
|
|
Итого:
|
0,16
|
0,06
|
|
|
Уход за бетоном
|
|
|
|
|
|
|
|
|
Е4-1-54
|
Поливка бетонной пов-ти
водой за 1 раз из брандспойта
|
100
|
0,0231
|
0,14
|
|
0,00
|
|
Бетонщик 2 разр.
|
|
Е4-1-54
|
Покрытие бетонной пов-ти
опилками
|
1
|
2,31
|
0,27
|
|
0,62
|
|
Бетонщик 2 разр.
|
|
Е4-1-54
|
Снятие с бетонной пов-ти
опилок
|
1
|
2,31
|
0,34
|
|
0,79
|
-
|
Бетонщик 2 разр.
|
|
|
|
|
|
Итого:
|
1,41 0,00
|
|
|
|
|
|
|
|
|
Итого:
|
16,85 1,49
|
|
|
|
|
|
|
|
|
|
|
|
|
|
|
|
|
.6.4 Календарный план производства работ приведен в Приложении 2.
.6.5 Технико-экономические показатели при устройстве монолитной лестницы
на один этаж составят:
затраты труда, чел.-час. - 18,43
затраты машинного времени, маш.-час. - 1,58
продолжительность работ, часов - 9,3
7. Контроль
производства работ
7.1 Опалубочные работы:
7.1.1 Контроль качества работ по устройству опалубки лестничных маршей
при монолитном строительстве должен осуществляться специалистами (мастером и
(или) прорабом) или специальными службами, входящими в состав строительных
организаций или привлекаемыми со стороны, и оснащенными техническими
средствами, обеспечивающими необходимую достоверность и полноту контроля.
.1.2 Контроль качества работ осуществляют на всех стадиях технологической
цепи, начиная от разработки проекта и кончая его реализацией на объекте на
основе ППР и технологических карт. Производственный контроль качества должен
включать входной контроль рабочей документации, поступающих материалов и
изделий, качества поверхности основания, операционный контроль производства
работ по установке опалубки лестничных маршей и оценку соответствия выполненных
работ по установке опалубки лестничного марша нормативным требованиям.
.1.3 При входном контроле рабочей документации проводится проверка ее
комплектности и достаточности в ней технической информации. При входном
контроле поступающих на объект материалов и изделий для устройства опалубки
лестничных маршей проверяется соответствие их стандартам, требованиям рабочих
чертежей, наличия сертификатов соответствия, гигиенических и пожарных
документов, паспортов и других сопроводительных документов.
Результаты входного контроля должны регистрироваться в «Журнале входящего
учета и контроля качества получаемых деталей, материалов, конструкций и
оборудования».
.1.4 При приемке установленной опалубки проверяется вертикальность
опорных стоек и горизонтальность продольных, поперечных балок и листов фанеры,
смещение осей опалубки от проектного положения, правильность установки
закладных деталей и проемообразователей. Результаты проверки установленной
опалубки регистрируются в «Журнале производства работ».
.1.5 Точность изготовления и установки опалубки, а также допустимая
прочность бетона при распалубливании должны соответствовать требованиям,
приведенным в таблице 7.1.
Таблица 7.1 - Требования, предъявляемые к опалубке (СП 70.13330.2011)
|
№ п/п
|
Технические требования
|
Предельные отклонения
|
Контроль (метод, объем, вид
регистрации)
|
|
1
|
2
|
3
|
4
|
|
1
|
Точность изготовления
опалубки:
|
|
|
|
инвентарной
|
По рабочим чертежам и
техническим условиям не ниже H14; h14; по ГОСТ
25346-89
<normacs://normacs.ru/4GC?dob=39569.000000&dol=41426.771875> и ГОСТ
25347-82*
<normacs://normacs.ru/6MU?dob=39569.000000&dol=41426.771875>; для
формообразующих элементов - h14Технический осмотр, регистрационный
|
|
|
2
|
Уровень дефектности
|
Не более 1,5 % при
нормальном уровне контроля
|
|
|
3
|
Точность установки
инвентарной опалубки в том числе:
|
по ГОСТ 25346-89
<normacs://normacs.ru/4GC?dob=39569.000000&dol=41426.771887> и ГОСТ
25347-82*
<normacs://normacs.ru/6MU?dob=39569.000000&dol=41426.771887>Измерительный,
всех элементов, журнал работ
|
|
|
- уникальных и специальных
сооружений
|
Определяется проектом
|
|
|
- малооборачиваемой и (или)
неинвентарной при возведении конструкций, к поверхности которых не
предъявляются требования точности
|
По согласованию с
заказчиком может быть ниже
|
|
|
- для конструкций, готовых
под окраску без шпатлевки
|
Перепады поверхностей, в
том числе стыковых, не более 2 мм
|
|
|
- для конструкций, готовых
под оклейку обоями
|
То же, не более 1 мм
|
|
|
4
|
Оборачиваемость опалубки
|
ГОСТ Р 52085-2003
<normacs://normacs.ru/1551?dob=39569.000000&dol=41426.771887>Регистрационный,
журнал работ
|
|
|
5
|
Прогиб собранной опалубки:
|
|
|
|
- перекрытий
|
1/500 пролета
|
Контролируется при
заводских испытаниях и на строительной площадке
|
|
- вертикальных поверхностей
|
1/400 пролета
|
|
|
6
|
Минимальная прочность
бетона монолитных незагруженных конструкций при распалубке поверхностей:
|
|
Измерительный по ГОСТ
10180-90
<normacs://normacs.ru/2CM?dob=39569.000000&dol=41426.771887>; ГОСТ
18105-86* <normacs://normacs.ru/2D8?dob=39569.000000&dol=41426.771887>,
журнал работ
|
|
- вертикальных из условия
сохранения формы
|
0,2 - 0,3 МПа
|
|
|
- горизонтальных и
наклонных при пролете:
|
|
|
|
до 6 м
|
70 % от проектной
|
|
|
свыше 6 м
|
80 % от проектной
|
|
|
7
|
Минимальная прочность
бетона при распалубке загруженных конструкций, в том числе от вышележащего
бетона (бетонной смеси)
|
Определяется ППР и
согласовывается с проектной организацией
|
То же
|
|
8
|
Отклонение горизонтальных
поверхностей на всю длину выверяемого участка
|
20 мм
|
Измерительный, не менее 5
измерений на каждые 50 - 100 м, журнал работ
|
.1.6 Операционный контроль осуществляют непосредственно в процессе
выполнения операций по устройству опалубки лестничного марша, а также сразу
после завершения работ. При операционном контроле следует проверять соблюдение
технологии устройства опалубки, соответствие выполняемых работ рабочим
чертежам, строительным нормам, правилам и стандартам. Результаты операционного
контроля должны фиксироваться в журнале работ.
.1.7 При оценке соответствия необходимо производить проверку качества
выполненных работ. Приемке подлежат законченные устройства элементов опалубки
лестничного марша, выполненные в соответствии с проектом, а именно: опалубка
лестничных площадок, ступеней, боковая опалубка, опорные стойки, крепеж. Приемка
производится с составлением акта на скрытые работы до установки арматуры и
укладки бетона.
.1.8 Состав производственного контроля качества опалубочных работ
приведен в таблице 7.2.
Таблица 7.2 - Состав производственного контроля качества
|
Вид контроля
|
Контролируемые операции
|
Контроль (метод, объем)
|
Документация
|
|
Входной
|
Проверить
|
|
|
|
- наличие документов о
качестве и исправности опалубки;
|
Визуальный
|
Паспорт (сертификат), общий
журнал работ
|
|
- качество подготовки и
отметки междуэтажных перекрытий;
|
То же
|
|
|
- наличие и состояние
крепежных элементов, средств подмащивания
|
Визуальный, измерительный
|
|
|
Операционный
|
Контролировать:
|
|
|
|
- соблюдение порядка сборки
элементов опалубки лестничного марша, установки крепежных элементов, средств
подмащивания, закладных элементов;
|
Технический осмотр
|
Общий журнал работ (журнал
бетонных работ)
|
|
- плотность сопряжения
листов фанеры между собой;
|
Измерительный, всех
элементов
|
|
|
- соблюдение геометрических
размеров и проектных наклонов плоскостей опалубки;
|
То же
|
|
|
- надежность крепления
балок и листов фанеры
|
Технический осмотр
|
|
|
Соответствия
|
Проверить:
|
|
|
|
- соответствие
геометрических размеров опалубки проектным;
|
Измерительный, всех
элементов
|
Общий журнал работ (журнал
бетонных работ) с оформлением акта на скрытые работы
|
|
- положение опалубки
относительно разбивочных осей в плане и по вертикалям, в т.ч. обозначение
проектных отметок верха бетонируемых плит лестницы;
|
Измерительный
|
|
|
- правильность установки и
надежного закрепления закладных деталей, а также всей системы в целом
|
Технический осмотр
|
|
.1.9 Для проведения контроля качества опалубочных работ следует применять
контрольно-измерительный инструмент: рулетку, отвес строительный, нивелир,
теодолит, линейку металлическую, соответствующим образом аттестованные и
поверенные установленным порядком.
7.2 Арматурные работы:
7.2.1 Контроль и оценку качества работ при устройстве арматурных
конструкций выполняют в соответствии с требованиями нормативных документов:
СП 70.13330.2011 «Несущие и ограждающие конструкции»;
СП 48.13330.2011 «Организация строительства»
.2.2. Контроль качества выполняемых работ должен осуществляться
специалистами или специальными службами, оснащенными техническими средствами,
обеспечивающими необходимую достоверность и полноту контроля и возлагается на
руководителя производственного подразделения (прораба, мастера), выполняющего
арматурные работы.
7.2.3.
Поступающая на строительную площадку металлопродукция (арматурная сталь,
закладные изделия, арматурные сетки и анкера) должна пройти входной контроль.
Данный контроль проводится с целью выявления отклонений от требований проекта и
соответствующих стандартов. Входной контроль металлопродукции осуществляется
путем проверки внешним осмотром и замерами, а также контрольными испытаниям в
случаях сомнений в правильности характеристик или отсутствии необходимых данных
в сертификатах и паспортах заводов-изготовителей. Каждая партия арматурной
стали должна быть снабжена сертификатом, в котором указываются наименование
завода-поставщика, дата и номер заказа, диаметр и марка стали, время и
результаты проведенных испытаний, масса партии, номер стандарта. Каждый пакет,
бухта <http://pandia.ru/text/category/buhta/> или пучок арматурной стали
должны иметь металлическую бирку завода-поставщика. В процессе приемки арматурных
изделий контролируют также наличие следов коррозии, деформаций, соответствие
размерам. При несоответствии данных сопроводительных документов и результатов
проведенных контрольных испытаний этим требованиям проекта партия арматурной
стали в производство не допускается.
Результаты
входного контроля оформляются Актом.
.2.4.
Операционный контроль осуществляется в ходе выполнения производственных
операций с целью обеспечения своевременного выявления дефектов и принятия мер
по их устранению и предупреждению. Контроль проводится под руководством
мастера, прораба.
.2.5
Контроль качества арматурных работ состоит в проверке:
правильность
изготовления и сборки сеток и каркасов;
качество
смонтированных арматурных сеток и каркасов;
соответствия
проекту видов марок и поперечного сечения арматуры;
соответствия
проекту арматурных изделий;
качества
сварных соединений.
.2.6
Качество производства работ обеспечивается выполнением требований к соблюдению
необходимой технологической последовательности при выполнении взаимосвязанных
работ и техническим контролем за ходом работ, изложенным в Проекте организации
строительства и Проекте производства работ, а также в Схеме операционного
контроля качества работ.
Таблица
7.3- Состав операций и средства контроля
|
Этапы работ
|
Контролируемые операции
|
Контроль (метод, объем)
|
Документация
|
|
Подготовительные работы
|
Проверить: - наличие
документа о качестве; - качество арматурных изделий, (при необходимости
провести требуемые замеры и отбор проб на испытания); - качество
подготовки и отметки несущего основания;- правильность установки и
закрепления опалубки.
|
Визуальный Визуальный,
измерительный То же Технический осмотр
|
Паспорт (сертификат), общий
журнал работ
|
|
Установка арматурных
изделий
|
Контролировать: - порядок
сборки элементов арматурного каркаса, качество выполнения сварки (вязки)
узлов каркаса; - точность установки арматурных изделий в плане и по высоте,
надежность их фиксации; - величину защитного слоя бетона.
|
Технический осмотр всех
элементов То же “
|
Общий журнал работ
|
|
Приемка выполненных работ
|
Проверить: - соответствие
положения установленных арматурных изделий проектному; - величину
защитного слоя бетона; - надежность фиксации арматурных изделий в опалубке; - качество
выполнения сварки (вязки) узлов каркаса.
|
Визуальный, измерительный
Измерительный Технический осмотр всех элементов То же
|
Акт освидетельствования
скрытых работ
|
|
Контрольно-измерительный
инструмент: отвес, рулетка металлическая, линейка металлическая
|
|
Операционный контроль
осуществляют: мастер (прораб). Приемочный контроль осуществляют: работники
службы качества, мастер (прораб), представители технадзора заказчика.
|
Технические требования СП 70.13330.2012 «Несущие и ограждающие
конструкции. Актуализированная редакция СНиП 3.03.01-87», табл. 9, ГОСТ
14098-91
Допускаемые отклонения:
) В расстоянии между отдельно установленными рабочими стержнями для: -
колонн и балок 10 мм;
плит и стен фундаментов 20 мм;
массивных конструкций 30 мм.
) В расстоянии между рядами арматуры для:
плит и балок толщиной до 1м 10 мм;
толщиной более 1м 20 мм.
) При армировании конструкций отдельными стержнями, установленными
внахлестку без сварки, длина нахлестки должна быть не менее:
для арматуры А-I 40d;
для арматуры А-II 40d;
для арматуры А-III 50d.
) При армировании конструкций сварными сетками и каркасами допускается
установка их без сварки путем перепуска на длину, указанную в проекте, но не
менее 250 мм.
) Суммарной длины сварных швов на стыке стержней внахлестку или на каждой
половине стыка с накладками:
для стержней класса А-I:
при двухсторонних швах 3 d;
при односторонних швах 6 d;
для стержней класса А-II и А-IV:
при двухсторонних швах 4 d;
при односторонних швах 8 d
От проекта толщины защитного слоя бетона в соответствии с таблицей 7.4.
Таблица 7.4- Допустимые отклонения толщины бетона
|
Технические параметры
|
Предельные отклонения, мм
|
|
Толщина защитного слоя до
15 мм и размеры поперечного сечения конструкции, мм: до 100; от 101 до 200
|
+4 +5
|
|
Толщина защитного слоя от
16 до 20 мм и размеры поперечного сечения конструкции, мм: до 100; от 101 до
200; от 201 до 300; свыше 300
|
+4; -3 +8; -3 +10; -3 +15;
-5
|
|
Толщина защитного слоя
свыше 20 мм и размеры поперечного сечения конструкции, мм: до 100; от 101 до
200; от 201 до 300; свыше 300
|
+4; -5 +8; -5 +10; -5 +15;
-5
|
.2.7 На арматурные работы необходимо составлять акты освидетельствования
скрытых работ.
7.3 Бетонные работы:
.3.1 На объекте ежесменно должен вестись журнал бетонных работ.
.3.2 Контроль качества выполнения бетонных работ предусматривает его
осуществление на следующих этапах:
- подготовительном.
бетонирования (приготовления, транспортировки и укладки бетонной смеси)
выдерживания бетона и распалубливания конструкций.
приемки бетонных и железобетонных конструкций или частей сооружений.
.3.4 На подготовительном этапе необходимо контролировать:
качество применяемых материалов для приготовления бетонной смеси и их
соответствие требованиям ГОСТ;
подготовленность бетоносмесительного, транспортного и вспомогательного
оборудования к производству бетонных работ;
правильность подбора состава бетонной смеси и назначение ее подвижности
(жесткости) в соответствии с указаниями проекта и условиями производства работ;
результаты испытаний контрольных образцов бетона при подборе состава
бетонной смеси.
.3.5 Состав бетонной смеси должен подбираться строительной лабораторией.
Состав, приготовление, транспортирование и укладка бетонной смеси, правила и
методы контроля ее качества должны соответствовать ГОСТ 7473-94 и требованиям
таблицы 7.5. Состав бетонной смеси в процессе работ должен корректироваться с
учетом изменяющихся характеристик исходных материалов (вяжущих, заполнителей).
Таблица 7.5- Требования качества бетонной смеси
|
Технические требования
|
Допускаемые отклонения
|
Контроль (метод, объем, вид
регистрации)
|
|
1
|
2
|
3
|
|
1. Число фракций крупного
заполнителя при крупности зерен, мм: до 40; св.40
|
Не менее двух Не менее трех
|
Измерительный, по ГОСТ
10260-82, журнал работ
|
|
2. Наибольшая крупность
заполнителей: для железобетонных конструкций; для плит; для тонкостенных
конструкций; при перекачивании бетононасосом; в том числе зерен наибольшего
размера лещадной и игловатой форм
|
Не более 2/3 наименьшего
расстояния между стержнями арматуры Не более 1/2 толщины плит Не более
1/3-1/2 толщины изделия Не более 0,33 внутреннего диаметра трубопровода Не
более 15% по массе
|
То же
|
|
3. При перекачивании по
бетоноводам содержание песка крупностью менее, мм 0,14 0,3
|
5-7% 15-20%
|
Измерительный, по ГОСТ
8736-93
|
.3.6 Транспортирование бетонной смеси необходимо осуществлять
специализированными средствами, предусмотренными ППР.
Принятый способ транспортирования бетонной смеси должен:
исключить попадание атмосферных осадков и прямое воздействие солнечных
лучей;
исключить расслоение и нарушение однородности;
не допустить потерю цементного молока или раствора.
.3.7 Максимальная продолжительность транспортирования бетонной смеси
должна устанавливаться строительной лабораторией с условием обеспечения
сохранности требуемого качества смеси в пути и на месте ее укладки.
.3.8 Перед укладкой бетонной смеси должны быть проверены основания
(грунтовые или искусственные), правильность установки опалубки, арматурных
конструкций и закладных деталей. Бетонные основания и рабочие швы в бетоне
должны быть тщательно очищены от цементной пленки без повреждения бетона,
опалубка - от мусора и грязи, арматура - от налета ржавчины. Внутренняя
поверхность инвентарной опалубки должна быть покрыта специальной смазкой, не
ухудшающей внешний вид и прочностные качества конструкций.
.3.9 В процессе укладки бетонной смеси необходимо контролировать:
состояние лесов, опалубки, положение арматуры;
качество укладываемой смеси;
соблюдение правил выгрузки и распределения бетонной смеси;
толщину укладываемых слоев;
режим уплотнения бетонной смеси.
соблюдение установленного порядка бетонирования и правил устройства
рабочих швов;
своевременность и правильность отбора проб для изготовления контрольных
образцов бетона.
Результаты контроля необходимо фиксировать в журнале бетонных работ.
.3.10 Контроль качества укладываемой бетонной смеси должен осуществляться
путем проверки ее подвижности (жесткости):
у места приготовления - не реже двух раз в смену в условиях
установившейся погоды и постоянной влажности заполнителей;
у места укладки - не реже двух раз в смену.
.3.11 Подачу и распределение бетонной смеси необходимо осуществлять в
соответствии с ППР (желобами, хоботами, виброхоботами, бадьями, ленточными
конвейерами, бетононасосами и др.). При подаче бетонной смеси любым способом
необходимо исключить расслоение и утечку цементного молока.
.3.12 Бетонная смесь должна укладываться в конструкции горизонтальными
слоями одинаковой толщины, без разрыва, с последовательным направлением укладки
в одну сторону во всех слоях. Толщина укладываемого слоя должна быть
установлена в зависимости от степени армирования конструкции и применяемых
средств уплотнения.
.3.13 При уплотнении бетонной смеси не допускается опирание вибраторов на
арматуру и закладные изделия, тяжи и другие элементы крепления опалубки.
Глубина погружения глубинного вибратора в бетонную смесь должна обеспечивать
углубление его в ранее уложенный слой на 5-10 см. Шаг перестановки глубинных
вибраторов не должен превышать полуторного радиуса их действия. Шаг
перестановки поверхностных вибраторов должен обеспечивать перекрытие на 100 мм
площадкой вибратора границы уже провибрированного участка.
.3.14. Укладка следующего слоя бетонной смеси допускается до начала
схватывания бетона предыдущего слоя. Продолжительность перерыва между укладкой
смежных слоев бетонной смеси без образования рабочего шва устанавливается
строительной лабораторией. Верхний уровень уложенной бетонной смеси должен быть
на 50-70 мм ниже верха щитов опалубки.
.3.15 Поверхность рабочих швов, устраиваемых при укладке бетонной смеси с
перерывами, должна быть перпендикулярна к оси бетонируемых колонн и балок, к
поверхности плит и стен. Возобновление бетонирования допускается производить по
достижении бетоном прочности не менее 1,5 МПа.
Рабочие швы по согласованию с проектной организацией допускается
устраивать при бетонировании:
колонн - на отметке верха фундамента, низа прогонов, балок и подкрановых
консолей, верха подкрановых балок, низа капителей колонн;
балок больших размеров, монолитно соединенных с плитами - на 20-30 мм
ниже отметки нижней поверхности плиты, а при наличии в плите вутов - на отметке
низа вута плиты;
плоских плит - в любом месте, параллельном меньшей стороне плиты;
ребристых перекрытий - в направлении, параллельном второстепенным балкам;
отдельных балок - в пределах средней трети пролета балок, в направлении,
параллельном главным балкам (прогонам) в пределах двух средних четвертей
пролета прогонов и плит;
массивов, арок, сводов, резервуаров, бункеров, гидротехнических
сооружений, мостов и других сложных инженерных сооружений и конструкций - в
местах, указанных в проектах.
.3.16 При укладке и уплотнении бетонной смеси необходимо соблюдать
требования таблицы 7.6.
Таблица 7.6- Требования по укладке бетона
|
Технические требования
|
Допускаемые отклонения
|
Контроль (метод, объем, вид
регистрации)
|
|
1
|
2
|
|
1. Прочность поверхностей
бетонных оснований при очистке от цементной пленки, МПа, не менее: водной и
воздушной струей; механический металлической щеткой; гидропескоструйной или
механической фрезой
|
0,3 1.5 5,0
|
Измерительный, по ГОСТ
10180-90, ГОСТ 18105-86, ГОСТ 22690-90, журнал работ
|
|
2. Высота свободного
сбрасывания
|
|
Измерительный,
|
|
бетонной смеси в опалубку
конструкций, м, не более: колонн; перекрытий; стен; неармированных
конструкций; слабоармированных подземных конструкций в сухих и связных
грунтах; густоармированных
|
5,0 1,0 4,5 6,0 4,5 3,0
|
2 раза в смену, журнал
работ
|
|
3. Толщина укладываемых
слоев бетонной смеси: при уплотнении смеси тяжелыми подвесными вертикально
расположенными вибраторами; при уплотнении смеси подвесными вибраторами,
расположенными под углом (до 30%) к вертикали;
|
На 5-10 см меньше длины
рабочей части вибратора Не более вертикальной проекции длины рабочей части
вибратора
|
Измерительный, 2 раза в
смену, журнал работ
|
|
при уплотнении смеси
ручными глубинными вибраторами; при уплотнении смеси поверхностными
вибраторами в конструкциях: неармированных; с одиночной арматурой; с
двойной арматурой
|
Не более 1,25 длины рабочей
части вибратора 40 25 12
|
|
.3.17 Состав мероприятий на этапе выдерживания бетона, уход за ним и
последовательность распалубливания конструкций устанавливается ППР с
соблюдением следующих требований:
поддержания температурно-влажностного режима, обеспечивающего нарастание
прочности бетона заданными темпами;
предотвращения значительных температурно-усадочных деформаций и
образования трещин;
предохранения твердеющего бетона от ударов и других механических
воздействий;
предохранения в начальный период твердения бетона от попадания
атмосферных осадков или потери влаги.
.3.18 Движение людей по забетонированным конструкциям и установка на них
опалубки вышележащих конструкций допускается после достижения бетоном прочности
не менее 1,5 МПа.
.3.19 Распалубливание забетонированных конструкций допускается при
достижении бетоном прочности не менее 70%
.3.20 Обнаруженные после распалубливания дефектные участки поверхности
(гравелистые поверхности, раковины) необходимо расчистить, промыть водой под
напором и затереть (заделать) цементным раствором состава 1:2-1:3.
.3.21 Контроль качества бетона предусматривает проверку соответствия
фактической прочности бетона в конструкции проектной и заданной в сроки
промежуточного контроля, а также морозостойкости и водонепроницаемости
требованиям проекта.
.3.22 При проверке прочности бетона обязательными являются испытания
контрольных образцов бетона на сжатие.
Контрольные образцы должны изготовляться из проб бетонной смеси,
отбираемых на месте ее приготовления и непосредственно на месте бетонирования
конструкций (для испытания на прочность). На месте бетонирования должно
отбираться не менее двух проб в сутки при непрерывном бетонировании для каждого
состава бетона и для каждой группы бетонируемых конструкций. Из каждой пробы
должны изготовляться по одной серии контрольных образцов (не менее трех
образцов).
Испытание бетона на водонепроницаемость, морозостойкость следует
производить по пробам бетонной смеси, отобранным на месте приготовления, а в
дальнейшем - не реже одного раза в 3 месяца и при изменении состава бетона или
характеристик используемых материалов.
.3.23 Результаты контроля качества бетона должны отражаться в журнале и
актах приемки работ. Должны быть представлены документы (накладные,
сертификаты, акты на скрытые работы и др.), подтверждающие качество примененных
материалов, изделий и полуфабрикатов.
.3.24 Приeмку законченных бетонных и железобетонных конструкций или
частей сооружений следует оформлять актом освидетельствования скрытых работ или
актом на приeмку ответственных конструкций.
8. Охрана
труда на строительной площадке
8.1
При производстве всех видов работ необходимо строго соблюдать требованиям СНиП
12-03-2001 <normacs://normacs.ru/7AO?dob=39569.000000&dol=41426.772130>
«Безопасность труда в строительстве. Часть 1. Общие положения», СНиП 12-04-2002
<normacs://normacs.ru/9B5?dob=39569.000000&dol=41426.772130>
«Безопасность труда в строительстве. Часть 2. Строительное производство» и
государственных стандартов ССБТ.
.2
Все рабочие, выполняющие опалубочные работы, должны иметь удостоверение на
право производства данного вида работ, а также пройти инструктаж по
безопасности труда в соответствии с требованиями ГОСТ 12.0.004-90 <normacs://normacs.ru/3EE?dob=39569.000000&dol=41426.772141>
«ССБТ. Организация обучения безопасности труда. Общие положения».
.3
При монтаже опорных стоек, продольных и поперечных балок особое внимание
обратить на их устойчивость и надежное закрепление их опорных вилок.
.4
Элементы монтируемой опалубки во время перемещения должны удерживаться от
раскачивания и вращения гибкими оттяжками.
.5
Устанавливать щиты или панели опалубки следует с соблюдением следующих правил:
устанавливаемые
панели должны быть надежно скреплены;
освобождать
щит или панели опалубки от крюка крана разрешается после их надежного
закрепления.
.6
Приготовление и нанесение смазок на палубу опалубки необходимо производить с
обязательным соблюдением всех условий санитарии и требований безопасности.
.7
При установке опалубки в несколько ярусов каждый последующий ярус следует
устанавливать только после закрепления нижнего яруса.
.8
Ответственность за пожарную безопасность на строительной площадке, за
соблюдение противопожарных требований, своевременное выполнение противопожарных
мероприятий и исправное содержание средств пожаротушения, несет начальник
строительного участка.
.9
К разборке опалубки можно приступать только после достижения бетоном заданной
прочности с разрешения производителя работ.
.10
При производстве опалубочных работ запрещается:
размещать
на опалубке оборудование и материалы, не предусмотренные проектом производства
работ, а также пребывание людей, непосредственно не участвующих в производстве
работ, на настиле опалубки;
работать
неисправным инструментом и на неисправном оборудовании;
ходить
по смазанной поверхности форм;
складывать
на подмостях или на рабочем настиле разбираемые элементы опалубки, а также
сбрасывать их;
работать
с приставных лестниц;
загромождать
проходы и доступы к противопожарному инвентарю, огнетушителям и гидрантам;
курить
в местах, специально не отведенных для курения;
разводить
огонь на опалубке или устанавливать нагревательные электроприборы, которые не
предусмотрены проектом производства работ;
скопление
людей на рабочем полу опалубки;
допуск
посторонних лиц на строящийся объект;
одновременное
производство работ в двух и более ярусах по одной вертикали без защитных
устройств (настилов, навесов);
производить
работы на опалубке во время грозы или при силе ветра более шести баллов.
.11
Ежедневно перед началом укладке бетона в опалубку необходимо проверять
состояние тары, опалубки и средств подмащивания. Обнаруженные неисправности
следует незамедлительно устранять.
.12
Перед началом укладки бетонной смеси виброхоботом необходимо проверять
исправность и надeжность закрепления всех звеньев виброхобота между собой и к
страховочному канату.
.13
Поворотные бункера (бадьи) для бетонной смеси должны удовлетворять ГОСТ
21807-76.
.14
Перемещение загруженного или порожнего бункера разрешается только при закрытом
затворе.
.15
При укладке бетона из бадей или бункера расстояние между нижней кромкой бадьи
или бункера и ранее уложенным бетоном или поверхностью, на которую укладывают
бетон, должно быть не более 1 м, если иные расстояния не предусмотрены проектом
производства работ.
.16
Открывание бункера выполняет бетонщик после остановки стрелы крана и находясь
не под бункером и стрелой крана. Разгрузка тары на весу должна производится
равномерно в течение не менее 5 секунд.
.17
Мгновенная разгрузка тары на весу запрещается.
.18
Рабочие, укладывающие бетонную смесь на поверхности, имеющие уклон более 20,
должны пользоваться предохранительными поясами.
.19
При уплотнении бетонной смеси электровибраторами перемещать вибратор за токоведущие
шланги не допускается, а при перерывах в работе и при переходе с одного места
на другое электровибраторы необходимо выключать.
.20
Особые условия обеспечения безопасного производства работ при паро -,
электропрогреве, использование химических добавок и др. должны решаться в
составе ППР.
.21
Запрещается переход бетонщиков по незакреплeнным в проектное положение
конструкциями средствам подмащивания, не имеющим ограждения или страховочного
каната.
.22
Запрещается опирать вибратор на арматуру.
.23
Приказом по строительному управлению назначить ответственного из числа ИТР за
охрану труда и выдачу наряд-допуска и пожарную безопасность.
.24
Все лица, находящиеся на строительстве, обязаны носить защитные каски.
.25
При производстве работ необходимо руководствоваться СП 12-135-2003
<normacs://normacs.ru/A02?dob=39569.000000&dol=41426.772141>
«Безопасность труда в строительстве. Отраслевые типовые инструкции по охране
труда».
.26
Рабочие, занятые на работах с электроинструментом, должны быть аттестованы на II
группу по электробезопасности.
.27
Строповку грузов краном производить аттестованными стропальщиками.
.28
На всех рабочих местах должны находиться щиты со схемами строповок.
Нормативная литература
1. СП 48.13330.2011 Организация
строительства. Актуализированная редакция СНиП 12-01-2004. Минрегион РФ.
-М.,2010 г. - 14с.
. СНиП
12-03-2001. Безопасность труда в строительстве. Ч. 1. Общие требования : введ.
в действие 2001-09-01 / Госстрой России. - М. : Книга-Сервис, 2003. - 64 с.
. СНиП
12-04-2002. Безопасность труда в строительстве. Ч. 2. Строительное производство
: введ. в действие 2003-01-01 / Госстрой России. - М. : Книга-Сервис, 2003. -
48 с.
. СНиП
3.03.01-87 Несущие и ограждающие конструкции.
. СНиП
5.02.02-86. Нормы потребности в строительном инструменте
. ГОСТ
12.0.004-90 ССБТ. Организация обучения безопасности труда. Общие положения.
. ГОСТ
12.3.002-75* ССБТ. Процессы производственные. Общие требования безопасности.
. ГОСТ
12.4.010-75* ССБТ. Средства индивидуальной защиты. Рукавицы специальные. Технические
условия.
. ГОСТ
12.4.011-89 ССБТ. Средства защиты работающих. Общие требования и классификация.
. ГОСТ Р
12.4.026-2001 ССБТ. Цвета сигнальные, знаки безопасности и разметка сигнальная.
Назначение и правила применения. Общие технические требования и характеристики.
Методы испытаний.
. ГОСТ
12.4.087-84 ССБТ. Строительство. Каски строительные. Технические условия.
. ГОСТ
5547-93 Плоскогубцы комбинированные. Технические условия.
. ГОСТ
5781-82* Сталь горячекатаная для армирования железобетонных конструкций.
Технические условия.
. ГОСТ
7211-86* Зубила слесарные. Технические условия.
. ГОСТ
7502-98 Рулетки измерительные металлические. Технические условия.
. ГОСТ
7948-80 Отвесы стальные строительные. Технические условия.
. ГОСТ
9416-83 Уровни строительные. Технические условия.
. ГОСТ
11042-90 Молотки слесарные стальные. Технические условия.
. ГОСТ
25573-82* Стропы грузовые канатные для строительства. Технические условия.
. ГОСТ Р
52085-2003 Опалубка. Общие технические условия.
. ПБ
10-382-00 Правила устройства и безопасной эксплуатации грузоподъемных кранов.
Госгортехнадзор России, М., 2000.
. ППБ 01-03
Правила пожарной безопасности в Российской Федерации. МЧС России, М., 2003.
. ЕНиР.
Единые нормы и расценки на строительные, монтажные и ремонтно-строительные
работы. Сборник 4. Монтаж сборных и устройство монолитных железобетонных
конструкций. Выпуск 1. Здания и промышленные сооружения.
СП
12-135-2003 «Безопасность труда в строительстве. Отраслевые типовые инструкции
по охране труда».
. Сравнение
вариантов механизации строительных процессов по технико-экономическим
показателям: методические указания / Л.А. Немчикова. - Новосибирск: НГАСУ
(Сибстрин), 2011. - 16с.