|
Вид нагрузки
|
Нормативная нагрузка, Коэффициент надёжности
по нагрузке γf
|
Расчётная нагрузка,
|
|
|
Постоянная:
|
|
|
|
|
ребристая плита
|
2,5
|
1,1
|
2,75
|
|
Устройство пола:
|
|
|
|
|
деревянные лаги сечением 50×80
мм (ρ = 500 кг/м3)
|
0,022
|
1,2
|
0,0264
|
|
утеплитель: керамзит δ = 60
мм (ρ = 800 кг/м3)
|
0,48
|
1,3
|
0,624
|
|
дощатый настил δ = 25
мм (ρ = 500 кг/м3)
|
0,125
|
1,2
|
0,15
|
|
Итого от пола:
|
0,627
|
|
0,8
|
|
Общая постоянная нагрузка:
|
3,127
|
|
3,55
|
|
Временная В
том числе: длительная кратковременная
|
8 5,6 2,4
|
1,2
|
9,6 6,72 2,88
|
|
Полная нагрузка В
том числе постоянная (3,127) и длительная (5,6) кратковременная
|
11,127 8,727 2,4
|
-
|
13,15 - -
|
Расчёт
полки на местный изгиб
Полка опирается на два
продольных и четыре поперечных ребра. Пролёты полки (Рис. 4) в свету равны:
между продольными рёбрами
,
между поперечными рёбрами
.
Так как отношение
то
каждый пролёт полки представляет собой плиту, защемлённую по всему контуру.
Расчётная схема полки
Расчётную нагрузку, кН
на 1 м2 полки, с учётом её веса при толщине
определяем
в соответствии с табл. 1.
Постоянная
расчётная нагрузка:
, где
- расчётная нагрузка от
конструкции пола (табл. 1);
- объёмный вес 1м3
бетона;
- коэффициент
надёжности по нагрузки для ребристой плиты.
Временная:
Полная расчётная
нагрузка:
Изгибающие моменты
определяем с учётом перераспределения усилий вследствие пластических деформаций
бетона и арматуры. При малой разнице пролётов полки и одинаковом армировании
всех её участков пролётные и опорные моменты в обоих направлениях можно принять
равными. Тогда изгибающие моменты при равномерно распределённой нагрузке на
полку:
Полку рассчитываем как
сечение прямоугольной формы с одиночной арматурой:
Рабочая высота полки в
направлении
при
арматуре диаметром 4 мм:
, где
- расстояние от нижней
грани полки до центра тяжести арматуры.
Характеристика сжатой
зоны бетона:
, где
- для тяжёлого бетона.
Коэффициент условия
работы бетона:
Предельное напряжение в
арматуре сжатой зоны при
:
Граничное значение
высоты сжатой зоны:
, где
Относительная высота
сжатой зоны:
Коэффициент:
Площадь сечения
арматуры:
Принимаем арматуру Ø
4 мм Вр-I с шагом 200 мм.
Коэффициент армирования:
Рабочая высота полки в
направлении
при
арматуре диаметром 4 мм:
Коэффициент:
Площадь сечения
арматуры:
Принимаем арматуру Ø
4 мм Вр-I
с шагом 200 мм.
Коэффициент армирования:
Для армирования полки
принимаем сварные сетки
,
раскатываемые понизу полки между продольными рёбрами с подъёмом над поперечными
рёбрами.
Вдоль крайних продольных
рёбер укладываем сетки С2 и заводим в полку на длину не менее 35d (где d - диаметр рабочих
стержней), то есть
,
но не менее размера ячейки сетки (200 мм). Принимаем ширину сетки С3 кратной
размеру ячейки, то есть 600 мм.
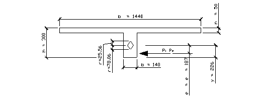
Расчёт поперечных рёбер
В плите имеются крайние
поперечные рёбра, опорами для которых являются продольные рёбра. Расчётная
статическая схема (Рис. 5) поперечных рёбер - балка на двух опорах.
Расчётная схема
поперечного ребра
Определяем расчётный
пролёт, нагрузки и усилия.
Расчётный пролёт между
осями опор:
Нагрузку на поперечные
рёбра (Рис. 5) определяем с площади, очерченной диагоналями смежных квадратов
полки. Расчётная схема показана на рис. 6
Сбор нагрузки на
поперечное ребро
Расчётная равномерно
распределённая нагрузка, кН на 1 м второго ребра:
Постоянная от его веса:
то же от веса полки,
деревянных лаг, утеплителя и дощатого настила при расстоянии между средними
поперечными рёбрами 1,52 м и крайними 1,53 м (см табл. 1):
итого постоянная
временная
полная
Усилия от расчётных
постоянной и временной нагрузок. Изгибающие моменты
находим с учётом перераспределения усилий вследствие пластических деформаций.
Расчёт прочности
нормальных сечений поперечного ребра.
При расчёте поперечного
ребра на изгибающий момент М1 учитываем совместную его работу с
участком полки толщиной
в
сжатой зоне.
При
,
согласно рекомендациям СНиП 2.02.01-84, расчётная ширина полки таврового
сечения принимаем равной не более 1/6 пролёта элемента в каждую сторону от
ребра, и не более половины расстояния в свету между продольными рёбрами, то
есть
Принимаем
Рабочая высота ребра при
арматуре диаметром до 10 мм
, где 15 мм - защитный
слой бетона
Характеристика сжатой
зоны бетона:
, где
- для тяжёлого бетона.
Коэффициент условия
работы бетона:
Предельное напряжение в
арматуре сжатой зоны при
:
Граничное значение
высоты сжатой зоны:
, где
Проверяем условие:
Следовательно, граница
сжатой зоны расположена в полке и расчёт производим как для прямоугольного
сечения шириной
.
Коэффициент:
Площадь сечения
арматуры:
Принимаем в нижней зоне
ребра 1 Ø 10 мм А-III.
Коэффициент армирования
при
:
При расчёте поперечного
ребра на изгибающий момент MB
полка находится в растянутой зоне и её в расчёте не учитываем. Расчёт ведём как
для прямоугольного сечения шириной
Рабочая высота ребра при
арматуре диаметром до 10 мм
,
где 10 мм - защитный
слой бетона; 4 мм - диаметр проволоки сеток полки; 10/2 - половина диаметра
продольного стержня.
Коэффициент:
Площадь сечения
арматуры:
Принимаем в верней зоне
ребра 1 Ø 10 А-III.
Коэффициент армирования:
Геометрические
характеристики приведённого сечения
Сечение плиты приводим к
эквивалентному тавровому (Рис. 7) с размерами:
Площадь сечения бетона:
Площадь продольной
арматуры:
Приведенное сечение
плиты
. Так как
,
то геометрические характеристики сечения определяем без учёта продольной
арматуры.
Статический момент
площади приведенного сечения относительно нижней грани плиты:
Расстояние от центра тяжести
приведенного сечения до нижней грани:
Момент инерции
приведенного сечения относительно его центра тяжести:
Момент сопротивления
приведенного сечения для крайнего нижнего волокна:
, где
и
-
для таврового сечения с полкой в сжатой и растянутой зонах соответственно.
Расстояние от ядровой
точки, наиболее удалённой от растянутой зоны (верхней), до центра тяжести
приведенного сечения:
Отношение напряжения в
бетоне от нормативных нагрузок и усилия обжатия к расчётному сопротивлению
бетона для предельных состояний второй группы предварительно принимаем 0,75
Определение потерь
предварительного напряжения
Проверяем принятое
предварительное напряжение арматуры
с учётом допустимых
отклонений р при коэффициенте
.
- см. расчёт прочности
нормальных сечений продольных рёбер;
Таким образом,
напряжение
находится
в допустимых пределах.
Первые потери:
От релаксации напряжений
стержневой арматуры при электротермическом способе натяжения:
От температурного
перепада при агрегатно-поточной технологии изготовления плит:
так как арматура и форма
нагреваются одновременно, то перепада температуры нет.
От деформации анкеров:
так как при
электротермическом способе натяжения потери от деформации анкеров учтены при
определении полного удлинения арматуры.
От трения арматуры об
огибающие приспособления:
так как арматура
прямолинейная и натягивается до бетонирования.
От деформации стальной
формы:
так как при
электротермическом способе натяжения эти потери учтены при определении полного
удлинения арматуры.
Для вычисления потерь от
быстронатекающей ползучести бетона
определяем:
Усилие предварительного
обжатия:
Эксцентриситет
приложения усилия Р относительно центра тяжести приведенного сечения:
Принимаем
Сжимающее напряжение в
бетоне на уровне центра тяжести арматуры
при
При вычислении значения
напряжениями
от веса плиты пренебрегаем, так как они уменьшают напряжения.
Первые потери:
Вторые потери:
От усадки бетона,
подвергнутого тепловой обработке при атмосферном давлении:
Для определения потерь
от ползучести бетона
уточняем
сжимающие напряжение за счёт учёта изгибающего момента от веса плиты
и
усилия предварительного обжатия
с учётом потерь
при
:
Потери от ползучести
бетона
Вторые потери:
Суммарные потери:
Принимаем
Усилие обжатия с учётом
полных потерь:
Расчёт продольных рёбер
К определению расчётного
пролёта продольного ребра
В плите имеются два крайних
продольных ребра (Рис. 8), которыми плита свободно опирается на полки ригелей.
Расчётная схема представлена на рис. 9.
Определяем расчётный
пролёт продольных рёбер плиты между осями опор при расстоянии между ригелями
,
ширине их поверху
,
зазоре между ригелем и панелью
и опирании её на полку
ригеля
:
Нагрузка на продольные
рёбра, приходящаяся с ширины плиты
:
Расчётная схема
продольного ребра
Вычисляем изгибающий
момент и поперечную силу, действующую на продольные рёбра:
Расчёт прочности
нормальных сечений. Поперечное сечение плиты приводим к тавровой форме. Согласно
пункту 3.16 СНиП 2.03.01-84* «Бетонные и железобетонные конструкции» в расчёте
учитываем всю ширину полки:
Рабочая высота сечения:
, где
30 мм - защитный слой
бетона для напрягаемой арматуры;
мм - диаметр напрягаемой
арматуры при её однорядном расположении.
Коэффициент
Для вычисления
напряжения
рассчитываем:
напряжение р,
которое при электротермическом способе натяжения и коэффициенте
определяется
по формуле:
, где
- длина напрягаемого
стержня.
Коэффициент
. где
- принятое количество
стержней напрягаемой арматуры, по одному в каждом ребре;
поскольку
-
минимально допускаемого значения (по СНиП), то принимаем
.
Предварительное
напряжение в напрягаемой арматуре до обжатия бетона при коэффициенте точности
натяжения
Так как потери
предварительного напряжения арматуры от деформации анкеров
и
форм
при
электротермическом способе натяжения в расчёте не учитывается, принимаем
и
.
Напряжение
Принимаем
Напряжение
Напряжение
Следовательно,
напряжение
Граничная высота сжатой
зоны бетона:
Проверяем условие:
Так как условие удовлетворяется,
то нейтральная ось находится в полке и расчётным является сечение
прямоугольного профиля шириной
Величина
Условие
удовлетворяется.
Коэффициент условия
работы:
где
-
для арматуры класса А-IV
Так как
,
принимаем
Требуемая площадь продольной
арматуры:
Принимаем арматуру из 2
стержней диаметром Ø18 класса А-IV,
Напрягаемая арматура
размещается в один ряд по одному стержню в крайних рёбрах.
Коэффициент армирования:
Расчёт прочности
наклонных сечений продольных рёбер из условия Q
= 44,29 kH
Вычисляем проекцию
расчетного наклонного сечения на продольную ось с.
, где
- для тяжёлого бетона;
, где
, где значение
коэффициента
, здесь
Принимаем
к
= 1,5
Величина
Длина проекции наиболее
опасного сечения на продольную ось:
, где
для тяжёлого бетона
Граничное значение
проекции наклонного сечения
Усилие в поперечных
стержнях на единицу длины элемента
Шаг поперечных стержней:
, где
- число поперечных
стержней, по одному в продольном ребре.
Максимально допустимый
шаг поперечных стержней:

Окончательно принимаем
шаг поперечной арматуры класса Вр-I
Ø 5 мм равным 150 мм.
Расчёт по второй группе
предельных состояний
Расчёт производим для
выяснения необходимости проверки по раскрытию трещин. При этом, для ребристой
плиты к которой предъявляются требования 3-й категории по трещиностойкости,
принимаем значение коэффициента надёжности по нагрузке
.
Вычислим максимальный
изгибающий момент, действующий в сечении плиты от полной нормативной нагрузки:
Вычисляем момент
образования трещин по приближённому способу ядровых моментов по формуле:
. где
Поскольку
,
то трещины в растянутой зоне не образуются. Следовательно, расчёт по раскрытию
трещин не производим.
Проверим, образуются ли
начальные трещины в верхней зоне плиты при её обжатии. Изгибающий момент от
веса плиты М = 8,62 кНм.
Расчётное условие
- условие выполняется,
начальные трещины не образуются, здесь
- сопротивление бетона
растяжению, соответствующее передаточной прочности бетона
.
Расчёт прогиба плиты
Прогиб плиты определяем
от нормативного значения постоянной и временной длительной нагрузок, предельный
прогиб
.
Вычисляем параметры, необходимые для определения прогиба плиты.
Кривизна плиты:
, где
- кривизна
соответственно от кратковременных и от постоянных и длительных временных
нагрузок, определяемая по формулам:
, где
- момент от кратковременной
нагрузки;
- коэффициент,
учитывающий влияние кратковременной ползучести бетона;
, где
- момент от постоянной
и длительной временной нагрузок;
- коэффициент,
учитывающий влияние длительной ползучести бетона
- кривизна,
обусловленная выгибом элемента от кратковременного действия усилия
предварительного обжатия.
, где
- усилие
предварительного обжатия с учётом всех потерь (см. определение потерь
предварительного напряжения);
- эксцентриситет
приложения усилия предварительного обжатия, относительно центра тяжести
приведенного сечения.
- кривизна,
обусловленная выгибом элемента вследствие усадки и ползучести бетона от усилия
предварительного обжатия.
Вследствие малого
значения
учитываем
только первые три слагаемых:
Определяем прогиб плиты:
Определённый прогиб
плиты меньше допустимого.
Окончательная схема
армирования ребристой плиты перекрытия показана на рис. 10
3. Определение
усилий в элементах поперечной рамы здания
Расчётная схема и
нагрузки. Поперечная многоэтажная рама имеет регулярную расчётную схему с
равными пролётами ригелей и равными длинами стоек (высотами этажей). Сечение
ригелей и стоек по этажам принимаем постоянными. Для расчёта на вертикальную
нагрузку расчленяем многоэтажную раму на одноэтажные рамы с нулевыми точками
моментов - шарнирами, расположенными по концам стоек, - в середине длины стоек
всех этажей, кроме первого. Расчётная схема рассчитываемой рамы средних этажей
изображена на рис. 11а.
Нагрузку на ригель от
ребристых плит считаем равномерно распределённой. Ширина грузовой полосы на
ригель равна шагу поперечных рам - В = 4,8 м. Подсчёт нагрузок на 1 м2
перекрытия приведён в табл. 1.
Принимаем сечение ригеля
0,4×0,6 м (ρ = 2500 кг/см3).
Вычисляем расчётную
нагрузку на 1 м длины ригеля.
Постоянная:
от перекрытия и собственного веса ригеля:
Временная:
Полная нагрузка:
Вычисление изгибающих
моментов в расчётных сечениях ригеля. Опорные моменты
вычисляем по таблице для ригелей, соединённых с колоннами на средних и крайних
опорах жёстко, по формуле
.
Табличные коэффициенты
и
зависят
от схем загружения ригеля и коэффициента k
- отношения погонных жёсткостей ригеля и колонны. Сечение ригеля принято 0,4×0,6
м, сечение колонны - 0,4×0,4 м, длина колонны
.
Вычисляем
Вычисление опорных
моментов ригеля от постоянной нагрузки и различных схем загружения временной
нагрузкой приведено в табл. 2.
Пролётные моменты
ригеля:
) в крайнем пролёте для
схемы загружения:
1 + 2:
+ 3:
+ 4:
2) в среднем пролёте для
схемы загружения:
1 + 2:
+ 3:
+ 4:
Перераспределение
моментов под влиянием образования пластических шарниров в ригеле.
К эпюре моментов схемы
загружения 1+4 (Рис. 11б) добавляем выравнивающую эпюру моментов так, чтобы
уравнялись опорные моменты (Рис. 11в). Ординаты выравнивающей эпюры моментов:
Опорные моменты ригеля
по гране колонны.
Опорный момент ригеля по
грани средней колонны:
Опорный момент ригеля по
грани крайней колонны:
Поперечные силы ригеля.
Для расчёта прочности сечениям, наклонными к продольной оси, принимаем значения
поперечных сил ригеля, большие из двух расчётов: упругого расчёта и с учётом
перераспределения моментов.
Для схемы загружения
1+2:
Для схемы
загружения 1+3:
Для схемы
загружения 1+4:
4. Расчёт и конструирование
сборного неразрезного ригеля
Расчёт сечения ригеля по
сечениям, нормальным к продольной оси
Характеристики прочности
бетона и арматуры. Бетон тяжёлый класса В20, расчётное сопротивление при сжатии
,
при растяжении
;
коэффициент работы бетона
;
модуль упругости
.
Арматура продольная
рабочая класса А-III, расчётное
сопротивление
,
модуль упругости
Определение высоты
сечения ригеля.
Высоту сечения подбираем
по опорному моменту при
,
поскольку на опоре момент определён с учётом образования пластического шарнира.
При
находим
значение
и
определяем граничную высоту сжатой зоны:
, где
Вычисляем:
. Принимаем
.
Проверку принятого
сечения по пролётному моменту не производим, так как
.
Производим подбор сечений арматуры в расчётных сечениях ригеля:
Сечение в первом
пролёте:
;
,
вычисляем
;
Принимаем 4 Ø
16 А-III с
Арматуру для восприятия
отрицательного момента в пролёте устанавливаем по эпюре моментов, принимаем 2 Ø
16 А-III с
Сечение в среднем
пролёте:
;
,
вычисляем
;
Принимаем 4 Ø
16 А-III с
Арматуру для восприятия
отрицательного момента в пролёте устанавливаем по эпюре моментов, принимаем 2
Ø 16 А-III с
Сечение на средней
опоре:
; арматура расположена в
один ряд
,
вычисляем
;
Принимаем 2
Ø 25 А-III с
Сечение на крайней
опоре:
; арматура расположена в
один ряд
,
вычисляем
;
Принимаем 2 Ø
20 А-III с
Расчёт прочности ригеля
по сечениям, наклонным к продольной оси
На средней опоре
поперечная сила
.
Вычисляем проекцию расчётного наклонного сечения на продольную ось с по
формуле:
, здесь
В расчётном наклонном
сечении
,
отсюда
Условие
удовлетворяется.
Вычисляем
,
Диаметр поперечных
стержней устанавливаем из условия сварки с продольной арматурой диаметром
и
принимаем равным
с
площадью
.
При классе А-III
; поскольку
,
вводим коэффициент условий работы
и тогда
.
Число каркасов 2, при
этом
.
Шаг поперечных стержней:
.
По конструктивным условиям:
. На всех приопорных
участках длиной примерно
принимаем
шаг стержней
,
в средней части пролёта шаг
.
Конструирование арматуры
ригеля
Стык ригеля с колонной
выполняется на ванной сварке выпусков верхних надопорных стержней и сварке
закладных деталей ригеля и опорной консоли колонны в соответствии с рис. 10.
Ригель армируем двумя сварными каркасами, часть продольных стержней каркасов
обрываем в соответствии с огибающей эпюрой моментов и по эпюре материалов.
Обрываемые стержни заводим за место теоретического обрыва на длину заделки W.
Эпюру материалов (Рис.
13) строим в следующей последовательности:
определяем изгибающие
моменты М, воспринимаемые в расчётных сечениях, по фактически принятой
арматуре;
устанавливаем графически
на огибающей эпюре моментов по ординатам М места теоретического обрыва
стержней;
определяем длину
анкеровки обрываемых стержней
, причём поперечную силу
Q в месте теоретического обрыва стержня принимаем соответствующей
изгибающему моменту в этом сечении.
Рассматриваем сечения
первого пролёта:
в первом пролёте:
Арматура 4 Ø
16 А-III с
:
;
;
В месте теоретического
обрыва пролётной арматуры:
Арматура 2 Ø
16 А-III с
:
;
;
На левой опоре:
Арматура 2 Ø
20 А-III с
:
;
;
На правой опоре:
Арматура 2 Ø
25 А-III с
:
;
;
В месте теоретического
обрыва верхней арматуры в пролёте:
Арматура 2 Ø
16 А-III с
:
;
;
Определяем длину
анкеровки W1
(слева) арматуры первого пролёта:
Поперечная сила в этом
сечении
.
Поперечные стержни Ø 8 А-III с шагом
s
= 20 см.
,
Определяем длину
анкеровки W2
(справа) арматуры первого пролёта:
Поперечная сила в этом
сечении
Поперечные
стержни Ø 8 А-III с шагом
s
= 20 см.
,
Определяем длину
анкеровки W3
арматуры левой опоры:
Поперечная сила в этом
сечении
.
Поперечные стержни Ø 8 А-III с шагом
s
= 20 см.
,
Определяем длину
анкеровки W4
арматуры правой опоры:
Поперечная сила в этом
сечении
.
Поперечные стержни Ø 8 А-III с шагом
s
= 20 см.
,
Для удобства дальнейших
построений сносим все данные в таблицу 3
Арматура ригеля первого
пролёта
|
№ п/п
|
Арматура
|
,
см2  М,
кНм
|
W,
см
|
|
|
|
|
|
1
|
Сечение в первом пролёте
|
|
4 Ø 16 А-III
|
8,04
|
0,0074
|
0,23
|
0,885
|
140,24
|
-
|
|
2 Ø 16 А-III
|
4,02
|
0,0037
|
0,12
|
0,94
|
74,48
|
W1
= 35 W2 = 45
|
|
2
|
Сечение на левой опоре
|
|
2 Ø 20
А-III
|
6,28
|
0,0056
|
0,18
|
0,91
|
116,81
|
72
|
|
3
|
Сечение на правой опоре
|
|
2 Ø 25
А-III
|
9,82
|
0,0087
|
0,28
|
0,86
|
174,62
|
79
|
|
4
|
Верхняя арматура в пролёте
|
|
2 Ø 16 А-III
|
4,02
|
0,0036
|
0,11
|
0,945
|
77,65
|
-
|
Рассматриваем сечения
среднего пролёта:
в среднем пролёте:
Арматура 4 Ø
16 А-III с
:
;
;
В месте теоретического
обрыва пролётной арматуры:
Арматура 2 Ø
16 А-III с
:
;
;
На левой опоре:
Арматура 2 Ø
25 А-III с
:
;
;
На правой опоре:
Арматура 2 Ø
25 А-III с
:
;
;
В месте теоретического
обрыва верхней арматуры в среднем пролёте:
Арматура 2 Ø
16 А-III с
:
;
;
Определяем длину
анкеровки W1
(слева) арматуры среднего пролёта:
Поперечная сила в этом
сечении
.
Поперечные стержни Ø 8 А-III с шагом
s
= 20 см.
,
Определяем длину
анкеровки W2
(справа) арматуры первого пролёта:
Поперечная сила в этом
сечении
Поперечные
стержни Ø 8 А-III с шагом
s
= 20 см.
,
Определяем длину
анкеровки W3
арматуры левой опоры:
Поперечная сила в этом
сечении
.
Поперечные стержни Ø 8 А-III с шагом
s
= 20 см.
,
Определяем длину
анкеровки W4
арматуры правой опоры:
Поперечная сила в этом
сечении
.
Поперечные стержни Ø 8 А-III с шагом
s
= 20 см.
,
Для удобства дальнейших
построений сносим все данные в таблицу 4
Арматура ригеля среднего
пролёта
|
№ п/пАрматура ,
см2  М,
кНмW,
см
|
|
|
|
|
|
|
|
|
1
|
Сечение в среднем пролёте
|
|
4 Ø 16 А-III
|
8,04
|
0,0074
|
0,23
|
0,885
|
140,24
|
-
|
|
2 Ø 16 А-III
|
4,02
|
0,0037
|
0,12
|
0,94
|
74,48
|
W1
= 37 W2 = 34
|
|
2
|
Сечение на левой опоре
|
|
2 Ø 25
А-III
|
9,82
|
0,0087
|
0,28
|
0,86
|
174,62
|
76
|
|
3
|
Сечение на правой опоре
|
|
2 Ø 25
А-III
|
9,82
|
0,0087
|
0,28
|
0,86
|
174,62
|
72
|
|
4
|
Верхняя арматура в пролёте
|
|
2 Ø 16 А-III
|
4,02
|
0,0036
|
0,11
|
0,945
|
77,65
|
-
|
5. Расчёт и
конструирование колонны первого этажа
Определение продольных
сил от расчётных нагрузок. Грузовая площадь
средней колонны при сетке колонн 6×4,8 м = 28,8 м2
Постоянная нагрузка
от перекрытия одного этажа с учётом коэффициента надёжности по назначению по
назначению здания
:
от перекрытия -
;
от ригеля -
;
от колонны - (сечением 0,4×0,4;
;
;
;
)
- 12,54 кН.
ИТОГО
.
Временная нагрузка
от перекрытия одного этажа с учётом
:
,
в том числе длительная
,
кратковременная
Постоянная нагрузка
от покрытия при весе кровли и плит 5 кН/м2 составит
;
от ригеля - 37,62 кН; от колонны - 12,54 кН.
ИТОГО
Временная нагрузка -
снег для I снегового района при коэффициенте надёжности по нагрузке
и
по назначению здания
:
,
в том числе длительная
,
кратковременная
Продольная сила колонны
первого этажа рамы от длительных нагрузок:
то же от полной
нагрузки:
Продольная сила колонны
подвала от длительных нагрузок:
то же от полной
нагрузки:
Определение изгибающих
моментов колонны от расчётных нагрузок. Вычислим опорные
моменты ригеля перекрытия подвала - первого этажа рамы. Отношение погонных жесткостей
Вычисляем максимальный
момент колонн - при загружении 1+2 - без перераспределения моментов.
От действия длительных
нагрузок:
От действия полной
нагрузки:
Разность абсолютных
значений опорных моментов в узле рамы:
От действия длительных
нагрузок:
Изгибающий момент колонны
подвала:
От действия длительных
нагрузок:
От действия полной
нагрузки:
Вычисляем изгибающие
моменты колонны, соответствующие максимальным продольным силам; воспользуемся
при этом загружением пролётов ригеля по схеме 1+4.
От действия длительных
нагрузок:
От действия полной
нагрузки:
Расчёт прочности средней
колонны подвала
Характеристики прочности
бетона и арматуры. Класс тяжёлого бетона В 25 (
;
;
;
).
Арматура А-III
;
В расчёте рассматриваем
две комбинации расчётных усилий:
. maxN = 3154,8 кН, в том числе от длительных нагрузок
и
соответствующий момент
,
в том числе от длительных
. maxM = 33,55 кНм, в том числе от длительных нагрузок
и
соответствующее загружению 1+2 значение
, в том числе
Расчёт по первой
комбинации усилий:
Рабочая высота сечения:
,
ширина b = 40 см.
Эксцентриситет силы
Случайный
эксцентриситет:
или
но
не менее 1,4 см.
Поскольку эксцентриситет
силы
<
случайного эксцентриситета
, то для расчёта
принимаем эксцентриситет 1,4 см.
Находим значения
моментов в сечении относительно оси, проходящей через центр тяжести наименее
сжатой (растянутой) арматуры:
При длительной нагрузке:
При полной нагрузке:
Так как отношение
>
14 то следует учитывать влияние прогиба колонны, где
-
радиус ядра сечения.
Расчётная длина колонн
многоэтажных зданий при жёстком соединении ригелей с колоннами в сборных
перекрытиях принимается равной высоте этажа
Для тяжёлого бетона
значение
;
.
Поскольку
<
то
принимаем
Отношение модулей
упругости:
Задаёмся коэффициентом
армирования
и
вычисляем критическую силу по формуле:
Вычисляем коэффициент
по
формуле:
Значение е равно
Определяем граничную
высоту сжатой зоны по формуле:
Характеристика сжатой
зоны бетона:
, где
;
;
- для тяжёлого бетона.
Вычисляем:
>
;
>
Определяем площадь
арматуры:
Расчёт по второй
комбинации усилий:
Рабочая высота сечения:
,
ширина b = 40 см.
Эксцентриситет силы
Случайный
эксцентриситет:
или
но
не менее 1,4 см.
Поскольку эксцентриситет
силы
<
случайного эксцентриситета
, то для расчёта
принимаем эксцентриситет 1,4 см.
Находим значения
моментов в сечении относительно оси, проходящей через центр тяжести наименее
сжатой (растянутой) арматуры:
При длительной нагрузке:
При полной нагрузке:
Так как отношение
>
14 то следует учитывать влияние прогиба колонны, где
-
радиус ядра сечения.
Расчётная длина колонн
многоэтажных зданий при жёстком соединении ригелей с колоннами в сборных
перекрытиях принимается равной высоте этажа
Для тяжёлого бетона
значение
;
.
Поскольку
<
то
принимаем
Отношение модулей
упругости:
Задаёмся коэффициентом
армирования
и
вычисляем критическую силу по формуле:
Вычисляем коэффициент
по
формуле:
Значение е равно
Определяем граничную
высоту сжатой зоны по формуле:
, где
;
;
- для тяжёлого бетона.
Вычисляем:
>
;
>
Определяем площадь
арматуры:
В результате подбора
площади по двум сочетаниям принимаем 2 Ø 36
А-III с
;
-
для определения
было
принято
-
перерасчёт можно не делать.
Консоль колонны.
Опорное давление ригеля
,
бетон класса В 25 (
;
;
);
арматура А-III
;
Принимаем длину опорной
площадки
при
ширине ригеля
и
проверяем условие:
Вылет консоли с учётом
зазора с = 5 см составит
,
при этом расстояние
Высоту сечения консоли у
грани колонны принимаем равной
; при угле наклона
сжатой грани
высота
консоли у свободного края
,
при этом
.
Рабочая высота сечения консоли
. Поскольку
,
консоль короткая.
Проверяем высоту сечения
короткой консоли в опорном сечении по условию:
- условие
удовлетворяется.
Изгибающий момент
консоли у грани колонны:
Принимаем
и
подбираем площадь продольной арматуры консоли по изгибающему моменту у грани
колонны, увеличенному на 25%, по формуле:
Принимаем 2 Ø
14 А-III с
.
Короткие консоли высотой
сечения
армируются
горизонтальными хомутами и отогнутыми стержнями.
Суммарное сечение
отгибов, пересекающих верхнюю половину отрезка
:
Принимаем 2 Ø
16 А-III с
.
Условие
соблюдается.
Длина отгибов
.
Условие
так
же соблюдается.
Горизонтальные хомуты
принимаем Ø 6 А-I. Шаг хомутов
,
принимаем
Конструирование арматуры
колонны
Колону армируем
пространственными каркасами, образованными из плоских сварных каркасов. Диаметр
поперечных стержней при диаметре продольной арматуры Æ
36 мм в подвале и первом этаже здания, принимаем Æ8 мм А-III с шагом s
= 400 мм по размеру стороны сечения колонны b
= 400 мм, что менее
.
Колонну девятиэтажной рамы членим на 9 элементов длиной в один этаж каждый.
Стык колонн выполняется на ванной сварке выпусков стержней арматуры с
обетонировкой.
6. Расчёт сборного
фундамента под колонну
Сечение колоны 40×40
см. Ввиду относительно малых значений эксцентриситета фундамент колонны
рассчитываем как центрально загруженный. Расчётное усилие
;
усреднённое значение коэффициента надёжности по нагрузке
;
нормативное усилие
По заданию сопротивление
грунта основания
;
бетон тяжёлый класса В 20 (
;
);
арматура класса А-II;
.
Вес единицы объема бетона фундамента и грунта на его обрезах
.
Высоту фундамента
предварительно принимаем равной
; глубина заложения
фундамента
Предварительно
определяем площадь подошвы фундамента без поправок R0
на её ширину и глубину заложения:
Размер стороны
квадратной подошвы
.
Принимаем размер а = 4,5 м. Давление на грунт от расчётной нагрузки
Рабочая высота
фундамента из условия продавливания:
Устанавливаем полную
высоту фундамента из условий:
продавливания
;
заделки колоны в
фундаменте
;
анкеровки сжатой
арматуры колонны Ø 36 А-III в бетоне класса
В 20
;
Принимаем окончательно
фундамент высотой Н = 160 см,
- четырёхступенчатый
(Рис.). Толщина дна стакана 90+5 = 95 см
Проверяем, отвечает ли
рабочая высота нижней ступени фундамента
условию прочности по
поперечной силе без поперечного армирования в наклонном сечеии, начинающемся в
сечении IV-IV. Для единицы ширины этого сечения (b
= 100 см):
Проверяем условие:
- условие
удовлетворяется.
Определяем расчётные
изгибающие моменты в сечениях I-I, II-II и III-III по формулам:
Определяем площадь
сечения арматуры:
Принимаем нестандартную
сварную сетку с одинаковой в обоих направлениях рабочей арматурой и стержней 27
Ø 14 А-II с шагом 17 см (
).
Проценты армирования расчётных сечений:
Проценты армирования
расчётных сечений больше
Схема армирования
фундамента показана на рис 15.
7. Разработка
конструктивного решения монолитного перекрытия
Монолитное ребристое
перекрытие компонуем с поперечными главными балками и продольными
второстепенными балками (Рис. 16). Второстепенные балки размещаем по осям
колонн и в четвертях пролёта главной балки, при этом пролёты плиты между осями
рёбер равны
.
Предварительно задаёмся
размером сечения балок: главная балка
,
; второстепенная балка
,
8. Расчёт и
конструирование плиты монолитного перекрытия
Расчётный пролёт и
нагрузки. Расчётный пролёт плиты равен расстоянию в свету между гранями
рёбер
,
и в продольном направлении
.
Отношение пролётов:
-
плиту рассчитываем, как работающую по короткому направлению. Принимаем толщину
плиты
.
Для расчёта
многопролётной плиты выделяем полосу шириной 1 м, при этом расчётная нагрузка
на 1 м длины плиты 11,78 кН/м (см. таблицу 1). С учётом коэффициента надёжности
по назначению здания
нагрузка
на 1 м будет
.
Изгибающие моменты
определяем как для многопролётной плиты с учётом перераспределения моментов:
в средних пролётах и на
средних опорах
в первом пролёте и на
первой промежуточной опоре
Средние пролёты плиты
окаймлены по всему контуру монолитно связанными с ними балками, и под влиянием
возникающих распоров изгибающие моменты уменьшаются на 20%, если
. При
условие
соблюдается и поэтому
.
Характеристики прочности
бетона и арматуры. Бетон тяжёлый класса В15 имеет призменную прочность
,
прочность при осевом растяжении
. Коэффициент условий
работы бетона
.
Арматура - проволока класса Вр-I
диаметром
мм в сварной рулонной
сетке,
Подбор сечений
продольной арматуры. В средних пролётах и на средних
опорах:
По таблице находим
значение
.
Принимаем 6
Ø 4 Вр-I с
и
соответствующую рулонную сетку марки
В первом пролёте и на
первой промежуточной опоре:
По таблице находим
значение
.
Принимаем две сетки -
основную и той же марки доборную с общим числом 14 Ø
Вр-I с
Армирование плиты
выполняется согласно рис. 17
9. Расчёт элемента
каменной конструкции
Общие данные.
Расчётная длина каменного столба равна высоте этажа
.
Принимаем одну из сторон
столба равной h = 103 см
Нагрузку на каменный столб берём из
расчёта центральной колонны:
,
Эксцентриситет силы
Случайный
эксцентриситет:
или
но
не менее 1 см.
Поскольку эксцентриситет
силы
<
случайного эксцентриситета
, то для расчёта
принимаем эксцентриситет 3,4 см.
Коэффициент продольного
изгиба при внецентренном сжатии:
, где
- коэффициент
продольного изгиба при центральном сжатии.
Определяем требуемое
расчётное сопротивление сжатию кладки с сетчатым армированием:
, где
- допустимое расчётное
сопротивление неармированной кладки из кирпича
М 150 на растворе М 100
Определяем второй размер
каменного столба:
Принимаем столб с
размерами 103×103 см
Определяем требуемый
процент косвенного армирования из проволоки Ø 5 Вр-I с
RS
= 200 МПа:
Располагаем арматурные
сетки через два ряда кладки, т.е.
. Принимаем сетку
50/50/5/5.
Производим проверку:
Список литературы
1) СНиП 2.03.01-84*. Бетонные и железобетонные конструкции /
Госстрой СССР - М.:ЦИТП Госстроя СССР, 1989. -80 с.
2) СНиП II-22-81. Каменные и армокаменные конструкции / Госстрой СССР - М.:
Стройиздат, 1983. -40 с.
) Байков В.Н., Сигалов Э.Е. Железобетонные конструкции:
Общий курс. Учебник для вузов. - 4-е изд., перераб. - М.: Стройиздат, 1985.
-728 с., ил.
) Железобетонные конструкции: Курсовое и дипломное
проектирование / Под ред. А.Я. Барашикова. - К.: Вища шк. Головное изд-во,
1987. -416 с.
) Бондаренко В.М., Судницын А.И. Расчёт строительных
конструкций. Железобетонные и каменные конструкции: Учеб. пособие для строит.
вузов. - М.: Высш. шк., 1984. -176 с., ил.