Архитектурно-строительный проект двухэтажного жилого здания
ДИПЛОМНАЯ РАБОТА
Архитектурно-строительный проект
Содержание
Введение
. Архитектурно-строительный раздел
.1 Архитектурные решения
.2 Технико-экономические показатели
.3 Схема планировочной организации земельного участка
.4 Конструктивные и объёмно-планировочные решения
.5 Инженерные сети и оборудование
.6 Мероприятия по пожарной безопасности
.7 Мероприятия по обеспечения доступа инвалидов
. Расчётно-конструктивный раздел
.1 Расчёт монолитной плиты перекрытия
.2 Строительство в сейсмическом районе
. Организационно-технологический раздел
.1 Проект организации строительства
.2 Краткая характеристика объекта и местных условий
.3 Строительный генеральный план
.4 Краткое описание методов производства работ
. Мероприятия по охране труда, сохранению окружающей среды
Заключение
Список используемых литературных источников
Введение
В современном понимании архитектура - это искусство проектировать и
строить здания, сооружения и их комплексы. Она организует все жизненные
процессы. По своему эмоциональному воздействию архитектура - одно из самых
значительных и древних искусств. Сила ее художественных образов постоянно
влияет на человека, ведь вся его жизнь проходит в окружении архитектуры. Вместе
с тем, создание производственной архитектуры требует значительных затрат
общественного труда и времени. Поэтому в круг требований, предъявляемых к
архитектуре наряду с функциональной целесообразностью, удобством и красотой
входят требования технической целесообразности и экономичности. Кроме
рациональной планировки помещений, соответствующим тем или иным функциональным
процессам удобство всех зданий обеспечивается правильным распределением
лестниц, лифтов, размещением оборудования и инженерных устройств (санитарные
приборы, отопление, вентиляция). Таким образом, форма здания во многом
определяется функциональной закономерностью, но вместе с тем она строится по
законам красоты.
1.
Архитектурно-строительный раздел
.1
Архитектурные решения
Административно участок расположен: Российская Федерация, Краснодарский
край, город Туапсе.
Участок застройки со всех сторон окружен лесным массивом. Имеются
подъездные пути, заезд на участок с северной стороны. С южной, восточной и
западной части участок ограничен склонами имеющие перепады до 16 м.
Проектируемое жилое здание представляет собой вытянутое многоугольное
здание с общими размерами 16.00х 32.00 м с пристроенным двухэтажным каскадным
объемом общественного назначения. Этажность дома 12 этажей. В жилой части - 60
квартир с жилой площадью 2170,3 м 2. В пристроенной части здания на
отметке -3.30 располагается магазин по продаже товаров повседневного спроса со
вспомогательными помещениями.
На этаже имеются обособленные техпомещения для размещения технических
коммуникаций, относящиеся непосредственно к жилому дому.
Фундаменты для основного здания - монолитный железобетонный ростверк с
буронабивными сваями.
Стены: каркас из монолитных железобетонных колонн с безбалочными перекрытиями
с заполнением наружных стен газосиликатными блоками.
Диафрагмы жёсткости: монолитные железобетонные толщиной 200 мм.
Монолитные железобетонные стены утеплены жесткими минераловатными плитами
с последующей шпатлевкой и окраской фасадными красками.
Перекрытия: монолитные железобетонные толщиной 140 мм.
Кровля по системе "изопласт" в два слоя.
Окна, балконные двери, витражи - металлопластиковые.
Перегородки из газосиликатных блоков толщиной 100 и 200мм. Ограждение
балконов - армоцемент и металлические сварные решетки.
Внутренняя отделка квартир - стены жилых комнат и прихожих и кухнях оклеиваются
обоями по улучшенной штукатурке, в ванных и санузлах облицовываются
керамической плиткой. Потолки окрашиваются водоэмульсионной покраской.
Лестничная клетка, лифтовые холлы, коридоры окрашены акриловой краской. Места
общего пользования: полы - облицовка по периметру керамической плиткой.
Хозяйственно-питьевое водоснабжение предполагается от городского
водопровода, канализация - в городскую канализационную сеть.
Предусмотрена стоянка на 30 машино-мест.
Проект 12-ти этажного жилого дома разработан для IV-Б климатического
района, с расчётной температурой наружного воздуха -7°C.
Уточнённая сейсмичность строительной площадки - 6 баллов.
Расчётная сейсмичность здания - 6 баллов.
Район по весу снегового покрова - I (55кПа).
Категория ответственности - II (ГОСТ 27751-88*).
Категория сейсмобезопасности - III (СНКК 22-301-2000).
Район по скоростному напору ветра III (52 кПа).
Степень огнестойкости здания - II.
Функциональная пожарная опасность - Ф 1.3.
Проектируемое здание представляет собой 12-ти этажный объём в каркасном
исполнении с устройством диафрагм жесткости в продольном и поперечном
направлениях по всем этажам и монолитными перекрытиями (140 мм), что создаёт
жёсткую схему рассчитанную на 6 бальное воздействие по шкале MSK. За отметку
0.00 принят уровень чистого пола 1-го этажа соответствующий абсолютной отметке
86.20. Жилой дом на 60 квартир оборудован двумя лифтами: грузовым - 630 кг и
пассажирским - 400 кг.
На первом этаже предусматривается размещение семей МГН. При входе в
подъезд решен пандус. Все квартиры запроектированы с оптимальной инсоляцией.
В доме: 1-комнатных квартир - 24, 2-комнатных квартир - 24, 3-комнатных
квартир - 12. 2-х и 3-х комнатные квартиры имеет угловое проветривание, а
однокомнатные проветриваются с помощью вертикальной шахты, расположенной напротив
через коридор.
Наружные стены выполняются из газосиликатных блоков толщиной
200 (ρ=1800 кг/м³) с отделкой с наружной стороны
многослойной теплоизоляцией - минераловатными плитами Изовер Fasoterm PF и NF -
70 мм, на торцевых стенах - 100 мм.
Кровля - чердачная, с внутренним водостоком. Покрытие - рулонное (Изопласт) по
профнастилу. Декоративное оформление чердака - фриз - цветной вентал.
Внутренние межквартирные стены - из газосиликатных блоков толщиной
200 мм, внутриквартирные перегородки - из газосиликатных блоков толщиной
100 мм.
Ограждения балконов - армоцемент по стальному каркасу с декоративным
покрытием (H=1200 мм). Витражи, оконные и
балконные дверные блоки - металлопластиковых профилей индивидуального
изготовления, специализированной фирмой, остекление (двойное) - стеклопакеты.
Цвет пластика - белый.
Внутренние дверные блоки - по ГОСТ 6629-88. Служебные двери по ГОСТ
24698-81.
Фасады здания решены в соответствии с современными тенденциями и опытом
строительства зданий в курортных районах Черноморского побережья с применением
динамических силуэтов и элементов фасадов, полукруглых балконов, витражей и
ограждений.
Наружная отделка - цоколь облицован плитами "искусственного
песчаника".
Наружные стены, экраны балконов - штукатурка Edelkratzputz с последующей окраской "Caparol".
Внутренняя отделка выполнена согласно ведомости отделки помещений. Все стены и
откосы оштукатурить, перегородки зашпатлевать, поверхность потолков затиреть,
выполнить подготовку под полы, а также все подготовительные работы под окончательную
отделку. Цвет и фактура керамической плитки, внутренние двери по выбору
заказчика.
Полностью отделка выполнена только в помещениях общего пользования и
технических.
В доме предусматриваются все виды благоустройства, на каждом этаже
приемное устройство мусоропровода.
Возведение стен в зимних условия выполнено в соответствии с СниП
3.03.01-87 "Несущие и ограждающие конструкции" п. №7.57-7.62. В
кладочный раствор обязательно включение добавок, обеспечивающих твердение
раствора при отрицательных температурах.
.2
Технико-экономические показатели
Общий строительный объём здания: 23422.0 м³
Строительный объём выше отметки 0.000: 19729.0м³
Строительный объём ниже отметки 0.000: 3693.0м³
Площадь застройки: 955м²
Жилая площадь квартир жилого дома: 2170.3м²
Общая площадь квартир жилого дома: 4181.2м²
Площадь квартир жилого здания: 3913.0м²
Площадь жилого здания: 6137.0м²
Этажность: 12 этажей
Количество квартир: 60 кв.
-/2-х/3-х комнатных квартир: 24/24/12 кв.
К1 = Ажилая / Аобщая = 2170.3 /4181.2 =0.52
К2 = Vобщ. / Ажилая = 23422.0 /2170.3 =10.8
• Количество жителей - 192 чел.
• Площадки для игр детей - 156.2 м²
• Площадки для отдыха взрослых -29.6 м²
• Площадки для хозяйственных целей -53.9 м²
• Общая площадь автостоянок - 200.0 м² (13 а/мест)
• Спортивная площадка - 141.0м 2
.3 Схема
планировочной организации земельного участка
Земельный участок расположен в границах населённого пункта Туапсинское
городское поселение Туапсинского района, район жилая застройка.
Проектируемое 12-этажное жилое здание со встроено-пристроенными
помещениями торгово-бытового комплекса находится в Северо-западном микрорайоне,
на пересечении улиц Кириченко и Калараша в городе Туапсе. Перед началом
проектирования был выполнен расчет продолжительности инсоляции квартир проектируемых
жилых домов.
Непрерывная продолжительность инсоляции удовлетворяет требованиям САНПИН
2.1.2.1002-00 "Санитарно-эпидемиологические требования к жилым зданиям и
помещениям" и САНПИН 2.2.1/2.1.1.1076 "Гигиенические требования к
инсоляции и солнцезащите помещений жилых и общественных зданий и
территорий".
Расположение и ориентация зданий на участке выполнены с соблюдением
требований СНиП 2.08.01-89* "Жилые здания", СНиП 31-01-2003
"Здания жилые многоквартирные", СНиП 2.07.01-89*
"Градостроительство. Планировка и застройка городских и сельских
поселений", САНПИН 2.1.2.1002-00 "Санитарно-эпидемиологические
требования к жилым зданиям и помещениям", САНПИН 2.2.1/2.1.1.1076
"Гигиенические требования к инсоляции и солнцезащите помещений жилых и
общественных зданий и территорий" к ориентации инсоляции помещений.
Перепадные камеры выполнить по ТМП 902-09-46.88 "Камеры и колодцы дождевой
канализации". Выдержаны санитарные и противопожарные разрывы между
существующими и проектируемыми зданиями.
Общая идея предполагаемой застройки - создание жилого комплекса для
комфортного проживания с развитой инфраструктурой: спортивные площадки,
площадки для отдыха взрослых и игр детей, хозяйственные площадки, автостоянки,
инженерное обеспечение, а также благоустройство и озеленение территории жилого
комплекса.
Границами объекта проектирования являются: с севера - лесной массив; с
юга и запада - ул. Кириченко с многоэтажной застройкой, с северо-запада -
комплексом индивидуальных гаражных боксов, с востока - жилой застройкой ул.
Калараша.
В настоящее время площадка строительства покрыта фрагментарной
растительностью и находится на начальных стадиях формирования. Она представлена
куртинами и единичными 1-4 летними корнеотпрысковыми экземплярами ольхи черной,
ивы корзиночной, пираканты красной, розы собачьей. Травяной покров так же
мозаичный, образован пятнами рудеральной (сорной) растительности: ежевики
кавказской, черноголовки обыкновенной, донника лекарственного, ежи сборной,
полевицы тонколистной, бузины травянистой, амброзии полыннолистной, подорожника
большого.
На участке проектирования предусмотрены: основной проезд шириной 6метров
с тротуаром 1.5 метра, проезд в пределах фасада имеющего входы в здание шириной
5.5метра с тротуаром 1.5 метра, второстепенный проезд шириной 3.5 метра с тротуаром
1.5 метра и тупиковой разворотной площадкой не менее 12х 12 метров
соседствующей с автостоянкой и дающие совместно возможность для разворота
пожарных машин. Радиусы закруглений проездов приняты не менее 5 метров.
Расположение проездов на генплане учитывает необходимую доступность к входам в
здание с соблюдением противопожарных разрывов.
Организация рельефа решена в увязке с существующими зданиями и проездами.
Площадка строительства имеет сложный рельеф с перепадом отметок.
Продольный уклон по проездам от 0.4 до 7.5%. На площадке запроектированы
склоноудерживающие подпорные стены ПС-1, ПС-2,ПС-3,ПС-4 и ПС-5, по которым
предусмотрены металлические ограждения для пешеходов высотой 1.1 метра.
Вынимаемый грунт с площадки проектирования обязательно подлежит вывозу за
пределы участка. Склоны и откосы не перегружать строительными материалами.
Сбор дождевых вод и защита территории от загрязнения поверхностных
грунтовых вод осуществляется путем перехвата дождеприёмниками и дождеприёмными
лотками на проездах, верха подпорных стен, верховой стороны здания, внутреннего
водостока с отведением дождевых вод ливневой канализацией по подземным
асбестоцементным трубам и полиэтиленовым с поворотными дождеприёмными колодцами
и камерами в существующий ливневой коллектор 2х 1.5м расположенный по ул.
Кириченко Ближайшее пожарное депо располагается по ул. Богдана Хмельницкого на
расстоянии менее 3 км от проектируемого здания. На участке предусмотрены
гидранты для пожаротушения.
В благоустройстве предусмотрены малые архитектурные формы на площадках
для игр детей, отдыха взрослых, спортивная площадка. Предусмотрена площадка для
мусороконтейнеров, автостоянка общей вместимостью на 13 автомашин с местами для
автомашин инвалидовшириной 3.5м. Покрытия предусмотрены: по проездам - мелкозернистый
асфальтобетон; отмостка - песчаный асфальтобетон; дорожки - тротуарная плитка
"Катушка", на детской площадке - антитравматическое "Сэндвич
ГИМИБО". В озеленении предполагается посадка лиственных и хвойных
деревьев, кустарников, а так
же цветников и газонов из пород наиболее адаптированных для Черноморского
побережья Краснодарского края, с учетом существующих и проектируемых инженерных
сетей, композиции зелёного строительства.
Для маломобильных групп населения (МГН) предусмотрены 2 парковочных места
на автостоянках шириной 3.5 м с минимальным расстоянием до входов в здание,
пути перемещения по тротуарам и площадкам с продольным уклоном до 5% и
оборудованных скамьями, ограждением 0.7м, поверхностью покрытий не допускающих
скольжения при намокании, колясочные спуски на ступенях дорожек.
Доступность автомобильного транспорта и людского потока решается по
запроектированной подъездной дороге, далее по существующей улице Кириченко к
центральным улицам и остановкам общественного транспорта.
.4
Конструктивные и объёмно-планировочные решения
Конструктивная схема: здание с рамным монолитным каркасом, в котором основные
несущие функции выполняют колонны и ригели, расположенные в двух направлениях;
при этом колонны и ригели жестко соединены между собой, образуя перекрёстную
систему плоских рам, которая воспринимает вертикальную и горизонтальную
нагрузки. Кроме того пространственная жесткость здания обеспечивается
диафрагмами жёсткости установленными вдоль и поперёк здания. Перекрытия в
рамном каркасе работает практически на свою нагрузку.
Изготовление и монтаж консткрукций производились в соответствии с
действующими техническими условиями.
В проекте приняты сваи-стойки диаметром 530 мм. Устройство скважин
выполняется станком ударно-канатного бурения с одновременной обсадкой труб.
Бурение скважин, расположенных смежно с забетонированными, производить после
окончания схватывания бетонной смеси в последних, но не ранее 8 ч.
Под всем ростверком выполнить бетонную подготовку бетона класса В 10
толщиной 100 мм.
Все боковые поверхности железобетонных конструкций, соприкасающиеся с
грунтом обмазать горячим битумом 2 раза по холодной битумной грунтовке.
Горизонтальная гидроизоляция выполняется цементным раствором М 100 толщиной 20
мм.
До начала производства работ необходимо разработать проект производства
работ. Без ППР приступать к работам по бетонированию запрещается. Работы
нулевого цикла выполнять в строгом соответствии с ППР. Бетонирование
конструкций при отрицательных температурах в соответствии с п.2.53. СниП 3.03.01-87.
Все работы производить с учётом требований СниП 12-03-2001 и СниП
12-04-2002 "Безопасность труда в строительстве".
Перечень видов работ, для которых необходимо составлять акты
освидетельствования скрытых работ: а) устройство буронабивных ж/б свай; б)
армирование ростверка; в) армирование монолитных ж/б стен подвала; г)
армирование монолитных ж/б рам; д) армирование перекрытия.
Все применяемые строительные материалы в соответствии с законом
Краснодарского края "Об обеспечении радиационной и химической безопасности
населения Краснодарского края" от 17.01.2001г. должны проходить
радиационный контроль. Строительные материалы и конструкции по содержанию
радионуклидов должны отвечать требованиям норм радиационной безопасности
(НРБ-99) СП 2.6.1.758-99 и "Основных санитарных правил обеспечения
радиационной безопасности (ОСПОРБ-99) СП 2.6.1.799-99.
Кладку стен выполнять из газосиликатных блоков на цементном растворе М
100 с добавлением пластификаторов.
Защиту стальных конструкций от коррозии производить с учётом требований
СниП 2.03.11-85* "Защита строительных конструкций от коррозии". Все
стальные конструкции подлежат очистке от загрязнений и окислов по 3 степени
очистки по ГОСТ 9.402-2004.Все стальные конструкции подлежат защите от коррозии
лакокрасочными материалами.
Изготовление и монтаж конструкций, хранение и транспортировку изделий
осуществлять в соответствии с требованиями:
СП 53-101-96 "Изготовление и качество строительных конструкций"
ГОСТ 23188-99 "Конструкции стальные строительные. Общие строительные
условия"
СниП 2-83-81 "Стальные конструкции"
СниП 3.03.10.87 "Несущие и ограждающие конструкции"
Рекомендации МСД 53.1-2001 к СниП 3.03.10.87
Монтажную сварку выполнят по ГОСТ 5264-80* "Ручная дуговая сварка.
Соединения сварные. Основные типы, конструктивные элементы и размеры"
электродами Э 42 по ГОСТ 9467-75*. Длина сварных швов по периметру прилегания
свариваемых элементов.
Строительно-монтажные работы выполнять в соответствии со СниП 3.02.01-87
"Земляные сооружения, основания и фундаменты".
Все работы связанные с обеспечением сейсмостойкости здания должны
подтверждаться актами на скрытые работы по форме СниП 3.01.01-85
"Организация строительного производства" и в первую очередь:
устройство опалубки;
сварочные работы;
армирование ж/б конструкций;
армирование и крепление к каркасу из газосиликатных блоков;
прочность сцепления раствора с кладкой.
1.5
Инженерные сети и оборудование
Система водоснабжения и канализации
Наружные сети
Наружные сети водоснабжения и канализации выполнены в соответствии с
техническими условиями МУП "ЖКХ г. Туапсе".
Водоснабжение. Подключение водопровода жилого дома предусмотрено к ранее
запроектированному магистральному водопроводу по ул. Кириченко в новом колодце
с установкой отключающей задвижки и в точке "А" - к проектируемому водоводу
закольцованному с выше указанным магистральным водоводом.
Требуемый расчетный напор на вводе водопровода в здание - 49м, при пожаре
62м.
Проектируемый водопровод прокладывается из полиэтиленовых напорных труб,
вводы водопровода в жилой дом из стальных водогазопроводных оцинкованных труб в
изоляции "весьма усиленного типа". Заглубление наружного водопровода
принято 1 - 1.90м от поверхности земли до низа трубы.
Канализация. Сточные воды отводятся самотеком по канализационным выпускам
во внутриплощадочную сеть, которая включается в ранее запроектированный
канализационный коллектор, в новом колодце 17 по ул. Кириченко.
Проектируемая сеть канализации монтируется из труб НПВХ, соединяемых с
помощью резиновых колец.
Внутренние сети
Холодное и горячее водоснабжение. Холодная вода подается на
удовлетворение хозяйственно-питьевых и противопожарных нужд. Предусматривается
два ввода водопровода.
Учет общего расхода воды для жилого дома производится счетчиками типа
КВМ, ВСГ. Отдельный учет холодной и горячей воды предусмотрен счетчиками для
встроенных помещений и в каждой квартире. Источником горячего водоснабжения
служит котельная.
Трубопроводы холодного и горячего водоснабжения, прокладываемые в подвале
и стояки, запроектированы из стальных водогазопроводных оцинкованных труб.
Трубопроводы холодного и горячего водоснабжения, прокладываемые в квартирах,
предусмотрены из полипропиленовых труб.
Трубопроводы холодного и горячего водоснабжения, расположенные в подвале
и стояки в обшивке, запроектированы в теплоизоляции из "Термафлекса".
Стальные трубы, не подлежащие теплоизоляции, окрасить масляной краской за 2
раза.
Канализация. Сточные воды от санитарных приборов отводятся самотеком во
внутриплощадочную сеть бытовой канализации. На стояках устанавливаются ревизии.
Вытяжная часть канализационных стояков объединяется на чердаке и выводится выше
кровли на 0.5 метра.
Канализационные стояки и канализация, проложенная ниже отм. 0.000 и на
чердаке запроектированы из чугунных канализационных труб с заделкой стыков
полимерными герметиками и фасонных частей, а подводки к сантехприборам - из
пластмассовых труб, соединяемых с помощью резиновых уплотнительных колец.
Сети водопровода и канализации запроектированы с учетом дополнительных
требований к системам водопровода и канализации согласно СНиП 2.04..01-85*.
В местах пересечения стен здания трубопроводы проложены в футлярах с
заделкой зазоров вокруг трубы просмоленной пенькой. В местах поворота
канализационных стояков из вертикального положения в горизонтальное
предусмотрены бетонные упоры.
Отопление и вентиляция
Теплоснабжение. Параметры наружной среды для расчетов по отоплению: расчетная
наружная температура для холодного периода -7°С. Источник теплоснабжения -
отдельно стоящая котельная. Температура теплоносителя в системе отопления
90-70°С.
Отопление. Отопление помещений здания - водяное. Нагревательные приборы
- напольные конвекторы "Сантехпром Стиль" и чугунные секционные
радиаторы МС-140.
В качестве нагревательных приборов используются биметаллические
секционные радиаторы. Нагревательные приборы оборудуются термостатами.
Прокладка трубопроводов открытая. В подвале и на чердаке трубы изолируются.
Тепловая изоляция - "Термафлекс". Соединение труб между собой -
газоэлектросваркой. Присоединение трубопроводов к арматуре разборное на сгонах
и фланцах. Проходы труб сквозь стены и перекрытия выполнить в гильзах.
Промежутки между трубами и гильзами заполнить пластичным несгораемым
материалом. Входной контроль, монтаж и испытание системы на герметичность
произвести в соответствии со СниП 3.05.01-85*.
Вентиляция. Общеобменная вентиляция жилой части здания действует по
принципу проветривания квартиры: свежий воздух проникает в помещения через
отверстия в верхней части окон и решетки из незадымляемой лестницы, далее через
щели под дверями распространяется по всей квартире и удаляется через вытяжные
регулируемые жалюзийные решетки кухонь, санузлов и ванных комнат.
Способ и устройство для побуждения движения воздуха принят
естественно-механический, с постоянно действующей естественной вентиляцией и
усилением этого действия дефлектором на вытяжной шахте с устройством под
дефлектором в шахте осевого вытяжного вентилятора.
Когда в жаркое время года давление в вытяжной шахте падает ниже 1 Па,
вентилятор автоматически включается от датчика давления и работает в течение 60
мин, обеспечивая вытяжку воздуха.
Кроме того, предусмотрено ручное управление работой вентилятора по месту
в венткамере. Чердак используется в качестве сборной камеры вытяжной вентиляции
и является "теплым" за счет утилизации тепла вытяжного воздуха в
холодное время.
В случае возникновения пожара все вентустановки автоматически
отключаются. В проекте предусмотрена автоматическая защита калорифера системы
П1 от замораживания. Управление работой систем по месту и с общего щита. Для
борьбы с шумом предусматривается применение шумоглушителей, гибких вставок.
Скорости движения воздуха по воздуховодам приняты не выше нормируемых.
Дымоудаление. Дымоудаление предусмотрено поэтажно из общих коридоров через
клапаны. В случае возникновения пожара открывание заслонки происходит по
сигналу пожарной автоматики, после этого включается крышный вентилятор
дымоудаления, устанавливаемый на покрытии шахты дымоудаления.
Узел управления. Параметры наружной среды для расчетов по отоплению: расчетная
наружная температура для холодного периода -7°С. Источник теплоснабжения -
котельная. Параметры теплоносителя 115 - 70 С. Трубопроводы узла управления
необходимо изолировать. Изоляция - Термафлекс с готовым продольным разрезом.
Энергоэффективность
1) Данные для расчёта теплоэнергетических параметров объекта
Отапливаемая
площадь здания 
=6745.0
м²,
отапливаемый объём 
=19134.6
м³, общая площадь наружных ограждающих конструкций 
=5103.91
м².
Наружные
стены - монолитные из ж/б t=400 мм, газосиликатные блоки t=200 мм. Стены
лестничной клетки ж/б t=200 мм. Утеплитель - минераловатные плиты Изовер.
Наружная и внутренняя отделка - штукатурка t=10 мм.
Перекрытия монолитные ж/б t=140 мм. Окна из металлопластиковых профилей со
стеклопакетами.
Чердачное
покрытие: изопласт 2 слоя, цементно-песчаная стяжка t=30 мм,
утеплитель минераловатные плитыRockwool, пароизоляция и профнастил.
Состав
кровли магазинов: монолитный ж/б t=140 мм, армированная стяжка t=25 мм,
утеплитель Изовер, пароизоляция.
2) Климатические и теплоэнергетические параметры
Согласно
СниП 23-02 и ГОСТ 30494 расчётная средняя температура внутреннего воздуха
принимается 
=20°C (в
жилой части) и 16°C (в общественных помещениях).
Согласно
СНКК 23-319-2000 (ТСН 23-319-2000 Краснодарского края) расчётная температура
наружного воздуха в холодный период года для условий города Туапсе принимается 
= -7°C,
продолжительность отопительного периода 
=113
суток, градусо-сутки отопительного периода 
=1627.
Согласно
СниП 23-02 для этого значения градусо-суток вычисляется нормируемое
сопротивление теплопередаче:

=a×
+b,
где
a и b - коэффициенты по данным таблицы 4 СНиПа.
Жилая
часть здания.
Для
наружных стен: 
=0.00035×1627+1.4=1.97
Для
покрытия: 

=0.0005×1627+2.2=3.01
Помещения
общественного назначения.
Для
наружных стен: 
=0.0003×1627+1.2=1.69
Для
покрытия: 

=0.0004×1627+1.6=2.25
Для
наружного остекления: 

=0.00005×1627+0.2=0.28
Согласно
таблице 9 СНиПа 23-02 нормируемый удельный расход тепловой энергии для 12-ти
этажного жилого дома составляет 70 кДж/
3) Теплотехнические расчёты ограждающих конструкций
Расчётные
коэффициенты теплопроводности материалов наружных ограждений принимаются по СП
23-101-2004 при условии эксплуатации "Б".
Теплоизоляционные
материалы:
плиты
минераловатные РУФ-БАТТС
=
/
плиты
Изовер
=
/
панели
Вентал
=
//
железобетон
2500кг/
м³ λ=
/
газосиликатные
блоки 800кг/
м³ λ=
/
цементно-песчанный
раствор λ=
/
Расчёт
необходимой толщины утеплителя 
для
наружных ограждающих конструкций

=
=
+ 
где


Наружные
стены - монолитные из ж/б t=400 мм 9ниже отм. 0.00), газосиликатные блоки t=200
мм (выше отм. 0.00). Стены лестничной клетки ж/б t=200 мм.
Утеплитель - минераловатные плиты Изовер. Наружная и внутренняя отделка -
штукатурка t=10 мм. Утеплитель - плиты Изовер, чердак - панели
Вентал.
Для
стен на отм. ниже 0.00:
.69=0.40/2.04
+ 0.020/0.93 + 
/0.050,
где

- толщина
слоя утеплителя. Требуемая толщина слоя утеплителя 
=73 мм.
Принимается
толщина утеплителя 80 мм. Фактическое сопротивление теплопередаче: 0.40/2.04 +
0.020/0.93 + 0.08/0.050=1.81
.
Площадь
стен ниже отм. 0.00 
=227.75
, 
=1.81
.
Для
стен жилой части:
.97=0.20/0.37
+ 0.020/0.93 + 
/0.050,
где

- толщина
слоя утеплителя. Требуемая толщина слоя утеплителя 
=70 мм.
Принимается
толщина утеплителя 70 мм. Фактическое сопротивление теплопередаче: 0.20/0.37 +
0.020/0.93 + 0.07/0.050=1.96
.
Площадь
стен ниже отм. 0.00 
=2456.16
м², 
=1.96 
.
Для
стен холодной л/к: принимается слой
Изовер 

Фактическое
сопротивление теплопередачи составит:
.20/2.04
+ 0.020/0.93 + 0.040/0.050=0.92
.
Площадь
стен: 
=295.2
м², 
=0.92 
.
Для
стен тёплого чердака: принимаются
панели Вентал 

.
Фактическое сопротивление теплопередачи составит:
.20/0.37
+ 0.020/0.93 + 0.080/0.040=2.56 
.
Площадь
стен: 
=192.0
м², 
=2.56 
.
Поскольку
стены здания имеют однородную многослойную структуру, то при наличии оконных
проёмов, образующих в стене оконные откосы, коэффициент теплотехнической
однородности наружных стен принят r=0.9.
Тогда
приведённое сопротивление теплопередаче стен здания, определяемое по ф.11 СП
23-101, равно

=1.81×0.9=1.63 
- ниже
отм. 0.00

=1.96×0.9=1.76 
- для
жилой части

/R=
/
+ 
/
+ 
/
+
/
=227.75/1.76
+ 2456.16/1.63 + 295.2/0.92 + 192/2.56=1931.1
При
предварительном решении обратной задачи исходя их нормативных удельных затрат
тепловой энергии на отопление здания толщина тепловой изоляции покрытия чердака
- минераловатных плит РУФ БАТТС принимается 
=80 мм. В
конструкцию покрытия входят также гидроизоляция, цементно-песчанная стяжка 
Фактическое
сопротивление теплопередаче покрытия жилой части здания:

=0.03/0.093
+ 0.08/0.048=1.70 
, 
=430 
Конструкция
покрытия помещений общественного назначения: гидроизоляция, плиты Изовер,
железобетон 
,
цементно-песчанная стяжка 

=2.25=0.16/2.04
+ 
/0.05 +
0.025/0.93,
откуда

=107 мм.
Принимается толщина слоя утеплителя 100 мм. Фактическое сопротивление
теплопередаче: 0.16/2.04 + 0.1/0.05 + 0.025/0.93=2.1 
=413 

/
=
/
+ 
=430/1.70
+ 413/2.1=449.6
Сопротивление
теплопередаче пола по грунту определяется по зонам: 
=2.17 
, 
=3.71 
, 
=11.6 
, 
=14.3 
; 
=224.0 
,
=200.0 
,
=136.0 
,
=372.0 
.

/
=
/
+ 
/
+ 
/
+ 
/
=194.8
Остекление - стеклопакеты в переплётах из металлопласта

=0.38 
(таб.5
СП 23-101) 
=815.2

/
=815.2/0.38=2145.2
Приведённый
трансмиссионный коэффициент теплопередачи
через
наружные ограждающие конструкции здания определяется по формуле СНКК 23-302:

=β(
/
+ 
/
+ 
/
+ 
/
+ 
/
) /
/
Где β=1.13 - коэффициент учитывающий дополнительные теплопотери, связанные
с ориентацией ограждений по сторонам света, с ограждением угловых помещений, с
поступлением холодного воздуха через входы в здание.

= 1.13
(19.31.1+449.6+194.8+2145.2+ 50.8/1.2)/5103.91=1.05
/
(50.8
и 1.2 - площадь и сопротивление теплопередаче входных дверей)
Приведённый
инфильтрационный (условный) коэффициент теплопередачи 
здания
определяется по формуле 3.10 СНКК 23-302:

=0.28×c×
×
×
×
×k/
Где
c - удельная теплоёмкость воздуха, равная 1кДж/кг
;

- средняя
кратность воздухообмена здания за отопительный период 1/час.
Для
жилых зданий нормативный расход воздуха 3 
/час на 1

жилых
помещений и кухонь. Суммарная площадь жилых помещений и кухонь составляет 3040 
. 3040×3=9120 
/час.
Строительный оббьем квартир 11738.9 
. 
=9120/11738.9=0.77
1/час.
Для
общественных зданий, функционирующих не круглосуточно, среднесуточная кратность
воздухообмена определяется по формуле 3.11 СНКК 23-319-2000:

=[
×
+ (24-
)×0.5]/24
Где

-
продолжительность рабочего времени магазина, 10 часов;

-
кратность воздухообмена в рабочее время, 1.0 (таб.24 СниП 2.08.02-89*);

= [
×1.0+ (24-10)×0.5]/24=0.70
1/час
Объём
жилых помещений и кухонь + полезный объём магазинов:
9120 + 294×3.4 +
410×3.1=11390 
.
Расчётный воздухообмен жилой части здания 9120×0.77=7022 
/час;
воздухообмен в магазинах 1409.9×0.7=987 
/час
Средняя
кратность воздухообмена:
(7022
+ 987)/11390=0.7 1/час. 
=0.7
1/час

-
коэффициент снижения объёма воздуха в здании, учитывающий наличие внутренних
ограждающих конструкций равный 0.85;

-
средняя плотность наружного воздуха за отопительный период, кг/
;

=353/(273
+ 
)=353/(273
+ 5.6)=1.26 кг/
K - коэффициент
влияния встречного теплового потока в конструкциях, k =1.0

=19134.6 

=5103.91 

=0.28×1.0×0.7×0.85×19134.6×1.26×1.0/5103.91=0.78

/
Общий
коэффициент теплопередачи здания 
определяется
по формуле 3.8 СНКК 23-302:

=
+ 
=0.78 +
1.05=1.83
/
Сопротивление
теплопередачи строительных конструкций 
/
:
Нормируемое
для: Проектное для:
наружных
стен магазинов-1.69- наружных стен магазинов-1.63
наружных
стен жилой части-1.97 - наружных стен жилой части 1.76
стен
"холодной" л/к-0.92
стен
"теплого" чердака - 2.56
чердачного
покрытия-3.01 - чердачного покрытия - 1.72
кровли
магазинов-2.25- кровли магазинов - 2.10
остекления-0.38-
остекления - 0.38
Расчётный
температурный перепад Δ
между
температурой внутреннего воздуха и внутренней поверхности ограждающей
конструкции не должен превышать величин (таб.5 СниП 23-02)Δ
=4
-для
наружных стен Δ
=3
-для
потолка
Δ
= n (
-
)/
=20
=5.6
n=1.0,

-
приведённое сопротивление теплопередаче конструкции;

-
коэффициент теплоотдаче внутренней поверхности ограждающих конструкций, 
/
,
принимаемый по таблице 7 СНиПа 23-02:для стен и потолков - 8.7; для остекления
- 8.0.
Для
стен Δ
=(25 - 5.6)/0.92×8.7=2.42
- меньше
нормируемого (ванная).
Для
стен Δ
=(15 - 5.6)/1.25×8.7=0.86
- меньше
нормируемого (чердак).
Для
потолка Δ
=(15 - 5.6)/1.72×8.0=0.68
- меньше
нормируемого (чердак).
Для
остекления Δ
=(20 - 5.6)/0.38×8.7=4.3
-
температура на внутренней поверхности стекла будет 15.7
, что
выше t точки росы (10.7
=
таб.3.2. СНКК 23-302). Отношение площади наружных ограждающих конструкций
отапливаемой части здания к (площади квартир + полезной площади магазина): 
=5103.91/4625.5=1.1
Коэффициент
остеклённости фасадов здания:
P=
/
=815.2/3691.1=0.22
Показатель
компактности здания:

=
/
=4498.84/19134.6=0.24
Температура
на внутренней поверхности остекления: нормируемая больше 10.7
,
расчётная 15.7
.
Удельный расход тепловой энергии за отопительный период: нормируемый -25.0 кДж/
сут,
расчётное - 24.5 кДж/
сут.
Расход тепловой энергии за отопительный период соответствует нормативам, что
позволяет отнести здание к классу энергетической эффективности - "нормальный".
4)
В проекте здания применены энергосберегающие мероприятия:
-
в качестве утеплителя ограждающих конструкций применяются эффективные
теплоизоляционные материалы с низким коэффициентом теплопроводности;
заполнения
металлопластиковых оконных переплётов повышенной герметичности стеклопакетами с
высоким уровнем сопротивления теплопередаче;
утилизация
тепла вытяжного воздуха путём превращения пространства чердака в сборный
вытяжной короб и организации естественно-механической вытяжной вентиляции;
автоматическое
регулирование теплоотдачи нагревательных приборов.
Система
электроснабжения
Проект
электрооборудования жилого дома разработан в соответствии с требованиями СП
31-2003 "Проектирование и монтаж электроустановок жилых и общественных
зданий", и СниП 31-01-2003 "Здания жилые многоквартирные и ПУЭ"
Настоящий
проект разработан в соответствии с действующими на территории РФ нормами и
правилами, обеспечивающими безопасность и здоровье людей при эксплуатации
зданий. Сеть электроснабжения разработана на напряжение 380/220 вольт с
глухозаземленной нейтралью с системой заземления, напряжение у ламп 220 вольт.
Для электроснабжения крышных вентиляторов подпора воздуха и дымоудаления, и
клапанов дымоудаления предусмотрен силовой щит ЩР-1 установленный в элетрощитовой.
Управление системами приточно-вытяжной противодымной вентиляции осуществляется
автоматическим и дистанционным ручным приводом расположенных у эвакуационных
выходов и в помещении пожарного поста.
Для
безопасного обслуживания вентиляторов предусмотрена установка пакетных
выключателей на стаканах вентиляторов.
В
каждой квартире установлен квартирный щиток (ЩК), в которых установлена
аппаратура защиты. Разводка по квартире выполнена кабелем по стенам скрытно под
штукатуркой, в поливинилхлоридных трубах.
В
передней каждой квартиры установить электрический звонок прямого включения на
220 вольт.
Нормы
освещённости приняты согласно СанПиН 2.2.1/2.1.1.1278-03.
Осветительные
сети выполнены кабелем ВВГ скрытно, в трубах замоноличенных в перекрытиях и под
слоем штукатурки в перегородках.
Для
безопасного обслуживания потребителей электроэнергии проектом предусмотрены
зануление с использованием нулевого защитного провода и установка устройства
защитного отключения.
Главную
заземляющую шину выполнить из полосовой стали 40×4 мм и установить в элетрощитовой; соединить с наружным
контуром заземления.
Наружный
контур заземления выполнить вокруг дома на глубине 0.7м от уровня земли из
стальной полосы 40×4
мм (горизонтальные электроды) и угловой
стали (вертикальные электроды).
Жилой
дом отнесен по устройству молнезащиты ко 2 уровню защиты согласно СО
153-34.21.122-2003 и РД 34.21.122-87.
На
кровлю здания положить молниеприёмную сетку из стальной оцинкованной проволоки
диаметром 8 мм с ячейками не более 10×10 м. выступающие металлические элементы на кровле должны быть
присоединены к молниеприёмной сетке. В качестве токоотвода, соединяющего
молниеприёмную сетку с заземлителем использовать арматуру ж/б конструкций. Все
соединения выполнить сваркой.
Сети
связи
Телефонизация
и радиофикация встроенных помещений предусмотрены от слаботочных устройств
жилого дома (от слаботочного отсека щита 1 этажа). Сети выполняются:
телефонизация
- кабелем связи в кабель-канале.
радиофикация
- кабелем связи скрыто под слоем штукатурки в гибкой гофрированной трубе из
самозатухающего ПВХ пластика.
Телефонизация.
Ввод телефонного кабеля предусмотрен
на отметке 0 .00 в асбоцементной трубе диаметром. От места ввода до электрощита
1-го этажа кабель прокладывается в винипластовой трубе в полу в канале,
предусмотренном в архитектурно-строительной части объекта.
Радиофикация.
Ввод телефонного кабеля предусмотрен
на отметке 0 .00 в асбоцементной трубе диаметром. От места ввода до электрощита
1-го этажа кабель прокладывается в винипластовой трубе в полу на вертикальном
участке лестничной клетки, предусмотренной в архитектурно-строительной части
объекта. Абонентский трансформатор устанавливается в слаботочном отсеке
электрощита на 1-ом этаже.
Молниезащита.
Для защита от атмосферных
перенапряжений телевизионная антенна присоединяется к молниеотводу из круглой
стали диаметром, соединяющим антенну с заземляющим устройством и с главной
заземляющей шиной.
Телевидение.
На крыше здания установить
телевизионную антенну коллективного пользования. Телевизионные сети
запроектированы кабелем, прокладываемым винипластовой трубе диаметром по
чердаку, по стояку кабель прокладывается в трубе, предусмотренной для сети
радиофикации.
На
всех этажах в слаботочных отсеках электрощитов устанавливаются телевизионные
распределительные коробки.
Переговорно-замочное
устройство. Установка в подъезде
"VIZIT-SM" на 100 номеров. Блок вызова и электрическая
защёлка, кнопка вызова устанавливаются на входных дверях, блок электроники - в
слаботочном отсеке электрощита 1-го этажа.
Соединительный
кабель между блоком вызова и блоком электроники прокладывается в гибкой
гофрированной трубе. Этажные коммутаторы устанавливаются в слаботочных отсеках,
от блока электроники до блока коммутаторов прокладываются 2 кабеля в
винипластовой трубе диаметром 25 мм. Абонентская сеть от этажных коммутаторов
до аппаратов квартиры выполняется кабелем ПРППМ 2×0.9 в слаботочной канализации до коробок У 75 и далее к
квартирному аппарату в замоноличенной трубе или под слоем штукатурки в
перегородках.
Экспликация помещений
|
№ п./п.
|
Наименование
|
Площадь, м 2
|
|
1
|
Лифтовой холл
|
29.4
|
|
2
|
Межквартирный коридор
|
27.3
|
|
3
|
Коридор
|
73.83
|
|
4
|
Санузел
|
26.4
|
|
5
|
Лестничная клетка
|
15.39
|
|
6
|
Кухня
|
71.27
|
|
7
|
Общая комната
|
110.39
|
|
8
|
Спальная
|
66.13
|
|
9
|
Лоджия
|
14.12
|
|
10
|
Балкон
|
9.26
|
Ведомость проёмов
|
Марка позиции
|
Размер проёма, мм (В×Н)
|
Количество
|
|
ПР 1
|
1500×200
|
3
|
|
ПР 2
|
1350×200
|
1
|
|
ПР 3
|
1300×200
|
1
|
|
ПР 4
|
1000×200
|
5
|
|
ПР 5
|
900×200
|
|
ПР 6
|
850×200
|
1
|
|
ПР 7
|
800×200
|
10
|
|
ПР 8
|
1500×100
|
2
|
|
ПР 9
|
800×100
|
18
|
Ведомость перемычек
|
Марка проёма
|
Эскиз перемычки
|
Марка перемычки
|
Количество
|
|
ПР 1, ПР 2, ПР 3, ПР 4, ПР
5, ПР 6, ПР 7
|
|
Перемычка ПМ 1
|
22
|
|
ПР 8,ПР 9
|
|
Перемычка ПМ 2
|
20
|
Спецификация заполнения проёмов жилого дома
|
Поз.
|
Обозначение
|
Наименование
|
-3.3
|
0.000--33.00
|
Общее кол-во
|
Примеч.
|
|
ОК-1
|
Индивидуальные из
металлопластиковых профилей
|
Оконный блок ОР 17-18
Подоконная доска ПД-1-34×200×1900
|
|
72
|
72
|
Остекление двойное -
стеклопакеты
|
|
ОК-2
|
|
Оконный блок ОР 17-12
Подоконная доска ПД-1-34×200×1300
|
|
12
|
12
|
|
|
ОК-3
|
|
Оконный блок ОР 17-12
(зеркал. Б) Подоконная доска ПД-1-34×200×1300
|
|
12
|
12
|
|
|
ОК-4 Д-5
|
|
Оконный блок 2 ОР 25-6.5
Балконная дверь БР 25-8
|
|
72 36
|
72 36
|
|
|
ОК-5 Д 5
|
|
Оконный блок 2 ОР 25-6.5
Балконная дверь БР 25-8
|
|
72 36
|
72 36
|
|
|
ОК-6 Д 5
|
|
Оконный блок 2 ОР 25-8.5
Балконная дверь БР 25-8
|
|
24 24
|
24 24
|
|
|
ОК-7 Д 5
|
|
Оконный блок 2 ОР 25-8.5
Балконная дверь БР 25-8
|
|
24 24
|
24 24
|
|
|
ОК-8
|
|
Оконный блок ОР 15-6
|
|
11
|
11
|
|
|
ОК-9
|
|
Оконный блок ОР 12-9
|
2
|
|
2
|
|
|
ОК-10
|
|
Оконный блок ОР 6-6
|
2
|
|
2
|
|
|
ДН-1
|
Индивидуального изготовления
|
Наружный дверной блок ДН
23-15
|
|
12
|
12
|
|
|
ДН-2
|
|
Наружный дверной блок ДН
23-13
|
|
12
|
12
|
|
|
ДН-3
|
|
Наружный дверной блок ДН
21-9
|
|
3
|
3
|
|
|
Д-1
|
|
ДГ 21-15
|
|
60
|
60
|
|
|
Д-2
|
|
ДМ 21-9
|
|
60
|
60
|
|
|
Д-3
|
|
ДГ 21-8
|
|
120
|
120
|
|
|
Д-4
|
|
ДГ 21-7
|
|
96
|
96
|
|
Спецификация элементов остекления балконов и лоджий жилого
дома
|
Поз.
|
Обозначение
|
Наименование
|
Кол-во штук
|
Общее кол-во по проекту
|
Прим.
|
|
|
|
0.00--12.00
|
15.00--33.00
|
|
|
|
ИВ-1
|
Индивидуальные из
металлопластиковых профилей
|
Оконные витражи
|
10
|
7
|
17
|
Остекление-двойное
|
|
ИВ-2
|
|
|
10
|
7
|
17
|
|
|
ИВ-3
|
|
|
|
7
|
7
|
|
|
ИВ-4
|
|
|
|
7
|
7
|
|
|
ИВ-5
|
|
|
5
|
7
|
12
|
|
|
ИВ-6
|
|
|
10
|
14
|
24
|
|
Экспликация полов
|
Наименование или номер
помещения
|
Тип пола
|
Схема пола
|
Элементы пола и их
толщина
|
Площадь ( м²)
|
|
Полы на отм. -2.80
|
Техпомещения, коридор, венткамера Б
Бетон кл. В 15- 15 Ц.п. стяжка - 20 Керамзитобетон=1200кг/
м³ - 80
Гидроизоляция 2 слоя гидроизола на битумной мастике -
5
Ц.п. стяжка - 20
Бетон.подготовка кл. В 7.5 - 80
|
Утрамбованный щебнем
грунт98.0
|
|
|
|
Полы на отм. 0.00.
|
|
Лифтовый холл, коридор,
злектрощитовая
|
К
|
|
Керамогранит на ц.п.стяжке
- 15 Ц.п.стяжка - 20 Ж/б покрытие - 140
|
76.0
|
|
Санузлы, Ванные
|
К 1
|
|
Керам. плитка на
клеев.сост. - 10 Ц.п. стяжка армиров.пластик. сеткой - 20 Гидроизол.-1 слой
полиэтил.пленки Экструдир.пенопилистирол- 30 Ц.п.стяжка выравнивающая - 10
Ж/б монолитное перекрытие - 140
|
29.0
|
|
Прихожие, коридоры, кухни
|
Лин.
|
|
Линолеум на теплоиз.основе
- 8 Ц.п. стяжка армиров.пластик. сеткой - 20 Экструдир.пенопилистирол- 40
Ц.п. выравнивающая затирка - 10 Ж/б монолитное перекрытие - 140
|
119.0
|
|
Жилые комнаты
|
Лам.
|
|
Ламинат - 5 По
звукоизол.прокладке "Изоком" - 3 Ц.п.стяжка выравнивающая - 20
Экструдир.пенопилистирол- 40 Ц.п. выравнивающая затирка - 10 Ж/б монолитное
перекрытие - 140
|
180.4
|
|
Балконы, лоджии
|
|
|
Керам.плитка на клее - 10
Ц.п. стяжка армиров.пластик. сеткой - 20 Экструдир.пенопилистирол- 30 Ц.п.
выравнивающая затирка - 10 Ж/б монолитное перекрытие - 140
|
50.0
|
|
Терраса
|
Т
|
|
Тротуарные
плиты(керамогранит) - 25 Клеящий слой Унитекс - 20 Гидроиз.слой-мастика
"Битулак-К" - 10 Армированная бетонная стяжка - 30
Утепл.-экструдир.пенопилистирол - 2сл. - 50 Пароизол.-мастика
"Гермокров-КР" - 7 Ц.п.стяжка с уклоном - 70 Ж/б покрытие - 140
|
228.0 216.0
|
|
Полы на отм.
3,000-33,000
|
|
Лестничная клетка лифтовой
холл, мусорокамера, коридор
|
К
|
|
Керам.плитка на
ц.п.растворе - 15 Ц.п.стяжка - 20 Ж/б покрытие - 140
|
76.0 х 11
|
|
Санузлы, банные
|
|
|
Керам. плитка на
клеев.сост. - 10 Ц.п.стяжка - 20 Гидроизоляция 2 слоя гидроизола на битумной
мастике - 5 Ж/б монолитное перекрытие - 140
|
29.0 х 11
|
|
Прихожие, коридоры, кухни
|
Лин.-1
|
|
Линолеум на теплоиз.основе
- 7 Ц.п.стяжка - 30 Звукоиз.материал "Изоком" - 3Ж/б монолитное
перекрытие - 140
|
119.0 х 11
|
|
Жилые комнаты
|
Лам.-1
|
|
Ламинат - 6 По
звукоизол.прокладке "Изоком" - 3 Ц.п.стяжка - 30 Ж/б монолитное
перекрытие - 140
|
181.0 х 11
|
|
Балконы, лоджии
|
К
|
|
Керам.плитка на
ц.п.растворе - 15 Ц.п.стяжка - 20 Ж/б покрытие - 140
|
50.0 х 4 72.0 х 7
|
|
Балкон эвакуации
|
К 4
|
|
Керам.плитка на
ц.п.растворе - 15 Ц.п.стяжка - 20 2слоя полиэтилена на битумной мастике Ж/б
покрытие - 140
|
10.5 х 11
|
|
Полы на отм. 36,000
|
|
Машин.помещение лифта,
венткамера
|
К 5
|
|
Ц.п.затирка(зажелезнить) -
5 Ц.п.стяжка - 30 Ж/б покрытие - 140
|
47.0
|
|
Чердачное помещение
|
Ц
|
|
Армиров.ц.п.стяжка - 25
Утеплитель Изовер - 80 Пароизоляция Изоспан - 8 Ж/б монолитное перекрытие
- 140
|
381.0
|
1.6
Мероприятия по пожарной безопасности
здание строительство плита монолитный
Согласно СНиП 2,04,01-85* п.6,1 т.1* предусмотрено устройство внутреннего
противопожарного водопровода в 2 струи. В общих коридорах установлены пожарные
краны в шкафах с 2-мя огнетушителями.
В соответствии со СНиП 31-01-2003 "Здание жилые
многоквартирные" п.7.4.5, для внутреннего пожаротушения в каждой квартире
запроектированы пожарные краны КПК для присоединения шлангов с распылителем.
Хранение шлангов с распылителем предусмотрено в шкафчиках из оцинкованной
стали. Согласно СНиП 2,04,01-85* п.6,1 т.1* во встроенных помещениях не
предусмотрено устройство внутреннего противопожарного водопровода при
строительном объеме 1268м³ и 1862м³.
Наружное пожаротушение осуществляется от проектируемых пожарных гидрантов
ПГ-2 и П.
За организацию пожарной охраны и выполнение противопожарных мероприятий
несет ответственность начальник участка или производитель работ. Мероприятия по
пожарной безопасности на строительной площадки должны осуществляться в строгом
соответствии с ППБ- 01-03 "Правила пожарной безопасности в Российской
Федерации".
Проводка временных электросетей и установок электрооборудования должна
соответствовать требованиям СНиП 12-03-2001.
Разведение костров, сжигание отходов и тары не разрешается в пределах
установленных нормами проектирования противопожарных разрывов, ноне ближе 50м
до зданий и сооружений. Сжигание отходов и тары в специально отведенных для
этих целей местах должно производиться под контролем обслуживающего персонала.
На территории строительной площадки и предприятий не разрешается
устраивать свалки горючих отходов. На территории строительной площадки
предусмотрена установка 3 пожарных гидрантов.
Общая площадь временных зданий без складов - 165 м²
Навесов -54 м²
Закрытых складов -66 м²
Склады открытого типа - 240 м²
Нормы первичных средств пожаротушения:
Пожарных щитов в полном комплектации ЩП-А - 2 шт.
Пожарных щитов в полном комплектации ЩП-Е - 1 шт.
При производстве газосварочных работ в помещениях использовать
передвижной пожарный щит в полном комплекте.
Емкость с водой V=200л
Ящик с песком V=0,5м³
Хранение горюче-смазочных материалов на стройплощадке не предусмотрено.
.7
Мероприятия по обеспечения доступа инвалидов
Проектом предусмотрено проживание маломобильных групп населения на 1-ом
этаже жилого дома.
Продольный уклон пути движения обеспечен 2-3%.
Поперечный уклон пути движения 1-2%.
Высота бортового камня в местах пересечения тротуаров с проезжей частью
не превышает 0.04м.
Покрытие пешеходных дорожек - твёрдое.
Открытые лестницы продублированы пандусами с уклоном 8%, шириной 1.2 м.
Все площадки расположены вне габаритов путей движения и оборудованы
скамьями.
Площадки крыльца имеют ограждения, поверхность крыльца и ступеней -
твёрдая.
Ширина дверных проёмов не менее 0.9 м, порогов не более 0.025 м.
Поручни с двух сторон марша лестниц на высоте 1.2 м. Поручни пандуса в
жилой дом на высоте 0.7 и 0.9 м.
Требования к освещению проектом выполнены.
Лифт имеет достаточные габаритные размеры, пульт управления движением
лифта находится на досягаемом расстоянии.
2.
Расчётно-конструктивный раздел
.1 Расчёт
монолитной плиты перекрытия
Расчёт монолитного перекрытия с плитами опёртыми по контуру
1. Исходные данные
- Назначение здания - жилой дом.
Район строительства - город Туапсе.
Конструктивная схема здания - жёсткий железобетонный каркас в монолитном
варианте.
Размер здания в плане (в осях) 16×32м. С шагом несущих конструкций вдоль
здания - l1=4м, поперёк - l2=6м.
Временная нагрузка на перекрытие по таблице 3(1) - 1500 Н/м 2.
Бетон тяжёлый класса B20.
Рабочая арматура плиты класса B500.
2. Конструктивная схема перекрытия
Монолитное перекрытие здания представляет собой конструкцию, состоящую из
отдельных плит жестко соединенных с диафрагмой жесткости.
Толщина
плит перекрытия при пролётах 4-7м назначается 80-150мм и не менее h ≥
l1=
=8.9
см.
Конструктивно
принимаем толщину плитыh=14см.
3.
Расчётные характеристики принятых материалов
)
Бетон тяжёлый класса B20.
По
таблице 5.2(2) расчётная призменная прочность Rb=11.5
мПа.
Расчётное
сопротивление осевому растяжению Rbt=0.9 мПа.
По
пункту 5.1.10(2) коэффициент условий работы при длительно действующей нагрузке 

b1=0.9.
Расчётное
сопротивление бетона с учётом 

b1=0.9.
Rb= 11.5 × 0.9=10.35 мПа = 1.035 кН/см 2.
Rbt= 0.9 × 0.9= 0.81 мПа = 0.081 кН/см².
По
таблице 5.4(2) модуль упругости бетона:
Eb=27.5 × 103мПа=27.5 × 102кН/см².
)
Рабочая арматура класса B500.
По
таблице 5.8(2) расчётное сопротивление арматуры растяжению:
Rs=415
мПа=41.5 кН/см².
По
таблице 5.2.10(2) модуль упругости арматуры
Eb=
2.0 ×
105 мПа= 2.0 × 104кН/см².
.
Сбор нагрузок на 1м²
|
№ п/п
|
Наименование нагрузок
|
Подсчёт
|
Нормативная Н/м²
|
  f Расчётная
Н/м²
|
|
|
1. Постоянная: - Ламинат t=5мм,
ρ=900
кг/м³ -Звукоизоляционная
прокладка "Изоком" t=3мм, ρ=45 кг/м³ -
Выравнивающая цементно-песчанная стяжка t=20мм, ρ=1800 кг/м³ -
Экструдированный пенополистирол t=40мм, ρ=30 кг/м³ -
Выравнивающая песчанно-цементная затирка t=10мм, ρ=1800 кг/м³ - Ж/Б
монолитное перекрытие t=140мм, ρ=2500 кг/м³ -
Перегородки ρ=75
кг/м²
|
9000×0.005 0.003×450 0.02×18000 0.04×300
0.01×18000 0.14×25000
|
45 1 360
12 180 3500 750
|
1.2 1.2 1.3 1.2 1.3 1.3
1.1
|
54 2 468
14 234
4550 225
|
|
Итого:
|
gn=
|
4848
|
g=
|
5547
|
|
2. Временные -Полезная
нагрузка по табл. 3 (1)
|
|
1500
|
1.3
|
1950
|
|
Итого:
|
Vn=
|
1500
|
V=
|
1950
|
|
Всего:
|
Pn=
|
6348
|
P=
|
7497
|
5. Статический расчёт
Расчётная
схема монолитного перекрытия представляет собой многопролётные неразрезные
плиты, опёртые по контуру, так как отношение 
=
= 1,5
2;
загруженные равномерно распределенной по всей площади, которые можно
распределить на отдельные плиты и расчёт вести по таблицам как жестко заделанную
четырём сторонам.
Для пролётных моментов: Для опорных моментов:
M1 =βc9×P M1 = αc9×P
M2 =αd9 ×P M2 =βd9×P
Определяем значение коэффициентов:
αc9= 0.0208 βc9 = 0.0464
αd9 = 0.0093 βd9 = 0.0206
Нагрузка на отдельную плиту:
P = p×l1×l2 = 7497× 4
× 6 = 179928 = 180кН.
Изгибающие моменты на полосе шириной 1м.
M1
= αc9×P
= 0.0208 ×180 = 3.7кН×м.
M2=αd9 ×P
= 0.0093 ×180 =1.6 кН
×
м.
M1 = βc9×P
= 0.0464 × 180 =8.3 кН × м.
M2 = βd9×P
= 0.0206 × 180 = 3.7 кН × м.
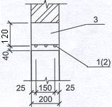
6. Расчёт арматуры плиты
Расчёт производим как прямоугольного сечения с размерами:
b×h=100×14см.
Рабочая высота сечения:
h0 = h - a = 14
-2.5 = 11.5см.
Принимаем a= 2.5см.
7. Армирование плиты
Монолитную плиту перекрытия армируют рулонными сетками. Сетки С1, С2, С3,
С4, С5, С6, С7 расположены в нижней зоне плиты, сетки С8, С9, С10, С11, С12,
С13 в верхней зоне.
Арматура нижней сетки по пролётным моментам:
M1 = 3.7кН × м.2 = 1.6кН ×
м.
As1 = 
=

=
0.86см²
По
сортаменту принимаем 7Ø4B500,
As = 0.88см², шаг 150 мм.
As2 = 
= 
= 0.37см
2
По сортаменту принимаем 7Ø3B500, As = 0.49см 2, шаг 150 мм.
Конструирование сеток
С1
× 2220 × 11980 ×
С2
×1790×6200×

С3
× 3320 × 12000 ×
С4
×1700×3320×
С5
×2200×3320×
С6
×3240×3320×
С7
× 3320 ×4200 ×
Арматура
верхней сетки по опорным моментам:
M1 = 8.3кН
× м.
M2 = 3.7 кН
× м.
s1 = 
=

=
1.93см
2
По
сортаменту принимаем 10Ø5B500,
As = 1.96см 2, шаг 100 мм.
As2 = 
= 
= 0.86см
2
По сортаменту принимаем 7Ø4B500, As = 0.88см 2, шаг 150 мм.
Конструирование сеток
С8
× 3350 × 8260×
С9
× 2250 × 12250 ×
С10
× 3350 ×10000×
С11
× 3350 × 10000 ×
С12
× 1740 × 8000 ×
С13
× 2240 × 8000 × 
2.2
Строительство в сейсмическом районе
Сейсмостойкость зданий и сооружений - способность зданий и сооружений
противостоять сейсмическим воздействиям. Требуемая сейсмостойкость зависит от
расчетной сейсмичности объектов строительства, устанавливаемой в зависимости от
сейсмичности площадки строительства и от назначения здания или сооружения.
Расчетная сейсмичность монументальных и др. особо ответственных зданий и
сооружений, возможные повреждения или разрушения которых могут нанести большой
ущерб, принимается на 1 балл выше, чем сейсмичность площадки строительства (см.
Антисейсмическое строительство). Для одноэтажных промышленных зданий с числом
работающих не более 50 чел. и для одноэтажных административных, торговых и
жилых зданий квартирного типа, в которых может быть обеспечена быстрая
эвакуация находящихся в них людей, допускается снижение расчетной сейсмичности
на 1 балл. Здания, разрушения которых не связаны с человеческими жертвами или с
порчей особо ценного оборудования, животноводческие и временные постройки
разрешается возводить без учета сейсмостойкости. Расчетная сейсмичность всех
др. зданий принимается равной сейсмичности площадки строительства.
Как правило, комплекс антисейсмических мероприятий предусматривает
обеспечение сохранности несущих конструкций, выход из строя которых угрожает
обрушением здания или его частей. При этом допускается возможность повреждения
некоторых второстепенных несущих элементов. Поскольку в расчете конструкций на сложные
сейсмические воздействия допускается ряд упрощений и условностей, при
проектировании вводятся некоторые планировочные и конструктивные ограничения.
Установлены предельные (в зависимости от расчетной сейсмичности) размеры зданий
в плане и по высоте. Причем, если длина здания превышает установленную
величину, оно должно быть расчленено на отсеки, разделяемые антисейсмическими
швами, обеспечивающими независимое колебание соседних отсеков. Установлены
также предельные значения высоты этажей, отношений высоты этажей к толщине стен
и предельные расстояния между осями стен каменных зданий.
Конструктивные мероприятия по обеспечению сейсмостойкости относятся и к
основным (фундаменты, стены, перекрытия) и к второстепенным {перемычки,
перегородки, лестницы и т. д.) частям зданий. Особые требования предъявляются к
стенам каменных зданий. Различные типы кладки стен отнесены к четырем
категориям по их сейсмостойкости. Прочность и устойчивость стен, выполненных из
штучных каменных материалов, достигаются только при надежном сцеплении между
камнями и раствором. В многоэтажных зданиях" с каменными стенами
устраиваются т. н. антисейсмические обвязки (обычно в виде железобетонного
пояса с непрерывным армированием, укладываемого по периметру всех несущих стен
в уровне перекрытий, объединяющего в единое целое сборные элементы перекрытий и
связывающего перекрытия со стенами). Крупнопанельные и каркасно-панельные
здания, запроектированные с учетом равномерного распределения жесткостей и при
надежном обеспечении связи между панелями, относятся к наиболее сейсмостойким
зданиям. Перекрытиям и покрытиям сейсмостойких зданий должны быть приданы
свойства жесткой диафрагмы, обеспечивающей пространств. неизменяемость здания.
Монолитные железобетонные перекрытия, надежно связанные со стенами, полностью
удовлетворяют этим требованиям. В сборных железобетонных перекрытиях это
достигается замоноличиванием.
К сооружениям водопровода, канализации и теплофикации предъявляются
дополнительные требования только в р-нах сейсмичностью 8 и 9 баллов. Особенно
важно обеспечение с водопроводных сооружений, необходимых для тушения
возникающих при землетрясении пожаров. В основном это достигается устройством
двух источников водоснабжения, рассредоточением резервуаров и искусств,
водоемов, а также применением эластичных соединений между трубами.
Основными принципами обеспечения сейсмостойкости, установленными на
основе анализа повреждений зданий и сооружений при землетрясениях, являются:
равномерное распределение сейсмических сил посредством применения простых форм
в плане с равномерным и симметричным распределением объемов, масс и жесткостей
несущих элементов; уменьшение сейсмических сил путем облегчения собств. веса
конструкций и понижения их центра тяжести, а также увеличения допустимой
гибкости несущих элементов; обеспечение восприятия значительных
"пиковых" перегрузок за счет допущения пластичных деформаций в отд.
сечениях, узлах и соединениях конструкций; обеспечение в максимально-возможной
степени совместной пространств, работы всех несущих элементов зданий при
сейсмическом воздействии.
Все здания и сооружения, возводимые в сейсмических р-нах, рассчитываются
на одновременное действие собств. веса конструкций, снеговой нагрузки,
временной нагрузки на перекрытия и сейсмических нагрузки.
Расчет зданий и сооружений на действие сейсмических сил включает:
определение величин и направлений сейсмических сил; непосредственный расчет
конструкций на действие этих сил. Точное определение величин и направлений
сейсмических сил, действующих на сооружение, невозможно, т. к. колебания земной
коры в процессе землетрясения носят случайный характер и не могут быть описаны
аналитически. Долгое время расчет на сейсмостойкость основывался на статической
теории, предложенной японским ученым Омори, согласно которой сооружение считалось
абсолютно жестким и предполагалось, что все его точки имеют ускорения,
соответствующие ускорению основания. При этом сейсмическая сила в каждой точке
сооружения принималась равной произведению ее массы на ускорение земной
поверхности. Несовершенство статической теории очевидно, т. к. она не учитывает
упругих свойств сооружения и процесса его колебаний во время землетрясения.
Настоящий свод правил- СНиП II-7-81 "Строительство в сейсмических районах" устанавливает
требования по расчету с учетом сейсмических нагрузок, по объемно-планировочным
решениям и конструированию элементов и их соединений зданий и сооружений,
обеспечивающие их сейсмостойкость.
Тип здания - каркасное: здание с несущими рамами (каркасом), полностью
воспринимающими вертикальные и горизонтальные нагрузки. Взаимодействующие
элементы рам (колонны, стойки и ригели) сопротивляются осевым нагрузкам,
перерезывающим силам, изгибающим и крутящим моментам.
Здание с рамно-связевой системой: системой, состоящей из рам
(каркаса) и вертикальных диафрагм, стен или ядер жесткости и воспринимающая
горизонтальные и вертикальные нагрузки. При этом горизонтальная и вертикальная
нагрузки распределяют между рамами (каркасами) и вертикальными диафрагмами (и
другими элементами) в зависимости от соотношения жесткостей этих элементов.
В железобетонном каркасном здании конструкцией, воспринимающей
горизонтальную сейсмическую нагрузку, служит: каркас; каркас с заполнением;
каркас с вертикальными связями, диафрагмами или ядрами жесткости. В качестве
несущих конструкций здания высотой более 9 этажей следует принимать каркасы с
диафрагмами, связями или ядрами жесткости.
При выборе конструктивных схем предпочтение следует отдавать схемам, в
которых зоны пластичности возникают в первую очередь в горизонтальных элементах
каркаса (ригелях, перемычках, обвязочных балках и т.п.).
Элементы сборных колонн многоэтажных каркасных зданий по возможности
следует укрупнять на несколько этажей. Стыки сборных колонн необходимо
располагать в зоне с наименьшими изгибающими моментами. Стыкование продольной
арматуры в сборных элементах колонн внахлестку без сварки не допускается.
Продольная арматура сборных элементов колонн длиной до 10,7 м должна состоять
из целых стержней мерной длины.
Стыкование продольной арматуры диаметром свыше 22 мм в монолитном
железобетоне следует выполнено с помощью специальных механических соединений
(опрессованных или резьбовых муфт), а также ручной дуговой сваркой на стальной
скобе-накладке или ручной дуговой сваркой продольными швами с парными
накладками для стержней арматуры диаметром до 22 мм включительно.
Шаг стержней поперечной арматуры - по нормам проектирования
железобетонных конструкций.
Для железобетонных колонн многоэтажных каркасных зданий с арматурой
классов А 400 и А 500 общий процент армирования рабочей продольной арматурой не
должен превышать 6%, а арматурой А 600 - 4%.
Допускается более высокое насыщение колонн продольной арматурой при
условии усиления приопорных участков колонн с помощью конструктивного
косвенного армирования сварными сетками, в количестве не менее четырех.
Участки ригелей и колонн, примыкающие к жестким узлам рам на расстоянии,
равном полуторной высоте их сечения (но не более
высоты этажа или пролета ригеля),
должны армироваться замкнутой поперечной арматурой (хомутами), устанавливаемой
по расчету, но не реже чем через 100 мм, а для рамных систем с несущими
диафрагмами - не реже чем через 200 мм.
Диафрагмы, связи и ядра жесткости, воспринимающие горизонтальную
нагрузку, должны быть непрерывными по всей высоте здания и располагаться в
обоих направлениях равномерно и симметрично относительно центра тяжести здания.
В каждом направлении должно устанавливаться не менее двух диафрагм,
расположенных в разных плоскостях. Допускается в верхних этажах здания
уменьшать число и протяженность диафрагм при сохранении симметричности их
расположения в пределах этажа. Изменение сдвиговой (изгибной) жесткости
диафрагм соседних этажей при этом не должно превышать 20%, а длина диафрагмы
жесткости должна быть не менее высоты этажа.
В зданиях с безригельным каркасом максимальное расстояние между
диафрагмами жесткости не должно превышать 12 м при отсутствии ядер жесткости.
Обрыв нижней арматуры в опорной зоне плиты не допускается.
В качестве ограждающих стеновых конструкций каркасных зданий следует
применять легкие навесные панели. Допускается устройство кирпичного или
каменного заполнения, соответствующего требованиям 6.14.4, 6.14.5.
Применение самонесущих стен из каменной кладки допускается:
при шаге пристенных колонн каркаса не более 6 м;
при высоте стен зданий, возводимых на площадках сейсмичностью 6; 7;8 и 9
баллов, не более 12; 9 и 6 м соответственно.
Для обеспечения раздельной работы ненесущих и несущих конструкций при
сейсмических воздействиях конструкция узлов сопряжения каменных стен и колонн,
диафрагм и перекрытий (ригелей) должна исключать возможность передачи на них
нагрузок, действующих в их плоскости. Прочность элементов стен и узлы их
крепления к элементам каркаса должны соответствовать 5.5 и быть подтверждены
расчетом на действие расчетных сейсмических нагрузок из плоскости.
Кладка самонесущих стен в каркасных зданиях должна иметь гибкие связи с
каркасом, не препятствующие горизонтальным смещениям каркаса вдоль стен.
Между поверхностями стен и колонн каркаса должен предусматриваться зазор
не менее 20 мм.
По всей длине стен в уровне плит покрытия и верха оконных проемов должны
устраиваться антисейсмические пояса, соединенные с каркасом здания.
При проектировании каркасных зданий кроме деформаций изгиба и сдвига в
стойках каркаса необходимо учитывать осевые деформации, а также должен быть
выполнен расчет на устойчивость против опрокидывания.
В зданиях высотой до 12 этажей при обязательном применении железобетонных
диафрагм или ядер жесткости допускается включение в работу на восприятие
сейсмических и вертикальных нагрузок каменных стен, связанных с колоннами и
диафрагмами выпусками арматурных сеток, устанавливаемых с шагом по высоте в
соответствии с требованиями 6.14.13. Сетки должны быть установлены по всей высоте
стен. При этом необходимо выполнение расчетов конструкций здания с учетом
каменного заполнения и без него. Армирование железобетонных элементов следует
выполнять по наиболее невыгодному для них расчету.
Связь стен с колоннами и диафрагмами по вертикали должна осуществляться
не менее чем в трех точках, распределенных по высоте равномерно. Связь с
перекрытиями должна осуществляться с шагом не более 3 м при обязательной
постановке связей в местах сопряжения колонн (диафрагм) и перекрытий (ригелей).
Федеральная целевая программа "Повышение устойчивости
жилых домов, основных объектов и систем жизнеобеспечения в сейсмических районах
Российской Федерации на 2009 - 2013 годы"
(Постановление Правительства Российской Федерации от 23 апреля 2009 г. N 365; Распоряжение Правительства
Российской Федерации от 15 августа 2008 г. N 1197-р).
ВЫПИСКА:
Повышение устойчивости жилых домов, основных объектов и систем
жизнеобеспечения, а также минимизация потерь от землетрясений в регионах с
высоким уровнем сейсмических рисков являются важными факторами устойчивого
социально-экономического развития и обеспечения национальной безопасности
Российской Федерации.
С целью уточнения сейсмической опасности территории Российской Федерации
Российской академией наук в 1991 - 1997 годах были разработаны и дополнены
карты общего сейсмического районирования (ОСР-97) с использованием
усовершенствованных методов и технологий прогнозирования сейсмической
опасности.
Как показали результаты общего сейсмического районирования, сейсмическая
опасность на территории Российской Федерации оказалась более значительной, чем
это представлялось прежде. В соответствии с новыми картами сейсмическая
опасность на территории многих субъектов Российской Федерации была уточнена и
оказалась выше на 1 - 2 и даже 3 балла, то есть уровень сейсмического риска на
этих территориях значительно повысился в сравнении с прежними расчетными
величинами.
Вместе с тем застройка данных районов много лет велась без учета такого
уровня сейсмической активности. Здания и сооружения, построенные до уточнения
величины сейсмической опасности, имеют значительный дефицит сейсмостойкости, их
разрушение в результате землетрясений может привести к огромным людским и
материальным потерям.
Европейская макросейсмическая шкала (EMS) - основная шкала для оценки
сейсмической интенсивности в европейских странах, также используется в ряде
стран за пределами Европы. Была принята в 1998 году как обновление тестовой
версии 1992 года и носит название EMS-98.
Описание сейсмического эффекта:
1 балл - Неощутимое. Не ощущается.
балла - Едва ощутимое. Ощущается только некоторыми людьми, находящимися в
покое в помещении.
балла - Слабое землетрясение. Ощущается в помещениях некоторыми людьми.
Находящиеся в покое в помещении люди ощущают раскачивание или легкое дрожание.
балла - Широко наблюдаемое. Ощущается многими людьми в помещениях, вне
помещений только немногими. Некоторые люди пробуждаются. Окна и двери скрипят,
дребезжит посуда.
баллов - Сильное. Ощущается большинством людей в помещениях, вне
помещений только немногими. Многие спящие люди пробуждаются. Некоторые
испуганы. Все строения дрожат. Висящие предметы сильно качаются. Мелкие
предметы сдвигаются. Окна и двери качаются, раскрываются или закрываются.
баллов - С легкими повреждениями. Многие люди испуганы и выбегают из
помещений. Маленькие предметы падают. Подавляющее большинсто людей ощущает
землетрясение внутри здания. Возможны единичные жертвы от сердечных приступов.
Лёгкие повреждения у большинства зданий: волосяные трещины в стенах домов,
падение кусков штукатурки.
баллов - С легкими повреждениями. Большинство людей испуганы и выбегают
из помещений. Мебель сдвигается и предметы падают с полок в большом количестве.
Многие хорошо построенные обычные дома страдают от умеренных повреждений:
мелкие трещины в стенах, выпадение штукатурки, часть дымовых труб падает,
старые здания могут обнаруживать большие трещины в стенах и выпадение
заполнителей из стен.
баллов - С сильными повреждениями. Многие люди с трудом удерживаются на
ногах. Многие дома имеют крупные трещины в стенах. Некоторые хорошо построенные
обычные дома показывают очень сильные повреждения стен, в то время как старые
слабые постройки могут обрушиться.
баллов - Разрушительное. Общая паника. Многие слабые конструкции
обрушиваются. Даже хорошо построенные обычные дома показывают очень сильно
повреждаются: выпадение стен или частичные конструктивные разрушения.
баллов - Очень разрушительное. Многие обычные хорошо построенные дома
обрушаются.
баллов - Опустошительное. Большинство обычных хорошо построенных домов,
даже некоторые с хорошим антисейсмическим проектом, разрушаются.
баллов - Полностью опустошительное. Почти все здания полностью
разрушаются.
3. Организационно-технологический
раздел
.1 Проект
организации строительства
Административное расположение участка: Российская Федерация,
Краснодарский край, г. Туапсе, ул. Кириченко.
Проект жилого дома по ул. Кириченко в г. Туапсе выполнен на основании
Градостроительного задания и технических условий, представленных в общей
пояснительной записке.
Проект 12-ти этажного жилого дома разработан для IV-Б климатического
района, с расчётной температурой наружного воздуха -7°C.
Уточнённая сейсмичность строительной площадки - 6 баллов.
Расчётная сейсмичность здания - 6 баллов.
Район по весу снегового покрова - I (55кПа).
Категория ответственности - II (ГОСТ 27751-88*).
Категория сейсмобезопасности - III (СНКК 22-301-2000).
Район по скоростному напору ветра III (52 кПа).
Степень огнестойкости здания - II.
Функциональная пожарная опасность - Ф 1.3.
Рельеф участка строительства сложный, имеющий уклоны. Рельеф в пределах
самой строительной площадки искусственно спланирован.
Все строительно-монтажные работы необходимо производить с двух площадок:
нижней- со стороны главного фасада и верховой- дворового фасада, к которым необходимо
выполнить временные подъездные дороги.
До начала строительства здания необходимо выполнение противооползневых
мероприятий: строительство подпорных стен и прокладка запроектированных
магистральных сетей. Очистить территорию от строительного мусора и нарезать
полки бульдозером. Установить временные сооружения (согласно стройгенплану)на
временное основание из Ж/Б плит.
Обеспечение строительства материалами и изделиями выполнить через
строящуюся подъездную дорогу. Проезд автотранспорта к низовой части производить
по вновь построенному проезду, к верховой - с западной стороны того же проезда
Монтаж стилобатной части здания вести автомобильным краном КС-45717К, основного
12-этажного корпуса здания вести башенным краном КБ-408. При работе кранами
необходимо выставить сигнальщиков и ограничить рабочую зону крана на местности
хорошо видимыми, яркими знаками.
Территория строительства ограждается временным забором с въездными
воротами, предупреждающими и информационными знаками, стендами.
На строительной площадке располагаются: бытовые помещения, склады,
навесы, мобильные туалеты с биологической очисткой "Эконом",
контейнеры для сбора бытовых отходов, посты мойки колёс с оборотным
водоснабжением "Мойдодыр К-1".
Вся территория охраняется и освещается в ночное время. На период
производства работ прокладываются временные сети водоснабжения, канализации и
электроснабжения, подключение которых производится от вновь проложенных сетей.
Для пожаротушения использовать установленный гидрант возле строящегося
здания. Для обязательного исполнения пожарной безопасности и не загрязнения
окружающей среды категорически запрещается сжигание мусора.
Все строительные отходы, отработанное топливо и бытовой мусор необходимо
утилизировать на специальные площадки по переработке мусора.
Строительство вести в строгом соответствии с ППР, нормативными
документами и соблюдением правил техники безопасности.
3.2
Краткая характеристика объекта и местных условий
Административно участок расположен: Российская Федерация, Краснодарский
край, г. Туапсе. Со всех сторон участок ограничен лесным массивом.
Рельеф исследованного участка имеет уклоны. Имеются подъездные пути,
заезд на участок с северной стороны. С южной, восточной и западной части
участок ограничен склонами имеющие перепады до 16 м. Перед началом
строительства объекта необходимо
выполнить противооползневые мероприятия, в частности выполнить
строительство подпорных стен на южной, восточной и западной сторон участка.
Геолого-литологическое строение:
Геолого-литологический разрез до глубины 10,0м сверху вниз представлен
следующими слоями:
СЛОЙ 1 - Глина дресвяная, сильно набухающая
СЛОЙ 2-Мергели.
Организация рельефа:
Баланс земляных масс: Выемка - 27 680,7 м³, насыпь - 1 362,9 м³.
Для пешеходной части запроектировано покрытие из бетонных плит тротуарных
типа "катушка", на отмостках из асфальта, проезжая часть из
асфальтобетона, территория детской площадки из спецпокрыия "ГИМИБО"
Противооползневые мероприятия:
Предусматривается устройство тонкостенных монолитных железобетонных
подпорных стен общим объемом 329,69 м³ с дренажной системой.
Конструктивные решения:
Проектируемое жилое здание представляет собой вытянутое многоугольное
здание с общими размерами 16.00х 32.00 м с пристроенным двухэтажным каскадным
объемом общественного назначения. Этажность дома 12 этажей. В жилой части 60
квартир с жилой площадью 2170,3 м².
В пристроенной части здания на отметке -3.30 располагается магазинпо
продаже товаров повседневного спроса, с вспомогательными помещениями. На этаже
имеются обособленные техпомещения для размещения технических коммуникаций
относящиеся непосредственно к жилому дому. В магазин вход осуществляется с
террасы, которая является кровлей нижерасположенных магазинов и парикмахерской.
На отметке -6.60 запроектированы магазины промышленных товаров и дамская
парикмахерская.
Фундаменты для основного здания - монолитный железобетонный ростверк с
буронабивными сваями, для торгово-бытового комплекса- монолитный ленточный
железобетонный под наружные стены и монолитные железобетонные столбчатые под
каркас здания.
Наружные
стены выполняются из газосиликатных блоков толщиной 200, 400 мм (۴=800кг/
м³) с
отделкой с наружной стороны многослойной теплоизоляцией минераловатнымиплитами
Isover Fasoterm PF и NF -70 мм, на торцевых стенах-100 мм.
Кровля
- чердачная, с внутренними водостокам. Покрытие - рулонное (Изопласт) по
профнастилу.
Внутренние
межквартирные стены из газосиликатных блоков толщиной 200 мм, внутриквартирные
перегородки из газобетонных блоков-панелей толщ. 100 мм.
Ограждения
балконов - армоцемент по стальному каркасу с декоративным покрытием (Н=1200
мм).
Оконные
и балконные дверные блоки - металлопластиковые, индивидуального изготовления,
выполненные специализированной фирмой. Остекление - стеклопакеты. Цвет пластика
- белый. Внутренние дверные блоки по ГОСТ 6629-88. Служебные двери по ГОСТ
24698-81.
Фасады
здания решены в соответствии с современными тенденциями и опытом строительства
зданий в курортных районах Черноморского побережья с применением динамических
силуэтов и элементов фасадов, полукруглых балконов, витражей и ограждений.
Наружная
отделка: цоколь облицевать плитами "искусственного песчаника".
Наружные стены, экраны балконов - штукатурка "Edelkratzputz" с
последующей окраской "Caparol".
Внутреннюю
отделку помещений предполагается выполнить согласно ведомости отделки
помещений. Все стены и откосы оштукатурить, перегородки зашпатлевать,
поверхность потолков затереть, выполнить подготовку под полы, а также все
подготовительные работы под окончательную отделку.
Полностью
отделку выполнить только в помещениях общего пользования и технических
помещениях.
Жилой
дом на 60 квартир оборудован двумя лифтами: грузовым - 630 кг и пассажирским
-400 кг.
Благоустройство
и озеленение территории согласно генплана. Жилой дом-955 м², площадка для детей -156,2 м², площадка для отдыха взрослых - 29,6 м², для сушки белья 43,2 м²,площадка для мусороконтейнера - 10,7 м², стоянка автомобилей - 382,7 м² на 30машиномест. Площадь участка I очереди -5350 м², площадь застройки- 955м², площадь с твердым покрытием - 3285 м², площадь озеленения - 1110 м².
Наружные
сети водоснабжения:
Водопровод
к дому запроектирован от ранее запроектированного водовода Д 315 мм. Сеть
водоснабжения выполняется из полиэтиленовых напорных труб. И стальных водогазопроводных
труб (ввод в здание) (L=24 м). Наружное пожаротушение осуществляется пожарными
гидрантами установленными в колодцах ПГ-2 и ПГ-4.
Наружные
сети канализации:
Канализация
к дому запроектирован от ранее запроектированного трубопровода канализацииД 350
мм по ул. Кириченко с устройством колодца в точке подключения. Сеть бытовой
канализации выполняется из полиэтиленовых напорных труб НПВХ Д 160 мм (L=25 м)
и
Д
225 мм. (L=172 м). На сети установлено 17 колодцев Д 1500 мм и Д 1000 мм.
Наружные
сети теплоснабжения:
Источником
теплоснабжения являются тепловые сети котельной ТК 1 по у. Калараша (котельная
на территории ФГУ ТХКК им. Пирогова). Проектом предусматривается смешанная
прокладка трубопроводов с тепловой изоляцией из пенополиуретана.
Наружные
сети электроснабжения:
Для
электроснабжения проектируемого объекта необходимо в районе ул. Кириченко
построить новую распределительную трансформаторную подстанцию, с двумя
трансформаторами.
.3
Строительный генеральный план
Расчет потребности во временных зданиях и сооружениях
Расчет площадей инвентарных зданий санитарно-бытового назначения
производится исходя из численности работающих, занятых на строительной площадке
в наиболее многочисленную смену 82 рабочих и 15 ИТР, МОП, служащих, охраны).
Расчет представлен в виде таблицы.
|
Временные здания
|
Количество, работающих,
чел.
|
Количество одновременно
пользующихся %
|
Площадь помещения на одного
рабочего, м²Общая
площадь, м²
|
|
|
Контора
|
15
|
100%
|
4
|
60
|
|
Гардеробная
|
82
|
70%
|
0.7
|
40.18
|
|
Душевая
|
82
|
50%
|
0.54
|
22.14
|
|
Умывальная
|
82
|
50%
|
0.07
|
2.87
|
|
Сушилка
|
82
|
40%
|
0.2
|
6.56
|
|
Помещение для обогрева
|
82
|
50%
|
0.1
|
4.10
|
|
Помещение для приема пищи
|
82
|
50%
|
1
|
41.00
|
|
Туалет
|
97
|
100%
|
0.07
|
6.79
|
На основании полученных расчетов принимаем в качестве временного
размещения:
Контора (диспетчерская) - сборно-разборное здание 10*6 м².
Санитарно-бытовые - инвентарный вагончик - 2 шт.
Санитарно-гигиенический блок-контейнер - 1 шт.
Туалет с биологической очисткой - 2 шт.
Контейнерная для приема пищи - 1 шт.
При наличии организованного питания рабочих за пределами строительной
площадки, контейнерную для приема пищи возможно не устанавливать. В пределах
300 м от строительной площадки располагаются заведения общественного питания.
По мере готовности строящегося здания, возможно временное приспособление
для нужд строительства вновь построенных постоянных помещений здания с
последующим их восстановлением и ремонтом по окончании их использования, взамен
инвентарных (сборно-разборных) временных зданий.
При получении разрешения на подключения объекта к центральной городской
канализации заменить биотуалеты на оборудованные туалетные помещения с их
подключением в действующую сеть канализации.
Площадь складов определена по расчетному запасу каждого материала:
рас = Qобщ/Т*n*k1*k2,
где Qрас - расчетный запас материала на складеобщ - Общее количество
материала необходимое для строительства- норма запасов материала в днях.-
коэффициент неравномерности поступления материалов на склады принимаемый 1,1-
коэффициент неравномерности потребления материалов принимаемый равным 1,3
Полезная площадь склада Fп без проходов равна Fп = Qрас/q, где q - норма
складирования на 1 м² площади склада.
Расчетная площадь склада с проходами
= Fп/b,
где b - коэффициент использования площади склада, установленный в зависимости
от типа склада.
Вычисления в виде таблицы прилагаются.
Из таблицы видно, что площадь складов составляет:
•
Навесов -53,85
м²
принимаем размеры 6*9 м
•
Закрытых складов -65,14 м² принимаем размеры 6,6*10 м
•
Склады открытого типа - 240,27
м²
Потребность
в электроэнергии, воде, кислороде
Потребность
в ресурсах определяется по формулам:
Рп
= К1 х Р (электроэнергия, топливо, пар)
Вп
= К2 х В (вода, кислород)
где:
К1 = 0,83 (для Краснодарского края)
К2
= 0,98 (для Краснодарского края)
|
Наименование ресурсов
|
Един. измер.
|
Уд. норма ресурсов на 1
млн. руб.
|
Объем СМР, привед. к 1
террит. поясу
|
Коэфф. К1 и К2
|
Потребность в
энергоресурсах
|
|
Электроэнергия
|
кВа
|
185
|
1,212
|
0,83
|
186,1
|
|
Топливо
|
тонн
|
69
|
1,212
|
0,83
|
69,41
|
|
Вода для пожаротушения
|
л/сек
|
для площ. 50 га
|
1,212
|
-
|
15
|
|
Сжатый воздух
|
л/сек
|
0,23
|
1,212
|
0,98
|
0,27
|
|
Сжатый воздух
|
компр.
|
3,2
|
1,212
|
0,98
|
3,8
|
|
Кислород
|
м³
|
4400
|
1,212
|
0,98
|
5.226
|
СМР в ценах 2000 г. - 19 300+1051=20 351 тыс. руб.
Коэффициент перевода в цены 1984 г. - 89,76/5,727=15,673
Приведенный объем СМР: (20351/15,673)/1,05*1,02= 1,212 млн. руб., где
1,05*1,02 - индекс перехода из цен 1984 г. в цены 1969 г.
.4 Краткое
описание методов производства работ
Строительно-монтажные работы по возведению 12-ти этажного жилого дома с
торгово-бытовым комплексом по ул. Кириченко в г. Туапсе необходимо вести в
строгом соответствии с проектно-сметной документацией, действующими
строительными нормами и правилами;
соблюдая СНиП "Безопасность труда в строительстве",
"Устройства и безопасной эксплуатации грузоподъемных кранов, подъемников и
вышек". Пожарная безопасность на строительной площадке должна
обеспечиваться в соответствии с требованиями ППБ-01-03 "Правила пожарной безопасности
при производстве строительно-монтажных работ".
До начало производства работ необходимо разработать проект производства
работ. Без ППР приступать к работам по бетонированию запрещается. Работы
нулевого цикла выполнять в строгом соответствии с ППР. Бетонирование конструкций
при отрицательных температурах вести в соответствии с п.2.53 СНиП 3.03.01-87.
Строительство вести в соответствии с календарным планом. Технологическая
последовательность должна соответствовать проекту производства строительных
работ. Перечень видов работ, для которых необходимо составлять акты
освидетельствования скрытых работ: а) армирование колонн; б) устройство ж/б
диафрагм; в) армирование монолитных перекрытий; г) прочность сцепления раствора
с кладкой; д) армирование и крепление к каркасу кладки из к/б блоков.
Для монтажа подземной части сооружения необходимо использовать
автомобильный кран КС-45717К. Для монтажа надземной части сооружения необходимо
использовать башенный кран КБ-408.
Подъездная дорога для работы автокранов должна быть выполнена в
соответствии со стройгенпланом. Стоянки крана КБ-408 и КС-45717К опасные зоны
его работы обозначить на местности яркими, хорошо видимыми знаками и надписями.
Входы в строящееся здание должны быть защищены сверху сплошным козырьком.
При производстве работ по возведению здания необходимо предусмотреть
предохранительные козырьки по периметру наружных стен.
Производственный контроль качества работ должен включать входной контроль
рабочей документации, конструкций, материалов и оборудования, операционный
контроль отдельных строительных процессов и приемочный контроль
строительно-монтажных работ.
При входном контроле строительных конструкций, изделий, материалов и
оборудования следует проверять внешним осмотром соответствие их требованиям
стандартов или других нормативных документов и рабочей документации, а также
наличие и содержание паспортов, сертификатов.
При операционном контроле следует проверять соблюдение технологии
выполнения строительно-монтажных процессов, соответствие выполняемых работ
рабочим чертежам, строительным нормам, правилам и стандартам.
При приемочном контроле необходимо производить проверку и оценку качества
выполненных строительно-монтажных работ, а также ответственных конструкций.
Нахождение людей в опасной зоне монтажных работ, при подъеме и опускании
конструкций - категорически запрещается! Границы опасных зон вблизи
движущихся частей машин и оборудования определяются в пределах 5 метров
(установить леерное ограждение). Все строительные работы должны вестись в
присутствии производителя работ.
Автомобильные краны устанавливаются и используются в четком соответствии
с действующими нормативными документами. В связи со сложными условиями
строительства предусматриваются следующие ограничения и мероприятия:
ограничить рабочую зону крана, границы рабочей зоны на местности выделить
хорошо заметными, яркими знаками (сигнальной лентой, красными флажками...).
при погрузочно-разгрузочных работах с транспортных средств на площадки
складирования категорически запрещается нахождение людей в зоне работы крана.
ограничить рабочий сектор стрелы;
при производстве работ краном необходимо выделить зону ограничения выноса
груза краном;
при погрузочно-разгрузочных работах, подаче арматурных сеток и щитов
опалубки установить временное ограждение и выделить хорошо заметными яркими
знаками (сигнальной лентой, красными флажками, выставить сигнальщиков не
допускающих нахождения людей в опасной зоне).
Подъем опалубки или форм осуществляется автомобильным краном только после
полного освобождения их от бетона.
4. Мероприятия
по охране труда, сохранению окружающей среды
Организация на строительной площадке участков работ и рабочих мест должна
обеспечить безопасность труда работающих на всех этапах выполнения монтажных
работ согласно СНиП 12- 03-2001, СНиП 12-04-2002, СанПиН 2.2.3.1384-2003.
Источником загрязнения окружающей среды в период выполнения монтажных
работ являются загрязнения, образующиеся в процессе хозяйственной и
производственной деятельности работающих на строительной площадке. Для
недопущения загрязнения дорог и проездов
предусмотрены очистные установки с комплектом оборудования с системой
оборотного водоснабжения "Мойдодыр-К".
До начала основных строительно-монтажных работ должны быть подготовлены и
введены в действие санитарно-бытовые помещения с установкой мобильных туалетных
кабин "Эконом".
Контроль состояния природной среды в районе ведения строительных работ
производится в соответствии с предписаниями местных органов Госкомприроды и
Санэпидемслужбы.
Контроль качества строительных работ
Контроль качества строительно-монтажных работ должен осуществляться
согласно СниП 12-01-2004 специальными службами, привлекаемыми строительной
организацией. Контроль качества является комплексным.
Основными задачами контроля качества являются:
обеспечение соответствия выполняемых работ проекту и требованиям
действующих нормативных документов;
соблюдение сроков выполнения работ;
предупреждение брака и дефектов а процессе производства работ;
обеспечение входного контроля рабочей документации, конструкций;
соблюдение мер безопасности и охраны труда.
Перечень мероприятий по охране окружающей среды
В соответствии с требованиями Постановления Правительства РФ № 87 от
16.02.2008 "О составе разделов проектной документации и требованиях к их
содержанию", в составе проектной документации на строительство объектов
различного назначения должен разрабатываться раздел № 8 "Перечень
мероприятий по охране окружающей среды".
Раздел проекта разрабатывается на основании утвержденного технико-
экономического обоснования строительства, схем и проектов районной
планировки городов и населенных пунктов, схем генеральных планов промышленных
объектов с учетом требований территориальных схем охраны природы, бассейновых
схем комплексного использования и охраны водных ресурсов, а также материалов
инженерно-экологических изысканий, выполненных для подготовки проекта.
Данный раздел в составе проектной документации содержит комплекс
мероприятий(предложений) по рациональному использованию природных ресурсов в
строительстве и технических решений по предупреждению негативного воздействия
проектируемого объекта на окружающую природную среду. Состав и содержание
раздела могут уточняться применительно к требованиям специфики проектирования
предприятий соответствующих отраслей промышленности или параметров жилищно-гражданских
объектов.
Раздел содержит следующие подразделы: результаты оценки воздействия
объекта на окружающую среду, перечень мероприятий по предотвращению и (или)
снижению негативного воздействия намечаемой хозяйственной деятельности на
окружающую среду, охрана и рациональное использование земель при строительстве
объекта; охрана атмосферного воздуха от загрязнения; охрана поверхностных и
подземных вод от
загрязнения и истощения; охрана окружающей среды при складировании
отходов промышленного производства; охрана растительности и животного мира;
оценка предотвращенного экологического ущерба и экономическая эффективность
природоохранных мероприятий; прогноз изменения состояния окружающей среды под
воздействием проектируемого объекта.
В разделе приведены природно-климатические характеристики района
расположения объекта; виды и источники существующего техногенного воздействия в
рассматриваемом районе; характер и интенсивность воздействия проектируемого
объекта на компоненты окружающей среды в процессе строительства и эксплуатации;
количество природных ресурсов, вовлекаемых в хозяйственный оборот; количество
образующихся отходов производства и возможность их использования в других
отраслях промышленности; оценку характера возможных аварийных ситуаций и их
последствия.
Для всех перечисленных форм воздействия объекта в разделе подобраны
проектные решения (перечень мероприятий) по нейтрализации (уменьшению)
негативного влияния объекта на окружающую среду. При этом проведены обоснование
и выбор наилучших технических решений, обеспечивающих предотвращение или
сокращение выбросов в атмосферу, водную среду, снижающих землеемкость объекта,
уменьшающих количество и токсичность отходов производства и т.п.
В разделе также разработан прогноз изменения состояния природной среды и
социально-экономических условий жизни населения в районе размещения
проектируемого объекта. В материалах раздела приведены выводы о соответствии
принятых проектных решений существующему природоохранному законодательству и
рациональном использовании природных ресурсов, подтверждена экологическая
безопасность намечаемой деятельности, а уровень воздействия на окружающую среду
является допустимым, а также конкретизированы полученные результаты для
облегчения экспертизы и согласования проектной документации с органами надзора.
В соответствии с законом Российской Федерации "Об охране окружающей
природной среды" при проектировании, строительстве, реконструкции,
эксплуатации и снятии с эксплуатации предприятий, зданий и сооружений в
промышленности, сельском хозяйстве, на транспорте, в энергетике и
жилищно-коммунальном хозяйстве должны предусматриваться мероприятия по охране
природы, рациональному использованию и воспроизводству природных ресурсов, а
также выполняться требования экологической безопасности проектируемых объектов
и охраны здоровья населения.
С учетом требований закона "Об охране окружающей природной
среды" экологические факторы при принятии решения о строительстве новых
объектов, реконструкции или техническом перевооружении действующих являются
определяющими.
Эти факторы предусматривают жесткие экологические требования к
разрабатываемой документации при принятии проектных решений, требуют оценки
характера использования природных ресурсов, определения параметров воздействия
объекта на компоненты окружающей среды, анализа альтернативных вариантов
размещения объекта, а также составления прогноза экологических и социальных
последствий строительства и эксплуатации объектов.
Возможность строительства новых объектов или реконструкции, расширения,
технического перевооружения действующих определяется наличием сырьевых,
топливных, энергетических, водных и других ресурсов района их размещения, а
также социальных и других потребностей, при этом учет экологических требований
определяет возможность осуществления планируемой деятельности на конкретной
территории, исходя из масштабов и характера ее влияния на окружающую природную
среду.
При разработке раздела выполнены:
оценка современного состояния природной среды и уровня техногенной
нагрузки района размещения объекта;
определен уровень воздействия объекта на окружающую природную среду;
оценка изменений природной среды в результате планируемого воздействия;
оценка последствий воздействия объекта на окружающую среду,
социально-бытовые и хозяйственные условия жизни населения;
определен (произведен расчет) экологического ущерба;
разработаны мероприятия по предотвращению или снижению возможных
неблагоприятных воздействий на среду по основному варианту принятого решения и
дана оценка их эффективности и достаточности;
разработаны мероприятия по организации мониторинга за состоянием
окружающей природной среды.
Все основные решения по вопросам охраны окружающей среды при
строительстве и эксплуатации объекта, а также применяемому комплексу
природоохранных мероприятий должны быть определены при разработке обоснования
инвестиций. При разработке проектной документации эти решения могут быть
дополнены и уточнены.
Раздел содержит следующие основные подразделы:
краткие сведения о проектируемом объекте;
результаты оценки воздействия объекта на окружающую среду;
перечень мероприятий по предотвращению и (или) снижению возможного
негативного воздействия намечаемой хозяйственной деятельности на окружающую
среду и рациональному использованию природных ресурсов на период строительства
и эксплуатации объекта включающий;
результаты расчетов приземных концентраций загрязняющих веществ, анализ и
предложения по ПДВ;
обоснование решений по водоснабжению и водоотведению;
мероприятия по охране атмосферного воздуха;
мероприятия по охране и рациональному использованию земельных ресурсов и
почвенного покрова, в том числе мероприятия по рекультивации нарушенных или
загрязненных земельного участка и почвенного покрова;
мероприятия по сбору, использованию, транспортировке и размещению
отходов;
мероприятия по охране объектов растительного и животного мира;
дана оценка риска возникновения аварийных ситуаций;
перечень и расчет затрат на реализацию природоохранных мероприятий и
компенсационных выплат;
При разработке раздела руководствовались природоохранным законодательством
России, требованиями нормативно-методических документов по охране окружающей
природной среды, положениями различных глав СНиП, инструкций, стандартов,
ГОСТов, регламентирующих или отражающих требования по охране природы при
строительстве и эксплуатации объектов различного назначения.
Охрана окружающей природной среды и рациональное использование природных
ресурсов при разработке раздела рассматривались с учетом природных особенностей
района расположения проектируемого объекта и существующей техногенной нагрузки.
Все параметры объекта оценивались по уровню их воздействия на экологию
прилегающего района и возможности предупреждения негативных последствий
функционирования предприятия для среды в ближайшей и отдаленной перспективе.
При разработке раздела были выявлены:
существующие природно-климатические характеристики района расположения
объекта;
виды, основные источники и интенсивность существующего техногенного
воздействия в рассматриваемом районе (объем выбросов и сбросов, загрязнение
территории и почв, нарушения ландшафта и т.п.);
характер использования и объем (количество) природных ресурсов,
вовлекаемых в хозяйственный оборот, условия их транспортировки к проектируемому
объекту;
характер, объем и интенсивность предполагаемого воздействия проектируемого
объекта на атмосферу, воздушную среду и территорию в процессе строительства и
эксплуатации;
количество отходов производства, степень их токсичности, условия
складирования, захоронения или утилизации;
возможность использования отходов на других производствах и в других
отраслях хозяйства;
возможность аварийных ситуаций на объекте и их последствия;
изменения параметров окружающей среды под воздействием проектируемого
объекта (намечаемой хозяйственной деятельности);
экологические и социальные последствия строительства и эксплуатации
объекта.
В разделе проектной документации разработан прогноз изменения состояния
природной среды и социально-экономических условий жизни населения в районе
размещения объекта.
Разработанный прогноз отражает:
изменения качественного состояния атмосферы с учетом его дополнительного
загрязнения от выбросов проектируемого объекта;
изменения качественного и количественного состояния поверхностных и
подземных вод в районе расположения объекта;
изменения в характере землепользования района расположения объекта;
характер нарушений геологической среды, возможность активизации опасных
геологических процессов и предполагаемый уровень загрязнения почв;
характер воздействия объекта на растительность и животный мир и их
возможные изменения под влиянием строительства и эксплуатации объекта.
Баланс территорий
|
№ п/п
|
Наименование показателей
|
Площадь
|
|
|
м²
|
|
1
|
Площадь участка в границах
землепользования
|
5350
|
100
|
|
2
|
Площадь застройки
|
955
|
17.9
|
|
3
|
Площадь твердого покрытия
|
3285
|
61.4
|
|
4
|
Площадь озеленения
|
1110
|
21.7
|
Результаты оценки воздействия объекта на окружающую среду
Для оценки воздействия проектируемого объекта на состояние окружающей
среды выявлены все параметры его техногенного влияния на атмосферу, территорию,
поверхностные и подземные воды.
При этом были определены:
объем валовых выбросов в атмосферу, виды выбрасываемых в атмосферу
загрязняющих веществ, их количество, источники и приземные концентрации
загрязнения воздуха;
количество сбрасываемых сточных вод, их состав и концентрация, степень
очистки, условия сброса в водные объекты и параметры разбавления сточных вод;
характер воздействия объекта на территорию (площадь отчуждения земель,
параметры нарушения рельефа, почв, степень возможного загрязнения поверхности
земель, воздействие на условия землепользования, сельское хозяйство и т.п.);
уровень физических воздействий (шума, вибраций, электромагнитного и
радиационного излучений);
наименование и количество отходов проектируемого объекта, способы их
удаления, складирования или утилизации.
Характеристики и параметры объекта, требующие уточнения при разработке
проектной документации. При разработке раздела проектной документации
"Перечень мероприятий по охране окружающей среды" для данного объекта
были выполнены следующие уточнения:
по атмосфере:
- перечень, объемы и интенсивность выброса загрязняющих веществ на
проектируемом объекте;
перечень и местоположение источников выброса загрязняющих веществ
проектируемого объекта;
схема размещения сооружений проектируемого объекта.
по водной среде:
- объемы и режим водопотребления и водоотведения проектируемого объекта;
количество и характеристики отводимых сточных вод;
место отведения сточных вод.
по территории и геологической среде:
- гидрогеологические условия (уровни подземных вод, степень загрязнения и
химический состав, виды и концентрация загрязняющих веществ в подземных
водах);
местоположение, состояние и площади нарушенных земель, параметры
нарушения;
площадь отчуждения земель для строительства и эксплуатации объекта.
Краткая характеристика земель района расположения объекта
Район производства инженерно-геологических изысканий изучался с 2008г и
по настоящее время. На период изысканий инженерно-геологическая обстановка не
изменилась и поэтому возможность использования материалов (изыскания проведенные
менее 1 года) обоснована. На склоне северной экспозиции, в 2008году проводились
изыскания под жилой дом в устьевой части погребенной балки.
Инженерно-геологические работы на площадках, ранее изученных, были
выполнены в достаточно полном объеме, глубина изысканий достигала 20,0м. По
результатам инженерно-геологических изысканий площадка была отнесена к III
категории сложности; условно - неблагоприятной для строительства.
Физико-географические и техногенные условия. Согласно СНиП 23-01-99,
район изысканий расположен в нормальной строительно-климатической зоне
(климатический район IV, подрайон IV Б) и относится к первой зоне влажности.
Климат побережья формируется под воздействием физико-географических
условий - незамерзающего Черного моря с юго-запада, Главного Кавказского хребта
с северо-востока и обильной солнечной радиации в течение большей части года.
Для Черноморского побережья характерно наличие сухого периода в летнее время,
положительная температура самого холодного месяца, значительное количество осадков
и высокая влажность воздуха.
В соответствии со СНиП 2.01.07-85* г. Туапсе относится:
к IV району по толщине стенки гололеда;
к району со среднемесячной температурой воздуха в январе +5º;
- к району со среднемесячной температурой воздуха в июле +25º;
- к району по отклонению средней температуры воздуха наиболее холодных
суток от средней месячной температуры в январе -(5º);
Средняя скорость ветра за зимний период составляет - 5м/сек;
В соответствии с СНКК 20-303-2002 г. Туапсе относится к I снеговому и III
ветровому районам Краснодарского края.
Расчетное значение ветрового давления рекомендуется принять равным 0,52
кПа (52 кгс/м²). расчетное значение веса снегового покрова на
горизонтальной поверхности земли рекомендуется принять равным 0,55 кПа (55 кгс/м²).
Рельеф в пределах исследованной площадки прямой искусственно
спланированный. Абсолютные отметки поверхности изменяются. В геоморфологическом
отношении площадка проектируемого строительства приурочена к гребневой части
склона южной экспозиции. Строительная площадка свободна от застройки.
Геологическое строение.
В тектоническом отношении территория проектируемого строительства
находится в пределах Туапсинской структурно-фациальной подзоны, зоны
Новороссийского синклинория, в непосредственной близости от погребенной
антиклинали р. Паук.
С позиции колебательно-волновой природы современных тектонических
движений на фоне вековой периодичности в пределах изученной территории
проявляются более короткие циклы вариаций современной динамики земной коры. В
сейсмических проявлениях выделяются периоды 1915-1927г.г. и 1940-1956г.г.
пониженной сейсмической активности и периоды 1927-1940г.г., 1957-1971г.г.
повышенной активности.
Результаты палеосейсмогеологических исследований показывают, что циклы
сейсмической активности повторяются для слабых землетрясений через 30 лет, а
для сильных через 60-70 лет. Следовательно, изученная территория на современном
этапе вступила в новую фазу активизации сейсмичности, приходящуюся на рубеж
2001-2030 годы.
Гидрогеологические условия.
Подземные воды в пределах пятна застройки не встречены. На близлежащей
площадке расположенной севернее участка застройки, в русловой части погребенной
балки, подземные воды вскрыты скважинами на глубинах от 1,5 до 11,5м.
Гидрогеологические условия участка изысканий характеризуются наличием
одного водоносного горизонта. Воды трещинного типа, безнапорные. Водовмещающими
грунтами являются аргиллитоподобные глины голубовато- зеленоватого цвета.
Питание водоносного горизонта осуществляется за счет инфильтрации атмосферных
осадков.
Подземные воды неагрессивны по отношению к бетону (СниП 2.03.11- 85,
таблица 5,6). По содержанию Cl (мг/л) подземные воды неагрессивны к
железобетонным конструкциям при постоянном замачивании и слабоагрессивны при
периодическом их замачивании (СниП 2.03.11-85, таблица 7). Вода по степени
агрессивного воздействия жидких неорганических сред на металлоконструкции
является среднеагрессивной (СНиП 2.03.11-85, таблица 26).
Свойства грунтов.
Специфические грунты представлены набухающими и элювиальными грунтами.
Набухающие грунты представлены мергелем выветренными до состояния глины и
щебня (ИГЭ-2). Максимально вскрытая мощность слоя 2,5м.
К специфическим особенностям набухающих грунтов относятся способность при
замачивании увеличиваются в объеме. При последующем понижении влажности у
набухающих грунтов происходит обратный процесс - усадка.
Согласно ГОСТ 25100-95, грунты классифицируются как сильно набухающие.
Воздействие объекта на территорию, условия землепользования и
геологическую среду
В период строительства и эксплуатации объектов различного назначения при
несоблюдении мер по защите экологической среды возможны следующие негативные
последствия:
изменение рельефа;
нарушение параметров поверхностного стока;
нарушение гидрогеологических условий площадки строительства и прилегающей
территории.
Нарушение параметров поверхностного стока и гидрогеологических условий
территории выражаются:
в повышении или понижении уровня грунтовых вод;
в изменении их химического состава;
в перемещении областей питания и разгрузки подземных вод.
Изменениясостояния и свойств грунтов происходит в результате:
передачи нагрузок от сооружений;
загрязнения грунтов различными веществами от выбросов, сбросов
предприятия;
при увлажнении или обезвоживании грунтов;
при термическом воздействии на грунты.
Эти изменения приводят к снижению прочности характеристик грунтов,
требующих, специальных мероприятий по стабилизации и упрочнению оснований и
фундаментов сооружений.
Основными требованиями по обеспечению экологической устойчивости
геологической среды при строительстве и эксплуатации объектов различного
назначения является разработка мероприятий по защите строительных площадок и
прилегающей территории от воздействия поверхностного стока и нагрузок от
строящихся сооружений.
Мероприятия по охране и рациональному использованию
земельного ресурса
Территория является не возобновляемым природным ресурсом, использование
ее для строительства приводит к отчуждению и сокращению площади земель других
землепользователей, а также к нарушению или загрязнению поверхности отвода и
прилегающих земель в процессе строительства и эксплуатации объекта.
Размеры земельного отвода для строительства 12-ти этажного жилого дома
с торгово-бытовым комплексом по ул. Кириченко, г. Туапсе определялись в
соответствии с утвержденными нормативами землеемкости строящихся объектов и по
генеральному плану проектируемого объекта. Категория земель: "земли
поселений".
Для охраны земель при строительстве объекта проектные решения
обеспечивают:
- снижение землеемкости проектируемого объекта за счет повышения
этажности и более компактного размещения зданий, сооружений, агрегатов и
установок;
предупреждение территориального разобщения земель, образования
локализованных участков и нарушения межхозяйственных и внутрихозяйственных;
максимальное снижение размеров и интенсивности выбросов (сбросов)
загрязняющих веществ на территорию объекта и прилегающие земли;
устройство ливневой канализации с целью обеспечения дренажа и
предотвращения подтопления земель;
ведение строительных работ исключительно в полосе землеотвода;
хранение дорожно-строительных материалов осуществлять исключительно на
специально подготовленной территории с изолированной системой поверхностного
водоотвода;
рациональное использование земель при временном хранении твердых бытовых
отходов;
своевременную рекультивацию земель, нарушенных при строительстве и
эксплуатации объекта;
снятие и использование почвенного слоя для рекультивации нарушенных
земель или землевания малопродуктивных сельхозугодий.
Размер водоохранных зон устанавливается в соответствии с "Положением
о водоохранных зонах водных объектов и их прибрежных защитных
полосах".(Постановление Правительства РФ № 1404 от 23.11.96 г.)
В пределах водоохранных зон выделяют также прибрежные защитные полосы, на
территории которых вводятся дополнительные ограничения природопользования.
Границы водоохранных зон закрепляются на местности специальными знаками. В
данном случае, участок под строительство расположен вне пределов
водоохранных зон водных объектов.
Мероприятия по охране и рациональному использованию
почвенного слоя
Почвенный слой является ценным медленно возобновляющимся природным
ресурсом, следовательно необходимо свести к минимуму воздействие на почву при
производстве земляных работ. С этой целью при проведении строительных работ на
территории земельного отвода под строительство перед отрытием котлована
необходимо:
снять плодородный слой, т.к. при производстве земляных работ рациональное
использование почвы следует производить на землях всех категорий;
использовать плодородный слой почвы, снятый при строительстве без его
складирования и хранения для рекультивации прилегающих малопродуктивных земель;
снятие плодородного и потенциально-плодородного слоев почвы следует
производить селективно. Плодородный слой почвы использовать для землевания
малопродуктивных земель и биологической рекультивации земель; потенциально-
плодородный слой почвы использовать в основном для биологической рекультивации
земель.
Учитывая, что рельеф площадки сложный и есть необходимость в выполаживании
территории участка строительства, весь грунт, образовавшийся при проведении
землеройных работ, будет использован для этой цели.
Мероприятия по охране недр
Недра используются для:
геологической разведки и изучения месторождений полезных ископаемых;
строительства и эксплуатации различных подземных сооружений;
добычи полезных ископаемых, в том числе использования отходов
горнодобывающего производства и связанных с ними перерабатывающих отраслей
промышленности;
образования особо охраняемых геологических объектов, имеющих научное,
культурное, эстетическое, санитарно-оздоровительное и иное значение
(геологические заповедники, заказники, памятники природы, научные и учебные
полигоны, пещеры и т.п.).
Характер залегания полезных ископаемых ограничивает застройку территории
и в отдельных случаях служит препятствием при выборе участка строительства.
Самовольное пользование недрами и самовольная застройка площадей залегания
полезных ископаемых не допускаются и прекращаются без возмещения затрат,
произведенных за время незаконного пользования недрами.
При выборе участка строительства следует:
обеспечивать установленный законодательством порядок предоставления
территории с полезными ископаемыми под застройку;
предупреждать самовольное использование недр;
соблюдать утвержденные в установленном порядке стандарты, нормы, правила,
регламентирующие условия охраны недр;
обеспечивать охрану зданий и сооружений от вредного влияния работ,
связанных с пользованием недрами.
Восстановление и благоустройство территории после завершения
строительства объекта
После завершения строительства на территории объекта необходимо
предусмотреть:
уборку строительного мусора,
ликвидацию ненужных выемок и насыпей,
выполнение планировочных работ;
проведение благоустройства земельного участка.
Для предупреждения затопления территории ливневыми и талыми водами на
поверхности участка застройки предусмотрена система ливневой канализации и
водоотвода.
После завершения планировочных работ на восстанавливаемую поверхность
участка наносят из резерва почвенный слой мощностью до 30см. для посадки сирени
бархатной.
Устройство газонов производить по насыпке растительного грунта слоем 300
мм. В рядовую посадку деревьев высаживать на расстоянии 4 м., в живую изгородь
кустарники через 400 мм. В посадочные ямы вносить 100% растительной почвы.
Уход за растениями производить комплексный. Регламент содержания
предусматривает следующие основные мероприятия:
регулярный полив зеленых насаждений;
дождевание и обмыв крон деревьев и кустарников для удаления пыли и грязи;
рыхление почвы, удаление сорной растительности; внесение органических и
минеральных удобрений для обеспечения нормального развития растений,
повышения их устойчивости к неблагоприятным экологическим условиям;
санитарную, формовочную обрезку крон, стрижку "живой" изгороди;
посадку цветов;
обработку пестицидами и гербицидами зеленых насаждений для борьбы с
вредителями и болезнями
Дендрологическое обследование территории строительства
Растительность на участке строительства фрагментарная и находится на
начальных стадиях формирования. Она представлена куртинами и единичными 1-5
летними корнеотпрысковыми экземплярами дуба, граба, акации и др. Высота
колеблется от 0,5 до 1,2 м, диаметр 1-10 см. Сомкнутость 0,1 - 0,2.
Травяной покров так же мозаичный, образован пятнами рудеральной (сорной)
растительности: ежевики кавказской, черноголовки обыкновенной, донника
лекарственного, ежи сборной, полевицы тонколистной, бузины травянистой,
амброзии полынолистной, подорожника большого. Проектное покрытие 0,1-0,2.
Животный мир рассматриваемого участка представлен также временно
пребывающими (залетающими) особями птиц - дрозд черный, сойка, ворона серая,
воробей, трясогузка, синица малая и большая, дятел пестрый и др. Из числа
пресмыкающихся здесь может появляться ящерица скальная, а из земноводных -
лягушка озерная. Ввиду того, что земли, на которых планируется строительство
объекта, расположены непосредственно в селитебной зоне застройки города Туапсе,
дикие животные на данной территории не появляются. Не гнездятся также редкие птицы.
Из представителей животного мира в районе размещения объекта сохранились виды,
обладающие широкой экологической пластичностью в основном синантропные животные
(дикие животные, активно использующие плоды жизнедеятельности человека, часто
обитающие непосредственно в жилище человека: мыши, крысы, воробьи, вороны,
ласточки и т.д.). Жизненные циклы этих животных приспособлены к условиям,
созданным или видоизменённым деятельностью человека. Постоянно проживающих
животных на территории участка строительства нет.
Основными факторами воздействия проектируемых объектов на растительный и
животный мир являются:
отчуждение территории под строительство;
прокладка дорог и линий коммуникаций;
загрязнение компонентов среды взвешенными, химическими веществами,
аэрозолями и т.п.;
изменение характера землепользования на территории строительства и
прилегающих землях;
подтопление территории;
изменение гидрологического режима водных объектов, расположенных в зоне
влияния проектируемого объекта;
изменение рельефа и параметров поверхностного стока;
шумовые, вибрационные, световые и электромагнитные виды воздействий при
строительстве и эксплуатации объекта.
Площадка под планируемое строительство находится на урбанизированной
территории, в пределах которой не имеется охраняемых природных объектов,
естественные экосистемы находятся на начальных стадиях формирования также
отсутствуют редкие и исчезающие виды животного и растительного мира, занесенные
в Красную книгу, уникальные деревья и растительные сообщества, а также
лекарственные растения.
Краткая характеристика физико-географических и климатических
условий района и площадки строительства
Город Туапсе расположен на Черноморском побережье Западного Кавказа в IVВ
климатическом районе (СНиП 23-01-99 рис. 1). Климатические особенности района -
тёплая зима и жаркое влажное лето.
Годовая средняя многолетняя температура воздуха 13,6°С. Самым холодным
месяцем является январь со среднемесячной температурой +4,5°С. Имеют место
кратковременные похолодания, абсолютный минимум температуры за период
наблюдений для декабря-февраля составляет минус 19°С.
Расчетная температура отопительного периода -7°С (табл. 3.1 СНКК
23-302-200), продолжительность отопительного периода 159 суток (табл. 3.3 СНКК
23-302-200). Наиболее жаркие месяцы июль, август со среднемесячной температурой
+23,1°С и абсолютным максимумом +41°С. Средняя продолжительность безморозного
периода 255 дней.
В районе строительства из-за особенностей орографии преобладают ветры
северо-восточного направления во все месяцы года и лишь в апреле ветры этого
направления имеют одинаковую вероятность с юго-восточными ветрами.
По средней скорости ветра за зимний период согласно СНиП 2.01.07-85*
участок относится к 5 ветровому району. По расчетному значению ветрового
давления (СНКК 20-303-2002) участок относится к III ветровому району.
Годовая сумма осадков составляет 1424 мм, причем половина выпадает в
холодное время года. Наибольшее месячное количество осадков отмечается в
декабре-январе (165- 162 мм). По снеговой нагрузке (СНКК 20-303-2002) участок относится
к I району. В летнее время режим выпадения осадков, в основном, ливневый.
Согласно СНиП 2.01.07-85* участок приурочен ко II району по весу
снегового покрова (карта 1*); средняя скорость ветра за зимний период 5 м/с
(карта 2); по давлению ветра - V район (карта 3); по толщине стенки гололеда -
IV район (карта 4а); средняя месячная температура воздуха в январе +5°С (карта
5); средняя месячная температура воздуха в июле 25°С (карта 6); отклонение
средней температуры воздуха наиболее холодных суток от средней месячной
температуры в январе составляет 5°С.
Оценка основных элементов климата выполнена на основании данных
наблюдений по метеостанции (МС) Туапсе и ГУ "Краснодарский краевой центр
по гидрометеорологии и мониторингу окружающей среды".
Климатические особенности Черноморского побережья Туапсинского района
определяются его географическим положением, соседством с глубоким и теплым
морем, близостью отрогов Главного Кавказского хребта и движением воздушных масс
(общая циркуляция атмосферы).
Взаимодействие этих факторов и определяет формирование своеобразных
климатических условий. Климат побережья переходный от средиземноморского к
влажному субтропическому. В холодное время года на погоду оказывают влияние
многочисленные подвижные североатлантические циклоны, приносящие арктические
воздушные массы с осадками и холодным северо-восточным ветром. Реже побережье
находится под влиянием сильно развитого отрога азиатского (сибирского)
антициклона с приходом холодных континентальных воздушных масс, определяющих ясную
сухую погоду с холодным северо-восточным ветром.
Зимой часто наблюдается приход теплых средиземноморских циклонов,
приносящих с юго-восточным ветром теплые и влажные воздушные массы, что
способствует большому количеству оттепелей.
В теплое время года побережье почти полностью переходит под влияние
отрогов сильно развитого азорского антициклона. Циклоническая деятельность
ослабевает, и на побережье устанавливается длительный период устойчивой теплой
погоды, изредка прерываемой приходом средиземноморских (август) и
североатлантических (май, июнь) циклонов с сильными ливневыми дождями, грозами,
шквалами, смерчами.
С адвекцией воздушных масс связан режим ветра, облачности,
продолжительности солнечного сияния, термический режим, режим осадков,
влажности и других элементов погоды.
Климату побережья Туапсинского района свойственны, в основном,
благоприятные особенности.
Величина солнечной радиации 104 ккал/см в год, большое число ясных дней
(130) и всего 52 дня без солнца определяют довольно значительную среднегодовую
продолжительность солнечного сияния (2330 часов), большая часть из которых
(1612ч)приходится на теплый (май-октябрь) период. В результате этого в течение
всего года по всему побережью района средние месячные температуры воздуха
обычно положительные и лишь в отдельные редкие годы могут быть отрицательными
(-2,8°С в январе 1950 г.).
Средняя годовая температура воздуха составляет 13,6°С . Различие в
температурном режиме по побережью района не превышает зимой 1-2°, а летом
одного градуса. Наиболее холодные месяцы в году январь и февраль со средней
месячной температурой воздуха соответственно 4,5и 5,2°С. Самые теплые месяцы
июль и август, когда средняя месячная температура воздуха достигает 22-23°С.
Ветровой режим по всему побережью района имеет одинаковый характер.
Особенностью ветрового режима является четко выраженное господство
северо-восточных, и северных ветров. Имеет место и большая повторяемость ветров
юго-восточных и юго- западных направлений. Средняя скорость ветра 3,1 м/с, в
зимний период она увеличивается до 6-7 м/с.
В целом ветровой режим на побережье умеренный, преобладают слабые ветры и
штили, повторяемость которых составляет 90%. Дней с сильными штормовыми
ветрами, скорость которых составляет 15 м/с и более, в году наблюдается в
среднем 30,преимущественно в холодный период. Бора - холодный северо-восточный
ветер (как продолжение Новороссийской боры) возникает на побережье Туапсинского
района в холодный период года (преимущественно в декабре, марте). Скорость
ветра при этом достигает 40 м/с с порывами до 54 м/с - это максимальная
скорость ветра. Бора сопровождается ледяным дождем, снегопадом, гололедом.
Шквалы - резкие непродолжительные усиления ветра, часто с ливнями и
грозами, наблюдаются редко, но они опасны своей неожиданностью. Процент повторяемости
сильных штормовых ветров со скоростью 30 м/с и более составляет всего 0,04%.
Бризовая циркуляция - суточные периодические изменения ветра, как по
направлению, так и по скорости - хорошо выражены на побережье летом
(июль-октябрь). Утром наблюдается береговой бриз (с суши на море), а после
полудня - морской (с моря на сушу). Бриз - слабый местный ветер, и, когда
возникает общая циркуляция поля ветра над Черным морем, он исчезает.
Преобладание на Черноморском побережье района слабых ветров и штилей определяет
благоприятный комфортный ветровой режим для рекреации и хозяйственной
деятельности. Особенно благоприятны бризы и северо-восточные ветры, смягчающие
в летнее время жару, а зиму смягчают теплые юго-восточные ветры. Хотя
повторяемость сильных ветров невелика, но именно они оказывают основное влияние
на хозяйственную деятельность человека.
Увлажненность Туапсинского района довольно высокая. Годовой ход осадков
имеет типично субтропический характер: максимум осадков в декабре (начало
холодного периода), минимум в мае.
Климат Черноморского побережья Туапсинского района в каждом из сезонов
(зима, весна, лето, осень) имеет свои ярко выраженные особенности, хотя его
часто делят на два периода: теплый (апрель-октябрь) и холодный (ноябрь-март).
Анализ результатов наблюдений за длительный период (1914 1988 гг.) позволяет
дать характеристику и по всем четырем сезонам.
Зима сравнительно
мягкая, с положительной среднемесячной температурой.
Наиболее холодные месяцы январь (4,5°С) и февраль (5,2°С). Наблюдаются
частые оттепели (в среднем лишь 4 дня без оттепели), однако в суровые зимы
число дней без оттепели может достигать 20. Морозных дней - 32, но
отрицательная температура воздуха в эту пору не всегда удерживается в течение
суток. Характерной особенностью зимы является учащающаяся повторяемость сильных
ветров с осадками - холодных северо-восточных и теплых юго-восточных.
Весна ранняя, но затяжная, с частыми сменами погоды, с заморозками
в конце апреля и стихийными явлениями (ливни, грозы, паводки, сели, сходы в горах
снежных лавин). Только с 8 мая устанавливается длительный период со
среднесуточной температурой более 15°С.
Лето длительное,
умеренно жаркое и сухое, с преобладанием спокойной погоды, которая
устанавливается еще в мае, с устойчивым переходом суточных температур через
15°С. Оно длится 158 дней (до середины октября). Наиболее теплая летняя пора
наступает в середине июня. Устойчивая среднесуточная температура воздуха,
превышающая 20°С, сохраняется до 10 сентября. В самые жаркие месяцы (июль и
август) среднесуточная температура воздуха достигает 30-35°С. Однако такие
жаркие дни наблюдаются редко, в среднем не более 3-5 дней в месяц. В отдельные
летние дни возможны кратковременные ливневые дожди с грозами, шквальными
ветрами и смерчами. При этом бывает и некоторое понижение температуры воздуха.
С повышением температуры воздуха море быстро накапливает тепло и уже к концу
мая среднесуточная температура морской воды превышает 17°С. Начинается
купальный сезон, длительность которого в среднем равняется 149 дням. Среднемесячная
температура морской воды в июле-сентябре колеблется от 22,4 до 24,7°С. В период
купального сезона при сгонных ветрах на поверхность моря временами поднимаются
холодные глубинные воды(апвеллинг). Самая теплая вода наблюдается в
июле-сентябре, её среднемесячная температура соответственно равна 23,7,24,2 и
22,4°С.
Осень теплая,
среднемесячная температура воздуха в сентябре 19,3°С и воды 22,4°С. Эту пору
принято называть "бархатным сезоном". В октябре, ноябре учащаются
осадки и преобладают северо-восточные ветры.
Заморозки, по многолетним наблюдениям, наступают в середине ноября.
Мероприятия по защите от шума и вибраций
Шумовые или вибрационные воздействия предприятия могут рассматриваться
как энергетическое загрязнение окружающей среды, в частности атмосферы.
Основным отличием шумовых воздействий от выбросов загрязняющих веществ является
влияние на окружающую среду звуковых колебаний, передаваемых через воздух или
твердые тела (поверхность земли).
Величина воздействия шума и вибраций на человека зависит от уровня
звукового давления, частотных характеристик шума или вибраций, их
продолжительности, периодичности и т.д. Шум снижает производительность труда,
является причиной многих заболеваний.
В целях уменьшения шумового и вибрационного воздействия на атмосферный
воздух при строительстве и эксплуатации объекта следует предусмотреть следующие
мероприятия:
предусмотреть ориентацию источника шума в сторону, противоположную
защищаемым от шума объектам;
сосредоточить источники шума в отдельном помещении;
выполнить возможную звукоизоляцию шумного оборудования;
выполнить экранирование агрегатов и установок;
выполнить виброзвукоизоляцию.
Источниками шума в период проведения строительных работ являются
строительная и дорожная техника и грузовой автотранспорт. В непосредственной
близости от зоны строительства находится жилая застройка. Применяемые
оборудование и механизмы - общестроительные, их шумность не превышает
установленных норм.
Для снижения акустического воздействия на жилые зоны в период проведения
работ необходимо предусмотреть установку звукопоглощающих экранов.
Мероприятия по снижению шума на площадках расположения промышленных
зданий, а также на территории жилой застройки, прилегающей к предприятию,
следует предусматривать прежде всего при разработке планировочных,
технологических и архитектурно-строительных решений согласно требований СНиП
II-12-77.
Архитектурно-планировочные методы:
удаление источников шума от объектов, защищаемых от шума;
ориентация источников шума в сторону, противоположную защищаемым от шума
объектам;
сосредоточение источников шума в отдельных комплексах на территории
промышленного объекта или в зданиях;
расположение между источниками шума и защищаемыми от шума объектами
зданий и сооружений, не являющихся источниками шума.
Строительно-акустические методы предусматривают:
звукоизоляцию шумного оборудования;
применение звукопоглощающих конструкций;
экранирование агрегатов и установок - источников шума;
виброзвукоизоляцию;
вибродемпфирование.
Водопотребление и водоотведение объекта
Любой строящийся объект, в процессе строительства, а затем эксплуатации
потребляет определенное количество чистой воды, а также сбрасывает очищенные,
условно чистые или неочищенные сточные воды в окружающую среду, что приводит к
загрязнению гидрографической сети и территории района его размещения.
Возможными источниками загрязнения поверхностных и подземных вод
являются:
- неочищенные или недостаточно очищенные бытовые сточные воды;
поверхностный сток с промплощадки;
загрязненные дренажные воды;
места хранения продукции и отходов производства;
свалки бытовых отходов.
Водопотребление объекта
Точка подключения к сети - существующие сети.
Водоотведение объекта
Сброс сточных вод - существующие сети, ближайший КК самотечного
канализационного коллектора.
Воздействие проектируемого объекта на состояние поверхностных
и подземных вод
Оценку воздействия и виды воздействия на грунтовые воды, образованные в
период обильных и продолжительных осадков, рационально рассматривать поэтапно:
воздействие в процессе строительстве;
воздействие в процессе нормальной эксплуатации.
На период строительства:
В период проведения строительных работ воздействие на подземные воды,
может проявляться:
загрязнении грунтовых вод нефтепродуктами при утечках и проливах
горюче-смазочных материалов при работе строительного и грузового
автотранспорта;
загрязнении грунтовых вод бытовыми стоками и загрязненными ливневыми
водами с площадки;
нарушение сложившихся форм естественного рельефа;
изменении условий "движения" грунтовых вод.
На период эксплуатации:
В период эксплуатации объекта воздействие на подземные воды, возможно,
будет проявляться в:
изменении условий "движения" грунтовых вод;
загрязнении грунтовых вод и почв бытовыми стоками и загрязненными
ливневыми водами с территории объекта;
загрязнение грунтовых вод продуктами окисления заглубленных фундаментов и
сооружений;
нерегламентированные выбросы и сбросы.
Анализ состояния экосистемы в районе строительства, аппроксимация возможного
негативного воздействия в период эксплуатации, проведенные расчеты по совокупным
факторам источников загрязнения объекта Двенадцатиэтажный жилой дом с
торгово-бытовым комплексом по ул. Кириченко, г. Туапсе, Туапсинского района позволяют
сделать вывод:. Строительство и эксплуатация объекта являются весьма
незначительным источником техногенного влияния на экосистему района
размещения.. Рассмотренные в проекте уровни негативного воздействия на
окружающую среду показывают, что данная нагрузка не нанесет ощутимого ущерба
среде обитания и здоровья человека.
При выполнении, заложенных в данном проекте мероприятий по нивелированию
негативного воздействие объекта на окружающую среду и человека, данное
негативное воздействие будет минимальным.
Противооползневые мероприятия
Район строительства характеризуется следующими природными данными:
уточненная сейсмичность площадки строительства по карте "А" ОСР
97 СНиП II -7-81* по шкале MSK-8 баллов;
район по весу снегового покрова - 1;
район по скоростному напору ветра - III (СНКК 20-303-2002).
Уровень ответственности инженерной защиты площадки - II (СНиП 22-02-2003
п.4.16). Категория устойчивости территории по интенсивности карстовых явлений -
VI. СНиП 22- 02-2003.
Для организации рельефа на площадке предусмотрено устройство пяти
подпорных стен высотой от 1,5 до 6,5м.
Конструкция стен: уголкового профиля, из монолитного железобетона, расход
арматуры класса АI, АIII на все стены - 7,47тн.
) Подпорная стена ПС-1: длина 57,5м, высота 2.5.6.5м, объем бетона В 20
179,5м³.
) Подпорная стена ПС-2: длина 14,3м, высота 1,5.2,5м, объем бетона класса
В 20 10,3м³.
) Подпорная стена ПС-3: длина 31,0м, высота 1,5.4,5м, объем бетона класса
В 20 33,54м³.
) Подпорная стена ПС 4: длина 30,3м, высота 2,0.4,5м, объем бетона класса
В 20 65,3м³.
) Подпорная стена ПС 5: длина 15,8м, высота 2,5.3,5м. Объем бетона класса
В 20 19,7м³.
В качестве основания подпорных стен приняты грунты слоя №4 -
переслаивание мергелей, аргиллитов, алевролитов. По длине участки подпорных
стен разделены деформационными швами с шагом 10,0м, шириной 30мм. Между швами
стены армируются продольной арматурой. В пазухах подпорных стен предусмотрен
дренаж с выпусками через подпорные стены из а/ц труб, диаметром 100мм,
установленных с шагом 5,0м. Обратная сторона подпорных стен покрывается
антикоррозийной обмазкой горячей битумной мастикой за 2 раза. По верху
подпорных стен предусмотрено металлическое ограждение высотой 1,0м.
Деформационные швы выполнять из досок толщиной 30 мм, пропитанных горячим
битумом. За подпорными стенами выполнить дренаж. Обратную сторону подпорных
стен обмазать горячей битумной мастикой за 2 раза.
Защитный слой бетона для рабочей арматуры 50 мм. Обратную засыпку
подпорных стен производить местным скальным грунтом.
Котлован разрабатывать захватками длинной, равной расстоянию между
деформационными швами. Вскрытие очередной захватки допускается после окончания
всех работ по предыдущей захватке.
При разработке траншей обеспечить перехват ливнестоков.
Дождевая канализация.
На площадке запроектирована дождевая канализация из асбоцементных труб
диаметром с подключением к коллектору диаметром.
Для перехвата стоков с покрытий и проездов предусмотрено устройство 6
дождеприемников с решетками и водоприемными колодцами.
С верховой стороны подпорных стен ПС 1, ПС 2, ПС 3 - перехват воды
выполняется при помощи ж/б лотков.
Сток воды из лотков предусмотрен в водоприемные колодцы.
На склоне в сторону ул. Кириченко ливнесток обеспечивается через
коллектор диаметром и перепадными камерами с перепадом.
Заключение
Основным назначением архитектуры всегда являлось создание необходимой для
существования человека жизненной среды, характер и комфортабельность которой
определялись уровнем развития общества, его культурой, достижениями науки и
техники.
Эта жизненная среда, называемая архитектурой, воплощается в зданиях,
имеющих внутреннее пространство, комплексах зданий и сооружений, организующих
наружное пространство - улицы, площади и города.
Сокращение затрат в архитектуре и строительстве осуществляется
рациональными объемно - планировочными решениями зданий, правильным выбором
строительных и отделочных материалов, облегчением конструкции,
усовершенствованием методов строительства. Главным экономическим резервом в
градостроительстве является повышение эффективности использования земли.
Список
используемых литературных источников
. Маклакова Т.Г., Нанасова С.М. "Конструкции
гражданских зданий".М.: АСВ, 2014г.
. Белокенев Е.Н. "Основы архитектуры зданий и
сооружений", Ростов на Дону, "Феникс", 2010г.
2. Вильчик Н.П. "Архитектура зданий". М.:
ИНФРА-М, 2008г.
. Дятков С.В., Михеев А.П. "Архитектура
промышленных зданий". М.: АСВ, 2014г.
. Зимин М.П., Артюнов С.Г. "Технология и
организации строительного производства". М.: НПК "Интелвак", 2013г.
. Соколов Г.К. "Технология строительного
производства". М.: "Академия", 2006г.
. Барановская Н.И. и др. "Экономика строительства".
М.: АСВ, 2011г.
. Акимов В.В. и др. "Экономика отрасли.
Строительство", М.: ИНФРА-М, 2005г.
. "Экономика строительной отрасли" под
редакцией Н.И. Бакушева. М.: "Академия", 2009г.
. Территориальные единичные расценки (ТЕР) Сб.1-15.
Липецк, ГУСиА, 2013г.
. Государственные элементные сметные нормы на
строительные работы" (ГЭСН) Сб.1-15. Липецк, ГУСиА, 2011г.
. Мандриков А.П. "Примеры расчёта металлических и
железобетонных конструкций". М.: Техиздат, 2007г.
. Зайцев Ю.В. "Основы архитектуры и строительные
конструкции". М.: Высшая школа, 1989г.
. Доркин В.В., Рябцева М.П. "Металлические
конструкции". М.: ИНФРА-М, 2009г.
. Сетков В.И., Сербин Е.П. "Строительные
конструкции". М.: ИНФРА-М, 2008г.
. Маилян Р.Л. "Строительные конструкции".
Ростов на Дону, "Феникс", 2014г.
. Гаевой А.Ф., Усик С.А. "Курсовое и дипломное
проектирование, промышленные и гражданские здания. СПБ, ИНТЕГРАЛ, 2007г.
17. Демидов Н.Н. "Строительные конструкции с элементами
статики сооружений", 2009г.