Разработка системы электропривода погружного насоса

  • Вид работы:
    Курсовая работа (т)
  • Предмет:
    Другое
  • Язык:
    Русский
    ,
    Формат файла:
    MS Word
    105,87 Кб
  • Опубликовано:
    2015-06-01
Вы можете узнать стоимость помощи в написании студенческой работы.
Помощь в написании работы, которую точно примут!

Разработка системы электропривода погружного насоса

ЗАДАНИЕ НА КУРСОВОЕ ПРОЕКТИРОВАНИЕ

Целью данного курсового проекта является:

Разработка электрического привода для погружного насоса.

Качественный выбор электрического привода на основании предоставленных требований к электрическому приводу.

Разработка замкнутой и разомкнутой схем.

Построение модели разомкнутой и замкнутой схем в среде программирования MATLAB Simulink.

Основные параметры насоса типа 052ЭЦНАКИ6-1000

Параметры

Значение

Подача, м3/сут

1000

Напор, м

430

Число ступеней

100

Мощность при 50 Гц, кВт

85,56

КПД, %

60

Масса, кг

624



РЕФЕРАТ

Проект включает в себя: пояснительную записку, состоящую из 33 страниц машинописного текста, 9 иллюстраций, 4 таблицы, 10 использованных источников.

ЭЛЕКТРОПРИВОД, ПОГРУЖНОЙ ЭЛЕКТРОДВИГАТЕЛЬ, ПОГРУЖНОЙ ЭЛЕКТРОЦЕНТРОБЕЖНЫЙ НАСОС, ПРЕОБРАЗОВАТЕЛЬ ЧАСТОТЫ, ПЕРЕХОДНЫЕ ПРОЦЕССЫ.

В данном курсовом проекте производится выбор основного силового оборудования системы электропривода. В результате выполнения проекта производится выбор двигателя и преобразователя частоты УЭЦН для обеспечения необходимых показателей, требуемых при выполнении технологического процесса, расчет и построение графиков переходных процессов в системе преобразователь частоты - асинхронный двигатель.

В тексте использованы следующие сокращения:

УЭЦН - установка погружного центробежного насоса;

ШГНУ - шаговая глубинная насосная установка;

ПЭД - погружной электродвигатель;

ПЧ - преобразователь частоты;

ПЧ-АД - преобразователь частоты - асинхронный двигатель;

АИН - автономный инвертор напряжения;

ПЧИН - преобразователь частоты с промежуточным звеном постоянного тока с автономным инвертором напряжения.

СОДЕРЖАНИЕ

ВВЕДЕНИЕ

. ВЫБОР ОСНОВНОГО СИЛОВОГО ОБОРУДОВАНИЯ        7

.1 Описание технологического процесса

.2 Требования, предъявляемые к системе электропривода УЭЦН

.3 Качественный выбор электрооборудования для насосной станции

.4 Расчет мощности электродвигателя и выбор системы электропривода

. ИССЛЕДОВАНИЕ ДИНАМИЧЕСКИХ РЕЖИМОВ РАБОТЫ В РАЗОМКНУТОЙ СИСТЕМЕ ПРЕОБРАЗОВАТЕЛЬ ЧАСТОТЫ АСИНХРОННЫЙ ДВИГАТЕЛЬ

.1 Разработка структурной схемы разомкнутой системы

.2 Анализ динамических процессов в разомкнутой системе электропривода

. ИССЛЕДОВАНИЕ ДИНАМИЧЕСКИХ РЕЖИМОВ РАБОТЫ В ЗАМКНУТОЙ СИСТЕМЕ ПРЕОБРАЗОВАТЕЛЬ ЧАСТОТЫ АСИНХРОННЫЙ ДВИГАТЕЛЬ

.1 Разработка структурной схемы замкнутой системы

.2 Анализ динамических процессов в замкнутой системе электропривода

.3 Разработка принципиальной схемы замкнутой системы электропривода

ЗАКЛЮЧЕНИЕ

СПИСОК ИСПОЛЬЗОВАННЫХ ИСТОЧНИКОВ

ПРИЛОЖЕНИЕ

электропривод погружной насос

ВВЕДЕНИЕ

Развитие нефтяной и газовой промышленности в современных условиях базируется на автоматизации производственных процессов, что способствует оптимизации основных, наиболее трудоемких, технологических комплексов бурения скважин, добычи, транспорта, хранения нефти и газа, за счет чего повышается не только культуры и безопасности труда, но и эффективности производства.

Известно, что ритмичная, высокопроизводительная, а, следовательно, и конкурентно-способная деятельность любого нефтедобывающего предприятия в значительной мере определяется безаварийной и надежной работой погружных насосов, а последняя, в свою очередь, существенно зависит от качества функционирования их электрооборудования.

Предполагаемая к разработке тема в настоящее время является весьма актуальной в связи с тем,что в последние годы для электропривода погружных установок все чаще стала применяться система «преобразователь частоты - асинхронный двигатель».

Такая система позволяет регулировать отбор нефти из скважин путем изменения потребляемой из сети мощности, устранить периодические режимы работы скважины, а, следовательно, снизить количество отказов УЭЦН, увеличить межремонтный период эксплуатации оборудования и надежность работы погружных установок. Кроме того, использование системы «ПЧ-АД» значительно облегчает режимы ввода скважин в эксплуатацию.

Однако, режимы работы установок погружных центробежных электронасосов часто отличаются от оптимальных. Технология требует применения регулируемого электропривода, работающего в тяжелейших условиях.

Поэтому, целью данного курсового проекта является разработка и исследование системы электропривода погружного электронасоса, которая способна обеспечить ее оптимальное функционирование.


.ВЫБОР ОСНОВНОГО СИЛОВОГО ОБОРУДОВАНИЯ

.1 Описание технологического процесса

УЭЦН - это комплекс оборудования для механизированного отбора пластовой жидкости с помощью центробежного насоса, непосредственно соединенного с погружным электродвигателем. Установка центробежного электронасоса состоит из насосного агрегата, кабельной линии, колонны насосно-компрессорных труб, оборудования устья скважины и наземного оборудования.

Электроцентробежный агрегат спускают в скважину на НКТ. Он состоит из трех основных частей, расположенных на одном вертикальном валу: многоступенчатого центробежного насоса, электродвигателя, протектора.

ПЭД с протектором, и последний с насосом, соединены на фланцах. Вал протектора соединен с валом насоса шпилевой муфтой. Протектор защищает электродвигатель от проникновения в него жидкости и обеспечивает длительную смазку насоса и двигателя. Электродвигатель расположен непосредственно под насосом.Поэтому насос имеет боковой прием жидкости, которая поступает в него из кольцевого пространства между эксплуатационной колонной и электродвигателем через фильтр-сетку.

Принцип работы УЭЦН: жидкость поступает к центральной части рабочего колеса крыльчатки, крыльчатка, установленная на валу в корпусе и приводящаяся во вращение электрическим двигателем, разгоняет жидкость по спирали, чем больше радиус траектории движения, тем больше центробежная сила.

Основная особенность всех центробежных насосов состоит в том, что для их работы требуется подпор, дополнительное давление, для подачи жидкости в насос, которое чаще всего создается эксплуатацией скважин с системой поддержания пластового давления. Вторая особенность центробежных насосов, от радиуса крыльчатки, зависит подача.

Под действием центробежной силы жидкость выходит через выходной патрубок. Патрубок имеет расширяющуюся форму, скорость потока в нем падает и часть кинетической энергии жидкости, приобретенной в рабочем колесе насоса, преобразуется в потенциальную энергию давления, увеличение давления на выходе из насоса может быть достигнуто увеличением, либо частоты вращения, либо диаметра крыльчатки. Устанавливая последовательно ряд аппаратов, можно достичь необходимого напора. Запуск насоса обычно производят при закрытой задвижке на нагнетательном патрубке (при этом насос потребляет наименьшую мощность). После запуска насоса задвижку открывают.

В России поддержание пластового давления заводнением является одним из основных видов воздействия на нефтепродуктивные пласты. Поддержание пластового давления закачкой воды, кроме повышения нефтеотдачи обеспечивает интенсификацию процесса разработки. Это обусловливается приближением зоны повышенного давления, создаваемого за счет закачки воды в водо-нагнетательные скважины, к добывающим скважинам. В зависимости от местоположения водо-нагнетательных скважин в настоящее время в практике разработки нефтяных месторождении нашли применение следующие системы заводнения:

законтурное заводнение, применяют для разработки залежей с небольшими запасами нефти;

приконтурное заводнение, применяют тогда, когда затруднена гидродинамическая связь нефтяной зоны пласта с законтурной областью;

 внутриконтурное заводнение, применяют в основном при разработке нефтяных залежей сочень большими площадными размерами.

Погружной электродвигатель служит для привода электроцентробежного насоса, электродвигатель крутит вал насоса, на котором расположены ступени.

Для уменьшения размеров насосного агрегата и увеличения его подачи двигатели ПЭД рассчитывают на синхронную скорость 3000 об/мин при частоте 50 Гц. Двигатели защищены от попадания внутрь пластовой жидкости, что достигается заполнением их трансформаторным маслом, находящимся под избыточным давлением 0,2 МПа относительно внешнего гидростатического давления в скважине. Для защиты погружного электродвигателя от попадания внутрь его корпуса пластовой жидкости применяется гидрозащита.

Поскольку двигатель работает при температуре жидкости в месте погружения, его электрическая изоляция масло- и нагревостойкая, а температуру окружающей среды принимают равной 90° С.

Технологическая схема УЭЦН приведена на рис. 1.1.

Рис.1.1. Технологическая схема УЭЦН:

- компенсатор; 2 - электродвигатель; 3 - протектор; 4 - боковой прием; 5 - насос погружной; 6 - колонна НКТ; 7 - электрокабель; 8 - пояски крепления; 9 - устьевая арматура; 10 - барабан для кабеля; 11 - станция управления.

1.2 Требования, предъявляемые к электроприводу УЭЦН

Исходя из описания технологического процесса, можно сформулировать следующие требования, предъявляемые к электроприводу:

плавный пуск;

продолжительный режим работы электродвигателя;

реверс по скорости не требуется;

широкий диапазон регулирования по частоте;

экономичность;

насос должен создавать такие напоры на устье, чтобы догнать нефть до дожимной насосной станции.

В целом, электропривод должен обеспечить безотказную и долговечную работу установки во всех режимах эксплуатации, что во многом зависит от системы управления электродвигателем.

.3 Качественный выбор электрооборудования для насосной установки

В настоящее время в качестве привода УЭЦН обычно используются асинхронные двигатели типа ПЭД.

Асинхронный электродвигатель - электродвигатель переменного тока, в котором частота вращения ротора отличается от частоты вращающего магнитного поля, создаваемого питающим напряжением. Эти двигатели наиболее распространены в настоящее время.

Диаметр данных двигателей несколько меньше нормальных диаметров применяемых обсадных колонн (обычно двигатели имеют диаметры: 103, 117, 123, 130 и 138 мм). При заданной мощности выполнение двигателя с малым диаметром вызывает увеличение его длины, достигающей 7-8 м.

Корпус статора погружного двигателя представляет собой стальную трубу, в которую запрессованы магнитные пакеты статора длиной 320-450 мм, набранные из электротехнической стали. Статор состоит из отдельных магнитных пакетов (секций), разделенных короткими пакетами из немагнитного материала.

Двухполюсная обмотка статора выполнена общей для всех его секций. Ротор также состоит из отдельных секций с длиной каждой секции, отвечающей магнитному пакету статора. Каждая секция ротора создает свою короткозамкнутую электрическую цепь, не связанную с цепями других секций ротора, сидящих на общем валу. Между секциями ротора установлены промежуточные подшипники качения, опирающиеся на немагнитные пакеты статора, предотвращающие касание ротора о статор, которое было бы неминуемым при длинном роторе и малых воздушных зазорах, не превышающих у этих машин 0,4 мм.

Ротор закрепляется в верхней части двигателя - подвешивается на верхнем подпятнике - радиально-упорном подшипнике. Корпус двигателя заканчивается в верхней части головкой, которая закрывает лобовые части обмотки, содержит узел вывода статорной обмотки и обеспечивает присоединение протектора. Нижние лобовые части обмотки закрываются основанием двигателя, в котором размещаются масляный фильтр и клапан.

Внутренняя полость двигателя заполнена специальным маловязким маслом, которое циркулирует внутри машины под действием турбинки, насаженной на вал ротора. Оно проходит по отверстию внутри вала двигателя, по каналам между корпусом и внешней поверхностью статорных пакетов, попадает в фильтр. Благодаря циркуляции масла достигается более интенсивное охлаждение электродвигателя с выравниванием температур наиболее нагретых и менее нагретых частей машины. Полость двигателя заполняют маслом через клапан.

Целесообразнее всего применять частотное регулирование скорости с помощью преобразователя частоты, как обладающего наибольшим числом достоинств:

плавный пуск;

широкий диапазон регулирования скорости;

плавное регулирование скорости;

экономичность.

Исходя из предъявляемых технологических требований по ряду причин, наиболее целесообразно применить преобразователь частоты с промежуточным звеном постоянного тока и автономным инверторомнапряжения (ПЧИН).

.4 Расчет мощности электродвигателя и выбор системы электропривода

Скважины по своим параметрам бывают разнообразные. В пределах одного промысла скважины могут отличаться друг от друга коэффициентами продуктивности, динамическими уровнями, дебитами.

Отбор нефти из скважин подбирается индивидуально для каждой скважины в зависимости от геолого-технических данных и её характеристики.

Наиболее эффективное применение погружных электронасосов для эксплуатации скважин возможно только в том случае, если правильно подобрать оборудование для скважины.

Наилучшее условие для экономичной эксплуатации скважин - соответствие параметров погружного электронасоса характеристике скважины.

При выборе электрооборудования для погружной насосной установки сначала определяют мощность погружного электродвигателя, которая должна соответствовать параметрам выбранного насоса.

Номинальная подача и напор, развиваемые насосом, должны соответствовать оптимальному дебиту скважины и полному напору, необходимому для подъема жидкости.

Мощность на валу центробежного насоса определяется по формуле:

,

где Q - подача насоса;напор развиваемый насосом;

ρ - максимальная плотность водонефтяной смеси, кг/м3;

η - КПД насоса;

.

Выбираем насос типа 052ЭЦНАКИ6-1000. Основные параметры насоса приведены в таб. 1.1.

Таблица 1.1

Основные параметры насоса типа 052ЭЦНАКИ6-1000

Параметры

Значение

Подача, м3/сут

1000

Напор, м

430

Число ступеней

100

Мощность при 50 Гц, кВт

85,56

КПД, %

60

Масса, кг

624


Мощность двигателя определяется по формуле:

,

где К=1.1 - коэффициент запаса;

ηП- КПД передачи, при соединении валов двигателя и насоса с муфтой;

ηП =0.98;

.

Выбираем погружной электродвигатель типа ЭДСТ100-117М. Основные параметры электродвигателя приведены в таб. 1.2.

Таблица 1.2

Основные параметры электродвигателя типа ЭДСТ100-117М

Параметры

Номинальная мощность, кВт

100

Номинальное линейное напряжение, В

2000

Номинальная сила тока, А

41

Частота, Гц

50

Скорость вращения n, мин-1

2844

Скольжение,%

5,2

КПД,%

85

cosφ

0,85

Длина, мм

9996

Масса, кг

689


Так как основным режимом работы двигателя является продолжительный, то его проверка по нагреву не производится.

Мощность преобразователя определяется по формуле:

,

где К=1.1 - коэффициент запаса;

 - КПД электродвигателя.

.

Для описанного выше электродвигателя выбираем преобразователь частоты «АВВ» типа ACS550-01-246A-4.

Частотные преобразователи ACS550-01-246A-4 предназначены для управления асинхронными электродвигателями мощностью 0,75 кВт - 110 кВт.

Основные параметры ПЧACS550-01-246A-4 представлены в таб. 1.3.

Таблица 1.3

Основные параметры ПЧ типа ACS550-01-246A-4

Параметры

Значение

Номинальное напряжение, В

380

Номинальная мощность, кВт

132

Выходной ток, А

246

Масса, кг

69

Входной коэффициент мощности

0,98

КПД, %

>97

вобрал в себя все самые последние разработки компании ABB, что обеспечивает высокий технический уровень, отличные показатели надежности и удобство использования преобразователя. В приводе ACS550 используется принцип векторного управления, что позволяет получить высокий крутящий момент двигателя на низких частотах вращения и позволяет повысить качество технологического процесса.позволяет сочетать экономичность бестрансформаторного регулируемого электропривода с преимуществами автономного инвертора напряжения (АИН), включая высокую надежность и работоспособность, высокий и постоянный коэффициент мощности, также исключительные динамические характеристики регулирования.

Привод ACS550 обеспечивает близкую к синусоиде форму выходного напряжения и тока, что делает его совместимым с двигателями и кабелями со стандартной изоляцией. Это достигается с помощью запатентованной многоуровневой топологии ABB, которая использует одно звено постоянного тока и минимальное количество силовых элементов для формирования на выходе многоуровневого сигнала. Исполнение привода с низким содержанием гармоник соответствует жестким требованиям в отношении гармонических искажений тока и напряжения, определенными соответствующими стандартами. При этом нет необходимости проведения анализа гармоник или установки сетевых фильтров. Коэффициент мощности на входе поддерживается близким к единице или регулируется для компенсации реактивной мощности других потребителей, подключенных к той же сети.

Частота выходного напряжения от 0 до 500 Гц.

Номинальное выходное напряжение от 0 до Uпитания, кВ.

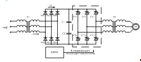
Принципиальная схема разомкнутой системы ПЧ-АД изображена на рис. 1.2.

Рис. 1.2. Принципиальная схема разомкнутой системы ПЧ-АД

2. ИССЛЕДОВАНИЕ ДИНАМИЧЕСКИХ РЕЖИМОВ РАБОТЫ В РАЗОМКНУТОЙ СИСТЕМЕ ПРЕОБРАЗОВАТЕЛЬ ЧАСТОТЫ - АСИНХРОННЫЙ ДВИГАТЕЛЬ

.1 Разработка структурной схемы разомкнутой системы

Для анализа динамики системы ПЧ-АД следует построить ее структурную схему.

Известно, что при питании от преобразователя частоты асинхронный двигатель         работает исключительно на прямолинейных участкахмеханических характеристик. Следовательно, в данном случае можно пренебречь электромагнитной постоянной времени и  считать переходные процессы электромеханическими. Так как в системе   ПЧ-АД электродвигатель работает только при скольжениях, меньших критического, то является целесообразным использовать математическое описание прямолинейного участка характеристики, которое можно представить следующим образом:


,(2.1)



где ωон- скорость идеального холостого хода при частоте f, равно номинальной частоте fн;

α=f/fн - относительная частота напряжения питания;

Δω - статическое падение скорости.

Так как на рабочем участке механические характеристики двигателя в системе ПЧ-АД параллельны, то при данном Мс статическое падение скорости является величиной постоянной, то есть (2.1) можно представить в виде:


,(2.2)



где К- коэффициент пропорциональности.

Этот коэффициент можно определить, исходя из следующих соображений: он является постоянным для любой точки характеристики, в том числе и для точки номинального режима на естественной характеристике, то есть из (2.2) можно записать:


,(2.3)



Из (2.3) после алгебраических преобразований получаем:


,(2.4)



Подставляем в (2.2) вместо К его значение из (2.4) и после алгебраических преобразований получаем математическое описание момента двигателя на линейных участках механических характеристик:


,(2.5)



Дальнейшее математическое описание целесообразно вести в относительных единицах (здесь относительные величины обозначаются значком *); в качестве базовых используются: Мн,ωн,fн. Тогда принимает вид:


Из уравнения движения электропривода получаем:


,(2.7)



где Тм= Jωон/Mкн - электромеханическая постоянная времени;кн- критический момент на характеристики при f=fн .

Подставим (2.7) в относительных единицах:


,(2.8)



Здесь Мкм/Мн= λ - перегрузочная способность двигателя. Причем закон совместного изменения частоты и напряжения преобразователя выбирается именно из условия получения постоянной перегрузочной способности при любой форме зависимости от скорости момента статического, то есть для всех реально возможных режимов эта величина остается неизменной. Следовательно (2.8) можно записать:


,(2.9)



Определим из (2.9) dω*/dt и представим полученное уравнение (2.5) в операторной форме:


(2.10)




,(2.11)


Преобразователь частоты состоит из выпрямителя и инвертора, соединенных последовательно. Если, представить их апериодическими звеньями с постоянными времени Тв и Ти соответственно, то передаточная функция WП(р) преобразователя имеет вид:


(2.12)



где КП - коэффициент усиления ПЧ.

После алгебраических преобразований (2.12) можно записать с учетом Ти=0, т.к. постоянная времени инвертора определяется его конструкцией, в нашем случае инвертор построен на базе транзисторов и его можно считать безынерционным звеном.


(2.13)



Представим (2.12) в относительных единицах, где базовыми значениями Uз является Uзн­ , при котором на выходе преобразователя имеется напряжение с частотой fн, равной номинальной. Имея в виду, что в установившемся режиме UзКП=fн, получаем:


(2.14)



В соответствии с формулами (2.11), (2.12), (2.13) структурная схема разомкнутой системы ПЧ-АД, приведенная на рис. 2.1

Рис. 2.1. структурная схема системы ПЧ-АД

.2 Анализ динамических процессов в разомкнутой системе электропривода

Для исследования динамики системы электропривода в соответствии со структурной схемой (рис. 2.1) спроектирована её схема модели в программной среде MATLAB Simulink на рис. 2.2.

Рис. 2.2. Схема модели разомкнутой системы электропривода

Математическая модель статического момента изображена на рис. 2.3.

Рис. 2.3. Схема модели статического момента

Результат моделирования режима пуска приведен на рис.2.4.

Рис. 2.4. Графики переходных процессов в разомкнутой системе электропривода

По графику можно определить, что пуск двигателя составляет 1.25 сек., после чего наступает установившийся режим

В данном случае динамический момент непостоянен, в результате чего увеличение скорости происходит неравномерно, что может привести к гидравлическим ударам во время пуска.

Вывод: данный режим работы системы электропривода не в полной мере соответствует технологическим требованиям, а именно:

невозможное автоматическое поддержание подачи;

непостоянство динамического момента;

отсутствие ограничения пусковых токов.

Данные недостатки возможно устранить только в замкнутой системе.

. ИССЛЕДОВАНИЕ ДИНАМИЧЕСКИХ РЕЖИМОВ РАБОТЫ В ЗАМКНУТОЙ СИСТЕМЕ ПРЕОБРАЗОВАТЕЛЬ ЧАСТОТЫ - АСИНХРОННЫЙ ДВИГАТЕЛЬ

.1 Разработка структурной схемы замкнутой системы

Одним из основных требований, предъявляемых к электроприводам, является минимальное время протекания переходных процессов при минимальном перерегулировании и форма переходных процессов, что возможно только при применении соответствующих систем автоматического управления.

Этим требованиям более всего удовлетворяют системы управления с последовательной коррекцией параметров. По сравнению с ними, системы с параллельной коррекцией имею ряд недостатков, а именно:

сложность расчетов параметров корректирующих звеньев;

сложность унификации отдельных узлов;

сложность отладки и эксплуатации в результате отсутствия унифицированных элементов;

худшее качество динамических свойств.

Поэтому в электроприводе преимущественно применяются системы с последовательной коррекцией. Такие системы отличаются простотой расчета и настройки, априори являются устойчивыми, то есть не требуют специальной проверки на устойчивость, обеспечивают заданное качество статических и динамических процессов и легко поддаются унификации.

В системах автоматического управления (САУ) существует два вида воздействий:         управляющее,     которое      система      должна отработать, и возмущающее, результат воздействия которого система должна устранить. В процессе регулирования появляется ошибка ξ(t), являющаяся разностью заданного X1(t ) и выходного X2(t) значений регулируемой величины.


(3.1)



Равенство ошибки нулю означало бы, что в процессе регулирования выходной сигнал повторяет входной, то есть вся система превращена в пропорциональное звено путем полной компенсации всех постоянныхвремени. Однако физически это возможно только при воздействии на систему сигнала бесконечно большой амплитуды. Поэтому за критерий качества динамических процессов в системах с последовательнойкоррекцией может быть принят минимум линейного или квадратичного поля ошибок. Однако при этом переходные процессы характеризуются либо большим перерегулированием, либо большим временем регулирования. Для получения процесса с минимальным временем регулирования придопустимом перерегулировании необходимо ввести некоторый компромиссный технический оптимум, определяющий, до какой же степени следует минимизировать поле ошибок.

С технической точки зрения оптимальным является процесс, когда перерегулирование ≤ 5 процентов при минимальном времени регулирования

Исходя из определения технически оптимального переходного процесса можно считать оптимальной переходную функцию при соотношении постоянных времени САУ, равным двум. Это условие (3.2) называется Betran оптимумом, техническим или модульным.


.(3.2)



Из структурной схемы разомкнутой системы (рис.3.2) видно, что здесь содержатся две постоянные времени Тм и Тв, одна из которых, является малой. Следовательно, компенсации подлежит одна большая постоянная времени Тм, то есть замкнутая система должна быть одноконтурной и содержать один регулятор - регулятор скорости. Структурная схема такой системы приведена на рис.3.1.

Рис. 3.1. Структурная схема замкнутой системы ПЧ-АД

Для оптимизации системы по Betran оптимуму определяется передаточная функция регулятора скорости (РС):


,(3.3)



где Кс=1 - коэффициент обратной связи по скорости.

Анализ динамических процессов в замкнутой системе электропривода

Для исследования динамики системы электропривода в соответствии со структурной схемой (рис. 3.1), спроектирована её схема модели в программной среде MATLAB Simulink на рис. 3.2.

Рис. 3.2 Схема модели замкнутой системы электропривода

Результат моделирования режима пуска приведен на рис. 3.3.

Рис. 3.3. Графики переходных процессов в замкнутой системе электропривода

По графику можно определить, что динамический момент двигателя постоянен практически все время пуска, что означает, что двигатель разгоняется с постоянным ускорением. Постоянное ускорение исключает вероятность гидравлического удара. Статическое отклонение скорости относительно разомкнутой системы уменьшилось.

В замкнутой системе электропривода корректировки параметров производятся автоматически, что делает возможным автоматическое поддержание подачи насоса.

.2 Разработка принципиальной схемы замкнутой системы электропривода

На вход регулятора Fpc должен быть подан сигнал обратной связи по скорости. Этот сигнал снимается с тахогенератора, расположенного на валу электродвигателя, однако, серийно выпускаемые погружные агрегаты не оснащены тахогенераторами и установка их, в связи с технологическими условиями работы насоса, затруднена, а чаще невозможна. Поэтому измерение скорости электродвигателя возможно производить только косвенными методами.

Функциональная схема системы векторного управления асинхронным двигателем изображена на рис. 3.4

Рис. 3.4. Функциональная схема системы векторного управления АД

Блок БВП вычисляет текущие значения амплитудных и фазовых параметров d-q переменных АД, осуществляя фазовые и координатные преобразования реальных трехфазных сигналов тока и напряжения АД, поступающих с выходов датчиков тока и напряжения обмоток статора.

На вход БРП поступают задающие сигналы скорости и потока, а также сигналы обратной связи (с выхода БВП), ориентированные по полю значения составляющих ток статора, потокосцепления ротора по скорости. БРП содержит набор регуляторов потока, момента, тока. на выходе которых формируются также ориентированные по полю сигналы задания составляющие напряжение статора.

БЗП осуществляет фазовые и координатные преобразования задающих d-q переменных в систему трехфазных сигналов управления широтно-импульсным модулятором АИН.

Координатно-фазовые преобразования. осуществляемые блоком БВП, заключаются в переходе от реальных координат трехфазной системы статора АД с осями a,b,c к ортогональной системе координат ротора двухфазной модели с осями d,q. Блок БЗП осуществляет обратные координатные преобразования - от ортогональной d,q системы координат к трехфазной системе координат.

Для векторного управления Ад необходимо измерять по крайней мере две из четырех доступных измерению переменных:

токи статора АД;

напряжения на зажимах статора АД;

угловая скорость ротора АД;

угловое положение ротора АД.

В данном случае электропривод является разомкнутым по скорости и не содержит датчика угловой скорости. Такой тип векторного управления называется «бессенсорным». Измерению подлежат ток и напряжение статора АД. Скорость ротора вычисляется в БВП по модели, учитывающей усредненные типовые, либо реальные измеренные параметры (R,X) АД.

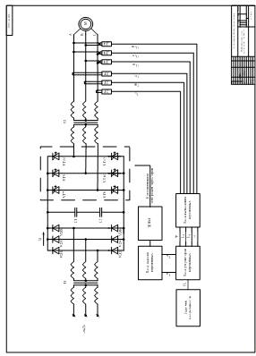
Принципиальная схема ПЧ-АД для замкнутой системы изображена на рис. 3.5.

Рис. 3.5. принципиальная схема ПЧ-АД для замкнутой системы электропривода

ЗАКЛЮЧЕНИЕ

В проекте произведен анализ технологических особенностей работы погружного насоса.

Исходя из технологии, были сформулированы требования, предъявляемые к электроприводу УЭЦН.

Осуществлен выбор погружного электродвигателя и преобразователя частоты.

Разработана разомкнутая система электропривода, исследование динамических режимов работы которой показали, что данная система не в полной мере соответствует требованиям.

Разработана замкнутая система электропривода, которая устраняет недостатки разомкнутой системы. Исследование ее динамических режимов работы показали, что замкнутая система соответствует требованиям.

Разработана принципиальная схема замкнутой системы электропривода погружного насоса.

СПИСОК ИСПОЛЬЗОВАННЫХ ИСТОЧНИКОВ

 Лысова О.А., Ведерников В.А. Электрический привод. [Текст]: / Учебное пособие. Тюмень: ТюмГНГУ 2007. - 146 с.

Лысова О.А., Ведерников В.А. Системы управления электроприводов: [Текст]: / Учебное пособие Тюмень: ТюмГНГУ 2005. - 115 с.

Меньшов Б. Г., Ершов М. С., Яризов А. Д. Электротехнические установки и комплексы в нефтегазовой промышленности.- [Текст]: / М.: Недра, 2000.- 486 с.

Правила устройства электроустановок. Действующие разделы 7-го издание с изменениями и дополнениями. [Текст]: / Новосибирск.: Сибирское университетское издательство, 2011. - 464 с.

Соколовский Г.Г. Электроприводы переменного тока с частотным регулированием. [Текст]: / Учебник. М.: ACADEMA, 2006. - 265 с.://www.abb.ru/- обзор электрооборудования, преобразователей частоты://www.alnas.ru/- обзор электрооборудования, погружных электроцентробежных насосов

Каплан Л.С., Каплан А.Л.. [Текст] / Справочное пособие нефтяника. 4.1, II.-Уфа- Октябрьский: ОФ УГНТУ, 2004.- 320 с.

Материалы IX Всероссийской технической конференции «Производство и эксплуатация УЭЦН», [Текст]: / Альметьевск, 2000.

Зейгман Ю.В., Гумеров О.А., Генералов И.В. Выбор оборудования и режима работы скважин с установками штанговых и электроцентробежных насосов: Учеб.пособие. - Уфа: Изд-во УГНТУ, 2000. - 120 с.

ПРИЛОЖЕНИЕ




Не нашли материал для своей работы?
Поможем написать уникальную работу
Без плагиата!
Без нейросетей!