Разработка электропривода погружного центробежного насоса ЭЦВ 16-375-350

  • Вид работы:
    Курсовая работа (т)
  • Предмет:
    Физика
  • Язык:
    Русский
    ,
    Формат файла:
    MS Word
    1,66 Мб
  • Опубликовано:
    2014-08-02
Вы можете узнать стоимость помощи в написании студенческой работы.
Помощь в написании работы, которую точно примут!

Разработка электропривода погружного центробежного насоса ЭЦВ 16-375-350

МИНИСТЕРСТВО ОБРАЗОВАНИЯ И НАУКИ РОССИЙСКОЙ ФЕДЕРАЦИИ

ФЕДЕРАЛЬНОЕ ГОСУДАРСТВЕННОЕ БЮДЖЕТНОЕ ОБРАЗОВАТЕЛЬНОЕ УЧРЕЖДЕНИЕ

ВЫСШЕГО ПРОФЕССИОНАЛЬНОГО ОБРАЗОВАНИЯ

"ТЮМЕНСКИЙ ГОСУДАРСТВЕННЫЙ НЕФТЕГАЗОВЫЙ УНИВЕРСИТЕТ"

ИНСТИТУТ ПРОМЫШЛЕННЫХ ТЕХНОЛОГИЙ И ИНЖИНИРИНГА

КАФЕДРА "ЭЛЕКТРОЭНЕРГЕТИКА"

Курсовая работа на тему:

"Разработка электропривода погружного центробежного насоса ЭЦВ 16-375-350"



Выполнил: студент группы ЭАб-11-1

Исмагилов Д.Р.

Проверил: Сидоров С.В.


Тюмень, 2014

Содержание

Введение

1. Описание технологической установки

2. Выбор типа электропривода и электродвигателя

3. Предварительный выбор мощности и характеристик двигателя

4. Механические характеристики двигателя и производственного механизма

5. Управление электроприводом

6. Технико-экономическое сравнение вариантов подключения преобразователей частоты

6.1 Низковольтный преобразователь частоты на IGBT-транзисторах

6.2 Высоковольтный преобразователь частоты на IGBT-транзисторах

6.3 Обоснование выбора преобразователя

7. Математическая модель электропривода

8. Проблема "длинного кабеля" в электроприводах с IGBT (инверторами)

Список использованной литературы

Введение


Целью данного курсового проекта является разработка электропривода погружного центробежного насоса ЭЦВ 12-210-175 для искусственного воздействия на пласт путем закачки воды:

) обеспечение подачи насосов в соответствии с проектируемой, а также возможность регулирования объёма добычи воды в требуемом диапазоне;

) обеспечение плавного пуска насоса;

1. Описание технологической установки


В процессе эксплуатации нефтяных месторождений при поддержании пластового давления путем закачки воды в продуктивные пласты, используют установки погружных центробежных электронасосов.

Погружные центробежные электронасосы типа ЭЦВ предназначены для перекачивания воды со следующими характеристиками:

Температура,°С (не более) 25

Водородный показатель, рН 6,5-9,5

Общая минерализация (сухой остаток), мг/л (не более) 1500 Массовая доля твердых механических примесей, % (не более), 0,01

Содержание хлоридов, мг/л (не более) 350

Содержание сульфатов, мг/л (не более) 500

Содержание сероводорода, мг/л (не более) 1,5

Для перекачивания воды насосные агрегаты изготавливают в следующих исполнениях:- для химически активной воды,

Тр - для повышенной температуры,

Г - для повышенного содержания механических примесей.

Установка электронасосного агрегата состоит из центробежного электронасоса типа ЭЦВ и электродвигателя типа ПЭДВ, токоподводящего кабеля, водоподъемного трубопровода, оборудования устья скважины и системы автоматического управления. Насосные агрегаты выпускают с различными поперечными размерами для установки в скважины с внутренним диаметром обсадных труб 100, 122, 150, 200, 250, 301, 353, 402 и 486 мм.

электропривод погружной центробежный насос

Рисунок 1.1 Электроподсосный агрегат.

-муфта для соединения насоса с подъемными трубами; 2-специальный компенсатор; 3 - обратный клапан; 4 - направляющий аппарат; 5-рабочее колесо; 6 - радиальный подшипник; 7 - сетка на всасывании насоса; 8 - уплотнение вала. 9 - специальная пята; 10 - соединительная муфта.

Рисунок 1.2 Электродвигатель типа ПЭДВ

- вал; 2 - пескоотражатель; 3 - манжетный сальник; 4 - уплотнение выводных концов; 5 - выводные концы; 6 - корпус подшипника; 7 - отверстие; 8 - подшипник; 9 - ротор; 10 - статор; 11 - пята; 12 - подпятник; 13 - шар; 14 - диафрагма; 15 - пробка.

Рисунок 1.3 Общий вид насосной установки для поддержания пластового давления типа УЭЦП.

-электродвигатель; 2 - насос; 3 - пояс для крепления кабеля; 4 - колонна труб; 5-задвижка; 6 - напорный трубопровод; 7-предохранительный клапан; 8-кабельная линия, 9 - трансформатор; 10-станция управления; 11,13-манометр; 12-оборудования устья скважины.

Таблица 1.1 Технические данные центробежного скважинного насоса ЭЦВ 12-210-175.

Подача Q, м3/ час

210

Напор H, м

175

Частота вращения, об/мин

3000

Масса, кг

700

Длина, мм

3064

КПД насоса

0,7


Регулирование расхода и потребляемого напора в насосе можно с помощью изменения частоты вращения n вала насоса.

Рисунок 1.4 График регулирования параметров центробежного насоса ЭЦВ 12-210-175 изменением частоты вращения.

Из графика видно, что насос имеет очень хорошую характеристику Q-H и очень высокий кпд в широких подачах, поэтому регулирование подачи насоса изменением частоты вращения вала относительно рабочей точки (Qном) возможно как в сторону увеличения, так и в сторону уменьшения. Если рассматривается характеристика одного насоса при регулировании параметров изменением частоты вращения вала, в соответствии с законами подобия имеем:


где Qном, Hном, Nном - соответственно подача, напор и потребляемая мощность насоса при частоте вращения вала nном, Qi, Hi, Ni - соответственно подача, напор и потребляемая мощность насоса при частоте вращения вала ni.

2. Выбор типа электропривода и электродвигателя


При выборе электродвигателя, необходимо учесть такие факторы как род тока, номинальное напряжение, частота вращения, конструктивное исполнение и номинальную мощность. В производственных условиях не всегда приходится решать весь комплекс этих вопросов. Часто бывают заданы род тока, напряжение, частота вращения. Основным условием, которое необходимо учесть, является правильное определение мощности и конструктивного типа электродвигателя [1].

Как уже отмечалось при описании технологии, в насосной установке для поддержания пластового давления типа УЭЦП используются электродвигатели типа ПЭДВ. Электродвигатели ПЭДВ - это погружные вертикальные трехфазные, асинхронные двигатели с короткозамкнутым ротором. При этом с точки зрения необходимости двузонного регулирования целесообразно использовать частотное регулирование скорости вращения асинхронного двигателя. Регулятор частоты вращения может обеспечить плавный запуск установки, плавное регулирование, что необходимо для эффективной работы, а также форсировать работу насоса при снижении напора и подачи в результате его износа.

3. Предварительный выбор мощности и характеристик двигателя


Согласно [6] мощность насоса равна:

 (3.1)


где Q - подача насоса, м3/c;

Н - напор, м;

ρ - плотность перекачиваемой жидкости, кг/м3 (для воды ρ=1000 кг/м3);

hн - КПД насоса.- коэффициент запаса, выбираем k = 1,1,hп - кпд передачи, при соединении валов двигателя и насоса муфтой hп=0,98.

Выбираем асинхронный двигатель типа ПЭДВ.

Таблица 2 - Технические данные двигателя ПЭДВ-160-320В5

РНОМ, кВт

n0, об/мин

sном, %

h, %

сosjНОМ

U, В

А

Масса, кг

Диаметр ротора, мм

160

3000

0,7

88,5

0,85

0,85

2,3

3000

129

280

1093


Скорость вращения двигателя совпадает с необходимой скоростью вращения насоса, следовательно, нет необходимости применения передачи.

Определим момент инерции из уравнения:

, (3.2)

где

ρ - приведенный радиус инерции,- масса вращающегося тела.

Примем ротор двигателя как тело с равномерно распределенной массой. Тогда:


4. Механические характеристики двигателя и производственного механизма


Совместная механическая характеристика электропривода

Номинальная скорость вращения:

ном=n0 (1-sном) =3000 (1-0,007) =2979 об/мин. (4.1)

номинальная частота вращения двигателя:

 (4.2)

синхронная частота вращения двигателя:

 (4.3)

критическое скольжение:

 (4.4)

номинальный момент двигателя:

 (4.5)

критический момент двигателя:

 (4.6)

Зависимость частоты вращения от скольжения:

 (4.7)

Уравнение механической характеристики асинхронного двигателя:

 (4.8)

Механическая характеристика центробежного насоса:

 (4.9)

где  (4.10)

 (4.11)

, (4.12)

 (4.13)

Уравнение совместной механической характеристики:

 (4.14)

Изменяя s в пределах от 0 до 1 с шагом 0,01, строим в одной координатной плоскости механическую характеристику двигателя, механическую характеристику центробежного насоса и совмещённую механическую характеристику.

Таблица 4.1 Расчет механической характеристики двигателя, центробежного насоса и совмещённой механической характеристики.

S

0

0,01

0,02

0,03

0,04

0,05

0,06

0,07

0,08

0,09

0,10

0, 20

0,30

0,40

0,50

0,60

0,70

0,80

0,90

1,00

M

0,000

-689,772

-1075,456

-1179,766

-1143,066

-1057,278

-962,747

-874,072

-795,379

-726,921

-667,684

-357,339

-241,372

-181,870

-145,809

-121,650

-104,345

-91,344

-81,220

-73,115

w

314,16

311,02

307,88

304,74

301,59

298,45

295,31

292,17

289,03

285,89

282,74

251,33

219,91

188,50

157,08

125,66

94,25

62,83

31,42

0,00

Mc

-416,11

-408,64

-401,25

-393,94

-386,70

-379,54

-372,45

-365,44

-358,50

-351,64

-344,85

-281,09

-224,83

-176,08

-134,82

-101,07

-74,81

-56,06

-44,81

-41,06

Мд

416,11

-281,13

-674, 20

-785,82

-756,36

-677,74

-590,30

-508,63

-436,88

-375,28

-322,84

-76,25

-16,54

-5,79

-10,99

-20,58

-29,53

-35,28

-36,41

-32,05


Рисунок 4.1 - Механическая характеристика двигателя

Рисунок 4.3 Механическая характеристика двигателя, центробежного насоса и совмещённая механическая характеристика

5. Управление электроприводом


Способ регулирования скорости вращения двигателя выбираем частотный, так как этот способ обеспечивает плавное регулирование скорости в необходимом диапазоне, а получаемые характеристики обладают высокой жесткостью. Частотный способ обладает к тому же и еще весьма одним важным свойством: регулирование скорости АД не сопровождается увеличением его скольжения, поэтому потери мощности при регулировании скорости небольшие.

Рисунок 5.1 - Обобщенная схема частотно регулируемого электропривода

Для лучшего использования АД и получения высоких энергетических показателей его работы - коэффициентов мощности, полезного действия, перегрузочной способности - одновременно с частотой необходимо изменять и подводимое к двигателю напряжение. Закон изменения напряжения при этом зависит от характера момента нагрузки. Для центробежных насосов характерен "вентиляторный" закон регулирования:

.

Распространенной системой частотно-регулируемого асинхронного привода является система со статическим преобразователем частоты с автономным инвертором. Наибольшее применение для промышленных приводов может иметь статический преобразователь частоты с промежуточным звеном постоянного тока (ПЗПТ). Структурная схема такого привода показана на рисунке 5.2.

Рисунок 5.2 - Структурная схема частотно-регулируемого привода

Преобразователь состоит из трех силовых элементов - выпрямителя (управляемого или неуправляемого), фильтра (Ф) и автономного инвертора (АИ). На вход выпрямителя (В) подается нерегулируемое напряжение переменного тока промышленной частоты (UП); на выходе выпрямителя постоянное пульсирующее напряжение с постоянными значениями Ud и Id (в случае неуправляемого выпрямителя) или изменяющимися (в случае управляемого). С выхода выпрямителя постоянное напряжение через сглаживающий фильтр (Ф) подается на вход инвертора (чаще АИН), который преобразует постоянное напряжение в переменное регулируемой амплитуды и частоты (U2=var, f2=var). В качестве сглаживающего фильтра в данной схеме обычно используется катушка индуктивности с сердечником. Кроме силовых элементов, преобразователь содержит систему управления (рисунок 5.3), состоящую из блока управления выпрямителя (БУВ) и блока управления инвертором (БУИ). Выходная частота регулируется в широких пределах и определяется частотой коммутации тиристоров инвертора, которая задается блоком управления инвертором. В такой схеме производится раздельное регулирование амплитуды и частоты выходного напряжения, что позволяет осуществить при помощи блока задания скорости (БЗС) требуемое соотношение между действующим значением напряжения и частотой на зажимах асинхронного двигателя.

Рисунок 5.3 - Система управления выпрямителем и инвертором

Промежуточное звено постоянного тока позволяет регулировать частоту как вверх, так и вниз от частоты питающей сети; он отличается высоким КПД (около 0,96), значительным быстродействием, малыми габаритами, сравнительно высокой надежностью и бесшумен в работе [3].

6. Технико-экономическое сравнение вариантов подключения преобразователей частоты


Возможны два варианта подключения преобразователей частоты:

использование низковольтных преобразователей частоты на IGBT-транзисторах по схеме: понижающий трансформатор - низковольтный преобразователь частоты - повышающий трансформатор - высоковольтный ЭД.

использование высоковольтных преобразователей частоты на IGBT - транзисторах;

Наиболее экономичный вариант частотного преобразователя определим по наименьшим затратам.

6.1 Низковольтный преобразователь частоты на IGBT-транзисторах


Данная схема (рисунок 9.1) подключения обеспечивает возможность использования низковольтного преобразователя частоты с высоковольтным электродвигателем.

Трансформатор Т1 - понижает напряжение питания до 690В (380В) и обеспечивает гальваническую развязку преобразователя с питающей сетью.

Преобразователь частоты - осуществляет управление частотой вращения электродвигателя, его плавный запуск и останов, а также обеспечивает функции защиты.

Выходной дроссель улучшает синусоидальность выходного напряжения.

Трансформатор Т2 - повышает выходное напряжение преобразователя частоты до 3кВ и обеспечивает гальваническую развязку преобразователя частоты с электродвигателем.

Рисунок. 6.1.1 - Блок-схема высоковольтного частотно-регулируемого электропривода с использованием трансформаторов и низковольтного преобразователя частоты.

ПЧ-преобразователь частоты FDU40и T2 - трансформаторы 3кВ/400В

Д - дроссель

М - электродвигатель

 

Структура и принцип работы низковольтного преобразователя частоты на IGBT транзисторах

Типовая схема низковольтного преобразователя частоты представлена на рисунке 6.2 В нижней части рисунка изображены графики напряжений и токов на выходе каждого элемента преобразователя.

Переменное напряжение питающей сети (uвх.) с постоянной амплитудой и частотой (Uвх = const, fвх = const) поступает на управляемый или неуправляемый выпрямитель (1).

Для сглаживания пульсаций выпрямленного напряжения (uвыпр.) используется фильтр (2). Выпрямитель и емкостный фильтр (2) образуют звено постоянного тока.

С выхода фильтра постоянное напряжение ud поступает на вход автономного импульсного инвертора (3).

Автономный инвертор современных низковольтных преобразователей, как было отмечено, выполняется на основе силовых биполярных транзисторов с изолированным затвором IGBT. На рассматриваемом рисунке изображена схема преобразователя частоты с автономным инвертором напряжения как получившая наибольшее распространение.

Рисунок 6.1.2 - Типовая схема низковольтного преобразователя частоты.

В инверторе осуществляется преобразование постоянного напряжения ud в трехфазное (или однофазное) импульсное напряжение uи изменяемой амплитуды и частоты. По сигналам системы управления каждая обмотка электрического двигателя подсоединяется через соответствующие силовые транзисторы инвертора к положительному и отрицательному полюсам звена постоянного тока. Длительность подключения каждой обмотки в пределах периода следования импульсов модулируется по синусоидальному закону. Наибольшая ширина импульсов обеспечивается в середине полупериода, а к началу и концу полупериода уменьшается. Таким образом, система управления обеспечивает широтно-импульсную модуляцию (ШИМ) напряжения, прикладываемого к обмоткам двигателя. Амплитуда и частота напряжения определяются параметрами модулирующей синусоидальной функции. При высокой несущей частоте ШИМ (2 … 15 кГц) обмотки двигателя вследствие их высокой индуктивности работают как фильтр. Поэтому в них протекают практически синусоидальные токи.

В схемах преобразователей с управляемым выпрямителем (1) изменение амплитуды напряжения uи может достигаться регулированием величины постоянного напряжения ud, а изменение частоты - режимом работы инвертора.

Таким образом, на выходе преобразователя частоты формируется трехфазное (или однофазное) переменное напряжение изменяемой частоты и амплитуды (Uвых = var, fвых = var).

Рассчитаем КПД частотного преобразователя, приведённого на рисунке 6.1:


Потери мощности в низковольтном частотном преобразователе вычисляются по формуле:

,

где ΔPтр - потери мощности в трансформаторе;

ΔPв - потери мощности в вентилях;

ΔPф - потери мощности в фильтре (дросселе);

ΔPвсп =0,5÷3% ΔPd - потери мощности во вспомогательных устройствах;

Выбираем трансформатор по справочнику [9] ТМ-250/6.

Таблица 6.1.1 - Технические характеристики трансформатора ТМ-250/6.

Мощность, кВА

Схема и группа соединения

Ток х. х., % от номинального

Напряжение к. з., %

Потери, Вт

Стоимость включая НДС, руб





К. з.

Х. х.


250

У/Ун-0

2,5

4,5

3900

1050

60000


Д/Ун-11







Найдём потери мощности в трансформаторе [10]

Потери активной мощности в трансформаторе:


Потери мощности в вентилях в современных выпрямительных устройствах представляют собой очень малую величину, т.е. ΔPв≈0. Потери мощности в фильтре вычисляются по формуле:  где Rдр≈0 - активное сопротивление дросселя, следовательно, потерями мощности в фильтре можно также пренебречь. Таким образом, КПД частотного преобразователя будет равен:


Коэффициент мощности χ можно подсчитать по следующей формуле:

 (9.1.12)

где ν=0,99 - коэффициент искажения формы для неуправляемых выпрямителей. Отсюда


Таблица 6.1.2 - Преобразователи частоты серии FDU40-160 кВт

Тип FDU40

300

Номинальная мощность, кВт

160

Номинальный выходной ток, А

300

Ограничение тока ICL, 120 с, А

360

Пиковый ток двигателя, А

849

Входной ток А

282

Окружающая температура при номинальной мощности IP20, IP54, оС

0-40 0-35

Частота коммутации fS, кГц

1,5

К. п. д. (Рном при fS = 1,5 кГц), %

98

Потери (Рном при fS = 1,5 МГц), кВт

3,2

Снижение мощности, %/ оС

-2,5 до +10 оС

Степень защиты

IP20

Размеры, ВхШхГIP20 IP23/54мм

1100 (1145) x 500 x 420 2150 x 600 x 500

Вес IP20 (IP23/IP54) кг

160


Таблица 6.1.3 - Общие данные серии FDU40

Напряжение питания

380-415 +10% / - 15% (Возможно перепрограммирование на 230 В +10% / - 15%)

Частота сети

Гц

50/60

Выходная частота

Гц

0-400

Выходное напряжение

В

0 - Напряжение сети

Уровень шума

dB (A)

<=70

Относительная влажность

%

0 - 90 (без конденсата)

Атмосферное давление

кПа

86 - 106

Вибрация


EN60068-2-6 Fc: 10-150 Гц; 0,075 мм /1g

Охлаждение


Принудительное, автоматическое

Коэффициент мощности по входу


0,95


Расчёт экономических затрат произведем по методике, изложенной в [11].

Определение капитальных вложений.

Капитальные вложения должны учитывать транспортные и монтажные расходы, которые определяются в процентах от стоимости внедряемого оборудования:


где

Цп=307740 (по прайс-листу ООО "АДЛ Групп") - цена с НДС низковольтного преобразователя частоты,

Ц2=60000 - цена трансформатора ТМ-250 включая НДС.

Тр=5% - транспортные расходы;

ПН=10% - пуско-наладочные расходы;

М=8% - расходы на монтажные работы.

В капитальные вложения не включена стоимость ЭД, так как нам необходимо подсчитать лишь экономические затраты от внедрения преобразователя

Определение эксплуатационных затрат.

Годовые эксплуатационные затраты, связанные с обслуживанием и эксплуатацией ЭП, рассчитываются по следующей формуле:


где Звспом - затраты на вспомогательные материалы;

Зрем - затраты на ремонт;

Зобор - затраты на обслуживание оборудования, т.е. на заработную плату работника (работников), занимающегося обслуживанием;

Зам - амортизационные отчисления по внедряемому оборудованию;

Зпр - прочие затраты.

Затраты на вспомогательные материалы составляют 20% от стоимости капитальных вложений:


Затраты на ремонт оборудования составляют 25% от капитальных вложений:


Затраты на содержание и эксплуатацию оборудования составляют 40% от капитальных вложений:


Затраты на амортизацию составляют 10% от капитальных вложений, так как эксплуатационный срок оборудования 10 лет:


где HA =0,1 - норма амортизации.

Затраты от потерь электроэнергии рассчитывается по формуле:

 (9.1.19)


Величина прочих затрат принимается равной 25% от суммы других затрат:

 (9.1.18)


Результаты расчета эксплуатационных затрат приведены в таблице 6.1.4

Наименование затрат

Результат (руб)

1. Вспомогательные материалы

105224,04

2. Ремонт

131530,05

3. Содержание и эксплуатация

210448,08

4. Затраты от потерь электроэнергии

91980

5. Прочие

147948,55

6. Амортизация

52612,02

7. Эксплуатационные затраты

739742,74


Общие затраты проекта складываются из капитальных вложений и эксплуатационных затрат:

 (9.1.19)

6.2 Высоковольтный преобразователь частоты на IGBT-транзисторах


Структурная схема преобразователей частоты серии MELTRAC-F530HVС (напряжение 3кВ) приведена на рисунке 6.2.1

Рисунок 6.2.1 - Общая схема управляемого электропривода

Схема состоит из входного трансформатора, многоуровневого инвертора и системы управления.

Входной трансформатор

Назначение

Входной трансформатор служит для преобразования входного напряжения (3 фазы, 3 кВ) в выходное напряжение (9 фаз, 635 В), которое после выпрямления питает ячейки инвертирования.

Устройство

Основной особенностью данного трансформатора является то, что вторичные обмотки разделены на три группы - по шесть обмоток в группе. Фазовый сдвиг между соседними обмотками в группе составляет 10°. Фазовый сдвиг между первой и шестой обмотками группы составляет 50°. Каждая выходная обмотка трансформатора нагружена на выпрямитель своей ячейки инвертирования.

Инвертор

Инвертор на каждую фазу состоит из шести ячеек инвертирования, что позволяет осуществлять на обмотке двигателя амплитудную модуляцию по 13 уровням, в сочетании с широтно-импульсной модуляции. Подобная многоуровневая ШИМ позволяет получать практически синусоидальные токи в обмотках и снижает потери в двигателе.

Рисунок 6.2.2 - Структурная схема преобразователя

Данная серия преобразователей частоты обладает следующими основными свойствами:

. Высокий КПД (около 98%) и высокий коэффициент мощности (около 95%).

. Регулирование выходного напряжения и частоты.

. Управление преобразователем от пульта управления, внешними командами, с помощью персонального компьютера и контроллера.

. Возможность подключения к общепромышленным сетям со стандартными протоколами (Device NET, Profibus DP, Modbus Plus).

. Большой ряд мощностей преобразователей (8250 В, 6600 В)

. Использование IGBT-ключей в силовой цепи преобразователей частоты.

. Способ управления - многоуровневая широтно-импульсная модуляция.

. Преобразователи частоты данной конструкции не требуют дополнительных сетевых фильтров для защиты сети от помех генерируемых преобразователем

Таблица 6.2.1 - Технические характеристики преобразователя частоты MELTRAC - PMT-F530HVС-165

 

Модель

PMT-F530HVС-165

Выходные параметры

Номинальная мощность

165


Номинальный ток

125


Токовая перегрузка

Стандартная - 120% 60 сек, опционно - 150% 60 сек


Напряжение

3 фазы 3000 В 50/60 Гц

Входные параметры

Номинальное входное напряжение

3 фазы 3000 В 50/60 Гц


Пределы изменения входного напряжения

2700 - 3300 В


Пределы изменения входной частоты

± 5%


Входная мощность

165


Тип охлаждения

Принудительное охлаждение


Расчёт экономических затрат найдем по той же методике, что и в предыдущем случае.

Определение капитальных вложений.


где Ц=2453650 (по прайс-листу ООО "НСВ") - цена с НДС высоковольтного преобразователя частоты,

Тр=5% - транспортные расходы;

ПН=10% - пуско-наладочные расходы;

М=8% - расходы на монтажные работы.

В капитальные вложения не включена стоимость ЭД, так как нам необходимо подсчитать лишь экономические затраты от внедрения преобразователя

Определение эксплуатационных затрат.

Годовые эксплуатационные затраты, связанные с обслуживанием и эксплуатацией ЭП, рассчитываются по следующей формуле:


Таблица 9.2.2 Результаты расчета эксплуатационных затрат

Наименование затрат

Результат (руб)

1. Вспомогательные материалы

603597,9

2. Ремонт

754497,38

3. Содержание и эксплуатация

1207195,8

4. Затраты от потерь электроэнергии

34164

5. Прочие

725313,31

6. Амортизация

301798,95

7. Эксплуатационные затраты

3626567,34


Общие затраты проекта складываются из капитальных вложений и эксплуатационных затрат:

руб.

6.3 Обоснование выбора преобразователя


Первый вариант, а именно низковольтный преобразователь частоты на IGBT-транзисторах по схеме: понижающий трансформатор - низковольтный преобразователь частоты - повышающий трансформатор - высоковольтный ЭД, имеет высокие массогабаритные характеристики, меньшие по отношению ко второму варианту КПД (93 - 96%), но более дешевый (1265862,94 руб.) и прост в практической реализации.

Второй вариант - высоковольтный преобразователей частоты на IGBT - транзисторах, имеет высокий КПД (около 98%) и высокий коэффициент мощности (около 95%), но сложен в технической реализации, что отражается в цене (6644556,84 руб.). Так же, при использование таких преобразователей возникает проблема "длинного кабеля", для устранения которого требуются дополнительные элементы, а это приводит к усложнению схемы подключения.

Поэтому выбираем первый вариант, который прост в реализации и значительно дешевле второго.

7. Математическая модель электропривода


Общая структура электропривода.

Для составления математической модели удобно воспользоваться представлением системы в переменных входы-выходы, которая отличается отражением в модели реальных физических величин, что в свою очередь более удобно при рассмотрении конкретных систем электроприводов различных производственных механизмов.

Общая структура электропривода представляется в виде схемы (рисунок 10.1), где раскрываются входные и выходные переменные каждого звена системы электропривода.

Рисунок 7.1 - Общая структура электропривода

Частотный преобразователь можно разделить на три основные части: неуправляемый выпрямитель, инвертор и систему управления выпрямителем и инвертором. Частотно-регулируемый асинхронный двигатель (ПЭДВ), вращая центробежное колесо насоса ЭЦВ, воздействует на величину давления жидкости в системе трубопроводов. Давление жидкости фиксируется датчиком давления. Преобразованный с помощью измерительного преобразователя сигнал с датчика передается в системы управления ПЧ. Для представления математической модели ЭП необходимо составить систему уравнений описывающих электрическое и электромагнитное состояние ЭП, а также систему уравнений, описывающую механические процессы, протекающие в ЭП. Для составления уравнений, характеризующих электрическое и электромагнитное состояние электродвигателя, удобно воспользоваться Т-образной схемой замещения асинхронного двигателя.

Рисунок 7.2 - Схема замещения асинхронного двигателя

Уравнения, характеризующие электрическое состояние статора и ротора электродвигателя:

- Uab = I1R1 + jX1I1;

Uab = (R’2/s) ·I’2 + jX’2I’2;

где U - напряжение фазы обмотки статора;ab - напряжение на "зажимах" ветви намагничивания;1 - ток фазы статорной обмотки;1, X1 - активное и индуктивное сопротивление фазы обмотки статора;2' - приведенное индуктивное сопротивление ротора;2'/s - приведенное активное сопротивление ротора с учетом механической нагрузки на валу двигателя;2' - приведенный ток ротора.

Уравнения, характеризующие электромагнитное состояние электродвигателя:

ab = jX0I0;1 + I’2 = I0.

где X0 - индуктивное сопротивление ветви намагничивания;0 - ток холостого хода (ветви намагничивания).

Уравнения, описывающие механику двигателя:

;

где ω0 - синхронная частота вращения.

;

;

где Мс - статический момент сопротивления, Нм;- момент инерции двигателя, кг/м2.

После перехода к операторной форме, выражения примут следующий вид:

U1ф - Uab = I1R1 + pL1I1;ab = (R’2/s) ∙I’2 + pL’2I’2;ab = pL0I0,

;

Выражения 10.4 и 10.6 для дальнейшего анализа удобно представить в виде:

0 = I1 + I’2;

;

 

Структурная схема электропривода

Структурная схема выпрямителя соответствует уравнению, описывающему его работу:

d=K1U2;

Рисунок 7.3 - Структурная схема выпрямителя

 

Структурная схема инвертора

Из выражения видно, что выходными сигналами системы управления преобразователя частоты являются глубина модуляции и частота модуляции, они же наряду с Ud, будут являться входными для инвертора с широтно-импульсной модуляцией.

Рисунок 10.4 - Структурная схема инвертора

На рисунке 7.4 - К2 = 2π/р - пропорциональное звено перехода к круговой частоте модуляции.

Структурная схема асинхронного двигателя

Структурная схема асинхронного двигателя может быть представлена на основании выражений 10.5,10.8-10.13.

Цепь статора

Преобразуем выражение 10.8 относительно I1.

;

Где К3=1/R1 - коэффициент передачи звена;1=L1/R1 - постоянная времени фазы статорной обмотки.

Рисунок 10.5 - Структурная схема цепи статора асинхронного двигателя

 

Цепь ротора

Преобразуем выражение 10.9 относительно I'2:

;

Где К5=1/R'2 - коэффициент передачи звена;2=L2'/R'2 - постоянная времени фазы обмотки ротора.

Рисунок 7.6 - Структурная схема цепи ротора асинхронного двигателя

 

Цепь намагничивания

Используя выражения 10.10 и 10.12 и приняв L0=K4, получаем структурную схему:

Рисунок 7.7 - Структурная схема цепи намагничивания

 

Момент двигателя

Из уравнения 10.5 приняв К0=3R2' (коэффициент усиления звена), получаем структурную схему:

Рисунок 7.8 - Структурная схема выражения вращающего момента двигателя

 

Скольжение

 

Рисунок 7.10 - Структурная схема выражения скольжения

 

Классическое уравнение движения привода

Представляет собой интегрирующее звено:

Рисунок 7.11 - Структурная схема интегрирующего звена

 

Структурная схема статического момента сопротивления производственного механизма

Производственный механизм оказывает влияние на величину угловой скорости вращения двигателя внесением отрицательного момента сопротивления в структурную схему электропривода. Статический момент сопротивления является отрицательным по отношению к моменту двигателя. В общем случае, для подавляющего большинства центробежных насосов механическая характеристика может быть выражена эмпирической формулой [1]:

;

где МС - момент сопротивления производственного механизма при скорости ω;

МС0 - момент сопротивления трения в движущихся частях механизма;

МС. НОМ - момент сопротивления при номинальной скорости ωНОМ.

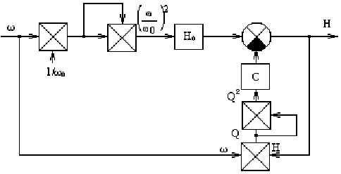
Рисунок 7.12 - Структурная схема насоса

Общая структурная схема, показанная на рисунке А.1, включает в себя также обратную связь (рисунок 10.13), входной величиной, которой является давление в системе трубопроводов (уровень в наполняемом резервуаре), выходной - изменение электрического параметра (например, напряжения).

Рисунок 7.13 - Структурная схема звена обратной связи

8. Проблема "длинного кабеля" в электроприводах с IGBT (инверторами)


Неоспоримые достоинства транзисторных IGBT-инверторов напряжения (АИН) с широтно-импульсным управлением (ШИМ) в регулируемом асинхронном электроприводе сочетаются, однако, с рядом проблем, одной из которых является проблема "длинного кабеля", соединяющего обмотки двигателя (АД) с выходом АИН. Выходное напряжение U1 АИН с ШИМ представляет собой высокочастотную последовательность прямоугольных импульсов различной полярности и длительности с одинаковой амплитудой Ud-величины постоянного напряжения на входе АИН (рисунок 11.1).

Крутизна фронта tf импульсов напряжения определяется скоростью переключения силовых ключей АИН и при использовании различных полупроводниковых приборов составляет:

однооперационные тиристоры SCR - 4.10 мкс;

запираемые тиристоры GTO - 2.4 мкс;

силовые биполярые тиристоры GTR - 0,5.2 мкс;

транзисторы IGBT - 0,05.0,1 мкс

Рис. 8.1 Выходное напряжение АИН с ШИМ

Рис. 7.2 Цепь соединения АИН с АД (эквивалентная схема элементарного участка кабеля)

Существенно более высокое быстродействие IGBT, являющееся преимуществом для реализации высокочастотной ШИМ и минимизации потерь энергии в АИН и АД, негативно проявляется в протекании переходных процессов в цепи АИН - соединительный кабель - АД (рисунок 11.2) на интервалах времени фронта tf. Прохождение импульсного сигнала с крутым фронтом вызывает волновые процессы в кабеле, приводящие к появлению перенапряжений на зажимах двигателя (рисунок 8.3).

Рис. 8.3 Напряжение на зажимах АД при подключении "длинным кабелем"

В этом случае, согласно теории цепей, кабель следует рассматривать как однородную длинную линию с распределенными параметрами, элементарный участок которой показан на рисунке 11.2 Ввиду относительной малости последовательным активным сопротивлением rк и параллельной активной проводимостью gк участка линии можно пренебречь. Волновое сопротивление Z0 кабеля при этом определяется последовательной индуктивностью Lк и параллельной емкостью Ск участка линии:


Значения параметров Lк и Ск зависят от типа, конструкции и сечения кабеля (кабельной линии), но, как свидетельствуют справочные и экспериментальные данные, зависимость эта незначительна. Для широкого ассортимента монтажных проводов и кабелей усредненные значения этих параметров составляют: Lк=1 мкГн/м; Ск=50 пФ/м.

Тогда:


Можно с большей степенью достоверности принять значения Z0=100.200 Ом для всех применяемых в электроприводах монтажных проводов и кабелей.

Входное сопротивление Z1 кабеля представлено выходным сопротивлением полупроводниковых вентилей и внутренним сопротивлением батареи конденсаторов входного фильтра и является относительно малой величиной, которой также можно пренебречь:

1<<Zo.

Выходным сопротивлением Z2 кабеля является относительно большое для высокочастотного сигнала входное сопротивление АД, определяемое индуктивностью рассеяния L его обмоток и эквивалентной частотой ωf фронта импульса напряжения:

,

поэтому Z2>>Zo.

В связи с вышесказанным, при прохождении крутого фронта импульса напряжения входная часть силового монтажного кабеля электропривода (со стороны АИН) работает в режиме короткого замыкания, выходная часть кабеля (на зажимах АД) - в режиме холостого хода.

С учетом значений параметров волновые характеристики монтажных проводов и кабелей приближаются к характеристикам линии без искажений и потерь:

ωfLK>>rK; ωf CK>>gK; rK =gK ≈0.

В такой линии скорость Vf распространения высокочастотной волны определяется выражением:


и равна примерно половине скорости света в вакууме. Для приведенных выше значений параметров Lк и Ск:

f≈142∙106 м/с.

Этой скорости соответствует длина волны λ:

м

Время Tf прохождения фронта импульса от выхода АИН к зажимам АД определяется длиной l кабеля (для нашего случая длину кабеля примем равной длине скважины l=375м):

f=l/Vf=375/142∙106=2,5мкс

Если это время больше или равно времени фронта tf, то в конце кабеля из-за его несогласованности с нагрузкой (Z2>>Zo) возникает отраженная волна напряжения n2U1, которая суммируется с падающей (прямой) волной напряжения U1, образуя стоячие волны. В результате на зажимах АД образуется напряжение:

2 = U1∙ (1 + n2),

где 0 < n2 ≤ 1 - коэффициент отражения.

Максимальное значение n2 = 1, тогда напряжение на зажимах АД удваивается. Возвращаясь к началу кабеля, отраженная волна гасится малым входным сопротивлением Z1<<Zo. Поэтому напряжение U1 на зажимах АИН не изменяется.

При Tf < tf коэффициент отражения n2 рассчитывается по формуле:

2=n2max∙ (Tf/tf)

Значение импульсного перенапряжения в сочетании с высокой крутизной его фронта могут привести к снижению срока службы изоляции обмоток двигателя.

Используются два эффективных способа ограничения волновых перенапряжений на зажимах АД:

) установка последовательного силового LC-фильтра БФ2П на выходе АИН для уменьшения крутизны фронта импульсов его выходного напряжения;

) установка параллельного RC-фильтра БФ2М (слаботочного) непосредственно у зажимов АД для согласования волнового сопротивления кабеля.

Переходные процессы в разомкнутой системе преобразователь частоты - асинхронный двигатель (ПЧ-АД)

Для анализа динамики системы ПЧ-АД построим ее структурную схему.

Известно, что при питании от преобразователя частоты асинхронный двигатель работает исключительно на прямолинейных участках механических характеристик. Следовательно, в данном случае можно пренебречь электромагнитной постоянной времени и считать переходные процессы электромеханическими. В этом случае момент двигателя определяется выражением. Однако это уравнение описывает механическую характеристику электродвигателя во всем диапазоне скольжений. Так как в системе ПЧ-АД электродвигатель работает только при скольжениях, меньших критического, то является целесообразным использовать математическое описание прямолинейного участка характеристики, которое можно представить следующим образом:

 

w = w он a - Dw,

где w он - скорость идеального холостого хода при частоте f, равной номинальной частоте fн;

a = f / fн - относительная частота напряжения питания;

Dw - статическое падение скорости.

Так как на рабочем участке механические характеристики двигателя в системе ПЧ-АД параллельны, то при данном Мс статическое падение скорости является величиной постоянной, то есть можно представить в виде:

 

w = w он a - К М, (4.50)

где

К - коэффициент пропорциональности между М и Dw.

Этот коэффициент можно определить, исходя из следующих соображений: он является постоянным для любой точки характеристики, в том числе и для точки номинального режима на естественной характеристике:

 

w н = w он a - К Мн.

Из (4.51) после алгебраических преобразований получаем:

 

К = w он Sн / Мн.

Подставляем вместо К его значение после алгебраических преобразований получаем математическое описание момента двигателя на линейных участках механических характеристик:

 

М = (w он a - w) Мн / Sн w он.

Дальнейшее математическое описание целесообразно вести в относительных единицах (здесь относительные величины обозначаются значком *); в качестве базовых используются: Мн, w он, fн.

Тогда принимает вид:

М* = (a - w*) / Sн.

Из уравнения движения электропривода получаем:

 

М = Мс + Тм (Мкн / w он) (dw / dt),

где Тм = Jw он / Мкн - электромеханическая постоянная времени;

Мкн - критический момент на характеристике при f = fн.

Представим в относительных единицах:

 

М* = Мс* + Тм (Мкн / Мн) (dw* / dt).

Здесь Мкн / Мн = l - перегрузочная способность двигателя. Причем закон совместного изменения частоты и напряжения преобразователя выбирается именно из условия получения постоянной перегрузочной способности при любой форме зависимости от скорости момента статического, то есть для всех реально возможных режимов эта величина остается неизменной. Следовательно можно записать:

 

М* = Мс* + Тм l (dw* / dt)

Определим из dw* / dt и представим полученное уравнение и в операторной форме:

 

w* (р) = (М* (р) - Мс* (р)

lТмр

М* (р) = (a (р) - w* (р)) / Sн.

На основании построена структурная схема асинхронной машины при ее работе на прямолинейных участках механических характеристик, приведенная на рис. 1.20.

Как указывалось выше, преобразователь частоты состоит из выпрямителя и инвертора, соединенных последовательно. Если, согласно [8], представить их апериодическими звеньями с постоянными времени Тв и Ти соответственно, то передаточная функция Wп (p) преобразователя имеет вид:

п (p) = Кп / [ (Tв + 1) (Tи p+1)],

где Кп - коэффициент усиления ПЧ.

После алгебраических преобразований (4.60) можно записать

п (p) = Кп / (TвТи p2+Tв p+Tи p+1)

Как указывалось выше, постоянная времени выпрямителя Тв = 0,01с, а величина постоянной времени инвертора определяется его конструкцией. Если инвертор построен на базе тиристорных ключей, то его постоянная времени Ти = 0,01, если - на базе транзисторов, то его можно считать безъинерционным звеном с постоянной времени равной нулю.

Если Ти = 0,01, то TвTи = 0,0001с. Этой величиной можно пренебречь и тогда


Следовательно,

Wп (p) = f (р) / Uз = Кп / [ (Tв+Tи) p+1)].

Представим (4.63) в относительных единицах, где базовым значением Uз является Uзн, при котором на выходе преобразователя имеется напряжение с частотой fн, равной номинальной. Имея в виду, что в установившемся режиме Uзн Кп = fн, получаем:

 

a (р) = U* (р) / [ (Tв+Tи) p+1)]

На основании (4.64) с учетом схемы рис. 1.20 строится структурная схема разомкнутой системы ПЧ-АД, приведенная на рис. 1.21.

Получаем систему дифференциальных уравнений, описывающих эту схему:

 

dw / dt = (М* - Мс*) / l Тм;

М* = (a - w*) / Sн;

da / dt = (Uз* - a) / (Тв + Ти)

При линейном изменении задающего напряжения вместо Uз* подставляется его функциональная зависимость Uз* = Кзt, где Кз = 1/tп - коэффициент скорости изменения частоты выходного напряжения преобразователя, который, также как и в системе ТП-Д, определяется из условия получения при пуске момента, не превышающнго допустимый.

Так как механические характеристики электродвигателя считаются линейными, то методика поэтапного анализа переходных процессов здесь такая же, как и в системе ТП-Д.

Схема АД с плавным пуском при вентиляторном моменте.

 

 


Список использованной литературы


1.      Бабакин В.И., Байбурин Э.Р., Башаров Р.А. Курсовое проектирование по теории электропривода: Учеб. пособие. Уфа: Изд-во УГНТУ, 1999.154 с.

2.      Бабакин В.И., Байбурин Э.Р., Башаров Р.А. Курсовое проектирование по теории электропривода: Учеб. пособие. Уфа: Изд-во УГНТУ, 2000.84 с.

.        Чиликин М.Г., Сандлер А.С. Общий курс электропривода. - М.: Энергоиздат, 1981. - 576 с., ил.

.        Забродин Ю.С. Промышленная электроника; Учебник для вузов. М.: Высшая школа, 1982.

.        Ильинский Н.Ф., Козаченко В.Ф. Общий курс электропривода: Учебник для вузов. М.; Энергоатомиздат, 1992.544 с.

.        Меньшов Б.Г., Суд И.И., Яризов А.А. Электрооборудование нефтяной промышленности. М: Недра 1990.365 с.: ил.

.        Теория автоматического управления. / под, ред. А В. Нетушила, М.: Высшая школа 1967.424 с.

.        Колпаков Л.Г. Центробежные насосы магистральных нефтепроводов. М.: Недра, 1985.184 с.

.        Шабанов В.А., Лопатин В.П. Курсовое проектирование по электрическим сетям и электроснабжению. - Уфа: Изд-во УГНТУ, 1997.

.        Фёдоров А.А., Каменева В.В. Основы электроснабжения промышленных предприятий: Учебник для вузов. - 3-е изд., перераб. и доп. - М.: Энергия, 1979. - 408 с., ил.

.        Буренина И.В. Учебно-методическое пособие к составлению экономической части дипломного проектирования для студентов специальностей 21.02.00, 18.04.00.

Похожие работы на - Разработка электропривода погружного центробежного насоса ЭЦВ 16-375-350

 

Не нашли материал для своей работы?
Поможем написать уникальную работу
Без плагиата!
Без нейросетей!