Методы оценки качества продукции
Министерство образования и науки РФ
ФГБОУ ВПО "РГРТУ"
Кафедра ИИБМТ
Курсовая работа
по дисциплине "Управление
качеством"
Выполнил: ст. гр.274
Гребеньков Н.А.
Проверил: Губарев А.В.
Рязань, 2015
Содержание
Введение
1. Оценка уровня качества LED-телевизора "SONY
KDL-32R433B"
1.1 LED-телевизор "SONY KDL-32R433B
1.1.1 Общие сведения о LED-телевизорах
1.1.2 Принцип действия LED-телевизоров
1.1.3 Схема LED-телевизора
1.1.4 Технические характеристики
2. Оценка качества изделия
2.1 Алгоритм оценки технического уровня устройства
2.2 Классификация показателей качества продукции
2.3 Выбор номенклатуры показателей уровня качества
2.4 Выбор аналогов
2.5 Методы получения информации о показателях качества
3. Оценка качества
3.1 Оценка единичных показателей качества оцениваемого образца и
группы аналогов
3.2 Определение коэффициентов весомости
3.3 Выбор базового образца
3.4 Оценка обобщенного показателя качества
3.5 Оценка качества дифференциальным методом
3.6 Оценка качества комплексный методом
3.7 Оценка качества интегральным методом
4. Выводы по результатам оценки уровня качества телевизора
Заключение
Библиография
Введение
Качество продукции - степень соответствия совокупности
присущих продукции характеристик потребностям и ожиданиям, которые установлены,
обычно предполагаются или являются обязательными.
В наше время все более и более актуальной становится проблема
обеспечения необходимого уровня качества продукции, ведь оно обеспечивает
конкурентоспособность предприятия. Кроме того, уровень качества производимой
продукции влияет на уровень жизни населения.
Поэтому важно контролировать и постоянно улучшать качество
продукции на предприятиях. Это принесет выгоду всем заинтересованным сторонам.
Контроль качества продукции осуществляется различными инструментами управления
качеством.
Целью курсовой работы (КР) является изучение и применение на
практике различных методов оценки качества продукции.
В ходе выполнения КР необходимо выполнить следующие задачи:
а) изучить принцип работы оцениваемого устройства
(телевизор);
б) ознакомиться с классификацией показателей качества и
осуществить выбор номенклатуры показателей качества телевизора;
в) изучить различные методы оценки качества изделия;
г) оценить качество изделия;
д) подвести итоги по результатам оценки уровня качества
изделия;
1. Оценка
уровня качества LED-телевизора "SONY KDL-32R433B"
1.1
LED-телевизор "SONY KDL-32R433B
1.1.1 Общие
сведения о LED-телевизорах
LED телевизор представляет собой жидкокристаллический
телевизор, в котором для подсветки экрана используются светодиоды. Напомним,
что в уже привычных жидкокристаллических телевизорах для подсветки применяются
лампы с холодным катодом. Какие преимущества дает использование в подсветке
светодиодной матрицы? Как утверждают производители одним из основных достоинств
применения диодов можно считать значительное повышение качества изображения.
Существует несколько параметров, которые непосредственно влияют на восприятие
зрителем изображения. К ним можно отнести уровень контрастности, яркость,
качество цветопередачи и глубина черного цвета. В большинстве случаев LED-телевизоры опережают ЖК
собратьев со стандартными лампами по всем перечисленным выше параметрам.
Такая ситуация получается в результате конструктивных
особенностей светодиодной матрицы. Регулируя уровень свечения диодов можно
добиться полного контроля над затемнением или осветлением локальных участков
экрана телевизора. Выключенный светодиод не создает никакого свечения, поэтому
группа выключенных диодов способна создать абсолютно черные участки. Такая
технология позволяет добиться отличного уровня контрастности и глубокого
отображения черного цвета. Также улучшается общая цветопередача, что приводит к
улучшению качества изображения. Поскольку светодиоды обладают ярким свечением,
телевизоры с LED экраном имеют высокую яркость экрана, что позволяет комфортно
смотреть телепередачи в ярких комнатах. Таким образом, применение диодной
матрицы позволяет улучшить большинство параметров, отвечающих за вывод
качественного изображения. К плюсам можно отнести и значительное снижение
энергопотребления - в общем случае на 40% ниже стандартных ЖК телевизоров того
же размера.
На телевизоры действуют такие ГОСТы, как ГОСТ Р 52870-2007
"Средства отображения информации коллективного пользования. Требования к
визуальному отображению информации и способы измерения" [4] и ГОСТ
27418-87. Аппаратура радиоэлектронная бытовая. Термины и определения [3].
1.1.2 Принцип
действия LED-телевизоров
К настоящему времени разработан ряд различных технологий
подсветки ЖК экранов с помощью светодиодов. Как правило для создания модулей
подсветки (Back Light Unit, BLU), используют LED-массивы, составленные из белых
(White) или разноцветных - RGB (Red, Green, Blue; красных, зелёных, голубых)
светодиодов. Принцип подсветки также представлен двумя основными вариантами
прямой (Direct) и торцевой (Edge). В первом случае это массив светодиодов,
расположенный позади ЖК-панели. Другой способ, позволяющий создавать
сверхтонкие дисплеи, получил название Edge-LED и предусматривает размещение
светодиодов подсветки по периметру внутренней рамки панели, а равномерное
распределение подсветки осуществляется с помощью специальной рассеивающей
панели, расположенной за ЖК экраном - как это делается в мобильных устройствах.
Сторонники прямой светодиодной подсветки обещают более качественный результат
за счёт большего количества светодиодов и технологии локального затемнения для
снижения цветовых разводов. Обратная сторона прямой подсветки - большее
количество светодиодов и сопутствующее повышение расхода энергии и цены. К тому
же о сверхтонком дизайне телевизора придётся забыть. Сторонники торцевой
подсветки, кроме экономии энергии, обещают не худшее качество при более тонком
дизайне. Сегодня выпуском ЖК телевизоров со светодиодной подсветкой занимается
множество мировых компаний, в том числе Samsung Electronics, Toshiba, Philips,
LG Electronics, Sony и другие. В своих ЖК телевизорах и мониторах со
светодиодной подсветкой каждая компания использует вариации выше указанных
технологий. Так, например, в телевизорах Sony используется технология Edge LED,
что позволило значительно уменьшить толщину достаточно больших телевизоров.
Рисунок 1 - CCFL и Edge LED технологии
По своей сути ЖК экран - это многослойный "пирог",
составленный из фильтров цвета, массивов жидких кристаллов, ламп подсветки и
пр. Ячейки жидких кристаллов сами по себе не светятся, но, в зависимости от
уровня, поданного на них напряжения, открываются для пропускания света
полностью, приоткрываются частично или просто закрыты в случае отображения
тёмного участка.
Роль ламп подсветки во всей это истории - просветить
приоткрывшиеся ЖК ячейки, чтобы на экране получилась финальная картинка.
Несмотря на столь упрощённый пересказ принципа работы ЖК-дисплея, этого вполне
достаточно чтобы понять назначение его основных компонентов. Толщина слоёв
"пирога" различных ЖК экранов разная. В случае использования
традиционных флуоресцентных ламп слой подсветки оказывается настолько толстым,
что занимает больший объём нежели все остальные слои вместе взятые.
Рисунок 2 - Схема слоев LED-экрана
Заменим люминесцентные лампы подсветки ЖК ячеек на
светодиоды. Первый же очевидный эффект такой замены - значительное уменьшение
общей толщины ЖК-панели. Более того, в LED-телевизорах SONY светодиоды размещены не
за матрицей, а по её краям, благодаря чему наличие такого торцевого слоя
практически никак не отражается на общей толщине, зато значительно уменьшается
общий вес.
Немаловажный фактор - расход электричества. Традиционные ЖК
телевизоры, конечно же, экономнее былых моделей с электронно-лучевыми
кинескопами, но не стоит забывать, что и диагонали нынче уже не те, так что с
большими ЖК телевизорами электросчетчики и сейчас крутятся достаточно быстро.
Что касается новых LED-моделей, светодиодная подсветка позволяет значительно
сократить расход энергии без ущерба для яркости изображения.
оценка качество продукция телевизор
Рисунок 3 - Разница энергопотребеления LED и LCD телевизоров
1.1.3 Схема
LED-телевизора
Современные телевизоры имеют совсем не
много деталей или элементов и состоит из следующих частей:
а) корпус
б) экран
в) плата питания
г) плата основная
д) плата динамиков
Рисунок 4 - Основные элементы телевизора
Основная плата, это сердце телевизора, на
ней установлен процессор, смонтированы разъёмы, установлены также и другие
элементы модули управления подсветкой, цифровые тюнеры, сетевой порт, WI-FI и
многое другое в зависимости от функциональности телевизора.
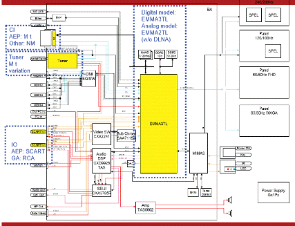
Рисунок 5 - Схема основной платы
1.1.4
Технические характеристики
Технические характеристики LED-телевизора "SONY KDL-32R433B":
а) Тип экрана: LED
б) Диагональ экрана: 32”
в) Формат экрана: 16: 9
г) Разрешение экрана, пикс.:
1366х768
д) Частота обновления, Гц: 100
е) Динамическая контрастность:
1000000: 1
ж) Технологии звука: Dolby Digital
з) Мощность динамиков, Вт: 10
и) Вход HDMI: +
к) Интерфейс USB: +
л) Разъем SCART: +
м) Выход в интернет: +
н) Таймер сна: +
о) Пульт ДУ: +
п) Wi-Fi соединение: +
р) Защита от детей: +
с) Телетекст: +
т) Поддерживаемые форматы: MKV, MPEG4, MP3, JPEG, WMA, Xvid
у) Потребляемая мощность при работе,
Вт: 60
ф) Потребляемая мощность в режиме
ожидания, Вт: 1
х) Высота, см: 45,1
ц) Ширина, см: 73,6
ч) Глубина, см: 8
ш) Вес, кг: 5
щ) Срок службы: 10 лет
Рисунок 6 - Внешний вид телевизора "SONY KDL-32R433B"
2. Оценка
качества изделия
2.1 Алгоритм
оценки технического уровня устройства
Для управления качеством продукции и
успешного его повышения необходимо оценивать уровень качества. Это позволит
вырабатывать верные управленческие решения. В общем виде оценка технического
уровня продукции состоит из следующих этапов:
а) Установление цели оценки
технического уровня устройства;
б) Выбор номенклатуры, показателей
свойств оцениваемого и базового образцов с обоснованием их необходимости и
достаточности;
в) Выбор или разработка метода и приемов
определения значений показателей технического уровня устройства;
г) Выбор или определение базовых
значений показателей технического уровня и поиск исходных данных для
определения фактических значений показателей технического уровня оцениваемой
продукции;
д) Определение фактических значений
показателей технического уровня и их сопоставление с базовыми;
е) Оценка технического уровня и
выработка рекомендаций для принятия управленческих решений.
.2
Классификация показателей качества продукции
Показатели свойств, отражающих качество
продукции, в зависимости от решаемых задач, можно классифицировать по различным
признакам (рисунок 4).
Рисунок 7 - Классификация показателей свойств продукции
Виды свойств объекта рассмотрения:
а) Назначения:
1. Классификационные показатели - размеры экрана, мощность
обогрева и охлаждения;
2. Показатели состава и структуры -
наличие пульта ДУ;
3. Социальные показатели - дата выхода в продажу;
4. Функциональные показатели -
максимальный перепад высот;
б) Надежности:
. Безотказность - средняя наработка
до отказа (на отказ);
2. Долговечность - средний срок службы, гарантийный
срок;
3. Ремонтопригодность - время
восстановления между отказами;
в) Экономного использования ресурсов:
. Удельный расход сырья материалов - размеры блоков и
пульта ДУ;
2. Экономичность энергопотребления - потребляемая
мощность;
. Производительность - яркость;
г) Эргономические:
. Соответствие изделия органам чувств человека -
материал и размер корпуса и кнопок пульта ДУ телевизора, размер и четкость
надписей, допустимый уровень громкости, четкость картинки;
2. Соответствие изделия двигательной способности
человека - размеры блоков и пульта ДУ, расположение кнопок на пульте ДУ;
д) Эстетические:
. Информационная выразительность - наличие логотипа
компании;
2. Рациональность формы - пропорциональность;
. Целостность композиции - цветовое решение;
. Стабильность товарного вида - устойчивость к
повреждениям;
е) Технологические: трудоемкость и себестоимость
изготовления;
ж) Транспортабельные: размеры, масса, допустимые условия
транспортировки;
з) Стандартизации и унификации: коэффициенты
повторяемости, применяемости;
и) Патентно-правовые: показатели патентной чистоты;
к) Экологические: материалы корпуса и др. элементов
телевизора;
л) Безопасности: уровень изоляции.
2.3 Выбор
номенклатуры показателей уровня качества
Номенклатура показателей качества - это
перечень наименований количественных характеристик свойств устройства,
составляющих его качество и обеспечивающих возможность адекватной оценки уровня
качества продукции.
Для сравнения изделий были выбраны
следующие показатели уровня качества:
а) средняя цена - цена важна, потому
потребитель будет исходить из своих материальных возможностей при покупке
телевизора;
б) разрешение экрана - важно для получения
максимально качественной картинки;
в) частота обновления - чем выше частота
обновления, тем качественнее передача сигнала;
г) вес - минимально возможный вес
предоставит покупателю возможность самостоятельно довезти телевизор домой и
подвесить на стену;
д) габариты - габариты значимы, так как на
основе параметров места установки и делается выбор того или иного телевизора;
е) потребляемая мощность -
энергопотребление дает нам возможности узнать сразу при покупке, на какой
диапазон затраченной энергии во время эксплуатации, мы можем рассчитывать, а
значит, можем подсчитать примерную сумму денежных средств, которые пойдут на
оплату ресурсов;
ж) динамическая контрастность -
цветопередача крайне важна для более естественного изображения;
з) угол обзора - ограничивает или
расширяет возможности установки телевизора в различных местах;
и) яркость - делает изображение более
живым.
Данные показатели были выделены, потому
что они являются основными показателями, на которые обращают внимание потребители
при покупке устройств данного типа.
При выборе номенклатуры показателей
качества ее состав определяют в соответствии с их классификацией (рисунок 7).
2.4 Выбор
аналогов
После выбора номенклатуры показателей
свойств необходимо выбрать группу аналогов для оцениваемого устройства (таблица
1).
Группа аналогов - это несколько различных
образцов, имеющих одинаковые или близкие значения классификационных показателей
свойств и выбранных для установления из них базового образца.
Из-за схожих параметров, в качестве
аналогов были выбраны следующие изделия: Samsung UE32H4000, Philips 32PHH4309,
Sharp LC-32LD165, ВBK 32LEM-1003/T2C.
2.5 Методы
получения информации о показателях качества
Методы определения значений показателей свойств изделия делят
на две основные группы (рисунок 8).
Рисунок 8 - Классификация методов измерения значений
показателей свойств изделия
Измерительный метод основан на информации, получаемой с
помощью технических измерительных средств. Результаты непосредственных
измерений при необходимости получают способом пересчетов к нормальным или
стандартным условиям.
Регистрационный метод основан на использовании информации,
получаемой путем подсчета количества определенных событий, предметов или
затрат.
Органолептический метод основан на использовании информации,
получаемой в результате анализа восприятий органов чувств. При этом значения
показателей выражают в баллах.
Расчетный метод основан на использовании информации,
получаемой с помощью теоретических или эмпирических зависимостей.
При традиционном методе показатели качества определяются
должностными лицами специализированных экспертных лабораторий, полигонов,
стендов, конструкторских отделов, вычислительных центров, служб надежности.
При экспертном методе определение значений показателей
качества осуществляется на основе решения группы специалистов.
Социологический метод основан на сборе и
анализе информации о мнении фактических или возможных потребителей продукции.
Сбор информации осуществляется в ходе опроса или с помощью организации
различных конференций и выставок.
3. Оценка
качества
3.1 Оценка
единичных показателей качества оцениваемого образца и группы аналогов
Единичные показатели характеризуют одно свойство продукции,
составляющее ее качество применительно к определенным условиям создания,
эксплуатации и потребления. Они используются для расчета уровня качества во
многих методах. Например, в дифференциальном методе оценки технического уровня
(ТУ) изделий происходит сопоставление единичных показателей качества
оцениваемых изделий с соответствующими показателями базового образца. Так же
единичные показатели качества дают возможность оценить продукцию без лишних
расчетов.
Рассмотрим единичные показатели качества
применительно к нашему изделию и его аналогам в таблице 1.
Таблица 1 - Оценка показателей качества аналогов оцениваемого
устройства
|
Название
устройства
|
SONY KDL-32R433
|
Samsung
UE32H4000
|
Philips
32PHH4309
|
Sharp
LC-32LD165
|
BBK
32LEM-1003/T2C
|
|
№ Устройства
|
1
|
2
|
3
|
4
|
5
|
|
Средняя цена,
руб.
|
18000
|
16481
|
14980
|
16480
|
15690
|
|
Разрешение
экрана
|
1366x768
|
1366x768
|
1366x768
|
1366x768
|
1366x768
|
|
Частота
обновления, Гц
|
100
|
100
|
100
|
75
|
50
|
|
Вес, кг
|
4,7
|
4,8
|
5
|
5,4
|
5,6
|
|
Потребляемая
мощность, Вт
|
60
|
58
|
61
|
62
|
62
|
|
Динамическая
контрастность
|
1000000: 1
|
1000000: 1
|
1000000: 1
|
1000000: 1
|
1000000: 1
|
|
Габариты, мм
|
736x451x80
|
736x447x63
|
726x424x64
|
733x453x64
|
738x444x77
|
|
Угол обзора,
град
|
178°
|
166°
|
170°
|
158°
|
160°
|
|
Яркость, кд/м2
|
290
|
250
|
250
|
300
|
250
|
В данной таблице произведено оценивание технических
характеристик базового телевизора и его аналогов. Теперь необходимо оценить
некоторые эстетические и эргономические показатели качества, их оценка будет
осуществляться по бальной шкале от 1 до 3, в таблице 2.
Таблица 2 - Оценка эргономических и эстетических показателей
качества
|
Единичный
показатель
|
Оценка в баллах
|
|
|
1
|
2
|
3
|
4
|
5
|
|
1 Габариты
|
2
|
2
|
3
|
3
|
2
|
|
2 Размер кнопок
на пульте дистанционного управления
|
3
|
3
|
3
|
2
|
2
|
|
3 Вес
|
3
|
3
|
2
|
1
|
1
|
|
|
|
|
|
|
|
Таблица 3 - Критерии оценивания эргономических и эстетических
показателей качества
|
Балл
|
Качественная
оценка
|
Габариты
|
Размер кнопок
на пульте дистанционного управления
|
Вес
|
|
3
|
Отличное
качество
|
Размеры не
очень велики, маленькая толщина
|
Кнопки
нормального размера, что позволяет беспрепятственно эксплуатировать
телевизор, не делая пульт д/у громоздким
|
Маленький вес
телевизора, делающий самостоятельную транспортировку и установку возможной
|
|
2
|
Нормальное
качество
|
Средние
размеры, средняя толщина
|
Кнопки чуть
меньшего размера, что слегка затрудняет эксплуатацию, но не портит внешний
вид пульта д/у
|
Средний вес
усложняет самостоятельную транспортировку и установку
|
|
1
|
Плохое качество
|
Размеры
большие, толщина велика
|
Кнопки
маленькие до, что делает сложным эксплуатацию и портит внешний вид
|
Большой вес
делает самостоятельную транспортировку и установку крайне сложной и неудобной
|
3.2
Определение коэффициентов весомости
Коэффициент весомости является комплексной характеристикой
значимости показателя качества продукции среди других показателей ее качества.
Рассмотрим методы определения весомости отдельных свойств качества.
а) стоимостной способ. Его основу составляет определение
затрат на поддержание определенного уровня, соответствующего свойства качества.
Соотношение величин Pj в данном случае и будет
отображать соотношение весомостей Mj.
В настоящее время наиболее распространенной является
следующая посылка: весомость Mj является монотонно возрастающей
функцией от аргумента Sj, выражающего денежные или трудовые затраты
для обеспечения j-го свойства
j = f (Sj)
Следовательно, весомость Mj может определяться по
формуле:
,
где Sj - затраты на j-е свойство качества
продукции;- общее число свойств качества продукции.
Достоинством данного способа является его простота, а
недостаток стоимостного способа определения весомости, заключающийся в том, что
цены подвержены достаточно сильным изменениям, и, особенно в России, мало
связаны с реальным изменением качества продукции. Поэтому применение данного
способа ограничено и требует уточнений в результате дополнительных
теоретических и экспериментальных исследований.
б) вероятностный способ. В его основу положено предположение,
что любой проектировщик стремится в большей степени приблизить к эталону те
свойства, которые он считает более важными. В результате, для достаточно
большой совокупности проектировщиков среднее значение приближения показателя
каждого свойства к соответствующему эталонному значению будет для важных
свойств больше, чем для свойств, имеющих меньшее значение. Следовательно,
весомость тем выше, чем больше в среднем степень приближения к эталону, что
можно записать:
,
где Mj - весомость свойства качества;j - абсолютный
показатель j-го свойства качества;jЭТ - абсолютный показатель
эталона;
- функция, показывающая степень приближения
свойства к эталону.
Достоинством метода является возможность учитывать мнение
большого числа проектировщиков, не прибегая к контакту с ними. Недостатком
метода является большая трудоемкость расчетов.
в) экспертный способ. Этот способ основан на усреднении
оценок весомостей, даваемых группой экспертов. Он имеет широкое распространение
и используется в большинстве методик оценки качества.
г) смешанный способ. При данном способе используется
некоторая комбинация (обычно линейная) весомостей, полученных с использованием
разных принципов: стоимостного и экспертного, стоимостного и вероятностного,
экспертного и вероятностного.
Каждый из указанных методов обладает своими особенностями,
достоинствами и недостатками. Наиболее предпочтительным методом для решения
задач по оценке качества остается экспертный метод.
В общем виде показатели весомости рассчитываются по следующей
формуле:
Где N - количество участвующих в экспертизе экспертов;
аi - коэффициент весомости i-го показателя качества;
аik - весомость i-го показателя качества,
данная k-м
экспертом.
Наиболее приемлемым методом в данном случае будет являться
метод сопоставлений.
Определение параметров весомости эксперты проводят парным и
последовательным сопоставлением.
При парном сопоставлении эксперт сравнивает показатели
качества по их важности попарно, устанавливая в каждой паре наиболее весомый.
На результат парного сопоставления могут оказать влияние
психологические факторы - предпочтение иногда получает не тот показатель,
который действительно более важен, а тот, который в перечне пар записан первым,
поэтому проводить парное сопоставление целесообразно и в обратном порядке.
Сущность экспертного метода последовательных сопоставлений
состоит в следующем. Эксперт располагает все показатели качества в порядке их
весомости. Предварительно показателям качества присваиваются балльные оценки их
весомости от 1 до 0. Весомость самого важного показателя оценивается как 1,
всем остальным показателям в порядке уменьшения их значимости присваиваются оценки
от 1 до 0.
При определении экспертом весомости наиболее важного показателя
должно соблюдаться условие: 
; если он не соблюдается, эксперт увеличивает до значения,
удовлетворяющего этому условию.
Весомости второго, третьего и т.д. и предпоследнего (n - 1) показателей определяются аналогично весомости первого
показателя. Определим коэффициенты весомости показателей качества оцениваемого
телевизора методом попарного сопоставления. Результаты занесем в таблицу
4.
Таблица 4 - Попарное сравнение показателей уровня качества
|
№ п/п
|
Показатель
|
№ показателя
|
Количество
предпочтений, mi
|
ai = mi / /Smi
|
|
|
|
1
|
2
|
3
|
4
|
5
|
6
|
7
|
8
|
9
|
10
|
|
|
1
|
Цена
|
x
|
0
|
1
|
0
|
0
|
0
|
0
|
0
|
0
|
0
|
1
|
0,0228
|
|
|
2
|
Частота
обновления
|
1
|
x
|
1
|
1
|
1
|
1
|
0
|
0
|
1
|
7
|
0,159
|
|
|
3
|
Вес
|
0
|
0
|
x
|
0
|
0
|
0
|
0
|
0
|
1
|
0
|
1
|
0,0228
|
|
|
4
|
Потребляемая
мощность
|
1
|
0
|
1
|
x
|
0
|
0
|
0
|
0
|
1
|
1
|
4
|
0,0909
|
|
|
5
|
Яркость
|
1
|
0
|
1
|
1
|
x
|
0
|
1
|
1
|
1
|
1
|
7
|
0,159
|
|
|
6
|
Угол обзора
|
1
|
0
|
1
|
1
|
1
|
x
|
0
|
0
|
1
|
1
|
6
|
0,1365
|
|
|
7
|
Разрешение
экрана
|
1
|
0
|
1
|
1
|
0
|
1
|
x
|
1
|
1
|
1
|
7
|
0,159
|
|
|
8
|
Динамическая
контрастность
|
1
|
1
|
1
|
1
|
1
|
0
|
1
|
x
|
1
|
1
|
8
|
0,1818
|
|
|
9
|
Размеры кнопок
пульта д/у
|
0
|
0
|
0
|
0
|
0
|
0
|
0
|
0
|
x
|
1
|
1
|
0,0228
|
|
|
10
|
Габариты
|
1
|
0
|
1
|
0
|
0
|
0
|
0
|
0
|
0
|
x
|
2
|
0,0454
|
|
|
S
|
44
|
1
|
|
3.3 Выбор
базового образца
Для выбора базового образца телевизора
произведем оценку аналогов по показателям в баллах от 1 до 5 для всех
параметров. В таблице 6 рассмотрены критерии оценивания телевизора. После
оценивания результаты были занесены в таблицу 5.
Таблица 5 - Градация пятибалльной шкалы оценок
|
Балл
|
Качественная
оценка
|
|
5
|
Отличное
качество
|
|
4
|
Хорошее
качество
|
|
3
|
Среднее
качество
|
|
2
|
Плохое качество
|
|
1
|
Очень плохое
качество
|
Таблица 6 - Оценка группы аналогов в баллах
|
№ п/п
|
Показатель
|
Номер аналога
|
|
|
1
|
2
|
3
|
4
|
5
|
|
1
|
Цена
|
1
|
3
|
5
|
3
|
4
|
|
2
|
Габариты
|
2
|
3
|
5
|
4
|
3
|
|
3
|
Разрешение
экрана
|
5
|
5
|
5
|
5
|
5
|
|
4
|
Частота
обновления
|
5
|
5
|
5
|
3
|
2
|
|
5
|
Вес
|
5
|
5
|
3
|
2
|
1
|
|
6
|
Потребляемая
мощность
|
3
|
4
|
3
|
3
|
3
|
|
7
|
Угол обзора
|
5
|
3
|
5
|
1
|
1
|
|
8
|
Яркость
|
4
|
2
|
2
|
5
|
2
|
|
9
|
Динамическая
контрастность
|
5
|
5
|
5
|
5
|
5
|
Для того чтобы выбор базового образца был
более обоснованным, осуществим его с учетом значимости показателей качества.
Наименее важными параметрами для
телевизора являются вес, габариты и цена. Они имеют самую малую ценность для
потребителя. Несколько более значимыми являются потребляемая мощность угол
обзора и динамическая контрастность. К самым важным показателям качества
телевизора следует отнести яркость, разрешение экрана и частоту обновления.
Обозначим показатели П1, П2, …, П9 и запишем их в ранжированный ряд:
П4<П3<П8<П9<П7<П6<П2<П1<П5.
Таблица 7 - Оценка группы аналогов в баллах с учетом
коэффициентов значимости показателей качества
|
№ п/п
|
Показатель
|
Коэффициент
значимости
|
Номер аналога
|
|
|
|
1
|
2
|
3
|
4
|
5
|
|
1
|
Цена
|
2
|
2
|
6
|
10
|
6
|
8
|
|
2
|
Габариты
|
3
|
6
|
9
|
15
|
12
|
9
|
|
3
|
Разрешение
экрана
|
8
|
40
|
40
|
40
|
40
|
40
|
|
4
|
Частота
обновления
|
9
|
45
|
45
|
45
|
27
|
18
|
|
5
|
Вес
|
1
|
5
|
5
|
3
|
2
|
1
|
|
6
|
Потребляемая
мощность
|
4
|
12
|
14
|
12
|
12
|
12
|
|
7
|
Угол обзора
|
5
|
20
|
12
|
20
|
4
|
4
|
|
8
|
Яркость
|
7
|
28
|
14
|
14
|
35
|
14
|
|
9
|
Динамическая
контрастность
|
6
|
30
|
30
|
30
|
30
|
30
|
|
10
|
S
|
188
|
175
|
189
|
168
|
136
|
|
|
|
|
|
|
|
|
|
|
|
Произведя анализ таблицы 84, базовым
образцом был выбран третий телевизор - Philips 32PHH4309.
3.4 Оценка
обобщенного показателя качества
К основным показателям качества
телевизоров являются производительность, энергопотребление, а также важны такие
показатели надежности как средний срок службы, средняя наработка на отказ и среднее
время простоя за один отказ. Согласно ГОСТ 21317-87 и инструкциям по
эксплуатации телевизоров, примем среднюю наработку на отказ Т0 для
оцениваемого и базового телевизоров равной 7500 ч, а срок службы Тср
- 10 годам. Среднее время простоя за один отказ Тв примем равным 65
ч. Среднее дневное время работы телевизора 5 часов. Среднегодовая наработка
телевизоров Тср. н = 365 5 = 1825 ч.
Теперь переведем показатели надежности в
количество лет:
Т0оц= Т0баз= 7500/
(365 24) = 0,85 лет;
Тв= 65/ (24 365) = 0,0074 года;
Тср. оц= Тср. баз=10
лет;
Тср. н. оц = Тср. н. баз =
1825/ (365 24) = 0, 208.
Для оцениваемого телевизора
энергопотребление Эоц=109кВт ч/год, а для базового телевизора Эбаз=111кВт
ч /год,:
Sоц= Тср. оцТ0оц
Тср. н. оц / (Эоц (Т0оц+Тв)) =
0,018917;
Sбаз= Тср. базТ0баз
Тср. н. баз / (Эбаз (Т0баз+Тв)) =
0,01857.
Чем выше полученный показатель, тем лучше
качество изделия, поэтому уровень качества оцениваемого телевизора находим
следующим образом:
Ук. о. = Sоц/Sбаз = 0,018917/0,01857=
1,018.
Исходя из полученных результатов, следует,
что по основным показателям качества и показателям надежности, оцениваемый
телевизор незначительно опережает базовый.
3.5 Оценка
качества дифференциальным методом
Дифференциальный метод оценки качества
продукции осуществляется путем сопоставления показателей отдельных свойств
оцениваемого и базового образца. Дифференциальным методом определяют, достигло
ли качество оцениваемого изделия качества базового в целом.
Выбор номенклатуры единичных показателей
качества данного изделия, их значения, группа аналогов и выбор базового образца
приведены ранее. Теперь определим относительные единичные показатели качества
оцениваемой печи через сопоставление числовых показателей базового и
оцениваемого образцов, даже если они являются равными, потому что это важно для
целостности картины и для расчета комплексным методом. Это сопоставление
происходит по формулам:

,
если 
характеризует улучшение свойства и увеличивает показатель 
И если уменьшение значения 
означает улучшение свойства и повышает его оценку
, то:

.
Таблица 8 - Относительные единичные показатели качества
|
№ п/п
|
Показатель
|
Относительные
единичные показатели качества, qi
|
|
1
|
Цена
|
q1 = Pбаз1/Pоц1
= 14980/18000 = 0,83
|
|
2
|
Частота
обновления
|
q2 = Pоц2/Pбаз2 =100/100 =1
|
|
3
|
Вес
|
q3 = Pоц3/Pбаз3 =4,7/5 = 0,94
|
|
4
|
Потребляемая
мощность
|
q4 = Pбаз4/Pоц4
= 61/60= 1,02
|
|
5
|
Яркость
|
q5 = Pоц5/Pбаз5 = 290/250 = 1,16
|
|
6
|
Угол обзора
|
q6 = Pоц6/Pбаз6 = 178/170=1,05
|
|
7
|
Разрешение
экрана
|
q7 = Pоц7/Pбаз7 = 5/5=1
|
|
8
|
Динамическая
контрастность
|
q8 = Pоц8/Pбаз8 = 5/5=1
|
|
9
|
Размер кнопок
на пульте д/у
|
q9 = Pоц9/Pбаз9
= 3/3=1
|
|
10
|
Габариты
|
q10 = Pоц10/Pбаз10 = 2/5=0,4
|
Исходя из полученных результатов,
невозможно однозначно определить уровень качества оцениваемого телевизора, так
как часть qi≥1, а часть qi<1. Следовательно,
необходима оценка качества комплексным методом.
3.6 Оценка
качества комплексный методом
Комплексная оценка уровня качества
продукции применяется в тех случаях, когда нужно наиболее точно оценить
качество сложных изделий. Комплексный показатель качества зависит от взвешенных
значений показателей свойств изделия ki, т.е. от единичных
показателей свойств qi с учетом их весомости ai:
Qкомпл =f (ki) =f (ai, qi), при этом 
=1.
Теперь определим комплексный показатель качества оцениваемого
кондиционера:
Qкомпл=
=0,02280,83+0,1591+0,940,0228+0,09091,02+0,1591,16+
0,1591,05+0,13651+0,18181+0,02281+0,04540,4= 0,993184.
Из полученного результата видно, что качество оцениваемого
телевизора совсем немного уступает качеству базового. Качество оцениваемого
телевизора достаточно высоко, хотя следует снизить габариты, цену и вес.
3.7 Оценка
качества интегральным методом
Интегральный показатель уровня качества
применяют тогда, когда установлен суммарный эффект от эксплуатации и суммарные
затраты на создание и эксплуатацию изделия.
Уинт=Ринт. оц/Ринт.
баз.
Интегральным показателем качества Ринт
называется показатель, характеризующий в наиболее общей форме эффективность
работы изделия.
Ринт = 
,
где W - полезный эффект за весь срок
эксплуатации изделия;
Кс - суммарные капиталовложения, включающие оптовую
цену, а также затраты на установку наладку и другие работы;
Зэ - эксплуатационные затраты за весь срок службы
изделия.
j (t) - поправочный коэффициент, зависящий от
срока службы изделия t лет.
Полезный эффект за весь срок службы устройств
Полезный эффект для телевизоров можно найти через их время работы
за срок годности (ВР), энергопотребление (Э).
ВРоц=5ч365дей10лет=18250 часов;
Эоц=109кВт ч/год10лет=1090кВт/ч;
ВРбаз=5ч365дей10лет=18250 часов;
Эбаз=111кВт ч/год10лет=1110кВт/ч;
Wоц = ВРоц/Эоц
= 0,167;
Wбаз = ВРбаз
/Эбаз = 0,164.
Суммарные капиталовложения
В суммарные капиталовложения входят стоимость телевизора и затраты
на его доставку (2000 руб.):
Кс. оц = 18000 + 2000 = 20000 руб; Кс. баз =
14980 + 2000 = 16980 руб.
Эксплуатационные затраты за срок эксплуатации - 10 лет (таблица
9).
Таблица 9 - Эксплуатационные затраты
|
Затраты
|
Оцениваемый
|
Базовый
|
|
Потребляемая
электроэнергия (стоимость 1 кВтч - 3,45 руб)
|
3,45109=376,05
руб/год 376,05 10=3760,5 руб
|
3,45 111 =
382,95 руб/год 382,95 10 = 3829,5 руб
|
|
Ремонт
(стоимость ремонта - 5000 руб)
|
Количество
ремонтов 10/ 0,68 0, 208 = 4; 2000 4 = 8000 руб.
|
Количество
ремонтов 10/ 0,68 0, 208 = 4; 2000 4 = 8000 руб.
|
|
S
|
11760,5 руб
|
11829,5 руб
|
Поправочный коэффициент j (t) при t=10 равен 0,174.
Интегральные показатели качества:
Ринт. оц = 
= 0,0109 10-3;
Ринт. баз = 
= 0,011 10-3.
Тогда интегральный показатель уровня качества:
Уинт = 0,0109 10-3/ (0,011 10-3)
= 0,99.
Таким образом, можно сказать, что оцениваемый телевизор почти
такого же высокого качества как и базовый. Однако его качество все же можно
улучшить.
4. Выводы по
результатам оценки уровня качества телевизора
Результаты оценки качества телевизора
различными методами отличны друг от друга. Поэтому данные результаты невозможно
назвать абсолютно точными. Полученные результаты однозначны, в двух случаях из
трёх качество оцениваемого устройства превосходит базового: Qкомпл = 0,993184; Ук. о. =
1,018; Уинт = 0,99.
Неоднозначность данных является следствием
высокой цены оцениваемого телевизора, и значительно низкой цены базового.
Следовательно, точность полученных оценок
достаточно высока. Можно однозначно сказать, что оцениваемый телевизор "SONY KDL-32R433" почти такого же
высокого качества, как и базовый, но нуждается в понижении цены.
Заключение
В ходе выполнения курсовой работы были
выполнены все поставленные задачи:
а) был изучен принцип работы оцениваемого устройства
(телевизор);
б) рассматривалась классификация показателей качества и
осуществлялся выбор номенклатуры показателей качества телевизора;
в) изучались различные методы оценки качества изделия;
г) была произведена оценка качества телевизора;
д) подводились итоги по результатам оценки уровня
качества телевизора;
В результате выполнения данной работы были
приобретены знания, полезные не только в последующей учебе и работе, но и в
повседневной жизни.
Библиография
1. Басовский
Л.Е. Управление качеством: Учебник. / Л.Е. Басовский, В.Б. Протасьев - М.:
ИНФРА-М, 2003. - 212 с.
2. Гиссин
В.И. Управление качеством. - 2-е издание. - М.: ИКЦ "МарТ", 2003. -
400 с.
. ГОСТ
21317-87. Аппаратура радиоэлектронная бытовая. Методы испытаний на надежность
(с Изменением N 1). - Введ.01.01.1989. - М.: Стандартинформ, 2005. - 20 с.
. ГОСТ
Р 52870-2007 "Средства отображения информации коллективного пользования.
Требования к визуальному отображению информации и способы измерения".
Введ.01.01.2009.27 с.
. ГОСТ
2.105-95. ЕСКД. Общие требования к текстовым документам. - Взамен ГОСТ
2.105-79, ГОСТ 2.906-71. Введ.01.07.1996. - М.: Стандартинформ, 2005. - 28 с.
. Глудкин
О.П. Всеобщее управление качеством: Учебник для вузов. / О.П. Глудкин, Н.М.,
Горбунов, А.И. Гуров, Ю.В. Зорин - М.: Горячая линия - Телеком, 2001. - 600 с.
. Мазур
И.И. Управление качеством: Учебное пособие. / И.И. Мазур, В.Д. Шапиро - М.: Высшая
школа, 2003. - 334 с.
. Мишин
В.М. Управление качеством: Учебник для студентов вузов, обучающихся по
специальности "Менеджмент организации" (061100). - 2-е издание
перераб. и доп. - М.: ЮНИТИ-ДАНА, 2007. - 463 с.
. Федюкин
В.К. Квалиметрия. Измерение качества промышленной продукции. - М.: Кнорус,
2009. - 320 с.
Лист
регистрации изменений
|
Изм.
|
Номера листов
(страниц)
|
Всего листов
(страниц) в докум.
|
№ докум.
|
Входящий №
сопроводительного докум. и дата
|
Подп.
|
Дата
|
|
измененных
|
замененных
|
новых
|
аннулированных
|
|
|
|
|
|
|
1 2
|
1,3,5,8 10-13
15-21 22 24-26
|
|
29-32
|
|
32
|
|
|
|
|
|
РГРТУ
|
ИИБМТ - 274
|
КСЦШ.
ХХХХХХ.001
|
Курсовая работа
|
|
Дата выпуска
26.05.2015
|
Срок изм.
27.05.2015
|
|
|
Лист
|
Листов 1
|
|
Причина
|
Устранение
ошибок
|
Код 7
|
|
Указания о
заделе
|
Задела нет
|
|
Указание о
внедрении
|
-
|
|
Применяемость
|
На
применяемости не отражается
|
|
Разослать
|
Губарев А.В.
|
|
Приложение
|
-
|
|
Изм.
|
Содержание
изменения
|
|
1
|
|
|
Заменить листы
1,3,5,8
|
|
Заменить листы
10-13
|
|
Заменить листы
15-21
|
|
Добавить листы
29-32
|
|
2
|
|
|
Составил
|
Гребеньков Н.А.
|
|
26.05.15
|
Н. контр. Пр.
зак.
|
Губарев Андрей
Викторович
|
|
|
|
Изменения внес
|
27.05 2015
Гребеньков Н.А.
|
|
|
|
|
|
|
|
|
|
|
|
|
|