Принципы базирования деталей в приспособлениях

  • Вид работы:
    Курсовая работа (т)
  • Предмет:
    Другое
  • Язык:
    Русский
    ,
    Формат файла:
    MS Word
    222,41 Кб
  • Опубликовано:
    2016-03-11
Вы можете узнать стоимость помощи в написании студенческой работы.
Помощь в написании работы, которую точно примут!

Принципы базирования деталей в приспособлениях

Министерство образования Республики Беларусь

Учреждение образования

«Гродненский государственный университет имени Янки Купалы»

Факультет инновационных технологий машиностроения

Кафедра материаловедения и ресурсосберегающих технологий








ПОЯСНИТЕЛЬНАЯ ЗАПИСКА

к курсовой работе

по дисциплине "Приспособления для обработки материалов"

по теме "Принципы базирования деталей в приспособлениях"

Выполнил

студент 3 курса

группы СЗС-ОиТВПОМ-131

Акушко С.П.

Руководитель

Антонов А.С.


Гродно 2016

Содержание

1. Введение

. Понятия о базах.

. Основные принципы базирования изделий в приспособлениях. Правило шести точек

. Частичная и полная схемы базирования

. Выбор баз и их влияние на точность установки и обработки изделий

. Методы расчёта погрешностей базирования

. Заключение

. Список использованных источников

. Введение

Основную группу технологической оснастки составляют приспособления механосборочного производства. Приспособлениями в машиностроении называются вспомогательные устройства к технологическому оборудованию, используемые при выполнении операций механической обработки, сборки и контроля.

Применение приспособлений позволяет: повысить точность обработки, повысить производительность труда, снизить себестоимость обработки деталей, облегчить условия работы и обеспечить её безопасность, расширить технологические возможности оборудования, автоматизировать универсальное технологическое оборудование, устранить разметку заготовок перед обработкой.

Изучение закономерности влияния приспособления на точность и производительность выполняемых операций позволяет проектировать приспособления, интенсифицирующие производство и повышающие его точность. Проводимая работа по унификации и стандартизации элементов создала основу для автоматизированного проектирования приспособлений с использованием электронно-вычислительной техники и автоматов для графического изображения. Это приводит к ускорению технологической подготовки производства.

. Понятия о базах

Базирование - придание детали или сборочной единице требуемого положения в пространстве относительно выбранной системы координат. Для обеспечения постоянного контакта детали с поверхностями другой детали в сборочной единице или машине , в приспособлении, при обработке или измерении, необходимо приложить определённую силу или момент сил, создающих силовое замыкание.

Установка детали - это базирование и силовое замыкание совместно.

База - поверхность или выполняющее ту же функцию сочетание поверхностей, ось, точка, принадлежащая заготовке или изделию и используемая для базирования (рисунок 2.1).

а) База - поверхность.

б) База - сочетание поверхностей.

в) База - ось.

Рисунок 2.1 - Примеры базирования.

По своему назначению базы подразделяют на: конструкторские, технологические и измерительные.

Конструкторской называется база, используемая для определения положения детали или сборочной единицы в изделии. Эти базы подразделяют на основные и вспомогательные.

Основной называется база относительно которой задаётся расположение поверхностей, определяющих положение самой детали в изделии, вспомогательной - положение присоединяемой детали относительно данной. Вспомогательных баз может быть несколько (рисунок 2.2).

Рисунок 2.2 - Конструкторские базы: А - основная, В и С -вспомогательные.

Измерительной базой называется совокупность поверхностей, линий и точек, от которых ведётся отсчёт выполняемых размеров при обработке заготовок или сборке.

Технологической называется база, используемая для определения положения заготовки в процессе её обработки.

По лишаемым степеням свободы технологические базы подразделяют на: установочные, направляющие и опорные.

Установочная база лишает заготовку 3-х степеней свободы - перемещения вдоль одной координатной оси и поворота вокруг двух других осей.

Направляющая база лишает заготовку 2-х степеней свободы - перемещения вдоль одной координатной оси и поворота вокруг другой оси.

Опорная база лишает заготовку одной степени свободы - перемещения вдоль одной координатной оси или поворота вокруг оси.

. Основные принципы базирования изделий в приспособлениях. Правило шести точек

база изделие обработка погрешность

При изготовлении детали из заготовки часто выполняется большое число технологических операций обработки и на каждой из них возникают погрешности. В ряде случаев эти погрешности могут достигать значительной величины, превышающей допускаемые значения. Для обеспечения требуемой точности обработки необходимо принять меры для возможного уменьшения возникающих погрешностей. С этой целью применяют принцип постоянства баз и принцип совмещения баз.

Принцип постоянства базы заключается в том, что при возможно большем числе операций используют одну и ту же технологическую базу. В этом случае на последующих операциях исключается влияние погрешностей расположения технологических баз на точность изготовления детали.

Принцип совмещения баз заключается в том, что в качестве технологических баз используют измерительные базы. При этом не наблюдается влияние погрешностей расположения технологических и измерительных баз на точность изготовления детали.

Применение одновременно принципа постоянства базы и принципа совмещения баз создаёт условия для уменьшения погрешности при обработке детали.

Для ориентации заготовки в приспособлении, количество и расположение базирующих её поверхностей должно обеспечить статически определимую установку. Для этого необходимо связать неподвижными опорами все шесть степеней свободы заготовки (правило шести точек). Эти шесть степеней сво-боды сводятся к трём возможным перемещениям заготовки вдоль трёх произвольно выбранных взаимно перпендикулярных осей координат и трём возможным вращениям относительно их.

Лишение каждой из степеней свободы заготовки производят путём прижатия к неподвижной одноточечной опоре приспособления. Таким образом, базирование заготовки производят в общем виде по шести опорным точкам, расположенным в трёх перпендикулярных плоскостях. Все остальные неподвижные опоры - лишние. При лишних опорах заготовка будет опираться не на все опоры или её надо деформировать для того, чтобы прижать ко всем опорам.

На рисунке 3.1 показано базирование призматической заготовки по шести опорам (правило шести точек) приспособления.

I- установочная база; II- направляющая база; III- опорная база;

-заготовка, 2-опоры приспособления.

Рисунок 3.1 - Схема установки призматической заготовки в приспособлении.

Базирование заготовки вала по цилиндрической поверхности в призмах с упором в торце и фиксированием одного поворота вокруг оси шпонкой, показано на рисунке 3.2.

a,c и b,d - соответственно две направляющие базы заготовки, лишающие её четырёх степеней свободы; e - опорная база заготовки; g - опорная база в шпоночном пазе заготовки.

Рисунок 3.2 - Схема установки заготовки вала с использованием призмы.

Призма лишает заготовку вала четырёх степеней свободы (две направляющие базы). Остающиеся две степени свободы - движение вдоль оси заготовки и вращение вокруг этой же оси связывают упором в торце вала шпонкой, которая входит в шпоночный паз заготовки.

Базирование нельзя заменить закреплением. Если из шести опорных точек отсутствует одна или несколько, то у заготовки остаётся соответственно одна или несколько степеней свободы.


. Частичная и полная схемы базирования

В зависимости от условий обработки может потребоваться полная пли частичная ориентация обрабатываемой заготовки относительно режущего инструмента. При полной ориентации обрабатываемой заготовке придают вполне определенное и единственно возможное положение в приспособлении. При частичной ориентации необязательна точная установка в определенных направлениях и даже допустимо произвольное положение (поворот) заготовки относительно какой-либо оси. В этом случае схема установки и конструкция приспособления упрощаются.

При полной ориентации базовые поверхности обрабатываемой заготовки плотно прилегают к установочным элементам приспособления. Для этого должны соблюдаться условия контакта баз и опор, а обрабатываемая заготовка не должна иметь сдвига и вращения относительно трех координатных осей. Обрабатываемая заготовка лишена всех степеней свободы, и положение ее базовых поверхностей в пространстве является определенным. Число опор должно быть равным шести (правило шести точек); их взаимное расположение обеспечивает устойчивость установки обрабатываемой заготовки в приспособлении. Расстояние между опорами принимают возможно большим, чтобы под действием силы тяжести не возникло опрокидывающего момента.

При обработке нежестких заготовок или при недостаточной их устойчивости из-за небольшой протяженности базовых поверхностей может возникнуть необходимость увеличения количества опорных точек (сверх шести). В этих случаях применяют дополнительные опоры, регулируемые или самоустанавливающиеся. При установке обрабатываемой заготовки их подводят к ее поверхности и закрепляют на время выполнения данной операции - эти опоры превращаются в жесткие.

Установочные элементы с точечными опорами имеют ограниченную поверхность контакта. К таким опорам относятся, например, узкие призмы для установки цилиндрических заготовок. Эти опоры обеспечивают постоянную для всех заготовок данной партии устойчивость установки независимо от погрешностей их размеров и форм. Недостатками установки на точечные опоры являются повреждения базовых поверхностей заготовок при больших силах прижатия, а также смещение обрабатываемой заготовки из-за деформаций в местах контакта опор с базами.

Обрабатываемую заготовку устанавливают также по охватывающим или охватываемым базовым поверхностям. В этом случае заготовку надевают или вставляют в установочный элемент с некоторым зазором. Чтобы лишить заготовку всех степеней свободы, применяют также комбинированные способы, например, установку:

§   на два базовых отверстия и плоскость, перпендикулярную их осям;

§   на палец и две плоскости;

§   на отверстие, плоскость и опору для угловой фиксации;

§   на наружную цилиндрическую поверхность, торец и угловую опору.

В тех случаях, когда базой служит сама обрабатываемая поверхность, применяют съемные (сдвигаемые) установочные элементы.

Большинство деталей машин ограничено простейшими поверхностями - плоскими, цилиндрическими, коническими, которые используются в качестве опорных установочных баз.

Рассмотрим основные схемы базирования.

) Схема базирования призматических деталей


Всякое твердое тело, рассматриваемое в системе трех взаимно-перпендикулярных осей, может иметь шесть степеней свободы: три перемещения вдоль осей OX, OY, OZи повороты относительно тех же осей.

Три координаты, определяющие положение детали относительно плоскости XOY, лишают трех степеней свободы - возможности перемещаться вдоль оси OZ и вращаться вокруг осей OY и OX.

Две координаты, определяющие положение детали относительно плоскости ZOY, лишают ее двух степеней свободы - возможности перемещаться в направлении сои OX и вращаться вокруг оси OZ.

Шестая координата, определяющая положение детали относительно плоскости XOZ, лишаете последней степени свободы - возможности перемещаться в направлении оси OY.

Поверхность детали, несущая три опорные точки, называется главной базирующей поверхностью; боковая поверхность с двумя точками - направляющей; торцовая поверхность с одной точкой - упорной.

В качестве главной базы желательно выбирать поверхность, имеющую наибольшие габариты. В качестве направляющей - поверхность наибольшей протяженности.

) Схема базирования длинных цилиндрических деталей.


Чтобы точно определить положение валика в пространстве, необходимо задать пять координат, которые лишают его пять степеней свободы: возможности перемещаться в направлении осей OX, OY, OZ и вращаться относительно осей OX, OZ. Шестая степень свободы - вращение вокруг собственной оси - отнимается несколькими способами:

. если есть у валика шпоночный паз, лыска и т.д. то ориентировка происходит по ним;

.если валик гладкий, то с помощью силового замыкания (силами трения).

Если координаты заменим призмой, то получим вторую схему базирования. Цилиндрическая поверхность вала, несущая четыре опорные точки, называется двойной направляющей. Торцовая поверхность - упорная база.

) Схема базирования коротких цилиндрических деталей (диски, кольца).

В этом случае торцовая поверхность детали, несущая три опорные точки является главной базирующей поверхностью.

Короткая цилиндрическая поверхность несет две опорные точки и называется центрирующей базой. Шестая степень свободы - вращение вокруг собственной оси - отнимается несколькими способами:

. если есть шпоночный паз, лыска и т.д. то ориентировка происходит по ним;

. если этих элементов нет, то с помощью силового замыкания (силами трения).

. Выбор баз и их влияние на точность установки и обработки изделий

Правильно выбранная система баз должна обеспечить требуемое положение заготовки при обработке, жесткое и устойчивое закрепление заготовки с учётом воздействия на заготовку сил и моментов резания, свободный доступ режущего инструмента к обрабатываемой поверхности и возможность выполнения необходимых измерений.

Перед обработкой заготовок на станках применяют два метода базирования: с выверкой по проверочным установочным базам и без выверки по опорным установочным базам.

При базировании с выверкой используют в качестве проверочных баз обрабатываемые поверхности или разметочные риски.

Базирование с выверкой по проверочным базам вызывает необходимость разметки заготовок, вследствие чего этот метод обычно применяют в индивидуальном и мелкосерийном производствах.

Установка обрабатываемой заготовки на станке с выверкой по проверочным базам не обеспечивает устойчивое положение заготовки, поэтому часто применяют трудоёмкий способ выверки со снятием контрольных стружек и следующими контрольными промерами.

Базирование без выверок по опорным установочным базам широко применяются в серийном и массовом производствах. При этом методе базирования необходимого положения обрабатываемой заготовки достигают контактом опорных баз заготовки с соответствующими установочными элементами приспособления.

В современном производстве базирование обрабатываемой заготовки по опорным установочным базам позволяет осуществить автоматизацию обработки в пределах заданной точности, которая обеспечивается заранее установленным на требуемый размер режущим инструментом или использованием упора и копиров.

При выборе баз должны быть применены: правило шести точек, принцип постоянства баз и принцип совмещения баз.

. Методы расчёта погрешностей базирования

Отклонение фактически достигнутого положения заготовки при базировании от требуемого определяет собой погрешность базирования.

Погрешность базирования возникает в связи с несовпадением измерительной базы с установочной.

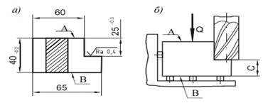
На рисунке 6.1.а приведён эскиз заготовки, в которой необходимо фрезеровать уступ в размер 25 мм с допуском 0.3мм. В рассматриваемом случае измерительной базой является поверхность А. Обработка выполняется при постоянной установке фрезы в размер С (рисунок 6.1.б), причём установочной базой является поверхность В заготовки. Приданной схеме базирования положение измерительной базы для отдельных заготовок будет колебаться в пределах допуска 0.2 мм на размер 40 мм. Величина 0.2 мм и будет погрешностью базирования (Dб = 0,2 мм).

а - операционный чертёж заготовки; б - схема установки заготовки при несовмещении измерительной А и установочной В баз; Q - зажимная сила.

Рисунок 6.1 - Схема фрезерования уступа при различных вариантах установки заготовки.

Пример базирования цилиндрической заготовки по отверстию показан на рисунке 6.2.

s - зазор; Dб - погрешность базирования; 1-центровочная цилиндрическая оправка; 2 - заготовка (втулка); 3 - быстросменная шайба; 4 - гайка.

Рисунок 6.2 - Схема образования погрешности базирования при установке заготовки на цилиндрической оправке с зазором.

При установке заготовки на цилиндрическую оправку с натягом (разжимная оправка) погрешность базирования в радиальном направлении отсутствует. Если же заготовка установлена на цилиндрической оправке с зазором, то возникает погрешность базирования при обработке поверхности диаметром d.

Измерительная база заготовки (ось отверстия заготовки) в процессе базирования может смещаться относительно оправки на величину, равную величине зазора. При несовпадении измерительной и технологической баз возникает биение наружной поверхности цилиндрической заготовки d относительно внутренней поверхности отверстия D. В результате появится погрешность базирования, равная величине максимального зазора:

 

. Заключение

В ходе данной курсовой работы мы рассмотрели такие понятия как базирование, база и его виды, принципы и правила базирования и их сущность, а также основные схемы базирования. Рассмотрели влияние неправильного базирования на точность обработки. И в заключении бал рассмотрен метод определения погрешностей базирования.

. Список использованных источников

1. Якушевич Г.Б. Технология машиностроения./ Якушевич Г.Б. ГрГУ Гродно 2010.

. ГОСТ 21495-76. Базирование и базы в машиностроении.

. Ковшов А.Н. Технология машиностроения. /Ковшов А.Н.. Машиностроение 1987.

. Тихонов А.П. Технология машиностроения./ Тихонов А.П., Заславский М.А. Москва 1962.

Похожие работы на - Принципы базирования деталей в приспособлениях

 

Не нашли материал для своей работы?
Поможем написать уникальную работу
Без плагиата!
Без нейросетей!