.
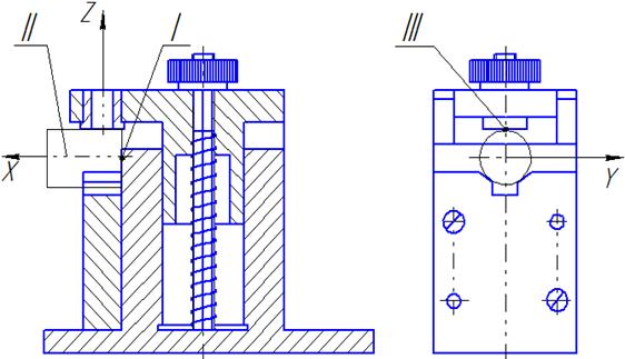
Оно состоит из следующих основных частей: Гайки
1, Корпуса 2,
Призмы 3, Прихвата 4, Шпильки 5, Винта 6, Втулки
7, Пружины 8, Штифта 9.
Принцип действия приспособления следующий:
Деталь устанавливается в корпусе 2 приспособления на призму 3 до упора в торец
и прижимается сверху прихватом 4 с помощью гайки 1.
Кондуктор устанавливается на
вертикально-сверлильном станке. Сверление осуществляется через отверстие
кондукторной втулки 7, которая служит для направления сверла в зону резания.
Рисунок 1 - Эскиз приспособления
Проверка условия лишения возможности перемещения
заготовки в приспособлении по 6-ти степеням свободы в соответствии с ГОСТ
21495-76
Для обеспечения неподвижности заготовки или
изделия в избранной системе координат на них необходимо положить шесть
двухсторонних геометрических связей, для создания которых необходим комплект
баз.
Рисунок 2 - Практическая схема базирования
заготовки в приспособлении
- Установочная база, лишает трёх степеней
свободы: перемещения вдоль оси X, вращения вокруг осей Y, Z.- Двойная опорная
база, лишает двух степеней свободы: перемещения вдоль осиY и вдоль оси Z. -
Опорная база (силовой зажим), лишает одной степени свободы: вращения вокруг оси
X.
Рисунок 3 - Теоретическая схема базирования
заготовки в приспособлении
3. Расчёт приспособления на точность
Расчёт производим по формуле:
где Т - допуск выполняемого размера;
Еб - погрешность базирования детали в
приспособлении;
Ез - погрешность закрепления детали в
приспособлении;
Еу - погрешность установки приспособления на
станке;
Еи - погрешность от износа опор;
Епи - погрешность от износа инструмента;
Кt1 - коэффициент учитывающий отклонение
рассеяния значений
составляющих величин от закона нормального
распределения;- коэффициент учитывающий уменьшение предельного значения
погрешности базирования при работе на
настроенных станках;- коэффициент учитывающий долю погрешности обработки в
суммарной погрешности, вызываемой факторами, не
зависящими от
приспособления;
ω - экономическая
точность обработки.
Рисунок 4- Эскиз детали на допуск выполняемого
размера
)Выбираем допуск выполняемого размера, с
чертежа.
Т=0,3мм
) Выбираем погрешность базирования детали в
приспособлении
Еб=0 [1, табл.74,с.160]
)Находим погрешность закрепления детали в
приспособлении
Ез=0,08мм [1, табл.75, с.162]
)Находим погрешность установки приспособления на
станке
Еу=0,01…0,03
Принимаем Еу=0,01мм [1, табл.79, с.171]
)Находим погрешность от износа опор
гдеUo - средний износ установочных элементов;,
k2, k3, k4 - коэффициенты учитывающие влияние материала заготовки,
оборудования, условий обработки, число установок заготовки.=0,065мм [1,
табл.81, с.174] =0,97=1=0,94=2,4 [1, табл.82, с.176]
Еи=
= 0,014мм
)Определяем погрешность от износа
инструмента
Епи=0,5∙S+S·(𝓁1+m)/𝓁 (3)
где S - максимальный диаметральный
зазор между кондукторной втулкой и инструментом, мм;
𝓁1 - длина
обрабатываемого отверстия, мм;- расстояние от поверхности заготовки до
кондукторной втулки, мм;
𝓁 - длина
кондукторной втулки , мм.=40мкм=0.04мм [1, табл.83, 84, с.178, 180]
𝓁1=15мм =0мм
𝓁=8,3мм
Епи =0,5∙0,04+0,04·(15+0)/8,3=0,09мм
)Находим экономическую точность обработки
ω=0,12мм [таблица
допусков]
) Назначаем коэффициенты=1=0, 8=0, 6 [1,
стр.151]
=0,2 мм
Вывод:
в результате расчета получили , что данное приспособление обеспечивает точность
необходимую для изготовления детали, т.к. Епр>0.
. Расчёт усилия зажима заготовки в
приспособлении
Обрабатываемая деталь находится в равновесии
вследствие действия сил как возникающих в процессе обработки, так и зажима и
реакций опор. Основными силами процесса обработки являются силы резания.
Рисунок 5- Схема действия сил
)Расчёт ведём по формуле:
=
(4)
Где
- коэффициент запаса;
М
- крутящий момент, Н∙м;−коэффициент трения в месте контакта детали
и приспособления (для гладких поверхностей) ; −расстояние от центра
приложения силы до оси отверстия, мм
)Находим
коэффициент запаса по формуле:
(5)
где
0 -
гарантированный коэффициент запаса для всех случаев;
1 -
коэффициент учитывающий состояние поверхности;
2-
коэффициент учитывающий увеличение сил резания от
прогрессирующего
затупления инструмента;
3 -
коэффициент учитывающий увеличение силы резания при
прерывистом
резании;
4 -
коэффициент учитывающий постоянство силы резания
развиваемой
силовым приводом приспособления;
5 - коэффициент
учитывающий эргономику ручных зажимных
элементов;
6 -
коэффициент учитывается только при наличии крутящих моментов стремящихся
провернуть деталь.
0=1,5 [1,
с.199]
1=1 [1,
с.199]
2- [1,
табл.95, с.206]
3- [1,
с.199]
4=1,3 [1,
с.206]
5=1 [1,
с.206]
6= 1,5 [1,
с.207]
)Находим
коэффициент трения:=0,25 [1, с.208]
)
Îïðåäåëÿåì крутящий
момент:
Мкр=1,12Н·м
[приложение А]
)
Определяем расстояние от центра приложения силы до оси отверстия=17 мм
[сборочный чертёж приспособления]
==
Вывод:
в результате расчёта получили, что при сверлении отверстия диаметром пять
миллиметров, необходимо зажать заготовку с силой 764,23 Ньютон.
Расчёт
зажимного механизма
В
данном приспособлении деталь закрепляется с помощью винтового зажима с резьбой
М6.
Винтовые
зажимы являются наиболее простыми универсальными устройствами для станочных
приспособлений. Они широко применяются в единичном и серийном производстве.
Сила
зажима винтового механизма производится по формуле:
(6)
где
- средний
радиус резьбы;
- угол
подъема витка резьбы, с круглым шагом;
-угол трения
в резьбовом соединении для метрической резьбы;
-
коэффициент, зависящий от формы и размеров поверхности соприкосновения
зажимного элемента с зажимной поверхностью с плоским опорным торцом:
(7)
где
-
коэффициент трения на торце винта или гайки;
- радиус опорного
торца винта;
ап=2º30′
φт=6º34′
т=0,1…0,15 [10, с.109, 110]
)Определяем радиус опорного торца винта
(8)
где
-
диаметр внешней резьбы
)Определяем коэффициент, зависящий от формы и
размеров поверхности

(9)
где
-
длина рукоятки ключа, мм;
- cила, приложенная
к рукоятке ключа, Н; =14·D =14·6=84мм=140 Н
) Определяем силу зажима винтового механизма
в=
Вывод: в результате расчета получили, что винт
М6 обеспечивает усилие зажима 24500 Ньютон.
. Прочностные расчёты одной детали
приспособления
Прочность - одно из основных требований
предъявляемых к станочным приспособлениям и их деталям. Прочность детали может
рассматриваться коэффициентом запаса или по номинальным допускаемым
напряжениям. Расчёты по номинальным допускаемым напряжениям менее точны и
прогрессивны, но значительно проще.
С помощью расчёта деталей приспособлений на
прочность можно решать две задачи: а) проверку на прочность уже существующих
деталей с определёнными размерами сечений путём сравнения фактических
напряжений, моментов, сил с допускаемыми - проверочный расчёт , б) определение
размеров сечений детали - предварительный проектный расчёт.
Проводим расчёт на прочность детали прижим
опасное сечение диаметром М6:
(10)
где
Ро - расчётная осевая сила, Н;- диаметр опасного сечения, мм;
σ
- фактическое
напряжение на растяжение - сжатие, МПа;
[σ] -
допускаемое напряжение на растяжение - сжатие, МПа;
[σ]=88…100 МПа
- для стали.
Ро=557.99Н
[приложение А]=6мм [ чертёж детали приспособления ]
Вывод:
условие удовлетворяется, т.к. расчётное напряжение меньше
допустимого.
. Ðàñ÷¸ò ýêîíîìè÷åñêîé
ýôôåêòèâíîñòè
îò ïðèìåíÿåìîãî
ïðèñïîñîáëåíèÿ
Годовая экономическая эффективность
рассчитывается по формуле:
(11)
где N - программа выпуска деталей шт/год;
С2 - технологическая себестоимость операции без
применения специального приспособления, руб;
С1 - технологическая себестоимость операции при
использовании приспособления - кондуктор, руб.
Технологическая себестоимость операции
определяется по формуле:
(12)
где Тшт - штучное время на операцию, час;
Ср - часовая заработная плата станочника с
учётом доплат и начисления на социальное страхование, руб;
Кс, Кп - поправочные коэффициенты.
Нс - себестоимость одного часа работы станка,
руб.
Нп - расходы, приходящиеся на один час работы
приспособления, руб.
Поправочные коэффициенты определяем по формуле:
(13)
где nз - коэффициент загрузки оборудования;
Себестоимость одного часа работы станка
определяется по формуле:
(14)
где К0 - затраты на станок, руб.
Расходы, приходящиеся на один час работы
приспособления, определяются по формуле:
(15)
где Кпр - затраты на изготовление специального
приспособления, руб.
Производим расчёт технологической себестоимости
операции без применения специального приспособления:
Часовая заработная плата станочника:
Ср=0,67 руб [2,табл.2.14,с.40]
с учётом коэффициента инфляции η=8000
Ср=0,67∙8000=5360 руб
Определяем поправочные коэффициенты Кс и Кп:
Êîýôôèöèåíò
çàãðóçêè îáîðóäîâàíèÿ
ïðèíèìàåì: з=0,8
Îïðåäåëÿåì
ñåáåñòîèìîñòü
îäíîãî ÷àñà ðàáîòû
òîêàðíîãî ñòàíêà
16Ê20:
Çàòðàòû
íà ñòàíîê:
Êî=1420 ðóá. [2,òàáë.4.11,ñ.167]
с учётом коэффициента инфляции η=3000
Êî=1420
=11360000ðóá
Îïðåäåëÿåì
ðàñõîäû, ïðèõîäÿùèåñÿ
íà îäèí ÷àñ ðàáîòû
ïðèñïîñîáëåíèÿ:
Êïð=18ðóá [3,ñ.197]
с учётом коэффициента инфляции η=8000
Êïð=18∙8000=144000 ðóá
[приложение Б]
Тшт = 0,006 ч
Производим расчёт технологической себестоимости
операции с применением специального приспособления:
Часовая заработная плата станочника:
Ср=0,67 руб [2,табл.2.14,с.40]
с учётом коэффициента инфляции η=8000
Ср=0,67∙8000=5360руб
Определяем поправочные коэффициенты Кс и Кп:
Îïðåäåëÿåì
ñåáåñòîèìîñòü
îäíîãî ÷àñà ðàáîòû
ñòàíêà:
Çàòðàòû
íà ñòàíîê:
Êî=1420 ðóá [2,òàáë.4.11,ñ,167]
с учётом коэффициента инфляции η=8000
Êî=1420∙8000=11360000 ðóá
Îïðåäåëÿåì
ðàñõîäû, ïðèõîäÿùèåñÿ
íà îäèí ÷àñ ðàáîòû
ïðèñïîñîáëåíèÿ:
Êïð=16 ðóá [3,ñ.211]
с учётом коэффициента инфляции η=8000
Êïð=16∙8000=128000 ðóá
[приложение Б]
Т шт =0,007 ч
Вывод: В результате расчёта получили, что
экономическая эффективность от применения кондуктора составляет 180000 рублей,
то рассчитанное мною приспособление эффективно.
Литература
.
Антонюк В.Е. Конструктору станочных приспособлений Текст: справ. пособие. -
Мн.: Беларусь, 1991, - 400с
.
Горбацевич А. Ф. Курсовое проектирование по технологии машиностроения Текст:
учеб. пособие для машиностроительных спец. ВУ3ов./А. Ф. Горбацевич, В. A.
Шкред. - 4-е издание, перераб. и доп. - Мн.: Высш. Школа, 1983 - 256c
.
Горошкин А. К. Приспособления для металлорежущих станков Текст: справочник -
7-е изд., перераб. и доп. - М.: машиностроение, 1979. - 303с
.
Нефёдов Н. А. Сборник задач и примеров по резанию металлов и режущим инструментам.
Текст/Н. А. Нефёдов, К. А. Осипов 5-е изд. - М.: машиностроение, 1986. - 496с
.
Курсовое проектирование по технологии машиностроения Текст: Мн, «Вышэйш.
Школа», 1975. - 288с. А. Ф. Горбацевич, В. Н. Чеботарёв, В. А. Шкред, И. Л.
Алешкевич и др.
.
Технологическая оснастка Текст: уч. Для студентов Т38 машиностроительных
специальностей /М. Ф. Пашкевич, Ж. А. Мрочик, Л. К. Кожур, М. В. Пашкевич.-
Мн.: Адукацыя и выхаванне, 2002 - 320с
.
Общестроительные нормы режимов резания для технологического нормирования работ
на МРС. Часть 1.2- изд. - М.: машиностроение, 1974.- 400с
.
ГОСТ - 21495-76. Базирование и базы в машиностроении. - М.: изд. Стандартов,
1976
.
Справочник технолога - машиностроителя. В 2 - х т. т. 2/ Под ред. A.Г.
Косиловский и Р.K. Мещаряков 4 - е изд. - М.:Машиностроение, 1986.- 496 с.
.
Добрыднев И. С. Курсовое проектирование по предмету "Технология
машиностроения": Учебн. пособие для техникумов по специальности
"Обработка металлов резанием". М.: Машиностроение, 1985. 184 с., ил.
Ïðèëîæåíèå
À
Ðàñ÷¸ò ðåæèìîâ
ðåçàíèÿ íà îïåðàöèþ
ñ ïðèìåíåíèåì
ïðèñïîñîáëåíèÿ
Исходные данные:
Вид обработки - сверление
Вид отверстия - сквозное
Обрабатываемый материал - сталь легированная
Инструментальный материал - рассверливание
Модель станка - 2Н125
Характер обработки - черновая обработка
Длина обрабатываемой поверхности - 15 мм
Твёрдость обрабатываемого материала (НВ) - 170
Диаметр получаемого отверстия - 5,00 мм
Рассчитанные данные:
Глубина резания - 2,50 мм
Подача - 0.10 мм/об
Период стойкости инструмента - 25 мин
Действительная скорость резания - 21.98 м/мин
Частота вращения шпинделя - 1400 мин-1
Крутящий момент - 1,12 Н·м
Осевая сила - 557,99 Н
Мощность двигателя - 0,16 кВт <= 2,69 кВт
Основное время - 0,11 мин
Приложение Б
Расчёт норм времени на операцию с применением
приспособления и без применения приспособления
Итого штучное время для операции токарная
серийного производства:шт=0,28 мин;
В процессе работы произведены расчеты:
Тобот=0,017 мин;
Тв=0,21 мин;
Введены данные:
Коэффициент=0,9;
То=0,11 мин;
Тус=0,034 мин;
Тзо=0,34 мин;
Тиз=0,11 мин;
Туп=0,03 мин.
Итого штучное время для операции токарная
серийного производства:шт=0,34 мин;
В процессе работы произведены расчеты:
Тобот=0,021 мин;
Тв=0,28 мин;
Введены данные:
Коэффициент=0.9;
Тус=0,06 мин;
Тзо=0,034 мин;
Тиз=0,16 мин;
Туп=0,03 мин.
1.