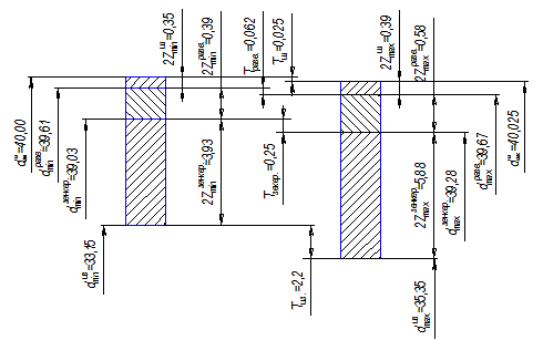
|
Технологический переход
|
Элементы припуска, мкм
|
Zmin мкм
|
Расчётн. миним. размер lmin, мм
|
Допуск на изгот. Тl, мкм
|
Предельные размеры на
переход, мм
|
Предельный припуски с
учётом округл., мм
|
|
Rz
|
h
|
ΔΣ
|
e
|
|
|
|
lmax
|
lmin
|
Zmаx
|
Zmin
|
|
Исходная заготовка
|
150
|
250
|
1800
|
-
|
-
|
69,464
|
740
|
70,94
|
70,20
|
-
|
-
|
|
Точение черновое торца 2
|
50
|
50
|
108
|
120
|
2204
|
67,26
|
740
|
68,00
|
67,26
|
3,68
|
2,20
|
|
ИТОГО
|
9,5
|
3,60
|
для первого торца:
, где:
;
ΔΣ черн. = kу × Dи.з = 0,06
×840 = 50,4 мкм ;
ΔΣ чист. = kу × Dи.з = 0,04
×840 = 33,6 мкм.
для
второго торца:
, где:
;
ΔΣ черн. = kу × Dи.з = 0,06
×1800 = 108 мкм.
Обработка
первого торца ведется в самоцентрирующем патроне с упором в торец:
Обработка
второго торца ведется в самоцентрирующем патроне с упором в торец:
для первого торца:
для
второго торца:
Схема графического расположения припусков и допусков на обработку торца
68.
2.4 Расчет
режимов резанья
Расчёт
режимов резания на сверление (операция 040 вертикально-сверлильная)
Исходные данные:
Наименование операции сверление Æ21Н14, нарезание резьбы М20-7Н
Деталь …………………….………………………... втулка разрезная
Обрабатываемый материал …………......……………… Сталь 45
Характер заготовки ..................................……горячая штамповка
Вес заготовки ………………………....….………………...3,4 кг
Станок…………………………..… вертикально-сверлильный 2Н135
Инструмент ..сверло спиральное 2301-3257 Æ17,5 мм по ГОСТ12121-77
сверло спиральное 2301-3275 Æ21 мм по ГОСТ12121-77
метчик М20 2621- 2875 ГОСТ3266-81
Материал сверла и
метчика.......................................................Р6М5
1 переход: сверление
1. Скорость резания:
Cv = 9,8
q =
0,4
у = 0,5= 0,2
Охлаждение есть.
= 0,35 мм/об;= 45 мин.
Kv = KмvKuvKlv
где Кмv - коэффициент на обрабатываемый материал,
Kмv
=
;
Кuv
- коэффициент на инструментальный материал (Р6М5),
Кuv
= 1;lv - коэффициент, учитывающий глубину сверления,
Кlv
= 1,0 (l < 3D)
КV = 1,2∙1∙1 = 1,2;
Принимаем:
n = 500 об/мин.
.
Крутящий момент и осевая сила:
См
= 0,0345
Ср
= 68
qm =
2,0
qp =
1,0
уm
= 0,8
уp
= 0,7
.
Мощность резания:
Мощность
станка:
где
- КНД станка
Определим требуемую мощность резания, учитывая, что должно выполняться
условие Nрез < Nст.
,8
> 2,0 условие выполняется
4. Рассчитаем основное время:
Для сверления основное время зависит от пройденного пути, подачи
инструмента на оборот, скорости резания (оборотов инструмента) и определяется
по формуле:
То =К × L/(n× S)
где: К-количество обрабатываемых отверстий
То
= 60/(500×0,35)= 0,35 мин.
2 переход: рассверливание
1. Скорость резания:
Cv = 16,2
q =
0,4
x =
0,2
у = 0,5 = 0,2
Охлаждение есть.
= 0,4 мм/об; = 50 мин.
t =
0,5 × (D - d) = 0,5 × (21 - 17,5) = 1,75мм
Kv = KмvKuvKlv
где Кмv - коэффициент на обрабатываемый материал,
Kмv
=
;
Кuv
- коэффициент на инструментальный материал (Р6М5),
Кuv
= 1;lv - коэффициент, учитывающий глубину сверления,
Кlv
= 1 (l < 3D)
КV = 1,2∙1∙1 = 1,2;
Принимаем:
n = 700 об/мин.
.
Крутящий момент и осевая сила:
См
= 0,09
Ср
= 67
qm =
1,0
уm
= 0,8
уp
= 0,65
x = 0,9
.
Мощность резания:
Мощность
станка:
где
- КНД станка
Определим требуемую мощность резания, учитывая, что должно выполняться
условие Nрез < Nст.
,8
> 0,92 условие выполняется
4. Рассчитаем основное время:
Для сверления основное время зависит от пройденного пути, подачи
инструмента на оборот, скорости резания (оборотов инструмента) и определяется
по формуле:
То =К × L/(n× S)
где: К-количество обрабатываемых отверстий
То
= 30/(700×0,4)= 0,1 мин.
3 переход: резьбонарезание
1. Скорость резания:
Cv = 64,8
у = 0,5
q =
1,2= 0,9= 2,5 мм/об;= 90 мин.
Kv = KмvKuvKlv
где Кмv - коэффициент на обрабатываемый материал (Р6М5),
Kмv
=
;
Кuv
- коэффициент на инструментальный материал,
Кuv
= 1; lv - коэффициент, учитывающий глубину сверления,
Кlv
= 1 (l < 3D)
КV = 1,2∙1∙1 = 1,2;
Принимаем:
n = 500 об/мин.
.
Крутящий момент:
См
= 0,027
q = 1,4
у
= 1,5
.
Мощность резания:
Мощность
станка:
где
- КНД станка
Определим требуемую мощность резания, учитывая, что должно выполняться
условие Nрез < Nст.
,8
> 3,6 условие выполняется
4. Рассчитаем основное время:
Для сверления основное время зависит от пройденного пути, подачи
инструмента на оборот, скорости резания (оборотов инструмента) и определяется
по формуле:
То =К × L/(n× S)
где: К-количество обрабатываемых отверстий
То
= 30/(500×2,5)= 0,025 мин.
Основное
(технологическое) время на операцию:
То
= 0,35+0,1+0,025 ≈ 0,48мин
Расчёт
режимов резания для точения (операция 010 токарно-винторезная)
Исходные данные:
Наименование операции ….……... наружное точение Æ116 h14, 68 h14
Деталь …………………………….…………….…….. втулка разрезная
Обрабатываемый материал …….………..………………... Сталь 45
Характер заготовки …………….…………...…….. горячая штамповка
Вес заготовки ………………….………….……………………..3,4 кг
Станок……………...……….………..…токарно-винторезный 16К20
Инструмент ...………..…….… резец Т15К6 2142-0087 ГОСТ9795-84
резец Т15К6 2112-0084 ГОСТ18880-73
1 переход: наружное точение Æ116 h14
1. Скорость резания:
Cv = 340
x =
0,15
у = 0,45 = 0,2
Охлаждения нет
= 1 мм/об;= 60 мин.
t =
1,8 мм
Kv = KмvKuvKlv
где Кмv - коэффициент на обрабатываемый материал,
Kмv
=
;
Кпv
- коэффициент состояния поверхности,
Кпv
= 0,8; иv - коэффициент материала инструмента (Т15К6),
Киv
= 1
Kv = 1,23∙0,8∙1 = 0,98;
Принимаем:
n = 400 об/мин.
.
Сила резания:
Ср
= 300
x = 1,0
y = 0,75
n = -0,15
где:
при
j = 90°
kjp(P) = 0,89
при
g = 10°
kgp(P) = 1, 0
при l = 0°rp(P) = 1,0
Н
.
Мощность резания:
Мощность
станка:
где
- КНД станка
Определим требуемую мощность резания, учитывая, что должно выполняться
условие Nрез < Nст.
,5
> 4,6 условие выполняется
4. Рассчитаем основное время:
Для сверления основное время зависит от пройденного пути, подачи
инструмента на оборот, скорости резания (оборотов инструмента) и определяется
по формуле:
То = L/(n× S)
То = 78/(400×1,0)= 0,2 мин.
2 переход: наружное точение торца 68
1. Скорость резания:
Cv = 340
x =
0,15
у = 0,45 = 0,2
Охлаждения нет
= 1 мм/об;= 60 мин.
t =
1,8 мм
Kv = KмvKuvKlv
где Кмv - коэффициент на обрабатываемый материал,
Kмv
=
;
Кпv
- коэффициент состояния поверхности,
Кпv
= 0,8; иv - коэффициент материала инструмента (Т15К6),
Киv
= 1
Kv = 1,23∙0,8∙1 = 0,98;
Принимаем:
n = 400 об/мин.
.
Сила резания:
Ср
= 300
x = 1,0
y = 0,75
n = -0,15
где:
при
j = 90°
kjp(P) = 0,89
при
g = 10°
kgp(P) = 1, 0
при l = 0°rp(P) = 1,0
Н
3.
Мощность резания:
Мощность
станка:
где
- КНД станка
Определим требуемую мощность резания, учитывая, что должно выполняться
условие Nрез < Nст.
,5
> 4,6 условие выполняется
4. Рассчитаем основное время:
Для сверления основное время зависит от пройденного пути, подачи
инструмента на оборот, скорости резания (оборотов инструмента) и определяется
по формуле:
То = L/(n× S)
То = 65/(400×1,0)= 0,16 мин.
Основное (технологическое) время на операцию:
То = 0,2+0,16 ≈ 0,36мин
Расчёт
режимов резания на шлифование (операция 050 торцекруглошлифовальная)
Исходные данные:
Наименование операции………………....…………шлифование Ø56f7
Деталь …………………….………………………... втулка разрезная
Обрабатываемый материал ……………......……………… Сталь 45
Характер заготовки ...........................................……горячая
штамповка
Станок……………..…………….… круглошлифовальный 3У131М
Инструмент ………………….шлифовальный круг 25А40С15К
1. Выбор характеристики шлифовального круга
Шлифовальный круг марки: 25А40С15К (D=350mm,H=40mm).
Окружная скорость круга: 35м/с.
2. Назначение скорости касательного движения подачи
Частота вращения заготовки для закалённой стали имеет вид:
, об/мин
где
- диаметр заготовки,
мм;
об/мин.
. Назначение скорости радиального движения подачи, мм/мин
, мм/мин
где: 2П - снимаемый припуск на диаметр, 2П = 0,45 мм;
В - ширина
шлифования, В = 10+30=40 мм;
- поправочный
коэффициент в зависимости от группы обрабатываемого материала,
=1,56;
- поправочный
коэффициент в зависимости от диаметра шлифовального круга и скорости
шлифования
;
- поправочный
коэффициент в зависимости от способа осуществления радиального движения подачи
и способа измерения диаметра обрабатываемой поверхности
;
- поправочный
коэффициент в зависимости от жёсткости заготовки и формы обрабатываемой
поверхности
;
-поправочный
коэффициент в зависимости от моделей круглошлифовальных станков и срока их
эксплуатации
- поправочный
коэффициент в зависимости от твёрдости выбранного шлифовального круга
.
мм/мин
. Учёт ограничений по мощности резания
, кВт,
где:
- поправочный коэффициент в зависимости от твёрдости круга и
скорости шлифования,
- поправочный
коэффициент в зависимости от группы обрабатываемого материала,
кВт
Мощность, затрачиваемая на шлифование, не должна превышать
мощности привода главного движения станка.
где:
- КПД станка,
кВт
5,2 > 2,1 условие выполняется
5. Проверка на отсутствие прижогов
Предельное значение мощности, затрачиваемое на шлифование, при котором
прижоги отсутствуют, вычисляют по формуле:
[N*пр]
= 0,039
, кВт/мм
где
К1 - поправочный коэффициент в зависимости от степени
твёрдости шлифовального круга. К1 =0,91
[N*пр] = 0,039
кВт/мм
В дальнейшем сравнивается предельное значение мощности резания для
бесприжоговой обработки с мощностью резания, приходящейся на 1 мм ширины
шлифовании.
Отсутствие прижога соответствует выполнению условия
[N*пр]
N / B.
N / B=2,1/40=0,05 кВт/мм
0,15 > 0,05 - условие выполняется
6. Основное время
мин.
где Кв - коэффициент, учитывающий продолжительность выхаживания
(коэффициент выхаживания). Кв=1,2
мин.
2.5
Назначение режимов резания
005
Токарно-револьверная операция
Станок токарно-револьверный 1П365
1 переход - Подрезка торца черновое
Резец подрезной отогнутый с пластинкой из твердого сплава Т15К6
. Глубина резания: t =
1,95 мм;
. Подача: S = 0,8 ¸ 1,3 мм/об. [5, стр266];
Принимаю S = 1,0 мм/об.
. Скорость резания: V = 65
м/мин [10, стр45]
n =
= 172 об/мин
Принимаем
n = 188 об/мин
VФ =
71 м/мин
4.
Основное время То
То=
мин
2
переход - Подрезка торца чистовое
Резец подрезной отогнутый с пластинкой из твердого сплава Т15К6
. Глубина резания: t =
0,89 мм;
. Подача: S = 0,8 ¸ 1,3 мм/об. [5, стр266];
Принимаю S = 1,0 мм/об.
. Скорость резания: V = 73
м/мин [10, стр45]
n =
= 387 об/мин
Принимаем
n = 385 об/мин
VФ =
72,5
м/мин
.
Основное время То
То=
мин
3
переход - наружное черновое обтачивание Æ58
Резец расточной с пластинкой из твердого сплава Т15К6
. Глубина резания: t =
1,1 мм;
. Подача: S = 0,8 ¸ 1,3 мм/об. [5, стр266];
Принимаю S = 1,0 мм/об.
. Скорость резания: V = 73
м/мин [10, стр45]
n =
= 401 об/мин
Принимаем
n = 385 об/мин
VФ =
70 м/мин
.
Основное время То
То=
мин
4
переход - наружное чистовое обтачивание Æ56
Резец расточной с пластинкой из твердого сплава Т15К6
. Глубина резания: t =
0,8 мм;
. Подача: S = 0,8 ¸ 1,3 мм/об. [5, стр266];
Принимаю S = 1,0 мм/об.
. Скорость резания: V = 65
м/мин [10, стр45]
n =
= 367 об/мин
Принимаем
n = 385 об/мин
VФ =
68 м/мин
4.
Основное время То
То=
мин
5
переход - зенкерование Æ39,03
Зенкер специальный Р6М5 Æ39,03
. Глубина резания: t = 2
мм;
. Подача: S = 0,9 ¸ 1,2 мм/об. [10, стр81];
Принимаю S = 1,0 мм/об.
. Скорость резания: V = 13
м/мин [10, стр123]
n =
= 106 об/мин
Принимаем
n = 136 об/мин
VФ =
16 м/мин
.
Основное время То
То=
мин
6
переход - развёртывание Æ39,61
Развёртка специальная Р6М5 Æ39,61
. Глубина резания: t =
0,3 мм;
. Подача: S = 1,35 мм/об.
[10, стр81];
. Скорость резания: V =
8,3 м/мин [10, стр125]
n =
= 66,7 об/мин
Принимаем
n = 66 об/мин
VФ =
8,2 м/мин
.
Основное время То
То=
мин
015 Горизонтально-фрезерная операция
Станок горизонтально-фрезерный 6Р83
Фреза 3-х сторонняя 200 х 40 со вставными ножами Р6М5 ГОСТ 1669-78.
. Глубина резания: t = 38
мм;
. Подача: S = 0,06 мм/об;
. Скорость резания: V = 50
м/мин
. Частота: n = 250 об/мин
. Основное время То
То=
мин
020 Вертикально-фрезерная операция
Станок вертикально-фрезерный 6Р13
Фреза концевая 1-32 Æ32 Р6М5 по ГОСТ50572-93
. Глубина резания: t = 30
мм;
. Подача: S = 0,03 мм/об;
. Скорость резания: V = 55
м/мин
. Частота: n = 250 об/мин
. Основное время То
То=
мин
025 Вертикально-сверлильная операция
Станок вертикально-сверлильный 2Н135
1
переход - сверление Æ17
Сверло спиральное Р6М5.
. Подача: S = 0,26 ¸ 0,32 мм/об. [10, стр103];
Принимаю S = 0,3 мм/об.
. Скорость резания: V = 24
м/мин [10, стр45]
n =
= 450 об/мин
Принимаем
n = 480 об/мин
VФ =
25 м/мин
.
Основное время То:
То=
мин
2
переход - сверление Æ17
Сверло спиральное Р6М5.
. Подача: S = 0,26 ¸ 0,32 мм/об. [10, стр103];
Принимаю S = 0,3 мм/об.
. Скорость резания: V = 24
м/мин [10, стр45]
n =
= 450 об/мин
Принимаем
n = 480 об/мин
VФ =
25 м/мин
.
Основное время То:
То=
мин
3
переход - зенкерование Æ28
Зенкер Æ28 Р6М5.
. Глубина резания: t =
5,5 мм;
. Подача: S = 0,8 ¸ 1,0 мм/об. [10, стр122];
Принимаю S = 1,0 мм/об.
. Скорость резания: V =
12,9 м/мин [10, стр123]
n =
= 147 об/мин
Принимаем
n = 122 об/мин
VФ =
11 м/мин
.
Основное время То:
То=
мин
4
переход - зенкерование Æ28
Зенкер Æ28 Р6М5.
. Глубина резания: t =
5,5 мм;
. Подача: S = 0,8 ¸ 1,0 мм/об. [10, стр122];
Принимаю S = 1,0 мм/об.
. Скорость резания: V =
12,9 м/мин [10, стр123]
n =
= 158 об/мин
Принимаем
n = 122 об/мин
VФ =
10 м/мин
.
Основное время То:
То=
мин
5
переход - зенкерование Æ28
Зенкер Æ28 Р6М5.
. Глубина резания: t =
1,2 мм;
. Подача: S = 0,8 ¸ 1,0 мм/об. [10, стр122];
Принимаю S = 1,0 мм/об.
. Скорость резания: V =
12,9 м/мин [10, стр123]
n =
= 158 об/мин
Принимаем
n = 122 об/мин
VФ =
10 м/мин
.
Основное время То:
То=
мин
6
переход - развёртывание Æ28
Развёртка Æ28 Р6М5.
. Глубина резания: t =
0,8 мм;
. Подача: S = 0,8 мм/об.
[10, стр125];
. Скорость резания: V =
9,3 м/мин [10, стр127]
n =
= 106 об/мин
Принимаем
n = 87 об/мин
VФ =
8 м/мин
.
Основное время То:
То=
мин
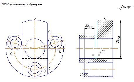
030 Горизонтально-фрезерная операция
Станок горизонтально-фрезерный 6Р83
Фреза прорезная Р6М5 ГОСТ2679-93.
. Глубина резания: t = 78
мм;
. Подача: S = 1,0 мм/об;
. Скорость резания: V =
37,5 м/мин
. Частота: n = 185 об/мин
. Основное время То
То=
мин
035 Горизонтально-фрезерная операция
Станок горизонтально-фрезерный 6Р83
Фреза прорезная Р6М5 ГОСТ2679-93.
. Глубина резания: t = 38
мм;
. Подача: S = 1,0 мм/об;
. Скорость резания: V =
34,5 м/мин
. Частота: n = 84 об/мин
. Основное время То
То=
мин
045 Внутришлифовальная операция
Шлифовать отверстие Æ40+0,025
Станок кругло-шлифовальный 3К227А
Шлифовальный круг 25А16С27К (D=32мм, Н=40мм).
. Припуск: 2П = 0,4 мм;
. Подача: Sдв.ход = 0,005 мм/об;
. Скорость резания: V = 35
м/с;
. Скорость вращения заготовки: Vз = 37,1
м/мин;
. Обороты заготовки: n =
215 об/мин;
. Скорость радиальной подачи: Vsос= 4550мм/мин
. Основное время То
мин
Lш=(0,3…0,5)Вк+lд
2.6 Техническое
нормирование операций технологического процесса
Расчёт
норм времени для 005 токарно-револьверной операции.
1. Определение основного времени на точение:
[3,
стр14];
2. Определение вспомогательного времени:
Вспомогательное время на токарно-револьверную операцию определяется по
формуле: Тв = tуст
+ tпер + t изм , [3,
стр15];
где: tуст - время на установку и снятие детали
со станка, мин
tуст
= 0,42 мин [3,
стр32, карта 2];
tпер
-
вспомогательное время, связанное с переходом, мин
для первого перехода ……….…..0,20
для второго перехода …………...0,20
для третьего перехода …………..0,13
для четвертого перехода ………..0,13 [3, стр86, карта 24];
для пятого перехода ………..….. 0,13
для шестого перехода …………..0,13
tпер = 0,92 мин
tизм
- время на
измерение, мин
Поверхности, обрабатываемые на данной операции, контролируются при помощи
штангенциркуля и калибр-пробки.
tизм
= 0,19 + 0,12
+ 0,12 + 0,12 + 0,11 + 0,11 = 0,75 [3, стр185, карта 86];
Вспомогательное время:
ТВ = 0,42 + 0,92 + 0,75 = 2,09 мин
3. Определение времени на обслуживание рабочего места, отдых
и личные надобности:
Tобс = 5,5% Топ [3, стр92,
карта 25];отд = 5% Топ [3, стр203, карта 88];
4. Определение оперативного времени:
Топ = То + Тв
Топ = 1,69 + 2,09 = 3,78 мин
5. Определение норм штучного времени:
Тшт
= (Т0 + ТВ) ×
[3,
стр15];
Тшт = (1,69 + 2,09) ×
= 4,17 мин
6. Подготовительно-заключительное время:
Тпз = 30 мин [3, стр92, карта 25];
7. Определение норм штучно-калькуляционного времени
Тшк = Тшт + Тпз / n
где n - число деталей в партии, n = 4800 шт.
Подставляя числа в формулу получим:
Тшк = 4,17+30/4800 = 4,18 мин
Расчёт
норм времени для 010 токарно-винторезной операции.
1. Определение основного времени на точение:
[3,
стр14];
2.
Определение вспомогательного времени:
Вспомогательное время на токарно-винторезную операцию определяется по
формуле:
Тв = tуст
+ tпер + t изм , [3, стр15];
где: tуст - время на установку и снятие детали
со станка, мин
tуст
= 0,42 мин [3,
стр32, карта 2];
tпер
-
вспомогательное время, связанное с переходом, мин
для первого перехода ……….…..0,17
для второго перехода …………...0,09 [3, стр64, карта 18];
tпер = 0,28 мин
tизм
- время на
измерение, мин
Поверхности, обрабатываемые на данной операции, контролируются при помощи
штангенциркуля.
tизм
= 0,19 + 0,17
= 0,36 [3, стр185, карта 86];
Вспомогательное время:
ТВ = 0,42 + 0,28 + 0,36 = 1,06 мин
3. Определение времени на обслуживание рабочего места, отдых
и личные надобности:
Tобс = 3,5% Топ [3, стр70,
карта 19];отд = 5% Топ [3, стр203, карта 88];
4. Определение оперативного времени:
Топ = То + Тв
Топ = 0,36+ 1,06 = 1,42 мин
5. Определение норм штучного времени:
Тшт
= (Т0 + ТВ) ×
[3,
стр15];
Тшт = (0,36 + 1,06) ×
= 1,54 мин
6. Подготовительно-заключительное время:
Тпз = 14 мин [3, стр70, карта 19];
7. Определение норм штучно-калькуляционного времени
Тшк = Тшт + Тпз / n
где n - число деталей в партии, n = 4800 шт.
Подставляя числа в формулу получим:
Тшк = 1,54 + 14/4800 = 1,55 мин
Расчёт
норм времени для 015 горизонтально - фрезерной операции.
1. Определение основного времени на точение:
.
Определение вспомогательного времени:
Вспомогательное время на горизонтально-фрезерную операцию определяется по
формуле:
Тв = tуст
+ tпер + t изм , [3, стр15];
где: tуст - время на установку и снятие детали
со станка, мин
tуст
= 0,17 мин [3, стр54,
карта 16];
tпер
-
вспомогательное время, связанное с переходом, мин
tпер = 1,4 мин [3, стр112, карта 33];
tизм
- время на
измерение, мин
Поверхности, обрабатываемые на данной операции, контролируются при помощи
штангенциркуля.
tизм
= 0,19 + 0,16
= 0,35 [3, стр185, карта 86];
Вспомогательное время:
Тв = 0,17 + 1,4 + 0,35 = 1,92 мин
3. Определение времени на обслуживание рабочего места, отдых
и личные надобности:
Tобс = 4,5% Топ [3, стр114,
карта 34];отд = 4% Топ [3, стр203, карта 88];
4. Определение оперативного времени:
Топ = То + Тв
Топ = 4,5+ 1,92 = 6,42 мин
5.
Определение норм штучного времени:
Тшт
= (Т0 + ТВ) ×
[3,
стр15];
Тшт = (4,5 + 1,92) ×
= 6,96 мин
. Подготовительно-заключительное время:
Тпз = 27 мин [3, стр114, карта 34];
7. Определение норм штучно-калькуляционного времени
Тшк = Тшт + Тпз / n
где n - число деталей в партии, n = 4800 шт.
Подставляя числа в формулу получим:
Тшк = 6,96 + 27/4800 = 6,97 мин
Расчёт
норм времени для 020 вертикально - фрезерной операции.
1. Определение основного времени на точение:
.
Определение вспомогательного времени:
Вспомогательное время на вертикально-фрезерную операцию определяется по
формуле:
Тв = tуст
+ tпер + t изм ,[3, стр15];
где: tуст - время на установку и снятие детали
со станка, мин
tуст
= 0,19 мин [3,
стр54, карта 16];
tпер
-
вспомогательное время, связанное с переходом, мин
tпер = 0,90 мин [3, стр112, карта 33];
tизм
- время на
измерение, мин
Поверхности, обрабатываемые на данной операции, контролируются при помощи
штангенциркуля.
tизм
= 0,12 + 0,13
= 0,25 [3, стр185, карта 86];
Вспомогательное время:
Тв = 0,19 + 0,90 + 0,25 = 1,34 мин
3. Определение времени на обслуживание рабочего места, отдых
и личные надобности:
Tобс = 4,0% Топ [3, стр114,
карта 34];отд = 4,0% Топ [3, стр203, карта 88];
4. Определение оперативного времени:
Топ = То + Тв
Топ = 1,16+ 1,34 = 2,50 мин
5. Определение норм штучного времени:
Тшт
= (Т0 + ТВ) ×
[3,
стр15];
Тшт = (1,16 + 1,34) ×
= 2,70 мин
6. Подготовительно-заключительное время:
Тпз = 22 мин [3, стр114, карта 34];
7. Определение норм штучно-калькуляционного времени
Тшк = Тшт + Тпз / n
Подставляя числа в формулу получим:
Тшк = 2,70 + 22/4800 = 2,71 мин
Расчёт
норм времени для 025 вертикально - сверлильной операции.
1. Определение основного времени на точение:
.
Определение вспомогательного времени:
Вспомогательное время на вертикально-сверлильную операцию определяется по
формуле:
Тв = tуст
+ tпер + t изм , [3,
стр15];
где: tуст - время на установку и снятие детали
со станка, мин
tуст
= 0,30 мин [3, стр32,
карта 2];
tпер
-
вспомогательное время, связанное с переходом, мин
для первого перехода ……….…..0,10
для второго перехода ……….…..0,05
для третьего перехода …………..0,10
для четвёртого перехода ………..0,05 [3, стр95, карта 27];
для пятого перехода …………….0,05
для шестого перехода ……….….0,05
tпер = 0,40 мин
tизм
- время на
измерение, мин
Отверстия, обрабатываемые сверлением и зенкерованием, контролируются при
помощи гладкой двусторонней калибр-пробкой..
tизм
= 0,20 + 0,10
+ 0,22 + 0,11 + 0,11+ 0,11 = 0,85 [3, стр185, карта 86];
Вспомогательное время:
Тв = 0,30 + 0,40 + 0,85 = 1,55 мин
3. Определение времени на обслуживание рабочего места, отдых
и личные надобности:
Tобс = 4,0% Топ [3, стр100,
карта 28];отд = 4,0% Топ [3, стр203, карта 88];
. Определение оперативного времени:
Топ = То + Тв
Топ = 2,58 + 1,55 = 4,13 мин
. Определение норм штучного времени:
Тшт
= (Т0 + ТВ) ×
[3,
стр15];
Тшт = (2,58 + 1,55) ×
= 4,46 мин
. Подготовительно-заключительное время:
Тпз = 15 мин [3, стр101, карта 28];
7. Определение норм штучно-калькуляционного времени
Тшк = Тшт + Тпз / n
где n - число деталей в партии, n = 4800 шт.
Подставляя числа в формулу получим:
Тшк = 4,46 + 15/4800 = 4,47 мин
Расчёт
норм времени для 030 горизонтально - фрезерной операции.
1. Определение основного времени на точение:
.
Определение вспомогательного времени:
Вспомогательное время на горизонтально-фрезерную операцию определяется по
формуле:
Тв = tуст
+ tпер + t изм , [3,
стр15];
где: tуст - время на установку и снятие детали
со станка, мин
tуст
= 0,30 мин ;
tпер
-
вспомогательное время, связанное с переходом, мин
tпер = 0,90 мин;
tизм
- время на
измерение, мин
Поверхности, обрабатываемые на данной операции, контролируются при помощи
штангенциркуля.
tизм
= 0,13 [3,
стр185, карта 86];
Вспомогательное время:
Тв = 0,30 + 0,90 + 0,13 = 1,33 мин
3. Определение времени на обслуживание рабочего места, отдых
и личные надобности:
Tобс = 4,5% Топ [3, стр114,
карта 28];отд = 4,0% Топ [3, стр203, карта 88];
4. Определение оперативного времени:
Топ = То + Тв
Топ = 0,43 + 1,33 = 1,76 мин
. Определение норм штучного времени:
Тшт
= (Т0 + ТВ) ×
[3,
стр15];
Тшт = (0,43+ 1,33) ×
= 1,91 мин
. Подготовительно-заключительное время:
Тпз = 27 мин [3, стр114, карта 34];
. Определение норм штучно-калькуляционного времени
Тшк = Тшт + Тпз / n
где n - число деталей в партии, n = 4800 шт.
Подставляя числа в формулу получим:
Тшк = 1,91 + 27/4800 = 1,92 мин
Расчёт
норм времени для 035 горизонтально - фрезерной операции.
1. Определение основного времени на точение:
.
Определение вспомогательного времени:
Вспомогательное время на горизонтально-фрезерную операцию определяется по
формуле:
Тв = tуст
+ tпер + t изм , [3,
стр15];
где: tуст - время на установку и снятие детали
со станка, мин
tуст
= 0,30 мин ;
tпер
-
вспомогательное время, связанное с переходом, мин
tпер = 0,90 мин;
tизм
- время на
измерение, мин
Поверхности, обрабатываемые на данной операции, контролируются при помощи
штангенциркуля.
tизм
= 0,13 [3,
стр185, карта 86];
Вспомогательное время:
Тв = 0,30 + 0,90 + 0,13 = 1,33 мин
3. Определение времени на обслуживание рабочего места, отдых
и личные надобности:
Tобс = 4,5% Топ [3, стр114,
карта 28];отд = 4,0% Топ [3, стр203, карта 88];
4. Определение оперативного времени:
Топ = То + Тв
Топ = 0,50 + 1,33 = 1,83 мин
. Определение норм штучного времени:
Тшт
= (Т0 + ТВ) ×
[3,
стр15];
Тшт = (0,50+ 1,33) ×
= 1,98 мин
6. Подготовительно-заключительное время:
Тпз = 27 мин [3, стр114, карта 34];
. Определение норм штучно-калькуляционного времени
Тшк = Тшт + Тпз / n
где n - число деталей в партии, n = 4800 шт.
Подставляя числа в формулу получим:
Тшк = 1,98 + 27/4800 = 1,99 мин
Расчёт
норм времени для 040 вертикально - сверлильной операции.
1. Определение основного времени на точение:
.
Определение вспомогательного времени:
Вспомогательное время на вертикально-сверлильную операцию определяется по
формуле:
Тв = tуст
+ tпер + t изм , [3,
стр15];
где: tуст - время на установку и снятие детали
со станка, мин
tуст
= 0,15 мин
tпер
-
вспомогательное время, связанное с переходом, мин
для первого перехода ……….…..0,08
для второго перехода …………...0,08 [3, стр95, карта 27];
для третьего перехода …………..0,05
tпер = 0,21 мин
tизм
- время на
измерение, мин
Отверстия, обрабатываемые сверлением, контролируются при помощи
штангенциркуля. Резьбовые отверстия контролируются при помощи резьбовой
двусторонней калибр-пробки .
tизм
= 0,10 + 0,10
+ 0,10 = 0,30 [3, стр185, карта 86];
Вспомогательное время:
Тв = 0,15 + 0,21 + 0,30 = 0,66 мин
3. Определение времени на обслуживание рабочего места, отдых
и личные надобности:
Tобс = 4,0% Топ [3, стр100,
карта 28];отд = 4,0% Топ [3, стр203, карта 88];
. Определение оперативного времени:
Топ = То + Тв
Топ = 0,48 + 0,66 = 1,14 мин
. Определение норм штучного времени:
Тшт
= (Т0 + ТВ) ×
[3,
стр15];
Тшт = (0,48 + 0,66) ×
= 1,23 мин
. Подготовительно-заключительное время:
Тпз = 13 мин [3, стр101, карта 28];
. Определение норм штучно-калькуляционного времени
Тшк = Тшт + Тпз / n
где n - число деталей в партии, n = 4800 шт.
Подставляя числа в формулу получим:
Тшк = 1,23 + 13/4800 = 1,24 мин
Расчёт
норм времени для 045 внутришлифовальной операции.
1. Определение основного времени на точение:
.
Определение вспомогательного времени:
Вспомогательное время на внутришлифовальную операцию определяется по
формуле:
Тв = tуст
+ tпер + t изм , [3,
стр15];
где: tуст - время на установку и снятие детали
со станка, мин
tуст
= 0,42 мин [3,
стр32, карта 2];
tпер
-
вспомогательное время, связанное с переходом, мин
tпер = 0,18 мин
tизм
- время на
измерение, мин
Поверхности, обрабатываемые на данной операции, контролируются при помощи
калибр-пробки.
t
изм = 0,12
мин
Вспомогательное время:
Тв = 0,42 + 0,18 + 0,12 = 0,72 мин
3. Определение времени на обслуживание рабочего места, отдых
и личные надобности:
Tобс = 9,0% Топ отд = 4,0% Топ
. Определение оперативного времени:
Топ = То + Тв
Топ = 1,84 + 0,72 = 2,56 мин
. Определение времени технического обслуживание рабочего
места
где
Т - стойкость шлифовального круга между правками
к
- коэффициент учитывающий время на
смену шлифовального круга
мин
.
Определение норм штучного времени:
Тшт
= (Т0 + ТВ) ×
[3,
стр15];
Тшт = (1,84+ 0,72) ×
= 2,89 мин
. Подготовительно-заключительное время:
Тпз = 32 мин
. Определение норм штучно-калькуляционного времени
Тшк = Тшт + Тпз / n
где n - число деталей в партии, n = 4800 шт.
Подставляя числа в формулу получим:
Тшк = 2,89 + 32/4800 = 2,90 мин
Расчёт
норм времени для 050 торцекруглошлифовальной операции.
1. Определение основного времени на точение:
2.
Определение вспомогательного времени:
Вспомогательное время на торцекруглошлифовальную операцию определяется по
формуле:
Тв = tуст
+ tпер + t изм , [3,
стр15];
где: tуст - время на установку и снятие детали
со станка, мин
tуст
= 0,42 мин [3,
стр32, карта 2];
tпер
-
вспомогательное время, связанное с переходом, мин
tпер = 0,18 мин
tизм
- время на
измерение, мин
Поверхности, обрабатываемые на данной операции, контролируются при помощи
микрометра гладкого МК 100-1 ГОСТ6507-90.
t
изм = 0,12
мин
Вспомогательное время:
Тв = 0,42 + 0,18 + 0,12 = 0,72 мин
3. Определение времени на обслуживание рабочего места, отдых
и личные надобности:
Tобс = 9,0% Топ отд = 4,0% Топ
4. Определение оперативного времени:
Топ = То + Тв
Топ = 0,35 + 0,72 = 1,07 мин
5. Определение времени технического обслуживание рабочего
места
где
Т - стойкость шлифовального круга между правками
к
- коэффициент учитывающий время на
смену шлифовального круга
мин
.
Определение норм штучного времени:
Тшт
= (Т0 + ТВ) ×
[3,
стр15];
Тшт = (0,35+ 0,72) ×
= 1,21 мин
. Подготовительно-заключительное время:
Тпз = 32 мин
. Определение норм штучно-калькуляционного времени
Тшк = Тшт + Тпз / n
где n - число деталей в партии, n = 4800 шт.
Подставляя числа в формулу получим:
Тшк = 1,21 + 32/4800 = 1,22 мин
Сводная таблица результата нормирования технологических
операций.
|
№ п/п
|
Наименование
технологической операции
|
      
|
|
|
|
|
|
|
|
|
|
|
 
|
|
|
|
|
|
|
|
|
|
|
мин
|
мин
|
мин
|
мин
|
мин
|
мин
|
мин
|
мин
|
шт
|
мин
|
|
005
|
Токарно-револьверная
|
1,69
|
0,42
|
0,92
|
0,75
|
3,78
|
0,105
|
4,17
|
30
|
4800
|
4,18
|
|
010
|
Токарно-винторезная
|
0,36
|
0,42
|
0,28
|
0,36
|
1,42
|
0,085
|
1,54
|
14
|
4800
|
1,55
|
|
015
|
Горизонтально-фрезерная
|
4,5
|
0,17
|
1,4
|
0,35
|
6,42
|
0,085
|
6,96
|
27
|
4800
|
6,97
|
|
020
|
Вертикально-фрезерная
|
1,16
|
0,19
|
0,90
|
0,25
|
2,50
|
0,08
|
2,70
|
22
|
4800
|
2,71
|
|
025
|
Вертикально-сверлильная
|
2,58
|
0,30
|
0,40
|
0,85
|
4,13
|
0,08
|
4,46
|
15
|
4800
|
4,47
|
|
030
|
Горизонтально-фрезерная
|
0,43
|
0,30
|
0,90
|
0,13
|
1,76
|
0,085
|
1,91
|
27
|
4800
|
1,92
|
|
035
|
Горизонтально-фрезерная
|
0,50
|
0,30
|
0,90
|
0,13
|
1,83
|
0,085
|
1,98
|
27
|
4800
|
1,99
|
|
040
|
Вертикально-сверлильная
|
0,48
|
0,15
|
0,21
|
0,30
|
1,14
|
0,08
|
1,23
|
13
|
4800
|
1,24
|
|
042
|
Термическая
|
|
|
|
|
|
|
|
|
4800
|
|
|
045
|
Внутришлифовальная
|
1,84
|
0,42
|
0,18
|
0,12
|
2,56
|
0,13
|
2,89
|
32
|
4800
|
2,90
|
|
050
|
Торцекруглошлифовальная
|
0,35
|
0,42
|
0,18
|
0,12
|
1,07
|
0,13
|
1,21
|
32
|
4800
|
1,22
|
3.
Проектирование контрольно-измерительного приспособления
Контроль, которому подвергается каждый узел и каждая изготовленная
деталь, имеет целью проверить соответствие точности формы относительного
положения и перемещения их исполнительных поверхностей установленным нормам.
Чтобы получить при контроле наиболее полное представление о значении
контролируемого параметра, необходимо исключить, насколько это возможно, влияние
погрешности параметров связанных с ними.
Расчёт погрешности контрольно-измерительного приспособления для измерения
радиального биения.
Данное КИП обеспечивает центрирование контролируемого изделия
с высокой точностью относительно цилиндрической поверхности оправки. Тем самым
имитируется и фактически обеспечивается соосное расположение прилегающих
цилиндров рабочей поверхности оправки и базового отверстия изделия. Влияние
точности формы этих поверхностей на погрешность измерений резко уменьшается.
Условие годности КИП по точности:
[∆кип] > К∙Тп
где: Тп - допуск контролируемого параметра;
К - нормирующий коэффициент [7,стр. 61, табл. 3.1]; принимаю К=0,3
[∆кип] - допустимая погрешность измерения КИП.
[∆кип] = 0,3∙0,03 = 9 мкм
Погрешность измерения для данного случая контроля будет иметь вид:
∆кип = ∆опр. + ∆инд.+ ∆мет.
где: ∆опр. = 2,0 мкм - погрешность оправки [7,стр. 63,
табл. 3.2];
∆инд. = 4,0 мкм - погрешность индикатора [5, стр. 471,
табл. 15];
∆мет. = 2,0 мкм - погрешность метода
измерения [7,стр. 64];
Суммарная погрешность КИП будет равна:
∆кип = 2,0 + 4,0 + 2,0 = 8,0 мкм
Из приведенных расчетов следует, что КИП, основанное на
использовании разработанной оправки, может применяться для измерений
радиального биения с допуском 0,03 мм.
Конструкция и принцип действия приспособления.
Для контроля радиального биения поверхности относительно внутреннего
отверстия сконструировано контрольно-измерительное приспособление,
представленное на чертеже.
Разработанное контрольно-измерительное приспособление состоит из
следующих конструктивных элементов: корпуса 6; оправки 3; индикаторной стойки
1; индикатора 2; двух шариков 5; двух пружин 4.
Принцип действия разработанного КИП состоит в следующем: контролируемая
деталь устанавливается внутренней базовой поверхностью на оправку 3, шарики 5
под действием пружин 6 прижимают базовую поверхность контролируемой детали к
поверхности оправки, обеспечивая при этом соосное расположение прилегающих
цилиндров рабочей поверхности оправки и базового отверстия изделия. Далее
индикатор 2 подводятся к контролируемой поверхности. Вращением заготовки
производится контроль соответствия радиального биения поверхности относительно
внутреннего отверстия заданному допуску.
Список
литературы
1. Горбацевич А.Ф., Шкред В.А. Курсовое
проектирование по технологии машиностроения: учебное пособие для машиностроит.
Спец-тей вузов. -
2. Приёмышев А.В., Зубарев Ю.М.,
Александров А.М., Звоновских В.В., Юрьев В.Г. Курсовое проектирование по
технологии машиностроения: Учеб. Пособие. - СПб.: Изд-во ПИМаш, 1997. -184 с.
3. Общемашиностроительные нормативы
времени вспомогательного, на обслуживание рабочего места и
подготовительно-заключительного на работы, выполняемые на металлорежущих
станках. - М.: НИИ труда, 1984.
4. Справочник технолога-машиностроителя.
В 2-х т. Т. 1/ Под ред. А.Г. Косиловой и Р.К. Мещерякова. - 4-е изд., перераб.
И доп. - М.: Машиностроение, 1985.
5. Справочник технолога-машиностроителя.
В 2-х т. Т. 2/ Под ред. А.Г. Косиловой и Р.К. Мещерякова. - 4-е изд., перераб.
И доп. - М.: Машиностроение, 1985.
6. Экономическая эффективность новой
техники и технологии в машиностроении/ К.М. Великанов, В.А. Березин, Э.Г.
Васильева и др.: Под ред. К.М. Великанова. - Л.: Машиностроение, 1981.
7. Приспособления для контроля точности
деталей/Кафедра технологии. Машиностроения ЛМЗ-ВТУЗ
8. Расчет точности станочных
приспособлений. Учебное пособие. В.Г. Юрьев, Ю.М. Зубарев, А.Г. Схиртладзе,
А.В. Приемышев, В.В. Звоновских, Л.А. Куцанов. С-Пб., 2000 г.
9. Проектирование приспособлений.
Кафедра технологии. Машиностроения ЛМЗ-ВТУЗ.1982.
10.
Общемашиностроительные нормативы режимов резания для технического нормирования
работ на металлорежущих станках. - «Машиностроение» Москва 1974.