Проектирование участка по техническому обслуживанию и ремонту топливной аппаратуры на АТП

  • Вид работы:
    Курсовая работа (т)
  • Предмет:
    Транспорт, грузоперевозки
  • Язык:
    Русский
    ,
    Формат файла:
    MS Word
    197,86 Кб
  • Опубликовано:
    2015-06-09
Вы можете узнать стоимость помощи в написании студенческой работы.
Помощь в написании работы, которую точно примут!

Проектирование участка по техническому обслуживанию и ремонту топливной аппаратуры на АТП

ВВЕДЕНИЕ

Основными источниками энергии в сельском хозяйстве в настоящее время являются двигатели внутреннего сгорания ( ДВС), а по прогнозам ученых и в ближайшем будущем. В структуре двигателей внутреннего сгорания, используемых в сельскохозяйственных машинах и тракторах преобладают дизельные двигатели.

Выбор дизелей в качестве основного источника энергии для сельскохозяйственных машин обусловлен наличием ряда технико - экономических показателей по которым дизели предпочтительнее карбюраторных. Это более низкий удельный расход топлива, высокий крутящий момент на более низких частотах вращения коленвала, применение дешевых марок топлива. К недостаткам дизелей относится высокая удельная металлоемкость, низкая литровая мощность, сложная конструкция ДВС и как следствие высокая стоимость дизеля.

Современные требования на содержание СО, NOх, С, в выхлопе ДВС (ЕVROI,II ), а также тенденции к росту топливной экономичности вынуждают достигать производителей эту цель различными методами:

путем формирования с одновременным использованием новых технических решений и конструктивных материалов;

путем управления смесеобразованием, впрыска и процессами сгорания, т.е. дальнейшим совершенствованием топливной системы дизеля.

Наиболее эффективным являются второй путь совершенствования, с использованием аккумуляторных систем топливоподачи с электронным управлением впрыска.

В Башкирском государственном аграрном университете ведутся исследования по двум направлениям: аккумуляторные системы топливоподачи и системы топливоподачи непосредственного действия ведется разработка и исследование аккумуляторной системы топливоподачи. Разработаны электроуправляемая форсунка, блок управления ею.

Данная работа предполагает использование разработанных форсунок в проектируемой системе топливоподачи, и использование преимуществ новой системы для решения проблем сельскохозяйственного производства.

1. ОБЗОР И РАЗРАБОТКА КОНСТРУКЦИЙ ЭЛЕМЕНТОВ АККУМУЛЯТОРНОЙ СИСТЕМЫ ТОПЛИВОПОДАЧИ

1.1    Обзор и анализ существующих схем аккумуляторной системы топливоподачи

Известно, что недостатками систем с гидроаккумуляторами малой емкости является зависимость цикловой подачи и давления впрыскивания топлива, как и в насосах непосредственного действия, от частоты вращения кулачкового вала насоса. В значительной степени от этих недостатков свободны системы с гидроаккумуляторами большей емкости, в которых аккумулятор располагается автономно. Примеры таких систем приведены ниже.

Воронежским лесотехническим институтом разработана аккумуляторная система топливоподачи с применением электроуправляемой форсунки /30/ схема которой приведена на рисунке 1.1.

Система работает следующим образом.

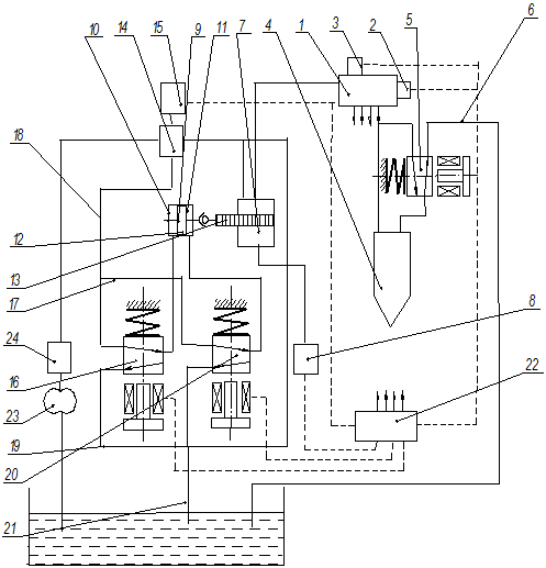
Перед запуском двигателя электронный блок 4 в зависимости от температуры окружающей среды, пусковой частоты вращения коленвала, технического состояния цилиндро - поршневой группы и др. задает необходимую для качественного запуска двигателя величину давления в аккумуляторе 3 , и подает управляющий сигнал на исполнительный механизм муфты 7 , которая соединяет вал 14 топливного насоса высокого давления с валом 15 привода насоса 9 предпусковой прокачки масла. При включении по сигналу блока 4 привода 8 насоса 9 одновременно начинается вращаться и вал 14 топливного насоса высокого давления. После достижения заданного давления топлива в аккумуляторе 3 по сигналу датчика 12 электронный блок управления 4 с помощью муфты 7 разобщает вал 14 насоса с валом 15 и сообщает его с коленвалом двигателя 17.

Рисунок 1.1 Аккумуляторная система топливоподачи с электроуправляемыми форсунками: 1-насос высокого давления; 2- трубопровод; 3 - аккумулятор; 4 - электронный блок управления; 5 - форсунки; 6 - регулятор давления; 7- муфта; 8 - привод; 9 -насос предпусковой прокачки масла; 10,11 12 - соответственно датчики частоты вращения, нагрузки и давления топлива в аккумуляторе 13 - предохранительный клапан; 14,15,16 - вал; 17 - коленвал двигателя

После достижения заданного давления масла в системе смазки блок управления выдает сигнал на запуск двигателя, работу фрсунок 5 и включения привода 8 насоса 9 предпусковой прокачки масла.

Вращение вала 14 топливного насоса 1 высокого давления осуществляется от коленчатого вала 16 двигателя, причем благодаря связи блока 4 с регулятором давления 6 и аккумулятором 3, давление в последнем при изменении режима работы дизеля может изменяться по любому закону автоматически.

Недостатком данной системы является то, что при пуске двигателя необходим поворот коленвала на несколько оборотов, для того, чтобы топливный насос высокого давления создал давление в гидроаккумуляторе, достаточное для впрыска топлива в цилиндр и начало работы двигателя. Это увеличивает расход пусковой энергии.

С целью повышения быстродействия систем топливоподачи иногда устанавливают пневмогидравлические цилиндры, воздушная полость которых сообщается с источником сжатого воздуха через подключенный к блоку управления электропневмоклапаном с дросселем /31/. Схема этой системы приведена на риснке 1.2 .

Система работает следующим образом. При пуске двигателя 14 в период предпусковой прокачки дизеля маслом, когда давление топлива в аккумуляторе 2 отсутствует, электронный блок 13 автоматически задает требуемую настройку автоматического регулятора 4 поддержания давления, посредством электронного управляемого органа задания давления и включает электропневмоклапаном ( ЭПК 11).

Рисунок 1.2 Аккумуляторная система топливоподачи с электронной системой управления впрыском: 1-топливный насос; 2 - гидроаккумулятор; 3 предохранительный клапан; 4 - регулятор давления; 5 - шток; 6 - рейка насоса; 7 - форсунки; 8 и 10 - трубопроводы; 9 - пневмогидравлический цилиндр; 11 - ЭПК;12 - источник сжатого воздуха; 13 - управляющий блок; 15 - 16 - соответственно датчики частоты вращения и нагрузки

При этом шток 5 перемещает рейку 6 в положение наибольшей подачи насоса 1 , а сжатый воздух из баллона 12 через открытый ЭПК 11 поступает в воздушную полость пневмогидравлического цилиндра 9. Давление воздуха в воздушной полости передается и усиливается дифференциальным поршнем пневмогидравлического цилиндра 9, который перемещаясь в сторону гидрополости создает в топливной системе необходимое давление к моменту достижения пусковой частоты вращения в процессе раскрутки коленвала.

Количество впрыснутого топлива, угол опережения подачи и порядок работы электронно-управляемых форсунок 7 определяются и регулируются электрическим блоком управления 13 . Недостатком системы является конструктивная сложность.

Харьковским институтом инженеров железнодорожного транспорта предложена система топливоподачи с дозирующим устройством, схема которого приведена на рисунке 1.3.

Рисунок 1.3 Система топливоподачи дизеля: 1- топливный бак;2- топливоподкачивающий насос; 3- топливный насос; 4 - гидроакккумулятор; 5 - регулятор числа оборотов; 6 - форсунки; 7 - дозирующее устройство

Система работает следующим образом. Топливоподкачивающий насос 2 подает топливо из топливного бака 1 к насосу 3 высокого давления, который нагнетает его в гидроаккумулятор 4, из которого топливо через дозирующее устройство 7 передается к форсункам 6, которые впрыскивают его в цилиндр двигателя ( на рисунке не показан). При прохождении топлива через дозирующее устройство 7 оно сначала поступает в кольцевую проточку высокого давления14 ( рисунок 1.4) через впускное отверстие 9 в корпусе 8 и объединенной с ней нагнетательный клапан 15. При вращении золотника 13 от привода происходит соединение нагнетательного клапана 15 через выпускные 10 в корпусе 8 с помощью форсунок 6, которые осуществляют впрыск. Начало впрыска относительно DVN определяется углом наклона β передней кромки нагнетательного канала 15, а конец впрыска углом наклона α задней кромки нагнетательного канала 15.

Рисунок 1.4 Дозирующее устройство: 1- корпус; 2,3,4, и 5 - соответственно впускное, выпускное, разгрузочное и сливное отверстия; 6- золотник; 7 и 9- кольцевая проточка; 8 - нагнетательный канал; 10- канал; 11,12, 13 - кромки дозатора

Воронежским лесотехническим институтом разработана аккумуляторная система топливоподачи дизеля /33/, схема которой приведена на рисунке 1.5.

Рисунок 1.5 Аккумуляторная система топливоподачи для дизеля: 1- гидроаккумулятор; 2-датчик давления; 3 - предохранительный клапан; 4- электронно управляемые форсунки; 5- двухпозиционный электромагнитный клапан; 6- сливной трубопровод; 9- двигатель; 10,11- рабочие камеры двигателя; 12- поршень;13 - рейка; 4 14 - вспомогательный насос высокого давления; 15 - электродвигатель; 16 - двухпозиционный электромагнитный клапан; 17 - аккумулятор; 18,19,21 - трубопроводы; 20 - клапан электромагнитный; 22 - электронный блок управления;23 - подкачивающий насос; 24- фильтр

Система работает следующим образом. На установившемся режиме электрический ток от блока управления периодически поступает в обмотки электромагнитных клапанов 5, форсунок 4. Клапаны на время, пропорциональное продолжительности импульсов тока, разобщают гидрозапорные полости форсунок 4 с гидроаккумулятором 1 и сообщают со сливными трубопроводами 6. Давление над иглами падает и форсунки 4 поочередно срабатывают. Когда ток перестает поступать в электромагнитные клапаны 5, последние сообщают ту или иную гидрозапорную камеру с аккумулятором 1 и разобщают со сливными трубопроводами и впрыскивание прекращается.

Таким образом, из гидроаккумулятора 1 расходуется некоторое количество топлива, восполняемое основным топливным насосом 7 и в гидроаккумуляторе 1 устанавливается давление (оптимальное для данного режима), задаваемое блоком 22 управления и контролируемое датчиком 2.

Ток не подается в управляющие электромагнитные клапаны 16, 20 серводвигателя 9, поэтому обе его рабочие камеры 10 и 11 разобщены со сливными трубопроводами 19 и 21, давление топлива в камерах равны и рейка чётко зафиксирована.

При увеличении нагрузки дизеля регулятор частоты вращения, встроенный в блок 22 управления увеличивает длительность τ электрического сигнала, поступающего в электронно- управляемые форсунки 4 на величину ∆τ. Электронный блок 22 управления формирует также два сигнала, пропорциональные величине ∆τ и передает их на электрический клапан 20 и двигатель 15 вспомогательного насоса 14, клапан 20 разобщает камеру 11 серводвигателя 9 с аккумулятором 17 и сообщает со сливными трубопроводами 21. Давление в камере 11 резко падает. Поршень 12 с рейкой 13 смещается вправо, увеличивает подачу топлива насосом 7 практически одновременно с увеличением расхода из гидроаккумулятора 1, исключая тем самым провал давления в нем и ухудшения экономичности.

Вспомогательный насос 14, увеличивающий подачу топлива через аккумулятор 17 и клапан 16 в камеру 10 серводвигателя способствует увеличению быстродействия и улучшению экономичности, т.е. в заявленной системе топливоподачи сигнал на перемещение рейки 13 поступает до начала изменения давления в гидроаккумуляторе 1, в то время как у прототипа это происходит в то время как давление изменится и датчик зафиксирует это изменение. На протяжении времени блок 22 управления осуществляет сравнение заданного значения давления в гидроаккумуляторе 1 с реальным фиксируемым датчиком 2, и осуществляет коррекцию продолжительности импульса.

С целью интенсификации процесса топливоподачи, может быть использована система приведенная на рисунке 1.6.

Рисунок 1.6 Система топливоподачи дизеля: 1. форсунка традиционного типа; 2-линия высокого давления; 3- гидрозапорная линия; 4- секция высокого давления; 6- аккумулятор; 7- клапан обратный; 8- дроссель; 9- предохранительный клапан; 10- сливная емкость; 11- дополнительный клапан давления; 12- дроссель.

Система топливоподачи работает следующим образом. Секция 4 наоса высокого давления нагнетает топливо в линию 2 высокого давления, которое поступает в подигольную полость форсунки 1, а также в запорную линию 3. Из- за разности давлений в подигольной и надигольной полостях игла форсунки имеет возможность открываться и обеспечить подачу топлива в цилиндр дизеля.

Дроссель ограничивает величину перетечек топлива в гидрозапорную линию и таким образом уровень давления в нем. Аккумулятор 6 позволяет стабилизировать давление гидрозапирания в начале и в конце подачи, обеспечив более короткое и интенсивное впрыскивание топлива. Обратный клапан 7 исключает возможность опорожнения аккумулятора 6 в период после впрыскивания.

Вместе с тем наличие аккумулятора 6, клапана5 давления гидрозапирания обеспечивают в период между впрыскиваниями подпитку линии высокого давления через зазор между иглой и распылителями. Таким образом, система может при высоких начальных давлениях, обеспечивающих интенсивное впрыскивание, допускать низкое давление остаточное, уменьшающее вероятность появления подвпрыскивания.

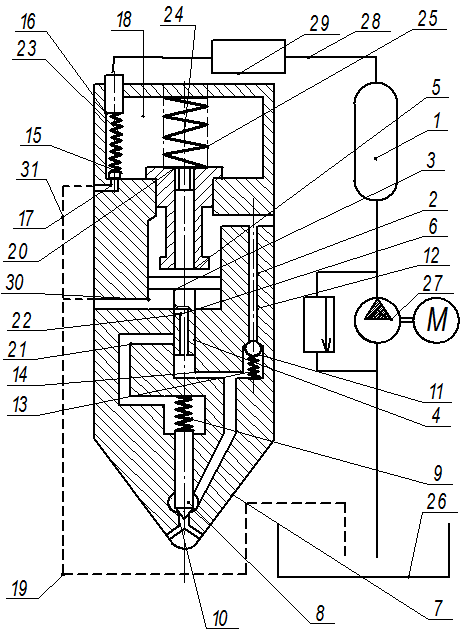
Московским государственным автомобильно- дорожным институтом разработана система топливоподачи для автотракторного дизеля (рисунок 1.7.) с гидроуправляемым клапаном.

Система работает следующим образом. В исходном начальном состоянии топливной системы клапан 15 закрыт, так как сигнал от блока управления 29 не подается. При этом гидроуправляющий клапан 6 открыт и приводная полость 5 заполнена топливом. Под действием усилия пружины 23 управляющий клапан 15 находится в закрытом состоянии и разобщает управляющую камеру 18 с линией связи 17 и сливом 19.

При подаче электрического импульса из блока управления 29 на электромагнитный привод 16 клапан 15, преодолевая усилие пружины 23, открывается. Топливоприводной полости 15 через дроссельное отверстие 20, управляющую камеру 18 и открывающий клапан 15 поступает в линию связи 17, слив 19 и бак 25. Под действием усилия, возникающего из- за разности давлений 8 в управляющей камере 18 и приводной полости 5 гидроуправляемый клапан 6, преодолевая усилие пружины 24, закрывается и тем самым прекращает поступление топлива в полость источника 1 постоянного давления на вход 12 обратного клапана 11 и далее в рабочую полость 14, плунжкр 4 и поршень 3 усилителя давления.

Рисунок 1.7 Топливная система для дизеля (патент №2059865): 1- источник постоянного давления; 2- корпус; 3- рабочий поршень; 5- приводная полость; 6- гидроуправляемый клапан; 7 -форсунка; 8- игла; 9,10- соответственно надигольная и подигольная полости; 11- обратный клапан; 12- вход клапана; 13- выход клапана; 14- рабочая полость плунжера; 15- управляющий клапан; 16- электромагнитный привод; 17- линия связи; 18- управляющая камера; 19- слив; 20- дроссельное отверстие; 21, 22- каналы; 23,24- пружины; 26- бак; 27- гидронасос; 28- напорная гидролиния; 29 - блок управления; 30- надпоршневой объем; 31- слив; 32- пружина

Продолжительность открытия клапана 15, а следовательно длительность электрического импульса, поступающая на электромагнитный привод 16 из блока управления 29, пропорциональны высоте подъема усилителя давления, и следовательно определяют цикловую подачу. Усилие пружины 24 предотвращает открытие иглы 8 под действием давления топлиыа поступающего из рабочей полдости 14 в подигольную камеру 10. При прекращении подачи электрического импульса из блока управления 29 на электромагнитный привод 16 управляющий клапан 15 под действием пружины 23 закрывается.

В управляющей камере 18 и приводной полости 5 происходит выравнивание давлений и гидроуправляемый клапан 6 под действием пружин 24 открывается. Установка пружины 24 способствует уменьшении периода времени, и следовательно сокращению запаздывания подачи топлива. Под действием (давлением) топлива от источника постоянного давления в приводную полость 5, поршеь3 и плунжер 4 двигаются вниз. При этом топливо из подпоршневого объема 30 вытесняется в гидролинию 31, слив 19 и бак 35. Под действием нарастающего давления в рабочей полости 14 и на выходе 13 обратного клапана 11 последний закрывается, а игла 8, преодолевая усилие пружины 32, открывается и происходит впрыскивание топлива в цилиндр дизеля через впрыскивающее отверстие 33. В момент перекрытия 22 и 21 топливо из рабочей полости 14 поступает в подигольную камеру 9, закрывается, что приводит к перекрытию распыливающих отверстий и окончанию впрыскивания.

Данная схема конструктивно сложна и трудно исполнима.

Ни рисунке 1.8 приведена схема системы топливоподачи Common-Real, разработанная фирмой L`Orange (Германия). Эта система является более экономичной и имеет высокий коэффициент полезного действия, что достигается регулирование производительности за счёт дросселирования.

Рисунок 1.8. Схема аккумуляторной системы впрыскивания Common- Rail для 8 - цилиндрового дизельного двигателя: 1- электронный блок управления; 2 - дроссельный клапан; 3- подвод топлива; 4 - насос высокого давления; 5 - датчик давления; 6 - общие топливопроводы ( аккумуляторы); 7 - электромагнитные клапаны; 8 - форсунки; 9- датчик угла поворота кулачкового вала ВМТ

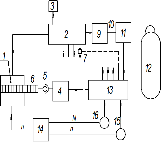
Система работает следующим образом. Насос высокого давления 4 создает постоянный уровень давления, около 120 МПа, и подает топливо в общие для всех цилиндров одного блока топливопроводы - аккумуляторы 6 . Процесс впрыскивания топлива осуществляется после подачи в обмотку электромагнитного клапана 7, расположенного непосредственно в форсунке, импульсы тока от электромагнитного блока 1 системы управления: при прекращении подачи тока клапаны форсунки закрываются и подача топлива прекращается. Объем цикловой подачи топлива зависит от уровня давления в аккумуляторе и длительности действия тока . С помощью датчика давления 5 электронная система управления двигателем определяет величину действительного давления топлива в системе и , воздействие на дроссельный клапан 2 , регулирует подачу топлива к насосу высокого давления. Создаваемый им расход топлива управляется в соответствии запрограммированной в блоке характеристикой изменения давления топлива в системе в зависимости от нагрузки и частоты вращения. Наряду с регулируемым давлением 9 и продолжительности впрыскивания система также обеспечивает регулирование начала процесса впрыскивания. Каждая форсунка срабатывает при строго определенном угле поворота коленчатого вала. Давление топлива в аккумуляторах и угол начала впрыскивания могут регулироваться в зависимости от предъявляемых к дизельному двигателю требований по оптимизации расходов топлива или по токсичности отравляющих газов. По мнению специалистов фирмы это самая оптимальная схема подача топлива. БГАУ разработана система топливоподачи с электронно-управляемым регулятором давления приведена на рисунке 1.9. Следует отметить, что насосный элемент состоящий из втулки 4 и плунжера имеет самую простую форму. Во втулке плунжера предусмотрено одно всасывающее отверстие изменение производительности предусмотрено в начале нагнетания, вторец плунжера выполнен наклонно. Изменяется производительность поворотом плунжера через зубчатую рейку перемещаемую тяговым электродвигателем. Топливо распределяется распределителем 8 .

Рисунок 1.9 Схема топливоподачи с электронно - управляемым регулятором давления: 1-бак топливный; 2- фильтр отстойник; 3 - насос топливоподкачивающий; 4 - фильтр тонкой очистки; 5 - насос ручной подкачки; 6 - насос высокого давления; 7 - аккумулятор; 8 - распределитель топлива; 9 - форсунка; 10 - датчик давления; 11 - механизм исполнительный 9 шаговой двигатель)

Недостатком системы является невозможность оптимизации работы дизеля.

В настоящее время в Башкирском государственном аграрном университете разработана и испытана электрогидроуправляемая форсунка.

Эта разработка позволяет проектировать систему, аналогичную Common- Rail применительно к автотракторным дизелям ( Д-21), в частности разработать насос высокого давления с дозатором и промежуточным гидроаккумулятором, с некоторыми прогнозными расчетами.

1.2 Выбор схемы регулирования цикловой подачи (производительности) насоса высокого давления

Аккумуляторная система топливоподачи типа Common - Rail предполагает следующие способы поддержания постоянного давления в гидроаккумуляторе:

изменением производительности насоса высокого давления, нагнетающего топливо в гидроаккумулятор;

стравливание топлива из гидроаккумулятора с помощью механических ,электромеханических , следящих гидравлических клапанов при постоянной производительности топливного насоса высокого давления, предусматривает наличие дополнительных обработок плунжера ( фрезерование и шлифование кромок, изготовление и подбор дозатора, дополнительные сверления), это делает указанные способы однозначно дорогостоящими. Кроме того перепускание сжатого топлива характеризуется низким КПД нагнетания насоса, что делает способ дроселирования топлива при нагнетании также неэффективным. В данной работе будет проектироваться насос высокого давления с регулированием производительности дросселированием на линии всасывания, то есть дозирование топлива электромагнитным клапанам, причем количество топлива зависит от продолжительности открытия электромагнитного клапана, и следовательно от продолжительности управляющего импульса тока, подаваемого на клапан от управляющего устройства.

1.3 Обоснование компоновки узлов и элементов топливного насоса высокого давления

Данная система разрабатывается применительно к тракторным дизелям Д - 21, и следовательно имитируются максимальные габаритные размеры насоса в пределах. По этой причине была принята рядная компоновка секций высокого давления, также как и у обычной системы питания с двумя нагнетательными секциями высокого давления.

К разработке данного насоса предъявлялись следующие требования:

компактность;

технологичность;

ремонтопригодность;

долговечность;

простота конструкций.

Достигается значительное уменьшение длины насоса высокого давления из - за устранения всережимного регулятора. С целью обеспечения минимальные колебания давления топлива в гидроаккумуляторе и увеличения долговечности насоса применим эксцентриковый кулачковый вал, с целью обеспечения резкого нарастания давления топлива передаточное отношение между коленчатым валом и кулачковым валом топливного насоса принимаем 2/3. /25/. Также применяем съемную конструкцию дозатора топлива и промежуточного гидроаккумулятора. Топливоподкачивающий насос применяем с поворотным корпусом поршня ручной подкачки.

1.4 Обоснование параметров и расчет на прочность элементов аккумуляторной системы топливоподачи

Современные разработанные системы Common- Rail характеризуются значениями давления в аккумуляторе Rак= 115…135 МПа /28// Для разрабатываемой системы топливоподачи давление в гидроаккумуляторе принимаем Rак= 60 МПа.

1.4.1 Расчет хода, диаметра плунжера и числа секций высокого давления

Цикловая подача топлива насосом в массовых единицах /19/

,                                 (1.1)

где Nе- эффективная мощность двигателя, кВт;

gе- удельный расход топлива, г/(кВт·ч);

к- тактность двигателя;

n- частота вращения коленвала, мин-1.

Цикловая подача в объёмных единицах /19/:

цо=,                                                                             (1.2)

где ρт- плотность дизельного топлива, кг/м3;

Согласно источнику /1/ (для двигателя Д-21):

Nе= 18,4 кВт; gе=236 г/(кВтч); n=1800мин-1; ρт=860 кг/м3.

Подставляя значения в формулу (1.1) получим:

г/цикл

gцо==46,7 мм3/цикл.

Для получения запаса мощности, цикловая подача должна превышать на 15…20 % подачу на номинальном режиме:

gцо==46,7 мм3/цикл

Также производительность секции высокого давления должна обеспечить работу гидрозапорных форсунок, обладающих боьшим количеством перепускаемого топлива, принимаем 200% запас.

gцо=2grц=112 мм3/цикл

Для обеспечения большого ресурса принимаем запас по производительности 200% от требуемой, что составит расчетную величину цикловой подачи насоса высокого давления:

gр=2grц=2 ·122=224 мм3/цикл.

Определим ход плунжера /19/:

пл=,мм                                                       (1.2)

где n- число плунжерных пар;

dпл- диаметр плунжера, мм.

Принимаем n=2, dпл=5,5 мм /29/.

Тогда получим:

hпл==3,6мм.

Для определения полного хода плунжера с учетом диаметра наполнительного отверстия производим расчет проходных отверстий внутреннего тракта по методике /15/.

Для этого проведено теоретическое исследование ( см. лист графического материала) зависимости изменения хода плунжера, скорости плунжера и ускорения плунжера. Из проделанных теоретических исследований определяем продолжительность момента заполнения надплунжерного пространства топливом при номинальной частоте вращения двигателя n= 1800 мин-1. Определяем время 1 полного хода плунжера. Оно составило 0,046, и т.к. наполнение происходит когда плунжер находится в нижнем положении, то время это составляет 0,02 с.

Определяем проходное сечение по методике приведенной в источнике /15/:

А=,                                                             (1.2)

где mt- массовая подача топлива, кг/с;

v- удельный вес топлива, м3/кг;

u- скорость движения топлвиа, м/с.

Массовую подачу определяем из условия полного заполнения надплунжерного пространства топливом за время равное 0,02с.

=;

где Vпл.п.- объем топлива в надплунжерном пространстве, м3 (0,16 ·10-6 /34/).

t- продолжительность заполнения, с.

mt= кг/с;

Определим удельный вес топлива:

v=1/ρт;

v=1/860=0,00116.

Задаемся скоростью движения потока топлива в проходном сечении с учетом неразрывности потока /15/:

Принимаем u=1,4 v/c/

Тогда площадь проходного сечения составит:

А=.

Отсюда диаметр наполнительного отверстия втулки плунжера составит:


Принимаем d=3мм, тогда ход плунжера составит:

hпл= 3,6+3=6,6мм.

Принимаем ход плунжера hпл= 7мм, из стандартного ряда размеров /29/.

Производительность насоса на номинальной частоте вращения составит:

Qн=                  (1.4)

н=

1.4.2 Расчет подкачивающего насоса

.4.3 Расчет на прочность промежуточного аккумулятора давления

Потребная производительность насоса составит /19/:

п.н.=к·Qн, см3/мин,                                                              (1.5)

где к- коэффициент запаса, к=1,5…2.

qп.н.=2·374,6=749,2 см3/мин.

Диаметр плунжера подкачивающего насоса:

                              (1.6)

Жесткость пружины насоса рассчитываем по формуле:

                          (1.7)

Где р- требуемое давление в полости, Па;

δ- коэффициент запаса, δ=1,2…1,3;

h- ход поршня, мм. Примем h=0,2 Мпа=0,2·106 Па.


Расчёт на прочность промежуточного аккумулятора давления

Оптимальный объем промежуточного аккумулятора принимаем Vак=10см3 /27/.

Определяем внутренний диаметр аккумулятора:

                                            (1.8)

где l- длина аккумулятора, l=160мм;

Принимаем dа=10мм.

Рассчитываем толщину стенок аккумулятора как обечайку, нагруженную внутренним избыточным давлением /7/:

р=                                       (1.9)

Где φ- коэффициент прочности сварного шва /7/.

φ=0,9.

[δ]=300МПа- Сталь 45 ГОСТ 1050-74.

Sр=

Принимаем толщину стенки Sр=5мм.

1.4.4 Выбор параметров нагнетательного трубопроводов и расчет на прочность

Для нагнетательных трубопроводов принимаем стальные трубки ( ГОСТ 11017-64) имеющие наружный диаметр 7 мм и диаметр внутреннего канала2 мм. Материал трубки сталь 20 (σц=4,0 Мпа/мм2).

Определим давление которое могут выдерживать трубки /29/

Р=                                 (1.10)

где δмин- минимальная толщина стенки трубки ( за вычетом минусового допуска) 8 мм.

δмин=2,5 мм.

R- допустимое напряжение в МПа/мм3;

R=40% временного сопротивления разрыву σв;

dтр=7мм.

Р=

Отсюда следует, что данные трубопроводы выдерживают давление 114,8 МПа, и вполне пригодны для использования в разработанной системе топливоподачи с давлением 60 МПа.

1.4.5 Расчет крутящего момента на валу топливного насоса высокого давления

Определяем крутящий момент на валу топливного насоса.

Т = F· f· rmax ·к1·к2                                                            (1.11)

где к1 = 1,25…1,5 - коэффициент, учитывающий трение сопротивления в опорах скольжения плунжера в других секциях;

к2 = 1,1….1,2 - коэффициент, учитывающий неравномерность (динамичность) подачи топлива;

rmax- максимальный радиус кулачка, = 24 мм.

f - коэффициент трения скольжения, = 0,15

F - сила, действующая со стороны плунжерной пары.

Отсюда

          (1.12)

где Р - максимальное давление в секции плунжерной пары, МПа

Р=60 МПа.

dпл- диаметр плунжера, мм

dпл =5,5 мм.

Отсюда:

Крутящий момент:

Т=1422·0,15·0,024·1,5·1,2=9,215 Н·м

1.4.6 Расчет эксцентрикового кулачкового вала на усталость и статическую прочность

Приведем расчетную схему вала.

Рисунок 1.10 Схема нагружения вала и эпюры моментов

На вал топливного насоса совместно действуют изгибающий момент и крутящий момент. Строим эпюру крутящих моментов ( рисунок 2.10) с учетом того , что:

m1=T/2,24=9,2/2,24=4,11 Нм

m2=0,57·m1=0,57 4,11=2,34 Н·м

Строим эпюру изгибающих моментов. Определяем опорные реакции.

∑mв=0

Rа=(25+32+25)-F( 32+25)+0.57F(25+0)=0

Отсюда:

∑mа=0

Rв=(25+32+25)- F·25- 0.57F(25+32)=0;


Проверка:

∑Y=0; Rв +Rа -F- 0.57F=0

Или Rв +Rа -2,22F=0

,22+1-2,22·1,42=0

=0

Следовательно, опорные реакции определены, верно.

Изгибающие моменты в сечениях:

Ма=о

Мс=Ra·25=1.22·25=30.5

Мd=Ra(25+32)-F·32=24,1 кН·мм

Определяем запас сопротивления усталости по формуле:


Это запас сопротивления прочности усталости по изгибу.


Запас сопротивления усталости по кручению.

Для симметричного цикла напряжений:

σm=0; σа=М/ 0,1 d2; τm=τа =0,5τ=0,5 Т/(0,2 d3)

ψσ и ψτ - коэффициенты, корректирующие влияние постоянной составляющей цикла напряжений на сопротивление усталости; принимаем = 0,1; =0,05 для для среднеуглеродистых сталей./7/.

σ-1 и τ-1- пределы выносливости материала. Принимаем по приближенным формулам:

σ-1= (0,4…0,5)σв; τ-1=(0,2…0,3)σв; τв=(0,55…0,65) σв;

Для стали 45 ГОСТ 1050 - 74; =750 Мпа, после обработки ТВЧ./7/.

σ-1= 0,45·750=337,5 Мпа τ-1=0,25…750=187,5 Мпа τв =0,6·750=450 Мпа

Кd и КF - соответствующие масштабный и шероховатости факторы по источнику /7/. Для среднеуглеродистой стали при умеренной концентрации, после тонкой шифровки Кd=0,88; КF=1.

 


Следовательно прочность обеспечивается. Проверку по статической прочности производим по формуле /7/.


Следовательно, вал удовлетворяет условиям прочности.

2. РАСЧЕТНО-ТЕХНОЛОГИЧЕСКАЯ ЧАСТЬ

аккумуляторный топливоподача автомобиль цикловый

2.1 Расчет годовой производственной программы

.1.1 Выбор исходных данных

Исходные данные и задания для проектирования:

тип подвижного состава - КамАЗ-4510

списочное количество автомобилей Аспис. = 135

пробег автомобиля с начала эксплуатации Ln = 180 тыс.км

среднесуточный пробег автомобиля Lcc = 200 км

категория условий эксплуатации - 3

природно-климатические условия - умерено-холодный климат

количество рабочих дней в году Дрг = 253 дня

время в наряде - 8 часов.

Исходные данные, принимаемые из нормативной литературы для проектов по текущему ремонту:

исходный норматив режим дней простоя в ТО и ТР: dнтр=0,5 дн/1000 км

исходный норматив удельной трудоемкости ТР: tнтр = 6,5 чел/час на 1000 км

исходная норма межремонтного пробега: Lнкр = 300000 км

норма дней простоя в КР: dкр = 22 дн

Исходные данные, принимаемые из нормативной литературы, заносим в таблицу 1.

Таблица 1 - Исходные нормативы

Марка автомобиля

tнтр, чел/час на 1000км

Lнкр, км

dнтр, дн/1000 км

dкр, дн

КамАЗ-4510

6,5

300000

0,5

22


2.1.2 Корректирование периодичности ТО и ТР

Скорректированная величина периодичности ТО-1 и ТО-2 определяется по формуле:

L1 = Li*К1*К2*К3, [1, стр. 157]

Где Li - нормативная периодичность ТО;

К1 - коэффициент корректирования нормативов в зависимости от категории эксплуатации;

К2 - коэффициент, учитывающий модификацию подвижного состава;

К3 - коэффициент корректирования нормативов в зависимости от периодично- климатических условий;

L1 = 4000 км; К1 = 0,8; К2 = 1,0; К3 = 0,9; L2 = 12000 км;

L1 = 4000*0,8*1,0*0,9 = 2880 км;

L2 = 12000*0,8*1,0*0,9 = 8640 км;

Скорректированная величина пробега до КР находится по формуле:

Lкр = Lкр.н*К1*К2*К3, [1, стр. 157]

Где Lкр.н - норма пробега до КР;

К1 - коэффициент, учитывающий категорию условий эксплуатации;

К2 - коэффициент, учитывающий модификацию подвижного состава;

К3 - коэффициент, учитывающий климатические условия;

Lкр.н = 300000 км; К1 = 0,8; К2 = 1,0; К3 = 0,9;

Lкр = 300000*0,8*1,0*0,9 = 216000 км.

2.1.3 Корректирование пробега до ТО-2 и ТР по кратности среднесуточного пробега

Коэффициент кратности между значениями периодичности ТО среднесуточного пробега находится по формуле:

n1 = L1/Lсс, [1, стр. 149]

где L1 - нормативная периодичность ТО-1;

Lсс - 200 км; L1 = 2880;

n1 = 2880/200 = 14,4 (принимаем 15).

Тогда принятое значение с нормативной периодичностью ТО-1 находится по формуле:

L1 = Lсс*n1, [1, стр. 150]

Где n1 - коэффициент корректирования

L1 = 200*15 = 3000 км.

Коэффициент кратности между значениями периодичности ТО-2 и принятого ТО-1 определяется по формуле:

2= L2/L1, [1, стр. 151]

где L1 и L2 - нормативная периодичность ТО-1 и ТО-2;

n2 = 8640/3000 = 2,88 (принимаем 3).

Тогда принятое значение скорректированного ТО-2 определяется по формуле:

L2 = L1*n2, [1, стр.151]

где L1- нормативная периодичность ТО-1;

n2 - коэффициент корректирования;

L1 = 3000; n2 = 3;

L2 = 3000*3 = 9000 км.

Коэффициент кратности между значениями средне циклового пробега принятой периодичности ТО-2 определяется по формуле:

n3 = Lкр/L2, [1, стр. 154]

где Lкр - норма пробега до КР;

L2 - нормативная периодичность ТО-2;

Lкр = 216000; L2 = 9000;

n3 = 216000/9000 = 24 (принимаем 24).

Тогда принятое значение средне циклового пробега определяется по формуле:

Lкр = L2*n3, [1, стр. 154]

Где L2 - нормативная периодичность ТО-2;

n3 - коэффициент корректирования;

L2 = 9000; n3 = 24;

Lкр = 9000*24 = 216000 км.

2.1.4 Корректирование нормы дней простоя в ТО и ремонте

Определяется по формуле:

то и тр = dнто и тр * К4(ср), дн/1000 км [1, стр.155]

где К4(ср) - коэффициент корректирования нормативов удельной трудоемкости текущего ремонта и продолжительность простоя в ТО и ремонте в зависимости от пробега с начала эксплуатации.

Так как у нас пробег с начала эксплуатации 180000 км, а пробег для КамАЗ-4510 до КР равен 300000, то доля пробега с начала эксплуатации будет составлять 180000/300000 = 0,6. Тогда К4(ср) = 1,0

то и тр = 0,5 * 1,0 = 0,5 дн/1000 км

2.1.5 Корректирование удельной трудоемкости текущего ремонта

Определяется по формуле:

тр = tнтр * К1 * К2* К3* К4(ср)* К5 , чел-ч/1000 км [1, стр.135]

где К1 = 1,2 - коэффициент корректирования нормативов в зависимости от категории эксплуатации;

К2 = 1,0 - коэффициент, учитывающий модификацию подвижного состава;

К3 = 1,1 - коэффициент корректирования нормативов в зависимости от природно-климатических условий;

К4 = 1,0 - коэффициент корректирования нормативов удельной трудоемкости текущего ремонта и продолжительность простоя в ТО и ремонте в зависимости от пробега с начала эксплуатации;

К5 = 1,05 - коэффициент корректирования трудоемкости.

тр = 6,5*1,2*1,0*1,1*1,0*1,05 = 9,0 чел-ч/1000 км

По результатам произведенных расчетов составим таблицу корректирования пробега автомобилей КамАЗ-4510 до ТО-1, ТО-2 и КР для автотранспортного предприятия.

Таблица 2 - Корректирование пробега до ТО-1, ТО-2 и КР

Пробег

Обозначение

Значение пробега в км



Нормативное корректирование

Корректирование по кратности

Принятое для расчета

До То-1

L1

2880

200*15

3000

До ТО-2

L2

8640

3000*3

9000

До КР

216000

9000*24

216000


2.1.6 Расчет количества ТО на 1 автомобиль за цикл

Количество ТО-2 находится по формуле:

N2 = Lкр/L2-Nк, [1, стр. 136]

Где Lкр - значение пробега до КР;

L2 - нормативная периодичность ТО-2;

Nк - количество КР за цикл;

Lкр = 216000 км; L2 = 9000 км; Nк = 1;

N2 = 216000/9000-1 = 23

Количество ТО-1 находится по формуле:

N1 = Lкр/L1-Nк-N2, [1, стр. 136]

Где Lкр - значение пробега до КР;

L1 - нормативная периодичность ТО-1;

Nк - количество КР за цикл;

N2 - количество ТО-2 на 1 автомобиль;

Lкр = 216000 км; L1 = 3000 км; Nк = 1; N2 = 23;

N1 = 216000/3000-1-23 = 48

Количество ЕО находится по формуле:

Nео = Lкр/Lсс, [1, стр. 137]

Где Lкр - значение пробега до КР;

Lсс - среднесуточный пробег автомобиля;

Lкр = 216000 км; Lсс = 200 км;

Nео = 216000/200 = 1080

2.1.7 Коэффициент технической готовности

Коэффициент технической готовности по каждому автомобилю на предприятии определяется по цикловому пробегу:

αт = Дэ/(Дэ + Дто и тр + Дкр), [1, стр.137]

где Дэ - дни эксплуатации за цикловой пробег:

Дэ = Lкр/ lсс ,дн [1, стр.137]

Где Lкр = 216000 км; lсс = 200 км

Дэ = 216000/200 = 1080 дн

Дто и тр - дни простоя в ТО и ТР за цикловой пробег:

Дто и тр = Lкр * dто и тр /1000, дн [1, стр.137]

Где dто и тр = 0,5 - скорректированная норма дней простоя в ТО и ремонте

Дто и тр = 216000*0,5/1000 = 108 дн

дни простоя в КР:

Дкр = dкр + dтранс , дн [1, стр.138]

Где dкр = 22 дн - исходный норматив

dтранс = 0,15* d кр,дн - дни транспортировки [1, стр.138]

dтранс = 0,15*22 = 4 дн

Дкр = 22 + 4 = 26 дн

αт = 1080 /(1080 + 108 + 26) = 0,89

2.1.8 Коэффициент использования автомобилей

Определяется по формуле:

αи = Дрг*Ки* αт /365 [1, стр.138]

где Дрг - количество рабочих дней в году

αт - коэффициент технической готовности

Ки = 0,95 - коэффициент системы использования технически исправных автомобилей по организационным причинам

αи = 253*0,95*0,89 / 365 = 0,59

2.1.9 Годовой пробег

Определяется по формуле:

∑Lг = 365*Аи*lсс*αи , км [1, стр.140]

Где Аи = 135 - списочное количество автомобилей АТП, штсс = 200 км - среднесуточный пробег

αи - коэффициент использования автомобилей

∑Lг = 365*135*200*0,59 = 5814450 км

Коэффициент перехода от цикла к году находим по формуле:

hг = Lг/Lкр, [1, стр. 140]

Где Lг = ∑Lг/ Аи - годовой пробег автомобиля;

Lкр - значение пробега до КР;

Lг = 5814450/135 = 43070 км; Lкр = 216000 км;

hг = 43070/216000 = 0,2

Годовая производственная программа определяется по формуле:

Nг = åLг/L2; [1, стр. 147]

г = 5814450/9000 = 646

Сменная программа рассчитывается по формуле:

см = Nг/Дрг * Сcм * hг [1, стр. 147]

Сcм = 1 односменный режим работы;

Nсм = 646/253*1*0,2 = 12,76 (принимаем Nсм = 13)

2.1.10 Общая годовая трудоемкость ТР

Годовой объём работ (время, которое нужно затратить производственным рабочим для выполнения годовой производственной программы) представляет собой годовую трудоёмкость ремонта изделий в человеко-часах и рассчитывается по формуле:

∑Ттр = tтр*∑Lг/1000, чел-ч [1, стр.140]

Где tтр = 9,0 чел-ч - скорректированная удельная трудоемкость

∑Lг - годовой пробег

∑Ттр = 9,0*5814450/1000 = 52330,05 чел-ч

2.1.11 Годовая трудоемкость работ по топливному участку

Годовая трудоёмкость работ по техническому обслуживанию и сопутствующему техническому ремонту автомобилей в моторном участке рассчитывается по формуле:

Тцех = ∑Ттр*Сцех.р/100, чел/ч [1, стр.142]

Где ∑Ттр - общая годовая трудоемкость ТР

Сцех.р = 18

Тцех = 52330,05*18/100 = 9419,4 чел/ч

.2 Расчет численности производственных рабочих

Распределение трудоемкости на агрегатном участке - это 18 % работ от трудоемкости ТР. Количество исполнителей технологически необходимых и фактически являющихся на работу на агрегатный участок рассчитывается по формуле:

Рт = Тцех /Фм , чел [1, стр.158]

Где Тцех - годовая трудоемкость

Фм = 2070 - годовой фонд времени

Рт = 9419,4/2070 = 4,6 чел (принимаем 5 человек)

Таблица 3 - Распределение исполнителей агрегатного цеха по специальностям

Виды работ

Распределение трудоемкости, %

Количество исполнителей



расчетное

принятое

По ремонту агрегатов

56

2,8

3

Слесарно-механические

44

2,2

2


2.3 Подбор технологического оборудования

Таблица 4 - Перечень технологического оборудования

Наименование

Кол-во

Габаритные размеры, м

Площадь

Примечание

1

Ларь для использованной ветоши

1

0,44X0,32

0,14


2

Ларь для чистой ветоши

1

0,44X0,32

0,14


3

Раковина (умывальник)

1

0,5X0,4

0,2


4

Шкаф сушильный для деталей

1

0,7X0,5

0,35

1,8кВт

5

Ванна для чистки и мойки деталей и сборочных единиц

1

0,9X0,8

0,72


6

Стеллаж секционный полочный для деталей

2

1,5X0,56

1,68


7

Стенд для проверки топливной аппаратуры

1

0,65X0,45

0,29

КИ-921М

8

Ларь для отходов

1

0,44X0,32

0,14


9

Верстак слесарный с тисами

1

1,6X0,8

1,28


10

Тумбочка инструментальная

2

0,8X0,6

0,96


11

Стенд для замера давления в системе

1

1,0X1,07

1,07

КИ-4801

12

Пожарный щит и ящик с песком

1

0,6X0,4

0,24


13

Стол монтажный металлический

1

1,5X0,8

1,2


14

Стенд для проверки плунжерных пар

1

0,6X0,75

0,45

КИ-16301А

15

Стенд для испытания форсунок

1

0,55Х0,41

0,22

КИ-3332А

16

Стенд для разборки и сборки ТНВД

1

0,55Х 0,48

0,26

СО-1606А

17

Прибор для замера активного хода плунжера

1

0,55X0,45

0,25

КИ-3396

18

Прибор для проверки гидравлической плотности нагнетательных клапанов

1

0,55Х0,45

0,25

КИ-1086

19

Шкаф для приборов и инструментов

1

1,2Х 0,5

0,6



Итого



10,44



2.4 Расчет производственных площадей

Площадь участка определяется по формуле:

Fуч = fo*Кn, [1, стр. 167]

Где Кn - коэффициент плотности расстановки оборудования учитывающих наличие проходов и проездов, для топливного цеха равен 4;

fo - площадь оборудования, м.кв.;

Fуч = 10,44 * 4 = 41,76 мкв.

Принимаем площадь топливного участка 42 мкв, у которого ширина 6 м, а длина 7 м.

3. РАСЧЕТ ТЕХНИКО - ЭКОНОМИЧЕСКИХ ПОКАЗАТЕЛЕЙ РАЗРАБОТАННОЙ СИСТЕМЫ ТОПЛИВОПОДАЧИ

Главным техническим показателем является снижение расхода дизельного топлива, благодаря снижению удельного расхода топлива из - за оптимизации процесса смесеобразования и запаса подачи топлива. Для существующих дизельных двигателей, оснащенных системой питания Common - Rail достигнуто снижение расхода топлива на 20%, что является главным преимуществом новой системы топливоподачи /25/. Для расчета экономических показателей принимаем значение экономии топлива 15%.

3.1 Расчет себестоимости аккумуляторной системы топливоподачи дизеля

Затраты на изготовление насоса и аккумулятора рассчитываем по формуле /11/.

Сц=Ск+Сод+Спд+Ссб+Соп+Смм, руб;                                      (3.1)

где Ск- стоимость изготовления корпусных деталей, руб;

Сод- затраты на изготовление оригинальных деталей, руб;

Cпд- стоимость покупных деталей, руб;

Ссб- заработная плата рабочих, занятых на сборки конструкций, руб;

Соп- общепроизводственные накладные расходы на изготовление конструкций, руб.

Стоимость корпусных деталей рассчитаем по формуле /11/.

Ск=Qк∙Скд                                                                           (3.2)

где Qк- масса материала, израсходованного на изготовление корпуса, кг;

Скд- стоимость материал, руб/кг;

Qк=1,5 кг; Скд=24 руб/кг (АL)

Ск=1,5∙24=36 руб.

Стоимость изготовления оригинальных деталей рассчитаем по формуле:

од=Спр.н+См;                                                                     (3.3)

где Спр.н- заработная плата рабочих, занятых на изготовлении оригинальных деталей, руб.;

Cм- стоимость материала заготовок, руб.;

Основная заработная плата рабочих рассчитывается по формуле:

Спр= t1∙ C4∙ Кт∙ Кпр, руб.                                                 (3.4)

где t1- средняя продолжительность изготовления детали;

C4- часовая тарифная ставка работ, час/руб;

Кт- коэффициент, учитывающий доплаты к основной заработанной плате;

Кпр- учитывает затраты времени на изготовление формы;

t1-12; С4=20 руб/час; Кт=1,04; Кпр=2,5.

Спр= 3∙16∙1.04∙2,5=156 руб.

Дополнительная заработная плата исчисляется по формуле /11/

Сд= ; руб.                                  (3.5)

Сд= руб.

Отчисления на социальное страхование определяется по формуле:

Ссоц= 0,316(Спр+Сд),руб.                                       (3.6)

Ссоц=0,316(125+12,5)=43,45 руб.

Спр.н=Спр+Сд+Ссоц.

Спр.н=125+12,5+43,45=181 руб.

Стоимость материала заготовок на изготовление оригинальных деталей.

См=Смд∙Qод;                                                             (3.7)

где Смд- стоимость 1кг матерала, руб/кг;

Qод- масса заготовки, кг;

Смд=24 руб/кг для конструкционных сталей

Масса заготовки вала- 2,1кг; аккумулятора 0,31кг; штуцеров гидроаккумулятора- 0,25кг.

Qод=2,1+0,31+0,25=2,66кг

См=2,66∙24=63,8 руб.

Стоимость покупных деталей определим по прайс- листам ООО”Башдизель”, Башсельхозтехники.

Насосная секция- 2x680=1360 руб;

Клапаны электромагнитные- 2x700=1400 руб;

Подшипники качения- 2x100=200 руб;

Уплотнительные элементы на 200 руб;

Втулка шлицевая- 40 руб;

Гайка специальная- 20 руб;

Стопорная шайба- 10 руб;

Фланец- 240 руб;

Крепежный фланец- 60 руб;

Подкачивающий насос в сборе- 420 руб;

Футорки- 30 руб;

Пробка- 10руб;

Крепежные детали на сумму 40 руб;

Трубопроводы высокого давления-200 руб;

Процессор + блок управления- 6000 руб;

Всего на 10230 руб.

Заработная плата рабочих, занятых на сборке насоса и промежуточного гидроаккумулятора определим по формуле /11/

Ссб=C’сб+Сд+Ссоц,                                                           (3.8)

где С’сб- основная заработная плата рабочих на сборке, руб;

Сд- дополнительная заработная плата, руб;

Ссоц- отчисления на социальное страхование, руб;

Основная заработная плата рабочих, занятых на сборке:

С’сб= 24∙16∙1,08=414,7 руб

Дополнительная заработная плата на сборке:

Сдс=0,1∙С’сб=0,1∙414,7=41,7 руб.

Начисление на социальное страхование

Ссоц.с=0,316(414,7+41,7)=144,1 руб.

Затраты на сборку составляет:

Ссб=414,7+41,4+144,1=600,2 руб.

Затраты на дополнительные работы:

Сми=0,1∙Ссб=0,1∙600,2=60 руб.

Общепроизводственные накладные расходы определяем по формуле:

Соп=Спр∙Коп;                                                                     (3.9)

где Спр- основная заработная плата производственных работ, руб.

Коп- процент расходов от основной заработной платы, Коп=0,745.

С’пр=Спр+Ссб+Сми, руб

С’пр=181+600,2+60=841 руб.

Соп=0,745∙841=626,6 руб.

Сизг=36+63,8+10230+841+60+626,6=11016 руб.

Сп=Сизг+Сф,

где Сф- стоимость форсунок,

Сф=2x700=1400 руб,

Сп=11016+1400=12416 руб,

Стоимость традиционной системы топливопадачи:

Насос 4УТНМ- 6200 руб,

Форсунки 2x420=840 руб,

Всего стоимость традиционной системы топливоподачи составит 7040 руб.

3.2 Сравнительная экономическая оценка эффективности проекта

Сравнительную экономическую оценку для исходной и разработанной систем произведем по формуле /11/.

Эср=3δ-3н,                                                                                    (3.11)

где 3δ,3н- соответственно эксплуатационные затраты при использовании техники по базовому и новому вариантам.

Определим затраты на эксплуатацию, которые включают: себестоимость ремонта регулировок, стоимости израсходованного топлива.

δ=3δр+ 3δто+ 3δт,

н=3нр+3нто+3нт, 93                                                            (3.12)

где 3δр и 3нр- затраты на ремонт и регулировки систем по базовому и новому вариантам, руб;

δто и 3нт- то же на топливо за период службы трактора, руб;

затраты на ремонт базовой системы топливоподачи рассчитываем за весь период эксплуатации (10 лет) следующим образом:

δр=Ср∙Кр∙Пкр,                                                                    (3.13)

где Ср- стоимость капитального ремонта по прейскуранту ООО “Башдизель”

Cр=1700 руб;

Кр- коэффициент охвата ремонтом остальных узлов системы топливоподачи,

Кр=1,5

Пкр- число капитальных ремонтов за период эксплуатации трактора, Пкр=3;

δр=1700∙1,5∙3=7650 руб.

Затраты на ремонт и регулировку системы аккумуляторной рассчитываем по нормативной трудоемкости по замене узлов и стоимости замененных за весь период эксплуатации узлов. Исходим из следующих соображений о периодичности замены узлов и деталей:

подшипники 2раза 2x200=400 руб;

помпа в сборе 1 раз;

электромагнитные клапаны 1 раз 2x700=1400 руб;

уплотнительные элементы 3 раза 3x240=720 руб;

крепежные изделия 1 раз 40 руб;

форсунки 1 раз 1x700=700 руб;

трубопроводы 1 раз 1x200=200 руб.

Всего запчастей: на 4630 руб;

нр=(С3п+Сpm)∙Кт∙ Пр,

где С3п- стоимость запасных частей, руб;

Сpmоплата труда рабочих, занятых на ремонте, руб;

Сpm= C’pm Cдоп +Ссоц

где С’pm- продолжительность ремонта 1 топливоподающей системы, принимаем Тpm =18ч;

С4- часовая тарифная ставка, С4=16 ч;

Кт=1,08

С’pm= 18∙16∙1,08= 311 руб;

Дополнительная заработная плата составит:

Сд=0,1∙С’pm=0,1∙311=31,1 руб;

Ссоц=0,316(311+31,1)=108 руб;

нр=(4630+450∙3)∙1,5=897 руб.

Затраты на топливо определим исходя из годовой нагрузки эталонных тракторов и среднему расходу топлива на 1 эталонный гектар.

δт =

где Wэ- годовая нагрузка эталонного трактора, га.у.п;

Wэ=1413 га.у.п.;

Qэт.ср- среднийрасход топлива на 1 га.у.п; принимаем Qср= 8,6 кг/га.у.п=10л/га.у.п;

Кп- коэффициент учета экономии топлива, новой системы топливоподачи, η=1,15;

Ст- стоимость 1л. дизельного топлива, Ст=25 руб/л.;

δт=руб;

δт=руб;

δ=5400+242228,5=247628,5 руб;

н =4630+210633,5=215263,5 руб;

Эср=247628,5- 215263,5=32365 руб;

Годовой экономический эффект:

Эпср=0,25∙Эср=0,25∙32365=8031,25 руб/год;

Срок окупаемости:

Т=Сн/Эпср=12416/8091=1,5 года.

Себестоимость разработанной системы топливоподачи составило 12416 рублей, эксплуатационные затраты 8971 рублей, затраты на топливо 210633 рублей, годовой экономический эффект 8091 рублей, срок окупаемости 1,5 года.

 

4. БЕЗОПАСНОСТЬ И ЭКОЛОГИЧНОСТЬ ПРОЕКТА

 

4.1 Обеспечение условий и безопасности труда на производстве


По мере становления и развития производства забота о безопасности труда стала необходимой частью социального и экономического развития общества.

Улучшение условий труда во всех отраслях связано с научной организацией труда, соответствующей подготовкой кадров, рациональным расходованием выделяемых на профилактику травматизма ассигнований, разработкой и внедрением в производство комплекса мероприятий организационно гигиенического и социально- экономического характера.

Охрана труда- обязательный и важный элемент организации производства. Организация работ по охране труда осуществляется на основе закона РБ «Об охране труда», Трудового кодекса РБ.

Администрация БГАУ в деятельности по охране труда (ОТ) руководствуется законодательными и нормативными актами, приказами и распоряжениями вышестоящих органов.

Приказом по университету ежегодно назначается из числа должностных лиц ответственные за состояние и организацию работ по охране труда. Главный специалист по охране труда проводит вводные инструктажи по технике безопасности, разрабатывает меры для предупреждения несчастных случаев, координирует деятельность структурных подразделений по вопросам охраны труда, организации контроля за работой по созданию здоровых и безопасных условий труда.

Руководители подразделений служб проводят инструктаж по технике безопасности на рабочем месте и реализуют мероприятия по охране труда.

В БГАУ по штату имеется главный специалист по охране труда в целях улучшения организационной и практической работы по предупреждению травматизма. Продолжительность рабочего времени в БГАУ для профессрско преподавательского состава составляет 36 часов в неделю, для рабочих 40 часов в неделю, с применением ежегодных отпусков не менее 28 календарных дней. На работе с вредными условиями труда работникам выдается бесплатное по установленным нормам молоко или равноценные пищевые продукты. На работах с особо вредными условиями труда предоставляется бесплатно лечебно- профилактическое питание. Ежегодно рабочие, студенты и профессорско-преподавательский состав проходят медицинский осмотр, согласно приказу министерства здравоохранения РФ.

Для справки: численность студентов- 5119 человек, профессорско-преподавательский состав- 600 человек, рабочих и служащих- 700 человек.

В настоящее время проводится большая и полезная работа по улучшению условий труда и быта работников.

На всех подразделениях имеются аптечки первой помощи, огнетушители, на корпусах установлены молниеотводы, а электрооборудование имеет защитное заземление. Несмотря на непростое финансовое положение для совершенствования мероприятий по охране труда ежегодно выделяется более 25000 рублей.

Рассмотрим динамику травматизма за последние 3 года в БГАУ.

Таблица 4.1 Показатели производственного травматизма и заболеваемости сотрудников БГАУ

Показатели

Годы


2012

2013

2014

Среднесписочное количество рабочих за год, Р

1470

1470

1424

Число травмированных работников с потерей трудоспособности, Т Число дней временной нетрудоспособности за год

0 0

1 88

0 0

Показатели травматизма: частота Кч = 1000 .Т/Р тяжести Кт = Д/Т потерь Ко = 1000 . Д/Т

0 0 0

68 88 59

0 0 0

Анализируя показатели за последние 2 года можно увидеть, что показатель травматизма в 2004 году снизился по сравнению с 2003 годом, как и показатели тяжести и потерь за то же время увеличились. В целом показатели травматизма университета намного меньше чем по РБ. Причинами травматизма, как правило, являются неисправности машин и оборудования, нарушение технологического режима, а также недостаточная обученность обслуживающего персонала безопасным приемам труда.

Для снижения показателей травматизма необходимо разработать и выполнять следующие мероприятия:

улучшить пропаганду по ОТ;

организовать обучение рабочих по ОТ;

лиц, моложе 17 лет допускать к работе лишь с наставником;

проводить медицинские осмотры не реже одного раза в год.

В разделе 1 данной дипломной работы разработан топливный насос высокого давления с гидроаккумулятором для аккумуляторной системы топливоподачи, применительно к дизелю Д-21.

Для правильной эксплуатации разработанной системы топливоподачи дизеля, к её обслуживанию и ремонту следует допускать только специально обученных работников. Нормальная работа разработанной системы топливоподачи в значительной степени зависит от состояния электрооборудования трактора и поэтому при эксплуатации необходимо соблюдать следующие требования эксплуатации:

следить за состоянием аккумуляторных батарей, правильно обслуживать и не допускать их повреждения;

не допускать замыкания в электрической схеме системы топливоподачи;

не допускать запуск двигателя буксированием трактора, при отсутствии аккумуляторных батарей;

Кроме того, необходимо при каждом еженедельном обслуживании производить осмотр трубопроводов высокого и низкого давления, подтекания топлива не допускается.

Перед первым запуском двигателя необходимо произвести прокачку и заполнение системы питания топливом, что достигается прокручиванием двигателя стартером 0,8…1,2 минуты.

Причинами возможных несчастных случаев при эксплуатации разработанной системы топливоподачи может стать превышение давления в гидроаккумуляторе выше допустимого и привести к их разрыву. Поэтому при установке на трактор аккумулятор должен иметь защитный кожух выполненный из листового металла.

Наиболее ответственные детали системы топливоподачи рассчитаны на прочность, которые приведены в разделе 1 дипломного проекта.

Искусственное освещение может быть общим и комбинированным, когда кроме общего освещения, устраивается освещение рабочего места. Внутри производственных помещений нельзя применять одно местное освещение.

При устройстве освещения, кроме рабочего, необходимо предусматривать аварийное освещение.

В производственных помещениях общее освещение, как правило, следует выполнять газоразрядными лампами. Освещенность, создаваемая светильниками общего освещения, при комбинированном освещении должна составлять 10% т норм, но не менее 150 лк при газоразрядных лампах и не менее 50 лк при лампах накаливания.

Для производственных помещений в проходах и местах, где работы постоянно не проводятся, освещенность должна составлять 25% от общей освещенность этих помещений, но не менее 50 лк при газоразрядных, и не менее 30 лк при лампах накаливания.

При расчете искусственного освещения могут применяться разные методы. Наиболее распространенным и простым методом является метод светового потока.

По этому методу необходимый световой поток лампы в лм. Рассчитаем количество ламп для искусственного освещения лаборатории. Воспользуемся формулой для определения светового потока:

                                                   (4.1)

Где Фл- мощность светового потока лампы, Пинимаем Фл=3000 kv (таблица 13.6 / 21/ для лампы типа ЛБ 40);

k - коэффициент запаса, к=1,5;

Sn - площадь пола помещения, м2 Sn =60 м2 ;

Emin - минимальная освещённость по норме, лк Emin =200 лк;

Sn - площадь пола освещаемого помещения, м2;

z - коэффициент неравномерности освещенности z=0,55…0,99;

nс - число светильников в помещении;

ηc- коэффициент использования светового потока ηc=0,9.

Из формулы (4.1) находим необходимое число светильников в помещении nс:

                                                  (5.2)

отсюда

Для искусственного освещения лаборатории принимаем 8 ламп типа ЛБ 40.

 

4.2 Мероприятия по охране окружающей природы


Охрана природы является глобальной проблемой современного этапа развития общества. Вопрос о бережном отношении к земле, её недрам, озёрам, рекам, растительному и животному миру остается самым крупным вопросом на сегодняшний день. Всвязи с подъемом производственной деятельности и других форм вторжения человека в природу, идет массированное загрязнение воздушного и водного пространства. В атмосфере накапливаются вредные различные соединения, на обширных территориях скопилось большое количество отходов и выбросов.

Атмосферный воздух содержит некоторое количество примесей, поступающих от естественных и антропогенных источников. К числу примесей, выделяемых естественными источниками относится пыль, туман, дым и газ от лесных и степных пожаров, газы вулканического происхождения, различные продукты растительного и животного происхождения и др.

Основное антропогенное загрязнение создают автотранспорт, теплоэнергетика и ряд отраслей промышленности.

Основные направления работ по охране окружающей природы в БГАУ состоят в следующем:

разработка и применение малоотходны процессов в производстве продукции;

рациональное использование материальны ресурсов;

разработка и выпуск совершенного оборудования;

снижение удельных норм потребления сырья;

применение современных методов утилизации сельскохозяйственных отходов;

развитие природоохранного просвещения, пропаганда передового опыта предприятий, подготовка специалистов по охране природы;

предупреждение распространения инфекционных заболеваний и организация санитарных мероприятий;

вывоз навоза на поля;

проведение мероприятий по защите лесонасаждений и полей, а также сельскохозяйственных животных.

 

4.3 Защита населения и материальных ценностей в чрезвычайных ситуациях (ЧС)


ЧС- это нарушение нормальных условий жизни и деятельности людей на объекте или определенной территории, вызванное аварией, катастрофой, стихийными и экологическими бедствиями, эпидемией, приведшие или могущие привести к людским и материальным потерям /14/.

Краткая оценка возможной обстановки на территории БГАУ при возникновении ЧС, стихийных бедствий, аварий и катастроф (СБАК). Университет расположен на территории Советского района города Уфы. Общая площадь территории 10,95 га. Возникновение крупных аварий и катастроф в расположении БГАУ, в связи с характером деятельности, маловероятно. Наиболее опасными объектами, могущими оказать влияние на нормальную деятельность университета, являются:

автозаправочная станция на расстоянии 100м;

ПОО «Химпром» от университета находится на расстоянии 18 км, где ежесуточное потребление хлора составляет 250…300 т;

«Уфамолзавод», на расстоянии 1,2 км, где ежесуточные потребности составляют примерно 27 т.

Человеческая жизнь постоянно подвергается случайным опасностям и стихийным бедствиям. Для того чтобы с наименьшими потерями перенести ситуацию необходимо своевременно подготовиться к ним. Для нормального функционирования объекта гражданской обороны (ГО) БГАУ при ЧС предусмотрено проведение следующих мероприятий:

имеется план мобилизации служб при ЧС;

разработана система оповещения и связи (в рабочее и нерабочее время);

имеется схема эвакуации на случай возникновения ЧС, определена местность эвакуации (Миякинский район).

Приказом ректора созданы гражданские организации ГО:

спасательная группа состоит 1 из 55 человек факультета механизации с.-х

санитарная дружина-1 из 24 человека факультета ветеринарной медицины (укомплектована медицинским имуществом);

группа охраны общественного порядка- 1 из 16 человек факультета механизации сельского хозяйства;

звено радиационной химической защиты- 1 из 3 человек факультета технологии производства и переработки продуктов животноводства;

звено связи- 1 из 3 человек;

пункт выдачи средств индивидуальной защиты СИЗ- 1 из 22 человек факультета земледелия и лесного хозяйства;

сборно-эвакуационные пункты (С-219, С-220) (кафедра безопасности жизнедеятельности.

На силы ГО возложены задачи:

проведение спасательных работ;

подготовка сотрудников и студентов в области защиты от ЧС мирного и военного времени;

обеспечение безопасности студентов, сотрудников членов их семей в ЧС;

повышение устойчивости работы объекта в ЧС.

На складе ГО на хранение заложены следующее имущество ГО: противогазы ГП-5, респираторы Р-2, костюмы Л-1, санитарные сумки, санитарные носилки. Остальные средства индивидуальной защиты находятся на складах XP (населенного пункта Чишмы, Кушнаренково).

Необходимая документация отработана, соответствующая информация имеется в справочных данных управления ГО и ЧС советского района, Госкомнауки РБ.

ВЫВОДЫ

Вследствие использования в производстве и в сельском хозяйстве тракторов, комбайнов и другой техники происходит загрязнение окружающей среды вредными выбросами отработавших газов дизельных двигателей.

Вредные выбросы автотракторных двигателей сокращают урожайность (до 25%) им снижают качество сельскохозяйственных культур, особенно в придорожной зоне. Приводят к серьезным заболеваниям сельскохозяйственных животных. Поэтому наряду с улучшениями экономических показателей двигателей внутреннего сгорания снижение токсичности их отработавших газов становится важнейшей проблемой.

Применение разработанной системы топливоподачи на автотракторных дизелях позволит сократить расход топлива (до 20%), уменьшить дымность и токсичность отработавших газов, что позволяет сократить выброс вредных веществ в атмосферу.

БИБЛИОГРАФИЧЕСКИЙ СПИСОК

1.       Авиационные электрические аппараты и механизмы /под ред. Д.Н.Сапиро,Оборонгиз, 1962- 325 с.

2.      Башиков А.Г и др. Охрана природы- М.: Агропромиздат, 1985- 143 с.

.        Беспрецизионные клапанные форсунки быстроходных дизелей. /В.Е. Горбаневский и др.- К.: Вища шк., 1987- 142 с.

.        Гафаров Р.Х., Шарафутдинов Р.Г., Ризванов Р.Г. Краткий справочник инженера- механика. Основные формулы и справочные расчета на прочность.- Уфа, Издательство УГНТУ, 1995-78 с.

.        Двигатели внутреннего сгорания, системы поршневых и комбинированных двигателей.- М.: Машиностроение, 1985- 127 с.

.        Иванов М.Н. Детали машин:- М.: Высшая школа 1984- 260 с.

.        Конституция РБ, 1995г.

.        Кушниренко К.Ф. Краткий справочник по техническим средствам и складам. М.: Военное издат.,1968г.

.        Марков В.А., Баширов Р.М., Габитов И.И., Кислов В.Г. Таксичность отработавших газов дизелей.- Уфа: Издательство БГАУ, 2000- 144с.

.        Методика определения экономической эффективности технологий сельскохозяйственной техники. Часть 1- М.: Машиностроение 1998- 150с.

.        Методика определения экономической эффективности технологий и сельскохозяйственной техники. Нормативно- справочный материал.

.        Никиферов А.Н. Топливные материалы: потребление и экономия.- М.: Россельхозиздат, 1981- 18с.

.        Николаенко А.В. Теория, конструкция и расчет автотракторных двигателей.- М.: Колос, 1984- 335с.

.        Осипов П.Е. Гидравлика, гидравлические машины и гидропривод.-М.: Металлургическая промышленность 1981- 137с.

.        Охрана труда.- М.: Колос, 1977-184с.

.        Орлов П.И. Основы конструирования- М.: Машиностроение, 1988- 360с.

.        Савиг Е.Л. Топливная аппаратура легковых автомобилей.-М.: РА ”Автостиль”, 1997г.

.        Системы топливоподачи автомобильных и тракторных двигателей.- М.: Машиностроение, 1976- 245с.

.        Скоростные характеристики топливоподающих систем тракторных двигателей. Ульяновский СХИ, 1976г.- 121с.

.        Справочное руководство по черчению. Маленик И.Ф. и др.- М.: Машиностроение, 1983г.-864с.

.        Технология металлов. Кнорзов Б.В. и др.- М.: Металлургия, 1976г.- 347с.

.        Технический уровень ДВС №7, 1993г.

.        Технический уровень ДВС №9, 1994г.

.        Технический уровень ДВС №12, 1994г.

.        Технический уровень ДВС №10, 1996г.

.        Фанлейб. Топливная аппаратура автотракторных дизелей.- М.: Машиностроение, 1974г.-364с.

.        Авторское свидетельство 1592660 (СССР). Система топливоподачи дизеля. Харьковский институт инженеров железнодорожного транспорта им. С.М.Кирова: Автомобильные изобретения Н.Л.Скурихин, И.К. Колесник, Алексеев В.Г., А.А. Шибаев- Заявл. 01.11.88. №4601765/25-06; Опубл. бюл. №34 15.09.90г.

.        Авторское свидетельство 1671938 (СССР). Топливовпрыскивающая система для двигателей внутреннего сгорания, Московский автомобильно- дорожный институт: Авт. Изобретения А.А. Башкин, С.В. Десятин, В.К Дутилов- Заявл. 04.07.88. №4454152/06; опубл.бюл. №31.23.08.51.

.        Авторское свидетельство 2059865 (РФ). Топливная система для дизеля, Воронежский лесотехнический институт: Авт. изобретения Корожохин Ю.М., А.Н.Филин- Заявл. 16.06.87 №42633624/25-06; опубл. 23.02.89 бюл. №7.

.        Авторское свидетельство 1592562 (СССР) система топливоподачи для дизеля. Производственное объединение “Алтайский моторный завод” Авт. изобретения Г.С. Шаталов, П.А. Антонов- Заявл. 13.09.88. №4423324/25-06, опубл. бюл. №34 15.09.90г.

.        Патент РФ №2059865. Топливная система для дизеля. Московский государственный автомобильно дорожный институт. Авт. изобретения Л.Н.Голубков,Г.Д.Масляный, А.С.Хагиян, С.В.Ястремсий- заявл. 22.09.93г. №93045195/06, опубл. бюл. №13 10.05.96г.

Похожие работы на - Проектирование участка по техническому обслуживанию и ремонту топливной аппаратуры на АТП

 

Не нашли материал для своей работы?
Поможем написать уникальную работу
Без плагиата!
Без нейросетей!