Проектирование системы охлаждения судовой дизельной установки
Принятые сокращения:
БМРТ - большой морозильный рыболовный траулер;
ВД - вспомогательный двигатель;
ВОУ - водоопреснительная установка;
ВПГ - вспомогательный парогенератор;
ВРШ - винт регулируемого шага;
ГД - главный двигатель;
ДВС - двигатель внутреннего сгорания;
ДГ - дизель-генератор;
ДУ - дизельная установка;
МКО - машинно-котельное отделение;
МОД - малооборотный двигатель;
СОД - среднеоборотный двигатель;
СЭС - судовая электростанция;
ЭУ - энергетическая установка;
В данном дипломном проекте разработаны следующие
вопросы:
расчёт ходкости
выбор типа СЭУ и марки ГД
расчёт валопровода
расчёт систем СЭУ
выбор вспомогательного оборудования
конструктивный узел
расчёт энергетических запасов
технологическая часть
технико-экономическое обоснование
экологическая часть
Введение
В отличие от судов
коммерческого флота, которые только транспортируют груз, промысловые суда
представляют собой плавучие промышленные предприятия, выпускающие не только
полуфабрикат, но и широкий ассортимент готовой рыбопродукции. Это обстоятельство,
а также специфические условия промысловой работы в море накладывают
своеобразный отпечаток на архитектурные решения промысловых судов, которые
отличаются большим разнообразием. Обилие архитектурных форм и конструктивных
решений промысловых судов обусловливается многообразием орудий лова и
промысловых схем, применяемых в настоящее время, степенью переработки улова на
борту и целым рядом других факторов. Однако, несмотря на разнообразие
архитектурных форм промысловых судов различных типов, у них имеется и много
общего.
Для всех промысловых судов
характерно наличие на открытых палубах промысловых площадок, необходимых для
работы с орудиями лова и специальных вспомогательных механизмов, обеспечивающих
замет и выборку орудий лова, и подъем улова на борт судна. На борту большинства
промысловых судов имеется специальное технологическое и холодильное
оборудование, предназначенное для обработки улова и длительного его хранения.
Для обслуживания этого оборудования в состав экипажа промысловых судов включены
соответствующие специалисты, вследствие чего численность экипажа промысловых
судов оказывается обычно значительно больше, чем на коммерческих судах такого
же водоизмещения.
Условия работы промысловых
судов в море также имеют много общего. В частности, нагрузки гребных установок
промысловых судов в море изменяются в самых широких пределах в зависимости от
характера выполняемых судном промысловых операций, объектов промысла и
конкретных гидрометеоусловий в районе лова. Причем в режимах работы гребных
установок большинства типов промысловых судов преобладают долевые нагрузки,
вследствие чего теплотехнические показатели работы ССУ в целом за промысловый
рейс оказываются значительно ниже номинальных значений. Непостоянство нагрузок
главных машин промысловых судов в море вызывает колебания нагрузок агрегатов
судовых электростанций и вспомогательных котельных установок. Значительные
колебания нагрузок обусловливаются также периодическим включением тех или иных
промысловых механизмов и технологического оборудования, что в свою очередь
зависит от промысловой схемы, принятой на судне, размеров улова и техники его
переработки.
К особенностям работы
машинно-движительных комплексов промысловых судов относятся также периодические
и перманентные изменения посадки судна в результате его взаимодействия с
орудиями лова, расхода топлива, пресной воды, смазки и т. д. и приема рыбы в
грузовые трюмы. Причем изменение посадки судна определяется не только
количествами израсходованных топлива, пресной воды и т. д. и принятой на борт рыбы,
но и взаимным расположением цистерн запаса и рыбных трюмов. Все эти факторы
оказывают влияние на величину сопротивления воды движению судна и относительной
поступи гребного винта. (У некоторых типов промысловых судов сопротивление воды
их движению возрастает очень заметно при работе с орудиями лова, например у
рыболовных траулеров - при буксировке трала).
Для всех промысловых судов
характерны относительно высокие по сравнению с судами коммерческого флота
такого же водоизмещения мощности судовых электростанций и вспомогательных
котельных установок. Это обусловлено наличием на борту промысловых судов
специальных механизмов и производственно-технологического оборудования и
сравнительно большой численностью экипажа.
В такие тактико-технические
характеристики промысловых судов, как автономность плавания и живучесть,
вкладывается более широкий смысл, чем на коммерческом флоте. Если автономность
плавания коммерческих судов зависит в основном от запасов топлива на борту
судна (а иногда и запасов пресней воды), то автономность плавания промысловых
судов определяется также емкостью рыбных трюмов, запасами тары, соли и т. д.,
т. е. обусловливается большим числом факторов. Даже при наличии на борту судна
топлива и пресной воды, промысловые суда, находящиеся в автономном плавании,
вынуждены прекратить промысел и идти в порт (или к плавбазе), если их рыбные
трюмы заполнены рыбой. Отсюда следует, что на автономность плавания промысловых
судов оказывают влияние не только расстояние от порта приписки до района
промысла, запасы расходных тел на борту судна, суточные расходы топлива,
пресной воды и смазки, но и размеры суточных уловов. Под живучестью
промыслового судна понимается способность выполнять свои функции при возможно
большем числе аварийных состояний. Если коммерческое судно не может быть
использовано по своему назначению только при потере мореходных качеств до
опасного предела, то промысловые суда вынуждены прекращать промысел не только
по указанной выше причине, но и вследствие аварий с промысловыми механизмами, орудиями
лова, рефрижераторными установками, а в ряде случаев и в результате выхода из
строя части агрегатов судовой электростанции.
Несмотря на перечисленные выше
особенности, общие для большинства промысловых судов, архитектурные формы,
промысловое вооружение, условия работы и структура режимов силовых установок,
численность и состав экипажей судов могут существенно, а порой и резко
различаться в зависимости от целого ряда факторов, наиболее важными из которых
являются: тип основных орудий лова, принятая на судне промысловая схема и его
водоизмещение.
По типу орудий лова все
промысловые суда можно подразделить на три основные группы: пелагического лова;
тралового лова; китобойные и зверобойные.
К первой группе промысловых
судов относятся сейнеры, суда дрифтерного лова, тунцеловные и рыболовные суда,
работающие с пелагическим тралом, и прочие промысловые суда, добывающие рыбу в
толще воды.
Вторую группу промысловых судов
составляют различного рода рыболовные траулеры, работающие с донным тралом,
начиная от мелких тралботов и кончая траулерами-фабриками водоизмещением в
несколько тысяч тонн. В эту группу промысловых судов входят также траулеры для
лова креветок и добычи морских водорослей.
Третью группу промысловых судов
составляют сравнительно немногочисленные китобойные и зверобойные суда.
Приведенная выше классификация промысловых судов
является условной, так как их можно классифицировать и по другим признакам.
Однако с точки зрения особенностей работы промысловых судов такая классификация
является наиболее удобной.
В Советском Союзе быстрый рост рыбной
промышленности обеспечивался главным образом за счет интенсивного пополнения
промыслового флота современными, технически хорошо оснащенными и поэтому
высокоэффективными судами, более половины, которых поставляло для рыбаков
отечественное судостроение. После 1976 года начался процесс установления
многими прибрежными странами широких рыболовных зон (до 200 миль). В результате
чего к 1978 году оказались перекрытыми все наиболее продуктивные районы
рыболовства, расположенные над шельфами материков и островов. Вследствие этого
произошло снижение достигнутых выловов рыбы и добычи морепродуктов. Перед
нашими рыбаками и судостроителями встали новые важные задачи: уменьшить ущерб,
нанесенный рыболовству установлением зон, переориентировать флот с наименьшими
дополнительными затратами для работы за пределами 200-мильных зон, освоить
новые объекты лова в срединных, открытых для свободного рыболовства районах
Мирового океана, повысить эффективность работы судов и обеспечить рациональное
использование сырьевых ресурсов в собственных прибрежных районах и внутренних
морях, обеспечить наиболее полную (без отходов) переработку уловов на судах.
Эти задачи не были для наших рыбаков и судостроителей неожиданными. К концу
60-х годов спроектированы основные типы промысловых судов, массовое
строительство которых началось в начале 70-х годов; были построены и испытаны
головные суда типа БМРТ. Для эффективной эксплуатации в прибрежных водах были
спроектированы сейнеры-траулеры МРС-225 и МРС-150. В 1971-1975г.г. была
налажена серийная поставка рыболовных судов типа МРТ. В связи с новыми
задачами, в частности - значительно увеличить добычу рыбы и морепродуктов за
пределами 200 - мильных зон, потребовалось усилить промысловое устройство больших
траулеров, оснастить их более канатоемкими промысловыми лебедками и поисковой
техникой с целью освоения глубоководного лова рыбы. Был пересмотрен состав
оборудования этих судов для переработки глубоководных рыб. Ряд судов был
приспособлен для добычи и переработки антарктического криля - одного из новых
объектов массового лова, из которого были получены ценные пищевые продукты.
Наименьшей модернизации подверглись среднетоннажные суда, работающие с
кошельковыми неводами. На них были установлены более мощные и экономичные
энергетические установки.
Потребность страны в пищевых
продуктах, богатая сырьевая база дальневосточных морей и возможность ее
освоения вызвали необходимость пополнения промыслового флота более
производительными специализированными судами прибрежного и морского
рыболовства. В 50-е годы на флот стали поступать рыболовные сейнеры разных
проектов с мощностью главных двигателей 80 л.с. (РБ - 80). Стали поступать
рыболовные сейнеры с мощностью главных двигателей 300 л.с. (PC
- 300) хабаровской постройки и средние рыболовные траулеры с мощностью главных
двигателей 300 - 400 л.с. (СРТ - 300-400), предназначенные для добычи рыбы
кошельковыми неводами, ярусами и тралами. На этих судах были впервые открыты и
освоены новые промысловые районы добычи рыбы в Охтинском море, у берегов
Камчатки, в Беринговом море и на Курильских островах. С целью повышения
экономической эффективности судов первичную обработку сырья начали производить
непосредственно в море. Флот стал пополняться производственными рефрижераторами
зарубежной (ПР №4, ПР «Первомайск») и отечественной постройки (ПР типа
«Севастополь» и «Таврия»), а также рыбообрабатывающими плавбазами зарубежной
постройки (ПБ типа «Ламут» и «Северодвинск»).
Производственные рефрижераторы
осуществляли прием свежей рыбы, ее заморозку, упаковку в тару и доставку на
берег, а плавбазы производили посол сырья и выработку соленой продукции в
бочках. Для повышения производительности обрабатывающих судов, исключая
непроизводительные переходы, вывоз с промысла вырабатываемой ими продукции,
флот начал пополняться транспортными рефрижераторами. В начале 50-х годов эти
функции выполняли суда зарубежной постройки типа «Ангара», «Кустанай», «Яна»
грузоподъемностью от 460 до 2050 тонн и скоростью от 11 до 14,5 узла. Во второй
половине 50-х годов флот стал пополняться транспортными рефрижераторами типа
«Амур», «Актюбинск». В связи с освоением отдаленных районов промысла
грузоподъемность и скорость новых транспортных рефрижераторов постоянно
повышалась.
Дальнейшее расширение районов
рыболовства, повышение качества и ассортимента вырабатываемой продукции,
появление новых технических средств вызвали необходимость создания новых типов
судов. С начала 60-х годов промысловый флот стал пополняться малыми рыболовными
сейнерами МРС-225, средними рыболовными траулерами -морозильщиками, а затем и
рефрижераторными разных модификаций типа СРТМ «Маяк», «Слава Керчи», «Ольга»,
СРТР «Саргассы» и др. Эти суда предназначались для лова рыбы бортовыми тралами,
дрифтерными сетями, ярусами, кошельковыми неводами, бортовыми ловушками. На
судах стала вырабатываться малосоленая (пресервы), охлажденная и замороженная
продукция.
-е годы характерны появлением
на флоте принципиально новых больших морозильных траулеров кормового траления.
Они отличались возможностью ведения промысла при повышенном волнении моря,
увеличением производительности труда и эффективности промысла. Некоторые
модификации судов этого типа (БМРТ «Маяковский») обеспечили высокую
эффективность океанического рыболовства с выпуском расширенного ассортимента
рыбной продукции - замороженной рыбы и филе, консервов из печени и икры минтая,
рыбной муки. Поставки на бассейн специализированных консервных плавбаз типа
«Андрей Захаров» и «Кораблестроитель Клопотов» отечественной постройки
обеспечили увеличение производства консервов из краба и рыбы, расширение
ассортимента вырабатываемой продукции.
Увеличение спроса на
малосоленую продукцию (пресервы) потребовало создания новых специализированных
плавбаз. Поэтому наряду с пополнением флота производственными рефрижераторами
типа «Братск» и «Скрыплев» на бассейн поступили плавбазы типа «Спасск»
(японской постройки), осуществлявшие разделку и заморозку улова, выпуск
пресервов, муки, технического жира и полуфабриката медицинского жира. В эти же
годы на флот стали поступать транспортные рефрижераторы типа «Сибирь»
отечественной постройки, типа «Камчатские горы» и «Остров Русский» зарубежной
постройки, обеспечивающие промысловые суда всеми видами снабжения и вывоз
рыбопродукции как с ближних, так и с отдаленных районов рыболовства.
В 70-х годах продолжалось
пополнение флота всеми типами новых судов промыслового флота. В начале этого
периода на флот стали поступать получившие в дальнейшем широкое распространение
траулеры типа «Пулковский Меридиан», а также зверобойно-рыболовные суда типа
«Зверобой» польской постройки. Этот же период характеризуется появлением в
составе обрабатывающего флота специализированных рыбоперерабатывающих плавбаз
типа «Пятидесятилетие СССР» отечественной постройки, предназначенных для приема
рыбы от добывающих судов в удаленных районах промысла, выработки рыбной муки,
мороженой продукции, консервов, технического и полуфабриката медицинского
жиров.
С целью доставки рыбной продукции из наиболее
удаленных районов промысла непосредственно в порты европейской части (без
использования железнодорожного транспорта) были созданы и вошли в состав флота
самые крупные и скоростные транспортные рефрижераторы типа «Охотское Море» (
грузоподъемность 10850 тонн, скорость 17.9 узла). Необходимость одномоментного
вывоза соленой и мороженой рыбопродукции из малоемких холодильников и
многочисленных береговых рыбообрабатывающих предприятий перед закрытием
навигации и завоза на них малых партий рефрижераторных (скоропортящихся)
продовольственных грузов, потребовала строительства малотоннажных транспортных
рефрижераторов.
Вторая половина 70-х годов также характерна
пополнением флота новыми типами судов. Для промысла рыбы в прибрежных водах
поступили малые добывающие суда проектов 1338К и 1338П. Среднетоннажные
добывающие суда пополнились средними морозильными траулерами типа «Василий
Яковенко» с частичной разделкой рыбы и ее последующей заморозкой, а также
Сейнерами - траулерами типа «Надежный».
В состав крупнотоннажного
добывающего флота вошли большие морозильные траулеры типа «Прометей».
С начала 90-х годов наряду с
продолжавшимся поступлением судов старых проектов отечественной постройки (БМРТ
проекта 1288, СРМТ проекта 502 ЭМ, СРТР проекта 503, МРТР проекта 1328)
промысловый флот пополнился новыми высокопромысловыми судами зарубежной
постройки - большими морозильными траулерами типа «Сотрудничество» постройки
Испании, среднетоннажными морозильными траулерами типа «Стеркодер» постройки
Норвегии и «Мыс Корсаков» постройки Германии, выпускающими высококачественную
продукцию повышенного спроса, средними морозильными ярусниками типа «Антиас»
постройки Германии, большими тунцеловными сейнерами типа «Каури» постройки
Испании. Кроме того, поступили единичные суда различных проектов зарубежной
постройки, прошедшие переоборудование для нужд конкретных судовладельцев.
Переход судов из района
промысла к береговым приемным базам отнимает много времени. Поэтому флот стал
пополняться плавучим базами, способными прием и обработку рыбы прямо в местах
промысла. Первым таким судном явилась плавбаза «Кавказ», переоборудованная в
1950 году для этих целей из грузового транспортного судна. В последующие годы
состав обрабатывающих судов пополнился новыми плавбазами.
Качественно новый этап в
развитии рыбной промышленности открыли большие рыболовные траулеры - БМРТ. Это
океанские суда - плавучие рыбозаводы. В отличие от плавбаз БМРТ сами добывают и
сами перерабатывают рыбу в готовую продукцию. Только один БМРТ экипаж, которого
составляет 100 человек, вылавливает и обрабатывает почти 100 тысяч центнеров рыбы
в год. Только за четыре года, в период 1966 - 1970 годов рыбопромысловый флот
пополнился 81 судном, в том числе 14 БМРТ и 32 средними морозильными
рыболовными траулерами. В 1970 году поступили и начали эксплуатироваться
средние рыболовные траулеры морозильщики - СРТМ. Суда СРТМ имеют хорошие
морские качества, обладают неограниченным районом плавания, они позволили
внедрить в технику промысла кошельковые неводы размером 1200x200 м. Были
получены плавбазы «Новая Ладога», «Советское Заполярье», «Юлиан Мархлевский и
другие суда. Эти суда были обеспечены новейшим навигационным, технологическим и
промысловым оборудованием, позволяющим вести успешный лов и обработку рыбы в
любое время года и в различных условиях погоды.
В 1971 году в состав
рыболовецкого флота вошли Плавбаза «Маршал Мерецков», БМРТ «Контайка»,
«Туркуль», «Каренга». В 1972 году поступили БМРТ «Мыс Егорова», «Мыс Сенявина»,
«Мыс Крылова», производственные рефрижераторы «Михаил Янко», «Искона», «Ишим»,
«Виталий Бонивур», «Горнозаводск». В 1973 году поступали плавбаза «Пограничник
Леонов», БМРТ « Мыс Лазарева», ПР «Красногорск», ТР «Печерск», ЗРС «Зверобой» и
многие другие суда.
На примере развития флота рыбной промышленности
можно проследить динамику модернизации судов и переоборудования их под необходимые
нужды.
Описание и основные характеристики большого
морозильного рыболовного траулера типа “Грумант”
морозильный рыболовный котел траулер
Описание судна.
Промыслово-производственные
рефрижераторы типа «Грумант» построены по заказу Советского Союза в городе
Копенгагене, Дания, на судостроительной верфи акционерного общества “Бурмейстер
и Вайн” (B&W).
Год постройки судна - 1964 г.
Судно стальное одновальное
нормальных образований со средней надстройкой и утопленным полубаком. Наклонный
форштевень имеет значительный надрез ниже ватерлинии, корма транцевая (корма
судна, имеющая прямые очертания в плане и вертикальной плоскости) со слипом в
средней части.
Судно построено на класс
Английского Ллойда с подкреплениями на ледовый класс и имеет неограниченный
район плавания. Непотопляемость судна обеспечена при затоплении одного любого
отсека, имеется 7 водонепроницаемых переборок. Судно оборудовано активным
рулем, который приводится в действие погружным электродвигателем трехфазного
тока мощностью 175 л.с. При застопоренном главном двигателе активный руль может
обеспечить судну скорость хода до 4 узлов.
Судно также оборудовано аммиачной
рефрижераторной установкой. Производительность установки достаточна для
замораживания до 50т рыбы за 24 часа, хранения полного груза мороженой рыбы при
температуре -20° С, производства 10 т/сутки чешуйчатого льда, охлаждения
трюмов, провизионных кладовых и кондиционирования воздуха.
Виды выпускаемой продукции технологическим
оборудованием: мороженая продукция, кормовая рыбная мука и технический рыбий
жир.
Назначение судна:
лов рыбы донным и пелагическим тралами;
переработка рыбы на обезглавленную потрошёную;
замораживание целой и разделанной рыбы;
выработка рыбьего жира (из печени);
переработка непищевого прилова и отходов рыбообработки
на кормовую муку;
приём и хранение свежей рыбы и полуфабриката от
добывающих судов;
транспортирование продукции в порт;
Рис. 1. Общий вид судна
Основные характеристики судна:
Длина 91 м;
Ширина 16 м
Высота борта до верхней палубы 8.6 м
Высота борта до главной палубы 11 м
Осадка в грузу 5.52 м
Водоизмещение 5560 т
Грузоподъёмность 1806 т
Автономность плавания 70 суток
Дальность плавания 20000 миль
Экипаж 102 чел.
Орудие лова.
Донный трал представляет собой
мешкообразную сеть, буксируемую по грунту моря на двух стальных тросах,
называемых ваерами, и удерживаемую в раскрытом состоянии при помощи распорных
траловых досок. Необходимое вертикальное раскрытие трала обеспечивается
размещением на нижней подборе трала специальных грузов - бобинцев, а на верхней
его подборе - поплавков, которые называют кухтылями.
Рис. 2. Кормовая схема траления: 1 - трал; 2 -
кухтыли (поплавки); 3 - кабели; 4 - траловые доски; 5 - ваера (стальные тросы);
6 - траловая лебёдка
Промысловый цикл на траловом лове складывается
из трех следующих друг за другом процессов: спуска трала, буксировки его в
течение некоторого времени с определенной (относительно грунта) скоростью и
подъёма трала с уловом на борт и освобождения трала от улова.
Преимущества схемы кормового траления по
сравнению с бортовой схемой траления: вопросы размещения экипажа на судне
решаются удачнее; работа с тралом на палубе становится более безопасной; спуск
и подъём трала осуществляются в любом положение судна относительно ветра, что
позволяет избежать сильной бортовой качки; отпадает необходимость в
многочисленных манёврах при выполнении операций по спуску и подъёму трала, а
мощность, необходимая для буксировки трала, уменьшается на 5 - 7 % в результате
симметричного расположения ваеров относительно диаметральной плоскости судна.
Продолжительность траления колеблется в пределах
0.5 - 3 ч. в зависимости от концентраций рыбы и характера грунта. На задевистых
грунтах и при хорошей концентрации рыбы буксировку трала ограничивают 30 мин, а
на хороших грунтах и при слабой концентрации рыбы её доводят до 3 ч. При
скорости буксировки трала в пределах 3 - 5 узлов сопротивление воды движению
судна очень невелико и мощность, необходимая на режиме траления, определяется в
основном сопротивлением трала и пропульсивным к.п.д. гребного винта.
Расчёт ходкости судна
Ходкостью называется способность судна двигаться
с заданной скоростью при эффективном использовании мощности энергетической
установки. Это мореходное качество в значительной степени определяет
энергетические затраты на движение судна, а следовательно, и его экономические показатели
в процессе эксплуатации.
Для обеспечения хода судна требуется наличие
мощности, подводимой к движетелю. Расчеты мощности, необходимой для обеспечения
заданной скорости судна и являются расчетом ходкости.
Скорость является одним из важнейших факторов,
определяющих экономичность судна.
Исходные данные:
Длина: L
= 91 м;
Ширина: B
= 16 м;
Осадка: T
= 5.52 м;
Водоизмещение: D
= 5560 т;
Расчетная скорость:
= 13.5уз;
= 0.514
= 0.514
13.5 = 6.94
м/с.
I. Расчет
сопротивления движению судна.
Определим величины, необходимые для
расчёта:
V =
=
= 5424 м
;
Коэффициент общей полноты:
Число Фруда:
Т.к
, то величина площади смоченной
поверхности определяется по формуле Семеки для тихоходных судов:
Задаемся пятью значениями чисел
Фруда и сводим расчет в таблицу.
Снимаем с диаграммы
- продольная
полнота для стандартного судна.
Плотность морской воды:
т/м
;
Кинематическая вязкость:
Корреляционный коэффициент
(“надбавка на шероховатость”) принимается в зависимости от длины судна:
- при L
150 м;
Коэффициент сопротивления
выступающих частей принимается в зависимости от длины судна:
- при L
130 м;
Таблица 1
|
№
|
Величина
|
Размерность
|
Численные
значения
|
|
1
|
Fr
|
-
|
0.20
|
0.22
|
0.24
|
0.26
|
0.28
|
|
2
|
-0.810.951.281.82.62
|
|
|
|
|
|
|
|
3
|
-1.0651.061.061.0551.05
|
|
|
|
|
|
|
|
4
|
-1.361.351.281.251.25
|
|
|
|
|
|
|
|
5
|
-1.0231.0241.0251.0261.027
|
|
|
|
|
|
|
|
6
|
-1.01.01.01.01.0
|
|
|
|
|
|
|
|
7
|
по (1)-1.0581.2391.5842.1883.203
|
|
|
|
|
|
|
|
8
|
м/с5.976.577.177.768.36
|
|
|
|
|
|
|
|
9
|
по (3)-3.463.814.154.504.84
|
|
|
|
|
|
|
|
10
|
по
(2)-1.791.771.751.731.72
|
|
|
|
|
|
|
|
11
|
-3.293.463.784.375.37
|
|
|
|
|
|
|
|
12
|
R по (4)
|
кН
|
108
|
138
|
180
|
243
|
347
|
|
13
|
кВт645910129018902900
|
|
|
|
|
|
|
|
14
|
уз11.612.813.915.116.3
|
|
|
|
|
|
|
;
;
;
- значения, снимаемые с диаграммы.
Коэффициент остаточного
сопротивления:
Коэффициент сопротивления трения
эквивалентной пластины определяется по формуле Прандтля - Шлихтинга:
где
Сопротивление движению судна:
По результатам расчётов строим
зависимости
и
.
Рис. 3. Зависимость коэффициента
остаточного сопротивления от числа Фруда
Рис.4. Сопротивление движению судна
в функции от скорости движения
Расчет гребного винта.
. Выбор геометрических характеристик
и определение коэффициентов взаимодействия.
Судно одновинтовое, принимаем число
лопастей
.
Диаметр гребного винта выбирается из
условия
где
- осадка судна.
;
При заданной скорости
=13.5 уз по
рис.2 определяем
В качестве расчётного берем
сопротивление, на 15% превышающее таковое на тихой воде.
Коэффициент попутного потока:
Коэффициент засасывания:
Коэффициенты влияния неравномерности
потока на момент и упор принимаем
Определим минимально допустимое
дисковое отношение:
из условия обеспечения прочности
где
= 0.167 - относительный диаметр
ступицы винта;
- число
лопастей гребного винта;
-
относительная толщина сечения лопасти на радиусе r = 0.6;
m = 1.15 -
коэффициент, учитывающий условия работы винта.
- допускаемые напряжения материала
лопасти. Для углеродистой стали и марганцовистой латуни
Упор винта:
из условия отсутствия вредных
последствий кавитации
где
- статическое давление на оси
гребного винта;
- атмосферное давление;
- заглубление оси винта;
- осадка судна;
- удельный
вес воды;
- число
гребных винтов;
- давление насыщенных паров воды.
Таким образом, более жесткие
требования к дисковому отношению предъявляет условие отсутствия кавитации.
Принимаем ближайшее большее значение дискового отношения
Расчет гребного винта,
обеспечивающего судну заданную скорость
Расчет гребного винта будем
производить с использованием коэффициента задания
.
Данные, закладываемые в расчёт:
T = 220 кН;
- коэффициент влияния корпуса;
- к.п.д. валопровода;
Задаёмся частотой вращения гребного
винта в диапазоне 120-180 об/мин, дальнейшие расчёты ведём в таблице.
Таблица 2
|
№
|
Величина
|
Размерность
|
Численные
значения
|
|
1
|
n
|
об/мин
|
120
|
140
|
160
|
180
|
|
2
|
об/с22.332.663
|
|
|
|
|
|
|
3
|
по
(5)-0.970.90.840.79
|
|
|
|
|
|
|
4
|
-0.590.560.520.49
|
|
|
|
|
|
|
5
|
-0.6190.5880.5460.515
|
|
|
|
|
|
|
6
|
по
(6)м4.283.843.643.42
|
|
|
|
|
|
|
7
|
по
(7)-0.1600.1780.1730.174
|
|
|
|
|
|
|
8
|
-0.650.630.620.60
|
|
|
|
|
|
|
9
|
по
(8)-0.7080.6870.6760.654
|
|
|
|
|
|
|
10
|
по
(9)кВт1840189519301990
|
|
|
|
|
|
J;
- значения
снимаемые с диаграммы соответствующей выбранному
для расчёта гребных винтов.
J -
относительная поступь гребного винта;
- к.п.д. винта в свободной воде.
В строке 5 табл.2 находится
исправленное значение относительной поступи
, где
- поправочный коэффициент, для винта
в ДП,
= 1.05.
Оптимальный диаметр гребного винта:
Пропульсивный коэффициент:
Мощность подводимая к винту:
По результатам расчёта строим график
зависимости
и
(рис.3).
Рис.5. Определение диаметра гребного
винта и необходимой мощности
Из графика зависимости
и
, при
условии
=
= 3.8 м,
снимаем мощность ГД и частоту вращения гребного винта:
; n = 143
об/мин;
Проверочный расчёт:
где,
Максимальная мощность ГД:
Проверочный расчёт диаметра гребного
винта:
Характеристики гребного винта:
Тип ВРШ
Диаметр винта
Число лопастей
Дисковое отношение
Частота вращения n
= 143 об/мин
Выбор типа СЭУ и марки главного двигателя
В качестве типа главного двигателя я выбираю
судовую дизельную энергетическую установку (ДЭУ). Это объясняется высокой
экономичностью этих установок. Они применяются благодаря возможности
использования высоких начальных температур и давлений, а следовательно можно
получить максимальный коэффициент полезного действия (К.П.Д). Эффективный К.П.Д
составляет 46 - 50 %, а иногда превышает 50%. Еще выбор обусловлен стабильной
работой на разных сортах жидкого и газообразного топлива, и возможностью
использования дешевых остаточных высоковязких топлив.
Также надо отметить высокую степень
автоматизации ДЭУ, высокую надежность, обеспечение заданного ресурса или срока
службы, постоянную готовность к эксплуатации.
Судовые ДЭУ имеют широкий диапазон
агрегатных мощностей (8
68.000 кВт),
который позволяет использовать их на судах разного назначения.
Для данного судна неэффективно использовать в
качестве СЭУ ПТУ, т.к. она развивает большую мощность и применяется на
крупнотоннажных судах, а также у таких установок невысокий К.П.Д.
ГТУ применяется на кораблях ВМФ, на судах на
подводных крыльях и воздушной подушке. Но у ГТУ небольшой срок службы и по экономичности
они уступают ДЭУ.
Наиболее рентабельным типом СЭУ для данного
судна является дизельная установка с СОД. Так как она, по сравнению с МОД,
имеет меньшую массу и габариты, особенно по высоте, что очень важно для данного
судна.
Выбираем марку ГД из типоразмерного ряда фирмы MAN
B&W:
Марка L32/40
Число цилиндров
= 5
Мощность цилиндра
= 440 кВт
Мощность двигателя
= 2200 кВт
Наибольшая частота вращения
= 750 об/мин
Удельный расход топлива
= 179 г/кВт
ч
Диаметр цилиндра
= 0.32 м
Ход поршня
= 0.40 м
Ширина двигателя по фундаментной
раме
= 2.88 м
Вертикальный ремонтный габарит
двигателя
= 4.86 м
Длина пятицилиндрового агрегата
= 8.45 м
Масса пятицилиндрового агрегата
= 42.05 т =
42050 кг
Показатели эффективности СЭУ:
Удельный расход топлива - важный показатель,
характеризующий степень теплового совершенства как ГД так и СЭУ в целом и
числено равен количеству топлива, которое надо затратить данной установке чтобы
получить единицу мощности в единицу времени.
Где
- суммарный расход топлива СЭУ на
основном расчётном режиме, [
]
Эффективный коэффициент полезного
действия (К.П.Д) - показывает степень теплового совершенства СЭУ, т.е
физический смысл состоит в том, что он характеризует отношение полезно
получаемой на выходном фланце мощности к топливу, которое затрачивается в
данном двигателе.
Где
- низшая теплота сгорания топлива;
Удельная масса - числено, равна
полной массе установке, приготовленной к действию и отнесённой к мощности.
Где
- масса установки, [кг];
Расчёт валопровода
Валопровод предназначен для передачи
вращающего момента ГД движителю, восприятия осевой силы и передачи её корпусу
судна с целью обеспечения его движения. От надёжной работы валопровода зависит
эффективность и безопасность эксплуатации судна (особенно одновинтового).
Состав валопровода, его длина и
число валовых линий обусловлены: типом, мощностью и расположением ЭУ;
требованиями, предъявляемыми к ЭУ; условиями размещения, обслуживания,
проведения монтажных и ремонтных работ.
В состав валопровода входят
следующие элементы: валы и их соединения, опорные и упорные подшипники,
дейдвудные устройства и переборочные уплотнения, специальные устройства и
механизмы, вспомогательное оборудование.
Рис. 6. Расположение валопровода
Валопровод состоит из гребного
вала 3, на котором крепится гребной винт 1, из промежуточных 6 и проставочного
9 валов. Проставочный вал соединен с упорным валом, который передает
развиваемый гребным винтом упор главному упорному подшипнику 12, жестко
связанному с корпусом судна. Упорный вал составляет одно целое с валом главного
двигателя.
На выходе гребного вала из корпуса судна
расположено дейдвудное устройство 2, которое служит опорой для гребного вала и
имеет уплотнение.
Опорами промежуточных валов являются кормовой 5
и промежуточные 7 опорные подшипники. Опорой проставочного вала при монтаже и
демонтаже валов служит временно устанавливаемый монтажный подшипник 10. Наличие
проставочного вала облегчает операцию прицентровки на станке носового
промежуточного и упорного валов, а также упрощает задачу выполнения
промежуточных валов одинаковой длины в целях унификации их поковок.
В месте прохода валопровода
через поперечную водонепроницаемую переборку установлено переборочное
уплотнение 8.
Для затормаживания валопровода в случае необходимости
выполнения ремонтных работ при буксировке или при дрейфе судна установлен
тормоз 4. Проворачивание валопровода на стоянках производят с помощью
отключаемого валоповоротного устройства 11.
Рис. 7. Схема установки ВРШ: 1 - ВРШ; 2 -
дейдвудное устройство; 3 - букса маслопровода 4 - опорный подшипник
Таблица 3. Исходные данные для расчёта:
|
Наименование
переменной
|
Размерность
|
Численное
значение
|
|
Мощность
ГД
|
кВт
|
2200
|
|
Частота
вращения
|
об/мин
|
750
|
|
Упор
винта
|
кН
|
220
|
|
Длина
судна
|
м
|
91
|
|
Длина
ГД
|
м
|
8.45
|
|
Диаметр
винта
|
м
|
3.86
|
|
Дисковое
отношение винта
|
-
|
0.55
|
|
Временное
сопротивление материала гребного вала
|
МПа
|
500
|
МПа
|
550
|
|
Временное
сопротивление материала соединительных болтов
|
МПа
|
600
|
|
Код
класса ледового усиления
|
-
|
1
|
|
Код
смазки дейдвуда: 1 - масло/2 - вода
|
-
|
2
|
|
Наличие
шпонки: 1 - есть/2 - нет
|
-
|
1
|
|
Число
болтов фланца промежуточного вала
|
-
|
8
|
|
Схема
турбокомпаудной сиситемы 0-2
|
-
|
0
|
|
Наличие
валогенератора 0/1
|
-
|
1
|
|
Схема
валопровода 0, 1 или 2 опоры в дейдвудной трубе
|
-
|
0
|
При изготовлении промежуточных,
упорных и гребных валов из сталей, временное сопротивление должно быть не менее
400 МПа:
Временное сопротивление материала для
промежуточного и упорного валов:
для гребного вала
При эксплуатации рыбопромысловых
судов средства лова вызывают дополнительные нагрузки на гребные валы. Для судов
с кормовым тралением (опирающихся на дейдвудные подшипники с водяной смазкой и
вращающих ВРШ) рассчитывают как для судов с ледовым усилением категории Л1 (не
менее).
Для соединения фланцев валов
применяют плотно пригнанные цилиндрические болты.
Результаты расчёта валопровода
представлены в таблице 4.
Таблица 4
|
Наименование
переменной
|
Размерность
|
Значение
|
|
Диаметр
промежуточного вала
|
м
|
0.25
|
|
Диаметр
гребного вала
|
м
|
0.36
|
|
Диаметр
упорного вала
|
м
|
0.27
|
|
Толщина
облицовки гребного вала
|
м
|
0.017
|
|
Длина
ахтерпика
|
м
|
5.19
|
|
Длина
гребного вала
|
м
|
6.80
|
|
Длина
консоли
|
м
|
0.83
|
|
Суммарная
длина промежуточных валов
|
м
|
6.02
|
|
Длина
промежуточного вала
|
м
|
6.02
|
|
Число
опор валопровода
|
-
|
5.00
|
|
Число
опор промежуточного вала
|
-
|
1.00
|
|
Расстояние
между опор гребного вала
|
м
|
3.57
|
|
Минимально
допустимое расстояние
|
м
|
3.30
|
|
Максимально
допустимое расстояние
|
м
|
8.40
|
|
Расстояние
между опор промежуточного вала
|
м
|
3.01
|
|
Минимально
допустимое расстояние
|
м
|
2.75
|
|
Максимально
допустимое расстояние
|
м
|
7.00
|
|
Толщина
фланца гребного вала
|
м
|
0.09
|
|
Толщина
фланца промежуточного вала
|
м
|
0.05
|
|
Диаметр
соединительных болтов
|
м
|
0.05
|
|
Диаметр
ступицы гребного вала
|
м
|
0.72
|
|
Длина
ступицы гребного вала
|
м
|
0.72
|
|
Масса
гребного вала
|
т
|
4675
|
|
Ремонтный
габарит гребного вала
|
м
|
12.72
|
|
Длина
МКО
|
м
|
13.40
|
Расчёт систем СЭУ
Системой судовой энергетической установки
называют совокупность трубопроводов с механизмами, аппаратами, устройствами и
приборами, предназначенная для выполнения определенных функций в обеспечение
надежной и устойчивой работы энергетической установки.
Судовые энергетические системы объединяют
пропульсивный и вспомогательные энергетические комплексы в единую
энергетическую установку.
Каждая из систем СЭУ представляет сложный
комплекс, включающий большое число элементов, связанных между собой
трубопроводами, общая длина которых на судне измеряется километрами.
В зависимости от типа судна и назначения судовой
энергетической установки СЭС могут иметь различное принципиальное решение.
В СЭУ с ДЭУ необходимо иметь следующие системы:
топливную, масляную, охлаждения, пускового воздуха и газоотвода.
При разработке систем СЭУ необходимо учитывать
следующие требования:
. Надежность (безотказность) и долговечность
системы; способность работы в условиях крена, дифферента и ударных нагрузок;
. Живучесть, т.е. способность системы выполнять
функции при выходе из строя её отдельных элементов;
. Возможно большее использование стандартных и
унифицированных конструктивных элементов СЭС;
. Минимальный объем и массу;
. Технологичность системы;
. Устойчивость применяемых материалов против
коррозии и эрозии;
. Предотвращение загрязнения окружающей среды;
. Возможно низкую первоначальную стоимость;
. Разумную степень автоматизации и рациональное
управление СЭС.
Топливная система
Топливная система предназначена
для приема, хранения, перекачки, очистки, подогрева и подачи топлива к главным
и вспомогательным двигателям внутреннего сгорания и парогенераторам, а также
для передачи его на берег или на другие суда. Топливная система состоит из
цистерн и отсеков для хранения запасов топлива, топливоперекачивающих и
топливоподкачивающих насосов, сепараторов, фильтров и трубопроводов. Все эти
устройства, механизмы и трубопроводы должны обеспечивать:
. Приемку с берега топлива в
отсеки топливохранилища и откачку из них топлива на берег.
2. Перекачивание топлива из одного отсека
хранилища в другой и в расходные цистерны главных и вспомогательных двигателей.
. Подкачивание топлива из расходных цистерн
через подогреватели и фильтры к топливным насосам высокого давления,
установленным на двигателях, сепарирование топлива, подаваемого в расходные
цистерны из междонных отсеков и бортовых отстойных цистерн.
Марка применяемого топлива
Топлива, применяемые в СЭУ, подразделяют на
дистиллятные и тяжёлые. К дистиллятным относят дизельные и газотурбинные
топлива. Тяжёлые топлива являются смесями дистиллятных с остаточными топливами.
Они имеют повышенную вязкость. Топлива делят на четыре группы:
дизельные, относятся к категории лёгких и
отличаются высоким качеством;
моторные, применяются для СОД и МОД, хорошо
приспособленных для этого топлива;
флотские мазуты марок Ф-5 и Ф-12, относятся к
тяжёлым топливам повышенной вязкости и являются основными для МОД и СОД;
котельные мазуты (топочные), относятся к
остаточным топливам.
С целью экономии, в главном двигателе,
представленном в дипломном проекте, используется в качестве основного - топливо
тяжёлых сортов, флотский мазут Ф-5 ГОСТ 10585-99. Технические характеристики
флотского мазута марки Ф-5:
Температура застывания -5
Вязкость кинематическая при температуре
50
36
Общее содержание серы 2%
Содержание механических примесей
0.1%
Содержание воды 1%
Зольность 0.1%
Ф-5 - 5
условной
вязкости при температуре 50
.
Приёмноперекачивающий трубопровод
Трубопровод обеспечивает прием
топлива с берега или с другого судна, выдачу топлива на берег или на другое
судно, размещение топлива по запасным цистернам, подачу топлива в отстойные или
расходные цистерны. На ходовых режимах используют тяжелое топливо с вязкостью
до 700 сСт при 50°С. Для пуска, остановки и для аварийного дизель - генератора
используют легкое топливо марки ДЛ. Переливные и сточные цистерны оборудованы
световой и звуковой сигнализацией по верхнему уровню топлива. В цистерне
основного запаса производится подогрев топлива до 40
50°С, в
отстоянных до 70
80°С, в
расходных до 60°С. Тяжелое топливо подогревают, чтобы его вязкость перед
форсунками дизеля составляла
20сСт, перед форсунками
вспомогательного парогенератора 20
25сСт. Топливоперекачивающий насос
должен иметь хорошие всасывающие свойства и развивать достаточно большое давление.
Подача насоса должна обеспечивать перекачку не менее суточного расхода за время
t =1
2 ч.
Подача топливоперекачивающего
насоса:
где:
- удельный расход топлива, кг/кВтч;
- мощность ГД, кВт;
= 1.18 - коэффициент запаса
производительности, учитывающий снижение объёмного КПД в процессе эксплуатации;
- время заполнения, ч;
- плотность топлива;
В качестве топливоперекачивающего
насоса применяем винтовой насос.
Необходимая мощность привода насоса:
где,
= 0.5 МПа - давление насоса;
= 0.8 - К.П.Д насоса;
= (1.1
1.5) - коэффициент запаса, принимаем
= 1.2;
Расходно топливный трубопровод
По расходно - топливному
трубопроводу осуществляется подача топлива от расходной цистерны к ТНВД и
возврат избытка топлива в деаэрационную цистерну. Для регламентированного
топлива рекомендуется применять высоконапорную расходно-топливную систему,
которая позволяет поддерживать высокое давление в топливоподающей системе с
помощью топливоподкачивающего насоса.
Топливоподкачивающий насос создает
подпор топлива повышающий коэффициент подачи ТНВД. Подача топливоподкачивающего
насоса должна в 1,5
2,5 раза
превышать часовой расход топлива двигателем.
Подача топливоподкачивающего насоса:
В качестве топливоподкачивающего насоса
применяем винтовой насос.
Необходимая мощность привода насоса:
где,
= 0.4 МПа - давление насоса;
= 0.8 - К.П.Д насоса;
= 1.2 - коэффициент запаса мощности;
Цистерны
Объем расходной цистерны
высоковязкого тяжёлого топлива рассчитывается из условий хранения топлива на 20
24 ч работы
ГД на полной мощности:
- коэффициент запаса
Объем расходной цистерны лёгкого
топлива составляет 20% объёма расходной цистерны тяжёлого топлива:
Объём отстойной цистерны:
Объём деаэрационной цистерны должен
быть достаточным для обеспечения работы ГД в течение 30 минут:
Подогреватель топлива
Подогреватель топлива
обеспечивает подогрев топлива для достижения необходимой вязкости перед
непосредственной подачей в цилиндр, чтобы обеспечить надежную работу топливной
аппаратуры и качественное распыление топлива в цилиндре.
Так как излишки топлива уже в подогретом
состоянии сбрасываются в деаэрационную цистерну, то расчет подогревателя ведём
следующим образом:
Часовой расход топлива:
Количество топлива сбрасываемого в
деаэрационную цистерну:
Принимаем температуру топлива в
расходной цистерне
температуру
топлива за подогревателем
где,
- температура смеси в деаэрационной
цистерне, равная температуре перед подогревателем;
- теплоёмкость топлива;
Количество теплоты, подводимое к
топливу для доведения его до температуры, при которой оно будет иметь требуемую
вязкость:
Греющая поверхность подогревателя:
где,
= 1.12 - коэффициент запаса греющей
поверхности;
-
коэффициент теплоотдачи;
- температурный напор;
В качестве теплоносителя
используется насыщенный пар T=180
; P=1МПа;
Требуемое количество греющего пара:
где,
- энтальпия пара при P = 1 МПа;
- энтальпия конденсата при P = 1 МПа;
- к.п.д подогревателя;
Сепараторы
В сепараторах используется
принцип расслоения жидкостей различных плотностей или жидкости и взвешенных в
ней частиц под действием центробежных сил, возникающих при вращении барабана.
Так как отстаивание тяжелого топлива
при t = 50 °С
(большая температура в топливных цистернах не допускается), малоэффективно, то
перед сепаратором устанавливают паровой подогреватель, осуществляющий подогрев
топлива до 80
90 ° С.
В соответствии с Правилами Регистра в топливной
системе необходимо предусмотреть не менее двух саморазгружающихся сепараторов,
которые должны обеспечить очистку как тяжелого, так и легкого топлива. На схеме
для тяжелого топлива предусмотрена возможность параллельного и
последовательного включения сепараторов.
При параллельном включении оба
сепаратора работают в режиме кларификации (отделение мех. примесей) или
пурификации (отделение воды). При последовательном соединении один сепаратор
настроен на пурификацию, другой на кларификацию. Производительность
одновременно работающих сепараторов должна обеспечить сепарацию суточного
расхода тяжелого топлива за время
ч:
Где
- число параллельно работающих
сепараторов;
= 195 кг/ч - расход топлива
вспомогательным парогенератором;
В качестве подкачивающего и
откачивающего насосов сепаратора применяем шестеренный насос.
Мощность, необходимая для
подкачивающего и откачивающего насосов сепаратора, имеющих общий привод с
барабанами центрифуги:
Где
= 0.5 МПа - давление насоса;
= 0.6 - К.П.Д насоса;
= 1.2 - коэффициент запаса мощности;
Цистерны сбора отходов сепарации
имеют объём составляющий 8-12% суточного расхода топлива:
Регулятор вязкости
Регулятор вязкости
устанавливается для поддерживания требуемой вязкости подаваемого в двигатель
тяжелого топлива.
Устройство может иметь ручную или автоматическую
регулировку степени подогрева.
В качестве датчика импульса на исполнительное
устройство, изменяющее степень подогрева топлива, служит дроссельное
устройство.
Масляная система
Предназначена для смазки и
отвода теплоты от трущихся поверхностей двигателя, газораспределительного
механизма, дейдвудных, опорных и упорных подшипников валопроводов, охлаждения
поршней дизеля, а также для приема, хранения, перекачивания, подогрева и
очистки масла. В масляной системе горячее загрязненное масло, вытекающее из пар
трения, очищается от продуктов изнашивания, охлаждается и вновь подается к
узлам трения. Такая система называется циркуляционной.
Схемы распределения масла по узлам трения
различны для каждого двигателя. Основная часть масла поступает к коренным
подшипникам коленчатого вала, а затем сквозь отверстия в вале - к шатунным
подшипникам. От последних через просверленные отверстия в шатуне, масло
подводится к подшипнику верхней головки шатуна и в поршень. Масло под давлением
поступает также к подшипникам распределительного вала и турбокомпрессора, приводу
регулятора частоты вращения, механизму газораспределения. Загрязненное масло из
подшипников стекает в нижнюю часть фундаментной рамы дизеля. Мелкие капли масла
образуют в картере масляный туман, часть которого, оседая на зеркало втулки
цилиндра, смазывает её.
Теплота, отводимая маслом от трущихся
поверхностей:
где, (
) - доля мощности, расходуемая на
преодоление сил трения;
= 0.88 - механический к.п.д для
дизеля с навешанными агрегатами;
= 0.45 - доля теплоты трения,
воспринимаемая и отводимая маслом;
Теплота, отводимая маслом при
охлаждении головок поршней:
где,
= 0.041 - доля от всей подведённой
теплоты в двигатель, отводимая маслом;
= 42700 кДж/кг - низшая теплота
сгорания топлива;
Подача циркуляционного маслонасоса:
где,
= 1.5 - коэффициент запаса подачи;
= 840 кг/
- плотность
масла;
= 2 кДж/кг
-
теплоёмкость масла;
= (65 - 55) = 10
- разность
температур масла на выходе и входе в двигатель;
Принимаем винтовой насос, мощность
необходимая для привода:
где,
= 0.5 МПа - спецификационное
давление насоса;
= 0.8 - К.П.Д насоса;
= 1.2 - коэффициент запаса мощности;
Цистерны
При выборе объёма масла в системе,
определяющей является кратность циркуляции, показывающая, сколько раз в течение
часа масло будет прокачено через объект смазки.
где,
- количество масла в системе,
;
= 25 - кратность циркуляции масла
для СОД;
Необходимое количество масла в
системе:
Учитывая, что масло, сливаемое в
циркуляционную цистерну, нагрето и вспенено, объём цистерны делают на 40 - 50%
больше объёма масла в системе:
Агрегат ГТН
Количество теплоты трения,
отведённое маслом:
где,
= 0.007 - доля теплоты, отведённая
от агрегата ГТН;
Подача маслонасоса ГТН:
где,
= 7
- разность температур масла на
выходе и входе в ГТН;
Количества масла в системе смазки
ГТН:
где, Z = 10 -
кратность циркуляции масла в системе смазки ГТН;
Объём циркуляционной (напорной)
цистерны:
Принимаем шестеренный насос для
смазки ГТН, мощность для привода:
где,
= 0.08 МПа - давление насоса;
= 0.65 - К.П.Д насоса;
Редуктор
Редуктор поставляется в комплекте с
насосом и охладителем масла, насос выполнен навешенным.
Количество теплоты трения,
отведённое маслом:
где,
= 0.35 - доля теплоты,
воспринимаемая и отводимая маслом;
- доля мощности, расходуемая на
преодоление сил трения;
= 0.97 - механический к.п.д редуктора;
Подача маслонасоса редуктора:
где,
= 4
- разность температур масла на
выходе и входе в редуктор;
Принимаем шестеренный насос,
мощность необходимая для привода:
где,
= 0.4 МПа - давление насоса;
= 0.65 - К.П.Д насоса;
Охладители
Охладители применяются в основном
двух типов - кожухотрубные и пластинчатые. В нашем случае применены охладители
кожухотрубного типа.
Поверхность охлаждения охладителя
масла главного двигателя:
где, (
) - суммарное количество теплоты,
отводимое маслом от узлов трения и головок поршней ГД;
- коэффициент теплопередачи от масла
к забортной воде (в кожухотрубных теплообменных аппаратах), принимаем
;
- температурный напор:
где,
- температура масла;
- температура забортной воды;
Сепараторы
В масляной системе тонкая
очистка масла осуществляется центробежными сепараторами, которые непрерывно или
периодически включены в работу.
Сепарацией можно отделить воду и твёрдые частицы
размером 0,003 - 0,005 мм. Производительность сепаратора выбирают из расчёта
возможности пропустить через него за время t
= 1 - 3 ч. всё масло циркуляционной системы:
Принимаем шестеренный насос,
мощность подкачивающего и откачивающего насоса сепаратора:
где,
= 0.5 МПа - давление насоса;
= 0.65 - К.П.Д насоса;
Фильтры
В масляной системе, как и в
топливной, устанавливают защитные фильтры грубой очистки (ФГО) - в начале
приемных магистралей (до насоса) и фильтры тонкой очистки (ФТО) - в нагнетающей
магистрали перед маслоохладителем.
ФГО: назначение - задержать из
масла наиболее крупные частицы загрязнений, способствующие резкому снижению
надежности подшипников, а также создать лучшие условия работы для ФТО.
ФТО: назначение - очищать масло
от основной массы частиц загрязнений, способных вызвать износ деталей или
образовывать на них отложения.
В зависимости от конструкции
фильтрующей перегородки ФГО масла делятся на пластинчато - щелевые, проволочно
- щелевые и сетчатые.
Средняя тонкость отсева ФГО
составляет 0,04 - 0,16 мм.
ФТО делятся на объемные и
поверхностные. Объемные фильтры имеют небольшую поверхность входа загрязненного
масла в толстостенную фильтрующую перегородку из картона, целлюлозной массы,
войлока и другие.
Поверхностные фильтры имеют тонкослойную
фильтрующую перегородку с большой поверхностью входа загрязненного масла.
Номинальная тонкость отсева ФТО составляет 0,003 - 0,06 мм.
Подогреватели
При подготовке к пуску, двигатель прокачивают
горячим маслом, с температурой около 40°С. Масло может подогреваться в
циркуляционных цистернах паровыми или электрическими грелками, либо в
автономном специальном подогревателе. Устройства для подогрева в цистерне и
кожухотрубные подогреватели аналогичны топливным.
Система сжатого воздуха
Система сжатого воздуха
обеспечивает сжатым воздухом необходимого давления, пуск и реверс главного
двигателя, пуск вспомогательных двигателей, работу пневматических систем
автоматики и управления, работу приборов звуковой сигнализации судна (сирены,
тифона), продувку кингстонов, работу пневматического инструмента и другие
общесудовые и специальные нужды. В соответствии с Правилами Регистра на судах
неограниченного района действия устанавливают не менее двух компрессоров, один
из которых имеет автономный привод.
Объем баллонов пускового воздуха рассчитывают
исходя из общего рабочего объема цилиндров главного двигателя.
Рабочий объем цилиндров главного двигателя
составит:
где, D - диаметр
цилиндра, м;
S - ход
поршня, м;
- число цилиндров;
Удельный расход свободного воздуха
на 1
объёма
цилиндров при пуске холодного двигателя составит:
;
Принимаем
Число пусков - реверсов Z
= 12;
Количество свободного воздуха для12
пусков-реверсов:
Суммарный объём баллонов пускового
воздуха:
где,
= 0.1 МПа - атмосферное давление;
= 3.0 МПа - принятое рабочее
давление;
= (1.0
1.2) МПа - минимальное давление
воздуха в баллоне, при котором ещё возможен пуск двигателя;
принимаем
= 1.1 МПа;
Производительность каждого
компрессора должна обеспечивать заполнение баллонов за 1 час:
Система газоотвода
Система служит для отвода в
атмосферу отработавших газов от главных и вспомогательных двигателей, а также
от вспомогательных парогенераторов. В её состав входят газовыпускные
трубопроводы, глушители шума, искрогасители, компенсаторы температурных
расширений и др. элементы. Эта система предназначена для транспортировки газов,
имеющих высокую температуру (150 - 500
), обладающих токсичностью и несущих
несгоревшие частички топлива в виде искр, которые могут вызвать пожар. Это
заставляет предъявлять ряд специальных требований к газовыпускным системам.
Согласно Правилам Регистра, каждый
из перечисленных агрегатов имеет отдельные газоотводные трубопроводы,
выведенные в общую дымовую трубу. Газовыхлопные трубопроводы будут обеспечивать
отвод выхлопных газов в атмосферу автономно для каждого двигателя.
Необходимое сечение газовыпускного трубопровода
определяется в зависимости от секундного расхода газа и скорости его течения:
где,
- скорость течения газов, принимаем
= 45 м/с;
- секундный расход газа,
:
где,
= 2.3 - суммарный коэффициент избытка
воздуха для четырёхтактного дизеля;
= 14.3 кг/кг - теоретически
необходимое количество воздуха для сгорания 1 кг топлива;
- часовой расход топлива ГД;
где,
- допустимое давление газов в
трубопроводе;
- газовая постоянная;
- температура газов;
Необходимое сечение газовыпускного
трубопровода:
Диаметр газовыпускного трубопровода:
Выбор вспомогательного оборудования
Судовая электростанция.
Судовая электростанция (СЭС)
генерирует электроэнергию, необходимую для потребителей, требуемых параметров,
и распределяет её между этими потребителями в соответствии с режимами работы
судна.
На судне имеется много потребителей
электроэнергии. Основным элементами судовой электростанции являются: источники
электроэнергии, распределительные устройства и электрическая сеть.
Правилами Регистра допускается
применение на судах переменного и постоянного однофазного и трёхфазного тока.
Двигатели постоянного тока обладают плавной регулировкой частоты вращения,
надёжным электроторможением, высокой перегрузочной способностью, но у них
низкий К.П.Д, высокая стоимость, большие масса и габариты. Двигатели
переменного тока, вследствие менее сложного устройства, имеют более низкую
стоимость и габариты при более высоком К.П.Д.
Применяем общую судовую сеть
переменного трёхфазного тока напряжением 380 В и частотой 50 Гц. Сеть
хозяйственных потребителей, отопления, основного и аварийного освещения,
радиосвязи, навигации переменного тока напряжением 220 В и частотой 50 Гц. Сеть
переносного освещения переменного тока напряжением 12 В, получаемого в
понижающих трансформаторах, и частотой 50 Гц.
При выборе количества и мощности
генераторов надо руководствоваться следующим:
при отказе любого из генераторов
оставшиеся должны обеспечивать питание всех потребителей, необходимых для
движения и безопасности судна;
загрузка генераторов должна
обеспечивать питание потребителей в каждом из режимов;
общее количество генераторов и
количество их типоразмеров в составе судовой электростанции должно быть по
возможности минимальным.
Режимы работы судовой
электростанции:
) Переход в районы промысла (ходовой
в балласте):
Во время перехода в район промысла
нагрузка СЭС определяется работой постоянных потребителей электроэнергии, к
которым относятся: механизмы и аппараты, обслуживающие СЭУ, системы ВРШ;
рулевая машина; вентиляция и освещение жилых и служебных помещений;
навигационное оборудование и средства связи; К потребителям работающих
периодически относятся: топливо-перекачивающие насосы; компрессоры для
получения сжатого воздуха; электрооборудование камбуза; осушительные
устройства. В конце перехода нагрузка СЭС несколько раз возрастает в связи с
работой грузовых устройств при подготовке промыслового снаряжения и холодильных
компрессоров на охлаждение трюмов - эпизодически работающие потребители. Также
сюда входят: пожарные и водоотливные насосы, стиральные машины.
) Промысел (траление):
Постоянно действующими потребителями
электроэнергии являются: механизмы МО, обслуживающие главный и вспомогательные
двигатели, установку и системы ВРШ, рулевую машину, а также часть оборудования
рефрижераторного отделения, электродвигатели систем вентиляции и освещение.
Переменная продолжительная нагрузка электростанции определяется работой
рыбофабрики, рыбомучной установки, гидравлических насосных станций, привода
промысловых и палубных механизмов и камбуза.
) Переход с промысла в порт (ходовой
с грузом):
Характер постоянных и переменных
нагрузок на СЭС такой же, как при переходе в район промысла (ходовой в
балласте).
Однако общая нагрузка при переходе в
порт несколько выше вследствие работы холодильной машины на поддержание
температуры в трюмах.
4) Стоянка у плавбазы при сдаче
продукции (стоянка с грузовыми операциями):
Отличие этого режима работы СЭС
от других режимов в том, что СЭУ находится в постоянной готовности. Часть
требуемых для движения судна электромеханизмов не работает или работает в
режиме холостого хода.
Источниками переменной нагрузки на СЭС являются
кратковременная работа компрессоров на охлаждение трюмов и работа
гидравлической насосной станции на грузовые лебедки. Эпизодически работают
грузоподъёмные палубные механизмы.
) Стоянка в порту (стоянка без грузовых
операций):
Минимальная нагрузка СЭС - при стоянке в порту.
Кратковременное колебание нагрузок обусловлено периодическими включениями маломощных
потребителей. Основную постоянную нагрузку электростанции составляют сеть
освещения, бытовые приборы, камбузное оборудование, механизмы обеспечивающие
работу котла.
) Аварийный режим:
Аварийный дизель-генератор будет снабжать
электроэнергией сеть аварийного освещения, радиосвязь, средства навигации,
гирокомпас, аварийный привод рулевого устройства, сигнальные огни, пожарную и
аварийную сигнализацию, щит механизмов первичного запуска основных ДГ.
Аварийный дизель-генератор
запускается автоматически при исчезновении напряжения на клеммах ГРЩ. Также
предусмотрена резервная система запуска сжатым воздухом вручную.
Потребная мощность судовой электростанции
Таблица 5
|
№
|
Наименование
потребителей
|
Ходовой
в балласте
|
Промысел
(траление)
|
Ходовой
с грузом
|
Стоянка
с грузовыми операциями
|
Стоянка
без грузовых операций
|
Аварийный
|
|
1
|
Механизмы,
аппараты и устройства ЭУ
|
160
|
140
|
160
|
100
|
75
|
20
|
|
2
|
Средства
судовождения и связи
|
10
|
15
|
10
|
5
|
5
|
5
|
|
3
|
Механизмы
судовых устройств (палубные мех.)
|
50
|
100
|
50
|
70
|
20
|
10
|
|
4
|
Механизмы
судовых систем
|
52
|
90
|
52
|
60
|
32
|
5
|
|
5
|
Промысловое
оборудование
|
20
|
180
|
20
|
-
|
-
|
-
|
|
6
|
Бытовые
потребители и освещение
|
48
|
45
|
48
|
28
|
48
|
20
|
|
7
|
Специальные
потребители
|
10
|
30
|
120
|
17
|
-
|
-
|
|
8
|
Суммарная
потребляемая мощность
|
350
|
600
|
450
|
280
|
180
|
60
|
|
9
|
Количество
и мощность работающих генераторов
|
ВГ
500 кВт
|
2
ДГ 302 кВт
|
ВГ
500 кВт
|
ДГ
302 кВт
|
ДГ
302 кВт
|
ДГ
76 кВт
|
Принимаем дизель-генераторы фирмы MAN из
типоразмерного ряда:
Генератор №1 и №2:
Марка D 2840 LE
Мощность 302 кВт
Удельный расход топлива 195 г/кВт ч
Генератор № 3 (аварийный):
Марка D
0226 MTE
Мощность 76 кВт
Удельный расход топлива 215 г/кВт ч
Валогенератор:
Мощность 500 кВт
Частота вращения 1500 об/мин
Частота генерируемого тока 50 Гц
Достоинства дизель-генераторов, перед другими
типами генераторов:
высокая готовность к пуску и приёму нагрузки;
высокий К.П.Д двигателя - дизеля;
высокая степень автоматизации;
способность работы на средневязких и
высоковязких сортах топлива;
широкая номенклатура выпускаемых промышленностью
дизель-генераторов;
хорошая ремонтопригодность.
Из-за специфических режимов работы главного
двигателя с недогрузкой для данного типа судна целесообразно использовать
валогенератор. На рыболовных траулерах применение валогенераторов позволяет
стабилизировать нагрузку главного двигателя на различных ходовых режимах (при
переменной нагрузке электросети) и облегчает питание такого крупного
потребителя, как траловая лебёдка. Также использование валогенератора даёт ряд
преимуществ:
уменьшается число автономных дизель-генераторов;
снижаются стоимость вырабатываемой
электроэнергии, затраты на ремонт и обслуживание;
снижение уровня шума в МО.
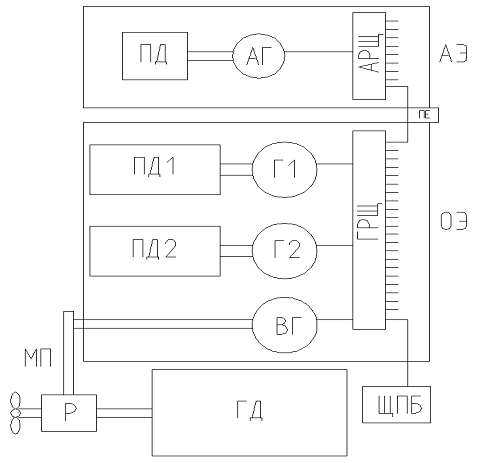
Рис. 8. Схема судовой электростанции:
АГ - аварийный генератор;
АРЩ - аварийный распределительный щит;
АЭ - аварийная электростанция;
ВГ - валогенератор (500 кВт);
Г - генераторы (2
302 кВт);
ГД - главный двигатель (2200 кВт);
ГРЩ - главный распределительный щит;
МП - механическая передача;
ОЭ - основная электростанция;
ПД - приводные двигатели;
ПЕ - перемычка;
Р - редуктор;
ЩПБ - щит питания берега;
Вспомогательная котельная установка
Вспомогательные котлы предназначены
в основном для выработки пара, потребляемого вспомогательными механизмами,
аппаратами и устройствами дизельной установки.
В качестве вспомогательных котлов
при производительности более
т/ч применяют преимущественно
автоматизированные вертикальные водотрубные котлы с естественной циркуляцией,
работающие на мазуте.
Применять экономайзеры во
вспомогательных котлах нецелесообразно из-за низкого давления пара и высокой
температуры конденсата основных потребителей теплоты. Использование газового
воздухоподогревателя позволяет существенно повысить К.П.Д вспомогательных
котлов. При наличии парового воздухоподогревателя температура отработавших
газов за котлом изменяется в пределах 170 - 215
, без воздухоподогревателя она
значительно выше 360 - 460
.
Основные потребители пара:
система отопления жилых и служебных
помещений;
подогреватели пресной мытьевой воды;
камбуз;
прачечная;
рыбомучная установка;
испарительная установка;
жиротопная установка;
подогреватели танков воды, топлива и
масла;
подогреватель пресной воды
рыбофабрики;
механизмы, обслуживающие котёл
(питательные насосы);
Расход пара только на судовые нужды
(без учёта расхода на технологическое оборудование):
На технологическое оборудование
необходимо 1300 кг/ч;
Суммарный расход пара:
D = 1198 +
1300 = 2498 кг/ч = 2.49 т/ч;
По рассчитанному расходу пара из
каталога выбираем вспомогательный котёл.
В качестве вспомогательного котла
применяем автоматизированный вертикальный водотрубный котёл с естественной
циркуляцией:
Марка КВВА 2.5/5
Производительность 2.5 т/ч
Давление 0.5 МПа
К.П.Д 0.82
Масса рабочая 6.70 т
Расход топлива 195 кг/ч
Утилизационный котёл,
предназначенный для выработки пара за счёт утилизации теплоты выпускных газов
ДВС, не нашёл применения на траулерах, поскольку использование теплоты
отработавших газов для получения пара нужных параметров сопряжено с трудностями
из-за постоянно меняющихся режимов работы ГД на промысле. Такие режимы как:
буксировка трала, спуск и подъём трала, переходы по району промысла, дрейф в
штормовую погоду и прочие режимы. Для получения механической энергии необходимо
использовать источники теплоты с температурой не ниже 100
, таким
образом, в дизельных установках утилизировать теплоту можно лишь путём
использования теплоты выпускных газов.
Поэтому на данном судне
утилизационный котёл не применяется.
Опреснительная установка
Опреснительная установка входит в
состав энергетической установки судна и служит для приготовления питательной
(технической) пресной воды, мытьевой (бытовой) и питьевой воды. Питьевая вода используется
для питья и приготовления пищи; мытьевая - для подачи к умывальникам,
посудомоечным и стиральным машинам, в бани; питательная - для питания всех
потребителей СЭУ, а также для технологических и специальных потребителей.
Согласно рекомендациям Всемирной
организации здравоохранения солёность питьевой воды не должна превышать 500
мг/л, должна быть прозрачной, насыщенной воздухом и в ней не должно быть
болезнетворных бактерий. Требования к мытьевой пресной воде менее жёсткие -
солёность 5 - 10 мг/л.
Потребление пресной воды для бытовых
нужд на судах составляет в среднем около 200 л в сутки на одного человека.
Особенно велико потребление пресной воды на пассажирских и рыбопромысловых
судах, где суточные потребности в пресной воде достигают до 200 т.
Расход воды:
т/сут;
где,
- коэффициент запаса, принимаем
;
- нормированный расход пресной воды
на одного члена экипажа (по существующим санитарным нормам), принимаем
т/(
);
= 102 чел - число членов экипажа;
= 4.6 т/сут - суточный расход воды
на технические и технологические нужды, который определяется в соответствии с
мощностью ГД и производительностью технологического оборудования;
На каждые 1000 кВт мощности ГД
требуется 0.27 т/сут пресной воды. Мощность ГД составляет 2200 кВт, тем самым
расход воды на технические нужды получается 0.6 т/сут.
На каждую тонну мороженой рыбы
расходуется до 100 кг пресной воды.
Производительность технологического
оборудования по производству мороженой продукции составляет 50 т/сут.
Принимаем, что на каждую тонну мороженой продукции расходуется 80 кг пресной
воды и получаем расход воды на технологические нужды 4 т/сут.
По рассчитанному расходу воды
выбираем из каталога опреснительную установку фирмы ATLAS:
Марка AFGU1-S36
Производительность 36 т/сут
Расход электроэнергии на
работу установки 8.5 кВт
Длина 2.13 м
Ширина 1.45 м
Высота 1.97 м
Рабочая масса установки 3000 кг
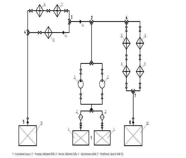
Конструктивный узел. Проектирование системы
охлаждения судовой дизельной установки
Система охлаждения.
Система охлаждения предназначена для отвода
теплоты от различных механизмов, устройств, приборов и рабочих сред (воды, масла,
топлива, воздуха) в теплообменных аппаратах.
Вода по сравнению с другими охлаждающими средами
имеет большую теплоёмкость и при скорости 0.5 - 2.5 м/с высокие коэффициенты
теплоотдачи.
Это легкодоступная охлаждающая среда, однако, в
воде содержаться растворимые соли, микроорганизмы и другие примеси, которые при
нагревании выпадают в осадок.
Особенно много солей и примесей в
морской забортной воде, поэтому её подогрев в теплообменных аппаратах выше 45
нежелателен.
Пресная вода допускает нагрев в
системах охлаждения при атмосферном давлении до 80 - 90
, а при
повышенном и более.
Охлаждающая дизель пресная вода
подводится в нижнюю часть зарубашечного пространства, находящегося между втулками
цилиндров и стенкой блок-картера.
Двигаясь вверх, вода охлаждает
втулки и затем перетекает в крышки цилиндров. Горячая вода, отводимая из крышек
цилиндров, охлаждается в водо-водяном охладителе и циркуляционным насосом
внутреннего контура подается в зарубашечное пространство дизеля.
Чтобы температура воды на выходе из
дизеля была примерно постоянной, терморегулятор изменяет поток воды, проходящий
через теплообменный аппарат.
Для того чтобы не нарушилась
герметичность трубопровода при расширении нагревающейся воды, во внутренний
контур включена расширительная цистерна, создающая подпор перед насосом.
Исходные данные:
ГД: Мощность
Удельный расход топлива
ВД: Мощность
Удельный расход топлива
Тепловой расчёт
Определение количества теплоты,
отводимого водой.
Общее количество теплоты,
затраченное на работу ДВС:
ГД:
где,
= 42700 кДж/кг - низшая теплота
сгорания топлива;
ВД 302 кВт:
где,
- низшая теплота сгорания лёгкого
дизельного топлива;
Количество теплоты, отводимое с
пресной водой от двигателя:
ГД:
или кВт;
где,
= 0.12
0.17 - относительная потеря тепла
водой, принимаем
= 0.14;
ВД 302 кВт:
Количество теплоты, отводимое от
двигателя маслом через маслоохладитель:
ГД:
где,
= 0.03
0.09 - относительная потеря тепла
маслом, принимаем
= 0.07;
ВД 302 кВт:
где,
= 0.03
0.09 - относительная потеря тепла
маслом, принимаем
= 0.035;
Количество теплоты, отводимое от
надувочного воздуха в воздухоохладители:
ГД:
где,
- теплоёмкость воздуха;
- разность температуры воздуха после
нагнетателя и на входе в двигатель, принимаем
- расход воздуха на двигатель:
где,
= 2 - суммарный коэффициент избытка
воздуха для ГД;
- теоретически необходимое
количество воздуха для сжигания 1 кг топлива;
Количество теплоты, отводимое
пресной водой от форсунок ГД:
где,
= 0.005 - доля тепла отводимого от
форсунок;
Количество тепла, отводимое
забортной водой от цилиндров компрессоров системы сжатого воздуха, а также от
опорных и упорного подшипников валопровода:
Определение расхода охлаждающей воды
через потребители.
Расход пресной воды на охлаждение
двигателя:
ГД:
где,
- плотность пресной воды (
);
ВД:
где,
- плотность пресной воды (
);
= 604 кВт - суммарная мощность ВД;
Расход забортной воды через
охладитель пресной воды:
ГД:
где,
= 1.2 - коэффициент запаса;
- плотность забортной воды
;
- теплоёмкость забортной воды;
- разность температур забортной воды
на входе и выходе из водоохладителя, принимаем
;
ВД:
где, принимаем
- разность
температур;
- суммарное количество теплоты,
отведенное пресной водой от ВД;
Расход забортной воды через
маслоохладитель:
ГД:
где,
- плотность забортной воды
;
- разность температур забортной воды
на входе и выходе из маслоохладителя, принимаем
;
ВД 302 кВт:
Расход забортной воды через
воздухоохладитель надувочного воздуха:
ГД:
где,
- плотность забортной воды
;
- разность температур забортной воды
на входе и выходе из воздухоохладителя, принимаем
;
Расход забортной воды через
охладитель пресной воды системы охлаждения форсунок ГД:
где,
- разность температур забортной
воды на входе и выходе из охладителя форсунок;
Расход забортной воды на охладители
подшипников линии вала и воздушные компрессора:
где,
- разность температур, принимаем
;
Определение площади теплопередающей
поверхности теплообменных аппаратов.
Площадь поверхности водоохладителя:
ГД: Охладитель пресной воды -
кожухотрубный:
где,
- коэффициент теплопередачи от
пресной воды к забортной (в кожухотрубных теплообменных аппаратов), принимаем
;
- температурный напор,
где,
- температура забортной воды перед
охладителем, принимаем
;
- температура забортной воды после
охладителя, принимаем
;
- температура пресной воды пред
охладителем;
- температура пресной воды за
охладителем;
- максимальная разность температур
пресной и забортной воды;
- меньшая разность температур
пресной и забортной воды;
ВД: Охладитель пресной воды-
кожухотрубный:
где,
или кВт - суммарное количество
теплоты, отведенное пресной водой от ВД;
принимаем
;
;
;
;
Площадь поверхности маслоохладителя:
ГД: маслоохладитель - кожухотрубный:
где,
- коэффициент теплопередачи от масла
к забортной воде (в кожухотрубных теплообменных аппаратах), принимаем
;
- температурный напор
(среднелогарифмическая разность температур):
где,
- температура масла при выходе из
маслоохладителя, принимаем
;
- температура масла при входе в
маслоохладитель;
- температура забортной воды перед
охладителем, принимаем
;
- температура забортной воды после
охладителя, принимаем
;
ВД 302 кВт: маслоохладитель - кожухотрубный:
где, принимаем
где,
;
;
;
;
Площадь поверхности
воздухоохладителя надувочного воздуха:
ГД: Охладитель надувочного воздуха -
кожухотрубный:
где,
- коэффициент теплопередачи от
воздуха к забортной воде, принимаем
;
- температурный напор,
:
где,
- температура воздуха поступающего в
воздухоохладитель, принимаем
;
- температура воздуха на выходе из
воздухоохладителя, принимаем
;
;
;
- максимальная разность температур
воздуха и забортной воды;
- меньшая разность температур
воздуха и забортной воды;
Определение объёма расширительной
цистерны.
Объём расширительной цистерны обычно
принимают равным
- 20 % количества пресной вод,
циркулирующей в контуре охлаждения ДВС.
Приближённо его можно рассчитать по
эмпирической формуле:
где,
- мощность ГД, кВт;
Определение размеров Машиного
отделения судна
Площадь МО:
где,
- удельная величина, выражающая
отношение мощности ДУ к площади МО, принимаем
;
Объём МО:
где,
- удельный объём помещений СЭУ,
принимаем
Ширина МО:
Высота МО:
После определения основных размеров
строится схема трассировки трубопроводов, по которой определяется длина труб,
количество фасонных частей, число погибов.
Гидравлический расчёт
Гидравлический расчёт системы
охлаждения производится с целью выбора насоса.
Системы охлаждения дизельных СЭУ
являются разветвленными. С целью упрощения гидравлического расчёта весь
трубопровод с его элементами разбивается на отдельные участки. Точки перехода
одного участка в другой или другие называются узлами трубопровода и являются
местами либо разветвления трубопровода, либо изменения внутреннего диаметра.
После разбиения трубопровода на участки расчётные узлы и участки нумеруются.
Затем производится расчёт гидравлической характеристики каждого участка. По
полученным характеристикам участков путём суммирования получают характеристику
всей системы.
Гидравлический расчёт приведён в
таблице 6.
Таблица 6
|
№
|
Показатель
|
Обозначение
|
Размерность
|
№
участков
|
|
|
|
|
1-2
|
2-3
|
3-а-4
|
3-б-4
|
4-5
|
2-6
|
6-с-7
|
6-д-7
|
7-8
|
|
1
|
Расход
воды по участкам
|
 2732351488723538191938
|
|
|
|
|
|
|
|
|
|
|
|
|
|
0.0760.0650.0410.0240.0650.0110.0050.0050.011
|
|
|
|
|
|
|
|
|
|
|
2
|
Предварительная
скорость воды
|
 1.81.81.81.81.81.81.81.81.8
|
|
|
|
|
|
|
|
|
|
|
|
3
|
Условный
диаметр (1)
|
мм23221517013021588606088
|
|
|
|
|
|
|
|
|
|
|
|
4
|
Наружный
диаметр
|
мм24521517013021590606090
|
|
|
|
|
|
|
|
|
|
|
|
5
|
Толщина
стенки (2)
|
мм1.51.51.51.51.51.51.51.51.5
|
|
|
|
|
|
|
|
|
|
|
|
6
|
Внутренний
диаметр (3)
|
d
|
мм
|
242
|
212
|
167
|
127
|
212
|
87
|
57
|
57
|
87
|
|
7
|
Уточнённая
скорость (4)
|
W
|
1.71.841.791.931.8422.22.22
|
|
|
|
|
|
|
|
|
|
|
8
|
Число
Рейнольдса (5)
|
-494017476190373626296703476190202686145055145055202686
|
|
|
|
|
|
|
|
|
|
|
|
9
|
Коэффициент
Трения (6)
|
-0.01800.01880.01980.02130.01880.02360.02620.02620.0236
|
|
|
|
|
|
|
|
|
|
|
|
10
|
Число
погибов
|
-908623882
|
|
|
|
|
|
|
|
|
|
|
|
11
|
Длина
погибов (7)
|
м4.302.81.60.860.520.940.940.35
|
|
|
|
|
|
|
|
|
|
|
|
12
|
Длина
общих участков
|
м12.50.579.75.64.3136.86.83
|
|
|
|
|
|
|
|
|
|
|
|
13
|
Длина
прямых участков (8)
|
м8.20.576.943.4412.485.865.862.65
|
|
|
|
|
|
|
|
|
|
|
|
14
|
Потери
на трение (9)
|
 0.8960.0851.281.260.5167.096.886.881.507
|
|
|
|
|
|
|
|
|
|
|
|
15
|
Местные
потери (10)
|
 57.43.27100.483.118.53.86154.3154.321.86
|
|
|
|
|
|
|
|
|
|
|
|
16
|
Общие
потери на участке (11)
|
 58.33.35101.784.419.0210.95161.2161.223.4
|
|
|
|
|
|
|
|
|
|
|
|
17
|
Коэффициент
потери дроссельной шайбы (12)
|
 -4.5-9.3-----
|
|
|
|
|
|
|
|
|
|
|
|
18
|
Суммарные
потери (13)
|
 58.37.85101.793.719.0210.95161.2161.223.4
|
|
|
|
|
|
|
|
|
|
|
|
|
|
|
|
|
|
|
|
|
|
|
|
|
|
Рис. 10. Схема трассировки трубопровода
Рис. 11. Схема системы охлаждения забортной
водой: 1 - Кингстонные ящики; 2 - Фильтры забортной воды; 3 - Насосы забортной
воды; 4 - Дроссельные шайбы; 5 - Охладитель пресной воды ГД: 6 -
Маслоохладитель ГД; 7 - Воздухоохладитель ГД; 8 - Охладители пресной; Воды ВД;
9 - Маслоохладители ВД; 10 - Кингстоны сбора (КСБ)
Расход воды по участкам
принимается
в соответствии с результатами теплового расчёта,
.
Предварительная скорость потока воды
принимается
в пределах 1.2
2.5 м/с -
для забортной воды. Принимаем
м/с.
Условный диаметр:
, [мм]; (1)
По предварительно оценённой величине
, выбирается
из сортамента труб из медно-никелевого сплава марки МНЖ 5-1, соответствующий
наружный диаметр
по ГОСТ
17217-79.
Толщина стенки:
, [мм]; (2)
где,
- расчётное давление рабочей среды,
принимаем
;
- коэффициент прочности шва трубы;
- допускаемое напряжение для
материала трубопровода МНЖ 5-1;
- прибавка к расчётной толщине
стенки, учитывающая коррозию трубопровода в процессе эксплуатации, для
трубопроводов из медно-никелевых сплавов
;
- прибавка к расчётной толщине
стенки трубы, учитывающая фактическое утонение стенки труб при гибке:
, [мм];
где, R - средний
радиус погиба трубы, мм.
Внутренний диаметр:
, [мм]
Уточнённая (действительная) скорость
потока:
, [м/с]
Число Рейнольдса:
где,
- кинематическая вязкость жидкости;
Коэффициент трения:
(6)
Где
= 0.15 мм - приведённая
(эквивалентная) шероховатость.
Число погибов
на каждом
участке определяется из схемы трассировки.
Длина погибов:
, [м];
где,
= 2.5 м - относительный радиус
погиба;
Длина общих участков
определяется
из схемы трассировки.
Длина прямых участков:
, [м];
Потери на трение:
, [Дж/кг];
Местные потери вычисляются по
формуле Вейсбаха:
, [Дж/кг]
где,
- коэффициент местных потерь,
который зависит, главным образом, от геометрических параметров элемента сети.
Принимается в соответствии с опытом проектирования.
Общие потери на участке:
, [Дж/кг];
Коэффициент потерь дроссельной
шайбы:
, [Дж/кг]
где,
- максимальные потери из
рассматриваемой группы параллельных участков, Дж/кг;
- потери напора на участке, где
устанавливается данная дроссельная шайба, Дж/кг;
- скорость воды на участке, где
устанавливается шайба, м/с;
Суммарные потери:
, [Дж/кг]
Построение характеристики сети
Нахождение характеристики сети
сводится к построению кривой, выражающей зависимости напора от суммарного
расхода через сеть (трубопровод), который равен подаче насоса. Суммирование
характеристик параллельных участков идёт с учётом дроссельных шайб.
Суммирование участков:
(1-2)+(2-3)+(3-а-4)+(4-5) = 58.3 +
7.85 + 101.7 + 19.02 = 187 Дж/кг;
(1-2)+(2-3)+(3-б-4)+(4-5) = 58.3 +
7.85 + 93.7 + 19.02 = 179 Дж/кг;
(1-2)+(2-6)+(6-с-7)+(7-8) = 58.3 +
10.95 + 161.2 + 23.4 = 254 Дж/кг;
(1-2)+(2-6)+(6-д-7)+(7-8) = 58.3 +
10.95 + 161.2 + 23.4 = 254 Дж/кг;
Расчёт характеристики сети Таблица 7
|
0.40.60.81.0
(номинал)1.21.41.6
|
|
|
|
|
|
|
|
|
,
Дж/кг40.491.4161.6254365.8496.1649.3
|
|
|
|
|
|
|
|
|
, 109164218273328382437
|
|
|
|
|
|
|
|
|
, 11881268964752474529107584145924190969
|
|
|
|
|
|
|
|
, [Дж/кг];
- задаваемый относительный расход
рабочей среды через участок;
Рис. 12. Характеристика сети
Выбор насоса
Выбор насоса производится из
каталога, главным образом, по трём основным параметрам: производительности,
напору (подаче) и кавитационному запасу энергии на входе в насос.
Подачу насоса выбирают всегда
больше, чем это требуется по расчёту, поскольку необходим запас расхода для
регулирования температур охлаждаемых рабочих тел в теплообменных аппаратах, а
также снижения коэффициентов теплоотдачи охлаждающих поверхностей в ГД.
Спецификационная подача,
гарантируемая поставщиком и приводимая в справочниках:
где,
- коэффициент запаса для насоса
забортной воды, принимаем
Напор насоса, как и его
производительность, должен быть больше расчётного значения потери напора в
сети, поскольку имеется погрешность расчёта потерь, особенно местных, и
увеличение потерь напора вследствие коррозионного и эрозионного износа
элементов сети, в том числе и охлаждающих каналов двигателя.
Напор насоса:
где,
По полученным результатам выбираем
насос из каталога:
Марка насоса НЦВ 400/30
Подача 400
Напор 300 Дж/кг
Кавитационный запас 60 Дж/кг
Мощность 50 кВт
Частота вращения 1450 об/мин
Кроме обеспечения с достаточным
запасом требуемых величин напора и производительности насоса, для надёжной
работы системы охлаждения необходимо также обеспечить и бескавитационную работу
насоса. Это условие достигается путём создания на входе в насос определенной
величины кавитационного запаса энергии.
Располагаемый кавитационный запас на
входе в насос:
где,
- статическое давление в приёмном
патрубке насоса;
- плотность воды на входе в насос;
- внутренний диаметр входного
патрубка насоса;
- давление насыщения паров воды при
температуре
на входе в
насос;
Определённый по данному выражению
должен быть
больше допускаемой величины кавитационного запаса энергии.
.5 Дж/кг > 60 Дж/кг
Расчёт трубопровода на прочность
Прочность трубопровода системы охлаждения
зависит от действующих внешних нагрузок (кручение, изгибы), внутреннего
давления рабочей среды, а так же формы и размеров элементов трубопровода и
обусловливается толщиной стенки трубопровода.
В качестве материала трубопровода принимаем
медно - никелевый сплав МНЖ 5-1.
Допускаемое напряжение для материала
трубопровода:
В соответствии с правилами Регистра
РФ толщина стенки трубы рассчитывается из выражения:
где,
- наружный диаметр трубы;
- расчётное давление рабочей среды,
принимаем
;
- коэффициент прочности шва трубы;
- допускаемое напряжение для
материала трубопровода
МНЖ 5-1;
- прибавка к расчётной толщине
стенки, учитывающая коррозию трубопровода в процессе эксплуатации, для
трубопроводов из медно-никелевых сплавов
;
- прибавка к расчётной толщине
стенки трубы, учитывающая фактическое утонение стенки труб при гибке:
где, R - средний
радиус погиба трубы,
Принимаем значение толщины стенки
.
Этот расчёт учитывает только
нагрузку от внутреннего давления. Но в реальных условиях, кроме указанной
нагрузки, на трубопровод действуют также крутящий и изгибающий моменты и силы
сжатия, вызванные температурным расширением трубопровода, и изгибающий момент
от сил веса элементов трубопровода.
Расчётная модель будет выглядеть
следующим образом: короткая труба находится между двумя жёстко закреплёнными
элементами системы и установлена на штатное место без монтажных напряжений при
температуре
. При работе
системы эта труба нагружена максимально возможным давлением воды с максимально
возможной температурой.
В этом случае элемент трубы будет
испытывать следующие напряжения:
в осевом направлении сжатие от
тепловой деформации:
где,
- коэффициент линейного расширения
(для МНЖ);
- модуль упругости материала трубы
(для МНЖ);
- для забортной воды;
в радиальном направлении сжатие от
сил давления:
где,
- максимальное давление:
где,
- давление над уровнем моря;
- абсолютное давление в машинном
отделении;
- высота уровня моря;
- высота самого низкого сечения
трубопровода, расположенного за насосом;
- максимальный напор, который может
создать насос;
в тангенциальном направление
растяжение от сил давления:
Имея значения
,
и
по
энергетической гипотезе прочности определяется эквивалентное напряжение:
Так как эквивалентное напряжение
больше допускаемого напряжения материала трубы, то можно сделать вывод о
необходимости в данном случае компенсаторов тепловых деформаций. Для
компенсации обычно используют сильфонные компенсаторы.
Расчёт судовых энергетических запасов
Судовые энергетические запасы (СЭЗ) - это запасы
топлива, смазочного масла и пресной воды, необходимые для обеспечения работы
СЭУ. Топливо составляет основную часть массы СЭЗ. Режимы работы СЭУ могут быть
разделены на ходовые и стояночные. Расходы топлива для ходовых режимов, как
правило, значительно больше, чем для стояночных. Количество рассматриваемых
расчётных режимов работы СЭУ обычно ограничивают, принимая во внимание только
наиболее характерные длительные режимы. Так как в составе ЭУ имеется
валогенератор, то время работы ДГ или вспомогательного котла может быть
сокращено, а на ходовых режимах полностью исключено.
Определение запаса топлива
Количество принимаемого на судно топлива зависит
от заданной дальности плавания, скорости судна и расхода топлива в единицу
времени главной и вспомогательной энергетическими установками.
S = 20000 миль -
дальность плавания;
А = 70 суток - автономность плавания;
= 13.5 уз - скорость судна;
Ходовое время судна:
Эксплуатационное время судна:
Время стоянки судна:
Продолжительность траления
составляет 0.5 - 3 ч в зависимости от концентраций рыбы и характера грунта,
принимаем время траления
Расход топлива на ходовом режиме:
Расход топлива во время стоянки:
Расход топлива во время траления:
Запас тяжёлого топлива:
Запас лёгкого топлива принимают
равным 15 % от запаса тяжёлого топлива:
Определение запаса смазочного масла
Расход смазочного масла механизмами
СЭУ вызывается следующими причинами:
угаром и утечками в циркуляционных
системах смазки;
старением циркуляционного масла и
необходимостью его периодической замены;
Общая формула для определения
количества масла, принимаемого в запас на период автономного плавания:
где,
- число смен масла за период
плавания. Запас масла должен обеспечивать восполнение угара и минимум одну
смену масла в системе.
- необходимое количество масла в
системе;
- плотность масла;
- расход масла на угар для ГД;
- время работы ГД;
- расход масла на угар для ВД;
- время работы ВД;
Определение запаса пресной воды
Потребление пресной воды для бытовых
нужд на судах в настоящее время составляет в среднем около 200 л в сутки на
одного человека. Наибольший расход технической пресной воды имеет место в
циклах пар-конденсат. Для вспомогательных котлов расход воды может составлять
- 10 % производительности. Утечки
пресной воды в системах охлаждения сравнительно невелики, их можно восполнить
из общесудовой системы водоснабжения и отдельно не учитывать.
Современные суда оборудованы
опреснительными установками, производительность которых достаточна для
обеспечения потребностей экипажа и механизмов судна в пресной воде. Поэтому на
судно принимается только аварийный запас пресной воды, составляющий 4-8% от
запасов топлива.
Запас пресной воды:
Технология монтажа вспомогательного
котла
Механизмы делятся на
агрегатированные и неагрегатированные. К агрегатированным относятся механизмы,
конструкция и габариты которых позволяют выполнять транспортно-погрузочные и
монтажные операции без их разборки. К неагрегатированным принадлежат механизмы,
монтаж которых выполняют отдельными узлами. Это - вспомогательные механизмы,
которые конструктивно связаны с корпусом судна или имеют большие габариты.
Агрегатированные механизмы более
технологичны, так как для неагрегатированного оборудования требуется
дополнительная общая сборка на судне, что увеличивает трудоёмкость монтажа.
Вспомогательные котлы изготавливают
в виде котлоагрегатов, в состав которых входят все обслуживающие котёл
вспомогательные механизмы, теплообменные аппараты, приборы автоматического
управления горением и питанием, арматура и др.
Монтаж вспомогательных котлов на
судне стремятся выполнять после достижения наибольшей степени их готовности в
цехе при отсутствии точных пригонных операций на судне. Монтаж осуществляется
на переходных частях фундамента. Переходные части фундамента присоединяют к
вспомогательному котлу в цехе завода изготовителя, на судне производится
приварка переходных частей к фундаменту.
Технические требования к монтажу
При установке вспомогательного котла
необходимо выполнить следующие требования:
располагать вспомогательный котёл на
судне в соответствии с координатами монтажного чертежа;
выдерживать крен и дифферент
согласно допускаемым техническим условиям;
обеспечивать монтажные и тепловые
зазоры в скользящих опорах.
Метод переходных частей фундамента
предусматривает введение между опорами вспомогательного котла и судовым
фундаментом сварной переходной части, которая имеет технологический припуск 30
40 мм.
Переходная часть представляет металлическую конструкцию, которая должна быть
достаточно жёсткой и иметь минимальные деформации после газовой резки и
приварки к фундаменту.
Шероховатость опорных поверхностей
переходных частей должна быть не более Rz = 40 мкм.
На опорах вспомогательного котла должны быть нанесены и закреплены риски,
соответствующие продольной и поперечной осям опоры. После присоединения к
опорам переходных частей, риски переносятся на внешние поверхности вертикальных
листов переходной части. Положение вспомогательного котла относительно
диаметральной плоскости судна и поперечной переборки определяется по этим
рискам. Допускается несовпадение до 5мм рисок продольной и поперечной осей
неподвижной опоры и рисок продольной оси подвижной опоры, расположенной на
одной оси с неподвижной. Совпадение рисок остальных опор не проверяется.
Отклонение положения вспомогательного котла по высоте не должно превышать
15мм.
Отклонение котла по крену 5 мм/м, по дифференту - 2 мм/м. Крен и дифферент
вспомогательного котла измеряют по паровому коллектору, на котором нанесены
соответствующие риски, с учётом существующих крена и дифферента судна. После
опускания вспомогательного котла на фундамент зазоры между кромками переходной
части и плитой фундамента не должны превышать 2 мм. На каждой стороне
переходной части должно быть не менее двух пунктов касания кромки с опорной
плитой фундамента. Расположение рисок на паровом коллекторе для изменения крена
и дифферента котла устанавливаются чертежом. При необходимости должны быть
предусмотрены приварные планки, на которые выносятся риски при установке
изоляции.
На фундаменте должны быть
нанесены и закреплены осевые риски, используемые при установке фундамента на
судне и вспомогательного котла на фундамент. Перед погрузкой вспомогательного
котла опорные поверхности должны быть расконсервированы. Установка
вспомогательного котла на фундамент может выполняться независимо от готовности
корпуса судна. Расстояние вертикальных стенок переходных частей от кромок
опорных плит фундамента должно быть не менее 5 мм. Разметка под обрезку
припусков вертикальных стенок переходных частей должна производиться с учетом
обеспечения заданного положения вспомогательного котла по высоте, крену и
дифференту. При разметке и последующей подрезке переходных частей
вспомогательный котёл должен быть установлен на домкратах или отжимных болтах.
Район установки кронштейнов под домкраты указывается в рабочей документации
вспомогательного котла. Если после опускания вспомогательного котла на
фундамент с какой-либо стороны переходной части нет пунктов касания кромки с
опорной плитой фундамента, то допускается установка временных прокладок на
расстоянии 40 - 60 мм от углов переходной части. После наложения
электроприхваток прокладки удаляются. Приварка переходных частей должна
производиться по технологическому процессу, разработанному на заводе-строителе
судна. Технологический процесс сварки должен обеспечивать минимальные сварочные
деформации опорных листов переходных частей. После подрезки переходных частей
их кромки должны быть зачищены. Отклонение расстояния от поверхности опорной
плиты фундамента до кромки переходной части не должно превышать 2 мм. При
опускании котла все домкраты должны отниматься постепенно. В процессе опускания
разновысотность домкратов не должна превышать 5 мм.
В процессе эксплуатации происходят значительные
тепловые деформации вспомогательного котла от разности температуры деталей в
рабочем и холодном состоянии. С целью компенсации деформаций предусмотрены,
кроме неподвижной, скользящие опоры, установку которых выполняют с зазорами,
обеспечивающими свободное перемещение вспомогательного котла. В креплении
скользящих опор с ограничительными планками проверяют монтажные и тепловые
зазоры, а также плотность прилегания латунной подкладки опоры к переходной
части фундамента.
Применение переходных частей снижает
трудоёмкость крепления вспомогательного котла в 3 - 4 раза по сравнению с
использованием монтажных плит. Кроме того, не требуются повторные перемещения
вспомогательного котла домкратами, что повышает качество монтажа и позволяет
выполнить его с полным насыщением.
Технологический процесс монтажа вспомогательного
котла Таблица 8
|
№
|
Содержание
операции
|
Требования
|
Инструмент
|
|
1
|
Погрузка
фундамента на судно
|
Погрузку
выполнить согласно схемы строповки
|
Кран
|
|
2
|
Установка
фундамента, совмещение контрольных рисок носовой и кормовой переборок с
осевыми рисками опор
|
Несовпадение
рисок ±5 мм
|
Измерительный
инструмент
|
|
3
|
Погрузка
вспомогательного котла на судно. Установка домкратов.
|
Погрузку
выполнить согласно монтажному чертежу
|
Кран,
домкраты
|
|
4
|
Совмещение
рисок переходных частей и опор фундамента. Обеспечение вертикального
положения вспомогательного котла.
|
Несовпадение
рисок ±5 мм; отклонение по вертикали ±15 мм
|
Измерительный
инструмент, отжимные болты
|
|
5
|
Разметка
переходных частей для подрезки
|
Не
параллельность относительно опор фундамента ± 2 мм
|
Измерительный
инструмент
|
|
6
|
Подрезка
переходных частей в размер
|
Режим
резки
|
Газовый
резак
|
|
7
|
Зачистка
кромок переходных частей
|
Шероховатость
Rz = 40 мкм
|
Шлифовальная
машина
|
|
8
|
Окончательная
установка вспомогательного котла
|
8
точек касания на каждой опоре.
|
Кран,
домкраты, щуп
|
|
9
|
Прихватка
переходных частей к фундаменту
|
Контроль
зазоров
|
Сварочный
аппарат, щуп
|
|
10
|
Приварка
переходных частей к фундаменту
|
Технологический
процесс сварки, минимальные сварочные деформации
|
Сварочный
аппарат
|
|
11
|
Контроль
качества шва
|
-
|
-
|
|
12
|
Контроль
качества монтажа согласно технологическим требованиям
|
-
|
-
|
Методы монтажа вспомогательного котла на судне
Монтаж вспомогательного котла на судне может
быть произведён тремя способами:
1) На переходных частях фундамента
2) На компенсирующих прокладках
) На общей раме
При монтаже на компенсирующих
прокладках вспомогательный котёл устанавливают на фундамент на металлических
выравнивающих прокладках. При установке котла данным способом требуется точная
обработка фундамента, шероховатость опорной поверхности должна быть не ниже Rz=40
мкм. В процессе монтажа котёл приходится неоднократно перемещать для того,
чтобы отклонения расположения соответствовали требованиям и для разметки и для
сверления отверстий.
При монтаже вспомогательного
котла посредством рамы, крепления рамы к фундаменту производится с помощью
болтового соединения или сварки после установки вспомогательного котла. При
болтовом соединении под раму устанавливают выравнивающие шайбы или прокладки.
Для того чтобы отклонения котла относительно диаметральной плоскости и
поперечной переборки не превышали допустимых, к раме предъявляются жесткие
требования по параллельности и плоскостности. Должны быть рассверлены точно
отверстия в полках рамы для крепления к фундаменту.
Применение рамы увеличивает вес
котла.
Применение монтажа на переходных частях
позволяет избавиться от многих недостатков изложенных выше. Не требуется
обработка больших поверхностей, за исключением опорных поверхностей переходных
частей, поверхность которых сравнительно мала. Так же не требуется точная
разметка и сверление отверстий под крепежные болты. Не требуется установка и
подгонка компенсирующих прокладок. Благодаря этому применение переходных частей
позволяет значительно снизить трудоемкость установки вспомогательного котла.
Технико-экономическое обоснование проекта
Оптимальной является СЭУ, обеспечивающая
получение наилучшего значения критерия эффективности судна. Для морских
транспортных судов критерием оптимальности является критерий экономической
эффективности.
Расходы, связанные с эксплуатацией судна
разделяют на первоначальные или единовременные и текущие и постоянные. Первые
выступают в виде капитальных вложений - стоимости постройки или приобретения
судна. Годовые текущие расходы - расходы на топливо, смазочные и обтирочные
материалы, амортизацию, текущий ремонт, снабжение и косвенные.
Эксплуатационные расходы являются основными в
общей сумме затрат на создание и эксплуатацию СЭУ.
Эксплуатационные расходы морских судов включают
в себя:
расходы на топливо и масло;
техническое обслуживание и ремонт;
содержание экипажа.
В данном технико-экономическом анализе будут
рассмотрены только затраты на топливо, так как они являются определяющими в
оценке затрат эксплуатации СЭУ. Затраты на топливо зависят от типа и особенностей
установки, сорта и цены топлива, эксплуатационных факторов, типа судна и др.
Себестоимость топлива определяется главным образом исходной ценой нефти и
способом получения её из нефтепродукта. Поэтому наиболее дорогими являются
дистиллятные сорта топлива, а более дешевыми - тяжелые сорта топлива. Вполне
естественно стремление фирм-производителей энергетического оборудования
переводить изготовляемые ими машины на тяжелые сорта топлива, повышая тем самым
эффективные показатели эксплуатации судов.
Относительные затраты на топливо возросли с
начала 80-х годов и эта тенденция продолжает сохраняться. Это обусловлено, с
одной стороны, постоянным повышением цен на топливо, а с другой, -
совершенствованием судового оборудования не только в связи с улучшением технических
параметров, но и снижением относительной стоимости этого оборудования по
сравнению с ценами на топливо.
Для снижения эксплуатационных затрат в главном
двигателе
MAN - B&W L32/40,
представленном в дипломном проекте, используется в качестве основного - топливо
тяжёлых сортов, флотский мазут ГОСТ 10585-99.
СЭУ прототипа:
Мощность главного двигателя
Удельный расход топлива
Модернизированная СЭУ:
Мощность главного двигателя
Удельный расход топлива
Экономия удельного расхода топлива
ГД:
Расход топлива ГД:
СЭУ прототипа:
Модернизированная СЭУ:
Экономия расхода топлива:
Экономия стоимости израсходованного
топлива ГД за год (эксплуатационный расход):
где,
- стоимость флотского мазута ГОСТ
10585-99;
Сопоставим эффективные показатели
СЭУ прототипа с показателями модернизированной СЭУ Таблица 9
|
Параметр
|
Размерность
|
Величина
|
|
|
СЭУ
прототипа
|
Модернизированная
СЭУ
|
|
Мощность
ГД
|
кВт
|
3990
|
2200
|
|
Удельный
расход топлива
|
182179
|
|
|
|
Скорость
судна
|
уз
|
15
|
13.5
|
|
Эффективный
К.П.Д
|
-
|
0.46
|
0.47
|
|
Удельная
масса
|
кг/кВт
|
18.4
|
19
|
|
Расход
топлива
|
кг/ч
|
726
|
394
|
Скорость судна с модернизированной СЭУ была
уменьшена на 1.5 узла, от чего уменьшилось сопротивление движению судна,
следовательно, потребовался ГД меньшей мощности. Удельная масса и эффективный
К.П.Д почти не различаются. Удельный расход у модернизированной СЭУ немного
меньше чем у СЭУ прототипа, а вот расход топлива отличается значительно, что даёт
большую экономию стоимости израсходованного топлива за год.
В модернизированной СЭУ используется 2
одинаковых вспомогательных двигателя, а в СЭУ прототипа 3 вспомогательных, из
которых только 2 одинаковых. Что является нецелесообразно, т.к не соблюдена
унификация, количество типоразмеров должно быть минимальным . Расход топлива ВД
прототипа также превышает расход топлива модернизированных ВД.
В настоящее время экономическая ситуация еще
далека от стабильной и прогнозирование цен на суда и судовое оборудование,
равно как и издержек эксплуатации, оказывается довольно затруднительным.
Экологическая часть проекта: “ Мероприятия по
снижению выбросов в атмосферу токсичных веществ судовыми дизелями ”
При работе СЭУ в атмосферу выбрасываются
выпускные газы главных двигателей и котлов, токсичность которых определяется
сортом топлива и условиями его сгорания. Так, применение тяжёлых сернистых
топлив способствует уменьшению эксплуатационных затрат на топливо, но при этом
повышается загрязнение окружающей среды сернистым и серным ангидридом,
увеличиваются износ и число отказов СЭУ.
Вследствие несовершенства процессов сгорания
топлива, судовых систем и ЭУ, конструкций механизмов, нарушений правил
технического обслуживания, а иногда в результате аварий или гибели судов сильно
загрязняется биосфера. Качественная и количественная стороны загрязнения
составляющих биосферы определяются типом и назначением судна, видом
перевозимого груза, типом и мощностью ЭУ, сортом топлива, степенью
автоматизации СЭУ и пр.
В результате исследований в выпускных газах было
обнаружено около 200 различных составляющих.
Выпускные газы способствуют задымлению
атмосферы, чёрный цвет им придают сажа и зола. Дымление, кроме загрязнения
биосферы, также ухудшает видимость.
При эксплуатации СЭУ углеводороды поступают в
атмосферу в составе выпускных газов. Так как большая часть углеводородов вместе
с осадками попадает в морскую среду, то этот источник загрязнений следует
считать наиболее распространённым опасным.
В результате неисправности и аварии установок
систем кондиционирования воздуха и рефрижерации имеют место утечки хладагентов
в атмосферу. Также они применяются в судовых системах пожаротушения.
Токсичные вещества в выпускных газах
В продуктах неполного сгорания
топлива - выпускных газах - основными вредными (токсичными) веществами являются
окислы азота, окись углерода, сажа, углеводороды и альдегиды. Содержание
примесей в выпускных газах ДВС зависит от максимального давления сгорания
топлива, частоты вращения ДВС и коэффициента избытка воздуха. Их образование
обусловлено различными химическими реакциями окисления топлива в предпламенный
период, при его сгорании и расширении газов. Так, сажа появляется при горении
вследствие термического распада углеводородных молекул при большом недостатке
кислорода. На ее образование влияют температура, давление, характер горения и
свойства топлива. Окись углерода выделяется в ходе хладнопламенных реакций, при
сгорании топливно-воздушных смесей с некоторым недостатком кислорода.
Образование альдегидов сопровождается выделением тепла, и они появляются уже на
первых этапах предпламенных реакций. Наличие их свидетельствует о том, что
часть топлива сгорает при низких температурах. Возможны и другие причины
образования альдегидов.
Практика показала, что наиболее
токсичными компонентами являются окислы азота. В выпускных газах судовых ДВС по
объему первое место занимают окислы азота (49%), затем сажа (20,5%), альдегиды
(19,5%), окись углерода (10,5%), углеводороды (0,5%). Для автомобильных
двигателей эта последовательность другая: окись углерода (75%), окислы азота
(16,5%), альдегиды (8%), углеводороды (0,5 %). Количество, состав и свойства
выпускных газов зависят в основном от конструкции ДВС и качества применяемого
топлива. Известно, что концентрация окислов азота в отработавших газах дизеля
зависит от конструкции камеры сгорания: низкооборотные двигатели вырабатывают
больше
, чем
среднеоборотные или высокооборотные двигатели. Поэтому допустимое количество
для
малооборотных дизелей составляет 20 г/кВт·ч, а для среднеоборотных - 10
г/кВт·ч.
Появление окислов азота не связано
непосредственно с реакциями окисления, их выделение в основном зависит от
максимальных местных температур, концентрации свободного кислорода в продуктах
сгорания и от времени протекания реакции.
Так как имеются принципиальные
различия в механизмах образования различных токсичных веществ, не
представляется возможным снизить вредность выпускных газов одним каким-нибудь
универсальным средством. На практике решение этой проблемы идёт по двум
направлениям - уменьшение вредности газов в процессе их образования и снижение
вредности выпускных газов.
Мероприятия, направленные на
снижение выбросов в атмосферу токсичных веществ судовыми дизелями:
) Эффективным способом уменьшения
концентрации окислов азота является впрыск воды во впускной трубопровод. Однако
это способствует увеличению окиси углерода и углеводородных соединений.
Применение термофорсирования, т. е. предварительной обработки топлива,
обогащение кислородом воздушного заряда, использование водотопливных эмульсий
значительно улучшают экологические показатели ДВС (увеличивается полнота
сгорания, снижается дымность и т. д.). Эффективным средством снижения дымности
является также введение антидымных присадок к топливу. Своевременные
техническое обслуживание и ремонт топливной аппаратуры также значительно
способствуют снижению дымности.
) Процессы смесеобразования и
сгорания улучшают с помощью разделенных и полуразделенных камер сгорания (КС).
Применение разделенной КС позволяет снизить выделение окислов азота. Это
происходит по причине расслоения топливной смеси, а также уменьшения
температуры в процессе сгорания из-за большей поверхности охлаждения камер.
Полуразделенные КС тоже снижают выделение окислов азота, но в несколько меньшей
степени, чем разделенные КС.
) Снижение максимальной цикловой
подачи топлива уменьшает выбросы сажи, окиси углерода и углеводородных
соединений, но увеличивает выбросы альдегидов. Этот способ приводит к снижению мощности
дизеля.
) Снизить содержание окислов азота
можно путем уменьшения угла опережения впрыска топлива, что существенно снижает
максимальную температуру цикла. Также содержание окислов азота можно снизить,
уменьшая степень сжатия цикла, а в результате этого и его максимальную
температуру. Одновременно уменьшается выброс окиси углерода и углеводородных
соединений.
5) Высота дымовой трубы оказывает влияние на
загрязнение биосферы и палубы судна. Чем выше труба поднята над палубой, тем
выше тяга, способствующая более полному сгоранию топлива, лучшему удалению золы
и искрогашению.
6) Уменьшение выбросов в атмосферу
отложений (сажи и пр.) достигается установкой в судовых дымоходах и
газовыпускных трубопроводах искрогасителей, а также глушителей (помимо их основного
назначения). Сажу, частицы топлива и масла, растворённые токсичные вещества (
, альдегиды,
высшие окислы азота) улавливают с помощью жидкостных нейтрализаторов, в которых
выпускные газы проходят через слой воды. Также токсичные вещества в выпускных
газах дожигают в каталитических или пламенных нейтрализаторах. Действие
каталитического нейтрализатора основано на беспламенном окислении СО и
и
разложении
на
и
.
В качестве катализатора применяют
гранулированную смесь марганца и окиси меди, хрома, железа (для низких
температур) и элементы различной формы (трубки, шарики и пр.) из керамики,
покрытые платиной или палладием (для высоких температур). Нейтрализаторы
размещают в выпускном коллекторе или в газоходе. В пламенных нейтрализаторах
дожигание происходит в специальной камере подводом дополнительного топлива или
включением электронагревателя.
Нормативные документы
До 2000 г. вредные выбросы оксидов углерода и
окислов азота дизелей нормировались в соответствии с ГОСТ 24585-81 "Дизели
судовые, тепловозные и промышленные. Выбросы вредных веществ с отработавшими
газами. Нормы и методы определения". Однако требования этих
государственных стандартов распространялись только на заводские стендовые
испытания дизелей и не применялись для дизелей в эксплуатации.
С 1 января 2000 г. введен в действие новый
государственный стандарт ГОСТ РФ 51249-99 "Дизели судовые, тепловозные и
промышленные. Выбросы вредных веществ с отработавшими газами. Нормы и методы
определения", требования которого допускается распространять на дизели в
условиях эксплуатации, в том числе и после капитального ремонта.
В сентябре 1997 г. было принято приложение VI
"Правила предотвращения загрязнения воздушной среды с судов" к
Международной Конвенции МАРПОЛ 73/78, по созданию эффективных средств для
снижения загрязнения атмосферного воздуха. Кроме того, Комитет по внутреннему транспорту
Европейской экономической комиссии ООН, в работе которого принимают участие
представители Минтранса РФ и Российского Регистра, также рассматривает на своих
сессиях проблему предотвращения загрязнения атмосферного воздуха.
Заключение
Известно, что все технологии
уменьшения
связаны с
удорожанием стоимости дизелей в изготовлении и некоторым ростом расходов на
обслуживание при эксплуатации.
В настоящее время не существует
комплексной оценки (или критерия) эффективности методов (средств) улучшения
экологических показателей судовых дизелей. Имеющиеся методики позволяют сделать
только относительные оценки эффективности средств снижения выбросов, поэтому
дальнейшей задачей научно-исследовательских организаций и надзорных органов
является создание системы комплексной оценки предлагаемых методов и средств
улучшения экологических показателей судовых дизелей при их эксплуатации.
Список использованной литературы
1)
Г.А. Артёмов, В.П. Волошин, Ю.В. Захаров, А. Я. Шквар, “Судовые энергетические
установки”. - Л.: Судостроение, 1987 г, 480 с., ил.
)
Н.В. Голубев “Проектирование энергетических установок морских судов”. Учебное
пособие. - Л.: Судостроение, 1980 г. - 312 с., ил.
)
В.Б. Жинкин, И.Е. Товстых “Ходкость судна”. Учеб. пособие. СПб.: Изд. Центр
СПбГМТУ, 2006 г.
)
Д.С. Иванов “Определение мощности судовой электростанции”. Учебное пособие.
Ленинград 1969 г.
)
В.Ф. Диденко “Проектирование и комплектование системы охлаждения судовых
дизельных установок”. Методические указания. Изд. ЛКИ, 1990 г.
)
В.Ф. Диденко “К проектированию систем охлаждения главных и вспомогательных
двигателей дизельных судовых энергетических установок”. Учеб. пособие/СПбГМТУ;
СПб., 2005 г.
)
Л.П. Коршунов “Силовые установки рыбопромысловых судов”. Изд. Пищевая
промышленность, Москва, 1967 г.
)
В.С. Кравченко “Монтаж судовых энергетических установок”. Изд. Судостроение,
Ленинград, 1975 г.
)
В.С. Кравченко “Монтаж судовых вспомогательных механизмов”. Изд. Судостроение,
Ленинград, 1968 г.
)
В.П. Волошин “Охрана морской среды”. Учебное пособие. - Л.: Судостроение, 1987.
- 208 с., ил.