Проектирование дизельной установки для лесовоза пр. 1590П

  • Вид работы:
    Курсовая работа (т)
  • Предмет:
    Транспорт, грузоперевозки
  • Язык:
    Русский
    ,
    Формат файла:
    MS Word
    1,85 Мб
  • Опубликовано:
    2014-02-03
Вы можете узнать стоимость помощи в написании студенческой работы.
Помощь в написании работы, которую точно примут!

Проектирование дизельной установки для лесовоза пр. 1590П

Санкт - Петербургский Государственный

Морской Технический Университет

Кафедра судовых энергетических установок, систем и оборудования

 

 

 

 

 

 

 

 

Курсовой проект

на тему:

Проектирование дизельной установки для лесовоза пр. 1590П











Санкт-Петербург

Содержание

Введение

1.  Описание судна

2.       Исходные данные

.        Состав оборудования установки

.        Выбор главного двигателя

.        Предварительный расчет винта

.        Принципиальные схемы энергетических систем СЭУ

6.1 Топливная система

6.2 Циркуляционная система смазки

6.3   Система охлаждения

6.4     Система сжатого воздуха

.5       Система утилизации теплоты

.6       Система газовыпуска

7.  Расчет судовой электростанции

7.1 Выбор дизель-генератора

7.2 Выбор вспомогательного парогенератора

8.  Расчет энергетических запасов

9.  Расположение оборудования

Выводы

Заключение

Список используемой литературы

Введение

Судовая энергетическая установка, образованная совокупностью различных механизмов и машин, обеспечивающих не только движение маневрирование судна, но и безопасность плавания, живучесть, а также выполнение грузовых операций и других функций, предусмотренных назначением судна. В связи с этим большое значение при проектировании уделяется проблеме экономии топлива (как тяжелого, так и легкого). Возможность использования наиболее дешевого, а также использование вторичных ресурсов, то есть экономия топлива, дает возможность использовать состав флота наиболее полно.

В процессе проектирования судового энергетического комплекса осуществляется обоснование технических решений по выбору состава комплектующего оборудования, схемам взаимодействия элементов в составе комплекса, параметрам и режимам работы оборудования, его комплектовки и расположению. Основным методом обоснования принимаемых решений является сравнение вариантов энергетических комплексов, отличающихся анализируемыми техническими решениями или их взаимосвязанными совокупностями. Сравнение базируется на системном анализе, т.к. энергетический комплекс и включающее его судно являются сложной технической системой, совокупностью оборудования объединенной единой целью- решением задач, стоящих перед судном, с наибольшей эффективностью.

Применение вариантного метода - принципиальное положение методологии проектирования СЭУ ввиду того, что абсолютное большинство альтернативных решений не являются непрерывными, т. е. не могут различаться на коль угодно малую величину, а различаются на конечную, достаточно значимую величину параметра выбора. Это, например, число движителей, типы и типоразмеры применяемого оборудования, схемы энергетических систем, варианты комплектовки и др.

Использование вариантного метода исключает применение математического программирования - методов направленного поиска оптимального решения. Под последним принимается вектор контролируемых параметров, обеспечивающих глобального экстремума функции цели критерия эффективности сложной технической системы. Формирование совокупности вариантов, анализ которых следует провести для максимально достоверного обнаружения оптимального решения, осуществляется проектировщиком, от квалификации которого с одной стороны зависит гарантированное достижение поставленной цели, с другой стороны - трудоемкость решаемой оптимизационной задачи - число анализируемых вариантов должно быть минимальным, но достаточным для отыскания наиболее эффективного варианта из всех возможных.

В процессе формирования альтернативных вариантов на ранних стадиях проектирования СЭУ - в исследовательском и эскизном проектировании изменяются совокупности взаимосвязанных технических решений, обозначаемых как тип СЭУ. Тип - это сложное диалектическое понятие, включающее в свой состав важнейшие характеристики судовой энергетической установки в целом и составляющих ее подсистем - пропульсивной установки, судовой электростанции и вспомогательной котельной установки. Это тип и характеристики движителя, тип и типоразмер главного двигателя, схемы передачи мощности от двигателя к движителю, конструктивная схема СЭУ, включающая в себя варианты производства, распределения и потребления механической энергии, тепловая схема - схема производства, распределения и потребления тепловой энергии на судне, схемы комплектации оборудования и типоразмера СЭС и ВКУ и другие важнейшие решения, оправданно определяемые как основные.

В процессе разработки исследовательского или эскизного проектов, а также контрактной документации на постройку судна, указанный в понятии тип СЭУ, технические решения обосновываются количественно - для каждого из рассматриваемых вариантов определяются значения критериев эффективности.

Полученные значения сравниваются с такими же для других вариантов. Вариант, обеспечивающий получение наилучшего значения критерия, является объективно лучшим из числа рассмотренных и может быть признан оптимальным, если существует определенная гарантия, что лучшего не найти. Такой гарантией могло бы быть рассмотрение как можно большего числа вариантов, по возможности всех существующих.

При анализе вариантов не достаточно ограничиться рассмотрением только оборудования, в характеристики которого вносятся целенаправленные изменения. Энергетическое оборудование связано со всем оборудованием судового комплекса и не полный учет этих связей способен исказить оптимальное решение.

Например, оборудование судовой электростанции обеспечивает функционирование не только пропульсивной установки, но и навигационного комплекса, оборудования общесудовых систем, судовых и палубных механизмов, аварийных устройств, жилищно-бытового комплекса и др. на всех режимах эксплуатации судна. Принятие решений по судовой энергетической установке возможно без учета всего спектра связей всех элементов СЭУ с оборудование судового комплекса. В принципе это требует при внесении любых изменений в состав энергетического комплекса проектировать судно в целом, может быть даже с отслеживанием влияний вверх по цепочке этапов проектирования судна. Разработаны методы согласованной системной оптимизации, позволяющие сократить размерность решаемой задачи, но и они тоже требуют определенной проработки, по крайней мере, базового варианта и определения коэффициентов влияния, вносимых изменений на глобальную эффективность.

Исключительное многообразие альтернативных вариантов СЭУ, отличающихся контролируемыми параметрами и способных найти применение на проектируемом судне, исключат перебор и сравнение всех возможных вариантов при поиске наилучшего из них, даже с применением быстродействующей вычислительной техники. Расчеты значений критериев эффективности сопряжены с необходимостью обращения к моделям анализа эффективности, т. к. традиционные ручные методы достаточно трудоемки. Кроме этого для задания исходной информации в моделях анализа эффективности должна быть выполнена разработка варианта с требуемым уровнем подробности. Разумное ограничение числа анализируемых вариантов способно существенно отразиться на трудоемкости решаемой задачи.

Именно поэтому в начале процесса проектирования намечается определенный круг альтернативных вариантов перспективных для отыскания оптимума и из него путем логического анализа отбирается ограниченный набор вариантов по возможности минимальный и в то же время достаточный для выбора наилучшего варианта из всех возможных. Исключение из рассмотрения вариантов первоначального круга производится на основе анализа системы показателей качества, обеспечивающих определение достоверно предпочтительных вариантов без необходимости детальной разработки. Сравнение по критериям эффективности только оставленных вариантов позволяет разумно сократить общее число вариантов, подлежащих сравнению, и перенести центр внимания на углубленную проработку наиболее перспективных вариантов.

Отбор вариантов для заключительного анализа - операция, требующая глубокой эрудиции проектировщика, учета характеристик, назначения и района эксплуатации судна, сведений о выполненных вариантах, подобных проектируемому, об особенностях вариантов анализируемых технических решений, обстоятельствах сопутствующих их применению, положительных и отрицательных факторах, их весомости в составе комплексного свойства, о влиянии на комплексную эффективность, о существующих ограничениях и других факторах. Это сложная научно-техническая задача, требующая своего решения привлечения больших объемов информации, знаний, методов анализа совокупности показателей качества, как собственно энергетических комплексов, так и составляющего их энергетического оборудования и включающих их судов. Это процесс отбора вариантов на основе анализа ограниченной совокупности показателей качества и понимается как обоснование типа СЭУ. Варианты отбираются для последующего углубленного анализа с использованием более детализированных, но более трудоемких методов.

В настоящем поставлена задача выполнить анализ влияния совокупности проблем, понимаемых как тип СЭУ, на показатели эффективности водоизмещающих транспортных судов и обратного влияния характеристик судна на оптимальные показатели основных элементов энергетических комплексов. Следует учесть основной круг технических решений, среди которых следует искать наилучший вариант ЭУ проектируемого судна.

К совокупности технических решений, определяющих тип СЭУ, относят:

o  вид первичного источника энергии на судне;

o   род рабочего тела первичного двигателя;

o   тип и типоразмер главного судового двигателя;

o   тип и принципиальные конструктивные особенности движителя;

o   число и ограничения на размеры движителя;

o   способ передачи механической энергии от двигателя к движителю;

o   конструктивные особенности судового валопровода и его функциональных устройств;

o   наличие и тип устройства для трансформации частоты главного двигателя;

o   наличие и тип соединительных муфт;

o   тип реверсивного устройства;

o   схема использования потенциальной энергии выхлопных газов;

o   наличие и тип устройств для утилизации тепловых потерь;

o   схема комплектации и типоразмеры основного оборудования теплоэнергетической установки;

o   способ привода генераторов электрической энергии на основных режимах эксплуатации;

o   параметры тока, схемы комплектации и типоразмеры источников энергии;

o   способы комплектовки и комплекта основного оборудования энергетического комплекса на судне.

Перечисленные факторы оказывают определяющее влияние на технико-экономические и эксплуатационные характеристики СЭУ и судна в целом и обычно обосновываются на начальных стадиях проектирования судна. Указанные факторы последовательно проходят качественного анализа на основе рассмотрения существующей практики проектирования, существующих разработок и выполненных примеров, отбора для количественного сравнения, сравнения по отдельным показателям качества, комплексных оценок качества.

судовая энергетическая система дизель

1.  Описание судна

Лесовоз - специальное судно для перевозки круглого леса и пиломатериалов в трюмах и на верхней палубе.

Лесовозы - обычно - однопалубные суда с повышенной прочностью верхней палубы, люковых крышек и фальшборта.

Для обеспечения остойчивости лесовозы даже при полной загрузке принимают балласт.

2.  Исходные данные

Таблица 1

Тип судна

Лесовоз, проект 1590П

Название судна

Пионер Москвы

Мощность установки, Σ Ne , кВт

опред.

Дедвейт, DW, т

6780

Длина , L, м

119

Ширина, B, м

17,3

Высота борта ,H, м

8,5

Осадка , T, м

7,3

Скорость, V, узл

15,8

Экипаж, n, чел

31

Тип главного двигателя

5ДКРН 62/140

Мощность, N, л.с/кВт

6100/4500

Частота вращения гребного винта, n, об/мин

опред.

Дальность плавания, L, миль

3000

Автономность , А, сутки

30

Мощность электростанции на расчетном режиме, Р, кВт

опред.

Расход пара на общесудовые нужды и нужды силовой установки на расчетном режиме, В, кг/час

опред.

Район плавания судна

неограничен

Регистр - ледовое усиление

УЛ(ЛУ-5)


3.Состав оборудования установки

В настоящее время на судах различных типов широкое применение получили дизельные установки. Дизельные установки имеют наибольший КПД( до 50%) и сравнительно малые габариты. Малооборотные дизельные установки (МОД) отличаются от других энергетических установок высокой топливной экономичностью (возможностью использовать дешевых остаточных высоковязких топлив), хорошо приспособлены к автоматизации и унификации вспомогательного оборудования, высокой надежностью, отсутствием передач между двигателем и валопроводом, удобством обслуживания, невысоким уровнем шума и вибраций [1].

Для данного судна неэффективно использование в качестве СЭУ ПТУ, т.к. она развивает большую мощность и применяется на крупнотоннажных судах. ГТУ же применяется на СПК и кораблях ВМФ. Таким образом, наиболее целесообразно выбрать в качестве СЭУ для данного судна ДУ с МОД.

В состав ДУ с МОД входят : один или несколько главных МОД; судовые валопроводы, гребные винты, системы - топливная, масляная, газо-выпускная, пускового воздуха, охлаждения пресной и забортной воды, СЭС. Состоящие из дизельгенераторов, валогенераторов, распределительных щитов и кабельных коммуникаций, установки - вспомогательная, котельная, утилизационная[1].

На судах может быть как один, так и несколько валопроводов. На сухогрузах, лесовозах, танкерах и других судах преимущественно применяются одновальные установки с МОД мощностью до 30МВт. Одновальные установки имеют больший КПД гребного винта, большую скорость хода и более простую конструкцию.

В качестве привода вспомогательных механизмов применяем валогенератор переменного тока, т.к. такой генератор прост по конструкции, меньше по габаритам и более удобен в эксплуатации.

Способ реверса: реверс может быть обеспечен при ВФШ установкой главных реверсивных двигателей. При ВРШ реверс судна осуществляется поворотом лопастей винта.














Рис.1 Принципиальная схема СЭУ

На рисунке 1 изображена принципиальная схема СЭУ для данного судна: главный двигатель 5, обслуживаемый рядом систем(20 - сжатого воздуха, 21-охлаждения, 22-масляная, 23-топливная, 24-утилизации теплоты), через валопровод 2 передает мощность на гребной винт 1, с помощью которого судно движется. Утилизационная установка 7(работает на выпускных газах 6) вырабатывает либо механическую энергию, либо электрическую, либо водяной пар(теплоснабжение). Также в состав СЭУ входят вспомогательная котельная установка 9, судовая электростанция 11 и водоопреснительная установка 16. Также на схеме обозначены: 3-топливо. 4-воздух, 8-глушитель, 10-пар, 12-14-подвод энергии, 18-подвод морской воды, 19-подвод электроэнергии к механизмам систем СЭУ.

4.Выбор главного двигателя

Выбор главного двигателя зависит от потребляемой им мощности. Мощность установки может быть рассчитана по методу адмиралтейских коэффициентов:


где D - водоизмещение судна, т;

V - скорость судна на полном ходу в узлах     

С - адмиралтейский коэффициент(для одновинтовых грузовых судов около120м 650-700)

Водоизмещение определяется по формуле:


где DW - дедвейт судна, т.

Тогда мощность двигателя будет равна:


При выборе двигателя необходимо учитывать мощность, отбираемую от двигателя с учетом валогенератора. Она больше найденной эффективной мощности примерно на 15%:

Буксировочная мощность находиться:

NБ=R*V

где V - скорость судна;- сопротивление движению судна, которое определяется опытным путём в исследовательских бассейнах путём буксировки моделей. Поэтому определить её на этапе проектирования мы не можем.

По рассчитанной мощности NР=2181 кВт и Ne=1854 кВт выбираем главный двигатель из типоразмерного ряда.

Таблица 2

Типоразмерный ряд

№20

Фирма

MAN- Burmeister&Wein

Марка двигателя

L35MC

Мощность двигателя NР, кВт

2240

Мощность цилиндра NЦ, кВт

560

Число цилиндров ZЦ

4

Диаметр цилиндра DЦ

350

Ход поршня SЦ, м

1050

Частота вращения на режиме номинальной максимальной длительной мощности nmax, об/мин

210

Частота на нижней границе области допустимых режимов МДМ nmin, об/мин

178

Удельный расход топлива на режиме НМДМ be, кг/кВт*ч

0.177

Максимальное среднее эффективное давление Реmax , бар

18,4

Среднее эффективное давление на нижней границе области допустимых режимов МДМ Реmin , бар

14,7


Таблица 3 Массогабаритные характеристики двигателя

Масса четырехцилиндрового агрегата Gаб, т

50

Масса одного отсека цилиндра данного типоразмера Gц, т

12,5

Длина четырехцилиндрового агрегата Lаб, мм

3485

Расстояние между осями соседних цилиндров в блоке LМЦ, мм

697

Вертикальный физический габарит двигателя - расстояние от лап фундаментальной рамы до верхней точки газовыхлопного коллектора НГАБ, мм

4330

Ремонтный габарит двигателя - требуемое расстояние от плоскости опорных лап фундаментальной рамы до гака грузоподъемного устройства, используемого для выемки деталей цилиндропоршневой группы НРЕМ, мм

5200

Ширина по лапам фундаментальной рамы ВФР, мм

1980


Таблица 4 Характеристики систем двигателя L35MC

Насосы

Топливоциркуляционный насос м3/час

1,5

Топливоподающий насос м3/час

0,6

Насос системы охлаждения пресной водой м3/час

33

Насос системы охлаждения забортной водой м3/час

90

Главный масляный насос м3/час

60

Охладители

Воздухоохладитель

Теплоотдача воздухоохладителя, кВт

800


Расход морской воды м3/час

65

Маслоохладитель

Теплоотдача маслоохладителя , кВт

180


Расход морской воды м3/час

90

Охладитель пресной воды

Теплоотдача , кВт

350


Расход морской воды м3/час

23


Для данной СЭУ был выбран двигатель данной марки, т. к. он имеет относительно не-

большую длину, что позволяет уменьшить массу установки и сделать МО с меньшими га-

баритами и, следовательно, увеличить полезную площадь судна, предназначенную для перевозки грузов, что повышает рентабельность судна. При выборе типоразмера ДВС следует учитывать ограничение по высоте. Нужно выбирать агрегат с ремонтным габаритом, не превышающим высоты борта до главной палубы НБ, за вычетом высоты второго дна НДД, высоты набора палубы Ннаб размеров грузоподъемного устройства Нкр- крана или тельфера для выемки тяжёлых деталей двигателя при его ремонте.

Для данного двигателя выбираем:

1.топливо

Моторное топливо марки ДМ по ГОСТ 1667-68;

Моторное топливо марки ДТ-1 по ГОСТ 1667-68;

дизельное топливо марки ДС по ГОСТ 4 749-49.

.масло

Моторное масло М16Г2ЦС

5. Предварительный расчет гребного винта

В качестве движителя данного судна выбираем ВФШ.

Параметры гребного винта:

диаметр винта, D

-частота вращения винта, n

Из этих параметров, в зависимости от функциональной системы СЭУ, один может быть задан. Так, если в составе установки принят МОД с прямодействующей передачей на винт ( как в нашем случае), то расчет производится по формкле:


где DB-диаметр гребного вала

n-частота вращения гребного винта

Р - упор винта, который находится по формуле


где NБ-буксировачная мощность

V-скорость хода судна


где η’пр - пропульсивный КПД, принимаем равным 0,6

η’в - КПД валопровода, принимаем равным 0,97


Проверочный расчет:

Диаметр винта не должен превышать 0,65-0,75 от осадки судна:











Рис.2 Трехлопастной винт фиксированного шага

Рис.3 Схема кормового образования открытого типа

Рис.4 Схема кормового образования закрытого типа

Рис.5 Поворотная управляемая насадка

Рис.6 Схема расположения винта в неподвижной насадке

Рис.7 Расположение винта в кормовом подзоре тоннельного типа.

6. Принципиальные схемы энергетических систем СЭУ

.1 Топливная система

Топливная система предназначена для приёма, хранения, перекачки, очистки и подготовки топлива с последующей его подачей к двигателю. Большинство дизелей на основных режимах плавания работают на тяжёлых (вязких) сортах топлива. При запуске же, на переходных режимах и перед остановкой используют лёгкое (маловязкое) топливо. Поэтому в составе такой установки имеется 2 системы:

.Система лёгкого топлива, предназначенная для запуска и остановки ГД, а также для

работы вспомогательного оборудования.

.Система высоковязкого топлива для главного двигателя. В этой системе за циркуляционным насосом установлен подогреватель, обеспечивающий подогрев топлива до 90-140°С. Вдоль трубопроводов проложен паровой трубопровод, находящийся в общей изоляции с основным трубопроводом. В составе системы имеется 2 расходных цистерны на каждый вид топлива. Топливо из расходных цистерн к циркуляционным насосам подаётся топливо подкачивающими насосами. Основной запас топлива размещается в междудонных и бортовых цистернах.

Трубопровод для перекачки тяжелого топлива и легкого топлива для котла будет обуславливать прием топлива судовыми средствами, через станцию приема, перекачивающим электронасосом из цистерны основного запаса в отстойную цистерну (или из одной цистерны запаса в другую), выдачу топлива перекачивающим электронасосом на другие суда через станцию приема и выдачи топлива.

Трубопровод приема и перекачки дизельного топлива.

1.   Прием топлива средствами цистерны запаса через станцию приема и выдачи топлива.

2.       Перекачка топлива перекачивающим насосом из цистерны основного запаса на другие суда через станцию приема и выдачи топлива.

.        Перекачка топлива перекачивающим насосом из носовой цистерны основного запаса в кормовую.

.        Подача топлива из цистерны запаса в отсторасходную цистерну в резервном случае.

Трубопровод сепарации и заполнения расходных цистерн обеспечивает:

1.   Заполнение сепараторов расходных цистерн тяжелым топливом из отстойной и переливной цистерн.

2.       Заполнение сепараторов расходных цистерн легким топливом и расходных цистерн аварийного дизель-генератора из кормовой цистерны основного запаса легкого топлива.

.        Резервное заполнение топливоперекачивающего насоса дизельного топлива расходной цистерны дизельного топлива и расходной цистерны дизель-генератора.

.        Заполнение насосом грязного топлива и масла расходной цистерны котла из цистерны грязного топлива и масла из цистерны основного запаса тяжелого топлива.

Трубопровод подачи топлива главного двигателя обеспечивает:

1.   Прием топлива топливоподкачивающим насосом из расходных цистерн легкого и тяжелого топлива через смеситель.

2.       Подачу топлива к форсуночным насосам главного двигателя.

.        Возврат избытков топлива в смеситель или расходные цистерны тяжелого топлива.

Трубопровод подачи топлива в дизель-генератор обеспечивает:

1.   Подачу топлива к вспомогательным дизель-генераторам из расходных цистерн.

2.       Подачу топлива к аварийному дизель-генератору из отдельной цистерны.

Трубопровод подачи топлива к котлу обеспечивает:

. Прием топлива форсуночным насосом топлива из расходной цистерны.

. Подачу топлива насосом к форсункам котла из расходной цистерны.

3.   Отвод избытков топлива в расходные цистерны и цистерны грязного топлива.

Трубопровод грязного топлива обеспечивает:

1.   Отвод загрязненных протечек топлива в сток из поддонов в цистерну грязного топлива и масла.

2.       Отвод продуктов сепарации в цистерну шлама.

.        Откачка из цистерн грязного топлива в цистерны шлама.

Рис.8 Принципиальная схема топливной системы.

Цифрами на рисунке обозначены:

-ДВС

- вентиляционная цистерна

- расходная цистерна тяжёлого топлива

- расходная цистерна лёгкого топлива

- переключающий клапан

- топливоподающий насос

- топливо-циркуляционный насос

- подогреватель топлива

- топливный фильтр (сепаратор)

Насосы выбираем по известной подаче из типоразмерного ряда характеристик вспомогательного оборудования главного двигателя.

Таблица 5 Основные характеристики топливоподающего насоса

Марка

ШФ 0.8-25-0.58/25Б

действительная подача м3/ч

0,58

давление нагнетания MПa

2,50

Частота вращения  об/мин

1430

Мощность привода кВт

1

длина мм

590

Ширина мм

217

Высота мм

245

Масса сухая  кг

26

Масса рабочая кг

26,2


Таблица 6 Основные характеристики топливо-циркуляционного насоса

 Марка

ШФ 5-25-3.6/4Б-13

действительная подача м3/ч

3,60

давление нагнетания MПa

0,40

Частота вращения об/мин

1450

Мощность привода кВт

2,2

длина мм

825

Ширина мм

397

Высота мм

355

Масса сухая кг

60

Масса рабочая кг

60,5

.2 Циркуляционная система смазки

Эта система предназначена для смазки и отвода теплоты от трущихся поверхностей двигателя, газораспределительного механизма, дейдвудных, опорных и упорных подшипников, валопроводов, охлаждения поршней дизелей, а также для приёма, хранения, перекачивания, подогрева и очистки масла. Для данного судна целесообразно применить напорную систему смазки, она предусматривает циркуляцию масла под давлением, создаваемым главным масляным насосом по замкнутому контуру.

Трубопровод сепарации и подачи масла обеспечивает:

1.   Подачу масла из цистерн основного запаса в сепаратор и самотеком в циркуляционную цистерну главного двигателя.

2.       Сепарацию масла в циркуляционных цистернах и цистернах основного запаса главного двигателя и дизель-генератора.

.        Перекачку масла из цистерн главного двигателя в цистерну отработанного масла.

.        Отвод масла из картера дизель-генератора в цистерну отработанного масла самотеком.

.        Подача масла, через сепаратор, из цистерны отработанного масла в цистерну основного запаса.

.        Сток из поддонов в цистерны грязного топлива и масла.

.        Откачку с судна масла из цистерны основного запаса, циркуляционной и отработанного масла.

.        Прием масла в цистерну основного запаса через станции приема топлива и масла.

Циркуляционный масляный трубопровод обеспечивает:

1.   Прием масла электронасосом из циркуляционной цистерны главного двигателя и подачу через маслоохладитель к главному двигателю.

2.       Отвод масла из главного двигателя в циркуляционную цистерну.

.        Подачу масла из циркуляционной цистерны дизель-генератора на смазку и прокачку перед пуском.

.        Откачку масла картеров дизель-генераторов в циркуляционные цистерны и перелив обратно в картер.

На циркуляционный масляный трубопровод главного двигателя будет установлен фильтр, очищаемый сжатым воздухом (очистка фильтра будет обеспечиваться без прекращения работы системы циркуляционной смазки). Подача масла к лубрикаторам будет производиться самотеком из цистерны запаса циркуляционного масла, а подача масла к подшипникам валопровода из специальной напорной цистерны.

Система водяного охлаждения.

Охлаждающий трубопровод пресной воды обеспечивает:

1.   Циркуляцию воды в системе охлаждения цилиндров, поршней и форсунок главного двигателя и системе охлаждения дизель-генератора, с прокачкой ее через холодильник охлаждения цилиндров и поршней главного двигателя, через водоохладитель вспомогательного дизель-генератора, и через контрольную цистерну системы охлаждения форсунок.

2.       Подачу воды на заполнение системы охлаждения из цистерн котельной и мыльевой воды.

.        Ввод присадок в охлаждающую воду из растворной цистерны.

.        Отвод пароводяной смеси из системы охлаждения.

Рис.9 Циркуляционная система смазки

Цифрами на рисунке обозначены:

- сточно-циркуляционная цистерна

- главный масляный насос

- маслоохладитель

- система регулирования температуры масла

- фильтр масла

Основные характеристики главного Масляного насоса:

Для обеспечения необходимой подачи применяем два главных масляных насоса (один из которых резервный).

Таблица 7 Основные характеристики масляного насоса

Марка

ЗВ 125/16-3-80/4Б

действительная подача м3/час

80

давление нагнетания MПa

0,4

Частота вращения  об/мин

1500

Мощность привода кВт

22

длина  мм

565

Ширина  мм

675

Высота мм

1490

/Масса сухая  кг

560

Масса рабочая кг

575


Вместимость системы смазки МОД 1,25 л/кВт. Кратность циркуляции 17 1/час.

Для выбора маслоохладителя необходимо знать поверхность теплообмена. Найдём её по

следующей зависимости:


NM=180кВт-теплоотдача главного маслоохладителя

K=1.2-коэффициент теплообмена

ΔtTA-разность температур между маслом и забортной водой


СМ=1,72 кДж/(кг0С)-теплоемкость масла

ВМ=60м3/час - расход масла

γМ=930 кг/м3-плотность масла

Выбираем маслоохладитель по поверхности теплообмена

Таблица 8 Основные характеристики маслоохладителя

Марка

ОКН 15.8-420-6

Поверхность теплообмена м2

15,8

Расход забортной воды  кг/с

20,7

Расход масла кг/с

8,3

Давление воды в рабочей полости MПa

1

Давление масла в рабочей полости МПа

1,6

Гидравлическое сопротивление по воде  МПа

0,08

Гидравлическое сопротивление по маслу МПа

0,026

Длина мм

1110

Ширина мм

600

Высота мм

695

Масса (брутто)  кг

750


Рис.10 Схема циркуляционной масляной системы

Циркуляция масла осуществляется масляными насосами 4, которые обеспечивают прокачку масла через фильтры 5и 3, маслоохладитель 2 и узлы трения ГД1. Для поддержания температуры масла параллельно маслоохладителю включена обводная линия с терморегулирующим клапаном.

.3 Система охлаждения

Предназначена для отвода теплоты от различных механизмов, устройств, приборов и рабочих сред в теплообменных аппаратах. Для данного типа двигателя в качестве рабочей среды используется пресная вода. Она по сравнению с другими охлаждающими средствами обладает большей теплоемкостью и высоким коэффициентом теплоотдачи(при скоростях 0,25-0,5 м/с). Пресная вода содержит значительно меньше солей, чем забортная. Во избежание загрязнения охлаждающих поверхностей и их разрушению пресную воду подвергают соответствующей обработке: снижают общее солесодержание, жесткость, удаляют различные механические примеси. На рисунке 11 представлена принципиальная схема системы охлаждения для данного судна пресной водой.

Рис.11 Система охлаждения дизельной СЭУ пресной водой.

1-.     ДВС

2-.     Деаэратор

-.       Расширительная цистерна

-.       Циркуляционные насосы

-.       Вакуумная опреснительная установка

-.       Водоохладитель пресной воды

-.       Подогреватель воды

-.       Система регулирования температуры воды

-.       Воздухоохладитель

10-.    Температурный датчик

Охлаждающий трубопровод пресной воды обеспечивает:

1-.     Циркуляцию воды в системе охлаждения цилиндров, поршней и форсунок главного двигателя и системе охлаждения дизель-генератора, с прокачкой ее через холодильник охлаждения цилиндров и поршней главного двигателя, через водоохладитель вспомогательного дизель-генератора, и через контрольную цистерну системы охлаждения форсунок.

2-.     Подачу воды на заполнение системы охлаждения из цистерн котельной и мыльевой воды.

-.       Ввод присадок в охлаждающую воду из растворной цистерны.

-.       Отвод пароводяной смеси из системы охлаждения.

Трубопровод охлаждения забортной водой обеспечивает:

1-.     Прием воды электронасосом через фильтры из бортового и днищевого кингстонов или балластной цистерны.

2-.     Прокачку воды в охладителе масла и воздухоохладительных установок и компрессоров.

-.       Подачу воды на уплотнение шламового электронасоса.

-.       Отлив охлаждающей воды в бортовые отверстия, кингстонные ящики и балластные цистерны.

Система сжатого воздуха обеспечивает:

1-.     Заполнение от электрических компрессоров пусковых баллонов главного двигателя и вспомогательных дизель-генераторов.

2-.     Подачу воздуха из пусковых баллонов в пусковые устройства.

-.       Подачу воздуха из пусковых баллонов главного двигателя в систему управления главным двигателем.

-.       Подачу сжатого воздуха из баллонов главного двигателя на тифоны, питание автономной системы кондиционирования, пневматику цистерн, продувку змеевиков подогрева и пр.

Насос пресной воды выбираем по известной подаче из типоразмерного ряда характеристик вспомогательного оборудования ГД.

Таблица 9 Основные характеристики насоса пресной воды

Марка

НЦВ 40/30 Б |

Действительная подача, м3/час

40

Напор Дж/кг

300

Частота вращения об/мин

3000

Мощность привода, кВт

7,5

Минимальная подача , м3/час

23

Максимальная подача, м3/час

44

Длина, мм

950

Ширина, мм

465

Высота, мм

470

Масса, кг

174


Рис.12 Система охлаждения двигателя забортной водой

Таблица 10 Основные характеристики насоса забортной воды

Марка

НЦВ100/20 А

Действительная подача, м3/час

100

Напор Дж/кг

200

Частота вращения об/мин

3000

Мощность привода, кВт

11

Минимальная подача , м3/час

59

Максимальная подача, м3/час

112

Длина, мм

910

Ширина, мм

465

Высота, мм

385

Масса, кг

189


Для выбора охладителя пресной воды необходимо знать поверхность теплообмена. Найдём её по следующей зависимости:


NM=350кВт-теплоотдача главного маслоохладителя

K=2-коэффициент теплообмена

ΔtTA-разность температур между маслом и забортной водой


Сзв=3,84 кДж/(кг0С)-теплоемкость забортной воды

Взв=90м3/час - расход забортной воды

γзв=1020 кг/м3- плотность забортной воды

Спв=4,18 кДж/(кг0С)-теплоемкость пресной воды

Впв=33м3/час - расход пресной воды

γпв=1000 кг/м3- плотность пресной воды

Выбираем маслоохладитель по поверхности теплообмена

Таблица 11 Основные характеристики водоохладителя

Марка

ОПВ-8-1

Поверхность теплообмена м2

8

Расход забортной воды  кг/с

3,8

Расход пресной воды кг/с

2,5

Давление забортной воды MПa

4

Давление пресной воды МПа

0,8

Гидравлическое сопротивление по забортной воде  МПа

0,03

Гидравлическое сопротивление попресной воде МПа

0,05

Длина мм

1115

Ширина мм

535

Высота мм

535

Масса (брутто)  кг

230


6.4 Система сжатого воздуха

В дизельных установках сжатый воздух необходим для пуска главных и вспомогательных двигателей, используется для работы тифона и сирены, для питания некоторых систем автоматического управления и пневмоинструмента. А также подаётся на заполнение пневмоцистерн и воздушно-пенных аппаратов, продувание кингстонов и прочие нужды. Для пуска главных двигателей в системе предусмотрено два баллона равной емкости. Емкость данных баллонов для данного реверсивного ДВС обеспечивает до 12 пусков. В системе также имеется два компрессора, их производительность должна обеспечивать заполнение пусковых баллонов главного двигателя в течение часа. В системе два компрессора.

Система сжатого воздуха обеспечивает:

1.   Заполнение от электрических компрессоров пусковых баллонов главного двигателя и вспомогательных дизель-генераторов.

2.       Подачу воздуха из пусковых баллонов в пусковые устройства.

.        Подачу воздуха из пусковых баллонов главного двигателя в систему управления главным двигателем.

.        Подачу сжатого воздуха из баллонов главного двигателя на тифоны, питание автономной системы кондиционирования, пневматику цистерн, продувку змеевиков подогрева и пр.

Рис.13 Система сжатого воздуха

-двс

- пусковой компрессор

- баллон сжатого воздуха для пуска дизель-генератора

-баллоны пускового воздуха главного двигателя

- компрессоры высокою давления

Рабочий объем цилиндров находится по формуле:


Удельный расход свободного воздуха на 1 м3 объема цилиндра принимаем равным ν=7м3 воздуха /м3 объема цилиндра. Число пусков реверсивного двигателя z =12. Количество свободного воздуха на 12 пусков V0:


Суммарный объем баллонов ΣVБ

Таблица 12 Основные характеристики компрессора

где Р0-давление окружающего воздуха, МПа

Рр - принятое рабочее давление, МПа

Рmin - минимальное давление, при котором может запуститься двигатель, МПа

Марка

Н-64

Производительность м3/час

100

Давление воздуха, МПа

2,94

Мощность, кВт

22

Длина, мм

1420

Ширина, мм

805

Высота, мм

1200

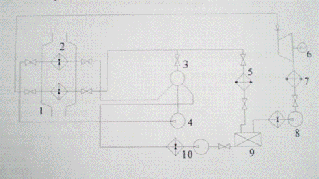
6.5 Система утилизации теплоты       

Система служит для уменьшения суммарного расхода теплоты, т.е. для повышения экономичности установки в ходовом режиме.

Рис.14 Система утилизации теплоты

1 - пароперегревающая секция утилизационного парогенератора

- экономайзерная секция утилизационного парогенератора

- сепаратор

- циркуляционный насос утилизационного парогенератора

- потребители насыщенного пара общесудового назначения и в составе СЭУ

- утилизационньий турбогенератор

У - конденсатор утилизационного парогенератора

- конденсатный насос

- цистерна сбора горячих конденсатов

,11 - подогреватели питательной воды

Для выбора утилизационного турбогенератора необходимо рассчитать его паропроизводительность по формуле:


Gотр.г=69000 кг/ч- расход отработавших газов;

- температура отработавших газов на входе из УП;

- температура отработавших газов на выходе из УП;

 Дж/(кг*К)- средняя массовая изобарная теплоёмкость выпускных газов;

iпара=2849,2 кДж - энтальпия пара;

iпит.воды=188,5 кДж -энтальпия питательной воды;


Найдём мощность утилизационного парогенератора:


где dуд.п - удельный расход пара 7-7,5(кг/кВт*час)

Таблица 13 Основные характеристики утилизационного парогенератора

Марка

КУП9ОСИ (с искрогасителем)

Паропроизводительность, кг/ч

2500

Рабочее давление пара, МПа

1

Поверхность нагрева, м2

89

Масса сухого котла , т

8

Масса котла с водой, т

8,5

Ширина, мм

2730

длина , мм

2705

Высота, мм

4770

.6 Система газовыпуска

Служит для отвода в атмосферу отработавших газов от ГД и ВД и паровых котлов. Каждый дизель должен иметь отдельный газопровод, по которому газы выводятся в общую дымовую трубу, расположенную над надстройками судна.

Газовыхлопной трубопровод обеспечивает отвод выхлопных газов в атмосферу для каждого двигателя, а газовыхлопной трубопровод от главного двигателя и вспомогательного дизель-генератора будет выводиться через дымовую трубу.

Газовыхлопной трубопровод от аварийного дизель-генератора выводится на шлюпочную палубу. Выхлопные газы выводятся через утилизационный котел, а через глушитель от вспомогательных о аварийных дизельгенераторов. Дымоход котла будет обеспечивать отвод газов в атмосферу и будет выведен через дымовую трубу.

Рис.15 Схема газовыпуска ДУ

1-ДГ; 2- ГГ; 3 - опора (подвеска);

- вспомогательный котел;

- искрогаситель паровой;

- глушитель-искрогаситель

,8- жалюзи естественной вентиляции кожуха дымовой трубы, соответственно выходные и входные;

- вентилятор вдувной;

-УК;

- компенсаторы.

7. Расчёт судовой электростанции

.1 Выбор дизель-генераторов

Для выработки электроэнергии на ходовом и стояночном режиме на всех судах с дизель-

ной установкой используют дизель-генераторы, так как они обладают рядом преимуществ

перед другими типами генераторов:

1.   хорошей ремонтопригодностью;

.     высоким КПД двигателя-дизеля;

.     высокой готовностью к пуску и приёму загрузки;

.     способностью работы на дешёвых средневязких и высоковязких сортах топлива;

.     низкой относительной массой ДГ.

Согласно требованиям Регистра МФ РФ на морском судне должно быть не менее двух одновременно работающих генераторов, плюс один резервный, а так же один аварийный дизель-генератор с высоконадёжным пуском, который вместе с распределительным щитом, топливной цистерной и другим оборудованием размещают в отдельном помещении, находящемся выше уровня переборок и имеющем выход на открытую палубу. Рекомендуется, чтобы все 3 ДГ были одинаковой мощности, и загрузка каждого работающего ДГ в каждом режиме была бы наиболее полной - не менее 75% от номинальной мощности. Мощность аварийного ДГ выбирается достаточной для обеспечения электроэнергией всего оборудования, работа которого необходима во время аварии (пожарный насос, аварийное освещение, рулевой привод, связь и др.) и обычно составляет 100 кВт.

На каждом судне имеется достаточно много потребителей электроэнергии: электродвигатели механизмов, нагревательные и осветительные приборы, средства судовождения и связи. Основными элементами электростанции являются: источники энергии (первичные двигатели и генераторы тока), распределительные устройства и электрическая сеть, мощность судовых электростанций составляет 10-20% от мощности главных агрегатов. При этом рассматривают следующие режимы судна:

1.   ходовой режим;

.     стоянка без грузовых операций;

.     стоянка с грузовыми операциями;

.     режим маневрирования.

Для выбора ДГ необходимо знать потребляемую им мощность на каждом из режимов:

. Ходовой режим

Лето:

Зима:

 2. Стоянка без грузовых операций

Лето:

Зима:

3. Стоянка с грузовыми операциями


где n - число грузовых лебёдок (для лесовоза n = 12);=5 т - грузоподъёмность одной лебёдки;= 70 м/мин - скорость подъёма груза.

Тогда мощность электростанции на стоянке с грузовыми операциями будет равна:

Лето:

Зима:

4. Режим маневрирования


После расчёта нагрузок электростанции на основных режимах работы судна выбираем максимальную мощность и для неё подбираем дизель-генератор. Максимальной будет мощность на стоянке с грузовыми операциями летом N = 569 кВт. Выбираем 3 дизель-генератора, два из которых являются одновременно работающими, а третий - резервным.

Таблица 14 Характеристики основного дизель-генератора

Марка

6ДГ50М1

Мощность генератора, кВт

600

Удельный расход топлива, кг/кВт*ч

0,224

Удельный расход масла, г/КВт*ч

4,2

Масса, т

22,8

Длинна, мм

6652

Ширина, мм

1577

Высота, мм

2520


Таблица 15 Характеристики резервного дизельгенератора

ДГР1А100/750-1 ОМЗ ОМЗ

Мощность генератора, кВт

100

Удельный расход топлива, кг/кВт*ч

0,222

Удельный расход масла, г/кВт*ч

2,4

Масса , т

5,58

Таблица 16 Основные характеристики подогревателей топлива

Марка

СНП 1

Длина трубок, м

1

Максимальный расход топлива, кг/ч

330

Максимальное давление пара, MПa

2,9

Потери давления топлива, MПa

0,005

Длина подогревателя, мм

920

Сухая масса, кг

56

Условный проход пара, мм

20

Условный проход топлива, мм

20


Таблица 17 Основные характеристики подогревателей масла

Марка

ПН

Поверхность нагрева, м2

5

Максимальный расход топлива, кг/ч

5750

Максимальное давление пара, MПa

2,9

Потери давления топлива, MПa

0,175

Длина подогревателя, мм

1460

Сухая масса, кг

430

Условный проход пара, мм

25

Условный проход топлива , мм

40

.2 Выбор вспомогательного парогенератора

Пар в основном используется для отопления. при этом различают основные нагрузки вспомогательного парогенератора:

система вентиляции машинного отделения;

система общесудовой вентиляции;

хозяйственно-бытовые потребители;

обогрев топливных и масляных цистерн;

система парового отопления;

подогрев топлива и масла.

Система вспомогательного пара.

Трубопроводы вспомогательного и утилизационного котлов обеспечивают:

1.   Подачу пара на хозяйственно-бытовые нужды и отопление.

2.       Подачу пара на подогрев топлива, масла, воды в теплообменных аппаратах и цистернах.

.        Подачу пара на продувку донной и бортовой арматуры и кингстонных ящиков.

Конденсатно-питательная система.

Трубопровод питательной воды обеспечивает:

1.   Подачу питательной воды из деаэратора во вспомогательный котел и сепаратор пара.

2.       Подачу воды из сепаратора пара в утилизационный котел.

.        Ввод присадок фосфата и нитрата в питательную воду.

.        Подачу воды в систему автоматического регулирования котлов.

Трубопровод конденсата обеспечивает:

1.   Отвод конденсата от теплообменных аппаратов и змеевиков обогрева цистерн через фильтры контрольной цистерны и конденсатоотводчик в деаэратор.

2.       Отвод конденсата от конденсатора в деаэратор.

Трубопровод перекачивания питательной воды обеспечивает:

1.   Подачу воды из цистерны запаса на заполнение вспомогательного котла, сепаратор пара, теплого ящика цистерны мокрого хранения котла и расширительной цистерны главного двигателя.

Трубопровод опреснительной установки обеспечивает:

1.   Подачу забортной воды к водоопреснительной установке и отвод воды за борт.

2.       Подачу пресной воды от системы охлаждения главного двигателя к водоопреснительной установке и ее отвод обратно в систему.

.        Отвод дистиллята от опреснительной установки в цистерну запаса питьевой и мытьевой воды.

Для приближённой оценки потребляемого пара на судовые нужды морских транспортных судов (в зимний период) можно приближённо определить по формуле:


Выбираем 2 вспомогательных паровых котла.

Таблица 18 Основные характеристики вспомогателных паровых котлов

Марка КВВА2,5/5

КВВА2,5/5

Паропроизводительность, т/ч

2,5

давление пара, МНа

0,7

Газовое сопротивление, MHa

0,0012

КПД, %

82

Ширина, мм

2164

Длина, мм

2460

Высота, мм

3400

Масса сухая, т

5,6

Масса рабочая, т

6,7

Поверхность испарения. м2

77

8. Расчёт энергетических запасов

Время эксплуатации судна:


где Тх - время на ходу

Тм- время, затрачиваемое на маневрирование

Тст- время стоянки


где L - дальность плавания, милиs - скорость судна, узлы

Кv= 0,84+0,85

 

Расход топлива:


Запас тяжелого топлива:


Запас легкого топлива:


Объем цистерны тяжелого топлива:


Кз = 1,07+1,15

Ρтт= 973 кг/м3 - плотность тяжелого топлива

Объем цистерн легкого топлива:


К3 =1,07+1,15

Ρлт= 930 кг/м3 - плотность легкого топлива

Циркуляционное масло ГД:

- расход циркуляционного масла- количество цилиндров

аГД - количество смен масла за рейс

Годовой запас циркуляционного масла:

 

Цилиндровое масло:


Объем цистерн цилиндрового масла:

      

Масло на ДГ:


Запасы пресной воды:

Современные суда оборудованы водоопреснительными установками, производительность которых достаточна для удовлетворения потребности судна в пресной воде. Поэтому на судно принимается только аварийный запас пресной воды, который составляет 4+8% от запаса топлива.

9. Расположение оборудования














Рис.16

Похожие работы на - Проектирование дизельной установки для лесовоза пр. 1590П

 

Не нашли материал для своей работы?
Поможем написать уникальную работу
Без плагиата!
Без нейросетей!