Теорія електропривода

  • Вид работы:
    Реферат
  • Предмет:
    Физика
  • Язык:
    Украинский
    ,
    Формат файла:
    MS Word
    555,41 Кб
  • Опубликовано:
    2016-02-12
Вы можете узнать стоимость помощи в написании студенческой работы.
Помощь в написании работы, которую точно примут!

Теорія електропривода

ТЕОРІЯ ЕЛЕКТРОПРИВОДА

Структура автоматизованого електропривода

автоматизований електропривод слідкувальний керування

Рис. 1. Структура електропривода

З - задавач; К - керувач; ПП - підсилювач-перетворювач; ЕД - електродигунний  пристрій; Р - редуктор; ЗЗ - зворотній зв’язок; ОР - об’єкт регулювання.

Електропривод (ЕП) - електромеханічна система, що складається з електродвигунного, перетворюючого, передавального і керуючого пристроїв, призначена для приводу в рух допоміжних органів робочої машини і керування цим рухом.

Електродвигунний пристрій       (ЕД) - призначений для перетворення електричної енергії у механічну з метою механічної дії на об’єкт регулювання (ОР).

Перетворювач - пристрій, що перетворює рід струму (напруги), частоту і змінює показники якості електричної енергії. Оскільки обов’язковою функцією цього пристроює підсилення сигналу, то часто його називають підсилювач-перетворювач (ПП) або просто підсилювачем.

Передавальним - є пристрій (редуктор Р) що передає механічну енергію від ЕД до виконавчого органу робочої машини і узгодження виду та швидкості їх руху.

Керувач (К) призначений для управління пертврорювачем, електродвигунним і передававачем шляхом порівняння інформації, що надходить від задавача (З), та інформації про стан системи, яка надходить по ланцюгу зворотного зв’язку (ЗЗ).

Об’єкт регулювання (ОР) - об’єкт, на який спрямовується механічна дія електроприводу.

Класифікація електроприводів

Розрізняють наступні види електроприводів (рис. 2):

за струмом: - ЕП постійного струму з ЕД постійного струму та ЕП змінного струму з ЕД змінного струму;

за структурою: - розімкнутий (без зворотного зв’язку), замкнутий та комбінований;

повиду ПП: - транзисторний (перетворювач - транзисторний підсилювач), тиристорний (перетворювач пристрій - тиристорний); електромашинний (перетворювач - електромашинний підсилювач), система „керуючий випрямляч - двигун” (КВ-Д) (перетворювач - регульований випрямляч або регульований випрямляч та інвертор; система „генератор-двигун” (Г-Д) (перетворювач - електромашинний перетворювач);

по типу передавача - редукторний (передавач містить редуктор); без редукторний; електрогідравлічний (містить електрогідравлічний пристрій); і з електромагнітною порошковою муфтою (ЕПМ), що виконує роль передаточного механізму;

по характеру зміни параметрів - ЕП - нерегульований, (параметри змінюються від збурюючи впливів); і регульований (параметри змінюються тільки під дією керуючого пристрою).

Найбільш досконалим видом регульованого ЕП є автоматизований ЕП, що визначається як регульований ЕП з автоматичним регулюванням параметрів. Автоматизований ЕП будується по замкнутому циклу регулювання, основаному на порівнянні інформації, що надійшла з зовні від задавального пристрою (ЗП) з інформацією про регульований параметр. Подальшу класифікацію ЕП розглядатимемо тільки стосовно автоматизованого ЕП;

по роду задачі регулювання розрізняють ЕП із стабілізова ним параметром, програмно-керований і слідкувальний.

Рис. 2 Класифікація електропривода

Рис. 3 ЕП зі стабілізованим параметром

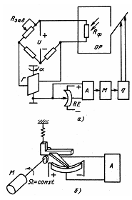
ЕП із стабілізованим параметром служить для підтримки будь-якого параметру на заданому рівні. Наприклад, для підтримання рівня освітлення в об’єкті регулювання можна застосувати ЕП, представлений на рис. 3,а. Регулюючим органом в об’єкті регулювання ОР є шторки, кутове положення яких визначає світловий потік. Керуючий пристрій виконаний у вигляді мостової схеми, в одне плече якого ввімкнено фоторезистор  для вимірювання фактичного освітлення. В суміжне плече ввімкнено реостат  для задання рівня освітлення.

Налаштування моста здійснюється по струму гальванометра , ввімкненого у вимірювальну діагональ. Якщо освітлення дорівнює заданому, то струм гальванометра дорівнює нулю. При відхиленні освітлення від заданого значення через гальванометр проходить струм, що створює обертовий момент і обертає рамку гальванометра. Разом з рамкою обертається жорстко з нею зв’язаний важіль потенціометра , що перетворює кутове переміщення рамки в електричний сигнал. Сигнал з потенціометра, підсилений підсилювачем , приводить в дію електродвигун . Останній з допомогою редуктора  привідкриє або закриє шторки діафрагми  в залежності від відхилення освітлення.

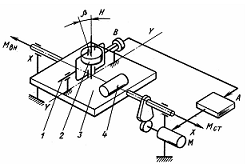
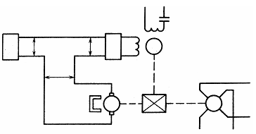
Програмно-керований ЕП служить для зміни того чи іншого параметру по наперед заданій програмі. Прикладом може бути привод копіровально-фрезерного верстату (рис. 4). Програма у верстаті задається профілем шаблону , виконаного по формі готової деталі. Шаблон переміщується в горизонтальному напрямку зі швидкістю  і піднімає щуп . Переміщення щупу з допомогою рейкової пари  і сельсина  перетворюється в електричний сигнал і надходить в , в якому цей сигнал порівнюється з сигналом сельсина , що дає інформацію про положення фрези . При наявності неузгодження сигнал похибки підсилюється підсилювачем  і надходить на електромеханічний перетворювач , який переміщує золотник розподільника . Порожнини гідро циліндра  з’єднуються з джерелом живлення таки чином, що поршень починає рухатися в бік зменшення неузгодження, переміщуючи фрезу по заготовці  у вертикальному напрямку.

Рис. 4 Програмно-керований ЕП

Необхідною умовою правильного технологічного процесу обробітку є забезпечення синхронності переміщення шаблону і заготовки в горизонтальному напрямку, тобто рівність швидкостей .

Оскільки фреза „слідкує” за положенням щупа, то заготовка перетворюється в деталь заданої форми з деяким допуском, що визначається похибкою роботи ЕП і точністю шаблона. Необхідність виготовлення нового шаблону утруднює перехід від обробітку на верстаті деталей одного виду до обробки деталей іншого виду. Заміна шаблону програмою, записаною на перфо- або магнітній стрічці, усунула вказаний недолік і привела до створення верстатів з числовим програмним керуванням (ЧПК). Верстати з ЧПК одержали розповсюдження в метало оброблюваній промисловості, де вони дозволяють одержувати деталі складної форми при високій точності і продуктивності.

Рис. 5 Функціональна схема СП.

 

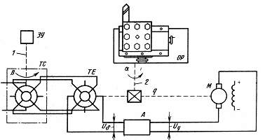
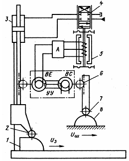
Слідкувальний електропривод (СП) відпрацьовує зміни вихідного параметру у відповідності з сигналом, що довільно змінюється. На рис. 5 показано схему СП, що керує положенням супорта верстату. Головна задача СП - узгодження обертання двох валів, що не пов’язані між собою механічно. Вхідний вал , що обертається від задавального пристрою  на пульті керування, називається задавачем, а закон його руху - керуючим. Вихідний вал , що повторює рух задавального валу і пов’яза-ний з  (супортом верстата), називається виконуючим або слідкувальним. Від різниці  кутових положень задавального і виконуючого валів залежить керуючий сигнал, одержаний з допомогою вимірювача розузгодження на двох обертових трансформаторах (ОТ). Один ОТ (давач ТС) пов’язаний з задавальним валом, другий ОТ (приймач ТЕ) пов’язаний з виконавчим валом.

Напруга розузгодження , що знімається з ВТ-приймача і пропорційна різниці , надходить на вхід підсилювача , а далі подається на виконавчий двигун . Двигун через редуктор  переміщує супорт верстата і одночасно ВТ-приймач в напрямку зменшення похибки розузгодження. В момент, коли супорт досягає розузгодження положення , напруга  стає рівною нулю, і двигун зупиняється.

По виду управляючого сигналу ЕП поділяється на ЕП з неперервним керування та ЕП з дискретним керуванням.

ЕП з неперервним управлінням характеризується неперервним по часу формуванням і передачею керуючого сигналу і регулюванням частоти обертання ЕД за рахунок плавної зміни напруги, підведеної від джерела живлення.

Будова та принцип роботи такого приводу були розглянуті на прикладі регулятора освітлення. Суттєвим недоліком такого ЕП є наявність моменту тертя в потенціометрі (між щіткою і обмоткою), спів розмірного з моментом обертання гальванометра. Момент тертя понижує чутливість гальванометру і збільшує статичну похибку ЄП.

Для послаблення впливу навантаження і зменшення похибки вводять дискретний елемент у вигляді підпружиненої падаючої дужки. Дужка жорстко пов’язана з рушієм потенціометра і доторкається нижньою площиною поверхні кулачка, що обертається. В момент, коли кулачок займає положення, вказане на рисунку, рушій опускається на потенціометра і відбувається миттєве зняття сигналу. На підсилювач  керуючий сигнал надходить у вигляді імпульсу, а оскільки кулачок обертається з постійною швидкістю, то імпульси надходять періодично. Керуючий сигнал набуває дискретного характеру, а зміна частоти обертання ЕД досягається шляхом періодичного підключення (при наявності імпульсу) і відключені його (при відсутності імпульсу) від джерела струму.

Завдяки імпульсному зняттю сигналу потужність, що споживає ЕП знижується, а статична точність підвищується, оскільки в такому ЕП рушій потенціометру переміщується без навантаження і не впливає на гальванометр.

Привод, в якому управляючий сигнал формується і передається в дискретні моменти часу, називається приводом з дискретним керуванням. Якщо керуючий сигнал представляє собою періодичну послідовність імпульсів, то ЕП називається імпульсним. Якщо ширина імпульсу непостійна і формування імпульсу залежить від певного рівня керуючого сигналу, то такий ЕП є релейним. І, на кінець, якщо керуючий сигнал має цифрову форму, то ЕП називається цифровим.

Застосуванням вказаних методів керування можна добитися неперервного або перервного руху вихідного вала. За вказаною ознакою розрізняють ЕП неперервної та дискретної дії. Неперервний метод керування забезпечує тільки неперервне відпрацювання, а релейний - тільки дискретну. При імпульсному методі керування можливі обидва види руху вихідного вала в залежності від частоти надходження імпульсів або від типу ЕД. Якщо частота імпульсів велика. Рух валу неперервний, оскільки ЕД внаслідок інертності не встигає реагувати на керуючий сигнал. При низькій частоті імпульсів руху вихідного валу може бути переривчастим.

І, на кінець, застосування крокового двигуна в якості ЕД забезпечує оберт вала на строго фіксовані кути (дискретний обробіток).

Поділ ЕП на лінійні та нелінійні призводять в залежності від математичного опису руху приводу (його диференціального рівняння). Елементи, що входять в ЕП, також поділяють на лінійні і нелінійні. До лінійних відносять ті елементи, які характеризуються неперервною лінійною залежністю вихідного сигналу від вхідного , де  - постійна величина, називається передаточним коефіцієнтом. Лінійна статична характеристика має вид прямої, що проходить через початок координат під кутом  (рис. 6,а).

Рис. 6 Статичні характеристики елементів

Як правило, елементи ЕП не характеризуються строгою лінійністю, у більшості випадків їх характеристики нелінійні. При певних умовах ці не лінійності можуть проявитися на стійкості і якості ЕП. Проте якщо відхилення статичних характеристик незначні і вони не впливають на поведінку всього приводу в цілому, то для невеликого діапазону змін вхідної величини  ділянка фактичної кривої  можна замінити дотичною  або січною  (рис. 6,б).

Такий прийом носить назву лінеаризації статистичної характеристики.

Лінеаризація характеристики можлива, якщо описуюче її рівняння  справедливо на протязі всього інтервалу часу регулювання, характеристика неперервна і в ній відсутні різкі перегини. Практично не всі характеристики можна лінеаризувати без втрати будь-яких суттєвих властивостей елементу. Наприклад, характеристика, представлена на рис. 6,в, внаслідок наявності зони нечутливості  лінеаризації не піддається. Про елемент з такою характеристикою говорять, що він суттєво нелінійний. Джерелом суттєвих нелінійностей в ЕП є: тертя в з’єднаннях, зазори в редукторах, обмеження сигналів на вході або виході в т.п.

Лінійним називається ЕП, що містить лінійні або нелінеаризовані елементи. Рух такого ЕП описується лінійними диференціальними рівняннями з постійними коефіцієнтами.

ЕП, що містить хоча б один нелінійний елемент, називається нелінійним, до нього не застосовуються лінійні методи розрахунку.

Слідкуючі електроприводи

СП є замкнутими динамічними системами, відтворюючі на виході вихідний сигнал, що довільно змінюється в часі. Найбільшого застосування СП одержали в промисловості і у військовій техніці для управління положенням об’єктів з високим ступенем точності.

З їх допомогою забезпечується режим роботи ріжучого інструменту верстатів, виконується автоматична перестановка валків в блюмінгах і прокатних станах, здійснюється керування роботою виконавчих органів роботів і маніпуляторів. СП є невід’ємною частиною обчислювальних пристроїв, призначених для автоматичного виконання математичних операцій: в автоматичних мостах і потенціометрах, в навігаційних приладах і т.п.

Керувальна дія в СП задається у вигляді:

–       кута повороту  вхідного валу;

–       напруги, що надходить з ЗП (наприклад, ЕВМ).

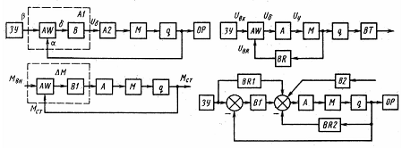
Рис. 7 Структурні схеми СП

У першому випадку (рис. 7а) вимірювач розузгодження , що виконує роль пристрою управління, виявляє в елементі порівняння  різницю , де  - кут повороту . Ця різниця надходить на перетворювач  і у вигляді електричного сигналу  подається на підсилювач , двигун  і редуктор , діючий на . Головна  в такому СП одинична.

У другому випадку (рис. 7б) вимірювач розузгодження  виявляє різницю вхідного сигналу  і сигналу , що надходить по ланцюгові  і формується датчиком швидкості .

В якості характерних особливостей СП можна відмітити наступні:

.        Наявність замкнутого контуру регулювання, що ґрунтується на порівняння сигналу, який надходить з , з сигналом, який надходить каналом  з виходу приводу.

.        Обов’язкова наявність помилки розузгодження, що використовується для управління виконавчим двигуном , що забезпечує неперервне відпрацювання вхідної дії.

.        Непряме управління. Для підсилення сигналу помилки застосовується підсилювально-перетворюючий пристрій.

.        Можливість дистанційного управління.

Точність відпрацювання керуючого сигналу значно залежить від збурень, що діють на СП і викликають відхилення режиму роботи від нормального. Збурення, що викликані зміною умов експлуатації і не постійністю навантаження, повинні бути враховані при розрахунку СП. Завади, що надходять на вхід СП разом з керуючим (управляючим) сигналом або виникають всередині (внаслідок іскріння щіток потенціометрів, колекторів машин і т.д.), необхідно відфільтрувати.

СП класифікують за основними ознаками, пов’язаними з принципом управління, дальністю управління, призначенням приводу, типом пристроїв, що застосовуються і т.д. (рис. 8).

За принципом керування (управління) СП поділяються на приводи з управлінням за відхиленням, за збуренням і з комбінованим управлінням.

При управління за відхиленням сигнал управління виробляється незалежно від причини відхилення регульованої координати від заданого значення, тобто в результаті зміни управляючого сигналу або під дією зовнішнього збурення. На цьому принципі будується, наприклад СП, зображений на рис. 5 Перевагами таки СП є простота, незалежність процесу слідкування від виду і місця прикладення зовнішніх збурень, висока надійність. В залежності від виду некульованої величини СП цього класу поділяють на позиційні та швидкісні.

Рис. 8 Класифікація СП

 

Позиційні СП служать для управління кутом повороту виконавчого валу. Представлений на рис. 5 СП відноситься до цього підкласу. Висока точність слідкування, великі зусилля тапотужність, що розвиваються на вихідному валу і малі потужності, що затрачуються в ЗП, забезпечили використання позиційних СП в управлінні кораблями, літаками, телескопами і т.д.

Швидкісні СП (рис. 9) призначені для управління швидкістю вихідного валу. Формування сигналу  за швидкістю здійснюється з допомогою давача швидкості . Напруга , що надходить з ЗП, порівнюється з сигналом  . Сигнал похибки , що виділяється, надходить на підсилювач , а далі на електродвигун , вал котрого через редуктор  з’єднаний з валом давача швидкості .

Рис. 9 Принципова схема швидкісного СП

Швидкісні СП знаходять застосування, наприклад, в промисловому устаткуванні, що переміщують фотопапір, магнітну стрічку і забезпечують постійність швидкості обертання вала рулону, касети, а також у пристроях, що забезпечують синхронність обертання двох валів, рознесених на деяку відстань.

Якщо за вихідну величину СП взяти кут повороту вала двигуна, то цей кут буде пропорційний інтегралу по часу від вхідної напруги , а привод зупиниться інтегруючим пристроєм. Вихідний сигнал у вигляді напруги знімається з лінійного обертового трансформатора ОТ і може бути використаний у пристроях неперервного обчислення сигналів корекції. Структурна схема швидкісного інтегруючого СП представлена на рис. 7,б.

Рис. 10 Одноосний гіростабілізатор

 

При управлінні по збуренню слідкування здійснюється не за кутом повороту, а за збуруючою дією. Наприклад, одноосний гіростабілізатор (рис. 10), що є замкнутим ЕП, забезпечує слідкування за значенням і напрямком дії моменту зовнішніх сил . Задача гіростабілізатора полягає в розвантаженні осі стабілізації (осі ) від дії  шляхом компенсації його спрямованим зустрічно моментом стабілізації , що створюється двигуном .

В якості чутливого елементу застосовано двоступеневий гіроскоп , встановлений в карданній підвісці на платформі  так, що площина його головної осі (вектора кінетичного моменту ) і осі  прецесії перпендикулярна осі стабілізації .

При появі зовнішнього моменту  гіроскоп починає прецесіювати, тобто повертати ротор  гіроскопа і ротор давача  навколо осі прецесії. Сигнал, що знімається з давача, буде залежати від кута повороту , а отже, від значення прикладеного моменту . Двигун , на котрий з підсилювача  надходить підсилений сигнал, розвиває стабілізуючий момент , направлений зустрічно моменту  і діючий через редуктор на вісь платформи. При деякому куті прецесії момент стабілізації скомпенсує зовнішній момент , і прецесія гіроскопа припиниться.

Таки чином, поява зовнішнього моменту викликає поворот гороскопа відносно осі прецесії, а вісь платформи залишається нерухомою. На платформі можна встановити об’єкт , поворот якого відносно осі  небажаний (наприклад, телескоп).

Структурна схема такого СП наведена на рис. 7, в, на якому гіроскоп представлений у вигляді суматора  і перетворювача .

Перевагою СП з керування по збуренню є можливість усунення збурюючого моменту ще до появи значного розходження. Недолік - складність внаслідок великої кількості компенсуючих зв’язків (контурів), необхідних для забезпечення незалежності приводу по відношенню до всіх можливих видів збурення.

В реальних СП забезпечують компенсацію найбільш значного впливу, а вплив решти збурюючи складових зменшують шляхом керування за відхиленням, тобто застосовують комбінований принцип управління.

В комбінованих СП забезпечують або поєднання управління за відхиленням і збуренню, або поєднання регулювання по куту і по швидкості, або те і інше. Наприклад, в СП, структурна схема котрого показана на рис. 7, г, датчик швидкості  служать для компенсації помилки від керуючого впливу, датчик моменту  - від збурюючого впливу, датчик швидкості  здійснює регулювання за швидкістю зміни вихідної величини, а головний  - позиціювання та регулювання за відхиленням.

Комбіновані СП працюють точніше і забезпечують стійкість простішими засобами, ніж іншими.

Одним із основних класифікаційних ознак СП є тип виконавчого механізму, в залежності від якого вибирають необхідні підсилювальні елементи, структуру приводу і засоби стабілізації. За цією ознакою СП поділяють на електричні, електрогідравлічні та з електромагнітною муфтою.

По виду керуючого сигналу розрізняють СП:

з неперервним керуванням, що здійснюється неперервною зміною керуючого впливу;

з дискретним управлінням, що реалізується дискретною зміною керуючого впливу. Дискретне управління, в свою чергу, поділяється на імпульсне, релейне і цифрове.

Вимоги до СП, і специфіка їх проектування значно залежить від умов роботи і призначення цих приводів.

За призначенням СП поділяють на наземні (стаціонарні та мобільні), судові (палубні та ті, що використовуються в закритих приміщеннях), бортові (пілотовані та безпілотні літаючі апарати).

Наземні стаціонарні СП знаходяться в найбільш легких з точки зору механічного впливу умовах, забезпечені стаціонарним живленням і не мають обмежень по масі і розмірах. Для СП, що працюють на відкритому повітрі, важливі заходи захисту від кліматичних впливів: вологості і перепаду температури. До цих приводів відносяться СП радіолокаційних станцій (РЛС) автоматичного супроводу цілі, радарних установок, систем слідкування супутникових камер за космічними об’єктами, СП оптичних телескопів і радіотелескопів. Динаміка стаціонарних приводів визначається умовами забезпечення переміщення ОР у відповідності з законом зміни координат цілі. При визначенні збурюючих дій необхідно враховувати перевертаючого моменту, обумовлену вітром.

Більш жорсткі вимоги за механічним впливом пред’являються до мобільних наземних установок, що перебувають під впливом вібраційних і ударних навантажень, що визначаються умовами транспортування і специфікою роботи.

Апаратура приводу такого класу повинна мати невеликі розміри і масу, забезпечити великі прискорення і швидкості на вихідному валу, що не залежать від навантаження. Якщо врахувати, що момент навантаження носить ударний характер, то виконання останньої вимоги (сопряжено) зумовлене з великими утрудненнями.

Бортові СП підлягають дії вібрацій, перевантажень, ударів, перепадів тиску і температури. До них висувають найжорсткіші вимоги щодо габаритних розмірів, а також енергоспоживанню і надійності.

Література

1.      Волынский В.А. и др. Электротехника /Б.А. Волынский, Е.Н. Зейн, В.Е. Шатерников: Учеб. пособие для вузов. - М.: Энергоатомиздат, 2011. - 528 с., ил.

.        Касаткин А.С., Немцов М.В. Электротехника: Учеб. пособие для вузов. - 4-е изд., перераб. - М.: Энергоатомиздат, 2013. - 440 с., ил.

.        Основы промышленной электроники: Учебник для неэлектротехн. спец. вузов /В.Г. Герасимов, О М. Князьков, А Е. Краснопольский, В.В. Сухоруков; под ред. В.Г. Герасимова. - 3-е изд., перераб. и доп. - М.: Высш. шк., 2006. - 336 с., ил.

.        Электротехника и электроника в 3-х кн. Под ред. В.Г. Герасимова Кн.1. Электрические и магнитные цепи. - М.: Высшая шк. - 2006 г.

.        Электротехника и электроника в 3-х кн. Под ред. В.Г. Герасимова Кн.2. Электромагнитные устройства и электрические машины. - М.: Высшая шк. - 2007 г.

Похожие работы на - Теорія електропривода

 

Не нашли материал для своей работы?
Поможем написать уникальную работу
Без плагиата!
Без нейросетей!