Проблемы средств сигнализации, централизации и блокировки (СЦБ)

  • Вид работы:
    Дипломная (ВКР)
  • Предмет:
    Транспорт, грузоперевозки
  • Язык:
    Русский
    ,
    Формат файла:
    MS Word
    552,03 Кб
  • Опубликовано:
    2015-05-26
Вы можете узнать стоимость помощи в написании студенческой работы.
Помощь в написании работы, которую точно примут!

Проблемы средств сигнализации, централизации и блокировки (СЦБ)

Министерство образования и науки Республики Казахстан

Костанайский социально технический университет

имени академика З. Алдамжар









ДИПЛОМНАЯ РАБОТА

Проблемы средств сигнализации, централизации и блокировки (СЦБ)

специальность 050901 - «Организация перевозок, движения и эксплуатация транспорта»

Островский Иван Андреевич







Костанай 2010

Введение

Основной задачей железнодорожного транспорта является качественное удовлетворение потребностей народного хозяйства и населения в перевозках грузов и пассажиров. Выполняя эту задачу, железнодорожный транспорт конкурирует с другими видами транспорта на рынке транспортных услуг. В этих условиях главными экономическими показателями становятся доходы и прибыль, рост которых обеспечивается не только улучшением качества перевозок, но и сокращением эксплуатационных расходов. Это определяет значение совершенствования техники и технологии производства, ускорения научно-технического процесса.

Актуальность темы дипломной работы заключается в разработке и внедрении передовых технологий средств сигнализации, централизации и блокировки на железнодорожном транспорте, позволяющим повысить эффективность и безопасность перевозочного процесса.

В соответствии с утверждёнными методическими рекомендациями по определению экономической эффективности мероприятий научно-технического прогресса на железнодорожном транспорте основным обобщающим показателем, характеризующим целесообразность применения достижений НТП, является показатель экономического эффекта.

В его величине должны найти отражение частные показатели эффективности: производительность труда и фондоотдача, материалоёмкость и энергоёмкость производства, его технический уровень и качество продукции.

В зависимости от направленности реализуемых на транспорте мероприятий научно-технического прогресса результаты могут быть оценены разными показателями.

В осуществлении процесса перевозок на железнодорожном транспорте важная роль принадлежит устройствам автоматики и телемеханики.

В данной работе внедрение более совершенных устройств автоматики и телемеханики на станциях и участках железных дорог позволяет изменить не только пропускную способность их, но и ускорить процесс перевозок, повысить его безопасность, то есть улучшить качество продукции транспорта (перевозок, услуг). Стоимостную оценку этого результата можно произвести по величине снижения расходов по перевозкам.

Они в значительной степени определяют пропускную способность участков, обеспечивают безопасность движения и позволяют полнее и эффективнее использовать все технические средства транспорта. Именно потому внедрение современных средств автоматики и телемеханики на участках и станциях железных дорог является одним из основных направлений перевооружения и развития железнодорожного транспорта.

Основными направлениями, обусловливающими максимальную эффективность модернизации технических средств, являются:

замена устаревшего и оптимизация нового станционного и напольного оборудования;

контроль и управление поездными операциями из единых центров диспетчерского управления;

применение микропроцессорной техники для максимального сокращения эксплуатационных и строительных затрат.

Модернизация технических средств должна осуществляться путем их сокращения и проведения следующих мероприятий:

замены устаревших систем ЭЦ на МПЦ или модернизации их по гибридному варианту;

замены эксплуатируемых систем интервального регулирования на системы с применением счетчиков осей и автоматической локомотивной сигнализации с точечными каналами связи (АЛС-ТКС);

применения централизованной системы управления.

Следует отметить, что ещё значительное место на сети дорог занимают путевые участки, где применяются системы полуавтоматической блокировки (ПАБ). В ПАБ автоматически фиксируется прибытие головы поезда на станцию, однако в них не обеспечивается автоматический контроль свободного состояния перегона, что требует привлечения работников станций для проверки прибытия поездов в полном составе. Это снижает уровень безопасности движения поездов и не позволяет подключать эти участки к системам ДЦ.

Известно, что важнейшим элементом практически всех систем железнодорожной автоматики, обеспечивающих безопасность движения поездов, являются рельсовые цепи. Они служат первичным источником информации о состоянии контролируемых участков пути. Однако в силу ряда объективных причин (низкого сопротивления балласта, ограниченной длины, отсутствия возможности изолировать рельсы от мостовых конструкций, значительных эксплуатационных расходов и т.д.) иногда технически нецелесообразно использовать рельсовые цепи. Контроль свободного состояния таких путевых участков может быть также осуществлен на принципе счета входящих и выходящих с участка колесных пар.

Целью данной дипломной работы является освещение актуальных проблем средств сигнализации, централизации и блокировки на железнодорожном транспорте Казахстана. Для достижения цели предлагается решение следующих задач:

закрепление теоретических положений;

приобретение практических навыков в расчёте технико-экономической эффективности от внедрения современных средств СЦБ;

расчёт капитальных вложений;

расчёт эксплуатационных расходов;

расчет приведенных строительно-эксплуатационных затрат и годового экономического эффекта;

1. Аналитический обзор

сигнализация централизация блокировка железнодорожный

1.1 Теоретические основы, роль, значение и проблемы средств СЦБ

Устройства автоматики, телемеханики и связи появились на железных дорогах одновременно с началом движения поездов в первой половине XIX в. Для передачи информации на движущийся поезд предназначались семафоры, а начиная с конца XIX в.- светофоры, которые являются основным «сигналом» на железных дорогах нашей страны и мира. Примерно с середины XIX в. начали применять устройства механической централизации, которые позволили управлять стрелками и станционными семафорами из одного централизованного поста.

Устройства автоматики и телемеханики, используемые в настоящее время на железнодорожном транспорте, по решаемым задачам и области применения делят на перегонные и станционные.

Перегонные системы регулируют движение поездов на перегонах, к ним относятся:

Полуавтоматическая блокировка (ПАБ) регулирует движение поездов на участках с неинтенсивным движением. При ПАБ правом на занятие поездом перегона является разрешающее показание выходного светофора станции. Сигнал открывает дежурный по станции, а закрывается он автоматически - под воздействием поезда. При отсутствии блокпостов на перегоне может находиться только один поезд, что и ограничивает пропускную способность линий. Системы ПАБ начали применять в России еще с 70-х годов прошлого столетия.

Автоматическая блокировка (АБ) регулирует движение поездов при помощи путевых светофоров, установленных на перегоне, которые делят перегон на блок-участки. Показания проходных светофоров изменяются автоматически под действием движущихся поездов. Основным элементом АБ являются рельсовые цепи, главное назначение которых - определение местонахождения поездов. По сигнальным показаниям путевых светофоров машинист определяет число свободных блок-участков перед движущимся поездом. При АБ на перегоне может быть несколько поездов, чем обеспечивается повышение пропускной способности по сравнению с ПАБ. Так, внедрение АБ на двухпутных линиях повышает их пропускную способность в 2-3 раза по сравнению с линиями, оборудованными ПА. Автоблокировку начали применять в Республике Казахстан еще в 30-х годах.

Автоматическая локомотивная сигнализация (АЛС) повышает безопасность движения поездов и улучшает условия труда локомотивных бригад. При помощи устройств АЛС показания путевых светофоров передаются непосредственно в кабину машиниста. Все локомотивы и моторвагонные секции оборудованы поездными устройствами АЛС, а все линии с автоблокировкой - путевыми устройствами АЛС. Устройства АЛС дополняют устройствами контроля бдительности, контроля скорости и авторегулирования скорости. Устройства АЛС начали применять в Республике Казахстан в 30-х годах.

Автоматический диспетчерский контроль (ДК) дает возможность сосредоточить информацию о поездной ситуации и показаниях входных и выходных станционных светофоров в пределах диспетчерского круга (около 100-300 км) на табло поездного диспетчера. Эта информация позволяет оперативно руководить движением поездов, принимая своевременные меры по выполнению графика движения. Системы диспетчерского контроля начали использовать в Республике Казахстан с начала 50-х годов.

Автоматическая переездная сигнализация и автоматические шлагбаумы обеспечивают безопасность движения поездов при пересечении железных дорог в одном уровне с автомобильными дорогами. Эти устройства автоматически включают устройства светофорной сигнализации для автотранспорта и закрывают шлагбаум при приближении поезда и открывают его после проследования поезда.

Станционные системы регулируют движение поездов на станциях и больших участках, к ним относятся:

·   электрическая централизация стрелок и сигналов (ЭЦ) - комплекс устройств автоматики и телемеханики, обеспечивающих управление стрелками и сигналами всей станции с одного пункта дежурным по станции. Главным элементом ЭЦ, так же как и АБ, являются рельсовые цепи, а основные функции выполняют реле. Электрическую централизацию Начали внедрять в Республике Казахстан с 30-х годов. За последние годы ежегодно электрической централизацией оборудуют более 8000 стрелок. Электрическая централизация повышает пропускную способность станций на 50-70% по сравнению с ручным управлением стрелками. При этом штат эксплуатационных работников сокращается на 30-50 чел. на каждые 100 централизованных стрелок;

·        диспетчерская централизация (ДЦ) является наиболее совершенным и эффективным средством регулирования движения поездов на железных дорогах. Система ДЦ совмещает в себе устройства АБ, ЭЦ и кодовые системы телеуправления и телесигнализации. Она позволяет управлять стрелками и сигналами из одного пункта и дает возможность сосредоточить все распорядительные и исполнительные функции по регулированию движения поездов на участке протяженностью до 300 км у поездного диспетчера. Наиболее эффективно применение ДЦ на однопутных участках. В Республике Казахстан устройства ДЦ начали внедрять с 1936 г., а широко использовать - с 50-х годов. В настоящее время устройствами ДЦ оборудовано более 50% железнодорожных линий и ежегодно оснащается более 300 км железнодорожных линий. Внедрение ДЦ повышает участковую скорость на 15-20% и сокращает эксплуатационный штат на 60-70 чел. на каждые 100 км линии;

·        автоматизация сортировочных горок - комплекс устройств, повышающий перерабатывающую способность сортировочных горок, который включает в себя: систему автоматического регулирования скорости скатывания отцепов (АРС), обеспечивающую необходимые интервалы между скатывающими отцепами в различных пунктах спускной части горки и нужную дальность пробега отцепов; горочную автоматическую централизацию (ГАЦ), которая служит для перевода стрелок по маршрутам следования отцепов; систему автоматического задания скорости роспуска (АЗСР), обеспечивающую реализацию переменной скорости роспуска для повышения перерабатывающей способности горок; систему телеуправления горочным локомотивом (ТГЛ), осуществляющую автоматическое регулирование скорости надвига локомотива на горку по командам с поста управления.

В настоящее время разрабатывают и внедряют систему автомашинист, устройства обнаружения перегретых букс в поездах, устройства телеуправления тяговыми подстанциями и т. д. В то же время на малодеятельных участках до настоящего времени в эксплуатации сохраняется ряд устаревших систем, а именно:

·   электрожезловая система, регулирующая движение поездов по перегонам;

·        механическая централизация стрелок и сигналов, обеспечивающая централизованное управление стрелками и сигналами на станциях при помощи гибких тяг;

·        ключевая зависимость, осуществляющая взаимное замыкание между стрелками и сигналами.

Внедрение новых и совершенствование существующих средств автоматики и телемеханики являются основой для решения перспективной задачи - комплексной автоматизации и механизации перевозочного процесса на железнодорожном транспорте. Эта задача решается с максимальным использованием современной элементной базы и средств вычислительной техники.

Большую роль в выполнении перевозочного процесса на железнодорожном транспорте играют устройства проводной и радиосвязи, которые позволяют вести оперативное управление и координирование работы подразделений.

Устройства телефонной и телеграфной связи, имеющиеся на раздельных пунктах, в отделениях, управлениях дорог и в Министерстве транспорта и коммуникаций, образуют единую систему транспортной связи. Они обеспечивают возможность оперативного руководства и контроля за работой всей сети железных дорог Республики Казахстан. Особое значение связь имеет для работников службы движения. Для руководства движением поездов и работой станций, оперативного контроля за выполнением графика движения поездов и плана перевозок работники службы движения должны иметь необходимые и достаточные средства связи. Хорошо налаженная и исправно действующая связь способствует повышению безопасности движения поездов, увеличению пропускной способности железных дорог и выполнению показателей эксплуатационной работы.

Министерство транспорта и коммуникаций имеет автоматическую и полуавтоматическую связь с управлениями дорог. Многие дорожные телефонные сети автоматизированы. Автоматизация многоканальной телефонной связи требует увеличения каналов связи. Эту задачу решают благодаря внедрению на дорогах высокочастотной аппаратуры и строительству кабельных и радиорелейных линий.

В связи с развитием автоматизации управления перевозочным процессом и использованием на дорогах вычислительных центров (ВЦ) организована связь для передачи информации с линейных подразделений в ВЦ и обратно в исходные пункты. На железных дорогах СНГ широко используют радио. На сортировочных и крупных участковых станциях применяют парковую громкоговорящую связь. Радиофицированы крупные вокзалы, все поезда дальнего следования и большинство пригородных поездов. На крупных станциях, сортировочных горках и т. д. внедрено телевидение.

Проводная связь. Телефонная связь может быть общеслужебной (для обслуживания работников всех служб) и специальной (для оперативного руководства движением поездов и организации перевозок). К видам общеслужебной связи относят, магистральную, дорожную, постанционную и местную телефонные связи. По общеслужебной связи возможно установить прямые телефонные соединения между любыми пунктами сети железных дорог РК. Специальными видами связи являются: поездная диспетчерская (ПДС), энергодиспетчерская (ЭДС), вагонная диспетчерская (ВГС), линейно-путевая (ЛПС), служебная связь электромехаников (СЭМ), перегонная (ПГС), дорожная распорядительная (ДРС), связь совещаний (СС), информационная (ИС), поездная межстанционная (МЖС), билетная диспетчерская (БДС), станционная распорядительная и громкоговорящая, стрелочная, деповская.

Телеграфная связь на железнодорожном транспорте служит для передачи срочных приказов, распоряжений, донесений и оперативной отчетности, требующих документального подтверждения, а также буквенной и цифровой информацией для решения оперативных задач с помощью ЭВМ.

Радиосвязь. Одним из преимуществ радиосвязи по сравнению с проводной является возможность организации связи с подвижными объектами. На железнодорожном транспорте применяют следующие виды радиосвязи: станционную, поездную, коротковолновую и радиорелейную.

Станционная радиосвязь обеспечивает связь между машинистами маневровых и горочных локомотивов с маневровым диспетчером или соответствующим дежурным по парку или горке, а также списчиков или осмотрщиков вагонов с технической конторой или составителей вагонов с машинистами маневровых локомотивов. Массовое внедрение станционной радиосвязи началось с 1948 г. и в настоящее время ею оборудованы все маневровые локомотивы.

Поездную радиосвязь стали широко внедрять с 1949 г. Она обеспечивает (как и станционная) двустороннюю телефонную связь между машинистами локомотивов, движущихся по перегонам, с дежурными по станциям или диспетчером и содействует выполнению графика движения поездов, а также повышает безопасность движения. Поездной радиосвязью оборудованы все грузонапряженные направления дорог.

Коротковолновую радиосвязь используют для резервирования магистральной и дорожной проводных связей. Радиорелейные линии на железнодорожном транспорте применяют для организации магистральной, дорожной и отделенческой связей.

Громкоговорящую связь на железнодорожном транспорте применяют для улучшения сортировочной работы и формирования поездов на крупных железнодорожных станциях и сортировочных горках, а также для информации пассажиров о прибытии и отправлении поездов и передачи различных объявлений на пассажирских станциях или трансляции радиовещания, звукозаписи в пассажирских поездах.

Индуктивная связь предназначена для связи машиниста поезда, составителя поездов и других работников, находящихся на территории железнодорожного парка, с руководителями станции.

Промышленное телевидение. Его используют для наблюдения и контроля за отдельными технологическими процессами железнодорожного транспорта.

Передача данных. В последние годы в связи с внедрением вычислительной техники на железнодорожном транспорте появился новый вид дискретной связи - передача данных (оргасвязь). Система оргасвязи в ВЦ дорог предназначена для автоматизированной передачи данных: с низовых подразделений железной дороги в ВЦ управления с последующей передачей части обработанной информации в хозяйственные единицы (отделение, депо, сортировочные, крупные узловые и участковые станции); с низовых подразделений железнодорожной станции в свои отделения (для автоматизации оформления грузовых перевозочных документов); из отделений железных дорог в хозяйственные единицы о грузовых и коммерческих операциях; в ВЦ управления со станций соседних дорог о вагонах и поездах, следующих на данную дорогу.

В процессе эксплуатации электронных устройств СЦБ были выявлены новые, зачастую неожиданные проблемы.

Воздействия от проверочного оборудования. В ходе испытаний новых систем используются проверочные устройства, которые работают параллельно тестируемой в режиме опытной эксплуатации системе и обеспечивают безопасность эксплуатационного процесса. Эти устройства реализованы на базе релейной техники. В ходе опытной эксплуатации было выявлено их негативное воздействие на работу электронных компонентов. В частности, дребезг контактов реле приводил к помехам в работе электронных схем.

Устойчивость к климатическим воздействиям. Электронные приборы чувствительны к перепадам температуры окружающей среды, особенно к ее повышению. Опыт эксплуатации показал, что необходимо тщательно выбирать места расположения устройств электроснабжения и защищать аппаратуру от воздействий внешней среды (например, прямых солнечных лучей).

Грозозащита. Распространение волн перенапряжения при попадании молнии трудно прогнозировать. От напольных устройств эти волны могут проникнуть в постовое оборудование, что требует применения защитных устройств с коротким временем реакции. Тем не менее, трудно найти защиту от прямого попадания молнии. На СD известны случаи разрушения от ударов молнии и традиционных релейных устройств.

Электромагнитная совместимость. Устройства СЦБ не должны вызывать помехи в других устройствах и одновременно не должны быть подвержены помехам от внешнего оборудования. Мешающие воздействия, обусловленные работой устройств СЦБ, - это прежде всего высшие гармоники, которые генерируются устройствами электроснабжения и попадают в питающую сеть. Контроль за ними необходим, поскольку в противном случае поставщик электроэнергии требует уплаты штрафов. Кроме того, должны выполняться требования международных норм по ограничению помех, влияющих на качество работы устройств радиосвязи и телевизионных приемников.

Что касается помех от внешних источников, то во время эксплуатации зафиксированы искажения изображений на экранах мониторов, обусловленные работой мобильных телефонов определенных типов при выполнении ремонтных операций в непосредственной близости от мест размещения аппаратуры. Поэтому целесообразно обеспечить экранирование электронной аппаратуры средств СЦБ. Проблемы нарушения работы рельсовых цепей из-за помех от аппаратуры управления современных локомотивов или устройств электрического обогрева вагонов поездов были решены на СD уже несколько лет назад.

.2 Прогрессивный зарубежный опыт решения проблем СЦБ

В результате технического прогресса в области средств СЦБ традиционные системы, в том числе релейные, уходят в прошлое. Электронные компоненты и вычислительные системы утвердились уже в устройствах СЦБ всех видов. Их дальнейшее развитие нацелено на интеграцию в европейском масштабе, будь то европейская система управления движением поездов ETCS или стандартизированная система МПЦ (проект Eurointerlocking). В будущем перемены затронут и классические методы определения местоположения поездов. Этому способствуют положительные результаты испытаний новых технологий на базе спутниковых навигационных систем - как действующей системы GPS, так и проектируемой системы Galileo.

Средства автоматизации технологических процессов в промышленности находят все большее применение в системах СЦБ, которые ранее отличались использованием специализированных технических решений. В качестве примера рассмотрена система микропроцессорной централизации Alister компании Vossloh.

В период зарождения средств СЦБ основные принципы их функционирования воплотились в механических устройствах. В 1950 - 1960-е годы те же принципы трансформировались в релейную технику. Тогда были разработаны многочисленные дополнительные функции и новые технологии, например, топографическое построение систем централизации.

При программировании первых систем микропроцессорной централизации (МПЦ) в 1980-е годы не допускались существенные отклонения от базовых принципов, заложенных в XIX в. Первостепенное значение придавалось переходу к микропроцессорной технике, поскольку уровень функциональности релейных систем был для того времени достаточным. Кроме того, предполагалось, что применение компьютеров позволит снизить расходы по сравнению с релейной техникой за счет сокращения числа аппаратных средств и увеличения протяженности зон действия постов централизации. Опыт многих стран показывает, что уменьшения затрат с внедрением МПЦ добиться не удалось. В Германии исключение составляют проекты, в рамках которых происходило объединение нескольких станций в зону действия одной МПЦ, что позволяло сократить потребность в персонале.

В других странах этот же результат был получен еще в 1960-х годах за счет внедрения телеуправления постами централизации. Там уже достаточно давно усилия были сконцентрированы на внедрении технических средств, позволяющих отказаться от линейного персонала на малых станциях, расположенных на протяженных линиях. Сначала для этого использовалась релейная техника, в дальнейшем - компьютеры.

Необходимо проанализировать причины того, почему компактные современные компьютеры, использовавшиеся в МПЦ, не дали ожидаемого экономического эффекта. Среди этих причин в первую очередь можно назвать следующие:

) недостаточный уровень компетентности поставщиков и заказчиков при формулировании требований к МПЦ;

) усложнение проверки программного обеспечения МПЦ по сравнению с реле;

) непрерывное сокращение длительности инновационных циклов, а потому быстрое старение аппаратных и программных средств, а также технологий.

Первый пункт затрагивает многих работников железных дорог и компаний-поставщиков, которые были компетентны в релейной технике и обладали общими знаниями вследствие тесных взаимосвязей между железными дорогами и промышленностью. Поскольку документация на релейные системы состоит преимущественно из схем, в период, когда потребовались массовые сокращения персонала, произошла потеря определенной части знаний об этих системах - спецификации и обоснования тех или иных принимавшихся технических решений были недостаточно хорошо задокументированы или просто потеряны в условиях, когда носителем информации была только бумага. Из-за этого значительная часть знаний не была достаточно быстро передана следующему поколению разработчиков, а частая смена персонала только усугубила проблему.

Второй пункт обусловлен применением в МПЦ полупроводников, отказы которых являются существенно менее однозначными по сравнению с отказами реле. Более сложными стали не только аппаратные средства и ПО, но и сценарии борьбы с ошибками. В совокупности со спецификацией, допускающей неоднозначное толкование, это приводит к усложнению процедуры проверки.

Третий пункт также является следствием перехода к МПЦ: существенно возрастает зависимость от субподрядчиков, поскольку только часть аппаратных средств и ПО создается самой компанией - изготовителем системы. Поэтому снятие с производства тех или иных компонентов влечет за собой зачастую дорогостоящие и трудоемкие изменения в техническом обеспечении. При этом убывают не только знания о релейных системах - сейчас достаточно сложно найти разработчика, владеющего языками программирования 1980-х годов, которые использовались при создании первых МПЦ.

Успешная автоматизация технологических процессов при помощи промышленных контроллеров.

Аналогичные проблемы возникали при автоматизации технологических процессов в промышленности, однако в отличие от сферы СЦБ на железных дорогах они были успешно решены.

Прежде всего следует заметить, что управление технологическими процессами в промышленности мало отличаются от управления путевыми сигналами на железнодорожном транспорте. В общем случае речь идет о считывании состояний, обработке и последующей выдаче команд электрическим или электронным приборам. При этом есть два важных требования: безопасность и эксплуатационная готовность. При таком подходе эксплуатационный процесс на железнодорожном транспорте не отличается от работы сборочного конвейера. Обоим требованиям придается большое значение в разных отраслях промышленности. Низкая эксплуатационная готовность средств управления сборочным конвейером может быть измерена напрямую и имеет вполне определенную цену. Ошибочные результаты обработки могут приводить к катастрофическим последствиям, например, на химических заводах, где в результате неправильного смешивания химических веществ возникнет опасность для жизней многих людей.

Средства автоматики возникли в промышленности и в настоящее время охватывают все приложения, в которых необходимо управлять машинами, обеспечивать их регулирование и контроль за ними. С внедрением программируемых контроллеров в начале 1980-х годов произошли революционные изменения в развитии средств автоматизации. Технологии, использующие программируемые контроллеры, получили широкое распространение и стали промышленным стандартом. Унификация систем и применение стандартизированных технических решений позволили резко сократить затраты на автоматизацию. Это в свою очередь способствовало еще более быстрому внедрению программируемых контроллеров, число которых на промышленных предприятиях мира уже превысило 1,5 млн.

Программируемые контроллеры отличают простая структура, модульность, возможность эксплуатации в условиях неблагоприятной окружающей среды и высокая надежность. Широкое применение таких контроллеров способствовало организации требуемой поддержки их технического и особенно программного обеспечения. Большое число компаний предлагает программы и средства адаптации для специализированных интерфейсов. В мире существует развитый рынок технических решений для самых разнообразных требований клиентуры.

В промышленности не наблюдалось действие тех факторов, которые препятствовали снижению стоимости систем при переходе к микропроцессорной технике в сфере СЦБ. Это обусловлено следующим:

·              в промышленности к системам автоматизации предъявляются в основном функциональные требования, в частности, ставится задача обеспечить определенные уровни эксплуатационной готовности и безопасности;

·              во многих отраслях промышленности средства автоматизации внедрялись впервые, и не было груза требований, унаследованных от прежних систем. Это способствовало упрощению средств автоматизации. Кроме того, предприятия следовали стандартам, а значит была возможность использовать уже накопленные знания и опыт;

·              широкое распространение программируемых контроллеров заставляет их изготовителей поставлять совместимые системы и компоненты. Поскольку многие промышленные установки имеют длительный срок службы (например, прокатные станы или электростанции), поставщики не могут предлагать средства автоматизации с сокращенным жизненным циклом.

1.3 Общие положения по определению экономической эффективности капитальных вложений на железнодорожном транспорте

Эффектом называется непосредственный производственный, полезный конечный результат, полученный от внедрения того или иного мероприятия. Эффект может быть измерен величинами показателей, повышением техники безопасности труда и т. д. достижение эффекта требует определенных затрат труда и средств на усиление мощности, на прирост производственных основных и оборотных средств. Затратами могут быть годовые эксплуатационные расходы, капитальные единовременные вложения и т. д.

Эффективностью называется отношение величины эффекта технического, эксплуатационного или экономического к величине затрат, обуславливающих получение этого эффекта.

Могут быть два вида эффективности:

·   технико-эксплуатационная;

·   обобщающая экономическая (абсолютная или относительная, сравнительная).

Технико-эксплуатационная эффективность характеризуется отношением технического или эксплуатационного эффекта в виде улучшения технического параметра или качественного показателя к трудовым или стоимостным затратам.

Технико-эксплуатационная эффективность может характеризоваться величиной отношения эффекта (улучшения одного технического или эксплуатационного параметра-показателя) к увеличению дополнительных затрат другого технического параметра-показателя, вызвавшего дополнительный полезный технический эффект.

Экономическая эффективность выражается уровнем рентабельности, коэффициентом эффективности, величиной фондоотдачи и др.

Относительная (сравнительная) эффективность исчисляется лишь при выборе двух и более вариантов решения определенной производственной или хозяйственной задачи.

В данной работе, методом сравнительной эффективности, решается производственная задача по внедрению экономически выгодного типа устройств СЦБ (полуавтоматической блокировки или системы счета осей) для проектируемого однопутного участка железной дороги.

Сравнительная экономическая эффективность определяется по приведенным затратам Эп (сумме годовых приведенных строительных и эксплуатационных расходов). При этом наилучшим по денежным показателям является вариант, обеспечивающий минимум величины Эп, т.е.

Эп = Кi · Ен + Сi,                                                                          (1.1)

где Кi - капитальные вложения по каждому сравниваемому варианту с учетом изменеий оборотных средств народного хозяйства;

Ен - нормативный коэффициент экономической эффективности капитальных вложений, принимаемый 0,1;

Сi - эксплуатационные расходы по каждому варианту

Технико-экономические расчеты приведены в разделе 4.

2. Анализ проблем СЦБ в Республике Казахстан

Уникальными особенностями сферы СЦБ являются сложность сети, сложившийся штат персонала, обилие инструкций и разрешений, которые в совокупности формировались многие десятилетия и не могут быть изменены за короткое время.

Основные направления повышения надежности электроснабжения устройств СЦБ.

В настоящее время вопросы электроснабжения постов ЭЦ и других станционных помещений (ДСП, релейных будок), а также перегонных устройств СЦБ решаются согласно требованиям нормативных документов, утвержденных МПС: инструкций ЦЭ-462, ЦЭ-191, ЦЭ-881, ВНТП-86. Эти документы базируются в основе своей на требованиях ПУЭ. При этом питание предусматривается от совмещенных или специальных комплектных трансформаторных подстанций (КТП), а иногда и от собственных фидеров 0,4 кВ [1].

На перегонах электроснабжение осуществляется от специальных линий: ВЛ СЦБ, ВЛ ПЭ, ДПР [1, 3].

Станционные устройства автоматики магистрального железнодорожного транспорта (посты электрифицированной (ЭЦ) и диспетчерской (ДЦ) централизации) в основном получают электроэнергию от трехфазных трансформаторных подстанций со вторичным напряжением 380/220 В и глухозаземленной нейтралью. Проектирование устройств электроснабжения и заземления осуществляется согласно утвержденным нормативным документам и действующим ГОСТам.

Принципиально ввод питающего напряжения осуществляется следующим образом. От трансформаторной подстанции ввод в постовое здание осуществляется четырехжильным кабелем, подключаемым к клеммам щита вводного переключения (ЩВП), предназначенным для обесточивания помещения при пожарной опасности.

Далее напряжение подается внутренним четырехжильным кабелем на вводную панель (ПВ), в которой в каждой фазе установлены приборы защиты. Корпуса ЩВП, ПВ и других панелей питания зануляются через четвертую жилу кабеля, соединенную с нейтралью трансформатора (нулевой рабочий проводник). Рядом с постовым служебно-техническим зданием оборудуется заземлитель, соединенный с контурами магистралей заземления в служебных комнатах (релейной, связевой, генераторной), которые заземляющими проводниками соединены с корпусами стативов, панелей, ЩВП, пультом-табло. Таким образом, создается повторное заземление оборудования. К этим же заземляющим устройствам (ЗУ) подключены приборы защиты от перенапряжений.

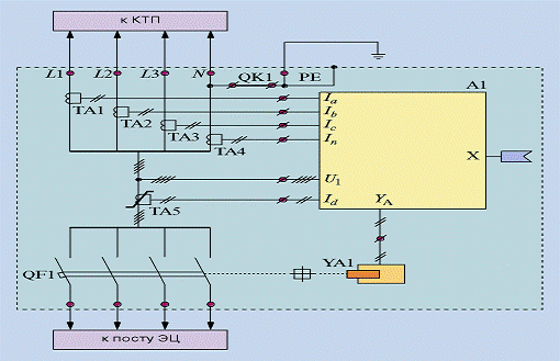
Электропитание устройств СЦБ (реле, светофоры, рельсовые цепи, контрольные и рабочие цепи стрелочных электроприводов) отделено от трехфазной сети с глухозаземленной нейтралью разделительными трансформаторами, располагаемыми в закрытых панелях питания. Изоляция источников питания устройств СЦБ непрерывно контролируется сигнализаторами заземления с удельной чувствительностью 1 кОм/В. Благодаря этому напряжение, подаваемое на стативы с аппаратурой и на исполнительные устройства СЦБ, изолировано от земли, что дает возможность использовать однополюсное размыкание цепей. Для поддержания нормального уровня изоляции удаленные от поста нагрузки переменного тока с номинальным напряжением 220 В сгруппированы в отдельные разделительные трансформаторы с максимальной мощностью 1,5 кВ·А (рисунок 2.1).

В целом электроснабжение служебно-технических зданий железнодорожного транспорта выполнено по Правилам устройства электроустановок (ПУЭ), однако в реальном осуществлении некоторые положения выполняются с отступлением от требований ПУЭ. К таким отступлениям относятся: отсутствие общих заземляющих устройств для электроустановок различного назначения; выполнение однопроводного соединения заземлителей с магистралями заземлений; заниженное сечение заземляющих проводников; на подстанции не обеспечивается требуемое для приборов защиты значение тока короткого замыкания (к. з.), а также допускается последовательное соединение корпусов различных электроустановок.

П - переходная группа контактов, реле и т. п.; С - стрелочный перевод

Рисунок 2.1 Структурная обобщенная схема распределения сети электроснабжения на посту ЭЦ

Кроме того, отсутствуют единые требования и указания по устройству заземления в различных хозяйствах железнодорожного транспорта. В результате этого при повреждении изоляции фазных проводов на трансформаторных подстанциях или в силовых нагрузках бывают случаи возгорания кабелей и постового оборудования за счет перенапряжений в цепях электроснабжения.

Электроприемники технологических нагрузок постов электрической централизации (далее ЭЦ) с числом стрелок 30 и более относятся к особой группе 1-й категории в отношении надежности электроснабжения, а с числом менее 30 стрелок - к 1-й категории. Для электроснабжения электроприемников особой группы ПУЭ требуют предусматривать три независимых источника питания, т. е., кроме двух внешних источников, следует предусматривать дополнительное питание от третьего взаимно резервирующего источника, в качестве которого может быть использован автоматизированный дизель-генератор (ДГА).

Рабочее и резервное питание постов ЭЦ осуществляется от КТП различных мощностей и напряжений, которые устанавливаются в соответствии с действующими нормативными документами [1...3].

Для защиты от перенапряжений (атмосферных и коммутационных) на высокой и низкой стороне различных КТП предусматриваются ограничители перенапряжений, разрядники, искровые промежутки, так как при воздействии на высоковольтную обмотку трансформатора молнии 40 % перенапряжений способно навестись емкостным путем.

Выбор ограничителей перенапряжения (ОПН) производится без учета времени отключения однофазных коротких замыкания (о. к. з.), т. е. по наибольшему рабочему напряжению. В случае учета времени отключения о. к. з. ОПН может быть выбран на напряжение, меньшее наибольшего рабочего, в тех случаях, когда это целесообразно, например в сетях с пониженным уровнем изоляции.

Защита трансформатора по высокой стороне осуществляется высоковольтными предохранителями, которые обеспечивают только максимальную защиту.

Защита трансформатора по низкой стороне от токов к. з. осуществляется автоматическими выключателями. Защита от неполнофазного режима не предусматривается, поэтому отключить трансформатор при таком виде повреждения невозможно.

Следует отметить, что работа оборудования при длительных перенапряжениях вызывает ускоренное старение изоляции, что в конечном счете приводит к нарушению изоляции кабелей и оборудования и пожарам.

В настоящее время на сети дорог эксплуатируется свыше 20 тыс. постов электрической централизации и десятки тысяч релейных шкафов (РШ), расположенных на участках с электротягой на постоянном и переменном токе и на участках с автономной тягой. Сооружения и устройства ЭЦ и РШ находятся в эксплуатации разное время, многие из них уже эксплуатируются 40 лет, т. е. более нормативного срока службы. Безусловно, они претерпевают модернизацию оборудования, изменение схемных решений и монтажа. Многообразие постов ЭЦ и РШ существенно усложняет проведение анализа состояния и выявление причин повреждений.

При разработке рассматриваемой проблемы были проведены обследования более 80 постов ЭЦ на шести железных дорогах сети. Проанализированы типовые проекты и проектные решения на реальных участках железных дорог, действующие нормативные документы (НД) и ГОСТы, применяемые в системах электроснабжения промышленных предприятий и на промышленном транспорте, а также в метрополитенах.

Практически все обследуемые посты ЭЦ получают питание от КТП, сооруженных по типовым схемам «Установка и подключение КТП к линиям продольного электроснабжения 25 кВ»; чертежи разработаны ПКБ ЦЭ МПС, аппаратура изготовлена комплектно заводами ЦЭ ОАО «РЖД». В качестве трансформаторов в каждой из КТП принято: при КТП типа столбовой трансформаторной подстанции (СТП - трансформатор напряжения) - ЗНОМ-35-65 по ТУ-16-517.128-78, а в КТП типа КТПМ - ТМЖ при соответствующей мощности. Вопросы заземления решены согласно инструкции ЦЭ-191, аналогично решены и вопросы защиты от токовых перегрузок с помощью предохранителей. Однако во всех случаях защита от замыканий на землю до прибора автоматической защиты во вторичных цепях отсутствует.

Особенностью каждой КТП является значительное количество потребителей электроэнергии: устройства СЦБ, связи, путевого и локомотивного хозяйства, а также сложность выполнения ЗУ ввиду ограниченности пространства возле путей и тупиков.

В части обеспечения надежности электроснабжения категорийность электроприемников различных устройств на железных дорогах принята в соответствии с инструкцией ЦЭ-4846.

Все устройства (СЦБ, связи и др.) присоединены к источникам электропитания самостоятельными линиями с установкой на вводных каналах или в релейных шкафах аппаратуры, обеспечивающей автоматический переход с основного питания на резервное в случае понижения напряжения ниже установленного уровня.

Установки реле контроля напряжения на вводных панелях устройств СЦБ приняты в пределах 204...208 В при номинальном напряжении 220 В и 340...345 В при номинальном напряжении 380 В.

Значения номинальных напряжений и допускаемых отклонений, устанавливаемые в стандартах и ТУ на конкретные схемы электроснабжения, выбраны согласно ГОСТ 2428 - 83, ГОСТ 721 - 77, а также ГОСТ 13109 - 97.

Как правило, схемы электроснабжения имеют автоматический повторный выключатель (АПВ), автомат включения резерва (АВР) и устройство для определения места к. з. в линии высокого напряжения. Полное время цикла отключения выключателей, АПВ и АВР на резервном пункте составляет не более 1,3 с, все камеры КТП снабжены дистанционным управлением (большинство - телеуправлением), выключателями.

Практически на всех КТП (кроме СТП) вторичное напряжение подается к электропотребителям по цепям с глухозаземленной нейтралью.

При этом в устройствах СЦБ и связи во всех случаях устанавливаются изолирующие трансформаторы. Однако во всех случаях отсутствуют устройства контроля замыкания фазы на землю (корпус).

Весьма сложным образом решаются вопросы заземления нейтрали во вторичных цепях, в основном из-за многофункциональности цепей электроснабжения. Это не позволяет в условиях эксплуатации исключить или снизить величины тока от посторонних нагрузок и источников через ЗУ (и прежде всего на постах ЭЦ), в том числе и путем снижения сопротивления заземления первичного контура или питания через изолирующий трансформатор.

Распределение количества отказов в устройствах ЭЦ и РШ по вызывающим их причинам в 1984... 2002 гг. приведено в табл. 2.1.

Таблица 2.1 Распределение количества отказов в устройствах ЭЦ и РШ по вызывающим их причинам в 1984... 2002 гг

Причины возгорания

Число случаев

% общего кол-ва

Короткие замыкания в электрических цепях поста ЭЦ (в разводке проводов, «гутах монтажных проводов, корпусах реле, на колодках)

18

27,7

Короткие замыкания в цепях основного фидера питания поста ЭЦ

7

10,8

Пожары, вызванные протеканием тягового тока в цепях ЭЦ и РШ

6

9,02

Короткие замыкания в трансформаторах поста ЭЦ

7

10,8

Короткие замыкания в цепях резервного питания поста ЭЦ (резервный фидер, питание от ДГА)

4

6,1

Повреждения в постах ЭЦ и РШ, вызванные атмосферными перенапряжениями

4

6,1

Короткие замыкания в реле ТШ-2000

3

4,7

Пожары, вызванные проведением сварочных работ на рельсах и устройствах СЦБ с нарушением правил производства сварочных работ

5

7,7

Короткое замыкание в цепях аккумуляторной батареи

1


Прочие случаи

10

15,4

Всего

65

100


В целом, если рассматривать количество случаев (65) за десятилетний период, можно сказать о малой их вероятности при весьма большом числе объектов (постов ЭЦ и РШ). Однако эти случаи нельзя рассматривать как простые отказы, поскольку их последствия вызывают значительные перерывы в движении поездов, а в некоторых случаях и полное прекращение движения на несколько суток.

А потому необходимо разрабатывать и принимать такие технические решения, которые позволят добиться максимального снижения возникновения отказов в электроснабжении постов ЭЦ и РШ.

Анализируя полученные данные (см. табл. 2.1) по причинам, вызвавшим отказы в работе устройств электроснабжения, можно разделить их следующим образом. Наибольшее число отказов возникало в устройствах постов ЭЦ - 64,6 %.

К внешним воздействиям для постов ЭЦ и РШ можно отнести атмосферные перенапряжения (6,1 %), воздействия тяговых токов электрифицированных железных дорог постоянного и переменного тока (9,2 %).

На основании анализа отказов в работе устройств электроснабжения был подготовлен план мероприятий по повышению надежности работы устройств электроснабжения; разработаны Методические указания по выбору установок защиты в схемах электроснабжения постов ЭЦ, которые утверждены и разосланы по дорогам.

Одной из причин ненадежной работы систем электроснабжения устройств СЦБ является отсутствие контроля неполнофазных режимов в цепях электроснабжения. Рассмотрим возможные пути решения этих задач.

Согласно ПУЭ на стороне низшего напряжения понижающих трансформаторов, питающих различные энергопотребители, в цепях электроснабжения следует устанавливать не только предохранители в каждой фазе, но и главный предохранитель или автоматический переключатель. При этом в зависимости от вида линии (с изолированной или заземленной нейтралью) по-разному решаются вопросы по защите линий 380/220 В при несанкционированных режимах. В первую очередь должны решаться вопросы электробезопасности, а также отключения цепи электроснабжения при к. з. фазы на корпус или землю. Исходя из этого в настоящее время утвержден ГОСТ Р 50571 (МЭК 364-4-41 - 92). В этом документе большая роль отводится различным дополнительным средствам защиты от аварийных режимов и электропоражений: пассивным - зануление и защитное заземление и активным - выключатели автоматические (ВА), предохранители (ПР) и устройства защитного отключения (УЗО), что должно обеспечить в совокупности многофункциональную систему защиты.

В этой системе питания за счет применения УЗО появляется возможность отключить электроустановку за время не более 0,8 с. Это позволяет избежать электротравм при случайном непосредственном прикосновении к токоведущим частям и отключить электроприемник в случае пробоя изоляции на корпус. Однако эта защита не обеспечивает необходимых требований [4,5] при:

- обрыве проводника (нейтрали);

- замыкании фазы на нейтраль, а также при междуфазном замыкании до аппаратов защиты;

- попадании посторонних токов в цепи заземляющих устройств (ЗУ) и нейтраль.

Современная концепция по ГОСТ Р 50 571 основного правила электробезопасности основана на том, что опасные токоведущие части электроустановки не должны быть доступны для непреднамеренного прямого прикосновения к ним, а доступные прикосновению открытые проводящие части (ОПЧ), сторонние проводящие части (СПЧ), защитные и заземляющие проводники (РЕ-проводники), а также ОПЧ цепей обратного тока, включая PEN-проводники, не должны быть опасны при прямом прикосновении к ним и при нормальном режиме работы, и при повреждении изоляции токоведущих частей. Поэтому при всех рекомендуемых системах электроснабжения должны быть предусмотрены основная и дополнительная защиты. В рамках рассматриваемых вопросов были проанализированы практически все известные разработки автоматического контроля состояния и защиты систем электроснабжения. Оказалось, что эти устройства не могут быть применены для условий железных дорог без коренной реконструкции как самих цепей электроснабжения, так и заземляющих устройств, учитывая все многообразие цепей электроснабжения. Это потребовало разработки специальных устройств, адаптированных к существующим и перспективным системам электроснабжения. Ниже приведена сводная таблица функциональных параметров устройства многофункциональной селективной защиты низковольтных фидеров электроснабжения постов ЭЦ (табл. 2.2).

Таблица 2.2 Сводная таблица функциональных параметров

Функция

Уставка (диапазон значений)

Шаг

Погрешность, %

Индикация

1

2

3

4

5

Отключение филера питания госта ЭЦ при превышении дифференциальным током утечки уставки отключения

4X1»: 10 мА; 30 мА; «х10»: 100 мА; 300 мА


±10

Динамическая и статическая

Время отключения го дифференциальному току утечки

От 0,1 до 3,5 с

0,1с

±30


Индикация приближения дифференциального тока утечки к уставке отключения

От 50 до 80% от порога отключения

10%

±15

Динамическая

Отключение фидера питания госта ЭЦ при превышении линейным током в одной из фаз уставки отключения

От 10 до 160 А

1 А

±10

Динамическая и статическая

Время аварийного отключения при превышении линейным током в одной из фаз уставки отключения

От 0,1 до 3,5 с

0,1с

±30

-

Индикация приближения линейного тока к уставке отключения

От 60 до 90% от порога отключения

10%

15

Динамическая

Отключение фидера питания госта ЭЦ го перекосу линейных фазных напряжений. Возможность блокировки этой зашиты

+20 и -20 % номинального значения

-

±5

Динамическая и статическая

Отключение фидера питания госта ЭЦ при чрезмерных отклонениях линейных напряжений от номинальных значений. Возможность блокировки этой защиты

+20 и -20 % номинального значения

-

±5

Динамическая и статическая

Возможность изменения времени отключения го отклонению линейных напряжений

От 1 до 4 с

±30

-

Защитное отключение фидера питания госта ЭЦ при изменении чередования фаз в течение 2...3 с. Возможность блокировки этой защиты

-

-

-

Динамическая и статическая

Быстрое отключение фидера питания госта ЭЦ при превышении линейным током в одном из фазных проводов уставки быстрого отключения

От2 до 5 уставок отключения

1 уставка отключения

-

Общая с индикацией отключения го линейному току

Время быстрого отключения

0,2 с

-

±0,1

-

Обрыв проводников и быстрое отключение (замыкание фазы на нуль)

Не более 0,2 с

1 уставка отключения

±0,05

Общая индикация


При участии НПФ «Электронтехника» разработано устройство с учетом заданных параметров, готовое к серийному производству. Такая схема включения приведена на рис. 2.2, а при наличии датчиков температуры проводов или шин ЗУ, а также при токовых перегрузках - на рис. 2.3, 2.4.

Выводы. Анализ работы электроустановок для питания нетяговых потребителей на железных дорогах от источников различной мощности показал, что железнодорожные системы электроснабжения во вторичной сети не имеют специальных технических средств для контроля состояния фазы и нулевого провода. Эти вопросы, учитывая их важность в части повышения надежности и исключения отказов в работе систем электроснабжения, являются приоритетными и должны быть решены в самое ближайшее время.

Результаты этих исследований положены в основу разработанных норм на проектирование электроснабжения устройств СЦБ и связи на станциях и перегонах, которые в настоящее время находятся на утверждении.

Рисунок 2.2 Многофункциональная универсальная селективная защита низковольтных фидеров электроснабжения постов ЭЦ

Д - датчик контроля температуры и состояния заземляющих устройств и проводников заземления на посту ЭЦ

Рисунок 2.3 Пожаробезопасность и электробезопасность постов ЭЦ и других служебно-технических зданий на станциях

Рисунок 2.4 Устройство защиты цепей заземления от токовых перегрузок

3. Обоснования возможных путей решения проблем СЦБ на железных дорогах Республики Казахстан

.1 Элементы автоматического воздействия поезда на путевые устройства полуавтоматической блокировки

Для безопасности движения поездов при полуавтоматической блокировке, при которой следование поездов друг за другом разграничивается определенными интервалами пути (пространством), необходимо обязательно выполнять условие, чтобы следующий поезд мог быть выпущен на тот или другой блок-участок (перегон) лишь после того, как предыдущий поезд вышел из его пределов, причем вышел бы в полном составе. Широко применяемыми для регистрации прохода поезда через определенные точки пути являются разного рода точечные датчики первичной информации о проследовании колесной пары через контрольную точку (МФД, ДПЭП, ДПВ-02). При определенном расположении этих датчиков воздействие поезда на них автоматически отметит вход или выход головы поезда из пределов контролируемого блок-участка (перегона) и послужит разрешением для осуществления блокировочных действий устройствами автоматики с целью отправления поезда на освободившийся блок-участок. Несмотря на это, воздействие на датчик, отмечающий выход поезда из пределов блок-участка, не свидетельствует о выходе поезда в полном составе. Для фиксации выхода всего состава поезда из пределов блок-участка, необходимо:

•  либо возложить на дежурных по станциям (сигналистов) контроль за наличием хвостовых сигналов на прибывающих поездах, не подавая при этом блокировочных сигналов (при их отсутствии) на соседние станции;

•  либо автоматизировать данный процесс, установив на хвостовые вагоны поездов устройства для воздействия ими на особые путевые датчики (светоэлектрические или индуктивные, фиксирующие проследование последнего вагона);

•  либо применить счетчики осей, разрешающие последующие блокировочные действия лишь тогда, когда число вошедших на данный блок-участок осей будет равно числу вышедших с него осей, что свидетельствует о полном освобождении блок-участка.

3.2 Способы контроля состояния участков пути методом счета осей

Рассмотрим различные варианты построения устройств контроля состояния участков пути (перегонов) методом счета осей (УКП СО), разработанные Уральским отделением ВНИИЖТ и научно-производственным предприятием “Уралжелдоравтоматизация” [13].

Использование системы УКП СО на участках с ПАБ (при соответствующей увязке со станционными устройствами автоматики) позволяет одновременно решать задачи контроля свободности перегона и автоматизации процесса контроля прибытия поезда на станцию в полном составе. Последнее дает возможность исключать участие оперативного персонала в процессе обеспечения безопасности движения поездов. Аппаратуру системы УПК СО также можно использовать для контроля путевых участков как на перегонах, так и на станциях, в том числе на участках с пониженным сопротивлением изоляции (балласта), в системах горочной автоматики, переездной сигнализации и непосредственно для счета осей или физических единиц подвижного состава. Система пригодна для участков с любым видом тяги и рельсами любого типа.

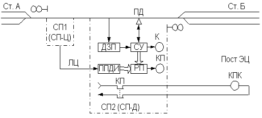
Система УКП СО включает в себя (рис. 3.1) два счетных пункта (СП1, СП2) и решающий прибор (РП). Счетные пункты располагаются на границах контролируемого перегона (путевого участка), и каждый из них связан с РП линейной цепью (ЛЦ1, ЛЦ2). На выходе РП включено контрольно-путевое реле (КП - реле свободности перегона).

Рисунок 3.1 Структурная схема контроля состояния перегона методом счета осей с централизованным размещением решающего прибора

Принцип действия системы основан на счете осей подвижного состава в каждом счетном пункте и последующем автоматическом сравнении результатов счета посредством РП. При одинаковых результатах счета на каждом СП, после прохода поезда по перегону и исправности аппаратуры системы, вырабатывается сигнал об освобождении подвижным составом контролируемого перегона (путевого участка). При этом включается реле КП.

Аппаратура каждого СП состоит из путевого датчика ПД, счетного устройства СУ, приемопередатчика дискретной информации (ППДИ) и датчика занятости пути ДЗП (рельсовая цепь в зоне установки ПД).

Датчик занятости пути определяет наличие подвижного состава в зоне контроля СП и задает режим работы аппаратуры счетного пункта (считывание или тестовая проверка). Путевой датчик реагирует на перемещение колесных пар в контролируемых зонах. Счетное устройство на основе обработки электрических сигналов ПД считает оси подвижного состава и выдает информацию на ППДИ. Приемопередатчик с требуемой достоверностью передает ее в решающий прибор, где непрерывно производится сравнение информации, поступающей со счетных пунктов. Кроме того, посредством РП контролируется исправность аппаратуры ППДИ и линейных цепей ЛЦ1 и ЛЦ2.

Аппаратура счетных пунктов работает в двух режимах: тестовом (при отсутствии подвижного состава в зоне контроля СП) и поездном (при вступлении поезда в зону контроля). Режим работы СП определяется состоянием ДЗП.

При свободном состоянии контролируемого перегона (путевого участка) датчики ДЗП на счетных пунктах включены. Из счетных устройств на путевые датчики подаются тестовые сигналы. Если путевой датчик и счетное устройство исправны и правильно функционируют, реле К находится под током. Это реле обеспечивает контроль работоспособности путевого датчика и счетного устройства при отсутствии поезда. Приемопередатчики непрерывно передают ранее записанную в память информацию о содержимом счетных устройств в решающий прибор. В данном случае из каждого СП передается в закодированном виде трехзначное десятичное число “000”. Решающий прибор, сравнивая в каждом цикле поразрядно поступающую информацию по линиям ЛЦ1 и ЛЦ2, удерживает реле КП во включенном состоянии. Это реле находится под током при условии, что поступающая информация из СП1 и СП2 одинакова, а сам РП находится в технически исправном состоянии.

При вступлении поезда на перегон, например со стороны СП1, датчик занятости пути этого счетного пункта ДЗП выключается, прекращая тем самым тестирование путевого датчика и счетного устройства, которое при этом устанавливается в исходное нулевое состояние. При проходе колеса подвижного состава над путевым датчиком ПД сигналы с его выходов поступают в счетное устройство. Текущая информация о количестве осей, проследовавших над ПД, передается ППДИ в РП. Решающий прибор фиксирует различие информации, поступающей на его входы с СП1 и СП2, и выключает реле КП. Реле КП остается в выключенном состоянии до тех пор, пока данный поезд не проследует в полном составе через СП2, т.е. не освободит контролируемый перегон (путевой участок). Реле КП может возбудиться и в том случае, если поезд, или его часть, проследовавшая путевой датчик СП1, вернется назад на станцию А в полном составе, поскольку счетное устройство работает с учетом направления движения подвижного состава. При прохождении колес подвижного состава по зонам контроля путевых датчиков реле К также находится во включенном состоянии. Таким образом осуществляется контроль работоспособности путевого датчика и счетного устройства в поездном режиме. Повреждение или отказ ПД или СУ приводит к выключению реле К, которое своими контактами отключит линейную цепь (на рисунке не показано), что, в конечном счёте, приведет к выключению реле КП.

В момент освобождения поездом зоны контроля датчика занятости пути СП1 включается ДЗП, и аппаратура счетного пункта начинает работать в тестовом режиме. ППДИ при этом продолжает непрерывно передавать информацию о числе осей в проследовавшем поезде от СП1 на станцию Б через линию связи ЛЦ2.

Аппаратура счетного пункта СП2 при проходе поезда работает аналогично аппаратуре СП1. Когда поезд освобождает перегон (проследует зону контроля СП2), решающий прибор РП фиксирует идентичность информации, поступившей на его входы по линиям ЛЦ1 и ЛЦ2 (о числе осей в проследовавшем поезде), и включает реле КП. После замыкания фронтовых контактов реле КП по линейным цепям посредством ППДИ (по обратному каналу) передается команда на приведение счетных устройств на каждом СП в нулевое состояние. При получении с обоих СП сигнала квитирования (информация о приведении СУ в нулевое состояние и запоминании этой информации - с каждого СП передается в закодированном виде число “000”) решающий прибор удерживает под током реле КП. В противном случае оно обесточивается. На этом цикл работы системы заканчивается. Если поезд движется в другом направлении (от СП2 к СП1), система работает аналогично. Различие лишь в том, что текущая информация поступит в РП сначала с СП2, а затем с СП1. Путевой датчик и счетное устройство работают с учетом направления движения. Например, при движении поезда в 60 осей в одном направлении со счетных пунктов передается код числа “060”, при движении этого же поезда в обратном направлении - код числа “940”, так как емкость счетчика равна 1000.

Если по каким-либо причинам произойдет сбой в работе системы и при фактической свободности перегона счетные устройства не перейдут в исходное состояние, то система предусматривает искусственное восстановление ее нормальной работы. Оно реализуется нажатием на станции приема поезда специальной кнопки, расположенной на пульте-табло.

Принципы построения системы разработаны с учетом требований по обеспечению безопасности движения: отказ любого функционального элемента или какой-либо связи приводит к выключению реле КП. В системе заложены функции диагностики технического состояния устройств. Аппаратура содержит элементы индикации, контролирующие работоспособность отдельных узлов системы.

Аппаратура СП размещается в релейных шкафах. Путевой датчик крепится к подошве либо к шейке рельса. Решающий прибор может, в зависимости от эксплуатационных условий, устанавливаться на станции или на одном из счетных пунктов. Алгоритм работы системы при этом принципиальных отличий не имеет.

В зависимости от места размещения решающего прибора система проектируется в двух вариантах:

- с размещением РП на станции (централизованный) - УКП СО-Ц (рисунок 3.1);

- с размещением РП на счетном пункте (децентрализованный) - УКП СО-Д (рисунок 3.2).

В первом варианте оба счетных пункта по аппаратной реализации идентичны (тип СП - СП-Ц). На станции при этом устанавливаются два идентичных приемопередатчика дискретной информации ППДИ и решающий прибор РП. На выходе решающего прибора включено реле КП, через контакты которого производится увязка со станционными устройствами автоматики.

Рисунок 3.2 Структурная схема контроля состояния перегона с децентрализованным расположением решающего прибора

Во втором варианте (рисунок 3.2) решающий прибор устанавливается на одном из счетных пунктов (тип СП - СП-Д), а на станции - повторитель реле КП. Включение повторителя реле КП на станции осуществляется контактами реле КП по специальным проводам. В обоих случаях решающий прибор выполняет одну и ту же задачу - непрерывно сравнивает коды числа осей, проследовавших через каждый счетный пункт (коды чисел на его входах).

Система УКП СО-Ц имеет преимущества эксплуатационного характера не только перед системой УКП СО-Д, но и в случае использования ее в качестве устройства контроля состояния свободности перегона. Использование системы УКП СО-Д наиболее эффективно для контроля состояния свободности путевых участков, удаленных от станции (рисунок 3.3). Например, для контроля в середине перегона блок-участка с искусственным сооружением (при АБ), где по каким-либо причинам нельзя применить рельсовые цепи.

При оборудовании системой УКП СО-Ц двух смежных перегонов целесообразно использовать вариант системы с решающим прибором типа РП-ЦЕ (рисунок 3.4), конструктивно объединяющим в себе два одинаковых решающих прибора типа РП-Ц, располагаемых на станции Б. В этом случае посредством реле КП1 контролируется свободность перегона между станциями А и Б, а посредством реле КП2 - перегон между станциями Б и В.

Рисунок 3.3. Структурная схема контроля состояния перегона с децентрализованным расположением решающего прибора для контроля удаленных от станции участков пути

Рисунок 3.4 Структурная схема контроля двух смежных перегонов с расположением аппаратуры решающих приборов на станции

Аппаратура счетных пунктов (счетный прибор) может устанавливаться как в отдельных релейных шкафах, так и в существующих шкафах входных светофоров (на участках с полуавтоматической блокировкой).

Для установки аппаратуры решающего прибора (варианты УКП СО-Ц и УКП СО-ЦЕ) не требуется дополнительная площадь служебных помещений.

3.3 Функциональная схема системы счета осей УКП СО

Рассмотрим функциональную схему [9] системы УКП СО в упрощенном варианте (рисунок 3.5). Основные отличительные особенности системы:

1. Трехканальный принцип построения счетного устройства СУ, входящего в блок СП-Ц, с мажоритарной логикой преобразования результатов счета, что требует наличия в системе трех независимых каналов информационных потоков, вырабатываемых тремя комплектами путевых датчиков и функциональных узлов счетного устройства.

2. Счет осей подвижного состава производится в счетных устройствах СП-Ц, расположенных в релейных шкафах входных светофоров, рядом с которыми располагаются путевые датчики ПД1… ПД3, а в СРП-Ц (станционный решающий прибор, расположенный на ст. Б) передаются результирующие и преобразованные данные. Это позволяет передавать с заданной достоверностью информацию в СРП-Ц и использовать в канале приема и передачи линейные цепи (ЛЦ) практически любых линий связи, включая линии СЦБ, ВЧ каналы.

3. Двухканальный принцип построения основных узлов и элементов системы.

4. Синхронизация дублированных каналов.

5. Периодическое тестирование и постоянный контроль синхронной работы дублированных каналов в каждом такте.

6. Использование путевых датчиков разного принципа действия, имеющих независимые источники питания (без изменения остальной аппаратуры).

7. Использование внешнего интерфейса с несимметричными отказами.

8. Информация от счетных пунктов к СРП-Ц передается циклически, с использованием помехозащищенного кода.

9. Наличие контроля работоспособности путевых датчиков и их установки на рельсах.

На функциональной схеме (рисунок 3.5) показаны три путевых датчика ПД1…ПД3 с которых первичная информация о проследовании колеса поступает на три счетчика осей СО1…СО3 (на схеме не показаны), находящихся в блоке СП-Ц. При отказе одного из этих устройств остаются работоспособными два других и система в целом. Формирование достоверной информации о количестве зафиксированных осей, получаемой от трех датчиков ПД и преобразуемой тремя счетчиками, выполняется мажоритарным элементом, который работает следующим образом. Если сигналы, поступающие от счетчиков СО1…СО3 на три входа мажоритарного элемента идентичны (совпадают), то на его выходе появляется число, соответствующее входным сигналам. Если на входы мажоритарного элемента поступают три сигнала, два из которых идентичны, а третий отличается, то на его выходе появляется сигнал, соответствующий двум идентичным входным сигналам. Несовпадение всех трех входных сигналов приводит систему в состояние защитного отказа. Она перестает функционировать, обеспечивая при этом выполнение требований безопасности движения, что проявляется в исключении возможности появления сигнала ложной свободности контролируемого перегона. Таким образом, мажоритарный элемент выполняет логическую функцию выбора информационных сигналов “два из трех”.

Рисунок 3.5 Функциональная схема системы УКП СО-Ц

Рассмотрим работу системы УКП СО при движении поезда от ст. А на ст. Б по схеме (рисунок 3.5). Если перегон свободен, а аппаратура УКП СО исправна и функционирует нормально, то реле КПЧ ст. Б находится под током. Через фронтовые контакты его медленнодействующего повторителя КПЧМ постоянное напряжение от источника питания БПШ ст. Б поступает в линейную цепь ЛЦ на ст. А и далее через нормально замкнутые контакты кнопки ИВКН ст. А подается на обмотку реле КПН. Таким образом, информация о свободности перегона и исправности системы (нахождение реле КПЧ и КПН под током) имеется на обеих станциях. Через контакты КПЧ и КПН подается питание на зеленые лампочки ЛКП пульта-табло ДСП каждой станции. Контакты реле КПН ст. А и КПЧ ст. Б включаются в блокировочные цепи ПАБ. Параллельно этим контактам включена цепь из двух нормально разомкнутых контактов кнопки ВСОК на ст. А и Б. При наличии на участке ПАБ системы ГТСС эти контакты последовательно включаются в цепь кнопки “Дача прибытия” (ЧДПК или НДПК). При ПАБ системы КБ ЦШ эти контакты включаются последовательно в цепь кнопки “искусственного прибытия” (ЧПК или НПК) и, кроме этого, дополнительными контактными группами (на схеме не показаны) - в цепь обмотки вспомогательного реле по прибытии (ЧВПР или НВПР).

Реле П, расположенные в счетных пунктах СП1 и СП2, предназначены для контроля свободного состояния участков пути НАП, НИП на ст. А и ЧАП, ЧИП - на ст. Б. (контролирующих свободное или занятое состояние зоны считывания). При свободном состоянии этих участков аппаратура СП1 и СП2 работает в режиме тестирования, проверяя техническое состояние всех функциональных узлов счетных пунктов, включая путевые датчики ПД1…ПД3 (показано двунаправленными стрелками на связях путевых датчиков и СП-Ц). При положительных результатах тестирования, указывающих на работоспособность всех узлов счетных пунктов, аппаратура СП1 и СП2 циклически передает по линейной цепи (на рисунке обозначена ЛЦ) и линии связи (на рисунке обозначена ЛС) в СРП-Ц кодовые сигналы, соответствующие числу “000”. Одновременно положительные результаты тестирования отображаются на цифровых индикаторах СП1 и СП2 в виде чисел “000” (на рисунке индикаторы не показаны). После приема кодовых сигналов и их дешифрации решающим прибором СРП-Ц на его индикаторах также высвечиваются числа “000”. В блоке СРП-Ц индикаторы устанавливаются на каждый приемный канал связи с СП1 и СП2. Свободное состояние перегона и положительные результаты тестирования создают условия для включения реле КПЧ и его медленнодействующего повторителя КПЧМ.

После отправления поезда со ст. А по открытому выходному светофору и занятия участка НАП в горловине ст. А реле П в СП1 выключается. Аппаратура счетного пункта СП1 переключается в режим счета осей. Показание его индикатора изменяется: вместо числа “000” появляется комбинация букв “ННН”. На СП2 (ст. Б) изменений в работе устройств не происходит. От СП1 и СП2 по линиям ЛЦ и ЛС в СРП-Ц (ст. Б) по-прежнему продолжают циклически передаваться кодовые комбинации числа “000”. Реле КПЧ остается под током, так как перегон свободен (поезд находится в пределах ст. А).

При вступлении поезда на участок НИП изменений в работе устройств не происходит до момента проследования колесной пары над датчиками ПД1…ПД3. После этого аппаратура СП1 ст. А начинает счет осей движущегося состава. Цифровой индикатор на СП1 начинает последовательно показывать (увеличивающиеся по мере движения поезда) числа. На этом временном интервале СП1 передает по ЛЦ на СРП-Ц ст. Б сигнал занятости рельсовой цепи в зоне считывания, соответствующий комбинации букв “ННН”. После приема и дешифрации этого сигнала на индикаторе СРП-Ц (контролирующем прием информации с СП1) показание “000” изменяется на “ННН”. Реле КПЧ обесточивается, фиксируя занятость перегона. Изменений в работе СП2 ст. Б и в передаче информации от него на СРП-Ц не происходит. После полного проследования состава над датчиками ПД1…ПД3 счетного пункта СП1 на его индикаторе высвечивается число зафиксированных осей.

После освобождения поездом участка НИП путевое реле П в СП1 становится под ток, так как оба участка НАП и НИП освободились. Аппаратура СП1 ст. А, зафиксировав результаты счета проследовавших осей, начинает работать в режиме тестирования. Индикатор счетного пункта СП1 высвечивает число осей, проследовавших над датчиками ПД1…ПД3. Одновременно с этим от СП1 (ст. А) в СРП-Ц (ст. Б) по цепи ЛЦ циклически передается кодовая комбинация, соответствующая числу зафиксированных колесных пар. После дешифрации в СРП-Ц этого сигнала на его индикаторе (контролирующем прием информации с СП1) также высвечивается число проследовавших со ст. А на межстанционный перегон (МП) колесных пар. Реле КПЧ продолжает находиться в обесточенном состоянии (осуществляя контроль занятого состояния перегона). По мере продвижения поезда по перегону изменений в состоянии аппаратуры УКП СО не происходит.

Далее, проследовав перегон, поезд вступает на участок ЧИП (ст. Б). В этот момент происходит выключение реле П в СП2, что, в свою очередь, вызывает переключение аппаратуры СП2 ст. Б в режим счета осей и изменение его индикатора с числа “000” на буквенную комбинацию “ННН”.

При проследовании поездом датчиков ПД1…ПД3 (установленных перед ст. Б) реле П остается в обесточенном состоянии, а аппаратура СП2 начинает счет проходящих осей, высвечивая на своем индикаторе увеличивающееся число, которое после полного проследования состава устанавливается равным числу осей, проследовавших с перегона на ст. Б.

На интервале времени с момента выключения реле П до прохода последней оси над датчиками ПД1…ПД3 по линии ЛС от СП2 на СРП-Ц передается код буквенной комбинации “ННН”. Это приводит к изменению показаний индикатора на СРП-Ц (контролирующего прием информации с СП2): число “000” сменяется на комбинацию “РРР”. Реле КПЧ продолжает оставаться без тока, так как перегон считается занятым до освобождения участка пути ЧИП.

Вступление поезда на участок ЧАП ст. Б при занятом участке ЧИП не изменяет состояния приборов всей системы. Реле КПЧ продолжает оставаться без тока.

После полного освобождения составом участка ЧИП перед ст. Б и при дальнейшем следовании его по участку ЧАП реле П в СП2 остается выключенным. Аппаратура СП2 (ст. Б) продолжает работать в режиме счета осей, а ее индикатор высвечивает число осей, проследовавших на ст. Б. В дальнейшем изменений в работе устройств не происходит: СП1 работает в режиме тестирования и одновременно циклически передает в СРП-Ц код, соответствующий числу осей, проследовавших на перегон; СП2 передает сигнал “ННН”. На индикаторе СРП-Ц, контролирующем прием информации с СП1, высвечивается число осей, вышедших со ст. А. На индикаторе СРП-Ц, контролирующем прием информации с СП2, высвечивается комбинация букв “РРР”. Реле КПЧ остается обесточенным, так как в СРП-Ц с СП2 еще не поступила информация о числе проследовавших на ст. Б колесных пар поезда.

После освобождения составом участка ЧАП ст. Б реле П в СП2 становится под ток, так как освободились оба участка ЧИП и ЧАП. Аппаратура СП2, зафиксировав результат счета вошедших на ст. Б колесных пар, после некоторой временной задержки начинает работать в режиме тестирования как и аппаратура СП1 ст. А. Одновременно оба счетных пункта СП1 ст. А и СП2 ст. Б передают в СРП-Ц ст. Б результаты количества зафиксированных осей, вышедших на перегон со станции отправления и вошедших на станцию приема. СРП-Ц сравнивает полученные результаты, и на его индикаторах высвечиваются числа осей, проследовавших СП1 и СП2. При совпадении этих результатов становится под ток реле КПЧ на ст. Б и соответственно реле КПН на ст. А.

По обратному каналу через линии ЛЦ и ЛС с СРП-Ц на СП1 и СП2 передается сигнал “обратный канал” (комбинация букв ОК), который несет информацию о положительном результате сравнения данных, полученных от обоих счетных пунктов. Получение сигналов ОК счетными пунктами СП1 и СП2 приводит их аппаратуру в исходное состояние и изменяет показания индикаторов на комбинацию “000”. На обоих индикаторах СРП-Ц по-прежнему высвечиваются цифры, соответствующие количеству осей в составе, проследовавших через СП1 и СП2.

Приведенные в исходное положение и находящиеся в технически исправном состоянии приборы СП1 ст. А и СП2 ст. Б начинают передавать в СРП-Ц ст. Б числа “000”, которые являются сигналами квитирования, подтверждающими получение счетными пунктами сигнала ОК, а также техническую исправность аппаратуры обоих СП.

После приема поезда на приемный путь СРП-Ц ст. Б получает сигнал квитирования “000” от каждого счетного пункта, показания индикаторов СРП-Ц изменяются на “000”. Система УКП СО приходит в исходное состояние, СП1 и СП2 работают в режиме тестирования, а СРП-Ц продолжает сравнивать сигналы “000”, циклически поступающие от СП1 и СП2.

Если после прохода поезда по перегону (или проведения планово-профилактических работ) реле КПН ст. А и КПЧ ст. Б остались обесточенными, что соответствует ложной занятости перегона, например за счет неверного подсчета числа осей или ошибки в передаче информации, то систему можно привести в исходное состояние. Для этого на обеих станциях имеются кнопки: ИВКН - “искусственного” восстановления исходного состояния системы УКП СО и ВСОК - выключения устройств счета осей из действия, располагаемых на пульте-табло ДСП. Кнопка ИВКН - не пломбируема, без фиксации, со счетчиком числа нажатий. Кнопка ВСОК - пломбируема, с фиксацией.

Для восстановления системы в исходное состояние ДСП станции приема, убедившись, что поезд прибыл в полном составе, нажимает кнопку ИВКН. При этом показание ее счетчика увеличивается на единицу. Через замкнутые контакты этой кнопки встает под ток реле ИВЧ по нижней обмотке и замыкает фронтовые контакты в цепи СРП-Ц. Аппаратура СРП-Ц производит соответствующие переключения в схеме и формирует передачу на ст. А и Б сигнала ОК. Далее, при исправном состоянии аппаратуры, повторяются все процессы работы, описанные выше. После временной задержки (примерно 3…5 с) реле КПЧ, а затем КПН встают под ток, и на пульте-табло обеих станций вместо красной загорается зеленая лампочка. Система восстанавливается и может нормально функционировать.

3.4 Электропитание аппаратуры счетных пунктов

Важнейшую роль в обеспечении надежной работы устройств счета осей играют источники электропитания. Они существенно влияют на выбор места расположения счетных пунктов и на саму структуру системы.

Электропитание аппаратуры счетных пунктов СП1 и СП2 в системе УКП СО осуществляется от двух напряжений. Первое - переменное 220 В (ПХ, ОХ) поступает из существующего релейного шкафа входных светофоров (например, для СП1 - из РШ Вх “Н”). Второе - постоянное напряжение 12 В (ПБ, МБ) берется от аккумуляторной батареи, установленной в батарейном шкафу (БШ). Практически, если позволяет место, аппаратура СП может устанавливаться и в существующем релейном шкафу входного светофора. Аналогично, если на входном светофоре имеется аккумуляторная батарея, то она используется для питания аппаратуры СП. Экономически более эффективен отказ от батареи на входном светофоре и переход на централизованное питание счетных пунктов с поста ЭЦ. Однако для этого необходимо наличие соответствующего кабеля от поста ЭЦ ко входному светофору (аппаратуре СП).

Специфической особенностью электропитания аппаратуры УКП СО, в отличие от релейных устройств систем СЦБ, является необходимость наличия бесперебойного питающего напряжения при различных аварийных ситуациях в электросистемах или переключениях фидеров. Не допускается использование постоянных напряжений, подаваемых в аппаратуру УКП СО через контакты аварийных реле. Это связано с тем, что возникающие при этом перерывы постоянных напряжений питания логических интегральных микросхем в устройствах СП и СРП-Ц могут вызывать случайные (и практически сложно выявляемые) сбои в работе аппаратуры. Поэтому питание приборов СП и СРП-Ц осуществляется от аккумуляторных батарей, работающих в буферном режиме с выпрямителем.

Соединение отдельных блоков и приборов УКП СО выполняется специальными кабелями, поставляемыми в комплекте с аппаратурой заводами-изготовителями. Условные шифры соединительных кабелей приведены на схеме (рис. 3.5). Например, комплект путевых датчиков ПД1, ПД2 и ПД3 соединяется с аппаратурой СП1 (или СП2) кабелем 102. Кабель 103 предназначен для соединения корпусов приборов СП и СРП-Ц с заземлением.

Остальные кабели, имеющие соответствующие условные номера и соединяющие те или иные приборы, блоки, реле, цепи питания и т.д.

4. Расчет экономической эффективности внедрения системы счета осей на однопутном перегоне

4.1 Расчет капитальных вложений

Важным стоимостным показателем эффективности являются капитальные вложения для создания и приобретения основных фондов (подвижного состава, зданий, сооружений, силовых установок и т.д.). В капитальные вложения при сравнениях включаются все денежные затраты в строительство новых, расширение, реконструкцию, модернизацию действующих основных фондов. Расчеты капитальных вложений производятся по нормативам, ценникам и прейскурантам, а в строительстве распределяются по главам смет и сметно-финансовых расчетов. Основными частями капитальных вложений являются затраты производственного назначения на строительные работы, приобретение оборудования, подвижного состава, механизмов и машин, включая и монтаж, а также стоимость проектных и изыскательных работ.

Некоторые плановые мероприятия при расчете их эффективности требуют учета не только прямых капитальных затрат, но и затрат сопряженных, т.е. затрат в другие отрасли народного хозяйства, вызванных внедрением данного варианта.

Анализируются в расчетах и затраты в сопутствующие работы, т.е. в работы, без которых внедряемое мероприятие не достигает эффекта. Эти работы в своем большинстве имеют самостоятельное технико-экономическое значение, и эффективность их, как правило, определяется отдельно.

Эффект от сопутствующих работ суммируется с эффектом мероприятия, вызвавшего эти работы, в случае, когда они осуществляются по сметам основного мероприятия.

Общей суммой капитальных затрат обычно пользуются при сравнениях вариантов с одинаковым объемом перевозок или продукции.

Суммарная экономия общих капитальных вложений по вариантам складывается из экономии прямых затрат, связанных только с выбором данного варианта, и при необходимости полных затрат, т.е. затрат с учетом сопутствующих и сопряженных.

На основании укрупненных норм капитальные затраты на один километр пути в устройства СЦБ составляют:

·   для полуавтоматической блокировки - 2520000 тг;

·   для системы счета осей - 1720000 тг.

Для проектируемого однопутного перегона длиной 20 км капитальные вложения составят:

При полуавтоматической блокировке:

КПАБ = 2520000 · 20 = 50400 тыс. тг;

При системе счета осей:

КССО = 1720000 · 20 = 34400 тыс. тг.

4.2 Расчет эксплуатационных расходов

Важным стоимостным показателем эффективности являются текущие (эксплуатационные) расходы. Они обычно рассчитываются на исходный или конечный расчетный год или на тот и другой, а иногда суммарные за весь расчетный срок. В данном проекте к ним относятся эксплуатационные расходы, которые зависят от данных устройств СЦБ. Тип устройств СЦБ определяет затраты на ремонт и амортизацию, содержание штата занятого управлением стрелками и сигналами (сигналистов, дежурных по станции).

Таким образом, эксплуатационные расходы С по каждому варианту

Сi = Сзп + Сшч + Сн + Смэ + Сам,                                                       (4.1)

где Сзп - фонд заработной платы рабоникам хозяйств: движения и пути;

Сшч - фонд заработной платы работникам хозяйства сигнализации и связи;

Сн - отчисления на социальное страхование работникам хозяйств: движения, пути, сигнализации и связи;

Смэ - расходы на материалы, запасные части, электроэнергию и прочие затраты;

Сам - амортизационные отчисления от стоимости устройств автоматики и связи.

Расчет фондов заработной платы.

Основные задачи планирования труда и заработной платы заключаются в обеспечении роста производительности труда; обеспечении рационального соотношения в численности персонала, занятого непосредственно на производстве, обслуживании и в управлении; стимулирования работы каждого работающего и коллектива в целом; обеспечении потребности предприятия в кадрах необходимой квалификации.

Вновь вводимые устройства автоматики вносят значительные изменения в расходы на содержание эксплуатационного штата. Так, при более совершенных устройствах СЦБ штат работников хозяйств локомотивного и движения уменьшается, но при этом несколько увеличивается штат технических работников хозяйства сигнализации и связи.

Расчет годового фонда заработной платы работникам хозяйств движения и пути Сзп, а также работникам хозяйства сигнализации и связи Сшч может быть произведен по формуле

Сзп или Сшч = 12å(Чi · Зi · (1 + К1i) · (1 + К2i)),                      (4.2)

где Чi - численность работников каждой должности;

Зi - месячный тарифный оклад работника каждой должности;

К1i - доля премий о доплат за работу в ночное время, праздничные дни и др.;

К2i - доля дополнительной заработной платы (в основном оплата отпуска), от всей начисленной заработной платы.

Значения К1i принимаются:

·   для работников станций и монтеров пути - 0,35;

·   для работников дистанций СЦБ и связи - 0,42.

Значения К2i принимаются:

·   для работников станций и монтеров пути - 0,06;

·   для работников дистанций СЦБ и связи - 0,07.

Расчет штата по службе движения производится с учетом наличия двух станций IV-го класса. По нормам обслуживания на станциях принимается:

1. один начальник станции - месячный оклад 40000 тг;

2. четыре дежурных по станции - месячный оклад каждого 30000 тг;

3. один монтер пути по очистке стрелок - месячный оклад 18000 тг.

Сзп = 12 · [2 · 40000 · (1 + 0,35) · (1 + 0,06) + 8 · 30000 · (1 + 0,35) · (1 + +0,06) + 2 · 18000 · (1 + 0,35) · (1 + 0,06)] = 6113232 тг.

В любой электронной или электрической системе процесс отыскания ее неисправностей и выявления причин отказов является наиболее сложным и трудоемким. При этом, зачастую, определяющим фактором является опыт и квалификация обслуживающего персонала. В полной мере это относится и к электронной аппаратуре системы счета осей, которую обслуживает эксплуатационный штат работников, обслуживающий участки, оборудованные устройствами полуавтоматической блокировки.

Поэтому, эксплуатационный штат работников, обслуживающий полуавтоматическую блокировку и систему счета осей при электрической централизации стрелок на промежуточных станциях, составит:

а). один электромеханик I-ой группы - месячный оклад 28000 тг;

б). один электромонтер 6-го разряда - месячный оклад 15000 тг.

СШЧ = 12 · [1 · 28000 · (1 + 0,42) · (1 + 0,07) + 1 · 15000 · (1 + 0,42) · (1 + +0,07)] = 784010 тг.

Расчет отчислений на социальное страхование

Суммы отчислений на социальное страхование расчитываются в размере 37,5% от годового фонда заработной платы (основной и дополнительной) по формуле

Сн = 0,375 · Сзп или 0,375 · Сшч.                                               (4.3)

Отчисления на социальное страхование для работников хозяйства движения, пути, сигнализации и связи при полуавтоматической блокировке и устройстве системы счета осей составят:

Cн = 0,375 · 6113232 +0,375 · 784010 = 2586465 тг.

Расчет амортизационных отчислений.

Основные средства промышленного железнодорожного транспорта в процессе их использования постепенно изнашиваются. Физический износ наступает как в результате эксплуатации основных средств, так и в период нахождения их в запасе и на консервации.

Физический износ действующих основных фондов (средств) зависит от ряда факторов:

·   качества технических средств;

·   степени их загрузки;

·   особенности технологических процессов;

·   степени защиты от внешних условий и агрессивных сред;

·   качество ухода;

·   уровень квалификации рабочих и их отношение к техническим средствам.

Бездействующие фонды изнашиваются под действием атмосферных явлений и внутренних процессов, происходящих в материалах, из которых они изготовлены.

Основные средства, подвергаясь в процессе эксплуатации физическому износу, теряют ежегодно часть своей стоимости, равной той ее величине, которая перенесена на стоимость продукции, произведенной в течении года.

Технические средства предприятия подвергаются не только физическому, но и моральному износу. Моральный износ наступает вследствие появления более производительной и экономичной техники.

В период эксплуатации основных средств наступает момент, когда их необходимо ремонтировать, модернизировать или заменять новыми. Для ремонта старой или приобретения новой техники необходимы денежные средства. Они накапливаются в процессе эксплуатации основных фондов, так как часть их стоимости переносится на производимую продукцию. Накапливаемая часть стоимости основных фондов включается в эксплуатационные расходы на производство этой продукции в виде амортизации.

Величина стоимости, включаемая посредством амортизации в годовые эксплуатационные расходы предприятия промышленного железнодорожного транспорта, представляет собой амортизационные отчисления.

Расходы на амортизационные отчисления рассчитываются как произведение стоимости вводимых устройств СЦБ на установленную норму амортизации.

Сам = Кi · а.                                                                                  (4.4)

Нормы амортизации устанавливаются по каждому виду основных фондов. Величины этих норм утверждаются в таких размерах, чтобы полученные по ним отчисления от первоначальной стоимости основных фондов соответствовали их физическому и моральному износу. Излишние отчисления завышают себестоимость перевозок, а недостаточные ведут к ухудшению состояния основных фондов, к работе на повышенный износ и нарушению их воспроизводства.

Норма амортизационных отчислений от стоимости устройств для полуавтоматической блокировки равна 4,6%.

Норма амортизационных отчислений для системы счета равна 5,3%.

При полуавтоматической блокировке амортизационные отчисления составят:

Сам = 50400 · 0,046 = 2318,4 тыс. тг.

При системе счета осей амортизационные отчисления составят:

Сам = 34400 · 0,053 = 1823,2 тыс.тг.

Расчет расходов на материалы, запасные части, электроэнергию и прочие затраты.

Расходы на материалы и запасные части определяются в размере 1,5% от стоимости вводимых устройств СЦБ.

Расходы на электроэнергию принимают в размере 0,2% от стоимости вводимых устройств СЦБ.

Прочие расходы (по обновлению технической документации, командировочные, оплату различных услуг и др.) принимают в размере 3% от расходов на заработную плату работникам хозяйства сигнализации и связи.

Отсюда:

Смэ = 0,015 · Кi + 0,002 · Кi + 0,03 · Сшч.                                           (4.5)

Для полуавтоматической блокировки расходы на материалы, запасные части, электроэнергию и прочие затраты составят:

Смэ = 0,015 · 50400 + 0,002 · 50400 + 0,03 · 784,01 = 880,32 тыс. тг.

Для системы счета осей расходы на материалы, запасные части, электроэнергию и прочие затраты составят:

Смэ = 0,015 · 34400 + 0,002 · 34400 +0,03 · 784,01 = 608,32 тыс. тг.

Вывод: Затраты на эксплуатационные расходы при полуавтоматической блокировке составят:

СПАБ = 6113,232 + 784,01 + 2586,465 + 2318,4 + 880,32 = 12682,4 тыс. тг.

Затраты на эксплуатационные расходы при устройстве счета осей составят:

СССО = 6113,232 + 784,01 + 2586,465 + 608,32 + 1823,2 = 11915,2 тыс. тг.

4.3 Расчет приведенных строительно-эксплуатационных затрат и годового экономического эффекта

Определив капитальные вложения и эксплуатационные расходы, рассчитываются приведенные затраты Эп.

Приведенные затраты для полуавтоматической блокировки:

Эп = 50400 · 0,1 + 12682,4 = 17722,4 тыс. тг.

Приведенные затраты для устройства системы счета осей:

Эп = 34400 · 0,1 + 11915,2 = 15355,2 тыс. тг.

Годовой экономический эффект Эг, обеспечиваемый экономически эффективным вариантом, определяется по формуле:

Эг = (Кi · Ен + Сi) - (Кэ · Ен + Сэ)                                                (4.6)

где Кэ - капитальные вложения по экономически эффективному варианту;

Сэ - годовые эксплуатационные расходы по экономически эффективному варианту.

Эг = (50400 · 0,15 + 12682,4) - (34400 · 0,15 + 11915,2) = 3167,2 тыс. тг.

Вывод:

В данном разделе, для проектируемого однопутного перегона, произведен расчет экономической эффективности устройств СЦБ. Рассмотрены следующие варианты:

·   полуавтоматическая блокировка и электрическая централизация стрелок на станциях;

·   системы счета осей и электрическая централизация стрелок на станциях.

Эти расчеты позволили определить, что внедрение на перегонах устройства счета осей экономически целесообразнее, и годовой экономический эффект составляет 3167200 тенге.

5. Охрана труда

.1 Состояние проблемы обеспечения безопасности движения на железнодорожных переездах

Пересечения железнодорожных путей и автомобильных дорог на одном уровне являются наиболее сложными и опасными элементами улично-дорожной сети и оказывают существенное влияние на эффективность эксплуатации автомобильного и железнодорожного транспорта в целом.

В настоящее время в стране эксплуатируется более 20 тыс. железнодорожных переездов, в том числе около 13,6 тыс. в системе АО «НК «КТЖ», из них 2,8 тыс. переездов обслуживаются дежурными работниками железных дорог.

Высокие темпы автомобилизации создают дополнительные предпосылки для ухудшения обстановки в сфере обеспечения безопасности движения через железнодорожные переезды. В последнее время ежегодный прирост автопарка страны составляет около 1,3 млн. ед. К этому следует добавить, еще и то, что улично-дорожная сеть страны не соответствует фактической интенсивности транспортных потоков. Основные магистрали перегружены в 2-3 раза.

Проблема железнодорожных переездов является актуальной не только для Казахстана, но и для большинства промышленно развитых стран. Эти пересечения характеризуются непроизводительными простоями автотранспорта и как следствие дорожно-транспортными происшествиями на переездах, в том числе с особо тяжкими последствиями. Подобные происшествия наряду со значительными материальными потерями обычно вызывают и большой общественный резонанс.

Анализ таких аварий показывает, что в 98% случаев они допускаются по вине водителей. Так, в письме МТиК №С-3530 от 5.04.01 «О предупреждении ДТП на железнодорожных переездах» в частности отмечается «Основными причинами ДТП, совершаемыми физическими лицами, по-прежнему являются невнимательность, беспечность, торопливость, элементы лихачества, риска, а порой и преступная халатность».

В создавшихся условиях особую значимость приобретают вопросы обеспечения безопасности движения через железнодорожные переезды.

Традиционный способ обеспечения безопасности движения на железнодорожных переездах заключается в ограждении его с помощью шлагбаума, мигающих красных светофоров и звуковой сигнализации.

Шлагбаум служит для предупреждения въезда транспортных средств на железнодорожные пути в системе устройств ограждения железнодорожных переездов на станциях, перегонах, подъездных путях железных дорог общего пользования и промышленного железнодорожного транспорта.

Шлагбаумы выпускаются в двух вариантах исполнения, различаемых по роду питания электродвигателей: вариант N - переменного тока напряжением 220В частотой 50Гц; вариант S - постоянного тока напряжением 24В. Вариант исполнения переменного тока может работать как от однофазной, так и от 3-х фазной сети электроснабжения.

При отсутствии питания шлагбаум работает только на опускание заградительного бруса (ЗБ).

Технические характеристики шлагбаумов

Длина ЗБ, м.............................................................................. 4, 6, 8

Угол подъема ЗБ, град. ........................................................ 80 - 85

Время опускания ЗБ, с .................................................... не более 12

Время подъема ЗБ, с........................................................ не более 12

Напряжение питания электродвигателя, В

- Вариант N, трехфазное .....................................................220 ± 5%

- Вариант N, однофазное .................................................... 220 ± 5%

- Вариант S........................................................................... 24 ±1,2

Номинальный ток электродвигателя, А, не более:

- Вариант N, 3-х фазное, ............................................................3,0

- Вариант N, однофазное ...........................................................5,2

- Вариант S ................................................................................12,5

Усилие поворота на конце ЗБ в горизонтальной плоскости, кг, не менее:

- для ЗБ 4 м..................................................................................14

- для ЗБ 6 м .................................................................................24

- для ЗБ 8 м .................................................................................28

Масса противовеса, кг, не более

- для ЗБ 4 м..................................................................................70

- для ЗБ 6 м ..................................................................................98

- для ЗБ 8 м ...............................................................................126

Масса заградительного бруса, кг, не более ...............................37

Напряжение цепей управления, контроля и сигнализации, В ..................12

Номинальная частота срабатывания, цикл/мин............................................ 1

Количество циклов срабатывания (подъем-опускание ЗБ), не менее .1´106

Срок службы, лет........................................................................20

Масса электропривода, кг, не более .........................................100

Высота установки ША по оси вращения ЗБ над поверхностью

проезжей части дороги, м ................................................. 1 - 1,25

Конструкция шлагбаума представлена на рисунке 5.1. В его состав входят электропривод 1, установленный на фундаменте 3 с использованием тумбы-подставки 2, заградительный брус 4, закрепленный в раме 5 с устройством поворота 6, позволяющего повернуть ЗБ в горизонтальной плоскости на угол 90° в обе стороны при наезде транспортного средства и противовес 7.

Рисунок 5.1 Конструкция шлагбаума

Шлагбаум может быть оборудован светофором 8 со звуковым сигналом 9. Конструкция шлагбаума позволяет устанавливать светофоры и звуковые сигналы вместе со шлагбаумом или отдельно от него.

Контрольная система шлагбаума построена на базе микропереключателей общепромышленного назначения. Микропереключатели фиксируют крайние положения заградительного бруса.

Схема управления электродвигателем шлагбаума работает по принципу косвенного использования аппаратуры управления, установленной в релейном шкафу ШРУ-М и аппаратуры управления автоматической переездной сигнализации (АПС), а также щитка управления дежурного по переезду.

При опускании заградительного бруса его потенциальная энергия переходит в кинетическую, которую необходимо погасить в конце перевода, чтобы не допускать ударов об асфальтовое покрытие переезда и, как следствие, поломок заградительного бруса. Эту функцию выполняет гидрогаситель. Опускание заградительного бруса происходит равномерно и останавливается в конце перевода без покачивания.

Гидрогаситель (рисунок 5.2) представляет собой поршневой телескопический демпфер двухстороннего неравнозначного действия.

Гидрогаситель состоит из цилиндра 1, в котором перемещается поршень 2 с клапаном 4 и с калиброванными отверстиями 3. Цилиндр в нижней и верхней части закрыт соответственно нижней 5 и верхней 8 крышками с помощью болтов 12, 13 и уплотнен резиновыми кольцами 6. В нижней крышке имеется ушко для шарнирного крепления гидрогасителя к корпусу электропривода, в верхней - отверстие для выхода штока поршня и его уплотнения 7, 10, а также отверстие с пробкой 9 для заполнения рабочей жидкостью цилиндра. В качестве рабочей жидкости используется тосол марки А-60 В шток поршня вворачивается вилка 11. В ней имеется проточка для крепления к рычагу главного вала.

Рисунок 5.2 Гидрогаситель

Принцип работы гидрогасителя заключается в перемещении жидкости из одной полости цилиндра в другую при движении поршня. Жидкость перетекает через специальные щели 3. При прохождении через них происходит вязкое трение и превращение механической (кинетической) энергии заградительного бруса в тепловую и передача ее в окружающую среду. Благодаря клапану 4, в разном направлении движения поршня диаметр щелей различен, различно и сопротивление движению заградительного бруса. Причем, сопротивление движению поршня зависит и от скорости движения бруса.

Заградительный брус в сборе с рамой и противовесом является единой подвижной конструкцией и, перемещаясь в вертикальной плоскости при помощи главного вала, осуществляют перекрытие и открытие проезжей части железнодорожного переезда.

Конструкция заградительного бруса в сборе с механизмом поворота при наезде автотранспорта и узлом фиксации в вертикальном положении при проведении профилактических работ с электроприводом на переезде хорошо видна из рисунка 5.1.

Заградительный брус представляет собой металлическую конструкцию круглого или коробчатого сечения, выполненную из листовой стали .

Противовесами служат стальные диски, закрепленные на раме с помощью винта.

Заградительный брус, рама с противовесом представляет конструкцию, центр масс которой вынесен относительно оси вращения, что создает в вертикальном положении бруса момент для его опускания.

Принцип заграждения переезда с помощью шлагбаума заключается в следующем. При вступлении поезда на участок приближения к переезду включается автоматическая переездная сигнализация. По истечении времени, необходимого для освобождения переезда от транспорта, схемой управления шлагбаумами отключается питание электромагнитной муфты, главный вал оттормаживается и, под действием несбалансированности ЗБ, главный вал поворачивается, а ЗБ опускается в горизонтальное положение. Амортизационное устройство обеспечивает плавную остановку ЗБ в конце перевода.

Как отмечалось, для гашения кинетической энергии и демпфирования крайних положений ЗБ в шлагбауме предусмотрен гидрогаситель, механическая характеристика которого позволяет автоматически поддерживать равномерную скорость опускания заградительного бруса.

После проследования поезда за пределы переезда, на электродвигатель подается электропитание и, вращаясь, электродвигатель поднимает ЗБ в вертикальное положение.

Отключение электропитания электродвигателя происходит, когда ЗБ принимает вертикальное положение, при этом электромагнитная муфта находится под током (напряжением) и удерживает ЗБ в этом положении.

В момент возвращения ЗБ в вертикальное положение при отключении электродвигателя, отключаются световые и звуковые сигналы.

Как можно заметить, безопасность такого способа заграждения железнодорожного переезда находится на весьма низком уровне, поскольку некоторые водители «проскакивают» огражденный переезд, объезжая по левой полосе движения опущенный шлагбаум.

Сегодня на эксплуатируемых пересечениях железных и автомобильных дорог помимо шлагбаумов внедряются и другие более эффективные технические средства, направленные на обеспечение безопасного и бесперебойного движения автотранспортных средств и подвижного состава железных дорог. Среди них несколько типов жесткого механического ограждения - вертикальные щиты-барьеры, поднимающиеся балки и тросы и т.п.. Однако подобные устройства не дают возможности транспортному средству, оказавшемуся на ж. д. путях в момент ограждения переезда, покинуть его, и столкновение с поездом в этом случае неизбежно.

5.2 Стационарные устройства заграждения переездов

С 1996 г. на железных дорогах СНГ началось постепенное оснащение охраняемых переездов стационарными устройствами заграждения УЗП.

Похожие работы на - Проблемы средств сигнализации, централизации и блокировки (СЦБ)

 

Не нашли материал для своей работы?
Поможем написать уникальную работу
Без плагиата!
Без нейросетей!