Расчет парового котла на сернистом мазуте
Оглавление
Введение
. Задание
. Расчетные характеристики топлива
. Объемы и энтальпии воздуха и
продуктов сгорания
3.1
Расчет объема воздуха и продуктов сгорания при
.2
Расчет объема воздуха и продуктов сгорания при
.3
Расчет энтальпий по газоходам
.
Определение КПД и расхода топлива
.
Расчет топочной камеры
.
Расчет фестона
.
Расчет пароперегревателя II ступени
.
Расчет пароперегревателя I ступени
.
Расчет экономайзера
.
Расчет воздухоподогревателя
.
Тепловой баланс котельного агрегата
Заключение
Список
использованных источников
Приложение
1 - Эскиз топки (продольный разрез)
Приложение
2 - Эскиз топки (вид сверху)
Приложение
3 - Эскиз фестона
Приложение
4 - Эскиз пароперегревателя II-ой ступени
Приложение
5 - Эскиз пароперегревателя I-ой ступени
Приложение
6 - Эскиз экономайзера
Приложение
7 - Эскиз воздухоподогревателя
Введение
Паровой котел - это системы различных
поверхностей нагрева для производства пара из непрерывно поступающей в него
воды за счет подвода теплоты, выделяющейся при сжигании топлива, которое
подается в топку вместе с необходимым для горения воздухом. Поступающая в
паровой котел питательная вода подогревается до температуры насыщения,
испаряется, а выделившийся из котловой воды насыщенный пар перегревается.
Продукты сгорания (теплоноситель), образованные
при сжигании топлива отдает в поверхностях нагрева теплоту воде и пару (рабочему
телу). После поверхностей нагрева теплоноситель при относительно низкой
температуре удаляется из котла в атмосферу.
В соответствии с законами фазового перехода
получение перегретого пара характеризуется последовательным протеканием
следующих процессов: подогрев
питательной воды до температуры насыщения,
парообразование, перегрев насыщенного пара до заданной температуры. Эти
процессы осуществляются в трех группах поверхностей нагрева. Подогрев воды
происходит в экономайзере, образование пара в испарительных поверхностях
нагрева, перегрев пара в пароперегревателе.
Паровые котлы в зависимости от осуществления
движения рабочего тела подразделяются на котлы с естественной циркуляцией и
принудительной циркуляцией.
Отличительной особенностью паровых котлов с естественной
и многократной принудительной циркуляцией является наличие барабана - емкости,
организующей циркуляцию в замкнутом гидравлическом контуре и обеспечивающее
отделение воды от пара.
Прямоточные котлы не имеют барабана, и через
парообразующие трубы рабочее тело проходит однократно.
Паровые котлы могут иметь П-, Т-, N-,
U-образную, четырех
ходовую и башенную компоновки. В отечественной энергетике наиболее широкое
применение получили котлы с П-образным профилем.
Котёл типа БГМ-35 предназначен для получения
насыщенного или перегретого пара, идущего на удовлетворение потребности в паре
промышленности, строительства, транспорта, сельского и других отраслей
народного хозяйства, на технологические и отопительно-вентиляционные нужды, а
так же для малых электростанций. Котёл работает на газе и мазуте.
Котёл - однобарабанный, вертикально-водотрубный,
с естественной циркуляцией, выполнен по П-образной схеме компоновке
поверхностей нагрева, двухходовой по движению продуктов сгорания. Котёл
работает с уравновешенной тягой.
Топочная камера объёмом 147 м3 экранирована
трубами Ø
60×3 мм, расположенными с шагом 80 мм на задней
стенке и 110 мм на фронтовой и боковых стенках. Под топочной камерой не
экранирован. На фронтовой стенке расположены 4 основные газомазутные горелки.
Схема испарения двухступенчатая, рассчитана на
питательную воду.
Барабан котла внутренним диаметром 1500 мм с
толщиной стенки 40 мм и длиной 7844 мм выполнен из стали 20К. Первая ступень
испарения барабана оборудована внутрибарабанными циклонами. Второй ступенью
испарения служат выносные циклоны.
Пароперегреватель, вертикального типа с
коридорным расположением труб, установлен в горизонтальном газоходе котла.
Состоит из двух частей, в рассечке между которыми включён поверхностный
пароохладитель. Обе части пароперегревателя выполнены из труб Ø
38×3 мм (сталь 20), кроме выходной петли первой по
ходу газовой части пароперегревателя, изготовленной из стали 15ХМ.
Очистка пароперегревателя осуществляется при
помощи стационарных обдувочных устройств, установленных перед первым и между
первым и вторым пакетами пароперегревателя.
В конвективном газоходе размещены: гладкотрубный
змеевиковый водяной экономайзер с шахматным расположением труб Ø
32×3 мм и трубчатый вертикальный
воздухоподогреватель, изготовленный из труб Ø 40×1,5
мм.
При работе котла на мазуте очистка конвективных
поверхностей нагрева может производиться при помощи дробеочистки.
Котлы снабжены всей необходимой регулирующей и
запорной арматурой, предохранительными клапанами, устройствами для контроля
температуры и давления пара и уровня воды в барабане.
Для удобства обслуживания котлоагрегат
оборудован помостами и лестницами, а топочная камера - лазами и гляделками.
Каркас котла рассчитан на сейсмичность 7 баллов. Обмуровка - тяжелая без
обшивки. В топке и районе пароперегревателя толщина обмуровки составляет 510
мм, из них внутренний слой толщиной 125 мм - шамотный кирпич, наружный слой
толщиной 385 мм - красный кирпич. В конвективной шахте котла, в районе водяного
экономайзера, толщина обмуровки 380 мм - красный кирпич.
При выполнении расчета парового котла, его
паропроизводительность, параметры пара и питательной воды являются заданными.
Расчет является поверочным, и цель расчета состоит в выборе и определении
температур и тепловосприятий рабочего тела и газовой среды в поверхностях
нагрева заданного котла.
1. Задание
Топливо - сернистый мазут;
Величина непрерывной продувки - П=4,0 % ;
Тип котла - БГМ - 35;
Паропроизводительность - D=8,33
кг/с = 30т/ч;
Давление перегретого пара - Рпп=3,7 МПа;
Давление в барабане - Рб=3,8 МПа;
Температура питательной воды - tпв=140ºС;
Температура перегретого пара - tпп=440ºС;
Температура холодного воздуха - tхв=30ºС.
Таблица 1.1
Технические характеристики поверхностей нагрева
|
Топка
|
Фестон
|
Пароперегреватель
1-я ступень
|
Пароперегреватель
2-я ступень
|
Экономайзер
|
Воздухоподогреватель
|
|
Vт = 147 м2
|
d×δ = 60×3
|
d×δ = 38×3
|
d×δ = 38×3
|
d×δ = 32×3
|
d×δ = 40×1,5
|
|
Fст =165 м2
|
S1 = 240 мм
|
S1 = 110 мм
|
S1 = 110 мм
|
S1 = 80 мм
|
S1 = 56 мм
|
|
d×δ = 60×3
|
S2 = 220 мм
|
S2 = 77 мм
|
S2 = 150 мм
|
S2 = 60 мм
|
S2 = 44 мм
|
|
Sфр = 110 мм
|
Z1 = 3 шт
|
Fпп =92 м2
|
Fпп =92 м2
|
Fэк =503 м2
|
Fвп =800 м2
|
|
Sбок= 110 мм
|
Fф =42 м2
|
|
|
|
|
|
Sзадн= 80 мм
|
|
|
|
|
|
|
Нл
= 136 м2
|
|
|
|
|
|
2. Расчетные характеристики топлива
Состав рабочей массы топлива [1, табл. III]:
Низшая теплота сгорания -
.
3. Объемы и энтальпии воздуха и
продуктов сгорания
3.1 Расчет объема воздуха и
продуктов сгорания при
Определение теоретического количества сухого
воздуха, необходимого для полного сгорания топлива.
;
Определение объёмов продуктов
сгорания на 1 кг топлива.
Теоретический объём азота:
;
Объём трёхатомных газов:
;
Теоретический объём водяных паров:
;
Следующие величины подсчитываются
раздельно для топки и расположенных за ней поверхностей нагрева по заранее
выбранным средним значениям коэффициента избытка воздуха. Необходимо определить
по чертежам и эскизам заданного котла число поверхностей нагрева. Котлы БГМ-35
в соответствии с рис. 1 состоят из следующих поверхностей нагрева:
Топка и фестон;
Конвективный пароперегреватель 2
ступени;
Конвективный пароперегреватель 1
ступени;
Водяной экономайзер;
Воздухоподогреватель.
Схема барабанного котла БГМ-35
представлена ниже.
Рис.3.1 Схема барабанного котла с
естественной циркуляцией БГМ - 35
Котел БГМ-35 имеет камерную топку.
Выбираем температуру уходящих газов
по [1, табл. II-4]. Т.к. по
заданию топливо - сернистый мазут
, то : υуг=160 0С.
Выбираем температуру нагрева воздуха
по [1, табл. II-2]. Т.к
имеем топку для газа и мазута: tгв=250 0С.
Выбираем коэффициент избытка воздуха
на выходе из топки по [1, табл. XX]: α’’т=1,02.
Определяем присосы воздуха по [1, табл. XVII]:
- присос воздуха в фестоне,
- присос воздуха в
пароперегревателе I и II,
- присос воздуха в экономайзере,
- присос воздуха в
воздухоподогревателе.
3.2 Расчет объема воздуха и
продуктов сгорания при
Объем водяных паров [1, п.4-02]:
;
.
Объем дымовых газов [1, п.4-02]:
;
.
Объемная доля трехатомных газов и
водяных паров [1, п.4-02]:
;
;
;
.
Суммарная объемная доля трехатомных
газов и водяных паров:
;
.
Расчеты для остальных поверхностей нагрева
аналогичны, результаты сведены в табл. 3.1.
Таблица 3.1
Средние объемные характеристики продуктов
сгорания
Расчетные
величины размерность
;
;
|
; .
|
|
|
|
газоходы
котла
|
|
|
топка
и фестон
|
Конвективный пароперегреватель
|
Экономайзер
|
Воздухоподогреватель
|
|
|
|
II ст
|
I ст.
|
|
|
|
1
Коэффициент избытка воздуха за поверхностью нагрева --1,021,0351,051,131,19
|
|
|
|
|
|
|
|
2
Средний коэффициент избытка воздуха поверхности нагрева --1,021,02751,04251,091,16
|
|
|
|
|
|
|
|
3
Объем водяных паров м3/кг1,4531,4541,4571,4651,477
|
|
|
|
|
|
|
|
4
Полный объем газов м3/кг11,73011,81011,97112,47913,228
|
|
|
|
|
|
|
|
5
Объёмная доля трёхатомных газов --0,1370,1360,1350,1290,122
|
|
|
|
|
|
|
|
6
Объёмная доля водяных паров --0,1240,1230,1220,1170,112
|
|
|
|
|
|
|
|
7
Доля трёхатомных газов и водяных паров --0,2610,2600,2560,2470,234
|
|
|
|
|
|
|
|
8
Масса продуктов сгорания кг/кг15,24915,35415,56416,22717,205
|
|
|
|
|
|
|
3.3 Расчет энтальпий по газоходам
Энтальпия теоретически необходимого количества
воздуха при температуре
, °С
[1, п.4-06]:
Энтальпия газов при коэффициенте
избытка воздуха
и
температуре
, °С [1, п.4-06]:
Энтальпия дымовых газов на 1м3
сожженного топлива [1, п.4-06]:
.
Энтальпии 1кг влажного воздуха
,
углекислого газа
, азота
, водяных
паров
определяются
по рекомендациям [1, таблица XIV].
Поскольку энтальпии воздуха и
продуктов сгорания определяются температурами, то они подсчитываются при
различных температурах в диапазоне от 100 до 2200°С, а результаты оформим в виде табл. 3.2.
Таблица 3.2
Энтальпии продуктов сгорания (
-таблица)
|
t, 0С
|
I0.г
|
I0.в
|
|
|
|
|
Топка
и фестон
|
КПП
II
|
КПП
I
|
ЭК
|
ВП
|
|
|
|
α˝т=1,02
|
α˝КПП2=1,035
|
α˝КПП1=1,05
|
α˝эк=1,13
|
α˝эк=1,19
|
|
|
|
Н
|
dH
|
Н
|
dH
|
Н
|
dH
|
Н
|
dH
|
Н
|
dH
|
|
100
|
1594,9
|
1419,5
|
|
|
|
|
|
|
1779,4
|
1779,4
|
1864,6
|
1864,6
|
|
200
|
3227,6
|
2856,2
|
|
|
|
|
|
|
3598,9
|
1819,5
|
3770,2
|
1905,7
|
|
300
|
4909,7
|
4311,0
|
|
|
|
|
|
|
5470,2
|
1871,3
|
5728,8
|
1958,6
|
|
400
|
6630,7
|
5797,9
|
|
|
|
|
|
|
7384,4
|
1914,3
|
7732,3
|
2003,5
|
|
500
|
8401,8
|
7327,6
|
|
|
|
|
8768,2
|
1847,6
|
9354,4
|
1970,0
|
|
|
|
600
|
10220,1
|
8878,7
|
|
|
|
|
10664,0
|
1895,8
|
11374,3
|
2019,9
|
|
|
|
700
|
12082,1
|
10472,6
|
|
|
12448,7
|
1917,8
|
12605,7
|
1941,7
|
|
|
|
|
|
800
|
13976,3
|
12077,2
|
14217,9
|
1926,3
|
14399,0
|
1950,4
|
14580,2
|
1974,4
|
|
|
|
|
|
900
|
15915,7
|
13724,5
|
16190,2
|
1972,3
|
16396,1
|
1997,1
|
|
|
|
|
|
|
|
1000
|
17884,1
|
15382,6
|
18191,8
|
2001,5
|
18422,5
|
2026,4
|
|
|
|
|
|
|
|
1100
|
19865,4
|
17062,1
|
20206,6
|
2014,9
|
20462,5
|
2040,0
|
|
|
|
|
|
|
|
1200
|
21884,9
|
18762,9
|
22260,2
|
2053,5
|
|
|
|
|
|
|
|
|
|
1300
|
23862,6
|
20474,5
|
24272,1
|
2011,9
|
|
|
|
|
|
|
|
|
|
1400
|
25915,4
|
22207,4
|
26359,6
|
2087,5
|
|
|
|
|
|
|
|
|
|
1500
|
27987,2
|
23951,1
|
28466,2
|
2106,7
|
|
|
|
|
|
|
|
|
|
1600
|
30075,0
|
25705,4
|
30589,2
|
2122,9
|
|
|
|
|
|
|
|
|
|
1700
|
32187,2
|
27459,8
|
32736,4
|
2147,2
|
|
|
|
|
|
|
|
|
|
1800
|
34305,4
|
29224,8
|
34889,9
|
2153,6
|
|
|
|
|
|
|
|
|
|
1900
|
36428,1
|
31011,3
|
37048,3
|
2158,3
|
|
|
|
|
|
|
|
|
|
2000
|
38566,5
|
32797,7
|
39222,5
|
2174,2
|
|
|
|
|
|
|
|
|
|
2100
|
40716,5
|
34594,8
|
41408,4
|
2185,9
|
|
|
|
|
|
|
|
|
|
2200
|
42869,4
|
36392,0
|
43597,2
|
2188,8
|
|
|
|
|
|
|
|
|
4. Определение КПД и расхода топлива
Составление теплового баланса котла заключается
в установлении равенства между поступлением в котел количеством тепла и суммой
полезного использования тепла Q1,
Q2, Q3,
Q4, Q5,
Q6. На основании
теплового баланса вычисляются КПД и необходимый расход топлива.
Тепловой баланс составляется применительно к
установившемуся тепловому состоянию котла на 1 кг жидкого топлива при
С
и 101,3кПа [1, п.5-01]
,
,
где Qр
- располагаемое тепло топлива,
;
- теплота,
внесенная в котельный агрегат горячим воздухом, подогретым вне агрегата,
.
В нашем случае равна 0.
- тепло, внесенное
в топку паровым дутьем (“форсуночным” паром),
.
В нашем случае равна 0.
Q1
- полезно использованное тепло,
;
Q2
- потери тепла с уходящими газами,
;
Q3
- потери тепла химическим недожогом,
;
Q4
- потери тепла механическим недожогом,
;
Q5
- потери тепла от наружного охлаждения через ограждающие стенки газоходов
котла,
;
Q6
- потери тепла с физическим теплом шлака,
.
Результаты расчетов сведем в табл. 4.1.
Таблица 4.1
Тепловой баланс котельного агрегата
|
№
п/п
|
Наименование
параметра
|
Единица
измерения
|
Способ
определения или расчетная формула
|
Величина
или расчёт
|
|
1
|
2
|
3
|
4
|
5
|
6
|
|
1
|
Располагаемая
теплота топлива
|
  39570
|
|
|
|
|
2
|
Температура
уходящих газов
|
0СВыбрана
раннее160
|
|
|
|
|
3
|
Энтальпия
уходящих газов
|
  - таблица3007,97
|
|
|
|
|
4
|
Температура
холодного воздуха
|
0Сзадана30
|
|
|
|
|
5
|
Энтальпия
теоретически необходимого холодного воздуха
|
  - таблица425,86
|
|
|
|
|
6
|
Потери
теплоты от хим. недожога
|
%по табл. XX [1]0,6
|
|
|
|
|
7
|
Потери
теплоты от мех. недожога
|
%по табл.XX [1]0
|
|
|
|
|
8
|
Потери
тепла с физическим теплом шлаков
|
% 0
|
|
|
|
|
9
|
Потеря
теплоты с уходящими газами
|
%
|
|
|
|
|
10
|
Потери
теплоты от наружного охлаждения
|
%рис. 5.1
[1]1,2
|
|
|
|
|
11
|
Сумма
тепловых потерь
|
% 0,3+0,3+6,321+1,2=8,121
|
|
|
|
|
12
|
КПД
котла брутто
|
% 100-8,121=91,879
|
|
|
|
|
13
|
Энтальпия
перегретого пара
|
 табл. XXV [1]3312,9
|
|
|
|
|
14
|
Давление
питательной воды
|
МПа(1,15-1,2)·Рб1,15·3,7
= 4,255
|
|
|
|
|
15
|
Энтальпия
питательной воды
|
 табл. XXIV [1]591,5
|
|
|
|
|
16
|
Величина
непрерыв. продувки
|
П
|
%
|
Задано
|
4,0
|
|
17
|
Расход
продувочной воды
|
кг/с
|
|
|
|
|
18
|
Давление
в барабане
|
МПазадано3,8
|
|
|
|
|
19
|
Энтальпия
воды в барабане
|
 табл.2 [2]1072,8
|
|
|
|
|
20
|
Полезно
использованное тепло
|
кВт
|
|
|
|
|
21
|
Полный
расход топлива
|
В
|
кг/с
|

|
|
|
22
|
Расчётный
расход топлива
|
Вр
|
кг/с
|

|
|
5. Расчет топочной камеры
Задачей расчета топки является определение
расчетных параметров работы топки в непроектных условиях при неизменной её
конструкции: температуры газов на выходе из топки; лучистого тепла,
воспринимаемого поверхностями нагрева топки; теплового напряжения топочного
объема; теплового сечения топки в зоне наибольшего тепловыделения, а также
теплового напряжения стен топочной камеры.
Поверочный расчет топки проводится в следующем
порядке:
- определяются конструктивные характеристики
топки;
- рассчитываются (или принимаются по
нормам) тепловые характеристики топки.
Следует отметить, что при определении некоторых
из них, в частности, средней суммарной теплоемкости продуктов сгорания и
критерия поглощательной способности, необходимо уже знать температуру газов на
выходе из топки. Поэтому этой температурой следует задаться;
рассчитывается температура газов на выходе из
топки по формуле (или по номограмме) [1, номограмма 4], получаемое значение
сравнивается с предварительно принятым. Если температура газов на выходе из
топки, полученная расчетом или по номограмме, не будет отличаться от принятой
ранее больше, чем на ± 100°С, то расчет
на этом заканчивается и для последующих расчетов принимается значение
температуры газов на выходе из топки, определенное расчетом, либо по
номограмме. В противном случае необходимо задаться другим значением температуры
газов на выходе из топки, и повторить расчет.
определяется количество лучистого тепла,
воспринимаемое поверхностями нагрева топки; тепловое напряжение сечения топки в
зоне наибольшего тепловыделения и тепловое напряжение стен топочной камеры.
Конструктивными характеристиками топки являются:
поверхность стен топочной камеры
;
сечение топки
;
объем топки
;
эффективная толщина излучающего слоя
.
Для более простого определения необходимо составить
эскиз топки в границах активного объема (по осям экранных труб) (рис. 5.1).
Рисунок 5.1 Эскиз топки
Все перечисленные величины берутся по чертежам
заданного котла:
Ширина топки:
м.
Глубина топки:
м.
Высота топки:
.
Высота задней стены топки:
м.
Высота фронтовой стены:
м.
Глубина потолка:
м.
Высота выходного газового окна:
м.
Высота выступа:
м.
Длина выступа:
м.
Высота первого яруса горелок:
м.
Высота второго яруса горелок:
м.
Таблица 5.1
Конструктивные характеристики топки
|
№
п/п
|
Наименование
параметра
|
Обозначение
|
Единица
измерения
|
Способ
определения или расчетная формула
|
Величина
или расчёт
|
|
1
|
2
|
3
|
4
|
5
|
6
|
|
1
|
Диаметр
и толщина экранных труб
|
ммРис. 2
|
|
|
|
|
2
|
Поверхность
фронтовой стены
|
м2
|
|
|
|
|
3
|
Поверхность
задней стены
|
м2
|
|
|
|
|
4
|
Площадь
потолка
|
м2
|
|
|
|
|
5
|
Площадь
выходного газового окна
|
м2
|
|
|
|
|
6
|
Поверхность
боковой стенки
|
м2
|
|
|
|
|
7
|
Суммарная
поверхность стен топки
|
м2
|
|
|
|
|
8
|
Площадь
экранов топки
|
м2
|
|
|
|
|
9
|
Объём
топки
|
м3
|
|
|
|
|
10
|
Эффективная
толщина излучающего слоя объема топки
|
м
|
|
|
|
|
11
|
Угловой
коэффициент экранных стен топочной камеры
|
-[1,
номограмма 1]0,97
|
|
|
|
|
12
|
Угловой
коэффициент потолка
|
-[1,
номограмма 1]0,96
|
|
|
|
|
13
|
Угловой
коэффициент выходного газового окна
|
-[1,
номограмма 1]1
|
|
|
|
|
14
|
Коэффициент
загрязнения
|
-[1, табл.
6-3], для мазута0,55
|
|
|
|
|
15
|
Коэффициент
тепловой эффективности экранных стен топочной камеры
|
-
|
|
|
|
|
16
|
Коэффициент
тепловой эффективности потолка
|
-
|
|
|
|
|
17
|
Коэффициент
тепловой эффективности выходного газового окна
|
-
|
|
|
|
|
18
|
Суммарный
коэффициент тепловой эффективности
|
-
|
|
|
|
Таблица 5.2
Поверочный тепловой расчёт топки
|
№
п/п
|
Наименование
параметра
|
Обозначение
|
Единица
измерения
|
Способ
определения или расчетная формула
|
Величина
или расчёт
|
|
1
|
2
|
3
|
4
|
5
|
6
|
|
1
|
Присос
воздуха в системе пылеприготовления
|
¾табл. XVII [1]0
|
|
|
|
|
2
|
Температура
горячего воздуха
|
0Стабл. II-2 [1]250
|
|
|
|
|
3
|
Энтальпия
холодного воздуха
|
  - таблица425,86
|
|
|
|
|
4
|
Энтальпия
горячего воздуха
|
  - таблица3583,57
|
|
|
|
|
5
|
Тепло,
вносимое в топку воздухом
|
  
|
|
|
|
|
6
|
Полезное
тепловыделение
|
  
|
|
|
|
|
7
|
Адиабатная
температура горения
|
0C - таблица
при 2172,2
|
|
|
|
|
8
|
Предварительная
температура продуктов сгорания на выходе из топки
|
0Cвыбирается
из диапазона 1000-12000C1000
|
|
|
|
|
9
|
Энтальпия
продуктов сгорания на выходе из топки
|
  - таблица при 18191,77
|
|
|
|
|
10
|
Коэффициент
сохранения тепла
|
¾
|
|
|
|
|
11
|
Средняя
суммарная теплоёмкость продуктов сгорания 1м3 газообразного топлива
|
  
|
|
|
|
|
12
|
Коэффициент
тепловой эффективности экрана
|
¾Табл.
5.1., п. 180,534
|
|
|
|
|
13
|
Критерий
Больцмана
|
¾
|
|
|
|
14 Параметр,
характеризующий температурное поле в топке
¾

15 Доля топочного объема,
заполненная светящимся факелом
¾

|
m = 0,55
|
|
|
|
|
|
16
|
Соотношение
содержания углерода и водорода
|
¾
|
|
|
|
17 Коэффициент ослабления
лучей сажистыми частицами при сжигании мазута и газа Кс ¾
|

|
|
|
|
18
|
Объемная
доля водяных паров
|
¾ 0,124
|
|
|
|
|
19
|
Объёмная
доля водяных паров и трёхатомных газов
|
¾ 0,261
|
|
|
|
|
20
|
Эффективная
толщина излучающего слоя объема топки
|
м
|
|
|
|
|
21
|
Коэффициент
ослабления лучей газовой средой
|
  
|
|
|
|
|
22
|
Давление
в топочной камере, работающей под разряжением
|
 принимается0,1
|
|
|
|
|
23
|
Коэффициент
теплового излучения световой части факела при сжигании жидкого топлива
|
¾
|
|
|
|
|
24
|
Коэффициент
теплового излучения несветящихся газов
|
¾
|
|
|
|
|
25
|
Коэффициент
теплового излучения факела при сжигании жидкого топлива
|
  
|
|
|
|
|
26
|
Коэффициент
ослабления лучей топочной средой
|
  1,207+0+0=1,207
|
|
|
|
|
27
|
Интегральный
коэффициент теплового излучения топки
|
¾
|
|
|
|
|
28
|
Температура
продуктов сгорания на выходе из топки
|
0С
|
|
|
|
|
29
|
Проверка
расчёта
|
¾
|
0С
|

|
|
|
30
|
Энтальпия
продуктов сгорания на выходе из топки
|
  - таблица18474,25
|
|
|
|
|
31
|
Количество
лучистого тепла, воспринятое в топке
|
  
|
|
|
|
|
32
|
Объёмное
тепловое напряжение в топке
|
  
|
|
|
|
|
33
|
Проверка
соответствия допустимому
значению¾¾ по табл.XX
[1]100,94<200
|
|
|
|
|
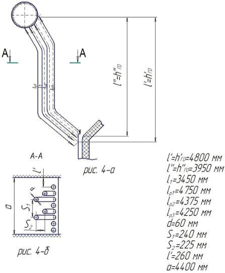
. Расчет фестона
Фестон - это пучок труб (котельный пучок),
находящийся, как правило, в выходном окне топки барабанного котла с
естественной циркуляцией. Он образуется путем разведения труб верхней части
плотного однорядного заднего экрана топки в несколько рядов с целью создания
свободного пространства для выхода дымовых газов из топки. Фестон чаще всего,
будучи продолжением заднего экрана топки, является (как и задний экран)
испарительной поверхностью нагрева, в трубах которого движется пароводяная
смесь в состоянии насыщения. Пароводяная смесь, находящаяся в фестоне,
отводится в барабан котла.
В расчёте фестона необходимо найти температуру
на выходе из фестона, а также определить тепловосприятие поверхности фестона.
Эскиз фестона представлен на рисунке 6.1.
Рисунок 6.1 Эскиз фестона
Таблица 6.1
Конструктивные характеристики фестона
|
№
п/п
|
Наименование
параметра
|
Обозначение
|
Единица
измерения
|
Способ
определения или расчетная формула
|
Величина
или расчёт
|
|
1
|
2
|
3
|
4
|
5
|
6
|
|
1
|
Диаметр
и толщина труб
|
ммпо
рабочему чертежу
|
|
|
|
|
2
|
Шаги
труб
|
|
|
Поперечный
|
ммпо
рабочему чертежу240
|
|
|
|
|
Продольный
|
ммпо
рабочему чертежу225
|
|
|
|
|
3
|
Относительные
шаги труб
|
|
|
Поперечный
|
¾
|
|
|
|
|
Продольный
|
¾
|
|
|
|
|
4
|
Число
труб в 1ом по ходу ПС поперечном ряду
|
шт.
|
|
|
|
|
5
|
Число
труб во 2ом и 3ем ряду фестона
|
шт. 16
|
|
|
|
6 Длина труб фестона -в
1ом ряду -во 2ом ряду -в 3ем ряду
м
м
мпо рабочему чертежу4,75
,375
|
4,25
|
|
|
|
|
|
7
|
Общая
длина труб фестона
|
м
|
|
|
|
|
8
|
Теплообменная
поверхность фестона
|
м2
|
|
|
|
|
9
|
Сечение
для прохода продуктов сгорания
|
м2
|
|
|
|
|
10
|
Эффективная
толщина излучающего слоя
|
|
|
|
|
11
|
Освещенная
длина труб фестона
|
м
|
|
|
|
|
12
|
Высота
газохода на входе дымовых газов в фестон
|
м 4,8
|
|
|
|
|
13
|
Высота
газохода на выходе дымовых газов из фестона
|
м 3,95
|
|
|
|
|
14
|
Живое
сечение для прохода дымовых газов на входе в фестон
|
м2
|
|
|
|
|
15
|
Живое
сечение для прохода дымовых газов на выходе из фестона
|
м2
|
|
|
|
|
16
|
Средняя
площадь живого сечения для прохода газов
|
м2
|
|
|
|
Таблица 6.2
Поверочный тепловой расчет фестона
|
№
п/п
|
Наименование
параметра
|
Обозначение
|
Единица
измерения
|
Способ
определения или расчетная формула
|
Величина
или расчёт
|
|
1
|
2
|
3
|
4
|
5
|
6
|
|
1
|
Температура
продуктов сгорания перед фестоном
|
0Cиз расчёта
топки 1014,02
|
|
|
|
|
2
|
Энтальпия
продуктов сгорания пред фестоном
|
 H-ν-таблица18474,25
|
|
|
|
|
3
|
Угловой
коэффициент фестона
|
-[1,
номограмма 1]0,72
|
|
|
|
|
4
|
Лучевоспринимающая
поверхность фестона
|
м2 [1,
п.8-06]
|
|
|
|
|
5
|
Коэффициент
неравномерности распределения тепловой нагрузки по высоте топки в районе
фестона
|
hв
|
-
|
[1,
номограмма 11]
|
0,57
|
|
6
|
Количество
тепла, воспринимаемое в топке излучением
|
 П. 31, табл. 5.2.
|
|
|
|
|
7
|
Удельная
тепловая нагрузка в районе фестона с учётом коэффициента неравномерности
распределения тепла по высоте
|
qл.ф
|
hв·Qл·
|
|
|
|
8
|
Количество
лучистого тепла топки, приходящегося на всю освещённую площадь фестона
|
  
|
|
|
|
|
9
|
Количество
лучистого тепла, воспринимаемого фестоном
|
  
|
|
|
|
|
10
|
Температура
продуктов сгорания за фестоном
|
0CПринимаем
920
|
|
|
|
|
1
|
2
|
3
|
4
|
5
|
6
|
|
11
|
Энтальпия
продуктов сгорания за фестоном
|
  - таблица16590,52
|
|
|
|
|
12
|
Средняя
температура газов в фестоне
|
0C
|
|
|
|
|
13
|
Объём
дымовых газов, проходящих через фестон
|
м3/кгТабл.
3.111,730
|
|
|
|
|
14
|
Средняя
скорость продуктов сгорания в газоходе
|
  
|
|
|
|
15 Коэффициент
теплоотдачи конвекцией 
[1, номограмма 8]
|

|
|
|
|
|
|
16
|
Температура
загрязнённой стенки
|
0C 247,31+60=307,31
|
|
|
|
17 Коэффициент ослабления
лучей трёхатомными газами
|
 -по номограмма 2 [1]10,5∙0,261=2,741
|
|
|
|
|
|
18
|
Суммарная
оптическая толщина излучающего потока
|
¾
|
|
|
|
|
19
|
Коэффициент
теплового излучения продуктов сгорания
|
¾
|
|
|
|
|
20
|
Коэффициент
теплоотдачи излучением
|
  -по номограмме 18 [1]
|
|
|
|
|
21
|
Коэффициент
теплоотдачи от ПС к стенке
|
  
|
|
|
|
|
22
|
Коэффициент
тепловой эффективности
|
¾табл. 7-5
[1]0,8
|
|
|
|
|
23
|
Коэффициент
теплопередачи
|
  
|
|
|
|
|
24
|
Тепловосприятие
фестона по балансу
|
  
|
|
|
|
|
25
|
Суммарное
тепловосприятие фестона
|
  
|
|
|
|
|
26
|
Температурный
напор фестона
|
0C 967,01-247,31=719,7
|
|
|
|
|
1
|
2
|
3
|
4
|
5
|
6
|
|
27
|
Тепловосприятие
фестона по уравнению теплопередачи
|
  
|
|
|
|
|
28
|
Относительная
невязка баланса
|
%
|
|
|
|
Так как расхождение между значениями
тепловосприятий по уравнениям баланса и теплопередачи не превышает 5%, то
расчет фестона считаем завершенным [1, п. 9-29].
топливо тепловой котельный
пароперегреватель
7. Расчет пароперегревателя II
ступени
Эскиз пароперегревателя II ступени представлен
на рис. 7.1.
Рисунок 7.1 Эскиз пароперегревателя II
ступени
Таблица 7.1
Конструктивные характеристики пароперегревателя II
ступени
|
№
п/п
|
Наименование
параметра
|
Обозначение
|
Единица
измерения
|
Способ
определения или расчетная формула
|
Величина
или расчёт
|
|
1
|
Диаметр
и толщина труб
|
мм.По
рабочему чертежу
|
|
|
|
|
2
|
Шаги
труб
|
|
|
-поперечный
|
мм.По
рабочему чертежу110
|
|
|
|
|
-продольный
|
мм.По
рабочему чертежу77
|
|
|
|
|
3
|
Относительные
шаги труб
|
|
|
-поперечный
|
¾
|
|
|
|
|
-продольный
|
¾
|
|
|
|
|
4
|
Количество
змеевиков
|
шт.по
рабочему чертежу
|
|
|
|
|
5
|
Высота
газохода на входе дымовых газов в ступень
|
hвх
|
м
|
по
рабочему чертежу
|
3,75
|
|
6
|
Высота
газохода на выходе дымовых газов из ступени
|
hвых
|
м
|
по
рабочему чертежу
|
3
|
|
7
|
Высота
змеевика на входе дымовых газов в ступень
|
hзвх
|
м
|
по
рабочему чертежу
|
3,375
|
|
8
|
Высота
змеевика на выходе дымовых газов из ступени
|
hзвых
|
м
|
по
рабочему чертежу
|
3
|
|
9
|
Усреднённая
по сечению газохода высота змеевика
|
hзср
|
м
|
0,5·(
hзвх+
hзвых)
|
0,5·( 3,375+ 3)=3,188
|
|
10
|
Живое
сечение для прохода дымовых газов на входе в ступень
|
м2
|
|
|
|
|
11
|
Живое
сечение для прохода дымовых газов на выходе из фестона
|
м2
|
|
|
|
|
12
|
Средняя
площадь живого сечения для прохода газов
|
м2
|
|
|
|
|
13
|
Поверхность
нагрева
|
м2По
рабочему чертежу92
|
|
|
|
Таблица 7.2
Поверочный тепловой расчет пароперегревателя II
ступени
|
№
п/п
|
Наименование
параметра
|
Обозначение
|
Единица
измерения
|
Способ
определения или расчетная формула
|
Величина
или расчёт
|
|
1
|
2
|
3
|
4
|
5
|
6
|
|
1
|
Температура
дымовых газов на входе в ступень
|
0Cиз расчёта
фестона табл. 6.2. 920
|
|
|
|
|
2
|
Энтальпия
дымовых газов на входе в ступень
|
 H-ν-таблица16590,52
|
|
|
|
|
3
|
Температура
дымовых газов на выходе из II ступени
|
0CПринимаем770
|
|
|
|
|
4
|
Энтальпия
дымовых газов на выходе из II ступени
|
 H-ν-таблица13763,98
|
|
|
|
|
5
|
Средняя
температура дымовых газов в ступени
|
0C
|
|
|
|
|
6
|
Тепловосприятие
ступени по балансу
|
  
|
|
|
|
|
7
|
Объём
дымовых газов
|
м3/кгТабл.
3.111,810
|
|
|
|
|
8
|
Средняя
скорость продуктов сгорания в газоходе
|
  
|
|
|
|
9 Коэффициент
теплоотдачи конвекцией 
[1, номограмма 7]
|

|
|
|
|
|
|
10
|
Эффективная
толщина излучающего слоя
|
м
|
|
|
|
11 Коэффициент ослабления
лучей трёхатомными газами
|
 -по номограмма 2 [1]24,5∙0,260=6,37
|
|
|
|
|
|
12
|
Суммарная
оптическая толщина излучающего потока
|
¾
|
|
|
|
|
13
|
Коэффициент
теплового излучения продуктов сгорания
|
¾
|
|
|
|
|
14
|
Температура
перегретого пара
|
0СПо
заданию440
|
|
|
|
|
15
|
Энтальпия
перегретого пара
|
 табл. XXV [1]3312,9
|
|
|
|
|
16
|
Энтальпия
пара на выходе из пароохладителя
|
  
|
|
|
|
|
17
|
Давление
в пароохладителе
|
МПа
|
|
|
|
|
18
|
Температура
пара на выходе из пароохладителя
|
0СПо табл.
XXV
[1]365
|
|
|
|
|
19
|
Средняя
температура пара
|
0С
|
|
|
|
|
20
|
Температура
загрязнённой стенки
|
0C 402,5+60=462,5
|
|
|
|
|
21
|
Коэффициент
теплоотдачи излучением
|
  -по номограмме 18 [1]
|
|
|
|
|
22
|
Коэффициент
теплоотдачи от ПС к стенке
|
  
|
|
|
|
|
23
|
Сечение
для прохода пара
|
м2
|
|
|
|
|
24
|
Удельный
объем пара при средней температуре
|
м3/кгПо
табл. XXV
[1]0,0767
|
|
|
|
|
25
|
Средняя
скорость пара
|
м/с
|
|
|
|
26 Коэффициент
теплоотдачи от стенки к пару 

|
по
номограмме 12 [1]
|
|
|
|
|
|
27
|
Коэффициент
тепловой эффективности
|
¾табл. 7-5
[1]0,8
|
|
|
|
|
28
|
Коэффициент
теплопередачи
|
  
|
|
|
|
|
29
|
Температурный
напор на входе
|
0С 920-440=480
|
|
|
|
|
30
|
Температурный
напор на выходе
|
0С 770-365=405
|
|
|
|
|
31
|
Температурный
напор при противотоке
|
0С
|
|
|
|
|
32
|
Безразмерные
параметры для схемы с последовательно смешанным током
|
¾
|
|
|
|
|
|
¾
|
|
|
|
|
|
¾
|
|
|
|
|
33
|
Коэффициент
перехода от противоточной схемы к последовательно-смешанной
|
¾Номограмма
19 [1]0,995
|
|
|
|
|
34
|
Температурный
напор в пароперегревателе с последовательно-смешанным током
|
0С
|
|
|
|
|
35
|
Количество
конвективного и лучистого тела, воспринятого II ступенью
КПП
|
  
|
|
|
|
|
36
|
Относительная
невязка баланса
|
%
|
|
|
|
Так как невязка баланса не превышает допустимого
значения 2%, то расчет пароперегревателя II
ступени считаем завершенным.
8. Расчет пароперегревателя I
ступени
Эскиз пароперегревателя первой ступени
представлен на рис. 8.1.
Рисунок 8.1 Эскиз пароперегревателя I
ступени
Таблица 8.1
Конструктивные характеристики пароперегревателя I
ступени
|
№
п/п
|
Наименование
параметра
|
Обозначение
|
Единица
измерения
|
Способ
определения или расчетная формула
|
Величина
или расчёт
|
|
1
|
Диаметр
и толщина труб
|
мм.По
рабочему чертежу
|
|
|
|
|
2
|
Шаги
труб
|
|
|
-поперечный
|
мм.По
рабочему чертежу110
|
|
|
|
|
-продольный
|
мм.По
рабочему чертежу150
|
|
|
|
|
3
|
Относительные
шаги труб
|
|
|
-поперечный
|
|
|
|
|
-продольный
|
¾
|
|
|
|
|
4
|
Количество
змеевиков
|
шт.по
рабочему чертежу
|
|
|
|
|
5
|
Высота
газохода на входе дымовых газов в ступень
|
hвх
|
м
|
по
рабочему чертежу
|
2,25
|
|
6
|
Высота
газохода на выходе дымовых газов из ступени
|
hвых
|
м
|
по
рабочему чертежу
|
1,75
|
|
7
|
Высота
змеевика на входе дымовых газов в ступень
|
hзвх
|
м
|
по
рабочему чертежу
|
1,5
|
|
8
|
Высота
змеевика на выходе дымовых газов из ступени
|
hзвых
|
м
|
по
рабочему чертежу
|
1,6
|
|
9
|
Усреднённая
по сечению газохода высота змеевика
|
hзср
|
м
|
0,5·(
hзвх+
hзвых)
|
0,5·( 1,5+ 1,6)=1,55
|
|
10
|
Живое
сечение для прохода дымовых газов на входе в ступень
|
м2
|
|
|
|
|
11
|
Живое
сечение для прохода дымовых газов на выходе из фестона
|
м2
|
|
|
|
|
12
|
Средняя
площадь живого сечения для прохода газов
|
м2
|
|
|
|
|
13
|
Поверхность
нагрева
|
м2По
рабочему чертежу92
|
|
|
|
Таблица 8.2
Поверочный тепловой расчет пароперегревателя I
ступени
|
№
п/п
|
Наименование
параметра
|
Обозначение
|
Единица
измерения
|
Способ
определения или расчетная формула
|
Величина
или расчёт
|
|
1
|
2
|
3
|
4
|
5
|
6
|
|
1
|
Температура
пара на входе в ступень при МПа 0Стабл. XXIII [1]247,31
|
|
|
|
|
|
2
|
Энтальпия
пара на входе в ступень
|
 табл. XXIII [1]2800,3
|
|
|
|
|
3
|
Тепло,
переданное в пароохладителе
|
  20
|
|
|
|
|
4
|
Энтальпия
пара на выходе из пароохладителя
|
 Табл. 7.2
|
|
|
|
|
5
|
Энтальпия
пара на выходе из ступени
|
  
|
|
|
|
|
6
|
Давление
на выходе из ступени
|
МПа
|
|
|
|
|
7
|
Температура
пара на выходе из ступени
|
0СПо табл.
XXV
[1]372
|
|
|
|
|
8
|
Тепловосприятие
пароперегревателя за счет конвекции
|
  
|
|
|
|
|
9
|
Температура
дымовых газов на входе в I ступень
|
0CТабл.
7.2.770
|
|
|
|
|
10
|
Энтальпия
дымовых газов на входе в I ступень
|
 Табл. 7.2.13763,98
|
|
|
|
|
11
|
Температура
дымовых газов на выходе из I ступени
|
0CПринимаем515
|
|
|
|
|
12
|
Энтальпия
дымовых газов на выходе из I ступени
|
 H-ν-таблица9052,57
|
|
|
|
|
13
|
Средняя
температура дымовых газов в ступени
|
0C
|
|
|
|
|
14
|
Объём
дымовых газов
|
м3/кгТабл.
3.111,971
|
|
|
|
|
16
|
Средняя
скорость продуктов сгорания в газоходе
|
  
|
|
|
|
|
17
|
Температурный
напор на входе
|
0С 770-372=398
|
|
|
|
|
18
|
Температурный
напор на выходе
|
0С 515-247,31=267,69
|
|
|
|
|
19
|
Средний
температурный напор при противотоке
|
0С
|
|
|
|
|
20
|
Безразмерные
параметры для схемы с последовательно смешанным током
|
¾
|
|
|
|
|
|
¾
|
|
|
|
|
|
¾
|
|
|
|
|
21
|
Коэффициент
перехода от противоточной схемы к последовательно-смешанной
|
¾Номограмма
19 [1]0,997
|
|
|
|
|
22
|
Температурный
напор в пароперегревателе с последовательно-смешанным током
|
0С
|
|
|
|
23 Коэффициент
теплоотдачи конвекцией 
[1, номограмма 7]
|

|
|
|
|
|
|
25
|
Эффективная
толщина излучающего слоя
|
м
|
|
|
|
26 Коэффициент ослабления
лучей трёхатомными газами
|
 -по номограмма 2 [1]18,5∙0,256=4,736
|
|
|
|
|
|
27
|
Суммарная
оптическая толщина излучающего потока
|
¾
|
|
|
|
|
28
|
Коэффициент
теплового излучения продуктов сгорания
|
¾
|
|
|
|
|
29
|
Средняя
температура пара
|
0С
|
|
|
|
|
30
|
Удельный
объем пара при средней температуре
|
м3/кгПо
табл. XXV
[1]0,06501
|
|
|
|
|
31
|
Сечение
для прохода пара
|
м2
|
|
|
|
|
32
|
Средняя
скорость пара
|
м/с
|
|
|
|
33 Коэффициент
теплоотдачи от стенки к пару 

|
по
номограмме 12 [1]
|
|
|
|
|
|
34
|
Тепловосприятие
ступени по балансу
|
  
|
|
|
|
|
35
|
Температура
загрязнённой стенки
|
0C 316,16+60=376,16
|
|
|
|
|
36
|
Коэффициент
теплоотдачи излучением
|
  -по номограмме 18 [1]
|
|
|
|
|
37
|
Коэффициент
теплоотдачи от ПС к стенке
|
  
|
|
|
|
|
38
|
Коэффициент
тепловой эффективности
|
¾табл. 7-5
[1]0,8
|
|
|
|
|
39
|
Коэффициент
теплопередачи
|
  
|
|
|
|
|
40
|
Требуемая
величина поверхности нагрева
|
м2
|
|
|
|
В результате проведенного расчета
видно, что необходимо увеличить поверхность нагрева на величину равную DF=150-92=58 м2.
Увеличение площади будем производить за счет увеличения числа витков
пароперегревателя. Увеличим длину каждого змеевика на
м.
9. Расчет экономайзера
Эскиз экономайзера представлен на рис. 9.1.
Рисунок 9.1 Эскиз экономайзера котла БГМ-35
Таблица 9.1
Конструктивные характеристики экономайзера
|
№
п/п
|
Наименование
параметра
|
Обозначение
|
Единица
измерения
|
Способ
определения или расчетная формула
|
Величина
или расчёт
|
|
1
|
2
|
3
|
4
|
5
|
6
|
|
1
|
Диаметр
и толщина труб
|
мм.По
рабочему чертежу
|
|
|
|
|
2
|
Шаги
труб
|
|
|
-поперечный
|
мм.По
рабочему чертежу80
|
|
|
|
|
-продольный
|
мм.По
рабочему чертежу60
|
|
|
|
|
3
|
Относительные
шаги труб
|
|
|
-поперечный
|
¾
|
|
|
|
|
-продольный
|
¾
|
|
|
|
|
4
|
Ширина
змеевика
|
h
|
м
|
По
рабочему чертежу
|
4
|
|
5
|
Глубина
змеевика
|
b
|
м
|
По
рабочему чертежу
|
1,4
|
|
6
|
Ширина
газохода
|
a
|
м
|
По
рабочему чертежу
|
4,4
|
|
7
|
Длина
змеевика
|
L
|
м
|
по
рабочему чертежу
|
139,05
|
|
8
|
Поверхность
нагрева
|
м2
|
|
|
|
|
9
|
Сечение
для прохода продуктов сгорания
|
м2
|
|
|
|
|
10
|
Сечение
для прохода питательной воды
|
м2
|
|
|
|
|
11
|
Эффективная
толщина излучающего слоя
|
м
|
|
|
|
Таблица 9.2
Поверочный тепловой расчет экономайзера
|
№
п/п
|
Наименование
параметра
|
Обозначение
|
Единица
измерения
|
Способ
определения или расчетная формула
|
Величина
или расчёт
|
|
1
|
2
|
3
|
4
|
5
|
6
|
|
1
|
Температура
продуктов сгорания на входе
|
0СИз
расчета ПП515
|
|
|
|
|
2
|
Энтальпия
продуктов сгорания на входе
|
 Из расчета ПП9052,57
|
|
|
|
|
3
|
Температура
продуктов сгорания на выходе
|
0СПринимаем365
|
|
|
|
|
4
|
Энтальпия
продуктов сгорания на выходе
|
 H-υ-таблица 6813,78
|
|
|
|
|
5
|
Температура
питательной воды на входе
|
0СЗадано140
|
|
|
|
|
6
|
Энтальпия
питательной воды на входе
|
 [1, табл. XXIV]591,5
|
|
|
|
|
7
|
Тепловосприятие
по балансу
|
  
|
|
|
|
|
8
|
Энтальпия
воды на выходе из ступени
|
  
|
|
|
|
|
9
|
Температура
питательной воды на выходе
|
0С[1,
табл. XXIV]180
|
|
|
|
|
10
|
Температурный
напор на входе продуктов сгорания
|
0С 515-180=335
|
|
|
|
|
11
|
Температурный
напор на выходе продуктов сгорания
|
0С 365-140=225
|
|
|
|
|
12
|
Средний
температурный напор
|
0С
|
|
|
|
|
13
|
Средняя
температура питательной воды
|
0С
|
|
|
|
|
14
|
Средняя
температура продуктов сгорания
|
0С
|
|
|
|
|
15
|
Температура
загрязненной стенки
|
0С 160+60=220
|
|
|
|
|
16
|
Средняя
скорость продуктов сгорания
|
м/с
|
|
|
|
|
17
|
Коэффициент
теплоотдачи конвекцией
|
  ;
номограмма 8 [1]
|
|
|
|
|
18
|
Коэффициент
ослабления лучей трёхатомными газами
|
  по номограмме 2 [1]
|
|
|
|
|
19
|
Суммарная
оптическая толщина запылённого потока
|
¾
|
|
|
|
|
20
|
Коэффициент
теплового излучения продуктов сгорания
|
  
|
|
|
|
21 Коэффициент
теплоотдачи излучением от продуктов сгорания
¾
;
|
Номограмма
18 [1]
|
|
|
|
|
|
22
|
Коэффициент
теплоотдачи от продуктов сгорания к стенке
|
  1·(55,06+7,33)=62,39
|
|
|
|
|
23
|
Коэффициент
загрязнения
|
 рис. П140,0019
|
|
|
|
|
24
|
Коэффициент
теплопередачи
|
  
|
|
|
|
|
24
|
Требуемая
поверхность нагрева
|
м2
|
|
|
|
|
25
|
Величина
необходимого изменения поверхности нагрева второй ступени экономайзера
|
м2 502,98-91,39=411,59
|
|
|
|
|
26
|
Величина
изменения длины каждого змеевика
|
м
|
|
|
|
10. Расчет воздухоподогревателя
Промышленные котлы наиболее часто оснащаются
трубчатым воздухоподогревателями (ТВП), в которых продукты сгорания проходят
внутри труб, расположенных в шахматном порядке, а подогреваемый воздух проходит
снаружи поперек труб. Со стороны ПС осуществляется продольное омывание
поверхности, а со стороны воздуха - поперечное.
Одноступенчатый ТВП рассчитывается
конструктивным способом, при котором определяется требуемая величина
поверхности нагрева.
Рисунок 10.1 Эскиз хвостовой части топки
Рисунок 10.2 Эскиз воздухоподогревателя
Таблица 10.1
Конструктивные характеристики
воздухоподогревателя
|
№
п/п
|
Наименование
параметра
|
Обозначение
|
Способ
определения или расчетная формула
|
Величина
или расчёт
|
|
1
|
2
|
3
|
4
|
5
|
6
|
|
1
|
Диаметр
и толщина труб
|
мм.По
рабочему чертежу
|
|
|
|
|
2
|
Число
ходов по воздуху
|
шт.по
рабочему чертежу
|
|
|
|
|
3
|
Шаги
труб
|
|
|
-поперечный
|
мм.По
рабочему чертежу56
|
|
|
|
|
-продольный
|
мм.По
рабочему чертежу44
|
|
|
|
|
4
|
Относительные
шаги труб
|
|
|
-поперечный
|
¾
|
|
|
|
|
-продольный
|
¾
|
|
|
|
|
5
|
Число
труб в ряду
|
шт.По
рабочему чертежу60
|
|
|
|
|
6
|
Число
рядов труб
|
шт.По
рабочему чертежу33
|
|
|
|
|
7
|
Омываемая
высота труб
|
м.По
рабочему чертежу3,35
|
|
|
|
|
8
|
Высота
хода
|
мпо
рабочему чертежу1,675
|
|
|
|
|
9
|
Число
труб
|
z
|
шт
|

|
|
|
10
|
Поверхность
нагрева
|
м2
|
|
|
|
|
11
|
Сечение
для прохода продуктов сгорания
|
м2
|
|
|
|
|
12
|
Сечение
для прохода воздуха
|
м2
|
|
|
|
Таблица 10.2
Поверочный тепловой расчет воздухоподогревателя
|
№
п/п
|
Наименование
параметра
|
Обозначение
|
Единица
измерения
|
Способ
определения или расчетная формула
|
Величина
или расчёт
|
|
1
|
2
|
3
|
4
|
5
|
6
|
|
1
|
Температура
воздуха на входе
|
0СЗадана30
|
|
|
|
|
2
|
Энтальпия
воздуха на входе
|
  - таблица425,86
|
|
|
|
|
3
|
Температура
воздуха на выходе
|
0СТаблица II-2 [1]250
|
|
|
|
|
4
|
Энтальпия
воздуха на выходе
|
  - таблица3583,57
|
|
|
|
|
5
|
Температура
продуктов сгорания на выходе
|
0СТаблица II-4 [1]160
|
|
|
|
|
6
|
Энтальпия
продуктов сгорания на выходе
|
  - таблица3007,97
|
|
|
|
|
7
|
Тепловосприятие
воздухоподогревателя по балансу
|
  
|
|
|
|
|
8
|
Температура
продуктов сгорания на входе
|
0СИз расчета
экономайзера365
|
|
|
|
|
9
|
Энтальпия
продуктов сгорания на входе
|
 H-υ-таблица 6813,78
|
|
|
|
|
10
|
Температурный
напор на входе
|
0С 365-250=115
|
|
|
|
|
11
|
Температурный
напор на выходе
|
0С 160-30=130
|
|
|
|
|
12
|
Средний
температурный напор при противотоке
|
0С
|
|
|
|
|
13
|
Меньший
перепад температур
|
0С 365-160=205
|
|
|
|
|
14
|
Больший
перепад температур
|
0С 250-30=220
|
|
|
|
|
15
|
Средний
температурный напор в воздухоподогревателе
|
0С
|
|
|
|
|
16
|
Поправочный
коэффициент
|
¾рис. П13
[1]0,75
|
|
|
|
|
17
|
Средний
температурный напор при параллельно-смешанном токе
|
0С 0,79·212,5=158,89
|
|
|
|
|
18
|
Средняя
температура продуктов сгорания
|
0С
|
|
|
|
|
19
|
Средняя
температура воздуха
|
0С
|
|
|
|
|
20
|
Средняя
скорость газов
|
м/с
|
|
|
|
21 Коэффициент
теплоотдачи от продуктов сгорания к стенке 

,
|
[1,
номограмма 11]
|
|
|
|
|
|
22
|
Средняя
скорость воздуха
|
м/с
|
|
|
|
23 Коэффициент
теплоотдачи от стенки к воздуху 

|
[1,
номограмма 8]
|
|
|
|
|
|
24
|
Коэффициент
теплопередачи
|
  
|
|
|
|
|
25
|
Тепловосприятие
воздуха по уравнению теплоотдачи
|
  
|
|
|
|
|
26
|
Относительная
невязка баланса
|
%
|
|
|
|
Так как невязка баланса не превышает допустимого
значения 2%, то расчет воздухоподогревателя считаем законченным [2, п. 15.8].
11. Тепловой баланс котельного
агрегата
Завершающим этапом распределения тепловосприятий
является проверка правильности распределения с помощью определения невязки
теплового баланса котла [2, п.5.1.3]
,
где Q
- расчетная
располагаемая теплота,
;
- коэффициент полезного действия
котла, %;
Qл -
количество теплоты, излучаемой объемом газов топки и воспринятой радиационными
поверхностями,
;
Qi -
количество теплоты, воспринятой теплообменными поверхностями при охлаждении
омывающих эти поверхности газов,
.
Невязка теплового баланса котла не
превышает 0,5%, расчет котла считаем завершенным.
Заключение
Проведя поверочный расчет котельного агрегата
типа БГМ - 35 по заданной паропроизводительности, параметрам пара и питательной
воды были определены температуры и тепловосприятия рабочего тела и газовой
среды в поверхностях нагрева котла, найдена температура на выходе из котла.
Результаты расчета сведены в таблицу:
Таблица 11.1
Сводная таблица результатов теплового расчёта
|
№
п/п
|
Наименование
параметра
|
Единица
измерения
|
Поверхности
нагрева
|
|
|
|
Топка
|
Фестон
|
ППII
|
ППI
|
ЭК
|
ВП
|
|
1
|
Температура
продуктов сгорания на входе
|
0С
|
2172,2
|
1014,02
|
920
|
770
|
515
|
365
|
|
2
|
Температура
продуктов сгорания на выходе
|
0С
|
1014,02
|
920
|
770
|
515
|
365
|
160
|
|
3
|
Тепловосприятие
|
24189,172522,932838,314702,72243,313315,6
|
|
|
|
|
|
|
|
4
|
Температура
нагреваемой среды на входе
|
0С
|
247,31
|
247,31
|
440
|
365
|
140
|
30
|
|
5
|
Температура
нагреваемой среды на выходе
|
0С
|
247,31
|
247,31
|
365
|
247,31
|
180
|
250
|
Список использованных источников
1. Тепловой расчёт котлов
(Нормативный метод). - издание 3-е, перераб. и дополн.-С.-Пб.:НПО ЦКТИ, 1998. -
256 с.:ил.
. Компоновка и тепловой расчёт
парового котла: Учеб.пособие для вузов/ Ю.М. Липов, Ю.Ф. Самойлов, Т.В.
Виленский. - М.: Энергоатомиздат, 1988.-208 с.:ил.
. Тепловой расчет топки (часть II):
Методические указания к выполнению курсовой работы/ Т.С. Тайлашева, Н.В.
Визгавлюст, К.В. Буваков. - Издательство Томского политехнического
университета, 2011. - 16 с.:ил.
. Котлы малой и средней мощности и
топочные устройства. Вишерская Г.М. и др. Отраслевой каталог. Москва, 1993 год.
Приложение 1 - Эскиз топки
(продольный разрез)
Приложение 2 - Эскиз топки (вид
сверху)
Приложение 3 - Эскиз фестона
Приложение 4 - Эскиз
пароперегревателя II-ой ступени
Приложение 5 - Эскиз
пароперегревателя I-ой ступени
Приложение 6 - Эскиз экономайзера
Приложение 7 - Эскиз
воздухоподогревателя