|
uТ = 2,5
|
|
|
|
5. Фактическое передаточное
отношение привода uф = uБ´ uТ
|
uф = 4,5´ 4 = 18
|
uф = 3,55´ 2,5 = 8,875
|
|
6. Отклонение фактического
передаточного отношения от требуемого: D=(uф - uред)100/Uред£5%
|
D=(uф - uред)100/Uред =
=(18 - 17,547)100%/17,547 = =2,58% £ 5%
|
D=(uф - uред)100/Uред =
=(8,875 - 8,681)100%/8,681= 2,23% £ 5%
|
Вывод: окончательно принимаем электродвигатель 4А100L4/1410 и вариант разбивки
передаточного отношения привода в виде : uф = 3,55´ 2,5 при этом обеспечивается наименьшее отклонение
от заданной частоты вращения вала.
Определение частоты вращения и угловой скорости валов привода:
n1
= nэл = 1410 мин-1
w1 = p× n1/30 = 3,14×1410/30 = 147,58 с-1
n2
= n2/u1 =
1410/3,55 = 397,18 мин-1
w2 = w2 /u1
=147,58/3,55 = 41,57с-1
n3
= n2= 397,18 мин-1
w3 = w2 = 41,57с-1
n4 = n3/u2 =
397,18/2,5 = 143,67мин-1
w4 = w3 /u2 =
41,57/2,5 = 16,63 с-1
определение мощности на каждом валу привода:
P1
= Pтр = 2470 Bт
P2 = Pтр ×hм×hц.п.б hп2 = 2470×0,99×0,97×0,992
= 2300,8 Вт
P3 = P2= 2300,8 Вт
P4 = Pтр ×hм×hц.п.б hц.п.т hп3 = 2470×0,99×0,97×0,97×0,993×= 2209,5Вт
определение крутящих моментов на каждом валу привода:
Т1 = P1 /w1 = 2470/147,58 = 16,74 Н×м
Т2 = P2 /w2 = 2300,8/41,57 = 55,34 Н×м
Т3 = Т2
= 55,34 Н×м
Т4 = P4 /w4 ×= 2209,5/16,63 ×= 132,86 Н×м
2.Расчет быстроходной цилиндрической ступени
редуктора
2.1 Выбор материала колес, термической обработки, твердости и определение
допускаемых напряжений
Расчет цилиндрической зубчатой передачи. Выполним для сравнения расчет
передачи для всех четырех видов термической обработки (ТО), упомянутых в гл. 2.
В соответствии с этим примем следующие материалы для вариантов ТО [2. табл.
2.1]: - колесо - сталь 40Х; твердость поверхности зубьев 235 ... 262 НВ;
шестерня - сталь 40Х; твердость поверхности зубьев 269 ... 302 НВ; -
колесо - сталь 40Х; твердость поверхности зубьев 269 ... 302 НВ;
шестерня - сталь 40Х; твердость поверхности зубьев после закалки с
нагревом
ТВЧ 45 ... 50 HRC; колесо и шестерня - сталь 40ХН; твердость поверхности
зубьев после закалки 48 ... 53 HR.C; колесо и шестерня - сталь 12ХНЗА;
твердость поверхности зубьев после цементации и закалки 56 ... 63 HRC.
Определим средние значения твердостей поверхностей зубьев колес (2.1) и
значения баз испытаний [2, (2.2)]. Для принятых вариантов ТО получим:
I
- колесо
;
шестерня
;
- колесо
;
шестерня
По
таблице перевода [2,стр. 18]
соответствует
.Тогда
;
; - колесо и шестерня
,
что соответствует
. Тогда
- колесо
и шестерня
, что соответствует
. Тогда
.
При
расчете на изгиб при всех вариантах термообработки база испытаний
Вычислим
действительные числа циклов перемены напряжений. По
формулам
[2,(2.3)] получим:
а)
время работы (машинное время):
где
Кг - коэффициент загрузки в год Кг=0,62
Ксут
- коэффициент загрузки в сутки Ксут=0,66 см - срок
службы, лет t= 10
б)
количество циклов погружения
где
с = 1,количество смен в сутки
Определим
коэффициенты долговечности.
Так
как при
коэффициент долговечности при расчете по контактным
напряжениям ZN = 1, то для всех четырех вариантов термообработки для
колеса и шестерни ZN = 1.
Коэффициент
долговечности при расчете на изгиб для всех вариантов
термообработки
YN = 1, так как во всех случаях
.
Вычислим
допускаемые контактные и изгибные напряжения. По
формулам
[2, табл. 2.2] пределы выносливости σHlim и σFLim,
соответствующие
базовым
числам NHG и NFG
для
вариантов ТО такие:- колесоσHlim2 = l,8×HBcp + 67= 1,8×248,5 + 67 = 514 Н/мм2;
σFlim2 = 1,03×НВср = 1,03 × 248,5 = 256 Н/мм2;
шестерня
σHlim1= 1,8 ×285,5 + 67 = 581 Н/мм2;
σFlim1 = 1,03×285,5 = 294 Н/мм2; - колесо σHlim2 = 1,8×285,5 + 67 = 581 Н/мм2;
σFlim2 = 1,03 ×285,5 = 294 Н/мм2;
шестерня
σHlim1=
14HRCcp
+ 170 =14×47,5 + 170 = 835 Н/мм2;
σFlim1 =
310 Н/мм2; - колесо и шестерня σHlim = 14× 50,5 + 170 = 877 Н/мм2;
σFLim= 310
Н/мм2; - колесо и шестерня σHlim = 19×HRCcp = 19× 59,5 = 1130 Н/мм2;
σFLim = 480
Н/мм2
Допускаемые
контактные и изгибные напряжения получают умножением значений σHlim и σFLim на
коэффициенты ZN и YN [2, (2.6)]. Из ранее выполненных
расчетов видно, что все коэффициенты ZN = 1 и YN = 1.
Поэтому допускаемые контактные и изгибные напряжения во всех рассмотренных
случаях [σ]H = σHlim и [σ]F = σFLim. Для
варианта термообработки II допускаемое контактное напряжение, которое должно
быть принято в расчет, определяют по формуле [2, (2.7)]
[σ]H = 0,45 ([σ]H1 + [σ]H2) =
0,45(835 +581) = 637 Н/мм2.
Это
напряжение не должно превышать значение:
1,25 [σ]H2 = 1,25×581 = 726Н/мм2.
Следовательно,
это условие выполняется. Для всех других вариантов
термообработки
в качестве допускаемого контактного напряжения принимают меньшее из [σ]H1 и [σ]H2 . Таким
образом:
Вариант
I :[σ]H= 514
Н/мм2
[σ]F2 = 256
Н/мм2
[σ]F1 = 294
Н/мм2
Вариант
II - [σ]H = 637
Н/мм2
[σ]F2 = 294
Н/мм2
[σ]F1 = 310
Н/мм2
Вариант
III :[σ]H = 877
Н/мм2
[σ]F2 = [σ]F1 = 310
Н/мм2
Вариант
IV:[σ]H = 1130
Н/мм2
[σ]F2 = [σ]F1 = 480
Н/мм2
.2
Определение межосевого расстояния
Для
расчета межосевого расстояния передачи предварительно надо определить значения
некоторых коэффициентов. По рекомендациям, приведенным в [2, разд. 2.2],
принимаем: коэффициент межосевого расстояния для передач с прямыми зубьями Ка
= 49,5;
коэффициент
ширины ψba = 0,
315;
коэффициент
ширины ψbdпо
формуле [2, (2.8)];
ψbd = 0,5 ψba (u ± 1)
= 0,5 · 0,315(3,55 + 1) = 0,717.(2.1)
Для
вычисления коэффициента КHβ
неравномерности распределения нагрузки по длине контактных линий находим
значение индекса схемы для симметричного расположения шестерни относительно
опор S = 8 [2, табл. 2.3] и по формуле [2, (2.9)] рассчитываем значение этого
коэффициента. При значении твердости > 350 НВ, т.е. для вариантов
термообработки III и IV:
КHβ =l +
2×ψbd /S = 1 +
2×0,717/8 = 1,18.(2.2)
При
твердости 350 НВ, т.е. для вариантов термообработки I и II, коэффициент КHβ = 1.
Дальнейший
порядок расчета соответствует приведенному в разд. 2.1.1.
Межосевые
расстояния определяем по формуле (2.10) [1, с.21] для всех принятых вариантов
материалов и термообработки.
(2.3)
Принимаем
из ряда стандартных чисел по ГОСТ 2185-66 aw = 90 мм
Делительный
диаметр шестерни вычисляют по формуле
1 = 2×aw/(u±1) = 2×90/(3,55 + 1) = 39,6 мм(2.4)
Предварительные основные
размеры колеса. Для выбранного варианта
определим предварительные
основные размеры колеса:
делительный диаметр (2.12)
d2 = 2×аw×u/(u + 1) = 2×90×3,55/ (3,55+ 1)
= 140,4=140 мм; (2.5)
ширина (2.13)
b2 = ψba×аw =
0,315×90 = 28,35 мм (2.6)
Принимаем из ряда стандартных
чисел b2 = 30 мм
(табл. 19.1) [2, с.481]
2.3 Определение модуля
передачи
Модуль передачи. Для
вычисления предварительного значения модуля
передачи по рекомендации п. 3
разд. 2.1.1 [1, с.22] примем коэффициент модуля для прямозубых передач: Кт
= 6,8. Тогда по формуле (2. 16)
(2.7)
Округляем до стандартного
значения из первого ряда: m = 1 мм
.4 Определение чисел зубьев,
угла их наклона и фактического передаточного числа
Угол наклона и суммарное
число зубьев.
Минимальный угол наклона
зубьев.
βmin= arcsin (4m/b2) = arcsin
(4·1/30) = 7.66° (2.8)
Суммарное число зубьев у пары
шестерня-колесо (2.18)
zs = 2awcosβmin /m= 2·90 cos 7,66°/1 = 178,39(2.9)
Округляя в меньшую сторону до
целого числа, принимаем zs =178
Тогда действительное значение
угла β.
β = arccos(zsm/(2aw)) =
arccos (178×1/(2×90)) = 8,55°(2.10)
Число зубьев шестерни.
1 = zs/(u ± 1) = 178/(3,55 +1) = 39,1(2.11)
Принимаем z1 =40.
Число зубьев колеса.
2 = zs - z1= 178 - 40 = 138(2.12)
Фактическое передаточное
число
ф = z2/z1 =138/40 = 3,45(2.13)
Отклонение от заданного
передаточного числа (2.22)
Δu
= ((uф - u ) /u)
×100 = ((3,45-3,55)/3,55) ×100 = -2,82%, (2.14)
что находится в допустимых
пределах.
.5 Определение диаметров
колес
Геометрические размеры колес.
Делительные диаметры:
шестерни……….d1 = z1×m/cosβ = 40 ×1,5/0,99 = 40мм; (2.15)
колеса …………….d2 = 2×aw-d1 = 2×90 -
40 = 140 мм. (2.16)
Диаметры окружностей вершин и
впадин зубьев:
шестерни ……….dal
=d1
+ 2×m = 40 + 2 ×1 = 42 мм;
(2.17)fl=d1-2,5×m =40-2,5 ×1 = 37,5=38мм; (2.18)
колеса…………da2 = d2 + 2×m =
140 + 2×1= 142 мм; (2.19)f2
= d2-
2,5×m =140-2,5×1=137,5=138мм(2.20)
Ширина шестерни ………….b1 = 1,08×b2 = 1,08 ×30 = 32,4=32 мм. (2.21)
диаметр ступицы (для стальных
ступиц):
мм;(2.22)
толщина обода:
мм,(2.23)
принимаем
мм; т.к. минимальная толщина обода должна быть 8 мм.
толщина диска:
мм, (2.24)
принимаем
мм;
диаметр центровой окружности:
мм,(2.25)
диаметр отверстий:
мм(2.26)
Проверка пригодности
заготовок колес для принятой термообработки:
для шестерни………………Dзаг
= da1 + 6 = 42+ 6 = 48 мм; (2.27)
для колеса без выточек ……Sзаг
= b2 +4 = 30 + 4 = 34 мм (2.28)
По табл. 2.1 [2, с.17] для
стали марки 40Х предельные размеры заготовок колес: Dnp = 125 мм; Snp
= 80 мм. Условия пригодности заготовок колес выполнены и, следовательно, могут
быть получены принятые механические характеристики материалов колес.
.6 Определение сил в
зацеплении
Силы в зацеплении вычисляют
по формулам [2, с.24]:
окружная……Ft=2×TПР/d2 =
2×55,34×103/140= 790,6 Н; (2.29)
радиальная …Fr= Ft×tgα/cosβ=790,6× tg20°/cos
8,55° =290,8 H; (2.30)
осевая…………Fa = Ft×tgβ = 790,6×tg
8,55° = 118,783 H. (2.31)
.7 Проверка зубьев колес по
напряжениям изгиба
Предварительно назначим
степень точности передачи и определим значения некоторых уточняющих
коэффициентов. Так как фактическое передаточное число передачи uф =
3,45, то частота вращения вала колеса:2 = 1000/3,45= 217 мин-1(2.32)
Окружная скорость колеса
v
= π ×d2×n2/60000 = 3,14 ×140×217/60000
= 1,59 м/с. (2.33)
Назначаем степень точности 7
(см. табл. 2.4) [2, стр.25]. Коэффициент KFα = 0,81
Коэффициент Y ββ = 1 - β /l 00° = 1 - 8,55°/100° = 0,91. (2.34)
Так как v < 15 м/с, то при
варианте II термообработки коэффициент KFβ = 1,0.
При твердости зубьев колеса
< 350 НВ коэффициент KFv = 1,2.
Для определения коэффициентов
YFS2, YFS1 вычислим приведенные числа
зубьев:
колеса …………………zv2
= z2/cos3 β = 138/cos38,55° = 143; (2.35)
шестерни ……………..zv1
= z1/cos3 β = 40/cos38,55° = 41. (2.36)
По табл. 2.5 принимаем YFS2
=3,66; YFS1= 3,61.
Расчетное напряжение изгиба в
зубьях колеса (2.29) [2, стр.26]
σF2 = KFα×KFβ×KFv×Yβ×YFS2×Ft/(b2×m) =
=
0,81×1,0×1,2×0,91×3,61×790,6/(30×1) = 84,6 Н/мм2, (2.37)
что меньше допускаемых
напряжений [σ]F2
= 294 Н/мм2.
Расчетное напряжение изгиба в
зубьях шестерни (2.30) [2, стр.26]
σF1 = σF2×YFS1/YFS2 =
84,6×3,66/3,61 = 85,7 Н/мм2.
(2.38)
что также меньше [σ]F1 = 310 Н/мм2.
.8 Проверка зубьев колес по
контактным напряжениям
Определим значения уточняющих
коэффициентов [2, стр.26]: КHα =1; КHβ = 1; КHv= 1,2 при твердости зубьев колеса
< 350 НВ. Расчетное контактное напряжение (2.31) [2, стр.27]
(2.39)
3.Расчет
тихоходной цилиндрической ступени редуктора
.1 Выбор материала колес,
термической обработки, твердости и определение допускаемых напряжений
Расчет цилиндрической
зубчатой передачи.
Выполним для сравнения расчет
передачи для всех четырех видов термической обработки (ТО), упомянутых в гл. 2.
В соответствии с этим примем следующие материалы для вариантов ТО (см. табл.
2.1):
I - колесо - сталь 40Х; твердость поверхности зубьев
235 ... 262 НВ; шестерня - сталь 40Х; твердость поверхности зубьев 269 ... 302
НВ;
II - колесо - сталь 40Х; твердость поверхности зубьев
269 ... 302 НВ; шестерня - сталь 40Х; твердость поверхности зубьев после
закалки с нагревом ТВЧ 45 ... 50 HRC;
III- колесо и шестерня - сталь 40ХН; твердость
поверхности зубьев после закалки 48 ... 53 HR.C;
IV- колесо и шестерня - сталь 12ХНЗА; твердость
поверхности зубьев после цементации и закалки 56 ... 63 HRC.
Определим средние значения
твердостей поверхностей зубьев колес (2.1) и значения баз испытаний (2.2). Для
принятых вариантов ТО получим:
I - колесо НВср = 0,5(235 + 262) = 248,5;
NHNG = 30HBср2,
4=
30×248,52,4 = 1,68·107;
шестерня НВср =
0,5(269 + 302) = 285,5; NHG =
30×285,52,4= 2,35×107
II - колесо НВср = 285,5; NHHG = 2,35×107
шестерня НRСср
= 0,5(45 + 50) =47,5.
По таблице перевода (с. 18) HRCcp = 47,5 соответствует НВср = 456.
Тогда NHNG=
304×562,4 = 7,2 ×107
III - колесо и шестерня HRCср = 0,5(48 + 53) = 50,5, что соответствует НВср
= 490. Тогда NHHG=
30×4902,4 = 8,58 ×107
IV - колесо и шестерня HRCcp
= 0,5(56 + 63) = 59,5, что соответствует НВср = 605. Тогда NHHG =
30×6052,4 = 1,42 ×108
Так как при N>NHG
коэффициент долговечности при расчете по контактным напряжениям ZN = 1, то для всех четырех вариантов термообработки для колеса и
шестерни ZN = 1.
Коэффициент долговечности при
расчете на изгиб для всех вариантов термообработки YN =
1, так как во всех случаях N> 4× 106
Вычислим допускаемые
контактные и изгибные напряжения. По формулам табл. 2.2 пределы выносливости σHlim и σFLim, соответствующие базовым числам NHG и
NFG для вариантов ТО такие:
I - колесо σHlim2 = l,8×HBcp + 67= 1,8×248,5 + 67 = 514 Н/мм2
σFlim2 = 1,03×НВср = 1,03 × 248,5 = 256 Н/мм2
шестерняσHlim1= 1,8 ×285,5 + 67 = 581 Н/мм2
σFlim1 =
1,03-285,5 = 294 Н/мм2
II - колесо σHlim2 = 1,8×285,5 + 67 = 581 Н/мм2
σFlim2 = 1,03×285,5 = 294 Н/мм2
шестерня σHlim1= 14HRCcp + 170 =14
× 47,5 + 170 = 835 Н/мм2
σFlim1 = 310
Н/мм2
III - колесо и шестерняσHlim = 14× 50,5 + 170 = 877 Н/мм2
σFLim = 310 Н/мм2
IV - колесо и шестерня σHlim = 19×HRCcp= 19× 59,5
= 1130 Н/мм2
σFLim = 480 Н/мм2
Допускаемые контактные и
изгибные напряжения получают умножением значений σHlim и σFLim на коэффициенты ZN и YN (2.6). Из ранее выполненных расчетов видно, что все
коэффициенты ZN = 1 и YN = 1. Поэтому допускаемые контактные и изгибные
напряжения во всех рассмотренных случаях [σ]H = σHlim и
[σ]F = σFLim.
Для варианта термообработки II
допускаемое контактное напряжение,
которое должно быть принято в
расчет, определяют по формуле (2.7)
[σ]H = 0,45 ([σ]H1 + [σ]H2) =
0,45(835 +581) = 637 Н/мм2
Это напряжение не должно
превышать значение
,25 [σ]H2 = 1,25×581 = 726 Н/мм2
Следовательно, это условие
выполняется. Для всех других вариантов термообработки в качестве допускаемого
контактного напряжения принимают меньшее из [σ]H1 и [σ]H2 . Таким
образом:
Вариант I [σ]H = 514
Н/мм2
[σ]F2 = 256
Н/мм2
[σ]F1 = 294
Н/мм2
Вариант П[σ]H = 637
Н/мм2
[σ]F2 = 294
Н/мм2
[σ]F1 = 310
Н/мм2
Вариант Ш[σ]H = 877
Н/мм2
[σ]F2 = [σ]F1 = 310
Н/мм2
Вариант IV[σ]H = 1130
Н/мм2
[σ]F2 = [σ]F1 = 480
Н/мм2
.2 Определение межосевого
расстояния
Для расчета межосевого
расстояния передачи предварительно надо определить значения некоторых
коэффициентов. По рекомендациям, приведенным в разд. 2.2, принимаем:
коэффициент межосевого расстояния для передач с косыми зубьями Кα = 49,5;
коэффициент ширины ψba = 0,
315;
коэффициент ширины ψbdпо
формуле (2.8);
ψbd = 0,5 ψba (u ± 1)
= 0,5 · 0,315(2,5 + 1) = 0,551. (3.1)
Для вычисления коэффициента КHβ неравномерности распределения нагрузки по длине
контактных линий находим значение индекса схемы S = 8 (см. табл. 2.3) и по
формуле (2.9) рассчитываем значение этого коэффициента. При значении твердости
> 350 НВ, т.е. для вариантов термообработки III и IV:
КHβ =l + ψbd /S = 1
+ 2·0,551/8 = 1,14. (3.2)
При твердости 350 НВ, т.е.
для вариантов термообработки I и II, коэффициент КHβ = 1.
Дальнейший порядок расчета
соответствует приведенному в разд. 2.1.1.
Межосевое расстояние
определяем по формуле (2.10) [1, с.21]
(3.3)
Принимаем из ряда стандартных
чисел aw = 120 мм
Делительный диаметр шестерни
вычисляют по формуле 1(Т) = 2×120/(2,5+1) = 68,6 мм(3.4)
Предварительные основные
размеры колеса.
Определим предварительные
основные размеры колеса:
делительный диаметр (2.12) 2(Т)
= 2×120×2,5/(2,5+1)
= 171,4 мм;(3.5)
ширина 2(Т) =
0,315×120 = 37,8 мм
Принимаем из ряда стандартных
чисел b2= 38 мм
Модуль передачи. Для
вычисления предварительного значения модуля передачи по рекомендации п. 3 разд.
2.1.1 [1, с.22] примем коэффициент модуля
Кт = 6,8.
Тогда по формуле (2. 16)
(3.6)
Округляем до стандартного
значения из первого ряда: m(Т) = 1 мм.
.3 Определение чисел зубьев,
угла их наклона и фактического передаточного числа
Угол наклона и суммарное
число зубьев. Минимальный угол наклоназубьев (2.17)
βmin(Т)= arcsin
(4m(Т)/b2(Т)) = arcsin(4×1/38) =
6,04°(3.7)
Суммарное число зубьев пары
шестерня-зубчатое колесо(2.18) s(Т) = 2×120×cos6,04°/1 =
238,67=238(3.8)
Тогда действительное значение
угла β
(2.19)
β
= arccos(zs(Т)m(Т)/(2aw(Т))) = arccos(238×1/(2×120)) =
7,4° (3.9)
Число зубьев шестерни
1(Т) = zs(Т)/(u(Т) ± 1) =
238/(2,5+1) = 68. Принимаем z1(Т) = 70. (3.10)
Число зубьев колеса (2.21)
2(Т) = zs(Т) - z1(Т) = 238-70= 168.
(3.11)
Фактическое передаточное
число
Отклонение от заданного
передаточного числа (2.22)
Δu(Т) = ((uф(Т)
- u(Т) ) /u(Т)) ×100% = ((2,4 -2,5)/2,5)
×100% = -4%, (3.13)
что находится в допускаемых
пределах.
.4 Определим геометрические
размеры колеса и шестерни
Делительные диаметры (2.23):
шестерни………d1(Т) =
z1(Т)×m(Т)/cos β=
70×1 /0,99 = 70,6=71мм(3.14)
колеса………….d2(Т)=2×aw(Т)-d1(Т)= 2×120 -
71= 169 мм (3.15)
Диаметры окружностей вершин и
впадин зубьев (2.24):
шестерни……………dal(Т)
=d1(Т)
+ 2×m(Т) = 71+2×1
=73 мм; (3.16)
fl(Т)=d1(Т)-2,5×m(Т) =71 -2,5×1 = 68,5 мм; (3.17)
колеса……………….da2(Т)
= d2(Т)
+ 2×m(Т) = 169 +
2×1 = 171 мм; (3.18)
f2(Т) = d2(Т)- 2,5×m(Т) = 169 - 2,5×1= 167 мм; (3.19)
Ширина шестерни b1(Т) = 1,08×b2(Т) = 1,08×38 =41 мм. (3.20)
диаметр ступицы (для стальных
ступиц):
мм;(3.21)
толщина обода:
мм,(3.22)
принимаем
мм;
толщина диска:
мм, (3.23)
принимаем
мм;
диаметр центровой окружности:
мм,(3.24)
диаметр отверстий:
мм(3.25)
Проверка пригодности
заготовок колес для принятой термообработки:
для шестерни…………………Dзаг(Т)
= dal(Т) + 6 = 73+ 6 = 79 мм; (3.26)
для колеса без выточек………Sзаг(Т)
= b2(Т) +4 = 38 + 4 = 42 мм (3.27)
По табл. 2.1 [2, с.17] для
стали марки 40Х предельные размеры заготовок колес: Dnp = 200 мм; Snp=
125 мм. Условия пригодности заготовок колес выполнены и, следовательно, могут
быть получены принятые механические характеристики материалов колес.
.5 Определение сил в
зацеплении
вычисляют по формулам (2.25)
[2, с.24]
- окружнаяFt(Т)=2×T(Т)/ d2(Т) =
2×132,86×103/169=1572
Н; (3.28)
радиальная Fr(Т)=Ft(Т)×tgα/cosβ=1572×tg20°/cos7,4°=576,6H;
(3.29)
- осевая Fa(Т)= Ft(Т)×tg β
= 1572×tg 7,4° =
204,118 H.(3.30)
3.6 Проверка зубьев колес по напряжениям изгиба
Предварительно назначим степень точности передачи и определим значения
некоторых уточняющих коэффициентов. Так как фактическое передаточное число
передачи uф = 2,4, то частота вращения вала колеса n2 =
1500/2,4= 625 мин-1.
Окружная скорость колеса
v = π ×d2(Т)×n2/60000 =
3,14×169×625/60000 = 5,53 м/с(3.31)
Назначаем степень точности 7 (см. табл. 2.4) [2, с.25]. Коэффициент KFa
=0,81 Коэффициент Yβ (2.26)
β
= 1 - β(Т)/l 00° = 1 - 7,4°/100° = 0,93(3.32)
Так как v < 15 м/с, то при варианте II термообработки коэффициент KFβ = 1,0.При твердости зубьев колеса
< 350 НВ коэффициент KFv = 1,2.
Для определения коэффициентов YFS2, YFS1 вычислим
приведенные числа зубьев:
колеса………….zv2(Т) = z2(Т)/cos3
β(Т) = 168/cos37,4° =172;
(3.33)
шестерни………zv1(Т)= z1(Т)/cos3
β(Т) = 70/cos37,4° = 71,8.
(3.34)
По табл. 2.5 принимаем YFS2 =3,61; YFS1= 3,61.
Расчетное напряжение изгиба в зубьях колеса (2.29) [2, с.26]
σF2(Т) = KFα(Т)×KFβ(Т)×KFv(Т)×Yβ(Т)×YFS2(Т)×Ft(Т)/(b2(Т)×m(Т)) =
=
0,81×1,0×1,2×0,93×3,61×1572/(38×1) = 134,4 Н/мм2(3.35)
Что меньше допускаемых напряжений [σ]F2 = 294 Н/мм2
Расчетное напряжение изгиба в зубьях шестерни (2.30) [2, с.26]
σF1(Т)
= σF2(Т)×YFS1(Т)/YFS2(Т)
=134,4×3,61/3,61 =
134,4 Н/мм2(3.36)
Что также меньше [σ]F1 = 310 Н/мм2
.7 Проверка зубьев колес по контактным напряжениям
Определим значения уточняющих коэффициентов [2, с.26]: КHα =1; КHβ - 1; КHv= 1,2 при
твердости зубьев колеса < 350 НВ. Расчетное контактное напряжение (2.31) [2,
с.27]
(3.37)
4.Проектный расчет валов редуктора
Для построения компоновочной схемы следует дополнительно определить
некоторые размеры валов. По формулам (3.1) и (3.2) и табл. 3.1[2, с.43]
находим:
.1 Быстроходный вал
Диаметр выходного конца вала
d
(Б) =
= 17,9…20,4 мм.(4.1)
По
табл. 12.5 принимаем d =19 мм.
Диаметр
вала под подшипниками:
П(Б) = d+2t2, (4.2)
где t2 - глубина
паза [2, с.488, табл. 19.11]П(Б) = 19 + 2·2,8 = 24.6 мм.(4.3)
Принимаем dП(Б) =
25 мм.
Диаметр заплечика:
БП(Б)= dП + 3×r = 25 + 3× 1,5 = 29,5 мм.(4.4)
Примем dБП = 30
мм.
Выходной (тихоходный) вал.
Диаметр выходного конца вала:
(Т) =
= 25,5 … 30,6 мм. (4.5)
Принимаем d =28 мм
Диаметр вала под
подшипниками:П(Т) = 28 + 2·3,3 = 34,6 мм. (4.6)
Принимаем dП = 35
мм.
Диаметр заплечика:
dБП(Т) = 35 + 3×3,5 = 48 мм. (4.7)
Примем стандартное значение dБП(Т)
= 48 мм.
Диаметр посадочной
поверхности для колеса примем dK(Т) = 35 мм
Промежуточный вал.
Диаметр выходного конца вала:
=
= 22,8 … 26,6 мм. (4.8)
Принимаем d = 25 мм
Диаметр вала под
подшипниками:П = 25+ 2·3,3 = 31,6 мм. (4.9)
Принимаем dП = 30
мм.
Диаметр заплечика:БП = 30 + 3×2,5=
37,5 мм. (4.10)
Примем стандартное значение dБП
= 38 мм
5. Расчет конструктивных размеров корпуса
редуктора
.1 Конструктивные размеры крышки и корпуса редуктора
Для расчета параметров корпуса и крышки редуктора примем наибольшее
значение межосевого расстояния аw=190 мм.
Толщина стенок корпуса и крышки
Корпуса……………….
мм, (5.1)
Крышки………………
мм,(5.2)
Толщина
верхнего фланца корпуса:
мм(5.3)
Толщина
нижнего фланца крышки корпуса:
мм(5.4)
Толщина
нижнего пояса корпуса без бобышек:
мм(5.5)
принимаем
мм.
Диаметры
болтов
Фундаментные
болты:
мм(5.6)
принимаем
болты с резьбой М14.
Болты,
крепящие крышку к корпусу у подшипника:
мм(5.7)
принимаем
болты с резьбой М10;
Болты,
соединяющие крышку с основанием корпуса:
мм(5.8)
принимаем
болты с резьбой М8.
6.Расчет шпоночных соединений
.1 Расчет шпоночного соединения для тихоходной ступени
Для передачи вращающего момента Тт
= 132,86×103Н·мм тихоходного вала примем
шпоночное соединение.
Найдем диаметр в среднем сечении участка длиной l =38 мм (т.к. ширина
колеса на валу b2(т)=38):
ср= dк(Б)-0,05×l = 35- 0,05×38 = 33,1мм.(7.1)
Шпонка: b = 10 мм, h =8 мм, t1
= 5,0 мм, длина шпонки l(Ш)= 25 мм.
Рабочая длина шпонки:
р(Ш) = l(Ш) - b(Ш) = 25-10 = 15 мм.
(7.2)
Расчетные напряжения смятия:
(7.3)
что
меньше [σ]см = 190
Н/мм2. Принимаем для колеса на тихоходном валу шпонку по ГОСТ
23360-78 размером 10х8х25.
.2
Расчет шпоночного соединения для быстроходной ступени
Для
передачи вращающего момента ТПР = 55,34×103Н·мм
быстроходного вала примем шпоночное соединение.
Найдем
диаметр в среднем сечении участка длиной l = 25 мм (т.к. ширина колеса на
промежуточном валу b2(Б)=25):
dср=
dK(Т)-0,05×l
= 25 - 0,05×25 = 23,75мм. (7.4)
Шпонка:
b =8 мм, h = 7 мм, t1 = 4,0 мм, длина шпонки l(Ш)= 18 мм.
Рабочая
длина шпонки:
р(Ш) = l(Ш) - b(Ш)
= 18-8 = 10 мм. (7.5)
Расчетные
напряжения смятия:
(7.6)
что
меньше [σ]см = 190
Н/мм2. Принимаем для колеса на тихоходном валу шпонку по ГОСТ
23360-78 размером 8х7х18.
.
7. Проверочный расчёт тихоходного вала
Исходные данные:
окружная сила на колесе Ft(Т) = 1572 Н;
радиальная сила на колесе Fr(Т) = 576,6 Н;
крутящий момент на выходном валу TТ = 132,86 Н*м;
сила, действующая со стороны муфты
(8.1)
Рисунок 5. - Первый этап эскизной
компоновки редуктора
Рисунок 6. - Расчетная схема тихоходного вала
Определим реакции в опорах.
(8.2)
Составляем
уравнения моментов сил, действующих
в
вертикальной и горизонтальной плоскостях,
относительно
опор А и В:
(8.3)
(8.4)
Так как при расчёте получили отрицательное
значение силы RВГ, то изменяем её направление на противоположное.
(8.5)
(8.6)
Проверка:
=0
Как
показывает расчёт, наибольшие напряжения изгиба действуют на вал со стороны
правой опоры, следовательно, данное сечение вала является наиболее опасным и
все дальнейшие расчёты на прочность будем вести по данному сечению.
Проверка
усталостной прочности опасного сечения.
Определим
запас прочности:
где
[S] принимаем = 2.

σ-1 = 380
МПа;
τ-1 = 230
МПа (для стали 45);
εМ = 0,68
при изготовлении из стали 45 и приσК = 1,8;
εП = 0,9
при σВ = 800
МПа при чистовой обработке;
β = 2,6 приσК = 1,8
(при закалке с нагревом ТВЧ);
Kσ = 1,8;Kτ = 1,35 - коэффициенты концентрации напряжения.

Мос=98,7
Н*м;
Тос=132,86 Н*м;
Wос=0,1×dос3=0,1×0,0353=0,42×10-5
WРос=2×Wос=2×0,42×10-5=0,85×10-5
23,5×106=34,5 Мпа
где
ос - площадь опасного сечения
(м2)
Fa-нормальная
сила
-
коэффициент долговечности
КL=1
(см. расчет)
(для
среднеуглеродистых сталей)
8.ПРОВЕРОЧНЫЙ РАСЧЕТ ПОДШИПНИКОВ ВЫХОДНОГО ВАЛА
.1 Расчет ресурса подшипников и эквивалентных нагрузок
Частота вращения вала n= 162,42
мин-1, dп = 35 мм;
Эквивалентная нагрузка
где
V = 1 - коэффициент, учитывающий вращение внутреннего
кольца [1, с. 117];
= 1,2 -
коэффициент безопасности (при спокойной нагрузке) [1, табл. 7.2];
= 1 -
температурный коэффициент [1, табл. 7.1].
требуемый
ресурс подшипников
= 457532ч.
Схема
установки подшипников - враспор.
КЕ
= 0,63
Эквивалентны
нагрузки:
r1 = КЕ×Fr1max = 0,63×2092 = 1318 Н; r2
= КЕ×Fr2max = 0,63×780,5 = 492 Н; А
= КЕ×FАmax = 0,63×476,5 = 300,19
Н;
8.2
Предварительный выбор подшипников
Предварительно
принимаем подшипник шариковый радиально однорядный средней серии 307. По
П3 [1, с.393] для подшипника данного типоразмера: Сr = 33200 Н;
C0r = 18000 Н.
Так
как подшипники радиальные, то осевые составляющие S = 0. Из условия равновесия
вала Fa1 = FA = 300,19 Н, Fa2 = 0. Из табл.
6.1 [2, с.141] выписываем X =0,56; Y =1,71; e = 0,26.(коэффициент V = 1 при
вращении внутреннего кольца). Окончательно принимаем: X = 1; Y = 0.
.3
Расчет пригодности выбранных подшипников
Эквивалентная
динамическая радиальная нагрузка при КБ = 1,2 и КТ= 1:
RE =
(V×X×Fr +Y×Fa)×КБ×КТ = 1318×1,2×1
= 1581,6 Н.
.4
Требуемая динамическая грузоподъемность:
26031,6 Н
Так
как Стр<Сr (26031,6<33200), то
предварительно принятый подшипник подходит.
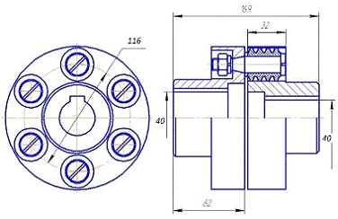
9.Расчет муфты МУВП - 40 ГОСТ 21424-93
Для соединения входного конца редуктора и вала электродвигателя применяем
упругую втулочно-пальцевую муфту, которая обладает достаточными упругими
свойствами и малым моментом инерции для уменьшения пусковых нагрузок на
соединяемые валы.
Муфту выбираем по большему диаметру концов соединяемых валов и расчетному
моменту TP , который должен быть в пределах номинального. По
расчетному моменту выбираем муфту МУВП-250-40 ГОСТ 21424-93 Проверка на смятие
в предположении равномерного распределения нагрузки между пальцами.
σсм = 2·103×Тк/zс×D0×dп×lвт)
< [σ]см,
где:
Тт - вращающий
момент, Н·м; п - диаметр пальца, мм; dп = 14 мм;вт
- длина упругого элемента, мм; lвт = 28 мм;с - число
пальцев, zс = 6; 0 - диаметр окружности расположения
пальцев, мм, D0 =116 мм.
Расчет по напряжениям смятия
условный, поэтому допускаемые напряжения принимают заниженными: [σ]см = 4 Н/мм2
Пальцы муфты изготавливают из
стали 45 (ГОСТ 1050-88) и рассчитывают на изгиб:
σи = 2·103Тк(0,5
lвт + С)/( zсD0 0,1dп )< [σ]и.
Допускаемые напряжения изгиба
[σ]и = (0,4 …0,5) σт,
где σт - предел
текучести материала пальцев, σт =540 Н/мм2;
С - зазор между полумуфтами,
С = 3…5 мм.
σи= 2×103×422,44×(0,5×28+5)/(6×116×0,1×143) =84,05
Н/мм2<[σ]и.
Рисунок 8. муфта МУВП - 32 ГОСТ 21424-93
10.Смазывание зубчатых колес и подшипников
Для уменьшения потерь мощности на трение, снижения интенсивности
изнашивания трущихся поверхностей, их охлаждения и очистки от продуктов износа,
а также для предохранения от заедания, задиров, коррозии должно быть обеспечено
надежное смазывание трущихся поверхностей.
Смазывание зубчатых передач. В машиностроении для смазывания зубчатых
широко применяют так называемую картерную систему. В корпус редуктора или
коробки передач заливают масло так, чтобы венцы колес были в него погружены.
Колеса при вращении увлекают масло, разбрызгивая его внутри корпуса. Масло
попадает на внутренние стенки корпуса, откуда стекает в нижнюю его часть.
Внутри корпуса образуется взвесь частиц масла в воздухе, которая покрывает
поверхности расположенных внутри корпуса деталей.
Картерное смазывание применяют при окружной скорости зубчатых колес и
шестерен до 12,5 м/с. При более высоких скоростях масло сбрасывает с зубьев
центробежная сила и зацепление работает при недостаточном смазывании. Кроме того,
заметно возрастают потери мощности на перемешивание масла, повышается его
температура. Выбор смазочного материала основан на опыте эксплуатации машин.
Преимущественное применение имеют масла. Принцип назначения сорта масла
следующий: чем выше окружная скорость колеса, тем меньше должна быть вязкость
масла и чем выше контактные напряжения в зацеплении, тем большей вязкостью
должно характеризоваться масло. Поэтому требуемую вязкость масла определяют в
зависимости от контактного напряжения и окружной скорости.
Рекомендуемая кинематическая вязкость масел:
По таблице выбирают марку масла для смазывания зубчатых и червячных
передач. В таблице приведены рекомендуемые марки смазочных масел для волновых
передач.
Обозначение индустриальных масел состоит из четырех знаков, каждый из
которых обозначает: первый (И) - индустриальное, второй - принадлежность к
группе по назначению (Г - для гидравлических систем, Т - тяжелонагруженные
узлы), третий - принадлежность к группе по эксплуатационным свойствам (А -
масло без присадок, С - масло с антиокислительными, антикоррозионными и
противоизносными присадками, Д - масло с антиокислительными, антикоррозионными,
противоизносными и противозадирными присадками), четвертый (число) - класс
кинематической вязкости.
Из пластичных смазочных материалов наиболее часто применяют
ЦИАТИМ-201, Литол-24, Униол-2.
Допустимые уровни погружения колес цилиндрического редуктора в масляную
ванну : hM « (2т ... 0,25d?). Здесь m -модуль зацепления. Наименьшую глубину
принято считать равной двум модулям зацепления, но не менее 10 мм.
Наибольшая допустимая глубина погружения зависит от окружной скорости
колеса. Чем медленнее вращение колеса, тем на большую глубину, но может быть
погружено. Считают, что в двухступенчатой передаче при окружной скорости колеса
тихоходной ступени v > 1 м/с достаточно погружать в масло только колесо
тихоходной ступени. При v < 1 м/с в масло должны быть погружены колеса обеих
ступеней передачи.
В соосных редукторах при расположении валов в горизонтальной плоскости в
масло погружают колеса быстроходной и тихоходной ступеней. При расположении
валов в вертикальной плоскости погружают в масло шестерню и колесо,
расположенные в нижней части корпуса. Если глубина погружения колеса окажется
чрезмерной, то снижают уровень масла и устанавливают специальное смазывающее
колесо.
В конических или коническо-цилиндрических редукторах в масляную ванну
должно быть погружено коническое колесо на всю ширину b венца. Однако при
частых включениях и кратковременном режиме работы (пуск-останов-пуск)
смазывание зацепления оказывается недостаточным. Во избежание этого уровень
масла поднимают до зацепления.
Расстояние bo между дном корпуса и наружной поверхностью колес
или червяка для всех типов редукторов и коробок передач.
ЗАКЛЮЧЕНИЕ
Подшипники смазывают тем же маслом, что и детали передач. Смазывание их
другим смазочным материалом применяют редко (если требуется защитить подшипники
от продуктов износа деталей передач).
При картерном смазывании передач подшипники смазывают брызгами масла.
При окружной скорости колес v > 1 м/с брызгами масла покрыты все
детали передач и внутренние поверхности стенок корпуса. Стекающее с колес,
валов и со стенок корпуса масло попадает в подшипник.
Однако в ряде случаев для обеспечения надежного смазывания зацепления
приходится значительно повышать уровень масла. Нередко в масло погружают
быстроходную шестерню или червяк и подшипники быстроходного вала. В этом случае
во избежание попадания в подшипник продуктов износа передач, а также излишнего
полива маслом, подшипники защищаю маслозащитными шайбами (кольцами). Особенно
это необходимо, если на быстроходном валу установлены косозубые или шевронные
колеса, либо червяк, т.е. когда зубья колес или витки червяка гонят масло на
подшипник и заливают его, вызывая повышенный нагрев.
Для смазывания опор валов, далеко расположенных от уровня масляной ванны,
применяют различные устройства. Так, для смазывания подшипников вала конической
шестерни, удаленных от масляной ванны, на фланце корпуса в плоскости разъема
делают канавки, а на крышке корпуса скосы. В канавки со стенок крышки корпуса
стекает разбрызгиваемое колесом масло и через отверстия в стакане попадает к
подшипникам.
Для направления стекающего масла иногда делают на внутренней поверхности
стенки корпуса ребра. По ним масло стекает к отверстию в приливе корпуса и
попадает к подшипнику.
Список литературы
редуктор привод конвейер
1.Курсовое проектирование деталей машин: Учеб.пособие для
техникумов/ С.А. Чернавский, Г.М. Ицкович, К.Н. Боков и др. - М.:
Машиностроение, 2014. - 351 с.
. А.Е. Шейнблит. Курсовое проектирование деталей машин:
Учебное пособие для техникумов - М.: Машиностроение, 1991. - 432 с.
.Арон А.В. Справочное руководство по проектированию деталей
машин: уч. пособие. - Владивосток: Дальрыбвтуз, 1999. - 200 с.
.Арон А.В., Зиборов С.Н. Руководство по проектированию
приводов машин: уч. пособие. - Владивосток: МГУ, 2002. - 196 с.
.Решетов Д.Н. Детали машин. Учебник для вузов. - М.:
Машиностроение, 2011. - 654 с.