Проект привода тестоделительной машины
Министерство
сельского хозяйства Российской Федерации
ФГОУ СПО «Сарапульский техникум пищевой
промышленности»
КУРСОВОЙ ПРОЕКТ
По дисциплине: «Детали машин»
Тема: «Проект привода тестоделительной машины»
Выполнил студент
Шакиров Р.Т.
Специальность
150411
Группа
М-42
Руководитель
Тепляков В.А.
Сарапул,
2010г
Содержание
Задание
Введение
1 Выбор электродвигателя. Кинематический и силовой
расчет
2 Расчет клиноременной передачи
3 Расчет редуктора
3.1 Расчет зубчатых колес редуктора
3.2
Предварительный расчет валов редуктора
3.3
Конструктивные размеры шестерни и колеса
3.4
Конструктивные размеры корпуса редуктора
3.5 Первый
этап компоновки редуктора
3.6
Проверка долговечности подшипников
3.7 Второй
этап компоновки
3.8
Проверка прочности шпоночных соединений
3.9
Уточненный расчет валов
3.10
Посадки основных деталей редуктора
3.11 Выбор
сорта масла
3.12 Сборка
редуктора
4 Выбор
муфты для привода
Литература
Введение
Цель курсового проектирования – получение навыков
практических расчетов и конструирования деталей и сборочных единиц в
механических приводах; навыков пользования технической и справочной
литературой, стандартами и другими нормативными документами. Все это
подготавливает к выполнению курсовых проектов по специальным дисциплинам,
дипломному проектированию и решению инженерно-технических задач на
производстве.
Особое внимание уделяется внедрению в производство
ресурсосберегающих технологий, позволяющих многократно повышать
производительность труда и снижать материалоемкость производства.
Ускорение научно-технического прогресса в машиностроении в
конечном итоге зависит от качества и глубины профессиональной подготовки
специалистов.
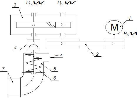
Машина предназначена для распределения теста по заготовкам
при выработке формового и круглого хлеба из ржаной и пшеничной муки. Тесто
через приемную воронку поступает внутрь корпуса 5, где на подшипниках
скольжения вращается вал с закрепленным на нем шнеком 6, захватывая тесто. Шнек
перемещает его в делительную головку 7.
1 Выбор
электродвигателя. Кинематический и силовой расчет
1.1
Выбор
электродвигателя
Исходные данные:
1.
Мощность на
рабочем валу Р3=3,4 кВт.
2.
Частота вращения
рабочего вала n3=120 об/мин
3.
Синхронная
частота вращения электродвигателя nc=1000 об/мин
4.
Материал для
изготовления зубчатых колес - сталь
1 – электродвигатель
2 – клиноременная
передача
3 – цилиндрический
косозубый редуктор
4 – зубчатая муфта
5 – корпус
6 – шнек
7 – делительная головка
Принимаются следующие
значения КПД по таблице 1.1[1,с.5]:
Клиноременной передачи - h1=0,96;
Закрытой зубчатой
цилиндрической передачи - h2=0,98;
Пары подшипников - h3=0,99.
Общий КПД определяется по
формуле [1, с.4]:
hобщ=h1
h2 h32=0,913.
Определяется требуемая
мощность электродвигателя по формуле [1,с.4]:
По ГОСТ 19523-81, исходя,
из синхронной частоты вращения принимается электродвигатель марки 4А112МВ6У3.
Мощность двигателя Р=4 кВт, номинальная частота вращения nдв=955 об/мин
1.2
Кинематический
расчет привода
Определяется общее
передаточное число привода по формуле [1.c.8]:
Производим разбивку
общего передаточного числа на частные составляющие. Для зубчатых передач u = 2…6; для ременных передач u=2…4.
Принимаем предварительно
передаточное число редуктора u2=4
Определяем передаточное
число ременной передачи:
Определяем частоты
вращения валов привода:
I вал n1=nдв = 955 об/мин;
II вал
III вал
Определяем угловые
скорости валов привода:
I вал
;
II вал
III вал
1.3
Силовой
расчет привода
Мощность на валах привода
определяется по формуле [1,с.107]:
I вал
;
II вал
III вал
Мощность на рабочем
валу соответствует техническому заданию.
Определяются вращающие
моменты на валах привода по формуле [1,с.189]:
I вал
;
II вал
III вал
Силовые и кинематические
характеристики привода заносятся в таблицу.
Таблица 1 Параметры
привода
|
№ вала
|
n об/мин
|
w, рад/с
|
Р, кВт
|
Т, Нм
|
Передаточное число
|
|
u1
|
u2
|
|
1
|
955
|
100
|
3,7
|
37
|
2
|
4
|
|
2
|
477,5
|
50
|
3,51
|
74
|
|
3
|
120
|
12,6
|
3,4
|
296
|
2 Расчет
клиноременной передачи
Исходные данные для
расчета:
1.
Передаваемая
мощность Р=3,7 кВт;
2.
Вращающий момент
на ведущем валу Т
=37 Нм;
3.
Частота вращения
ведущего шкива n
=955 об/мин;
4.
Передаточное
число u=2;
5.
Режим работы –
легкий;
2.1
По номограмме
[1,с.134] по частоте вращения ведущего шкива и передаваемой мощности
принимается клиновой ремень типа А
2.2 Определяется диаметр ведущего шкива
по формуле:
мм.
По ГОСТ 17383-73
принимается d1= 100 мм.
2.3. Определяется диаметр
ведомого шкива по формуле [1,с.120]:
где e=0,02 - коэффициент проскальзывания
По ГОСТ 17383-73
принимается d2=200 мм.
2.4.
Уточняется
передаточное отношение
При этом
угловая скорость ведущего вала редуктора будет
Расхождение с тем, что
было получено по первоначальному расчету,
, что менее допустимого на
Следовательно,
окончательно принимаем диаметры шкивов
d1= 100 мм, d2=200 мм.
2.5.
Определяется
межосевое расстояние по формуле [1,с.137]:
Минимальное
где То –
высота сечения ремня, То=8 мм (тип А).
Максимальное
Расчетное
Принимаем ар=236
мм.
2.6.
Определяется
расчетная длина ремня по формуле [1,с.137]:
По ГОСТ1284.1-80
принимается длина ремня 900 мм тип А
2.7.
Определяется угол
обхвата ведущего шкива по формуле:
a=156о > 120о
– угол обхвата достаточный.
2.8.
Определяется
число ремней в передаче по формуле [1,с137, ф7.29]:
где СР=1,0 –
коэффициент, учитывающий режим и условия работы передачи, принимается по
таблице 7.10 [1,с.136];
СL=0,87 – коэффициент, учитывающий тип
ремня и его длину, принимается по табл.7.9 [1., с.135];
Сa=0,94 – коэффициент, учитывающий угол
обхвата ведущего шкива;
Ро=1,52 кВт –
мощность, передаваемая одним клиновым ремнем, принимается по табл. 7.8
[1.с.132].
Сz=0,95 – предполагая, что число ремней
в передаче будет от 2 до 3.
Принимаем число ремней
в передаче z=3
2.9.
Определяется
ширина шкива по формуле [1. с.138]:
где е=15 – принимается по
табл. 7.12 [1.,с.138]
f=10 – принимается по табл. 7.12
[1.,с.138]
Ширина шкива В=50 мм.
2.10. Определение натяжения ветвей.
Натяжение ветвей
определяется по формуле [1, с.136,ф(7.30)]
где V – окружная скорость ремня, м/с;
q=0,1 - коэффициент, учитывающий
центробежную силу при сечении «А» [1,с.136]
2.11. Определение силы действующей на вал
По формуле [1, с.136,
ф(7.31)]:
3
Расчет редуктора
3.1
Расчет зубчатых колес редуктора
Выбираем материалы со средними механическими характеристиками
(гл. III, табл. 3.3): для шестерни – Сталь 45, термическая
обработка – улучшение, твердость - НВ230, для колеса – Сталь 45, термическая
обработка – улучшение, твердость - НВ200.
Допускаемые контактные напряжения
где σHlimb – предел
контактной выносливости при базовом числе циклов.
По табл. 3.2. гл.III для углеродистых
сталей с твердостью поверхностей зубьев менее НВ350 и термической обработкой
(улучшением)
KHL – коэффициент
долговечности; при числе циклов нагружения больше базового, что имеет место для
длительной эксплуатации редуктора, принимают КHL=1.
[SН]=1,10 – коэффициент
безопасности.
Для косозубых колес расчетное допускаемое контактное
напряжение:
Для шестерни:
Для колеса:
Тогда расчетное допускаемое контактное напряжение
Требуемое условие [σН]
£[sН2]
выполнено.
Коэффициент КНb ,учитывающий неравномерность распределения
нагрузки по ширине венца, примем по табл. 3.1 [1]. Несмотря на симметричное
расположение колес относительно опор, примем значение этого коэффициента, как в
случае несимметричного расположения колес, так как со стороны клиноременной
передачи действует сила давления на ведущий вал, вызывающая его деформацию и
ухудшающая контакт зубьев;
Принимаем КНb =1,25
Принимаем коэффициент ширины венца yва =0,5 [1,с.36]
Межосевое расстояние из условий контактной выносливости
активных поверхностей зубьев по формуле [1,с.29]:
Ближайшее значение межосевого расстояния по ГОСТ2185-66 aW=140 мм.
Нормальный модуль зацепления принимаем по следующей
рекомендации:
Принимаем по ГОСТ 9563-60
Принимаем предварительно угол наклона зубьев b=10о и определим
числа зубьев шестерни и колеса:
Принимаем z1=22, тогда
z2=z1 *u = 22*4=88
Уточненное значение угла наклона зубьев:
b=10о50¢
Основные размеры шестерни и колеса:
Диаметры делительные:
Проверка:
Диаметры вершин зубьев:
Ширина колеса:
Ширина шестерни b1=b2+5=75мм.
Определяем коэффициент ширины шестерни по диаметру:
Окружная скорость колес и степень точности передачи:
При такой скорости для косозубых колес следует принять 8-ю
степень точности [1,с.32].
Коэффициент нагрузки:
где, КНb - коэффициент, учитывающий твердость
поверхности зубьев и расположение зубчатого колеса
КНa- коэффициент, учитывающий окружную скорость колес и
степень точности передачи.
КНV-
коэффициент, учитывающий окружную скорость колес, твердость поверхности зубьев
и форму зуба.
Значения КНb даны в таблице 3.5; при
, твердости НВ£350 и несимметричном расположении колес
относительно опор ( учет натяжения клиноременной передачи) КНb»1,17.
По таблице 3.4 гл. III при V=1,4 м/с и 8-й степени точности КНa=1,09.
По таблице 3.6 для косозубых колес при V£5м/с КНV=1,0.
Тогда
Проверка контактных напряжений по формуле[1,с.31]:
Силы действующие в зацеплении:
Окружная
Радиальная
a=20о
– угол профиля в нормальной плоскости.
Осевая
Проверяем зубья на выносливость по напряжениям изгиба по
формуле [1.с.44]:
где КF- коэффициент
нагрузки. По табл.3.7 при ybd=1,34, твердости НВ£350 и несимметричном расположении зубчатых
колес относительно опор КFb=1,34. По
табл. 3.8 КFV=1,1. Таким образом КF = 1,34*1,1=1,474.
YF- коэффициент
учитывающий форму зуба и зависящий от эквивалентного числа зубьев zv:
У шестерни
У колеса
YF1=4,014 и YF2=3,61
Допускаемое напряжение
По табл.3.9 для стали 45 улучшенной при твердости НВ£350 s0Flimb=1,8НВ.
Для шестерни s0Flimb=1,8*230=415 Мпа; для колеса s0Flimb=1,8*200=360Мпа.
[S] – коэффициент безопасности,
[S]=[SF]/*[SF]//
[SF]/-
коэффициент, учитывающий нестабильность свойств материала зубчатых колес, [SF]/=1,75.
[SF]// -
коэффициент, учитывающий способ получения заготовки зубчатого колеса, [SF]//=1.
Следовательно [S]= 1,75.
Допускаемые напряжения:
Для шестерни:
Для колеса
Находим отношение
Для шестерни
Для колеса
Дальнейший расчет следует вести для зубьев колеса, для
которого найденной отношение меньше.
Определяем коэффициенты Yb и KFa
Для средних значений коэффициента торцового перекрытия eа=1,5 и 8-й
степени точности КFa=0,92.
Проверяем прочность зуба колеса по формуле [1,с46]
Условие прочности выполнено.
3.2 Предварительный расчет валов
редуктора
Предварительный расчет проведем на кручение по пониженным
допускаемым напряжениям.
Ведущий вал.
Учитывая влияние изгиба вала от натяжения ремня принимаем [t]=25 МПа.
Диаметр выходного конца вала определяем по формуле [1,с.161]:
Принимаем ближайшее большее из стандартного ряда dв1=25
Диаметр вала под подшипниками dп1=30
мм.
Шестерню выполним за одно целое с валом.
Ведомый вал.
Диаметр выходного конца вала:
Принимаем ближайшее значение из стандартного ряда.
В соответствии с рядом принимаем dВ2=42
мм.
Диаметр вала под подшипниками dп2=45
мм.
Диаметр вала под посадку ступицы зубчатого колеса dк = 50 мм.
Диаметры остальных участков валов назначаем исходя из
конструктивных соображений при компоновке редуктора.
3.3 Конструктивные размеры шестерни и
колеса
Шестерню выполняем за одно целое с валом, ее размеры
определены: d1=56 мм, dа1=61
мм, b1=75 мм.
Колесо кованное d2=224 мм,
da2=229 мм, b2=70мм.
Диаметр ступицы: dст=1,6dК = 1,6*50=80 мм.
Длина ступицы Lст=(1,2…1,5)
dк =60…75 мм. Принимаем Lст=75
мм.
Толщина обода dо=(2,5…4)mn = 5…10 мм. Принимаем dо=10 мм.
Толщина диска С=0,3b2=0,3*70=21
мм. Принимаем С=22 мм.
Диаметр отверстий в диске назначаем конструктивно, но не
меньше 15…20 мм.
3.4 Конструктивные размеры корпуса
редуктора
Толщина стенок корпуса и крышки:
d=0,025а+1
= 0,025*140+1 = 4,5 мм. Принимаем d=8 мм.
d1=0,02а+1
= 0,02*140+1 = 3,8 мм. Принимаем d1=8 мм.
Толщина фланцев пояса корпуса и крышки:
b=b1=1,5d=1,5*8=12 мм.
Толщина фланцев нижнего пояса:
Р=2,35d=18,8
мм. Принимаем р=20 мм.
Диаметр болтов:
фундаментных: d1=(0,03…0,036)аW+12=16,2…17,04 мм.
Принимаем болты с резьбой М18.
крепящих крышку к корпусу у подшипников: d2=(0,7…0,75)d1=12,6…13,5 Принимаем болты с резьбой М14.
соединяющих крышку с корпусом: d3=(0,5…0,6)d1=9…10,8
Принимаем болты с резьбой М12.
3.5
Первый этап компоновки редуктора
Компоновку обычно производят в два этапа. Первый этап служит для
приближенного определения положения зубчатых колес относительно опор для
последующего определения опорных реакций и подбора подшипников.
Вычерчиваем, упрощено шестерню и колесо в виде прямоугольников; шестерня
выполнена за одно целое с валом.
Очерчиваем внутреннюю стенку корпуса:
принимаем зазор между торцом шестерни и внутренней стенкой корпуса А1
=10 мм.
Габариты подшипников выбираем по диаметру вала в месте
посадки подшипников dП1 = 30 мм и dП2=45мм.
Предварительно намечаем подшипники на ведомом валу - 206, а
на ведущем - 109.
|
Условное
обозначение подшипника
|
d
|
D
|
B
|
Грузоподъемность,
кН
|
|
Размеры, мм
|
С
|
СО
|
|
206
|
30
|
55
|
13
|
28,1
|
14,6
|
|
109
|
45
|
75
|
16
|
21,2
|
12,2
|
Принимаем для подшипников пластичный смазочный материал. Для
предотвращения вытекания смазки внутрь корпуса и вымывания пластичного
смазочного материала жидким маслом из зоны зацепления устанавливаем
мазеудерживающие кольца.
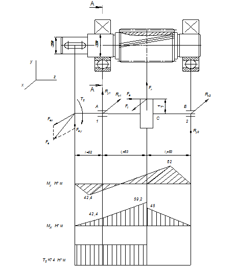
Измерением находим расстояния на ведущем валу l1=63 мм и на ведомом l2=63
мм.
Измерением устанавливаем расстояние l=52
мм, определяющее положение ведомого шкива относительно ближайшей опоры
вала-шестерни.
3.6
Проверка долговечности подшипников
Ведущий вал:
Из предыдущих расчетов имеем: Ft=2643
H
Fr=979 H
Fa= 506 Н
Нагрузка на вал от клиноременной передачи FВ=1156Н
Составляющие этой нагрузки 
Реакции опор:
В плоскости XZ
Проверка:
В плоскости YZ
Проверка:
Суммарные реакции:
Расчетная схема ведущего вала.
Рассчитаем подшипник по наиболее нагруженной опоре 1.
Приняты ранее радиальные шариковые подшипники 206 (табл.П3.):
d =30 мм, D = 55мм, В = 13 мм, С = 28,1 кН, Со = 14,6 кН.
Эквивалентная нагрузка по формуле [1.с.212]:
где, радиальная нагрузка Рr1=2537H
осевая нагрузка Ра= Fa
= 506 Н
коэффициент V=1 – при вращении
внутреннего кольца;
коэффициент безопасности Кs = 1,4;
КТ = 1 [1,табл.9.20]
Отношение
Этой величине соответствует е » 0,23 [1,табл.9.18].
Отношение
Х = 1 Y=0.
Эквивалентная нагрузка равна
Расчетная долговечность [1,с.211]:
Расчетная долговечность [1,с.211]
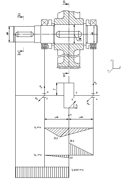
Ведомый вал:
Несет такие же нагрузки
что и ведущий Ft=2643
H
Fr=979 H
Fa= 506Н
Из первого этапа компоновки l2=63
мм
Реакции опор:
В плоскости XZ
В плоскости YZ
Проверка:
Суммарные реакции:
Расчетная схема ведомого вала
Рассчитаем подшипник по более нагруженной опоре 4.
Шариковые радиальные подшипники 109 легкой серии (табл.П3) по
ГОСТ 8338-75: .): d =45 мм, D =
75 мм, В = 16 мм, С = 21,2 кН, Со = 12,2 кН.
коэффициент безопасности Кs = 1,4 .
Отношение
Этой величине соответствует е » 0,25 [1,табл.9.18].
Отношение
, Следовательно: Х =0,56 Y=1,6.
Эквивалентная нагрузка равна
Расчетная долговечность, млн. об.
Расчетная долговечность, ч. [1,с.211]
Для зубчатых редукторов ресурс работы подшипников может
превышать 36 000 часов (таков ресурс самого редуктора), но не должен быть менее
10 000 часов (минимально допустимая долговечность подшипника). В нашем случае
выбранные подшипники удовлетворяют ресурсу работы передачи.
3.7 Второй этап компоновки редуктора
Второй этап компоновки имеет целью конструктивно оформить
зубчатые колеса, валы, корпус, подшипниковые узлы и подготовить данные для
проверки прочности валов и некоторых других деталей.
Примерный порядок выполнения следующий.
Вычерчиваем шестерню и колесо по конструктивным размерам,
найденным ранее. Шестерню выполняем за одно целое с валом.
Наносим осевые линии, удаленные от середины редуктора на
расстояние l. Используя эти осевые линии, вычерчиваем
подшипники. Затем вычерчиваем мазеудерживающие кольца. Затем вычерчиваем крышки
подшипников с уплотнительными прокладками и болтами.
Аналогично конструируем узел ведомого вала.
На ведущем и ведомом валах применяем шпонки призматические со
скругленными торцами по ГОСТ 23360-78. Вычерчиваем шпонки, принимая их длины на
5-10 мм меньше длин ступиц.
3.8 Проверка прочности шпоночных
соединений
Шпонки призматические со скругленными торцами. Размеры
сечений шпонок и пазов и длины шпонок по СТ СЭВ189-75 [1,с169, табл.8.9].
Материал шпонок – сталь 45 нормализованная. Напряжения смятия
и условие прочности по формуле [1,170,ф(8.22)]:
где Т – передаваемый вращающий момент, Н×мм;
d – диаметр вала в месте установки
шпонки;
h – высота шпонки;
t1 – глубина паза;
b – ширина шпонки.
Допускаемые напряжения смятия при стальной ступице [s]см=100…120Н/мм2,
при чугунной - [s]см=50…70Н/мм2
Ведущий вал.
Проверяем шпонку под шкивом:
Материал шкива – чугун марки СЧ18.
d=25 мм; b´h´l=8´7´45 мм, t1=4 мм
Т2=74 Нм =74×103 Нмм
Ведомый вал:
Из двух шпонок – под зубчатым колесом и под муфтой – более
нагружена вторая (меньше диаметр вала и поэтому меньше размеры поперечного
сечения шпонки. Проверяем шпонку под муфтой. Материал-сталь.
d=42 мм, b´h´ l =12´8´70 мм, t1=5 мм
Т3=296 Нм =296×103 Нмм
Условия выполняются во всех случаях.
3.9 Уточненный расчет валов
Уточненный расчет состоит в определении коэффициентов запаса
прочности S для опасных сечений и сравнении их с
требуемыми (допускаемыми) значениями [S]. Прочность
соблюдена при S³[S]=2,5.
Ведущий вал:
Строим эпюру изгибающих моментов в плоскости XZ
1 участок:
при Х1=0
при Х1 = 52
2 участок:
при Х2=0
при Х2 = 63
Суммарный изгибающий момент:
3 участок:
при Х3=0
при Х3 = 63
Строим эпюру изгибающих моментов в плоскости YZ
1 участок:
при z1=0
при z1 = 52
2 участок:
при z2=0
при z2 = 63
3 участок:
при z3=0
при z3 = 63
Материал вала тот же что и для шестерни (шестерня выполнена
за одно целое с валом), т.е. сталь 45, термическая обработка – улучшение.
По табл.3.3. при диаметре заготовки до 90 мм среднее значение sВ=780МПа.
Предел выносливости при симметричном цикле изгиба
Предел выносливости при симметричном цикле касательных
напряжений
У ведущего вала определяем коэффициент запаса прочности
сечения А-А в месте посадки подшипника. В этом опасном сечении действуют изгибающие
моменты Мy, Mx
и крутящий момент.
Концентрация напряжений вызвана запрессовкой внутреннего
кольца подшипника на вал–шестерню.
Изгибающие моменты в двух взаимно перпендикулярных плоскостях
берем из эпюры.
Суммарный изгибающий момент:
Осевой момент сопротивления
Амплитуда нормальных напряжений
Полярный момент
Амплитуда и среднее напряжение цикла касательных напряжений
Принимаем по таблице 8.7
ks - эффективный
коэффициент концентрации нормальных напряжений. es - масштабный фактор для нормальных напряжений.
Коэффициент запаса прочности по нормальным напряжениям
Коэффициент запаса прочности по касательным напряжениям
где
yt=0,1 для конструкционных
и углеродистых сталей.
Результирующий коэффициент запаса прочности для сечения
Условие выполнено.
Ведомый вал:
Строим эпюру изгибающих моментов в плоскости XZ
Строим эпюру изгибающих моментов в плоскости YZ
Суммарный изгибающий момент:
Материал вала – сталь 45, нормализованная; sВ=570 МПа
Пределы выносливости
Сечение Б-Б
Диаметр вала в этом сечении 50 мм, концентрация напряжений обусловлена наличием шпоночной канавки (табл.8.5): ks=1,59 , kt=1,49,
масштабные факторы es=0,79,
et=0,675,
коэффициенты ys»0,15, yt»0,1
крутящий момент Т3= 296*103 Нмм
Момент сопротивления кручению (d= 50 мм, b= 16 мм, t1= 6 мм)
Момент сопротивления изгибу
Амплитуда и среднее напряжение цикла касательных напряжений
Амплитуда нормальных напряжений изгиба
-
среднее напряжение цикла нормальных напряжений, при отсутствии осевой нагрузки
.
Коэффициент запаса прочности по нормальным напряжениям
Коэффициент запаса прочности по касательным напряжениям
Результирующий коэффициент запаса прочности для сечения
Сечение Д-Д:
Это сечение при передаче вращающего момента от редуктора к
приводу через муфту рассчитываем на кручение. Концентрацию напряжений вызывает
наличие шпоночной канавки.
d=42 мм , b =
12 мм, t1= 5 мм.
Момент сопротивления кручению
Амплитуда и среднее напряжение цикла касательных напряжений
Значения коэффициентов: ks=1,6 , kt=1,68, es=0,8, et=0,72, yt»0,1
приняв у ведомого вала длину посадочной части под муфту
равной длине полумуфты l= 82 мм, получим изгибающий момент в сечении Д-Д от консольной нагрузки
Момент сопротивления изгибу
Амплитуда нормальных напряжений изгиба
Коэффициент запаса прочности по нормальным напряжениям
Результирующий коэффициент запаса прочности для сечения
Все условия выполнены.
3.10 Посадки основных деталей
редуктора
Посадка зубчатого колеса на вал -
Посадка шкива клиноременной передачи на вал редуктора -
Шейки валов под подшипники выполняем с отклонением вала k6. Отклонения отверстий в корпусе под наружные кольца по Н7.
3.11 Выбор сорта масла
Смазка зубчатого зацепления производится окунанием зубчатого
колеса в масло заливаемое внутрь корпуса до погружения колеса на всю длину зуба
по табл. 10.8 [1,с253] при контактных напряжениях sН=410МПа и средней скорости
зубчатых колес до 1,4 м/с принимается кинематическая вязкость масла 34*10-6
м2/с. По таблице 10.10 [1,с253] принимается масло индустриальное
И-40А по ГОСТ 20799-75.
Определяем объем масляной ванны и количество масла заливаемое
в корпус редуктора.
V=0,25Р2 = 0,25*3,7 » 0,9 дм3
Камеры подшипников заполняем пластичным смазочным материалом
УТ-1 и периодически заменяем ее при технических обслуживаньях в соответствии с
системой ППР.
3.12 Сборка редуктора
Перед сборкой внутреннюю полость корпуса редуктора тщательно
очищают и покрывают маслостойкой краской.
Сборку производят в соответствии со сборочным чертежом
редуктора, начиная с узлов валов.
На ведущий вал насаживают мазеудерживающие кольца и
шарикоподшипники, предварительно нагретые в масле до 80-100о.
В ведомый вал закладывают шпонку 16´10´63 мм и напрессовывают зубчатое колесо до
упора в бурт вала; затем надевают распорную втулку, мазеудерживающие кольца и
устанавливают шарикоподшипники, предварительно нагретые в масле.
Собранные валы укладывают в основание корпуса редуктора и
надевают крышку корпуса, покрывая предварительно поверхности стыка крышки и
корпуса спиртовым лаком. Для центровки устанавливают крышку на корпус с помощью
двух штифтов, затягивают болты, крепящие крышку к корпусу.
После этого в подшипниковые камеры закладывают пластичную
смазку, ставят крышки подшипников с комплектом металлических прокладок для
регулировки.
Перед постановкой сквозных крышек в проточки закладывают
войлочные уплотнения, пропитанные горячим маслом. Проверяют проворачиванием
валов отсутствие заклинивания подшипников (валы должны прокручиваться от руки)
и закрепляют крышки болтами.
Далее ввертывают пробку маслоспускного отверстия с прокладкой
и жезловый указатель.
Заливают в корпус масло и закрывают смотровое отверстие
крышкой с прокладкой из технического картона; закрепляют крышку болтами.
Собранный редуктор обкатывают и подвергают испытанию на
стенде по программе, устанавливаемой техническими условиями.
4 Выбор муфты для привода
Исходные данные для расчета:
Вращающий
момент на ведомом валу редуктора Т2=296 Нмм.
Диаметр
конца вала dВ2=42 мм.
Тип муфты:
зубчатая.
В соответствии с кинематической схемой привода, передаваемым
вращающим моментом по ГОСТ 5006-55 выбирается муфта для посадки на
цилиндрические концы валов.
Принимается муфта для передачи вращающего момента
Т=400 Н*м > Т3=296 Н*м, у которой диаметр
посадки на вал 42 мм.
Условное обозначение муфты:
Муфта МЗ1-Н42 ГОСТ 5006-55.
Литература
1.
С.А. Чернавский «Курсовое проектирование деталей машин» Учеб. Пособие
для техникумов. М.:Машиностроение, 1988.-416 с.
2.
В.И. Анурьев «Справочник конструктора-машиностроителя». В 3-х т. М.:
Машиностроение,1979
3.
И.И. Устюгов «Детали машин».- М.:Высш. Школа, 1981.-399с.
4.
П.Ф. Дунаев, О.П. Леликов «Конструирование узлов и деталей машин»
Учеб. Пособие для машиностроительных вузов. – 4е изд., перераб. и доп. – М.:
Высш. Шк., 1985 – 416 с.