Проектирование гидроэлектростанции
СОДЕРЖАНИЕ
ВВЕДЕНИЕ
1. Социально-экономическое
обоснование строительства ТЭС
2. Общий
баланс мощности, выбор агрегатов и расчет ПТС
ГРЭС
2.1 Общий
баланс мощности и выбор основных агрегатов
2.2 Выбор
единичной мощности генераторов
.3 Общий
баланс мощности Нижнесалдинской ГРЭС
.5 Выбор
основного технологического оборудования
2.6 Выбор
принципиальной тепловой схемы
.7 Расчет
годового отпуска теплоты и выработки электроэнергии ГРЭС
3. Электротехническая
часть
.1 Выбор
оптимального варианта схемы электрических соединений
3.2 Выбор
схемы собственных нужд на напряжение 6 кВ
.3 Выбор
схемы собственных нужд на напряжении 0,4 кВ
4. Выбор схем
распредустройств
.1 Выбор схем
распредустройств повышенного напряжения
5. Расчёт
токов короткого замыкания, выбор коммутационной аппаратуры, измерительных
трансформаторов, разрядников, кабелей, шин
.1 Расчет
схемы замещения
.2 Расчет
токов короткого замыкания
Определение
затухания периодических составляющих токов КЗ
5.3
Определение расчетных условий для выбора аппаратов и проводников по
продолжительным режимам работы
.4 Выбор
выключателей и разъединителей
.5 Выбор шин,
токопроводов, изоляторов
.6 Выбор
измерительных трансформаторов тока
.7 Выбор
измерительных трансформаторов напряжения
.8 Выбор
ограничителей перенапряжения, короткозамыкателей и аппаратуры ВЧ связи
.9 Выбор
аккумуляторной батареи
6. Расчет
релейной защиты и автоматики блока
300МВт
6.1 Основные
принципы построения релейной защиты энергоблоков
.2 Расчет
продольной дифференциальной токовой защиты генератора блока
.3 Расчет
поперечной дифференциальной токовой защиты генератора блока
.5 Защита от
замыканий на землю в обмотке ротора
.6
Дифференциальная защита трансформатора
.7 Газовая
защита трансформатора
.8 Защита от
повышения напряжения
.9
Дифференциальная защита блока
.10 Защита от
внешних коротких замыканий на землю
.11 Токовая
защита обратной последовательности
.12 Защита от
внешних симметричных коротких замыканий
.13 Защита от
симметричной перегрузки статора
.14 Защита
ротора генератора от перегрузки током возбуждения
6.15 Защита
от асинхронного хода
7. Разработка
конструкции РУ 220кВ
8. Безопасность
жизнедеятельности
.1 Расчет
заземляющего устройства ОРУ 220 кВ
9. Экологический
раздел
.1 Применение
электрофильтров для очистки газов
10. Организационно-экономическая
часть
.1 Расчёт
капитальных вложений в Нижнесалдинскую ГРЭС
.2 Расчет
годового расхода топлива
10.3 Расчет
себестоимости производства электро и теплоэнергии
.4 Анализ
безубыточности работы Нижнесалдинской ГРЭС
11. Диагностика
заземляющих устройств ОРУ 500, 220 и 110
кВ
БИБЛИОГРАФИЧЕСКИЙ СПИСОК
ВВЕДЕНИЕ
Назначение проектируемой станции - снабжение электроэнергией двух новых
потребителей, а также выдача, при необходимости в Свердловскую энергосистему
резервной мощности в 450 МВт. Попутно объект снабжает горячей водой поселок
ГРЭС (Нижняя Салда).
Вид топлива - каменный уголь Бачатского месторождения Кузбасского
угольного бассейна.
Потребитель 1 имеет мощность 960 МВт и расположен в 100 км от станции,
связь с ним осуществляется посредством воздушной ЛЭП напряжением 220 кВ.
Мощность потребителя 2 равна 405 МВт, расстояние до него - 50 км, связь
осуществляется воздушной ЛЭП напряжением 110 кВ.
С системой станция связана двумя цепями воздушной ЛЭП длинной 250 км
напряжением 500 кВ.
Задачей дипломного проектирования является разработка таких разделов как:
социально-экономическое обоснование строительства ГРЭС; расчет общего баланса
мощности; тепломеханическая часть; электротехническая часть; безопасности
жизнедеятельности, охраны окружающей среды; организационно-экономического;
спецвопроса.
В социально-экономическом обосновании приводится краткая характеристика
экономики района предполагаемого строительства с описанием: перспектив развития
отраслей промышленности, указанных в задании; наличия месторождений; строительных
материалов; водной базы; наличия рабочей силы; железной и автомобильных дорог;
сетей энергосистемы; источники финансирования; другие характеристики.
Раздел общего баланса мощности содержит: характеристики нагрузок
потребителей, расчет нагрузок, общий баланс мощности станции.
В тепломеханическом разделе производится: выбор и обоснование выбора
основного технологического оборудования (энергетических котлов, турбин,
турбогенераторов); выбор принципиальной тепловой схемы станции; расчет годового
отпуска теплоты и выработки электроэнергии в соответствии с заданными
нагрузками, получение исходных данных для расчета среднегодовых
технико-экономических показателей ТЭС, расчет среднегодовых значений КПД и
удельных расходов топлива на единицу выработки электроэнергии и отпуска
теплоты.
Электротехнический раздел включает в себя: выбор схем РУ всех напряжений
и собственных нужд; расчет т.к.з.; выбор коммутационных аппаратов,
измерительных трансформаторов, ограничителей перенапряжений, кабелей, шин;
расчет релейной защиты и автоматики; выбор конструкций ОРУ всех напряжений.
В разделе безопасности жизнедеятельности приводится расчет заземляющего
устройства ОРУ 220 кВ.
В рамках экологического раздела рассматривается вопрос рассеивания в
атмосфере выбросов из дымовых труб.
Организационно-экономический раздел включает в себя: разработку
организационно-производственной структуры станции; расчет основных
технико-экономических ее показателей.
В рамках спецвопроса рассматривается диагностика заземляющих устройств
ОРУ 500, 220 и 110 кВ.
1.
Социально-экономическое обоснование строительства ТЭС
Город Нижняя Салда находится в Свердловской области. В данном регионе
исторически развита металлургическая промышленность и тяжелое машиностроение.
Эти отрасли народного хозяйства являются энергоемкими, поэтому развитие
Свердловской энергосистемы - одна из важнейших задач, а ввод генерирующих
объектов - основной этап развития энергетики. Одним из мест для строительства
новой тепловой электрической станции (ТЭС) выбран город Нижняя Салда, расположенный
примерно в двухстах километрах от Екатеринбурга. Население города - 17 тысяч
человек. В городе имеется крупное предприятие - Нижнесалдинский
металлургический завод («НТМК-НСМЗ»).
Сооружение ГРЭС рядом с Нижней Салдой обеспечит надежное и экономичное
электроснабжение завода, возможность развития свердловской энергосистемы,
необходимый резерв мощности и энергии. Кроме того, строительство и эксплуатация
ТЭС и связанной с ней инфраструктуры (поселок, железнодорожный путь,
электросетевые объекты и т.д.) рядом с данным городом привлечет в район
население и появление новых рабочих мест.
Площадка для строительства ГРЭС выбирается в девяти километрах от города
Нижняя Салда. Тепловая электростанция потребляет большое количество воды,
поэтому целесообразно разместить станцию на берегу пруда. Так как на ГРЭС в
качестве топлива предполагается уголь, должна быть построена железнодорожная
линия с достаточной пропускной способностью. В Нижней Салде имеется ж/д
станция. Кроме того, в окрестностях города развита электрическая сеть 220/110
кВ, поэтому не затрудняется подключение ГРЭС к энергосистеме, в том числе и на
время строительства.
Финансирование строительства будет осуществляться за счет областного и
федерального бюджетов.
2. Общий
баланс мощности, выбор агрегатов и расчет ПТС ГРЭС
2.1 Общий
баланс мощности и выбор основных агрегатов
Расчет мощности нагрузок
Расчет установленной мощности ГРЭС производится с учётом мощности
нагрузок на каждом напряжении и резервной мощности. Резервная мощность, в
нормальном режиме отдаваемая в систему, необходима для восполнения дефицитов
мощности при проведении ремонтов основного оборудования электростанций и при
аварийных отказах генераторов.
Мощность
нагрузки
, МВт, которую должна обеспечить проектируемая
электростанция с учетом коэффициента спроса находится по формуле
, (2.1)
где
- максимальная нагрузка на i-том
напряжении;
- установленная
мощность на i-том напряжении;
-
коэффициент спроса на i-том напряжении.
Для
потребителя №1:
МВт.
Для
потребителя №2:
МВт.
Суммарная
нагрузка
, МВт, подключенная к шинам станции
, (2.2)
МВт.
При
расчете установленной мощности электростанции необходимо учесть мощность
собственных нужд. Расход электроэнергии на собственные нужды угольной ГРЭС
, МВт, принимается в размере 8% от установленной
мощности станции. [1]
, (2.3)
где
- удельная мощность собственных нужд;
МВт.
Мощность
нагрузки Нижнесалдинской ГРЭС
, МВт,
, (2.4)
МВт.
Графики нагрузки
График нагрузки в относительных единицах приведен в задании. Для
построения графиков в именованных единицах следует использовать формулы:
, (2.5)
где Pi* - ступень графика нагрузки в
относительных единицах.
Также для каждой нагрузки следует рассчитать реактивную и полную мощность
каждой ступени графика:
, (2.6)
, (2.7)
Результаты расчетов для первого и второго потребителя приведены в
таблицах 2.1 и 2.2
Графики активной нагрузки потребителей в относительных и именованных
единицах приведены на рисунках 2.1 и 2.2.
Рисунок
2.1 - Суточный график электрической нагрузки для потребителя №1 в относительных
единицах и МВт
Рисунок
2.2- Суточный график электрической нагрузки для потребителя №2 в относительных
единицах и МВт
Для каждой ступени графика нагрузки необходимо определить
Таблица 2.1
Данные для построения графика нагрузки для потребителя №1 в именованных
единицах
|
Часы
|
Р, %
|
Р, МВт
|
Q, MBАр
|
S, МВт
|
|
0-4
|
80
|
691
|
392
|
794
|
|
4-8
|
85
|
734
|
416
|
844
|
|
8-12
|
90
|
778
|
441
|
894
|
|
12-16
|
75
|
648
|
367
|
745
|
|
16-20
|
100
|
864
|
490
|
993
|
|
20-24
|
90
|
778
|
441
|
894
|
Таблица 2.2
Данные для построения графика нагрузки для потребителя №2 в именованных
единицах
|
ЧасыР, %Р, МВтQ, MBАрS,
МВт
|
|
|
|
|
|
0-4
|
70
|
232
|
144
|
273
|
|
4-8
|
80
|
266
|
165
|
313
|
|
8-12
|
100
|
332
|
206
|
391
|
|
12-16
|
85
|
282
|
175
|
332
|
|
16-20
|
100
|
332
|
206
|
391
|
|
20-24
|
75
|
249
|
154
|
293
|
Одними
из важнейших характеристик графиков нагрузки являются максимальное и
минимальное значения параметра, представленного на нем. Но в расчетах более
удобно использовать информацию графиков нагрузки посредством применения
коэффициента понижения мощности нагрузки в минимальном режиме, равного
отношению минимальной мощности нагрузки к максимальной, найденным по графику.
Коэффициент понижения нагрузки потребителя в минимальном режиме
, о.е.,
, (2.8)
где
- значение мощности потребителей в режиме минимальных
нагрузок, МВт;
-
значение мощности потребителей в режиме максимальных нагрузок, МВт.
Для
потребителя №1:
о.е.
Для
потребителя №2:
о.е.
2.2 Выбор
единичной мощности генераторов
Единичная мощность самого крупного генератора
устанавливаемого на станции, из условия устойчивой работы, не должна превышать
резерва мощности системы, который находится в пределах от 6 до 12%. Резерв
мощности в энергосистеме, руководствуясь [4], принимается в размере 12% от
мощности энергосистемы, что составляет, МВт:
,(2.9)
Таким образом, для надежной и устойчивой работы энергосистемы единичная
мощность агрегатов не должна превышать 984 МВт. В соответствии с этим на
станции возможна установка турбоагрегатов единичная мощность которых равна 300
или 500 МВт. Число агрегатов рекомендуется принимать от 2 до 6. Необходимое
число генераторов, устанавливаемых на станции, определяется по выражению,
, (2.10)
Следовательно,
необходимую нагрузку можно обеспечить установкой три блока по 500 МВт или
установкой шести блоков по 300 МВт.
Установленная
мощность ГРЭС, МВт:
, (2.11)
,
В
варианте 3×500
МВт установленная мощность станции ниже
мощности нагрузки на на 241,7 МВт, эту мощность необходимо принимать из
системы, что экономически невыгодно. В случае установки 6×300МВт избыток будет равен 58,3 МВт. Окончательно
выбирается вариант 6×300
МВт установленная мощность
Нижнесалдинской ГРЭС составляет
МВт.
Уточненная
мощность собственных нужд электростанции, МВт:
2.3 Общий
баланс мощности Нижнесалдинской ГРЭС
Общий баланс мощности рассчитывается для определения
перетоков мощности между проектируемой станцией и энергосистемой в трех
режимах: максимальном, минимальном и аварийном.
Баланс мощности на станции в режиме максимальных
нагрузок, МВт:
, (2.9)
Баланс мощности на станции в режиме минимальных
нагрузок, МВт:
, (2.10)
Баланс
мощности на станции в аварийном режиме, при выходе из строя наиболее мощного
генератора в режиме максимальных нагрузок, при этом учитывается уменьшение
расхода на СН, МВт:
, (2.11)
МВт.
По
заданию Нижнесалдинская ГРЭС должна иметь 450 МВт резервной мощности это
условие соблюдается в нормальных режимах (режиме максимума и минимума
нагрузки). В режиме максимума нагрузок в систему выдаётся 460 МВт в режиме
минимума - 776 МВт, а в аварийном режиме заданный резерв мощности не
выдерживается, так как станция выдает 184 МВт.
Таблица 2.3
Параметры синхронного генератора ТГВ-300-2У3
|
Тип турбогенератора
|
ТГВ-300-2У3
|
|
1
|
2
|
|
Параметр
|
|
|
NНОМ,
об/мин
|
3000
|
|
Номинальная мощность, МВ∙А
|
353
|
|
Номинальная активная
мощность, МВт
|
300
|
|
Номинальное напряжение, кВ
|
20
|
|
Номинальный cos φ
|
0,85
|
|
Номинальный ток статора, А
|
10200
|
|
Число выводов
|
9
|
|
Система возбуждения
|
ТС
|
|
Возбудитель
|
СТВ-300
|
|
Номинальное напряжение
возбудителя, В
|
485/840
|
|
Номинальный ток
возбудителя, А
|
3200/6100
|
|
Охлаждение обмотки статора
|
НВ
|
|
Охлаждение стали статора
|
НВ
|
|
Охлаждение обмотки ротора
|
НВ
|
|
Хd //, о.е.
|
0,195
|
|
Та (3),
с.
|
0,54
|
2.5 Выбор
основного технологического оборудования
Выбор турбин производится по определенной ранее мощности генераторов, с
учетом того, что кроме электрической нагрузки проектируемая конденсационная
электростанция должна будет нести и незначительную тепловую нагрузку,
обусловленную отоплением и горячим водоснабжением поселка Нижняя Салда.
На современных паротурбинных ГРЭС применяют, как правило, однотипное
оборудование в виде моноблоков «котел-турбина-генератор» одинаковой единичной
мощности и на одинаковые параметры пара
Поскольку на ГРЭС приняты к установке энергоблоки номинальной
электрической мощностью 300 МВт, то по [4] применяются турбоагрегаты на
сверхкритические параметры свежего пара с однократным промежуточным перегревом
(23,5 МПа, 540/540оС) типа К-300-240, параметры которой приведены в
таблице 2.4.
Турбина изготовлена Харьковским турбинным заводом им. С.М. Кирова.
Количество котлов на ТЭС определяется сделанным ранее выбором паровых
турбин.
Таблица 2.4
Технические данные турбины К-300-240
|
Наименование параметра
|
Размерность
|
Величина
|
|
Номинальная электрическая
мощность
|
МВт
|
300
|
|
Максимальная электрическая
мощность
|
МВт
|
330
|
|
Частота вращения
|
1/с
|
50
|
|
Начальное давление
|
МПа
|
23,5
|
|
Давление промежуточного
перегрева
|
МПа
|
3,53
|
|
Конечное давление
|
кПа
|
3,43
|
|
Начальная температура
|
0С
|
560
|
|
Температура промежуточного
перегрева
|
0С
|
565
|
|
Число регенеративных
отборов
|
-
|
8
|
|
Температура питательной
воды
|
0С
|
265
|
|
Температура охлаждающей
воды
|
0С
|
12
|
|
Номинальный расход пара
турбиной
|
кг/с
|
258,3
|
|
Абсолютный КПД турбинной
установки
|
%
|
46,8
|
|
Расход охлаждающей воды
|
м3/ч
|
33500
|
|
Число цилиндров
|
-
|
3
|
|
Число ступеней
|
-
|
29
|
Для выбора типа котла, помимо его паропроизводительности и параметров
пара, надо учитывать род и марку сжигаемого топлива. Паропроизводительность
котла каждого блока определяется максимальной потребностью в паре блочной
турбины с учетом собственных нужд и с запасом до 3%. Необходимость запаса
обусловлена возможным в эксплуатации ухудшением вакуума, снижением параметров
пара, потерями пара на пути от котла к турбине. При сверхкритических параметрах
пара (давление выше 17 МПа) возможна установка только прямоточных котлов.[4]
С учетом выбранной турбины в соответствии с [4] на ГРЭС устанавливаются
котлы типа Пп-1000-25-545ГМ. Параметры котла приведены в таблице 2.5.
Таблица 2.5
Параметры котла типа Пп-1000-25-545ГМ
|
Наименование параметра
|
Обозначение
|
Размерность
|
Величина
|
|
Паропроизводительность
|
G0
|
т/ч
|
1000
|
|
Давление пара
|
P0
|
МПа
|
25,5
|
|
Температура перегретого
пара
|
t0
|
оС
|
545
|
|
Температура первичного пара
|
t0
|
оС
|
545
|
|
Температура вторичного пара
|
t0
|
оС
|
545
|
|
Температура питательной
воды
|
tПВ
|
оC
|
267
|
|
Основной вид топлива
|
-
|
-
|
газ
|
|
КПД
|
h
|
%
|
93,82
|
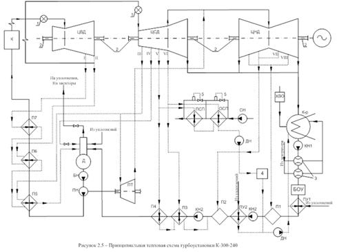
2.6 Выбор
принципиальной тепловой схемы
Принципиальная тепловая схема (ПТС) ТЭС определяет основное содержание
технологического процесса преобразования тепловой энергии на электростанции.
Она включает в себя основное и вспомогательное теплоэнергетическое
оборудование, которое осуществляет этот процесс, и трубопроводы, связывающие
элементы этого оборудования.
В дипломном проекте используется типовая тепловая схема энергоблока 300
МВт, которая приводится на рисунке 2.5.
Энергоблок 300 МВт состоит из прямоточного котла Пп-1000-25-545ГМ
паропроизводительностью 1000 т/ч, предназначенного для работы на газе, и
одновальной конденсационной турбоустановки К-300-240 сверхкритических
параметров пара с одноступенчатым промежуточным перегревом пара.
Турбина имеет три цилиндра. Свежий пар с параметрами 23,5 МПа, 5600С
через группу стопорных и регулирующих клапанов поступает в ЦВД, после чего
направляется в промежуточный перегреватель парового котла при давлении 3,53 МПа
и температуре 5650С. После промежуточного перегрева пар подводится
через стопорные и регулирующие клапаны в ЦСД.
Турбина имеет восемь регенеративных отборов пара: два - из ЦВД, четыре -
из ЦСД и два - из ЦНД. Конденсат турбины подогревается в охладителях уплотнений
и в четырех подогревателях (ПНД1 и ПНД2 - смешивающего типа, ПНД3 и ПНД4 -
поверхностного типа). После деаэратора питательная вода бустерным и питательным
насосом прокачивается через три подогревателя высокого давления (ПВД5, ПВД6,
ПВД7). Все ПВД имеют встроенные пароохладители и охладители дренажа греющего
пара.
Дренажи ПВД каскадно сливаются в деаэратор, а дренажи ПНД3 и ПНД4 -
смеситель после ПНД3.Дренажи охладителей уплотнений и ПНД1 поступают в
конденсатор турбины. Дренаж ПНД 2, а также ОСП и ПСП сливаются в смеситель
после ПНД 2. Данные о системе регенеративного подогрева представлены в таблице
2.6.
Обозначения к рисунку 2.5:
ЦВД, ЦСД, ЦНД - цилиндры высокого, среднего и низкого давления; К -
паровой котел; К-р - конденсатор; КН1 - конденсатный насос 1-го подъёма; КН2 -
конденсатные насосы 2-го подъёма; БН - бустерный насос; ПН - питательный насос;
СН - сетевой насос; Д - деаэратор; ПТ - приводная турбина питательного насоса;
ПУ1,2 - подогреватели использующие пар уплотнений; П1,2 - ПНД смешивающего
типа; П3,4 - ПНД поверхностного типа; П5,6,7 - ПВД; ПСП - пиковый сетевой
подогреватель; ОСП - основной сетевой подогреватель; ХВО - химводоочистка; БОУ
- блочная обессоливающая установка; 1- блок регулирующих и стопорных клапанов;
2 - уплотнения вала турбины; 3 - эжекторная группа (основной эжектор и эжектор
уплотнений); 4 - расширитель дренажей сетевых подогревателей; 5 - регулятор
температуры
Таблица 2.6
Параметры пара в камерах нерегулируемых отборов на номинальном режиме
|
Номер отбора
|
Подогреватель
|
Давление, МПа
|
Температура, 0С
|
Количество отбираемого
пара, кг/с
|
|
I
|
ПВД7
|
6,12
|
375
|
15,97
|
|
II
|
ПВД6
|
3,92
|
315
|
23,5
|
|
III
|
ПВД5
|
1,559
|
450
|
7,16
|
|
Турбопривод
|
1,559
|
450
|
24,72
|
|
IV
|
Деаэратор
|
1,039
|
395
|
5,0
|
|
V
|
ПНД4
|
0,505
|
300
|
9,72
|
|
VI
|
ПНД3
|
0,235
|
240
|
8,33
|
|
VII
|
ПНД2
|
0,087
|
140
|
8,77
|
|
VIII
|
ПНД1
|
0,017
|
56
|
6,3
|
В схеме применён турбопривод питательного насоса с питанием приводной
турбины с противодавлением из отбора №3 основной турбины. Отработавший пар
поступает в ПНД3. Пускорезервный насос половинной производительности имеет
электропривод.
Теплофикационная установка имеет в своём составе основной и пиковый
подогреватели сетевой воды. Основной подогреватель находится в работе
круглогодично (из-за наличия горячего водоснабжения). Греющей средой основного
подогревателя является пар из отбора №6 турбины. Пиковый подогреватель
включается в работу только при низких температурах наружного воздуха и
обогревается паром из отбора №5 турбины. Конденсат греющего пара из основного
подогревателя сливается в пиковый подогреватель, откуда дренаж поступает в
смеситель после ПНД2.
Перекачка рабочего тела от конденсатора в паропроизводящую установку
(котёл) осуществляется конденсатными, питательными, а также дренажными
насосами.
Добавочная вода после глубокого химического обессоливания поступает в
конденсатор турбины. Для химической очистки воды используется блочная
обессоливающая установка.
2.7 Расчет
годового отпуска теплоты и выработки электроэнергии ГРЭС
Для расчёта годового отпуска теплоты предварительно строятся графики
температур прямой и обратной сетевой воды, отопительной нагрузки и график
продолжительности тепловой нагрузки.
Для построения этих графиков в соответствии с заданием и [7] принимается:
-
отопительная нагрузка
МВт;
расчётная
температура наружного воздуха при включении отопления
°С;
излом
графика температуры сетевой воды
°С;
температура
прямой сетевой воды
0С;
температура
обратной сетевой воды
0С;
доля
горячего водоснабжения
;
минимальная
температура обратной сетевой воды
0С;
расчётная
температура в отапливаемом помещении
0С;
расчетная
минимальная температура наружного воздуха
оС;
продолжительность
отопительного периода - 251 сутки.
Таблица 2.7
Число часов в отопительном периоде со среднесуточной температурой
наружного воздуха равной и ниже данной
|
Температура наружного
воздуха, °С
|
-40
|
-35
|
-30
|
-25
|
-20
|
-15
|
-10
|
-5
|
0
|
8
|
|
n, ч
|
1
|
10
|
48
|
150
|
380
|
820
|
1580
|
2670
|
4300
|
6024
|
Расход
сетевой воды
, кг/c, при максимальной тепловой нагрузке
, (2.12)
где
кДж/(кг·К) - средняя изобарная удельная теплоёмкость
воды;
кг/c.
Расход
сетевой воды
, кг/c, при максимальной тепловой нагрузке каждого
энергоблока
, (2.13)
где
количество энергоблоков;
кг/c.
Расход
теплоты на горячее водоснабжение
, МВт,
,(2.14)
МВт.
Производная
от тепловой нагрузки
, МВт/К, по уменьшению температуры наружного воздуха
, (2.15)
МВт/К.
Тепловая
нагрузка при включении отопления
, МВт,
,(2.16)
МВт.
Тепловая
нагрузка
, МВт,в изломе графика температур сетевой воды
,(2.17)
МВт.
Минимальная
температура прямой сетевой воды
, °С,
, (2.18)
°С.
Расход
сетевой воды при включенном отоплении
, кг/с,
, (2.19)
кг/с.
Расход
сетевой воды при минимальной тепловой нагрузке
, кг/с,
, (2.20)
кг/с.
Тепловая
нагрузка, при которой включается пиковый сетевой подогреватель, определяется
максимальной температурой прямой сетевой воды, до которой её сможет нагреть
основной подогреватель (τ11), то
есть давлением насыщения в ОСП.
Давление
в 6 отборе в расчётном режиме принимается
, МПа,
, (2.21)
где
МПа - номинальное значение давления в 6-м отборе;
МПа.
Температура
дренажа ОСП в соответствии с [8]
,°С,
,(2.22)
°С.
Температура
сетевой воды на выходе из ОСП
, °С,
,(2.23)
°С.
Аналогично
определяется температура сетевой воды на выходе из пикового сетевого
подогревателя.
Давление
в 5 отборе в расчётном режиме принимается
, МПа,
МПа,
°С,
°С.
Таким
образом, основной сетевой подогреватель может нагреть сетевую воду до
температуры 126,8°С, дальнейший нагрев воды будет производиться пиковым
сетевым подогревателем.
Графики
зависимости температуры прямой и обратной сетевой воды от температуры наружного
воздуха и расхода сетевой воды от температуры наружного воздуха представлены на
рисунках 2.6 и 2.7 соответственно.
Рисунок
2.6 - График зависимости температуры прямой и обратной сетевой воды от
температуры наружного воздуха
Рисунок
2.7 - График зависимости расхода сетевой воды от температуры наружного воздуха
Температура
наружного воздуха, при которой происходит включение ПСП, составляет согласно
рисунку 2.6:
°С.
Тепловая
нагрузка при включении ПСП
, МВт,
,(2.24)
МВт.
Теплота,
отдаваемая основным сетевым подогревателем при максимальной нагрузке
, МВт,
,(2.25)
МВт.
Теплота,
отдаваемая пиковым сетевым подогревателем при максимальной нагрузке
, МВт,
,(2.26)
МВт.
На
рисунке 2.8 представлен график отопительной тепловой нагрузки.
Рисунок
2.8 - График отопительной тепловой нагрузки
Для
расчета годового отпуска тепловой энергии используются климатические данные.
Таблица 2.8
Годовой отпуск теплоты теплофикационной установкой энергоблока
|
<-40
|
-35
|
-30
|
-25
|
-20
|
-15
|
-10
|
-5
|
0
|
8
|
год
|
|
,ч°С
|
1
|
10
|
48
|
150
|
380
|
820
|
1580
|
2670
|
4300
|
6024
|
8670
|
|
°С
|
-
|
-
|
-32
|
-28
|
-23
|
-18
|
-13
|
-7,5
|
-2,5
|
4
|
>+8
|
|
, ч
|
-
|
-
|
48
|
102
|
230
|
440
|
760
|
1090
|
1630
|
1724
|
2736
|
|
,МВт
|
-
|
-
|
130
|
121
|
110
|
100
|
90
|
79,7
|
69,4
|
56,1
|
27,3
|
|
-
|
-
|
91,6
|
100
|
109
|
100
|
90
|
79,7
|
69,4
|
56,1
|
27,3
|
|
М
|
-
|
38,4
|
20,8
|
1,18
|
0
|
0
|
0
|
0
|
0
|
0
|
График продолжительности тепловой нагрузки, построенный в соответствии с
таблицей 2.8, представлен на рисунке 2.9.
Рисунок
2.9 - График продолжительности тепловой нагрузки
Далее
по графику определяется отпуск турбоустановкой тепловой энергии за год
, МВт·ч,
,(2.27)
48∙170+102∙150+230∙130+440∙121+760∙100+1090∙95+
+1630∙75+1724∙40=471360
МВчт=1696896 ГДж
Среднегодовая
тепловая нагрузка ОСП
,кВт,
, (2.28)
где
- время простоя блока в ремонте, ч;
- число
блоков;
кВт.
Среднегодовой
отбор пара на ОСП
, кг/с,
, (2.29)
где
кДж/кг - энтальпия греющего пара шестого отбора, по
[8];
кДж/кг -
энтальпия дренажа ОСП, по [8];
кг/с.
Среднегодовая
тепловая нагрузка ПСП
, кВт,
, (2.30)
кВт.
Среднегодовой
отбор пара на ПСП
, кг/с,
,(2.31)
где
кДж/кг - энтальпия греющего пара пятого отбора, по
[8];
кДж/кг -
энтальпия дренажа ОСП, по [8];
кг/с.
Недовыработка
электроэнергии в среднегодовом режиме
, кВт,
,(2.32)
где
о.е. - произведение механического КПД и КПД
генератора, принимается согласно [7];
кДж/кг -
энтальпия в конденсаторе турбины;
кВт.
Мощность
, кВт, которую имела бы турбина без тепловой нагрузки
,(2.33)
где
- номинальная мощность, кВт;
кВт.
Среднегодовая
электрическая мощность
, кВт,
,(2.34)
кВт.
Годовая
выработка электроэнергии
, кВт·ч,
, (2.35)
кВт·ч.
Расход
теплоты на турбоустановку
, кВт,
,(2.36)
где
- расход пара в голову турбины
, т/ч,
, (2.37)
т/ч,
где
- расход пара через тракт промперегрева, т/ч,
, (2.38)
где
,
-
количество отбираемого пара из первого и второго отборов соответственно, т/ч,
по [3]
т/ч,
т/ч,
т/ч,
где
- энтальпия пара на входе в турбину, кДж/кг, для
параметров свежего пара
МПа и
0С принимается по [8]
кДж/кг;
кДж/кг -
энтальпия питательной воды на входе в котёл;
-
энтальпия пара после промперегрева, кДж/кг, для параметров пара
МПа и
0С принимается по [8]
кДж/кг;
кДж/кг -
энтальпия пара после ЦВД;
кВт.
Отпуск
теплоты на отопление и горячее водоснабжение
, кВт,
,(2.39)
кВт.
Расход
теплоты на выработку электроэнергии
, кВт,
,(2.40)
кВт.
Удельный
расход теплоты на выработку электроэнергии
, о.е.,
, (2.41)
где
МВт - номинальная мощность турбопривода;
о.е.
Абсолютный
электрический КПД турбоустановки
, о.е.,
, (2.42)
Расход
теплоты парогенератором
, кВт,
, (2.43)
где
- КПД транспорта теплоты, о.е., принимается согласно
[6],
кВт.
Расход
теплоты на энергоблок
, кВт,
, (2.44)
где
- КПД парогенератора, о.е., принимается согласно
таблице 2.5;
кВт.
КПД
энергоблока по выработке электроэнергии
,(2.45)
.
КПД
энергоблока по отпуску тепла
,(2.46)
где
- КПД турбоустановки по отпуску теплоты, о.е.,
принимается согласно [7],
Удельный
расход топлива ТЭС по производству электроэнергии
,
кг.у.т./(кВт·ч),
, (2.47)
кг.у.т./(кВт·ч).
Удельный
расход топлива ТЭС по отпуску теплоты
,
кг.у.т./ГДж,
, (2.48)
кг.у.т./ГДж.
3.
Электротехническая часть
3.1 Выбор
оптимального варианта схемы электрических соединений
Варианты структурной схемы
По заданию потребители проктируемой КЭС питаются на напряжении 110 и 220
кВ, связь с системой осуществляется по линиям 500 кВ.
Так как потребители питаются на двух классах напряжений применение двух
РУ одного напряжения не возможно. Отказаться от установки автотрансформаторов
связи нельзя из-за недостатка информации о конфигурации сети. Автотрансформатор
устанавливается для обеспечения надежности питания потребителей.
Структурная схема электрической части электростанции определяет
распределение генераторов между РУ разных напряжений для покрытия нагрузок
потребителей. Согласно НТП каждый генератор мощностью 200 МВт и выше
присоединяется к РУ через отдельные трансформаторы и выключатели на стороне
повышенного напряжения.
Связь между РУ осуществляется автотрансформаторами связи. По НТП
автотрансформаторы связи должны иметь систему регулирования напряжения под
нагрузкой на одном из напряжений (ВН или СН).
Основная цель составления вариантов структурных схем - обеспечить минимум
перетока между распределительными устройствами, что определит мощность
устанавливаемого оборудования и потери.
Нагрузка на генераторном напряжении отсутствует, станция строится по
блочному принципу.
Первоочередная задача состоит в обеспечении электроэнергией потребителей,
подключенных к РУ, не связанному с системой.
Оптимальное количество блоков генератор-трансформатор, которые необходимо
подключить к шинам РУ, не связанного с энергосистемой, для обеспечения
минимального перетока мощности через автотрансформаторы связи, определяется по
формуле, шт,
,(3.1)
где:
максимальная расчётная мощность потребителей,
присоединённых к РУ 110 или 220 кВ;
единичная
мощность генератора.
;
Таким
образом, к шинам РУ 220 кВ можно подключить три или четыре блока, а к РУ 110 кВ
- один или два. Исходя из этого, а также из того, что генератор можно
подключить к обмотке НН автотрансформатора связи, возможны несколько вариантов
схем построения электрической части электростанции.
Выбор силовых трансформаторов и автотрансформаторов
Трансформаторы на электростанции принимаются трёхфазными. В случае
невозможности поставки заводами трехфазных трансформаторов необходимой мощности
или при наличии трансформаторных ограничений допускается применение группы из
двух трёхфазных трансформаторов или группы из однофазных трансформаторов.
Выбор трансформаторов включает в себя определение числа, типа и
номинальной мощности трансформаторов для всех трех вариантов схем.
Задача состоит в выборе блочных трансформаторов и автотрансформаторов
связи, таким образом, чтобы перетоки мощности через автотрансформаторы в
нормальном режиме были минимальны.
Рисунок
3.1 - Варианты главной электрической схемы
Для правильного выбора трансформаторов связи необходимо определить
перетоки мощности между РУ разного напряжения в максимальном, минимальном и
аварийном режиме отключение одного генератора. Для этого составляются балансы
мощности для каждого варианта. При выборе автотрансформаторов необходимо учесть
возможность их допустимой перегрузки в аварийном режиме, в любом другом режиме
их перегрузка недопустима.
Результаты балансов мощности приведены в таблицах 3.2, 3.3, 3.4 в виде: P + jQ(S).
Выбор блочных трансформаторов
При блочной схеме трансформатор должен обеспечить выдачу мощности
генератора в сеть повышенного напряжения за вычетом мощности собственных нужд
блока.
Мощность блочных трансформаторов определяется по мощности генераторов по
формуле, МВА,
Условие выбора блочного трасформатора, МВА:
,(3.2)
Мощность
С.Н., МВА:
(3.3)
Тогда:
МВА.
Результаты
выбора приведены в таблице 3.1.
Таблица 3.1
Выбор блочных трансформаторов
|
Тип
|
Sном,
МВ·А
|
Напряжение обмотки, кВ
|
Потери, кВт
|
UК, %
|
Цена тыс. руб
|
|
|
ВН
|
СН
|
НН
|
РХ
|
РК
|
ВН-СН
|
ВН-НН
|
СН-НН
|
|
|
|
|
|
|
|
ВН-СН
|
ВН-НН
|
СН-НН
|
|
|
|
|
|
ТДЦ-400000/110
|
400
|
121
|
-
|
15,75
|
200
|
-
|
640
|
-
|
-
|
10,5
|
-
|
255
|
|
ТДЦ-400000/220
|
400
|
242
|
-
|
15,75
|
207
|
-
|
600
|
-
|
-
|
11
|
-
|
284
|
|
ТДЦ-400000/500
|
400
|
525
|
|
15,75
|
315
|
|
790
|
|
|
13
|
|
|
Выбор автотрансформаторов связи
Мощность автотрансформаторов связи определяется по максимальному перетоку
между РУ ВН и РУ СН в любом из трех режимов: максимальном, минимальном и
аварийном, для чего составляются балансы мощности в комплексном виде.
Расчет полных мощностей нагрузок и перетоков
Полная мощность, МВА,
(3.4)
.(3.5)
Полная
мощность потребителя на 220 кВ, МВА,
МВАр,
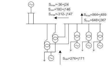
Рисунок 3.2 - Перетоки мощности для варианта 1
Таблица 3.2
Результаты расчета перетоков мощности для варианта 1
|
Режим максимальных нагрузок
|
|
Потребность, МВА
|
Покрытие,
МВА
|
|
РУ 110 кВ
|
|
Потребитель: 332 + j206
|
Генератор G1: 300 + j186
|
|
Собственные нужды: 24 + j15
|
|
|
Итого: 356 + j221
|
Итого: 300 + j186
|
|
Дефицит: 56 + j35
|
|
РУ 220 кВ
|
|
Потребитель: 864 + j489
|
Генератор G4: 300 + j186
|
|
Собственные нужды: 3х(24 +
j15) = 72 + j45
|
Генератор G5: 300 + j186
|
|
Генератор G6: 300 + j186
|
|
Итого: 936 + j534
|
Итого: 900 + j558
|
|
Дефицит: 36 -
j24
|
|
РУ 500 кВ
|
|
Собственные нужды: 2х(24 +
j15) = 48 + j30
|
Генератор G2: 300 + j186
|
|
Переток на РУ 110 кВ: 56 +
j35
|
Генератор G3: 300 + j186
|
|
Переток на РУ 220 кВ: 36 -
j24
|
|
|
Итого: 140
+ j41
|
Итого: 600 + j372
|
|
Избыток на станции (переток
в систему): 460 + j331
|
|
Режим минимальных нагрузок
|
|
РУ 110 кВ
|
|
Потребность, МВА
|
Покрытие,
МВА
|
|
Потребитель: 232 + j144
|
Генератор G1: 300 + j186
|
|
Собственные нужды: 24 + j15
|
|
|
Итого: 256
+ j159
|
Итого: 300 + j186
|
|
Избыток: 44 + j27
|
|
РУ 220 кВ
|
|
Потребитель: 648 + j367
|
Генератор G4: 300 + j186
|
|
Собственные нужды: 3х(24 +
j15) = 72 + j45
|
Генератор G5: 300 + j186
|
|
Генератор G6: 300 + j186
|
|
Итого: 720 + j412
|
Итого: 900 + j558
|
|
Избыток: 180 + j146
|
|
РУ 500 кВ
|
|
Собственные нужды: 2х(24 +
j15) = 48 + j30
|
Генератор G2: 300 + j186
|
|
Генератор G3: 300 + j186
|
|
Переток от РУ 110 кВ: 44 +
j27
|
|
Переток от РУ 220 кВ: 180 +
j146
|
|
Итого: 48 + j30
|
Итого: 824 + j545
|
|
Избыток на станции (переток
в систему): 776 + j515
|
|
Послеаварийные режимы
|
|
Потребность, МВА
|
Покрытие,
МВА
|
|
РУ 110 кВ (отключение
генератора G1)
|
|
Потребитель: 332 + j206
|
|
|
Итого: 332 + j206
|
Итого: 0
|
|
Дефицит: 332 + j206
|
|
РУ 220 кВ (отключение
генератора G4)
|
|
Потребитель: 864 + j489
|
Генератор G5:
300 + j186
|
|
Собственные нужды: 2х(24 +
j15) = 48 + j30
|
Генератор G6:
300 + j186
|
|
Итого: 912
+ j519
|
Итого: 600 + j372
|
|
Дефицит: 312 + j147
|
Расчетную мощность автотрансформаторов связи, включенных между РУ разных
напряжений, определяют на основе анализа перетоков мощности между этими РУ в
аварийных режимах: выход из строя автотрансформатора связи или отключение
генератора присоединенного к РУ, не связанному с энергосистемой. Так как РУ 220
кВ и 110 кВ не связаны между собой, рассмотрено два аварийных режима:
отключение генератора G1 и G4.
Автотрансформатор выбирается по величине максимального перетока в
аварийных режимах работы.
Для схемы 1 для автотрансформаторов 500/110 кВ максимальный переток
мощности в максимальном режиме: 66 МВА. Тогда мощность автотрансформатора
связи:
, (3.6)
где:
- величина максимального перетока мощности через
автотрансформатор, МВ·А;
-
коэффициент допустимой аварийной перегрузки трансформаторов,
- количество
трансформаторов,
МВА.
При
отключении генератора G1:
, (3.7)
АТС
выбирается по послеаварийному режиму: АТДЦТН - 250000/500/110
Аналогично
выбирается автотрансформатор связи 500/220 кВ.
В
режиме минимальных нагрузок:
МВА
В
послеаварийном режиме (отключение G4):
МВА
Автотрансформатор
500/220 также выбирается по послеаварийному режиму:
АТДЦН-500000/500/220
Во втором варианте переток между РУ 500 и 110 кВ такой же как и в первом
варианте, поэтому не рассчитывается. Расчет перетоков между РУ 500 и 220 кВ
ведется с учетом подключения к обмоткам НН автотрансформаторов генератора G3.
Рисунок 3.3 - Перетоки мощности для варианта 2
Таблица 3.3
Результаты расчета перетоков мощности для варианта 2
|
Режим максимальных нагрузок
|
|
Потребность, МВА
|
Покрытие,
МВА
|
|
РУ 220 кВ
|
|
Потребитель: 864 + j489
|
Генератор G4: 300 + j186
|
|
Собственные нужды: 3х(24 +
j15) = 72 + j45
|
Генератор G5: 300 + j186
|
|
Генератор G6: 300 + j186
|
|
Итого: 936 + j534
|
Итого: 900 + j558
|
|
Дефицит: 36 -
j24
|
|
Обмотка ВН АТ 500/220 кВ
|
|
Переток на РУ 220 кВ: 36 -
j24
|
Генератор G3: 300 + j186
|
|
Собственные нужды: 24 + j15
|
|
|
Обмотка НН АТ 500/220 кВ
|
|
Генератор G4: 300 + j186
|
Собственные нужды: 24 + j15
|
|
Загрузка обмотки: 276 +
j171
|
|
Режим минимальных нагрузок
|
|
РУ 220 кВ
|
|
Потребитель: 648 + j367
|
Генератор G4: 300 + j186
|
|
Собственные нужды: 3х(24 +
j15) = 72 + j45
|
Генератор G5: 300 + j186
|
|
Генератор G6: 300 + j186
|
|
Итого: 720 + j412
|
Итого: 900 + j558
|
|
Избыток: 180 + j146
|
|
Обмотка ВН АТ 500/220 кВ
|
|
Собственные нужды: 24 + j15
|
Генератор G3: 300 + j186
|
|
Переток от РУ 220 кВ: 180 +
j146
|
|
Обмотка НН АТ 500/220 кВ
|
|
Генератор G4: 300 + j186
|
Генератор G4: 300 + j186
|
|
Загрузка обмотки: 276 +
j171
|
|
Переток на РУ 500 кВ: 456 +
j515
|
|
Послеаварийный режим
(отключение генератора G4)
|
|
РУ 220 кВ
|
|
Потребитель: 864 + j489
|
Генератор G5: 300 + j186
|
|
Собственные нужды: 2х(24 +
j15) = 48 + j30
|
Генератор G6: 300 + j186
|
|
Итого: 912 + j519
|
Итого: 600 + j372
|
|
Дефицит: 312 + j147
|
|
Обмотка ВН АТ 500/220 кВ
|
|
Собственные нужды: 24 + j15
|
Генератор G3: 300 + j186
|
|
Переток на РУ 220 кВ: 312 +
j147
|
|
|
Переток от РУ 500 кВ: 36 -
j24
|
|
Обмотка НН АТ 500/220 кВ
|
|
Генератор G4: 300 + j186
|
Генератор G4: 300 + j186
|
|
Загрузка обмотки: 276 +
j171
|
|
|
|
В варианте 2 автотрансформаторы 500/220 кВ работают в блоке с генератором
G3.
Такой режим работы называется комбинированным. В этом режиме ни одна из
обмоток не должна быть загружена больше чем на типовую мощность. Также, в любом
режиме обмотка низшего напряжения не должна загружаться больше чем на типовую
мощность.
В режиме максимума нагрузок мощность направлена НН→СН и НН→ВН,
автотрансформаторы работают в трансформаторном режиме.
Условие выбора: обмотка НН не должна быть загружена более чем на типовую
мощность, МВА:
.(3.8)
где:
- коэффициент выгодности:
,
-
номинальная мощность трансформатора.
Кроме
того, считается, что автотрансформаторы при подключенном к обмоткам НН
генератора всегда работают параллельно.
К
обмотке НН подключен генератор G4, следовательно мощность обмотки НН должна
быть не менее:
Тогда:
По
загрузке обмотки НН выбирается автотрансформаторная группа
хАОДЦТН-167000/500/220
В
режиме минимальных нагрузок следует проверить загрузку последовательной
обмотки:
;
МВА;
;
МВА.
В
послеаварийном режиме необходима проверка общей обмотки:
;
МВА;
;
МВА.
Таким
образом, ни одна обмотка автотрансформатора мощностью 501 МВА не нагружается
более чем на типовую мощность во всех режимах работы ГРЭС.
Рисунок
3.4 - Переток мощности для варианта 3
В третьем варианте автотрансфоматоры связи блочные, т.е. к обмоткам НН
АТС подключен генератор G2.
Рассмотрим работу трансформаторов:
В режиме максимума нагрузок мощность направлена НН→СН и НН→ВН,
АТС работают в трансформаторном режиме.
Условие выбора: обмотка НН не должна быть загружена более чем на типовую
мощность, МВА:
.(3.9)
где:
- коэффициент выгодности:
,
-
номинальная мощность трансформатора.
Таблица 3.4
Результаты расчета перетоков мощности для третьего варианта
|
Режим максимальных нагрузок
|
|
Потребность, МВА
|
Покрытие,
МВА
|
|
РУ 110 кВ
|
|
Потребитель: 332 + j206
|
Генератор G1: 300 + j186
|
|
Собственные нужды: 24 + j15
|
|
Итого: 356 + j221
|
Итого: 300 + j186
|
|
Дефицит: 56 + j35
|
|
Обмотка ВН АТ 500/110 кВ
|
|
Переток на РУ 220 кВ: 56 +
j35
|
Генератор G2: 300 + j186
|
|
Собственные нужды: 24 + j15
|
|
|
Переток на РУ 500 кВ: 220 +
j136
|
|
Обмотка НН АТ 500/220 кВ
|
|
Генератор G4: 300 + j186
|
Генератор G4: 300 + j186
|
|
Загрузка обмотки: 276 +
j171
|
|
Режим минимальных нагрузок
|
|
РУ 110 кВ
|
|
Потребитель: 232 + j144
|
Генератор G4: 300 + j186
|
|
Собственные нужды: 24 + j15
|
|
|
Итого: 256 + j159
|
Итого: 300 + j186
|
|
Избыток: 44 + j27
|
|
Обмотка ВН АТ 500/220 кВ
|
|
Собственные нужды: 24 + j15
|
Генератор G2: 300 + j186
|
|
Переток от РУ 110 кВ: 44 +
j27
|
|
Переток на РУ 500 кВ: 232 +
j174
|
|
Послеаварийный режим
(отключение генератора G1)
|
|
РУ 110 кВ
|
|
Потребитель: 332 + j206
|
|
|
Итого: 332 + j206
|
Итого: 0
|
|
Дефицит: 332 + j206
|
|
Обмотка ВН АТ 500/220 кВ
|
|
Собственные нужды: 24 + j15
|
Генератор G3: 300 + j186
|
|
Переток на РУ 110 кВ: 332 +
j206
|
|
|
Переток от РУ 500 кВ: 56 +
j35
|
|
|
|
Тогда:
По
загрузке обмотки НН выбирается автотрансформатор АОДЦТН-250000/500/110
В
режиме минимальных нагрузок следует проверить загрузку последовательной
обмотки:
;
МВА;
;
МВА.
В
послеаварийном режиме необходима проверка общей обмотки:
;
МВА;
;
МВА
Типовая
мощность автотрансформатора 500/110 кВ:
Ни
в одном из режимов обмотки автотрансформатора не перегружаются.
Паспортные
данные выбранных трансформаторов и автотрансформаторов представлены в таблице
3.5.
Таблица 3.5
Параметры трансформаторов и автотрансформаторов
|
Тип
|
Sном,
МВ·А
|
Напряжение обмотки, кВ
|
Потери, кВт
|
UК, %
|
Цена, тыс. руб.
|
|
|
ВН
|
СН
|
НН
|
РХ
|
ВН-СН
|
ВН-НН
|
СН-НН
|
|
|
|
|
|
|
|
ВН-СН
|
ВН-НН
|
СН-НН
|
|
|
|
|
|
ТДЦ-400000/110
|
400
|
121
|
-
|
15,75
|
320
|
-
|
900
|
-
|
-
|
10,5
|
-
|
255
|
|
ТДЦ-400000/220
|
400
|
242
|
-
|
15,75
|
315
|
-
|
850
|
-
|
-
|
11
|
-
|
284
|
|
ТДЦ-400000/500
|
400
|
525
|
|
15,75
|
315
|
|
790
|
|
|
13
|
|
|
|
В-1 В-2 В-3
|
АТДЦТН-250000/500/110
|
250
|
500
|
121
|
15,75
|
200
|
690
|
223
|
179
|
13
|
33
|
18,5
|
195
|
|
В-1 В-3
|
АТДЦН-500000/500/220
|
500
|
500
|
230
|
-
|
220
|
1050
|
-
|
-
|
12
|
-
|
-
|
324
|
|
В-2
|
3хАОДЦТН-167000/500/220
|
167
|
500/√3
|
230/√3
|
15,75
|
90
|
315
|
100
|
80
|
11
|
35
|
21,5
|
|
Технико-экономическое сравнение вариантов структурных схем станции
Технико-экономическое сравнение вариантов схемы необходимо для выбора
оптимального варианта структурной схемы станции с учетом не только технических
особенностей каждого из них, но и некоторых экономических (стоимостных)
характеристик.
Для экономической оценки сравниваемых вариантов использовся критерий
минимума дисконтированных издержек, тыс. руб.
,(3.10)
где:
- капиталовложения на сооружение установки, тыс.
руб.;
- ущерб
от недоотпуска электроэнергии потребителям, тыс. руб./год;
-
издержки на обслуживание и ремонт, тыс. руб./год;
-
стоимость потерь электроэнергии, тыс. руб./год;
-
расчетный период, равный 22 годам;
-
коэффициент дисконтирования, равный 0,15. [4]
При
выполнении расчётов допускаются следующие упрощения:
инвестиции
осуществляются единовременно в течение одного года до момента начала
строительства объекта;
использование
при расчётах капиталовложений укрупнённых показателей стоимости с учетом
индекса роста цен К=180;
привязка
всех расчётов к одному моменту времени;
так
как сравниваются равноценные по надежности схемы, ущерб от недоотпуска
электроэнергии не учитывается.
Расчёт
капиталовложений сведён в таблицу 4.6.
Таблица 3.6
Капитальные затраты
|
Оборудование
|
Стоимость оборудования,
тыс. руб.
|
Вариант 1
|
Вариант 2
|
Вариант 3
|
|
|
Кол-во
|
Стоим., тыс. руб.
|
Кол-во
|
Стоим., тыс. руб.
|
Кол-во
|
Стоим., тыс. руб.
|
|
ТДЦ-400 000/110
|
373
|
1
|
373
|
1
|
373
|
1
|
373
|
|
ТДЦ-400 000/220
|
365
|
3
|
1095
|
3
|
1095
|
3
|
1095
|
|
ТДЦ-400 000/500
|
418
|
2
|
836
|
1
|
418
|
1
|
418
|
|
АТДЦТН-250000/500/110
|
375,5
|
2
|
751
|
2
|
751
|
2
|
1126,5
|
|
АТДЦН-500000/500/220
|
418
|
2
|
836
|
-
|
-
|
2
|
836
|
|
3хАОДЦТН-167000/500/220
|
618
|
-
|
|
2
|
1236
|
-
|
|
|
Ячейка ОРУ 220 кВ
|
82,4
|
5
|
412
|
5
|
412
|
5
|
412
|
|
Ячейка ОРУ 110 кВ
|
64,1
|
3
|
192,3
|
3
|
192,3
|
4
|
256,4
|
|
Ячейка ОРУ 500 кВ
|
110
|
2
|
220
|
1
|
110
|
2
|
220
|
|
Итого
|
|
|
4715,3
|
|
4587,3
|
|
4736,9
|
|
С учётом индекса роста цен,
К=180
|
|
|
848754
|
|
825714
|
|
832842
|
Издержки на обслуживание и ремонт, тыс. руб.,
, (3.11)
где:
- норматив отчислений на обслуживание и ремонт, для
силового оборудования напряжением 110 кВ равен 5,9%, для оборудования 220 кВ и
выше - 4,9%, а для оборудования до 20 кВ - 6,9%. [4]
Для первого варианта издержки равны:
;
для
второго варианта:
;
для
третьего варианта:
Определение
потерь энергии в трансформаторах для первого варианты схемы Потери энергии в
схемах ГРЭС определяются в трансформаторах и автотрансформаторах для
нормального режима работы ГРЭС. Метод вычисления потерь зависит от способа
задания нагрузок. Если нагрузка графиками нагрузки, то потери определяются
методом времени наибольших потерь образом:
Потери в блочном трансформаторе, кВт·ч,
,(3.12)
где:
- потери холостого хода трансформатора, кВт;
- потери
короткого замыкания в трансформаторе, кВт;
- время
нахождения трансформатора в ремонте, ч;
-
номинальная мощность трансформатора, кВ·А;
-
максимальный переток мощности через трансформатор, кВ·А;
- время
наибольших потерь, ч.
Для
определения времени максимальных потерь
обмоток
АТС необходимо знать время использования время использования максимальной
мощности
.
Время
использования максимальной мощности обмоток, ч:
Для
расчета
строится график перетока мощности через
соответствующую обмотку АТС.
Рисунок
3.5 - График перетока мощности через автотрансформаторы 500/110 кВ для первого
варианта
Количество
энергии, переданное за год через автотрансформатор, МВт·ч:
, (3.13)
где:
- время ремонта, для АТ 500 кВ мощностью 250МВА - 192
ч по [3].
кВт ч.
Время
использования максимальной нагрузки, ч,
ч.
Время
наибольших потерь
, ч,
,(3.14)
ч.
В
первом варианте схемы обмотка НН АТС не задействована, тогда потери
рассчитываются как для двухобмоточного трансформатора:
МВт·ч.
Определение
потерь энергии в автотрансформаторах 500-220 кВ
Рисунок
3.6 - График перетока мощности через автотрансформаторы 500/220 кВ для В-1
- время
ремонта, для АТ 500 кВ мощностью 250МВА - 192 ч по РДПр 34-38-030-92
Количество
энергии, переданное за год через автотрансформатор, МВт·ч:
Время
использования максимальной нагрузки, ч,
ч.
Время
наибольших потерь
, ч,
ч.
Как
и в случае с АТ 500/110 кВ обмотка НН незадействована, мощность передается ВН→СН,
потери рассчитываются как для двухоботочного трансформатора:
МВт·ч
Расчет
потерь энергии в блочных трансформаторах
При
расчете потерь в блочных трансформаторах принимается, что генератор в течение
года работает с номинальной нагрузкой.
.
Суммарные потери энергии для первого варианта:
Расчет потерь для второго варианта схемы:
Определение потерь энергии в автотрансформаторах 500-220 кВ
Определение потерь энергии в трансформаторах для
второго варианта схемы
Потери энергии в автотрансформаторах 500/110 кВ такие же, как и в первом
варианте. Однако в данном случае автотрансформаторы 500/220 кВ работают в
комбинированном режиме, и потери следует рассчитывать для каждой обмотки
отдельно.
Переток в обмотке высшего напряжения:
,
среднего
напряжения:
.
Рисунок
3.7 - Переток мощности ВН
Рисунок
3.8 - Переток мощности ВН
Переток
мощности через обмотку НН равен:
Время
использования максимальной мощности, ч:
Время
наибольших потерь в обмотке СН определяется из расчетов для первого варианта:
ч.
Переданная
энергия через обмотку ВН за год:
Время использования максимальной мощности обмотки ВН, ч:
ч.
Время
наибольших потерь обмотки ВН
, ч,
ч.
Для
каждой обмотки следует рассчитать ΔPк по упрощенной
формуле:
;
.
Потери:
Суммарные потери в трансформаторах для второго варианта:
Расчет
потерь энергии для третьего варианта
Потери энергии в автотрансформаторах 500/220 кВ такие же, как и в первом
варианте. В третьем варианте автотрансформаторы 500/110 кВ тоже работают в
комбинированном режиме, и потери следует рассчитывать для каждой обмотки
отдельно.
Переток в обмотке высшего напряжения:
,
среднего
напряжения:
.
Рисунок
3.9 - Переток мощности ВН
Рисунок
3.10 - Переток мощности СН
Переток
мощности через обмотку НН равен:
Время
использования максимальной мощности, ч:
Время
наибольших потерь в обмотке СН определяется из расчетов для первого варианта:
ч.
Переданная
энергия через обмотку ВН за год:
Время использования максимальной мощности обмотки ВН, ч:
ч.
Время
наибольших потерь обмотки ВН
, ч,
ч.
Полная
мощность перетоков через обмотки одного автотрансформатора 500/110 кВ (таблица
3.4):
МВА;
МВА.
Потери
КЗ для обмоток:
Потери:
Суммарные потери в трансформаторах для третьего варианта:
Расчет дисконтированных издержек
Капитальные затраты и издержки на ремонт и обслуживание
электрооборудования рассчитаны ранее. Издержки на потери электроэнергии:
, (3.15)
где C - стоимость киловатт-часа потерь
электроэнергии, принимается равной 3,5 руб/кВтч
;
;
;
тыс.
руб.
тыс.
руб.
тыс.
руб.
Таблица 3.7
Дисконтированные издержки
|
Вариант 1
|
Вариант 2
|
Вариант 3
|
|
К
|
848754
|
825714
|
832842
|
|
Иро
|
42606,5
|
41477
|
41592
|
|
Ипот
|
185717,4
|
180375,7
|
179334
|
|
ДИ
|
2 300 588,8
|
2 236 640,8
|
2 237 636
|
Из таблицы 3.7 видно, что наименьшие дисконтированные издержки имеет
второй вариант структурной схемы Нижнесалдинской ГРЭС. Он и будет
рассматриваться при дальнейшем проектировании.
3.2 Выбор
схемы собственных нужд на напряжение 6 кВ
Все генераторы на Нижнесалдинской ГРЭС включены по схеме
генератор-трансформатор, поэтому питание собственных нужд осуществляется путем
устройства ответвлений от блоков с установкой в цепях этих ответвлений
трансформаторов 20/6 кВ. [12]
Распределительные устройства собственных нужд выполняются с одной
системой сборных шин, при этом шины разделяются на секции: для блоков 300 МВт -
две секции на блок. Каждая из секций попарно присоединяется к отдельному
источнику рабочего питания, на каждой секции предусматривается ввод
автоматически включаемого резервного источника питания (АВР). Общестанционная
нагрузка распределяется равномерно между всеми секциями РУ с.н. электростанции.
При выборе мощности рабочих источников питания собственных нужд ЭС всех
типов необходимо исходить из условий обеспечения питания всей присоединенной к
секции нагрузки с.н. без перегрузки линий или отдельных обмоток ТСН.
Поскольку состав потребителей собственных нужд неизвестен, выбор
трансформаторов с.н. производится упрощенно.
Мощность
рабочего трансформатора собственных нужд
, МВ·А,
, (3.2)
где рСН - удельный расход мощности на собственные нужды блока,
принят ранее 0,08;
МВ∙А.
Таким образом, выбираются рабочие трансформаторы с.н. типа
ТРДНС-32000/35, которые устанавливаются на ответвлении от генератора. Параметры
трансформаторов приведены в таблице 4.2.
Резервное питание секции с.н. осуществляется от резервных магистралей,
связанных с ПРТСН. Резервные магистрали для увеличения гибкости и надежности
секционируются выключателями через каждые два-три энергоблока. [12] Число
резервных трансформаторов собственных нужд определено выше и равно двум.
Мощность каждого резервного трансформатора собственных нужд на блочных
ТЭС без генераторных выключателей должна обеспечивать замену рабочего
трансформатора одного энергоблока и одновременный пуск или аварийный останов
второго энергоблока. Если точный перечень потребителей с.н. в таком режиме
неизвестен, то мощность резервного трансформатора с.н. выбирается на ступень
больше, чем рабочего. [12]
ПРТСН присоединяются к разным источникам питания, чтобы при повреждении
любого элемента главной схемы электрических соединений резервное питание через
один трансформатор сохранялось.
В соответствии с этим ПРТСН 1 подключается к обмотке среднего напряжения
автотрансформатора связи Т6, а ПРТСН 2 - к РУ 110 кВ. При присоединении ПРТСН к
обмотке среднего напряжения автотрансформатора производится установка на этом
ответвлении отдельного выключателя, с тем, чтобы при отказе в этом ПРТСН
автотрансформатор остался в работе. При таком присоединении несколько
повышается надёжность по сравнению с присоединением ПРТСН к сборным шинам.
Следовательно, резервные трансформаторы выбираются на ступень выше рабочего -
ТРДНС-40000/110. Параметры трансформаторов приведены в таблице 3.9.
Таблица 3.2
|
Тип
|
    
|
|
|
|
|
|
ТРДНС-32000/35
|
32000
|
20
|
6,3-6,3
|
29
|
145
|
|
ТРДНС-40000/110
|
40000
|
115
|
6,3-6,3
|
34
|
170
|
Схема резервного питания собственных нужд напряжением 6 кВ изображена на
рисунке 3.2.
.3 Выбор схемы собственных нужд на напряжении 0,4 кВ
Нагрузка 0,4 кВ питается и резервируется от трансформаторов 6/0,4 кВ,
подключаемых к секциям РУ собственных нужд, причём питание резервных
трансформаторов производится от секций 6 кВ, от которых не питаются
резервируемые рабочие трансформаторы
Каждая из секций РУ 0,4 кВ, должна иметь два источника питания - рабочий
и резервный. Переключение питания с рабочего на резервный источник для секций,
не допускающих длительного перерыва питания, осуществляется с помощью
устройства АВР.
Сборные шины 0,4 кВ секционируются для повышения надежности питания. На
станциях с блочной тепловой схемой число секций 0,4 кВ должно быть не менее
двух для каждого блока, в нашем случае принимается 3 секции. Электродвигатели
0,4 кВ общестанционных механизмов, располагаемых в главном корпусе,
распределяются равномерно между секциями РУ собственных нужд. [15]
Одна из двух секций 0,4 кВ каждого блока разбивается на две полусекции.
От одной из этих полусекций питаются особо ответственные потребители.
В цепях электродвигателей 0,4 кВ независимо от их мощности, а также в
цепях линий питания сборок в качестве защитных аппаратов устанавливаются
автоматы. [15]
В качестве источника питания РУ 0,4 кВ может быть использован отдельный
для каждой секции или общий для двух секций трансформатор, присоединенный к
каждой секции через отдельный рубильник. Максимальная мощность трансформаторов
6/0,4 кВ принимается 1000 кВ∙А, так как применение трансформаторов большей
мощности приводит к значительному увеличению тока к.з. в сети 0,4 кВ.
Выбор мощности рабочих ТСН 6/0,4 кВ производится упрощенно. Мощность
собственных нужд 0,4 кВ одного блока приблизительно можно принять равной 10% от
мощности с.н. напряжения 6 кВ.
Мощность
трансформатора 6/0,4 кВ
, МВ∙А,
, (4.3)
МВ∙А.
Учитывая,
что максимальная мощность ТСН 6/0,4 кВ равна 1000 кВ·А, для питания собственных
нужд одного блока выбирается три трансформатора ТСЗС-1000/10. Паспортные данные
трансформатора приведены в таблице 4.3. Таким образом, на один блок приходится
три секции 0,4 кВ, питающиеся от разных трансформаторов.
Таблица 3.3
Паспортные данные трансформатора с.н. 6/0,4 кВ
|
Тип трансформатора
|
, кВ·АНапряжение обмотки, кВПотери, Вт , %
|
|
|
|
|
|
ВН
|
НН
|

|
|
|
|
ТСЗС-1000/10
|
1000
|
6,3
|
0,4
|
3000
|
12000
|
8
|
На проектируемой электростанции для блоков с генераторами G1 и G2, предусматривается управление с одного блочного щита, число
рабочих трансформаторов собственных нужд 6/0.4 кВ этих блоков - 4, поэтому для
этих блоков принимается один резервный трансформатор 0.4 кВ.
Для блоков с генераторами G3-G6, предусматривается управление с
другого блочного щита, число рабочих трансформаторов собственных нужд 6/0.4 кВ
этих блоков - 4, поэтому для этих блоков принимается один резервный
трансформатор 0.4 кВ.
Резервный трансформатор 6/0.4 кВ блоков с генераторами G1 и G2 присоединяется к шинам РУ собственных нужд 6 кВ блока с
генератором Г3. Резервный трансформатор 6/0.4 кВ блоков с генераторами G3 и G4 присоединяется к шинам РУ собственных нужд 6 кВ блока с
генератором G2.
На стороне низшего напряжения каждого резервного ТСН 6/0,4 кВ перед
сборкой резервного питания устанавливается рубильник [12].
На случай полной и длительной потери переменного тока на электростанции
(более 30 мин) должно быть обеспечено надежное питание ответственных
электродвигателей 0,4 кВ, от которых зависит сохранение оборудования блоков в
работоспособном состоянии. В том числе электродвигателей валоповоротных
устройств, подзарядных агрегатов аккумуляторных батарей, аппаратуры КИП и
автоматики, включая автоматику запуска системы пожаротушения и аварийного
освещения. Питание осуществляется от дизель-генераторов КАС-500Р,
устанавливаемых по одному на два блока.
Схема питания собственных нужд одного блока на напряжении 0,4 кВ
изображена на рисунке 4.2.
4. Выбор схем распредустройств
4.1 Выбор схем распредустройств повышенного напряжения
Для выбора схем РУ необходимо рассчитать количество присоединений к ним
для определения суммарного количества присоединений необходимо знать количество
блоков генератор-трансформатор, присоединяемых к РУ, количество присоединяемых
к РУ автотрансформаторов связи, а также количество линий электропередачи,
достаточное для передачи мощности от РУ к потребителям или в систему.
Число линий электропередачи необходимых для передачи максимальной
мощности, шт.,
, (4.1)
где:
- максимальная передаваемая мощность нагрузки на i-ом
напряжении, МВт,
-
допустимая нагрузка ЛЭП на данном напряжении, МВт.
на 220
кВ и длиной 100 км равно 200 МВт на одну цепь.
С
учетом возможного увеличения нагрузки при отключении одной ЛЭП принимается
число линий равное шести.
на 110
кВ и длиной 50 км равно 70 МВт на одну цепь. Число линий нагрузки,
присоединенных к РУ 220 кВ
Принимается
число линий равным пяти.
Связь
с системой осуществляется на 500 кВ расстояние 250 км. Допустимая мощность
составляет 800 МВт. Максимальная мощность передаваемая по линиям связи
принимается наибольший переток 776 МВт.
По
условиям надежности параллельной работы электростанции с энергосистемой
минимальное число линий связи принимается равным двум.
При
расчёте суммарного количества присоединений к РУ 110, 220 кВ следует также
учесть то обстоятельство, что к ним присоединяются резервные трансформаторы
собственных нужд.
Согласно
НТП число резервных трансформаторов собственных нужд на блочных ТЭС без
генераторных выключателей принимается два при числе блоков от трёх до шести,
следовательно, устанавливается два ПРТСН, которые присоединяются: один - к
шинам 110 кВ, второй - точке надежного питания - выводу обмотки СН АТ 500/110
кВ.
Количество
присоединений к РУ представлены в таблице.
Таблица 4.1
Количество присоединений
|
Присоединение
|
РУ 110 кВ
|
РУ 220 кВ
|
РУ 500 кВ
|
|
Блок
генератор-трансформатор
|
1
|
3
|
1
|
|
ЛЭП нагрузки
|
5
|
6
|
0
|
|
ЛЭП связи с энергосистемой
|
0
|
0
|
2
|
|
Автотрансформатор связи
|
2
|
2
|
4
|
|
ПРТСН
|
2
|
0
|
0
|
|
Всего
|
10
|
11
|
7
|
Для РУ 110 и 220 кВ принимается схема «Две системы сборных шин с обходной
системой шин», для РУ 500 кВ выбрана схема «Полуторная».
Схема главных соединений Нижнесалдинской ГРЭС показана на рисунке 4.1.

5. Расчёт
токов короткого замыкания, выбор коммутационной аппаратуры, измерительных
трансформаторов, разрядников, кабелей, шин
5.1 Расчет
схемы замещения
Для выбора электрических аппаратов необходимо рассчитать токи короткого
замыкания в основных точках главной схемы ГРЭС. Промежуток от генератора до
блочного трансформатора и отпайка на трансформатор СН, как точки КЗ не
рассматриваются, т.к. будут выполнены пофазно-экранированным токопроводом, где
практически исключается возможность трехфазного КЗ.
Расчётная схема и схема замещения станции представлены на рисунках 5.11 и
5.12.
Рисунок
5.11 - Расчетная схема Нижнесалдинской ГРЭС
Расчет
параметров схемы замещения
Расчет
токов короткого замыкания в данном проекте ведется в относительных единицах,
базисная мощность Sб = 1000 МВт, базисное напряжение Uб =
515 кВ.
Сопротивление
блочных трансформаторов:
, (5.1)
;
;
Сопротивление
автотрансформаторов связи, работающих в автотрансформаторном режиме
определяются аналогично:
.
Автотрансформаторы,
работающие в комбинированном режиме, представляются на схеме замещения
трехлучевой звездой:
, (5.2)
, (5.3)
, (5.4)
;
;
.
Рабочие
и пускорезервные трансформаторы собственных нужд имеют расщепленную обмотку
низшего напряжения. Такие трансформаторы также представляются трехлучевой
звездой, сопротивления которой определяются по формулам:
;
;
;
;
;
Сопротивление
синхронного генератора в режиме короткого замыкания определяется его
сверхпереходным индуктивным сопротивлением по продольной оси, приведенным к
базисным параметрам:
;
Сопротивление
воздушной ЛЭП:
, (5.5)
где x1 - удельное индуктивное сопротивление ЛЭП, для ВЛ 500
кВ принимается 0,29 Ом/км.
Сопротивление
энергосистемы:
, (5.6)
где Iном.откл - ток отключения выключателя
подстанции энергосистемы.
Расчет
ЭДС схемы замещения.
ЭДС
синхронного генератора при коротком замыкании:
, (5.7);
.
ЭДС
энергосистемы принимается равной единице
Рисунок
6.11 - Схема замещения Нижнесалдинской ГРЭС
5.2 Расчет
токов короткого замыкания
Расчет токов КЗ проиведен с помощью компьютерной программы “TKZ Win Pro”. Результаты приведены в таблице 5.1.
Таблица 5.1
Токи короткого замыкания в о.е. приведенные к 500 кВ
|
№ ветви
|
Значения токов в ветвях при
коротком замыкании в точке
|
|
К1 (узел 8)
|
К2 (узел 9)
|
К3 (узел 20)
|
К4 (узел 4)
|
К5 (узел 12)
|
К6 (узел 18)
|
К7 (узел 25)
|
К8 (узел 7)
|
К9 (узел 16)
|
|
1
|
1,3695
|
1,035
|
0,7248
|
0,0358
|
0,0397
|
0,0361
|
0,0356
|
0,1003
|
0,3196
|
|
2
|
1,3695
|
1,035
|
0,7248
|
0,1067
|
0,0397
|
0,0361
|
0,0356
|
0,1003
|
0,3196
|
|
3
|
0
|
0
|
0
|
0,1425
|
0
|
0
|
0
|
0
|
0
|
|
4
|
0
|
0
|
0
|
0
|
0
|
0
|
0
|
0
|
0
|
|
5
|
0
|
0
|
0
|
0,1425
|
0
|
0
|
0
|
0
|
0
|
|
6
|
0
|
0
|
0
|
0
|
0
|
0
|
0
|
0,2111
|
0
|
|
7
|
0
|
0
|
0
|
0
|
0
|
0
|
0
|
0
|
0
|
|
8
|
0
|
0
|
0
|
0
|
0
|
0
|
0
|
0,2111
|
0
|
|
9
|
1,2578
|
0,5175
|
0,3624
|
0,0179
|
0,0198
|
0,0181
|
0,0178
|
0,0554
|
0,1598
|
|
10
|
1,2578
|
0,5175
|
0,3624
|
0,0179
|
0,0198
|
0,0181
|
0,0178
|
0,0554
|
0,1598
|
|
11
|
0,5268
|
1,2687
|
0,8884
|
0,0459
|
0,0413
|
0,0443
|
0,0437
|
0,0604
|
0,3917
|
|
12
|
0,5268
|
1,2687
|
0,8884
|
0,0459
|
0,1016
|
0,0443
|
0,0437
|
0,0604
|
0,3917
|
|
13
|
0
|
0
|
0
|
0
|
0,1429
|
0
|
0
|
0
|
0
|
|
14
|
0
|
0
|
0
|
0
|
0,1429
|
0
|
0
|
0
|
0
|
|
15
|
0
|
0
|
0
|
0
|
0
|
0
|
0
|
0
|
0
|
|
16
|
0,7084
|
1,7059
|
1,3578
|
0,0617
|
0,0654
|
0,0276
|
0,0287
|
0,0812
|
0,5426
|
|
17
|
0,7084
|
1,7059
|
1,3578
|
0,0617
|
0,0654
|
0,0276
|
0,0287
|
0,0812
|
0,5426
|
|
18
|
0,1852
|
0,4459
|
0,7136
|
0,0161
|
0,0171
|
0,0305
|
0,0201
|
0,0212
|
1,4068
|
|
19
|
0,1852
|
0,4459
|
0,7136
|
0,0161
|
0,0171
|
0,0305
|
0,0201
|
0,0212
|
1,4068
|
|
20
|
0,3703
|
1,4272
|
0,0322
|
0,0342
|
0,0832
|
0,0401
|
0,0425
|
2,0202
|
|
21
|
0
|
0
|
0
|
0
|
0
|
0,1442
|
0
|
0
|
0
|
|
22
|
0
|
0
|
0
|
0
|
0
|
0,1442
|
0
|
0
|
0
|
|
23
|
0
|
0
|
0
|
0
|
0
|
0
|
0
|
0
|
0
|
|
24
|
0,3488
|
0,84
|
1,3444
|
0,0304
|
0,0322
|
0,0388
|
0,0378
|
0,04
|
0,5762
|
|
25
|
0,3488
|
0,84
|
1,3444
|
0,0304
|
0,0322
|
0,0388
|
0,0378
|
0,04
|
0,5762
|
|
26
|
0,3488
|
0,84
|
1,3444
|
0,0304
|
0,0322
|
0,0388
|
0,0378
|
0,04
|
0,5762
|
|
27
|
0,3488
|
0,84
|
1,3444
|
0,0304
|
0,0322
|
0,0388
|
0,0378
|
0,04
|
0,5762
|
|
28
|
0,3488
|
0,84
|
1,3444
|
0,0304
|
0,0322
|
0,0388
|
0,0583
|
0,04
|
0,5762
|
|
29
|
0,3488
|
0,84
|
1,3444
|
0,0304
|
0,0322
|
0,0388
|
0,0857
|
0,04
|
0,5762
|
|
30
|
0
|
0
|
0
|
0
|
0
|
0
|
0,144
|
0
|
0
|
|
31
|
0
|
0
|
0
|
0
|
0
|
0
|
0,144
|
0
|
0
|
|
32
|
0
|
0
|
0
|
0
|
0
|
0
|
0
|
0
|
0
|
|
33
|
0,286
|
0,83
|
0,5511
|
0,0667
|
0,0647
|
0,0679
|
0,0683
|
0,056
|
0,1869
|
|
34
|
0,286
|
0,83
|
0,5511
|
0,0667
|
0,0647
|
0,0679
|
0,0683
|
0,056
|
0,1869
|
|
35
|
0,572
|
1,6599
|
1,1023
|
0,1334
|
0,1293
|
0,1357
|
0,1366
|
0,1121
|
0,3738
|
|
36
|
0,5232
|
1,26
|
2,0714
|
0,0455
|
0,0483
|
0,0582
|
0,0086
|
0,06
|
0,8642
|
|
37
|
0,5232
|
1,26
|
2,0714
|
0,0455
|
0,0483
|
0,0582
|
0,0086
|
0,06
|
0,8642
|
|
Точка КЗ
|
3,885
|
7,375
|
8,176
|
0,1425
|
0,1429
|
0,1442
|
0,1440
|
0,2111
|
4,834
|
Для определения фактического тока КЗ в ветвях необходимо рассчитать
базовый ток для каждой ступени напряжения:
, (5.8)
;
;
;
;
;
Токи
на остальных ступенях рассчитываются аналогично.
Таблица 5.2
Базовые токи
|
Ступень
|
Точки КЗ
|
Базовый ток
|
|
500
|
К2
|
1,121
|
|
220
|
К3
|
2,510
|
|
110
|
К1
|
5,020
|
|
6
|
К4, К5, К6, К7, К8
|
91,64
|
|
20
|
К9
|
28,87
|
Определение ударных токов, периодических и апериодических составляющих
токов к.з.
Для примера произведем расчет для точки К2.
Расчеты для каждой точки КЗ производится аналогично.
Расчетное время для определение токов к.з
Расчетное
время для определения токов к.з
, с,
, (5.9)
где
собственное время отключения выключателя, с;
время
действия релейной защиты, с;
=0,01 с.
Время
отключения короткого замыкания, требуемое для оценки термической стойкости
аппаратов при к.з, с,
, (5.10)
где
- время срабатывания релейной защиты (при расчете
интеграла Джоуля -
= 0,1 с);
- полное
время отключения выключателя вместе с приводом, с.
На
РУ 500 кВ намечаются к установке элегазовые выключатели ВГК-500 с параметрами:
0,025 с,
= 0,05 c,
0,025+0,01=0,035
c,
0,1+0,05=0,15
c.
На
РУ 220 кВ намечаются к установке элегазовые выключатели ВГТ-220-40 с
параметрами:
0,035 с,
= 0,055 c,
0,035+0,01=0,045
c,
0,1+0,055=0,155
c.
На
РУ 110 кВ намечаются к установке элегазовые выключатели ВГТ-110-40 с
параметрами:
0,035 с,
= 0,055 c,
0,035+0,01=0,045
c,
0,1+0,055=0,155
c.
Определение затухания периодических составляющих токов КЗ
Токи
КЗ для любого момента времени переходного процесса
, кА,
, (5.11)
где
- определяется по типовым кривым определения
затухания периодической составляющей тока короткого замыкания по отношению
;
где
,(5.12)
А.
Токи
КЗ для любого момента времени переходного процесса от системы:
кА.
Токи
КЗ для любого момента времени переходного процесса от генератора G1:
,
,
кА.
Аналогичный расчет проводится для генератора G2
Ток
генератора G3
Генераторы G4-G6:
Суммарный
ток
Определение
апериодической составляющей тока короткого замыкания
Апериодическая
составляющая тока короткого замыкания
, кА,
. (5.13)
где
- постоянная времени затухания апериодической
составляющей тока КЗ, с, принимается
с,
с
кА,
кА,
кА,
кА,
кА,
Суммарная апериодическая составляющая:
=
+
+
+
+
, (5.14)
кА.
Определение ударного тока короткого замыкания
Ударный
ток
, кА,
(5.15)
где Kуд - ударный коэффициент, для блоков
генератор-трансформатор принимается равным 1,9, для энергосистемы - 1,85.
Расчет
тепловых импульсов
Расчет
теплового импульса производится по следующей формуле
, кА2ЧЧс,
(5.16)
где
(5.17)
, (5.18)
с,
кА2ЧЧс.
Расчет
токов коротких замыканий за ТСН
Величина
ударного тока со стороны двигателей при КЗ за ТСН
, кА,
,
где
- периодическая составляющая тока короткого замыкания
при к.з. в системе собственных нужд, кА,
При
питании от рабочего трансформатора
При
питании от резервного трансформатора
.
Для
точки К4:
МВт;
кА.
Величина
периодической составляющей тока к.з.
, кА,
Апериодическая
составляющая тока короткого замыкания
, кА,
кА
Тепловой
импульс определяется по формуле
, кА2ЧЧс,
, (5.19)
где
. (5.20)
-
постоянная времени затухания тока к.з. от двигателей, с, для эквивалентного
электродвигателя рекомендуется принять
с.;
-
постоянная времени затухания апериодического тока для цепи двигателя, с, для
эквивалентного электродвигателя рекомендуется принять
с.
Таблица 5.3
Результаты расчета токов КЗ
|
Точка к.з.
|
кВ
|
кА
|
источник-
|
-
|
с - - кА кА кА кА кА2·с
|
|
|
|
|
|
|
|
|
К1
|
115
|
5,02
|
С G1 G2 G3 G4-G6 Σ
|
1,85 1,9
1,9 1,9 1,9 -
|
0,06 0,1 0,1 0,1 0,1 -
|
1 3,89 1,49 1,06 1 -
|
1 0,89 1 1 1 -
|
2,64 6,88 2,64
1,86 5,26 19,28
|
6,91 18,49 7,09 5 14,1 51,6
|
2,64 6,12 2,64 1,86 5,26
18,52
|
1,26 5,08 1,95 1,37 3,88
13,54
|
54,49
|
|
К2
|
515
|
С G1 G2 G3 G4-G6 Σ
|
1,85 1,9
1,9 1,9 1,9 -
|
0,06 0,1 0,1 0,1 0,1 -
|
1 2,93 3,6 2,53 2,4 -
|
1 0,93 0,92 0,95 0,97 -
|
1,86 1,16 1,42 1 2,82 8,26
|
4,87 3,12 3,82 2,69 7,58
22,08
|
1,86 1,08 1,31 0,95 2,74
7,94
|
1,24 1,05 1,28 0,9 2,54
7,01
|
14,94
|
|
К3
|
230
|
2,51
|
С G1 G2 G3 G4-G6 Σ
|
1,85 1,9
1,9 1,9 1,9 -
|
0,06 0,1 0,1 0,1 0,1 -
|
1 2,1 2,63 4,1 3,8 -
|
1 0,96 0,94 0,87 0,89 -
|
2,76 1,82 2,23 3,6 10,08
20,49
|
7,22 4,89 5,99 9,67 27,09
54,86
|
2,76 1,75 2,47 3,13 8,97
18,9
|
1,32 1,34 1,65 2,66 7,44
14,41
|
65,06
|
|
К4
|
6,3
|
91,64
|
С Д Σ
|
1,85 0,07 -
|
0,06 0,4 -
|
|
|
13,06 10,16 23,22
|
34,2 92,5 126,7
|
13,06
|
8,72
|
71,2
|
|
К5
|
6,3
|
91,64
|
С Д Σ
|
1,85 0,07 -
|
0,06 0,04 -
|
|
|
13,1 10,16 23,26
|
34,3 91,8 126,1
|
13,1 3,62 15,71
|
8,75
|
71,4
|
|
К6
|
6,3
|
91,64
|
С Д Σ
|
1,85 0,07 -
|
0,06 0,04 -
|
|
|
13,21 10,16 23,32
|
34,6 92,5 127,1
|
13,21 3,62 15,80
|
8,82
|
71,1
|
|
К7
|
6,3
|
91,64
|
С Д Σ
|
1,85 0,07 -
|
0,06 0,04 -
|
|
|
13,2 10,16 23,32
|
34,5 92,5 127
|
13,2
|
8,82
|
71,2
|
|
К8
|
6,3
|
91,64
|
С Д Σ
|
1,85 0,07 -
|
0,06 0,04 -
|
|
|
19,34 12,7 32,04
|
50,6 135,5 186,1
|
19,34
|
12,92
|
121,2
|
|
К9
|
20
|
28,87
|
С G3 Σ
|
1,85 1,97
|
0,06 0,42 -
|
1 5,7 -
|
1 0,75 -
|
81,24 58,43
139,4
|
212,5 162,8 375,3
|
81,24 43,82
125,1
|
4,1 71,4 75,5
|
130,4
|
5.3
Определение расчетных условий для выбора аппаратов и проводников по
продолжительным режимам работы
Определяются нормальные токи и токи наиболее тяжелых режимов для всех
присоединений, в которых выбираются проводники и аппараты.
Токи
,
, кА, в
цепи генератора
(5.21)
(5.22)
где 0,95 - условие, при котором наибольший ток послеаварийного режима
определяется при условии работы генератора при уменьшении напряжения на 5%, о.
е.;
кА,
кА.
Ток нормального режима и максимальный ток блоков генератор-трансформатор
определяются на основе токов, рассчитанных в цепи генератора с учетом
коэффициента трансформации блочного трансформатора.
Ток
нормального режима
, кА, блока генератор-трансформатор G1-Т1
(5.23)
кА.
Максимальный
ток
, кА, блока G1-Т1
(5.24)
кА.
Ток
нормального
, кА, режима блоков G2-Т4
кА
Максимальный ток блоков G2-Т4
кА
Ток нормального режима блоков G4-Т7, G5-Т8, G6-Т9
кА
Максимальный ток режима блока G4-Т8
кА
Наибольший
ток нормального режима автотрансформаторов связи Т2, Т3
, кА, со стороны высшего и среднего напряжения:
(5.25)
где
- номинальная мощность автотрансформатора, МВ·А;
кА,
кА
Наибольший
ток послеаварийного или ремонтного режима автотрансформатора связи Т2, Т3
, кА, со стороны высшего и среднего напряжения:
(5.26)
кА,
кА
Наибольший ток нормального режима автотрансформаторов связи Т5, Т6 со
стороны высшего и среднего напряжения
кА,
кА
Наибольший ток послеаварийного или ремонтного режима со стороны высшего и
среднего напряжения
кА,
кА
Наибольший
ток нормального режима
, кА, в цепи рабочего трансформатора собственных нужд
со стороны высшего напряжения
(5.27)
кА
Наибольший
ток нормального режима
, кА, в цепи рабочего трансформатора собственных нужд
со стороны низшего напряжения:
(5.28)
кА
Согласно
[12] трансформатор с.н. не должен перегружаться, поэтому ток максимального
режима принимается равным току нормального режима.
Наибольший
ток нормального режима в цепи резервного трансформатора собственных нужд со
стороны высшего напряжения
, кА,
(5.29)
кА
Наибольший
ток нормального режима в цепи резервного трансформатора собственных нужд со
стороны низшего напряжения
, кА,
(5.30)
кА
Ток
послеаварийного режима для ПРТСН принимается равным наибольшему току
нормального режима.
Наибольший
ток нормального режима в цепи рабочего и резервного трансформатора собственных
нужд 6/04 кВ со стороны высшего напряжения
, кА,
(5.31)
кА
Наибольший
ток нормального режима в цепи рабочего и резервного трансформатора собственных
нужд 6/04 кВ со стороны низшего напряжения
, кА,
(5.32)
кА
Наибольший
ток нормального режима в цепи линий связи с системой
, кА,
(5.33)
где
- максимальная мощность, отдаваемая в энергосистему
по двум линиям связи в нормальном режиме МВ·А;
кА
Наибольший
ток послеаварийного или ремонтного режима
, кА,
обусловленный отключением одной из линий, определяется по формуле
, (5.34)
кА
Наибольший
ток нормального режима в цепи ЛЭП 220 кВ
, кА,
(5.35)
где
- число линий электропередач, шт.;
кА
Наибольший
ток послеаварийного или ремонтного режима в цепи ЛЭП 220 кВ
, кА,
(5.36)
кА
Наибольший
ток нормального режима в цепи ЛЭП 110 кВ
, кА,
(5.37)
где
- число линий электропередач, шт.;
кА
Наибольший
ток послеаварийного или ремонтного режима в цепи ЛЭП 110 кВ
, кА,
(5.38)
кА
Для сборных шин 500 кВ наиболее мощным является присоединение линии связи
с системой:
кА
Для сборных шин 220 кВ наиболее мощным является присоединение
автотрансформатора связи:
кА
Для сборных шин 110 кВ наиболее мощным является присоединение блочного
трансформатора:
кА
Результаты расчетов токов нормального и аварийного режимов работы
оборудования представлены в таблице 5.2.
Таблица 5.4
Результаты расчета токов присоединений
|
Элемент схемы
|
кВ кА кА
|
|
|
|
1
|
2
|
3
|
4
|
|
Блок G1-Т1
|
110
|
1,69
|
1,77
|
|
Блок G2-Т4
|
500
|
0,369
|
0,417
|
|
Блоки G4-Т7,
G5-Т8, G6-Т9
|
220
|
0,887
|
0,934
|
|
Цепь генератора
|
20
|
10,2
|
10,737
|
|
Система
|
500
|
0,538
|
1,075
|
|
Линия нагрузки 220 кВ
|
220
|
0,434
|
0,512
|
|
Линия нагрузки 110 кВ
|
110
|
0,41
|
0,512
|
|
Цепь автотрансформатора
связи Т2, Т3
|
500
|
0,289
|
0,405
|
|
110
|
1,193
|
1,258
|
|
Цепь автотрансформатора
связи Т6, Т5
|
500
|
0,579
|
0,811
|
|
220
|
1,258
|
1,761
|
|
Т10, Т11, Т12, Т13, T14, T15(ТСН)
|
20
|
0,924
|
0,924
|
|
6
|
1,167
|
1,167
|
|
Т16, T17 (ПРТСН)
|
110
|
0,201
|
0,201
|
|
6
|
1,833
|
1,833
|
|
Цепи трансформаторов 6/0,4
кВ
|
6
|
0,092
|
0,092
|
|
0,38
|
1,44
|
1,44
|
|
РУ 500 кВ
|
500
|
0,536
|
1,072
|
|
РУ 220 кВ
|
220
|
1,258
|
1,761
|
|
РУ 110 кВ
|
110
|
1,69
|
1,77
|
|
|
|
|
|
|
|
5.4 Выбор
выключателей и разъединителей
РУ-500 кВ
По [13] выбирается выключатель ВГК-500-40-3150У1.
По [10] выбирается разъединитель РНДЗ-1(2)-500-3200У1.
Расчетные и каталожные данные приведены в таблице 5.3.
Таблица 5.5
Выбор выключателя и разъединителя для РУ 500 кВ
РУ-220 кВ
По [13] выбирается выключатель ВГТ-220-40-3150У1.
По [10] выбирается разъединитель РНДЗ-220/2000У1.
Расчетные и каталожные данные приведены в таблице 5.4.
Таблица 5.6
Выбор выключателя и разъединителя для РУ 220 кВ
|
Расчетные данные
|
Условия выбора
|
Каталожные данные
|
|
|
ВГТ-220-40-3150У1
|
РНДЗ-1(2)-220/2000У1
|
|
1
|
2
|
3
|
4
|
|
кВ Uном=
220 кВUном=220 кВ
|
|
|
|
|
кА Iном= 3,15 кАIном = 2,0 кА
|
|
|
|
|
кА Iоткл.ном
= 40 кА---
|
|
|
|
|
кА кА---
|
|
|
|
|
кА Iдин
= 102 кА---
|
|
|
|
|
кА iдин
= 102 кАiдин=100 кА
|
|
|
|
|
кА·с2 кА·с2 кА·с2
|
|
|
|
РУ-110 кВ
По [13] выбирается выключатель ВГТ-220-40-3150У1.
По [10] выбирается разъединитель РНДЗ-110/2000У1.
Расчетные и каталожные данные приведены в таблице 5.5.
Таблица 5.7
Выбор выключателя и разъединителя для РУ 110 кВ
РУ СН 6 кВ
Распределительное устройство собственных нужд на напряжении 6 кВ
необходимо соорудить при помощи ячеек комплектного распределительного
устройства (КРУ). В этом случае выключатель ячейки КРУ ставится на выкатную
тележку и присоединяется при помощи втычных контактов. Таким образом,
возможность выкатывания выключателя позволяет отказаться от установки
разъединителей.
Поскольку все выключатели РУ СН должны быть одинаковы, то выбираются они
(по результатам расчета токов к.з.) по наибольшему току при к.з. за рабочим ТСН
или резервным ТСН. В данном случае по условиям, которые соответствуют к.з. за
резервным ТСН.
По [14] выбираются ячейки КРУ внутренней установки марки К-XXVI. Расчетные и каталожные данные
приведены в таблице 5.6.
Таблица 5.8
Основные технические данные ячейки КРУ 6 кВ
|
Расчетные данные
|
Каталожные данные, К-XXVI
|
|
ТСН Т10-Т15
|
|
Uуст=6,3 кВ
|
Uном= 6 кВ
|
|
Imax=1,46 кА
|
Iном= 1,6
кА
|
|
Iпt =15,8
кА
|
Iоткл.ном = 51
кА
|
|
iуд=186 кА
|
iдин = 81кА
|
|
кА·с2 кА·с2
|
|
|
Тип выключателя
|
ВВ/TEL-10-31,5/1600У3
|
|
ПРТСН
|
|
Uуст=6,3 кВ
|
Uном= 6 кВ
|
|
Imax=1,466 кА
|
Iном= 1,6
кА
|
|
Iпt =21,09
кА
|
Iоткл.ном = 51
кА
|
|
iуд=69,66 кА
|
iдин = 81кА
|
|
кА·с2 кА·с2
|
|
|
Тип выключателя
|
ВВ/TEL-10-31,5/1600У3
|
В цепи питания РУ 0,4 кВ используются автоматы.
В
цепи резервного трансформатора используется рубильник Р2315.
5.5 Выбор
шин, токопроводов, изоляторов
Цепи от генераторов до блочных трансформаторов и до трансформаторов
собственных нужд выполняются пофазно экранированным токопроводом генераторного
напряжения.
Параметры токопроводаТЭКН-Е-20-12500-400:
2) Тип турбогенератора - ТВВ-300;
3) Номинальное напряжение
турбогенератора - 20 кВ;
Номинальное напряжение токопровода - 20 кВ;
3) Номинальный ток турбогенератора -
10900 А;
Номинальный ток токопровода - 12500 А;
4) Электродинамическая стойкость - 400
кА;
Токоведущая
шина d
S, мм - 420
15;
Кожух(экран)
- D
δ, мм - 870
5;
5) Междуфазное расстояние А, мм - 1200;
6) Тип опорного изолятора - ОФР-20-500;
7) Шаг между изоляторами, мм - 3000;
8) Тип применяемого трансформатора
напряжения - НОЛ-1/20; ЗНОЛ.06-20;
9) Тип встраиваемого трансформатора тока
- ТШ-20-12000/5;
10)Предельная
длина монтажного блока или секции, м - 6,5.
Цепи от трансформаторов собственных нужд до ячейки выключателя системы
собственных нужд выполняются комплектно экранированным токопроводом (КЭТ). КЭТ
выбирается по току нормального режима ТСН, который составляет 1466 А.
Выбирается КЭТ марки ТЗК-6-1600-51 с параметрами:
1) Номинальное напряжение - 6 кВ;
) Номинальный ток - 1600 А;
) Электродинамическая стойкость - 51 кА;
) Сечение токоведущих шин (из алюминия) - двутавр,14600 мм2;
) Расположение шин - по треугольнику.
Сборные шины РУ 500 кВ выполняются гибкими проводами и согласно [15]
выбираются по допустимому току
(5.39)
Принимается к установке три провода в фазе марки АС-300/66 [10] (сечение
принято по минимально допустимым на напряжении 500 кВ условиям короны сечению 3´300 мм2 [15]).
Допустимый ток
680∙3=2040
А>
=924 А.
Проверка по условиям коронирования в данном случае могла бы не
проводиться, так как сечение выбрано с учётом требования не коронирования,
однако учитывая что расстояние между проводами на ОРУ меньше, чем на ЛЭП,
проведём проверочный расчёт.
Начальная
критическая напряжённость
, кВ/см:
, (5.40)
где m-коэффициент, учитывающий
шероховатость поверхности провода, для многожильных проводов следует принять m=0,82 [11];
-радиус
провода, см, следует принять ro=1,225;
Напряжённость вокруг расщеплённого провода Е, кВ/см:
,(5.41)
где а - расстояние между проводами в расщеплённой фазе, см, следует
принять a=40 [11];
U-напряжение
электроустановки, кВ, следует принять U=525;
кВ
Условие отсутствия коронирования:
,
Таким образом, три провода в фазе АС-300/66 по условиям короны не
проходят, необходимо выбрать три повода марки АС-400/22.
Начальная критическая напряжённость,
кВ/см.
Напряжённость вокруг расщеплённого провода:
кВ/см,
кВ/см.
Таким образом, три провода в фазе АС-400/22 по условиям короны проходят.
Проверка выбранного сечения на термическое действие тока не требуется
[15] так как шины выполнены голыми проводами на открытом воздухе.
Проверка шин на электродинамическое действие тока КЗ [15] не выполняется,
поскольку Iп,0 = 10,14 кА < 20 кА.
) Выбор сечения проводов ЛЭП производится по экономической плотности
тока.
Экономическое сечение q, мм2,
, (5.42)
где
- ток нормального режима, А, принимается по таблице
5.2, для ЛЭП 500 кВ -
;
-
нормированная плотность тока, А/мм2, принимается по [15], для ЛЭП
500 кВ -
;
мм2
Согласно
приведенной выше проверки провода на коронирование принимается по [10] провод
марки 3хАС-400/22 (d =
26,6 мм, q =
394 мм2, Iном. =830
А).
Выбранный
провод проверяется по допустимому току
, (5.43)
поскольку
, то следовательно выбранное сечение по условию
нагрева проходит.
Проверка
выбранного сечения на термическое действие тока не требуется /9/ так как
провода прокладываются на открытом воздухе.
Выбор
токоведущих частей остальных участков ОРУ и линий ЛЭП производится аналогично.
Результаты выбора приводятся в таблице 5.7.
Таблица 5.9
Токоведущие части ОРУ
|
Элемент
|
Iнорм/Imax, А
|
Токопровод
|
|
|
Марка провода
|
Iном., А
|
d, мм
|
S, мм2
|
|
500 кВ
|
|
Сборные шины ОРУ 500 кВ
|
-/1075
|
3×АС - 400/22
|
2490
|
26,6
|
900
|
|
Токоведущие части от
блочного трансформатора Т2 до ОРУ 500 кВ
|
369/417
|
3×АС - 400/22
|
2490
|
26,6
|
900
|
|
Токоведущие части от
автотрансформаторов связи Т2,Т3 до ОРУ 500 кВ
|
289/405
|
3×АС - 400/22
|
2490
|
26,6
|
900
|
|
Токоведущие части от
автотрансформаторов связи Т5,Т6 до ОРУ 500 кВ
|
579/1761
|
3×АС - 400/22
|
2490
|
26,6
|
900
|
|
ЛЭП 500 кВ
|
/1075
|
3×АС - 400/22
|
2490
|
26,6
|
900
|
|
220 кВ
|
|
Сборные шины ОРУ 220 кВ
|
1761
|
2×АС - 500/27
|
1920
|
29,4
|
1000
|
|
Токоведущие части от
автотрансформаторов связи Т5,Т6 до ОРУ 220 кВ
|
1258/1761
|
3×
АС-400/22
|
2490
|
26,6
|
1200
|
|
Токоведущие части от
блочных трансформаторов Т7, Т8, T9 до ОРУ 220 кВ
|
887/934
|
3×АС - 400/22
|
2490
|
26,6
|
800
|
|
ЛЭП 220 кВ
|
434/ 520
|
АС - 400/27
|
830
|
29,4
|
300
|
|
110 кВ
|
|
Сборные шины ОРУ 110 кВ
|
1770
|
2×АС - 500/27
|
1920
|
29,4
|
1000
|
|
Токоведущие части от
автотрансформаторов связи Т2,Т3 до ОРУ 110 кВ
|
1193/1258
|
2×АС - 500/27
|
1920
|
29,4
|
1000
|
|
Токоведущие части от
блочного трансформатора Т8 до ОРУ 110 кВ
|
1690/`770
|
3×АС - 600/72
|
3150
|
33,2
|
1800
|
|
Токоведущие части от ПРТСН
до ОРУ 110 кВ
|
201
|
АС - 150/24
|
520
|
18,9
|
150
|
|
ЛЭП 110 кВ
|
410/512
|
АС - 240/56
|
610
|
22,4
|
240
|
Примечание:
проверка выбранных сечений на термическое действие тока не требуется [21]
так как провода прокладываются на открытом воздухе;
все выбранные провода проходят по условию короны;
- в остальных случаях расщеплённого провода, для фиксации проводов
расщеплённой фазы - 15 м.
электрический мощность ток трансформатор
5.6 Выбор
измерительных трансформаторов тока
Измерительные трансформаторы предназначены для уменьшения первичного тока
до значений, наиболее удобных для измерительных приборов и реле, а также для
отделения цепей измерения и защиты от цепей высокого напряжения.
Трансформаторы тока устанавливаются в РУ на отходящих линиях, выводах
выключателей, трансформаторов и комплектных токопроводах.
Трансформаторы тока выбираются по следующим условиям:
1) по
напряжению установки
, кВ,
; (5.44)
) по
току
,
, кА,
(5.45)
(5.46)
) по
электродинамической стойкости
, кА,
(5.47)
(5.48)
где
- кратность электродинамической стойкости;
-
номинальный первичный ток трансформатора тока, кА.
Электродинамическая
стойкость шинных трансформаторов тока определяется устойчивостью самих шин
распределительного устройства, вследствие этого такие трансформаторы по этому
условию не проверяются.
) по
термической стойкости
, кА2·с,
(5.49)
(5.50)
где
- кратность термической стойкости;
- время
термической стойкости, с;
- ток
термической стойкости, кА;
) по
вторичной нагрузке
, Ом,
, (5.51)
где
- вторичная нагрузка трансформатора тока, Ом;
-
номинальная допустимая нагрузка трансформатора тока в выбранном классе
точности, Ом.
Далее
производится выбор и проверка по нагрузке вторичной цепи трансформатора тока
для присоединения измерительных приборов в цепи линии 220 кВ. Перечень
необходимых измерительных приборов приведен в таблице 5.8.
Таблица 5.11
Контрольно-измерительные приборы в цепи линии 220 кВ
|
Цепь
|
Место установки приборов
|
Перечень
контрольно-измерительных приборов
|
|
Линии 110-220 кВ
|
-
|
Амперметр в каждой фазе, ваттметр
и варметр с двухсторонней шкалой, фиксирующий прибор для определения места
КЗ, два счетчика активной энергии со стопорами.
|
На рисунке 5.3 приведена схема подключения контрольно-измерительных
приборов.
Рисунок 5.3 - Схема подключения контрольно-измерительных приборов
Для
установки принимается трансформатор тока типа ТФЗМ 220Б-IV-2000/5
с параметрами:
кВ;
А
(первичный) >
А;
А
(вторичный); класс точности - 0,5;
Ом;
термическая стойкость - 39,3 кА/3сек;
кА2ЧЧс
> 156,22кА2×с.
Вторичная нагрузка трансформатора приведена в таблице 5.9.
Таблица 5.12
Вторичная нагрузка трансформатора тока
|
Прибор
|
Тип прибора
|
Нагрузка фазы, В×А
|
|
|
А
|
В
|
С
|
|
Амперметр Ваттметр Варметр
Счетчик активной энергии
|
Э335 ЦП8506/1 ЦП8506/6
Альфа А1800-07
|
0,5 5 5 3,6
|
0,5 5 5 -
|
0,5 5 5 3,6
|
|
Итого
|
-
|
14,1
|
11
|
14,1
|
Общее
сопротивление приборов
, Ом,
(5.52)
Ом.
Допустимое
сопротивление проводов
, Ом,
(5.53)
где
- допустимая нагрузка, Ом;
- сопротивление контактов, при трех и более приборах (принимается 0,1
Ом);
Ом.
Для
цепей РУ-220 кВ применяется кабель с алюминиевыми жилами с расчетной длиной
кабеля lРАСЧ =100
м.
Сечение
кабеля
, мм2,
(5.54)
где
r - удельное сопротивление
алюминия, Ом/мм2;
Принимается
кабель АКРВГ с жилами сечением 6 мм2.
Аналогичным способом выбираются остальные трансформаторы тока. Результаты
выбора сведены в таблицу 5.10.
Таблица 5.13
Параметры трансформаторов тока
|
Место подключения
|
Тип прибора
|
Номинальные и расчетные
данные
|
|
|
Напряжение
|
Ток нормальный
|
Ток максимальный
|
|
|
кВ
|
А
|
А
|
|
1
|
2
|
3
|
4
|
5
|
|
Трансформатор блочный 500
кВ
|
ТВТ-500-750/1
|
500
|
386
|
409
|
|
Трансформатор блочный 220
кВ
|
ТВТ-220-1-1000/5
|
220
|
843
|
887
|
|
Трансформатор блочный 110
кВ
|
ТВТ-110-1-2000/5
|
110
|
1686
|
1775
|
|
РУ 500 кВ
|
ТФЗМ 500Б-II-1000/1
|
500
|
577
|
924
|
|
РУ 220 кВ
|
ТФЗМ 220Б-IV-2000/5
|
220
|
1255
|
1757
|
|
РУ 110 кВ
|
ТФЗМ 110Б-III-2000/5
|
110
|
1686
|
1775
|
|
Вводы автотрансформаторов
Т2,Т3
|
ТВТ-500-I-1000/5
|
500
|
577
|
808
|
|
ТВТ-220-I-2000/5
|
220
|
1312
|
1757
|
|
Вводы автотрансформаторов
Т6,Т7
|
ТВТ-220-I-1000/5
|
500
|
1000
|
706
|
|
ТВТ-110-I-1500/5
|
110
|
1500
|
1336
|
|
Нейтраль
автотрансформаторов Т2,Т3
|
ТВТ-35-2000/5
|
35
|
-
|
-
|
|
Нейтраль
автотрансформаторов Т6,Т7
|
ТВТ-35-1500/5
|
35
|
-
|
-
|
|
Нейтраль трансформатора Т1
|
ТВТ-35-600/5
|
35
|
-
|
-
|
|
Нейтраль трансформаторов
Т4,Т5
|
ТВТ-35-1000/5
|
35
|
|
|
|
Нейтраль трансформатора Т8
|
ТВТ-110-1-2000/5
|
35
|
|
|
|
В цепях рабочих
трансформаторов собственных нужд
|
ТВТ-35-I-1000/5
ТШЛК-10-2000/5
|
20 6,3
|
722 1146
|
722 1146
|
|
Цепи ПРТСН
|
ТВТ-110-I-200/5
|
110
|
161
|
161
|
|
ТШЛК-10-2000/5
|
6,3
|
1466
|
1466
|
|
Нулевые выводы G
|
ТШЛО-20-1500/5
|
-
|
-
|
-
|
|
Цепи генератора
|
ТШ-20-12000/5
|
20
|
10200
|
10737
|
5.7 Выбор
измерительных трансформаторов напряжения
Трансформатор напряжения предназначен для понижения высокого напряжения
до стандартного значения 100 или 100/√3 и для отделения цепей измерения
от первичных цепей высокого напряжения.
Трансформаторы напряжения устанавливаются на каждой системе шин и секции
сборных шин, которые могут работать раздельно. Трансформаторы напряжения
встраиваются в комплектные токопроводы.
Трансформаторы напряжения выбираются по следующим условиям:
1)
по напряжению установки
, кВ,
, (5.55)
) по конструкции и схеме соединения обмоток;
4)
по вторичной нагрузке
, В·А,
. (5.56)
Ниже приведен выбор трансформатора напряжения встроенного в пофазно
экранированный токопровод. Для присоединения измерительных приборов выбирается
трансформатор напряжения типа ЗНОЛ.06-20У3 с параметрами:
-
напряжение установки
;
схема
соединения обмоток - 1/1/1-0-0;
класс
точности - 0,5;
вторичная
нагрузка трансформатора напряжения приведена в таблице 5.11.
На
рисунке 5.4 приведена схема подключения контрольно-измерительных приборов к
трансформатору напряжения.
Рисунок
5.4 - Схема подключения контрольно-измерительных приборов
Таблица 5.14
Вторичная нагрузка трансформатора напряжения
|
Прибор
|
Тип
|
Мощность одной обмотки
|
Число обмоток
|
cos j
|
sin j
|
Число приборов
|
Общая потребляемая мощность
|
|
|
|
|
|
|
|
Р, Вт
|
Q, ВАр
|
|
1
|
2
|
3
|
4
|
5
|
6
|
7
|
8
|
9
|
|
Вольтметр
|
Э-335
|
2
|
1
|
1
|
0
|
1
|
2
|
-
|
|
Ваттметр
|
Д-335
|
1,5
|
2
|
1
|
0
|
2
|
6
|
-
|
|
Варметр
|
Д-335
|
1,5
|
2
|
1
|
0
|
1
|
3
|
-
|
|
Частотомер
|
Э-372
|
3
|
1
|
1
|
0
|
2
|
6
|
-
|
|
Ваттметр регистрирующий
|
Н-348
|
10
|
2
|
1
|
0
|
1
|
20
|
-
|
|
Счетчик активной энергии
|
И-680
|
2Вт
|
2
|
0,38
|
0,925
|
1
|
4
|
9,7
|
|
Вольтметр регистрирующий
|
Н-344
|
10
|
1
|
1
|
0
|
1
|
10
|
-
|
|
Датчик активной мощности
|
Е-829
|
10
|
-
|
1
|
0
|
1
|
10
|
-
|
|
Датчик реактивной мощности
|
Е-830
|
10
|
-
|
1
|
0
|
1
|
10
|
-
|
|
Итого:
|
71
|
9,7
|
|
|
|
|
|
|
|
|
|
|
Вторичная
нагрузка
, В·А,
, (5.57)
В·А.
Выбранный
трансформатор ЗНОЛ.06-20-У3 имеет номинальную мощность 75 ВА в классе точности
0,5, необходимом для присоединения счетчиков.
Таким
образом,
,
трансформатор
будет работать в выбранном классе точности.
Аналогичным способом выбираются остальные трансформаторы напряжения, их
данные сведены в таблицу 5.12.
Таблица 5.15
Параметры трансформаторов напряжения
|
Место подключения
|
Тип прибора
|
Номинальное напряжение
обмоток, В
|
|
|
первичной
|
основной вторичной
|
Дополнительной вторичной
|
|
РУ 500 кВ
|
НКФ-500-78У1
|
 100
|
|
|
|
РУ 220 кВ
|
НКФ-220-58У1
|
 100
|
|
|
|
РУ 110 кВ
|
НКФ-110-83У1
|
 100
|
|
|
|
Выводы генератора
|
ЗНОЛ.06-20У3
|
 100
|
|
|
|
РУ с.н.
|
ЗНОЛ.06.-6У3
|
 100
|
|
|
5.8 Выбор
ограничителей перенапряжения, короткозамыкателей и аппаратуры ВЧ связи
Ограничители перенапряжений применяются для защиты электрооборудования от
коммутационных перенапряжений, от атмосферных и кратковременных внутренних
перенапряжений изоляции оборудования. В дипломном проекте ограничители
перенапряжений выбираются по типу и номинальному напряжению. Результаты выбора
приведены в таблице 5.13.
Таблица 5.16
Параметры выбранных ограничителей перенапряжения
|
Место подключения
|
Тип ограничителя
|
Номинальное напряжение, кВ
|
|
Токоведущие части 500 кВ
|
ОПН-500У1
|
500
|
|
Токоведущие части 220 кВ
|
ОПН-220У1
|
220
|
|
Токоведущие части 110 кВ
|
ОПН-110У1
|
110
|
|
Нейтрали трансформаторов
110 кВ
|
ОПНН-110У1
|
110
|
|
РУ СН
|
ОПН-РС/TEL 6/7,6 УХЛ1
|
6
|
Аппаратура высокочастотной связи установленной на линии 500 кВ связи
электростанции с системой состоит из:
заградителей марки ВЗ-2000-0,5У1,
конденсаторов связи 3×СМР-133/√3-0,0186,
фильтров присоединений ФП-500.
5.9 Выбор
аккумуляторной батареи
В качестве источника оперативного тока для питания устройств управления,
автоматики, сигнализации и релейной защиты элементов главной схемы
электрических соединений и основного напряжения собственных нужд станции
предусматривается установка аккумуляторных батарей напряжением 220 В.
Аккумуляторная батарея служит также в качестве аварийного источника для питания
электродвигателей, резервных, особо ответственных механизмов собственных нужд и
аварийного освещения на электростанциях. От аккумуляторной батареи должны
питаться, кроме того, электроприводы отсечных клапанов газопроводов,
электрогидравлические преобразователи (ЭГП) системы регулирования,
электромагниты стопорных клапанов турбин и преобразовательный агрегат связи.
[1]
На электростанциях с блочной тепловой схемой для блоков мощностью 300 МВт
и выше принимается к установке отдельная батарея для каждого блока. Все блочные
аккумуляторные батареи связываются между собой общей сетью
взаиморезервирования. На проектируемой ГРЭС предусматривается установка четырех
аккумуляторных батарей.
Все станционные аккумуляторные батареи эксплуатируются в режиме
постоянного подзаряда. В связи с этим для каждой из них предусматриваются
отдельные подзарядные устройства. Для подзарядки всех аккумуляторных батарей
устанавливается один общестанционный зарядный агрегат. [1]
Количество
элементов, присоединяемых к шинам в режиме постоянного подзаряда
, шт.,
, (5.58)
где
- напряжение на шинах, В (принимается равным 230 В);
-
напряжение на элементе в режиме подзаряда, В (принимается 2,15 В);
шт.
Общее
количество элементов батареи
, шт.,
, (5.59)
где
- напряжение на элементе в режиме аварийного разряда,
В (принимается 1,75 В);
шт.
Количество
добавочных элементов
, шт.,
, (5.40)
шт.
Далее
определяются расчетные нагрузки аккумуляторной батареи каждого блока. Ввиду
отсутствия точных данных по составу и параметрам электроприемников постоянного
тока, подсчет нагрузки производится упрощенно. Расчетные нагрузки
аккумуляторной батареи представлены в виде таблицы 5.14.
Таблица 5.17
Расчетные нагрузки на аккумуляторную батарею
|
Наименование потребителей
|
Расчетные аварийные
нагрузки, А
|
|
длительные (30 мин )
|
Кратковременные (толчковые)
|
|
Постоянная нагрузка
|
50
|
50
|
|
Аварийное освещение
|
210
|
210
|
|
Приводы выключателей:
|
|
|
|
Ток электромагнита
управления ВТГ-110 (подключение ПРТСН со стороны 110 кВ)
|
-
|
10,5
|
|
Двигатели маслонасосов и
уплотнений:
|
|
|
|
Электродвигатель аварийного
маслонасоса уплотнений генератора
|
140
|
140
|
|
Электродвигатель аварийного
маслонасоса смазки подшипников турбины
|
400
|
400
|
|
Итого:
|
800
|
810,5
|
Типовой
номер батареи
, исходя из длительной аварийной нагрузки батареи
, (5.41)
где
- нагрузка установившегося получасового аварийного
разряда, А;
- ток
разряда аккумулятора первого номера, А (для температуры электролита t=25ºС);
Принимается
ближайший больший типовой номер: N=36. Ориентировочно намечается свинцовый аккумулятор
СК-36.
Намеченный
аккумулятор проверяется по толчковому току
N≥
, (5.42)
где
- наибольший толчковый ток в конце разряда, А;
∙36
(1656) > 810,5.
Проверка
по отклонению напряжения при наибольшем толчковом токе
, (5.43)
,65<
Выбранный
тип АКБ проходит по отклонению напряжения при наибольшем толчковом токе.
По
рисунку, который имеется в [1] определяется напряжение на аккумуляторе равным
94%. Если принять потерю напряжения в соединительном кабеле равной 5%, то
напряжение на приводах будет 89%. Допустимое отклонение напряжения на
электромагнитах включения составляет 80-110%, таким образом, принятые
аккумуляторы обеспечивают необходимое напряжение.
Ток
постоянного подзаряда принимается равным 0,15·N.
Ток
подзарядного устройства
, А,
, (5.44)
где
- ток постоянно включенной нагрузки, А;
А.
Расчетное
напряжение подзарядного устройства
, В,
, (5.45)
В.
В
качестве подзарядного устройства принимается выпрямительный агрегат с
кремниевыми выпрямителями типа ВАЗП-380/260-40/80 с параметрами:
потребляемая
мощность:
кВт;
выпрямленное
напряжение:
В;
выпрямленный
ток:
А.
Добавочные
элементы в нормальном режиме нагрузки не несут, и их расчетный ток равен току
подзаряда.
Расчетный
ток подзарядного устройства добавочных элементов
, А,
, (5.46)
А.
Расчетное
напряжение подзарядного устройства добавочных элементов
, В,
, (5.47)
В.
Выбирается
автоматическое подзарядное устройство типа АРН-3 с параметрами:
напряжение:
В;
ток:
А;
точность
поддержания напряжения: ±2%.
Расчетный
ток зарядного устройства
, А,
, (5.48)
А.
Расчетное
напряжение зарядного устройства (в конце заряда )
, В,
, (5.49)
где
- напряжение на элементе в конце заряда, В
(принимается равным 2,75);
В.
Мощность
зарядного устройства
, кВт,
, (5.50)
кВт.
В
качестве зарядного устройства принимается двигатель-генератор постоянного тока
2ПН315М с параметрами:
мощность:
кВт;
ток:
А;
напряжение:
В.
Для
привода генератора применяется асинхронный двигатель типа 4А280МЧ, мощностью
кВт.
Схема
аккумуляторной установки первого и второго энергоблока Нижнесалдинской ГРЭС
представлена на рисунке 5.5.
Рисунок
5.5 - Схема аккумуляторной установки первого энергоблока ГРЭС
6. Расчет
релейной защиты и автоматики блока 300 МВт
6.1
Основные принципы построения релейной защиты энергоблоков
В дипломном проекте для расчета релейной защиты блока
генератор-трансформатор используется схема Нижнесалдинской ГРЭС мощностью 1800
МВт, приведенная на рисунке 4.1.
Далее приводится расчет релейной защиты блока 300 МВт, присоединенного к
РУ 220 кВ.
Основной задачей построения релейной защиты энергоблоков является
обеспечение ее эффективного функционирования по возможности при любых видах
повреждений, предотвращение развития повреждений и значительных разрушений
защищаемого оборудования, а также предотвращение нарушений устойчивости в
энергосистеме [16].
Для этого устройства релейной защиты должны обладать необходимыми
свойствами, соответствующими известным основным требованиям: быстродействием,
чувствительностью, селективностью и надежностью.
Для достижения требуемой эффективности функционирования защиты
энергоблоков необходимо выполнение следующих условий:
основные защиты от внутренних коротких замыканий (КЗ) должны обеспечивать
быстрое отключение повреждений любого элемента блока. При этом не должно
оставаться ни одного незащищенного (не входящего в зону действия защит) участка
первичной схемы;
резервные защиты энергоблока также должны охватывать все его элементы и
должны обеспечивать ближнее и дальнее резервирование соответственно основных
защит блока и защит прилежащей сети;
повреждения, не сопровождающиеся КЗ и не отражающиеся на работе
энергоблока, также должны по возможности быстро отключаться, если их развитие
может привести к значительным разрушениям оборудования;
анормальные режимы (например, перегрузки, потеря возбуждения и дp.)
должны автоматически ликвидироваться защитой, если они недопустимы для
оборудования или для энергосистемы. В случаях, когда не требуется немедленная ликвидация
анормального режима, допускается только сигнализация о его возникновении;
действие устройств релейной защиты должно быть увязано с технологическими
защитами и автоматикой энергоблока.
На блоке, подключенного к ОРУ 220 кВ, работающей по схеме "две
системы шин с обходной", устанавливаются следующие основные защиты [16]:
- продольная дифференциальная защита генератора;
- поперечная дифференциальная защита генератора;
- защита от замыканий на землю в обмотке статора;
- защита от замыканий на землю в обмотке ротора и в цепях
возбуждения;
- дифференциальная защита трансформатора;
- газовая защита трансформатора;
- защита от повышения напряжения.
6.2 Расчет
продольной дифференциальной токовой защиты генератора блока
При мощности генератора 300 МВт продольная защита выполняется с
использованием реле с торможением ДЗТ-11/5. Реле ДЗТ-11/5, имеет насыщающийся
трансформатор, обеспечивающий эффективную отстройку защиты от токов небаланса
при переходных процессах. На насыщающемся трансформаторе реле дополнительно
располагается тормозная обмотка, дающая возможность не отстраивать защиту от
токов небаланса при переходном режиме внешнего короткого замыкания или при
асинхронном ходе, поскольку несрабатывание защиты в этих условиях
обеспечивается торможением. [16]
Рабочая
обмотка реле ДЗТ-11/5
имеет 144 витка и выполняется с одной отпайкой от
средней точки.
Расчет
защиты:
. Определяется
минимальный ток срабатывания реле
, А,
, (6.6)
где
- ампер-витки срабатывания pеле, для реле ДЗТ-11/5
следует принять
=100;
. Определяется
минимальный ток срабатывания защиты (при отсутствии торможения)
, А,
, (6.7)
где
- коэффициент тpансфоpмации тpансфоpматоpов тока со стороны линейных выводов
генератора. Для данного блока следует принять
;
А.
Оценивается
величина тока срабатывания защиты в долях от номинального тока генератора
, о.е.,
, (6.8)
3. Определяется число витков тормозной обмотки насыщающегося
трансформатора реле. Число витков тормозной обмотки реле выбирается таким,
чтобы защита не действовала при внешних коротких замыканиях, когда по рабочей
обмотке реле протекает ток небаланса:
а)
определяется намагничивающая сила рабочей обмотки реле
, А·вит.,
, (6.9)
где
=1,6 - коэффициент отстройки;
- число
витков рабочей обмотки, в зависимости от схемы принимается равным 144 или 72,
следует принять
;
-
наибольшее значение тока небаланса при внешнем коротком или асинхронном ходе;
, (6.10)
где
- коэффициент, учитывающий переходный режим (наличие
апериодической составляющей), для реле типа ДЗТ
=1;
-
коэффициент однотипности трансформаторов тока, принимается для однотипных
трансформаторов тока равным 0,5, а для разнотипных - 1;
-
допустимая погрешность трансформаторов тока, принимается равной 0,1;
-
периодическая составляющая тока трехфазного короткого замыкания, протекающего
через генератор при повреждениях на выводах.
Из
расчета видно, что наибольшее значение имеет ток при внешнем коротком
замыкании, поэтому он используется в дальнейшем расчете,
А,
А·вит.
б)
определяется тормозная намагничивающая сила , А∙вит, реле исходя из
тормозной характеристики реле ДЗТ-11/5 при минимальном торможении. При
аппроксимации тормозной характеристики гиперболой тормозная намагничивающая
сила определяется для реле по выражению
, (6.11)
А·вит.
в)
определяется число витков тормозной обмотки реле
, шт,
, (6.12)
Где
; (6.13)
-
периодическая составляющая тока трехфазного короткого замыкания, протекающего
через генератор при повреждениях на выводах.
А,
вит.
Принимается
ближайшее большее целое число витков
, которое
можно установить на реле.
. Проверка
чувствительности защиты. Чувствительность защиты проверять не требуется, так
как она всегда выше необходимой согласно ПУЭ (
2).
6.3 Расчет
поперечной дифференциальной токовой защиты генератора блока
Поперечная дифференциальная защита защищает от коротких замыканий между
витками одной фазы в обмотке статора и устанавливается только на генераторах,
имеющих параллельные ветви обмотки статора. Защита выполняется односистемной на
реле РТ-40/Ф с фильтром высших гармоник ZF, позволяющим отстроиться от токов
третьих и высших гармоник и повысить чувствительность. Это реле присоединяется
к трансформатору тока, установленному в перемычку между нейтралями параллельных
обмоток статора.[16]
Принцип действия защиты основан на сравнении суммы токов в параллельных
ветвях.
Ток
срабатывания защиты
, А, выбирается больше тока небаланса при внешних
коротких замыканиях
, (6.14)
где
- номинальный ток генератора.
А.
Ток
срабатывания реле
, А,
, (6.15)
где
- коэффициент трансформации трансформатора тока ТА,
;
А
6.4 Защита от замыканий на землю в обмотке статора генератора
На блоках, не имеющих гальванической связи с нагрузкой, для защиты от
замыканий на землю в обмотке статора устанавливается защита типа БРЭ 1301,
которая охватывает всю обмотку статора и не имеет зоны нечувствительности.
Защита состоит из двух органов (органов напряжения 1-й и 3-й гармоник). На
блоке с генератором ТГВ-300 устанавливается модификация защиты марки БРЭ
1301.01 (33Г-11).
Орган первой гармоники представляет собой реле максимального напряжения
К1, которое включено на первую гармонику напряжения нулевой последовательности
со стороны линейных выводов генератора. Для этого он подключается к обмотке
трансформатора напряжения TV1, соединенной в разомкнутый треугольник. Орган
срабатывает при замыкании на землю в обмотке статора и имеет зону
нечувствительности при замыканиях на землю вблизи нейтрали генератора.
Органом третьей гармоники в защите 33Г-11 является реле напряжения с торможением
К2, которое реагирует на относительное результирующее сопротивление третьей
гармоники обмотки статора со стороны нейтрали на землю. К рабочему контуру
этого реле подается сумма напряжений третьих гармоник от трансформаторов
напряжения со стороны линейных выводов генератора ТV1 и от трансформатора
напряжения ТV3 (UВ3 + UН3), установленного в нейтрали
генератора, а к тормозному контуру - только напряжение третьей гармоники со
стороны нейтрали генератора (UН3). Орган третьей гармоники
предназначен для действия при замыканиях на землю вблизи нейтрали генератора.
Напряжение срабатывания органа первой гармоники выбирается в пределах
10-15 В. Принимается U=15 В. Уставкой органа третьей гармоники реле с
торможением защиты 33Г-11 является его коэффициент торможения, который
рекомендуется выбирать равным Kторм=0,67. Для отстройки от
переходных процессов защита действует с выдержкой времени 0,5 с.
6.5 Защита
от замыканий на землю в обмотке ротора
Для сигнализации замыкания на землю в обмотке ротора и цепи возбуждения
турбогенераторов мощностью 100 МВт и более применяется защита типа КЗР-3. После
выявления замыкания на землю в одной точке обмотки ротора генератора мощностью
160 МВт и более она переключается на резервный возбудитель, и, если повреждение
не исчезнет, генератор разгружается и отключается.
В защите типа КЗР-3 используется наложение на цепь возбуждения
переменного напряжения частотой 25 Гц и измерение активной составляющей тока,
зависящей от сопротивления изоляции цепи возбуждения.
Источником тока частотой 25 Гц является магнитный делитель частоты (МДЧ),
питающийся от сети собственных нужд. Ток частотой 25 Гц подается через
вспомогательное устройство (ВУ) на обмотку возбуждения генератора (LG) и на
землю (на вал генератора). ВУ содержит частотные фильтры, запирающие для выхода
в защиту слагающие напряжения частотой 50, 150, 300 Гц; конденсаторы,
отделяющие цепи возбуждения от защиты; разрядник, защищающий измерительные цепи
защиты при появлении перенапряжения на выходе ВУ.
Чтобы защита реагировала на изменение сопротивления изоляции, на ее
измерительный орган должна подаваться только активная составляющая наложенного
тока. Для ее выделения используется фазочувствительная схема, состоящая из
диодов VD2 - VD5 и балластных резисторов R6 - R9, на которую подаются
наложенный ток через трансформатор тока ТА и напряжение частотой 25 Гц от
вторичной обмотки МДЧ.
Напряжение
на выходе фазочувствительной схемы
, В,
, (6.16)
где φ - угол между наложенным током I и создающим его напряжением.
Выдержка времени необходима для предотвращения излишних сигналов при
срабатывании защиты в условиях переходных процессов (при синхронизации, гашении
поля).
Основным недостатком защиты является недостаточная чувствительность,
обусловленная емкостью цепи возбуждения относительно земли, шунтирующей
переходное сопротивление в месте повреждения.
6.6
Дифференциальная защита трансформатора
В качестве основной защиты от многофазных и однофазных КЗ в блочном
трансформаторе применяется дифференциальная защита на реле ДЗТ-21. Принцип ее
работы основан на контроле тока по концам защищаемого объекта. Зона действия
защиты ограничивается трансформаторами тока, установленными со сторон высшего и
низшего напряжения трансформатора.
На блоках с высшим напряжением 220 кВ, подключенных к двойной системе
шин, защита со стороны высшего напряжения подключается к трансформаторам тока,
установленным в распределительном устройстве, и охватывает ошиновку
трансформатора.
Со стороны низшего напряжения блока при отсутствии генераторного
выключателя защита подключается к трансформаторам тока, установленным со
стороны линейных выводов генератора.
Реле подключается к трансформаторам тока через трансреактор TAV,
первичная обмотка которого включается в дифференциальную цепь защиты. Тормозные
цепи реле включают через два трансформатора TL1 и TL2.
Первичные обмотки трансреактора и трансформаторов тормозных цепей выполнены с
отпайками. [16]
Расчет защиты с ДЗТ-21.
1)
Определяется первичный минимальный ток срабатывания защиты (при отсутствии
торможения)
, А, по условию отстройки от броска тока
намагничивания при включении трансформатора блока под напряжение
, (6.17)
где
- коэффициент, обеспечивающий отстройку защиты от
бросков тока намагничивания; принимается равным 0,3;
-
номинальный ток тpансфоpматоpа, приведенный к стороне высшего напряжения, А;
, (6.18)
А;
А
Для
удобства значение минимального тока срабатывания защиты выражается в долях от
номинального тока трансформатора
, о.е.,:
(6.19)
2)
Определяются вторичные токи
, А, и
, А, протекающие в плечах защиты для сторон высшего и
низшего напряжения, в номинальном режиме работы трансформатора защищаемого
блока
, (6.20)
где
- коэффициент схемы соединения трансформаторов тока;
-
коэффициент тpансфоpмации тpансфоpматоpов тока;
А,
А,
А,
А
Значения токов в обоих плечах защиты не выходят за пределы диапазона
номинальных токов трансреактора (2.0¸5.5 А), что позволяет отказаться от установки выравнивающего
автотрансформатора.
На стороне низшего напряжения блока выбирается ответвление трансреактора
с номинальным током, ближайшим меньшим по отношению к вторичному номинальному
току, протекающему в плече защиты.
3) Производится выбор ответвлений трансреактора исходя из условий
выравнивания действия токов плеч защиты.
На
стороне низшего напряжения блока выбирается ответвление трансреактора
, А,
, (6.21)
А
(ответвление №2).
Номинальный
ток ответвления трансреактора
, А, на
стороне высшего напряжения блока выбирается как ближайший меньший к расчетному
току
, (6.22)
Принимается
А.
4) Выбираются уставки реле.
Для
стороны высшего напряжения
, о.е.,
(6.23)
Для
стороны низшего напряжения
, о.е.,
(6.24)
За
расчетную величину уставки принимается наибольшая, т.е.
о.е.
5) Выбираются ответвления трансформаторов тока тормозных цепей реле.
По [16] выбирается номинальный ток ответвления трансформатора тока
тормозной цепи со стороны высшего напряжения Iотв.т1 как ближайший
больший или меньший ко вторичному номинальному току Iв1,
протекающему в плече защиты.
Следует принять Iотв.т1 = 3,75 А (ответвление №2).
Выбор
ответвлений на трансформаторе ТА2, присоединяемом к трансформаторам тока в цепи
ответвления к собственным нуждам, производиться в соответствии с вторичным
номинальным током источника питания собственных нужд
, А,
, (6.25)
,
где
- номинальная мощность трансформатора собственных
нужд;
-
минимальное значение напряжения, В, принимается
;
-
коэффициент трансформации трансформатора тока в цепи собственных нужд;
А
(ответвление №1).
6) Определяются коэффициент торможения
Коэффициент
торможения реле ДЗТ-21 кт, о.е., определяется как отношение
приращения тока в рабочей дифференциальной цепи реле к полусумме приращения
тока в тормозной цепи реле
, (6.26)
Где
и
-относительное значение рабочего и тормозного токов
при внешнем КЗ;
-
выбранная уставка реле;
-
относительное значение тока начала торможения,
=1;
-
коэффициент отстройки, принимается равным 1,5.
Расчетными точками при определении коэффициента торможения являются:
а) внешнее трехфазное КЗ К1 на стороне высшего напряжения трансформатора
блока при подключении цепей дифференциальной защиты к трансформаторам тока,
установленным со стороны нулевых выводов генератора;
б) внешнее трехфазное КЗ К2 на ответвлении к собственным нуждам в режиме,
когда выключатель на стороне высшего напряжения блока отключен.
При
внешнем трехфазном КЗ по рабочей цепи реле протекает ток
, А, равный максимальному значению расчетного
вторичного тока небаланса, протекающему в реле защиты,
(6.27)
Ток
небаланса
, А, определяется как сумма двух составляющих
, (6.28)
где
- составляющая, обусловленная погрешностью трансформаторов
тока, А;
-
составляющая, обусловленная неточностью установки расчетного значения токов на
ответвлениях трансреактора, А;
, (6.29)
где
- коэффициент, учитывающий наличие апериодической
составляющей тока КЗ;
-
коэффициент однотипности трансформаторов тока;
ε=0,1 - допустимая погрешность трансформаторов тока;
-
максимальный ток при внешнем трехфазном коротком замыкании в расчетной точке,
протекающего в плече защиты на стороне высшего напряжения блока, А;
, (6.30)
где
- периодическая составляющая первичного тока при внешнем
трехфазном коротком замыкании в расчетной точке, А;
А; (6.31)
А,
А.
Значение
, А, определяется по формуле:
, (6.32)
А;
А.
По
тормозной цепи реле протекает ток
, А,
равный периодической слагающей вторичного тока трехфазного КЗ
(6.33)
Относительное
значение рабочего тока
, о.е.
(6.34)
Относительное
значение тормозного тока
, о.е.
(6.35)
Коэффициент торможения определяется по формуле (7.24),
Расчет
по пункту б).
При
внешнем повреждении на ответвлении к потребителям и собственным нуждам в точке
К2 в режиме, когда отключен выключатель на стороне высшего напряжения блока,
ток в рабочей цепи
, А, равен вторичному току трехфазного КЗ
, (6.36)
где
- периодическая составляющая тока трехфазного
короткого замыкания при повреждении в точке К2, приведенная к низшему
напряжению трансформатора блока, кА;
-
коэффициент трансформации трансформатора тока установленного на стороне низшего
напряжения блока;
, (6.37)
, (6.38)
;
тогда:
По
тормозной цепи реле протекает тормозной ток
, А,
равный периодической составляющей вторичного тока трехфазного короткого
замыкания
при повреждении в точке КЗ
, (6.39)
Относительные
значения рабочего и тормозного токов
, о. е.,
, (6.40)
, (6.41)
Коэффициент
торможения
, необходимый для отстройки защиты от внешнего
повреждения на ответвлении к собственным нуждам, определяется по выражению:
, (6.42)
В
качестве уставки коэффициента торможения защиты
принимается
большее из двух полученных расчетных значений
и
, т.е. 0,795.
7) Выбор уставок дифференциальной отсечки.
Уставка
тока срабатывания дифференциальной отсечки
, о.е.,
выбирается из условия отстройки от броска тока намагничивания при включении
трансформатора блока под напряжение
, (6.43)
где
=4 - коэффициент отстройки защиты от броска тока
намагничивания при включении трансформатора блока;
-
относительное значение вторичного рабочего тока в плече защиты, соответствующее
номинальному току трансформатора блока, о.е.;
, (6.44)
;
;
Согласно
данным завода-изготовителя отсечка имеет две уставки тока срабатывания
=6 или
=9.
Уставка тока срабатывания отсечки принимается ближайшей большей по отношению к
ее расчетному значению:
8) Определение чувствительности защиты
Чувствительность защиты определяется при повреждении в защищаемой зоне
только при отсутствии торможения. Расчетной точкой является металлическое
короткое замыкание на выводах высшего напряжения трансформатора блока при
отключенном выключателе со стороны высшего напряжения,
, (6.45)
, (6.46)
В соответствии с ПУЭ минимальный коэффициент чувствительности защиты
должен быть не менее 2.
6.7
Газовая защита трансформатора
Газовая защита реагирует на повреждения внутри бака трансформатора,
сопровождающиеся значительным нагревом и выделением газа. Выделяющиеся в
трансформаторе газы поступают в газовое реле, расположенное в маслопроводе
между трансформатором и расширителем.
Газовая защита имеет две ступени. Первая ступень действует на сигнал, а
вторая - на отключение. Первая ступень срабатывает при повреждениях,
сопровождающихся слабым газообразованием, после накопления определенного объема
газа в реле. Вторая ступень срабатывает при значительных повреждениях,
сопровождающихся бурным выделением газа.
Газовая защита обладает высокой чувствительностью и в ряде случаев
выявляет повреждения в начальной стадии. На некоторые виды опасных повреждений
(пожар в стали сердечника трансформатора, замыкание малого числа витков
обмоток, снижение уровня масла) реагирует только газовая защита, тогда как
другие защиты при этом не приходят в действие.
На трехфазных трансформаторах защита выполняется на одном газовом реле, а
на группе из трех однофазных трансформаторов - на трех газовых реле.
Защита выполняется на газовом реле типа РГТ.
6.8 Защита
от повышения напряжения
Предназначена для предотвращения недопустимого повышения напряжения в
обмотке статора. Устанавливается на всех энергоблоках с турбогенераторами
мощностью 160 МВт и более.
Защита выполняется с помощью реле максимального напряжения KV1 типа РСН
14-30 (или РН-58/200), подключенного к трансформатору напряжения.
Уставка
на реле напряжения
, В,
, (6.47)
Где
- номинальное напряжение генератора, кВ;
кВ
Защита не имеет выдержки времени и может действовать только на холостом
ходу генератора (на гашение поля). При работе блока на нагрузку она
автоматически выводится из действия с помощью трехфазных токовых pеле типа РТ-40/Р
(KA1-KA3), размыкающих свои контакты при появлении тока и устанавливаемых для
использования в схемах УРОВ с целью контроля тока в выключателях.
Реле KA2 и KA3 вводят в действие защиту при отключенном выключателе в
цепи генератора. При включенном положении этого выключателя и отключении
выключателя (или двух выключателей) на стороне высшего напряжения реле KA2 и
KA3 могут разомкнуть свои контакты из-за значительного возрастания тока
намагничивания трансформатора блока. Для ввода защиты в действие в этом случае
предусмотрено использование реле KA1.
При отсутствии выключателя в цепи генератора в схеме защиты должно
предусматриваться токовое реле, подключенное к трансформаторам тока на стороне
высшего напряжения.
При переходе генеpатоpа блока в режим холостого хода защита автоматически
вводится в действие с выдержкой времени около 3 с (реле KT), перекрывающей
длительность кратковременного повышения напряжения на генеpатоpе при его
отключении от сети./25/
6.9
Дифференциальная защита блока
Защита устанавливается в качестве дополнительной резервной
быстродействующей защиты к продольным дифференциальным защитам на блоках с
генераторами, имеющими непосредственное охлаждение проводников обмоток. Она
защищает от междуфазных КЗ в обмотке статора генератора и на его выводах, а
также от всех видов повреждений в обмотках трансформатора блока и на его
выводах.
При применении резервной дифференциальной защиты на блоках без
выключателя в цепи генератора рекомендуется предусматривать отдельные основные
дифференциальные защиты генератора и трансформатора.
Резервная дифференциальная защита действует так же, как и основные защиты
блока, но через другую группу выходных реле. На выходе ее предусматривают
выдержку времени около 0,3 с для отстройки по времени от дифференциальной защиты
генератора.
Защита присоединяется к трансформаторам тока, установленным на стороне
высшего напряжения блока, и к трансформаторам тока со стороны нулевых выводов
генератора.
Продольная дифференциальная защита блока может выполняться на реле ДЗТ-21
и ДЗТ-11.
При расчете защита должна отстраиваться по току срабатывания от КЗ за
трансформатором собственных нужд, так как ток ответвления в защиту не подается.
6.10
Защита от внешних коротких замыканий на землю
На блоках с заземленной нейтралью трансформаторов от внешних КЗ на землю
устанавливается резервная токовая защита нулевой последовательности. Защита
выполняется с помощью двух реле тока КА1 и КА2 типа РТ - 40.
Реле
подключается к трансформатору тока в нейтрали силового трансформатора. Реле КА1
и КА2 имеют разную чувствительность, каждое реле обеспечивает возможность
действия защиты с двумя выдержками времени. Более чувствительное реле КА1
создает команду на деление шин высшего напряжения (с выдержкой
) и на ускорение ликвидации неполнофазных режимов
блока (
). Более грубое реле КА2 формирует команду на
отключение выключателей со стороны высшего напряжения при неотключившемся КЗ в
сети (дальнее резервирование) с временем
и на
полный останов блока (ближнее резервирование) с большим временем действия
.
6.11
Токовая защита обратной последовательности
а блоках с генераторами 300 МВт для защиты от внешних несимметричных КЗ и
несимметричных перегрузок устанавливается токовая защита обратной
последовательности с интегральной зависимой характеристикой выдержек времени
типа РТФ-6М.
Реле РТФ-6М содержит пять отдельных органов: пусковой, сигнальный,
интегральный и две отсечки.
Сигнальный орган действует на сигнал при появлении несимметрии токов
генератора, которая должна быть устранена дежурным персоналом.
Пусковой орган обеспечивает пуск интегрального органа.
Интегральный орган предназначен для защиты генератора от перегрузки
токами обратной последовательности и действует с выдержкой времени, зависящей
от величины тока обратной последовательности. В типовых схемах защиты блоков
интегральный орган действует обычно с двумя выдержками времени, для этого на
его выходе устанавливается выносное реле времени. С меньшей выдержкой времени
(проскальзывающий контакт реле времени) интегральный орган действует на
отключение выключателей высшего напряжения блока, а с большей (упорный контакт)
- на останов блока.
Отсечка I (чувствительная отсечка) является резервной защитой от внешних
несимметричных КЗ и действует с двумя выдержками, устанавливаемыми на отдельном
реле времени. С меньшей выдержкой времени защита обычно действует на деление
шин высшего напряжения, а с большей - на отключение выключателей высшего
напряжения блока.
Отсечка II (грубая отсечка) предназначена для ближнего резервирования
основных защит при двухфазных КЗ на выводах генератора и в его статорной
обмотке. Используется на блоках с генераторными выключателями и действует с
выдержкой времени на отключение этого выключателя и останов турбины. Выдержка
времени обеспечивается с помощью отдельного реле времени. При наличии на блоке
резервной дифференциальной защиты или при отсутствии генераторного выключателя
отсечка II обычно не используется.
Защита подключается к трансформаторам тока, установленным со стороны
нулевых или линейных выводов генератора, чем обеспечивается действие защиты при
внутренних несимметричных КЗ.
Расчет токовой защиты обратной последовательности с интегральной
зависимой характеристикой выдержек времени:
1.
Ток срабатывания отсечки II
, о.е.,
определяется исходя из обеспечения заданной чувствительности при к.з. на
выводах генератора
(6.48)
Где
- коэффициент чувствительности, для блоков мощностью
300 МВт принимается равным 1,2;
-
сверхпереходный относительный ток обратной последовательности, протекающий при
двухфазном к.з. на выводах генератора, о.е., (точка К3);
, (6.49)
Время срабатывания отсечки II в
секундах выбирается по условию согласования с основными защитами
с. (6.50)
2. Ток срабатывания отсечки I выбирается по условию согласования с
резервными защитами от междуфазных КЗ присоединений распределительного
устройства на стороне высшего напряжения блока
о.е. (6.51)
Выдержка
первой ступени отсечки I
, с, предназначенной для деления шин высшего
напряжения, выбирается по условию согласования с максимальным временем
резервных защит присоединений, отходящих от шин
(6.52)
Где
- время срабатывания резервных защит присоединений,
с;
с
-ступень селективности, с;
с.
Указанная
выдержка времени
, с, должна быть меньше времени действия интегрального
органа при двухфазном КЗ за трансформатором блока
, (6.53)
Где
- время срабатывания интегрального органа, с,
определяется по типовой характеристике в относительных единицах при двухфазном
КЗ за трансформатором блока, с;
, (6.54)
Где
- постоянная, задаваемая заводом-изготовителем;
-
относительное значение тока обратной последовательности, приведенное к
номинальному току генератора; рисунок 6.3 точка К1;
с,
с.
Выдержка
времени второй ступени отсечки I
, с,
выбирается на ступень больше времени действия первой ступени:
, (6.55)
с
3.
Hа интегральном органе реле устанавливается уставка
, соответствующая значению этой постоянной для
защищаемого генератора.
.
Ток срабатывания пускового органа для надежного пуска интегрального органа
рекомендуется выбирать равным, о.е.,
(6.56)
5. Ток срабатывания сигнального органа выбирается исходя из длительно
допустимой несимметрии токов статора турбогенератора, равной 10%; при этом
длительно допустимый ток обратной последовательности должен быть не более 5-7
%, поэтому принимается равным, о.е.,
(6.57)
Вpемя действия сигнального органа выбирается больше, чем время действия
резервных защит блока, и принимается обычно равным 9 с.
Допустимое
время устранения
, с, несимметрии токов статора определяется по
тепловой характеристике при токе равном току срабатывания пускового органа
, (6.58)
с.
Для
генераторов мощностью 160 - 800 МВт
мин.
За
это время несимметрия должна быть устранена дежурным персоналом энергосистемы.
6.12
Защита от внешних симметричных коротких замыканий
На блоках с генераторами мощностью 300 МВт для защиты от внешних
симметричных коротких замыканий устанавливается односистемная дистанционная
защита AKZ1, выполненная с использованием блока реле типа БРЭ 2801.
Блок реле сопротивления содержит три одинаковых реле сопротивления типа С
108, что позволяет выполнить защиту двухступенчатой (третье реле сопротивления
используется в защите от потери возбуждения).
Каждое реле сопротивления (KZ) включается на междуфазное напряжение от
трансформатора напряжения TV1, установленного на выводах генератора, и разность
токов соответствующих фаз трансформаторов тока, установленных в нейтрали
генератора или со стороны линейных выводов его статорной обмотки.
Реле сопротивления выполняются на основе схемы сравнения по фазе двух
электрических величин и имеют характеристики срабатывания в виде окружности или
пересекающихся дуг окружности (эллипса). Характеристики могут располагаться в I
квадранте плоскости и проходить через начало координат или смещаться в I или
III квадранты (направленное реле полного сопротивления), а также выполняться с
центром в начале координат (ненаправленное реле).
Соотношения осей эллипса у эллиптической характеристики могут быть равны
1; 0,75; 0,5.
Угол максимальной чувствительности у направленного реле (φмч) равен 65° или 80°.
Смещение окружности в III квадрант Zсм/Zуст может выбираться равным 0,06; 0,12;
0,2; 1.
Для дистанционной защиты генератора рекомендуется выбирать круговые
характеристики, расположенные в I квадранте комплексной плоскости и смещенные и
III квадрант. Для лучшей отстройки от сопротивления нагрузки характеристику
второй ступени защиты можно выбирать в виде эллипса. Характеристики реле
сопротивления первой и второй ступеней дистанционной защиты приведены на
рисунке 6.5.
Если на блоке установлена резервная дифференциальная защита, то
дистанционная защита должна обеспечивать дальнее резервирование и может
выполняться одноступенчатой (соответствует третьей ступени дистанционной защиты
линий). В этом случае дистанционная защита, действует с двумя выдержками
времени: с меньшей - на деление шин высшего напряжения, с большей - на
отключение выключателей высшего напряжения блока.
При отсутствии резервной дифференциальной защиты дистанционную защиту
целесообразно выполнять двухступенчатой. Первая ступень (соответствует второй
ступени защиты ЛЭП) осуществляет ближнее резервирование, согласуется со вторыми
ступенями дистанционных защит отходящих ЛЭП и действует с двумя выдержками
времени: с меньшей - на отключение выключателей высшего напряжения блока, с
большей - на полное отключение и останов блока. Вторая ступень дистанционной
защиты при этом выполняет дальнее резервирование.
6.13
Защита от симметричной перегрузки статора
Защита от симметричной перегрузки выполняется с помощью реле тока КА5,
включенного на ток одной фазы. В защите используется реле тока с высоким
коэффициентом возврата типа РТВК, выполненное на полупроводниках.
Ток срабатывания защиты определяется по выражению, А,
, (6.59)
Где
- коэффициент отстройки, принимается равным 1,05;
-
коэффициент возврата реле, равен 0,99;
-
номинальный ток генератора, А,
А
Защита действует на сигнал с выдержкой времени 9 с.
6.14
Защита ротора генератора от перегрузки током возбуждения
Для защиты обмотки ротора от перегрузки током возбуждения на
турбогенераторах мощностью 300 МВт применяют токовую защиту с интегральной
зависимой характеристикой выдержки времени, соответствующей тепловой
характеристике генератора.
Защита выполняется на реле АКJ2 типа РЗР-1М, которое подключается к
датчику тока ротора. При тиристорном и высокочастотном возбуждении датчиком
тока является трансформатор постоянного тока UА, при бесщеточном возбуждении используется индукционный
короткозамкнутый датчик тока ИКДТ.
Трансформатор постоянного тока представляет собой магнитный усилитель, в
котором управляющая обмотка, включенная на ток ротора, выполнена в виде
стержня, проходящего внутри двух магнитопроводов. Рабочая обмотка, к которой
подключается защита, располагается на обоих магнитопpоводах и питается
переменным током от вспомогательного устройства АКN. Для предотвращения
тpансфоpмации переменного тока из рабочей обмотки в управляющую соединение
рабочих обмоток, размещенных на разных сердечниках, выполняется так, чтобы
м.д.с. этих обмоток наводили в управляющей обмотке встречные, взаимно
компенсирующие э.д.с.
Защита РЗР-1М содержит входное пpеобpазовательное устройство UV,
пусковой, сигнальный и интегральный органы.
Входное пpеобpазовательное устройство служит для настройки защиты на
заданный номинальный вторичный ток pотоpа.
Пусковой оpган служит для пуска интегрального оpгана.
Интегральный орган защиты имеет две ступени действия и, следовательно,
две зависимые характеристики выдеpжки вpемени.
Пеpвая ступень интегрального оpгана на туpбогенеpатоpах с тиpистоpным
возбуждением используется для двухступенчатого pазвозбуждения (сначала
действует на pазвозбуждение чеpез цепи АРВ, затем с большим временем на
отключение АРВ). Hа туpбогенеpатоpах с высокочастотным возбуждением пеpвая
ступень интегрального оpгана действует на устройство ограничения фоpсиpовки.
Втоpая
ступень интегрального оpгана защиты действует на отключение выключателя
генеpатоpа, гашения поля и останов турбины. Вpемя данной ступени
с, защиты выбирается по тепловой хаpактеpистике
генеpатоpа с учетом накопления тепла в обмотке pотоpа пpи перегрузке и
охлаждении pотоpа после ее устpанения
, (6.60)
Где
- постоянная, учитывающая накопление тепла в pотоpе;
и
- коэффициенты, зависящие от вида характеристик и
диапазона уставок;
-
относительное значение тока pотоpа, о.е.
Сигнальный оpган действует на сигал пpи перегрузках pотоpа.
Расчет и выбоp уставок защиты.
1.
Выбирается первичный номинальный ток тpансфоpматоpа постоянного тока и
пpовеpяется соотношение
, о.е.,
, (6.61)
Где
- вторичный номинальный ток pотоpа генеpатоpа, А;
-
номинальный ток устpойства РЗР, А, равный 2,5 А.
Вторичный
номинальный ток pотоpа
, А,
(6.62)
Где
- номинальный ток pотоpа, А;
-
коэффициент тpансфоpмации трансформатора постоянного тока UA;
2. Выбирается уставка пускового оpгана
Диапазон уставок пускового оpгана по току pотоpа в относительных единицах
равен от 1,05 до 1,25. Принимается 1,1.
3. Для интегрального оpгана выбирается исполнение защиты.
Исполнение
I выбирается, если допустимая длительность двухкpатного
номинального тока в обмотке pотоpа составляет 20 с, а исполнение II,
если 30 с.
В
таблице 6.1 приведены выдеpжки вpемени для интегрального оpгана защиты.
4. Уставки сигнального оpгана могут регулироваться в пpеделах от 1,0 до
1,2. Рекомендуется пpинять 1,05.
5.
Выдеpжка вpемени действия сигнального оpгана защиты принимается равной
=10с.
Таблица 6.1
Выдеpжки вpемени защиты РЗР-1М пpи pазличных кратностях тока на
максимальной уставке
|
|
Выдержка времени ,с
|
|
Исполнение I
|
Исполнение II
|
|
I ступень
|
II ступень
|
I ступень
|
II ступень
|
|
1,1
|
480
|
600
|
480
|
600
|
|
1,2
|
215
|
265
|
250
|
310
|
|
1,5
|
50
|
60
|
74
|
92
|
|
2
|
16
|
20
|
24
|
30
|
6.15 Защита от асинхронного хода
На блоках с турбогенераторами мощностью 160 МВт и более, имеющими
непосредственное охлаждение проводников обмоток, следует предусматривать
устройства защиты от асинхронного режима с потерей возбуждения.
При переводе в асинхронный режим турбогенератора, потерявшего
возбуждение, указанные выше устройства защиты или автоматического гашения поля
должны действовать на сигнал о потере возбуждения и производить автоматическое
переключение нагрузки собственных нужд на резервный источник питания.
Все турбогенераторы, не допускающие асинхронного режима, а также
остальные турбогенераторы в условиях дефицита реактивной мощности в системе при
действии указанных устройств должны отключаться от сети.
Защита от асинхронного режима реагирует на изменение величины и фазы
полного сопротивления на выводах генератора при потере возбуждения.
В нормальных режимах работы вектор полного сопротивления генератора
располагается обычно в I квадранте комплексной плоскости сопротивлений. При
исчезновении возбуждения вектор полного сопротивления перемещается в IV
квадрант, так как в этом режиме генератор продолжает выдавать в сеть активную
мощность, потребляя из сети реактивную мощность.
При замыкании обмотки ротора на выпрямитель в схеме тиристорного
возбуждения это сопротивление может уменьшаться примерно до 0,5·хd'. Следовательно, для реагирования на
потерю возбуждения реле сопротивления должно выполняться с характеристикой,
размещенной в IV квадранте комплексной плоскости и охватывающей область от хd до 0,5 0,5·хd'. Защита от асинхронного режима
выполняется с помощью одного из трех реле сопротивления (КZ3), входящих в дистанционную защиту
АК21 типа БРЭ 2801. Реле включается на разность фазных токов и линейное
напряжение.
Угол максимальной чувствительности реле принимается равным 80°.
Полярность цепей напряжения изменяется при наладке защиты, при этом угол φмч становится равным 260°. Специальным
регулированием угол φмч доводится до 265-266°. Таким
образом, обеспечивается то, что характеристика реле сопротивления располагается
в III и IV квадрантах комплексной плоскости сопротивлений. Диаметр окружности
характеристики выбирается равным, о.е.,
(6.63)
смещение в III квадрант, о.е.,
(6.64)
Для предотвращения излишних срабатываний защиты при нарушениях
динамической устойчивости и асинхронном ходе в системе время действия защиты
принимается равным 1-2 с.
Для того, чтобы защита не подействовала в режиме самосинхронизации
генератора, она вводится в действие с выдержкой времени 1 с после появления
тока в статоре генератора.
Для предотвращения излишних срабатываний защиты при внешних
несимметричных КЗ в ее выходной цепи предусматривается блокировка от токовой
защиты обратной последовательности.
Защита может действовать на перевод генератора в асинхронный режим. При
этом должны обеспечиваться условия допустимой работы генератора в асинхронном
режиме: защита действует на разгрузку турбины до мощности 0,4·Рном1,
в блок релейной форсировки турбины для ее торможения, на отключение
выключателей со стороны 6 кВ рабочего трансформатора собственных нужд, на
отключение АГП.
Действия защиты на разгрузку турбины и на гашение поля генератора
импульсные, чтобы не препятствовать ресинхронизации генератора при
восстановлении цепей возбуждения или при переводе генератора на резервное
возбуждение.
Если асинхронный режим недопустим для генератора или для энергосистемы,
то защита действует на отключение генератора, гашение поля и останов турбины.
7.
Разработка конструкции РУ 220 кВ
В настоящее время разработаны типовые схемы распределительных устройств
повышенных напряжений (35-750 кВ). Выбор той или иной схемы зависит от
номинального напряжения и количества присоединений.
Исходя из главной схемы станции, необходимо выбрать конструкцию РУ для
последующей увязки с ней электрических аппаратов, токоведущих частей и их
расположения. Выбор компоновки производится на основе технико-экономических
показателей: шаг ячейки, габариты и площадь РУ, количество изоляторов, расход
ошиновки и несущих конструкций, стоимость материалов и монтажных работ.
В дипломном проекте разрабатываются конструкции РУ 110, 220 и 500 кВ. РУ
110 и 220 кВ выполняются по схеме «Две системы сборных шин с обходной системой
шин». Две рабочие системы шин примыкают друг к другу; обходная система шин
отнесена за линейные порталы. Сборные шины, разъединители, выключатели
расположены рядами по длине ОРУ. Для выключателя принята однорядная установка,
что позволяет примерно на 20% уменьшить ширину РУ по сравнению с двухрядным
расположением. Преимущество данной схемы в том, что можно выводить в ремонт
систему шин и любой выключатель без отключения присоединений, возможность
параллельной работы автотрансформаторов связи, а также сравнительно малое
количество выключателей на присоединение - 1,18. К недостаткам схемы можно
отнести сложность при обслуживании и малую наглядность. Кроме того,
разъединители используются не только для вывода оборудования в ремонт, но и для
и для изменения схемы, что несколько снижает надежность.
Размеры ОРУ 110 кВ:
Длина = 9 х 12 = 108 м
Ширина = 37 м.
Размеры ОРУ 220 кВ:
Длина = 15,4 х 13 = 200,2 м
Ширина = 86,5 м.
Для ОРУ 500 кВ принята схема «2/3», также называемая «полуторной». Она
состоит из двух систем шин, между которыми включены цепи из трех выключателей.
Присоединения подключаются между двумя выключателями. Так как число
присоединения равно семи, то в данном распредустройтсве будет три ячейки по три
выключателя в каждой, и одна ячейка с двумя выключателями. Отключение любого
присоединения производится срабатыванием двух выключателей. Преимущества такой
схемы: можно выводить в ремонт любую систему шин и любой выключатель без
отключения присоединений, применение разъединителей только для вывода в ремонт
оборудования, возможность некоторых присоединений при отключении отключении
обоих систем шин. Недостатками является сооружение двухярусных порталов для
переноса ошиновки оборудования над системами шин, а также то, что поскольку
число присоединений нечетно, приходится завышать число выключателей на
присоединение.
Размеры ОРУ 500 кВ:
Длина = 31 х 4 = 124 м
Ширина = 281,5 м.
8.
Безопасность жизнедеятельности
8.1 Расчет
заземляющего устройства ОРУ 220 кВ
Расчет заземляющих устройств в установках 110 кВ и выше производится по
предельно допустимому напряжению прикосновения, которое нормируется в
зависимости от длительности воздействия. Расчет производится по методике,
изложенной в [22].
На рисунке 8.1 показан разрез ячейки и заземляющее устройство ОРУ 220 кВ.
РУ 220 кВ состоит из 13 ячеек. Длина ОРУ с учетом ограждений составляет
206,8 м, ширина 102,9 м. Заземляющее устройство выполняется из вертикальных
заземлителей, соединительных полос, проложенных вдоль рядов оборудования, и
выравнивающих полос, проложенных в поперечном направлении и создающих
заземляющую сетку с переменным шагом. Расстояние от заземляющего устройства до
ограды ОРУ - 2 м. В соответствии с этим длина заземляющего устройства 189,5 м,
а ширина - 98,9 м.
Принимается
в качестве верхнего слоя супесок (
Ом×м), в качестве нижнего слоя глина (
Ом×м). РУ находится в третьей
климатической зоне, где толщина верхнего слоя h1= hС=1,8
м.
Принимается
глубина заложения электродов t=0,6 м, длина вертикальных электродов lВ=9
м. Вертикальные электроды установлены по периметру сетки в местах пересечения
внутренних проводников с контурным.
Площадь
заземляющего устройства
, м2,
м2
Периметр
заземляющего устройства
, м,
м
Общая
длина горизонтальных проводников
, м,
м.
Число
вертикальных электродов
шт.
Полная
длина вертикальных электродов
, м,
, (8.1)
м.
Среднее
расстояние между вертикальными проводниками
, м,
, (8.2)
м.
Определяется
сопротивление заземлителя
, Ом,
,(8.3)
где
при
;
при
;
-
эквивалентное удельное среднее сопротивление земли, Ом·м;
, (8.4)
где
при
;
при
;
,
,
,
,
Ом∙м.
Ом.
Сопротивление
заземляющего устройства, включая естественные заземлители
, Ом,
где
Ом - сопротивление естественных заземлителей;
Ом.
Наибольшее
допустимое напряжение прикосновения составляет
В для
времени воздействия
с.
Напряжение,
приложенное к человеку
, В,
, (8.6)
где
- коэффициент распределения потенциала по поверхности
земли;
-
начальное значение периодической составляющей тока при однофазном КЗ на ОРУ, А,
при расчете заземления принимается
;
А,
, (8.7)
, (8.8)
где
М=0,75;
=1000 Ом
- сопротивление тела человека;
-сопротивление
растекания тока от ступней, Ом;
-
сопротивление верхнего слоя земли, Ом·м.
,
,
В.
Проверяется
условие
., (8.9)
,49
В < 400 В.
Потенциал
заземляющего устройства в аварийном режиме
, В,
, (8.10)
где
- ток, стекающий с заземлителя в аварийный период, А;
В.
9.
Экологический раздел
9.1
Применение электрофильтров для очистки газов
Электрофильтр - пылеуловитель, в котором улавливание частиц пыли или
жидкости осуществляется с помощью электрических сил. Частицы пыли получают (как
правило) отрицательный электрический заряд в поле коронного разряда и движутся
под действием электрического поля к заземленным электродам, оседают на них и
после регенерации электродов собираются в бункерах. Небольшая часть пыли,
примерно 0,5-1 % от общего количества, приобретает положительный заряд и
осаждается на коронирующих электродах и также периодически удаляется. Характер
распределения количества уловленной пыли по длине осадительного электрода
выражается (за исключением начальной части) кривой, близкой к экспоненте.
Для создания электрического поля в электрофильтрах применяются
повысительно-выпрямительные агрегаты напряжением 80 кВ и выше с системами
регулирования, обеспечивающими требуемый режим питания.
Область применения электрофильтров
Среди других способов обеспыливания газов электрический является наиболее
эффективным, а электрофильтр - самым универсальным аппаратом, т.к. сила,
обеспечивающая улавливание, приложена непосредственно к частице, несущей
электрический заряд. Необходимо, однако, особо отметить, что универсальность
принципа действия электрофильтров ни в коей мере нельзя относить к конструкции
аппарата, которая для успешной реализации возможностей электрогазоочистки,
должна быть индивидуальной, применительно к конкретным условиям его
эксплуатации. Другими словами, конструкции электрофильтров, устанавливаемых в
различных отраслях промышленности, имеют существенные отличия. А аппараты,
устанавливаемые даже в одной отрасли промышленности, например, в
теплоэнергетике, должны иметь индивидуальные особенности, вплоть до
конструктивных отличий, обусловленных проектными, технологическими и режимными
особенностями их работы. Основные преимущества электрической очистки газов
следующие: - широкий диапазон производительности - от нескольких м3/час
до миллионов м3/час; - степень очистки газов - до 99,9 % и выше; -
гидравлическое сопротивление - не более 0,2 кПа (является основной причиной
низких эксплуатационных затрат); - электрофильтры могут улавливать сухие
частицы, капли жидкости и частицы тумана; - в электрофильтрах улавливаются
частицы размером от 0,01 мкм (вирусы, табачный дым) до десятков микрон.
Преимущественная и экономически более целесообразная область применения
электрофильтров - очистка больших объемов газов, отходящих от технологических
агрегатов большой мощности, однако, в ряде случаев, применение электрофильтров
может оказаться целесообразным и при очистке относительно малых объемов газов.
Особенностью электрофильтров является высокая чувствительность процессов
электрической очистки газов к неудовлетворительной центровке электродной
системы и отклонениям технологического режима от проектного, а также к
механическим дефектам внутреннего оборудования, которые могут являться
результатом недостаточно тщательного проведения монтажных работ или
неквалифицированного обслуживания при эксплуатации. Применение электрофильтров
ограничено, если очищаемый газ представляет собой взрывоопасную смесь или такая
смесь может образоваться в ходе процесса в результате отклонения от нормального
технологического режима, так как при работе электрофильтра существует
вероятность возникновения искровых разрядов.
В исключительных случаях электрофильтры могут устанавливаться в условиях
возможного образования взрывоопасных сред, однако при этом принимаются особые
меры предосторожности, включающие специальные конструктивные решения,
автоматическое выключение электропитания при возникновении взрывоопасных
ситуаций и др. В тех случаях, когда удельное электрическое сопротивление
осажденного слоя пыли (УЭС) чрезмерно высоко, применение электрофильтров
требует использования специальных мер по снижению УЭС пыли, что удорожает
стоимость пылеулавливающей установки. В зависимости от вида улавливаемых частиц
электрофильтры подразделяются на сухие (пластинчатые горизонтальные и
вертикальные) и мокрые.
Осадительные электроды мокрых электрофильтров представляют собой трубы с
различной формой сечения. Они изготавливаются для агрессивных и не агрессивных
газов, имеющих различную температуру. В сухих электрофильтрах очистка
осадительных электродов от пыли осуществляется путем их встряхивания с помощью
специальных механизмов. В мокрых электрофильтрах удаление пыли производится с
помощью жидкостей (слабая кислота, вода и др.). Для обеспечения равномерного
распределения очищаемого газа по сечению электрофильтра их корпуса снабжаются
специальными газораспределительными решетками и газонаправляющими устройствами,
определение параметров которых производится на моделях. Корпуса электрофильтров
рассчитаны на использование в районах определенной сейсмичности.
Для районов повышенной сейсмичности разрабатываются специальные корпуса.
В районах с умеренным климатом электрофильтры обычно размещают на открытом
воздухе, а при необходимости защиты от атмосферных осадков - под навесом.
Климатическое исполнение аппаратов и сейсмичность района установки указываются
в описании конкретных типов электрофильтров.
Производительность конкретного типоразмера электрофильтра по очищаемому
газу не является величиной постоянной. Ее величина зависит от скорости газа в
электрофильтре, которая определяется физико-химическими свойствами пылегазового
потока, проектными решениями и технологическими особенностями пылевыделяющего
агрегата. Для ориентировочного сравнения аппаратов в справочной литературе
приводится производительность электрофильтров при условно принятой скорости
газов в активном сечении электрофильтра равной, например, 1 м/с (фактическая
скорость может существенно отличаться от этой величины в большую или меньшую
сторону).
Подвод электрического тока от повысительно-выпрямительных агрегатов
осуществляется с помощью высоковольтных кабелей или шин (при установке
источников питания на крышке электрофильтра). Степень очистки газов электрофильтрами
зависит от многих факторов (физико-химических свойств пылегазового потока,
скорости и времени пребывания газа в электрофильтре, конструкции электродов,
режимов питания и встряхивания электродов, качества газораспределения и др.).
Режимы электропитания полей и встряхивания электродов необходимо безусловно
поддерживать на оптимальных уровнях, учитывающих все особенности работы
электрофильтра.
Качество газораспределения обеспечивается на стадии проектирования
установки электрогазоочистки путем продувки физических моделей, а при
необходимости инструментальным обследованием непосредственно промышленного
электрофильтра и внесением требуемых изменений в конструкции
газораспределительных устройств. Степень очистки газов электрофильтром
неразрывно связана с технологическими и режимными условиями его работы.
Величина степени очистки газов электрофильтров, требуемый типоразмер
электрофильтра, ряд режимов его работы определяются фирмой-разработчиком
аппарата по специально разработанным методикам.
10. Организационно-экономическая
часть
10.1
Расчёт капитальных вложений в Нижнесалдинскую ГРЭС
Капитальные
вложения в энергоустановки и их структура зависят от многих факторов: типа
установки и ее мощности, числа и параметров устанавливаемых агрегатов,
применяемых схем технологических связей, местных условий строительства, степени
индустриализации строительно-монтажных работ, вида используемого топлива, и др.
Стоимость строительства тепловой электростанции К, млн. руб., может быть определена по показателю капитальных
удельных затрат Куд, который принимается равным 21000 руб./кВт.,
так как мощность агрегата составляет 300 МВт и основным топливом выбран уголь.
Стоимость
строительства тепловой электрической станции
, млн.
руб., может быть определена по показателю капитальных удельных затрат
руб./кВт,
(10.1)
где
установленная мощность станции, кВт;
удельные
капитальные затраты, руб./кВт;
21000∙1800∙10-3=37800
млн. руб.,
10.2
Расчет годового расхода топлива
Годовой расход условного топлива, т.у.т.,
,(10.2)
где
ВЭ - расход топлива на выработку электроэнергии, т.у.т.;
ВТ
- расход топлива на отпуск теплоты из отборов турбины, т.у.т.
Расход
топлива на выработку электроэнергии, т.у.т.,
, (10.3)
где
(кг.у.т./кВт·ч), - удельный расход условного топлива
на выработку э/э.
0,294 [технологическая часть проекта];
-
годовая выработка электроэнергии, кВт·ч [технологическая часть проекта];
0,294∙13128,6
=3859808,7 т.у.т.
Расход
топлива на отпуск теплоты из отборов турбины, т.у.т.,
, (10.4)
где
(кг.у.т./ГДж) - удельный расход условного топлива на
отпуск тепла,
37,39 [технологическая часть проекта];
-
отпуск турбоустановкой тепловой энергии за год, ГДж, [технологическая часть
проекта];
471360
МВт∙ч=1696,9
.
37,39
∙1696,9
=63447
т.у.т.
3859808,7+63447
=3923255,7 т.у.т.
10.3
Расчет себестоимости производства электро и теплоэнергии
Себестоимость отпущенной потребителям энергии может быть определена на
основе составления укрупненной сметы затрат, включающие следующие элементы:
-
топливо на технологические цели -
;
амортизация
основных средств -
;
расходы
на оплату труда -
;
отчисления
на социальные нужды -
;
отчисления
в ремонтный фонд -
;
прочие
расходы -
.
. (10.5)
Затраты
на топливо и технологические нужды
, млн.
руб./год,
, (10.6)
где
- годовой расход условного топлива, т.у.т.;
-
теплота сгорания топлива, ккал/кг, для каменного угля Кузбасского
месторождения, [9];
- цена
добычи и транспортировки топлива, руб. /т.н.т., принимается на основе цен на
котельно-печное топливо по данным действующих энергокомпаний;
-
стоимость транспортировки топлива, руб. /т.н.т.;
Р
=1 - потери топлива при транспортировке, разгрузке и хранении, %;
,
где
- тариф на перевозку топлива, руб./т.н.т.,
принимается равным 2,5 руб./т.н.т., на основе дейтвующих тарифов на
транспортироку;
-
дальность транспортировки топлива, км, принимается равной 1800 км;
руб.
/т.н.т.
млн.
руб./год
К
расходам на оплату труда относятся расходы на оплату труда основного
производственного персонала станции, включая премии рабочим, специалистам и
служащим за производственные результаты, стимулирующие и компенсирующие
выплаты, а также расходы на оплату труда не состоящих в штате станции
работников
, руб./год
,(10.7)
где
- среднегодовая зарплата 1 ППП, руб. расчет
производится в таблице 10.1,
645 чел.
- численность эксплуатационного персонала за вычетом
административно-управленческого персонала по укрупненным нормативам численности
ППП ГРЭС [9];
645∙27741,56∙12=214,72
млн. руб/год.
Таблица 10.1
Расчет средств на оплату труда
|
Наименование показателя
|
Величина показателя
|
|
Минимальная тарифная ставка
рабочего первого разряда, руб.
|
5554
|
|
Средняя ступень оплаты
труда
|
6
|
|
Тарифный коэффициент,
соответствующий средней оплате труда
|
1,76
|
|
Среднемесячная тарифная
ставка 1 ППР, руб.
|
9775,04
|
|
Доплата к тарифу за вредные
условия труда
|
|
|
- в процентах
|
5
|
|
- в рублях на человека
|
488,75
|
|
Доплата к тарифу за
многосменный режим работы
|
|
|
- в процентах
|
15
|
|
- в рублях на человека
|
1466,26
|
|
Текущее премирование
|
|
|
- в процентах к тарифу,
включая доплаты за вредные условия и многосменный режим
|
70
|
|
- в рублях на человека
|
8211,03
|
|
Выплата вознаграждений за
выслугу лет
|
|
|
- в процентах к тарифу
|
12,5
|
|
- в рублях на человека
|
1221,88
|
|
Выплата вознаграждений по
итогам работы за год
|
|
|
- в процентах к тарифу
|
20
|
|
- в рублях на человека
|
1955,01
|
|
Выплата районных
коэффициентов и северных надбавок (Свердловская область, г. Нижняя Салда)
|
|
|
- в процентах к заработку
|
20
|
|
- в рублях на человека
|
4623,59
|
|
Итого расчетная средняя
заработная плата ППП на 1 человека в месяц, руб.
|
27741,56
|
По закону о страховых взносах в 2014 году установлены следующие тарифные
ставки: ПФР-22%, ФСС-2,9%, ФОМС-5,1%, страховой риск в отрасли - 0,2% [15]:
,(10.8)
0,302∙214,72=64,85
млн. руб/год.
Размер
амортизационных отчислений
,
руб./год,
,(10.9)
где
- средневзвешенная норма амортизации для
электростанций (для ГРЭС на угле принимается 6%) [13];
-
капитальные вложения в станцию, руб.
0,06∙37800
= 2268 млн. руб./год.
Отчисления
в ремонтный фонд
, руб./год., определяются исходя из балансовой
стоимости основных производственных фондов (которая может быть принята равной величине
капитальных вложений) и нормативов отчислений в ремонтный фонд [15]:
,
(10.10)
где
- норматив отчислений в ремонтный фонд (принимается
5%) [15];
5 ∙37800/100
= 1890 млн. руб/год.
К
прочим расходам относятся платежи по обязательному страхованию имущества
предприятия, вознаграждения за изобретения и рациональные предложения, плата по
процентам за краткосрочные кредиты и т.д. Величина прочих расходов
, руб./год, принимается в размере 15% от суммы
условно-постоянных расходов
,(10.11)
0,15∙(2268+193,31+58,38+1890)=661,45
млн. руб/год.
Общая сумма затрат
13208,3+2268+193,31+58,38+1890+661,45=18279,44
млн. руб/год.
Себестоимость
отпущенной электроэнергии на ГРЭС
,
руб./кВт·ч,
,
(10.12)
где
- издержки, относимые на электроэнергию, тыс.
руб./год;
-
отпущенная электроэнергия за год, кВт×ч;
(11.13)
18279,44
3859808,7 =17983,8 млн. руб/год.
,(10.14)
13128,6
(1-0,08)=12078,3
кВт×ч,
17983,8
/12078,3
= 1,49
руб/кВт×ч.
Себестоимость
отпущенной теплоэнергии на ГРЭС
,
руб./ГДж,
,(10.15)
где
- издержки, относимые на теплоэнергию, млн. руб./год;
(10.16)
Определяется
распределение затрат по статьям расходов между электрической и тепловой
энергией.
Издержки
на выработку электроэнергии
, %,по
отношению к суммарным затратам:
На
тепловую энергию
, %
,
100-98,4=1,6
%.
Тогда
затраты топлива на выработку теплоэнергии:
13208,30∙0,016=192
млн. руб.
Дальнейшие
расчеты аналогичны, результат расчета в таблице 10.2.
Таблица 10.2
Структура годовых затрат на производство энергии на Нижнесалдинской ГРЭС
|
Статьи затрат
|
Величины затрат
|
|
э/э
|
т/э
|
итого
|
-
|
|
млн. руб
|
млн. руб
|
млн. руб
|
%
|
|
Ит
|
12996,97
|
211,33
|
13208,3
|
70,19
|
|
Ирф
|
1830
|
29,76
|
1859,76
|
11,11
|
|
Иа
|
2196
|
35,71
|
2231,71
|
13,33
|
|
Ипр
|
651,28
|
10,59
|
661,87
|
3,89
|
|
Изп
|
187,18
|
3,04
|
190,22
|
1,14
|
|
Исн
|
56,53
|
0,92
|
57,45
|
0,34
|
|
Итого
|
17986,54
|
292,46
|
18279
|
100,00
|
Число
часов использования установленной мощности станции
, ч,
(10.17)
Таблица 10.3
Сводная таблица основных технико-экономических показателей электростанции
|
Наименование показателя
|
Условное обозначение
|
Един. измерения
|
Величина
|
|
Установленная мощность
|
МВт1800
|
|
|
|
Количество электроэнергии,
отпущенной станцией за год
|
кВт∙ч12078,3
|
|
|
|
Коэффициент расхода
электроэнергии на собственные нужды станции
|
у.е0,08
|
|
|
|
Годовой отпуск тепла со
станции
|
ГДж1696,9
|
|
|
|
Число часов использования
установленной мощности
|
ч
|
7293
|
|
|
КПД станции по выработке
электроэнергии
|
%43,2
|
|
|
|
КПД станции по отпуску
тепловой энергии
|
%91,2
|
|
|
|
Удельный расход условного
топлива на 1 кВт∙ч выработанной электроэнергии
|
кг.у.т./кВт∙ч0,294
|
|
|
|
Удельный расход условного
топлива на 1 ГДж выработанной тепловой энергии
|
кг.у.т./ГДж37,39
|
|
|
|
Капитальные вложения
|
млн. руб.37800
|
|
|
|
Удельные капитальные
вложения
|
Руб./кВт21000
|
|
|
|
Годовые производственные
издержки
|
млн. руб./год.17009,44
|
|
|
|
Себестоимость отпущенной
электроэнергии
|
руб./кВт∙ч
|
1,39
|
|
|
Себестоимость отпущенной
тепловой энергии
|
руб./ГДж162,1
|
|
|
Выводы
Удельные расходы условного топлива на выработку электроэнергии составляют
294 г/кВт∙ч. Для действующих электростанций этот показатель при наиболее
оптимальной загрузке основного оборудования составляет в среднем 300-350 г.
К.п.д. станции по производству электроэнергии и отпуску тепла, равные
соответственно 43,2% и 91,2%, сравнимы со значениями к.п.д. действующих
тепловых электростанций. Увеличение кпд ГРЭС достигается главным образом
повышением начальных параметров (начальных давления и температуры) водяного
пара, совершенствованием термодинамического цикла, а именно - применением
промежуточного перегрева пара и регенеративного подогрева конденсата и
питательной воды паром из отборов турбины
Себестоимость
электро и тепловой энергии составляет соответственно 1,39 руб./кВт×ч и 162,1 руб./ГДж. Себестоимость производства
электроэнергии в России (по последним данным) колеблется в пределах от 0,5 до
1,5 рубля за кВт∙ч.
Полученные
технико-экономические показатели свидетельствуют о конкурентоспособности
станции
10.4
Анализ безубыточности работы Нижнесалдинской ГРЭС
Целью анализа безубыточности работы ТЭС является при заданной нагрузке и
установленной цене определить минимальный объем продаж электроэнергии,
обеспечивающий получение прибыли и выявить зону безопасности работы ТЭС.
В основе анализа безубыточности лежит взаимосвязь затрат, выручки, объема
производства и прибыли.
Выручка
от реализации энергии
, руб., может быть определена:
,(10.18)
где
- годовой отпуск электроэнергии электростанцией за
год (кВтч);
- цена
рынка (руб/кВтч) [16];
Рисунок
10.1 - Определение точки безубыточности работы Нижнесалдинской ГРЭС
Зона,
которая находится правее точки безубыточности, называется зоной безопасности, -
находясь в ней, ТЭС получает прибыль.Зона безопасности в % от годового отпуска
электроэнергии определяется следующим образом:
,(10.19)
Зона
безопасности проектируемой электростанции составляет 9,8% от годового отпуска
электроэнергии. В условиях конкуренции и сложных внешних условий величина
подобного запаса играет важную демпфирующую роль, позволяя станции даже при
снижении продаж всех видов энергии оставаться в положительном балансе, и давая
время руководству на претворение в жизнь каких-либо действий, направленных на
увеличение прибылей.
11.
Диагностика заземляющих устройств ОРУ 500, 220 и 110 кВ
Одним из важнейших условий безопасности персонала на электрической
станции является надежное и исправное заземление. С целью выявления и устранения
дефектов необходима периодическая проверка состояния заземляющих устройств.
Однако такие мероприятия затруднены из-за того, что основная часть заземляющих
конструкций находится в грунте и их визуальный осмотр невозможен. С этой целью
разработан ряд методов диагностики заземления. Один из таких методов приведен в
специальном разделе данного проекта.
Диагностика заземляющих устройств (ЗУ) выполнялась Уральским участком
Новосибирской СПБ электросетьсервиса ЕНЭС.
Установлено, что на подстанции имеется незаземленное оборудование,
оборудование, заземленное последовательно и оборудование, не связанное с
основным устройством подстанции.
Результаты измерения значений удельного сопротивления грунта на
территории станции
Рисунок 10.1 - Зависимость «кажущегося» значения удельного сопротивления
грунта от глубины
Результаты измерения значений удельного сопротивления грунта на
территории подстанции приведены на рисунке 10.1 (зависимость «кажущегося»
значения удельного сопротивления грунта ρ от глубины, м). Измерения проводились
по методу вертикального электрического зондирования.
Измерение сопротивления заземляющего устройства станции
Сопротивление ЗУ измерялось по методу амперметра-вольтметра с помощью
прибора КДЗ-1 в соответствии с РД 153-34,0-20,525-00, п.2.4. Измерения на
каждом ОРУ станции показали следующее:
ОРУ-110 кВ - Rзу = 0,19 Ом
ОРУ-220 кВ - Rзу = 0,15 Ом
ОРУ-500 кВ - Rзу = 0,15 Ом
Измерение напряжений прикосновения на ОРУ-500/220/110 кВ
В соответствии с ПУЭ п.1.7.91 и ГОСТ 12.1.038-82, значения напряжения
прикосновения для режимов однофазного КЗ не должны превышать 65 В (для времени
срабатывания резервной защиты более 1 сек.) для рабочих мест, где при
производстве оперативных переключений могут возникнуть КЗ на конструкции,
доступной для прикосновения производящему переключения персоналу. При этом на
остальных местах значения напряжения не должны превышать 500 В (для времени
срабатывания основной защиты 0,1 сек.).
Измерения осуществлялись в соответствии с с РД 153-34,0-20,525-00, п.2.5.
при КЗ на оборудовании, расположенном на участках ОРУ с недостаточным
количеством продольных и поперечных горизонтальных заземлителей.
Измерения показали, что напряжения прикосновения на ОРУ-110 кВ и на
ОРУ-220 кВ на части оборудования превышают допустимые значения.
Напряжения прикосновения на рабочих местах разъединителей на
ОРУ-110/220/500 кВ при однофазном коротком замыкании превышают 65 В.
На ОРУ-500 кВ напряжения прикосновения на остальном оборудовании не
превышают допустимые значения.
Расчет значений сопротивлений ЗУ и напряжения на заземляющем устройстве
ОРУ при замыкании на землю
Эквивалентное значение удельного сопротивления грунта ρ,
приведенное к
двухслойной модели, составило: ρ верхнего слоя 151 Ом·м, ρ
нижнего слоя 31 Ом·м,
толщина верхнего слоя 1,1 м.
Эквивалентные значения удельного сопротивления грунта ρ,
приведенные к
двухслойной модели, составили: ρ верхнего слоя 274 Ом·м, ρ
нижнего слоя 31 Ом·м,
толщина верхнего слоя 1,2 м.
При данных параметрах грунта расчетное значение сопротивления
заземляющего устройства при КЗ на ОРУ-500 кВ составляет 0,15 Ом, на ОРУ-220 кВ
- 0, 15 Ом, на ОРУ-110 кВ - 0,19 Ом.
При КЗ на шинах ОРУ-110 кВ расчетные значения напряжения на заземляющем
устройстве ОРУ (UЗУ = IКЗ·RЗУ) составляют 3,3 кВ, что соответствует
требованиям ПУЭ.
При КЗ на шинах ОРУ-220 кВ расчетные значения напряжения на заземляющем
устройстве ОРУ составляют 2,8 кВ, что соответствует требованиям ПУЭ.
При КЗ на шинах ОРУ-500 кВ расчетные значения напряжения на заземляющем
устройстве ОРУ составляют 1,2 кВ, что соответствует требованиям ПУЭ.
Расчет значений напряжений прикосновения на территории ОРУ
Расчеты значений напряжения прикосновения проводились для режимоф
однофазного КЗ на шинах ОРУ-500/220/110 кВ на оборудовании, расположенном на
участках ОРУ с недостаточным количеством продольных и поперечных горизонтальных
заземлителей, образующих заземляющую сетку с ячейками больших размеров.
Проведенные расчеты показали, что при однофазном КЗ на шинах ОРУ-110 кВ
напряжение прикосновения превышает предельно допустимое значение 500 В для
оборудования подстанции и превышает предельно допустимое значение 65 кВ для
рабочих мест разъединителей.
Проведенные расчеты показали, что при однофазном КЗ на шинах ОРУ-220/500
кВ напряжение прикосновения не превышает предельно допустимое значение 500 В
для оборудования подстанции.
При однофазном КЗ на шинах ОРУ-220/500 кВ напряжение прикосновения
превышает предельно допустимое значение 65 кВ для рабочих мест разъединителей.
Расчет термического нагрева заземляющих проводников при коротких
замыканиях на землю
Минимально допустимое сечение проводников S заземляющего устройства
определяются по следующему выражению, исходя из допустимой по ПУЭ температуры
нагрева:
,
где
I - действующее значение тока короткого замыкания,
протекающего по проводнику, A;- время отключения короткого замыкания, c;
k - коэффициент,
значеник которого зависит от материала проводника, его начальной и конечной
температур
,
где
Q - объемная теплоемкость материала проводника, Дж/(°C·мм3);
B - величина,
обратная температурного коэффициенту сопротивления при 0°C для
проводника, °C;
ρ20 -
удельное электрическое сопротивление проводника при 20°C, Ом·мм;
θt и θi
- конечная и начальная температура проводника, °C.
Таблица 11.1
Значения B, Q и ρ20 для проводников из различных
материалов
|
Материал
|
B, °C
|
Q, Дж/(°C·мм3)
|
ρ20,
Ом·мм
|
|
Сталь
|
202
|
0,0038
|
138·10-6
|
Расчеты показали, что при КЗ на ОРУ-110 кВ при учете коррозии сечение
заземляющих проводников не соответствует требованиям ПУЭ. Необходимо выполнить
дополнительные заземляющие проводники.
Воздействие токов и напряжений промышленной частоты при замыкании на
землю
При КЗ на землю потенциал по заземляющему устройству распределяется неравномерно
(в месте замыкания имеет место подъем потенциала). Если значение разности
потенциалов на ЗУ превысит испытательное напряжение для контрольных кабелей,
подходящих к оборудованию или устройствам автоматизированных систем
технологического управления (АСТУ), возможно обратное перекрытие изоляции
кабелей или устройств. Кроме того, ток КЗ, распределяясь по заземленным
оболочкам, броне и экранам кабелей, вызовет повреждение кабелей, если будут
превышены допустимые по термической стойкости нагрузки.
При замыкании на землю ток в экране контрольного кабеля (наиболее часто
используется экранированный кабель типа КВВГэ), проложенного от оборудования до
РЩ, не должен превышать 385 А (допустимое по термической стойкости значение для
времени воздействия 0,1 с, соответствующего полному времени отключения КЗ
основной защитой). Напряжение, воздействующее на изоляцию кабеля, не должно
превышать 2 кВ.
В результате проведенных измерений получено:
При КЗ на шинах ОРУ-110 кВ ток в экране контрольного кабеля превышает
допустимое значение; напряжение, воздействующее на изоляцию кабеля, также
превышает допустимые значения.
При КЗ на шинах ОРУ-220 кВ ток в экране контрольного кабеля превышает
допустимое значение, напряжение, воздействующее на изоляцию кабеля, не
превышает допустимые значения.
При КЗ на шинах ОРУ-500 кВ ток в экране контрольного кабеля не превышает
допустимое значение; напряжение, воздействующее на изоляцию кабеля, также не
превышает допустимые значения.
Импульсные помехи, вызванные повышением потенциала заземлителя при
протекании ВЧ составляющей тока КЗ на ОРУ-500/220/110 кВ
При возникновении КЗ на землю в цепях ВН происходит разряд емкостей
кабелей, оборудования и шин на землю, результатом чего является стекание с
заземлителя импульсного тока высокой частоты. Часть импульсного напряжения,
возникающего в месте ввода тока в заземлитель, при этом передается в цепи,
подходящие к оборудованию, и затем на аппаратуру систем вторичной коммутации.
Для определения уровней воздействующих на аппаратуру импульсных
напряжений моделировалось стекание ВЧ составляющей тока КЗ с заземлителя. Затем
проводились измерения импульсного сопротивления оборудования и уровни
воздействующих напряжений на аппаратуру вторичной коммутации.
Моделирование растекания ВЧ составляющей тока КЗ с заземлителя
проводилось при помощи генератора высокочастотных импульсов ГВЧИ-4П.
Результаты измерений приводились к реальному значению ВЧ составляющей
тока КЗ на подстанции.
Уровни импульсных помех в цепях напряжения, тока, управления и
сигнализации РзиА не должен превышать 2,5 кВ для помехи общего вида и 1 кВ для
помехи дифференциального типа при протекании по оборудованию высокочастотной
(ВЧ) составляющей тока КЗ (связанной с разрядом шин и емкостей оборудования).
Для ОРУ-110 кВ амплитуда ВЧ составляющей тока принимается равной 1 кА. Для
ОРУ-220 кВ амплитуда ВЧ составляющей тока принимается равной 2 кА. Для ОРУ-500
кВ амплитуда ВЧ составляющей тока принимается равной 3,5 кА.
Значения импульсных помех при КЗ на ОРУ-500/220/110 кВ не превышают
допустимые значения для цепей напряжения, токовых цепей и цепей управления.
Импульсные помехи, вызванные ударами молнии
Параметры тока молнии для расчета выбирались в соответствии с
рекомендациями МЭК (стандарт 61312-1):
При расчетах распределения потенциала Im = 100 кА, τфр = 10 мкс.
Для определения возможности обратного перекрытия с заземлителя на кабели
вторичных цепей проводились измерения распределения потенциалов по заземляющему
устройству при ударе молнии в молниеприемники с помощью измерительного
комплекса ИК-1.
Допустимый уровень импульсного напряжения, при котором возникновение
обратного перекрытия маловероятно, на заземлителе вблизи кабельного канала
определялся по средней напряженности, при которой начинается пробой грунта -
300 кВ/м. При этом принималось, что заземлитель расположен под кабельным
каналом на расстоянии не менее 0,5 м. При этих условиях предельно допустимое
импульсное напряжение на заземлителе вблизи кабельного канала составляет 150
кВ. В том случае, если шина с молниеотвода заходит непосредственно в кабельный
канал или на молниеотводе расположен шкаф цепей вторичной коммутации, то
воздействие потенциала молниеотвода при ударе будет происходить непосредственно
на изоляцию кабелей, импульсная прочность которой принималась равной 20 кВ (в
соответствии с ПУЭ).
На электростанции имеются прожекторные мачты, не связанные с ЗУ, что не
соответствует требованиям ПУЭ.
Диагностика заземляющих устройств ПС 220 кВ
Цель проведения обследования
Рисунок 10.2 Схема расположения и геометрические размеры ОРУ ПС
|
№ п/п
|
Наименование
|
Зав. №
|
Кол-вл
|
Дата поверки
|
Цель использования
|
|
1
|
148459RS
|
1
|
не требуется
|
РС, металлосвязь (Rсв)
|
|
2
|
Определитель напряжения
прикосновения ОНП-1
|
1
|
1
|
1 кв. 2009
|
сопр. ЗУ (Rзу), напр.
прикосновения (Uпр), (Rсв)
|
|
3
|
Лазерный дальномер Leica
CH-9435
|
731499
|
1
|
не требуется
|
РС
|
|
4
|
Струбцина
|
-
|
4
|
-
|
РС, сопр. ЗУ (Rзу),
Uпр, Rсв
|
|
5
|
Измерительный токовый и
потенциальный электроды
|
-
|
3
|
-
|
сопр. ЗУ (Rзу),
Uпр
|
|
6
|
Провод сечением 4 мм2
|
-
|
1x200 м
|
-
|
РС
|
|
7
|
Катушки с проводом
|
-
|
2x1200 м
|
|
сопр. ЗУ (Rзу),
Uпр, Rсв
|
|
8
|
Штангенциркуль
|
-
|
1
|
-
|
сечение заземл. прков,
коррозионное сост
|
|
9
|
Молоток массой 1 кг
|
-
|
1
|
-
|
сопр. ЗУ (Rзу),
Uпр
|
Обстоятельства обследования, используемая аппаратура
Комплексное обследование технического состояния и определение реальной
схемы ЗУ ПС «Киров» проводились 24-30.08.2009 г. Бригадой специалистов
Уральского участка Новосибирской СПБ ЭСС ЕНЭС согласно утвержденных главным
инженеров ППМЭС Урала программам.
Обследование проводилось при температуре окружающего воздуха tокр
= +15 ÷ +23°C, относительной влажности воздуха
25-30%.
Комплексное обследование и определение РС ЗУ проводилось с использованием
аппаратуры и принадлежностей, указанных в таблице 7.3.
Методика определения трассы прокладки горизонтальных заземлителей и
глубины их залегания
Для определения трассы прокладки и глубины залегания продольных и
поперечных горизонтальных заземлителей, используются входящие в комплект
трассопоисковой системы RD4000: источник переменного синусоидального тока (ПТ),
который подключается к различным удаленным друг от друга точкам ЗУ и создает в
проводниках ЗУ ПТ частотой 640 - 32800 Гц, а также приемник (антенна). Места
залегания горизонтальных заземлителей определяются путем анализа распределения
напряженности магнитного поля над поверхностью земли, создаваемого протекающим
по проводникам ЗУ током от источника ПТ. Особенностью создаваемого магнитного
поля является наличие ярко выраженных максимумов значений тангенциальной к
земле составляющей его напряженности над местами залегания горизонтальных
заземлителей. То есть, место, где значение магнитной напряженности максимально,
соответствует месту залегания горизонтального заземлителя с протекающим по нему
током.
Рисунок 11.2 Определение направления прокладки горизонтального
заземлителя (вид сверху)
Расположение приемника (антенны), представляющего собой плоскую катушку
индуктивности, позволяет также определить направление залегания горизонтальных
заземлителей, при максимальном значении напряженности направление плоскости
катушки соответствует направлению прокладки горизонтального заземлителя
(рисунок 2).
Методика измерения сопротивления растекания по однолучевой схеме
Измерения сопротивления ЗУ (Rзу) проводится по однолучевой схеме (рисунок 7.3). Для измерения клеммы
Т1, П1 прибора ОНП-1 подключается к заземляющему проводнику (ЗП) ЗУ при помощи
струбцин. Выносной токовый электрод (ТЭ) забивается в грунт на глубину 1,0 м на
расстоянии от контура заземления, равном 3-5 наибольших диагоналей ЗУ. Токовая
клемма Т2 присоединяется к ТЭ проводом соответствующей длины.
Производится контроль величины суммарного сопротивления токовой цепи
(сопротивлений проводов, электродов и грунта на участке измерения). Величина
сопротивления токовой цепи не должна превышать 3 кОм, для того, чтобы прибор не
выходил за пределы своей погрешности. Расстояние от ЗУ до ТЭ разбивается на 10
равных промежутков на границах которых поочередно забивается выносной
потенциальный электрод (ПЭ) на глубину 70-80 см, для создания точки измерения.
В каждой точке измерения ПЭ подключается к клемме П2 ОНП-1 при помощи провода,
далее выполняется измерение сопротивления в данной точке. По полученным точкам
строится график зависимости измеренного сопротивления Rзу от расстояния ПЭ до
ТЭ. Если кривая монотонно возрастает и имеет в средней части горизонтальный
участок и разница сопротивлений, измеренных при rп = 0,4rт
и rп = 0,6rт не превышает 10%, за истинное значение
сопротивления принимается значение при rп = 0,5rт.
Итоговое значение сопротивления ЗУ Rзу определяется с учетом сезонного
коэффициента (Кс) по формуле:
,
где
Rизм -
сопротивление ЗУ, измеренное по однолучевой схеме, Ом;
Кс - сезонный коэффициент.
Рисунок
11.3 Схема измерения сопротивления заземляющего устройства, где rт -
расстояние до ТЭ, rп - расстояние до ПЭ
Методика
измерения напряжения прикосновения
Напряжение
прикосновения (Uпр) определяется как разность потенциалов между
доступными прикосновению металлическими частями оборудования и ПЭ.
Оценка
Uпр производится косвенным методом, используя максимальное расчетное значение
тока короткого замыкания для электроустановки обследуемого ОРУ, измеренные
сопротивления и предельно допустимые уровни Uпр. Напряжение прикосновения
определяется по выражению:
,
где
Iз - значение тока замыкания на землю в месте
измерения; Rизм - сопротивление, измеренное прибором, RЧ
- сопротивление тела человека, Rосн - минимальное из всех измеренных
на объекте значений сопротивления основания.
Результаты
проведенных работ
На
основании результатов измерений в масштабе 1:500 составлена «Исполнительная
схема заземляющего устройства ПС «Киров».
Выводы:
заземляющая сетка электроустановок 220/110 кВ имеет рд недостатков:
)
отсутствуют или повреждены горизонтальные продольные и поперечные заземлители,
образующие земляную сетку, а также соединяющие ЗУ с отдельно стоящими
атвотрансформаторами АТ-5 и АТ-6;
)
отсутствуют или повреждены некоторые горизонтальные продольные и поперечные
заземлители, образующие земляную сетку.
Результаты
измерения сопротивления заземляющего устройства
Измерение
сопротивления растеканию проводилось без отсоединения грозозащитного троса (на
ОРУ-220 кВ), оболочек отходящих кабелей и других естественных заземлителей.
Сопротивление токовой цепи составило 241 Ом, т.е. значительно ниже предельного
значения 3 кОм, при котором прибор ОНП01 не выходит за предел допускаемой
погрешности.
Результаты
измерения Rзу сведены в таблицу 7.4.
Таблица 11.3
Результаты измерения сопротивления заземляющего устройства
|
rп/rт
|
0,1
|
0,2
|
0,3
|
0,4
|
0,5
|
0,6
|
0,7
|
0,8
|
0,9
|
|
Rзу, Ом
|
0,110
|
0,237
|
0,342
|
0,408
|
0,411
|
0,419
|
0,576
|
0,690
|
0,880
|
БИБЛИОГРАФИЧЕСКИЙ СПИСОК
1. Пушков
А.П. Проектирование главной схемы электрических соединений и схемы собственных
нужд тепловой электрической станции [Текст]. Учебно-методическое пособие по
курсовому и дипломному проектированию - Киров: Изд-во ВятГУ, 2008. - 71 с.
. Справочник
по проектированию электроэнергетических систем [Текст] / В.В. Ершевич, А.Н. Зейлигер, Г.А.Илларионов
и др.; Под ред. С.С. Рокотяна и И.М. Шапиро. - 3-е изд., перераб. и доп. - М.:
Энергоатомиздат, 1985. - 352 с.
.
Проектирование главной схемы электрических соединений и схемы собственных нужд
тепловой электрической станции [Текст]: Методические указания по курсовому и дипломному проектированию./
А.П. Пушков.-Киров: Изд. ВятГУ, 2008.-68 с.
Технологическая
часть ТЭС Учебно-методическое пособие для дипломного проектирования / Д.М Суворов.
- Киров: Изд. ВятГУ, 2009.- 64 с.
. Тепловые и
атомные электрические станции [Текст]: Справочник / Под редакцией В. А.
Григорьева, В. М. Зорина. - М.: Энергоатомиздат, 1982. - 608 с.
. Отраслевой
каталог. Паротурбинные энергетические установки для ТЭС и АЭС [Текст]: отраслевой каталог - М.:
ЦНИИТЭИТЯЖМАШ, 1994.
.
Теплотехнический справочник [Текст] /Под общ. ред. В.Н. Юренева, П.Д. Лебедева. Т2. -М.: Энергия,
1976. -896 с.: ил.
. А.А.
Александров, Б.А. Григорьев. Таблицы теплофизических свойств воды
и водяного
пара [Текст].
Справочник. -М.: МЭИ, 1999. - 168 с.
8. Околович
М.Н. Проектирование электрических станций [Текст]: Учебник для вузов. М.:
Энергоиздат, 1982. - 400 с.: ил.
. Неклепаев
Б.Н., Крючков И.П. Электрическая часть электростанций и подстанций [Текст]:
Справочные материалы для курсового и дипломного проектирования: Учеб. пособие
для вузов. - 4-е изд., перераб. и доп. - М.: Энергоатомиздат, 1989 - 608 с.:
ил.
10. Рожкова
Л.Д., Козулин В.С. Электрооборудование станций и подстанций [Текст]: Учебник для техникумов. -
3-е изд., перераб. и доп. - М.: Энергоатомиздат, 1987. - 648 с.: ил.
.Нормы
технологического проектирования тепловых электрических станций и тепловых сетей
[Текст]: ВНТП-81 Минэнерго СССР. - М.: ЦНТИ Информэнерго, 1981. - 141с.
. Правила
устройства электроустановок [Текст]: 7-е изд./М.:Деан, 2009.-708 с.
. Голговских
А.В. Релейная защита блоков турбогенератор - трансформатор [Текст]: Учеб.
пособие. - Киров: Изд. ВятГТУ, 2006.-132 с.
. Смирнов,
А.Д. Справочная книжка энергетика [Текст]: справочное пособие/ А.Д.Смирнов,
К.М. Антипов-М.: Энергоатомиздат, 1987.
. Зуева, Н.А.
Учебно-методическое пособие для выполнения организационно-экономического
раздела в дипломных проектах [Текст]. 140204 -“Электрические станции” дневной и заочной форм обучения
/ Н.А.Зуева. - К.: ВятГТУ, 2011.
16.
Методические указания по выполнению организационно-экономической части
дипломных проектов [Текст]./ Н.А. Зуева. - Киров: Изд. ВятГУ, 2010.- 39 с.