Проектирование электрической части станции типа ТЭЦ
МИНИСТЕРСТВО ОБРАЗОВАНИЯ И НАУКИ
РОССИЙСКОЙ ФЕДЕРАЦИИ
Федеральное государственное бюджетное
образовательное учреждение
высшего профессионального образования
НАЦИОНАЛЬНЫЙ ИССЛЕДОВАТЕЛЬСКИЙ
ТОМСКИЙ ПОЛИТЕХНИЧЕСКИЙ УНИВЕРСИТЕТ
Институт - Энергетический
Специальность - Высоковольтная
энергетика и электротехника
Кафедра - Электроэнергетические
системы
Расчётно - пояснительная записка к
курсовому проекту по дисциплине «Электрическая часть электростанций»
Томск - 2016
Содержание
Введение
. Выбор турбогенераторы
. Общий баланс активных мощностей проектируемой станции
. Описание структурной схемы
. Аналитический расчет продолжительных режимов
. Выбор силовых (авто)трансформаторов
. Выбор линий электропередачи
. Определение расчетных условий для выбора аппаратуры и
токоведущих частей по продолжительным режимам работы
. Определение расчетных условий для выбора аппаратуры и
токоведущих частей по режимам КЗ
.1 Расчет токов КЗ в точке К1
.2 Определение расчетных токов продолжительного режима
. Выбор токопроводов
. Выбор коммутационных аппаратов
.1 Выбор выключателей
.2 Проверка выключателя
.3 Выбор разъединителей
. Выбор трансформаторов напряжения
. Выбор трансформаторов тока
. Выбор схем электрических соединений РУ электростанции
. Принципиальная схема управления и сигнализации выключателем
.1 Общие положения
.2 Дистанционное управление выключателями
.3 Сигнализация выключателей
Заключение
Список используемой литературы
Введение
Электростанция - это совокупность электрических станций, электротепловых сетей,
потребителей электротепловой энергии, связанных общностью режима и
непрерывностью процесса производства, распределения, преобразования и
потребления электротепловой энергии [1].
По особенностям основного технологического процесса преобразования энергии
и виду используемого энергетического ресурса электростанции разделяют на
тепловые, атомные, гидроэлектростанции, гидроаккумулирующие, газотурбинные и
другие [1].
Главной задачей курсового проекта является определение типа
электростанции по исходным данным, проектирование и расчет данной
электростанции, как в нормальных, так и аварийных режимах.
Целью данной работы является проектирование ТЭЦ - теплоэлектроцентрали.
Этот вид электростанций относится к тепловым и предназначен для
централизованного снабжения промышленных предприятий и городов электроэнергией
и теплом. Специфика электрической части ТЭЦ определяется расположением
электростанции вблизи центров электрических нагрузок. В этих условиях часть
нагрузок выдается в местную сеть непосредственно на генераторном напряжении. С
этой целью на электростанции создается обычное генераторное распределительное
устройство (ГРУ).
В курсовой работе необходимо рассчитать баланс мощностей, выбрать
наиболее рациональную электрическую схему, выбрать типы трансформаторов и
генераторов, произвести расчет токов короткого замыкания, выбрать выключатели и
разъединители, измерительные трансформаторы, выбрать схему РУ, предусмотреть
требования экологической безопасности.
Основные требования, предъявляемые к энергетическим объектам:
безопасность обслуживания, надежность работы, экологическая безопасность,
экономическая эффективность, способность достаточно быстро модернизироваться.
В процессе выполнения курсового проекта необходимо приобрести опыт
проектирования электрической части электростанции, закрепить на практике
знания, полученные в ходе изучения энергетических дисциплин.
. Выбор турбогенераторов
Условия выбора
Тип турбогенератора выбирается на основании исходных данных по
номинальным параметрам машины:
по активной мощности;
по напряжению на выводах обмотки статора,
Табл. 1 Характеристики турбогенераторов
|
Маркировка
|
Пояснение буквенной части
|
Пояснение цифровой части
|
Pном, МВ*А
|
Qном, МВт
|
|
1
|
2
|
3
|
4
|
5
|
|
ТВВ-320-2ЕУ3
|
Т - турбогенератор, ВВ -
водородно-водяное охлаждение. У - для работы в районах с умеренным климатом;
|
320 - номинальная активная
мощность, МВт; 2 - число полюсов; 3 - для работы в закрытых помещениях с
естественной вентиляцией.
|
320
|
198
|
|
Маркировка
|
Uном, кВ
|
Iном, кА ’’ 
|
|
|
|
|
|
|
6
|
7
|
8
|
9
|
10
|
11
|
12
|
|
ТВВ-320-2ЕУ3
|
20
|
0,85
|
10,9
|
0,173
|
2,195
|
0.21
|
0.298
|
|
Маркировка
|
Схема соединения обмоток
статора
|
Вид системы возбуждения
|
|
|
|
|
|
|
|
1
|
13
|
14
|
|
ТВВ-320-2ЕУ3
|
YY-9
|
ВЧ - возбуждение от
машинного возбудителя переменного тока повышенной частоты, соединенного
непосредственно с валом генератора через отдельно стоящее выпрямительное
устройство
|
. Баланс мощностей
Установленная мощность электростанции
где
i = 1, 2, … - номер генератора;
n - количество i-тых
генераторов.
Нагрузка
потребителей на напряжении U1 = 220 кВ
где
- коэффициент системы для потребителей на напряжении ;
i = 1, 2, … -
номер потребителя мощности Pi;
ni - количество i-тых
потребителей.
Нагрузка
потребителей на напряжении U2 = 500 кВ
Суммарная
мощность отдаваемая внешним потребителям
ΣР = Pu1 + Pu2 = 783 + 1230 = 2013 МВт
Баланс
мощности в нормальном режиме составляет резерв мощности электростанции
где
Рс/н. = 0,1Руст - расход мощности на собственные нужды (с/н) электростанции,
согласно дополнительным условиям задания.
Потребность
в аварийном резерве определяется при выходе из работы наиболее мощного
генератора ( РGmax)
где
0,04РGmax - расход мощности на собственные нужды отключающегося
генератора (принимается 4% от мощности генератора).
Знак
минус свидетельствует о том, что направление мощности в аварийном режиме
меняется, и дефицит мощности покрывается за счет резерва системы.
. Описание структурной схемы
Выбираем следующую схему блока генератор - двухобмоточный трансформатор -
с выключателем на выводах генератора. Установка выключателя в цепи генератора
рекомендуется в соответствии с нормами технологического проектирования. Эта
мера позволяет обеспечить живучесть системы собственных нужд, а также снизить
мощность резервных трансформаторов собственных нужд и стоимость оборудования в
этой части КЭС.
В качестве связи между РУ ВН и РУ СН выбираем 2 автотрансформатора.
Суммарная мощность блоков на стороне СН должна быть такой, чтобы
обеспечивать наименьший переток через АТ:
Рис.1 Структурная схема КЭС
. Аналитический расчет продолжительных режимов
Рис. 2 Перетоки мощности через автотрансформаторы связи
Для аналитического расчета выбираем режим минимальных нагрузок
Переток мощности через один автотрансформатор связи в минимальном режиме:
Примечание:
В минимальном режиме нагрузка на стороне СН составляет 70% от максимальной.
В
максимальном режиме:
В
аварийном режиме:
Обмотки
низкого напряжения автотрансформаторов связи используются для питания резервных
с.н. и поэтому в расчетах не фигурируют.
Результаты
расчетов сведем в таблицу:
Таблица
2
|
Эксплуатационный режим
|
Перетоки мощностей
|
|
P, МВт
|
Q, МВар
|
S, МВА
|
|
Максимальная нагрузка
|
88,5
|
107,39
|
139,16
|
|
Минимальная нагрузка на РУ
СН
|
205,95
|
164,27
|
263,44
|
|
Аварийный режим на РУ СН
|
71,5
|
16,78
|
73,44
|
Из расчетов видно, что наибольший переток мощности показывает минимальный
режим. Переток мощности в этом режиме равен 263,44 МВА.
. Выбор силовых (авто)трансформаторов
1.) Выбор блочных двухобмоточных трансформаторов
Трансформатор выбираем по классам напряжений РУ и генераторов и по
номинальной мощности генераторов.
Таблица 3
|
Блок
|
Трансформатор
|
|
, МВА , кВ , кВSтр.доп, МВА Тип , кВ , кВ
|
|
|
|
|
|
|
|
376,3
|
20
|
220
|
338,6
|
ТДЦ(Ц)-400000/220
|
20
|
242
|
|
376,3
|
20
|
500
|
338,6
|
ТДЦ-400000/500
|
20
|
525
|
Пример выбора двухобмоточного трансформатора Т1.По напряжению РУ и
генератора G1 и мощности генератора G1 выбираем предварительно следующий
трансформатор - ТДЦ - 400000/220
Выбранный
трансформатор подходит для работы в блоке.
.)
Выбор трёхобмоточных автотрансформаторов
Выбор
автотрансформаторов связи осуществляем по самому тяжелому режиму.
Для
выбора трансформатора принимаем Smax=
, мощность в нормальном режиме при минимальной
нагрузке. Выбор трансформатора производится по формуле:
МВА
где
КП
- коэффициент перегрузки трансформаторов;
n - число
трансформаторов связи.
По напряжениям РУ предварительно выбираем следующий автотрансформатор -
2хАОДЦТН-267000/500/220
Обмотка низкого напряжения не загружена, поэтому проверку не проводим.
.) Основные каталожные параметры
Таблица 4
|
Тип
|
, МВА , МВА , кВ
|
|
|
|
|
|
ВН
|
СН
|
НН
|
|
АОДЦТН-267000/500/220
|
267
|
83
|
500
|
230
|
38,5
|
Описание (авто)трансформаторов
АОДЦТH - 267000/500/220
А - автотрансформатор;
О - однофазный;
ДЦ - охлаждение принудительной циркуляцией воздуха и масла с
ненаправленным потоком масла;
Т - трёхобмоточный;
Н - наличие системы регулирования напряжения под нагрузкой;2167000 -
номинальная полная мощность, кВА;
- номинальное напряжение высокой стороны, кВ;
- номинальное напряжение средней стороны, кВ.
ТДЦ - 400000/220
Т - трёхфазный;
ДЦ - охлаждение принудительной циркуляцией воздуха и масла с
ненаправленным потоком масла;
- номинальная полная мощность, кВА;
- номинальное напряжение высокой стороны, кВ.
ТДЦ - 400000/500
Т - трёхфазный;
ДЦ - охлаждение принудительной циркуляцией воздуха и масла с
ненаправленным потоком масла;
- номинальная полная мощность, кВА;
- номинальное напряжение высокой стороны, кВ.
Таблица 5
|
Марка трансформатора
|
nтр
|
, МВА  
|
|
|
|
|
|
АОДЦТН-267000/500/220
|
2
|
267
|
500
|
10.5
|
230
|
11.5
|
37
|
23
|
|
ТДЦ(Ц)-400000/500
|
3
|
400
|
500
|
13.8
|
-
|
13
|
|
ТДЦ-400000/220
|
5
|
400
|
242
|
15.75
|
-
|
11
|
. Определение расчетных условий для выбора аппаратуры и
токоведущих частей по продолжительным режимам работы
В качестве расчетного присоединения принимаем цепь генератора G8.
Рис. 3. Схема выводов турбогенератора ТВВ-320-2ЕУ3
Расчетными токами продолжительного режима являются : Iнорм - наибольший ток нормального
режима, Iмакс - наибольший ток ремонтного или
послеаварийного режима.
Расчетные формулы для присоединений и сборных шин сведем в таблицу 7.
Таблица 6
|
Присоединение (сборные
шины)
|
Формула для Iнорм
|
Iнорм, кА
|
Формула для Iмах
|
Iмах, кА
|
|
Обозначение на схеме
|
Описание
|
|
|
|
|
|
G8
|
Генератор мощностью 320 МВт
|
10.868 11.440
|
|
|
|
Т8 Блочный
трансформатор
.868
Т5 Блочный
трансформатор
10.868
|
11.440
|
|
|
|
|
|
НН
|
|
|
|
|
|
ВН
|
|
0.414
|
|
0.436
|
|
АТ2
|
Авторансформатор связи
2х400 МВА: СН
|
0.502 1.004
|
|
|
|
|
Нагрузка 220 кВ
|
0.394 0.394
|
|
|
|
|
Нагрузка 500
кВ
|
0.577 0.577
|
|
|
|
|
Сборные шины
|
0.898 1.004
|
|
|
|
8. Определение расчетных условий для выбора аппаратуры и
токоведущих частей по режимам КЗ
В качестве расчетного присоединения выбираем цепь генератора G8. В незаземленных и компенсированных
сетях начальный ток КЗ имеет наибольшее значение при трехфазном КЗ. Поэтому в
качестве расчетного вида замыкания принимаем трехфазное.
Для целей расчётов в структурную схему вводим все источники питания и те
связи источников между собой и с местом повреждения, которые обтекаются током
короткого замыкания. Нагрузку при расчётах режимов коротких замыканий не
учитываем. Поэтому на структурной схеме не отображаем трансформаторы
собственных нужд. Для каждого места короткого замыкания приводим схему
замещения, в которую входят все источники и связи источников с местом К.З. и
между собой. Источники вводятся в схему замещения ЭДС и сопротивлениями. Связи
вводятся в схему замещения сопротивлениями.
Расчет проводим в системе относительных единиц при приближенном учете
коэффициентов трансформации.
Принимаем базисные единицы
Базисная
мощность
Базисные
напряжения
на
ступени напряжения 500 кВ;
на
ступени напряжения 220 кВ
на
ступени напряжения 20 кВ;
Базисные
ток
Составляем
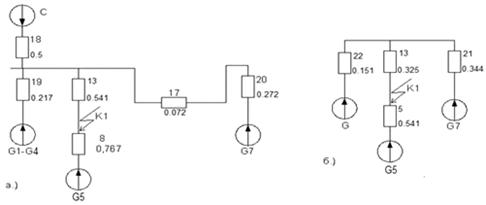
схему замещения (см. рис.4).
Рис.
4 Электрическая схема замещения
Рассчитаем
параметры схемы замещения
турбогенераторы
G1-G8:
Так
как генератор свыше 100 МВт, то
-трансформаторы
Т1-Т5:
автотрансформаторы
АТ1+АТ2
трансформаторы
Т7-Т9
система
ЭДС
системы
8.1
Расчет токов КЗ в точке К1
Делаем
эквивалентную схему относительно точки К1. Влиянием нагрузки пренебрегаем.
Рис.
5 Эквивалентная схема относительно точки К1
Сопротивление
ветви генератора G7: (см. рис.9):
=
+
= 0.275 + 0.541 = 0.816
Так
как параметры блоков G3-G8 одинаковы, то можно их объединить:
:
Так
как параметры блоков G1-G4 одинаковы, то можно их объединить:
:
Объединим
ветви системы:
Объединим
ветви автотрансформатора и эквивалентной машины
:
=
+
= 0.072 + 0.272 = 0.344 о.е
Начальное
значение периодической составляющей тока КЗ:
G5:
C +
+G7+G8:
Ударный
ток КЗ
G5:
C +
+G7+G8:
где
kу =1.973 - ударный коэффициент (табл. 3.7 [1, с.149])
.2
Определение расчетных токов продолжительного режима
Определяем расчетные токи продолжительного режима.
· Ветвь с генераторами 1,2,3,4,5:
Нормальный режим:
Послеаварийный
режим:
· Ветвь трансформатора Т4 со стороны 500 кВ:
Нормальный режим:
Послеаварийный
режим:
· Ветви трехобмоточных трансформаторов
На низкой стороне:
На
средней стороне:
где:
S’ном - максимальный переток мощности, при отключении
блока 4 от шин СН.
· Ток в ЛЭП связи с системой:
Нормальный режим:
Послеаварийный
режим:
. Выбор
токопроводов
От вывода генератора да фасадной стены главного корпуса токоведущие части
выполнены комплектным пофазно-экранированным токопроводом. Выбираем
ТЭНЕ-20/12500.
Проверка токопровода:
Параметры выбранного токопровода представим в таблицы 6.
Таблица 7. Параметры токопровода
|
Параметры
|
ТЭНЕ-20/12500
|
|
Тип турбогенератора
|
ТВВ-320-2ЕУ3
|
|
Номинальное напряжение, кВ:
- турбогенератора - токопровода
|
20 20
|
|
Номинальный ток, А: -
турбогенератора - токопровода
|
11440 12500
|
|
Электродинамическая
стойкость, кА
|
400
|
|
Междуфазное расстояние А,
мм
|
1000
|
|
Шаг между изоляторами, мм
|
5000
|
. Выбор коммутационных аппаратов
.1 Выбор выключателей
Выключатель - коммутационный аппарат, предназначенный для включения и
отключения тока. Выключатель является основным аппаратом в электрических
установках, он служит для отключения и включения в цепи в любых режимах:
длительная нагрузка, перегрузка, короткое замыкание, холостой ход, несинхронная
работа. Наиболее тяжелой и ответственной операцией является отключение токов КЗ
и включение на существующее короткое замыкание.
Разъединитель - контактный коммутационный аппарат, предназначенный для
отключения и включения электрической цепи без тока или с незначительным током,
который для обеспечения безопасности имеет между контактами в отключенном
положении изоляционный промежуток.
Условия выбора выключателя:
. По напряжению установки Uуст≤Uном;
. По длительному току Iнорм≤Iном; Imax≤Iном;
. По отключающей способности In,τ≤Iоткл.ном, ia,τ≤ia,ном,
Предварительный выбор аппарата выполняется по условиям работы в
продолжительных режимах и электродинамической стойкости в режимах К.З.
Таблица 8
|
Место установки
|
Тип аппарата
|
Параметры режима
|
|
|
|
U, кВ
|
Iмакс(ном), кА
|
Iп0, кА
|
Iуд, кА
|
|
Выводы блочного генератора
320 МВт
|
ВВГ-20-160/12500У3
|
расч.
|
20
|
11.44
|

|
|
|
|
кат.
|
20
|
20
|
160
|
410
|
|
ОРУ 500
кВ
|
ВНВ-500-40
|
расч.
|
500
|
0.577
|
-
|
-
|
|
|
кат.
|
500
|
3.15
|
31.5
|
102
|
|
ОРУ 220 кВ
|
ВНВ-220-63
|
расч.
|
220
|
0.394
|
-
|
-
|
|
|
кат.
|
220
|
3.15
|
31.5
|
102
|
Структура условного обозначения типа выключателя:
ВВГ-20-160/12500У3
ВВ - выключатель воздушный;
Г - генераторный;
- номинальное напряжение 20 кВ;
- номинальный ток отключения 160 кА;
- номинальный ток 12500 А;
У - для работы в районах с умеренным климатом;
- для работы в закрытых помещениях с естественной вентиляцией.
ВНВ-500-40
Высоковольтный воздушный выключатель.
Б - номинальное напряжение 500 кВ, изоляция класса Б;
,5 - номинальный ток отключения 31,5 кА;
ВНВ-220-63
Высоковольтный воздушный выключатель.
Б - номинальное напряжение 220 кВ, изоляция класса Б;
,5 - номинальный ток отключения 31,5 кА;
Таблица 9
|
Место установки
|
Тип аппарата
|
tо.в, с
|
tс.в, с
|
Iоткл. ном, кА
|
Iт.ст., кА
|
tт.ст., c
|
βном, %
|
Тип привода
|
Кол-во ТА
|
|
Выводы блочного генератора
320 МВт
|
ВВГ-20-160/12500-У3
|
0,14
|
0,12
|
160
|
160
|
4
|
20
|
ШРПФ-3М
|
-
|
|
ОРУ 500
кВ
|
ВНВ-500-40
|
0,07
|
0,05
|
31,5
|
40
|
3
|
23
|
ШРНА
|
-
|
|
ОРУ 220 кВ
|
ВНВ-220-40
|
0,07
|
0,05
|
31,5
|
40
|
3
|
23
|
ШРНА
|
-
|
.2 Проверка выключателя
. Выбор выключателей и разъединителя в ветви генераторов.
Выбор выключателя и разъединителя произведём на примере ветви с
генератором 5.
Выключатель типа ВВГ-20-160/12500-У3.
Определяем
расчетные токи КЗ (в точке К-1) для времени
:
Отношение
начального значения периодической составляющей тока КЗ от генератора G5 при КЗ
в точке К1 к номинальному току
По
данному отношению и времени t = τ = 0,06 с определим с помощью кривых[1, рис. 3,26, стр. 152]
отношение:
Таким
образом, периодическая составляющая тока к моменту τ будет:
Периодическая
составляющая тока КЗ от энергосистемы принимается неизменной во времени и
равна:
Апериодическая
составляющая тока КЗ t = τ
= 0,06 с определится из выражения:
где
значение
определено по кривым затухания апериодической
составляющей [1, с.151, рис.3.25].
Полный
импульс квадратичного тока КЗ:
Проверка
выключателя производится по наибольшим токам КЗ, в нашем случаи токи КЗ от
ветви с G1 и G3:
.
По напряжению установки
Uуст≤Uном;
.
По длительному току Iнорм≤Iном; Imax≤Iном;
.
По отключающей способности In,τ≤Iоткл.ном, ia,τ≤ia,ном,
.
По электродинамической стойкости In,o≤Iдин, iy≤iдин
.
По термической стойкости Вк≤I2тер.tтер.
Выключатель
проходит все проверки, следовательно, выбираем выключатель ВВГ-20-160/12500-У3.
.3 Выбор разъединителей
Выбор аппарата выполняется по условиям работы в продолжительных режимах.
Таблица 10
|
Наименование
|
Обозначение
|
Ед. измерения
|
Место установки аппарата
|
|
|
|
Выводы генератора G5
|
ОРУ 500
кВ
|
ОРУ 220 кВ
|
|
Расчетные данные
|
|
|
Напряжение
|
Uуст
|
кВ
|
20
|
500
|
220
|
|
Ток продолжительного режима
|
Iмакс
|
кА
|
11.44
|
0.577
|
0.394
|
|
Ударный ток
|
iуд
|
кА
|
160
|
-
|
-
|
|
Интеграл Джоуля
|
Врасч
|
кА2·с
|
56.22
|
-
|
-
|
|
Каталожные данные
|
|
|
Тип аппарата
|
-
|
-
|
РВП-20/12500 У3
|
РНДЗ.2-500/1000У1
|
РНДЗ.2-220/1000У1
|
|
Номинальное напряжение
|
Uном
|
кВ
|
20
|
500
|
220
|
|
Номинальный ток
|
Iном
|
кА
|
12,5
|
3
|
1,5
|
|
Предельный сквозной ток
|
iпр.скв.
|
кА
|
490
|
100
|
80
|
|
Ток термической стойкости
|
Iт.ст
|
кА
|
180
|
40
|
30
|
|
Время термической стойкости
|
Iт.ст
|
с
|
4
|
3
|
3
|
Структура условного обозначения типа разъединителя:
РВП-20/12500 У3
Р - разъединитель
В - внутренней установки
П - с поступательным движением главных ножей
- номинальное напряжение 20 кВ
- номинальный ток 12500 А
У - для работы в районах с умеренным климатом;
- для работы в закрытых помещениях с естественной вентиляцией.
РНДЗ.2-220/1000У1
Р - разъединитель
Н - наружной установки
Д - двухколонковый
З.2 - с двумя заземляющими ножами
- номинальное напряжение 220 кВ
- номинальный ток 1000 А
У - для работы в районах с умеренным климатом;
- для работы на открытом воздухе.
Выбранные разъединители соответствуют всем требованиям по термической
стойкости.
РНДЗ.2-220/1000У1
Р - разъединитель
Н - наружной установки
Д - двухколонковый
З.2 - с двумя заземляющими ножами
- номинальное напряжение 220 кВ
- номинальный ток 1000 А
У - для работы в районах с умеренным климатом;
- для работы на открытом воздухе.
Выбранные разъединители соответствуют всем требованиям по термической
стойкости.
. Выбор
трансформаторов напряжения
Трансформатор
напряжения предназначен для понижения высокого напряжения до стандартного
значения 100 (В) или
(В) и для отделения цепей измерения и релейной защиты
о первичных цепей высокого напряжения. Трансформатор напряжения в отличие от
трансформатора тока работает в режиме, близком к холостому ходу, так как
сопротивление параллельных катушек приборов и реле большое, а ток, потребляемый
ими, невелик.
Трансформаторы
напряжения выбирают:
.
По напряжению установки
;
.
По конструкции и схеме соединения обмоток;
.
По классу точности;
.
По вторичной нагрузке
,
Где:
-
номинальная мощность в выбранном классе точности, при этом следует иметь в виду,
что для однофазных трансформаторов соединенных в звезду, следует взять
суммарную мощность всех трех фаз, а для соединения по схеме открытого
треугольника - удвоенную мощность одного трансформатора.
-
нагрузка всех измерительных приборов и реле, присоединенных к трансформатору
напряжения, ВА.
Выбор
трансформатора напряжения в цепи генератора 2. Перечень необходимых
измерительных приборов выбираем по таблице 4.11 [2, с.364]:
Таблица
11. Вторичная нагрузка трансформатора напряжения
|
Прибор
|
Тип
|
Sодной обм, ВА
|
Число обмоток
|
cosφ
|
sinφ
|
Число приборов
|
Общая потребляемая мощность
|
|
|
|
|
|
|
|
Р, Вт
|
Q, ВАр
|
|
Вольтметр Ваттметр Варметр
Датчик активной мощности Датчик реактивной мощности Счетчик активной энергии
Ваттметр регистрирующий Вольтметр регистрирующий Частотомер
|
Э-335 Д-335 Д-335 Е-829
Е-830 И-680 Н-348 Н-344 Э-372
|
2 1,5 1,5 10 10 2 Вт
10 10 3
|
1 2 2 - - 2 2 1 1
|
1 1 1 1 1 0,38 1 1 1
|
0 0 0 0 0 0,925 0 0 0
|
1 2 1 1 1 1 1 1 2
|
2 6 3 10 10 4 20 10 6
|
- - - - - 9,7 - - -
|
|
ИТОГО
|
|
|
|
|
|
|
71
|
9,7
|
Вторичная нагрузка трансформаторов напряжения определяем по формуле:
Выбираем
трансформатор ЗНОЛ.06-10У3. Трансформатор напряжения типа ЗНОЛ.06-10У3, имеющий
номинальную мощность 75 ВА в классе точности 0,5, необходимом для присоединения
счетчиков. Таким образом,
,
трансформатор будет работать в выбранном классе точности.
. Выбор
трансформаторов тока
Трансформаторы
тока предназначены для уменьшения первичного тока до значений, наиболее удобных
для измерительных приборов (чаще всего
и
), реле, а также для отделения цепей измерения и
защиты от первичных цепей высокого напряжения. Токовые цепи измерительных
приборов и реле имеют малое сопротивление, поэтому трансформатор тока нормально
работает в режиме, близком к режиму КЗ.
Условия
выбора трансформаторов тока:
.
По напряжению установки
;
.
По току
;
.
По конструкции и классу точности;
.
По электродинамической стойкости:
,
Где:
-
кратность электродинамической стойкости;
-
номинальный первичный ток трансформатора тока;
- ток
электродинамической стойкости;
- ударный
- ток КЗ.
.
По термической стойкости:
,
Где:
-
тепловой импульс по расчету;
- время
термической стойкости;
- ток
термической стойкости.
.
На вторичной нагрузке
.
Выбираем
трансформатор тока в цепи генератора. Так как участок от выводов генератора до
стены турбинного отделения выполнен комплектным токопроводом ТЭКН-20/6800, то
выбираем трансформатор тока встроенный в токопровод ТШВ15-6000-0,2/10P
[2]. Перечень необходимых измерительных приборов выбираем по таблице 4.11 [2,
с.364]:
|
Прибор
|
Тип
|
Нагрузка, ВА Фазы
|
|
|
А
|
В
|
С
|
|
Ваттметр Варметр Счетчик
активной энергии Амперметр регистрирующий Ваттметр регистрирующий Ваттметр
(щит турбины)
|
Д-335 Д-335 САЗ-И681 Н-344
Н-348 Д-335
|
0,5 0,5 2,5 - 10 0,5
|
- - - 10 - -
|
0,5 0,5 2,5 - 10 0,5
|
|
Итого
|
|
14
|
10
|
14
|
Как видно из таблицы 10, наиболее загружены трансформаторы тока фаз А и
С.
Общее сопротивление приборов определяется следующим образом:
Индуктивное
сопротивление токовых цепей невелико, поэтому
.
Вторичная нагрузка состоит из сопротивлений приборов, соединительных проводов и
переходного сопротивления контактов.
Сопротивление
контактов при количестве приборов больше 3 принимается равным 0,1 Ом.
Сопротивление
соединительных проводов зависит от их длины и сечения. Чтобы трансформатор тока
работал в заданном классе точности, необходимо выполнение условия:
. Отсюда
следует, что:
Для
генератора 63 МВт применяется кабель с алюминиевыми жилами, ориентировочная
длина 40 м, трансформаторы тока соединены в полную звезду, поэтому lрасч=l,
тогда сечение:
.
Принимаем
контрольный кабель АКРВГ-4 мм2.
Тогда
пересчитываем сопротивление проводов:
В
соответствии с полученными данными,
Для
проверки выбранного трансформатора тока, пользуясь каталожными данными, сведем
все величины в таблицу 11:
Таблица
13. Выбор трансформатора тока
|
Расчетные данные
|
Каталожные данные ТШВ20-20000-0,2/10P
|
|
Uуст=20 кВ
|
Uном=15 кВ
|
|
Imax= АIном=2000
А
|
|
|
iуд= кАНе
проверяются
|
|
|

|
|
|
Z2ном=0,943 Ом
|
Z2ном= Ом
|
Выбранный трансформатор тока удовлетворяет всем условиям.
Схема включения трансформатора тока и напряжения с измерительными
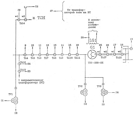
приборами в цепь генератора показана на рисунке 12.
Рис. 6 Схема включения измерительных приборов генератора
. Выбор
схем электрических соединений РУ электростанции
электростанция мощность трансформатор
Распределительное устройство - электроустановка, предназначенная для
приема и распределения электрической энергии на одном классе напряжения.
· Распределительное устройство среднего напряжения.
Используется схема «Одна секционированная система шин с подключением
трансформаторов через развилку из двух выключателей». Достоинства: надежность,
возможность проведения ремонта без перерыва работы [2, 414].
Рис. 7. Одна секционированная система шин с подключением трансформаторов
через развилку из двух выключателей
· Распределительное устройство высшего напряжения.
Используется схема «Трансформатор - шины с присоединением линий через два
выключателя». Число присоединений равно 5: 3 линии связи с системой, 2
присоединения от трансформаторов связи.
Рис.8 Трансформатор - шины с присоединением линий через два выключателя
Рис.9 Полная схема РУ
.
Принципиальная схема управления и сигнализации выключателем
.1 Общие
положения
Средства дистанционного управления коммутационными аппаратами (в основном
выключателями) необходимы при ведении оперативных переключений в нормальных
режимах и при ликвидации аварийных состояний. Подача управляющей команды
осуществляется вручную оператором или от автоматических устройств, которые применяются
для выполнения переключений в аварийных ситуациях (ликвидация КЗ, нарушений
устойчивости параллельной работы генераторов и т.д.).
Действие системы управления сопровождается работой устройств
сигнализации, которые дают оперативному персоналу необходимую информацию о
состоянии оборудования и срабатывании защиты и автоматики. Для предотвращения
неправильных операций предусматриваются специальные блокировки.
Устройства управления, сигнализации и блокировок с соответствующими
источниками питания образуют на электростанциях и подстанциях систему вторичных
цепей. К этой системе также относят схемы автоматики, релейной защиты и
технологического контроля [1, стр.545].
14.2
Дистанционное управление выключателями
Основные требования к системам дистанционного управления выключателями:
цепи управления должны допускать отключение выключателя, как со стороны
щита управления, так и по месту его установки;
на щите управления и в распределительном устройстве должна быть
предусмотрена сигнализация положения выключателя;
цепи управления (включения и отключения) должны иметь контрольные
устройства, сигнализирующие об обрыве их цепей;
управляющий импульс должен сниматься с исполнительного элемента после
выполнения команды, так как обмотки электромагнитов приводов не предназначены
для длительного обтекания током;
схема управления должна предусматривать блокировку от «прыгания»,
исключающую возможность при КЗ многократных включений выключателя при одном
командном импульсе;
схема должна предусматривать возможность не только ручного управления, но
и подачи соответствующего импульса от устройств релейной защиты и автоматики;
число жил контрольного кабеля, соединяющего устройства щита управления и
выключатель, должно быть минимальным.
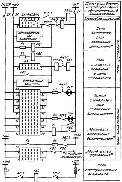
Схема управления выключателем показана на рисунке 14. Подробное описание
работы схемы в [2, с.551].
Рис. 9 Схема управления выключателем с электромагнитным приводом и ключом
ПМОВФ
.3
Сигнализация выключателей
Действие системы управления сопровождается работой устройств
сигнализации, которые дают оперативному персоналу необходимую информацию о
состоянии оборудования и срабатывании защиты и автоматики. В общем случае на
щитах управления должны предусматриваться следующие виды сигнализации:
положения коммутационных аппаратов, аварийная, предупреждающая и командная.
Сигнализация положения коммутационных аппаратов служит для информации
оперативного персонала о состоянии схемы электрических соединений в нормальных
и аварийных условиях.
Сигнализация аварийного отключения выключателей применяется для извещения
персоналом об отключении выключателя релейной защитой и выполняется сочетанием
светового и звукового сигнала.
Предупреждающая сигнализация извещает персонал о ненормальном режиме
работы контролируемых объектов и частей электроустановки или о ненормальном
состоянии вторичных цепей защиты и автоматики.
Для предотвращения неправильных операций предусматриваются специальные
блокировки. Различают два основных вида блокировок: блокировки безопасности и
оперативные.
Блокировками безопасности называют устройства, предупреждающие вход лиц
эксплуатационного или ремонтного персонала в камеры распределительных устройств
или испытательного оборудования, в которых не исключена возможность
прикосновения или опасного приближения к токоведущим частям или к частям
оборудования, находящегося под напряжением. Часто в качестве блокирующих
устройств таких камер применяют электрические замки, которые можно отпереть
только лишь при снятии напряжения с оборудования.
Оперативные блокировки представляют собой устройства, препятствующие
неправильным действиям персонала при осуществлении переключений в схемах
электрических соединений.
Наиболее характерным видом оперативных блокировок являются блокировки от
неправильных операций разъединителями.
Устройства управления, сигнализация и блокировок с соответствующими
источниками питания образуют на электростанциях и подстанциях систему вторичных
цепей. К этой системе относят также схемы автоматики, релейной защиты и
технологического контроля.
Примем для проектируемой станции общую схему управления и сигнализации
выключателя (рисунок 20). Для контроля цепей управления использованы два
промежуточных реле: реле положения «включено» KQC, фиксирующее включенное положение выключателя и
контролирующее цепь отключения, и реле положения «отключено» KQT, фиксирующее отключенное положение
выключателя и контролирующее цепь включения. В цепи этих реле устанавливаются
дополнительные резисторы R для
исключения ложного срабатывания контактора KM или электромагнита отключения в случае закорачивания обмоток
KQT и KQC.
Запуск сигнализации обрыва цепей управления происходит через
последовательно включенные размыкающие контакты реле KQC и KQT.
При исправном состоянии цепей управления обмотка одного реле обтекается током,
а другого обесточена. В случае обрыва цепи последующей командой управления
обмотки обоих реле оказываются обесточенными, и происходит запуск сигнализации
[1, стр. 554-567].
Рис. 10 Общая схема управления и сигнализации выключателя с ключом ПМОВФ
Заключение
В ходе выполнения данного курсового проекта была спроектирована
электрическая часть станции типа ТЭЦ.
На начальном этапе проектирования после составления баланса мощностей,
убедились, что данная электростанция выдает мощность, которая полностью
покрывает мощность присоединенных нагрузок.
В качестве расчётного приняли цепь генератора ТВФ-63-2. Затем были
определены токи в ветвях по продолжительным режимам и режимам КЗ, а по ним
произведен выбор необходимых коммутационных аппаратов и токоведущих частей.
После чего была выбрана форма оперативного управления электрической части
объекта и спроектирована измерительная система. Выбранное электрическое
оборудование ТЭЦ (генераторы, трансформаторы, распределительные устройства и другое
электрическое и автоматическое оборудование) удовлетворяет всем необходимым
условиям и проходит по всем проведенным проверкам.
Список
используемой литературы:
1 Коломиец Н.В., Пономарчук Н.Р., Шестакова В.В.
Электрическая часть электростанций и подстанций: учебное пособие. - Томск:
Изд-во Томского политехнического университета, 2014. - 143 с.
Рожкова Л.Д., Козулин В.С. Электрооборудование станций и
подстанций: Учебник для техникумов.- 3-е изд., перераб. и доп. - М.:
Энергоатомиздат, 2013. - 648 с.: ил.
Неклепаев Б.Н., Крючков И.П. Электрическая часть
электростанций и подстанций: Справочные материалы для курсового и дипломного
проектирования: Учеб.пособие для вузов. - 4 - е изд., перераб. и доп. - М.:
Энергоатомиздат, 1989. - 608 с.: ил.