Принципы работы диода
Введение
В настоящее время выпускается
широкий ассортимент полупроводниковых приборов, применение которых позволяет
создать экономичную по питанию, малогабаритную и с высокой эксплуатационной
надёжностью радиоаппаратуру.
Однако конструкторам и разработчикам
аппаратуры надо внимательно учитывать следующие специфические свойства диодов и
транзисторов: большой технологический разброс величин основных параметров, их
сильную зависимость от температуры и режима работы, существенный дрейф
параметров во время работы или хранения и, наконец, чувствительность к
перегрузкам по напряжению, току или мощности, ведущую к пробою и порче диодов и
транзисторов. Постоянные (случайные) изменения технологических факторов
оказывают существенное влияние на значения параметров изготавливаемых приборов.
Поэтому значения параметров даже одного типа приборов являются случайными
величинами, т.е. имеется отклонение от среднего (типового, номинального)
уровня. Нормы на разброс параметров устанавливаются на основе
экспериментально-статистических данных при обеспечении надёжной и устойчивой
работы приборов в различных условиях и режимах применения, а также исходя из
экономических соображений.
Статические параметры математических
моделей полупроводниковых приборов являются главными элементами систем
моделирования и анализа радиоэлектронных цепей. Такое моделирование позволяет
значительно сократить сроки создания новых изделий радиоэлектронной аппаратуры
и резко снизить затраты на их макетирование. Математические модели
полупроводниковых приборов содержат десятки параметров, далеко не все из
которых приводятся в справочной литературе. Так как для реальных приборов
характерен значительный разброс параметров, достигающий десятков процентов, то
идентификация параметров позволяет классифицировать приборы по группам с более
узкими разбросами.
Целью курсовой работы является
овладение методами и приёмами измерения статических характеристик и
идентификации по ним с помощью математических моделей статических параметров
полупроводниковых диодов, биполярных и полевых транзисторов.
Задание заключается в измерении
статических характеристик и идентификации параметров математических моделей
четырёх полупроводниковых приборов - полупроводникового стабилитрона Д814А,
биполярного транзистора малой мощности КТ342Б, биполярного транзистора средней
мощности КТ639В, полевого транзистора КП103К.
Выполнение задания предусматривает:
. Составление ретроспективного
обзора научно-технической литературы, в которой описываются математические
модели полупроводниковых приборов и экспериментальные методы определения
(экстракции) их параметров.
. Составление и обоснование
электрической схемы измерения вольт-амперных характеристик полупроводниковых
приборов, определение перечня необходимых измерительных приборов и
оборудования, сборка экспериментальной установки.
. Построение графиков измеренных
зависимостей в наиболее удобном масштабе, анализ их качественного согласия с
фундаментальными физическими законами и используемыми математическими моделями,
определение по графикам числовых значений параметров приборов.
. Оформление результатов
исследования.
1. Принципы работы диода
(стабилитрона), биполярного транзистора, полевого транзистора с управляющим p-n-переходом
электрический амперный
полупроводниковый диод
Стабилитронами называются
полупроводниковые диоды, используемые для поддержания на заданном уровне
напряжения на нагрузке вне зависимости от колебаний напряжения источника
питания. Стабилитрон включается параллельно нагрузке. Стабилитроны относятся к
электропреобразовательным полупроводниковым приборам, рабочим элементом у
которых служит полупроводниковый p-n переход, состоящий из двух областей: p-области полупроводника с дырочной
проводимостью и n-области с электронной проводимостью. В электронике находят
применение в основном несимметричные и односторонние переходы, в которых
контактирующие слои имеют различную концентрацию примесей. Высоколегированная
область, обладающая меньшим удельным сопротивлением, называется эмиттером, а
менее легированный слой с большим удельным сопротивлением, в котором
инжектируются неосновные для него носители, называется базой. В силу
несимметричности структуры диода p-n-переход оказывается геометрически смещённым в сторону базы, а
малая концентрация подвижных носителей в нём (большое сопротивление) приводит к
тому, что внешнее напряжение целиком падает именно на области p-n-перехода. Подбором концентрации
примеси можно добиться обратимости электрического пробоя (разумеется, при
ограничении тока через переход). И тот факт, что в условиях электрического пробоя
при изменении тока через переход напряжение на нём практически не меняется, и
используется в стабилитронах.
Рассмотрим равновесное и
неравновесное состояния p-n-перехода. Равновесным называется состояние p-n-перехода, устанавливающееся при отсутствии на нём смещения. Пусть
p-n-переход создан из двух отдельных равновесных частей
полупроводника, однородно легированных донорами до концентрации
и
акцепторами до концентрации
, путём приведения их в
контакт и образования кристаллографически совершенной металлургической границы.
Будем считать полупроводники невырожденными, причём
.
В момент образования контакта на металлургической границе существуют скачки
уровня Ферми, концентраций электронов и дырок. Поэтому в системе немедленно
начинаются процессы выравнивания уровней Ферми [1].
Под действием градиента концентрации электроны будут диффундировать из n-области в p-область,
образуя диффузионный ток. Навстречу им будут диффундировать дырки, создавая
диффузионный ток. Прошедшие в p-область
электроны рекомбинируют с имеющимися там в изобилии дырками. Дырки, перешедшие
в n-область, рекомбинируют с электронами. Каждый акт рекомбинации
создаёт один нескомпенсированный акцептор в p-области
и один нескомпенсированный донор в n-области.
Таким образом, в n-области создаётся
приграничный положительный пространственный заряд, а в p-области
- приграничный отрицательный пространственный заряд. Вместе они образуют
область пространственного заряда (ОПЗ), и создают встроенное электростатическое
поле, направленное от n-области
к p-области. Встроенное поле изменяет энергии электронов, находящихся
в точке
,
на
,
где
-
потенциал встроенного поля в глубине n-области,
если положить потенциал встроенного поля равным нулю в глубине p-области. Концентрации носителей непрерывно изменяются от
равновесного значения основных носителей до равновесного значения неосновных
носителей. В промежуточном неравновесном состоянии в зоне проводимости
образуется потенциальный барьер
для электронов и такой
же барьер для дырок в валентной зоне. Поскольку потенциальный барьер образуется
вследствие диффузии носителей при контакте n-
и p-областей полупроводника, он называется диффузионным потенциалом
или контактной разностью потенциалов. В равновесном состоянии преодолеть
потенциальный барьер могут только самые энергичные основные носители -
электроны и дырки. Они образуют равновесные диффузионные токи, а так как при
этом суммарный ток равен нулю, то навстречу им текут дрейфовые токи, созданные
неосновными электронами и дырками, которые, случайно блуждая, попадают в область
сильного поля и перебрасываются им в противоположную область. Таким образом в
равновесном p-n-переходе постоянно текут встречные диффузионные и дрейфовые токи,
попарно скомпенсированные в зоне проводимости и валентной зоне.
Неравновесным состоянием
p-n-перехода называется такое состояние, при котором p-n-переход смещён. Обратным называется смещение p-n-перехода, когда положительный вывод источника смещения
подключается к n-области, а
отрицательный вывод - к p-области.
Сопротивление ОПЗ, где практически нет свободных носителей, намного больше
сопротивлений нейтральных областей, поэтому можно считать, что всё обратное
смещение приложено к ней [1]. Поле, созданное обратным смещением, совпадает по
направлению с встроенным полем и суммируется с ним. Следовательно, в обратно
смещённом p-n-переходе высота потенциального барьера увеличится на
,
где
-
абсолютная величина смещения. Увеличение потенциального барьера нарушает
равновесие в p-n-переходе. Диффузионные токи резко уменьшаются, так как
уменьшается число носителей, способных преодолеть барьер. Дрейфовые же токи
практически не изменяются. В результате через обратно смещённый p-n-переход течёт ток
, называемый током
насыщения, и направленный от n-
к p-области. Вследствие захвата неосновных носителей полем ОПЗ их
концентрация в приконтактных слоях уменьшается. Это явление называется
экстракцией неосновных носителей. Для обратного смещения характерен пробой p-n-перехода. Это резкое увеличение дифференциальной проводимости p-n-перехода при достижении обратным напряжением некоторого
критического напряжения. Стабилитрон работает в режиме электрического пробоя.
Под действием сильного поля в области p-n-перехода обратный ток резко возрастает при малых изменениях
приложенного напряжения.
Прямым называется такое
смещение p-n-перехода, когда положительный вывод источника смещения
подключается к p-области, а
отрицательный вывод - к n-области.
Оно также вызывает нарушение равновесия в p-n-переходе, но в противоположную сторону по сравнению с обратным
смещением. Теперь поле, созданное смещением
, противоположно
встроенному полю, следовательно, суммарное поле в p-n-переходе уменьшается, высота потенциального барьера понижается.
Понижение потенциального барьера на
приводит к резкому
возрастанию диффузионных токов носителей обоих типов. При этом дрейфовые токи
практически не меняются. Вследствие этого происходит столь же резкое
возрастание концентрации неосновных носителей в приконтактных областях,
называемое инжекцией. Суммарный ток при прямом смещении течёт от p- к n-области и сильно
зависит от смещения
.
Д814А - стабилитрон
кремниевый сплавной. Предназначен для работы в схемах стабилизации напряжения.
Выпускается в металлическом герметичном корпусе со стеклянным изолятором. Масса
диода не более 1 г. Выбор кремния в качестве материала для полупроводникового
стабилитрона обусловлен главным образом малым обратным током. При этом
саморазогрев диода в предпробойной области отсутствует и переход в последнюю
получается достаточно резким. Кроме того, в самой области пробоя, даже при
большом токе, нагрев диода не носит лавинообразного характера. Рабочий участок
характеристики идёт почти вертикально и не имеет отрицательного наклона,
характерного для теплового пробоя. Поскольку пробойный режим не связан с
инжекцией неосновных носителей, в полупроводниковом стабилитроне отсутствуют
инерционные явления (накопление и рассасывание носителей) при переходе из
области пробоя в область запирания и обратно.
Биполярный транзистор -
это полупроводниковый прибор с двумя взаимодействующими p-n-переходами, обладающий усилительными свойствами. Два p-n-перехода образуются тремя чередующимися областями n-p-n или p-n-p. Соответственно различают транзисторы pnp-
и npn-типа. Каждая из трёх областей имеет свой вывод. Средняя область
транзисторной структуры называется базой. Одна из областей с противоположной
проводимостью называется эмиттером, другая - коллектором. Токи в транзисторной
структуре возникают под действием разности потенциалов между выводами. В
электронных схемах один из выводов транзистора оказывается заземлённым. Его
потенциал принимается за нуль, относительно которого отсчитываются потенциалы
двух других выводов. Если заземлён эмиттерный вывод (и эмиттерная область), то
говорят, что транзистор включён по схеме с общим эмиттером (ОЭ). Потенциал базы
относительно эмиттера обозначается
. Он смещает только
эмиттерный переход. Потенциал коллектора относительно эмиттера
смещает
одновременно и переход эмиттер-база, и переход коллектор-база. Схема с общим
эмиттером обеспечивает усиление по току, напряжению и мощности. В зависимости
от полярности смещений коллекторного и эмиттерного переходов различают
следующие режимы работы транзистора.
. Активный режим -
эмиттерный переход смещён в прямом направлении, коллекторный - в обратном.
. Режим насыщения - оба
перехода смещены в прямом направлении. Такое состояние транзистора называется
открытым.
. Режим отсечки - оба
перехода смещены в обратном направлении. Транзистор находится в закрытом
состоянии.
. Инверсный режим -
эмиттерный переход смещён в обратном направлении, коллекторный переход - в
прямом направлении.
При изготовлении
транзистора необходимо выполнить два основных условия: концентрация основных
носителей в эмиттере и коллекторе должна быть много выше (обычно примерно на два-три
порядка), чем в базе; толщина базы должна быть много меньше диффузионной длины
свободного пробега носителей, инжектированных в базу эмиттером, чтобы свести к
минимуму рекомбинацию. Только при одновременном соблюдении этих условий можно
наблюдать «транзисторный эффект», благодаря которому этот прибор способен
усиливать электрический сигнал.
В состоянии равновесия
потенциалы всех выводов транзистора одинаковы, уровень Ферми также одинаков в
эмиттерной, базовой и коллекторной областях, а макроскопические токи
отсутствуют.
Для объяснения принципа
работы транзистора обычно анализируют схему с общей базой (ОБ) в активном
режиме. Рассмотрим n-p-n транзистор. Для него в этом случае напряжение на эмиттере
относительно базы должно быть отрицательным, а на коллекторе - положительным.
Если нет эмиттерного тока (при
), то через закрытый
коллекторный переход ток почти не течёт. Есть очень слабый ток неосновных
носителей, так называемый обратный ток коллектора
.
При подаче на эмиттерный p-n-переход прямого смещения достаточной величины эмиттерный переход
откроется, и через него потечёт ток. При этом инжектируются электроны из n-эмиттера в базовую область транзистора. Если концентрация
легирующей примеси в эмиттере значительно больше, чем в базе, то ток
электронов, инжектируемых в базу, будет практически равен полному току
эмиттера. Эффективность эмиттера характеризуется коэффициентом инжекции,
который должен быть близок к единице. Часть электронов, инжектированных
эмиттером, будет рекомбинировать в базе с дырками. Если толщина базы много
меньше диффузионной длины электронов в ней, то большинство электронов дойдёт до
коллектора. Для базы поступившие из эмиттера электроны являются неосновными
носителями, поэтому они диффундируют в область коллектора (здесь они уже
являются основными носителями). Коллекторный p-n-переход смещён в обратном направлении, поэтому все электроны
дошедшие до ОПЗ коллектора, будут захвачены электрическим полем перехода и
переброшены в квазинейтральную область коллектора (произойдёт экстракция дырок
коллектором). Эти электроны обеспечивают появление тока коллектора
.
Эффективность перемещения электронов через базу характеризуется коэффициентом
переноса. Значение коэффициента переноса в транзисторе с малым отношением
толщины базы к диффузионной длине электронов в ней близко к единице. Небольшое
число прорекомбинировавших в базе электронов в совокупности с дырками,
инжектированными из базы в эмиттер, определяет базовый ток
,
который меньше
.
Некоторый вклад в величину тока базы вносят ещё и неосновные носители,
перемещающиеся через коллекторный переход из базы в коллектор и из коллектора в
базу. Из выше сказанного следует, что, изменяя ток эмиттера (путём изменения
напряжения
),
можно управлять током коллектора, поддерживая на коллекторном переходе
постоянное напряжение. С физической точки зрения это эквивалентно изменению
сопротивления коллекторного перехода, причём в весьма широких пределах (на
несколько порядков). Благодаря этому транзистор можно использовать в качестве
ключа, замыкающего либо размыкающего цепь, так как в режиме насыщения коллекторный
переход транзистора имеет весьма малое, а в режиме отсечки, наоборот, очень
большое сопротивление. Биполярный транзистор является усилительным прибором с
управлением по току. Действительно, при анализе работы транзистора удобнее
оперировать с токами, а не с вызывающими их напряжениями. Диапазон изменения
входных токов значительно больше диапазона изменения входных напряжений.
В транзисторе,
включённом по схеме с ОЭ, имеет место усиление не только по напряжению, но и по
току. В такой схеме входным током является ток базы, а выходным - ток
коллектора. В биполярном транзисторе n-p-n типа p-n-переход коллектор-эмиттер, в активном режиме, смещён в обратном
направлении. При подаче на переход база-эмиттер напряжения около 0,6 В (для
кремния) носители заряда преодолевают потенциальный барьер перехода
база-эмиттер. Это приводит к поступлению неосновных носителей заряда в область
базы, где они дрейфуют под действием встроенного поля или диффундируют, если
такого поля нет. При попадании этих носителей заряда в область электрического
поля коллекторного перехода эти носители заряда испытывают притяжение со
стороны коллектора. Большинство такого рода неосновных носителей (неосновных
для области базы) захватывается коллектором и появляется коллекторный ток,
управляемый (меньшим по величине) током базы. Ток коллектора пропорционален
скорости инжекции неосновных носителей в базу, которая является
экспоненциальной функцией разности потенциалов база-эмиттер. В этом случае
биполярный транзистор можно рассматривать как усилитель тока (с практически
постоянным коэффициентом усиления по току BF,
который также носит название статического коэффициента передачи тока в схеме с
общим эмиттером).
КТ342Б - кремниевый
биполярный транзистор n-p-n типа малой мощности высокочастотный. Выполнен по
планарно-эпитаксиальной технологии.
КТ639В - кремниевый
биполярный транзистор p-n-p типа средней мощности высокочастотный. Выполнен по
планарно-эпитаксиальной технологии.
Полевой транзистор -
полупроводниковый прибор, в котором управление выходным током осуществляется
посредством модуляции проводимости канала электрическим полем. Прибор
представляет собой полупроводниковый слой - канал - с проводимостью n- или p-типа. По краям канала
созданы два омических контакта, между которыми приложено напряжение, создающее
электрический ток. Контакт, из которого вытекают носители, называется истоком.
Контакт в который втекают носители, называется стоком. Между истоком и стоком
сформирован третий контакт - затвор. Приложенное между ним и истоком напряжение
модулирует проводимость канала. На высокоомной (полуизолирующей) подложке
выращивается слой полупроводника определённого типа проводимости. В нём
создаются два высоколегированных кармана - исток и сток этого же типа
проводимости. Между ними формируется несимметричный p-n-переход, практически вся ОПЗ которого располагается в выращенном
слое полупроводника. Каналом является слой между высокоомной ОПЗ и подложкой.
Модуляция проводимости осуществляется обратным смещением p-n-перехода, который поэтому называется управляющим. Увеличивая
толщину ОПЗ, мы тем самым уменьшаем сечение канала, а, значит, увеличиваем его
сопротивление. При некотором значении обратного смещения ОПЗ полностью
перекроет канал, и его сопротивление станет очень большим, практически
бесконечным. Но проводимость канала может модулироваться не только затворным,
но и стоковым напряжением. При малых стоковых напряжениях профиль канала, а,
значит, и его сопротивление, остаётся приблизительно постоянным, поэтому ток
линейно зависит от напряжения. При более высоких напряжениях сопротивление
канала начинает расти, вследствие чего рост тока замедляется. При некотором
напряжении ток выходит на насыщение.
КП103К - кремниевый
полевой диффузионно-планарный транзистор с p-n-переходом и каналом p-типа.
Предназначен для работы во входных каскадах усилителей низкой частоты,
усилителей постоянного тока и ключевых схемах. Выпускается в металлическом
герметичном корпусе, масса прибора не более 1 г.
2. Математические модели
вольт-амперных характеристик диода (стабилитрона), биполярного транзистора,
полевого транзистора с управляющим p-n-переходом
.1 Модель
полупроводникового диода (стабилитрона)
Вольт-амперная характеристика
идеального диода описывается однопараметрической моделью Шокли:
, (1)
где
-
разность потенциалов (напряжение) на выводах диода;
-
постоянная Больцмана;
-
абсолютная температура диода;
- ток насыщения при
обратном смещении диода.
Прямая ветвь
вольт-амперной характеристики реального диода описывается двухпараметрической
зависимостью, обобщающей формулу Шокли:
, (2)
где
-
коэффициент неидеальности диода. Он учитывает влияние на ток следующих
факторов:
рекомбинация носителей в
области пространственного заряда (ОПЗ);
утечка носителей;
последовательное
сопротивление базы.
Каждый из перечисленных
факторов доминирует на определённых интервалах изменения токов или напряжений,
поэтому коэффициент неидеальности
и ток насыщения
принимают
на этих интервалах разные значения. В области малых токов преобладает вклад
рекомбинации и утечек (при этом
≈ 2). В области
средних токов доминируют инжекционные токи и токи утечки, здесь
≈
1,5. В области больших токов, где начинает сказываться падение напряжения на
последовательном сопротивлении базы, коэффициент неидеальности сначала
возрастает до значений
>
2, а затем зависимость вообще меняется с экспоненциальной на степенную:
~
,
1 <
<
2. В полулогарифмическом масштабе график прямой ветки вольт-амперной
характеристики диода, в широком интервале токов, имеет вид, показанный на рис.
1, где
,
,
-
границы упомянутых выше интервалов напряжений;
,
-
токи насыщения на интервалах I
и II соответственно.
Рис. 1. Вольт-амперная
характеристика диода в полулогарифмическом масштабе
Характер зависимостей
в
области IV можно установить, построив график вольт-амперной характеристики в
логарифмическом масштабе. Если вольт-амперная характеристика в области IV удовлетворительно аппроксимируется линейной омической
зависимостью
, (3)
где
-
падение напряжения на собственно p-n-переходе;
-
падение напряжения на нейтральной области базы, то последовательное
сопротивление этой области
можно определить
графическим дифференцированием:
. (4)
Обратная ветвь
вольт-амперной характеристики диода состоит из трёх участков. В интервале
обратных смещений
<
<
0 обратный ток есть сумма тока насыщения и тока генерации носителей в ОПЗ.
При выполнении условия
<
развивается
обратимый пробой p-n-перехода, ток начинает возрастать экспоненциально. В интервале
напряжений
<
<
его
можно аппроксимировать соотношением
, (5)
где параметр
имеет
смысл обратного тока при
=
.
При
<
ток
столь велик, что начинает доминировать падение напряжения на последовательном
сопротивлении базы и вольт-амперная характеристика приближается к омической. На
этом участке её можно охарактеризовать сопротивлением
.
График обратной ветви вольт-амперной характеристики диода в линейном масштабе
показан на рис. 2, а, в полулогарифмическом масштабе - на рис. 2, б. По графику
(рис. 2, б) удобно определять параметры
и
.
Рис. 2. Обратная ветвь
вольт-амперной характеристики полупроводникового диода
Из графика находим
,
. (6)
Таким образом,
параметрами математической модели полупроводникового диода при фиксированной
температуре являются ток насыщения
, коэффициент
неидеальности
,
последовательное сопротивление базы
, предпробойный обратный
ток
и
напряжение пробоя
.
.2 Модели биполярных
транзисторов
В широком интервале
значений параметров режима (токов и смещений p-n-переходов) биполярный транзистор может быть описан моделью
Эберса-Молла. Исходные уравнения модели связывают эмиттерный
,
коллекторный
и
базовый
токи
со смещениями эмиттерного
и
коллекторного
переходов:
;
;
. (7)
Модель содержит шесть
параметров: коэффициенты передачи тока в активном режиме
и
в инверсном режиме
,
коэффициенты неидеальности эмиттерного
и коллекторного
переходов,
тепловой ток эмиттерного перехода
и тепловой ток
коллекторного перехода
.
В схеме с ОЭ
независимыми переменными являются напряжение коллектор-эмиттер
и
базовый ток
.
В этих переменных уравнение входной характеристики имеет вид при
=
0
;
. (8)
В активном режиме
<
0, и при
>>
;
Выходной коллекторный ток
транзистора в схеме с ОЭ можно выразить следующим образом:
. (10)
В активном режиме при
>>
. (11)
В схеме с ОЭ выполняется соотношение
. (12)
Последовательные
сопротивления
и
можно
найти, аппроксимируя вольт-амперную характеристику линейной зависимостью:
;
. (13)
При столь больших смещениях
переходов, что выполняется условие сильной инжекции, биполярный транзистор
более адекватно описывается моделью Гуммеля-Пуна.
Основное предположение модели
состоит в следующем: в эмиттерный, коллекторный и базовый токи дают вклад
следующие компоненты:
- сквозной ток
,
текущий через базу между эмиттером и коллектором;
ток рекомбинации в
эмиттерной ОПЗ
;
ток рекомбинации в базе
;
ток рекомбинации в
коллекторной ОПЗ
.
Эти токи показаны для p-n-p транзистора на рис. 3.
Рис. 3. Токи в p-n-p транзисторе в модели Гуммеля-Пуна
Центральным пунктом
модели Гуммеля-Пуна и коренным её отличием от модели Эберса-Молла является
выражение сквозного тока через величины смещения переходов
и
.
В активном режиме
>
0,
>>
коллекторный
ток выражается как:
, (14)
где
-
напряжение Эрли коллекторного перехода;
[2].
Графически
интерпретировать напряжение Эрли можно как точку пересечения экстраполяции
пологого участка вольт-амперной характеристики с осью абсцисс. Ток излома
,
характеризующий переход в режим сильной инжекции при прямом включении
транзистора может быть определён из графика зависимости статического
коэффициента передачи тока
от коллекторного тока
.
Рис. 4. К определению тока излома
Работу биполярного транзистора в
режиме усиления малых сигналов хорошо описывает линеаризованная модель
транзистора в виде четырёхполюсника.
Рис. 5. Модель транзистора в виде
четырёхполюсника
Параметрами режима
являются амплитуды переменных составляющих входного напряжения
,
входного тока
,
выходного напряжения
,
выходного тока
.
Два из них - входной ток и выходное напряжение - удобно выбрать в качестве
независимых переменных, исходя из физических свойств транзистора. Для двух
других параметров постулируется линейная связь с первыми:
;
. (15)
Достоинством модели
транзистора-четырёхполюсника является то, что, во-первых,
-параметры
измеряют в режимах, близких к режимам работы транзисторов в реальных схемах, а
во-вторых, легко можно реализовать по переменному току короткое замыкание на
выходе и холостой ход на входе.
.3 Модель полевого
транзистора
Полевой транзистор
удовлетворительно описывается четырёхпараметрической моделью Шихмана-Ходжеса,
устанавливающей связь выходного стокового тока транзистора
с
напряжениями затвор-исток
и
сток-исток
.
Вольт-амперная
характеристика полевого транзистора
состоит из двух
участков, соответствующим двум режимам работы транзистора:
, если
<
;
, если
≥
. (16)
Первый участок и
соответствующий ему режим называется триодным, второй участок и соответствующий
режим называется участком насыщения или пологим участком. Параметрами модели
являются
.
Теория предсказывает
=
2, но в реальных транзисторах
может быть отличным от
2. Параметр
есть
напряжение отсечки для транзистора с нормально открытым каналом. Параметр
совместно
с параметром
определяет
выходное сопротивление транзистора в режиме насыщения.
3. Идентификация
параметров математической модели стабилитрона Д814А
Д814А представляет собой кремниевый
сплавной стабилитрон. Выпускается в металлическом герметичном корпусе со
стеклянным изолятором.
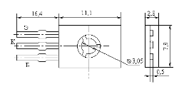
Рис. 6. Чертёж корпуса стабилитрона
Д814А
Таблица 1. Электрические параметры и
предельные эксплуатационные данные стабилитрона Д814А [3]
|
Параметры
|
Значения
|
|
Напряжение стабилизации при = 5 мА, температуре
25 ºС, В7 - 8,5
|
|
|
Дифференциальное сопротивление при =
5 мА, температуре 25 ºС не более, Ом6
|
|
|
Максимальная рассеиваемая мощность при температуре от -55 до +25
ºС, мВт
|
340
|
Рис. 7. Схема предполагаемого
сечения сплавного стабилитрона Д814А
Экспериментальные вольт-амперные
характеристики измеряются с помощью стенда на основе прибора Л2-56. Для
измерителя параметров полупроводниковых приборов Л2-56 характерен диапазон
напряжений - 50 мВ - 2 кВ, диапазон токов - 1 нА - 16 А. Для дальнейшей работы
также используется блок питания Б5-46, который характеризуется выходным
напряжением и стабилизацией по напряжению в пределах 0,1 - 10 В, стабилизацией
по току в пределах 0,01 - 3 А; измеритель малосигнальных параметров
транзисторов Л2-22/1, который характеризуется измерением параметров h21э в диапазоне 3 - 300 единиц.
Рис. 8. Функциональная схема
измерения вольт-амперной характеристики стабилитрона Д814А с помощью измерителя
Л2-56
При снятии прямой ветки
вольт-амперной характеристики стабилитрона на анод подаётся положительный
потенциал, а на катод - отрицательный, таким образом p-n-переход является прямосмещённым.
Фиксируются напряжение между выводами стабилитрона и ток, протекающий через
стабилитрон. Ниже приведена прямая ветка вольт-амперной характеристики
стабилитрона Д814А.
Рис. 9. Прямая ветка вольт-амперной
характеристики стабилитрона Д814А; [ось абсцисс] = В, [ось ординат] = мА
Ниже приведена вольт-амперная
характеристика стабилитрона Д814А в полулогарифмическом масштабе, построенная
по предыдущей характеристике.
Рис. 10. Прямая ветка вольт-амперной
характеристики стабилитрона Д814А в полулогарифмическом масштабе; [ось абсцисс]
= В
Из рис. 10. определим ток насыщения
стабилитрона и коэффициент неидеальности.
,
(мА)
(А). (17)
,
. (18)
Эти значения тока насыщения и
коэффициента неидеальности соответствуют диапазону напряжения (0,3 - 0,645) В.
Для диапазона напряжений (0,7 -
0,76) В значение тока насыщения и коэффициента неидеальности составляют:
,
(мА)
(А). (19)
,
Для диапазонов напряжений (0,3 -
0,645) В и (0,7 - 0,76) В получаем соответствующие математические модели
, (21)
(22)
соответственно. Размерность [I(U)] = мА, [U] = В.
Сравнивая экспериментальную
характеристику I(U) и построенную по моделям i_model(u), наблюдаем полное соответствие.
Рис. 11. Экспериментальная и
построенная по моделям прямая ветка вольт-амперной характеристики стабилитрона
Д814А; [ось абсцисс] = В, [ось ординат] = мА
Определим сопротивление
базы, для этого выберем область больших токов, например,
мА
(Ом). (23)
При снятии обратной ветки
вольт-амперной характеристики стабилитрона на анод подаётся отрицательный
потенциал, а на катод - положительный.
Ниже приведены графики обратной
ветки вольт-амперной характеристики стабилитрона в линейном и
полулогарифмическом масштабе.
Рис. 12. Обратная ветка
вольт-амперной характеристики стабилитрона Д814А; [ось абсцисс] = В, [ось
ординат] = мА
Рис. 13. Обратная ветка
вольт-амперной характеристики стабилитрона Д814А в полулогарифмическом
масштабе; [ось абсцисс] = В
Рис. 14. Обратная ветка
вольт-амперной характеристики стабилитрона Д814А в полулогарифмическом масштабе
к определению А; [ось абсцисс] = В
Определяем, что точка
начала развития пробоя
В.
Экспериментальное напряжение стабилизации
равно 8,7 В. По рис. 14
определяем точку пересечения прямой с осью ординат, получаем
.
При этом можем определить аналог коэффициента неидеальности через тангенс угла
наклона прямой к оси абсцисс. Он равен 17,562. Учтём его при расчёте
.
По формуле (6) находим
:
(мА)
(А). (24)
Определим концентрацию носителей в
наименее легированной области по формуле:
. (25)
(см-3). (26)
Ниже приведена сводная таблица
значений параметров математической модели стабилитрона Д814А.
Таблица 2. Параметры математической
модели стабилитрона Д814А
|
Параметр
|
Значение параметра
|
|
Ток насыщения стабилитрона для напряжения (0,3 -
0,645) В, А2,309·10-11
|
|
|
Ток насыщения стабилитрона для напряжения (0,7 -
0,76) В, А1,861·10-17
|
|
|
Коэффициент неидеальности стабилитрона для
напряжения (0,3 - 0,645) В1,88
|
|
|
Коэффициент неидеальности стабилитрона для
напряжения (0,7 - 0,76) В0,924
|
|
|
Сопротивление базы , Ом3
|
|
|
Предпробойный обратный ток , А1,409·10-6
|
|
|
Напряжение начала развития пробоя , В7
|
|
|
Напряжение стабилизации , В8,7
|
|
|
Концентрация носителей в наименее легированной области N, см-3
|
1,729·1017
|
4. Идентификация
параметров математической модели биполярного транзистора КТ342Б
КТ342Б представляет собой кремниевый
биполярный транзистор n-p-n типа малой мощности высокочастотный. Выполнен по
планарноэпитаксиальной технологии.
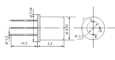
Рис. 15. Чертёж корпуса транзистора
КТ342Б
Таблица 3. Электрические параметры и
предельные эксплуатационные данные транзистора КТ342Б
|
Параметры
|
Значения
|
|
Максимально допустимый постоянный ток коллектора Iк max,
мА
|
50
|
|
Пробивное напряжение коллектор-эмиттер Uкэ0
проб, В
|
30
|
|
Пробивное напряжение эмиттер-база Uэб0
проб, В
|
5
|
|
Максимально допустимая постоянная рассеиваемая мощность
коллектора Pк max,
мВт
|
250
|
|
Коэффициент передачи тока в режиме малого сигнала в схеме с
общим эмиттером h21э
|
200…500
|
|
Напряжение насыщения коллектор-эмиттер Uкэ
нас, В
|
0,1
|
Рис. 16. Схема предполагаемого
сечения планарноэпитаксиального транзистора КТ342Б
Рис. 17. Рабочий диапазон
транзистора КТ342Б в схеме с ОЭ
Рис. 18. Карта напряжений для
транзистора КТ342Б
Рис. 19. Функциональная
схема измерения входной вольт-амперной характеристики транзистора КТ342Б в
схеме с ОЭ при
Рис. 20. Функциональная
схема измерения входной вольт-амперной характеристики транзистора КТ342Б в
схеме с ОЭ при
В
Рис. 21. Функциональная
схема измерения входной вольт-амперной характеристики транзистора КТ342Б в
схеме с ОЭ при
При измерении входной
вольт-амперной характеристики при
переход база-эмиттер
смещается прямо, и мы фиксируем напряжение
и протекающий входной
ток
;
при измерении входной вольт-амперной характеристики при
В
переход база-эмиттер смещается прямо, и мы также фиксируем напряжение
и
протекающий входной ток
,
при этом коллектор соединяем с «+» источника питания, а эмиттер - с «-»
источника питания. Также измеряем входную вольт-амперную характеристику при
замкнутых накоротко выводах базы и коллектора, это необходимо для фиксации
потенциала на коллекторе.
Ниже приведены графики
входных вольт-амперных характеристик.

Рис. 23. Входные вольт-амперные
характеристики
транзистора
КТ342Б; Ib_0 = f (Ube_0) при
,
Ib_kz = f (Ube_kz) при
;
[ось ординат] = мА, [ось абсцисс] =В
Из рис. 23 видно, что
при
сопротивление
базы меньше, чем при
,
это связано с тем, что при
уменьшается толщина ОПЗ
коллекторного p-n-перехода, а это приводит к увеличению площади, через которую
протекает базовый ток.
Ниже приведены графики
входных вольт-амперных характеристик при
и
В
в полулогарифмическом масштабе.
Рис. 24. Входные
вольт-амперные характеристики транзистора КТ342Б в полулогарифмическом масштабе
при
и
В;
[ось абсцисс] =В
По входным вольт-амперным
характеристикам в полулогарифмическом масштабе можно определить некоторые
параметры модели Эберса-Молла:
,
,
.
,
находятся
по точками пересечения прямых Q(t), W(t) с осью ординат.
,
(мА),
,
(мА),
→
,
→
,
. (27)
По напряжениям пробоя эмиттерного и
коллекторного p-n-переходов определим степень легирования базы и коллектора.
В →
(см-3),
В →
(см-3). (28)
Рис. 25. Функциональная схема для
измерения выходных вольт-амперных характеристик транзистора КТ342Б в схеме с ОЭ
При измерении выходных
характеристик транзистора задаётся базовый ток
и при нём фиксируется
напряжение
и
выходной ток
,
который соответствует данному напряжению на выводах коллектор-эмиттер.
Ниже приведены выходные
вольт-амперные характеристики транзистора.
Рис. 26. Выходные
вольт-амперные характеристики
транзистора КТ342Б;
[ось ординат] = мА, [ось абсцисс] =В
Рис. 27. Выходные
вольт-амперные характеристики
транзистора КТ342Б;
[ось ординат] = мА, [ось абсцисс] =В
Точкой отмечены значения
тока и напряжения для границы допустимой мощности, рассеиваемой коллектором при
максимальном значении тока коллектора.
Ниже приведены прямая
передаточная характеристика транзистора в активном режиме для включения
транзистора по схеме с общим эмиттером при напряжении смещения
В
и зависимость статического коэффициента передачи тока от тока коллектора.
Рис. 28. Прямая
передаточная характеристика
транзистора КТ342Б;
[ось ординат] = мА, [ось абсцисс] = мкА
Рис. 29. Зависимость
статического коэффициента передачи тока от тока коллектора
;
[ось абсцисс] =мА
Максимальное значение
соответствует
мА.
Рис. 30. Зависимость
при
В;
[ось ординат] = мА, [ось абсцисс] =В
Рис. 31. Зависимость
при
В;
[ось абсцисс] =В
По рис. 31 определим ток насыщения и
коэффициент неидеальности транзистора.
,
(мА),
→
. (29)
Определим
:
(мА) (30)
Из рис. 22 и рис. 30
определим
и
.
Получаем:
(Ом);
(Ом). (31)
Ниже приведены
выражения, полученные в рамках модели Эберса-Молла при
В.
;
. (32)
Рис. 32.
Экспериментальные и модельные зависимости
,
;
точками показаны экспериментальные кривые, линиями - построенные по модели
Эберса-Молла; [ось ординат] = мА, [ось абсцисс] = В
Из рис. 32 можно
наблюдать хорошее соответствие модельных представлений и экспериментальных
данных.
Ниже приведены
зависимости малосигнальных h-параметров
от тока эмиттера.
Рис. 33 Функциональная
схема прибора Л2-22/1
При измерении
малосигнальных h-параметров вывода транзистора
соединяются с соответствующими зажимами на приборе. Измерение параметров
проводится при
В.
Рис. 34. Зависимость
;
[ось абсцисс] = мА
Рис. 35. Зависимость
;
[ось абсцисс] = мА, [ось ординат] = кОм
Рис. 36. Зависимость
;
[ось абсцисс] = мА
Рис. 37. Зависимость
;
[ось абсцисс] = мА, [ось ординат] = Сим
Таблица 4. Параметры математической
модели Эберса-Молла транзистора КТ342Б
|
Параметр
|
Значение параметра
|
|
Ток насыщения диода Б-Э при ,
А3,762·10-13
|
|
|
Ток насыщения диода Б-Э при В ,
А2,131·10-14
|
|
|
Коэффициент неидеальности диода Б-Э 1,44
|
|
|
Ток насыщения транзистора при В ,
А2,121·10-15
|
|
|
Ток коллектора, при котором наступает спад ,
А0,014153
|
|
|
Сопротивление базы , Ом40
|
|
|
Сопротивление коллектора , Ом1,326
|
|
|
Концентрация носителей в базе , см-31,759·1017
|
|
|
Концентрация носителей в коллекторе ,
см-38,466·1015
|
|
5. Идентификация
параметров математической модели биполярного транзистора КТ639В
КТ639В представляет собой кремниевый
биполярный транзистор p-n-p типа средней мощности высокочастотный. Выполнен по
планарноэпитаксиальной технологии [3].
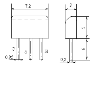
Рис. 38. Чертёж корпуса транзистора
КТ639В
Таблица 5. Электрические параметры и
предельные эксплуатационные данные транзистора КТ639В
|
Параметры
|
Значения
|
|
Максимально допустимый постоянный ток коллектора Iк max,
мА
|
1500
|
|
Пробивное напряжение коллектор-эмиттер Uкэ0
проб, В
|
45
|
|
Пробивное напряжение эмиттер-база Uэб0
проб, В
|
5
|
|
Максимально допустимая постоянная рассеиваемая мощность
коллектора Pк max,
Вт
|
1
|
|
Коэффициент передачи тока в режиме малого сигнала в схеме с
общим эмиттером h21э
|
100…250
|
|
Напряжение насыщения коллектор-эмиттер Uкэ
нас, В
|
0,5
|
Рис. 39. Схема предполагаемого
сечения планарноэпитаксиального транзистора КТ639В
Рис. 40. Рабочий диапазон
транзистора КТ639В в схеме с ОЭ
Рис. 41. Карта напряжений для
транзистора КТ639В в схеме с ОЭ
Функциональные схемы для измерения
вольт-амперных характеристик транзистора КТ639В такие же как и для транзистора
КТ342Б, поэтому в этом пункте они не приводятся.
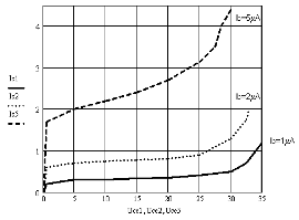
Ниже приведены входные
вольт-амперные характеристики транзистора КТ639В при
и
В
Рис. 42. Входные вольт-амперные
характеристики
транзистора
КТ639В; Ib_0 = f (Ube_0) при
,
Ib_5 = f (Ube_5) при
В;
[ось ординат] = мА, [ось абсцисс] =В
Рис. 43. Входные
вольт-амперные характеристики транзистора КТ639В в полулогарифмическом масштабе
при
и
В;
[ось абсцисс] =В
По входным
вольт-амперным характеристикам в полулогарифмическом масштабе можно определить
некоторые параметры модели Гуммеля-Пуна:
,
,
.
,
находятся
по точками пересечения прямых Q(t), W(t) с осью ординат.
,
(мА),
,
(мА),
→
,
→
,
. (33)
По напряжениям пробоя эмиттерного и
коллекторного p-n-переходов определим степень легирования базы и коллектора.
В →
(см-3),
В →
(см-3). (34)
Рис. 44. Входные
вольт-амперные характеристики
транзистора КТ639В; Ib_0 = f (Ube_0) при
,
Ib_kz = f (Ube_kz) при
;
[ось ординат] = мА, [ось абсцисс] =В
Из рис. 44 видно, что
при
сопротивление
базы также меньше, чем при
.
Ниже приведены выходные
вольт-амперные характеристики.
Рис. 45. Выходные
вольт-амперные характеристики
транзистора КТ639В;
[ось ординат] = мА, [ось абсцисс] =В
Рис. 46. Выходные
вольт-амперные характеристики
транзистора КТ639В;
[ось ординат] = мА, [ось абсцисс] =В
Рис. 47. Выходные
вольт-амперные характеристики
транзистора КТ639В;
[ось ординат] = мА, [ось абсцисс] =В
Точкой отмечены значения
тока и напряжения для границы допустимой мощности, рассеиваемой коллектором при
максимальном значении тока коллектора.
Рис. 48. К определению напряжения
Эрли транзистора КТ639В; [ось ординат] = мА, [ось абсцисс] =В
Из рис. 48 определяем
напряжение Эрли. Оно равно
В. Ниже приведена
зависимость коллекторного тока от напряжения база-эмиттер.
Рис. 49. Зависимость
при
В;
[ось ординат] = мА, [ось абсцисс] =В
Рис. 50. Зависимость
при
В;
[ось абсцисс] =В
По рис. 50 определим ток
равный
и
коэффициент неидеальности транзистора.
,
(мА),
→
. (35)
Определим
транзистора:
Из рис. 42 и рис. 49
определим
и
.
Получаем:
(Ом);
(Ом). (37)
Рис. 51. Прямая
передаточная характеристика
транзистора КТ639В;
[ось ординат] = мА, [ось абсцисс] = мкА
Рис. 52. Зависимость
статического коэффициента передачи тока от тока коллектора
;
[ось абсцисс] =мА
Максимальное значение
соответствует
мА.
В области слабой
инжекции, когда коллекторный ток много меньше чем ток излома, характеризующий
переход в режим сильной инжекции при прямом включении транзистора, т.е. много
меньше чем 940 мА, уравнение, которое описывает коллекторный ток, следующее.
. (38)
Это уравнение относится
к
В.
Рис. 53.
Экспериментальная и модельная зависимость
; точками показана
экспериментальная кривая, линией - построенная по модели Гуммеля-Пуна; [ось
ординат] = мА, [ось абсцисс] = В
Из рис. 53 можно
наблюдать, что модель Гуммеля-Пуна хорошо описывает экспериментальные данные в
области слабой инжекции.
Таблица 6. Параметры математической
модели Гуммеля-Пуна транзистора КТ639В
|
Параметр
|
Значение параметра
|
|
Ток насыщения диода Б-Э при ,
А2,524·10-13
|
|
|
Ток насыщения диода Б-Э при В ,
А2,769·10-14
|
|
|
Коэффициент неидеальности диода Б-Э 1,364
|
|
|
Ток насыщения транзистора при В ,
А1,436·10-12
|
|
|
Коэффициент неидеальности транзистора 1,283
|
|
|
Ток коллектора, при котором наступает спад ,
А0,94
|
|
|
Сопротивление базы , Ом28
|
|
|
Сопротивление коллектора , Ом0,242
|
|
|
Концентрация носителей в базе , см-31,403·1017
|
|
|
Концентрация носителей в коллекторе ,
см-32,678·1015
|
|
|
Напряжение Эрли , В-16
|
|
6. Идентификация
параметров математической модели полевого транзистора КП103К
КП103К представляет собой кремниевый
полевой диффузионно-планарный транзистор с p-n-переходом и каналом p-типа. Предназначен для работы во
входных каскадах усилителей низкой частоты, усилителей постоянного тока и
ключевых схемах. Выпускается в пластмассовом герметичном корпусе [3].
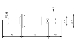
Рис. 54. Чертёж корпуса полевого
транзистора КП103К
Таблица 7. Электрические параметры и
предельные эксплуатационные данные транзистора КП103К
|
Параметры
|
Значения
|
|
Максимально допустимый постоянный ток стока Iс max,
мА
|
1,0 - 3,5
|
|
Напряжение отсечки при Uси=10
В, Iс=10 мкА Ut,
В
|
1,4 - 4,0
|
|
Суммарное напряжение сток-затвор, В
|
15
|
|
Максимально допустимая постоянная рассеиваемая мощность P max, мВт
|
120
|
|
Напряжение сток-исток Uси,
В
|
10
|
|
Напряжение затвор-исток Uзи,
В
|
10
|
|
Напряжение затвор-сток Uзс,
В
|
15
|
Рис. 55 Схема предполагаемого
сечения диффузионно-планарного транзистора КП103К
Электроды затвора соединяются
накоротко.
Рис. 56. Карта напряжений для
транзистора КП103К
Рис. 57. Функциональная схема для
измерения выходных вольт-амперных характеристик транзистора КП103К
Ниже приведены выходные
вольт-амперные характеристики транзистора.
Рис. 58. Выходные вольт-амперные
характеристики
транзистора
КП103К; [ось ординат] = мА, [ось абсцисс] =В
При измерении выходной
вольт-амперной характеристики транзистора фиксируется стоковый ток при
приложении напряжения сток-исток и при фиксированном управляющем напряжении
затвор-исток.
По выходным
вольт-амперным характеристикам определим параметры
математической
модели Шихмана-Ходжеса.
Для этого рассмотрим систему
уравнений:
. (39)
. (40)
Получаем:
. (41)
. (42)
Из уравнения (41) получаем
,
,
Из уравнения (42) получаем
,
,
,
(В) (44)
Из первого уравнения системы (41)
получаем:
(А/В2) (45)
Получаем выражения, описывающие
выходные характеристики полевого транзистора КП103К в триодном режиме и режиме
насыщения.
,
<
,
≥
(46)
Ниже приведены
экспериментальные и построенные по модели выходные характеристики для
и
В.
Рис. 59.
Экспериментальная и модельная зависимость
; точками показаны
экспериментальные кривые, линиями - построенные по модели Шихмана-Ходжеса; [ось
ординат] = мА, [ось абсцисс] = В
По рис. 59 наблюдается
хорошее соответствие полученной модели с экспериментальными данными.
По напряжению пробоя p-n-перехода определим концентрацию в
наименее легированной области.
В →
(см-3). (47)
Определим сопротивление
канала при
,
в триодном режиме оно составляет
(Ом). (48)
Сопротивление канала в
режиме насыщения при
составляет
(Ом). (49)
Ниже приведена сводная таблица
параметров математической модели Шихмана-Ходжеса для транзистора КП103К.
Таблица 8. Параметры математической
модели Шихмана-Ходжеса транзистора КП103К
|
Параметр
|
Значение параметра
|
|
Тип проводимости канала
|
p
|
|
Напряжение отсечки , В1,346
|
|
|
Коэффициент , 1/В0,012
|
|
|
Коэффициент , А/В21,224
|
|
|
Сопротивление канала при при в триодном режиме ,
Ом0,303
|
|
|
Сопротивление канала при при в режиме насыщения ,
Ом37,579
|
|
Выводы
В данной курсовой работе
были идентифицированы параметры математических моделей стабилитрона Д814А,
маломощного биполярного транзистора КТ342Б, среднемощного биполярного
транзистора КТ639В и полевого транзистора с управляющим p-n-переходом КП103К. Для транзистора КТ342Б рассматривалась модель
Эберса-Молла, для КТ639В - Гуммеля-Пуна. Параметры моделей определялись из
вольт-амперных характеристик приборов. Для биполярных транзисторов параметры
были определены при
В.
Построение всех вольт-амперных характеристик приборов подтвердили хорошее
соответствие взятых моделей экспериментальным данным по исследуемым приборам.
Полученные параметры также согласуются со справочными данными.
Список литературы
1. Головатый Ю.П. Конспект лекций по курсу «Твердотельная
электроника». - Калуга, 2006.
. Зайончковский В.С., Головатый Ю.П. Идентификация параметров
статических математических моделей полупроводниковых приборов. - М.: Изд-во
МГТУ им. Н.Э. Баумана, 2008.
. Горюнов Н.Н., Клейман А.Ю. и др. Справочник по полупроводниковым
диодам, транзисторам и интегральным схемам. - М.: Энергия, 1977.
. Коваленко А.А., Петропавловский М.Д. Основы микроэлектроники. -
М.: ACADEMIA, 2006.