Исследование вольтамперных характеристик диодов и транзисторов

  • Вид работы:
    Дипломная (ВКР)
  • Предмет:
    Физика
  • Язык:
    Русский
    ,
    Формат файла:
    MS Word
    2,22 Мб
  • Опубликовано:
    2014-10-14
Вы можете узнать стоимость помощи в написании студенческой работы.
Помощь в написании работы, которую точно примут!

Исследование вольтамперных характеристик диодов и транзисторов

Министерство просвещения ПМР

ГОУ "Тираспольский Техникум Информатики и Права"

Отделение Информационных технологий и экономических дисциплин










Дипломная работа

Исследование вольтамперных характеристик диодов и транзисторов


Исполнитель:

Карпов Павел Владимирович,

гр. 414

Специальность: ТОСВТ и КС

Руководитель:

Петрова Юлия Владимировна


г. Тирасполь

Пояснительная записка к дипломной работе

полупроводниковый вольтамперный транзистор шум

Тема: "Исследование вольтамперных характеристик диодов и транзисторов"

Специальность: 230106 (2204) "Техническое обслуживание средств вычислительной техники и компьютерных сетей"

Задание по экономике: "Понятие качества продукции. Показатели качества продукции"

Задание по охране труда: "Мероприятия по охране труда и пожарной безопасности"

Исполнитель Карпов П.В.

Руководитель Петрова Ю.В.

Консультант по экономической части Барбунова Т.И.

Консультант по охране труда Дымкович М.Я.

Проект допущен к защите 2011 г.

Зам. директора по учебной части Cыли Н.В.

Задание на дипломную работу

Студент: Карпов Павел Владимирович группа: 414

Тема работы: Исследование вольтамперных характеристик диодов и транзисторов

Перечень вопросов дипломной работы

а) Обзор литературных данных по теме диплома .

б) Провести исследования по данной тематике:

- разработка схемы

-        спроектировать стенд, устройство, узел.

         написать программу

         анализ рабочих характеристик

в) Привести инженерные расчеты данного разрабатываемого устройства.

д) Задание по экономической части: Понятие качества продукции. Показатели качества продукции.

г) Задание по охране труда: Мероприятия по охране труда и пожарной безопасности.

Реферат

В данной дипломной работе исследуется вольтамперные характеристики диодов и транзисторов. Существуют огромное множество диодов и транзисторов, для примера в работе были выбраны: светодиод, стабилитрон, выпрямительный диод, из транзисторов: биполярный и МОП транзисторы различной мощности.

Схемы разрабатываемого стенда исследуются с помощью программных средств Protel, OrCAD и SPICE. Рассмотрены принципы работы диодов и транзисторов, выведены их семейство вольтамперных характеристик, а также проделана работа по изготовлению действующего макета стенда для изучения ВАХ диода.

В экономической части представлены виды предприятий (их типологии). В Приднестровье доминируют унитарные и некоммерческие предприятия, а также общества ограниченной ответственности, закрытые акционерные общества. А также был проведен анализ типологий и видов предприятий, производится анализ субъектов собственности. Рассмотрены особенности и предприятия ЗАО "ТираЭТ", которое наладило деятельность в Приднестровской Молдавской Республике.

В разделе охраны труда были изучены материалы по технике безопасности работы с электронной техникой, общие санитарно-гигиенические требования к воздуху рабочей зоны, мероприятия по защите от шума и вибрации, требования к освещению помещений и рабочих мест ПЭВМ, методы подавления статической электризации, обеспечение электробезопасности, требования безопасности при работе с компьютерной техникой, требованиям к организации и оборудованию рабочего места, а также противопожарная безопасность.

Оглавление

Введение

Глава 1. Техническая часть. Разработка стенда для исследований ВАХ полупроводниковых приборов

.1 Полупроводниковые приборы и их ВАХ

.2 Выпрямительные диоды

.3 Стабилитроны

.4 Светодиоды

.5 Транзисторы. Описание транзисторов

.6 Исследование вольтамперных характеристик биполярного транзистора

.7 Исследование характеристик МДП транзистора

Глава 2. Экономическая часть. Типология предприятий

.1 Типология и виды предприятий

.2 Материальная база предприятия

.3 Некоммерческие и унитарные организации

.4 Типология ЗАО "ТирАЭТ"

Глава 3. Охрана труда. Безопасность работы с электронной техникой

.1 Анализ условий труда

.2 Общие санитарно-гигиенические требования к воздуху рабочей зоны

.3 Мероприятия по защите от шума и вибрации

.4 Требования к освещению помещений и рабочих мест ПЭВМ

.5 Методы подавления статической электризации

.6 Обеспечение электробезопасности

.7 Требования безопасности при работе с компьютерной техникой

.8 Техника безопасности при ремонте и обслуживании компьютера

.9 Противопожарная безопасность

Заключение

Список используемой литературы

Введение

Целью данной дипломной работы является разработка лабораторного практикума исследовательского характера и изучение методики ее выполнения для практикума по электронике и физике полупроводниковых приборов с исследованием вольтамперных характеристик. Причем исследования ВАХ не только ставших широко известными полупроводниковых приборов - диодов и транзисторов, но и абсолютно новых приборов и устройств, применяемых в современном мире.

Для достижения данных целей необходимо решить следующие задачи: обзор литературных данных по теме диплома; провести исследования по данной тематике; разработка схемы; спроектировать стенд; анализировать рабочие ВАХ полупроводниковых приборов; привести инженерные расчеты данного разрабатываемого устройства.

Полезно отметить некоторые свойства вольтамперных характеристик составных элементов на сегодняшний день. Без ВАХ, на данный момент, невозможно будет определить, параметры и полные возможности любого выпускаемого элемента начиная от интегральной схемы и заканчивая таким мелким элементом как транзистор, а известно, что современный компьютер состоит из десятков миллионов таких приборов.

Параллельное соединение - при параллельном соединении двух двухполюсников, при каждом значении напряжения складываются токи, текущие через них, а при последовательном - для каждого значения тока складываются напряжения на элементах.

Организационно - правовые формы предпринимательской деятельности отличаются крайним разнообразием: к этой категории относятся как гигантские корпорации, подобные General Motors, так и местные специализированные магазины или семейные продуктовые лавки с одним-двумя служащими и ежедневным небольшим объемом продаж. Такое разнообразие порождает необходимость классифицировать фирмы по некоторым критериям, таким, например, как правовой статус.

Принимая решение о выборе организационно-правовой формы, предприниматель определяет требуемый уровень и объем возможных прав и обязательств, что зависит от профиля и содержания будущей деятельности, возможного круга партнеров, существующего в стране законодательства.

Наличие организационно-правовых форм хозяйствования, как показала мировая практика, является важнейшей предпосылкой для эффективного функционирования рыночной экономики в любом государстве, в том числе и в Приднестровье.

В разделе охраны труда рассмотрены вопросы безопасности во время работы с компьютерной техникой, причины возникновения опасных ситуаций во время производственного процесса, методы профилактики и техника борьбы с форс-мажорными ситуациями, к примеру, такими как возникновение пожара, на рабочем месте, то есть полностью глава о противопожарной безопасности.

Глава 1. Техническая часть. Разработка стенда для исследований ВАХ полупроводниковых приборов

.1 Полупроводниковые приборы и их ВАХ

Вольтамперная характеристика (ВАХ) - график зависимости тока через двухполюсник от напряжения на этом двухполюснике. Вольтамперная характеристика описывает поведение двухполюсника на постоянном токе. Чаще всего рассматривают ВАХ нелинейных элементов (степень нелинейности определяется коэффициентом нелинейности), поскольку для линейных элементов ВАХ представляет собой прямую линию и не представляет особого интереса.

Характерными примерами элементов, обладающих нелинейной ВАХ являются: диоды, стабилитроны, транзисторы. Для элементов, имеющих три вывода (таких, как транзистор, тиристор или ламповый триод) часто строят семейства кривых, являющимися ВАХ для двухполюсника при, так или иначе заданных параметрах на третьем выводе элемента.

Полупроводниковый диод - это преобразовательный полупроводниковый прибор с одним электрическим переходом и двумя выводами, в котором используются свойства р-n- перехода.

Полупроводниковые диоды классифицируются:

1)      по назначению: выпрямительные, высокочастотные и сверхвысокочастотные (ВЧ- и СВЧ- диоды), импульсные, полупроводниковые стабилитроны (опорные диоды), туннельные, обращенные, варикапы и многие другие;

2)      по конструктивно - технологическим особенностям: плоскостные и точечные;

)        по типу исходного материала различают: кремниевые, германиевые, из арсенида галлия.

Рис. 1 (устройство точечных диодов)

В точечном диоде используется пластинка германия или кремния с электропроводностью n- типа, толщиной 0,1-0,6 мм и площадью 0,5-1,5 мм2; с пластинкой соприкасается заостренная проволочка (игла) с нанесенной на нее примесью. При этом из иглы в основной полупроводник диффундируют примеси, которые создают область с другим типом электропроводности. Таким образом, около иглы образуется миниатюрный р-n- переход полусферической формы.

Для изготовления германиевых точечных диодов к пластинке германия приваривают проволочку из вольфрама, покрытого индием. Индий является для германия акцептором. Полученная область германия p - типа является эмиттерной.

Для изготовления кремниевых точечных диодов используется кремний n- типа и проволочка, покрытая алюминием, который служит акцептором для кремния.

В плоскостных диодах p-n - переход образуется двумя полупроводниками с различными типами электропроводности, причем площадь перехода у различных типов диодов лежит в пределах от сотых долей квадратного миллиметра до нескольких десятков квадратных сантиметров у силовых диодов.

Плоскостные диоды изготовляются методами сплавления (вплавления) или диффузии.

Рис. 2 (устройство плоскостных диодов, изготовленных сплавным (а) и диффузионным методом (б))

В пластинку германия n- типа вплавляют при температуре около 500° С каплю индия, которая, сплавляясь с германием, образует слой германия р- типа. Область с электропроводностью р - типа имеет более высокую концентрацию примеси, нежели основная пластинка, и поэтому является эмиттером. К основной пластинке германия и к индию припаивают выводные проволочки, обычно из никеля. Если за исходный материал взят германий р - типа, то в него вплавляют сурьму и тогда получается эмиттерная область n- типа.

Диффузионный метод изготовления р-n- перехода основан на том, что атомы примеси диффундируют в основной полупроводник. Для создания р - слоя используют диффузию акцепторного элемента (бора или алюминия для кремния, индия для германия) через поверхность исходного материала.

.2 Выпрямительные диоды

Выпрямительный полупроводниковый диод - это полупроводниковый диод, предназначенный для преобразования переменного тока в постоянный.

Выпрямительные диоды выполняются на основе р-n- перехода и имеют две области, одна из них является более низкоомной (содержит большую концентрацию примеси), и называется эмиттером. Другая область, база - более высокоомная (содержит меньшую концентрация примеси).

В основе работы выпрямительных диодов лежит свойство односторонней проводимости р-n- перехода, которое заключается в том, что последний хорошо проводит ток (имеет малое сопротивление) при прямом включении и практически не проводит ток (имеет очень высокое сопротивление) при обратном включении.

Как известно, прямой ток диода создается основными, а обратный - не основными носителями заряда. Концентрация основных носителей заряда на несколько порядков превышает концентрацию не основных носителей, чем и обусловливаются вентильные свойства диода.

Основными параметрами выпрямительных полупроводниковых диодов являются:

·        прямой ток диода Iпр, который нормируется при определенном прямом напряжении (обычно Uпр = 1-2 В);

·        максимально допустимый прямой ток Iпр мах диода;

·        максимально допустимое обратное напряжение диода Uобр мах, при котором диод еще может нормально работать длительное время;

·        постоянный обратный ток Iобр, протекающий через диод при обратном напряжении, равном Uобр мах;

·        средний выпрямленный ток Iвп.ср, который может длительно проходить через диод при допустимой температуре его нагрева;

·        максимально допустимая мощность Pмах, рассеиваемая диодом, при которой обеспечивается заданная надежность диода.

По максимально допустимому значению среднего выпрямленного тока диоды делятся на маломощные (Iвп.ср £ 0,3А), средней мощности (0,3А < Iвп.ср £ 10А) и большой мощности (Iвп.ср > 10А).

Для сохранения работоспособности германиевого диода его температура не должна превышать +85°С. Кремниевые диоды могут работать при температуре до +150°С.

Рис. 3 (изменение вольт - амперной характеристики полупроводникового диода от температуры: а − для германиевого диода; б − для кремниевого диода)

Падение напряжения при пропускании прямого тока у германиевых диодов составляет DUпр = 0,3-0,6 В, у кремниевых диодов − DUпр = 0,8-1,2 В. Большие падения напряжения при прохождении прямого тока через кремниевые диоды по сравнению с прямым падение напряжения на германиевых диодах связаны с большей высотой потенциального барьера р-n- переходов, сформированных в кремнии.

С увеличением температуры прямое падение напряжения уменьшается, что связано с уменьшением высоты потенциального барьера.

При подаче на полупроводниковый диод обратного напряжения в нем возникает незначительный обратный ток, обусловленный движением не основных носителей заряда через р-n- переход.

При повышении температуры р-n- перехода число не основных носителей заряда увеличивается за счет перехода части электронов из валентной зоны в зону проводимости и образования пар носителей заряда электрон-дырка. Поэтому обратный ток диода возрастает.

В случае приложения к диоду обратного напряжения в несколько сотен вольт внешнее электрическое поле в запирающем слое становится настолько сильным, что способно вырвать электроны из валентной зоны в зону проводимости (эффект Зенера). Обратный ток при этом резко увеличивается, что вызывает нагрев диода, дальнейшей рост тока и, наконец, тепловой пробой (разрушение) р-n- перехода. Большинство диодов может надежно работать при обратных напряжениях, не превышающих (0,7-0,8) Uпроб.

Допустимое обратное напряжение германиевых диодов достигает - 100-400 В, а кремниевых диодов - 1000-1500 В.

Выпрямительные диоды применяются для выпрямления переменного тока (преобразования переменного тока в постоянный); используются в схемах управления и коммутации для ограничения паразитных выбросов напряжений, в качестве элементов электрической развязки цепей.

В ряде мощных преобразовательных установок требования к среднему значению прямого тока, обратного напряжения превышают номинальное значение параметров существующих диодов. В этих случаях задача решается параллельным или последовательным соединением диодов.

Параллельное соединение диодов применяют в том случае, когда нужно получить прямой ток, больший предельного тока одного диода.

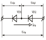
Рис. 4 (ВАХ при параллельном соединении выпрямительных диодов)

Рис. 5 (параллельное соединение выпрямительных диодов)

Но если диоды одного типа просто соединить параллельно, то вследствие несовпадения прямых ветвей ВАХ они окажутся различно нагруженными и, в некоторых прямой ток будет больше предельного

Для выравнивания токов используют диоды с малым различием прямых ветвей ВАХ (производят их подбор) или последовательно с диодами включают уравнительные резисторы с сопротивлением в единицы Ом. Иногда включают дополнительные резисторы (рис. 5) с сопротивлением, в несколько раз большим, чем прямое сопротивление диодов, для того чтобы ток в каждом диоде определялся главным образом сопротивлением Rд, то есть Rд >> rпр вд. Величина Rд составляет сотни Ом.

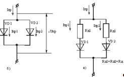
Последовательное соединение диодов применяют для увеличения суммарного допустимого обратного напряжения. При воздействии обратного напряжения через диоды, включенные последовательно, протекает одинаковый обратный ток I обр. однако ввиду различия обратных ветвей ВАХ общее напряжение будет распределяться по диодам неравномерно. К диоду, у которого обратная ветвь ВАХ идет выше, будет приложено большее напряжение. Оно может оказаться выше предельного, что повлечет пробой диодов.

Рис. 6 (изменение характеристик при последовательном соединении)

Рис. 7 (последовательное соединение выпрямительных диодов)

Для того чтобы обратное напряжение распределялось равномерно между диодами независимо от их обратных сопротивлений, применяют шунтирование диодов резисторами. Сопротивления Rш резисторов должны быть одинаковы и значительно меньше наименьшего из обратных сопротивлений диодов Rш << rобр вд, чтобы ток, протекающий через резистор Rш, был на порядок больше обратного тока диодов. Можно рассмотреть на рис.8.

Рис. 8 (шунтирование выпрямительных диодов резисторами.)

.3 Стабилитроны

Стабилитрон это полупроводниковый диод, предназначенный для стабилизации напряжения. В отличие от обычных диодов, стабилитрон имеет достаточно низкое напряжение пробоя (при обратном включении) и что самое главное - может поддерживать это напряжение на постоянном уровне при значительном изменении силы обратного тока. Благодаря этому эффекту стабилитроны широко применяются в источниках питания.

Рис. 9. (обозначение стабилитрона на принципиальных схемах)

В стабилитронах, для создания p-n перехода, используются материалы с высокой концентрацией примесей. При относительно небольших обратных напряжениях в p-n переходе возникает сильное электрическое поле, вызывающее его электрический пробой. При этом электрический пробой является обратимым (если конечно не наступит тепловой пробой вследствие слишком большой силы тока).

В основе работы стабилитрона лежат два механизма: лавинный пробой p-n перехода и туннельный пробой p-n перехода. Туннельный пробой p-n перехода в англоязычной литературе называется Эффектом Зенера, поэтому стабилитрон имеет еще одно название как диод Зенера.

Несмотря на схожие результаты действия этих механизмов они различны, хотя и присутствуют в любом стабилитроне совместно, но преобладает только один из них. У стабилитронов до напряжения 5,6 вольт преобладает туннельный пробой с отрицательным температурным коэффициентом, выше 5,6 вольт доминирующим становится лавинный пробой с положительным температурным коэффициентом. При напряжении, равном 5,6 вольт, оба эффекта уравновешиваются, поэтому выбор такого напряжения является оптимальным решением для устройств с широким температурным диапазоном применения.

Рис. 10 (обозначение двуханодного стабилитрона на принципиальных схемах)

Существует большое количество разновидностей стабилитронов:

Стабилитроны отличаются по мощности. Существуют мощные стабилитроны и маломощные стабилитроны. Прецизионные стабилитроны - обладают повышенной стабильностью напряжения стабилизации, для них вводятся дополнительные нормы на временную нестабильность напряжения и температурный коэффициент напряжения (например: 2С191, КС211, КС520). Двусторонние - обеспечивают стабилизацию и ограничение двухполярных напряжений, для них дополнительно нормируется абсолютное значение несимметричности напряжения стабилизации (например: 2С170А, 2С182А).

Быстродействующие - имеют сниженное значение барьерной ёмкости и малую длительность переходного процесса (единицы нс), что позволяет стабилизировать и ограничивать кратковременные импульсы напряжения (например: 2С175Е, КС182Е, 2С211Е).

Рис. 11 (стабилитрон смодулированный в программе Protel, модель D2S147A)

Рис. 12 (ВАХ стабилитрона модели D2S147A, полученного с помощью программы OrCAD)

Рис. 13 (стабилитрон смодулированный в программе Protel, модель D2S211G)

Рис. 14 (ВАХ стабилитрона модели D2S211G, полученного с помощью программы OrCAD.)

Рис. 15 (ВАХ стабилитрона модели D2S211G, после изменения параметров)

Рис. 16 (ВАХ Стабилитрона модели D2S211G, после изменения параметров)

Рис. 17 (ВАХ стабилитрона модели D2S211G, после измененных параметров)

Рис. 18 (ВАХ стабилитрона модели D2S211G, после измененных параметров)

Рис. 19 (ВАХ стабилитрона модели D2S211G, после измененных параметров)

Рис. 20 (ВАХ стабилитрона модели D2S211G, с измененными параметрами)

Рис. 21 (типовая схема включения стабилитрона)

Характеристики стабилитронов:

Напряжение стабилизации - значение напряжения на стабилитроне при прохождении заданного тока стабилизации. Пробивное напряжение диода, а значит, напряжение стабилизации стабилитрона зависит от толщины p-n-перехода или от удельного сопротивления базы диода. Поэтому разные стабилитроны имеют различные напряжения стабилизации (от 3 до 400 В).

Температурный коэффициент напряжения стабилизации - величина, определяемая отношением относительного изменения температуры окружающей среды при постоянном токе стабилизации. Значения этого параметра у различных стабилитронов различны. Коэффициент может иметь как положительные, так и отрицательные значения для высоковольтных и низковольтных стабилитронов соответственно. Изменение знака соответствует напряжению стабилизации порядка 6В.

Дифференциальное сопротивление - величина, определяемая отношением приращения напряжения стабилизации к вызвавшему его малому приращению тока в заданном диапазоне частот.

Максимально допустимая рассеиваемая мощность - максимальная постоянная или средняя мощность, рассеиваемая на стабилитроне, при которой обеспечивается заданная надёжность.

.4 Светодиоды

Светодиод-это полупроводниковый прибор, преобразующий электрический ток непосредственно в световое излучение.

Рис. 22 (строение светодиода)

Так как светодиод является полупроводниковым прибором, то при включении в цепь необходимо соблюдать полярность. Светодиод имеет два вывода, один из которых катод ("минус"), а другой - анод ("плюс") (Рис.22).

Светодиод состоит из полупроводникового кристалла на подложке, корпуса с контактными выводами и оптической системы. Современные светодиоды мало похожи на первые корпусные светодиоды, применявшиеся для индикации. Конструкция мощного светодиода серии Luxeon, выпускаемой компанией Lumileds, схематически изображена на рис.23.

Рис. 23 (светодиод выпускаемый компанией Lumileds)

Принцип работы светодиода заключается в следующем: свечение возникает при рекомбинации электронов и дырок в области p-n-перехода. Значит, прежде всего, нужен p-n-переход, то есть контакт двух полупроводников с разными типами проводимости. Для этого приконтактные слои полупроводникового кристалла легируют разными примесями: по одну сторону акцепторными, по другую - донорными.

Чем больший ток проходит через светодиод, тем он светит ярче. Ведь чем больше ток, тем больше электронов и дырок поступают в зону рекомбинации в единицу времени. Но ток нельзя увеличивать до бесконечности. Из-за внутреннего сопротивления полупроводника и p-n-перехода диод перегреется и выйдет из строя.

Светодиод - низковольтный прибор. Обычный светодиод, применяемый для индикации, потребляет от 2 до 4В постоянного напряжения при токе до 50 мА. Светодиод, который используется для освещения, потребляет такое же напряжение, но ток выше - от нескольких сотен мА до 1А в проекте. В светодиодном модуле отдельные светодиоды могут быть включены последовательно, и суммарное напряжение оказывается более высоким (обычно 12 или 24 В).

При подключении светодиода необходимо соблюдать полярность, иначе прибор может выйти из строя. Напряжение пробоя указывается изготовителем и обычно составляет более 5В для одного светодиода. Яркость светодиода характеризуется световым потоком и осевой силой света, а также диаграммой направленности. Существующие светодиоды разных конструкций излучают в телесном угле от 4 до 140 градусов. Цвет, как обычно, определяется координатами цветности и цветовой температурой, а также длиной волны излучения.

Для сравнения эффективности светодиодов между собой и с другими источниками света используется светоотдача: величина светового потока на один ватт электрической мощности. Также интересной маркетинговой характеристикой оказывается цена одного люмена.

Реакция светодиода на повышение температуры такова: p-n-переход - это "кирпичик" полупроводниковой электронной техники, представляющий собой соединённые вместе два куска полупроводника с разными типами проводимости (один с избытком электронов - "n-тип", второй с избытком дырок - "p-тип"). Если к p-n переходу приложить "прямое смещение", то есть, подсоединить источник электрического тока плюсом к р-части, то через него потечёт ток. Современные технологии позволяют создавать интегральные схемы, содержащие огромное количество p-n переходов на одном кристалле; так, в процессоре Pentium-IV их количество измеряется десятками миллионов.

Нас интересует, что происходит после того, как через прямо смещённый p-n переход пошёл ток, а именно момент рекомбинации носителей электрического заряда - электронов и дырок, когда имеющие отрицательный заряд электроны "находят пристанище" в положительно заряженных ионах кристаллической решётки полупроводника. Оказывается, что такая рекомбинация может быть излучательной, при этом в момент встречи электрона и дырки выделяется энергия в виде излучения кванта света - фотона. В случае безизлучательной рекомбинации энергия расходуется на нагрев вещества. В природе существует как минимум 5 видов излучательной рекомбинации носителей зарядов, в том числе так называемая прямозонная рекомбинация. Впервые это явление в далёкие 20-е годы исследовал О.В. Лосев, наблюдавший свечение кристаллов карборунда (карбид кремния SiC). Для большинства полупроводниковых диодов это явление - просто "побочный эффект", не имеющий практического смысла. Для светодиодов же излучательная рекомбинация - физическая основа их работы.

Говоря о температуре светодиода, необходимо различать температуру на поверхности кристалла и в области p-n-перехода. От первой зависит срок службы, от второй - световой выход. В целом с повышением температуры p-n-перехода яркость светодиода падает, потому что уменьшается внутренний квантовый выход из-за влияния колебаний кристаллической решетки. Поэтому так важен хороший теплоотвод.

Падение яркости с повышением температуры не одинаково у светодиодов разных цветов. Оно больше у AlGalnP- и AlGaAs- светодиодов, то есть у красных и желтых, и меньше у InGaN, то есть у зеленых, синих и белых.

Ток через светодиод нужно стабилизировать.

Рис. 24 (ВАХ светодиодов разных цветов)

Как видно из рисунка 24, в рабочих режимах ток экспоненциально зависит от напряжения, и незначительные изменения напряжения приводят к большим изменениям тока. Поскольку световой выход прямо пропорционален току, то и яркость светодиода оказывается нестабильной. Поэтому ток необходимо стабилизировать. Кроме того, если ток превысит допустимый предел, то перегрев светодиода может привести к его ускоренному старению.

Светодиоды допускается "запитывать" в импульсном режиме, при этом импульсный ток, протекающий через прибор, может быть выше, чем значения постоянного тока (до 150 мА при длительности импульсов 100 мкс и частоте импульсов 1 кГц). Для управления яркостью светодиодов (и цветом, в случае смешения цветов) используется широтно-импульсная модуляция (ШИМ) - метод, очень распространённый в современной электронике. Это позволяет создавать контроллеры с возможностью плавного изменения яркости (диммеры) и цвета (колор-чейнджеры).

Конвертор (в англоязычной терминологии driver) для светодиода - то же, что балласт для лампы. Он стабилизирует ток, протекающий через светодиод.

Яркость светодиодов очень хорошо поддается регулированию, но не за счет снижения напряжения питания - этого-то как раз делать нельзя, - а так называемым методом широтно-импульсной модуляции (ШИМ), для чего необходим специальный управляющий блок (реально он может быть совмещен с блоком питания и конвертором, а также с контроллером управления цветом RGB-матрицы). Метод ШИМ заключается в том, что на светодиод подается не постоянный, а импульсно-модулированный ток, причем частота сигнала должна составлять сотни или тысячи герц, а ширина импульсов и пауз между ними может изменяться. Средняя яркость светодиода становится управляемой, в то же время светодиод не гаснет.

.5 Транзисторы. Описание транзисторов

Транзистор представляет собой полупроводниковый прибор, имеющий два р - n перехода и три внешних вывода: эмиттер, базу и коллектор. Полевые транзисторы имеют обозначения выводов: исток, затвор, сток, которые соответствуют выводам обычного биполярного транзистора: эмиттеру, базе и коллектору.

Транзисторы используют для усиления сигналов высокой, промежуточной и низкой частот, генерирования колебаний, а также в схемах преобразования и переключения сигналов.

Условное обозначение полупроводниковых приборов состоит из пяти элементов: первый - буква или цифра, обозначающая исходный материал прибора (Г или 1 - германий, К или 2 - кремний); для приборов, предназначенных для устройств широкого применения, используются буквы Г - для германиевых приборов, К - для кремниевых; второй - буква, обозначающая класс или группу приборов (Т - транзисторы, Д - выпрямительные и универсальные импульсные диоды, В - варикапы, Ц - выпрямительные столбы и блоки); для полевых транзисторов вместо буквы Т (транзистор) используется буква П (полевой); третий - цифра, указывающая назначение или электрические свойства прибора (группу мощностей); четвертый элемент - двухзначное число (от 01 до 99), указывающее на порядковый номер разработки (для стабилитронов - это двузначное число обозначает напряжение стабилизации); пятый - буква, указывающая разновидность типа из данной группы приборов (обычно применяются буквы А, Б, В, Г и далее по алфавиту).

Основные параметры биполярных транзисторов можно измерять следующим способом. Обратный ток коллектора транзистора структуры p-n-p измеряется по определенной схеме, а структуры n-p-n по другой схеме. Обратное напряжение от источника приложено к коллекторному переходу транзистора, эмиттер которого остается свободным. Протекающий через переход обратный ток коллектора измеряется микроамперметром, защищенным от перегрузок ограничительным резистором. При комнатных температурах обратный ток не превышает нескольких микроампер у маломощных и десятков микроампер у мощных. Начальный ток коллектора измеряется так - между базой и эмиттером транзистора включается резистор, сопротивление которого варьируется в пределах от 500-1000 Ом для маломощных, и от 0 - 2 Ом для маломощных транзисторов. Измеряемый микроамперметром, который защищен от перегрузок ограничительным резистором, начальный ток коллектора маломощных транзисторов при комнатных температурах составляет единицы, а мощных - десятки микроампер.

Статическим коэффициентом передачи тока в схеме с общим эмиттером называется отношение постоянного тока коллектора к постоянному току базы при заданных постоянном обратном напряжении коллектор-эмиттер и токе эмиттера в схеме с общим эмиттером.

.6 Исследование вольтамперных характеристик биполярного транзистора

Структура транзистора n-p-n типа и схема включения его в электрическую цепь по схеме с общим эмиттером (ОЭ). При работе транзистора в активном режиме (режиме усиления) к эмиттерному p-n-переходу должно быть подключено прямое напряжение, а к коллекторному - обратное.

Рис. 25 (биполярный транзистор и схема его включения с ОЭ)

Схема с ОЭ является наиболее распространенной, поскольку обладает наилучшими свойствами усиления мощности электрического сигнала. При включении транзистора по схеме с ОЭ входной является цепь базы, а выходной - цепь коллектора (эмиттер является общим электродом для входной и выходной цепей).

Входной характеристикой транзистора в схеме с ОЭ является зависимость тока базы IБ от напряжения база-эмиттер UБЭ, а выходной - зависимость тока коллектора IК от напряжения коллектор-эмиттер UКЭ.

Семейство входных характеристик IБ (UБЭ) при UКЭ =const изображено на рис. 26, а. При UКЭ=0 входная ВАХ имеет вид прямой ветви ВАХ электронно-дырочного перехода, поскольку эмиттерный переход (ЭП) и коллекторный переход (КП) при этом смещены в прямом направлении и соединены параллельно друг другу ( и внутреннее сопротивление этой ЭДС равно нулю). При UКЭ>0 входная ВАХ смещена вправо вследствие дополнительного падения напряжения на ЭП от протекающего по транзистору коллекторного тока. Это падение напряжения существует даже при отсутствии тока базы и соответствует участку "о-а" на рис. 26, а. б.

Рис. 26 (семейства ВАХ транзистора в схеме с ОЭ: а - входных; б - выходных)

При уменьшении UБЭ до нуля (выводы базы и эмиттера соединены между собой), ток базы является обратным током КП и направлен противоположно указанному на рис. 26 (участок "о-б" на рис. 26, а). Однако этот отрицательный ток базы незначителен, и практически его бывает трудно зафиксировать.

Семейство выходных характеристик Iк (UКЭ) при IБ = const изображено на рис. 26, б. При IБ =0 выходная ВАХ имеет вид обратной ветви ВАХ электронно-дырочного перехода, увеличенной в (β+1) раз (где β - коэффициент передачи тока), поскольку КП при этом смещен в обратном направлении. При увеличении тока базы выходные ВАХ смещаются вверх на величину β1Б.

Характеристикой передачи тока транзистора в схеме с ОЭ является зависимость тока коллектора Iк от тока базы IБ при фиксированном напряжении коллектор-эмиттер UКЭ. Семейство характеристик передачи тока транзистора в схеме с ОЭ изображено на рис. 27.

Рис. 27 (семейство передаточных характеристик транзистора в схеме с ОЭ)

Передаточные характеристики тока показывают, что при изменении небольшого по абсолютной величине (микроамперы) тока базы практически пропорционально изменяется значительный ток коллектора (миллиамперы), то есть в транзисторе происходит процесс усиления электрического сигнала. Некоторая нелинейность характеристик передачи тока транзистора в схеме с ОЭ приводит к нелинейным искажениям усиленного сигнала. Следует отметить, что передаточные характеристики могут быть построены без специальных измерений. Для этого можно определить соответствующие параметры по семействам входных и выходных характеристик.

Коэффициент передачи тока на выходе для переменного тока определяется по формуле.

(1)

Коэффициент обратной связи по напряжению на входе для переменного тока определяется по формуле.

(2)

Соответствующие приращения токов и напряжений определяются по характеристикам транзистора при заданном режиме его работы.

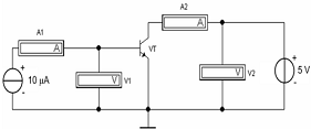
Далее представляется схема включения транзистора собранная при помощи программы EWB (рис. 28).

Амперметр А1 измеряет ток базы IБ, вольтметр V1 - напряжение база-эмиттер UБЭ, вольтметр V2 - напряжение UКЭ, а амперметр A2 - ток коллектора Iк транзистора.

Рис. 28 (схема биполярного транзистора, построенная в программе EWB)

В течение месяца подготовки к дипломной работе, я осваивал программу Protel 2.04. Она позволила нам спроектировать биполярный транзистор NPN - типа и вывести его семейство ВАХ.

Рис. 29 (модулирование биполярного транзистора NPN - типа в программе Protel 2.04)

Рис. 30 (полученное семейство ВАХ биполярного транзистора при помощи программы OrCAD)

Рис. 31 (модулирование биполярного транзистора PNP - типа в программе Protel 2.04, маломощной модели транзистора КТ361)

Рис. 32 (полученная ВАХ биполярного транзистора малой мощности КТ361 при помощи программы OrCAD)

.7 Исследование характеристик МДП транзистора

Современная микроэлектроника в основном базируется на приборах со структурой металл-диэлектрик-полупроводник (МДП), что связано с простотой планарной технологии, обеспечивающей в тоже время высокую степень интеграции микросхем при малых токах потребления.

Вольтамперная характеристика идеального МДП транзистора, полученная в приближении плавного канала при учете только дрейфовой составляющей тока и ряде других предположений может быть записана в виде:

 (1)

где Z - ширина канала,- длина канала,

μ - подвижность носителей заряда,- емкость подзатворного диэлектрика,- напряжение на затворе,- напряжение на стоке,- пороговое напряжение.

Физической основой работы МДП-транзистора является эффект поля, который состоит в изменении концентрации свободных носителей заряда в приповерхностной области полупроводника под действием внешнего электрического поля.

В структурах металл - диэлектрик - полупроводник внешнее поле обусловлено приложенным напряжением на металлический электрод (затвор) относительно полупроводниковой подложки. В зависимости от знака и величины приложенного напряжения различают три состояния при поверхностной области полупроводника.

1.      Обогащение основными носителями. Этому состоянию соответствует знак напряжения на металлическом электроде (затворе), притягивающий основные носители (для n -типа, VG > 0).

2.      Обеднение основными носителями. Этому состоянию соответствует небольшое по величине напряжение, отталкивающее основные носители (для n -типа, VG < 0).

.        Инверсия типа проводимости. Такому состоянию соответствует большое по величине напряжение на затворе, соответствующее значительным изгибам зон и вызывающее обогащение поверхности неосновными носителями заряда (для n -типа, VG << 0).

Когда на поверхности полупроводника сформировался инверсионный канал, величина концентрации неосновных носителей заряда (дырок) в инверсионных каналах равна концентрации основных носителей (электронов) в объеме полупроводника. При этом величина поверхностного потенциала ψs равна ψs = 2φo , где φo - расстояние от середины запрещенной зоны до уровня Ферми в квазинейтральном объеме. Изменяя величину напряжения на затворе, можно менять концентрацию дырок в инверсионном канале, и тем самым модулировать его проводимость. При этом дырки в канале отделены от свободных носителей в объеме полупроводника областью пространственного заряда.

Рассмотрим полевой транзистор со структурой МОП (металл - окисел-полупроводник), схема которого приведена на рис. 33.

Рис. 33 (транзистор МОП)

Основными элементами конструкции МДП-транзистора являются:

1.      две сильно легированные области противоположного с подложкой типа проводимости, сток и исток;

2.      диэлектрический слой, отделяющий металлический электрод, затвор, от полупроводниковой подложки и лежащий над активной областью транзистора, инверсионным каналом, соединяющим сток и исток.

Ток в канале МДП-транзистора, изготовленного на подложке n -типа, обусловлен свободными дырками, концентрация которых r . Электрическое поле Еy обусловлено напряжением между стоком и истоком Vd . Согласно закону Ома плотность тока канала.

(2)

где: q - заряд электрона,

μp - подвижность(x) - концентрация дырок в канале.

Проинтегрируем (2) по ширине z и глубине x канала. Тогда интеграл в левой части (3) дает полный ток канала Id , а для правой получим

(3)

Величина под интегралом есть полный заряд дырок Qp в канале на единицу площади. Тогда

(4)

Найдем величину заряда дырок Q p. Запишем уравнение электронейтральности для зарядов на единицу площади в виде

 (5)

Согласно (4) заряд на металлическом электроде QM уравновешивается суммой зарядов на полупроводнике: свободных дырок Qp и ионизованных доноров QB и встроенных зарядов в окисле Q ox. На рис. 34 приведена схема расположения этих зарядов. Из определения емкости следует, что полный заряд на металлической обкладке QM конденсатора

 (6)

где Vox - падение напряжения на окисном слое, Cox - удельная емкость подзатворного диэлектрика.

Рис. 34 (схема расположения зарядов в активной области МДП - транзистора)  Q B - заряд ионизованных доноров; Q p - заряд свободных дырок; Q ox - заряд, встроенный в окисле; Q M - заряд на металлическом электроде.

Поскольку полное приложенное напряжение V G есть сумма падений напряжения в окисле V ox и в полупроводнике ψs, то

 (7)

где Δφms - разность работ выхода металл-полупроводник, ψs - величина поверхностного потенциала в равновесных условиях, то есть, при Vd = 0.

Из (4), (5) и (6) следует

 (8)

Поскольку в области сильной инверсии при значительном изменении VG величина ψs меняется слабо (условие плавного канала), будем в дальнейшем считать ее постоянной и равной потенциалу начала области сильной инверсии ψs = 2φ0. Введем пороговое напряжение VT = VG · V (y) как напряжение на затворе, соответствующее открытию канала в равновесных условиях Qp (Vd = 0) = 0. Из (8) следует, что

 (9)

Тогда с учетом (9)

 (10)

Подставляя (9) в (3) и проводя интегрирование вдоль канала, при изменении y от 0 до L, а V (y) - от 0 до Vc , получаем

 (11)

Уравнение (12) описывает вольтамперную характеристику полевого транзистора в области плавного канала. Как следует из (11), по мере роста Vd в канале может наступить такой момент, когда произойдет отсечка канала, то есть Qp = 0. Это соответствует условию

(12)

Напряжение на стоке Vd , необходимое для смыкания канала вблизи стока, называется напряжением отсечки, . На рис.35 показаны оба состояния: плавного и отсеченного канала.

а) б) Рис. 35 (схема работы транзистора: а - в области плавного канала, б - в области отсечки)

С ростом напряжения стока Vd точка канала, соответствующая отсечке, сдвигается от стока к истоку. В первом приближении, при этом на участке плавного канала от истока до точки отсечки падает одинаковое напряжение , не зависящее от напряжения исток-сток Vd. Поскольку эффективная длина канала L и ΔL=L-L' L, это обуславливает, в первом приближении, не зависящий от напряжения стока Vd ток стока Id. Подставив (11) в (12) вместо Vd , получаем для области отсечки:

(12)

На рисунке 36 приведены характеристики транзистора Id = f (Vd) при различных напряжениях на затворе (VG), и I d = f (VG) при различных Vd.

а) б)

Рис 36 (характеристики МДП - транзистора)

а) Зависимость тока стока Id от напряжения на стоке Vd при разных VG. Отмечены значения напряжения стока, равные напряжению отсечки ;

б) Зависимость тока стока Id от напряжения на затворе VG в области плавного канала. Пунктиром указано напряжение затвора, соответствующее экстраполированному к нулю значению тока стока.

При приложении напряжения канал-подложка Vbs , расширяющего область пространственного заряда, меняется величина области ионизованных доноров. Из теории p-n перехода следует, что величина заряда QB при смещении канал-подложка Vbs

 (14)

Поскольку величина QB входит в выражение для порогового напряжения VT , то изменение Vbs вызовет соответствующее изменение VT . При этом

 (15)

Зная толщину окисла dox и примерное значение NB (с точностью до порядка) для определения φ0:

 (16)

Из угла наклона зависимости (16) можно рассчитать величину (уровень) легирующей примеси в подложке МДП-транзистора.

(17)

К примеру, для транзистора КП 301Б необходимые для расчета параметры имеют значения: W = 100 мкм: L = 20 мкм; d ox = 100 нм;ε s = 11,8; εox = 3,82; φ0 = 0,3 В; ε0 = 8,85 10 -14 Ф/cм.

Рис. 37 (схема N - канального МОП - транзистора собранная в программе Protel)

) В реальных МДП транзисторах пороговое напряжение и ВАХ зависят от напряжения подложка-исток.

) Ток стока зависит от трех напряжений: VGS, VDS, VBS . Влияние потенциала подложки учитывается дополнительными параметрами ВАХ φв и Кв. Запирание перехода подложка-исток при заданных напряжениях VGS, VDS уменьшает ток стока и напряжение насыщения.

). При VGS< Vr через канал протекает подпороговый ток. Этот ток экспоненциально зависит от напряжения VGS.

Рис. 38 (семейство выходных ВАХ N-канального транзистора в программе OrCAD)

) Пороговое напряжение зависит от температуры через параметр φв=φT In(NB/ni). Для любого типа канала ток Ip при заданных напряжениях растет с температурой.

Рис. 39 (схема P - канального МОП транзистора собранная в программе Protel)

Рис. 40 (семейство выходных ВАХ P-канального транзистора в программе OrCAD)

Разработанный стенд позволяет исследовать вольтамперные характеристики диодов, стабилитронов и транзисторов, а при совместном использовании стенда и программ для схемотехнического моделирования электронных устройств позволяет обучающимся глубже уяснить принципы работы схем. Предполагается разработка лабораторной работы для студентов старших курсов по специальности ТОСВТ.

Глава 2. Экономическая часть. Типология предприятий

.1 Типология и виды предприятий

В зависимости от избранных критериев (форма собственности, размеры, функции, структура, степень предпринимательской деятельности, организационно-правовая форма) предприятия можно структурировать по-разному.

По форме собственности предприятия могут быть подразделены на частные и общественные (рис. 41). Предприятия частного сектора экономики различаются в зависимости от того, одно или несколько лиц являются их владельцами; от ответственности за деятельность предприятия, способа включения единоличных капиталов в общий капитал предприятия. Общественный сектор экономики - это государственные и муниципальные предприятия.

Рис. 41 (типология предприятий по формам собственности)

Особняком стоит предпринимательская деятельность граждан (физических лиц), без образования юридического лица (имеются виду индивидуальные предприниматели, прошедшие государственную регистрацию). Индивидуальный предприниматель отвечает по своим обязательствам всем своим имуществом.

Согласно закону "под субъектами малого предпринимательства понимаются коммерческие организации, в уставном капитале которых доля участия правительства Приднестровской Молдавской Республики, субъектов Приднестровья, общественных и религиозных организаций (объединений), благотворительных и иных фондов не превышает 25 процентов, доля, принадлежащая одному или нескольким юридическим лицам, не являющимся субъектами малого предпринимательства, не превышает 25 процентов...". То есть чисто финансовый показатель дополняется ограничением в отношении вида собственности малого предприятия (качественной характеристики).

Многопрофильные предприятия относятся к малым по критериям того вида деятельности, который занимает наибольшую долю в объеме реализации продукции (работ, услуг).

Опыт показывает, что для наибольшей эффективности малого предприятия необходима специализация на определенном виде деятельности. Чрезмерно многопрофильные предприятия, как правило, характеризуются меньшей финансовой стабильностью и не выдерживают конкуренции. Поэтому государственную поддержку получают те малые предприятия, которые стремятся к повышению уровня специализации. От правильного выбора зависит многое. Во-первых, появляется возможность получения налоговых льгот. Во-вторых, от выбора преобладающего вида деятельности (соответственно, отраслевой принадлежности) зависят максимально допустимые размеры параметров, по которым предприятие относится к разряду малых.

Выделение какого-либо вида деятельности в качестве преобладающего может повлечь за собой существенные изменения в структуре производства. Можно сузить какое-либо направление деятельности и за его счет расширить другое. Естественно, сокращать направления деятельности, обеспеченные заказами и имеющие устойчивый доход, нецелесообразно. Иногда следует пойти по пути выделения какого-либо направления в самостоятельное малое предприятие. Важно, чтобы ведущий вид деятельности был таковым в рамках годового объема хозяйственного оборота. Это означает, что в отдельные периоды (квартал, полугодие) он может составить меньшую часть объема, зато в другой период - большую. Главное, чтобы была соблюдена необходимая пропорция за год.

Применение еще одного финансового показателя - объема реализованной продукции - в нашей стране затруднено из-за незавершенности реформы ценообразования и высоких темпов инфляции.

В зависимости от вида выпускаемой продукции (вида работ), предприятия разделяются, на промышленные - по выпуску машин, оборудования, инструментов, добыче сырья, производству материалов, выработке электроэнергии и других средств производства; сельскохозяйственные - по выращиванию зерна, овощей, скота, технических культур; предприятия строительного комплекса, транспорта и связи. С точки зрения потребностей человека важнейшими являются предприятия, производящие предметы потребления, то есть предприятия сельского хозяйства, пищевой и легкой промышленности, машиностроения, химической, деревообрабатывающей промышленности, жилищного и коммунального строительства.

В силу различных причин специализация предприятия не обязательно совпадает с административной структурой и основной специализацией отрасли. Например, во многих отраслях, не относящихся к машиностроению (строительной, металлургической, угле- и нефтедобывающих), имеются крупные заводы по производству машин и оборудования, его ремонту. Наряду с этим, в машиностроительной отрасли имеются металлургические, химические, транспортные и строительные предприятия, электростанции и прочие.

Поэтому в народном хозяйстве отраслевую принадлежность предприятия определяют по 2 признакам: административно-организационному и продуктовому (чистому).

При использовании административно-организационного признака учитываются основной заявленный вид деятельности и принадлежность предприятия тому или иному ведомству или предпринимательскому союзу. Так, предприятия, выпускающие машиностроительную продукцию, будут учитываться в той отрасли, с которой они административно связаны: в строительной, угольной, металлургической.

Согласно второму признаку определяются структура и объем производства по каждой, так называемой продуктовой (чистой) отрасли, то есть, все машиностроительные предприятия, и цехи независимо от административной подчиненности, относятся к машиностроению, транспортные - к транспортной отрасли, строительные - к строительной.

По структуре предприятия делятся на узкоспециализированные, многопрофильные и комбинированные.

Узкоспециализированными считаются предприятия, которые изготавливают ограниченный ассортимент продукции массового или крупносерийного производства, например, производят чугун, стальной прокат, литье, поковки для машиностроения, вырабатывают и поставляют электрическую и тепловую энергию, производят зерно, мясо и другие продукты питания.

Многопрофильные предприятия, которые чаще всего встречаются в промышленности и сельском хозяйстве, выпускают продукцию широкого ассортимента и различного назначения. В промышленности они могут специализироваться одновременно на изготовлении компьютеров, морских судов, автомобилей, детских колясок, холодильников, станков, инструментов, перевозке грузов; в сельском хозяйстве - на выращивании зерна, овощей, фруктов, скота, кормов и так далее.

По мере усиления конкуренции многие узкоспециализированные предприятия, экономически окрепнув, резко расширяют ассортимент продукции и услуг, захватывая новые рынки сбыта. Часто такие предприятия полностью теряют прежний отраслевой профиль и становятся межотраслевыми - диверсифицированными предприятиями. Одновременно они могут заниматься, например, выпуском различной промышленной продукции, строительством, транспортными и коммерческими операциями. Переход капитала из одной отрасли экономики в другие происходит при этом в рамках одной фирмы.

Диверсификация - основное направление предпринимательской деятельности конца XX в. Некогда специализированные предприятия в течение короткого промежутка времени трансформировались в новую категорию - фирмы, объединяющие разнородные виды предпринимательской производственной и коммерческой деятельности. В этом случае группировка предприятий по отраслям теряет смысл - группируется только продукция.

Комбинированные предприятия чаще всего встречаются в химической, текстильной и металлургической промышленности. Суть их в том, что один вид сырья или готовой продукции на одном и том же предприятии превращается (параллельно или последовательно) в другой, а затем - в третий вид. Например, выплавленный в доменных печах чугун не только реализуется потребителям, но и переплавляется на собственном предприятии в стальные слитки, часть которых продается, а часть поступает на дальнейшую переработку в стальной прокат на собственном заводе. В текстильной промышленности комбинирование проявляется в изготовлении из сырья волокна, из волокна - пряжи, из пряжи - полотна.

Наиболее сложным комбинированным производством является комплексное использование сырья для изготовления продукции, различной по структуре и химическому составу. В частности, при выплавке чугуна из железной руды в отходы вместе с породой часто уходят ценные компоненты, содержащие цветные и редкие металлы. Для их извлечения на предприятиях черной металлургии строятся цехи цветной металлургии. Кроме того, отходы доменного и сталелитейного производств на этих предприятиях часто перерабатываются в строительные материалы. Таким образом, на основе одного и того же исходного сырья (в данном случае железной руды) на предприятии производится продукция, различная по характеристикам, назначению и технологии изготовления.

Рис. 42 (типология организаций по степени предпринимательской деятельности).

Потребительский кооператив - создается на основе добровольного объединения граждан и юридических лиц с целью удовлетворения материальных и иных потребностей участников путем объединения имущественных паевых взносов.

Доходы от предпринимательской деятельности распределяются между членами кооператива. Устав потребительского кооператива должен содержать: 1) наименование (включает указание на основную деятельности и слова "Кооператив", или "Потребительский союз" или "Потребительское общество"; 2) место нахождения; 3) порядок управления деятельностью, состав и компетенцию органов управления, и порядок принятия решений; 4) размер паевых взносов, порядок их внесения и ответственность за просрочку;

) порядок возмещения членам кооператива понесенных ими убытков. Виды таких кооперативов - ЖСК, ГСК.

Общественные и религиозные организации - добровольные объединения граждан на основе общности интересов для удовлетворения духовных и иных нематериальных потребностей. Участники не отвечают по обязательствам организации, а предприятие - по обязательствам участников. Предпринимательская деятельность допускается только в соответствии с целями организации, например продажа книг Союзом писателей.

Фонды - создаются на основе добровольных взносов для реализации общественно полезных целей гражданами и юридическими лицами, которые не отвечают по обязательствам фонда, так же как фонд - по обязательствам своих учредителей. Предпринимательская деятельность допускается только в соответствии с целями фонда. Фонд вправе создавать хозяйственное общество (ХО) или участвовать в нем.

Учреждения - создаются собственниками имущества для осуществления управленческих, социально-культурных и иных функций некоммерческого характера, финансируемых (полностью или частично) учредителем. Отвечают по обязательствам своими средствами, при их недостаточности субсидиарную ответственность несет собственник. Учреждение владеет и пользуется имуществом в соответствии с целями своей деятельности и заданиями собственника.


Рис. 43 (основные формы объединений)

При необходимости ведения предпринимательской деятельности объединение преобразуется в хозяйственное общество (товарищество), либо создает ХО для этих целей. Учредительными документами объединения являются учредительный договор, подписываемый членами объединения, и устав, утверждаемый членами объединения. Структура устава включает: наименование с указанием на предмет деятельности и слово "Союз" или "Ассоциация", место нахождения; порядок управления деятельностью, состав и компетенцию органов управления, и порядок принятия решений; сведения о судьбе имущества при ликвидации объединения. Члены объединения могут безвозмездно пользоваться его услугами.

По окончании финансового года член объединения вправе выйти из него или может быть исключен по решению остающихся участников в порядке, установленном учредительными документами. Выходящий (исключенный) член объединения несет субсидиарную ответственность по обязательствам объединения в течение двух лет с момента выхода.

Многообразие форм собственности является основой для создания различных организационно-правовых форм организаций.

В соответствии с Гражданским кодексом Приднестровской Молдавской Республики (ГК) все юридические участники предпринимательской деятельности независимо от отрасли производства имеют четко определенные организационно-правовые формы и могут осуществлять следующие виды деятельности:

• производить продукцию;

• выполнять работы;

• оказывать услуги.

С экономической точки зрения эти три вида деятельности имеют одинаковый статус. В ГК предприятие не рассматривается в качестве субъекта предпринимательской деятельности, а используется термин "организация".

.2 Материальная база предприятия

Во многом выбор ОПФ обусловлен совокупностью субъективных возможностей предпринимателя и объективной действительностью. Под организационно-правовой формой понимается способ закрепления и использования имущества хозяйствующим субъектом и вытекающие из этого его правовое положение и цели предпринимательской деятельности.

Правильно выбранная организационно - правовая форма предприятия может дать учредителям дополнительные инструменты для осуществления своих планов по развитию и защите бизнеса. Чаще всего регистрируют общества с ограниченной ответственностью (ООО), закрытые акционерные общества (ЗАО) и индивидуальных предпринимателей без образования юридического лица (ИП). Каждая из этих форм имеет свои преимущества и недостатки и используется в зависимости от тех задач, которые предстоит решать предпринимателям.

Наиболее популярной формой коммерческого юридического лица у представителей среднего и малого бизнеса является общество с ограниченной ответственностью, которое обладает рядом преимуществ по сравнению с другими организационно-правовыми формами коммерческих организаций. Например, в отличие от других юридических лиц, общество с ограниченной ответственностью может состоять из одного учредителя - физического лица. Став учредителем такого ООО, а также генеральным директором, предприниматель сможет полностью контролировать свой бизнес.

Но представители малого бизнеса чаще всего выбирают статус индивидуального предпринимателя. Обычно это деятельность в сфере розничной торговли, общественного питания и прочих услуг, оказываемых населению. Индивидуальным предпринимателям предоставлено больше свободы в обращении с денежной наличностью. Учет у индивидуального предпринимателя проще и не требует глубоких познаний в области бухгалтерского учета. Но в случае банкротства ИП отвечает всем своим личным имуществом.

Плюсы и минусы ПБОЮЛ (предприниматель без образования юридического лица)

Плюсы:

• Упрощенная процедура регистрации и прекращения деятельности.

• Меньший перечень необходимых документов и чуть меньше беготни по инстанциям.

• Упрощенная форма учета и отчетности, меньший перечень налогов. Государство заявляет об этом, но есть ситуации, в которых учёт и отчётность ООО практически не отличаются от того же при регистрации ПБОЮЛ. Например, при схожем виде деятельности традиционная система налогообложения ПБОЮЛ мало, чем отличается от системы налогообложения ООО на кассовом методе.

• Бухгалтерский учет отсутствует - индивидуальные предприниматели ведут книгу учета доходов и расходов, а также представляют квартальный отчет о доходах и расходах.

Минусы:

• Ответственность по долгам всем личным имуществом.

• Отсутствие возможности распределения между учредителями ответственности по обязательствам, возникающим из предпринимательской деятельности.

• С точки зрения перспектив привлечения дополнительных инвестиций или продажи создаваемого бизнеса, самая "неудобная" форма - ПБОЮЛ. Для привлечения внешнего финансирования ПБОЮЛ доступны только кредитные средства, акций или долей у него нет - предложить потенциальному инвестору ему нечего.

• С аналогичной проблемой столкнется предприниматель и при продаже своего бизнеса. Продать он может только свои активы, принадлежащие ему как личное имущество.

• Наследование и дарение бизнеса, который ведет предприниматель также связано с большим количеством юридических сложностей, в результате чего передать свой бизнес в умелые руки потомков можно будет только при выполнении большого количества бумажной работы.

Плюсы и минусы ООО (общество с ограниченной ответственностью)

Плюсы:

• Ответственность ограничена суммой вклада. В сравнении с ПБОЮЛ, где предприниматель несёт полную ответственность по долгам своим личным имуществом, здесь учредитель рискует лишь в пределах стоимости внесенных им вкладов в уставной капитал общества.

• Можно в любое время выйти из общества.

Минусы:

• Управляет обществом директор. Участников не более 50-ти. Это не важно, так как к тому времени, как вы соберёте вокруг себя более пятидесяти человек, выбор организационно-правовой формы для вас будет вторичным.

• При выходе участника из состава общества может возникнуть возможность финансового кризиса в связи с выплатой участнику его доли в имуществе общества. Здесь риск вполне реальный, так как менее морально ответственный партнёр, почуяв неладное, может выйти, забрав из общества крупную сумму как раз в тот момент, когда она может спасти ситуацию. Деятельность ООО регулируется государственным законом "Об обществах с ограниченной ответственностью".

ЗАО (Закрытые акционерные общества)

Плюсы:

• акционеры ЗАО имеют преимущественное право на выкуп акций у акционера, выходящего из общества;

• подписка на акции в случае их дополнительного выхода закрытая, то есть. только среди его акционеров и иного, заранее определенного круга лиц.

Организационные особенности:

• максимальное количество участников ЗАО - 50 физических и юридических лиц;

• минимальный уставный капитал - 100 МРОТ.

ОАО (Открытые акционерные общества)

Плюсы:

• максимальное число участников ОАО неограниченно;

• возможны дополнительные выпуски акций для увеличения оборотных средств общества. Это привлекает значительные финансовые средства, распыленные среди мелких акционеров.

Организационные особенности:

• минимальный уставный капитал 1000 МРОТ;

• акционеры ОАО имеют право продать свои акции любым лицам без согласия других акционеров.

.3 Некоммерческие и унитарные организации

Некоммерческой организацией является организация, не имеющая извлечение прибыли в качестве основной цели своей деятельности и не распределяющая полученную прибыль между участниками.

Некоммерческой организации присущи следующие свойства:

·              наличие юридического лица;

·              основной целью деятельности не является извлечение прибыли;

·              возможная прибыль не может быть распределена между участниками некоммерческой организации.

Если некоммерческая организация намерена выступать в дальнейшем как участник гражданско-правовых отношений (приобретать имущественные права и обязанности), то она должна пройти процедуры государственной регистрации для приобретения прав юридического лица, так как только статус юридического лица позволяет некоммерческим организациям защищать свои имущественные права и интересы, и вместе с этим обязывает их нести юридическую ответственность за ущемление прав и законных интересов других юридических и физических лиц.

Особо необходимо отметить, что только приобретение статуса юридического лица позволяет некоммерческим организациям пользоваться налоговыми и прочими льготами.

Следует обратить внимание на два момента:

1.      возможность возникновения юридического лица без регистрации оставлена в законодательстве только для общественных и религиозных организаций (объединений) и для некоммерческих партнерств;

2.      некоммерческие организации создаются, как правило, с правами юридического лица.

Некоммерческой организации как юридическому лицу присущи следующие характеристики.

Некоммерческая организация должна иметь самостоятельный баланс или смету. Некоммерческая организация вправе в установленном порядке открывать счета в банках на территории ПМР и за пределами ее территории, имеет печать с полным наименованием этой некоммерческой организации на русском языке. Некоммерческая организация вправе иметь штампы и бланки со своим наименованием, а также зарегистрированную в установленном порядке эмблему.

Учредительными документами некоммерческих организаций являются: устав либо учредительный договор и устав, либо только учредительный договор. В некоторых случаях некоммерческая организация может действовать на основании общего положения об организациях данного вида.

В учредительных документах некоммерческой организации должны определяться наименование некоммерческой организации, содержащее указание на характер ее деятельности и организационно - правовую форму, место нахождения некоммерческой организации, порядок управления деятельностью, предмет и цели деятельности, сведения о филиалах и представительствах, права и обязанности членов, условия и порядок приема в члены некоммерческой организации и выхода из нее (в случае, если некоммерческая организация имеет членство), источники формирования имущества некоммерческой организации, порядок внесения изменений в учредительные документы некоммерческой организации, порядок использования имущества в случае ликвидации некоммерческой организации и иные положения, предусмотренные государственными законами.

Учредительные документы некоммерческой организации могут содержать и иные не противоречащие законодательству положения.

Требования учредительных документов некоммерческой организации обязательны для исполнения самой некоммерческой организацией, ее учредителями (участниками).

Некоммерческая организация создается без ограничения срока деятельности, если иное не установлено учредительными документами некоммерческой организации.

Некоммерческая организация может создавать филиалы и открывать представительства на территории Приднестровской Молдавской Республики в соответствии с законодательством ПМР.

Филиалом некоммерческой организации является ее обособленное подразделение, расположенное вне места нахождения некоммерческой организации и осуществляющее все ее функции или часть их, в том числе функции представительства.

Представительством некоммерческой организации является обособленное подразделение, которое расположено вне места нахождения некоммерческой организации, представляет интересы некоммерческой организации и осуществляет их защиту.

Филиал и представительство некоммерческой организации не являются юридическими лицами, наделяются имуществом создавшей их некоммерческой организации и действуют на основании утвержденного ею положения. Имущество филиала или представительства учитывается на отдельном балансе и на балансе создавшей их некоммерческой организации.

Руководители филиала и представительства назначаются некоммерческой организацией и действуют на основании доверенности, выданной некоммерческой организацией.

Филиал и представительство осуществляют деятельность от имени создавшей их некоммерческой организации, и должны быть указаны в учредительных документах некоммерческой организации, их создавшей.

По решению учредителей (участников) либо органа, уполномоченного на то учредительными документами, некоммерческая организация может быть реорганизована. Реорганизация может быть осуществлена в форме слияния, присоединения, разделения, выделения и преобразования.

Некоммерческая организация может быть ликвидирована. Это может произойти:

·              по решению ее учредителей (участников) либо органа, уполномоченного на то учредительными документами;

·              по решению суда;

·              в случае признания организации несостоятельной (банкротом). Данный случай относится только к фондам и потребительским кооперативам.

Основной целью деятельности некоммерческой организации не является получение прибыли - другой важный признак некоммерческой организации.

Некоммерческие организации могут создаваться для достижения социальных, благотворительных, культурных, образовательных, научных и управленческих целей, в целях охраны здоровья граждан, развития физической культуры и спорта, удовлетворения духовных и иных нематериальных потребностей граждан, защиты прав, законных интересов граждан и организаций, разрешения споров и конфликтов, оказания юридической помощи, а также в иных целях, направленных на достижение общественных благ.

Возможная прибыль не может быть распределена среди участников некоммерческой организации.

Действительно, некоммерческие организации не ставят главной своей целью извлечение прибыли. Однако законодательства многих государств, в том числе нашего, допускают возможность получения прибыли некоммерческой организацией. Вместе с тем в рамках некоммерческого сектора последняя носит ограниченный характер.

Во-первых, некоммерческая организация может заниматься предпринимательством лишь постольку, поскольку это служит достижению целей, ради которой она создана; сама бизнес-деятельность должна соответствовать таким целям.

Во-вторых, возможная прибыль полностью направляется на обеспечение основного профиля некоммерческой организации и не может быть распределена среди ее участников. Например, прибыль организаций здравоохранения используется на предоставление населению дополнительных видов медицинских услуг и увеличение объема услуг уже существующих. Прибыль научных организаций расходуется на осуществление новых проектов, приобретение оборудования и сырья. Прибыль общественных организаций и объединений идет на расширение спектра услуг, предоставляемых их участникам, на совершенствование материальной базы и тому подобного.

В общем, прибыль от предпринимательской деятельности некоммерческих организаций не распределяется среди их учредителей и участников, а полностью реинвестируется на развитие фундаментальных социальных сфер общества (просвещение, наука, культура, здравоохранение), на укрепление социальной защиты населения.

Некоммерческая организация может быть создана в различных организационно-правовых формах. Конкретный выбор формы зависит от целей, ради которых образуется некоммерческая организация, ее отношений с учредителями, возможных источников финансирования.

Некоммерческие организации могут создаваться в форме общественных или религиозных организаций (объединений), некоммерческих партнерств, учреждений, автономных некоммерческих организаций, социальных, благотворительных и иных фондов, ассоциаций и союзов, а также в других формах, предусмотренных государственными законами.

Унитарным предприятием признается коммерческая организация, не наделенная правом собственности на закрепленное за ней собственником имущество. Имущество унитарного предприятия является неделимым и не может быть распределено по вкладам (долям, паям), в том числе между работниками предприятия.

Унитарное предприятие является юридическим лицом и обладает всеми признаками юридического лица:

. Организационное единство. Унитарное предприятие имеет единую организационную структуру, то есть внутреннее устройство, которое определяет структурные подразделения юридического лица и их подчиненность единому руководящему органу.

Например, руководящим органом предприятия является - руководство предприятия, а структурными подразделениями будут отделы, цеха производственные единицы предприятия.

. Имущественная обособленность. Имущество унитарного предприятия в соответствии с законодательными актами Приднестровской Молдавской Республики, уставом предприятия принадлежит ему на праве хозяйственного ведения и оперативного управления. Имущество унитарного предприятия составляет его основные фонды и оборотные средства и другие ценности, стоимость которых отражается в балансе предприятия.

Например, унитарное предприятие на праве хозяйственного ведения может владеть, пользоваться и распоряжаться имуществом, предоставленным ему собственником для осуществления хозяйственной деятельности в пределах, установленных действующим законодательством.

. Имущественная ответственность. В соответствии с действующим законодательством юридическое лицо, кроме финансируемых собственником учреждений, отвечает по своим обязательствам всем своим имуществом, на которое по закону может быть обращено взыскание.

. Выступление в гражданском обороте и суде от своего имени. Самостоятельность унитарного предприятия, как юридического лица в гражданском обороте означает его право заключать без доверенности сделки, самому отвечать по долгам.

При возникновении споров унитарное предприятие само выступает в качестве истца или ответчика в суде, хозяйственном, третейском суде и в другом суде.

. Наличие самостоятельного баланса. Баланс - это финансовый план юридического лица, выражающий в денежной форме доходы, поступления, расходы и отчисления денежных средств, взаимоотношения с государственным бюджетом, кредитные отношения (получение и погашение ссуд, уплаты процентов).

Так же надо отметить, что выступление в гражданском обороте от своего имени является одним из основных признаков в определении юридического лица. Унитарное предприятие обладает данным признаком, что подчеркивает его характерную особенность проявления самостоятельности и гражданскую правосубъектность.

.4 Типология ЗАО "ТирАЭТ"

Уставный капитал общества составляется из номинальной стоимости акций общества, приобретенных акционерами. Минимальный уставной капитал 2550 МРОТ (двести пятьдесят долларов США). Уставной капитал может быть внесен как денежными средствами (открытие накопительного счета для оплаты уставного капитала в банке), так и имуществом, имущественными правами, либо иными правами, имеющими денежную оценку. Форма оплаты акций общества при его учреждении определяется договором о создании общества.

Устав общества может содержать ограничения на виды имущества, которым могут быть оплачены акции общества. При внесении не денежного вклада для определения рыночной стоимости требуется оценка, производимая независимым оценщиком и учредители, по соглашению между которым оценивается имущество, вносимое в оплату акций не могут оценить выше, чем оценил независимый оценщик.

Цели создания ЗАО "ТирАЭТ"

Предприятие работает в области электронных компьютерных технологий и программного обеспечения.

Комплексные решения в области создания информационных систем: - автоматизация офисов на базе Windows XP, VISTA, LINUX; - разработка прикладного ПО.

Интеграцию имеющихся ресурсов в единую систему: - проектирование, монтаж; - установка законченных локальных и распределенных сетей.

Оперативную техническую и информационную поддержку техники.

Поставка всего спектра компьютерного оборудования: - компьютеры любых конфигураций, комплектующие к ним, лазерные, струйные, матричные принтеры, сканеры, сетевое и телекоммуникационное оборудование, копировальное оборудование и оргтехника.

Консультирование и обучение персонала.

Техническое и программное обслуживание.

Ремонт компьютерной и оргтехники.

Одним из ключевых принципов, положенных в основу работы компании, является стремление максимально компетентно проинформировать покупателя о возможностях и особенностях приобретаемой им техники как до, так и после покупки.

В "ТирАЭТе" постоянно ведется работа по наполнению и обновлению информационной базы по продуктам на сайте компании.

Техническая же компетентность продавцов поддерживается на высоком уровне единственно возможным способом - постоянной практикой работы в качестве технического специалиста.

Органы управления ЗАО "ТирАЭТ"

Высшим органом управления в ОАО является Общее собрание акционеров общества. Исключительная компетенция Общего собрания установлена принятым уставом (общим собранием "НП ЗАО "ТирАЭТ"). Общее собрание акционеров не вправе рассматривать и принимать решения по вопросам, не отнесенным к его компетенции Законом.

Руководство текущей деятельностью общества осуществляется единоличным исполнительным органом общества (например, Генеральный директор) или единоличным исполнительным органом общества и коллегиальным исполнительным органом общества (например, директор и дирекция либо правление). Исполнительные органы общества подотчетны общему собранию участников общества и совету директоров (наблюдательному совету) общества.

Совет директоров (наблюдательный совет) общества осуществляет общее руководство деятельностью общества, за исключением решения вопросов, отнесенных Законом к компетенции общего собрания акционеров. В обществе с числом акционеров - владельцев голосующих акций менее пятидесяти устав общества может предусматривать, что функции совета директоров общества (наблюдательного совета) осуществляет общее собрание акционеров.

Для осуществления контроля за финансово-хозяйственной деятельностью общества общим собранием акционеров избирается ревизионная комиссия (ревизора) общества. Члены ревизионной комиссии (ревизор) общества не могут одновременно являться членами совета директоров (наблюдательного совета), а также занимать иные должности в органах управления общества. Акции, принадлежащие членам совета директоров или лицам, занимающим должности в органах управления, не могут участвовать в голосовании при избрании членов ревизионной комиссии (ревизора) общества.

Аудитор (гражданин или аудиторская организация) общества осуществляет проверку финансово-хозяйственной деятельности общества в соответствии с правовыми актами Приднестровской Молдавской Республики на основании заключаемого с ним договора.

Общее собрание акционеров утверждает аудитора. Размер оплаты его услуг определяется советом директоров (наблюдательным советом) общества.

Права и обязанности акционеров ЗАО "ТирАЭТ"

Акционеры имеют право на доступ к документам общества, к таким как договор о создании, устав, документы, подтверждающие права общества на имущество, находящееся на его балансе, внутренние документы общества, годовые отчеты и другие в соответствии с уставом предприятия "Об акционерных обществах". К документам бухгалтерского учета и протоколам заседаний коллегиального исполнительного органа имеют право акционеры (акционер) имеющие в совокупности не менее 25 процентов голосующих акций общества.

Порядок распределения прибыли в ЗАО "ТирАЭТ"

Общество вправе раз в год принимать решение о выплате дивидендов по размещенным акциям. Общество обязано выплатить объявленные по акциям каждой категории дивиденды. Дивиденды выплачиваются деньгами, а в случаях, предусмотренных уставом общества, - иным имуществом. Решение о выплате годовых дивидендов, размере годового дивиденда и форме его выплаты по акциям каждой категории принимается общим собранием акционеров. Размер годовых дивидендов не может быть больше рекомендованного советом директоров (наблюдательным советом) общества.

Особенности ЗАО "ТирАЭТ"

НП ЗАО "ТирАЭТ" - форма организации публичной компании; (общепринятое сокращение - ЗАО) - акционерное общество, акции которого распределяются только среди учредителей или заранее определенного круга лиц (в противоположность открытому).

Акционеры такого общества имеют преимущественное право на приобретение акций, продаваемых другими акционерами. Число участников закрытого акционерного общества ограничено законом. Как правило, закрытое акционерное общество не обязано публиковать отчётность для всеобщего сведения, если иное не установлено законом.

Глава 3. Охрана труда. Безопасность работы с электронной техникой

.1 Анализ условий труда

Условия труда на рабочем месте, безопасность технологических процессов, машин, оборудования и других средств производства, состояние средств коллективной и индивидуальной защиты, используемых работником, а также санитарно-бытовые условия должны отвечать требованиям нормативных актов об охране труда.

Все работники подлежат обязательному социальному страхованию собственником от несчастных случаев и профессиональных заболеваний.

На работах с вредными и опасными условиями труда, а также на работах, связанных с загрязнением или осуществляемых в неблагоприятных температурных условиях, выдается бесплатно по установленным нормам специальная одежда, специальная обувь и другие средства индивидуальной защиты.

Работы, производящиеся при мониторинге локально-вычислительной сети, а также при последующей ее эксплуатации и обслуживании, можно квалифицировать как творческую работу с персональными электронными вычислительными машинами (ПЭВМ) и периферийными устройствами.

Работа сотрудников, непосредственно связанных с компьютером, а соответственно с дополнительным вредным воздействием целой группы факторов, существенно снижает производительность их труда. К таким факторам необходимо отнести:

·   повышенный уровень шума при работе ПЭВМ и периферийных устройств;

·   электромагнитное излучение;

·   ионизирующее излучение от экрана дисплея ПЭВМ;

·   возможность повышенной запыленности рабочей зоны;

·   изменение микроклимата и тепловыделение;

·   наличие опасного значения напряжения в электрической цепи, из-за контакта с которой может произойти поражение человека;

·   перенапряжение зрительных анализаторов.

.2 Общие санитарно-гигиенические требования к воздуху рабочей зоны

Для создания благоприятных санитарно-гигиенических условий труда все элементы производственной среды должны систематически подвергаться исследованию и приводиться в соответствие с нормативами. Основные руководящие документы, регламентирующие эти условия на предприятиях:

различные ГОСТы;

СанПиН - санитарные правила и нормы;

СП - санитарные правила;

СНиП - строительные нормы и правила;

ПДУ - предельно допустимые уровни;

ПДК - предельно допустимые концентрации;

ГН - гигиенические нормативы;

МУК - методические указания по контролю;

ОБУВ - ориентировочные безопасные уровни воздействия веществ в воздухе рабочей зоны.

Действующие санитарно-гигиенические нормативы разрабатываются по отдельным факторам и в основном регламентируют ПДК и ПДУ вредных факторов, то есть уровни концентрации, которые при ежедневной работе в течение 8 часов не вызывают у работающих профессиональных заболеваний, общих отклонений в здоровье. Однако необходимо иметь в виду, что дозы и уровни вредных факторов, даже значительно меньше предельно допустимых, при комбинированном действии могут становиться опасными для здоровья.

В настоящее время наряду с предельно допустимыми по отдельным факторам разработаны и оптимальные нормы, на которые и следует ориентироваться при осуществлении мероприятий по совершенствованию санитарно-гигиенических условий труда. Если же оптимальные уровни еще не определены в нормативных документах, необходимо предусматривать дозы и уровни вредных факторов значительно более низкими, чем ПДК и ПДУ.

Гигиена труда, или профессиональная гигиена, - отрасль науки, изучающая влияние на организм человека трудовых процессов и окружающей среды и разрабатывающая нормативы и мероприятия для обеспечения благоприятных условий труда и предупреждения профессиональных заболеваний.

Производственной (промышленной) санитарией называется система технических мероприятий, разрабатываемых на основе гигиены труда и предусматривающим устройство специальных производственных и гигиенических бытовых помещений, установку соответствующего оборудования, обеспечивающих безопасные пределы содержания в воздухе производственных помещений пыли, газов, паров, температуры и влажности воздуха, интенсивности и громкости шума.

Одной из важнейших задач промышленной санитарии является дальнейшая разработка мероприятий по профилактике и предупреждению

В цеховой аптечке должны быть постоянно гигроскопическая вата, бинты, марля, раствор йода, нашатырный спирт, растворы питьевой соды, уксусной кислоты и марганцовокислого калия.

Кондиционирование компьютерных помещений.

Существует определенный тип помещений с высокой технологией работы, в которых необходимо обеспечивать с помощью специальных, так называемых прецизионных систем кондиционирования воздуха, круглогодично, круглосуточно с большой точностью микроклиматические параметры воздушной среды, такие как: температура, относительная влажность воздуха и его запыленность.

К таким помещениям относятся: помещения телекоммуникационных узлов связи и цифровых АТС, в том числе мобильных; телевизионных и радиовещательных станций; компьютерных и серверных с источниками бесперебойного электропитания; хранилищ ACP на магнитных носителях информации (магнитные диски, ленты, магнитооптические носители); "чистые помещения" (операционные и сборочные производства электронной технологии); наземных станций спутниковой связи с электронным сетевым оборудованием; типографий с цветной, высокого типа печатной продукцией и тому подобному.

Как показывает мировая практика строительства и эксплуатации цифровых АТС с электронным оборудованием, существуют временные режимы работы этого оборудования, обусловливающие его высокие надежностные показатели в зависимости от климатических параметров окружающей воздушной среды [9]: [9]:

при температурах ниже t < 24°С - должно быть не менее 70% рабочего времени эксплуатации оборудования (р.вр.э-и.);

при температурах t= 24-26°С - должно быть не более 15% р.вр.э-и.;

при температурах t= 26-30°С - должно быть не более 10% р.вр.э-и.;

при температурах t= 30-34°С - должно быть не более 4% р.вр.э-и.; при температурах t= 34-40°С - должно быть не более 1% р.вр.э-и.

Эти режимы работы следует принимать во внимание при оценке графиков гарантийного и послегарантийного обслуживания систем кондиционирования воздуха и при возникновении аварийного состояния систем.

Большое значение для обеспечения надежности электронного оборудования имеет не только уровень микроклиматических параметров, но и воздуха постоянство температурного режима воздушной среды. Известно, что при увеличении температуры на каждый 1°С, надежность накопителей на магнитных дисках ЭВМ уменьшается на 2,3%, а на 5°С - от 10 до 15% [5]. Температура воздуха подводимого к телефонным стойкам (штативам) или стойкам ЭВМ в случае их непосредственного охлаждения должна быть стабильна в диапазоне 20±2°С [6].

Таким образом, осуществление прецизионными кондиционерами микроклиматических параметров 22±(1°С-2°С) и y=50±(5-10)% обусловливает выполнение практически всех требований по климатике связного телекоммуникационного оборудования, средств вычислительной техники, телевизионного и другого электронного оборудования.

Микроклимат.

Необходимым условием жизнедеятельности человека является поддержка постоянства температуры тела, благодаря свойству терморегуляции, то есть свойству организма регулировать отдачу тепла в окружающую среду. Поэтому большое значение имеет микроклимат в помещении, где работает инженер - монтажник. Метеорологические условия на производстве определяются следующими параметрами:

) температурой воздуха t (C);

) относительной влажностью (%);

) скоростью движения воздуха на рабочем месте, V (м/с).

Основной принцип нормирования микроклимата - создание оптимальных условий для теплообмена тела человека с окружающей средой. Выделяемая организмом человека теплота должна отводиться в окружающую среду. Соответствие между количеством этой теплоты и охлаждающей способностью среды характеризует ее как комфортную. В условиях комфорта у человека не возникает беспокоящих его температурных ощущений холода или перегрева. В "Общих санитарно-гигиенических требованиях к воздуху рабочей зоны" (ГОСТ 12.1.005-88) установлены оптимальные и допустимые параметры микроклимата в зависимости от времени года, категории работ и рабочих мест (постоянных и непостоянных).

В настоящее время для обеспечения комфортных условий используются как организационные методы, так и технические средства, среди которых вентиляция воздуха.

3.3 Мероприятия по защите от шума и вибрации

Повышенный уровень шума, возникающий при работе ПЭВМ и периферийных устройств, вредно воздействует на нервную систему человека, снижая производительность труда, способствуя возникновению травм.

При длительном воздействии шума на организм человека происходят нежелательные явления: снижается острота слуха, повышается кровяное давление. Кроме того, шум влияет на общее состояние человека - возникает чувство неуверенности, стесненности, плохого самочувствия.

Для снижения уровня шума в помещении, где эксплуатируется вычислительная техника, проводят:

·   Акустическая обработку помещения (звукоизоляция стен, окон, дверей, потолка, установка штучных звукопоглощателей);

·   Ослаблении шума самих источников, полностью выполнив требования по звукоизоляции оборудования, изложенные в технической документации на данное оборудование;

Похожие работы на - Исследование вольтамперных характеристик диодов и транзисторов

 

Не нашли материал для своей работы?
Поможем написать уникальную работу
Без плагиата!
Без нейросетей!